WO2017065102A1 - 飛行型検査装置および検査方法 - Google Patents

飛行型検査装置および検査方法 Download PDF

Info

Publication number
WO2017065102A1
WO2017065102A1 PCT/JP2016/079910 JP2016079910W WO2017065102A1 WO 2017065102 A1 WO2017065102 A1 WO 2017065102A1 JP 2016079910 W JP2016079910 W JP 2016079910W WO 2017065102 A1 WO2017065102 A1 WO 2017065102A1
Authority
WO
WIPO (PCT)
Prior art keywords
target surface
distance
target
inspection
unit
Prior art date
Legal status (The legal status is an assumption and is not a legal conclusion. Google has not performed a legal analysis and makes no representation as to the accuracy of the status listed.)
Ceased
Application number
PCT/JP2016/079910
Other languages
English (en)
French (fr)
Japanese (ja)
Inventor
和雄 市原
Current Assignee (The listed assignees may be inaccurate. Google has not performed a legal analysis and makes no representation or warranty as to the accuracy of the list.)
Prodrone Co Ltd
Original Assignee
Prodrone Co Ltd
Priority date (The priority date is an assumption and is not a legal conclusion. Google has not performed a legal analysis and makes no representation as to the accuracy of the date listed.)
Filing date
Publication date
Application filed by Prodrone Co Ltd filed Critical Prodrone Co Ltd
Publication of WO2017065102A1 publication Critical patent/WO2017065102A1/ja
Anticipated expiration legal-status Critical
Ceased legal-status Critical Current

Links

Images

Classifications

    • BPERFORMING OPERATIONS; TRANSPORTING
    • B64AIRCRAFT; AVIATION; COSMONAUTICS
    • B64CAEROPLANES; HELICOPTERS
    • B64C13/00Control systems or transmitting systems for actuating flying-control surfaces, lift-increasing flaps, air brakes, or spoilers
    • B64C13/02Initiating means
    • B64C13/16Initiating means actuated automatically, e.g. responsive to gust detectors
    • B64C13/20Initiating means actuated automatically, e.g. responsive to gust detectors using radiated signals
    • BPERFORMING OPERATIONS; TRANSPORTING
    • B64AIRCRAFT; AVIATION; COSMONAUTICS
    • B64CAEROPLANES; HELICOPTERS
    • B64C27/00Rotorcraft; Rotors peculiar thereto
    • B64C27/04Helicopters
    • B64C27/08Helicopters with two or more rotors
    • BPERFORMING OPERATIONS; TRANSPORTING
    • B64AIRCRAFT; AVIATION; COSMONAUTICS
    • B64CAEROPLANES; HELICOPTERS
    • B64C29/00Aircraft capable of landing or taking-off vertically, e.g. vertical take-off and landing [VTOL] aircraft
    • GPHYSICS
    • G01MEASURING; TESTING
    • G01NINVESTIGATING OR ANALYSING MATERIALS BY DETERMINING THEIR CHEMICAL OR PHYSICAL PROPERTIES
    • G01N21/00Investigating or analysing materials by the use of optical means, i.e. using sub-millimetre waves, infrared, visible or ultraviolet light
    • G01N21/84Systems specially adapted for particular applications
    • GPHYSICS
    • G01MEASURING; TESTING
    • G01SRADIO DIRECTION-FINDING; RADIO NAVIGATION; DETERMINING DISTANCE OR VELOCITY BY USE OF RADIO WAVES; LOCATING OR PRESENCE-DETECTING BY USE OF THE REFLECTION OR RERADIATION OF RADIO WAVES; ANALOGOUS ARRANGEMENTS USING OTHER WAVES
    • G01S17/00Systems using the reflection or reradiation of electromagnetic waves other than radio waves, e.g. lidar systems
    • G01S17/88Lidar systems specially adapted for specific applications
    • GPHYSICS
    • G05CONTROLLING; REGULATING
    • G05DSYSTEMS FOR CONTROLLING OR REGULATING NON-ELECTRIC VARIABLES
    • G05D1/00Control of position, course, altitude or attitude of land, water, air or space vehicles, e.g. using automatic pilots
    • G05D1/10Simultaneous control of position or course in three dimensions
    • GPHYSICS
    • G05CONTROLLING; REGULATING
    • G05DSYSTEMS FOR CONTROLLING OR REGULATING NON-ELECTRIC VARIABLES
    • G05D1/00Control of position, course, altitude or attitude of land, water, air or space vehicles, e.g. using automatic pilots
    • G05D1/60Intended control result
    • G05D1/656Interaction with payloads or external entities
    • G05D1/689Pointing payloads towards fixed or moving targets
    • BPERFORMING OPERATIONS; TRANSPORTING
    • B64AIRCRAFT; AVIATION; COSMONAUTICS
    • B64UUNMANNED AERIAL VEHICLES [UAV]; EQUIPMENT THEREFOR
    • B64U10/00Type of UAV
    • B64U10/10Rotorcrafts
    • B64U10/13Flying platforms
    • B64U10/14Flying platforms with four distinct rotor axes, e.g. quadcopters
    • BPERFORMING OPERATIONS; TRANSPORTING
    • B64AIRCRAFT; AVIATION; COSMONAUTICS
    • B64UUNMANNED AERIAL VEHICLES [UAV]; EQUIPMENT THEREFOR
    • B64U2101/00UAVs specially adapted for particular uses or applications
    • B64U2101/25UAVs specially adapted for particular uses or applications for manufacturing or servicing
    • B64U2101/26UAVs specially adapted for particular uses or applications for manufacturing or servicing for manufacturing, inspections or repairs
    • BPERFORMING OPERATIONS; TRANSPORTING
    • B64AIRCRAFT; AVIATION; COSMONAUTICS
    • B64UUNMANNED AERIAL VEHICLES [UAV]; EQUIPMENT THEREFOR
    • B64U2201/00UAVs characterised by their flight controls
    • B64U2201/10UAVs characterised by their flight controls autonomous, i.e. by navigating independently from ground or air stations, e.g. by using inertial navigation systems [INS]
    • GPHYSICS
    • G05CONTROLLING; REGULATING
    • G05DSYSTEMS FOR CONTROLLING OR REGULATING NON-ELECTRIC VARIABLES
    • G05D2105/00Specific applications of the controlled vehicles
    • G05D2105/80Specific applications of the controlled vehicles for information gathering, e.g. for academic research
    • G05D2105/89Specific applications of the controlled vehicles for information gathering, e.g. for academic research for inspecting structures, e.g. wind mills, bridges, buildings or vehicles
    • GPHYSICS
    • G05CONTROLLING; REGULATING
    • G05DSYSTEMS FOR CONTROLLING OR REGULATING NON-ELECTRIC VARIABLES
    • G05D2109/00Types of controlled vehicles
    • G05D2109/20Aircraft, e.g. drones
    • G05D2109/25Rotorcrafts
    • G05D2109/254Flying platforms, e.g. multicopters
    • GPHYSICS
    • G05CONTROLLING; REGULATING
    • G05DSYSTEMS FOR CONTROLLING OR REGULATING NON-ELECTRIC VARIABLES
    • G05D2111/00Details of signals used for control of position, course, altitude or attitude of land, water, air or space vehicles
    • G05D2111/10Optical signals

Definitions

  • the present invention relates to a flight-type inspection apparatus, and more particularly to a flight-type inspection apparatus that inspects a surface inspection object in a non-contact manner using a small unmanned airplane having a plurality of rotor blades, and an inspection method using the same. It is.
  • Patent Document 1 when inspecting the state of a generally upright surface in a large structure such as an outer wall surface of a building, as shown in Patent Document 1, a gondola is attached to the structure via a rope or the like, An operator has boarded the gondola to perform inspection work. Alternatively, inspection equipment has been attached to the gondola and the inspection has been conducted unattended.
  • UAVs unmanned aerial vehicles
  • a multicopter is a type of helicopter equipped with multiple rotors, and flies while balancing the fuselage by adjusting the rotational speed of each rotor.
  • the inspection equipment In the inspection of the surface of a large structure, instead of performing the inspection by attaching a gondola to the structure, the inspection equipment is mounted on a small unmanned aerial vehicle, and it is allowed to fly along the surface to be inspected. A method of sequentially inspecting can be considered. Then, there is a possibility that the inspection process can be greatly simplified and increased in accuracy.
  • the inspection apparatus In the inspection of the surface of the structure, especially the non-contact type inspection, from the viewpoint of ensuring the inspection accuracy, the inspection apparatus is inspected with a certain angle and a certain distance from the structure surface. This is very important. Therefore, when mounting inspection equipment on a small unmanned aerial vehicle, inspection of each part of the surface is performed while controlling the small unmanned aircraft to fly at a certain angle and a certain distance from the surface to be inspected. It is desirable to do.
  • small unmanned airplanes are maintained while maintaining a constant angle and a constant distance with respect to the surface to be inspected.
  • a high level of skill is required to fly. If the operator's skill level is low, not only the inspection accuracy is lowered, but also a small unmanned airplane may collide with the surface to be inspected.
  • the problem to be solved by the present invention is to provide a flight type inspection apparatus and an inspection method capable of performing inspection while controlling the angle and distance to a planar inspection object using a small unmanned aerial vehicle. is there.
  • a flight type inspection apparatus of the present invention includes a small unmanned airplane having a plurality of rotor blades and a control unit that controls flight by the plurality of rotor blades, and is attached to the small unmanned airplane.
  • An inspection unit that inspects a state of a target surface that is a planar inspection target in a non-contact manner, and a distance measurement unit that measures a target distance that is a distance to the target surface in a plurality of measurement directions.
  • the control unit is configured to meet an angle of the inspection unit with respect to the target surface and a distance from the target surface at the angle based on the information on the target distance measured by the distance measuring unit.
  • the flight type inspection apparatus is configured to maintain the facing parameter for the target surface of the inspection unit constant based on an estimation result in the estimation unit. Along the target surface to move the small unmanned aircraft, and performs inspection by the inspection unit for a plurality of locations of the target surface.
  • the distance measuring unit measures the target distance with respect to a plurality of measurement directions perpendicular to the distance measuring axis
  • the estimating means sets the angle to the distance measuring axis as an angle with respect to the target surface of the inspection unit.
  • the angle of the inspection unit in a vertical plane may be estimated.
  • the distance measuring axis may be provided on the yaw axis of the small unmanned airplane or in parallel with the yaw axis.
  • control unit can change the position and orientation of the small unmanned aerial vehicle based on an external signal, and during the inspection by the inspection unit, the control unit with respect to the target surface of the small unmanned aircraft
  • the face-to-face parameter control is performed based on the estimation result in the estimation means, not based on the external signal, and the position of the small unmanned airplane along the target surface is controlled on the external signal. It is good to do on the basis.
  • the distance measuring unit may be rotatably attached to the small unmanned airplane, and the target distance may be measured in the plurality of measurement directions by the rotation.
  • the estimation means may perform the estimation of the facing parameter, assuming that the measurement direction in which the target distance as a function of the measurement direction takes a minimum value is a perpendicular direction perpendicular to the target surface.
  • the facing parameter may be estimated using a function form of / cos ⁇ .
  • the distance measuring unit measures the target distance with respect to three or more measurement directions, and the estimation unit has a relationship between the target distance and the measurement direction in some measurement directions other than the part. If it deviates from the function form estimated from the relationship in the measurement direction, the facing parameter may be estimated by ignoring the measurement result in the part of the measurement direction.
  • the control unit moves the small unmanned airplane in parallel to the first part while performing the first control to keep the facing parameter of the inspection part constant with respect to the first part of the target surface.
  • the estimation means includes two local minimum points at the target distance as a function of the measurement direction, and the local minimum is located in the measurement direction ahead of the moving direction of the small unmanned airplane among the two local minimum points.
  • a second portion whose surface is directed in the direction approaching the small unmanned airplane in front of the moving direction is the target surface.
  • the control unit is configured to maintain the facing parameter of the inspection unit with respect to the second part constant when the target distance at the two minimum points becomes equal.
  • the control of may transition from the first control.
  • the control unit moves the small unmanned airplane in parallel with the third part while performing the third control to keep the facing parameter of the inspection unit constant with respect to the third part of the target surface.
  • the estimation unit In the state where the estimation unit detects a behavior in which the target distance as a function of the measurement direction is infinite, the estimation unit sets a surface in a direction away from the small unmanned airplane in front of the moving direction of the small unmanned airplane. And the control unit estimates the target distance across a minimum point in the measurement direction behind the movement direction with respect to the measurement direction in which the target distance is infinite.
  • the fourth control may be shifted from the third control to the fourth control for maintaining the facing parameter of the inspection unit for the fourth part constant.
  • the inspection method according to the present invention is to inspect the state of the target surface, which is a planar inspection target, using the above flight type inspection apparatus.
  • An external control means capable of controlling the position and orientation of a small unmanned airplane, and by the external control means, while maintaining the facing parameter with respect to the target surface of the inspection unit constant by the control unit,
  • the small unmanned airplane may be moved along the target surface to inspect the target surface.
  • the flight type inspection apparatus includes a distance measuring unit that measures the distance to the target surface in a plurality of measurement directions, and an angle of the inspection unit with respect to the target surface based on a measurement result in the distance measuring unit.
  • An estimation means for estimating a facing parameter consisting of a distance from the target surface in the angular direction is provided. Based on the estimation result, the small unmanned airplane is moved along the target surface while controlling the angle and distance of the inspection unit with respect to the target surface. While maintaining a suitable direction and distance, each part of the target surface can be inspected under stable conditions. As a result, the target surface can be inspected simply and with high accuracy.
  • the distance measurement unit measures the target distance with respect to a plurality of measurement directions perpendicular to the distance measurement axis
  • the estimation unit performs an inspection in a plane perpendicular to the distance measurement axis as an angle with respect to the target surface of the inspection unit.
  • the angle of the inspection portion in the plane perpendicular to the distance measuring axis and the distance of the inspection portion from the target surface in the angle direction can be estimated with high accuracy.
  • the angle and distance between the inspection unit and the target surface are controlled with high accuracy using a simple distance measurement unit with the measurement direction set within a single surface, at least in a surface perpendicular to the distance measurement unit.
  • the target surface can be inspected.
  • the yaw axis is small with the yaw axis substantially vertical on the target surface that is set up substantially vertically.
  • the control axes of the small unmanned airplane based on the target plane and the coordinate axes of the movement can be matched with the control axes of the small unmanned airplane itself including the yaw axis.
  • the control method in the control unit can be simplified. And since it is easy to control the angle and distance between a test
  • control unit can change the position and orientation of the small unmanned aerial vehicle based on the signal from the outside, and during the inspection by the inspection unit, the control of the facing parameter for the target surface of the small unmanned aircraft
  • the position control along the target plane of the small unmanned airplane is performed based on the signal from the outside
  • the position of the small unmanned airplane The angle and distance with respect to the target surface do not depend on a control signal from the operator or an external signal such as a GPS signal, and are controlled in a self-contained manner based on the measurement result in the distance measuring unit. Therefore, it is stable while controlling the angle and distance between the inspection unit and the target surface with high accuracy without depending on the factors derived from external signals such as the pilot's maneuvering skill and the reception state of the GPS signal. Inspection can be performed under conditions. On the other hand, movement in a direction along the target surface can be controlled with a high degree of freedom by performing control based on an external signal.
  • the distance measuring unit When the distance measuring unit is rotatably attached to the small unmanned airplane and the target distance is measured with respect to a plurality of measurement directions by the rotation, one distance measuring unit is used to measure a predetermined angle range.
  • the target distance can be continuously measured in a large number of measurement directions, high-precision estimation can be performed by the estimation means.
  • the estimation means assumes that the measurement direction in which the target distance as a function of the measurement direction takes a minimum value is the plane perpendicular direction to the target plane, the plane perpendicular direction is simply estimated. In addition, it can be used to estimate the angle with respect to the target surface of the inspection unit.
  • the distance measuring unit measures the target distance with respect to three or more measurement directions, and the estimation unit determines that the relationship between the target distance in some measurement directions and the measurement direction is in other measurement directions. If it deviates from the function form estimated from the relationship, when estimating the facing parameter ignoring the measurement result in the part of the measurement direction, local projections, depressions, etc. Even when there is a concavo-convex structure, it is possible to estimate the facing parameters with reference to the target surface excluding those structures by eliminating the influence of the structure.
  • the estimation means In the state where the control unit moves the small unmanned airplane in parallel to the first part while performing the first control to maintain the facing parameter of the inspection part with respect to the first part of the target surface constant, the estimation means However, there are two minimum points in the target distance as a function of the measurement direction, and the target distance at the minimum point located in the measurement direction ahead of the direction of movement of the small unmanned airplane is the distance of the small unmanned airplane.
  • the estimation means In the state where the control unit moves the small unmanned airplane in parallel to the third part while performing the third control to keep the facing parameter of the inspection part constant with respect to the third part of the target surface, the estimation means However, when a behavior with an infinite target distance as a function of the measurement direction is detected, a fourth part with the surface facing away from the small unmanned airplane is present in the target plane in front of the small unmanned airplane movement direction. Then, when the control unit detects a state in which the target distance is symmetric with respect to the minimum point in the measurement direction behind the measurement direction in which the target distance is infinite, the fourth part is detected.
  • the target surface is not flat but bent from the third part to the back with respect to the small unmanned airplane.
  • the existence of such a fourth part is estimated from the stage of flying parallel to the third part, and the same distance as that provided between the third part is estimated. While maintaining the position, the posture and the flight direction can be changed to shift to a state of flying parallel to the fourth part.
  • the inspection method of the present invention since the inspection is performed using the flight type inspection apparatus including the inspection unit and the estimation unit as described above, a direction suitable for the inspection by the inspection unit between the target surface and While maintaining the distance, each part of the target surface can be inspected under stable conditions.
  • the position of the small unmanned aerial vehicle and the position of the small unmanned aerial vehicle based on the photographing unit fixed to the target surface and photographing the target surface from a position away from the small unmanned airplane and the photographing surface photographed by the photographing unit An external control means capable of controlling the attitude, and the control unit moves the small unmanned airplane along the target surface by the external control means while maintaining the facing parameter with respect to the target surface of the inspection unit constant.
  • the angle and distance of the small unmanned airplane with respect to the target surface is determined based on the result of estimating the facing parameter by the estimation means based on the measurement information by the distance measuring unit.
  • control unit incorporated in the control unit controls the movement of the external control means in the direction along the target surface
  • high-precision inspection can be performed over a wide range of the target surface.
  • the position of the small unmanned airplane in the direction perpendicular to the plane is difficult to understand from only the image taken by the imaging means, the stability of the inspection conditions can be improved by using the control based on the estimation result by the estimation means.
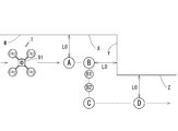
  • It is a conceptual diagram which shows the control in the said flight type inspection apparatus (a) is a perspective view, (b) is a side view.
  • It is a figure explaining the estimation method of a facing parameter (a) is a top view and (b) has shown the ranging result about the state in which the camera is facing the object surface.
  • It is a figure explaining the estimation method of a facing parameter (a) is a top view and (b) has shown the ranging result about the state where the camera is not facing the object surface directly.
  • a flight type inspection apparatus (hereinafter sometimes simply referred to as an inspection apparatus) 1 according to the present embodiment is a planar inspection target such as a wall surface of a building, particularly a planar inspection target standing substantially vertically. The state of the target surface W is inspected without contact.
  • FIG. 1 is a perspective view showing an appearance of a flight type inspection apparatus 1 according to an embodiment of the present invention.
  • the flight type inspection apparatus 1 mainly includes a multicopter 91 that is a small unmanned airplane including a plurality (four in this case) of rotating wings 911, a distance measuring sensor 20 attached to the multicopter 91, a camera 30, and the like. have.
  • the four rotor blades 911 are radially provided on substantially the same plane, and the axis a perpendicular to the center of the plane is called the yaw axis, and the rotation angle around the yaw axis a is This is called the yaw angle.
  • a direction along a pair of sides of a square having four rotor blades 911 as apexes is a front-rear direction b, and a direction along another pair of sides is a left-right direction c.
  • the yaw axis a is directed in the vertical direction.
  • the ranging sensor (ranging unit) 20 is attached to the upper center portion of the multicopter 91.
  • the distance measuring sensor 20 is a sensor capable of measuring a distance (ranging) between an external object and a target surface W in this case with respect to a specific direction. A known distance measuring sensor using the reflection of can be used.
  • the distance measuring sensor 20 includes a base portion 22 fixed to the multicopter 91 and a rotating portion 21 that can rotate with respect to the base portion 22.
  • the rotating unit 21 is provided with a laser light source and a detecting unit. By rotating the shaft relative to the base, the laser beam B is emitted continuously in a plurality of directions within the rotation range. The distance to an external object can be measured.
  • the distance measuring axis that is the rotation center of the rotating unit 21 is coincident with the yaw axis a of the multicopter 91, and by rotation, the distance is measured in a predetermined angle range about the yaw axis a toward the front.
  • the angle range in which the measurement is performed is 60 ° or more on one side centered on the front front, and 120 ° or more in total.
  • the camera 30 as an inspection unit is fixedly attached to the front of the multicopter 91, facing straight ahead. Thereby, an object existing in front of the multicopter 91, here, the target plane W can be photographed.
  • the shooting direction of the camera 30 matches the front direction of the distance measuring sensor 20.
  • FIG. 2 is a block diagram showing a functional configuration of the flight type inspection apparatus 1.
  • the multicopter 91 is mainly composed of a flight controller 83 that controls the attitude and flight operation of the multicopter 91 in the air, a plurality of rotor blades 911 that generate lift by rotating the multicopter 91, and a pilot (transceiver 81).
  • a transmitter / receiver 82 that performs wireless communication with the battery
  • a battery 84 that supplies electric power thereto.
  • the flight controller 83 includes a control unit 831 that is a microcontroller.
  • the control unit 831 includes a CPU that is a central processing unit, a RAM / ROM that is a storage device, and a PWM controller that controls the DC motor 86.
  • the DC motor 86 is coupled to each rotary blade 911, and the rotational speed of each DC motor 86 is controlled via an ESC (Electric Speed Controller) 85 in accordance with an instruction from the PWM controller.
  • ESC Electrical Speed Controller
  • the balance of the rotational speeds of the four rotor blades 911 controls the attitude of the multicopter 91 including the yaw angle and the movement in the vertical a, front-rear b, and left-right c directions.
  • the flight controller 83 includes a sensor group 832 and a GPS receiver 833, which are connected to the control unit 831.
  • the sensor group 832 of the multicopter 91 includes an acceleration sensor, a gyro sensor (angular velocity sensor), an atmospheric pressure sensor, a geomagnetic sensor (electronic compass), and the like.
  • the RAM / ROM of the control unit 831 stores a flight control program in which a flight control algorithm during the flight of the multicopter 91 is implemented.
  • the control unit 831 can control the attitude and position of the multicopter 91 by the flight control program using information acquired from the sensor group 832.
  • the flight operation of the multicopter 91 can be performed manually by the operator via the transceiver 81.
  • an autonomous flight program in which a flight plan such as GPS coordinates, altitude, and flight route is parameterized may be separately installed and configured to fly autonomously.
  • this embodiment deals with a case where the operator manually performs a flight operation via the transceiver 81.
  • flight control based on an external signal transmitted from the transceiver 81 can be read as control in autonomous flight using a GPS signal as an external signal.
  • the distance measuring sensor 20 and the camera 30 are also connected to the control unit 831.
  • the distance measuring sensor 20 measures the distance to the target surface W in each direction while rotating the rotating unit 21, and transmits the measurement result to the control unit 831.
  • the camera 30 is instructed to perform shooting by the control unit 831, and various shooting conditions are controlled as necessary.
  • data of the captured image is transmitted to the control unit 831 and stored in the RAM / ROM.
  • the estimation unit 40 is provided in the CPU of the control unit 831 as part of the calculation function.
  • the estimation unit 40 processes information on the result of measurement by the distance measuring sensor 20 input to the control unit 831, and estimates the facing parameter of the camera 30 with respect to the target surface W. That is, the two parameters of the angle of the camera 30 with respect to the target surface W and the distance of the camera 30 from the target surface W in the angular direction are estimated. Details of the face-to-face parameter estimation will be described later.
  • the control unit 831 can control the position and orientation of the multicopter 91 based on the estimation result of the facing parameter in the estimation unit 40.
  • the control unit 831 controls the attitude and position of the multicopter 91 based on both the estimation result of the facing parameter in the estimation means 40 and the external signal sent from the pilot via the transceiver 81 as described above. The role of each of these two types of control is described in the next section.
  • the distance measuring sensor 20 has the rotating unit 21 and the distance measuring axis is one that can continuously scan the measurement direction over a predetermined angle range around one rotation axis. In the plane perpendicular to the axis, the distance to the target surface (target distance) can be measured continuously in each measurement direction.
  • a rotary distance measuring sensor 20 it is possible to estimate the facing parameter with high accuracy using only one sensor.
  • any distance measuring sensor capable of measuring a target distance in a plurality of measurement directions can be used without being limited to this type.
  • a plurality of distance measuring sensors whose measurement directions are fixed may be arranged toward a plurality of measurement directions around the distance measuring axis.
  • the fixed type sensor is less expensive than the rotary type sensor, but has excellent durability.
  • the multicopter 91 is rotated around the yaw axis a and the distance measurement is performed a plurality of times, even if the number of fixed distance measuring sensors is small, it can be compensated and the target distance can be adjusted for a large number of measurement directions. Measurement can be performed.
  • the rotary distance measuring sensor 20 when used, it is not limited to one that rotates around one rotation axis and can scan the measurement direction one-dimensionally, but one that can scan the measurement direction two-dimensionally is used. May be. However, as described above, the distance measuring sensor 20 that rotates around one rotation axis is arranged on the yaw axis a of the multicopter 91 or on an axis parallel to the yaw axis a. By attaching it, it is possible to contribute to stabilization of photographing by the camera 30 when photographing the target surface W set up substantially vertically by the camera 30 while simply suppressing the configuration of the distance measuring sensor 20.
  • the distance measuring sensor 20 is not limited to the one using the laser, but the information on the distribution of the target distance measured in each measurement direction is used for the estimation of the facing parameter. It is preferable that
  • the camera 30 is used as the inspection unit.
  • the camera 30 is used as the inspection unit.
  • the other inspection units include non-contact type spectroscopic devices, ultrasonic inspection devices, electromagnetic measurement devices, temperature measurement devices, and the like.
  • the camera 30 in order to perform imaging using the camera 30 from the front of the target surface W, the camera 30 is arranged facing forward as in the distance measuring sensor 20, but depending on the type of the inspection unit, If it is appropriate to inspect from an obliquely set direction, an inspection unit may be installed with an angle between the distance measuring sensor 20 and the appropriate distance.
  • the camera 30 is fixed to the multicopter 91. However, the inspection unit including the camera 30 can rotate around the yaw axis a or another axis with respect to the multicopter 91, or can be positioned. You may attach so that movement is possible.
  • FIG. 3 shows an outline of the inspection of the target surface W using the flight type inspection apparatus 1 having the above-described configuration with the wall surface of the building erected substantially vertically as the target surface W.
  • the inspection apparatus 1 in the middle of inspecting the target surface W makes the yaw axis a of the multicopter 91 vertical, and sets the front direction (+ b direction). It faces the target surface W.
  • the left and right axes ( ⁇ c directions) are oriented parallel to the width direction of the target surface W.
  • the inspection apparatus 1 uses the distance measuring sensor 20 to continuously perform distance measurement for measuring the distance (target distance) to the target surface W in a plurality of measurement directions, 831 controls the position and posture of the multicopter 91.
  • Information on the target distance obtained by the distance measuring sensor 20 is processed in real time by the estimation means 40 of the control unit 831, and the facing parameter of the camera 30 with respect to the target surface W is estimated.
  • the distance measuring sensor 20 is one that scans the measurement direction in a one-dimensional manner in a plane perpendicular to the yaw axis a of the multicopter 91, the distance measurement sensor 20 is used for the target surface W included in the facing parameter.
  • the angle of the inspection unit refers to the yaw angle ⁇ in the direction in which the inspection unit faces the target surface W around the yaw axis a.
  • the control unit 831 continuously executes imaging of the target surface W by the camera 30, that is, inspection by the inspection unit, in addition to flight control including estimation of the facing parameter by the estimation unit 40.
  • the inspection device 1 moves in a zigzag manner along the target surface W by the movement of the multicopter 91.
  • This movement of the multicopter 91 along the target surface W is performed by changing the position of the translation direction along the vertical direction ( ⁇ a direction) and the horizontal direction ( ⁇ c direction).
  • the change of the position in the vertical direction and the horizontal direction is executed by the control unit 831 based on an external signal received from the transmitter / receiver 81 operated by the operator.
  • the multicopter 91 faces the target surface W directly along the plane N in the plane perpendicular to the target surface W.
  • the distance D between the camera 30 and the target surface W is kept constant. That is, the control unit 831 controls the facing parameter of the multicopter 91 so that the yaw angle ⁇ of the multicopter 91 and the distance D in the translation direction along the front-rear direction ( ⁇ b direction) are maintained constant.
  • the signals related to the control of the yaw angle ⁇ and the distance D in the front-rear direction can also be transmitted from the transceiver 81 by the operator, but the control unit 831 is transmitted from the transceiver 81 regarding the control of these two parameters.
  • the control is performed based on the information of the facing parameter estimated by the estimating means 40 from the measurement result of the distance measuring sensor 20 as described above without following the external signal.
  • the multicopter 91 is moved in the direction along the target surface W while maintaining the camera 30 facing the target surface W in a direction perpendicular to the plane N by a certain distance. .
  • photographing by the camera 30 is performed at a plurality of positions on the target surface W.
  • Shooting may be performed intermittently by temporarily hovering the multicopter 91 in the course of the movement path along the target surface W, or may be performed while continuously moving the multicopter 91.
  • the direction suitable for the inspection using various inspection units and It is possible to inspect each part of the target surface W stably at a distance.
  • the direction and distance of the multicopter 91 with respect to the target surface W that is, the control of the facing parameter is not performed based on the external signal from the transceiver 81 or the like, but the distance measurement attached to the multicopter 91 itself.
  • the multicopter 91 for the target surface W is derived from the external signal.
  • the facing parameter is highly controlled, and the inspection can be performed while keeping it constant. As a result, it is possible to perform a high-accuracy inspection under a stable inspection condition over a wide range of the inspection surface. As a factor that destabilizes the facing parameter due to the external signal, for example, it is extremely difficult to keep the facing parameter constant in a manual operation by the operator.
  • Constant includes an error that is permissible as a variation in inspection conditions in the inspection unit. “Constant” means that the value of the target facing parameter is changed not only when maintaining the same facing parameters from the beginning to the end of the inspection, but also during the inspection according to changes in the inspection conditions, etc. It may be.
  • the estimation unit 40 estimates and the control unit 831 maintains constant.
  • the angle with respect to the target surface W constituting the facing parameter refers only to the yaw angle ⁇ with respect to the target surface W.
  • the pitch angle (the rotation angle around the axis c) can be estimated as facing parameters and can be controlled to be constant.
  • the control unit 831 performs a multicopter for the target surface W.
  • the angle and distance of 91 itself are controlled, when the inspection part is attached to the multicopter 91 so as to be rotatable or movable, the angle and distance of the multicopter 91 itself with respect to the target surface W are controlled.
  • rotation and position movement of the inspection unit with respect to the multicopter 91 may be controlled.
  • the facing parameter of the inspection unit with respect to the target surface W is controlled based on the estimation information by the estimation unit 40 instead of the external signal, while along the target surface W.
  • the camera 30 takes a picture while the multicopter 91 is translated based on an external signal from the transceiver 81. Accordingly, the inspection apparatus 1 can be moved with a high degree of freedom in a wide region along the target surface W.
  • control unit 831 that has received an external signal refers to information related to the plane perpendicular direction N estimated by the estimation means 40 based on the measurement result of the distance measuring sensor 20, and the plane perpendicular direction N If translation is performed in a plane perpendicular to the axis, high accuracy can be obtained with respect to the direction of translation.
  • the facing parameter of the camera 30 with respect to the target surface W that is, the angle of the camera 30 with respect to the target surface W, based on the information on the target distance in each direction obtained by the distance measuring sensor 20, and its
  • the face-to-face parameter is defined for the camera 30 from the viewpoint of keeping the shooting conditions of the camera 30 constant, but for the sake of simplicity, the face-to-face parameter is set to face the center point of the multicopter 91.
  • a distance measuring axis of the distance measuring sensor 20 is provided at the center point of the multicopter 91. Since the mounting position and mounting angle of the camera 30 with respect to the multicopter 91 are known, if the facing parameter for the center point of the multicopter 91 is determined, the facing parameter for the camera 30 is also automatically determined.
  • the target plane is a substantially vertical plane
  • the yaw axis a of the multicopter 91 is vertical as shown in FIG. 3, and the front direction (+ b direction)
  • the front direction (+ b direction) of the multicopter 91 coincides with the surface normal direction N of the object surface W.
  • a plan view of this state is shown in FIG.
  • the measurement direction ⁇ of the distance measuring sensor 20 is changed around the yaw axis a
  • the target distance L that is the distance to the target surface W measured in each measurement direction is shown as a function of the measurement direction ⁇ . Shown in 4 (b).
  • the target distance L is minimum at L0.
  • the constant L0 corresponds to the distance from the center point of the multicopter 91 along the perpendicular direction N to the target surface W.
  • the control unit 831 multi-copter 91 so as to maintain the facing parameters ⁇ and D as they are. Control may be performed.
  • the control unit 831 changes the position of the multicopter 91 along the perpendicular direction N so that the distance D matches the target distance without changing the yaw angle ⁇ . Control may be performed.
  • the control unit 831 is simultaneously orthogonal to the plane perpendicular direction N estimated above while referring to the signal from the transceiver 81. What is necessary is just to move the multicopter 91 in the direction to do.
  • the angle (yaw angle ⁇ ) of the multicopter 91 with respect to the target surface W is equal to ⁇ a, which is an angle obtained by inverting the sign of the measurement direction ( ⁇ a) at the minimum point, and the angular direction
  • ⁇ a is an angle obtained by inverting the sign of the measurement direction ( ⁇ a) at the minimum point
  • the control unit 831 may control the facing parameters ⁇ and D.
  • the multicopter 91 by changing the yaw angle ⁇ of the multicopter 91 and rotating it by ⁇ a, the multicopter 91 is directly opposed to the target surface W, and the distance D from the target surface W of the multicopter 91 after the direct alignment matches the target distance.
  • Control to change the position of the multicopter 91 along the perpendicular direction N may be performed.
  • the control unit 831 moves the multicopter 91 in a direction orthogonal to the estimated perpendicular direction N with respect to the multicopter 91 after the facing while referring to the signal from the transmitter / receiver 81. Good.
  • the measurement direction ⁇ that gives the minimum point at the target distance L as a function of the measurement direction ⁇ is regarded as the plane perpendicular direction N orthogonal to the target surface W, so that the multicopter 91 can be easily faced.
  • the parameters ⁇ , D can be estimated.
  • estimation of the perpendicular direction N and estimation of the facing parameters ⁇ and D may be performed using an analytical function such as the above formula (1) or formula (2).
  • the target surface is a curved surface
  • the target distance L does not necessarily take the minimum value in the plane perpendicular direction N where the multicopter 91 faces the target surface W.
  • the shape of the curved surface of the target surface W is known from structure design information or the like, the shape is approximated to a simple mathematical expression such as an arc, and the mathematical expression is expressed by the above formulas (1) and (2).
  • An analytical expression reflecting the curved surface shape may be created by superimposing. Then, the facing parameters ⁇ and D may be estimated using the created analytical expression in the same manner as described above.
  • the target surface W is a gentle inwardly convex shape (the target surface on the opposite side to where the multicopter 91 is disposed across the surface of the target surface W). If the shape is convex toward the inside, the estimation can be simplified. In such a case, the relationship between the measurement direction ⁇ and the target distance L is as shown in FIG. The shape of this curve corresponds to that in which the curve in the case of FIG. That is, also in this case, as in the case where the target surface W is planar, it is possible to apply the estimation that the measurement direction ⁇ that gives the minimum point is the perpendicular direction N.
  • the “gradual” inwardly convex shape to which such estimation can be applied means the curvature of the target surface W rather than an arc having a radius L0 from the center of the multicopter 91 along the plane perpendicular direction N to the target surface W. Is small (the radius of curvature is large). If the curvature of the target surface W becomes larger than this, the target distance L may take a minimum value in a direction deviating from the perpendicular direction N.
  • the estimation unit 40 cannot correctly estimate the yaw angle ⁇ to which the perpendicular direction N and the multicopter 91 are directed. Therefore, when a behavior in which the target distance L does not change with respect to the measurement direction ⁇ is observed over a predetermined measurement range (for example, 15 °) within a predetermined reference range, the distance from the center of the multicopter 91 is determined.
  • a predetermined measurement range for example, 15 °
  • the multicopter 91 when it is estimated that an inwardly convex structure having a curvature radius equal to the distance L0 from the center of the multicopter 91 is present on the target surface W, the multicopter 91 is moved in the direction along the target surface W.
  • the inwardly convex portion may be imaged by the camera 30 while rotating around the yaw axis a on the spot and changing the yaw angle ⁇ by a predetermined angle step.
  • the angle step for changing the yaw angle ⁇ at the time of shooting is preferably determined based on the camera angle of view. In this type of shooting, continuous image shooting areas are often set to overlap by 30% to 66%. For example, when the angle of view of the camera is ⁇ , the overlap ratio is set to 50%. For example, the angle step may be set to 0.5 ⁇ , and if the overlap ratio is 30%, the angle step may be set to 0.7 ⁇ .
  • FIG. 7 shows the movement trajectory of the multicopter 91 with a dotted line when the target surface W has an inwardly convex structure having the same radius of curvature as the distance L0 from the center of the multicopter 91.
  • FIG. 7A shows a case where the inwardly convex structure is formed over 180 °
  • FIG. 7B shows a case where the inwardly convex structure is formed over 90 °.
  • the multicopter 91 temporarily stops the movement along the surface of the target surface W at the point R that is the center of the inwardly convex structure, and rotates around the yaw axis a on the spot. Then, imaging is performed for each part of the inwardly convex part.
  • the rotation angle at the point R is 180 ° in FIG. 7A and 90 ° in FIG. 7B. 7 (a) and 7 (b), the movement of the multicopter 91 from the linearly flying portion on the left side to the point R causes the target surface W indicated by item [4] below to be bent. Is performed according to the estimation and control method.
  • the relationship between the measurement direction ⁇ and the target distance L is as shown in FIG.
  • a large downward convex structure is seen in a part of the measurement direction ⁇ centered on the direction ⁇ p connecting the multicopter 91 and the projection P, and the function form estimated in the other measurement direction ⁇ is large.
  • the facing parameters ⁇ and D may be estimated while ignoring the part where such a deviation exists.
  • the measurement points of the ignored parts are interpolated, and the interpolated function form is the same as the case where the projection P shown in [1] does not exist.
  • the facing parameters ⁇ and D may be estimated.
  • approximation may be performed using an analytical expression such as the above formula (1) or formula (2).
  • FIG. 8B a curve interpolated using the equation (1) is indicated by a broken line.
  • the facing parameters ⁇ and D of the multicopter 91 it is possible to accurately estimate the facing parameters ⁇ and D of the multicopter 91 with the original target surface W as a reference while eliminating the influence of the protrusion P. Further, in the estimated face-to-face parameters ⁇ , D, the distance from the target surface W to the multicopter 91 is too small, and there is a concern that a collision with the projection P may occur due to a flight position error or the like. For example, it is possible to take measures such as changing the target value of the distance D to the target surface W so as to increase. As described above, when the facing parameters ⁇ and D are estimated by ignoring the measurement results in some measurement directions ⁇ , it is necessary to measure the target distance L in at least three measurement directions ⁇ . is there.
  • the multicopter 91 is set in the order of A ⁇ B ⁇ C ⁇ D along the bend while keeping a fixed distance L0 and facing each of the parts X, Y, Z orthogonal to each other. Let it fly.
  • the relationship between ⁇ and the target distance L is as shown in FIG.
  • two local minimum points C1 and C2 are observed.
  • the local minimum point C1 located in the measurement direction (the side where ⁇ is small) behind the moving direction of the multicopter 91 corresponds to the perpendicular direction N of the part X facing the multicopter 91.
  • the minimum point C2 located in the measurement direction ( ⁇ -larger side) ahead of the movement direction of the multicopter 91 measures the distance to the part Y (second part) existing in front of the movement direction along the movement direction. Corresponding to what you are doing.
  • the graph curves on both sides of the two minimum points C1 and C2 are approximated by the functions of the equations (1) and (2), respectively.
  • the estimating means 40 faces the front in the direction closer to the multicopter 91 in the moving direction of the multicopter 91, that is, the multicopter with respect to the part X. It is estimated that the site
  • the target distance L at the minimum point C2 decreases, and eventually the target distance L at the minimum point C2 becomes smaller as shown in FIG. It becomes equal to L0 which is the object distance L in the other minimum point C1.
  • L0 which is the object distance L in the other minimum point C1.
  • the multicopter 91 has reached a point B that is a distance L0 away from both the part X and the part Y.
  • the difference in the measurement direction ⁇ between the minimum point C1 and the minimum C2 is equal to the angle between the part X and the part Y, and in this case, 90 °.
  • the control unit 831 maintains the facing parameters ⁇ , D for the part Y from the control state (first control state) where the facing parameters ⁇ , D for the part X are kept constant. Transition to the control state (second control state). That is, the yaw angle ⁇ of the multicopter 91 is rotated by an angle equal to the difference in the measurement direction ⁇ between the local minimum point C1 and the local minimum point C2, here 90 °, and the region Y from the state of facing the region X at the distance L0. Is switched to the state of facing directly at the distance L0. Then, the flight continues parallel to the part Y.
  • estimation and control switching methods are not limited to the case where the part X and the part Y are bent at right angles, but can be applied to cases having an arbitrary bending angle. In order to distinguish, it is preferable to apply only when there is a bend angle of 45 ° or more and the difference in the measurement direction ⁇ between the minimum point C1 and the minimum point C2 is 45 ° or more (see FIG. 8B). ).
  • the multicopter 91 moves parallel to the part Y while facing the part Y (third part) at a distance L0.
  • the multicopter 91 continues to fly parallel to the part Y as it is, the part Y and the other part of the target surface W do not exist in front of the multicopter 91.
  • the relationship between the measurement direction ⁇ and the target distance L is as shown in FIG.
  • There is a minimum point in the region of ⁇ ⁇ 0 the side where ⁇ is smaller than the minimum point corresponds to the region where the target distance L with respect to the part Y is measured, and the side where ⁇ is larger than the minimum point is This corresponds to the region in which the target distance L with respect to the part Z is measured.
  • the multicopter 91 is closer to the part Y than the part Z, so the curve on the side where ⁇ is smaller than the minimum point has a gentler curve.
  • the measurement direction ⁇ at the minimum point has an absolute value equal to half the angle between the part Y and the part Z, and in this case is ⁇ 45 °.
  • the control unit 831 maintains the facing parameters ⁇ , D for the part Z from the control state (third control state) where the facing parameters ⁇ , D for the part Y are kept constant. Transition to the control state (fourth control state). That is, the yaw angle ⁇ of the multicopter 91 is rotated by an angle corresponding to twice the absolute value of the measurement direction ⁇ that gives the minimum point, here 90 °, and the distance L0 from the state facing the part Y at the distance L0 to the part Z. Switch to the right-facing state with. Then, the flight continues parallel to the part Z.
  • the multicopter 91 flies parallel to the part Z while facing the part Z at a distance L0.
  • the relationship between the measurement direction ⁇ and the target distance L is as shown in FIG.
  • the target distance L increases discontinuously.
  • the direction of the multicopter 91 is changed by using the distance measurement result of the distance measurement sensor 20 to follow the bent structure often seen on the wall surface of the building, etc., without being controlled by an external signal. be able to. Thereby, even if there exists a bending structure, the flight of the multicopter 91 and imaging
  • the inspection method according to the present embodiment inspects the state of the target surface W, which is a planar inspection target, using the flight type inspection apparatus 1 according to the above embodiment.
  • control unit 831 built in the flight type inspection apparatus 1 estimates and controls the facing parameters ⁇ and D with respect to the target surface W, and is combined with a fixed camera 51 as an imaging unit and an external control unit.
  • An inspection method for controlling movement in the direction along the target surface W using the control computer 52 will be described.
  • the outer wall surface of the building is the target surface W
  • the camera 30 of the flight type inspection apparatus 1 is opposed to the target surface W at a certain distance in a zigzag manner. While the multicopter 91 is flying, photographing is continuously performed on each part of the target surface W.
  • the fixed camera 51 is installed on the ground at a position away from the flight position of the multicopter 91. As indicated by a thin line in the figure, the entire target surface W is accommodated in the field of view of the fixed camera 51, and while the target surface W is inspected, the state of the target surface W is continuously photographed by the fixed camera 51. In a state where the inspection apparatus 1 is flying along the target surface W, the inspection apparatus 1 is also reflected in the captured image I captured by the fixed camera 51.
  • the fixed camera 51 is connected to a control computer 52, and the control computer 52 receives a captured image I captured by the fixed camera 51.
  • control computer 52 determines a trajectory for causing the multicopter 91 of the inspection apparatus 1 to fly along the target plane W based on the captured image I, and transmits an external signal s to the multicopter 91.
  • the multicopter 91 is actually moved along the target surface W according to the determined locus. Since the captured image I is a two-dimensional image, the direction ⁇ and the distance D of the inspection apparatus 1 with respect to the target surface W cannot be recognized from the captured image I.
  • FIG. 12 shows this path superimposed on a captured image I that is captured by the fixed camera 51 and sent to the control computer 52.
  • the control computer 52 controls the inspection apparatus 1 waiting at a position away from the target surface W (for example, in the vicinity of the control computer 52) in the three-dimensional direction and guides it straight to the start point S.
  • the inspection apparatus 1 is recognized on the captured image I captured by the fixed camera 51.
  • the inspection apparatus 1 starts distance measurement by the distance measurement sensor 20, and estimates the facing parameters ⁇ and D in the estimation means 40 of the control unit 831 based on the result.
  • the multicopter 91 is directly opposed to the target surface W, and a state where the multicopter 91 is separated from the target surface W by a predetermined distance is taken.
  • the control computer 52 sends an external signal s to the multicopter 91, and moves the multicopter 91 up and down within a plane parallel to the target plane W according to the locus defined on the captured image I as shown in FIG. Move left and right.
  • feedback control is performed while confirming the captured image I in real time so that the multicopter 91 moves according to the intended trajectory.
  • the inspection apparatus 1 continues the distance measurement by the distance measurement sensor 20 and the estimation of the face-to-face parameters ⁇ and D based on the distance measurement, and keeps the state of facing the target surface W at a constant distance.
  • the external parameters s do not contribute to the control of the control parameters ⁇ and D, and are performed in a self-contained manner.
  • the inspection apparatus 1 maintains a certain distance with respect to each part of the target surface W as described above. The direction is automatically changed.
  • the external device of the inspection apparatus 1 such as the fixed camera 51 and the control computer 52 is used to control the direction along the target surface W, and by the control by the inspection apparatus 1 itself without using the external signal s, By performing control in a direction perpendicular to the target surface W, it is possible to perform high-precision inspection on a wide region of the target surface W while maintaining constant inspection conditions.
  • the inspection device 1 and the target surface W can be kept constant regardless of the external signal s, so that even if the movement trajectory of the inspection apparatus 1 is set so as to overlap the obstacle, the distance between the obstacle and the target surface W can be maintained.
  • the inspection device 1 can be made to fly and inspected without being affected by an obstacle.
  • a camera that captures the target surface W in a planar manner is used as the fixed camera 51.
  • a stereoscopic camera may be used to capture a stereoscopic image.
  • the fixed camera 51 can recognize the distance between the target surface W and the inspection apparatus 1 to some extent. Thereby, the guidance
  • information from the stereo camera is used supplementarily, so that when the distance measuring sensor 20 has a disturbance such as a sudden failure or an obstacle such as a bird.
  • control unit 831 automatically follows the concave structure such as the points 1, 4, 7, and 10, and the convex structure such as the points 2, 3, 8, and 9 follows.
  • the control unit 831 can automatically follow.
  • the control computer 52 that recognizes the captured image I of the fixed camera 51 transmits to the inspection apparatus 1 that there is a concave structure or a convex structure in these parts, it is possible to more accurately follow the structure. It can be carried out.

Landscapes

  • Engineering & Computer Science (AREA)
  • Aviation & Aerospace Engineering (AREA)
  • Physics & Mathematics (AREA)
  • General Physics & Mathematics (AREA)
  • Automation & Control Theory (AREA)
  • Radar, Positioning & Navigation (AREA)
  • Remote Sensing (AREA)
  • Mechanical Engineering (AREA)
  • Health & Medical Sciences (AREA)
  • Electromagnetism (AREA)
  • Computer Networks & Wireless Communication (AREA)
  • Life Sciences & Earth Sciences (AREA)
  • Chemical & Material Sciences (AREA)
  • Analytical Chemistry (AREA)
  • Biochemistry (AREA)
  • General Health & Medical Sciences (AREA)
  • Immunology (AREA)
  • Pathology (AREA)
  • Control Of Position, Course, Altitude, Or Attitude Of Moving Bodies (AREA)
  • Optical Radar Systems And Details Thereof (AREA)
  • Investigating Materials By The Use Of Optical Means Adapted For Particular Applications (AREA)
PCT/JP2016/079910 2015-10-15 2016-10-07 飛行型検査装置および検査方法 Ceased WO2017065102A1 (ja)

Applications Claiming Priority (2)

Application Number Priority Date Filing Date Title
JP2015203586A JP6375503B2 (ja) 2015-10-15 2015-10-15 飛行型検査装置および検査方法
JP2015-203586 2015-10-15

Publications (1)

Publication Number Publication Date
WO2017065102A1 true WO2017065102A1 (ja) 2017-04-20

Family

ID=58518118

Family Applications (1)

Application Number Title Priority Date Filing Date
PCT/JP2016/079910 Ceased WO2017065102A1 (ja) 2015-10-15 2016-10-07 飛行型検査装置および検査方法

Country Status (2)

Country Link
JP (1) JP6375503B2 (enExample)
WO (1) WO2017065102A1 (enExample)

Cited By (8)

* Cited by examiner, † Cited by third party
Publication number Priority date Publication date Assignee Title
JP2019027908A (ja) * 2017-07-28 2019-02-21 株式会社TonTon 外面材調査システム
CN109556577A (zh) * 2017-09-25 2019-04-02 波音公司 用于空中非破坏性检查的定位系统
WO2019106714A1 (ja) * 2017-11-28 2019-06-06 株式会社自律制御システム研究所 無人航空機、無人航空機の飛行制御装置、無人航空機の飛行制御方法、及びプログラム
JP6730763B1 (ja) * 2019-10-25 2020-07-29 株式会社センシンロボティクス 飛行体の飛行経路作成方法及び管理サーバ
US10791275B2 (en) 2017-09-25 2020-09-29 The Boeing Company Methods for measuring and inspecting structures using cable-suspended platforms
EP3739420A4 (en) * 2018-01-15 2021-03-10 Hongo Aerospace Inc. INFORMATION PROCESSING SYSTEM
JP2021067670A (ja) * 2020-06-30 2021-04-30 株式会社センシンロボティクス 飛行体の飛行経路作成方法及び管理サーバ
CN114839196A (zh) * 2022-07-01 2022-08-02 中国标准化研究院 一种基于计算机视觉的无接触式质量测量研究方法

Families Citing this family (21)

* Cited by examiner, † Cited by third party
Publication number Priority date Publication date Assignee Title
KR101956472B1 (ko) * 2017-09-29 2019-03-15 경성대학교 산학협력단 구조물 검사 장치 및 밸러스트 탱크 검사 시스템
JP7012522B2 (ja) * 2017-12-01 2022-01-28 三菱電機株式会社 測定システム、測定指示装置、及びプログラム
JP2021101494A (ja) * 2018-03-28 2021-07-08 シャープ株式会社 撮影装置、撮影制御装置、撮影システム、撮影装置の制御方法、撮影プログラム及び記録媒体
CN108846325A (zh) * 2018-05-28 2018-11-20 广州极飞科技有限公司 目标区域作业的规划方法、装置、存储介质及处理器
KR102234697B1 (ko) * 2018-11-02 2021-04-02 광주과학기술원 수중드론을 이용하는 어망감시장치, 및 그 장치의 제어방법
EP3884352B8 (en) 2018-11-21 2023-12-13 Eagle View Technologies, Inc. Navigating unmanned aircraft using pitch
WO2020124346A1 (zh) * 2018-12-18 2020-06-25 深圳市大疆创新科技有限公司 激光测量装置及无人飞行器
JP7160666B2 (ja) * 2018-12-26 2022-10-25 株式会社クボタ 検査方法、検査装置および飛行体
JP2020118641A (ja) * 2019-01-28 2020-08-06 一般財団法人電力中央研究所 マルチコプター
CN109839954A (zh) * 2019-02-22 2019-06-04 国家电网有限公司 一种多旋翼无人机智能巡检系统
KR102170907B1 (ko) * 2019-05-09 2020-10-28 주식회사 이쓰리 무인항공기를 이용한 미세먼지 측정장치
WO2021010907A2 (en) * 2019-06-07 2021-01-21 Ptt Exploration And Production Public Company Limited A system for steady movement toward a curved wall of an unmanned aerial vehicle (uav) and method for movement toward said curved wall
TWI728770B (zh) * 2020-04-01 2021-05-21 財團法人工業技術研究院 飛行載具及應用其之方向偵測方法
US11946771B2 (en) 2020-04-01 2024-04-02 Industrial Technology Research Institute Aerial vehicle and orientation detection method using same
JP7598114B2 (ja) * 2020-11-17 2024-12-11 中日本ハイウェイ・エンジニアリング東京株式会社 橋梁下点検システム
WO2022153392A1 (ja) * 2021-01-13 2022-07-21 株式会社Acsl 無人航空機の自己位置推定システム及び方法、無人航空機、プログラム、並びに記憶媒体
WO2022153390A1 (ja) * 2021-01-13 2022-07-21 株式会社Acsl 無人航空機の自己位置を推定する自己位置推定システム、飛行制御システム、無人航空機、プログラム、及び、記録媒体
WO2022153391A1 (ja) * 2021-01-13 2022-07-21 株式会社Acsl 無人航空機の自己位置及び/又は姿勢を推定する推定システム、飛行制御システム、無人航空機、プログラム、及び、記録媒体
JP2022124935A (ja) * 2021-02-16 2022-08-26 日本電気株式会社 分析システム、分析サーバ、及び分析方法
JP7639544B2 (ja) * 2021-05-20 2025-03-05 株式会社大林組 水中潜行システム、操縦補助装置及びプログラム
JP2023105698A (ja) * 2022-01-19 2023-07-31 中国電力株式会社 煙突内部の点検方法及びそれに用いられる煙突内部点検システム

Citations (7)

* Cited by examiner, † Cited by third party
Publication number Priority date Publication date Assignee Title
JP2003026097A (ja) * 2001-07-17 2003-01-29 Yoshikazu Kikuoka ヘリコプター
JP2005289127A (ja) * 2004-03-31 2005-10-20 Nagasaki Prefecture 飛行装置の姿勢位置制御システムおよび姿勢位置制御装置
US20110160950A1 (en) * 2008-07-15 2011-06-30 Michael Naderhirn System and method for preventing a collision
US20120262708A1 (en) * 2009-11-25 2012-10-18 Cyberhawk Innovations Limited Unmanned aerial vehicle
US20140168420A1 (en) * 2011-04-26 2014-06-19 Eads Deutschland Gmbh Method and System for Inspecting a Surface Area for Material Defects
US20140277842A1 (en) * 2013-03-15 2014-09-18 State Farm Mutual Automobile Insurance Company System and method for controlling a remote aerial device for up-close inspection
JP2015037937A (ja) * 2014-09-16 2015-02-26 株式会社トプコン 飛行体の飛行制御システム

Patent Citations (7)

* Cited by examiner, † Cited by third party
Publication number Priority date Publication date Assignee Title
JP2003026097A (ja) * 2001-07-17 2003-01-29 Yoshikazu Kikuoka ヘリコプター
JP2005289127A (ja) * 2004-03-31 2005-10-20 Nagasaki Prefecture 飛行装置の姿勢位置制御システムおよび姿勢位置制御装置
US20110160950A1 (en) * 2008-07-15 2011-06-30 Michael Naderhirn System and method for preventing a collision
US20120262708A1 (en) * 2009-11-25 2012-10-18 Cyberhawk Innovations Limited Unmanned aerial vehicle
US20140168420A1 (en) * 2011-04-26 2014-06-19 Eads Deutschland Gmbh Method and System for Inspecting a Surface Area for Material Defects
US20140277842A1 (en) * 2013-03-15 2014-09-18 State Farm Mutual Automobile Insurance Company System and method for controlling a remote aerial device for up-close inspection
JP2015037937A (ja) * 2014-09-16 2015-02-26 株式会社トプコン 飛行体の飛行制御システム

Cited By (15)

* Cited by examiner, † Cited by third party
Publication number Priority date Publication date Assignee Title
JP2019027908A (ja) * 2017-07-28 2019-02-21 株式会社TonTon 外面材調査システム
US10788428B2 (en) 2017-09-25 2020-09-29 The Boeing Company Positioning system for aerial non-destructive inspection
CN109556577B (zh) * 2017-09-25 2022-11-29 波音公司 用于空中非破坏性检查的定位系统
EP3460392A3 (en) * 2017-09-25 2019-08-07 The Boeing Company Positioning system for aerial non-destructive inspection
EP4535116A3 (en) * 2017-09-25 2025-11-05 The Boeing Company Positioning system for aerial non-destructive inspection
US10791275B2 (en) 2017-09-25 2020-09-29 The Boeing Company Methods for measuring and inspecting structures using cable-suspended platforms
CN109556577A (zh) * 2017-09-25 2019-04-02 波音公司 用于空中非破坏性检查的定位系统
JPWO2019106714A1 (ja) * 2017-11-28 2020-11-19 株式会社自律制御システム研究所 無人航空機、無人航空機の飛行制御装置、無人航空機の飛行制御方法、及びプログラム
WO2019106714A1 (ja) * 2017-11-28 2019-06-06 株式会社自律制御システム研究所 無人航空機、無人航空機の飛行制御装置、無人航空機の飛行制御方法、及びプログラム
EP3739420A4 (en) * 2018-01-15 2021-03-10 Hongo Aerospace Inc. INFORMATION PROCESSING SYSTEM
WO2021079516A1 (ja) * 2019-10-25 2021-04-29 株式会社センシンロボティクス 飛行体の飛行経路作成方法及び管理サーバ
JP6730763B1 (ja) * 2019-10-25 2020-07-29 株式会社センシンロボティクス 飛行体の飛行経路作成方法及び管理サーバ
JP2021067670A (ja) * 2020-06-30 2021-04-30 株式会社センシンロボティクス 飛行体の飛行経路作成方法及び管理サーバ
JP2024113101A (ja) * 2020-06-30 2024-08-21 株式会社センシンロボティクス 飛行体の飛行経路作成方法及び管理サーバ
CN114839196A (zh) * 2022-07-01 2022-08-02 中国标准化研究院 一种基于计算机视觉的无接触式质量测量研究方法

Also Published As

Publication number Publication date
JP6375503B2 (ja) 2018-08-22
JP2017075863A (ja) 2017-04-20

Similar Documents

Publication Publication Date Title
JP6375503B2 (ja) 飛行型検査装置および検査方法
EP3460392B1 (en) Positioning system for aerial non-destructive inspection
US11327149B2 (en) Laser speckle system and method for an aircraft
US10234278B2 (en) Aerial device having a three-dimensional measurement device
CN113029117B (zh) 飞行传感器
CN104298248B (zh) 旋翼无人机精确视觉定位定向方法
US9758239B2 (en) System and method for controlling an unmanned air vehicle
JP7022559B2 (ja) 無人航空機の制御方法および無人航空機の制御用プログラム
KR101553998B1 (ko) 무인 항공기를 제어하기 위한 시스템 및 방법
Lange et al. Autonomous corridor flight of a UAV using a low-cost and light-weight RGB-D camera
US20140046589A1 (en) Measuring system for determining 3d coordinates of an object surface
JP2018013337A (ja) 飛行物体の誘導位置決め装置および方法
EP3788451B1 (en) Controlling a vehicle using a remotely located laser and an on-board camera
JP2020118641A (ja) マルチコプター
WO2008061307A1 (en) A method of determining characteristics of a remote surface with application to the landing of an aerial vehicle
JP2023551948A (ja) シャフトに沿ってドローンを制御するための方法
JP2023070120A (ja) 自律飛行制御方法、自律飛行制御装置および自律飛行制御システム
JP2746487B2 (ja) 垂直離着陸航空機の機体位置測定方法
CN112839871B (zh) 飞行体
JP7638493B2 (ja) 無人航空機の自己位置及び/又は姿勢を推定する推定システム、飛行制御システム、無人航空機、プログラム、及び、記録媒体

Legal Events

Date Code Title Description
121 Ep: the epo has been informed by wipo that ep was designated in this application

Ref document number: 16855356

Country of ref document: EP

Kind code of ref document: A1

DPE1 Request for preliminary examination filed after expiration of 19th month from priority date (pct application filed from 20040101)
NENP Non-entry into the national phase

Ref country code: DE

32PN Ep: public notification in the ep bulletin as address of the adressee cannot be established

Free format text: NOTING OF LOSS OF RIGHTS PURSUANT TO RULE 112(1) EPC (EPO FORM 1205A DATED 13.07.2018)

122 Ep: pct application non-entry in european phase

Ref document number: 16855356

Country of ref document: EP

Kind code of ref document: A1