WO2016117361A1 - 回路構成体及び電気接続箱 - Google Patents

回路構成体及び電気接続箱 Download PDF

Info

Publication number
WO2016117361A1
WO2016117361A1 PCT/JP2016/050294 JP2016050294W WO2016117361A1 WO 2016117361 A1 WO2016117361 A1 WO 2016117361A1 JP 2016050294 W JP2016050294 W JP 2016050294W WO 2016117361 A1 WO2016117361 A1 WO 2016117361A1
Authority
WO
WIPO (PCT)
Prior art keywords
current
conductive path
resistance
bus bar
section
Prior art date
Legal status (The legal status is an assumption and is not a legal conclusion. Google has not performed a legal analysis and makes no representation as to the accuracy of the status listed.)
Ceased
Application number
PCT/JP2016/050294
Other languages
English (en)
French (fr)
Japanese (ja)
Inventor
裕 角野
Current Assignee (The listed assignees may be inaccurate. Google has not performed a legal analysis and makes no representation or warranty as to the accuracy of the list.)
Sumitomo Wiring Systems Ltd
AutoNetworks Technologies Ltd
Sumitomo Electric Industries Ltd
Original Assignee
Sumitomo Wiring Systems Ltd
AutoNetworks Technologies Ltd
Sumitomo Electric Industries Ltd
Priority date (The priority date is an assumption and is not a legal conclusion. Google has not performed a legal analysis and makes no representation as to the accuracy of the date listed.)
Filing date
Publication date
Application filed by Sumitomo Wiring Systems Ltd, AutoNetworks Technologies Ltd, Sumitomo Electric Industries Ltd filed Critical Sumitomo Wiring Systems Ltd
Priority to DE112016000424.9T priority Critical patent/DE112016000424T5/de
Priority to US15/544,538 priority patent/US10454259B2/en
Priority to CN201680005348.7A priority patent/CN107112737A/zh
Publication of WO2016117361A1 publication Critical patent/WO2016117361A1/ja
Anticipated expiration legal-status Critical
Ceased legal-status Critical Current

Links

Images

Classifications

    • HELECTRICITY
    • H02GENERATION; CONVERSION OR DISTRIBUTION OF ELECTRIC POWER
    • H02GINSTALLATION OF ELECTRIC CABLES OR LINES, OR OF COMBINED OPTICAL AND ELECTRIC CABLES OR LINES
    • H02G3/00Installations of electric cables or lines or protective tubing therefor in or on buildings, equivalent structures or vehicles
    • H02G3/02Details
    • H02G3/08Distribution boxes; Connection or junction boxes
    • H02G3/16Distribution boxes; Connection or junction boxes structurally associated with support for line-connecting terminals within the box
    • GPHYSICS
    • G01MEASURING; TESTING
    • G01RMEASURING ELECTRIC VARIABLES; MEASURING MAGNETIC VARIABLES
    • G01R1/00Details of instruments or arrangements of the types included in groups G01R5/00 - G01R13/00 and G01R31/00
    • G01R1/20Modifications of basic electric elements for use in electric measuring instruments; Structural combinations of such elements with such instruments
    • G01R1/203Resistors used for electric measuring, e.g. decade resistors standards, resistors for comparators, series resistors, shunts
    • GPHYSICS
    • G01MEASURING; TESTING
    • G01RMEASURING ELECTRIC VARIABLES; MEASURING MAGNETIC VARIABLES
    • G01R15/00Details of measuring arrangements of the types provided for in groups G01R17/00 - G01R29/00, G01R33/00 - G01R33/26 or G01R35/00
    • G01R15/14Adaptations providing voltage or current isolation, e.g. for high-voltage or high-current networks
    • GPHYSICS
    • G01MEASURING; TESTING
    • G01RMEASURING ELECTRIC VARIABLES; MEASURING MAGNETIC VARIABLES
    • G01R19/00Arrangements for measuring currents or voltages or for indicating presence or sign thereof
    • G01R19/0092Arrangements for measuring currents or voltages or for indicating presence or sign thereof measuring current only
    • GPHYSICS
    • G01MEASURING; TESTING
    • G01RMEASURING ELECTRIC VARIABLES; MEASURING MAGNETIC VARIABLES
    • G01R31/00Arrangements for testing electric properties; Arrangements for locating electric faults; Arrangements for electrical testing characterised by what is being tested not provided for elsewhere
    • G01R31/005Testing of electric installations on transport means
    • G01R31/006Testing of electric installations on transport means on road vehicles, e.g. automobiles or trucks

Definitions

  • the present invention relates to a circuit structure and an electrical junction box.
  • a technique for detecting a current in a conductive path with a current sensor is known.
  • a current sensor using a Hall element needs to be used according to the magnitude of the current. Therefore, when the current is large, a large current sensor must be used.
  • a technique is known in which a parallel circuit is provided in the conductive path, a resistance element is connected to each of the parallel circuits, current is shunted, and the shunt current is detected.
  • an energization line connecting a driver and a motor is branched into a main energization line and a bypass line, a shunt resistor is connected to the main energization line, and a voltage dividing resistor and a non-contact current sensor are connected to the bypass line. Connected in series. By doing so, current flows through each line based on the ratio of the shunt resistor, the resistor for dividing, and the input internal resistance of the non-contact current sensor. Compared to the case where the entire energized current is detected by the current sensor. Thus, the current sensor can be reduced in size.
  • the present invention has been completed based on the above situation, and an object thereof is to detect a current in a conductive path by reducing a loss due to resistance.
  • the circuit structure of the present invention includes a circuit board having a conductive path, and a current sensor connected in parallel to a section of the conductive path to which an element having a resistance is not connected, and detects a current shunted from the conductive path. And comprising.
  • the ratio between the internal resistance of the section and the resistance of the parallel circuit (internal resistance) connected in parallel to the section The shunt current that is shunted by the reciprocal of flows in the parallel circuit. If the current sensor detects this shunt current, the current in the conductive path can be detected based on this shunt current and the ratio. As a result, in the section of the conductive path in which the element having resistance is not connected, the element having resistance is not energized at the time of current detection. Can be detected.
  • the material of the shunt path through which the shunt current flows is the same material as the material of the section where the resistance element is not connected in the conductive path. According to this configuration, the shunt path is made of the same material as the temperature characteristic of the section where the element having resistance is not connected. High current detection can be performed.
  • the circuit board includes an insulating substrate in which a conductive path of a metal foil is formed on an insulating plate, and a bus bar as a conductive path superimposed on the insulating substrate, and a section where the element having the resistance is not connected It is arranged in the route of the bus bar.
  • the insulating substrate and the bus bar are stacked.
  • the current sensor includes a plurality of power terminals connected in parallel in a section where the element having the resistance is not connected, and an output terminal that outputs a signal of a current detection result, and the output terminal It is connected to the conductive path of the insulating substrate. In this way, the signal of the detection result of the current having a small energization current can be energized through the conductive path of the insulating substrate.
  • the plurality of power terminals are connected to the bus bar, and the section where the element having the resistance is not connected is between the plurality of power terminals. If it does in this way, the electric current of a bus bar can be detected only by connecting a plurality of electric power terminals to a bus bar.
  • the bus bar has a plurality of current paths formed in a section where the element having the resistance is not connected, and the current sensor is connected to the current path. If it does in this way, the current of a bus bar can be shunted with the simple composition of forming a plurality of current paths in a bus bar.
  • a section where the element having the resistance is not connected is formed to bypass. In this way, when the resistance value of the parallel circuit is considerably larger than the internal resistance of the conductive path, the current detection accuracy may be reduced. Since the resistance can be increased, it is possible to suppress a decrease in current detection accuracy.
  • -It is set as an electrical junction box provided with the said circuit structure and the case which accommodates the said circuit structure.
  • FIG. 1 is a longitudinal sectional view showing an electrical junction box according to a first embodiment.
  • Plan view showing part of circuit board Top view showing part of an insulating substrate
  • Plan view showing part of bus bar Plan view showing the connection between the current sensor and the outside Diagram showing internal resistance of parallel circuit
  • FIG. 7 is a longitudinal sectional view.
  • the longitudinal cross-sectional view which expands and shows the part by which the current sensor of Embodiment 3 was mounted in the circuit board
  • the top view which expands and shows the vicinity of the part by which the current sensor of Embodiment 4 was mounted in the circuit board 10 is a longitudinal sectional view of FIG.
  • the longitudinal cross-sectional view which expands and shows the part by which the current sensor of Embodiment 5 was mounted in the circuit board The top view which shows the bus-bar by which the current sensor was mounted in the shunt path of Embodiment 6.
  • a plan view showing a bus bar in which a current sensor is mounted in a shunt path divided at different positions The top view which shows the bus-bar by which the current sensor was mounted in the shunt path formed in the position where the width direction differs
  • the electric junction box 10 is arranged in a route from a power source such as a battery to a load such as a motor in a vehicle (not shown) such as an electric vehicle or a hybrid vehicle, and is mounted in an engine room that is susceptible to heat, for example. Is done.
  • the electrical junction box 10 includes a circuit structure 11 and a case 30 in which the circuit structure 11 is accommodated.
  • the case 30 includes a case main body 31 made of a box-shaped metal and a heat radiating member 32 superimposed on the circuit board 12.
  • the heat radiating member 32 is made of a metal material having high thermal conductivity, and is overlaid on the circuit board 12 via an insulating adhesive.
  • circuit structure 11 As shown in FIGS. 2 to 4, the circuit structure 11 includes a circuit board 12 and a plurality of electronic components such as a current sensor 25 mounted on the circuit board 12 (other than the current sensor 25 is omitted in the drawing). I have. 2 to 4, one corner portion of the entire surface of the rectangular circuit board 12 is shown, and the other is omitted.
  • the circuit board 12 includes an insulating substrate 13 in which a conductive path (not shown) made of a metal such as copper foil is formed on the surface of the insulating board by a printed wiring technique, and a plate-like metal having a shape corresponding to the shape of the conductive path. And a bus bar 18.
  • a terminal insertion hole 14, a component mounting hole 15, and communication holes 16 ⁇ / b> A and 16 ⁇ / b> B are formed through the insulating substrate 13.
  • the component mounting hole 15 has a rectangular shape corresponding to the shape of an electronic component (FET (Field Effect Transistor), IC (Integrated Circuit), resistor, capacitor, etc.) to be mounted.
  • FET Field Effect Transistor
  • IC Integrated Circuit
  • resistor capacitor, etc.
  • the communication holes 16 ⁇ / b> A and 16 ⁇ / b> B have a circular shape, have an inner wall having conductivity, and are opened at positions that are continuous with the conductive path of the insulating substrate 13.
  • the communication holes 16A, 16B and the bus bar 18 directly below are electrically connected by soldering or the like in the communication holes 16A, 16B.
  • the bus bar 18 is made of copper or a copper alloy metal, and is formed by punching a plate-like metal into the shape of a conductive path using a mold, and includes a terminal portion 19 that can be connected to an external terminal (not shown). As shown in FIG. 4, the terminal portion 19 is connected to a bypass conductive path 20 that extends to the load L side (or the power supply side) through the bypass path.
  • the bypass conductive path 20 includes at least a wide portion 21 having a large width dimension and a narrow portion 22 having a smaller width dimension than the wide portion 21 in a path between A1 and A2 in FIG. Appropriate shapes and dimensions are set for the wide portion 21 and the narrow portion 22 based on a detourable path and a necessary resistance value.
  • the communication holes 16A and 16B of the insulating substrate 13 are located above the position near the starting end of the wide portion 21 and the position near the end of the narrow portion 22, and this position is a conductive path to the parallel circuit on the current sensor 25 side. Are a pair of branch points 23A and 23B.
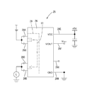
  • the electronic component includes a current sensor 25 and a FET, IC, resistor, capacitor, etc. (not shown), which are mounted on the conductive path of the circuit board 12.
  • the current sensor 25 is a Hall-type current sensor (non-contact type current sensor) that uses a Hall element, and detects a shunt current of a parallel circuit to which an element having a resistance is not connected. As shown in FIG. 5, the current sensor 25 has a Hall element housed in a flat rectangular package 26 and eight terminals 28 A to 28 H project from the side surface of the package 26. The terminals 28A to 28H are connected to the conductive paths on the surface of the insulating substrate 13 by soldering.
  • the four terminals 28A to 28D on the left side are two power terminals 28A and 28B to which DC power from the power source side is input, and two power terminals that output power to the load L side. 28C, 28D.
  • the power terminals 28A and 28B are connected to the power terminals 28C and 28D via a detection conductive path 29 made of copper or a copper alloy provided in the package 26.
  • the power terminals 28A and 28B are connected to one communication hole 16A via a conductive path of the insulating substrate 13, and the power terminals 28C and 28D are connected to the other communication hole 16B via a conductive path of the insulating substrate 13. Yes.
  • a shunt current I2 flows through the power terminals 28A to 28D and the detection conductive path 29.
  • a common material copper or copper alloy
  • the conductive path of the insulating substrate 13 is used as a shunt path
  • the power terminals 28A to 28D and the detection conductive path 29, and the bus bar 18 is used as the main path.
  • the four terminals 28E to 28H on the right side include a power terminal 28E, an output terminal 28F, a filter terminal 28G, and a ground terminal 28H.
  • the power supply terminal 28E receives, for example, a voltage of 5V from the power supply side.
  • the output terminal 28F outputs a signal of the detection result of the shunt current I2 shunted between the bus bar 18 and the power terminals 28A to 28D.
  • the filter terminal 28G is connected to, for example, a capacitor or the like to reduce noise in the output signal.
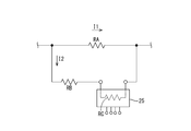
  • FIG. 6 shows the internal resistance RA in the section between the branch point 23A and the branch point 23B in the bus bar 18 (the section where the element having resistance is not connected) and the conductive path of the insulating substrate 13 from the branch points 23A and 23B.
  • the relationship between the internal resistance RB up to the connection point with the power terminals 28A to 28D and the internal resistance RC of the current sensor 25 is shown.
  • the current (I1 + I2) in the conductive path can be detected by the detection circuit.
  • the detection circuit for detecting the current (I1 + I2) of the entire conductive path from the shunt current I2 is provided on the circuit board 12.
  • the detection circuit is not limited to this, and may be a Hall IC having a detection circuit in the current sensor. Good.
  • the following operations and effects are achieved.
  • the internal resistance RA of the section and the section are connected in parallel.
  • a shunt current I2 that is shunted at a reciprocal of the ratio to the internal resistance RB + RC of the connected parallel circuit flows to the parallel circuit. If the current sensor 25 detects the shunt current I2, it becomes possible to detect the current of the conductive path based on the ratio of the shunt current I2 and the internal resistance.
  • the resistance of the conductive path is not caused by energizing the resistance element (the element having resistance) during current detection. It becomes possible to detect the current.
  • the shunt path (between the conductive path of the insulating substrate 13 and the terminals 28A to 28H of the current sensor 25) through which the shunt current I2 flows is not connected to an element having resistance, and the material of the shunt path is a conductive path.
  • the material copper or copper alloy
  • the temperature characteristics of this element may reduce the accuracy of current detection.
  • the element having resistance is not connected to the shunt path.
  • the material is not affected by the temperature characteristics of the element and the same temperature characteristics (temperature-resistance characteristics) are used in the main flow path and the diversion path (all copper or all copper alloy). Even in an environment that is affected by external heat, highly accurate current detection can be performed. Note that different materials having a difference that does not affect current detection may be included in the same temperature characteristics.
  • the circuit board 12 includes an insulating substrate 13 in which a conductive path of metal foil is formed on an insulating plate, and a bus bar 18 as a conductive path superimposed on the insulating substrate 13, and between the branch points 23A and 23B (resistance is reduced).
  • a section in which no element is connected is arranged in the path of the bus bar 18. In this way, since the current sensor 25 detects the shunt current I2 from the bus bar 18, a relatively large current can be detected using the current sensor 25 having a small capacity.
  • the current sensor 25 has a plurality of power terminals 28A to 28D connected in parallel between the branch points 23A and 23B (section in which an element having resistance is not connected), and an output for outputting a current detection result signal.
  • the output terminal 28 ⁇ / b> F is connected to the conductive path of the insulating substrate 13. In this way, the signal of the detection result of the current having a small energization current can be energized through the conductive path of the insulating substrate 13.
  • the bypass conductive path 20 is formed so as to bypass between the branch points 23 ⁇ / b> A and 23 ⁇ / b> B (section in which a resistance element is not connected).
  • the resistance value RB + RC of the parallel circuit is considerably larger than the internal resistance RA of the conductive path, there is a possibility that the current detection accuracy may be lowered. Since the internal resistance RA in the non-interval section) can be increased, it is possible to suppress a decrease in detection accuracy.
  • the bus bar 18 is overlaid on the insulating substrate 13.
  • the insulating substrate 13 and the bus bar 18 are arranged on the same plane with a space therebetween. . Since other configurations are the same as those of the first embodiment, the same configurations as those of the first embodiment are denoted by the same reference numerals and description thereof is omitted.
  • the bus bar 18 and the insulating substrate 13 are arranged on the heat radiation member 32 with a space (gap) therebetween.
  • the four left terminals 28A to 28D in the current sensor 25 are soldered to the bus bar 18, and the four right terminals 28E to 28H are soldered to the conductive path 13A on the surface of the insulating substrate 13.
  • the plurality of power terminals 28A to 28D are connected to the bus bar 18, and a section having no resistance is connected between the plurality of power terminals 28A to 28D in the bus bar 18. .
  • the shunt current I2 from the bus bar 18 can be detected simply by connecting the plurality of power terminals 28A to 28D to the bus bar 18.
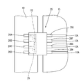
  • the circuit configuration body 41 according to the third embodiment is configured such that an insulating substrate 45 in which a copper foil conductive path is printed on an insulating plate is disposed at a position overlapping the bus bar 18 with a space therebetween. In the vicinity of the current sensor 43 in the substrate 45, a circular through hole 42A is formed to penetrate. Further, the four left power terminals 44 in the current sensor 43 are formed longer than the right terminals 28E to 28H, penetrate the through hole 42A, and are soldered to the bus bar 18 with solder S. Connected.
  • the power terminals 28A to 28H of the current sensor 25 are soldered to lands 47A of the conductive paths 47 of the insulating substrate 46 as shown in FIGS.
  • the conductive path 47 of the insulating substrate 46 is formed with a land 47B to which a bonding wire 48 is soldered at an end portion extending from the land 47A along the peripheral edge of the insulating substrate 46.
  • the bonding wire 48 is formed of, for example, copper, copper alloy, aluminum, aluminum alloy or the like, and one end is soldered to the bus bar 18 with solder S and the other end is soldered to the conductive path 47 of the insulating substrate 46. .
  • the bonding wire may be connected by melting a metal other than solder, or the bonding wire 48 may be directly connected by heat, ultrasonic waves or the like without melting the metal.
  • the circuit configuration body 50 according to the fifth embodiment has an insulating substrate 54 laminated on the bus bar 18 and insulates the other end side of the pair of bonding wires 53 soldered to the lands 47B on both sides. Through the through hole 52 that penetrates the substrate 51, the bus bar 18 is soldered with solder S. Since other configurations are the same as those of the fourth embodiment, description thereof is omitted.
  • Embodiment 6 will be described with reference to FIGS. 13 to 16.
  • FIG. 6 a plurality of current paths 62 and 63 for diverting current are formed by forming a slit 61 extending along the energizing direction in a section B1 where no element having resistance in one bus bar 60 is connected. Is.
  • the bus bar 60 extending in a strip shape has a slit 61 extending along the energization direction, and a main flow path 62 is formed on one side in the width direction divided by the slit 61.
  • a diversion path 63 having a width dimension smaller than that of the main flow path 62 is formed on the other side in the width direction.
  • the diversion path 63 is composed of diversion paths 63A and 63B with the middle portion divided, and a plurality of power terminals 28A to 28D of the current sensor 25 are connected to the ends of the diversion paths 63A and 63B, so that one of the diversion paths 63 The current 63A flows through the current sensor 25 to the other shunt path 63B.
  • a bus bar 69 may be used in which flow-dividing paths 64A and 64B are formed by dividing the end portions in the energizing direction in the section B1 where no element having resistance is connected.
  • two slits 65A and 65B extending in parallel in the left-right direction are provided in the middle portion of the bus bar 70 in the width direction, and the diversion paths 66A and 66B are provided between the two slits 65A and 65B. It is also possible to form two main flow paths 67A and 67B.
  • the insulating substrate 13 is not described, but the insulating substrate 13, 45, 46, 51, and 54 may overlap the bus bars 60, 69, 70, and 71 to constitute a circuit substrate.
  • the bus bar 60 may be placed on the heat radiating member 32. According to the above-described embodiment, the current of the bus bar can be shunted with a simple configuration in which a plurality of current paths are formed in the bus bar by slits.
  • the present invention is not limited to the embodiments described with reference to the above description and drawings.
  • the following embodiments are also included in the technical scope of the present invention.
  • the current sensor 25 may be a Hall IC packaged with an IC that converts an output signal from the Hall element into an output voltage.
  • the current sensor is not limited to the hall type current sensor, and other current sensors may be used.
  • Another non-contact type current sensor or a non-contact type current sensor may be used.
  • the number of power terminals 28A to 28D in the current sensor 25 is not limited to four. For example, two power terminals may be used.
  • the circuit board 12 is composed of an insulating substrate and a bus bar, but may be composed of only one of the insulating substrate and the bus bar.
  • the materials of the conductive paths of the insulating substrate, the bus bars, and the detection conductive paths 29 between the terminals 28A to 28H and the terminals 28A to 28H in the current sensor are all copper, but are not limited thereto.
  • aluminum or an aluminum alloy may be used. Further, different materials may be used instead of the same material.
  • the position where the electrical junction box 10 is mounted is not limited to the engine room of the vehicle, and can be mounted at other locations. Moreover, you may mount other than a vehicle.
  • the current sensor detects a direct current, but may detect an alternating current.

Landscapes

  • Physics & Mathematics (AREA)
  • General Physics & Mathematics (AREA)
  • Engineering & Computer Science (AREA)
  • Architecture (AREA)
  • Civil Engineering (AREA)
  • Structural Engineering (AREA)
  • Measuring Instrument Details And Bridges, And Automatic Balancing Devices (AREA)
  • Connection Or Junction Boxes (AREA)
PCT/JP2016/050294 2015-01-21 2016-01-07 回路構成体及び電気接続箱 Ceased WO2016117361A1 (ja)

Priority Applications (3)

Application Number Priority Date Filing Date Title
DE112016000424.9T DE112016000424T5 (de) 2015-01-21 2016-01-07 Schaltungsanordnung und elektrischer Verteiler
US15/544,538 US10454259B2 (en) 2015-01-21 2016-01-07 Circuit assembly and electrical junction box
CN201680005348.7A CN107112737A (zh) 2015-01-21 2016-01-07 电路结构体及电连接箱

Applications Claiming Priority (2)

Application Number Priority Date Filing Date Title
JP2015-009177 2015-01-21
JP2015009177A JP6341427B2 (ja) 2015-01-21 2015-01-21 回路構成体及び電気接続箱

Publications (1)

Publication Number Publication Date
WO2016117361A1 true WO2016117361A1 (ja) 2016-07-28

Family

ID=56416910

Family Applications (1)

Application Number Title Priority Date Filing Date
PCT/JP2016/050294 Ceased WO2016117361A1 (ja) 2015-01-21 2016-01-07 回路構成体及び電気接続箱

Country Status (5)

Country Link
US (1) US10454259B2 (enExample)
JP (1) JP6341427B2 (enExample)
CN (1) CN107112737A (enExample)
DE (1) DE112016000424T5 (enExample)
WO (1) WO2016117361A1 (enExample)

Families Citing this family (3)

* Cited by examiner, † Cited by third party
Publication number Priority date Publication date Assignee Title
DE102018219468A1 (de) 2018-11-14 2020-05-14 Audi Ag Hochstromkomponentenverbindungsanordnung, Batterieanschlussbox, Hochvoltbordnetz, Kraftfahrzeug und Verfahren zum Verbinden zweier Hochstromkomponenten
US12374967B2 (en) * 2020-01-31 2025-07-29 Fanuc Corporation Motor drive device and method for manufacturing same
DE102020118637B3 (de) 2020-07-15 2022-01-13 Isabellenhütte Heusler Gmbh & Co. Kg Strommessvorrichtung mit redundanter Strommessung

Citations (2)

* Cited by examiner, † Cited by third party
Publication number Priority date Publication date Assignee Title
JPH0993771A (ja) * 1995-09-20 1997-04-04 Yazaki Corp 電気接続箱のバスバー構造
JP2004340917A (ja) * 2003-04-24 2004-12-02 Auto Network Gijutsu Kenkyusho:Kk 電圧降下式電流計測装置

Family Cites Families (18)

* Cited by examiner, † Cited by third party
Publication number Priority date Publication date Assignee Title
US4841235A (en) * 1987-06-11 1989-06-20 Eaton Corporation MRS current sensor
US6545456B1 (en) * 1998-08-12 2003-04-08 Rockwell Automation Technologies, Inc. Hall effect current sensor package for sensing electrical current in an electrical conductor
JP4164615B2 (ja) * 1999-12-20 2008-10-15 サンケン電気株式会社 ホ−ル素子を備えた電流検出装置
CN1168104C (zh) * 2000-05-24 2004-09-22 潘玉明 交流分流式电流互感器
ITBG20020027A1 (it) * 2002-09-12 2004-03-13 Abb Service Srl Dispositivo per la misura di correnti e relativo metodo
JP2004294306A (ja) 2003-03-27 2004-10-21 Mitsuba Corp 電流検出回路
JP4381845B2 (ja) * 2004-02-19 2009-12-09 株式会社オートネットワーク技術研究所 ヒューズモジュール
CN100421044C (zh) * 2005-03-10 2008-09-24 崇贸科技股份有限公司 分流装置及方法
JP4394076B2 (ja) * 2006-01-12 2010-01-06 三菱電機株式会社 電流センサ
US20080042636A1 (en) * 2006-08-18 2008-02-21 General Electric Company System and method for current sensing
US8461824B2 (en) * 2010-06-07 2013-06-11 Infineon Technologies Ag Current sensor
JP5187598B2 (ja) * 2010-10-18 2013-04-24 株式会社デンソー 電流検出回路
CN102646960B (zh) * 2011-02-22 2016-10-05 北京科易动力科技有限公司 一种电池组主回路接口保护电路及保护方法
JP5845057B2 (ja) * 2011-10-31 2016-01-20 株式会社デンソー 電流検出装置
CN102998517B (zh) * 2012-12-17 2015-06-24 浙江中凯科技股份有限公司 一种霍尔电流检测装置
CN103575968B (zh) * 2013-10-15 2016-05-11 西安文理学院 一种非接触直流电流检测装置
FR3021750B1 (fr) * 2014-05-30 2016-07-01 Thales Sa Dispositif de detection de courant
JP2016099127A (ja) * 2014-11-18 2016-05-30 富士電機株式会社 パワー半導体モジュールの製造方法及びその中間組立ユニット

Patent Citations (2)

* Cited by examiner, † Cited by third party
Publication number Priority date Publication date Assignee Title
JPH0993771A (ja) * 1995-09-20 1997-04-04 Yazaki Corp 電気接続箱のバスバー構造
JP2004340917A (ja) * 2003-04-24 2004-12-02 Auto Network Gijutsu Kenkyusho:Kk 電圧降下式電流計測装置

Also Published As

Publication number Publication date
JP2016135039A (ja) 2016-07-25
CN107112737A (zh) 2017-08-29
US10454259B2 (en) 2019-10-22
DE112016000424T5 (de) 2017-10-05
US20180269670A1 (en) 2018-09-20
JP6341427B2 (ja) 2018-06-13

Similar Documents

Publication Publication Date Title
US20130221532A1 (en) Semiconductor module with switching elements
CN106233552B (zh) 电路结构体及电连接箱
WO2016035256A1 (ja) シャント抵抗器
CN111065931B (zh) 电流测定装置
CN105261610A (zh) 功率半导体模块
US10958055B2 (en) Circuit assembly and electrical junction box
JP6341427B2 (ja) 回路構成体及び電気接続箱
US10267824B2 (en) Shunt resistor
KR20210116535A (ko) 자기장 검출기 모듈을 갖는 전류 변환기
US20140240941A1 (en) Electronic part and electronic control unit
CN104021932B (zh) 电子部件和电子控制单元
JP2021005690A (ja) 半導体モジュール
JP2018048840A (ja) 電流測定装置
JP5859814B2 (ja) 電流検出装置
JP6128924B2 (ja) 高周波ノイズ対策用電源回路
CN106256063A (zh) 电路结构体及电连接箱
JPWO2019107128A1 (ja) コンデンサ
JP7490351B2 (ja) シャント抵抗モジュール及び、シャント抵抗モジュールの実装構造
JP7327931B2 (ja) 電流検出装置、電気接続箱、及びシャント抵抗一体型バスバー形成方法
JP6819163B2 (ja) 絶縁型信号伝達装置、電子機器
CN113906832A (zh) 基板结构体
JP2017211271A (ja) 熱流測定装置
JP2019035610A (ja) 電流測定装置
JP5762856B2 (ja) 電流センサ
JP6881115B2 (ja) 回路基板

Legal Events

Date Code Title Description
121 Ep: the epo has been informed by wipo that ep was designated in this application

Ref document number: 16739968

Country of ref document: EP

Kind code of ref document: A1

WWE Wipo information: entry into national phase

Ref document number: 15544538

Country of ref document: US

WWE Wipo information: entry into national phase

Ref document number: 112016000424

Country of ref document: DE

122 Ep: pct application non-entry in european phase

Ref document number: 16739968

Country of ref document: EP

Kind code of ref document: A1