WO2015033553A1 - Power supply system - Google Patents

Power supply system Download PDF

Info

Publication number
WO2015033553A1
WO2015033553A1 PCT/JP2014/004501 JP2014004501W WO2015033553A1 WO 2015033553 A1 WO2015033553 A1 WO 2015033553A1 JP 2014004501 W JP2014004501 W JP 2014004501W WO 2015033553 A1 WO2015033553 A1 WO 2015033553A1
Authority
WO
WIPO (PCT)
Prior art keywords
mode
power
operation mode
switching
transition
Prior art date
Legal status (The legal status is an assumption and is not a legal conclusion. Google has not performed a legal analysis and makes no representation as to the accuracy of the status listed.)
Ceased
Application number
PCT/JP2014/004501
Other languages
English (en)
French (fr)
Inventor
Masanori Ishigaki
Shuji Tomura
Naoki YANAGIZAWA
Masaki Okamura
Current Assignee (The listed assignees may be inaccurate. Google has not performed a legal analysis and makes no representation or warranty as to the accuracy of the list.)
Toyota Motor Corp
Original Assignee
Toyota Motor Corp
Priority date (The priority date is an assumption and is not a legal conclusion. Google has not performed a legal analysis and makes no representation as to the accuracy of the date listed.)
Filing date
Publication date
Application filed by Toyota Motor Corp filed Critical Toyota Motor Corp
Priority to US14/916,023 priority Critical patent/US10170988B2/en
Priority to CN201480048678.5A priority patent/CN105518984B/zh
Priority to KR1020167008743A priority patent/KR101850415B1/ko
Publication of WO2015033553A1 publication Critical patent/WO2015033553A1/en
Anticipated expiration legal-status Critical
Ceased legal-status Critical Current

Links

Images

Classifications

    • HELECTRICITY
    • H02GENERATION; CONVERSION OR DISTRIBUTION OF ELECTRIC POWER
    • H02MAPPARATUS FOR CONVERSION BETWEEN AC AND AC, BETWEEN AC AND DC, OR BETWEEN DC AND DC, AND FOR USE WITH MAINS OR SIMILAR POWER SUPPLY SYSTEMS; CONVERSION OF DC OR AC INPUT POWER INTO SURGE OUTPUT POWER; CONTROL OR REGULATION THEREOF
    • H02M3/00Conversion of DC power input into DC power output
    • H02M3/02Conversion of DC power input into DC power output without intermediate conversion into AC
    • H02M3/04Conversion of DC power input into DC power output without intermediate conversion into AC by static converters
    • H02M3/10Conversion of DC power input into DC power output without intermediate conversion into AC by static converters using discharge tubes with control electrode or semiconductor devices with control electrode
    • H02M3/145Conversion of DC power input into DC power output without intermediate conversion into AC by static converters using discharge tubes with control electrode or semiconductor devices with control electrode using devices of a triode or transistor type requiring continuous application of a control signal
    • H02M3/155Conversion of DC power input into DC power output without intermediate conversion into AC by static converters using discharge tubes with control electrode or semiconductor devices with control electrode using devices of a triode or transistor type requiring continuous application of a control signal using semiconductor devices only
    • H02M3/156Conversion of DC power input into DC power output without intermediate conversion into AC by static converters using discharge tubes with control electrode or semiconductor devices with control electrode using devices of a triode or transistor type requiring continuous application of a control signal using semiconductor devices only with automatic control of output voltage or current, e.g. switching regulators
    • H02M3/158Conversion of DC power input into DC power output without intermediate conversion into AC by static converters using discharge tubes with control electrode or semiconductor devices with control electrode using devices of a triode or transistor type requiring continuous application of a control signal using semiconductor devices only with automatic control of output voltage or current, e.g. switching regulators including plural semiconductor devices as final control devices for a single load
    • HELECTRICITY
    • H02GENERATION; CONVERSION OR DISTRIBUTION OF ELECTRIC POWER
    • H02MAPPARATUS FOR CONVERSION BETWEEN AC AND AC, BETWEEN AC AND DC, OR BETWEEN DC AND DC, AND FOR USE WITH MAINS OR SIMILAR POWER SUPPLY SYSTEMS; CONVERSION OF DC OR AC INPUT POWER INTO SURGE OUTPUT POWER; CONTROL OR REGULATION THEREOF
    • H02M3/00Conversion of DC power input into DC power output
    • H02M3/02Conversion of DC power input into DC power output without intermediate conversion into AC
    • H02M3/04Conversion of DC power input into DC power output without intermediate conversion into AC by static converters
    • H02M3/10Conversion of DC power input into DC power output without intermediate conversion into AC by static converters using discharge tubes with control electrode or semiconductor devices with control electrode
    • HELECTRICITY
    • H02GENERATION; CONVERSION OR DISTRIBUTION OF ELECTRIC POWER
    • H02MAPPARATUS FOR CONVERSION BETWEEN AC AND AC, BETWEEN AC AND DC, OR BETWEEN DC AND DC, AND FOR USE WITH MAINS OR SIMILAR POWER SUPPLY SYSTEMS; CONVERSION OF DC OR AC INPUT POWER INTO SURGE OUTPUT POWER; CONTROL OR REGULATION THEREOF
    • H02M3/00Conversion of DC power input into DC power output
    • H02M3/02Conversion of DC power input into DC power output without intermediate conversion into AC
    • HELECTRICITY
    • H02GENERATION; CONVERSION OR DISTRIBUTION OF ELECTRIC POWER
    • H02KDYNAMO-ELECTRIC MACHINES
    • H02K7/00Arrangements for handling mechanical energy structurally associated with dynamo-electric machines, e.g. structural association with mechanical driving motors or auxiliary dynamo-electric machines
    • H02K7/18Structural association of electric generators with mechanical driving motors, e.g. with turbines
    • H02K7/1807Rotary generators
    • H02K7/1846Rotary generators structurally associated with wheels or associated parts
    • HELECTRICITY
    • H02GENERATION; CONVERSION OR DISTRIBUTION OF ELECTRIC POWER
    • H02MAPPARATUS FOR CONVERSION BETWEEN AC AND AC, BETWEEN AC AND DC, OR BETWEEN DC AND DC, AND FOR USE WITH MAINS OR SIMILAR POWER SUPPLY SYSTEMS; CONVERSION OF DC OR AC INPUT POWER INTO SURGE OUTPUT POWER; CONTROL OR REGULATION THEREOF
    • H02M1/00Details of apparatus for conversion
    • H02M1/08Circuits specially adapted for the generation of control voltages for semiconductor devices incorporated in static converters
    • HELECTRICITY
    • H02GENERATION; CONVERSION OR DISTRIBUTION OF ELECTRIC POWER
    • H02MAPPARATUS FOR CONVERSION BETWEEN AC AND AC, BETWEEN AC AND DC, OR BETWEEN DC AND DC, AND FOR USE WITH MAINS OR SIMILAR POWER SUPPLY SYSTEMS; CONVERSION OF DC OR AC INPUT POWER INTO SURGE OUTPUT POWER; CONTROL OR REGULATION THEREOF
    • H02M3/00Conversion of DC power input into DC power output
    • H02M3/02Conversion of DC power input into DC power output without intermediate conversion into AC
    • H02M3/16Conversion of DC power input into DC power output without intermediate conversion into AC by dynamic converters
    • H02M3/18Conversion of DC power input into DC power output without intermediate conversion into AC by dynamic converters using capacitors or batteries which are alternately charged and discharged, e.g. charged in parallel and discharged in series
    • HELECTRICITY
    • H02GENERATION; CONVERSION OR DISTRIBUTION OF ELECTRIC POWER
    • H02MAPPARATUS FOR CONVERSION BETWEEN AC AND AC, BETWEEN AC AND DC, OR BETWEEN DC AND DC, AND FOR USE WITH MAINS OR SIMILAR POWER SUPPLY SYSTEMS; CONVERSION OF DC OR AC INPUT POWER INTO SURGE OUTPUT POWER; CONTROL OR REGULATION THEREOF
    • H02M7/00Conversion of AC power input into DC power output; Conversion of DC power input into AC power output
    • H02M7/42Conversion of DC power input into AC power output without possibility of reversal
    • H02M7/44Conversion of DC power input into AC power output without possibility of reversal by static converters

Definitions

  • the present invention relates to a power supply system, and more particularly to controlling a power supply system configured to include a power converter connected across a plurality of DC power supplies and an electric power line.
  • Electric power supply devices in which a plurality of power supplies are combined to supply power to a load are described in, for example, Japanese Patent Laying-Open Nos. 2010-57288 (PTL 1), 2008-54477 (PTL 2) and 2000-295715 (PTL 3).
  • PTL 1 Japanese Patent Laying-Open Nos. 2010-57288
  • PTL 2 2008-54477
  • PTL 3 2000-295715
  • Japanese Patent Laying-Open No. 2012-70514 (PTL 4) describes a configuration of a power converter capable of, by means of controlling of a plurality of switching elements, switching between an operation mode of carrying out DC/DC conversion with two DC power supplies connected in series (series connection mode) and an operation mode of carrying out DC/DC conversion with two DC power supplies used in parallel (parallel connection mode).
  • PTLs 1 to 4 in which the operation mode of the power converter is switched in accordance with the operation condition of a load and the like, fail to explicitly describe what kind of restriction or control should be given at the time of this switching.
  • the mode of power conversion between a plurality of DC power supplies and an electric power line is changed when the operation mode is changed. Therefore, if outputs of the DC power supplies greatly vary in accordance with the operation mode switching, protection of the DC power supplies and variations in outputs to the load may be affected.
  • the present invention was made to solve these problems, and an object of the present invention is, in a power supply system in which a power converter connected across a plurality of DC power supplies and an electric power line is configured to have a plurality of operation modes, to control the operation of the power converter such that switching among the plurality of operation modes are smoothly carried out.
  • a power supply system includes an electric power line connected to a load, a plurality of DC power supplies, a power converter connected across the plurality of DC power supplies and the electric power line, and a control device configured to control operation of the power converter.
  • the power converter includes a plurality of switching elements and is configured to control an output voltage on the electric power line by operating with one of a plurality of operation modes different in mode of power conversion between the plurality of DC power supplies and the electric power line applied.
  • the plurality of operation modes include a first operation mode in which power distribution between the plurality of DC power supplies can be controlled through the power converter, and a second operation mode in which power distribution between the plurality of DC power supplies is determined in a fixed manner through the power converter.
  • the control device includes a mode selection unit and an operation mode switching control unit.
  • the mode selection unit selects an operation mode from among the plurality of operation modes in accordance with conditions of the load and the plurality of DC power supplies.
  • the operation mode switching control unit controls switching from the present operation mode to the operation mode after transition.
  • the operation mode switching control unit controls, in the first operation mode, power distribution between the plurality of DC power supplies to be performed at a power distribution ratio in a case where the operation mode after transition is applied, and then executes switching to the operation mode after transition.
  • the operation mode switching control unit switches the present operation mode to the first operation mode and controls power distribution between the plurality of DC power supplies in the first operation mode, and then executes switching to the operation mode after transition.
  • the operation mode switching control unit prohibits switching to the operation mode after transition.
  • the operation mode switching control unit operates the power converter by the present operation mode such that the output voltage falls within the controllable range, and then executes switching to the operation mode after transition.
  • the plurality of DC power supplies are implemented by a first DC power supply and a second DC power supply.
  • the plurality of switching elements include first to fourth switching elements.
  • the first switching element is connected electrically across a first node and the electric power line.
  • the second switching element is connected electrically across a second node and the first node.
  • the third switching element is connected electrically across a third node, connected electrically to a negative electrode terminal of the second DC power supply, and the second node.
  • the fourth switching element is connected electrically across a negative electrode terminal of the first DC power supply and the third node.
  • the power converter further includes a first reactor and a second reactor. The first reactor is connected electrically across the second node and a positive electrode terminal of the first DC power supply.
  • the second reactor is connected electrically across the first node and a positive electrode terminal of the second DC power supply.
  • the first operation mode includes a first mode in which the first and second DC power supplies execute DC voltage conversion in parallel with the electric power line by controlling on/off of the first to fourth switching elements.
  • the second operation mode includes a second mode in which the first and second DC power supplies connected in series execute DC voltage conversion with the electric power line by keeping the third switching element on and controlling on/off of the first, second and fourth switching elements.
  • the operation mode switching control unit switches the present operation mode to the first operation mode to control power distribution between the first and second DC power supplies in the first operation mode, and then executes switching to the operation mode after transition.
  • the operation mode switching control unit prohibits switching to the operation mode after transition.
  • the operation mode switching control unit when the output voltage at present falls out of a controllable range of the output voltage by the operation mode after transition, the operation mode switching control unit operates the power converter by the present operation mode such that the output voltage falls within the controllable range, and then executes switching to the operation mode after transition.
  • the control device includes a duty ratio calculation unit, a pulse width modulation control unit and a carrier phase control unit.
  • the duty ratio calculation unit calculates a first duty ratio for controlling output from the first DC power supply and a second duty ratio for controlling output from the second DC power supply.
  • the pulse width modulation control unit generates on/off control signals for the first to fourth switching elements based on first and second control pulse signals respectively obtained by pulse width modulation in accordance with comparison between a first carrier wave and the first duty ratio as well as comparison between a second carrier wave and the second duty ratio.
  • the carrier phase control unit variably controls a phase difference between the first carrier wave and the second carrier wave when the first and second modes are applied.
  • the operation mode switching control unit operates the power converter by the first mode to obtain phases of currents in which a falling timing of electric current of the first DC power supply and a rising timing of electric current of the second DC power supply coincide with each other or to obtain phases of currents in which the rising timing of electric current of the first DC power supply and the falling timing of electric current of the second DC power supply coincide with each other, and then executes switching to the second mode.
  • the second operation mode further includes a third mode, a fourth mode, a fifth mode, and a sixth mode.
  • the power converter operates such that DC voltage conversion is executed between one of the first and second DC power supplies and the electric power line by controlling on/off of the first to fourth switching elements.
  • the power converter operates such that the first to fourth switching elements are kept on/off to maintain the first and second DC power supplies connected in parallel with the electric power line.
  • the power converter operates such that the first to fourth switching elements are kept on/off to maintain the first and second DC power supplies connected in series with the electric power line.
  • the power converter operates such that the first to fourth switching elements are kept on/off to maintain one of the first and second DC power supplies electrically connected to the electric power line.
  • the operation of the power converter can be controlled such that switching among the plurality of operation modes are smoothly carried out.
  • Fig. 1 is a circuit diagram showing a configuration of a power supply system including a power converter according to a first embodiment of the present invention.
  • Fig. 2 is a schematic view showing an exemplary configuration of a load shown in Fig. 1.
  • Fig. 3 is a table for describing a plurality of operation modes possessed by the power converter shown in Fig. 1.
  • Fig. 4 is a conceptual view showing an example of properties of two DC power supplies shown in Fig. 1 when implemented by power supplies of different types.
  • Fig. 5 includes circuit diagrams describing a first circuit operation in a PB mode.
  • Fig. 6 includes circuit diagrams describing a second circuit operation in the PB mode.
  • Fig. 5 includes circuit diagrams describing a first circuit operation in a PB mode.
  • Fig. 6 includes circuit diagrams describing a second circuit operation in the PB mode.
  • Fig. 7 includes circuit diagrams describing DC/DC conversion (step-up operation) for the first DC power supply in the PB mode.
  • Fig. 8 includes circuit diagrams describing DC/DC conversion (step-up operation) for the second DC power supply in the PB mode.
  • Fig. 9 is a diagram of waveforms showing an exemplary operation for controlling switching elements of the power converter in the PB mode.
  • Fig. 10 is a table for describing logical operational expressions for setting a control signal for each switching element in the PB mode.
  • Fig. 11 includes circuit diagrams describing a circuit operation in an SB mode.
  • Fig. 12 includes circuit diagrams describing DC/DC conversion (step-up operation) in the SB mode.
  • FIG. 13 is a diagram of waveforms showing an exemplary operation for controlling switching elements of the power converter in the SB mode.
  • Fig. 14 is a table for describing logical operational expressions for setting a control signal for each switching element in the SB mode.
  • Fig. 15 is a functional block diagram for describing a control structure related to mode selection made by power converter control according to the first embodiment of the present invention.
  • Fig. 16 is a functional block diagram for describing a control structure of the power converter in accordance with an operation command value from a converter command generation unit.
  • Fig. 17 is a flow chart for describing control processing according to the first embodiment in relation to switching of operation modes of the power converter.
  • Fig. 18 is a table for describing mode switching requirements and mode switching processing in operation mode switching from the PB mode.
  • Fig. 19 is a table for describing mode switching requirements and mode switching processing in operation mode switching from the SB mode.
  • Fig. 20 is a table for describing mode switching requirements and mode switching processing in operation mode switching from an aB mode.
  • Fig. 21 is a table for describing mode switching requirements and mode switching processing in operation mode switching from a bB mode.
  • Fig. 22 is a table for describing mode switching requirements and mode switching processing in operation mode switching from a PD mode.
  • Fig. 23 is a table for describing mode switching requirements and mode switching processing in operation mode switching from an SD mode.
  • Fig. 24 is a table for describing mode switching requirements and mode switching processing in operation mode switching from an aD mode.
  • Fig. 25 is a table for describing mode switching requirements and mode switching processing in operation mode switching from a bD mode.
  • Fig. 26 is a diagram of waveforms showing an exemplary control operation in the PB mode when carrier phase control by power converter control according to a second embodiment of the present invention is applied.
  • Fig. 27 is a functional block diagram for describing a control structure of a power converter for applying the carrier phase control according to the second embodiment.
  • Fig. 28 is a diagram of waveforms describing phases of currents resulting from carrier phase control in the PB mode.
  • Fig. 29 includes circuit diagrams describing electric current paths in predetermined periods shown in Fig. 28.
  • Fig. 30 is a diagram of waveforms of electric currents of switching elements under the phases of currents shown in Fig. 28.
  • Fig. 31 is a diagram of waveforms showing phases of currents when a phase difference between carrier waves is equal to zero.
  • Fig. 32 includes diagrams of waveforms of electric currents of switching elements under the phases of currents shown in Fig. 31.
  • Fig. 33 is a table for describing carrier phase control in the PB mode in each operation condition of DC power supplies.
  • Fig. 34 shows a diagram describing conditions of two DC power supplies in the SB mode.
  • Fig. 35 is a diagram of waveforms showing control pulse signals in the SB mode when carrier phase control is applied.
  • Fig. 36 is a table for describing settings of control signals in the SB mode.
  • Fig. 37 is a flow chart for describing control processing according to the second embodiment in relation to switching of operation modes of the power converter.
  • Fig. 38 is a flow chart for describing in detail control processing for determining a carrier phase requirement.
  • Fig. 1 is a circuit diagram showing a configuration of a power supply system including a power converter according to a first embodiment of the present invention.
  • a power supply system 5 includes a plurality of DC power supplies 10a and 10b, a load 30, and a power converter 50.
  • DC power supplies 10a and 10b are each implemented by a secondary battery, such as a lithium-ion secondary battery or a nickel-metal hydride battery, or a DC voltage source element having excellent output characteristics, such as an electric double layer capacitor or a lithium-ion capacitor.
  • DC power supplies 10a and 10b correspond to "a first DC power supply” and "a second DC power supply", respectively.
  • Power converter 50 is connected across DC power supplies 10a, 10b and an electric power line 20.
  • Power converter 50 controls a DC voltage on electric power line 20 (hereinafter also referred to as an output voltage VH) connected to load 30 in accordance with a voltage command value VH*. That is, electric power line 20 is provided in common for DC power supplies 10a and 10b.
  • Load 30 operates upon receipt of output voltage VH of power converter 50.
  • Voltage command value VH* is set at a voltage suitable for the operation of load 30.
  • Voltage command value VH* may be set to be variable in accordance with the operation condition of load 30.
  • load 30 may be configured to be capable of generating electric power for charging DC power supplies 10a and 10b by regeneration or the like.
  • Power converter 50 includes switching elements S1 to S4 as well as reactors L1 and L2.
  • switching elements IGBTs (Insulated Gate Bipolar Transistors), power MOS (Metal Oxide Semiconductor) transistors, power bipolar transistors, or the like can be used.
  • IGBTs Insulated Gate Bipolar Transistors
  • MOS Metal Oxide Semiconductor
  • switching elements S1 to S4 anti-parallel diodes D1 to D4 are arranged, respectively. On/off of switching elements S1 to S4 can be controlled in response to control signals SG1 to SG4, respectively.
  • switching elements S1 to S4 are respectively turned on when control signals SG1 to SG4 are at a high level (hereinafter referred to as an H level), and are turned off when they are at a low level (hereinafter referred to as an L level).
  • Switching element S1 is electrically connected across electric power line 20 and a node N1.
  • Reactor L2 is connected across node N1 and a positive electrode terminal of DC power supply 10b.
  • Switching element S2 is electrically connected across nodes N1 and N2.
  • Reactor L1 is connected across node N2 and a positive electrode terminal of DC power supply 10a.
  • Switching element S3 is electrically connected across nodes N2 and N3.
  • Node N3 is electrically connected to a negative electrode terminal of DC power supply 10b.
  • Switching element S4 is electrically connected across node N3 and a ground line 21.
  • Ground line 21 is electrically connected to load 30 and a negative electrode terminal of DC power supply 10a.
  • power converter 50 is configured to include a step-up chopper circuit in correspondence with each of DC power supplies 10a and 10b. That is, for DC power supply 10a, a bidirectional current first step-up chopper circuit is formed in which switching elements S1 and S2 serve as upper arm elements and switching elements S3 and S4 serve as lower arm elements. Similarly, for DC power supply 10b, a bidirectional current second step-up chopper circuit is formed in which switching elements S1 and S4 serve as upper arm elements and switching elements S2 and S3 serve as lower arm elements.
  • Switching elements S1 to S4 are included in both of a power conversion path formed across DC power supply 10a and electric power line 20 by the first step-up chopper circuit and a power conversion path formed across DC power supply 10b and electric power line 20 by the second step-up chopper circuit.
  • Control device 40 generates control signals SG1 to SG4 for controlling on/off of switching elements S1 to S4, respectively, in order to control output voltage VH to load 30. It is noted that although not shown in Fig. 1, detectors (voltage sensors, current sensors) for the voltage (hereinafter referred to as Va) and electric current (hereinafter referred to as Ia) of DC power supply 10a, the voltage (hereinafter referred to as Vb) and electric current (hereinafter referred to as Ib) of DC power supply 10b, as well as output voltage VH are provided. Furthermore, detectors (temperature sensors) for the temperatures (hereinafter referred to as Ta and Tb) of DC power supplies 10a and 10b are also preferably provided. The outputs of these detectors are given to control device 40. Control device 40 can be implemented by an ECU (Electronic Control Unit).
  • ECU Electronic Control Unit
  • switching elements S1 to S4 correspond to "a first switching element” to “a fourth switching element”, respectively
  • reactors L1 and L2 correspond to "a first reactor” and "a second reactor”, respectively.
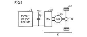
  • Fig. 2 is a schematic view showing an exemplary configuration of load 30.
  • load 30 is configured to include a traction motor for an electric powered vehicle, for example.
  • Load 30 includes a smoothing capacitor CH, an inverter 32, a motor-generator 35, a motive power transmission gear 36, and a driving wheel 37.
  • Motor-generator 35 is a traction motor for generating vehicle driving force, and implemented by, for example, a multiple-phase permanent-magnet type synchronous motor. Output torque of motor-generator 35 is transferred to driving wheel 37 by way of motive power transmission gear 36 formed by a reduction gear and a power split device. The electric powered vehicle runs with the torque transferred to driving wheel 37. Motor-generator 35 generates electric power with rotary force of driving wheel 37 during regenerative braking of the electric powered vehicle. This generated power is subjected to AC/DC conversion by inverter 32. This DC power can be used as electric power for charging DC power supplies 10a and 10b included in power supply system 5.
  • the electric powered vehicle collectively represents vehicles equipped with a traction motor, and includes both of a hybrid vehicle that generates vehicle driving force by an engine and an electric motor, as well as an electric vehicle and a fuel-cell vehicle not equipped with an engine.
  • Power converter 50 has a plurality of operation modes different in the mode of DC power conversion between DC power supplies 10a, 10b and electric power line 20.
  • Fig. 3 shows a plurality of operation modes possessed by power converter 50.
  • the operation modes are roughly divided into a "boosting mode (B)" of boosting output voltage(s) of DC power supply 10a and/or DC power supply 10b following periodic on/off control of switching elements S1 to S4 and a “direct connection mode (D)" of electrically connecting DC power supply 10a and/or DC power supply 10b to electric power line 20 with switching elements S1 to S4 kept on/off.
  • B boosting mode
  • D direct connection mode
  • the boosting mode includes a "parallel boosting mode (hereinafter referred to as a PB mode)" of carrying out parallel DC/DC conversion between DC power supplies 10a, 10b and electric power line 20 and a "series boosting mode (hereinafter referred to as an SB mode)" of carrying out DC/DC conversion between DC power supplies 10a and 10b connected in series and electric power line 20.
  • a PB mode parallel DC/DC conversion between DC power supplies 10a, 10b and electric power line 20
  • SB mode series boosting mode
  • the boosting mode further includes an "independent mode with DC power supply 10a (hereinafter referred to as an aB mode)" of carrying out DC/DC conversion between only DC power supply 10a and electric power line 20 and an “independent mode with DC power supply 10b (hereinafter referred to as a bB mode)" of carrying out DC/DC conversion between only DC power supply 10b and electric power line 20.
  • aB mode DC power supply 10b is unused while being maintained in the state electrically disconnected from electric power line 20 as long as output voltage VH is controlled to be higher than voltage Vb of DC power supply 10b.
  • DC power supply 10a is unused while being maintained in the state electrically disconnected from electric power line 20 as long as output voltage VH is controlled to be higher than voltage Va of DC power supply 10a.
  • output voltage VH of electric power line 20 is controlled in accordance with voltage command value VH*. Control of switching elements S1 to S4 in each of these modes will be described later.
  • the direct connection mode includes a "parallel direct connection mode (hereinafter referred to as a PD mode)" of maintaining the state in which DC power supplies 10a and 10b are connected in parallel with electric power line 20 and a “series direct connection mode (hereinafter referred to as an SD mode)" of maintaining the state in which DC power supplies 10a and 10b are connected in series with electric power line 20.
  • a PD mode parallel direct connection mode
  • SD mode series direct connection mode
  • the direct connection mode includes a "direct connection mode of DC power supply 10a (hereinafter referred to as an aD mode)" of electrically connecting only DC power supply 10a to electric power line 20 and a “direct connection mode of DC power supply 10b (hereinafter referred to as a bD mode)" of electrically connecting only DC power supply 10b to electric power line 20.
  • aD mode direct connection mode of DC power supply 10a
  • a bD mode direct connection mode of DC power supply 10b
  • output voltage VH of electric power line 20 is determined depending on voltages Va and Vb of DC power supplies 10a and 10b, and therefore, cannot be directly controlled.
  • output voltage VH can no longer be set at a voltage suitable for the operation of load 30, so that power loss of load 30 may be increased.
  • the PB mode corresponds to a "first mode”
  • the SB mode corresponds to a "second mode.”
  • the aB mode and bB mode correspond to a "third mode.”
  • the PD mode corresponds to a "fourth mode.”
  • the SD mode corresponds to a "fifth mode.”
  • the aD mode and bD mode correspond to a "sixth mode.”
  • Fig. 4 is a conceptual view showing an example of properties of DC power supplies 10a and 10b when implemented by power supplies of different types.
  • Fig. 4 shows a so-called Ragone plot in which energy is plotted on the horizontal axis and electric power is plotted on the vertical axis.
  • output power and stored energy of a DC power supply have a trade-off relationship. Therefore, a high output is difficult to obtain with a high-capacity type battery, while stored energy is difficult to increase with a high-output type battery.
  • one of DC power supplies 10a and 10b is implemented by a so-called high-capacity type power supply having high stored energy, and the other one of them is implemented by a so-called high-output type power supply providing high output power. Then, energy stored in the high-capacity type power supply is used as a constant supply for a long time, and the high-output type power supply can be used as a buffer to output electric power covering shortage caused by the high-capacity type power supply.
  • DC power supply 10a is implemented by a high-capacity type power supply
  • DC power supply 10b is implemented by a high-output type power supply. Therefore, an active region 110 of DC power supply 10a has a narrower range of electric power that can be output than an active region 120 of DC power supply 10b. On the other hand, active region 120 has a narrower range of energy that can be stored than active region 110.
  • operating point 101 of load 30 high power is requested for a short time.
  • operating point 101 corresponds to abrupt acceleration caused by a user's accelerator operation.
  • relatively low power is requested for a long time.
  • operating point 102 corresponds to continuous high-speed steady running.
  • the output from high-output type DC power supply 10b can mainly be applied.
  • the output from high-capacity type DC power supply 10a can mainly be applied. Accordingly, in an electric powered vehicle, the running distance with electrical energy can be extended through use of energy stored in the high-capacity type battery for a long time, and acceleration performance in correspondence with a user's accelerator operation can be ensured promptly.
  • DC power supplies 10a and 10b are not limited to this example, but can be implemented by DC power supplies (power storage devices) of the same type and/or the same capacitance.
  • any operation mode is selected from among the plurality of operation modes shown in Fig. 3 in accordance with the operation conditions of DC power supplies 10a, 10b and load 30.
  • Fig. 7 shows DC/DC conversion (step-up operation) for DC power supply 10a in the PB mode.
  • electric current path 150 at (a) of Fig. 7 and electric current path 151 at (b) of Fig. 7 are formed alternately.
  • a step-up chopper circuit having the pair of switching elements S1 and S2 as an equivalent of upper arm element and the pair of switching elements S3 and S4 as an equivalent of lower arm element is formed for DC power supply 10a.
  • DC power supply 10b there is no electric current circulation path to DC power supply 10b and, therefore, DC power supplies 10a and 10b do not interfere with each other.
  • electric power input/output to/from DC power supplies 10a and 10b can be controlled independently.
  • Equation (1) the relation represented by Equation (1) below holds between voltage Va of DC power supply 10a and output voltage VH of electric power line 20.
  • Da represents the duty ratio of the period in which the pair of switching elements S3 and S4 is on.
  • the symbol "x" is regarded as a multiplication sign.
  • VH 1/(1-Da) x Va ... (1)
  • Fig. 8 shows DC/DC conversion (step-up operation) for DC power supply 10b in the PB mode.
  • electric current path 160 at (a) of Fig. 8 and electric current path 161 at (b) of Fig. 8 are formed alternately.
  • a step-up chopper circuit having the pair of switching elements S1 and S4 as an equivalent of upper arm element and the pair of switching elements S2 and S3 as an equivalent of lower arm element is formed for DC power supply 10b.
  • DC power supply 10a there is no electric current circulation path including DC power supply 10a and, therefore, DC power supplies 10a and 10b do not interfere with each other.
  • electric power input/output to/from DC power supplies 10a and 10b can be controlled independently.
  • Equation (2) the relation represented by Equation (2) below holds between voltage Vb of DC power supply 10b and output voltage VH of electric power line 20.
  • Db represents the duty ratio of the period in which the pair of switching elements S2 and S3 is on.
  • VH 1/(1-Db) x Vb ... (2)
  • Fig. 9 shows a diagram of waveforms for describing an exemplary operation for controlling switching elements in the PB mode.
  • Fig. 9 shows an example when a carrier wave CWa used in PWM control for DC power supply 10a and a carrier wave CWb used in PWM control for DC power supply 10b have the same frequency and are in phase.
  • a command value for electric current control (Ia* or Ib*) can be set so as to control electric power of the corresponding DC power supply.
  • a control pulse signal SDa is generated based on voltage comparison between duty ratio Da for controlling the output of DC power supply 10a and carrier wave CWa.
  • a control pulse signal SDb is generated based on comparison between duty ratio Db for controlling the output of DC power supply 10b and carrier wave CWb.
  • Control pulse signals /SDa, /SDb are inversion signals of control pulse signals SDa and SDb.
  • control signals SG1 to SG4 are set based on the logical calculation of control pulse signals SDa (/SDa) and SDb (/SDb).
  • Switching element S1 forms the upper arm element in each of the boost chopper circuits shown in Figs. 7 and 8. Accordingly, control signal SG1 for controlling on/off of switching element S1 is generated in accordance with the logical sum of control pulse signals /SDa and /SDb. As a result, on/off of switching element S1 is controlled so as to achieve both of the function of the upper arm element of the boost chopper circuit (DC power supply 10a) shown in Fig. 7 and that of the upper arm element of the boost chopper circuit (DC power supply 10b) shown in Fig. 8.
  • Switching element S2 forms the upper arm element in the boost chopper circuit shown in Fig. 7, and the lower arm element in the boost chopper circuit shown in Fig. 8. Therefore, control signal SG2 for controlling on/off of switching element S2 is generated in accordance with the logical sum of control pulse signals /SDa and SDb. Accordingly, on/off of switching element S2 is controlled so as to achieve both of the function of the upper arm element of the boost chopper circuit (DC power supply 10a) shown in Fig. 7 and that of the lower arm element of the boost chopper circuit (DC power supply 10b) shown in Fig. 8.
  • control signal SG3 for switching element S3 is generated in accordance with the logical sum of control pulse signals SDa and SDb. Accordingly, on/off of switching element S3 is controlled so as to achieve both of the function of the lower arm element of the boost chopper circuit (DC power supply 10a) shown in Fig. 7 and that of the lower arm element of the boost chopper circuit (DC power supply 10b) shown in Fig. 8.
  • control signal SG4 for switching element S4 is generated in accordance with the logical sum of control pulse signals SDa and /SDb. Accordingly, on/off of switching element S4 is controlled so as to achieve both of the function of the lower arm element of the boost chopper circuit (DC power supply 10a) shown in Fig. 7 and that of the upper arm element of the boost chopper circuit (DC power supply 10b) shown in Fig. 8.
  • control signals SG1 to SG4 are generated based on control pulse signals SDa (/SDa) and SDb (/SDb) in accordance with the logical operational expressions shown in Fig. 10.
  • an electric current I(L1) flowing through reactor L1 and an electric current I(L2) flowing through reactor L2 are controlled.
  • Electric current I(L1) corresponds to electric current Ia of DC power supply 10a
  • electric current I(L2) corresponds to electric current Ib of DC power supply 10b.
  • load power PL electric power covering shortage caused by input/output power to/from a DC power supply subjected to electric current control for electric power input/output to/from load 30 (hereinafter also referred to as load power PL) will be input/output to/from a DC power supply subjected to voltage control. Accordingly, by setting the electric current command value in electric current control, the power distribution ratio between the DC power supplies can be controlled indirectly. In addition, by setting the electric current command value, an operation of allowing output power from one DC power supply to be charged into the other DC power supply is also possible.
  • any one of the PD mode, SD mode, aD mode, and bD mode is achieved by keeping switching elements S1 to S4 on/off in accordance with Fig. 3.
  • VH max (Va, Vb) holds.
  • VH Va+Vb holds.
  • the on- and off-periods of the lower arm element of the step-up chopper circuit can be formed alternately by commonly controlling on/off of switching elements S2 and S4.
  • Switching element S1 which is turned on in the off-period of switching elements S2 and S4, operates as a switch for controlling regeneration from load 30. Further, by switching element S3 kept on, a line 15 connecting reactor L1 to switching element S4 is equivalently formed.
  • Equation (3) In the DC/DC conversion in the SB mode, the relation represented by Equation (3) below holds among voltage Va of DC power supply 10a, voltage Vb of DC power supply 10b and output voltage VH of electric power line 20.
  • Dc represents the duty ratio of the first period in which the pair of switching elements S2 and S4 is on.
  • VH 1/(1-Dc) x (Va + Vb) ... (3)
  • reactors L1 and L2 come to have different electric current values at the end of operation shown at (a) of Fig. 12. Therefore, immediately after the transition to the operation shown at (b) of Fig. 12, if the electric current of reactor L1 is larger, a difference current flows through an electric current path 173. If the electric current of reactor L2 is larger, a difference current flows through an electric current path 174.
  • Fig. 13 shows waveforms for describing an exemplary operation for controlling the switching elements in the SB mode.
  • DC/DC conversion between the DC voltage (Va+Vb) and output voltage VH is executed by the step-up chopper circuit shown in Fig. 12.
  • control signals SG1 to SG4 can be set based on a logical operation of control pulse signal SDc (/SDc).
  • Control pulse signal SDc is set as control signals SG2 and SG4 for the pair of switching elements S2 and S4 constituting the lower arm element of the step-up chopper circuit.
  • control signal SG1 for switching element S1 constituting the upper arm element of the step-up chopper circuit is obtained by control pulse signal /SDc.
  • Upper limit voltage VHmax is an upper limit value determined in consideration of the withstand voltages of parts and the like.
  • output voltage VH cannot be set at a value lower than (Va+Vb). In the SB mode, output voltage VH can be controlled within the range from (Va+Vb) to upper limit voltage VHmax.
  • the operation modes applied to power converter 50 are divided into a power distribution controlling mode in which power distribution (power distribution ratio k) between DC power supplies 10a and 10b is controllable through DC/DC conversion for VH control and a power distribution keeping mode in which power distribution between DC power supplies 10a and 10b is determined in a fixed manner.
  • the PB mode is included in the power distribution controlling mode.
  • the remaining SB mode, SD mode, aB mode, bB mode, aD mode, bD mode, and PD mode are included in the power distribution keeping mode.
  • the power distribution controlling mode (PB mode) corresponds to a "first operation mode" and the power distribution keeping mode corresponds to a "second operation mode.”
  • the range of output voltage VH that can be output from power converter 50 differs among the respective operation modes. Therefore, selection of operation mode is also restricted in accordance with requested output voltage VH.
  • output voltage VH can be controlled in accordance with voltage command value VH* within the range from max(Va, Vb) to VHmax.
  • output voltage VH cannot be controlled to fall below (Va+Vb). That is, in the SB mode, output voltage VH can be controlled in accordance with voltage command value VH* within the range from (Va+Vb) to VHmax.
  • output voltage VH is kept in accordance with voltages Va and Vb of DC power supplies 10a and 10b. That is, when the direct connection mode is applied, output voltage VH cannot be controlled to assume any voltage.
  • Fig. 15 is a functional block diagram for describing a control structure related to mode selection made by power converter control according to the present embodiment. It is noted that the respective functional blocks illustrated in the respective functional block diagrams including Fig. 15 shall be achieved by hardware and/or software processing by control device 40.
  • an operation mode selection unit 600 selects an operation mode based on the operation condition of load 30 (load condition) and the operation condition of DC power supplies 10a and 10b (power supply condition). Operation mode selection unit 600 generates a mode selection signal MD# indicating the result of selection of operation mode.
  • operation mode selection unit 600 can select an operation mode based on the speed and torque of motor-generator 35.
  • an operation mode can be selected using the operation condition (vehicular speed, accelerator pedal position, etc.) of an electric powered vehicle on which motor-generator 35 is mounted as the operation condition of load 30.
  • selection of an operation mode made by operation mode selection unit 600 is executed such that the overall loss of power supply system 5 is minimized while ensuring an operation of load 30 in accordance with an operation command as will be described below.
  • output voltage VH to be supplied to load 30 needs to be set at more than or equal to a certain voltage corresponding to the operation condition of load 30.
  • load 30 is configured to include motor-generator 35, it is necessary that output voltage VH corresponding to a DC link-side voltage of inverter 32 be more than or equal to an induced voltage produced in a coil winding (not shown) of motor-generator 35.
  • the range of torque that can be output from motor-generator 35 changes in accordance with output voltage VH. Specifically, as output voltage VH is increased, the torque that can be output is also increased. It is therefore necessary that, for example, output voltage VH fall within a voltage range where motor-generator 35 can output torque corresponding to a torque command value determined by running control of the electric powered vehicle.
  • the minimum value (lowest voltage) of output voltage VH necessary for operating load 30 in accordance with an operation command is set depending on the operation condition of load 30 (in the exemplary configuration Fig. 2, torque and speed of motor-generator 35).
  • the power loss of power converter 50 is significantly reduced by application of the direct connection mode. Therefore, if the amount of reduction in power loss in power converter 50 by setting VH at Va or Vb (in the aD, bD or PD mode) or VH at Va+Vb (in the SD mode) is larger than the amount of increase in power loss of motor-generator 35 caused by deviation from the optimum phases of currents, efficiency of power supply system 5 as a whole can be reduced.
  • Operation mode selection unit 600 executes setting of the optimum output voltage (hereinafter also referred to as an optimum operating voltage VH#) and selection of an operation mode such that the overall loss of power supply system 5 is minimized in a voltage range more than or equal to the above-described lowest voltage.
  • Optimum operating voltage VH# is set at a voltage range more than or equal to the above-described lowest voltage and less than or equal to VHmax.
  • a setting map can be previously produced in which the above-described lowest voltage corresponds to the operation condition of load 30 (e.g., torque and speed). Furthermore, by estimating power losses of inverter 32 and motor-generator 35 as well as a power loss of power converter 50 with respect to output voltage VH, optimum operating voltage VH# and the optimum operation mode in accordance with the present load condition and the present power supply condition can be selected.
  • a power upper limit value setting unit 720 sets power upper limit values Pamax and Pbmax based on the power supply condition of DC power supplies 10a and 10b.
  • Each power upper limit value indicates the upper limit value of discharging electric power, and is set at 0 or a positive value. When a power upper limit value is set at 0, it means that discharging from a corresponding DC power supply is prohibited.
  • power upper limit value Pamax can be set based on SOCa and temperature Ta of DC power supply 10a.
  • Power upper limit value Pbmax can also be set based on the condition of DC power supply 10b (SOCb, Tb, Ib, and Vb), similarly to Pamax.
  • a power lower limit value setting unit 730 sets power lower limit values Pamin and Pbmin based on the power supply condition of DC power supplies 10a and 10b.
  • Each power lower limit value indicates the upper limit value of charging electric power, and is set at 0 or a negative value. When a power lower limit value is set at 0, it means that charging of a corresponding DC power supply is prohibited.
  • power lower limit value Pamin is set based on SOCa and temperature Ta of DC power supply 10a.
  • Power lower limit value Pbmin can also be set based on the condition of DC power supply 10b (SOCb, Tb, Ib, and Vb), similarly to Pamin.
  • the operation command for load 30 is restricted such that a load power command value PL* falls within the range from PHmin to PHmax. Accordingly, load 30 can be operated without causing overcharge and overdischarge of DC power supplies 10a and 10b.
  • the torque command value for motor-generator 35 is set with a restriction to fall within the range in which PL* is more than or equal to PHmin and is less than or equal to PHmax in accordance with the operation condition (vehicular speed, accelerator pedal position, etc.) of the electric powered vehicle on which motor-generator 35 is mounted.
  • An operation mode switching control unit 710 generates a mode control signal MD for designating the operation mode of power converter 50.
  • the operation mode of power converter 50 is determined by mode control signal MD.
  • Operation mode switching control unit 710 controls transition of operation mode when an operation mode selected by operation mode selection unit 600 (i.e., an operation mode in accordance with mode selection signal MD#) differs from a present operation mode (i.e., an operation mode in accordance with mode control signal MD).
  • an operation mode in accordance with mode selection signal MD# will also be referred to as "an operation mode after transition.”
  • operation mode switching control unit 710 determines switchability from the present operation mode to the operation mode after transition based on present output voltage VH, voltages Va and Vb, internal resistances Ra and Rb of DC power supplies 10a and 10b, load power command value PL*, power upper limit values Pamax and Pbmax, as well as power lower limit values Pamin and Pbmin.
  • a converter command generation unit 700 sets a power command value Pa* for DC power supply 10a to be subjected to electric current control based on load power command value PL*, mode selection signal MD, power upper limit values Pamax and Pbmax, as well as power lower limit values Pamin and Pbmin.
  • Converter command generation unit 700 sets voltage command value VH* in accordance with an operation mode designated by mode control signal MD. Basically, voltage command value VH* is set in accordance with optimum operating voltage VH# in the PB mode, SB mode, aB mode, and bB mode where output voltage control by switching control is executed. On the other hand, in the SD mode, PD mode, aD mode, and bD mode, output voltage VH is determined uniquely by voltage Va and/or voltage Vb as shown in Fig. 3. Therefore, in these direct connection modes, voltage command value VH* is set at a voltage value in accordance with voltage Va and/or voltage Vb in each mode.
  • converter command generation unit 700 can control power distribution ratio k between DC power supplies 10a and 10b by appropriately setting power command value Pa*.
  • Fig. 16 is a functional block diagram for describing a control structure of power converter 50 in accordance with an operation command value from converter command generation unit 700.
  • a duty ratio calculation unit 300 calculates duty ratios Da and Db in Equations (1) and (2) by feedback control of electric power Pa (voltage Va and electric current Ia) and output voltage VH of DC power supply 10a in accordance with power command value Pa* and voltage command value VH* set by converter command generation unit 700.
  • electric power Pa can be controlled to assume power command value Pa* by calculation of duty ratio Da by feedback control of electric current Ia.
  • output voltage VH can be controlled to assume voltage command value VH* by calculation of duty ratio Db by feedback control of output voltage VH.
  • a PWM control unit 400 generates control signals SG1 to SG4 for switching elements S1 to S4 by pulse width modulation control based on duty ratios Da and Db set by duty ratio calculation unit 300 as well as carrier waves CWa and CWb received from a carrier wave generation unit 410.
  • the pulse width modulation control and generation of control signals SG1 to SG4 conducted by PWM control unit 400 are executed similarly as described with reference to Figs. 9 and 10, and therefore, detailed description will not be repeated.
  • output voltage VH can be subjected to feedback control to assume voltage command value VH*
  • electric power Pa of DC power supply 10a can be subjected to feedback control to assume power command value Pa*
  • duty ratio calculation unit 300 calculates duty ratio Dc in Equation (3) by feedback control of output voltage VH in accordance with voltage command value VH* set by converter command generation unit 700. Furthermore, PWM control unit 400 generates control signals SG1 to SG4 for switching elements S1 to S4 by pulse width modulation control (Fig. 13) based on duty ratio Dc set by duty ratio calculation unit 300 and carrier wave CWa received from carrier wave generation unit 410.
  • the pulse width modulation control and generation of control signals SG1 to SG4 conducted by PWM control unit 400 are executed similarly as described with reference to Fig. 14, and therefore, detailed description will not be repeated.
  • duty ratio calculation unit 300 calculates duty ratio Da in Equation (1) by feedback control of output voltage VH in accordance with voltage command value VH* set by converter command generation unit 700. Then, PWM control unit 400 generates control signals SG1 to SG4 for switching elements S1 to S4 so as to control the step-up chopper circuit shown in Fig. 7 by pulse width modulation control based on duty ratio Da set by duty ratio calculation unit 300 and carrier wave CWa received from carrier wave generation unit 410. The pulse width modulation control and generation of control signals SG1 to SG4 conducted by PWM control unit 400 are executed in accordance with control pulse signals SDa and /SDa in Fig. 10.
  • duty ratio calculation unit 300 calculates duty ratio Db in Equation (2) by feedback control of output voltage VH in accordance with voltage command value VH* set by converter command generation unit 700.
  • PWM control unit 400 generates control signals SG1 to SG4 for switching elements S1 to S4 so as to control the step-up chopper circuit shown in Fig. 8 by pulse width modulation control based on duty ratio Db set by duty ratio calculation unit 300 and carrier wave CWb received from carrier wave generation unit 410.
  • the pulse width modulation control and generation of control signals SG1 to SG4 conducted by PWM control unit 400 are executed in accordance with control pulse signals SDb and /SDb in Fig. 10.
  • Fig. 17 is a flow chart for describing control processing according to the present first embodiment in relation to switching of operation modes of the power converter.
  • the control processing in accordance with the flow chart shown in Fig. 17 is periodically executed by control device 40.
  • control device 40 reads in step S100 the present operation condition of load 30 and the present power supply condition of DC power supplies 10a and 10b. Accordingly, power upper limit values Pamax and Pbmax as well as power lower limit values Pamin and Pbmin are also read as limiting values for DC power supplies 10a and 10b. Furthermore, load power command value PL* is also obtained.
  • control device 40 in step S200 selects an operation mode based on the operation condition of load 30 and the operation condition of DC power supplies 10a and 10b (power supply condition) such that the overall loss of power supply system 5 is minimized while ensuring the operation of load 30 in accordance with the operation command. That is, the processing in step S200 corresponds to the function of operation mode selection unit 600 shown in Fig. 15. In step S200, mode selection signal MD# for selection of an operation mode suitable for the present operation condition is set.
  • Control device 40 determines in step S300 whether the operation mode in accordance with mode control signal MD (i.e., the present operation mode) and the operation mode in accordance with mode selection signal MD# set in step S200 (i.e., the operation mode after transition) agree with each other.
  • mode control signal MD i.e., the present operation mode
  • mode selection signal MD# set in step S200 i.e., the operation mode after transition
  • control device 40 advances the process to step S500 to maintain mode control signal MD. That is, power converter 50 is operated while maintaining the currently applied operation mode.
  • control device 40 determines in step S400 switchability to the operation mode after transition.
  • Step S400 includes step S410 of determining a requirement on output voltage VH (VH requirement), step S420 of determining a requirement on power distribution ratio k between DC power supplies 10a and 10b (power distribution requirement), and step S430 of determining a requirement regarding power protection for DC power supplies 10a and 10b (power protection requirement).
  • VH requirement the VH requirement
  • S420 the power distribution requirement
  • S430 the power protection requirement
  • control device 40 permits switching to the operation mode after transition, and advances the process to step S600.
  • control device 40 changes mode control signal MD so as to designate an operation mode in accordance with mode selection signal MD#. Accordingly, power converter 50 executes switching from the present operation mode to the operation mode after transition.
  • control device 40 advances the process to step S700.
  • control device 40 prohibits switching from the present mode to the operation mode after transition, and executes mode switching processing. Therefore, mode switching in accordance with mode selection signal MD# is on hold, and present mode control signal MD is maintained. As will be described later, in the mode switching processing, the operation of power converter 50 is controlled so as to satisfy the VH requirement, the power distribution requirement and the power protection requirement for switching to the operation mode after transition.
  • Fig. 18 is a table for describing mode switching requirements and mode switching processing in operation mode switching from the PB mode.
  • the VH requirement when a transition is made from the PB mode to the SB mode, the VH requirement, the power distribution requirement and the power protection requirement are checked. Since the VH range in the SB mode (from (Va+Vb) to VHmax) is narrower than the VH range in the PB mode (from max(Va, Vb) to VHmax), the VH requirement is to satisfy VH>Va+Vb.
  • step S410 a NO determination is made in step S410 (Fig. 17).
  • switching to the SB mode is not permitted because the VH requirement does not hold.
  • step S700 Fig. 17
  • voltage command value VH* is raised toward (Va+Vb).
  • the amount of increase in VH* in a single control cycle is restricted in order to avoid sudden change in output voltage VH.
  • step S410 when output voltage VH becomes higher than Va+Vb with increase in voltage command value VH*, the VH requirement is satisfied. Accordingly, a YES determination is now made in step S410.
  • power distribution ratio k between DC power supplies 10a and 10b is determined in a fixed manner in accordance with voltages Va and Vb. Denoting the power distribution ratio at this time by k1, k1 is expressed by Equation (5) below.
  • step S420 Fig. 17
  • k1 can be obtained from voltages Va and Vb of DC power supplies 10a and 10b in accordance with Equation (5) described above.
  • step S420 (Fig. 17).
  • step S700 power command value Pa* for electric power feedback (DC power supply 10a) is adjusted in the direction that power distribution ratio k approaches k1.
  • the amount of change in Pa* in a single control cycle is restricted in order to avoid sudden change in output power Pa and output power Pb.
  • power distribution ratio k substantially agrees with k1 with changes in power command value Pa* in a subsequent control cycle, the power distribution requirement is satisfied. Accordingly, a YES determination is now made in step S420.
  • step S430 it is determined, as the power protection requirement, whether or not electric power Pa(SB) falls within the range from Pamin to Pamax and whether or not electric power Pb(SB) falls within the range from Pbmin to Pbmax.
  • the VH range is from max(Va, Vb) to VHmax both in the PB mode and aB mode.
  • restriction on output voltage VH in mode switching is unnecessary. Therefore, the VH requirement is not set.
  • a YES determination is unconditionally made in step S410 (Fig. 17) when a transition is made from the PB mode to the aB mode.
  • step S420 it is determined in step S420 (Fig. 17) whether or not the difference between present power distribution ratio k and the power distribution ratio (1.0) after the transition to the aB mode is smaller than a predetermined decided value.
  • step S420 Since a NO determination is made in step S420 (Fig. 17) until power distribution ratio k becomes substantially 1.0, switching to the aB mode is not permitted because the power distribution requirement does not hold. Then, as the mode switching processing in step S700 (Fig. 17), power command value Pa* of electric power feedback (DC power supply 10a) is adjusted in the direction that power distribution ratio k approaches 1.0. In a subsequent control cycle, when power distribution ratio k substantially agrees with 1.0 with changes in power command value Pa*, the power distribution requirement is satisfied. Accordingly, a YES determination is now made in step S420.
  • step S430 it is determined, as the power protection requirement, whether or not load power command value PL* falls within the range from Pamin to Pamax.
  • load power command value PL* falls out of the range from Pamin to Pamax
  • a NO determination is made in step S430 (Fig. 17).
  • the power protection requirement is satisfied.
  • a YES determination is made in step S430 (Fig. 17).
  • the power distribution requirement and power protection requirement are checked without checking the VH requirement, similarly to the transition to the aB mode.
  • VH ranges from max(Va, Vb) to VVHmax. Therefore, the VH requirement is not set also when a transition is made from the PB mode to the bB mode, and a YES determination is unconditionally made in step S410 (Fig. 17).
  • step S420 it is determined in step S420 (Fig. 17) whether or not the difference between present power distribution ratio k and the power distribution ratio (0) after the transition to the bB mode is smaller than a predetermined decided value.
  • step S420 Since a NO determination is made in step S420 (Fig. 17) until power distribution ratio k becomes substantially 0, switching to the bB mode is not permitted because the power distribution requirement does not hold. Then, as the mode switching processing in step S700 (Fig. 17), power command value Pa* for electric power feedback (DC power supply 10a) is adjusted in the direction that power distribution ratio k approaches 0. In a subsequent control cycle, when power distribution ratio k substantially agrees with 0 with changes in power command value Pa*, the power distribution requirement is satisfied. Accordingly, a YES determination is now made in step S420.
  • step S430 it is necessary to determine, as the power protection requirement, whether or not load power command value PL* falls within the range from Pbmin to Pbmax.
  • load power command value PL* falls out of the range from Pbmin to Pbmax
  • a NO determination is made in step S430 (Fig. 17).
  • the power protection requirement is satisfied.
  • a YES determination is made in step S430 (Fig. 17).
  • step S410 it is determined whether or not the voltage difference between output voltage VH and max(Va, Vb) is smaller than a predetermined decided value.
  • output voltage VH deviates from max(Va, Vb)
  • switching to the PD mode is not permitted because the VH requirement does not hold.
  • voltage command value VH* is adjusted toward max(Va, Vb).
  • a subsequent control cycle when output voltage VH becomes substantially equal to max(Va, Vb) with changes in voltage command value VH*, the VH requirement is satisfied. Accordingly, a YES determination is now made in step S410.
  • power distribution ratio k between DC power supplies 10a and 10b is determined in a fixed manner in accordance with internal resistances Ra and Rb.
  • a power distribution ratio k2 at this time is expressed by Equation (8) below:
  • step S420 Fig. 17
  • internal resistances Ra and Rb of DC power supplies 10a and 10b can be estimated based on detection values of temperatures Ta and Tb in accordance with previously-obtained temperature dependence.
  • step S420 determines whether the difference between power distribution ratio k and k2 is larger than the decided value.
  • a NO determination is made in step S420 (Fig. 17).
  • power command value Pa* is adjusted in the direction that power distribution ratio k approaches k2.
  • step S720 a subsequent control cycle, when power distribution ratio k substantially agrees with k2 with changes in power command value Pa*, the power distribution requirement is satisfied. Accordingly, a YES determination is now made in step S420.
  • step S430 (Fig. 17) whether electric power Pa(PD) and electric power Pb(PD) in accordance with power distribution ratio k2 have reached the limiting values for DC power supplies 10a and 10b (i.e., power upper limit values Pamax and Pbmax as well as power lower limit values Pamin and Pbmin).
  • step S430 a YES determination is made in step S430 (Fig. 17).
  • step S430 a NO determination is made in step S430 (Fig. 17).
  • step S410 it is determined whether or not the voltage difference between output voltage VH and Va+Vb is smaller than a predetermined decided value.
  • voltage command value VH* is adjusted toward Va+Vb.
  • step S410 when output voltage VH becomes substantially equal to Va+Vb with changes in voltage command value VH*, the VH requirement is satisfied. Accordingly, a YES determination is now made in step S410.
  • the voltage distribution ratio between DC power supplies 10a and 10b is determined to assume k1 in a fixed manner in accordance with voltages Va and Vb, similarly to the SB mode. Therefore, when a transition is made from the PB mode to the SD mode, switching to the SB mode is permitted after power distribution ratio k becomes equivalent to k1 in the PB mode. That is, as the power distribution requirement, it is determined in step S420 (Fig. 17) whether or not the difference between present power distribution ratio k and the power distribution ratio estimated value (k1) after the transition to the SD mode is smaller than a predetermined decided value.
  • step S700 power command value Pa* is adjusted in a direction that power distribution ratio k approaches k1.
  • step S720 when power distribution ratio k substantially agrees with k1 with changes in power command value Pa*, the power distribution requirement is satisfied. Accordingly, a YES determination is now made in step S420.
  • Electric power Pa(SD) and electric power Pb(SD) when a transition is made to the SD mode are expressed by Equations (11) and (12) below. That is, Pa(SD) and Pb(SD) are identical to electric power Pa(SB) and electric power Pb(SB) after the transition to the SB mode, respectively.
  • the power protection requirement when a transition is made to the SD mode is set similarly to the power protection requirement when a transition is made to the SB mode. That is, it is determined in step S430 (Fig. 17) whether electric power Pa(SD) and electric power Pb(SD) have reached the limiting values for DC power supplies 10a and 10b (i.e., power upper limit values Pamax and Pbmax as well as power lower limit values Pamin and Pbmin).
  • step S410 it is determined whether or not the voltage difference between output voltage VH and Va is smaller than a predetermined decided value.
  • voltage command value VH* is adjusted toward Va.
  • step S410 when output voltage VH becomes substantially equal to Va with changes in voltage command value VH*, the VH requirement is satisfied. Accordingly, a YES determination is now made in step S410.
  • step S420 it is determined in step S420 (Fig. 17) whether or not the difference between present power distribution ratio k and the power distribution ratio (1.0) after the transition to the aD mode is smaller than a predetermined decided value.
  • step S420 Since a NO determination is made in step S420 (Fig. 17) until power distribution ratio k becomes substantially 1.0, switching to the aD mode is not permitted because the power distribution requirement does not hold. Then, as the mode switching processing in step S700 (Fig. 17), power command value Pa* for electric power (current) feedback is increased in the direction that power distribution ratio k approaches 1.0. In a subsequent control cycle, when power distribution ratio k substantially agrees with 1.0 with changes in power command value Pa*, the power distribution requirement is satisfied. Accordingly, a YES determination is now made in step S420.
  • step S430 determines whether load power command value PL* falls out of the range from Pamin to Pamax.
  • a NO determination is made in step S430 (Fig. 17).
  • load power command value PL* falls within the range from Pamin to Pamax.
  • the power protection requirement is satisfied.
  • a YES determination is made in step S430 (Fig. 17).
  • step S410 it is determined whether or not the voltage difference between output voltage VH and Vb is smaller than a predetermined decided value.
  • voltage command value VH* is adjusted toward Vb.
  • step S410 when output voltage VH becomes substantially equal to Vb with changes in voltage command value VH*, the VH requirement is satisfied. Accordingly, a YES determination is now made in step S410.
  • step S420 it is determined in step S420 (Fig. 17) whether or not the difference between present power distribution ratio k and the power distribution ratio (0) after the transition to the bD mode is smaller than a predetermined decided value.
  • step S420 Since a NO determination is made in step S420 (Fig. 17) until power distribution ratio k becomes substantially 0, switching to the bD mode is not permitted because the power distribution requirement does not hold. Then, as the mode switching processing in step S700, power command value Pa* is adjusted in a direction that power distribution ratio k approaches 0. In a subsequent control cycle, when power distribution ratio k substantially agrees with 0 with changes in power command value Pa*, the power distribution requirement is satisfied. Accordingly, a YES determination is now made in step S420.
  • step S430 determines whether load power command value PL* falls out of the range from Pbmin to Pbmax.
  • a NO determination is made in step S430 (Fig. 17).
  • load power command value PL* falls within the range from Pbmin to Pbmax.
  • the power protection requirement is satisfied.
  • a YES determination is made in step S430 (Fig. 17).
  • Fig. 19 is a table for describing mode switching requirements and mode switching processing in operation mode switching from the SB mode.
  • the VH range in the SB mode (from (Va+Vb) to VHmax) is included in the VH range in the PB mode (from max(Va, Vb) to VHmax). Therefore, switching to the PB mode can be made without particularly restricting output voltage VH.
  • the power distribution ratio is kept at k1 (Equation (5)), while in the PB mode, power distribution ratio k can be optionally controlled in accordance with power command value Pa*. Therefore, switching from the SB mode to the PB mode can also be made without particularly setting the power distribution requirement and the power protection requirement.
  • the initial value of power distribution ratio k at the time of switching to the PB mode is preferably set at k1 as in the SB mode from the viewpoint of smooth mode transition. It should be noted, however, that power distribution ratio k needs to be set such that electric power Pa (PL* x k) and Pb (PL* x (1-k)) fall within the range from Pamin to Pamax and the range from Pbmin to Pbmax, respectively.
  • step S200 operation mode selection unit 600
  • step S600 operation mode
  • the present operation mode and the operation mode after transition are both the "power distribution keeping modes.” Since power distribution ratio k1 in the SB mode and the power distribution ratio 1.0 in the aB mode are different, power distribution ratio k needs to be adjusted.
  • step S700 when a transition is made from the SB mode to the PB mode, the mode switching requirement is not set.
  • a transition from the PB mode to the aB mode will be permitted when the power distribution requirement and the power protection requirement are satisfied in accordance with the mode switching requirements and the mode switching processing shown in Fig. 18.
  • a transition is once made to the PB mode, and after adjusting power distribution ratio k, switching to the operation mode after transition is made. Then, after a transition is made to the PB mode, a transition to the SD mode will be permitted when all of the VH requirement, the power distribution requirement and the power protection requirement are satisfied in accordance with the mode switching requirements and the mode switching processing shown in Fig. 18.
  • VH in the SB mode ranges from Va+Vb to VHmax, while in the SD mode, VH is kept at Va+Vb. Therefore, the VH requirement is that output voltage VH substantially agrees with Va+Vb. Therefore, it is determined in step S410 (Fig. 17) whether or not the voltage difference between output voltage VH and Va+Vb is smaller than a predetermined decided value. When output voltage VH deviates from Va+Vb, switching to the SD mode is not permitted because the VH requirement does not hold.
  • step S700 As the mode switching processing in step S700 (Fig. 17), voltage command value VH* is adjusted toward Va+Vb. Accordingly, in a subsequent control cycle, when output voltage VH becomes substantially equal to Va+Vb with changes in voltage command value VH*, switching to the SD mode is permitted.
  • a transition from the SB mode to the aD mode and a transition from the SB mode to the bD mode are also the operation mode switching between power keeping modes accompanied by changes in power distribution ratio k. Therefore, a transition is once made to the PB mode, and after adjusting output voltage VH and power distribution ratio k, switching to the aD mode or the bD mode which is an operation mode after transition is made.
  • VH requirement, the power distribution requirement and the power protection requirement are satisfied in accordance with the mode switching requirements and the mode switching processing shown in Fig. 18, a transition to the aD mode or the bD mode is permitted.
  • Fig. 20 is a table for describing mode switching requirements and mode switching processing in operation mode switching from the aB mode.
  • the power distribution ratio is kept at 1.0, while in the PB mode, power distribution ratio k can be optionally controlled in accordance with power command value Pa*. Therefore, the aB mode can be switched to the PB mode without particularly setting the power distribution requirement and the power protection requirement.
  • the initial value of power distribution ratio k at the time of switching to the PB mode is preferably set at 1.0 as in the aB mode in terms of smooth mode transition.
  • step S200 operation mode selection unit 600
  • step S600 operation mode
  • Each of the transition from the aB mode to the SB mode, the transition from the aB mode to the PD mode and the transition from the aB mode to the SD mode is the operation mode switching between power keeping modes accompanied by changes in power distribution ratio k.
  • a transition is once made to the PB mode, and after adjusting power distribution ratio k, switching to the operation mode after transition is made. That is, when a transition from the aB mode to the SB mode is instructed, switching is not permitted at least by the power distribution requirement (S420), and a transition to the PB mode is executed as the switching processing by step S700. Then, after a transition is made to the PB mode, and when the VH requirement, the power distribution requirement and the power protection requirement are satisfied in accordance with the mode switching requirements and the mode switching processing shown in Fig. 18, a transition to the SB mode will be permitted.
  • VH in the aB mode ranges from max(Va+Vb) to VHmax, while in the aD mode, VH is kept at Va. Therefore, the VH requirement is set such that output voltage VH substantially agrees with Va. Thus, it is determined in step S410 (Fig. 17) whether or not the voltage difference between output voltage VH and Va is smaller than a predetermined decided value. When output voltage VH deviates from Va, switching to the aD mode is not permitted because the VH requirement does not hold. When output voltage VH becomes substantially equal to Va in a subsequent control cycle by adjusting power command value VH* toward Va as the mode switching processing in step S700 (Fig. 17), switching to the aD mode is permitted.
  • a transition from the aB mode to the bD mode and a transition from the aB mode to the bB mode are also the operation mode switching between power keeping modes accompanied by changes in power distribution ratio k. Therefore, a transition is once made to the PB mode, and after adjusting output voltage VH and power distribution ratio k, switching to the bD mode or the bB mode which is an operation mode after transition is made. In accordance with the mode switching requirements and the mode switching processing shown in Fig. 18, a transition to the bD mode or the bB mode is permitted.
  • Fig. 21 is a table for describing mode switching requirements and mode switching processing in operation mode switching from the bB mode.
  • the power distribution ratio k can be optionally controlled in accordance with power command value Pa*. Therefore, the bB mode can be switched to the PB mode without particularly setting the power distribution requirement and the power protection requirement. It is noted that the initial value of power distribution ratio k at the time of switching to the PB mode is preferably set at 0 as in the bB mode in terms of smooth mode transition.
  • step S200 operation mode selection unit 600
  • step S600 operation mode
  • Each of the transition from the bB mode to the SB mode, the transition from the bB mode to the PD mode and the transition from the bB mode to the SD mode is the operation mode switching between power keeping modes accompanied by changes in power distribution ratio k.
  • a transition is once made to the PB mode, and after adjusting power distribution ratio k, switching to the operation mode after transition is made. That is, a transition from the bB mode to the SB mode is instructed, switching is not permitted at least by the power distribution requirement (S420), and a transition to the PB mode is executed as the switching processing by step S700. Then, after a transition is made to the PB mode, and when the VH requirement, the power distribution requirement and the power protection requirement are satisfied in accordance with the mode switching requirements and the mode switching processing shown in Fig. 18, a transition to the SB mode will be permitted.
  • VH in the bB mode ranges from max(Va+Vb) to VHmax, while in the bD mode, VH is kept at Vb. Therefore, the VH requirement is set such that output voltage VH substantially agrees with Vb. Thus, it is determined in step S410 (Fig. 17) whether or not the voltage difference between output voltage VH and Vb is smaller than a predetermined decided value. When output voltage VH deviates from Vb, switching to the bD mode is not permitted because the VH requirement does not hold. When output voltage VH becomes substantially equal to Vb in a subsequent control cycle by adjusting power command value VH* toward Vb as the mode switching processing in step S700 (Fig. 17), switching to the bD mode is permitted.
  • a transition from the bB mode to the aD mode and a transition from the bB mode to the aB mode are also the operation mode switching between power keeping modes accompanied by changes in power distribution ratio k. Therefore, a transition is once made to the PB mode, and after adjusting output voltage VH and power distribution ratio k, switching to the aD mode or the aB mode which is an operation mode after transition is made. In accordance with the mode switching requirements and the mode switching processing shown in Fig. 18, a transition to the aD mode or the aB mode is permitted.
  • Fig. 22 is a table for describing mode switching requirements and mode switching processing in operation mode switching from the PD mode.
  • step S200 operation mode selection unit 600
  • step S600 operation mode
  • Each of the transition from the PD mode to the SB mode, the transition from the PD mode to the aB mode, the transition from the PD mode to the bB mode, and the transition from the PD mode to the SD mode is the operation mode switching between power keeping modes accompanied by changes in power distribution ratio k.
  • a transition is once made to the PB mode, and after adjusting power distribution ratio k, switching to the operation mode after transition is made. That is, when a transition from the PD mode to the SB mode is instructed, switching is not permitted at least by the power distribution requirement (S420), and a transition to the PB mode is executed as the switching processing by step S700. Then, after a transition is made to the PB mode, and when the VH requirement, the power distribution requirement and the power protection requirement are satisfied in accordance with the mode switching requirements and the mode switching processing shown in Fig. 18, a transition to the SB mode will be permitted.
  • a transition from the PD mode to the aD mode takes place depending on the relationship between voltages Va and Vb. That is, when Va>Vb holds in the PD mode, no electric current flows from DC power supply 10b to electric power line 20. Therefore, by turning off switching element S4, a transition can be naturally made to the aD mode.
  • Fig. 23 is a table for describing mode switching requirements and mode switching processing in operation mode switching from the SD mode.
  • the power distribution ratio is kept at k1 in accordance with voltages Va and Vb, while in the PB mode, power distribution ratio k can be optionally controlled in accordance with power command value Pa*. Therefore, the SD mode can be switched to the PB mode without particularly setting the power distribution requirement and the power protection requirement. It is noted that the initial value of power distribution ratio k at the time of switching to the PB mode is preferably set at k1 as in the SD mode in terms of smooth mode transition.
  • step S200 operation mode selection unit 600
  • step S600 operation mode
  • the power distribution ratio is common (k1) between the present operation mode and the operation mode after transition.
  • Each of the transition from the SD mode to the aB mode, the transition from the SD mode to the bB mode, the transition from the SD mode to the PD mode, the transition from the SD mode to the aD mode, and the transition from the SD mode to the bD mode is the operation mode switching between power keeping modes accompanied by changes in power distribution ratio k.
  • a transition is once made to the PB mode, and after adjusting power distribution ratio k, switching to the operation mode after transition is made. That is, when a transition from the SD mode to the aB mode or the bB mode is instructed, switching is not permitted at least by the power distribution requirement (S420), and a transition to the PB mode is executed as the switching processing by step S700.
  • Fig. 24 is a table for describing mode switching requirements and mode switching processing in operation mode switching from the aD mode.
  • the power distribution ratio is kept at 1.0, while in the PB mode, power distribution ratio k can be optionally controlled in accordance with power command value Pa*. Therefore, the aD mode can be switched to the PB mode without particularly setting the power distribution requirement and the power protection requirement.
  • the initial value of power distribution ratio k at the time of switching to the PB mode is preferably set at 1.0 as in the aD mode in terms of smooth mode transition.
  • step S200 operation mode selection unit 600
  • step S600 operation mode
  • Each of a transition from the aD mode to the SB mode, a transition from the aD mode to the bB mode, a transition from the aD mode to the PD mode, and a transition from the aD mode to the SD mode is the operation mode switching between power keeping modes accompanied by changes in power distribution ratio k. Therefore, for switching these operation modes, a transition is once made to the PB mode, and after adjusting power distribution ratio k, switching to the operation mode after transition is made.
  • step S700 when the transition from the aD mode to the SB mode, the PD mode or the SD mode is instructed, switching is not permitted at least by the power distribution requirement (S420), and a transition to the PB mode is executed as the switching processing by step S700. Then, after a transition is made to the PB mode, power distribution ratio k is adjusted to k1 or k2. Then, when the VH requirement, the power distribution requirement and the power protection requirement are satisfied in accordance with the mode switching requirements and the mode switching processing shown in Fig. 18, the transition to the SB mode, the PD mode or the SD mode will be permitted.
  • the power distribution ratio is common (1.0) between the present operation mode and the operation mode after transition.
  • a transition from the aD mode to the bD mode takes place depending on the relationship between voltages Va and Vb. That is, when Vb>Va holds in the aD mode, no electric current flows from DC power supply 10a to electric power line 20, while electric current flows from DC power supply 10b to electric power line 20 because diode D4 conducts. Accordingly, a transition can be naturally made from the aD mode to the bD mode.
  • Fig. 25 is a table for describing mode switching requirements and mode switching processing in operation mode switching from the bD mode.
  • step S200 operation mode selection unit 600
  • step S600 operation mode
  • Each of a transition from the bD mode to the SB mode, a transition from the bD mode to the aB mode, a transition from the bD mode to the PD mode, and a transition from the bD mode to the SD mode is the operation mode switching between power keeping modes accompanied by changes in power distribution ratio k. Therefore, for switching these operation modes, a transition is once made to the PB mode, and after adjusting power distribution ratio k, switching to the operation mode after transition is made.
  • step S700 when the transition from the bD mode to the SB mode, the PD mode or the SD mode is instructed, switching is not permitted at least by the power distribution requirement (S420), and a transition to the PB mode is executed as the switching processing by step S700. Then, after a transition is made to the PB mode, power distribution ratio k is adjusted to k1 or k2. Then, when the VH requirement, the power distribution requirement and the power protection requirement are satisfied in accordance with the mode switching requirements and the mode switching processing shown in Fig. 18, the transition to the SB mode, the PD mode or the SD mode will be permitted.
  • the power distribution ratio is common (0) between the present operation mode and the operation mode after transition.
  • a transition from the bD mode to the aD mode takes place depending on the relationship between voltages Va and Vb. That is, when Va>Vb holds in the bD mode, no electric current flows from DC power supply 10b to electric power line 20, while electric current flows from DC power supply 10a to electric power line 20 because diode D2 conducts. Accordingly, a transition can be naturally made from the bD mode to the aD mode.
  • an operation mode can be selected appropriately in accordance with the load condition and the power supply condition such that, for example, the loss of the power supply system as a whole is minimized. Furthermore, since operation modes are switched after confirming that a predetermined mode switching condition has been satisfied, switching of operation modes following operation mode selection can be executed smoothly such that inconvenience does not occur in the operation and output of power converter 50.
  • each of DC power supplies 10a and 10b can be protected such that overcharge and overdischarge resulting from the operation mode switching do not occur.
  • phase control of carrier waves (hereinafter referred to as carrier phase control) in pulse width modulation control in the PB mode and the SB mode where both of DC power supplies 10a and 10b are used will be described.
  • carrier phase control in the PB mode will be described.
  • Fig. 26 shows an exemplary control operation in the PB mode when a phase difference is provided intentionally between carrier waves CWa and CWb.
  • carrier wave CWa and carrier wave CWb have the same frequency with a phase difference PH provided therebetween.
  • phase difference PH is 180 degrees.
  • control pulse signal SDa is generated based on the comparison between carrier wave CWa and duty ratio Da
  • control pulse signal SDb is generated based on the comparison between carrier wave CWb and duty ratio Db.
  • Duty ratios Da and Db shown in Fig. 26 have the same values as those shown in Fig. 9. Accordingly, control pulse signal SDa shown in Fig. 26 has the same length of H-level period as control pulse signal SDa shown in Fig. 9, despite different phases between these signals. Similarly, control pulse signal SDb shown in Fig. 26 has the same length of H-level period as control pulse signal SDb shown in Fig. 9, despite different phases between these signals.
  • control signals SG1 to SG4 shown in Fig. 26 with waveforms different from those of control signals SG1 to SG4 shown in Fig. 9 by providing phase difference PH between carrier waves CWa and CWb. From the comparison between Figs. 9 and 26, it is understood that the phase relationship (phases of currents) between electric currents I(L1) and I(L2) can be changed by varying phase difference PH between carrier waves CWa and CWb.
  • Fig. 27 shows a control structure of a power converter for applying the carrier phase control according to the second embodiment.
  • a carrier phase control unit 420 is further required in addition to duty ratio calculation unit 300, PWM control unit 400 and carrier wave generation unit 410 shown in Fig. 17.
  • Carrier phase control unit 420 sets phase difference PH between carrier waves CWa and CWb in the SB mode and the PB mode.
  • Carrier wave generation unit 410 generates carrier waves CWa and CWb with phase difference PH set by carrier phase control unit 420 provided therebetween.
  • phase difference PH is not set in the aB mode and the bB mode.
  • phase difference PH in the PB mode in order to achieve reduction in switching losses of switching elements S1 to S4 will be described.
  • a description will be made on control in a state where both of DC power supplies 10a and 10b are in the powering condition, namely in a state where electric current I(L1)>0 and electric current I(L2)>0 hold.
  • Fig. 28 is a diagram of waveforms describing phases of currents resulting from carrier phase control in the PB mode in power converter 50.
  • switching element S2 By turning off switching element S2 at time Ta, the lower arm element of the boost chopper circuit for DC power supply 10b is turned off. Thus, electric current I(L2) starts falling. While switching element S2 is turned off, switching element S1 is turned on.
  • the lower arm element of the boost chopper circuit for DC power supply 10a is on, while the lower arm element of the boost chopper circuit for DC power supply 10b is off. That is, electric current I(L2) falls while electric current I(L1) rises.
  • the electric current path in power converter 50 is as shown at (a) of Fig. 29.
  • phase difference PH between carrier waves CWa and CWb is adjusted such that the falling start timing of electric current I(L1) (local maximum) and the rising start timing of electric current I(L2) (local minimum) coincide with each other. Accordingly, at time Tb shown in Fig. 28, switching element S2 is turned on, while switching element S4 is turned off.
  • switching element S1 is turned off, while switching element S4 is turned on.
  • the lower arm element of the boost chopper circuit for each of DC power supplies 10a and 10b is turned on. Accordingly, the abovementioned state prior to time Ta is reproduced, so that both of electric currents I(L1) and I(L2) rise.
  • Fig. 30 shows waveforms of electric currents of switching elements S2 and S4 under the phases of currents shown in Fig. 28.
  • Fig. 30 shows at (a) a waveform of electric current I(S2) of switching element S2.
  • Fig. 30 shows at (b) a waveform of electric current I(S4) of switching element S4.
  • Fig. 31 shows phases of currents when phase difference PH between the carrier waves is set at zero under the duty ratios equivalent to those shown in Fig. 28, for comparison with Fig. 28.
  • phase difference PH between carrier waves CWa and CWb is equal to zero, electric currents I(L1) and I(L2) are different in the rising/falling timings (Tx, Ty, Tz, and Tw).
  • switching element S2 is turned off, while switching element S3 is turned on. Accordingly, the lower arm element of the boost chopper circuit is turned on for DC power supply 10a. Thus, electric current I(L1) rises again.
  • switching element S1 is turned off, while switching element S2 is turned on. Accordingly, the state prior to time Tx is reproduced, so that both of electric currents I(L1) and I(L2) rise.
  • Fig. 32 shows waveforms of electric currents of switching elements S2 and S4 under the phases of currents shown in Fig. 31.
  • Fig. 32 shows at (a) a waveform of electric current I(S2) of switching element S2.
  • Fig. 32 shows at (b) a waveform of electric current I(S4) of switching element S4.
  • phase difference PH between carrier waves CWa and CWb
  • the losses in the switching elements S1 to S4 are suppressed by setting phase difference PH such that the falling start timing (local maximum) of electric current I(L1) and the rising start timing (local minimum) of electric current I(L2) coincide with each other, that is, such that the turn-on timing of switching element S2 and the turn-off timing of switching element S4 coincide with each other.
  • phase difference PH With such a phase difference PH, the falling timing (or rising timing) of control pulse signal SDa and the rising timing (or falling timing) of control pulse signal SDb coincide with each other. In other words, it is necessary to adjust phase difference PH such that a pulse transition timing (i.e., timing when the H/L level of pulse is switched) agrees between control pulse signals SDa and SDb.
  • a pulse transition timing i.e., timing when the H/L level of pulse is switched
  • control pulse signals SDa and SDb vary in accordance with duty ratios Da and Db. Accordingly, it is understood that phase difference PH with which the phases of currents shown in Fig. 26 can be achieved, namely, phase difference PH resulting from carrier phase control is also determined in accordance with duty ratios Da and Db. Therefore, it is possible to previously obtain the relationship of duty ratios Da and Db with phase difference PH resulting from carrier phase control, and previously store in control device 40 the relationship as a map (hereinafter also referred to as a "phase difference map”) or a function (hereinafter also referred to as a "phase difference calculation formula").
  • a map hereinafter also referred to as a "phase difference map”
  • a function hereinafter also referred to as a "phase difference calculation formula"
  • Carrier phase control unit 420 can calculate phase difference PH for the carrier phase control in accordance with the phase difference map or the phase difference calculation formula based on calculated duty ratios Da and Db in the PWM control in the PB mode. Then, carrier waves CWa and CWb are generated with calculated phase difference PH provided therebetween, so that highly efficient DC/DC conversion can be achieved with losses in switching element S1 to S4 suppressed.
  • Fig. 33 is a table for describing the carrier phase control according to the second embodiment of the present invention in each operation condition of the DC power supplies.
  • phase difference PH between the carrier waves is adjusted to achieve the phases of currents such that the falling timing (local maximum) of electric current I(L1) and the rising timing (local minimum) of electric current I(L2) coincide with each other at Tb shown in the drawing. Accordingly, it is possible to reduce the turn-on loss of switching element S2 and the turn-off loss of switching element S4 at Tb. Moreover, as described above, it is possible to reduce the conduction loss of switching element S4 during the period from Ta to Tb and the conduction loss of switching element S2 during the period from Tb to Tc.
  • condition B both of DC power supplies 10a and 10b are in the regenerative condition.
  • phase difference PH between the carrier waves is adjusted to achieve the phases of currents such that the rising timing (local minimum) of electric current I(L1) and the falling timing (local maximum) of electric current I(L2) coincide with each other at Tb shown in the drawing. Accordingly, it is possible to reduce the turn-on loss of switching element S4 and the turn-off loss of switching element S2 at Tb. Moreover, as described above, it is possible to reduce the conduction loss of switching element S2 during the period from Ta to Tb and the conduction loss of switching element S4 during the period from Tb to Tc.
  • condition C DC power supply 10a is in the regenerative condition, while DC power supply 10b is in the powering condition.
  • phase difference PH between the carrier waves is adjusted to achieve the phases of currents such that the falling timing (local maximum) of electric current I(L1) and the falling timing (local maximum) of electric current I(L2) coincide with each other at Ta shown in the drawing. Accordingly, it is possible to reduce the turn-on loss of switching element S3 and the turn-off loss of switching element S1 at Ta. Moreover, as described above, it is possible to reduce the conduction loss of switching element S1 during the period from Ta to Tb and the conduction loss of switching element S3 during the period from Tc to Ta.
  • condition D DC power supply 10a is in the powering condition, while DC power supply 10b is in the regenerative condition.
  • phase difference PH between the carrier waves is adjusted to achieve the phases of currents such that the rising timing of electric current I(L1) and the rising timing of electric current I(L2) coincide with each other at Tc shown in the drawing. Accordingly, it is possible to reduce the turn-on loss of switching element S1 and the turn-off loss of switching element S3 at Tc.
  • phase difference PH for reducing the losses in the switching elements S1 to S4 varies depending on the combination of powering/regenerative conditions of DC power supplies 10a and 10b. Therefore, it is preferred to set the abovementioned phase difference map or phase difference calculation formula for each of the combinations of powering/regenerative conditions (conditions A to D in Fig. 31).
  • the above-described carrier phase control can be combined in DC/DC conversion in the PB mode for controlling output voltage VH at voltage command value VH*. Accordingly, highly efficient DC/DC conversion with losses in switching elements S1 to S4 reduced can be executed.
  • phase difference PH with which the operation of power converter 50 is optimized can be optionally set within the range from 0 degree to 180 degrees in the SB mode. That is, phase difference PH set by the above-described phase difference map or the phase difference calculation formula is not necessarily limited to phases of currents in which the local maximum, namely, falling timing of electric current I(L1) and the local minimum, namely, rising timing of electric current I(L2) coincide with each other or phases of currents in which the local minimum, namely, rising timing of electric current I(L1) and the local maximum, namely, falling timing of electric current I(L2) coincide with each other.
  • carrier phase control in the SB mode will be described.
  • on/off of switching elements S1 to S4 is also controlled in the SB mode by pulse width modulation control based on duty ratios Da and Db.
  • phase difference PH between the carrier waves is set so as to achieve phases of currents in which the local maximum, namely, falling timing of electric current I(L1) and the local minimum, namely, rising timing of electric current I(L2) coincide with each other, or phases of currents in which the local minimum, namely, rising timing of electric current I(L1) and the local maximum, namely, falling timing of electric current I(L2) coincide with each other, as shown in conditions A and B in Fig. 33.
  • phase difference PH is set such that the turn-on of switching element S2 coincides with the turn-off of switching element S4, or the turn-on of switching element S4 coincides with the turn-off of switching element S2.
  • Equation (14) Db is expressed by Equation (14) below.
  • control signal SG3 in the PB mode is generated based on the logical sum of control pulse signals SDa and SDb. Therefore, it is understood that, when phase difference PH is set such that the falling (or rising) timing of control pulse signal SDa and the rising (or falling) timing of control pulse signal SDb coincide with each other and when VH>(Va+Vb) holds, the ratio of H level period of control signal SG3 in the PB mode is more than 1.0. That is, when VH>(Va+Vb) holds, control signal SG3 is kept at the H level also by the PWM control with duty ratios Da and Db common to the PB mode.
  • Fig. 35 is a diagram of waveforms showing control pulse signals in the SB mode when carrier phase control is applied.
  • control signal SG1 in the PB mode is generated based on the logical sum of control pulse signals /SDa and /SDb.
  • duly ratio Dc is expressed by Equation (16) below by modifying Equation (3).
  • duty ratio DSG1 of control signal SG1 is expressed by Equation (17) below.
  • phase difference PH when phase difference PH is set in accordance with the above-described carrier phase control, it is possible to generate signals with a duty ratio equal to that of control pulse signal /SDc based on duty ratio Dc by performing logical calculation based on control pulse signals SDa and SDb with duty ratios Da and Db, specifically, the logical sum of /SDa and /SDb. That is, it is possible to generate control signal SG1 in the SB mode based on control pulse signals SDa and SDb.
  • control signals SG2 and SG4 in the SB mode are inversion signals of control signal SG1.
  • the result of logical calculation of not (/SDb or /SDa) is the logical product of SDa and SDb (SDb and SDa). Therefore, it is also possible to generate control signals SG2 and SG4 which should be set in accordance with control pulse signal SDc, based on the logical calculation of control pulse signals SDa and SDb.
  • the carrier phase control is applied in the SB mode to set phase difference PH such that the pulse transition timing coincides between control pulse signal SDa (/SDa) and control pulse signal SDb (/SDb).
  • control pulse signal SDa /SDa
  • control pulse signal SDb /SDb
  • control signals SG1 to SG4 which should be set based on duty ratio Dc in the SB mode, from control pulse signals SDa and SDb based on duty ratios Da and Db, as shown in Fig. 36.
  • control signal SG3 is a signal kept at the H level by the logical sum of control pulse signals SDa and SDb.
  • control signal SG1 can be generated by the logical sum of control pulse signals /SDa and/SDb so as to have an equivalent duty to that in the PWM control based on duty ratio Dc.
  • control signals SG2 and SG4 which are set complementarily to control signal SG1, based on the logical sum of control pulse signals SDa and SDb.
  • control unit 400 generates control pulse signals SDa (/SDa) and SDb (/SDb) in accordance with the comparison between carrier waves CWa and CWb for which phase difference PH has been set and duty ratios Da and Db, commonly in the PB mode and the SB mode. Furthermore, in accordance with the logical operational expressions shown in Fig. 35, control signals SG1 to SG4 are generated from control pulse signals SDa (/SDa) and SDb (/SDb) in each of the PB mode and the SB mode.
  • phase difference PH in the SB mode can also be calculated based on duty ratios Da and Db calculated in the SB mode, in accordance with previously-set phase difference map storing the relationship of duty ratios Da and Db with phase difference PH, or phase difference calculation formulas, similarly to the carrier phase control in the PB mode.
  • phase difference PH in the SB mode is set to achieve phases of currents in which the local maximum, namely, falling timing of electric current I(L1) and the local minimum, namely, rising timing of electric current I(L2) coincide with each other, or phases of currents in which the local minimum, namely, rising timing of electric current I(L1) and the local maximum, namely, falling timing of electric current I(L2) coincide with each other.
  • the carrier phase control when the carrier phase control is applied to power converter 50, a condition concerning the carrier phase control needs to be further added in switching control of operation mode described in the first embodiment. That is, at the time of switching to the SB mode, the PB mode needs to be applied so that phase difference PH between carrier waves becomes a phase difference for the SB mode.
  • Fig. 37 is a flow chart for describing control processing according to the second embodiment in relation to switching of operation modes of power converter 50.
  • the control processing in accordance with the flow chart shown in Fig. 37 is also executed periodically by control device 40.
  • step S400 further includes step S440 of determining the carrier phase requirement.
  • step S440 when an operation mode after transition is the SB mode, it is determined whether or not phase difference PH between carrier waves CWa and CWb corresponds to the operation in the SB mode.
  • control device 40 advances the process to step S600 to execute switching to an operation mode in accordance with mode selection signal MD#.
  • control device 40 advances the process to step S700 (when a NO determination is made in any of S410 to S440), and does not permit switching to the operation mode after transition.
  • Fig. 38 is a flow chart for describing in detail control processing (S440) for determining the carrier phase requirement. That is, Fig. 38 shows the details of the control processing by step S440 of Fig. 37.
  • S440 of Fig. 37 includes steps S441 to S446 below.
  • Control device 40 determines in step S441 whether an operation mode after transition (MD#) is the SB mode.
  • control device 40 advances the process to step S446 to determine that the carrier phase requirement has been satisfied. That is, the carrier phase requirement is set only at the time of switching to the SB mode. Therefore, when the operation mode after transition is not the SB mode, a YES determination is unconditionally made in step S440.
  • control device 40 advances the process to step S442 to determine whether or not the present operation mode is the PB mode. This is because phase difference PH cannot be adjusted except in the PB mode.
  • control device 40 advances the process to step S445 to make a NO determination for step S440. That is, it is determined that the carrier phase requirement (S440) has not been satisfied, and the process is advanced to step S700.
  • step S700 when the present operation mode is not the PB mode, the operation mode is switched to the PB mode.
  • step S442 By the determination made in step S442, also in switching from the SD mode to the SB mode, the operation mode is once switched to the PB mode, and then switching to the SB mode will be executed. Therefore, in the power converter control according to the second embodiment to which the carrier phase control is applied, the operation mode is once switched to the PB mode at the time of switching from each operation mode to the SB mode.
  • control device 40 compares in step S443 present phase difference PH and a phase PH(SB) to which the SB mode can be applied.
  • PH(SB) corresponds to a phase difference when phases of currents in which the local maximum, namely, falling timing of electric current I(L1) and the local minimum, namely, rising timing of electric current I(L2) coincide with each other is obtained.
  • PH(SB) is a phase difference when phases of currents in which the local minimum, namely, rising timing of electric current I(L1) and the local maximum, namely, falling timing of electric current I(L2) coincide with each other is obtained.
  • PH(SB) can be previously obtained uniquely in accordance with duty ratios Da and Db as well as plus/minus of electric power Pa and electric power Pb.
  • carrier phase control unit 420 sets phase difference PH so as to be a phase difference with which the loss of power converter 50 is minimized. Therefore, there is no guarantee that phase difference PH in the PB mode agrees with phase difference PH(SB) required in the SB mode.
  • control device 40 advances the process to step S446 to make a YES determination for step S440. Furthermore, when all of the VH requirement (S410), the power distribution requirement (S420) and the power protection requirement (S430) for the transition from the PB mode to the SB mode shown in Fig. 18 have been satisfied, switching to the SB mode is permitted.
  • control device 40 in step S444 changes phase difference PH to approach PH(SB).
  • control device 40 in step S445 makes a NO determination for step S440. Accordingly, switching to the SB mode is not permitted since the carrier phase requirement is not satisfied until phase difference PH substantially agrees with PH(SB) to achieve a phase difference that can correspond to the SB mode.
  • the power loss is reduced by applying the carrier phase control during the operation in the PB mode, while the phase difference between carrier waves can be prevented from abruptly varying at the time of switching to the SB mode. Therefore, when the carrier phase control is applied, operation mode switching to the SB mode can also be executed smoothly such that inconvenience does not occur in operation and output of power converter 50.
  • the present embodiment has illustrated power converter 50 which executes DC/DC conversion between two DC power supplies 10a, 10b and common electric power line 20, the configuration of the power converter to which the present invention is applied is not limited to this illustration. That is, the operation mode switching to which the present invention is applied can be executed by any power converter that includes a plurality of DC power supplies and that is configured such that a plurality of operation modes are selectively applied, where the plurality of operation modes include both of the power distribution controlling mode in which power distribution between the DC power supplies can be controlled and the power distribution keeping mode in which power distribution between the DC power supplies is determined in a fixed manner.
  • load 30 may be configured by any device that operates with DC voltage VH.
  • load 30 is configured so as to include a traction motor for running of an electric powered vehicle have been described in the present embodiment, application of the present invention is not limited to such examples.

Landscapes

  • Engineering & Computer Science (AREA)
  • Power Engineering (AREA)
  • Dc-Dc Converters (AREA)
PCT/JP2014/004501 2013-09-04 2014-09-02 Power supply system Ceased WO2015033553A1 (en)

Priority Applications (3)

Application Number Priority Date Filing Date Title
US14/916,023 US10170988B2 (en) 2013-09-04 2014-09-02 Power supply system
CN201480048678.5A CN105518984B (zh) 2013-09-04 2014-09-02 电源系统
KR1020167008743A KR101850415B1 (ko) 2013-09-04 2014-09-02 전원 시스템

Applications Claiming Priority (2)

Application Number Priority Date Filing Date Title
JP2013-183155 2013-09-04
JP2013183155A JP6292801B2 (ja) 2013-09-04 2013-09-04 電源システム

Publications (1)

Publication Number Publication Date
WO2015033553A1 true WO2015033553A1 (en) 2015-03-12

Family

ID=51619233

Family Applications (1)

Application Number Title Priority Date Filing Date
PCT/JP2014/004501 Ceased WO2015033553A1 (en) 2013-09-04 2014-09-02 Power supply system

Country Status (5)

Country Link
US (1) US10170988B2 (enExample)
JP (1) JP6292801B2 (enExample)
KR (1) KR101850415B1 (enExample)
CN (1) CN105518984B (enExample)
WO (1) WO2015033553A1 (enExample)

Cited By (1)

* Cited by examiner, † Cited by third party
Publication number Priority date Publication date Assignee Title
US20140084879A1 (en) * 2012-09-21 2014-03-27 Honda Motor Co., Ltd. Power supply device

Families Citing this family (9)

* Cited by examiner, † Cited by third party
Publication number Priority date Publication date Assignee Title
JP5958449B2 (ja) * 2013-11-18 2016-08-02 株式会社デンソー 電力変換システム
KR101865145B1 (ko) * 2014-03-04 2018-07-13 토요 일렉트릭 엠에프지. 씨오., 엘티디. 전력 변환 장치
JP6318115B2 (ja) * 2015-04-30 2018-04-25 株式会社豊田中央研究所 電源システム
JP6258373B2 (ja) * 2016-02-16 2018-01-10 本田技研工業株式会社 電力供給システム
JP7038554B2 (ja) * 2018-01-17 2022-03-18 三菱重工エンジニアリング株式会社 検証処理装置、ロジック生成装置及び検証処理方法
CN108390563A (zh) * 2018-03-21 2018-08-10 广东电网有限责任公司电力科学研究院 一种双向dc-dc变换器的控制方法及装置
JP7073865B2 (ja) * 2018-04-09 2022-05-24 トヨタ自動車株式会社 冗長電源システム
CN111546998B (zh) * 2020-04-03 2022-08-02 吉利汽车研究院(宁波)有限公司 一种电源分配装置、方法和车辆
EP3930133B1 (en) 2020-06-25 2024-02-21 Samsung Electronics Co., Ltd. Internal voltage generation circuit of smart card and smart card including the same

Citations (8)

* Cited by examiner, † Cited by third party
Publication number Priority date Publication date Assignee Title
US5414614A (en) * 1994-06-06 1995-05-09 Motorola, Inc. Dynamically configurable switched capacitor power supply and method
US5461264A (en) * 1991-10-29 1995-10-24 Yang; Tai-Her Multi-voltage control circuit of battery or multiple independent DC power
JP2000295715A (ja) 1999-04-01 2000-10-20 Fuji Electric Co Ltd 電気自動車の電源システム
US20030071523A1 (en) * 2001-10-11 2003-04-17 Silverman Martin S. Digital battery
JP2008054477A (ja) 2006-08-28 2008-03-06 Nissan Motor Co Ltd 電力変換装置
JP2010057288A (ja) 2008-08-28 2010-03-11 Nissan Motor Co Ltd 電力供給装置およびその制御方法
US20110090721A1 (en) * 2009-07-15 2011-04-21 Ramot At Tel-Aviv University Ltd. Capacitive matrix converters
JP2012070514A (ja) 2010-09-22 2012-04-05 Toyota Central R&D Labs Inc 電源システム

Family Cites Families (6)

* Cited by examiner, † Cited by third party
Publication number Priority date Publication date Assignee Title
JP2002315188A (ja) 2001-04-16 2002-10-25 Matsushita Seiko Co Ltd 電源装置
JP4572610B2 (ja) * 2004-07-14 2010-11-04 日産自動車株式会社 モータ駆動システムの制御装置
JP4656042B2 (ja) 2006-10-24 2011-03-23 トヨタ自動車株式会社 電源システムおよびそれを備えた車両、電源システムの制御方法、ならびに電源システムの制御方法をコンピュータに実行させるためのプログラムを記録したコンピュータ読取可能な記録媒体
JP2011024305A (ja) * 2009-07-14 2011-02-03 Sharp Corp 並列駆動電源装置
WO2011101959A1 (ja) 2010-02-17 2011-08-25 トヨタ自動車株式会社 電源装置
JP5832162B2 (ja) * 2011-06-29 2015-12-16 株式会社豊田中央研究所 電源システム

Patent Citations (8)

* Cited by examiner, † Cited by third party
Publication number Priority date Publication date Assignee Title
US5461264A (en) * 1991-10-29 1995-10-24 Yang; Tai-Her Multi-voltage control circuit of battery or multiple independent DC power
US5414614A (en) * 1994-06-06 1995-05-09 Motorola, Inc. Dynamically configurable switched capacitor power supply and method
JP2000295715A (ja) 1999-04-01 2000-10-20 Fuji Electric Co Ltd 電気自動車の電源システム
US20030071523A1 (en) * 2001-10-11 2003-04-17 Silverman Martin S. Digital battery
JP2008054477A (ja) 2006-08-28 2008-03-06 Nissan Motor Co Ltd 電力変換装置
JP2010057288A (ja) 2008-08-28 2010-03-11 Nissan Motor Co Ltd 電力供給装置およびその制御方法
US20110090721A1 (en) * 2009-07-15 2011-04-21 Ramot At Tel-Aviv University Ltd. Capacitive matrix converters
JP2012070514A (ja) 2010-09-22 2012-04-05 Toyota Central R&D Labs Inc 電源システム

Cited By (2)

* Cited by examiner, † Cited by third party
Publication number Priority date Publication date Assignee Title
US20140084879A1 (en) * 2012-09-21 2014-03-27 Honda Motor Co., Ltd. Power supply device
US9373999B2 (en) * 2012-09-21 2016-06-21 Honda Motor Co., Ltd. Power supply device

Also Published As

Publication number Publication date
JP6292801B2 (ja) 2018-03-14
US20160204703A1 (en) 2016-07-14
US10170988B2 (en) 2019-01-01
KR20160049000A (ko) 2016-05-04
JP2015050902A (ja) 2015-03-16
CN105518984B (zh) 2018-06-01
CN105518984A (zh) 2016-04-20
KR101850415B1 (ko) 2018-04-19

Similar Documents

Publication Publication Date Title
US10170988B2 (en) Power supply system
US9849789B2 (en) Power supply system
US9555714B2 (en) Power supply system of electric-powered vehicle
CN108134553B (zh) 车辆、动力传动系统及控制动力传动系统的电机的方法
JP6026093B2 (ja) 電源システム
US9895980B2 (en) Power supply system
US20140084879A1 (en) Power supply device
WO2015011879A1 (en) Power supply system
JP6102841B2 (ja) 電源システム
US20170077810A1 (en) Power supply system having two dc power supplies
JP2016029874A (ja) 電源システム
JP5832247B2 (ja) 電源システム
JP2009189152A (ja) 電源システム、電動車両、電源システムの制御方法、およびその制御方法をコンピュータに実行させるためのプログラムを記録したコンピュータ読取可能な記録媒体
JP2010136553A (ja) 電源システムおよびそれを搭載した電動車両
JP6181475B2 (ja) 電源システム
JP6055352B2 (ja) 電力変換器の制御装置
JP6096071B2 (ja) 電源システム
US10135327B2 (en) Power supply system

Legal Events

Date Code Title Description
121 Ep: the epo has been informed by wipo that ep was designated in this application

Ref document number: 14772451

Country of ref document: EP

Kind code of ref document: A1

WWE Wipo information: entry into national phase

Ref document number: 14916023

Country of ref document: US

NENP Non-entry into the national phase

Ref country code: DE

ENP Entry into the national phase

Ref document number: 20167008743

Country of ref document: KR

Kind code of ref document: A

122 Ep: pct application non-entry in european phase

Ref document number: 14772451

Country of ref document: EP

Kind code of ref document: A1