WO2014136706A1 - 被検体観察システム及び方法 - Google Patents

被検体観察システム及び方法 Download PDF

Info

Publication number
WO2014136706A1
WO2014136706A1 PCT/JP2014/055235 JP2014055235W WO2014136706A1 WO 2014136706 A1 WO2014136706 A1 WO 2014136706A1 JP 2014055235 W JP2014055235 W JP 2014055235W WO 2014136706 A1 WO2014136706 A1 WO 2014136706A1
Authority
WO
WIPO (PCT)
Prior art keywords
light
observation
wavelength
image
illumination
Prior art date
Legal status (The legal status is an assumption and is not a legal conclusion. Google has not performed a legal analysis and makes no representation as to the accuracy of the status listed.)
Ceased
Application number
PCT/JP2014/055235
Other languages
English (en)
French (fr)
Japanese (ja)
Inventor
真博 西尾
伊藤 毅
山本 英二
Current Assignee (The listed assignees may be inaccurate. Google has not performed a legal analysis and makes no representation or warranty as to the accuracy of the list.)
Olympus Corp
Original Assignee
Olympus Corp
Priority date (The priority date is an assumption and is not a legal conclusion. Google has not performed a legal analysis and makes no representation as to the accuracy of the date listed.)
Filing date
Publication date
Application filed by Olympus Corp filed Critical Olympus Corp
Priority to CN201480011737.1A priority Critical patent/CN105025774B/zh
Priority to EP14759490.7A priority patent/EP2965683A4/en
Publication of WO2014136706A1 publication Critical patent/WO2014136706A1/ja
Priority to US14/845,784 priority patent/US20150374218A1/en
Anticipated expiration legal-status Critical
Ceased legal-status Critical Current

Links

Images

Classifications

    • AHUMAN NECESSITIES
    • A61MEDICAL OR VETERINARY SCIENCE; HYGIENE
    • A61BDIAGNOSIS; SURGERY; IDENTIFICATION
    • A61B1/00Instruments for performing medical examinations of the interior of cavities or tubes of the body by visual or photographical inspection, e.g. endoscopes; Illuminating arrangements therefor
    • A61B1/06Instruments for performing medical examinations of the interior of cavities or tubes of the body by visual or photographical inspection, e.g. endoscopes; Illuminating arrangements therefor with illuminating arrangements
    • A61B1/0653Instruments for performing medical examinations of the interior of cavities or tubes of the body by visual or photographical inspection, e.g. endoscopes; Illuminating arrangements therefor with illuminating arrangements with wavelength conversion
    • AHUMAN NECESSITIES
    • A61MEDICAL OR VETERINARY SCIENCE; HYGIENE
    • A61BDIAGNOSIS; SURGERY; IDENTIFICATION
    • A61B1/00Instruments for performing medical examinations of the interior of cavities or tubes of the body by visual or photographical inspection, e.g. endoscopes; Illuminating arrangements therefor
    • A61B1/00002Operational features of endoscopes
    • A61B1/00004Operational features of endoscopes characterised by electronic signal processing
    • A61B1/00009Operational features of endoscopes characterised by electronic signal processing of image signals during a use of endoscope
    • A61B1/000094Operational features of endoscopes characterised by electronic signal processing of image signals during a use of endoscope extracting biological structures
    • AHUMAN NECESSITIES
    • A61MEDICAL OR VETERINARY SCIENCE; HYGIENE
    • A61BDIAGNOSIS; SURGERY; IDENTIFICATION
    • A61B1/00Instruments for performing medical examinations of the interior of cavities or tubes of the body by visual or photographical inspection, e.g. endoscopes; Illuminating arrangements therefor
    • A61B1/04Instruments for performing medical examinations of the interior of cavities or tubes of the body by visual or photographical inspection, e.g. endoscopes; Illuminating arrangements therefor combined with photographic or television appliances
    • A61B1/043Instruments for performing medical examinations of the interior of cavities or tubes of the body by visual or photographical inspection, e.g. endoscopes; Illuminating arrangements therefor combined with photographic or television appliances for fluorescence imaging
    • AHUMAN NECESSITIES
    • A61MEDICAL OR VETERINARY SCIENCE; HYGIENE
    • A61BDIAGNOSIS; SURGERY; IDENTIFICATION
    • A61B1/00Instruments for performing medical examinations of the interior of cavities or tubes of the body by visual or photographical inspection, e.g. endoscopes; Illuminating arrangements therefor
    • A61B1/04Instruments for performing medical examinations of the interior of cavities or tubes of the body by visual or photographical inspection, e.g. endoscopes; Illuminating arrangements therefor combined with photographic or television appliances
    • A61B1/045Control thereof
    • AHUMAN NECESSITIES
    • A61MEDICAL OR VETERINARY SCIENCE; HYGIENE
    • A61BDIAGNOSIS; SURGERY; IDENTIFICATION
    • A61B1/00Instruments for performing medical examinations of the interior of cavities or tubes of the body by visual or photographical inspection, e.g. endoscopes; Illuminating arrangements therefor
    • A61B1/06Instruments for performing medical examinations of the interior of cavities or tubes of the body by visual or photographical inspection, e.g. endoscopes; Illuminating arrangements therefor with illuminating arrangements
    • A61B1/0638Instruments for performing medical examinations of the interior of cavities or tubes of the body by visual or photographical inspection, e.g. endoscopes; Illuminating arrangements therefor with illuminating arrangements providing two or more wavelengths
    • AHUMAN NECESSITIES
    • A61MEDICAL OR VETERINARY SCIENCE; HYGIENE
    • A61BDIAGNOSIS; SURGERY; IDENTIFICATION
    • A61B1/00Instruments for performing medical examinations of the interior of cavities or tubes of the body by visual or photographical inspection, e.g. endoscopes; Illuminating arrangements therefor
    • A61B1/06Instruments for performing medical examinations of the interior of cavities or tubes of the body by visual or photographical inspection, e.g. endoscopes; Illuminating arrangements therefor with illuminating arrangements
    • A61B1/0655Control therefor
    • AHUMAN NECESSITIES
    • A61MEDICAL OR VETERINARY SCIENCE; HYGIENE
    • A61BDIAGNOSIS; SURGERY; IDENTIFICATION
    • A61B5/00Measuring for diagnostic purposes; Identification of persons
    • A61B5/0059Measuring for diagnostic purposes; Identification of persons using light, e.g. diagnosis by transillumination, diascopy, fluorescence
    • A61B5/0071Measuring for diagnostic purposes; Identification of persons using light, e.g. diagnosis by transillumination, diascopy, fluorescence by measuring fluorescence emission
    • AHUMAN NECESSITIES
    • A61MEDICAL OR VETERINARY SCIENCE; HYGIENE
    • A61BDIAGNOSIS; SURGERY; IDENTIFICATION
    • A61B5/00Measuring for diagnostic purposes; Identification of persons
    • A61B5/145Measuring characteristics of blood in vivo, e.g. gas concentration or pH-value ; Measuring characteristics of body fluids or tissues, e.g. interstitial fluid or cerebral tissue
    • A61B5/14546Measuring characteristics of blood in vivo, e.g. gas concentration or pH-value ; Measuring characteristics of body fluids or tissues, e.g. interstitial fluid or cerebral tissue for measuring analytes not otherwise provided for, e.g. ions, cytochromes
    • AHUMAN NECESSITIES
    • A61MEDICAL OR VETERINARY SCIENCE; HYGIENE
    • A61BDIAGNOSIS; SURGERY; IDENTIFICATION
    • A61B5/00Measuring for diagnostic purposes; Identification of persons
    • A61B5/145Measuring characteristics of blood in vivo, e.g. gas concentration or pH-value ; Measuring characteristics of body fluids or tissues, e.g. interstitial fluid or cerebral tissue
    • A61B5/1455Measuring characteristics of blood in vivo, e.g. gas concentration or pH-value ; Measuring characteristics of body fluids or tissues, e.g. interstitial fluid or cerebral tissue using optical sensors, e.g. spectral photometrical oximeters
    • AHUMAN NECESSITIES
    • A61MEDICAL OR VETERINARY SCIENCE; HYGIENE
    • A61BDIAGNOSIS; SURGERY; IDENTIFICATION
    • A61B1/00Instruments for performing medical examinations of the interior of cavities or tubes of the body by visual or photographical inspection, e.g. endoscopes; Illuminating arrangements therefor
    • A61B1/00002Operational features of endoscopes
    • A61B1/0002Operational features of endoscopes provided with data storages
    • AHUMAN NECESSITIES
    • A61MEDICAL OR VETERINARY SCIENCE; HYGIENE
    • A61BDIAGNOSIS; SURGERY; IDENTIFICATION
    • A61B1/00Instruments for performing medical examinations of the interior of cavities or tubes of the body by visual or photographical inspection, e.g. endoscopes; Illuminating arrangements therefor
    • A61B1/06Instruments for performing medical examinations of the interior of cavities or tubes of the body by visual or photographical inspection, e.g. endoscopes; Illuminating arrangements therefor with illuminating arrangements
    • A61B1/0661Endoscope light sources
    • A61B1/0684Endoscope light sources using light emitting diodes [LED]

Definitions

  • the present invention relates to an object observation system and method for performing a plurality of observations such as normal observation using white light and light having a wavelength different from that in normal observation, for example, observation using special light for observing a specific object. About.
  • an object observation system such as an endoscope includes a light emitting device for irradiating the object with white light or the like.
  • a light emitting device there is currently a device that changes a light into a desired irradiation pattern or color by arranging a wavelength conversion member at the tip of an optical fiber and converting the wavelength of light output from a small solid light source by the wavelength conversion member.
  • Patent Document 1 discloses a light emitting device capable of emitting various colors by combining a pumping light source and a wavelength conversion member disposed at the tip of an optical fiber, and an endoscope device using the light emitting device.
  • Patent Document 1 a plurality of wavelength conversion members arranged at the tip are excited by an excitation light source, and white light generated by the excitation, that is, white light having a spectral component in a wide range of a visible light region, is emitted from an endoscope light source.
  • the normal light observation in the living body is realized by irradiating the living body with the white light.
  • Patent Document 1 when light having a different color from white light, that is, light having a different wavelength is emitted, it is realized by exciting a wavelength conversion member having different emission characteristics with an excitation light source.
  • Patent Document 1 when performing a plurality of observations such as normal light observation using white light and observation using a color different from white light, it is necessary to arrange a plurality of wavelength conversion members having different emission characteristics at the tip.
  • a plurality of light guide members for guiding excitation light from the excitation light source to the wavelength conversion member and a plurality of excitation light sources are necessary depending on the case, and it is difficult to reduce the size of the light emitting device or the like.
  • the present invention provides an object observation system and method that can be used for a plurality of observations such as normal light observation and special light observation, and that can achieve downsizing that can obtain an image in a desired wavelength band. Objective.
  • An object observation system includes a plurality of primary light sources, a wavelength conversion unit that wavelength-converts a plurality of primary lights having different wavelengths emitted from the plurality of primary light sources, When a plurality of illumination lights including light that has been wavelength-converted by the wavelength conversion unit is irradiated onto an observation target, an image acquisition unit that acquires an image of the irradiation region of the illumination light on the observation target by performing color separation using a plurality of color regions And a mode input unit capable of inputting a plurality of observation modes, and a special light observation mode for highlighting a specific observation target among the observation targets is input to the mode input unit.
  • a light source unit that sequentially lights up and sequentially irradiates the observation target with respect to the observation target from an opening at the same location, and the image acquisition unit is configured to irradiate the observation target with each of the plurality of illumination lights.
  • Multiple drawings Acquires generates a special light observation image of the observation target based on the plurality of images.
  • An object observation method wavelength-converts a plurality of primary lights having different wavelengths respectively emitted from a plurality of primary light sources, and observes a plurality of illumination lights including the wavelength-converted light.
  • the special light observation mode for irradiating the object obtaining an image of the irradiation area of the illumination light in the observation object by color separation using a plurality of color regions, and highlighting a specific observation object among the observation objects,
  • a plurality of primary light sources are sequentially turned on, and the illumination light is sequentially applied to the observation target from an opening at the same location, and a plurality of images are acquired each time the plurality of illumination lights are applied to the observation target.
  • the special light observation image of the observation target is generated based on the plurality of images.
  • an object observation system and method that can be used for a plurality of observations such as normal light observation and special light observation and that can realize downsizing that can obtain an image of a desired wavelength band.
  • FIG. 1 is a configuration diagram showing a first embodiment of an object observation system according to the present invention.
  • FIG. 2 is a schematic configuration diagram showing a wavelength conversion unit in the apparatus.
  • FIG. 3 is a diagram showing the excitation / fluorescence spectrum characteristics of the oxide phosphor forming the wavelength conversion member in the apparatus.
  • FIG. 4 is a diagram showing sensitivity wavelength characteristics of a CCD imager used for imaging means in the apparatus.
  • FIG. 5 is a diagram showing the spectral characteristics of the first illumination light emitted from the wavelength conversion unit in the apparatus.
  • FIG. 6 is a diagram showing the spectral characteristics of the second illumination light emitted from the wavelength conversion unit in the apparatus.
  • FIG. 7 is a diagram showing an absorption coefficient serving as an index of the absorption intensity of hemoglobin flowing in the blood vessel K in the biological tissue in the apparatus.
  • FIG. 8 is a diagram showing a portion corresponding to the second narrowband spectral element in which the light receiving sensitivity characteristic of the G pixel of the image pickup unit and the wavelength spectrum of yellow fluorescence overlap in the same apparatus.
  • FIG. 9 is a block diagram showing a wavelength conversion unit in the second embodiment of the subject observation system according to the present invention.
  • FIG. 10 is a diagram showing the absorption / fluorescence characteristics of the wavelength conversion member (green) in the apparatus.
  • FIG. 11 is a diagram showing the absorption / fluorescence characteristics of the wavelength conversion member (red) in the apparatus.
  • FIG. 12 is a block diagram showing a wavelength conversion unit in the third embodiment of the subject observation system according to the present invention.
  • the blue (B) region is a wavelength region of 380 nm to 500 nm.
  • the green (G) region is a wavelength region of 500 nm to 600 nm.
  • the red (R) region is a wavelength region of 600 nm to 720 nm.
  • the wavelengths at which the sensitivity of the blue pixel, the green pixel, and the red pixel of the imaging unit 30 are maximized are included in the blue region, the green region, and the red region, respectively.
  • FIG. 1 is a configuration diagram of a subject observation apparatus 1 including a light source device.
  • the subject observation apparatus 1 observes an observation target in a subject Q such as a living body, for example, hemoglobin flowing in the blood vessel K, for example.
  • the subject Q is, for example, a human body or the like, and is a biological tissue including blood vessels (including capillaries, deep blood vessels, etc.) K.
  • the subject observation apparatus 1 has a plurality of observation modes, for example, a normal light observation mode and a special light observation mode. In the normal light observation mode, observation is performed by irradiating the subject Q with white light. In the special light observation mode, a specific observation target among the observation targets is highlighted.
  • the subject observation apparatus 1 includes a light source device 2 that irradiates the subject Q with the first or second illumination light P1 or P2 as the illumination light P, an image acquisition device 3 that acquires image information of the subject Q, and a light source.
  • the system control part 4 which controls the apparatus 2 and the image acquisition apparatus 3 is included.
  • the light source device 2 includes a plurality of excitation light sources as a plurality of primary light sources and a wavelength conversion unit.
  • the plurality of excitation light sources output primary light having a plurality of different wavelengths.
  • the wavelength conversion unit receives the primary light output from the plurality of excitation light sources, converts the wavelength, and emits the illumination light P including the wavelength-converted light to the observation target.
  • the light source device 2 includes a plurality of excitation light sources (primary light sources) that emit a plurality of excitation lights each having a different spectrum.
  • the plurality of excitation light sources include, for example, a first laser diode 5 that is a semiconductor laser as a first excitation light source, and a second laser diode 6 that is a semiconductor laser as a second excitation light source.
  • the first laser diode 5 emits a blue-violet laser beam in a narrow band with a center wavelength (first spectrum) as an emission peak of 415 nm ( ⁇ 1) and a half-value width of several nm or less as a first primary light ( The first excitation light is emitted.
  • the second laser diode 6 has a second primary light (blue laser light having a narrow band with a center wavelength (second spectrum) of an emission peak of 445 nm ( ⁇ 2) and a half-value width of several nanometers or less.
  • the second excitation light is emitted.
  • Each laser beam (first and second excitation light) emitted from the first and second laser diodes 5 and 6 exists in the blue region.
  • the wavelengths ⁇ 1 and ⁇ 2 of the laser beams emitted from the laser diodes 5 and 6 are center values of 415 nm ( ⁇ 1) and 445 nm ( ⁇ 2), which are emission peaks, respectively, but are limited to these center wavelengths. However, there may be variations and individual differences as long as the operational effects of the present embodiment can be maintained.
  • the first and second laser diodes 5 and 6 are connected to the light source control unit 7 and are driven and controlled by the light source control unit 7. Details of drive control of the first and second laser diodes 5 and 6 by the light source controller 7 will be described later.
  • One incident end of the optical coupler 9 is optically connected to the first laser diode 5 through the first optical fiber 8.
  • the first optical fiber 8 guides the blue-violet laser light emitted from the first laser diode 5 to the optical coupler 9.
  • the other incident end of the optical coupler 9 is optically connected to the second laser diode 6 through the second optical fiber 10.
  • the second optical fiber 10 guides the blue laser light emitted from the second laser diode 6 to the optical coupler 9.
  • the output end of the optical coupler 9 is optically connected to the wavelength conversion unit 12 via the third optical fiber 11.
  • the optical coupler 9 emits blue-violet laser light guided by the first optical fiber 8 as first primary light (excitation light) or blue laser light guided by the second optical fiber 10. Is emitted as the second primary light, or the blue laser guided by the first primary light and the second optical fiber 10 which is blue-violet laser light guided by the first optical fiber 8
  • the light is emitted as primary light (mixed excitation light) mixed with second primary light that is light.
  • the third optical fiber 11 guides the primary light that is mixed and emitted by the optical coupler 9, that is, blue-violet laser light, blue laser light, or mixed excitation light, to the wavelength conversion unit 12.
  • the third optical fiber 11 irradiates the subject Q with blue-violet laser light, blue laser light, or mixed excitation light from the opening of the third optical fiber 11, that is, the opening at the same location.
  • a plurality of coupling lenses are provided between the first and second laser diodes 5 and 6 and the optical fibers 8 and 10. The plurality of coupling lenses converge the blue-violet laser light and the blue laser light emitted from the first and second laser diodes 5 and 6, respectively, and couple them to the optical fibers 8 and 10, respectively.
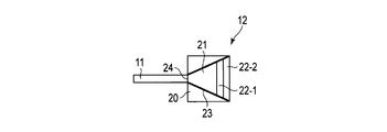
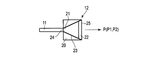
  • FIG. 2 is a schematic configuration diagram of the wavelength conversion unit 12.
  • the wavelength conversion unit 12 receives primary light emitted from the third optical fiber 11, that is, blue-violet laser light, blue laser light, or mixed excitation light, and first illumination light P according to these excitation lights. Alternatively, the second illumination lights P1 and P2 are irradiated. Specifically, the wavelength conversion unit 12 has low excitation intensity with respect to the blue-violet laser light ( ⁇ 1) as the primary light emitted from the third optical fiber 11, and does not emit fluorescence by wavelength conversion. ing.
  • the wavelength conversion unit 12 transmits the blue-violet laser light ( ⁇ 1) and emits the blue-violet laser light ( ⁇ 1) as illumination light (observation light) P, here the first illumination light P1.
  • the first illumination light P ⁇ b> 1 is composed of first primary light emitted from the first laser diode 5 as the first primary light source among the first or second laser diodes 5 and 6. Including at least one narrowband spectral element.
  • the first illumination light P1 has a low intensity of a wavelength in which the absorption intensity of the substance of the subject Q is relatively difficult to absorb in the first color area of the color area including the first narrowband spectral element.
  • the wavelength conversion unit 12 converts the wavelength of the blue laser light ( ⁇ 2) emitted from the third optical fiber 11 as the primary light, in this case, to yellow fluorescence ( ⁇ 3), and converts the fluorescence ( ⁇ 3) into Eject.
  • the wavelength conversion unit 12 mixes the wavelength-converted fluorescence ( ⁇ 3) and a part of the blue laser light ( ⁇ 2) that is transmitted without being wavelength-converted by the wavelength conversion unit 12, and converts the mixed light into illumination light.
  • (Observation light) P in this case, is emitted as second illumination light P2.
  • the second illumination light P2 is excited by the second primary light emitted from the second laser diode 6 as the second primary light source among the primary light sources and the second primary light.
  • generated by the 1st fluorescent substance (wavelength conversion member 22) is included.
  • the structure of the wavelength conversion unit 12 includes a holder 20, a light transmission member 21, a wavelength conversion member 22, a reflection member 23, an incident part 24, and an emission part 25.
  • the holder 20 holds the light transmission member 21 and the wavelength conversion member 22.
  • the holder 20 is provided with a light transmission member 21 on the connection side of the third optical fiber 11, that is, on the primary light incident side.
  • a wavelength conversion member 22 is provided on the emission side of the illumination light P of the holder 20.
  • On the light transmitting member 21 side of the holder 20, an incident portion 24 for entering primary light is formed on the wavelength conversion member 22 side of the holder 20, an emission part 25 for emitting the illumination light P that is the first or second illumination light P1, P2 is formed.
  • the inside of the holder 20 is formed in, for example, a conical tapered shape that is recessed in a concave shape.
  • a film-like reflecting member 23 is formed on the tapered inner peripheral surface.
  • the reflection member 23 regularly reflects or diffusely reflects laser light and fluorescence.
  • the light transmission member 21 transmits primary light (blue-violet laser light, blue laser light, mixed light) emitted from the emission end of the third optical fiber 11 and fluorescence converted in wavelength by the wavelength conversion member 22. .
  • the light transmitting member 21 is formed of a member such as glass or silicone resin having high transmittance.
  • the wavelength converting member 22 absorbs primary blue laser light (center wavelength 445 nm: second excitation light: ⁇ 2) emitted from the second laser diode 6 and emits yellow fluorescence ( ⁇ 3).
  • an oxide phosphor (YAG, TAG) having a Ce (cerium) activated garnet crystal structure is used as the wavelength conversion member 22.
  • Oxide phosphors (YAG, TAG) are materials that can emit yellow fluorescence by absorbing blue laser light in a wavelength region of 430 nm to 470 nm.
  • the oxide phosphor (YAG, TAG) can be used in combination with blue laser light having a peak in the wavelength region of 430 nm to 470 nm.
  • the wavelength conversion member 22 has a low excitation intensity with respect to blue-violet laser light (center wavelength 415 nm: first excitation light: ⁇ 1) emitted from the first laser diode 5 and is not excited.
  • FIG. 3 shows the excitation / fluorescence spectral characteristics of the oxide phosphor forming the wavelength conversion member 22.
  • the excitation region of the excitation spectrum is defined as a region where the excitation intensity is half or more of the peak value.
  • the visible light region is a wavelength region of 380 nm to 780 nm.
  • the absorption region of the oxide phosphor in the visible light region in the wavelength region of 380 nm to 780 nm is approximately the wavelength region of 420 nm to 520 nm.
  • the yellow fluorescence spectrum (first fluorescence) has a broad spectrum having a fluorescence peak at a central wavelength of 575 nm ( ⁇ 3) and a half width of 95 nm.
  • the waveform of the fluorescence spectrum has a characteristic that the long wavelength side is gentler than the short wavelength side with respect to the fluorescence peak wavelength.
  • the oxide phosphor is not excited because the excitation intensity is low with respect to blue-violet laser light (first excitation light) having a central wavelength of 415 nm ( ⁇ 1), which is the primary light emitted from the first laser diode 5. .
  • the oxide phosphor has an excitation intensity of about 3 minutes with respect to the intensity of blue laser light (second excitation light) having a wavelength of 445 nm ( ⁇ 2), which is the primary light emitted from the second laser diode 6. If it is 1 or less, it can be regarded as not excited.
  • the wavelength conversion member 22 is formed by dispersing a powdery phosphor in a sealing material such as silicone resin or glass and solidifying the sealing material.
  • the thickness of the wavelength conversion member 22 and the concentration condition of the powdered phosphor mixed with the sealing material are determined from the third optical fiber 11 in consideration of the excitation light absorptivity and wavelength conversion efficiency characteristics of the phosphor.
  • Blue laser light incident as light, that is, part of blue laser light (center wavelength 445 nm: second excitation light: ⁇ 2) emitted from the second laser diode 6 is a desired wavelength, here yellow fluorescence ( ⁇ 3) Set to convert to.
  • the wavelength conversion member 22 is a blue-violet laser light (first excitation light) or blue laser light (second excitation light) that is incident from the third optical fiber 11 connected to the incident portion 24 of the holder 20. ) On the optical path axis.
  • the wavelength conversion member 22 is formed in a cylindrical shape, for example.
  • the wavelength conversion member 22 is installed in the vicinity of the optical axes of the first and second excitation lights from the third fiber 11.
  • the system control unit 4 is connected to an input unit (mode instruction unit) 13.
  • the input unit 13 sends, to the system control unit 4, observation mode information M indicating whether observation is performed in, for example, one of a normal light observation mode and a special light observation mode as a plurality of observation modes.
  • the input unit 13 inputs, for example, observation mode information M in response to a manual operation by an operator or the like, or inputs observation mode information M from an external computer.
  • the image acquisition device 3 separates the image of the irradiation region S of the subject Q, which is the observation target irradiated with the illumination light P by the light source device 2, into a plurality of color regions, and acquires an image.
  • the image acquisition device 3 captures reflected light from the subject Q and acquires an image of the subject Q, for example, a normal light observation image in the normal light observation mode or a special light observation image in the special light observation mode.
  • the image acquisition device 3 includes an imaging unit 30, an image processing unit 31, and an image display unit 35.
  • the imaging unit 30 is controlled by an imaging control signal PC output from the system control unit 4.
  • the imaging unit 30 captures the reflected light F from the irradiation region S of the subject Q of the illumination light P emitted from the light source device 2 and outputs a pixel signal for each BGR pixel.
  • the imaging unit 30 is configured by an imaging device such as a CCD imager or a CMOS imager using an imaging element such as a CCD.
  • FIG. 4 shows sensitivity wavelength characteristics of a general CCD imager.
  • the CCD imager has a B pixel having a sensitivity peak at a wavelength of 460 nm ( ⁇ b) in the blue region, a G pixel having a sensitivity peak at a wavelength of 540 nm ( ⁇ g) in the green region, and a wavelength of 630 nm ( ⁇ r) in the red region.
  • R pixels having a sensitivity peak are included.
  • the sensitivity region of the B pixel exists up to a wavelength of 540 nm on the long wavelength side.
  • the sensitivity region of the R pixel exists up to a wavelength of 540 nm on the short wavelength side.
  • the B pixel and the G pixel, and the G pixel and the R pixel include a wavelength region in which the sensitivity overlaps in the adjacent wavelength region.
  • the light reception sensitivity characteristic of the B pixel with respect to the wavelength ⁇ is defined as b ( ⁇ )
  • the light reception sensitivity characteristic of the G pixel is defined as g ( ⁇ )
  • the light reception sensitivity characteristic of the R pixel is defined as r ( ⁇ ).
  • the image processing unit 31 performs image processing on each pixel signal output from the imaging unit 30 for each of the B pixel, the G pixel, and the R pixel, and acquires a normal light observation image and a special light observation image of the subject Q.
  • the image processing unit 31 includes a first frame memory 32, a second frame memory 33, and a calculator 34.
  • the image acquisition unit 31 acquires a special light observation image based on the plurality of illumination lights output from the light source device 2 and the wavelength characteristics of the color region included in the image acquisition unit 31. To do.
  • the special light observation image includes, for example, narrow band spectral element information by overlapping the wavelength characteristics of the first and second illumination lights P1 and P2 as the plurality of illumination lights and the wavelength characteristics of the color region of the image acquisition unit 31. Is generated by combining the information of the narrowband spectral elements with a plurality of reflection images acquired for each irradiation of the first and second illumination lights P1 and P2.
  • the image acquisition unit 31 acquires information on the first narrowband spectral element from the reflected image of each first imaging frame acquired every time the subject Q is irradiated with the first illumination light P1 from the light source device 2.
  • the second narrowband spectral element information is obtained from the reflected image of each second imaging frame obtained each time the subject Q is irradiated with the second illumination light P2 from the light source device 2,
  • the special light observation image is constructed by combining the information of the first narrowband spectral element and the information of the second narrowband spectral element.
  • the first narrowband spectral element and the second narrowband spectral element each include a wavelength having a high absorption intensity of the subject Q and belong to different absorption peaks.
  • the first and second frame memories 32 and 33 sequentially capture each pixel signal for each of the B pixel, G pixel, and R pixel output from the imaging unit 30, and store them as a reflected light image for each frame. Storage of the reflected light image for each frame in the first and second frame memories 32 and 33 is controlled by a storage frame signal FM output from the system control unit 4.
  • the computing unit 34 reads each reflected light image stored in each of the first frame memory 32 and the second frame memory 33, performs an operation on each reflected light image, and displays the image on the image display unit 35.
  • Information for example, a normal light observation image or a special light observation image is generated.
  • the image display unit 35 displays the normal light observation image and the special light observation image acquired by the image processing of the image processing unit 31.
  • the image display unit 35 includes, for example, a CRT or a liquid crystal display.
  • the system control unit 4 sends a light source control signal LC to the light source control unit 7 according to the contents of the observation mode information M.
  • the imaging control signal PC is sent to the imaging unit 30 and the storage frame signal FM is sent to the image processing device 31.
  • the system control unit 4 sends a light source control signal LC to the light source control unit 7 so as to turn on the second laser diode 6.
  • the system control unit 4 sends to the imaging unit 30 an imaging control signal PC for repeating the exposure processing in the imaging unit 30 and the transmission of each pixel signal for each BGR pixel obtained by the exposure processing.
  • the system control unit 4 sends to the image processing device 31 a storage frame signal FM indicating a storage destination for storing the reflected light image for each frame obtained by imaging by the imaging unit 30 in the second frame memory 33.
  • the image processing unit 31 displays the reflected light image for each frame obtained by the imaging of the imaging unit 30 when the second laser diode 6 is turned on, in the second frame memory 33. Save to.
  • the computing unit 34 reads the reflected light image stored in the second frame memory 33, calculates the reflected light image, and generates a normal light observation image of the subject Q when the subject Q is irradiated with white light. Then, the normal light observation image is displayed on the image display unit 35.
  • the system control unit 4 sequentially turns on a plurality of primary light sources in the light source device 2, that is, the first and second laser diodes 5 and 6, thereby primary light having a plurality of wavelengths. Are sequentially irradiated onto the subject Q, which is the observation target.
  • the system control unit 4 sends a light source control signal LC to the light source control unit 7 so that the first and second laser diodes 5 and 6 are alternately turned on.
  • the system control unit 4 sends to the imaging unit 30 an imaging control signal PC for repeating the exposure process and the transmission of each pixel signal for each BGR pixel to the imaging unit 30 as described above.
  • the system control unit 4 generates an image of a storage frame signal FM indicating a storage destination for alternately storing the reflected light image for each frame obtained by the imaging of the imaging unit 30 in the first and second frame memories 32 and 33. It is sent to the processing device 31.
  • the image processing unit 31 turns on the first and second laser diodes 4 and 5 alternately.
  • the reflected light image obtained by the image pickup of the image pickup unit 30 is stored in the first and second frame memories 32 and 33 alternately and sequentially alternately for each frame.
  • the reflected light image is stored as information including information of the first narrowband spectral element.
  • the reflected light image is stored as information including information on the second narrowband spectral element.
  • the calculator 34 reads the reflected light images stored in both the first and second frame memories 32 and 33, calculates each reflected light image to generate a special light observation image, and the special light observation image. Is displayed on the image display unit 35.
  • the reflected light image obtained by imaging by the imaging unit 30 is alternately and sequentially stored in the first frame memory 32 and the second frame memory 33 for each frame.
  • the imaging unit 30 causes the first frame memory 32 to be in the period of the exposure process performed immediately before.
  • a reflected light image to be stored is generated.
  • the reflected light image is stored in the first frame memory 32.
  • the imaging unit 30 when the storage frame signal FM indicates the second frame memory 33 as a storage destination, the imaging unit 30 generates a reflected light image to be stored in the second frame memory 33 during the exposure process performed immediately before. Is done. Immediately after the exposure processing, the reflected light image is stored in the second frame memory 33.
  • the image processing unit 31 stores the reflected light image for each frame in the first frame memory 32 or the second frame memory 33 according to the storage frame signal FM transmitted from the system control unit 4 as described above.
  • the image processing unit 31 is not limited to this, and the observation mode information M indicating the normal light observation mode or the special light observation mode from the input unit 13 is directly input, and the reflected light image is input to the first frame memory 32 or the second frame. You may make it preserve
  • FIG. For example, when the observation mode information M indicating the normal light observation mode is input, the image processing unit 31 displays a reflected light image for each frame obtained by imaging of the imaging unit 30 when the second laser diode 6 is turned on. Saved in the second frame memory 33.
  • the image processing unit 31 reflects the reflected light obtained by imaging of the imaging unit 30 when the first and second laser diodes 4 and 5 are alternately lit.
  • the image is repeatedly and alternately stored in the first frame memory 32 and the second frame memory 33 for each frame.
  • the storage location of the reflected light image is determined by the image processing unit 31 as to whether the exposure process has been performed during the period when either the first or second laser diode 4 or 5 is lit, and according to the determination result. In this case, it is only necessary to determine whether to store in the first or second frame memory 32, 33.
  • the image processing unit 31 acquires a plurality of reflected light images each time a plurality of illumination lights are irradiated onto the subject Q that is an observation target, and the first frame memory 32 and the second frame image for each frame.
  • the frame memory 33 is alternately and repeatedly stored, and a special light observation image of the subject Q is generated based on each reflected light image.
  • the image processing unit 31 has a white balance coefficient that determines color information when generating an image in the normal light observation mode and when generating an image in the special light observation mode.
  • the white balance coefficient is, for example, a light emission intensity characteristic P ( ⁇ ) with respect to the wavelength ⁇ of the illumination light P and a light receiving sensitivity characteristic b ( ⁇ ), g ( ⁇ ), r ( ⁇ ) of the CCD as the image pickup device of the image pickup unit 30
  • the reflection characteristic is set using a white plate that is substantially flat in the visible light region.
  • the color components B, G, and R obtained by multiplying the emission intensity characteristic P ( ⁇ ) of the illumination light P and the light receiving sensitivity characteristics b ( ⁇ ), g ( ⁇ ), and r ( ⁇ ) of the CCD are as follows. Calculated.
  • the white balance coefficient Wb of the color component B with respect to the color component G is B / G
  • the white of the color component R with respect to the color component G The balance coefficient Wr is R / G.
  • the white balance coefficients Wb and Wr are, for example, 1 A range of / 3 to 3 is preferable.
  • the ratio of the color component in the illumination light P the light quantity of R color having a wavelength of 600 nm or more at which the R pixel has the maximum sensitivity is compared with the wavelength range in which the G pixel has the maximum sensitivity, for example, the light quantity of 525 nm to 555 nm. It is preferable that there is 1/3 or more.
  • the light source control unit 7 receives the light source control signal LC output from the system control unit 4 and controls the lighting of the first or second laser diode 5 or 6 according to the light source control signal LC. For example, in the normal light observation mode, the system control unit 4 sends a light source control signal LC for turning on the second laser diode 6, so that the light source control unit 7 drives the second laser diode 6 to turn on. . On the other hand, in the special light observation mode, the system control unit 4 sends the light source control signal LC so as to turn on the first and second laser diodes 5 and 6 alternately. The first and second laser diodes 5 and 6 are driven to turn on alternately.
  • the light source controller 7 controls the drive currents and drive methods of the first and second laser diodes 5 and 6, for example, pulse drive, continuous drive (CW), and the like to control the first and second laser diodes 5. , 6 are lit.
  • observation mode information M When an observation mode in the normal light observation mode is input to the input unit 13 from a manual operation such as an operator or an external computer, the input unit 13 sends observation mode information M indicating the normal light observation mode to the system control unit 4.
  • the system control unit 4 sends a light source control signal LC for turning on the second laser diode 6 to the light source control unit 7.
  • the system control unit 4 sends to the imaging unit 30 an imaging control signal PC for repeating the exposure process in the imaging unit 30 and the transmission of each pixel signal for each BGR pixel obtained by the exposure process.
  • the system control unit 4 sends to the image processing device 31 a storage frame signal FM indicating a storage destination for storing the reflected light image for each frame obtained by imaging by the imaging unit 30 in the second frame memory 33.
  • the light source control unit 7 When the light source control unit 7 inputs the light source control signal LC for lighting the second laser diode 6, the light source control unit 7 drives the second laser diode 6 to light according to the light source control signal LC.
  • the second laser diode 6 emits primary light (first excitation light) that is blue laser light having a central wavelength of 445 nm ( ⁇ 2).
  • the blue laser light is guided to the second optical fiber 10, the optical coupler 9, and the third optical fiber 11 and enters the wavelength conversion unit 12.
  • the wavelength conversion unit 12 converts the wavelength of a part of the incident blue laser light into yellow fluorescence ( ⁇ 3) by the phosphor that is the wavelength conversion member 22. At the same time, the wavelength conversion unit 12 transmits blue laser light that is not absorbed by the phosphor and is not wavelength-converted to yellow fluorescence. Thereby, the wavelength conversion unit 12 emits the yellow fluorescent light and the blue laser light whose wavelengths have been converted from the emission end as illumination light P (second illumination light P2).
  • the second illumination light P2 is applied to the subject Q, and an irradiation region S is formed on the subject Q.
  • the second illumination light P2 emitted from the wavelength conversion unit 12 has a predetermined light distribution angle.
  • the size of the irradiation region S of the second illumination light P2 irradiated on the subject Q is formed by the relationship between the light distribution angle and the distance between the emission end of the wavelength conversion unit 12 and the subject Q.
  • the irradiation region S is a region having a size including at least the range imaged by the imaging unit 30, and is preferably wider than the imaging range of the imaging unit 30.
  • the second illumination light P2 in the normal light observation mode is white light.
  • a continuous flat spectral component from the green to the red wavelength region is effective.
  • FIG. 5 shows the spectral characteristic P ( ⁇ ) of the second illumination light P2.
  • a spectrum component in each color region of BGR is defined as a region where a light intensity greater than, for example, 1/20 of the maximum light intensity in each color region of BGR exists. On the other hand, it is assumed that the light intensity that is 1/20 or less of the maximum light intensity has no spectral component.
  • the second illumination light P2 emitted from the wavelength conversion unit 12 is a mixture of a narrow-band blue laser beam having a peak at a central wavelength of 445 nm ( ⁇ 1) and yellow fluorescence having a peak near the central wavelength of 565 nm ( ⁇ 3).
  • the mixed light is set to a component ratio of blue laser light and yellow fluorescence that is in the vicinity of white light.
  • the maximum intensity in the wavelength region of 450 nm to 480 nm between the blue laser light and the yellow fluorescence is less than 1/20 of the intensity of the peak wavelength ( ⁇ 1) of the blue laser light. .
  • the amount of light in the wavelength region 450 nm to 480 nm is one-twentieth or less of the amount of light in the wavelength region 400 nm to 440 nm.
  • the ratio of the amount of light in the blue region, green region, and red region of the second illumination light P2 is approximately 5 (blue): 3 (green): 2 (red).
  • the difference between the wavelength ⁇ 2 (blue laser light) and the wavelength ⁇ 3 (yellow fluorescence) is approximately 150 nm.
  • the wavelength difference between the full width at half maximum of blue laser light and the full width at half maximum of yellow fluorescence is approximately 80 nm.
  • the imaging unit 30 captures the reflected light F from the irradiation region S of the subject Q irradiated with the second illumination light P2, and outputs a pixel signal for each BGR pixel.
  • the image processing unit 31 sets a storage destination for storing the reflected light image for each frame output from the system control unit 4 in the second frame memory 33.
  • each pixel signal of BGR acquired by imaging of the imaging unit 30 is input, a reflected light image is generated for each frame based on each pixel signal level of BGR, and the reflected light for each frame The image is stored in the second frame memory 33.
  • the calculator 34 of the image processing unit 31 calculates a reflected light image stored in the second frame memory 33 to generate a normal light observation image of the subject Q when the subject Q is irradiated with white light,
  • the normal light observation image is displayed on an image display unit 35 such as a CRT or a liquid crystal display.
  • the computing unit 34 performs predetermined image processing, such as white balance, noise reduction, structure enhancement, and gamma correction, on the received light signals of the respective BGR pixels stored in the second frame memory 33. Processing is performed to generate a normal light observation image.
  • the normal light observation image is generated using all spectral components included in the second illumination light P2.
  • the input unit 13 sends observation mode information M indicating the special light observation mode to the system control unit 4.
  • the system control unit 4 sends a light source control signal LC to the light source control unit 7 so that the first and second laser diodes 5 and 6 are alternately turned on.
  • the light source control signal LC includes information for distinguishing whether the first or second laser diode 5 or 6 is turned on.
  • the system control unit 4 alternately sends, for example, a light source control signal LC for lighting the first laser diode 5 and a light source control signal LC for lighting the second laser diode 6.
  • the system control unit 4 sends to the imaging unit 30 an imaging control signal PC for repeating the exposure processing and the transmission of each pixel signal for each BGR pixel to the imaging unit 30 as described above.
  • the system control unit 4 generates an image of a storage frame signal FM indicating a storage destination for alternately storing the reflected light image for each frame obtained by the imaging of the imaging unit 30 in the first and second frame memories 32 and 33. It is sent to the processing device 31.
  • the system control unit 4 alternately sends a light source control signal LC for turning on the first laser diode 5 and a light source control signal LC for turning on the second laser diode 6.
  • a light source control signal LC for turning on the first laser diode 5 sent from the system control unit 4 and a light source control signal LC for turning on the second laser diode 6 are alternately input to the light source control unit 7.
  • the first and second laser diodes 5 and 6 are driven to turn on and off alternately.
  • the first laser diode 5 When the first laser diode 5 is turned on, the first laser diode 5 emits a blue-violet laser beam in a narrow band with a center wavelength of 415 nm ( ⁇ 1) as a light emission peak and a half-value width of several nm or less as primary light. Inject as.
  • the blue-violet laser light is guided to the second optical fiber 10, the optical coupler 9, and the third optical fiber 11 and enters the wavelength conversion unit 12.
  • the wavelength conversion member 22 has a low excitation intensity with respect to the blue-violet laser light (center wavelength 415 nm: ⁇ 1) emitted from the first laser diode 5 and is not excited. Therefore, the wavelength conversion unit 12 transmits the blue-violet laser beam ( ⁇ 1) and emits the blue-violet laser beam ( ⁇ 1) as illumination light P (first illumination light P1).
  • FIG. 6 shows the spectral characteristic P ( ⁇ 1) of the first illumination light P1.
  • the light intensity of the yellow fluorescent light emitted when the wavelength conversion member 22 is irradiated with the first illumination light P1 is 1/20 of the maximum light intensity of the blue-violet laser light (center wavelength 415 nm: ⁇ 1). It is as follows. As described above, the wavelength conversion member 22 has a low excitation intensity with respect to the blue-violet laser light emitted from the first laser diode 5 and is not excited.
  • the imaging unit 30 captures the reflected light F from the irradiation region S of the subject Q irradiated with the first illumination light P1, and outputs a pixel signal for each BGR pixel.
  • the image processing unit 31 outputs the reflected light image for each frame output from the system control unit 4 at the lighting timing.
  • Each BGR pixel signal acquired by imaging by the imaging unit 30 is input in accordance with a storage frame signal FM indicating a storage destination for storage in the frame memory 32.
  • the image processing unit 31 generates a reflected light image of one frame based on each BGR pixel signal level, and stores the reflected light image of the frame in the first frame memory 32.
  • the second laser diode 6 when the second laser diode 6 is turned on, the second laser diode 6 emits blue laser light having a center wavelength of 445 nm ( ⁇ 2) as described above.
  • the blue laser light is guided to the second optical fiber 10, the optical coupler 9, and the third optical fiber 11 and enters the wavelength conversion unit 12.
  • the wavelength conversion unit 12 wavelength-converts a part of the incident blue laser light into yellow fluorescence ( ⁇ 3) by the phosphor that is the wavelength conversion member 22.
  • the wavelength conversion unit 12 transmits blue laser light that is not absorbed by the phosphor and is not wavelength-converted to yellow fluorescence. Thereby, the wavelength conversion unit 12 emits yellow fluorescent light and blue laser light as the second illumination light P2.
  • the second illumination light P2 is applied to the subject Q, and an irradiation region S is formed on the subject Q.
  • the imaging unit 30 captures the reflected light F from the irradiation region S of the subject Q irradiated with the second illumination light P2, and outputs a pixel signal for each BGR pixel.
  • the image processing unit 31 When the second laser diode 6 is turned on in the special light observation mode, the image processing unit 31 outputs the reflected light image for each frame output from the system control unit 4 at the lighting timing.
  • Each BGR pixel signal acquired by imaging by the imaging unit 30 is input in accordance with a storage frame signal FM indicating a storage destination for storage in the frame memory 33.
  • the image processing unit 31 generates a reflected light image for each frame based on each BGR pixel signal level, and stores the reflected light image in the second frame memory 33 for each frame.
  • the first and second laser diodes 4 and 5 are alternately and repeatedly turned on. Therefore, when the first laser diode 5 is turned on, the reflected light image of the subject Q is It is stored in the first frame memory 32.
  • the second laser diode 6 is turned on, the reflected light image of the subject Q is stored in the second frame memory 33. That is, when the first laser diode 5 is turned on, the reflected light image generated during the exposure period of the imaging unit 30 at the lighting timing is stored in the first frame memory 32.
  • the second laser diode 6 is turned on, the reflected light image generated during the exposure period of the imaging unit 30 at the lighting timing is stored in the second frame memory 33.
  • FIG. 7 shows an absorption coefficient serving as an index of the absorption intensity of hemoglobin flowing into the blood vessel K in the living tissue.
  • hemoglobin In the visible light region in the wavelength region of 380 nm to 780 nm, hemoglobin has absorption intensity peaks at different wavelengths near the wavelength 415 nm ( ⁇ h1) and near the wavelength 540 nm ( ⁇ h2). It has the property that the absorption intensity near the wavelength of 415 nm ( ⁇ h1) is the largest.
  • NBI observation which is special light observation for an endoscope or the like, is light having two wavelengths including a wavelength region of about 415 nm ( ⁇ h1) and a wavelength of about 540 nm ( ⁇ h2), for example, a wavelength region of about 400 nm to 440 nm.
  • Light and light having a wavelength region of approximately 525 nm to 555 nm are used as illumination light P (observation light).
  • NBI observation is based on observing the blood vessel K and the like with good contrast by utilizing the depth of light that the light of the wavelength penetrates from the surface of the living tissue and the scattering characteristics of the light of each wavelength. This is a technique (special light observation) that facilitates the discovery of cancer and the like.
  • the first illumination light P1 in the present embodiment uses blue-violet laser light having a center wavelength of 415 nm ( ⁇ 1) as primary light, and this blue-violet laser light is absorbed and scattered by a relatively surface layer portion of a living tissue. This is effective for observing a blood vessel K in the vicinity of the surface of the living tissue as the specimen Q.
  • the second illumination light P2 includes a component that becomes white light by blue laser light having a central wavelength of 445 nm ( ⁇ 2) and yellow fluorescence ( ⁇ 3) having a peak near the wavelength of 565 nm. Yellow fluorescence has a broad spectrum and includes light having a wavelength near 540 nm.
  • the peak wavelength ⁇ 3 of the yellow fluorescent component is present in the wavelength band of the absorption coefficient which is equal to or greater than half the absorption coefficient of the absorption peak wavelength of 540 nm of hemoglobin in the green region. Since the rate of absorption by observation of the blood vessel K increases and the sensitivity of the G pixel increases, an image with high contrast can be obtained.
  • the absorption characteristics of hemoglobin show a tendency that the absorption intensity decreases rapidly as it goes from the wavelength near 415 nm ( ⁇ h1) to the longer wavelength side.
  • the absorption intensity decreases to approximately 1/5 at a wavelength difference of 35 nm.
  • the living tissue in the subject Q often shows red from skin color.
  • the absorption characteristics of the living tissue in the subject Q gradually decrease in the absorption coefficient from the blue region to the red region, and the absorption of hemoglobin near the wavelength 415 nm ( ⁇ h1) of the blue region.
  • the blue laser light having a central wavelength of 445 nm ( ⁇ 2) included in the second illumination light P2 as the observation light has a light amount of the blue region in which hemoglobin is absorbed by the living tissue. It is necessary to increase the proportion.
  • the first light quantity in the vicinity of a wavelength of 415 nm ( ⁇ h1) where the absorption coefficient of hemoglobin is larger than the absorption coefficient of the living tissue is used, and the first light quantity near the wavelength of 450 nm where the absorption coefficient of hemoglobin is smaller than the absorption coefficient of the living tissue.
  • the amount of light should be greater than 2.
  • the B pixel of the CCD of the imaging unit 30 used for image acquisition is approximately twice as high in sensitivity near the wavelength 450 nm as near the wavelength 415 nm ( ⁇ 1) where the absorption coefficient of hemoglobin is larger than the absorption coefficient of living tissue. . Therefore, if the light amount in the wavelength region 450 nm to 480 nm, which is the blue region from the wavelength 450 nm to the long wavelength side, is about a half of the light amount in the wavelength region 400 nm to 440 nm in the vicinity of the wavelength 415 nm, as described above, B The sensitivity of the pixel is about twice as high.
  • the amount of light in the wavelength region 450 nm to 480 nm is larger than the amount of light in the wavelength 415 nm ( ⁇ 1).
  • the amount of light in the wavelength region of 450 nm to 480 nm affects image noise when increasing the contrast. That is, when observing a blood vessel K (having hemoglobin flowing) in the vicinity of the surface of the subject Q, it is affected by image noise generated by absorption by a living tissue.
  • the light amount in the wavelength region of 450 nm to 480 nm is set to 1/10 or less of the light amount in the wavelength region 400 nm to 440 nm, an image with high contrast can be obtained in addition to image noise reduction.
  • the first illumination light P1 and the second illumination light P2 are respectively in the irradiation region S on the subject Q.
  • a part is absorbed by the absorption characteristics of a certain blood vessel K or living tissue, and the remaining part is scattered and reflected, and received by the B pixel, G pixel, and R pixel of the imaging unit 30.
  • the light receiving sensitivity characteristic of the B pixel exists in the wavelength region of 380 nm to 540 nm.
  • the reflected light F received by the B pixel when irradiated with the second illumination light P2 corresponds to a short wavelength region portion of blue laser light ( ⁇ 2) and yellow fluorescence ( ⁇ 3) as the second primary light.
  • the component received by the B pixel is mainly blue laser light.
  • the blue laser light ( ⁇ 2) which is the primary light included in the second illumination light P2, causes image noise in the special light observation.
  • the reflected light F received by the B pixel when irradiated with the first illumination light P1 is blue-violet laser light ( ⁇ 1) which is primary light.
  • the component received by the B pixel is blue-violet laser light.
  • the blue-violet laser beam ( ⁇ 1) has an intensity near the wavelength 415 nm ( ⁇ h1), which is the first absorption peak of hemoglobin, and is absorbed and scattered at a relatively surface layer portion of the living tissue.
  • the reflected light image for each frame acquired by irradiating the first illumination light P1 and stored in the first frame memory 32 relates to the state of the blood vessel K near the surface of the tissue as B pixel information. Information is stored.
  • the primary light that is, the blue laser light ( ⁇ 2) included in the second illumination light P2 is reflected as B pixel information.
  • the information of the light F is not included, and the influence of noise generated by absorption of blue laser light by a living tissue other than hemoglobin can be reduced.
  • FIG. 8 shows a portion M corresponding to the second narrowband spectral element in which the light receiving sensitivity characteristic of the G pixel and the wavelength spectrum of yellow fluorescence ( ⁇ 3) overlap.
  • the light receiving sensitivity characteristic of the G pixel exists in the wavelength region of 460 nm to 640 nm.
  • the reflected light F received by the G pixel when irradiated with the second illumination light P2 corresponds to a wavelength region near the intensity peak of yellow fluorescence ( ⁇ 3).
  • a portion M where the light receiving sensitivity characteristic of the G pixel and the wavelength spectrum of yellow fluorescence ( ⁇ 3) overlap is taken into the G pixel.
  • the short wavelength end of the intensity spectrum of yellow fluorescence ( ⁇ 3) having a peak near the wavelength of 565 nm is sandwiched between the light receiving sensitivity characteristics of the G pixel.
  • a portion M where the light receiving sensitivity characteristic of the G pixel and the wavelength spectrum of yellow fluorescence ( ⁇ 3) overlap each other has a narrower characteristic than the wavelength spectrum of each, and corresponds to a second narrowband spectral element.
  • the portion M of the second narrowband spectral element has an intensity near a wavelength of 540 nm ( ⁇ h2), which is the second absorption peak of hemoglobin.
  • the portion M of the second narrowband spectral element is under the skin, while the light of the wavelength is scattered to some extent when irradiated on the living tissue as described above, but proceeds deeper than the light of the wavelength of 415 nm ( ⁇ h1). Since it is absorbed and scattered by the blood vessel K and the like, it is effective for observing the blood vessel K in the subcutaneous tissue.
  • the G pixel does not receive the reflected light F because it has no intensity in the wavelength region having the light receiving sensitivity of the G pixel.
  • the long wavelength boundary value of the G pixel exists between the short wavelength boundary value and the long wavelength boundary value of the yellow fluorescence ( ⁇ 3), and the short wavelength boundary value of the G pixel is shorter than the short wavelength boundary value of the yellow fluorescence ( ⁇ 3). It exists in the wavelength. Not limited to this, the short wavelength boundary value of the G pixel exists between the short wavelength boundary value and the long wavelength boundary value of the yellow fluorescence ( ⁇ 3), and the long wavelength boundary value of the G pixel is greater than the long wavelength boundary value of the yellow fluorescence. May also exist at longer wavelengths.
  • the light receiving sensitivity characteristic of the R pixel exists in the wavelength region of 540 nm to 720 nm.
  • the long wavelength region of the yellow fluorescence ( ⁇ 3) of the second illumination light P2 also includes a red region component having a wavelength of 580 nm or more. Accordingly, the R pixel mainly receives the red region component of the second illumination light P2.
  • the R pixel irradiates the first illumination light P1
  • the R pixel does not receive the reflected light F because it does not have the light receiving sensitivity with respect to the wavelength region included in the first illumination light P1.
  • Each pixel signal of BGR received by the CCD of the imaging unit 30 is transmitted to the image processing unit 31.
  • the image processing unit 31 responds each time the subject Q is irradiated with the first illumination light P1 according to the storage frame signal FM output from the system control unit 4.
  • a reflected light image is generated for each frame to be stored in the first frame memory 32, and a reflected light image is generated for each corresponding frame every time the subject Q is irradiated with the second illumination light P2.
  • the storage frame signal FM indicates a storage destination for sequentially storing the reflected light image for each frame in the first and second frame memories 32 and 33 alternately.
  • the first and second illumination lights P1 and P2 are alternately turned on sequentially.
  • the image processing unit 31 outputs a pixel signal output from the B pixel of the imaging unit 30 every time the subject Q is irradiated with the first illumination light P1 of the blue-violet laser light ( ⁇ 1). Is stored in the first frame memory 32.
  • the image processing unit 31 outputs a pixel signal output from the G pixel of the imaging unit 30 to the second frame memory 33 every time the subject Q is irradiated with the second illumination light P2 of the narrow-band blue laser light ( ⁇ 2). Save to.
  • the image processing unit 31 reads the pixel signal of the B pixel stored in the first frame memory 32 and also reads the pixel signal of the G pixel stored in the second frame memory 33, and the pixel signal of the B pixel and the G signal
  • the pixel signal of the pixel is sent to the calculator 34.
  • the computing unit 34 assigns the pixel signal of the B pixel read from the first frame memory 32 to the B pixel and the G pixel of the image information for sending to the image display unit 35, and reads out from the second frame memory 33.
  • the pixel signal of the G pixel is assigned to the R pixel of the image information for sending to the image display unit 35, and a special light observation image is generated based on predetermined image processing.
  • the special light observation image is generated using a blue region included in the first illumination light P1 and a green region included in the second illumination light P2 among the components included in the illumination light P.
  • the calculator 34 sends the generated special light observation image to the image display unit 35.
  • the image display unit 35 displays the special light observation image on, for example, a CRT or a liquid crystal display.
  • the second laser diode 6 in the normal light observation mode, when the second laser diode 6 is turned on, the reflected light image for each frame obtained by imaging by the imaging unit 30 is displayed.
  • the image is stored in the second frame memory 33, and the stored reflected light image is calculated to generate a normal light observation image of the subject Q when the subject Q is irradiated with white light.
  • the special light observation mode the first and second laser diodes 5 and 6 are alternately turned on, and the reflected light images for each frame obtained by the imaging of the imaging unit 30 are displayed as the first and second reflected light images.
  • the images are alternately stored in the frame memories 32 and 33, the reflected light images stored in both the first and second frame memories 32 and 33 are read out, and each reflected light image is calculated to generate a special light observation image.
  • the normal light observation mode is input as the observation mode information M
  • the special light observation mode is input as the observation mode, it is possible to acquire the special light observation image in which the subject Q is irradiated with the two illumination lights P1 and P2 and the contrast of the blood vessel K is highlighted.
  • the second illumination light P2 has a component that becomes white light by blue laser light having a central wavelength of 445 nm ( ⁇ 2) and yellow fluorescence having a peak in the vicinity of wavelength 565 nm ( ⁇ 3).
  • yellow fluorescence includes light having a wavelength of around 540 nm.
  • the light in the vicinity of the wavelength of 540 nm is scattered to some extent at the time of irradiation of the living tissue, but travels deeper into the living tissue than the blue-violet laser beam with a wavelength of 415 nm ( ⁇ 1), and is absorbed by the blood vessel K or the like under the skin. Since it is scattered, it is effective for observing blood vessels K in the subcutaneous tissue.
  • the peak wavelength ⁇ 3 of the yellow fluorescent component is present in the wavelength band of the absorption coefficient which is equal to or greater than half the absorption coefficient of the absorption peak wavelength of 540 nm of hemoglobin in the green region. Since the rate of absorption by observation of the blood vessel K increases and the sensitivity of the G pixel increases, an image with high contrast can be obtained.
  • the second illumination light P2 is white light including blue laser light having a central wavelength of 445 nm ( ⁇ 2) and yellow fluorescence having a peak near the wavelength of 565 nm ( ⁇ 3).
  • the spectral component of the second illumination light P2 includes blue laser light having a wavelength of 420 nm near the absorption peak of hemoglobin and an absorption peak of 540 nm of hemoglobin in the green region.
  • the second illumination light P2 white light including red light is realized, so that normal light observation can be realized in combination with the predetermined image acquisition device 3. Since the first illumination light P1 emitted in the normal light observation mode and the second illumination light P2 emitted in the special light observation mode are emitted from the same wavelength conversion unit 12, a reduction in size can be realized. In the case where there is a limit to the region where the light source such as the first and second laser diodes 5 and 6 and the wavelength conversion unit 12 are disposed, it is particularly effective for a nasal endoscope, for example.
  • the image acquisition in the special light observation mode is configured to acquire two image frames. However, only the B pixel information of the first frame image stored in the first frame memory 32 or the second frame memory 33 is stored.
  • the special light image may be configured from only one of the G pixel information of the second frame image to be stored.
  • the second laser diode 6 is not turned on to emit blue-violet laser light as primary light, but the first laser diode 5 is also turned on to emit blue laser light as primary light. May be injected as In this case, since the shape of the spectrum of the second illumination light P2 changes, it is possible to adjust the color by adjusting the intensity of the blue laser light emitted from the first laser diode 5.
  • the first illumination light P1 and the second illumination light P2 are always switched and irradiated, and the reflected light images for each frame obtained by the imaging of the imaging unit 30 are displayed as the first and second illumination lights.
  • the frame memories 32 and 33 may be sequentially stored.
  • the computing unit 34 constructs a normal light observation image from the reflected light image stored in the second frame memory 33 according to the observation mode information M, or the first frame memory 32 and the first frame memory 32.
  • a configuration may be adopted in which the operation of constructing a special light observation image by combining the reflected light images stored in the second frame memory 33 is switched.
  • hemoglobin is used as the target substance, but another substance existing in the body may be used, or a fluorescent probe administered from outside the body may be used.
  • the absorption wavelength region of the fluorescent probe is preferably matched with the wavelength of the excitation light.
  • a fluorescent probe is administered from outside the subject and emits light in response to a specific wavelength.
  • the blue laser emitted from the semiconductor laser one having a peak wavelength in a wavelength region of 400 nm to 440 nm where the absorption coefficient of hemoglobin is large can be used.
  • the peak wavelength of the blue laser light exists between the absorption peak wavelengths of 415 nm and 440 nm of the hemoglobin. This is more preferable because it is high and a bright image can be easily obtained.
  • the wavelength conversion member 22 is not limited to an oxide phosphor (YAG, TAG) having a Ce (cerium) activated garnet crystal structure, but may be a phosphor that absorbs light in the blue band and emits yellow broad fluorescence.
  • YAG, TAG oxide phosphor
  • Ce cerium
  • Eu-activated oxynitride phosphors and Eu-activated sulfide phosphors can be used.
  • the blue light component received by the G pixel is small. Less effect as special light image noise. Desirably, it is 1/10 or less.
  • FIG. 9 is a configuration diagram of the wavelength conversion unit 12 in the subject observation apparatus including the light source device.
  • the wavelength conversion unit 12 has a two-color light configuration and includes two wavelength conversion members 22-1 and 22-2.
  • One wavelength conversion member 22-1 absorbs blue laser light having a central wavelength of 445 nm ( ⁇ 2) emitted as the primary light from the second laser diode 6 and emits fluorescence in the green region.
  • the wavelength conversion member 22-1 is made of, for example, a Ce-activated oxide phosphor.
  • the wavelength conversion member 22-1 is not excited by the blue-violet laser light having a wavelength of 415 nm ( ⁇ 1) emitted as the primary light from the first laser diode 5.
  • FIG. 10 shows the absorption / fluorescence characteristics of the wavelength converting member (green) 22-1.
  • the other wavelength converting member 22-2 is blue violet laser light having a wavelength of 415 nm ( ⁇ 1) emitted from the first laser diode 5 or blue light having a central wavelength of 445 nm ( ⁇ 2) emitted from the second laser diode 6. Absorbs the primary light of the laser beam and emits fluorescence in the red region.
  • the wavelength conversion member 22-2 is made of, for example, an Eu activated nitride phosphor.
  • FIG. 11 shows the absorption / fluorescence characteristics of the wavelength converting member (red) 22-2.
  • the other wavelength converting member 22-2 is a fluorescent material that absorbs green fluorescent light and does not absorb blue-violet laser light having a wavelength of 415 nm ( ⁇ 1) emitted from the first laser diode 5 as a fluorescent material. Material may be used.
  • the wavelength conversion member 22-2 may be a fluorescent material that emits light by absorbing blue laser light having a central wavelength of 445 nm ( ⁇ 2) emitted from the second laser diode 6 as primary light.
  • wavelength conversion unit 12 when the first laser diode 5 is turned on and a blue-violet laser beam having a wavelength of 415 nm ( ⁇ 1) is emitted from the first laser diode 5, one wavelength conversion member 22-1 is not excited by the blue-violet laser beam having the wavelength of 415 nm ( ⁇ 1) but transmits the blue-violet laser beam.
  • the other wavelength conversion member 22-2 absorbs the primary light of the blue-violet laser beam having a wavelength of 415 nm ( ⁇ 1) emitted from the first laser diode 5 and emits fluorescence in the red region.
  • the wavelength conversion unit 12 mixes the blue-violet laser light transmitted through the one wavelength conversion member 22-1 and the red region fluorescence emitted from the other wavelength conversion member 22-2 in a predetermined ratio.
  • the white first illumination light P1 is emitted.
  • one wavelength conversion member 22-1 becomes the second laser diode.
  • the primary light of blue laser light having a central wavelength of 445 nm ( ⁇ 2) emitted from the diode 6 is absorbed to emit green region fluorescence.
  • one wavelength conversion member 22-1 transmits part of the blue laser light having a central wavelength of 445 nm ( ⁇ 2) that does not contribute to the emission of fluorescence in the green region.
  • the other wavelength conversion member 22-2 absorbs the primary light of the blue laser light having the central wavelength of 445 nm ( ⁇ 2) emitted from the second laser diode 6 and emits fluorescence in the red region.
  • the wavelength conversion unit 12 includes a part of the blue laser light transmitted through the one wavelength conversion member 22-1, the green region fluorescence emitted from the wavelength conversion member 22-1, and the other wavelength conversion member 22.
  • -2 emits the second illumination light P2 mixed with the fluorescence of the red region emitted by -2 at a predetermined ratio.
  • the wavelength conversion unit 12 when the second laser diode 6 is turned on in the normal light observation mode, the wavelength conversion unit 12 includes a part of the blue laser light transmitted through one wavelength conversion member 22-1, The white second illumination light P2 in which the green region fluorescence emitted by the wavelength conversion member 22-1 and the red region fluorescence emitted by the other wavelength conversion member 22-2 are mixed at a predetermined ratio is emitted. .
  • the second illumination light P2 is applied to the subject Q.
  • the reflected light image for each frame obtained by imaging by the imaging unit 30 is stored in the second frame memory 33, the stored reflected light image is calculated, and the subject Q is irradiated with white light.
  • a normal light observation image of the subject Q is generated.
  • the wavelength conversion unit 12 has one wavelength conversion member 22-1.
  • the first illuminating light P1 is emitted by mixing the blue-violet laser light transmitted through and the red region fluorescence emitted by the other wavelength conversion member 22-2 at a predetermined ratio.
  • the wavelength conversion unit 12 transmits a part of the blue laser light transmitted through the one wavelength conversion member 22-1 and the fluorescence in the green region emitted by the wavelength conversion member 22-1. Then, the second illumination light P2 in which the red region fluorescence emitted from the other wavelength conversion member 22-2 is mixed at a predetermined ratio is emitted.
  • the first illumination light P1 and the second illumination light P2 are alternately and sequentially irradiated onto the subject Q.
  • the reflected light image for each frame obtained by imaging by the imaging unit 30 is alternately stored in the first and second frame memories 32 and 33.
  • Each reflected light image stored in both the first and second frame memories 32 and 33 is read from each frame memory 32 and 33 and is calculated by the image processing unit 31 to generate a special light observation image. Is done.
  • the wavelength conversion unit 12 absorbs the primary light of the blue laser light having the central wavelength of 445 nm ( ⁇ 2) emitted from the second laser diode 6 to absorb the green region.
  • One wavelength conversion member 22-1 that emits fluorescence and is not excited by the primary light of blue-violet laser light having a wavelength of 415 nm ( ⁇ 1) emitted from the first laser diode 5 and the first laser diode 5 Absorbs the primary light of the emitted blue violet laser light having a wavelength of 415 nm ( ⁇ 1) or the blue laser light having a central wavelength of 445 nm ( ⁇ 2) emitted from the second laser diode 6 to emit red region fluorescence.
  • the other wavelength conversion member 22-2 was formed.
  • the second illumination light P2 includes part of the blue laser light transmitted through one wavelength conversion member 22-1 and the wavelength conversion member 22-1.
  • the color rendering in the normal light observation mode is improved.
  • the second embodiment reproduces red tissue that is present in a large amount of living tissue in the subject Q because the spectral components in the red region are present up to the longer wavelength side. It can be realized that it can be observed with high performance.
  • the wavelength conversion unit 12 is not limited to laminating the wavelength conversion members 22-1 and 22-2 in this order with respect to the incident direction of the primary light of the blue laser beam and the blue-violet laser beam, but also the wavelength conversion member 22-2. , 22-1 may be laminated in this order.
  • FIG. 12 shows a configuration diagram of the light source device 41.
  • the light source device 2 replaces the first and second laser diodes 5 and 6 in the respective embodiments with the first and second light emitting diodes LED1 and 2, respectively, and converts the wavelength conversion member 22 into the wavelength converter 40. Instead, the light source device 31 was integrated.
  • the light source device 41 is provided with a substrate 42. On the board
  • the first light emitting diode LED1 corresponds to the first laser diode 5.
  • the first light emitting diode LED1 emits, for example, blue-violet LED light (first excitation light) of primary light in the wavelength region of the first spectrum.
  • the second light emitting diode LED2 corresponds to the second laser diode 6.
  • the second light emitting diode LED2 emits blue LED light (second excitation light) of primary light in the wavelength region of the second spectrum.
  • a wavelength converter 40 is provided so as to cover the first and second light emitting diodes LED1,2.
  • a first resin 43 is filled between the wavelength converter 40 and each of the light emitting diodes LEDs 1 and 2.
  • the first resin 43 is formed of a light transmissive resin for guiding each LED light emitted from the first and second light emitting diodes LED 1 and 2 to the wavelength converter 40.
  • the wavelength converter 40 receives each LED light emitted from each light emitting diode LED1, 2 and emits the first or second illumination light P1, P2.
  • the wavelength converter 40 includes a second resin 44 and a plurality of phosphors 45 scattered in the second resin 44.
  • Each phosphor 45 is a primary LED light emitted from the first and second light emitting diodes LED 1 and 2, that is, blue-violet LED light, blue LED light, or a mixture of the LED lights. LED light is received, and the first or second illumination light P1, P2 is emitted as illumination light P in accordance with each LED light. Even the light source device 41 using the first and second light emitting diodes LED1 and 2 can achieve the same effects as the effects of the first embodiment.
  • the present invention is not limited to the above-described embodiment as it is, and can be embodied by modifying constituent elements without departing from the scope of the invention in the implementation stage.
  • various inventions can be formed by appropriately combining a plurality of components disclosed in the embodiment. For example, some components may be deleted from all the components shown in the embodiment.
  • constituent elements over different embodiments may be appropriately combined.

Landscapes

  • Health & Medical Sciences (AREA)
  • Life Sciences & Earth Sciences (AREA)
  • Surgery (AREA)
  • Physics & Mathematics (AREA)
  • Engineering & Computer Science (AREA)
  • Public Health (AREA)
  • Veterinary Medicine (AREA)
  • Heart & Thoracic Surgery (AREA)
  • Medical Informatics (AREA)
  • Molecular Biology (AREA)
  • Biophysics (AREA)
  • Animal Behavior & Ethology (AREA)
  • General Health & Medical Sciences (AREA)
  • Biomedical Technology (AREA)
  • Pathology (AREA)
  • Optics & Photonics (AREA)
  • Nuclear Medicine, Radiotherapy & Molecular Imaging (AREA)
  • Radiology & Medical Imaging (AREA)
  • Signal Processing (AREA)
  • Spectroscopy & Molecular Physics (AREA)
  • Endoscopes (AREA)
  • Microelectronics & Electronic Packaging (AREA)
PCT/JP2014/055235 2013-03-06 2014-03-03 被検体観察システム及び方法 Ceased WO2014136706A1 (ja)

Priority Applications (3)

Application Number Priority Date Filing Date Title
CN201480011737.1A CN105025774B (zh) 2013-03-06 2014-03-03 被检体观察系统以及方法
EP14759490.7A EP2965683A4 (en) 2013-03-06 2014-03-03 SUBJECT OBSERVATION SYSTEM AND ASSOCIATED METHOD
US14/845,784 US20150374218A1 (en) 2013-03-06 2015-09-04 Subject observation system and method

Applications Claiming Priority (2)

Application Number Priority Date Filing Date Title
JP2013-044282 2013-03-06
JP2013044282A JP2014171511A (ja) 2013-03-06 2013-03-06 被検体観察システム及びその方法

Related Child Applications (1)

Application Number Title Priority Date Filing Date
US14/845,784 Continuation US20150374218A1 (en) 2013-03-06 2015-09-04 Subject observation system and method

Publications (1)

Publication Number Publication Date
WO2014136706A1 true WO2014136706A1 (ja) 2014-09-12

Family

ID=51491224

Family Applications (1)

Application Number Title Priority Date Filing Date
PCT/JP2014/055235 Ceased WO2014136706A1 (ja) 2013-03-06 2014-03-03 被検体観察システム及び方法

Country Status (5)

Country Link
US (1) US20150374218A1 (enExample)
EP (1) EP2965683A4 (enExample)
JP (1) JP2014171511A (enExample)
CN (1) CN105025774B (enExample)
WO (1) WO2014136706A1 (enExample)

Cited By (2)

* Cited by examiner, † Cited by third party
Publication number Priority date Publication date Assignee Title
WO2016150749A1 (en) * 2015-03-23 2016-09-29 Koninklijke Philips N.V. Optical vital signs sensor
JP2020010891A (ja) * 2018-07-19 2020-01-23 パナソニック株式会社 内視鏡用照明装置および内視鏡システム

Families Citing this family (15)

* Cited by examiner, † Cited by third party
Publication number Priority date Publication date Assignee Title
JP6650447B2 (ja) * 2015-06-10 2020-02-19 オリンパス株式会社 照明装置
JP6362274B2 (ja) * 2015-07-14 2018-07-25 富士フイルム株式会社 内視鏡システム及び内視鏡システムの作動方法
CN108601510B (zh) * 2016-01-27 2020-07-24 奥林巴斯株式会社 内窥镜观察方法和内窥镜装置
WO2017141417A1 (ja) * 2016-02-19 2017-08-24 Hoya株式会社 内視鏡用光源装置
WO2017141416A1 (ja) * 2016-02-19 2017-08-24 Hoya株式会社 内視鏡用光源装置
WO2017141415A1 (ja) * 2016-02-19 2017-08-24 Hoya株式会社 内視鏡用光源装置
JP6732029B2 (ja) * 2016-09-01 2020-07-29 Hoya株式会社 電子スコープ及び電子内視鏡システム
JP6666518B2 (ja) * 2017-03-28 2020-03-13 富士フイルム株式会社 計測支援装置、内視鏡システム、及びプロセッサ
WO2018180250A1 (ja) 2017-03-28 2018-10-04 富士フイルム株式会社 計測支援装置、内視鏡システム、及びプロセッサ
WO2018180631A1 (ja) * 2017-03-30 2018-10-04 富士フイルム株式会社 医療用画像処理装置及び内視鏡システム並びに医療用画像処理装置の作動方法
WO2018216119A1 (ja) * 2017-05-23 2018-11-29 オリンパス株式会社 照明ユニット、照明装置及び内視鏡システム
WO2019028414A1 (en) * 2017-08-04 2019-02-07 Boston Scientific Scimed, Inc. LIGHTING DEVICE HAVING A LIGHT SOURCE AND A LIGHT CONVERTING MEANS
CN109549614B (zh) * 2017-09-27 2022-09-20 深圳市绎立锐光科技开发有限公司 内窥镜系统
JP7546204B2 (ja) * 2020-10-26 2024-09-06 パナソニックIpマネジメント株式会社 発光装置及び内視鏡システム
CN119606329A (zh) * 2024-12-30 2025-03-14 浙江大学 面向淋巴管-静脉吻合术的多模态宽场显微成像系统

Citations (8)

* Cited by examiner, † Cited by third party
Publication number Priority date Publication date Assignee Title
JP2005205195A (ja) 2003-12-22 2005-08-04 Nichia Chem Ind Ltd 発光装置及び内視鏡装置
JP2009153712A (ja) * 2007-12-26 2009-07-16 Olympus Corp 光源装置およびそれを備えた内視鏡装置
JP2009297141A (ja) * 2008-06-11 2009-12-24 Fujifilm Corp 光源装置およびこれを用いた内視鏡装置ならびに画像処理方法
JP2011050470A (ja) * 2009-08-31 2011-03-17 Fujifilm Corp 内視鏡システム
JP2012070839A (ja) * 2010-09-28 2012-04-12 Fujifilm Corp 光源装置および内視鏡診断装置
JP2012100887A (ja) * 2010-11-10 2012-05-31 Fujifilm Corp 内視鏡装置
JP2012170774A (ja) * 2011-02-24 2012-09-10 Fujifilm Corp 内視鏡システム
JP2013022341A (ja) * 2011-07-25 2013-02-04 Fujifilm Corp 内視鏡システムおよび内視鏡システムの駆動方法

Family Cites Families (12)

* Cited by examiner, † Cited by third party
Publication number Priority date Publication date Assignee Title
EP2241244A1 (en) * 2008-06-04 2010-10-20 Fujifilm Corporation Illumination device for use in endoscope
JP5767775B2 (ja) * 2009-07-06 2015-08-19 富士フイルム株式会社 内視鏡装置
JP5606120B2 (ja) * 2010-03-29 2014-10-15 富士フイルム株式会社 内視鏡装置
JP2012016545A (ja) * 2010-07-09 2012-01-26 Fujifilm Corp 内視鏡装置
JP5371921B2 (ja) * 2010-09-29 2013-12-18 富士フイルム株式会社 内視鏡装置
JP5496852B2 (ja) * 2010-10-26 2014-05-21 富士フイルム株式会社 電子内視鏡システム、電子内視鏡システムのプロセッサ装置、及び電子内視鏡システムの作動方法
JP5334952B2 (ja) * 2010-12-16 2013-11-06 富士フイルム株式会社 画像処理装置
JP5451802B2 (ja) * 2011-04-01 2014-03-26 富士フイルム株式会社 電子内視鏡システム及び電子内視鏡システムの校正方法
CN102743145A (zh) * 2011-04-21 2012-10-24 富士胶片株式会社 内窥镜用投光单元
JP6093761B2 (ja) * 2011-06-28 2017-03-08 コーニンクレッカ フィリップス エヌ ヴェKoninklijke Philips N.V. 関連した組織サンプルの光学的分析に対する装置
JP5851140B2 (ja) * 2011-07-28 2016-02-03 オリンパス株式会社 光源装置
JP6103959B2 (ja) * 2013-01-29 2017-03-29 オリンパス株式会社 光源装置及び被検体観察装置並びに光源制御方法

Patent Citations (8)

* Cited by examiner, † Cited by third party
Publication number Priority date Publication date Assignee Title
JP2005205195A (ja) 2003-12-22 2005-08-04 Nichia Chem Ind Ltd 発光装置及び内視鏡装置
JP2009153712A (ja) * 2007-12-26 2009-07-16 Olympus Corp 光源装置およびそれを備えた内視鏡装置
JP2009297141A (ja) * 2008-06-11 2009-12-24 Fujifilm Corp 光源装置およびこれを用いた内視鏡装置ならびに画像処理方法
JP2011050470A (ja) * 2009-08-31 2011-03-17 Fujifilm Corp 内視鏡システム
JP2012070839A (ja) * 2010-09-28 2012-04-12 Fujifilm Corp 光源装置および内視鏡診断装置
JP2012100887A (ja) * 2010-11-10 2012-05-31 Fujifilm Corp 内視鏡装置
JP2012170774A (ja) * 2011-02-24 2012-09-10 Fujifilm Corp 内視鏡システム
JP2013022341A (ja) * 2011-07-25 2013-02-04 Fujifilm Corp 内視鏡システムおよび内視鏡システムの駆動方法

Non-Patent Citations (1)

* Cited by examiner, † Cited by third party
Title
See also references of EP2965683A4

Cited By (2)

* Cited by examiner, † Cited by third party
Publication number Priority date Publication date Assignee Title
WO2016150749A1 (en) * 2015-03-23 2016-09-29 Koninklijke Philips N.V. Optical vital signs sensor
JP2020010891A (ja) * 2018-07-19 2020-01-23 パナソニック株式会社 内視鏡用照明装置および内視鏡システム

Also Published As

Publication number Publication date
CN105025774B (zh) 2017-07-11
EP2965683A4 (en) 2016-11-23
CN105025774A (zh) 2015-11-04
JP2014171511A (ja) 2014-09-22
EP2965683A1 (en) 2016-01-13
US20150374218A1 (en) 2015-12-31

Similar Documents

Publication Publication Date Title
CN105025774B (zh) 被检体观察系统以及方法
US9814375B2 (en) Light source device and subject observation apparatus as well as light source control method
JP5216429B2 (ja) 光源装置および内視鏡装置
JP6253231B2 (ja) 被検体観察システム及びその方法、カプセル型内視鏡システム
US10582842B2 (en) Observation image acquiring system and observation image acquiring method
US20120010465A1 (en) Endoscope apparatus
JP5285967B2 (ja) 光源装置およびこれを用いた内視鏡装置
US8506478B2 (en) Illumination device for use in endoscope
JP5468845B2 (ja) 医療機器
US20140152790A1 (en) Endoscope system and operating method thereof
JP2009297290A (ja) 内視鏡装置およびその画像処理方法
JP2011156339A (ja) 医療機器及び内視鏡装置
JP2010022700A (ja) 内視鏡システム
JP2009291347A (ja) 光源装置およびこれを用いた内視鏡装置
JP2020166012A (ja) 波長変換部材、光源装置、及び照明装置
JP4855755B2 (ja) 生体診断装置

Legal Events

Date Code Title Description
WWE Wipo information: entry into national phase

Ref document number: 201480011737.1

Country of ref document: CN

121 Ep: the epo has been informed by wipo that ep was designated in this application

Ref document number: 14759490

Country of ref document: EP

Kind code of ref document: A1

NENP Non-entry into the national phase

Ref country code: DE

WWE Wipo information: entry into national phase

Ref document number: 2014759490

Country of ref document: EP