WO2012108401A1 - 高効率発電機 - Google Patents
高効率発電機 Download PDFInfo
- Publication number
- WO2012108401A1 WO2012108401A1 PCT/JP2012/052667 JP2012052667W WO2012108401A1 WO 2012108401 A1 WO2012108401 A1 WO 2012108401A1 JP 2012052667 W JP2012052667 W JP 2012052667W WO 2012108401 A1 WO2012108401 A1 WO 2012108401A1
- Authority
- WO
- WIPO (PCT)
- Prior art keywords
- stator
- teeth
- stator coil
- rotor
- wound around
- Prior art date
- Legal status (The legal status is an assumption and is not a legal conclusion. Google has not performed a legal analysis and makes no representation as to the accuracy of the status listed.)
- Ceased
Links
Images
Classifications
-
- H—ELECTRICITY
- H02—GENERATION; CONVERSION OR DISTRIBUTION OF ELECTRIC POWER
- H02K—DYNAMO-ELECTRIC MACHINES
- H02K3/00—Details of windings
- H02K3/04—Windings characterised by the conductor shape, form or construction, e.g. with bar conductors
- H02K3/28—Layout of windings or of connections between windings
-
- H—ELECTRICITY
- H02—GENERATION; CONVERSION OR DISTRIBUTION OF ELECTRIC POWER
- H02K—DYNAMO-ELECTRIC MACHINES
- H02K1/00—Details of the magnetic circuit
- H02K1/06—Details of the magnetic circuit characterised by the shape, form or construction
- H02K1/22—Rotating parts of the magnetic circuit
- H02K1/27—Rotor cores with permanent magnets
-
- H—ELECTRICITY
- H02—GENERATION; CONVERSION OR DISTRIBUTION OF ELECTRIC POWER
- H02K—DYNAMO-ELECTRIC MACHINES
- H02K21/00—Synchronous motors having permanent magnets; Synchronous generators having permanent magnets
- H02K21/12—Synchronous motors having permanent magnets; Synchronous generators having permanent magnets with stationary armatures and rotating magnets
- H02K21/14—Synchronous motors having permanent magnets; Synchronous generators having permanent magnets with stationary armatures and rotating magnets with magnets rotating within the armatures
-
- H—ELECTRICITY
- H02—GENERATION; CONVERSION OR DISTRIBUTION OF ELECTRIC POWER
- H02K—DYNAMO-ELECTRIC MACHINES
- H02K21/00—Synchronous motors having permanent magnets; Synchronous generators having permanent magnets
- H02K21/12—Synchronous motors having permanent magnets; Synchronous generators having permanent magnets with stationary armatures and rotating magnets
- H02K21/22—Synchronous motors having permanent magnets; Synchronous generators having permanent magnets with stationary armatures and rotating magnets with magnets rotating around the armatures, e.g. flywheel magnetos
-
- H—ELECTRICITY
- H02—GENERATION; CONVERSION OR DISTRIBUTION OF ELECTRIC POWER
- H02K—DYNAMO-ELECTRIC MACHINES
- H02K19/00—Synchronous motors or generators
- H02K19/16—Synchronous generators
- H02K19/36—Structural association of synchronous generators with auxiliary electric devices influencing the characteristic of the generator or controlling the generator, e.g. with impedances or switches
-
- H—ELECTRICITY
- H02—GENERATION; CONVERSION OR DISTRIBUTION OF ELECTRIC POWER
- H02K—DYNAMO-ELECTRIC MACHINES
- H02K2213/00—Specific aspects, not otherwise provided for and not covered by codes H02K2201/00 - H02K2211/00
- H02K2213/03—Machines characterised by numerical values, ranges, mathematical expressions or similar information
Definitions
- the present invention relates to a high-efficiency generator having a rotor including a permanent magnet and a stator including a stator coil, and more particularly to an improvement in the structure of the stator.
- the rotor When the generator is a permanent magnet type generator using a permanent magnet, the rotor has permanent magnets arranged at equal intervals so that N poles and S poles are alternately arranged in the circumferential direction of the rotor.
- the stator has teeth formed so as to be opposed to the permanent magnets of the rotor, and a stator coil wound around the teeth.
- a voltage is induced in the stator coil by a magnetic field generated by the rotation of the rotor and the electromagnetic induction acting between the stator coil, and a current flows to generate power.
- the number of stator coils is usually 3 m (m is a positive integer), and the stator coils are arranged in the order of, for example, U, V, and W phases in the circumferential direction. Are arranged at regular intervals.
- the stator coils are arranged so that the electromotive force generated in each phase is the same, and three-phase alternating current having a phase difference of 120 °, that is, symmetrical three-phase alternating current can be extracted.
- stator coil that reduces the reaction against the permanent magnet moving in the circumferential direction, that is, the unevenness of the reverse torque, by arranging them at equal intervals in the circumferential direction as described above will be simply referred to as an equal load arrangement of the stator coils hereinafter. It is called structure.
- the stator coil arrangement structure capable of generating symmetrical three-phase AC power is hereinafter simply referred to as a stator coil uniform phase arrangement structure.
- Patent Document 1 describes a rotating electrical machine having a rotor in which a plurality of holes extending in the axial direction are formed at equal intervals in the circumferential direction, and permanent magnets are respectively disposed in the holes.
- Patent Document 2 discloses a three-phase AC generator having a cylindrical rotor having a permanent magnet disposed on the inner periphery and a stator provided at an interval on the inner periphery of the rotor. Yes.
- the stator has teeth provided so as to protrude outward in the radial direction, and a stator coil around which the teeth are wound.
- power generation is performed by an electromagnetic induction effect between a permanent magnet and a stator coil generated by rotation of the rotor.
- a stator coil is wound around an outer rotor in which permanent magnets are arranged in the circumferential direction on a cylindrical inner peripheral surface, and teeth that are provided in the rotor and project in the circumferential direction.
- a permanent magnet type AC generator having a stator is described.
- JP 2000-228838 A Japanese Patent Application Laid-Open No. 2004-166381 JP 2009-148020 A
- the stator coil has an equal load arrangement structure and an equal phase arrangement structure.
- a high-speed rotation region such as 1600, 2000, 3500, or 4000 rpm
- the heat generation naturally increases, so that the generator may be damaged or the life may be shortened.
- An object of the present invention is to provide a high-efficiency generator that has a simple structure and can achieve high output, as well as downsizing and material saving.
- the high-efficiency generator of the present invention is wound around a rotor fixed to an input shaft and having a plurality of permanent magnets in the circumferential direction, facing a rotor at a predetermined interval, and protruding in the opposite direction.
- a stator having a stator coil, and the stator coil is configured to have an uneven phase arrangement.
- teeth are provided at equal intervals in the circumferential direction of the stator, and stator coils wound around the teeth are connected to the output side so that the phase difference between the phases is not uniform. Is preferred.
- teeth are provided at equal intervals in the circumferential direction of the stator, and the number of stator coils wound around the teeth is smaller than the number of teeth, and the phase difference between the phases of these stator coils becomes uneven. In this way, it is preferable to connect each to the output side.
- a rotor having a plurality of permanent magnets in the circumferential direction; and a stator coil wound around a plurality of teeth facing the rotor at a predetermined interval and projecting in the opposite direction.
- a stator coil, and the stator coil is preferably configured to have an uneven load arrangement.
- stator coil can be arranged so as to be unevenly distributed in the circumferential direction of the stator.
- the wire diameter of the stator coil wound around one tooth is different from the wire diameter of the stator coil wound around another tooth.
- the number of turns of the stator coil wound around a certain tooth is different from the number of turns of the stator coil wound around another tooth.
- the magnetic force of a certain permanent magnet is preferably different from the magnetic force of another permanent magnet.
- stator coil can be wound around a plurality of adjacent teeth.
- stator coils are respectively connected to the output side so that the phase difference between the phases becomes uneven.
- the high efficiency generator of the present invention it is possible to achieve high output, simple size, and material saving with a simple structure.
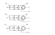
- FIG. 1 is a diagram illustrating a configuration of a stator of a high-efficiency generator according to the present embodiment
- FIG. 2 is a diagram illustrating a configuration of a rotor corresponding to the stator of FIG.
- the high-efficiency generator (hereinafter simply referred to as “generator”) 10 is a three-phase AC generator.
- the generator 10 includes a rotor 12 and a stator 14.
- the rotor 12 is rotatably arranged on the inner periphery of the stator 14 with a gap.
- the rotor 12 is a cylindrical magnetic body that is concentric with the input shaft 16 and is configured by, for example, laminating electromagnetic steel plates in the axial direction.
- the rotor 12 is fixed to the input shaft 16 so as to be able to rotate synchronously.
- 16 permanent magnets 18 are arranged on the rotor 12 in the circumferential direction. Specifically, 16 permanent magnets 18 are arranged at equal intervals so that N poles and S poles are alternately arranged in the circumferential direction of the rotor 12.
- the number of permanent magnets 18 is an example, and the number of permanent magnets 18 can be 2n (n is a positive integer).
- each permanent magnet 18 is disposed on the outer peripheral surface of the rotor 12 along the axial direction.
- each permanent magnet 18 may be embedded in a hole formed in the rotor 12 so as to extend in the axial direction.
- this embodiment demonstrated the case where the rotor 12 was comprised by laminating
- the stator 14 is arranged around the rotor 12 with a slight gap.
- the stator 14 is a magnetic body having a cylindrical shape concentric with the input shaft 16 and is formed, for example, by laminating electromagnetic steel plates in the axial direction.
- the stator 14 is formed by punching a thin plate-shaped electrical steel sheet with a press, laminating a predetermined number of the punched electrical steel sheets in the axial direction, and processing the plurality of laminated electrical steel sheets by pressure caulking or the like. Are formed by combining.
- stator 14 may be shape
- the stator 14 includes an annular yoke 20 and teeth 22 that protrude radially inward from the inner periphery of the yoke 20 and are arranged at predetermined intervals in the circumferential direction. As shown in FIG. 1, 24 teeth 22 of the present embodiment are arranged in the circumferential direction. The number of teeth 22 is an example.
- a slot 24 which is a groove-like space is formed between adjacent teeth 22.
- the conducting wire passes through the slot 24 and is wound around the teeth 22 to form a stator coil 26 (shown in FIG. 3).
- a voltage is induced in the stator coil 26 by the electromagnetic induction acting between the rotating magnetic field generated by the rotation of the rotor 12 and the stator coil 26, and a current flows to generate power. Done.
- the generator 10 of the present embodiment is characterized in that the stator coil 26 is configured to have an uneven phase arrangement.
- the non-uniform phase arrangement is an arrangement of the stator coils 26 that generates electric power that is not symmetrical three-phase alternating current, and is different from the uniform phase arrangement described in the prior art. Since the generator 10 that employs such a non-uniform phase arrangement of the stator coils 26 is suppressed in the counter-action against the rotating rotor 12, that is, an increase in the reverse torque with respect to each permanent magnet 18, compared with the one with the uniform phase arrangement. The number of rotations of the rotor 12 can be increased to increase the output.
- a specific configuration of the non-uniform phase arrangement of the stator coil 26 will be described.
- addresses U1 to U8 are assigned in order clockwise to the teeth 22 around which the U-phase stator coil 26 is wound. Similarly, with respect to the teeth 22 around which the V-phase stator coil 26 is wound. Thus, addresses from V1 to V6 are assigned, and further, addresses from W1 to W5 are assigned to the teeth 22 around which the W-phase stator coil 26 is wound. In the stator 14 shown in FIG. 1, there are five teeth 22 to which the address of the stator coil 26 is not attached.
- the coils U1 to U6 and U7 to U8 are wound around the teeth 22 with the teeth 22 for two phases interposed therebetween, and the coils U6 to U7 are teeth with the teeth 22 for three phases interposed therebetween.
- the coils U8 to U1 are wound around the teeth 22 for one phase.
- the coils V1 to V2, V3 to V4, and V5 to V6 are between the teeth 22 for two phases, and the coils V2 to V3 are between the teeth 22 for five phases. Is wound around the teeth 22 and the coils V6 to V1 are wound around the teeth 22 respectively.
- the coils W1 to W2 and W3 to W4 are between the teeth 22 for two phases, the coils W2 to W3 are between the teeth 22 for five phases, and the coils W4 to W5 are 6
- the teeth 22 are wound around the teeth 22 and the coils W5 to W1 are wound around the teeth 22, respectively.
- the stator coils of each phase are wound around the teeth between two phases, and are arranged so that the phase difference between each phase is equal to 120 °.
- the stator coil 26 is arranged so that the phase difference between the phases is not equal to 120 °, but at least partly becomes unequal. . With such a configuration, an uneven phase arrangement of the stator coil 26 can be realized.
- the number of stator coils 26 wound around the teeth 22 is fewer than the number 24 of the teeth 22.
- the stator coils 26 are arranged so that the phase differences between the phases are not uniform. Even with such a configuration, an uneven phase arrangement of the stator coil 26 can be realized.
- Such a structure in which the stator coils 26 are not arranged at equal intervals in the circumferential direction corresponds to an uneven load arrangement described later.
- the non-uniform phase arrangement and the non-uniform load arrangement of the stator coil 26 can be combined as described above.
- the present invention is not limited to the number 19 of the stator coils 26.
- the number of stator coils 26 may be less than 19, and 24 may be wound around all the teeth 22. Regardless of the configuration, the stator coil 26 provided on the tooth 22 and the output side are connected so that the phase difference between the phases becomes non-uniform, or a part of the stator coil 26 and the output are connected. By not connecting the sides, the non-uniform phase arrangement of the stator coil 26 can be realized.
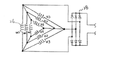
- the output circuit of the generator 10 includes output terminals of stator coils 26 of each phase, for example, coils U1, U2, U3... U8, and rectifier circuits 28 corresponding thereto. Are connected, and the outputs of the in-phase stator coils 26 are connected in parallel on the output side of the rectifier circuit 28.
- the output current of each phase can be increased as compared with a conventional output circuit in which a rectifier circuit is connected to each of three terminals of Y connection or ⁇ connection.
- the output voltage of each phase is lower than that of the conventional output circuit.
- the rotational speed of the rotor 12 increases as compared with the conventional example due to the non-uniform phase arrangement of the stator coils 26 as described above, a higher voltage can be achieved for each stator coil 26. Therefore, according to the configuration of the generator 10 of this embodiment and its output circuit, it is possible to reliably obtain a high output as compared with the conventional example, and in particular, the output power is directly supplied to a charger such as a secondary battery. Useful when charging.
- the output terminal of each stator coil 26 and the corresponding rectifier 28 are connected to each other, and on the output side, the stator coil is connected. It is preferable that the 26 outputs are connected in parallel, that is, configured by a single-phase output system.
- the generator 10 is an internal rotation generator in which the rotor 12 is disposed inside the stator 14, but the present invention is not limited to this configuration, and the rotor is outside the stator.
- An abduction type generator arranged in the can also be used.
- FIG. 4 is a diagram illustrating a configuration of a stator of a high efficiency generator according to another embodiment.
- symbol is attached
- the structure of the rotor corresponding to the stator of this embodiment is the same as FIG.
- the generator 30 of this embodiment is characterized in that the stator coil 26 is configured to have an uneven load arrangement.
- the uneven load arrangement is an arrangement of the stator coils 26 that causes a reaction against the permanent magnet moving in the circumferential direction, that is, unevenness of the reverse torque, and is different from the equal load arrangement described in the prior art. Since the generator 30 adopting such an uneven load arrangement of the stator coil 26 suppresses the reaction against the rotating rotor 12, that is, the increase of the reverse torque with respect to each permanent magnet 18, compared to the even load arrangement. The number of rotations of the rotor 12 can be increased to increase the output.
- a specific configuration of the uneven load arrangement of the stator coil 26 will be described.
- the stator coil 26 of this embodiment is arranged so as to be unevenly distributed in the circumferential direction of the stator 14.
- the uneven distribution in the circumferential direction means that it is biased to a predetermined region in the circumferential direction.
- nine teeth 22 are unevenly distributed in a fan-shaped region surrounded by a predetermined angle (for example, 120 °) from the center of the input shaft 16.
- a stator coil 26 is wound around each tooth 22.
- the stator coil 26 is arranged in a biased manner in a predetermined region in the circumferential direction.
- the number 9 of the teeth 22 and the stator coils 26 is an example, and the present invention is not limited to this number.
- the present invention is not limited to this configuration, and the teeth 22 are formed at equal intervals in the circumferential direction, and the stator coil 26 is rotated around the circumference.
- the teeth 22 may be wound around a part of the teeth 22 so as to be unevenly distributed in the direction.
- the phase of the stator coil 26 in this embodiment can be arbitrarily set. That is, output power can be taken out by an independent (single-phase) output system in which an output circuit is connected to each stator coil 26. Alternatively, the output power is obtained by a three-phase AC output method in which the stator coils 26 are arranged at equal intervals so as to be arranged in the order of the U, V, and W phases in the circumferential direction, that is, arranged in an equal phase, and an output circuit is connected to each phase. Can also be taken out.
- the output power can be taken out by a three-phase AC output system in which the stator coil 26 is arranged so that the U, V, and W phases are arranged in random order in the circumferential direction, and an output circuit is connected to each phase.
- An output terminal is provided for each stator coil 26, and the phase of the stator coil 26 can be arbitrarily set simply by changing the connection method of the output terminal. Adjustment is also easy.
- the teeth 22 and the corresponding stator coils 26 are arranged so as to be unevenly distributed in the circumferential direction of the stator 14.
- the stator coils arranged at equal intervals in the circumferential direction are arranged so that a predetermined reverse torque, so-called load, is applied to each permanent magnet moving in the circumferential direction at equal intervals. It was.
- the stator coils 26 are arranged so as to be unevenly distributed in the circumferential direction, so that the load applied to each permanent magnet when moving in the circumferential direction is not uniform but uneven. .
- the uneven distribution of the stator coil 26 can be realized by the uneven distribution of the stator coil 26 in the circumferential direction.
- the present invention is not limited to this configuration. If the load in the circumferential direction becomes uneven, the wire diameter of the stator coil 26 wound around one tooth 22 may be different from the wire diameter of the stator coil 26 wound around another tooth 22. Furthermore, the number of turns of the stator coil 26 wound around a certain tooth 22 may be configured to be different from the number of turns of the stator coil 26 wound around another tooth 22. Or even if it is the structure which combined these, the nonuniform load arrangement
- the load applied when these permanent magnets move in the circumferential direction is even. Rather, it can be non-uniform.
- the stator 14 of this embodiment is characterized by having an eccentric cylindrical shape with respect to the input shaft 16. Specifically, the center on the outer periphery of the stator 14 is different from the center on the inner periphery that is concentric with the input shaft 16.
- Such a configuration of the stator 14 is particularly useful when the stator coil 26 is unevenly distributed in the circumferential direction, and the stator 14 can be downsized. With this configuration, a region in which the length of the stator 14 in the radial direction is increased is generated, and in this region, the slot 24 and the teeth 22 that are longer in the radial direction can be formed while securing the width of the yoke 20.
- the slots 24 and the teeth 22 formed in this way it is possible to make at least one of the number of windings or the wire diameter of the conductor wound around one tooth 22 larger than that of a conventional stator having the same outer diameter.
- the capacity of the stator coil 26 can be increased.
- the number of windings is reduced, and for example, by using one, a larger output current can be obtained.
- the teeth 22 formed larger as described above are arranged at equal intervals in the circumferential direction of the conventional example. All the conductors of the length used in can be wound.
- FIGS. 5 to 7 are diagrams showing examples of output characteristics of the high-efficiency generator of the present invention and the conventional generator, respectively.
- the output circuit of the conventional example is one in which a load is connected to the ⁇ connection via a rectifier, and the output circuit of the present invention adopts the same configuration as in FIG. It is assumed that a load is connected to the machine 30 via the rectifier 28. This load is the same for all three 100w / 12V lamps.
- the number of permanent magnets used in the conventional example and the present invention is 16, and the magnetizing force is the same.
- the number of turns of the winding is 25T
- the number of stator coils is 24, and the wire diameter is 0.85 ⁇ ⁇ 3.
- the measured values under these conditions were a rotor rotation speed of 425 rpm, an output voltage of 0.21 V, and an output current of 4 A.
- the measurement was performed by changing the number of turns of the winding to 50T and the number of the stator coils 26 from nine conditions. The measured values were as follows: the rotational speed of the rotor 12 was 925 rpm, the output voltage was 6.0 V, and the output current was 35 A.
- the conventional example is a condition that the number of winding turns is 35T, the number of stator coils is 24, and the wire diameter is 0.85 ⁇ ⁇ 1.
- the measured values under these conditions were a rotor rotation speed of 474 rpm, an output voltage of 0.2 V, and an output current of 7 A.
- the measurement was performed under the conditions of the conventional example by changing the number of turns of the winding wire to 21T, the number of stator coils 26 to 9, and the wire diameter to 1.1 ⁇ ⁇ 1.
- the measured values were such that the rotational speed of the rotor 12 was 785 rpm, the output voltage was 2.2 V, and the output current was 18 A. Since there is only one winding, a large current flows there, and the output current can be further increased by increasing the wire diameter.
- the conventional example is a condition that the number of turns of the winding is 65T, the number of stator coils is 24, and the wire diameter is 0.85 ⁇ ⁇ 2.
- the measured values under these conditions were a rotor rotation speed of 428 rpm, an output voltage of 0.37 V, and an output current of 1.5 A.
- the measurement was performed by changing the number of turns of the winding to 56T and the number of the stator coils 26 from nine conditions. The measured values were as follows: the rotational speed of the rotor 12 was 935 rpm, the output voltage was 17 V, and the output current was 17 A.
- the generator 30 has an increased number of rotations of the rotor 12 as compared with the conventional generator, and can obtain a high output. That is, by configuring the stator coil 26 to have an uneven load arrangement, the number of rotations of the rotor 12 increases and high output can be achieved. On the other hand, in the generator 30, since the number of stator coils 26 is reduced as compared with the conventional example, material saving is enabled.
- the generator 30 is an inversion generator in which the rotor 12 is disposed inside the stator 14 .
- the present invention is not limited to this configuration, and the rotor is outside the stator. It can also be set as the abduction type generator 32 arranged in the.
- FIG. 8 is a diagram showing a configuration of a stator of a high efficiency generator according to another embodiment
- FIG. 9 is a diagram showing a configuration of a rotor corresponding to the stator of FIG.
- symbol is attached
- the generator 32 includes a hollow cylindrical rotor 34 and a stator 36 provided at an inner periphery of the rotor 34 with a space therebetween.
- the rotor 34 and the input shaft 16 are fixed so as to be able to rotate synchronously at the axial end.
- permanent magnets 18 are arranged at equal intervals in the circumferential direction.
- 16 permanent magnets 18 are arranged at equal intervals so that N poles and S poles are alternately arranged in the circumferential direction of the rotor 34.
- the number of permanent magnets 18 is an example, and the number of permanent magnets 18 can be 2n (n is a positive integer).
- the stator 36 of this embodiment has a hollow cylindrical shape that is eccentric with the input shaft 16 through which the input shaft 16 passes. That is, the center on the outer periphery of the stator 36 is different from the center on the inner periphery that is concentric with the input shaft 16. This configuration is particularly useful when the stator coil 26 (not shown) is unevenly distributed in the circumferential direction, similarly to the stator 14 of the above-described embodiment, and the stator 36 can be downsized.
- FIG. 10 is a diagram illustrating a configuration of a stator of a high-efficiency generator according to another embodiment.
- symbol is attached
- the structure of the rotor corresponding to the stator of this embodiment is the same as FIG.
- This generator 32 is an abduction type generator in which the rotor 34 is disposed outside the stator 40.
- the stator 40 has a hollow cylindrical shape concentric with the input shaft 16 through which the input shaft 16 passes. That is, the center on the outer periphery of the stator 40 is the same as the center on the inner periphery that is concentric with the input shaft 16.
- the stator 40 includes an annular yoke 20 and teeth 22 that protrude radially outward from the outer periphery of the yoke 20 and are arranged at predetermined intervals in the circumferential direction. As shown in FIG. 10, 24 teeth 22 of the present embodiment are arranged in the circumferential direction. The number of teeth 22 is an example. Between teeth 22 adjacent to each other, a slot 24 that is a groove-like space is formed.
- addresses 22a to 22i are sequentially assigned to the teeth 22 around which the stator coil 26 (not shown) is wound. Specifically, starting from the teeth 22a, addresses are sequentially assigned in the clockwise direction up to the teeth 22i with one tooth 22 in between. Therefore, nine stator coils 26 are unevenly distributed in a sectoral region surrounded by a predetermined angle (for example, 240 °) from the center of the input shaft 16. This arrangement is merely an example, and the present invention is not limited to this configuration. If the stator coils 26 are unevenly distributed in the circumferential direction, the number of stator coils 26 may be less than nine, or There may be many. Further, the location of the teeth 22 around which the stator coil 26 is wound is not limited, and the teeth 22 may be continuously wound around the adjacent teeth 22 or two teeth 22 may be interposed therebetween.
- the phase of the stator coil 26 in this embodiment can be arbitrarily set as in the above-described embodiment. That is, output power can be taken out by an independent (single-phase) output system in which an output circuit is connected to each stator coil 26. Alternatively, the output power is obtained by a three-phase AC output method in which the stator coils 26 are arranged at equal intervals so as to be arranged in the order of the U, V, and W phases in the circumferential direction, that is, arranged in an equal phase, and an output circuit is connected to each phase. Can also be taken out.
- the output power can be taken out by a three-phase AC output system in which the stator coil 26 is arranged so that the U, V, and W phases are arranged in random order in the circumferential direction, and an output circuit is connected to each phase.
- An output terminal is provided for each stator coil 26, and the phase of the stator coil 26 can be arbitrarily set simply by changing the connection method of the output terminal. Adjustment is also easy.
- FIGS. 11 to 13 are diagrams showing examples of output characteristics of the high-efficiency generator of the present invention and the conventional generator, respectively.
- the output circuit of the conventional example is a circuit in which a load is connected to the ⁇ connection via a rectifier, and the output circuit of the present invention adopts the same configuration as that of FIG. It is assumed that a load is connected to the machine 38 via the rectifier 28. This load is the same for all three 100w / 12V lamps.
- the number of permanent magnets used in the conventional example and the present invention is 16, and the magnetizing force is the same.
- the conventional example is under the condition that the number of turns of the winding is 25T, the number of stator coils is 24, and the wire diameter is 0.85 ⁇ ⁇ 3.
- the measured values under these conditions were a rotor rotation speed of 425 rpm, an output voltage of 0.21 V, and an output current of 7 A.
- the measurement was performed by changing the number of turns of the winding to 50T and the number of the stator coils 26 from nine conditions. The measured values were such that the rotation speed of the rotor 34 was 438 rpm, the output voltage was 6.0 V, and the output current was 15 A.
- the conventional example is a condition that the number of turns of the winding is 35T, the number of stator coils is 24, and the wire diameter is 0.85 ⁇ ⁇ 1.
- the measured values under these conditions were a rotor rotation speed of 178 rpm, an output voltage of 0.02 V, and an output current of 4.8 A.
- the measurement was performed under the conditions of the conventional example by changing the number of turns of the winding wire to 21T, the number of stator coils 26 to 8, and the wire diameter to 1.1 ⁇ ⁇ 1.
- the measured values were as follows: the rotational speed of the rotor 34 was 573 rpm, the output voltage was 15.7 V, and the output current was 18 A.
- the conventional example is a condition that the number of turns of the winding is 65T, the number of stator coils is 24, and the wire diameter is 0.85 ⁇ ⁇ 2.
- the measured values under these conditions were as follows: the number of rotations of the rotor was 0 rpm, that is, without rotation, the output voltage was 0 V, and the output current was 0 A.
- the measurement was performed by changing the number of turns of the winding to 56T and the number of the stator coils 26 from the condition of the conventional example to 6T. In spite of the same input, the measured values were the rotor 34 rotating at 935 rpm, the output voltage 40V, and the output current 35A.
- the generator 38 has an increased number of rotations of the rotor 34 as compared with the conventional generator, and can obtain a high output. That is, by configuring the stator coil 26 to have an uneven load arrangement, the number of rotations of the rotor 34 increases and high output can be achieved.
- stator coils of the high efficiency generator will be described with reference to four drawings.
- the teeth 22 are arranged at equal intervals in the circumferential direction.
- the teeth 22 arranged in the circumferential direction are usually rearranged linearly for easy viewing.
- FIG. 14 is a diagram showing the arrangement of the stator coils 26 in the stator 14 having 48 teeth 22.
- 32 permanent magnets 18 of the rotor are arranged at equal intervals so that N poles and S poles are alternately arranged in the circumferential direction. That is, the permanent magnet 18 is arranged on the rotor so that the interval between the N pole and S pole permanent magnets 18 adjacent in the circumferential direction is 1.5 times the interval between the teeth 14 adjacent in the circumferential direction. .
- addresses 1 to 48 are sequentially assigned to the teeth 22 from the left end to the right end.
- the addresses of U1 to U4, V1 to V4, and W1 to W4 are also assigned to the stator coil 26 wound around the teeth 22.
- the coil U1 is wound around the 1st and 2nd teeth 22, the coil U2 is wound around the 13th and 14th teeth 22, and the coil U3 is 25,
- the coil U4 is wound around the 37th and 38th teeth 22 and wound around the 26th tooth 22.
- the coil V1 is wound around the 9th and 10th teeth 22, the coil V2 is wound around the 21st and 22nd teeth 22, and the coil V3 is the 33th and 34th teeth 22.
- the coil V4 is wound around the teeth 22 of Nos. 45 and 46.
- the coil W1 is wound around the 4th and 5th teeth 22
- the coil W2 is wound around the 16th and 17th teeth 22
- the coil W3 is the 28th and 29th coils.
- the coil W4 is wound around the teeth 22 of Nos. 40 and 41.
- the conventional generator is arranged so that the phase difference between the stator coils of each phase is equal to 120 °.
- the stator coil 26 is arranged as described above, so that the phase difference between the phases is not equal to 120 °. With such a configuration, an uneven phase arrangement of the stator coil 26 can be realized.
- stator coil 26 is not wound around the teeth 22 other than the addresses described above. That is, the teeth 22 of Nos. 3, 6 to 8, 11, 12, 15, 18 to 20, 23, 24, 27, 30 to 32, 35, 36, 39, 42 to 44, 47, and 48 have a stator coil. 26 is not wound, and so-called empty teeth 22 exist. As described above, by providing the empty teeth 22, in other words, by reducing the number of stator coils 26 to be smaller than the number of teeth 22, an optimal layout for achieving the non-uniform phase arrangement of the stator coils 26 can be obtained. It becomes easy.
- the present invention is not limited to the number 12 of stator coils 26.
- the number of stator coils 26 may be less than the number 48 of all the teeth 22. Regardless of the configuration, the stator coil 26 provided on the tooth 22 and the output side are connected so that the phase difference between the phases becomes non-uniform, or a part of the stator coil 26 and the output are connected. By not connecting the sides, the non-uniform phase arrangement of the stator coil 26 can be realized.
- 16 permanent magnets 18 of the rotor are arranged at equal intervals so that N poles and S poles are alternately arranged in the circumferential direction. That is, the permanent magnet 18 is arranged on the rotor so that the interval between the N pole and S pole permanent magnets 18 adjacent in the circumferential direction is 1.5 times the interval between the teeth 14 adjacent in the circumferential direction. .
- the stator coil 26 includes the first and second teeth 22, the fourth and fifth teeth 22, the seventh and eighth teeth 22, the tenth and eleventh teeth 22, the thirteenth teeth 22, 15, It is wound around the 16th tooth 22, the 18th and 19th teeth 22, and the 21st and 22nd teeth 22 respectively.
- the stator coil 26 is not wound around the teeth 22 other than the addresses described above. That is, the stator coil 26 is not wound around the teeth 22 of Nos. 3, 6, 9, 12, 14, 17, 20, 23, and 24, and so-called empty teeth 22 exist.
- the presence of the empty teeth 22 facilitates an optimal layout for achieving the non-uniform phase arrangement of the stator coils 26 as described above.
- the phase of the stator coil 26 in this embodiment can be set arbitrarily as in the embodiment already described. That is, output power can be taken out by an independent (single-phase) output system in which an output circuit is connected to each stator coil 26.
- the stator coil 26 can be arranged so that the U, V, and W phases are arranged in random order in the circumferential direction, and output power can be taken out by a three-phase AC output method in which an output circuit is connected to each phase.
- An output terminal is provided for each stator coil 26, and the phase of the stator coil 26 can be arbitrarily set simply by changing the connection method of the output terminal. Adjustment is also easy.
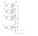
- FIG. 16 and 17 show an example of another embodiment of the output circuit different from FIG.
- the stator coils 26 of each phase are connected in parallel, and their output terminals are connected so as to correspond to the rectifier circuits 28, respectively.
- the output terminals of the coils U1, U2, U3 connected in parallel and the rectifier circuit 28 are connected, the output terminals of the coils V1, V2, V3 connected in parallel and the rectifier circuit 28 are connected, and the coils connected in parallel
- the output terminals W1, W2, and W3 and the rectifier circuit 28 are connected.
- the output current of each phase can be increased as compared with a conventional output circuit in which a rectifier circuit is connected to each of three terminals of Y connection or ⁇ connection.
- FIG. 17 shows a delta connection in which the stator coils 26 of each phase are connected in parallel and their output terminals are connected to correspond to the rectifier circuits 28, respectively. With such a configuration, the output current of each phase can be increased.
- the number of stator coils 26 of each phase is an example, and in this aspect, the number of stator coils 26 is not limited to three and can be realized if there are a plurality of stator coils 26.
- stator coils 26 when there are a plurality of stator coils 26 for each phase, their output terminals may be connected to different output circuits so that desired power, that is, DC power and AC power can be taken out simultaneously. In such a case, it is preferable to use the generator mounted on an apparatus that requires three-phase AC power and DC power simultaneously, such as an electric vehicle.
- stator coils 26 in the stator 14 having 18 teeth 22 will be described with reference to FIG.
- twelve permanent magnets 18 of the rotor are arranged at equal intervals so that N poles and S poles are alternately arranged in the circumferential direction. That is, the permanent magnet 18 is arranged on the rotor so that the interval between the N pole and S pole permanent magnets 18 adjacent in the circumferential direction is 1.5 times the interval between the teeth 14 adjacent in the circumferential direction. .
- addresses 1 to 18 are sequentially assigned to the teeth 22 from the left end to the right end.
- the addresses U1, V1, and W1 are also assigned to the stator coil 26 wound around the teeth 22.
- the coil U ⁇ b> 1 is wound around the first and second teeth 22.
- the coil V ⁇ b> 1 is wound around the fourth and fifth teeth 22.
- the coil W ⁇ b> 1 is wound around the 9th and 10th teeth 22.
- stator coil 26 is arranged as described above, so that the phase difference between the phases is not equal to 120 °. With such a configuration, an uneven phase arrangement of the stator coil 26 can be realized.
- stator coil 26 is not wound around the teeth 22 other than the addresses described above. That is, the stator coils 26 are not wound around the third, sixth to eighth, and eleventh to eighteenth teeth 22, and so-called empty teeth 22 exist. Thus, the presence of the empty teeth 22 facilitates the optimal layout for achieving the non-uniform phase arrangement of the stator coils 26.
- the present invention is not limited to the number of stator coils 26.
- the number of stator coils 26 may be less than the number 18 of all the teeth 22. Regardless of the configuration, the stator coil 26 provided on the tooth 22 and the output side are connected so that the phase difference between the phases becomes non-uniform, or a part of the stator coil 26 and the output are connected. By not connecting the sides, the non-uniform phase arrangement of the stator coil 26 can be realized.
- stator coil 26 in the stator 14 having 15 teeth 22 will be described with reference to FIG.
- ten permanent magnets 18 of the rotor are arranged at equal intervals so that N poles and S poles are alternately arranged in the circumferential direction. That is, the permanent magnet 18 is arranged on the rotor so that the interval between the N pole and S pole permanent magnets 18 adjacent in the circumferential direction is 1.5 times the interval between the teeth 14 adjacent in the circumferential direction. .
- addresses 1 to 15 are assigned to the teeth 22 in order from the left end to the right end.
- the addresses U1, V1, and W1 are also assigned to the stator coil 26 wound around the teeth 22.
- the coil U ⁇ b> 1 is wound around the first and second teeth 22.
- the coil V ⁇ b> 1 is wound around the fourth and fifth teeth 22.
- the coil W ⁇ b> 1 is wound around the 9th and 10th teeth 22.
- stator coil 26 is arranged as described above, so that the phase difference between the phases is not equal to 120 °. With such a configuration, an uneven phase arrangement of the stator coil 26 can be realized.
- stator coil 26 is not wound around the teeth 22 other than the addresses described above. That is, the stator coils 26 are not wound around the third, sixth to eighth and eleventh to fifteenth teeth 22, and so-called empty teeth 22 exist. Thus, the presence of the empty teeth 22 facilitates the optimal layout for achieving the non-uniform phase arrangement of the stator coils 26.
- the present invention is not limited to the number of stator coils 26.
- the number of stator coils 26 may be less than the number 18 of all the teeth 22. Regardless of the configuration, the stator coil 26 provided on the tooth 22 and the output side are connected so that the phase difference between the phases becomes non-uniform, or a part of the stator coil 26 and the output are connected. By not connecting the sides, the non-uniform phase arrangement of the stator coil 26 can be realized.
- stator coil 26 In the embodiment shown in FIGS. 14, 15, 18, and 19, the case where the stator coil 26 is wound around two adjacent teeth 22 has been mainly described, but the present invention is not limited to this configuration. . If the non-uniform phase arrangement can be achieved, the stator coil 26 may be wound around a plurality of adjacent two or more teeth 22, for example, three, four, or six teeth 22. In the embodiment shown in FIGS. 14, 15, 18, and 19, the case where the number of teeth 22 is 48, 24, 18, and 15 has been described. The number is not limited to 48, but may be more than 48, less than 15, or a number between 15 and 48.
- the present invention is not limited to this configuration.
- a plurality of, for example, two N poles may be arranged in order, and then a plurality of, for example, two, S poles may be arranged in order.
- FIG. 20 shows a configuration of a rotor corresponding to the stator of FIG. 1 in another aspect.
- the permanent magnets 18 are arranged in the order of N, N, S, S, N, N, S, S.
- FIG. 21 shows a configuration of a rotor corresponding to the stator of FIG. 1 in another aspect.
- the permanent magnets 18 are arranged in the order of N, N, S, S, N, N, S, S... And the number of permanent magnets 18 is doubled, that is, 16. From 32 to 32.
- the rotational speed of the rotor 12 can be reduced and an output about twice that of the generator using the rotor 12 shown in FIG. 2 can be obtained.
- the arrangement of these permanent magnets 18, that is, the arrangement in which the same-polarity permanent magnets 18 are adjacent to each other, is the rotor 34 shown in FIG. 9, the generator shown in FIGS. 14, 15, 18, and 19 is also used. It can also be applied to.
Landscapes
- Engineering & Computer Science (AREA)
- Power Engineering (AREA)
- Permanent Magnet Type Synchronous Machine (AREA)
- Windings For Motors And Generators (AREA)
- Iron Core Of Rotating Electric Machines (AREA)
Priority Applications (1)
| Application Number | Priority Date | Filing Date | Title |
|---|---|---|---|
| US13/984,284 US20140001907A1 (en) | 2011-02-08 | 2012-02-07 | High-efficiency power generator |
Applications Claiming Priority (4)
| Application Number | Priority Date | Filing Date | Title |
|---|---|---|---|
| JP2011025380 | 2011-02-08 | ||
| JP2011-025380 | 2011-02-08 | ||
| JP2011-153950 | 2011-07-12 | ||
| JP2011153950A JP4927226B1 (ja) | 2011-02-08 | 2011-07-12 | 高効率発電機 |
Publications (1)
| Publication Number | Publication Date |
|---|---|
| WO2012108401A1 true WO2012108401A1 (ja) | 2012-08-16 |
Family
ID=45490372
Family Applications (1)
| Application Number | Title | Priority Date | Filing Date |
|---|---|---|---|
| PCT/JP2012/052667 Ceased WO2012108401A1 (ja) | 2011-02-08 | 2012-02-07 | 高効率発電機 |
Country Status (5)
| Country | Link |
|---|---|
| US (1) | US20140001907A1 (enExample) |
| JP (2) | JP4927226B1 (enExample) |
| CN (2) | CN202127310U (enExample) |
| TW (1) | TWI555306B (enExample) |
| WO (1) | WO2012108401A1 (enExample) |
Families Citing this family (4)
| Publication number | Priority date | Publication date | Assignee | Title |
|---|---|---|---|---|
| WO2014144540A1 (en) * | 2013-03-15 | 2014-09-18 | Flux Energy Systems, Llc | Electric motor |
| CN112003391B (zh) * | 2020-08-20 | 2021-07-20 | 珠海格力电器股份有限公司 | 定子铁芯、磁悬浮轴承、电机 |
| CN112994281B (zh) * | 2021-04-06 | 2022-03-15 | 珠海格力电器股份有限公司 | 电机定子和永磁同步电机 |
| DE102021119832A1 (de) | 2021-07-30 | 2023-02-02 | Bayerische Motoren Werke Aktiengesellschaft | Elektrische Maschine, Antriebsstrang mit elektrischer Maschine und Verfahren zum Betreiben der elektrischen Maschine |
Citations (9)
| Publication number | Priority date | Publication date | Assignee | Title |
|---|---|---|---|---|
| JPH08182280A (ja) * | 1994-12-26 | 1996-07-12 | Okuma Mach Works Ltd | 電動機 |
| JPH11252845A (ja) * | 1998-03-04 | 1999-09-17 | Mitsuba Corp | 交流発電機 |
| JP2000236651A (ja) * | 1999-02-15 | 2000-08-29 | Mitsubishi Electric Corp | 回転電機 |
| JP2001286114A (ja) * | 2000-01-25 | 2001-10-12 | Toshiba Corp | 電動機及びエレベータ装置 |
| JP2002252941A (ja) * | 2000-12-20 | 2002-09-06 | Moric Co Ltd | 永久磁石型回転電機 |
| JP2004023950A (ja) * | 2002-06-19 | 2004-01-22 | Yaskawa Electric Corp | 永久磁石同期モータの電機子およびそれを用いた永久磁石同期モータ |
| JP2007124733A (ja) * | 2005-10-25 | 2007-05-17 | Matsushita Electric Ind Co Ltd | スピンドルモータ |
| JP2010098939A (ja) * | 2008-09-19 | 2010-04-30 | Yamaha Motor Electronics Co Ltd | 三相磁石式発電機および輸送機器 |
| WO2010128674A1 (ja) * | 2009-05-08 | 2010-11-11 | Kinoshita Yukio | 回転電機を用いた駆動力発生機 |
Family Cites Families (17)
| Publication number | Priority date | Publication date | Assignee | Title |
|---|---|---|---|---|
| US4475051A (en) * | 1982-08-27 | 1984-10-02 | International Business Machines Corporation | Low inertia high torque variable reluctance motor |
| JPH0545087Y2 (enExample) * | 1989-07-07 | 1993-11-17 | ||
| US5045742A (en) * | 1990-02-23 | 1991-09-03 | General Electric Company | Electric motor with optimum core dimensions |
| US5313191A (en) * | 1990-11-26 | 1994-05-17 | Honda Giken Kogyo Kabushiki Kaisha | Warning device for an electric vehicle |
| US5723930A (en) * | 1995-01-05 | 1998-03-03 | Industrial Technology Research Institute | Stators incorporating blank winding slots for a permanent magnet brushless motor and method of winding thereof |
| JPH10225028A (ja) * | 1997-02-07 | 1998-08-21 | Mitsubishi Electric Corp | 回転電動機 |
| EP1217713B1 (en) * | 2000-12-20 | 2010-02-10 | Yamaha Motor Electronics Kabushiki Kaisha | Permanent magnet type rotor and permanent magnet type rotary electrical machine |
| JP4852242B2 (ja) * | 2002-05-16 | 2012-01-11 | 株式会社ミツバ | 交流発電機 |
| JP2005160143A (ja) * | 2003-11-20 | 2005-06-16 | Toyota Motor Corp | 回転電機の固定子 |
| JP2005308027A (ja) * | 2004-04-19 | 2005-11-04 | Sony Corp | 自動平衡装置及び当該装置を搭載した回転装置 |
| DE102004044701B4 (de) * | 2004-09-15 | 2008-01-31 | Siemens Ag | Synchronmaschine |
| US20060275155A1 (en) * | 2005-01-28 | 2006-12-07 | Robert Thibodeau | Rotational apparatus |
| US7388311B2 (en) * | 2005-09-14 | 2008-06-17 | Ashman Technologies | Redundant windings with current limiting means for electric machines |
| TWI343689B (en) * | 2006-12-28 | 2011-06-11 | Delta Electronics Inc | Permanent magnet rotary structure of electric machinery |
| JP2010063283A (ja) * | 2008-09-04 | 2010-03-18 | Toshiba Corp | 永久磁石形モータ |
| JP5305887B2 (ja) * | 2008-12-18 | 2013-10-02 | 株式会社東芝 | 永久磁石式回転電機 |
| CN202840703U (zh) * | 2011-07-12 | 2013-03-27 | 福杨久庆 | 高效率发电机 |
-
2011
- 2011-05-10 CN CN2011201525598U patent/CN202127310U/zh not_active Expired - Lifetime
- 2011-07-12 JP JP2011153950A patent/JP4927226B1/ja not_active Expired - Fee Related
- 2011-12-19 JP JP2011276837A patent/JP5824349B2/ja active Active
-
2012
- 2012-02-06 TW TW101103747A patent/TWI555306B/zh not_active IP Right Cessation
- 2012-02-07 WO PCT/JP2012/052667 patent/WO2012108401A1/ja not_active Ceased
- 2012-02-07 US US13/984,284 patent/US20140001907A1/en not_active Abandoned
- 2012-07-12 CN CN201210241766XA patent/CN102891545A/zh active Pending
Patent Citations (9)
| Publication number | Priority date | Publication date | Assignee | Title |
|---|---|---|---|---|
| JPH08182280A (ja) * | 1994-12-26 | 1996-07-12 | Okuma Mach Works Ltd | 電動機 |
| JPH11252845A (ja) * | 1998-03-04 | 1999-09-17 | Mitsuba Corp | 交流発電機 |
| JP2000236651A (ja) * | 1999-02-15 | 2000-08-29 | Mitsubishi Electric Corp | 回転電機 |
| JP2001286114A (ja) * | 2000-01-25 | 2001-10-12 | Toshiba Corp | 電動機及びエレベータ装置 |
| JP2002252941A (ja) * | 2000-12-20 | 2002-09-06 | Moric Co Ltd | 永久磁石型回転電機 |
| JP2004023950A (ja) * | 2002-06-19 | 2004-01-22 | Yaskawa Electric Corp | 永久磁石同期モータの電機子およびそれを用いた永久磁石同期モータ |
| JP2007124733A (ja) * | 2005-10-25 | 2007-05-17 | Matsushita Electric Ind Co Ltd | スピンドルモータ |
| JP2010098939A (ja) * | 2008-09-19 | 2010-04-30 | Yamaha Motor Electronics Co Ltd | 三相磁石式発電機および輸送機器 |
| WO2010128674A1 (ja) * | 2009-05-08 | 2010-11-11 | Kinoshita Yukio | 回転電機を用いた駆動力発生機 |
Also Published As
| Publication number | Publication date |
|---|---|
| TW201242220A (en) | 2012-10-16 |
| CN102629810A (zh) | 2012-08-08 |
| CN102891545A (zh) | 2013-01-23 |
| TWI555306B (zh) | 2016-10-21 |
| CN202127310U (zh) | 2012-01-25 |
| JP5824349B2 (ja) | 2015-11-25 |
| JP2012182973A (ja) | 2012-09-20 |
| US20140001907A1 (en) | 2014-01-02 |
| JP2012182969A (ja) | 2012-09-20 |
| JP4927226B1 (ja) | 2012-05-09 |
Similar Documents
| Publication | Publication Date | Title |
|---|---|---|
| JP4440275B2 (ja) | 三相回転電機 | |
| US20110018384A1 (en) | Motor | |
| JP2010531130A (ja) | 12個のステータ歯と10個のロータ極とを有する同期モータ | |
| WO2016132450A1 (ja) | 永久磁石式三相二重化モータおよび電動パワーステアリング装置 | |
| CN103222165B (zh) | 三相永磁伺服电动机 | |
| US20160105065A1 (en) | Rotating electric machine for vehicle | |
| JP2013197275A (ja) | 回転電機の励磁装置 | |
| JP6327803B2 (ja) | 大出力高効率単相多極発電機 | |
| JP5457869B2 (ja) | 回転電機の固定子及び回転電機 | |
| JP4927226B1 (ja) | 高効率発電機 | |
| JP2015512241A (ja) | 電気機械 | |
| CN103222166B (zh) | 一种三相永磁伺服电动机 | |
| JP2013198258A (ja) | 回転電機の励磁装置 | |
| JP2015510751A (ja) | 電動機 | |
| JP2012244726A (ja) | 回転電機の電機子および回転電機 | |
| JP6451990B2 (ja) | 回転電機 | |
| JP5924913B2 (ja) | 発電機 | |
| JP5869322B2 (ja) | 発電機 | |
| JP6126976B2 (ja) | ステータ及びモータ | |
| WO2022264588A1 (ja) | モータ | |
| JP2007306746A (ja) | 多相電動機 | |
| JP2007306745A (ja) | 多相電動機 | |
| HK1181561A (en) | High-efficiency power generator | |
| JP2021064997A (ja) | 三相交流発電機 | |
| WO2019003678A1 (ja) | モータ |
Legal Events
| Date | Code | Title | Description |
|---|---|---|---|
| 121 | Ep: the epo has been informed by wipo that ep was designated in this application |
Ref document number: 12745237 Country of ref document: EP Kind code of ref document: A1 |
|
| NENP | Non-entry into the national phase |
Ref country code: DE |
|
| WWE | Wipo information: entry into national phase |
Ref document number: 13984284 Country of ref document: US |
|
| 122 | Ep: pct application non-entry in european phase |
Ref document number: 12745237 Country of ref document: EP Kind code of ref document: A1 |