JP7635650B2 - 半導体装置の検査方法 - Google Patents

半導体装置の検査方法 Download PDF

Info

Publication number
JP7635650B2
JP7635650B2 JP2021101504A JP2021101504A JP7635650B2 JP 7635650 B2 JP7635650 B2 JP 7635650B2 JP 2021101504 A JP2021101504 A JP 2021101504A JP 2021101504 A JP2021101504 A JP 2021101504A JP 7635650 B2 JP7635650 B2 JP 7635650B2
Authority
JP
Japan
Prior art keywords
voltage
semiconductor device
electrode
test
defect
Prior art date
Legal status (The legal status is an assumption and is not a legal conclusion. Google has not performed a legal analysis and makes no representation as to the accuracy of the status listed.)
Active
Application number
JP2021101504A
Other languages
English (en)
Other versions
JP2023000584A (ja
Inventor
優 鈴木
Current Assignee (The listed assignees may be inaccurate. Google has not performed a legal analysis and makes no representation or warranty as to the accuracy of the list.)
Denso Corp
Toyota Motor Corp
Mirise Technologies Corp
Original Assignee
Denso Corp
Toyota Motor Corp
Mirise Technologies Corp
Priority date (The priority date is an assumption and is not a legal conclusion. Google has not performed a legal analysis and makes no representation as to the accuracy of the date listed.)
Filing date
Publication date
Application filed by Denso Corp, Toyota Motor Corp, Mirise Technologies Corp filed Critical Denso Corp
Priority to JP2021101504A priority Critical patent/JP7635650B2/ja
Publication of JP2023000584A publication Critical patent/JP2023000584A/ja
Application granted granted Critical
Publication of JP7635650B2 publication Critical patent/JP7635650B2/ja
Active legal-status Critical Current
Anticipated expiration legal-status Critical

Links

Images

Landscapes

  • Testing Of Individual Semiconductor Devices (AREA)
  • Testing Or Measuring Of Semiconductors Or The Like (AREA)

Description

本発明は、半導体装置の検査方法に関する。
従来、IGBT(Insulated Gate Bipolar Transistor)やMOSFET(Metal Oxide Semiconductor Field Effect Transistor)等のMOSトランジスタを有する半導体装置の電気特性の検査方法としては、例えば特許文献1に記載のものが提案されている。特許文献1に記載の検査方法は、ゲート電圧を印加した際に生じるコレクタ電流を計測すると共に、ゲート電圧に対するコレクタ電流の傾きを算出する。そして、この検査方法では、ゲート電圧に対するコレクタ電流の傾きが、10-7レベルの微小電流区間と10-5~10-3レベルの中間電流区間とで一致しない場合にはスイッチング不良と判定する。
特開2016-23964号公報
さて、この種の半導体装置は、上記のスイッチング特性のほか、ソース/ドレイン間の耐電圧の検査(以下「DS耐圧検査」という)も行われる。DS耐圧検査は、オフ状態のMOSトランジスタのドレイン電極に電圧を印加し、印加電圧を半導体装置の定格電圧に向けて上昇させ、印加電圧が当該定格電圧を超えるか否かを計測する。DS耐圧検査において、半導体装置のMOSトランジスタが正常である場合には、ドレイン電極への印加電圧が定格電圧を超える一方で、不良が生じている場合には、検査途中で当該印加電圧が定格電圧未満の電圧に低下する。
半導体装置の品質向上や製造における歩留まり改善のためには、DS耐圧検査において不良が生じた場合に、その不良原因や発生箇所を判別することが重要である。具体的には、DS耐圧検査において不良が生じた場合、その原因は、大きくは、ソース/ドレイン間の短絡もしくは耐圧不安定、またはドレイン電極の表面における沿面放電の発生の2つに分けられる。前者の場合にはトランジスタ領域に何らかの異常が生じており、後者の場合には耐圧保持領域やドレイン電極表面に何らかの異常が生じていると考えられ、半導体装置の品質向上等の観点で取りうる対策がそれぞれ異なるため、これらの判別を行うことが重要となる。
DS耐圧検査において沿面放電が生じたか否かを判別する従来の方法としては、検査後にドレイン電極表面に放電痕があるか否かを目視で確認する、あるいは、検査中にドレイン電極の表面で発光するか否かを光センサで確認するなどが挙げられる。
しかし、前者の方法では、DS耐圧検査の後に、半導体装置の外観の目視確認という追加の検査工程が必要となり、工数の増加に伴い、半導体装置の製造コストが増大してしまう。また、目視による外観検査では、見落としが生じるおそれがある。後者の方法では、DS耐圧検査時に外部の光を遮断する外壁などの遮蔽部材が必要となる上、沿面放電による光を検知する光センサを半導体装置の近傍に配置しなければならないといった制約が生じるため、検査のコストが増大してしまう。
本発明は、上記の点に鑑み、MOSトランジスタを有する半導体装置のDS耐圧検査において不良が生じた際に、DS耐圧検査以外の工数を増やすことなく、安価に、不良原因が沿面放電であるか否かを判別可能とすることを目的とする。
上記目的を達成するため、請求項1に記載の半導体装置の検査方法は、MOSトランジスタを有する半導体装置(1)の検査方法であって、オフ状態のMOSトランジスタのドレイン電極(12)に電圧を印加し、印加電圧をMOSトランジスタの定格電圧に向けて上昇させる1回目の電圧印加工程を行うことと、1回目の電圧印加工程の途中で、印加電圧が定格電圧よりも小さい第1の電圧値(Vds1)に低下した場合、継続して印加電圧を定格電圧に向けて上昇させる2回目の電圧印加工程を行うことと、2回目の電圧印加工程の途中で、印加電圧が定格電圧よりも小さい第2の電圧値(Vds2)に低下した場合、継続して印加電圧を定格電圧に向けて上昇させる3回目の電圧印加工程を行うことと、3回目の電圧印加工程の途中で、印加電圧が定格電圧よりも小さい第3の電圧値(Vds3)に低下した場合、第1の電圧値、第2の電圧値および第3の電圧値に基づいて不良の原因が沿面放電であるか否かの判定を行うことと、を含む。
この半導体装置の検査方法は、MOSトランジスタの定格電圧に向けて上昇させる1回目の電圧印加工程を行う途中で、印加電圧が定格電圧よりも小さい第1の電圧値に低下した場合、引き続いて2回目のドレイン電圧の印加を行う。そして、2回目の電圧印加工程を行う途中で、印加電圧が定格電圧よりも小さい第2の電圧値に低下した場合、引き続いて3回目のドレイン電圧の印加を行う。言い換えると、1回目の電圧印加工程において定格電圧よりも小さい電圧値に低下する不良が生じた場合には継続して2回目の電圧印加工程を行い、2回目の電圧印加工程においても同様の不良が生じたとき、さらに継続して3回目の電圧印加工程を行う。つまり、電圧印加時に不良が生じたときには、少なくとも3回の電圧印加工程を行い、それぞれの電圧印加工程の途中で低下した電圧値を取得し、これらの電圧値に基づいて不良の原因が沿面放電であるか否かを判定する。これにより、ドレイン電圧の印加工程において不良が生じた場合においても、実質的に当該印加工程以外の検査工程を増やすことなく、安価に、不良の原因が沿面放電であるか否かを判定できる。
なお、各構成要素等に付された括弧付きの参照符号は、その構成要素等と後述する実施形態に記載の具体的な構成要素等との対応関係の一例を示すものである。
実施形態に係る半導体装置の検査方法の概要を示す図である。 半導体チップの一例を示す上面レイアウト図である。 実施形態に係る半導体装置の検査における回路構成を示す図である。 DS耐圧検査における正常時のVds-Ids特性の一例を示す図である。 DS耐圧検査における異常時であって、短絡が生じたときのVds-Ids特性の一例を示す図である。 DS耐圧検査における異常時であって、耐圧が不安定なときのVds-Ids特性の一例を示す図である。 DS耐圧検査における異常時であって、耐圧が不安定なときのVds-Ids特性の他の一例を示す図である。 DS耐圧検査における異常時であって、沿面放電が発生したときのVds-Ids特性の一例を示す図である。 実施形態に係る半導体装置の検査方法における処理工程を示すフローチャートである。
以下、本発明の実施形態について図に基づいて説明する。なお、以下の各実施形態相互において、互いに同一もしくは均等である部分には、同一符号を付して説明を行う。
(実施形態)
半導体装置1および実施形態に係る電気特性の検査方法について説明する。
〔半導体装置〕
まず、半導体装置1について、図1、図2を参照して説明する。
半導体装置1は、例えば、縦型のMOSFETであり、Si(シリコン)やSiC(炭化珪素)を主材料とする1枚の半導体ウェハを公知の半導体プロセスにより加工することで製造される半導体チップである。半導体装置1は、例えば図1に示すように、SiやSiCを主として構成される基板11の一面に第1電極12が形成され、その反対面に第2電極13、第3電極14および複数の小信号端子15が形成された構造となっている。第1電極12、第2電極13および第3電極14は、それぞれ、ドレイン電極、ソース電極、ゲート電極である。
半導体装置1は、例えば図2に示すように、上面視にて、基板11の他面に第2電極13、第3電極14および複数の小信号端子15が形成され、反対側の図示しない一面の全面に第1電極12が形成されている。半導体装置1は、例えば、第2電極13が電流経路となるトランジスタ領域、第3電極14および複数の小信号端子15が第2電極13よりも小さい電流信号が伝達される小信号領域となっている。半導体装置1は、例えば、第2電極13および第3電極14を囲む外周部分に図示しないガードリング等の耐圧保持領域が形成されている。なお、第3電極14および複数の小信号端子15の配置関係や小信号端子15の数については、図2の例に限られず、適宜変更されうる。
〔検査装置〕
次に、半導体装置1の電気特性の検査を行う検査装置3の一例について、図1、図3を参照して説明する。
実施形態に係る半導体装置1の検査方法は、DS耐圧検査であり、MOSトランジスタを有する半導体装置1をステージ2にセットし、半導体装置1の第1電極12-第2電極13間に電圧を印加することで行われる。半導体装置1は、例えば、第1電極12が導電性を有するステージ2に接触した状態とされ、複数の端子31を有する検査装置3によりステージ2を介して第1電極12(ドレイン電極)に電圧が印加される。
なお、ステージ2は、セットした半導体装置1の第1電極12と電気的に接続され、ステージ2を介して第1電極12に電圧印加が可能な構成であればよく、例えば、全体が導電性材料により構成された例に限定されるものではない。例えば、ステージ2は、半導体装置1と接触する部分のみが導電性を有する構成であってもよく、その構成については、適宜変更されうる。また、ステージ2は、検査装置3の一部であってもよいし、検査装置3とは別個独立した部品であってもよい。
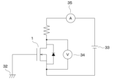
検査装置3は、例えば図1に示すように、複数の端子31と、電位固定部32と、電圧印加部33と、電圧計測部34と、電流計測部35と、検査制御部36とを有した構成とされる。
複数の端子31は、半導体装置1の各電極12~14に接触し、電圧の印加、電流の検知あるいは電位の固定に用いられる。複数の端子31は、例えば、図示しない1つの支持ヘッドにそれぞれ別個に固定され、図示しない移動機構により移動可能な構成とされる。
電位固定部32は、例えば、半導体装置1の第3電極14(ゲート電極)に端子31を介して接続される。電位固定部32は、DS耐圧検査において、例えば、ゲート電極の電位を0Vなどの所定の基準電位に固定し、半導体装置1のMOSトランジスタをオフ状態に制御するために用いられる。
電圧印加部33は、例えば、半導体装置1の第1電極12(ドレイン電極)に端子31およびステージ2を介して接続される。電圧印加部33は、例えば、DS耐圧検査において、ドレイン電極に所定範囲の電圧(限定するものではないが、数百~2000Vなど)を印加する電源である。
電圧計測部34は、例えば、半導体装置1の第1電極12(ドレイン電極)および第2電極(ソース電極)に端子31等を介して接続される電圧計である。電圧計測部34は、DS耐圧検査において、ドレイン電圧を計測すると共に、その計測結果を検査制御部36に出力する。
電流計測部35は、例えば、半導体装置1の第2電極13(ソース電極)に端子31を介して接続される電流計である。電流計測部35は、DS耐圧検査において、ドレイン電流を計測すると共に、その計測結果を検査制御部36に出力する。
検査制御部36は、例えば、電位固定部32、電圧印加部33、電圧計測部34および電流計測部35の動作や、複数の端子31と半導体装置1との接触を制御する。検査制御部36は、例えば、回路基板にCPU、ROM、RAMやI/Oなどが搭載されてなる電子制御ユニットとされる。検査制御部36は、半導体装置1のMOSトランジスタをオフ状態としつつ、ドレイン電極に電圧を印加し、印加電圧を定格電圧まで上昇させる、あるいは定格電圧以上の電圧をドレイン電極に印加するDS耐圧検査を実行する。検査制御部36は、電圧計測部34が、DS耐圧検査における電圧印加工程の途中に印加電圧が定格電圧より小さい電圧値に低下したことを検出したとき、ドレイン電極への電圧印加を継続したまま、再度、同様の電圧印加工程を実行する。そして、検査制御部36は、例えば、印加電圧の低下を検出したとき、低下時の電圧値に基づいて、不良原因が沿面放電であるか否かを判定する。この詳細については、後述する。
つまり、検査装置3は、例えば図3に示す回路構成を有し、検査制御部36が、ドレイン/ソース間に接続された電圧計測部34の計測結果に基づいて、電源である電圧印加部33によるドレイン電極への電圧印加を制御する。
以上が、半導体装置1のDS耐圧検査を実行する検査装置3の基本的な構成である。
〔半導体装置の電気特性〕
次に、DS耐圧検査における半導体装置1の電気特性について、正常時および不良時のそれぞれにおける一例を図4~図8を参照して説明する。
まず、半導体装置1は、DS耐圧検査において正常である場合には、例えば図4に示すように、ドレイン電極への印加電圧Vds1が定格電圧Vよりも大きくなり、所定のドレイン電流Ids(例えば数百μA~数mA)が生じる。
従来のDS耐圧検査は、オフ状態のMOSトランジスタのドレイン電極に定格電圧V以上のドレイン電圧を印加できた場合には正常と判定し、そうでない場合には不良と判定して終了する。半導体装置1に不良が生じる原因としては、例えば、ドレイン/ソース間における短絡などの耐圧不良、またはドレイン電極の表面における沿面放電の発生が挙げられる。耐圧不良が不良原因の場合には半導体装置1のトランジスタ領域に何らかの異常が生じており、沿面放電が不良原因である場合には半導体装置1の耐圧保持領域における何らかの異常、あるいは電極表面の汚染が生じていると考えられる。半導体装置1の品質向上や製造における歩留まり改善のためには、DS耐圧検査で不良が生じた場合に、その不良原因を判別することが重要である。
従来、DS耐圧検査での不良原因が沿面放電であるか否かを判別する手法として、DS耐圧検査後にドレイン電極の外観検査を行い、放電痕があるかどうかを確認する、または当該検査中に光センサを用いてドレイン電極近傍の発光を検出することが挙げられる。
しかし、前者の方法では、DS耐圧検査の後に追加の外観検査が必要となり、工数が増え、製造コストの増大の原因となると共に、目視による確認では見落としのおそれがある。後者の方法では、DS耐圧検査を外光が当たらない状態としなければならず、外光を遮蔽する外壁などの遮蔽部材が必要となり、光センサを半導体装置1のドレイン電極近傍に配置しなければならない。このため、後者の方法では、DS耐圧検査自体のコストが増大してしまう。
本発明者らは、鋭意検討の結果、DS耐圧検査によって簡便に不良原因の判別が可能であることを見出した。具体的には、従来では不良が生じた時点でDS耐圧検査を終了していたのに対し、不良が生じてもDS耐圧検査を継続し、印加電圧が定格電圧Vよりも小さい電圧値に低下したとき、当該電圧値を記録し、これを少なくとも2回繰り返す。このとき、ドレイン電極への電圧印加については停止せずに継続し、再度、定格電圧Vrに向けて上昇させる処理を実行する。なお、このDS耐圧検査における電圧印加工程は、1秒未満、例えば10ミリ秒といった短時間で行われるため、継続して2回繰り返した場合、すなわち合計3回の電圧印加工程を継続した場合であっても、検査時間が大幅に増大することはない。
最初のドレイン電極への電圧印加工程を1回目とし、1回目の電圧印加工程で不良が生じたときに継続して行う同様の電圧印加工程を2回目の電圧印加工程とし、1回目の電圧印加工程で不良が生じたときに継続して行う同様のものを3回目の電圧印加工程とする。1回目~3回目の電圧印加工程の途中で、印加電圧が定格電圧Vよりも小さい電圧値に低下したとき、当該低下時のドレイン電圧をそれぞれVds1、Vds2、Vds3とする。本発明者らの鋭意検討の結果、不良原因により1回目~3回目の電圧印加工程におけるVds1、Vds2、Vds3の傾向が異なることが判明した。
DS耐圧検査における不良原因がドレイン/ソース間の短絡である場合には、半導体装置1は、例えば図5に示すように、Vds1、Vds2、Vds3がほぼ一定となるVds-Ids特性を示した。
DS耐圧検査における不良原因がドレイン/ソース間の耐圧不安定である場合には、半導体装置1は、例えば図6または図7中に矢印で示すように、Vds1、Vds2、Vds3が徐々に減少または増加するVds-Ids特性を示した。
DS耐圧検査における不良原因が沿面放電である場合には、半導体装置1は、例えば図8中に矢印で示すように、Vds2がVds1よりも大きく、Vds3がVds2よりも小さくなるVds-Ids特性を示した。つまり、DS耐圧検査において沿面放電が生じた場合には、Vds2>Vds1、Vds2>Vds3の条件を満たすように、合計3回の低下時のVdsが上下に増減する傾向が得られた。
つまり、DS耐圧検査において不良が発生した場合、継続して電圧印加を行い、上記した低下時のVdsの傾向の違いを利用することで、不良原因が沿面放電であるか否かを判別することが可能となる。このDS耐圧検査における不良原因の判別は、半導体装置1がSiCを主材料で構成された場合には、その温度特性がSiを主材料として構成された場合よりも低いため、特に有効である。これは、SiCがSiと比較して温度依存性が非常に小さいことに起因し、放電時の発熱に対するVdsの変化が小さく、電圧印加時のVdsの変動をより正確に把握できるためである。
〔検査方法〕
次に、実施形態に係る半導体装置1の検査方法における制御フローの一例について、図9を参照して説明する。
本検査方法では、例えば、半導体装置1をステージ2にセットした後に、半導体装置1の各電極12~14に検査装置3の複数の端子31を接触させ、ドレイン電圧の印加を開始する(ステップS1)。ステップS1では、電位固定部32によりゲート電極を例えば0Vなどの所定の電位に固定し、半導体装置1のMOSトランジスタをオフ状態で維持しつつ、ドレイン電極への電圧印加を開始する。ステップS1でのドレイン電圧の印加工程は、上記した「1回目の電圧印加工程」に相当する。
続くステップS2では、例えば、検査制御部36は、1回目の電圧印加工程における印加電圧Vds1が定格電圧V未満であったか否かの判定を行い、肯定判定の場合にはステップS4に処理を進める。一方、ステップS2において否定判定である場合、すなわち、印加電圧Vds1が定格電圧Vを超えた場合には、例えば、検査制御部36は、ステップS3にて半導体装置1が正常であると判定し、処理を終了する。
ステップS4では、例えば、検査制御部36は、ステップS1のドレイン電圧の印加工程を継続し、2回目の電圧印加工程を実行する。ステップS4では、検査制御部36は、2回目の電圧印加工程において、ドレイン電圧が定格電圧Vよりも小さい電圧値に低下した場合であっても、2回目の電圧印加工程を継続し、3回目の電圧印加工程を実行する。
そして、ステップS5では、検査制御部36は、例えば、1回目~3回目の電圧印加工程におけるVds1、Vds2、Vds3が、Vds2>Vds1、かつVds2>Vds3の条件を満たすか否かの判定を行う。検査制御部36は、例えば、ステップS5にて肯定判定の場合には、ステップS6にてDS耐圧検査での不良原因が沿面放電であると判定し、処理を終了する。一方、ステップS5にて否定判定の場合には、検査制御部36は、ステップS7にてDS耐圧検査での不良原因が耐圧不良であると判定し、処理を終了する。
なお、上記では、ステップS5において、Vds2>Vds1、かつVds2>Vds3の条件を満たすか否かの判定を行う例を示したが、これに限定されるものではない。例えば、ステップS5では、1回目~3回目の電圧印加工程のVdsが上下に増減する傾向であるか否かを判定できればよく、Vds2-Vds1>0、かつVds2-Vds3>0の条件を満たすか否かの判定であってもよいし、他の条件設定であってもよい。
このように、実施形態に係る半導体装置1の検査方法によれば、DS耐圧検査において、半導体装置1のMOSトランジスタをオフ状態に維持しつつ、ドレイン電極に電圧を印加し、定格電圧V以上の電圧を印加できるか否かを確認する。また、印加電圧が定格電圧Vよりも小さい電圧値に低下する不良が発生したとき、継続して、同様に2回目の電圧印加工程を実行し、2回目の電圧印加工程において同様の不良が生じたとき、引き続き、同様の3回目の電圧印加工程を実行する。そして、3回目の電圧印加工程の終了後に、各電圧印加工程における低下時の電圧である、第1の電圧値Vds1、第2の電圧値Vds2、第3の電圧値Vds3の大小関係に基づいて、不良原因が沿面放電であるか耐圧不良であるかを判定する。
このため、DS耐圧検査において不良が生じた場合、ドレイン電圧の印加工程以外の追加工程が実質的に不要となり、安価に、不良原因が沿面放電であるか否かを判定可能な電気特性の検査方法となる。
(他の実施形態)
なお、上記実施形態に示した半導体装置の検査方法は、本発明の一例を示したものであり、上記の各実施形態に限定されるものではなく、特許請求の範囲に記載した範囲内において適宜変更が可能である。
1 半導体装置
12 ドレイン電極
ds1 第1の電圧値
ds2 第2の電圧値
ds3 第3の電圧値

Claims (2)

  1. MOSトランジスタを有する半導体装置(1)の検査方法であって、
    オフ状態の前記MOSトランジスタのドレイン電極(12)に電圧を印加し、印加電圧を前記MOSトランジスタの定格電圧に向けて上昇させる1回目の電圧印加工程を行うことと、
    前記1回目の電圧印加工程の途中で、前記印加電圧が前記定格電圧よりも小さい第1の電圧値(Vds1)に低下した場合、継続して前記印加電圧を前記定格電圧に向けて上昇させる2回目の電圧印加工程を行うことと、
    前記2回目の電圧印加工程の途中で、前記印加電圧が前記定格電圧よりも小さい第2の電圧値(Vds2)に低下した場合、継続して前記印加電圧を前記定格電圧に向けて上昇させる3回目の電圧印加工程を行うことと、
    前記3回目の電圧印加工程の途中で、前記印加電圧が前記定格電圧よりも小さい第3の電圧値(Vds3)に低下した場合、前記第1の電圧値、前記第2の電圧値および前記第3の電圧値に基づいて不良の原因が沿面放電であるか否かの判定を行うことと、を含む半導体装置の検査方法。
  2. 不良の原因の判定を行うことにおいては、前記第2の電圧値が前記第1の電圧値より大きく、かつ、前記第3の電圧値が前記第2の電圧値よりも小さいときには、不良の原因が沿面放電であると判定する、請求項1に記載の半導体装置の検査方法。
JP2021101504A 2021-06-18 2021-06-18 半導体装置の検査方法 Active JP7635650B2 (ja)

Priority Applications (1)

Application Number Priority Date Filing Date Title
JP2021101504A JP7635650B2 (ja) 2021-06-18 2021-06-18 半導体装置の検査方法

Applications Claiming Priority (1)

Application Number Priority Date Filing Date Title
JP2021101504A JP7635650B2 (ja) 2021-06-18 2021-06-18 半導体装置の検査方法

Publications (2)

Publication Number Publication Date
JP2023000584A JP2023000584A (ja) 2023-01-04
JP7635650B2 true JP7635650B2 (ja) 2025-02-26

Family

ID=84687067

Family Applications (1)

Application Number Title Priority Date Filing Date
JP2021101504A Active JP7635650B2 (ja) 2021-06-18 2021-06-18 半導体装置の検査方法

Country Status (1)

Country Link
JP (1) JP7635650B2 (ja)

Citations (2)

* Cited by examiner, † Cited by third party
Publication number Priority date Publication date Assignee Title
JP2017173110A (ja) 2016-03-23 2017-09-28 トヨタ自動車株式会社 検査方法
JP2020115115A (ja) 2019-01-18 2020-07-30 三菱電機株式会社 半導体装置の試験装置および半導体装置の試験方法

Patent Citations (2)

* Cited by examiner, † Cited by third party
Publication number Priority date Publication date Assignee Title
JP2017173110A (ja) 2016-03-23 2017-09-28 トヨタ自動車株式会社 検査方法
JP2020115115A (ja) 2019-01-18 2020-07-30 三菱電機株式会社 半導体装置の試験装置および半導体装置の試験方法

Also Published As

Publication number Publication date
JP2023000584A (ja) 2023-01-04

Similar Documents

Publication Publication Date Title
US20110199093A1 (en) Method for inspecting electrostatic chuck, and electrostatic chuck apparatus
CN101728293B (zh) Mos晶体管器件栅氧化层完整性测试的方法
CN104167374B (zh) 半导体芯片的试验装置以及试验方法
US20130103351A1 (en) Method for Predicting Reliable Lifetime of SOI Mosfet Device
JP5817361B2 (ja) 半導体素子の特性試験装置およびその装置を用いた半導体素子の特性試験方法
US11380596B2 (en) Semiconductor test apparatus, semiconductor device test method, and semiconductor device manufacturing method
JP7635650B2 (ja) 半導体装置の検査方法
JP6602519B1 (ja) 半導体装置、半導体装置の劣化診断装置及び半導体装置の劣化診断方法
JP7508948B2 (ja) 試験装置、試験方法および製造方法
CN114089150B (zh) 半导体芯片的试验装置及试验方法
US12360150B2 (en) Testing method and manufacturing method
JP5892912B2 (ja) 半導体装置の評価方法
JP4984714B2 (ja) 半導体装置の検査方法
JP2002156402A (ja) 半導体素子の特性検査方法及び装置
JP2003194755A (ja) 半導体パッケージの試験方法
EP0105003B1 (en) Method of screening resin-sealed semiconductor devices
JP4983174B2 (ja) ダイオード素子およびダイオード素子の検査方法
US20230067428A1 (en) Test method
CN121186551A (zh) 隔离器件可靠性检测方法及检测装置
KR100490333B1 (ko) 바이폴라트랜지스터및그제조방법
US9972705B2 (en) Method for manufacturing semiconductor device
CN116298762A (zh) 半导体测试结构及其测试方法、测试系统
JP2024062542A (ja) 半導体装置および半導体装置の検査方法
JP2024145013A (ja) 半導体装置の検査方法
JP2004022972A (ja) デバイスのテスト方法

Legal Events

Date Code Title Description
A621 Written request for application examination

Free format text: JAPANESE INTERMEDIATE CODE: A621

Effective date: 20240313

A977 Report on retrieval

Free format text: JAPANESE INTERMEDIATE CODE: A971007

Effective date: 20241023

A131 Notification of reasons for refusal

Free format text: JAPANESE INTERMEDIATE CODE: A131

Effective date: 20241029

A521 Request for written amendment filed

Free format text: JAPANESE INTERMEDIATE CODE: A523

Effective date: 20241122

TRDD Decision of grant or rejection written
A01 Written decision to grant a patent or to grant a registration (utility model)

Free format text: JAPANESE INTERMEDIATE CODE: A01

Effective date: 20250114

A61 First payment of annual fees (during grant procedure)

Free format text: JAPANESE INTERMEDIATE CODE: A61

Effective date: 20250127

R150 Certificate of patent or registration of utility model

Ref document number: 7635650

Country of ref document: JP

Free format text: JAPANESE INTERMEDIATE CODE: R150