JP7581310B2 - バッテリ充電システム及び方法 - Google Patents

バッテリ充電システム及び方法 Download PDF

Info

Publication number
JP7581310B2
JP7581310B2 JP2022204628A JP2022204628A JP7581310B2 JP 7581310 B2 JP7581310 B2 JP 7581310B2 JP 2022204628 A JP2022204628 A JP 2022204628A JP 2022204628 A JP2022204628 A JP 2022204628A JP 7581310 B2 JP7581310 B2 JP 7581310B2
Authority
JP
Japan
Prior art keywords
battery
current
voltage
charging
waveform
Prior art date
Legal status (The legal status is an assumption and is not a legal conclusion. Google has not performed a legal analysis and makes no representation as to the accuracy of the status listed.)
Active
Application number
JP2022204628A
Other languages
English (en)
Other versions
JP2023033315A (ja
Inventor
スタヴロス プレサス
レイ パーネル
Original Assignee
ペタライト リミテッド
Priority date (The priority date is an assumption and is not a legal conclusion. Google has not performed a legal analysis and makes no representation as to the accuracy of the date listed.)
Filing date
Publication date
Application filed by ペタライト リミテッド filed Critical ペタライト リミテッド
Publication of JP2023033315A publication Critical patent/JP2023033315A/ja
Application granted granted Critical
Publication of JP7581310B2 publication Critical patent/JP7581310B2/ja
Active legal-status Critical Current
Anticipated expiration legal-status Critical

Links

Images

Classifications

    • GPHYSICS
    • G01MEASURING; TESTING
    • G01RMEASURING ELECTRIC VARIABLES; MEASURING MAGNETIC VARIABLES
    • G01R31/00Arrangements for testing electric properties; Arrangements for locating electric faults; Arrangements for electrical testing characterised by what is being tested not provided for elsewhere
    • G01R31/36Arrangements for testing, measuring or monitoring the electrical condition of accumulators or electric batteries, e.g. capacity or state of charge [SoC]
    • G01R31/389Measuring internal impedance, internal conductance or related variables
    • H02J7/44
    • GPHYSICS
    • G01MEASURING; TESTING
    • G01RMEASURING ELECTRIC VARIABLES; MEASURING MAGNETIC VARIABLES
    • G01R31/00Arrangements for testing electric properties; Arrangements for locating electric faults; Arrangements for electrical testing characterised by what is being tested not provided for elsewhere
    • G01R31/36Arrangements for testing, measuring or monitoring the electrical condition of accumulators or electric batteries, e.g. capacity or state of charge [SoC]
    • G01R31/382Arrangements for monitoring battery or accumulator variables, e.g. SoC
    • G01R31/3842Arrangements for monitoring battery or accumulator variables, e.g. SoC combining voltage and current measurements
    • HELECTRICITY
    • H01ELECTRIC ELEMENTS
    • H01MPROCESSES OR MEANS, e.g. BATTERIES, FOR THE DIRECT CONVERSION OF CHEMICAL ENERGY INTO ELECTRICAL ENERGY
    • H01M10/00Secondary cells; Manufacture thereof
    • H01M10/42Methods or arrangements for servicing or maintenance of secondary cells or secondary half-cells
    • H01M10/44Methods for charging or discharging
    • HELECTRICITY
    • H01ELECTRIC ELEMENTS
    • H01MPROCESSES OR MEANS, e.g. BATTERIES, FOR THE DIRECT CONVERSION OF CHEMICAL ENERGY INTO ELECTRICAL ENERGY
    • H01M10/00Secondary cells; Manufacture thereof
    • H01M10/42Methods or arrangements for servicing or maintenance of secondary cells or secondary half-cells
    • H01M10/48Accumulators combined with arrangements for measuring, testing or indicating the condition of cells, e.g. the level or density of the electrolyte
    • HELECTRICITY
    • H02GENERATION; CONVERSION OR DISTRIBUTION OF ELECTRIC POWER
    • H02JCIRCUIT ARRANGEMENTS OR SYSTEMS FOR SUPPLYING OR DISTRIBUTING ELECTRIC POWER; SYSTEMS FOR STORING ELECTRIC ENERGY
    • H02J7/00Circuit arrangements for charging or depolarising batteries or for supplying loads from batteries
    • HELECTRICITY
    • H02GENERATION; CONVERSION OR DISTRIBUTION OF ELECTRIC POWER
    • H02JCIRCUIT ARRANGEMENTS OR SYSTEMS FOR SUPPLYING OR DISTRIBUTING ELECTRIC POWER; SYSTEMS FOR STORING ELECTRIC ENERGY
    • H02J7/00Circuit arrangements for charging or depolarising batteries or for supplying loads from batteries
    • H02J7/02Circuit arrangements for charging or depolarising batteries or for supplying loads from batteries for charging batteries from AC mains by converters
    • H02J7/04Regulation of charging current or voltage
    • HELECTRICITY
    • H02GENERATION; CONVERSION OR DISTRIBUTION OF ELECTRIC POWER
    • H02JCIRCUIT ARRANGEMENTS OR SYSTEMS FOR SUPPLYING OR DISTRIBUTING ELECTRIC POWER; SYSTEMS FOR STORING ELECTRIC ENERGY
    • H02J7/00Circuit arrangements for charging or depolarising batteries or for supplying loads from batteries
    • H02J7/02Circuit arrangements for charging or depolarising batteries or for supplying loads from batteries for charging batteries from AC mains by converters
    • H02J7/04Regulation of charging current or voltage
    • H02J7/06Regulation of charging current or voltage using discharge tubes or semiconductor devices
    • H02J7/60
    • H02J7/80
    • H02J7/90
    • H02J7/927
    • H02J7/94
    • H02J7/96
    • H02J7/977
    • HELECTRICITY
    • H01ELECTRIC ELEMENTS
    • H01MPROCESSES OR MEANS, e.g. BATTERIES, FOR THE DIRECT CONVERSION OF CHEMICAL ENERGY INTO ELECTRICAL ENERGY
    • H01M10/00Secondary cells; Manufacture thereof
    • H01M10/42Methods or arrangements for servicing or maintenance of secondary cells or secondary half-cells
    • H01M10/425Structural combination with electronic components, e.g. electronic circuits integrated to the outside of the casing
    • H01M10/4257Smart batteries, e.g. electronic circuits inside the housing of the cells or batteries
    • YGENERAL TAGGING OF NEW TECHNOLOGICAL DEVELOPMENTS; GENERAL TAGGING OF CROSS-SECTIONAL TECHNOLOGIES SPANNING OVER SEVERAL SECTIONS OF THE IPC; TECHNICAL SUBJECTS COVERED BY FORMER USPC CROSS-REFERENCE ART COLLECTIONS [XRACs] AND DIGESTS
    • Y02TECHNOLOGIES OR APPLICATIONS FOR MITIGATION OR ADAPTATION AGAINST CLIMATE CHANGE
    • Y02EREDUCTION OF GREENHOUSE GAS [GHG] EMISSIONS, RELATED TO ENERGY GENERATION, TRANSMISSION OR DISTRIBUTION
    • Y02E60/00Enabling technologies; Technologies with a potential or indirect contribution to GHG emissions mitigation
    • Y02E60/10Energy storage using batteries

Landscapes

  • Physics & Mathematics (AREA)
  • General Physics & Mathematics (AREA)
  • Engineering & Computer Science (AREA)
  • Power Engineering (AREA)
  • Chemical Kinetics & Catalysis (AREA)
  • Chemical & Material Sciences (AREA)
  • Manufacturing & Machinery (AREA)
  • Electrochemistry (AREA)
  • General Chemical & Material Sciences (AREA)
  • Charge And Discharge Circuits For Batteries Or The Like (AREA)
  • Secondary Cells (AREA)
  • Measurement Of Resistance Or Impedance (AREA)
  • Tests Of Electric Status Of Batteries (AREA)
  • Dc-Dc Converters (AREA)

Description

本発明の実施形態は、バッテリの充電において使用される方法及びシステムに関する。
従来、(リチウムイオンバッテリなどの)バッテリを再充電するための基本的なバッテリ充電システムは、充電式バッテリの端子に定電力又はパルス電力を付与することができる。通常、リチウムイオンバッテリの充電サイクルは、バッテリ充電システムが第1の充電サイクル期間中に実質的に一定の電流をバッテリに供給するように制御される初期定電流動作を含むことができる。従来のバッテリ充電システムは、バッテリの端子間電圧が所定のレベルに達すると、通常はこの第2の充電サイクル期間中にこれらの端子間に定電圧又は定電力をもたらすように制御される(すなわち、定電圧充電サイクル動作)。最後に、バッテリが実質的にフル充電されると充電サイクルを終了し、或いはメンテナンス動作又はスタンバイ動作を維持して、自己放電を補償するために時々バッテリに電力を供給することができる。
ほとんどの従来の充電器は、バッテリがフル充電の60%~80%になると、定電流充電サイクル動作から定電圧充電サイクル動作又は定電力充電サイクル動作に切り替わる。
特定の理論に縛られることを望むわけではないが、再充電中のバッテリの正極から同じバッテリの負極に移動するイオンは、正極に面した負極の境界又はその付近における(すなわち、固体電解質界面(solid-electrolyte interphase:SEI)層における)インターカレーション(挿入)の前にパイルアップ(蓄積)しやすいと考えられている。このパイルアップは、負極におけるイオンのインターカレーションを減速させると考えられ、バッテリの電気抵抗を高める。
また、従来の充電では、一般にSEI層が成長(すなわち、肥厚)して、最終的に複数回の充電サイクル後に十分に厚くなると、バッテリの充電容量の低下、ひいてはバッテリの故障を引き起こすようになる。
従来のバッテリ充電システムは、従来の充電サイクルに必要な定電圧動作又は定電力動作と定電流動作とを実現するために比較的複雑な電子回路を使用し、力率補正を行うためにさらなる電子回路を必要とする。これらの複雑な電子回路は、数多くの比較的高価な部品を使用する。
従って、従来のバッテリ充電サイクル及びシステムに関連する1又は2以上の問題点を軽減することが望ましい。
従って、本発明の1つの態様は、バッテリの充電方法であって、バッテリに充電電流を供給するステップと、充電中にバッテリの特性を実質的に継続して特定するステップと、特定されたバッテリの特性に依存して充電電流の特性を変化させるステップと、を含む方法を提供する。バッテリ特性を実質的に継続して測定することにより、バッテリに供給される充電電流を、さらに最適なバッテリ充電電流を供給するように実質的にリアルタイムで変化させて、バッテリ充電時間の安全な最小化を可能にする。一般的には、複数のバッテリ特性を特定して、必要な充電電流特性を特定するのに役立つことができる、バッテリ状態に関する情報を提供することができる。任意に、充電電流は、振動するDC波形を有する。任意に、充電電流は、パルス状のDC波形を有する。このような時変DC充電電流を使用すると、充電プロセスを中断することなくバッテリの内部インピーダンスなどの特性をさらに容易に測定することができる。効率性のために、波形の少なくとも一部は、実質的に整流された正弦波の形を有する。任意に、波形の少なくとも一部は、実質的に二乗正弦波の形を有する。これらの波形は、力率の高い有利なバッテリ充電をもたらす一方で単純に生成することができる。任意に、この波形は、約0.5アンペア未満の、好ましくは約0.1アンペア未満の、さらに好ましくは約ゼロアンペアの電流値において発生する最小値を有する。約0アンペアの最小値を有する波形を有することにより、バッテリ特性に対する帯電及び/又は内部電位上昇の影響を抑えることができる。任意に、特定される特性は電流波形から特定される。電流波形は比較的測定が容易であり、さらなるバッテリ特性を特定するために使用することができる。任意に、特定される特性は、少なくとも波形の周波数において特定される。少なくとも波形の周波数で特性を特定することにより、実質的に継続したバッテリ特性のモニタリングが行われ、波形サイクル当たり最低1回特性が特定される。これにより、バッテリのあらゆる過負荷を防ぐために充電電流を頻繁に又は実質的に継続して更新することができる。任意に、特定される特性は、波形の上昇部分の間に特定される。正確さのために、特定される特性は、波形の最小値から開始する測定から特定される。波形の最小値は、測定にとって有利な開始点をもたらして、測定される特性の変化を大きくし、従ってわずかな誤差を低減することができる。任意に、特定される特性は、波形の下降部分の間に特定される。波形の上昇部分に加えて波形の下降部分の間に特性を測定すると、異なる開始点から特性を特定することができ、誤差の検出又は低減に役立つことができる。任意に、この波形は、電圧源の周波数の約整数倍の周波数で供給される。商用電圧源の整数倍で波形を供給すると、力率が高くなって充電効率を高めることができる。任意に、波形は、商用電圧源の周波数の約2倍の周波数で供給され、これによってさらに効率的な充電をもたらすことができる。任意に、波形は、商用電圧源の周波数に固定される。商用電圧源の周波数に固定された波形を提供するということは、電流波形の最小値とゼロの電圧波形とが実質的に同時に発生し、これによってさらに高い力率を提供できることを意味する。任意に、特定されるバッテリの特性は、バッテリの内部インピーダンスを含む。この内部インピーダンスを用いてバッテリの状態を示すことができる。任意に、バッテリの内部インピーダンスは、バッテリにおける測定された電流の変化及び測定された電圧の変化から特定される。これにより、内部インピーダンスを間接的に測定できるようになる。任意に、特定されるバッテリの特性は、セルの内部インピーダンスを含む。任意に、特定されるバッテリの特性は、最大セルインピーダンスを含む。バッテリが複数のセルを含む場合、セルインピーダンスはセル毎に異なり得る。最もインピーダンスの高いセルは、安全な充電電流の限界を決定する。任意に、特定されるバッテリの特性はバッテリ温度を含む。任意に、特定されるバッテリの特性はセル温度を含む。バッテリ及び/又はセルの温度は、例えば現在使用している充電電流が安全であるかどうかなどの、バッテリ及び/又はセルの状態に関する情報を示すことができる。任意に、様々な特性は、電流平均値、電流最大値、電流振幅、デューティサイクル及び/又は充電モードを含む。これらの電流の特性を変化させると、バッテリに供給される電力が変化して、バッテリを安全限度内に維持しながらバッテリの充電時間を最小化することができる。任意に、方法は、バッテリが充電していた時間を測定することによってバッテリが受け取った充電量を特定するステップをさらに含む。これにより、バッテリの充電状態をモニタすることができる。任意に、バッテリはリチウムイオンバッテリである。リチウムイオンバッテリは幅広い用途で使用されている。本発明の別の態様によれば、バッテリ充電システムであって、バッテリに充電電流を供給するのに適した電流源と、制御ユニットとを備え、制御ユニットが、充電中にバッテリの特性を実質的に継続して特定するように構成されるとともに、特定されたバッテリの特性に依存して充電電流の特性を変化させるように構成されたシステムが提供される。制御ユニットは、実質的に継続して特定されたバッテリの特性に基づいて充電電流を変化させて、充電にとって効率的であると同時にバッテリに損傷を与えないように安全限度内に収まる特性を有する充電電流を供給できるようにする。任意に、充電電流は、振動するDC波形として供給される。任意に、充電電流は、パルス状のDC波形として供給される。このような時変DC充電電流を使用すると、充電プロセスを中断することなく、バッテリの内部インピーダンスなどの特性をさらに容易に測定することができる。任意に、波形の少なくとも一部は、実質的に整流された正弦波の形を有する。任意に、波形の少なくとも一部は、実質的に二乗正弦波の形を有する。これらの波形は、有利なバッテリ充電をもたらす一方で単純に生成することができる。任意に、この波形は、約0.5アンペア未満の、好ましくは約0.1アンペア未満の、さらに好ましくは約ゼロアンペアの電流値において発生する最小値を有する。これにより、バッテリの特性に対する帯電及び/又は内部電位上昇の影響を抑えることができる。効率性のために、特定される特性は電流波形から特定される。電流波形は比較的測定が容易であり、さらなるバッテリ特性を特定するために使用することができる。安全のために、特定される特性のうちの1つ又は2つ以上は、少なくとも波形の周波数において特定される。任意に、特定される特性のうちの1又は2以上は、波形の周波数の少なくとも2倍において特定される。少なくとも波形の周波数で特性を特定することにより、実質的に継続したバッテリ特性のモニタリングが行われ、波形サイクル当たり最低1回特性が特定される。これにより、バッテリのあらゆる過負荷を防ぐために充電電流を頻繁に又は実質的に継続して更新することができる。任意に、特定される特性は、波形の上昇部分の間に特定される。正確さのために、特定される特性は、波形の最小値から開始する測定から特定される。波形の最小値は、測定にとって有利な開始点をもたらして、測定される特性の変化を大きくし、従ってわずかな誤差を低減することができる。任意に、特定される特性は、波形の下降部分の間に特定される。波形の上昇部分に加えて波形の下降部分の間に特性を測定すると、異なる開始点から特性を特定することができ、誤差の検出又は低減に役立つことができる。生成を容易にするために、波形は、電圧源の約整数倍の周波数で供給される。任意に、波形は、電圧源の約2倍の周波数で供給される。任意に、波形は、電圧源に固定された周波数で供給される。これにより、力率が高くなって効率が高まる。任意に、電流源はフライバックコンバータを含む。フライバックコンバータを使用して電流波形を生成すると、
充電電流を生成するためのバルクコンデンサの要件を低減又は排除することができる。任意に、システムは、電圧測定手段及び/又は電流測定手段をさらに備える。電流及び電圧、又は電流変化及び電圧変化を特定することにより、バッテリへの電流の供給を中断することなくバッテリの特性を特定できるようになる。任意に、バッテリの状態を示すために、1又は2以上の特定されるバッテリの特性はバッテリの内部インピーダンスを含む。この内部インピーダンスを用いてバッテリの状態を示すことができる。任意に、バッテリの内部インピーダンスは、バッテリにおける測定された電流の変化及び測定された電圧の変化から特定される。これにより、バッテリの内部インピーダンスを間接的に特定できるようになる。任意に、特定されるバッテリの特性は、セルの1又は2以上の内部インピーダンスを含む。任意に、特定されるバッテリの特性は、最大セルインピーダンスを含む。バッテリが複数のセルを含む場合、セルインピーダンスはセル毎に異なり得る。最もインピーダンスの高いセルは、安全な充電電流の限界を決定する。任意に、特定されるバッテリの特性はバッテリ温度を含む。バッテリ及び/又はセルの温度は、バッテリの状態に関する情報を示すことができる。任意に、様々な特性は、電流平均値、電流最大値、電流振幅、デューティサイクル及び/又は充電モードのうちの少なくとも1つを含む。これらの電流の特性を変化させると、バッテリに供給される電力が変化して、バッテリを安全限度内に維持しながらバッテリの充電時間を最小化することができる。任意に、システムは、バッテリが充電していた時間を測定することによってバッテリが受け取った充電量を特定するように構成されたクロックをさらに備える。これにより、バッテリの充電状態をモニタできるようになる。自己学習及び更新を可能にするために、制御ユニットは、複数の特定されたバッテリ特性をデータベース及び/又はルックアップテーブルに記憶するように構成することができる。本発明のさらに別の態様によれば、充電中にバッテリの内部インピーダンスをモニタする方法であって、バッテリに時変電流を供給するステップと、電流の変化を実質的に継続して測定するステップと、対応する電圧の変化を実質的に継続して測定するステップと、電流の変化及び対応する電圧の変化からバッテリの内部インピーダンスを特定するステップと、を含む方法が提供される。任意に、時変電流は、振動するDC波形の形で供給される。任意に、波形の少なくとも一部は、実質的に二乗正弦波の形を有する。これらの波形は、有利なバッテリ充電をもたらす一方で単純に生成することができる。任意に、正確さのために、波形は、約0.5アンペア未満の、好ましくは約0.1アンペア未満の、さらに好ましくは約ゼロアンペアの電流値において発生する最小値を有する。これにより、電流変化及び対応する電圧変化の測定値に対する帯電及び/又は内部電位上昇の影響を小さくすることができる。任意に、インピーダンスは、少なくとも波形の周波数において特定される。これにより、バッテリインピーダンスの特定が実質的に継続して行われる。任意に、電流の変化及び/又は電圧の変化は、波形の上昇部分の間に測定される。正確さのために、電流の変化及び/又は電圧の変化は、波形の最小値から開始して測定される。波形の最小値は、測定にとって有利な開始点をもたらして、測定される電流の変化を大きくし、従ってわずかな誤差を低減することができる。柔軟性のために、電流の変化及び/又は電圧の変化は、波形の下降部分の間に測定される。本発明のさらに別の態様によれば、振動波形を有する電流を供給するように適合され、波形の最小値が0A又はほぼ0Aであるバッテリ充電器が提供される。任意に、波形の最小値は0.1A未満であり、さらに好ましくは0.01A未満であり、さらに好ましくは0.001A未満である。0A又はほぼ0Aの波形の最小値を提供することにより、バッテリ内の静電荷及び/又は内部電位の増加を抑えることができる。任意に、ピーク間電流は1Aよりも大きく、好ましくは約10A~約30Aである。大きなピーク間電流を供給すると、インピーダンス測定の精度を高めることができる。正確さのために、波形の振動周期当たり少なくとも0.5msが、好ましくは少なくとも1msが、さらに好ましくは少なくとも5msが、さらに好ましくは少なくとも10msが0A又はほぼ0Aである。正確さのために、波形の振動周期当たり、周期の少なくとも0.5%が、好ましくは少なくとも1%が、さらに好ましくは少なくとも5%が、さらに好ましくは少なくとも10%が0A又はほぼ0Aである。任意に、複数のバッテリ充電システムが設けられ、各バッテリ充電システムは、多相入力の単相から入力を受け取って共通の出力を生成するように構成される。本発明のさらに別の態様によれば、バッテリの充電方法であって、AC電源をバッテリへの充電電流に変換するステップを含み、電流が振動波形を有し、波形の最小値が0A又はほぼ0Aである方法が提供される。任意に、この波形は、本発明の他の態様に関連して上述した波形のうちの1つ又は2つ以上に従う。別の態様によれば、バッテリに充電電流を供給するためのバッテリ充電器であって、スイッチモード電力変換器と、スイッチング周波数及び/又はデューティサイクルを変化させて所望の波形の電流を供給するように適合されたコントローラと、を備えるバッテリ充電器が提供される。スイッチング周波数及び/又はデューティサイクルを変化させることにより、供給される電流が時間と共に変化することができ、これによって所望の波形を有する電流を供給できるようになる。特定の波形を用いたバッテリ充電は、バッテリによる電流取り込みの最適化、バッテリ加熱の低減、バッテリ正常性の評価、バッテリ充電時間の短縮及びバッテリ耐用年数の最適化を含む複数の理由で有用となり得る。コントローラは、スイッチモード電力変換器の1又は2以上のデューティサイクル後にスイッチング周波数及び/又はデューティサイクルを変化させるように適合することができる。スイッチング周波数及び/又はデューティサイクルを比較的頻繁に変化させることにより、滑らかな波形を実現することができる。コントローラは、滑らかな波形のために、スイッチモード電力変換器の各デューティサイクル後にスイッチング周波数及び/又はデューティサイクルを変化させるように適合することができる。コントローラは、AC電源の電圧振動に依存してスイッチング周波数及び/又はデューティサイクルを変化させるように適合することができる。これにより、振動する電流波形を効率的に生成することができる。依存性に起因して高い力率を達成することができる。これにより、大型の重いものとなり得る力率補正ハードウェアの必要性を避けることができる。
コントローラは、AC電源の各電圧振動中にスイッチング周波数及び/又はデューティサイクルを複数回、好ましくは各電圧振動中に少なくとも3回、好ましくは少なくとも10回、さらに好ましくは各電圧振動中に少なくとも100回、さらに好ましくは各電圧振動中に少なくとも800回変化させるように適合することができる。これにより、良好な電圧振動の複製を可能にすることができる。正確さのために、バッテリ充電器は、コントローラにAC電源の電圧の指標を提供するように適合された電圧センサをさらに含むことができる。正確さのために、電圧センサは、少なくともコントローラがスイッチング周波数を変化させるのと同様の頻度で電圧を検知するように適合することができる。スイッチング周波数及び/又はデューティサイクルは、AC電源の整流された(好ましくは、全波整流された)電圧振動に依存して変化することができる。整流は振動数を倍増させるとともに、振動によって極性が変化しないことを保証することができ、このことは電圧振動に依存してスイッチング周波数を変化させるために有利である。所望の波形はAC電源の周波数の約整数倍の周波数を有し、好ましくはAC電源の周波数の約2倍の周波数を有することができる。これにより、特に高い力率を有する振動電流波形をとりわけ効率的に生成することができる。効率性のために、所望の波形は、AC電源の周波数に固定することができる。所望の波形は、正弦波、全波整流された正弦波、二乗正弦波、又はこれらの組み合わせとすることができる。これらの波形は、有利なバッテリ充電をもたらす一方で単純に生成することができる。スイッチモード電力変換器は、フライバックトランスとすることができる。フライバックトランスは、好適なスイッチング周波数及び/又はデューティサイクル範囲に対応することができる。有効性のために、スイッチモード電力変換器は、臨界導通モードで動作するように適合することができる。スイッチング周波数及び/又はデューティサイクルは、1kHz~1000kHzの範囲内で、好ましくは10kHz~500kHzの範囲内で、さらに好ましくは40kHz~200kHzの範囲内で変化することができる。この範囲は、50又は60Hzの典型的な商用電源周波数及び100又は120Hzの整流された周波数よりも比較的高く、従って25Hz~150Hzの周波数を有する所望の波形の円滑な生成を可能にすることができる。適応性のために、コントローラは、バッテリへの所望の最大充電電流に依存してスイッチング周波数及び/又はデューティサイクルを変化させるように適合することができる。所望の最大充電電流は、バッテリ温度、バッテリ電圧、バッテリ電流、バッテリ電圧の変化、バッテリ電流の変化、バッテリインピーダンス、充電時間及び蓄積されたバッテリ充電量のうちの1つ又は2つ以上に依存することができる。これらは、とりわけ比較的大きな又は小さな充電電流が有利となり得る条件又は状況を示すことができる。コントローラは、バッテリに供給される最小充電電流が1A未満であるように、好ましくは0.1A未満であるように、さらに好ましくは0.01A未満であるように、さらに好ましくは約0Aであるようにスイッチング周波数及び/又はデューティサイクルを変化させるように適合することができる。これにより、ヒステリシス効果を低減して有利なバッテリ挙動及び充電を可能にすることができる。コントローラは、バッテリに供給されるピーク間電流が1Aよりも大きいように、好ましくは約10A~約30Aであるようにスイッチング周波数及び/又はデューティサイクルを変化させるように適合することができる。これにより、過度に大きく危険な電流を使用せずにリチウムイオンバッテリ、ハンドヘルド装置のバッテリなどのバッテリの効果的な充電を可能にすることができる。バッテリ充電器は、電力変換器からの出力電流を平滑化するように適合された平滑器をさらに備えることができる。複数のバッテリ充電器の各々は、多相入力に接続されるように構成して共通の出力に接続することができる。これにより、整流された波形から滑らかな波形を生成することができる。滑らかな波形は効果的な充電を可能にすることができるので、バッテリの充電に有利である。別の態様によれば、バッテリの充電方法であって、スイッチモード電力変換器を用いてAC電源をバッテリへの充電電流に変換するステップを含み、スイッチング周波数及び/又はデューティサイクルが所望の波形に依存して変化する方法が提供される。スイッチング周波数及び/又はデューティサイクルを変化させることにより、供給される電流が時間と共に変化することができ、これによって所望の波形を有する電流を供給できるようになる。特定の波形を用いたバッテリ充電は、バッテリによる電流取り込みの最適化、バッテリ加熱の低減、バッテリ正常性の評価、バッテリ充電時間の短縮及びバッテリ耐用年数の最適化を含む複数の理由で有用となり得る。スイッチング周波数及び/又はデューティサイクルは、スイッチモード電力変換器の1又は2以上のデューティサイクル後に、好ましくは各デューティサイクル後に変化させることができる。スイッチング周波数を比較的頻繁に変化させることにより、滑らかな波形を実現することができる。スイッチング周波数及び/又はデューティサイクルは、AC電源の電圧振動に依存して変化することができる。これにより、振動電流波形を効率的に生成することができる。依存性に起因して高い力率を達成することができる。これにより、大型の重いものとなり得る力率補正ハードウェアの必要性を避けることができる。スイッチング周波数及び/又はデューティサイクルは、AC電源の各電圧振動中に複数回、好ましくは各電圧振動中に少なくとも3回、好ましくは少なくとも10回、さらに好ましくは少なくとも100回、さらに好ましくは各電圧振動中に少なくとも800回変化することができる。これにより、良好な電圧振動の複製を可能にすることができる。正確さのために、方法は、AC電源の電圧を検知するステップと、電圧に依存してスイッチング周波数及び/又はデューティサイクルを変化させるステップとをさらに含み、好ましくは少なくともスイッチング周波数が変化する頻度で電圧を検知するステップを含むことができる。スイッチング周波数及び/又はデューティサイクルは、1kHz~1000kHzの範囲内で、好ましくは10kHz~500kHzの範囲内で、さらに好ましくは40kHz~200kHzの範囲内で変化することができる。この範囲は、50又は60Hzの典型的な商用電源周波数及び100又は120Hzの整流された周波数よりも比較的高く、従って25Hz~150Hzの周波数を有する所望の波形の円滑な生成を可能にすることができる。スイッチング周波数及び/又はデューティサイクルは、AC電源の整流された(好ましくは、全波整流された)電圧振動に依存して変化することができる。整流は振動数を倍増させるとともに、振動によって極性が変化しないことを保証することができ、このことは電圧振動に依存してスイッチング周波数を変化させるために有利である。適応性のために、スイッチング周波数及び/又はデューティサイクルは、バッテリへの所望の最大充電電流に依存して変化することができ、任意に所望の最大充電電流は、バッテリ温度、バッテリ電圧、バッテリ電流、バッテリ電圧の変化、バッテリ電流の変化、バッテリインピーダンス、充電時間及び蓄積されたバッテリ充電量のうちの1つ又は2つ以上に依存する。これらは、とりわけ比較的大きな又は小さな充電電流が有利となり得る条件又は状況を示すことができる。スイッチング周波数及び/又はデューティサイクルは、バッテリに供給される最小充電電流が1A未満であるように、好ましくは0.1A未満であるように、さらに好ましくは0.01A未満であるように、さらに好ましくは約0Aであるように変化することができる。これにより、ヒステリシス効果を低減して有利なバッテリ挙動及び充電を可能にすることができる。スイッチング周波数は、バッテリに供給されるピーク間電流が1Aよりも大きいように、好ましくは約10A~約30Aであるように変化することができる。別の態様によれば、以下の特徴のうちの1つ又は2つ以上を含むバッテリ充電システムが提供される。
・トランスが、好ましくは第1の一次巻線及び/又は第1の二次巻線を含む。
・一次スイッチ素子が、好ましくは電源からトランスの第1の一次巻線などに供給される電流を制御するように構成される。
・端子が、トランスの第1の二次巻線などから電力を受け取るように構成されて、充電すべきバッテリに接続されるように構成される。
・制御サブシステムが、一次スイッチ素子の動作を制御するように構成される。
・制御サブシステムが、トランスが約1Aよりも大きなピーク間電流を有する電流波形を有する電力を端子に供給するように一次スイッチ素子を制御するよう構成される。
・制御サブシステムが、電流波形を用いて、充電すべきバッテリの電気インピーダンスを特定するように構成される。
・制御サブシステムが、特定された充電すべきバッテリの電気インピーダンスに少なくとも部分的に基づいて一次スイッチ素子を制御するように構成される。
・電流波形が、約60Hzよりも高い、好ましくは約100Hz~120Hzの周波数を有する。
・電流波形が、約10A~約30Aのピーク間電流を有する。
・電流波形が、約0Aの低電流とピーク電流との間で変化する。
・電流波形が、電源の周波数の実質的に2倍の周波数を有する。
・一次スイッチ素子が、特定された充電すべきバッテリの電気インピーダンスに少なくとも部分的に基づいて変化する周波数及び/又はデューティサイクルに従って動作する。
・トランスに供給される電流の1又は2以上のパルスのエンベロープが、実質的に電源の電圧波形に従う。
・トランスがフライバックトランスである。
・充電すべきバッテリの電気インピーダンスが、約60Hzよりも高い、好ましくは約100Hz~約120Hzの周波数において特定される。
・トランスが、整流されたAC電源に接続可能ある。
・制御サブシステムが、トランスが実質的に整流された正弦波形電流及び/又は一定の二乗平均平方根正弦波形を有する電流波形の電力を端子に供給するように一次スイッチ素子を制御するよう構成される。
・制御サブシステムが、トランスがAC電源の電圧の周波数の実質的に2倍の周波数を有する電流波形の電力を端子に供給するように一次スイッチ素子を制御するよう構成される。
・制御サブシステムが、時間と共に変化する周波数でオン状態とオフ状態との間で作動するように一次スイッチ素子を制御するよう構成される。
・制御サブシステムが、AC電源の電圧の大きさ及び/又はバッテリ電流の大きさ及び/又はバッテリ電圧の大きさに依存する周波数でオン状態とオフ状態との間で作動するように一次スイッチ素子を制御するよう構成される。
別の態様によれば、以下の特徴のうちの1又は2以上を含むバッテリ充電システムの動作方法が提供される。
・バッテリ充電システムが、好ましくは第1の一次巻線及び第1の二次巻線を含むトランス変圧器を含む。
・バッテリ充電システムが、好ましくは電源から第1の一次巻線に供給される電流を制御するように構成された一次スイッチ素子を含む。
・端子が、トランスの第1の二次巻線から電力を受け取るように構成されて、充電すべきバッテリに接続されるように構成される。
・制御サブシステムが、一次スイッチ素子の動作を制御するように構成される。
・トランスが約1Aよりも大きなピーク間電流を有する電流波形を有する電力を端子に供給するように一次スイッチ素子を制御する。
・電流波形を用いて、充電すべきバッテリの電気インピーダンスを特定する。
・特定された充電すべきバッテリの電気インピーダンスに少なくとも部分的にさらに基づいて一次スイッチ素子を制御する。
・一次スイッチ素子を制御することが、電流波形が約60Hzよりも高い、好ましくは約100Hz~120Hzの周波数を有するように一次スイッチ素子を制御することを含む。
・一次スイッチ素子を制御することが、電流波形が約10A~約30Aのピーク間電流を有するように一次スイッチ素子を制御することを含む。
・一次スイッチ素子を制御することが、電流波形が約0Aの低電流とピーク電流との間で変化するように一次スイッチ素子を制御することを含む。
・一次スイッチ素子を制御することが、電流波形が電源の周波数の実質的に2倍の周波数を有するように一次スイッチ素子を制御することを含む。
・一次スイッチ素子を制御することが、特定された充電すべきバッテリの電気インピーダンスに少なくとも部分的に基づいて一次スイッチ素子の周波数及び/又はデューティサイクルを変化させるように一次スイッチ素子を制御することをさらに含む。
・一次スイッチ素子を制御することが、トランスに供給される電流の1又は2以上のパルスのエンベロープが実質的に電源の電圧波形に従うように一次スイッチ素子を制御することを含む。
・充電すべきバッテリの電気インピーダンスが、約60Hzよりも高い、好ましくは約100Hz~120Hzの周波数において特定される。
本明細書で使用するDCは、好ましくは一定の極性を有する電圧及び/又は電流を意味する。DC電圧及び/又は電流は、例えばパルス状の波形、振動する波形、又は別様に変化する波形の形で時間的に変化することができる。スイッチモード電力変換器では、スイッチング周波数を変化させるとデューティサイクルが変化し、この逆もまた同様である。スイッチング周波数の変化は、デューティサイクルを変化させることによって実現することができ、この逆もまた同様である。本明細書においてスイッチング周波数の変化について言及する場合には、これをデューティサイクルの変化に置き換えることができる。本発明は、実質的に本明細書で説明するような、及び/又は図を参照しながら例示するようなバッテリ充電器及び/又はバッテリ充電システムにまで及ぶ。本発明は、実質的に本明細書で説明するような、及び/又は図を参照しながら例示するようなバッテリの充電方法にまでも及ぶ。本発明は、実質的に本明細書で説明するような、及び/又は図を参照しながら例示するようなバッテリのインピーダンスの特定方法にまでも及ぶ。
本明細書で説明するあらゆる装置の特徴は方法の特徴として提供することもでき、この逆もまた同様である。本明細書では、ミーンズプラスファンクションの機能を、これらの機能の対応する構造面から別様に表現することもできる。
本発明の1つの態様におけるあらゆる特徴は、本発明の他の態様にあらゆる適切な組み合わせで適用することができる。具体的には、方法の態様を装置の態様に適用することができ、その逆もまた同様である。さらに、1つの態様におけるいずれかの、一部の及び/又は全部の特徴を、他のいずれかの態様におけるいずれかの、一部の及び/又は全部の特徴にあらゆる適切な組み合わせで適用することもできる。
また、本発明のいずれかの態様において説明し定義する様々な特徴の特定の組み合わせを単独で実装及び/又は供給及び/又は使用することもできると理解されたい。
以下の例示的な図面を参照しながら本発明をほんの一例として説明する。
従来のバッテリ充電中に起きていると思われることを概略的に示す図である。 従来のバッテリ充電中に起きていると思われることを概略的に示す図である。 本発明の実施形態を示す図である。 実施形態の動作中における電流及び電圧のグラフ表現である。 実施形態の動作中における電流及び電圧のグラフ表現である。 実施形態の動作中における電流及び電圧のグラフ表現である。 実施形態の動作中における電流及び電圧のグラフ表現である。 実施形態の動作中における電流及び電圧のグラフ表現である。 実施形態の動作中における電流及び電圧のグラフ表現である。 いくつかの実施形態によるバッテリ充電システム及びその一部を示す図である。 いくつかの実施形態によるバッテリ充電システム及びその一部を示す図である。 いくつかの実施形態によるバッテリ充電システム及びその一部を示す図である。 いくつかの実施形態によるバッテリ充電システム及びその一部を示す図である。 いくつかの実施形態による、充電サイクル中にフライバックトランスの第1の一次巻線を流れる電流を示す図である。 いくつかの実施形態による、充電サイクル中にフライバックトランスの第1の一次巻線を流れる電流を示す図である。 いくつかの実施形態による、充電サイクル中にフライバックトランスの第1の一次巻線を流れる電流を示す図である。 バッテリに供給される電流、バッテリ端子間の電圧、及び抽出されたリップル電圧信号のグラフ表現である。 バッテリに供給される電流、バッテリ端子間の電圧、及び抽出されたリップル電圧信号のグラフ表現である。 バッテリに供給される電流、バッテリ端子間の電圧、及び抽出されたリップル電圧信号のグラフ表現である。 バッテリを充電するための段階的手順を示す図である。 使用中の単一セルバッテリ制御ユニットの概略例を示す図である。 使用中のマルチセルバッテリ制御ユニットの概略例を示す図である。 いくつかの実施形態のバッテリ充電器への三相入力の概略例を示す図である。
本明細書で使用する「バッテリ(battery)」という用語は、電荷の蓄積及びその放電後の再充電を行うことができる1又は2以上のセルを意味するものであると解釈されたい。バッテリが複数のセルを含む場合には、これらのセルを回路内で互いに接続してバッテリを形成することができる。回路は、(セルが互いに直列に接続された)直列回路、(セルが互いに並列に接続された)並列回路、(セルが互いに直列に接続され、この直列に接続されたセルの複数のグループが互いに並列に接続された)直並列回路、又はこのような回路のいずれかの組み合わせとすることができる。
本明細書で使用する「バッテリ(の)端子(battery terminals、battery terminal、terminal of a battery、terminals of a battery)」という用語は、バッテリが1又は2以上の回路に電力を供給できるようにする、及び/又はバッテリを再充電するためにバッテリに電力を供給できるようにする電気端子又はバッテリ端子を意味するものであると解釈されたい。
本明細書では、「陰極(anode)」という用語と「負極(negative electrode)」という用語とを実質上同義的に使用しており、これらの用語については、あるセルの陰極を形成するそのセルの内部部品を意味するものであると解釈されたい。同様に、本明細書では「陽極(cathode)」及び「正極(positive electrod)」という用語を実質上同義的に使用しており、これらの用語については、あるセルの陽極を形成するそのセルの内部部品を意味するものであると解釈されたい。
「バッテリ」を参照しながら本発明の実施形態を説明するが、本発明は、典型的には単一セルの動作及び単一セルにおけるプロセスを参照するものであり、複数のセルを含むバッテリは、対応する複数の陰極及び陽極を有することができ、バッテリの各セルにおいて同様の動作及びプロセスが発生し得ると理解されるであろう。
本明細書で説明するバッテリ(従って、セル)はリチウムイオンバッテリ(又はセル)とすることができるが、本発明の実施形態は、他の形態のバッテリ(及びセル)と共に使用できることも想定される。
図1a及び図1bを参照すると、ここでも特定の理論に縛られることを望むわけではないが、これらの図には、定電流動作を用いた従来の充電サイクル中にバッテリ内で起きていると思われることを概略的に示す。
図1a及び図1bから分かるように、バッテリ1はセル11を含み、このセル11は、電解質115内に陰極111及び陽極112を含む。陰極111と陽極112との間にはセパレータ113が位置することができる。陰極111は、バッテリ1の負端子12に電気的に接続することができ、陽極112は、バッテリ1の正端子13に電気的に接続することができる。
陰極111の境界又はその付近には、固体電解質界面(SEI)層114が位置する。
バッテリ1の充電中には、バッテリ1の端子12、13間に電圧が付与されて、陽極112からセパレータ113及び電解質115などを通じて陰極111にイオン3が移動し、SEI層114を通じて陰極111にインターカレートするようになる(当然ながら、放電中にはバッテリ1内のイオン3の流れは逆方向になる)。
従来の定電流動作中の充電サイクル下では、イオン3が、SEI層114に供給されるほど素早く陰極111にインターカレートすることはできないと考えられる。従って、陰極111の境界又はその付近に(すなわち、SEI層114の領域内に)イオン3のパイルアップが生じる。このパイルアップを図1bに概略的に示す。
本明細書で説明するように、さらにこれによってバッテリ1内の電気抵抗が増し、及び/又はSEI層114の成長が引き起こされると考えられる。これによって充電サイクル中にバッテリ1のさらなる加熱が引き起こされ、バッテリ1を充電できる速度、使用できる充電サイクルの性質、充電プロセスの効率、充電プロセスの安全性、及び/又は充電容量が許容レベル未満に低下する前にバッテリ1が受けることができる充電サイクル回数の観点からのバッテリの耐用年数にもさらに影響が及ぶと考えられる。
従って、図2に示す本発明の実施形態は、バッテリ1に充電電流とも呼ばれる電流を供給するように構成されたバッテリ充電システム100を含み、この電流は、平均電流が概ね非ゼロである変動振幅の波形、及び平均電流が実質的に一定の波形とすることができる(この波形は、例えば実質的に正弦波とすることができる)。好適な波形のさらなる例は、振動するDC波形又はパルス状のDC波形を含む。このような波形は、例えば所望の波形の電流を供給すべくスイッチング周波数を変化させるように適合された、コントローラと連動するスイッチモード電力変換器によって供給することができる。
図3a~図3cには、RMS電圧が約85Vである商用電源102の場合の、いくつかの実施形態のバッテリ充電システム100によってバッテリ1に供給される電流(図3a)と、商用電源102の電圧(図3b)と、電源から得られる電流(図3c)とを示す。図3d~図4fには、RMS電圧が約265Vである商用電源102の場合の、いくつかの実施形態のバッテリ充電システム100によってバッテリ1に供給される電流(図3d)と、商用電源102の電圧(図3e)と、電源から得られる電流(図3f)とを示す。
バッテリ充電システム100によってバッテリ1に供給される電流の周波数は、概ねバッテリ充電システム100への電源の周波数の約2倍とすることができ、及び/又はバッテリ充電システム100によってバッテリ1に供給される電流は、実質的に供給電圧の波形の整流形態(例えば、全波整流形態)に対応する波形を有することができる。バッテリ1に供給される電流の周波数は、例えば100Hz又は120Hzとすることができる。バッテリ1に供給される電流の大きさは、概ねバッテリ1に供給されるピーク電流に相当することができる。
従って、本発明の実施形態では、バッテリ充電システム100を、上述したような充電サイクル中の第1の動作においてバッテリ1に電力を供給するように構成することができる。バッテリ充電システム100は、例えば実質的に定電圧又は定電力の電力が供給される同じ充電サイクル中の第2の動作においてバッテリ1に電力を供給するように構成することもできる。
図3a~図3c及び図4a~図4cの例から分かるように、電源電圧(Vac)は、多くの国で利用可能な商用AC電源電圧に典型的なものとすることができ、その電圧及び周波数は国によって異なることができる(例えば、85~265V RMS、50~60Hz)。従って、Vacは、典型的には0Vを中心とする正弦波の形を有する。バッテリ1に供給される電流(Ibat)は、Vacの周波数に関連する周波数の波形を有することができ、この周波数は、例えば実質的にVacの周波数の2倍、又はVacの周波数の約整数倍とすることができる。本明細書で説明するように、バッテリ1に供給される電流(Ibat)は非ゼロの平均値を有することができ(すなわち、0Aからオフセットすることができ)、概ね正弦波の形を有することができる。電流(Ibat)は、概ね供給電圧Vacの全波整流波形の形を有することができ、従っていくつかの実施形態では、例えば波形の下側ピークが図4a及び図4bに示すよりも鋭角になり得る。
バッテリ1に供給される電流Ibatの波形は、低電流(すなわち、この波形の最低電流)とピーク電流(すなわち、この波形の最高電流)との間で変化することができる。低電流は、実質的に0Aとすることができる。ピーク電流は、約1A~約30A、約10A~約30A、又は約20A~約30Aとすることができる。バッテリ1に供給される電流Ibatのピーク間変動(すなわち、ピーク電流と低電流との間の差分)は、約1A超、約10A超、約20A超、又は約30A超とすることができる。一般に、このピークバッテリ充電電流は、バッテリの容量の約10倍である。例えば、使用するバッテリは2.6Ahである。従って、ピーク電流は約26アンペアであり、約16アンペアの平均バッテリ充電電流をもたらす。
電流Ibatの波形は、低電流とピーク電流との間で振動を繰り返すことができる。いくつかの実施形態では、この波形が実質的に滑らかな波形である。いくつかの実施形態では、この波形が実質的に全波整流された正弦波の形状である。いくつかの実施形態では、この波形の一部が整流された正弦波の形を有し、一部が正弦二乗波(sine squared wave)の形を有する。例えば、波形の最大値の周辺の波形部分は、実質的に整流された正弦波の形を有することができ、波形の最小値周辺の波形部分は、実質的に正弦二乗波(本明細書では、二乗正弦波とも呼ぶ)の形を有することができる。
充電中にバッテリ1に非ゼロの平均電流波形(Ibat)を供給すると、上述したようなイオンのパイルアップの低減に役立つと考えられる。さらに、これによって充電サイクル中のバッテリ1の電気抵抗が減少する。これによってバッテリ1の充電効率が改善され、充電プロセス中に発生する熱が減少し、全体的な充電電流を高めてバッテリ1をさらに安全に充電できるようになる。また、バッテリ1の相対的充電レベルがいくつかの従来の充電サイクルを用いた場合よりも高く(例えば、総充電容量の80%又はそれよりも高く、或いは総充電容量の90%又はそれよりも高く、或いは総充電容量の90%~95%に)なるまで充電サイクルの第1の動作を使用することができる。
実際に、いくつかの実施形態では、充電サイクルの第2の動作を完全に省くこともできる。
いくつかの実施形態は、バッテリ1の自己放電を補償するための電力が時々(例えば、定期的に)バッテリ1に供給される充電サイクルの第3の動作を含むことができる。
理解されるように、バッテリ充電システム100は、複数の異なる形で実装することができる。しかしながら、いくつかの実施形態では、以下で明らかになるように、本明細書で説明する特定の実施形態に従ってバッテリ充電システム100を実装することによってさらなる利点を達成することもできる。
図4~図7を参照しながらバッテリ充電システム100の実施形態をさらに詳細に説明する。
バッテリ充電システム100のいくつかの実施形態は、フライバックトランス(本明細書では、フライバックコンバータとも呼ぶ)101を含むことができる。フライバックトランス101は、商用電源102に電気的に接続されるように構成することができる。商用電源102は、供給電圧Vacで電力を供給するAC商用電源とすることができる。バッテリ充電システム100は、商用電源102から電力を受け取って商用電源102からの電力を整流してフライバックトランス101に供給するように構成された整流器回路103を含むことができる。
商用電源102とフライバックトランス101との間には、バッテリ充電システム100の電磁干渉フィルタ104を電気的に接続することができる。いくつかの実施形態では、電磁干渉フィルタ104と整流器回路103とを組み合わせて単一の回路にすることができる。
バッテリ充電システム100は、スナバ回路105をさらに含むことができる。スナバ回路105は、商用電源102とフライバックトランス101との間に、具体的には電磁干渉フィルタ104及び/又は整流器回路103とフライバックトランス101との間に接続することができる。スナバ回路105は、フライバックトランス101の一次スイッチ素子101aに損傷を与える恐れがある電圧スパイクを減衰させるように、及び/又はフライバックトランス101からの電流を再循環させるように構成することができる。
フライバックトランス101の一次スイッチ素子101aは、商用電源102(並びに整流器回路103及び/又は電磁フィルタ104及び/又はスナバ回路105など)からフライバックトランス101の第1の一次巻線101bへの電力の供給を制御するように構成される。
フライバックトランス101は、第1の二次巻線101cをさらに含み、第1の一次巻線101bを流れる電流の流れは、第1の二次巻線101cに電流の流れを誘発するように構成される。
第1の二次巻線101cは、フライバックトランス101から出力された電力(すなわち、第1の二次巻線101cに誘発された電流)を整流するように構成された出力整流器回路106に電気的に接続される。
バッテリ充電システム100は、バッテリ1の端子12、13に接続されるように構成された端子107を含む(いくつかの実施形態では、バッテリ充電システム100の端子107を、バッテリ1の端子12、13に選択的に接続されるように構成することができる)。バッテリ充電システム100の端子107は、第1の二次巻線101cに電気的に接続される。この接続は出力整流器回路106を介し、従って出力整流器回路106は、第1の二次巻線101cによって出力された電力を整流して(バッテリ充電システム100の端子107に接続された)バッテリ1に供給するように構成される。
いくつかの実施形態では、出力整流器回路106が、トランジスタ素子(例えば、MOSFET)などの1又は2以上のスイッチ素子を含む同期整流器回路である。
いくつかの実施形態では、バッテリ充電システム100が、バッテリ充電システム100の第1の二次巻線101cと端子107との間に電気的に接続された平滑回路108を含むことができる。平滑回路108は、バッテリ充電システム100の端子107に(同様に、バッテリ1に)供給される電力の電流及び/又は電圧をフィルタ処理及び/又は平滑化するように構成される。
いくつかの実施形態では、平滑回路108が、1又は2以上のコンデンサ及び/又はインダクタを含むことができる。いくつかの実施形態では、バッテリ充電システム100の端子107間に1又は2以上のコンデンサが設けられて並列に接続され、コンデンサバンクを形成するようになる。平滑回路108の一部としてのコンデンサバンクを含むことも又は含まないこともできるいくつかの実施形態では、平滑回路108が、バッテリ充電システム100の第1の二次巻線101cと端子107の一方との間に直列に接続された少なくとも1つのインダクタを含む。
平滑回路108の1又は2以上のコンデンサは、1又は2以上の高分子電解コンデンサを含むことができ、小さな内部抵抗を有して高リップル電流が可能である。
いくつかの実施形態では、バッテリ充電システム100が、バッテリ充電システム100の端子107の一方又は両方を少なくとも第1の二次巻線101cとの電気的接続から遮断する一方で、上記の又は各端子107を出力整流器回路106及び/又は平滑回路108(又はその一部)との電気的接続から遮断することもできる遮断スイッチ109をさらに含むことができる。
バッテリ充電システム100は、制御サブシステム110をさらに含むことができる。制御サブシステム110は、例えばフライバックトランス101(例えば、その一次スイッチ素子101a)、整流器回路103、出力整流器回路103及び遮断スイッチ109のうちの1つ又は2つ以上を含むバッテリ充電システム100の動作を制御するように構成される。
制御サブシステム110は、それぞれがバッテリ充電システム100及び/又はバッテリ1の動作に関連する1又は2以上の特性を測定及び/又は特定するように構成された1又は2以上のセンサ回路及び/又はセンサ素子をさらに含むことができ、従ってこれらの1又は2以上のセンサ回路及び/又はセンサ素子から受け取った情報に少なくとも部分的に基づいてバッテリ充電システム100の動作を制御することができる。例えば、充電電流の特性は、例えばバッテリインピーダンスなどの、充電中に実質的に継続して特定される特性に依存して変化することができる。
1又は2以上のセンサ回路及び/又はセンサ素子は、設けられている場合には整流器回路103による整流後の電圧とすることができる商用電源102の電圧を検知するように構成された電源電圧センサ回路1111を含むことができる。電源電圧センサ回路1111は、制御サブシステム110の他の部品が使用できるレベルまで電圧を低下させるように構成された電位分割器回路を含むことができる。
1又は2以上のセンサ回路及び/又はセンサ素子は、フライバックトランス101の第1の一次巻線101bに供給される電流を検知するように構成された一次巻線電流センサ回路1112を含むことができる。一次巻線電流センサ回路1112は、例えばシャント回路を含むことができる。一次巻線電流センサ回路1112は、一次スイッチ素子101aを通って第1の一次巻線101bから接地又は商用電源102に流れる電流を検知するように構成することができる。
1又は2以上のセンサ回路及び/又はセンサ素子は、バッテリ充電システム100の端子107間の電圧Vbatを、従ってバッテリ充電システム100に接続されたバッテリ1の端子12、13間の電圧を検知するように構成されたバッテリ端子電圧センサ回路1113を含むことができる。バッテリ端子電圧センサ回路1113は、制御サブシステム110の他の部品が使用できるレベルまで電圧を低下させるように構成された電位分割器回路を含むことができる。
1又は2以上のセンサ回路及び/又はセンサ素子は、バッテリ充電システム100の端子107の少なくとも一方に供給される又はこれらの端子から戻される電流を、従ってバッテリ充電システム100に接続されたバッテリ1に供給される電流を検知するように構成されたバッテリ端子電流センサ回路1114を含むことができる。バッテリ端子電流センサ回路1114は、例えばシャント回路を含むことができる。バッテリ端子電流センサ回路1114は、出力整流器回路106を通ってバッテリ充電システム100の端子107からフライバックトランス101の第1の二次巻線101cに流れる電流を特定するように構成することができる。
いくつかの実施形態では、制御サブシステム110が、一次又は入力側コントローラ1115と、二次又は出力側コントローラ1116とを含むことができる。一次側コントローラ1115は、光カプラ回路1117を含むことができる通信チャネルを介して出力側コントローラ1116に及び/又はその逆に通信するように構成することができる。光カプラ回路1117は、一次側及び二次側コントローラ1115、1116を電気的に絶縁したままこれらのコントローラ1115、1116間の通信を可能にするように構成することができる。従って、理解されるように、光カプラ回路1117は、一次側コントローラ1115によって制御される発光ダイオードと、二次側コントローラ1116に接続されたフォトトランジスタとを含むことができる。
いくつかの実施形態では、フライバックトランス101の一部として第2の一次巻線又は第1の「バイアス」巻線101dが設けられる。第2の一次巻線101dは、第1の一次巻線101bに関連して、第1の一次巻線101bを流れる電流が第2の一次巻線101dにも電流を誘発するように構成することができる。従って、第2の一次巻線101dに誘発された電力を使用して、例えば一次側コントローラ1115などの、制御サブシステム110の1又は2以上の部品に電力を供給することができる。一次側コントローラ1115への正しい電力供給を保証するように、第1のバイアス回路101eを設けることもできる。本明細書では、第2の一次巻線101dからの出力の電圧を「一次バイアス電圧」Vbias-primaryと呼ぶ。また、第2の一次巻線又は第1のバイアス巻線は、フライバックトランスの磁気状態を検出し、従ってフライバックコンバータの臨界導通動作モード(critical conduction mode of operation)を保証するために使用される。
いくつかの実施形態では、フライバックトランス101が、第2の二次巻線101g、又は第2の「バイアス」巻線を含むことができる。第2の二次巻線101gは、第1の一次巻線101bに関連して、第1の一次巻線101bを通過する電流が第2の二次巻線101gにも電流を誘発するように構成することができる。従って、第2の二次巻線101gに誘発された電力を使用して、例えば二次側コントローラ1116などの、制御サブシステム110の1又は2以上の部品に電力を供給することができる。二次側コントローラ1116への正しい電力供給を保証するように、第2のバイアス回路101fを設けることもできる。本明細書では、第2の二次巻線101gからの出力の電圧を「二次バイアス電圧」Vbias-secondaryと呼ぶ。
図示の実施形態では、表現を単純にするために第1及び第2のバイアス回路101e及び101fを複数の部品で示している。しかしながら、これらの回路は、それぞれの単一の回路又は接続部とすることもできると理解されるであろう。
二次側コントローラ1116は、バッテリ充電システム100の端子107間の電圧を表す信号(例えば、バッテリ端子電圧センサ回路1113からの出力)をバッテリ端子基準電圧と比較するように構成される。
二次側コントローラ1116は、バッテリ充電システム100の端子107の少なくとも一方に供給される又はこれらの端子から戻される電流を表す信号(例えば、バッテリ端子電流センサ回路1114からの出力)をバッテリ基準電流と比較するようにさらに構成することができる。
二次側コントローラ1116は、バッテリ充電システム100の動作モードを決定するためにこれらの電圧及び/又は電流比較の結果を使用するように構成することができる。この動作モードは、充電サイクルの第1、第2又は第3の動作のうちのどれを使用すべきであるかを決定することを含むことができる。いくつかの実施形態では、複数の充電モード及び/又はデューティサイクルを利用することができる。
いくつかの実施形態では、二次側コントローラ1116を、例えばバッテリ1の温度又はこれを表すパラメータを検知して適宜に信号を出力するように構成されたバッテリ温度センサ1118から、バッテリ1の温度を示す信号を受け取るように構成することができる。これらの実施形態の二次側コントローラ1116は、(上述した1又は複数の比較の使用に加えて、又はこれとは別に)このバッテリ1の温度を示す信号を用いて、充電サイクルの複数の動作のうちのどれを使用すべきであるかを決定することができる。
従って、二次側コントローラ1116は、制御信号Cを出力するように構成される。この制御信号Cは(例えば、光カプラ回路1117を介して)一次側コントローラ1115に通信することができ、一次側コントローラ1115は、本明細書で説明するようにこの制御信号Cを用いてフライバックトランス101の動作を制御することができる。
二次側コントローラ1116は、1又は2以上の所定の条件が発生した場合に遮断スイッチ109を動作させるようにさらに構成することができ、これらの条件は、バッテリ1に供給された又はバッテリ1から受け取られた特定の電流が所定の閾値電流を上回り又は下回ること、及び/又はバッテリ1の端子12、13間の電圧が所定の閾値電圧を上回り又は下回ること、及び/又はバッテリ温度が所定の閾値温度を下回り又は上回ることのうちの1つ又は2つ以上を含むことができる。
二次側コントローラ1116は、バッテリ充電システム100の端子107に(すなわち、端子107に接続されたバッテリ1に)供給される電流を示す信号の出力、及び/又は出力整流器回路106を流れる電流を示す信号に基づいて、(同期整流器回路とすることができる)出力整流器回路106の動作を制御するように構成することができる。理解されるように、この信号は、バッテリ端子電流センサ回路1114からの出力とすることができる。いくつかの実施形態では、二次側コントローラ1116が、フライバックトランス101がバッテリ充電システム100の端子107に放電を行っている時に出力整流器回路106を作動させてオン状態にし、フライバックトランス101が端子107に放電を行っていない時に出力整流器回路106を停止させてオフ状態にするように構成される。
一次側コントローラ1115は、フライバックトランス101の動作を、具体的には一次スイッチ素子101aの作動を制御するように構成される。一次側コントローラ1115は、制御信号C、第1の一次巻線101bに供給される電流を表す信号(例えば、一次巻線電流センサ回路1112の出力)、整流器回路103による整流後の商用電源102の電圧(Vac)を表す信号(例えば、電源電圧センサ回路1111の出力)、及びバイアス整流回路よりも前のACバイアス電圧Vbiasのうちの1つ又は2つ以上に少なくとも部分的に基づいてフライバックトランス101の動作を制御するように構成される。
一次側コントローラ1115は、フライバックトランス101を臨界導通動作モードで動作させるように構成される。
従って、一次側コントローラ1115は、フライバックトランス101(例えば、巻線101b、101c、101d及びこれらのいずれかのコア内)に蓄積されたエネルギーが消散し、すなわちバッテリ充電システム100の端子107及びバッテリ1に供給された(又は別様に失われた)と判断された時点で、(商用電源102から第1の一次巻線101bに電力が流れるように)一次スイッチ素子101aを作動させてオン状態にするように構成することができる。
一次スイッチ素子101aがオン状態の時には、第1の一次巻線101bに電力が供給されてフライバックトランス101に蓄積されたエネルギーが増大し、さらにこのエネルギーが、第1の二次巻線101cを介してバッテリ充電システム100の端子107及び端子107に接続されたいずれかのバッテリ1に電力として供給されるようになる。
一次側コントローラ1115は、第1の一次巻線101bに供給される電流を表す信号が商用電源102の電圧を表す信号及び制御信号Cに依存する値に達すると、(商用電源102から第1の一次巻線101bに電力が流れるのを実質的に防止又は阻止するように)一次スイッチ素子101aをオフ状態に作動させるようにさらに構成することができる。
従って、一次側コントローラ1115は、時間と共に変化するスイッチング周波数(すなわち、オン状態とオフ状態との間で切り替わる周波数)を有するように一次スイッチ素子101aを作動させるよう構成することができる。
一次側コントローラ1115は、第1の一次巻線101bを流れる電流が、商用電源102の電圧(又は整流後の商用電源電圧)に概ね従うことができるエンベロープを有するように一次スイッチ素子101aを作動させることができる。第1の一次巻線101bを流れる電流は、このエンベロープ内で様々な周波数及び/又はデューティサイクルでパルス化することができ(これらの周波数及び/又はデューティサイクルは、電流の大きさを決定する)、これらの周波数及び/又はデューティサイクルは、一次スイッチ素子101aの作動によって制御される。図8に、第1の一次巻線101bに供給される電流のグラフ表現及びこの電流のエンベロープを示す。図9及び図10には、異なる時点でこのエンベロープの一部を形成する電流のパルスを示す。
従って、最初の期間中には一次スイッチ素子101aの作動周波数(従って、第1の一次巻線101b内の電流)が比較的高く(例えば、図9を参照)(及び/又はデューティサイクルが比較的低く)、電流のエンベロープの大きさが増すにつれて作動周波数が低下し(例えば、図10を参照)(及び/又はデューティサイクルが高くなり)、その後に電流のエンベロープの大きさが減少するにつれて再び作動周波数が高くなる(例えば、図9を参照)(及び/又はデューティサイクルが低くなる)ことができる。従って、一次スイッチ素子の作動周波数及び/又は作動デューティサイクルは時間と共に変化し、いずれかの所与の時点における周波数及び/又はデューティサイクルは、その時点における電源電圧Vacの大きさに依存する。
この一次側コントローラ1115及び一次スイッチ素子101aの動作は、(0.9又はそれ以上とすることができる)力率の改善を保証にするのに役立つ。
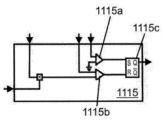
いくつかの実施形態では、一次側コントローラ1115を、図7に示すような回路を用いて実装することができる。この実施形態では、一次側コントローラ1115が、商用電源102の電圧を表す信号を受け取って制御信号Cを用いてこの信号を減衰又は増幅するように構成された可変利得増幅器1115aを含む。この可変利得増幅器1115aからの出力は、一次側コントローラ1115の第1の比較器1115bに(例えば、その非反転入力に)受け渡される。第1の比較器1115bの反転入力には、第1の一次巻線101bに供給される電流を表す信号を受け渡すことができる。第1の比較器1115bの出力は、一次側コントローラ1115のセットリセットフリップフロップ1115cのリセット入力に接続することができる。バイアス電圧(又はバイアス電圧を表す信号)は、一次側コントローラ1115の第2の比較器1115dの反転入力に接続することができる。第2の比較器1115dの非反転入力は、接地に接続することができる。第2の比較器1115dの出力をセットリセットフリップフロップ1115cのセット入力に接続し、セットリセットフリップフロップ1115cの出力を一次スイッチ素子101aに接続して一次スイッチ素子101aの作動を制御することができる。
いくつかの実施形態では、一次スイッチ素子101aがパワーMOSFETなどのトランジスタ素子であり、このような実施形態では、セットリセットフリップフロップ1115cの出力を、一次スイッチ素子を形成するMOSFETのゲートに接続することができる。
いくつかの実施形態では、フライバックトランス101が、漏れインダクタンスを低減するために4つの交互的な巻線を有することができるギャップ付フェライトコアフライバックタイプのものである。フライバックトランス101は、例えばコア当たり最大150Wで動作するように構成された高周波トランス101とすることができる。
第1のバイアス回路101eは、一次コントローラサブシステム110に電力を供給するために、1又は2以上の高速整流器ダイオードを含むことができる。
フライバックトランス101の動作周波数、例えば一次スイッチ素子101aのスイッチング周波数は、約40kHz~約200kHzの間で変動することができる。
理解されるように、多くの従来のバッテリ充電システム100は、出力整流器回路106においてショットキー整流器ダイオードを使用する。しかしながら、本発明のいくつかの実施形態では、同期整流器を使用することによってこのショットキー整流器ダイオードの必要性を排除し、コストの削減、効率の向上、ヒートシンクの必要性の排除、及び回路に必要な物理的空間の削減を行うことができる。
コントローラサブシステム110は、平均的なバッテリ充電システム100の端子107に(同様に、バッテリ1に)供給される電流が約16Aになるように構成することができる。コントローラサブシステム110は、バッテリ充電システム100の端子107に(同様に、バッテリ1に)供給される電流が0A~30Aの間で変動するように構成することができる。
コントローラサブシステム110は、バッテリ充電システム100の端子107間の電圧を示す信号が約4Vに到達し又はこれを上回った場合、及び/又は端子107からバッテリ1が切断された場合に、遮断スイッチ109がオフ状態に作動するように構成することができる。
いくつかの実施形態では、二次側コントローラ1116が、一次側コントローラ1115の動作を制御するように構成されたマスタコントローラとして機能し、従って一次側コントローラはスレーブコントローラと呼ぶことができる。このような実施形態では、二次側コントローラ1116を、バッテリ充電システム100の外部の1又は2以上のシステムと通信してバッテリ充電システム100の動作の1又は2以上の態様を制御するように構成することができる。
二次側コントローラ1116(及び一次コントローラ1116)は、充電中に、特定されたバッテリの特性に依存して充電電流の特性を変化させるように構成することができる。特定されるバッテリの特性及び充電電流の特性の例については後述する。
いくつかの実施形態では、制御サブシステム110が、バッテリ1の電気インピーダンスをモニタするように構成される。バッテリ1を充電するために充電システム100が供給するバッテリ1への充電電流は、少なくとも部分的にバッテリ1の電気インピーダンスに基づくことができる。従って、充電電流の特性は、特定されたバッテリ1の電気インピーダンスに依存することができる。
上述したように、いくつかの実施形態では、二次側コントローラ1116を、バッテリ充電システム100の動作モードを決定するように構成することができる。従って、二次側コントローラ1116は、バッテリ1の電気インピーダンスをモニタし、この情報を用いて充電システム100によるバッテリ1への電流供給の態様を制御するように構成された二次側コントローラ1116とすることができる。
具体的に言えば、いくつかの実施形態では、二次側コントローラ1116が、バッテリ充電システム100の端子107の少なくとも一方に供給される又はこれらの端子から戻される電流Ibatを表す信号(例えば、バッテリ端子電流センサ回路1114からの出力)を受け取るように構成される。これとは別に、又はこれに加えて、二次側コントローラ1116は、充電電流波形供給の一部の最中に、バッテリ充電システム100の端子107の少なくとも一方に供給される又はこれらの端子から戻される電流の変化を表す信号を受け取るようにも構成される。このような電流変化の例は、ピーク(最大)充電電流とトラフ(最小)充電電流との間の差分とすることができる。最小電流がゼロアンペアである実施形態では、この差分が最大測定電流に等しい。
本明細書で説明する電流波形に従って、端子107に接続されたバッテリ1に電流Ibatを供給すると、バッテリの電気インピーダンスZbatの結果として、バッテリ1の端子12、13間の電圧がリップル化するようになる。このことを、Ibatを示す図11a、及び本発明のいくつかの実施形態の使用例におけるバッテリ1の端子12、13間の電圧Vbatを示す図11bで確認することができる。
従って、二次側コントローラ1116は、バッテリ充電システム100の端子107間の電圧を表す信号(例えば、バッテリ端子電圧センサ回路1113からの出力)を使用して、これらの端子107に(端子12、13によって)接続されたバッテリ1の電気インピーダンスZbatを特定するように構成することができる。
具体的に言えば、二次側コントローラ1116は、バッテリ充電システム100の端子107間の電圧を表す信号を第1の期間にわたって受け取るように構成することができる。二次側コントローラ1116は、この信号のDC成分(従って、この信号が表す電圧)を特定するように構成することができる。この特定は、例えばこの信号の第1の期間にわたる平均値を求め、この値をDC成分として解釈することによって行うことができる。次に、このDC成分を信号から減算して、バッテリ充電システム100の端子107間(従って、接続されたバッテリ1の端子12、13間)のリップル電圧ΔVbatを表す電圧リップル信号を生成する。この信号は、リップル電圧の信号表現を向上させるために増幅及び/又はフィルタ処理することができる。例えば、リップル電圧の周波数は、端子107の少なくとも一方に供給される又はこれらの端子から戻される電流の周波数と実質的に同一であると予想され、従って1又は2以上のフィルタを使用して、この周波数を上回る及び/又は下回るリップル電圧信号の周波数成分を減衰させることができる。電圧リップル信号の例は、例えば図11cで確認することができる。
二次側コントローラ1116は、バッテリ充電システム100の端子107に接続されたバッテリ1の電気インピーダンスを入手するために、リップル電圧ΔVbatを表す信号をこれらの端子107の少なくとも一方に供給される又はこれらの端子から戻される電流ΔIbatの変化を表す信号で除算するように構成することができる。
いくつかの実施形態では、バッテリ充電システム100の端子107の少なくとも一方に供給される又はこれらの端子から戻される電流Ibatが、(本明細書に示す波形に従って0Aに戻る前に)0Aからピーク(最大)電流まで変化することができる。従って、Ibatを表す信号は、実質的にΔIbatを表す信号に相当することができ、そのようなものとして使用することができる。しかしながら、いくつかの実施形態では、Ibatが、さらに低い非ゼロの値とピーク電流との間で変化する。従って、いくつかの実施形態では、ΔIbatがIbatに等しくない。このような実施形態では、二次側コントローラ1116を、端子107に供給された又は端子107から受け取られた電流Ibatを表す信号からΔIbatを特定するように構成することができる。
図11a及び図11bには、充電の進行に伴うバッテリ端子の電流及び電圧を示す。バッテリが充電されるにつれてベースライン電圧は着実に増加し、振動する入力電流によってリップルの重なりが生じる。所与の時点におけるバッテリのインピーダンスの特定には電圧のリップルしか関連せず、従ってこのリップルを電圧ベースラインの増加とは別に評価する。図11cは、電圧リップルの図である。リップルの大きさを特定するには、例えば線形ベースライン電圧を電圧曲線と整合させ、このベースラインからの逸脱を評価する。この逸脱は、平坦なリップルを示す。その後、この平坦なリップルを評価して、電圧に対するインピーダンスの影響を特定することができる。リップル電圧の大きさをバッテリ電流の大きさで除算すると、インピーダンスの大きさが分かる。別の例では、一定期間における電圧信号の平均値を求めてこれを電圧信号から減算し、この値もやはりベースライン電圧とは異なるリップルを示す。振動しない安定した充電の場合には、バッテリ電圧が着実に増加し、バッテリのインピーダンスを示す信号を利用することはできない。
一般に、バッテリの充電中には、バッテリの内部インピーダンス及びバッテリの内部バッテリ電圧を直接測定することはできない。電流の変化を電圧の変化で除算することにより、内部バッテリ電圧を知る必要なくバッテリのバッテリ内部インピーダンスを特定することができる。
二次側コントローラ1116は、上記のプロセスを定期的に使用してバッテリ1の電気インピーダンスを特定するように構成することができる。いくつかの実施形態では、二次側コントローラ1116が、バッテリ充電システムの端子107に供給された又はこれらの端子から受け取られた電流を表す信号の周波数と実質的に等しい周波数でバッテリ1の電気インピーダンスを特定するように構成される。換言すれば、二次側コントローラ1116は、バッテリ充電システム100の端子107に供給された又はこれらの端子から受け取られた電流を表す信号のピーク毎に1度バッテリ1の電気インピーダンスを特定し、これによってバッテリ1の電気インピーダンスを実質的に継続して効果的に特定するように構成することができる。
いくつかの実施形態では、二次側コントローラ1116を、少なくともバッテリ充電システムの端子107に供給された又はこれらの端子から受け取られた電流を表す信号の周波数と実質的に等しい周波数でバッテリ1の電気インピーダンスを特定し、これによってバッテリ1の電気インピーダンスを実質的に継続して効果的に特定するように構成することができる。このような実施形態では、二次側コントローラ1116を、Ibatを表す信号の上昇又は下降するピーク間変動を使用してバッテリ1のインピーダンスを特定するように構成することができる。
いくつかの実施形態では、二次側コントローラ1116が、約100Hzの周波数で、約100Hz~120Hzの周波数で、約120Hzの周波数で、100Hz~200Hzの周波数で、約200Hzの周波数で、120Hz~240Hzの周波数で、約240Hzの周波数で、又はこれらの範囲の上限と下限のいずれかの組み合わせでバッテリ1のインピーダンスを特定するように構成される。
理解されるように、いくつかの実施形態では、バッテリ1のインピーダンスの特定が絶対的に周期的なものではあるが、充電サイクル中にIbatの変化を引き起こすように二次側コントローラ1115を構成できる周波数に関しては実質的に継続的なものであり、これについては以下を参照されたい。この特定は、バッテリのインピーダンスが正確には充電電流波形の周波数で特定されず、充電サイクル中にIbatの変化を引き起こすように二次側コントローラ1115を構成できる周波数に関して実質的に継続的な周波数で特定される場合にも依然として効果的に当てはまると理解されるであろう。
バッテリ1に供給される電流の変化及び電圧の変化は、電流波形の上昇中の電流部分中に測定することができる。電流波形の最小値は、これらの特性を測定するのに有利な開始点をもたらすことができる。これとは別に、又はこれに加えて、これらの変化は、電流波形の下降中の電流部分において測定することもできる。波形の上昇部分及び下降部分の両方でこれらの特性が測定されると、二次側コントローラ1115は、エラーが存在するかどうかを判断するためにこれらの結果を比較することができる。
制御サブシステム110は、ルックアップテーブル1119を含むことができる。このルックアップテーブル1119は、制御サブシステム110の又は制御サブシステム110がアクセスできるコンピュータ可読媒体1119aに記憶することができる。いくつかの実施形態では、ルックアップテーブル1119を二次側コントローラ1116の一部とすることができ、又は二次側コントローラ1116がアクセスできるものとすることができる。
ルックアップテーブル1119は、バッテリ状態及び/又は充電状態と充電モードとの相関性を示す情報を記憶することができる。従って、制御サブシステム110(例えば、二次側コントローラ1116)は、ルックアップテーブル1119を使用して、制御サブシステム110が利用できるバッテリ1に関する特定された特性に基づいて、バッテリ1の適切な充電モードを決定することができる。
これらの制御サブシステム110(例えば、二次側コントローラ1116)が利用できる特定される特性は、Ibat、Vbat、ΔIbat、ΔVbat及びZbatのうちの1つ又は2つ以上を含むことができる。この情報は、バッテリの温度Tbat1を含むこともできる。バッテリが複数のセルを含む実施形態では、制御サブシステムが、完全なバッテリ特性に加えて又はその代わりに各セルについてのこれらの特性を利用することができる。
いくつかの実施形態では、制御サブシステム110(例えば、二次側コントローラ1116)が利用できる情報が、例えば制御サブシステム110に通信されるバッテリ識別子によって特定できるバッテリ1の識別情報を含むことができる。バッテリ識別子は、例えばこのバッテリ1に固有の又は実質的に固有の識別子(シリアル番号など)、或いはこのバッテリ1のメーカー、このバッテリ1のモデル又はこのバッテリ1の構成に固有又は実質的に固有のさらに一般的な識別子とすることができる。このアイデンティティは、バッテリ1から制御サブシステム110に(例えば、これらの間の通信リンクを介して)送信される1又は2以上の信号によって制御サブシステム110(例えば、二次側コントローラ116)に通信することも、或いはユーザが手動で入力することもできる。
制御サブシステム110は、クロックなどの時間測定手段をさらに含むことができる。この手段は、バッテリ1が充電していた時間を測定するために使用することができる。バッテリ1が充電していた時間を充電電流に関して積分することにより、バッテリに供給された全電荷を求めることができる。この積分は、例えば数値的に行うことができる。全電荷は、バッテリ1の充電状態を判断するために使用することができる。
制御サブシステム110(例えば、二次側コントローラ1116)は、利用可能な特定された特性(上記を参照)を使用して、バッテリ1の現在の充電状態及び/又は正常性を判断することができる。理解されるように、バッテリ1の正常性は、バッテリ1の(電荷を保持する能力などの)正しい動作の尺度である。バッテリ1の現在の充電状態は、バッテリ1の現状又はバッテリの充電状態(S.O.C.)と別様に呼ぶこともできる。これらは、バッテリ1に供給される充電電流を変化させるべきかどうか、及びどのように変化させるべきかを判断するために使用することができる。
いくつかの実施形態では、バッテリインピーダンスを特定するのではなく、代わりに電流の変化ΔIbat及び電圧の変化ΔVbatを直接使用してバッテリの現在の充電状態及び/又は正常性を判断し、従って充電電流を変化させるべきかどうか、及びどのように変化させるべきかを判断することができる。
いくつかの実施形態では、ルックアップテーブル1119が、制御サブシステム110(例えば、二次側コントローラ1116)が利用できる特定された特性(上記を参照)に基づいて、一次スイッチ素子101aの動作のためのデューティサイクル及び/又は周波数を提供する。いくつかの実施形態では、ルックアップテーブル1119が、バッテリ1の状態及び/又は正常性についての所望のIbatの指標を提供するために使用される。ルックアップテーブル1119は、例えばC(上記を参照)を提供することができる。ルックアップテーブルには、電流平均値、電流最大値、電流振幅、デューティサイクル及び/又は充電モードなどの他のバッテリ充電電流の特性を提供することもできる。
例えば、完全に放電されたバッテリ1は比較的電気インピーダンスが大きくなり、従ってルックアップテーブル1119は、バッテリ1を過熱させるリスク、及び/又はバッテリ1を別様に損傷するリスクを防ぐために比較的小さなIbatを指定することができる。同様に、ルックアップテーブル1119は、特定されたインピーダンスが小さい場合には比較的大きなIbatを指定することもできる。
上記の制御サブシステム110の動作についての説明では、バッテリ1の電気インピーダンスのモニタリングを参照した。上述したように、上記の説明は、このバッテリ1の1又は2以上のセル11の電気インピーダンスをモニタするものであると解釈されたい。
いくつかの実施形態では、バッテリ1が複数のセル11を含む。このような実施形態では、バッテリ1の各セル11に対して上記の動作を実行して各セル11のインピーダンスを特定することができ、バッテリ1の複数のセル11について特定された情報に基づいて充電モードを決定することができる。
フライバックコンバータ101を参照しながら本発明の実施形態を説明したが、異なるトポロジのコンバータを使用してこれらの及びその他の実施形態を実装することもできると理解されるであろう。このようなコンバータは、高周波動作(例えば、40kHz~200kHzの範囲における動作)が可能である。
本明細書では、単一のバッテリ充電システム100について説明した。しかしながら、互いに並列に接続されて同じ端子107に電流(Ibat)を供給するように構成された複数のこのようなバッテリ充電システム100を提供することもできると理解されるであろう。このような構成では、全てのバッテリ充電システム100を共通の制御サブシステム110によって制御することができる。いくつかの実施形態では、このような構成が、各バッテリ充電システム100のための一次側コントローラ1115を含むこともできるが、全ての一次側コントローラ1115の動作を制御するように構成された単一の二次側コントローラ1116を含むこともできる。
理解されるように、実施形態は、バッテリの電気インピーダンスを特定するためにIbatをさらに操作する必要なくバッテリ1の電気インピーダンスを頻繁に特定できるようにする波形を有する電流Ibatを供給する。換言すれば、バッテリを充電するために使用されてバッテリ1を充電するための主電流を形成する電流(すなわち、充電電流)を使用してバッテリの電気インピーダンスを特定することができる。この電流は、例えばバッテリの電気インピーダンスを特定するために一定の又は実質的に一定の主充電電流に意図的に加えられる比較的小さな電流とは異なる。このような仮想的構成では、バッテリ1の電気インピーダンスを特定できる最大周波数が、本発明のいくつかの実施形態のものよりもはるかに低くなり得る。また、小さな電流は、バッテリ1の充電にそれほど寄与しない(例えば、数百ミリアンペアレベルのものにすぎない)。従って、このような小さな電流は主充電電流の一部を形成せず、電流の変化がバッテリ1の充電に影響を与える大きさであることによって主充電電流の一部を形成する本発明のいくつかの実施形態の電流Ibatとは異なる。
いくつかの実施形態では、制御サブシステム110が、遠隔サーバ210と通信するように構成される。この通信は、ローカルエリアネットワーク及び/又はワイドエリアネットワークなどの、インターネットを含むことができる通信ネットワークを介することができる。遠隔サーバ210は、例えばルックアップテーブル1119又はその一部を記憶することができる。いくつかの実施形態では、遠隔サーバ210がコンピュータ可読媒体1119aを含む。いくつかの実施形態では、制御サブシステム110が、ルックアップテーブル1119の少なくとも一部を(例えば、ローカルコンピュータ可読媒体1119aに)ダウンロードするように構成される。制御サブシステム110(例えば、二次側コントローラ1116)は、遠隔サーバ210にルックアップテーブル1119の全体又は一部を要求するように構成することができ、バッテリ1に関する情報を遠隔サーバ210にアップロードすることもできる。
遠隔サーバ210は、ルックアップテーブル1119を維持するように構成することができ、この維持は、制御サブシステム110からバッテリ1又はバッテリ1のタイプに関する情報を受け取り、この情報に基づいてルックアップテーブル1119を更新することを含むことができる。この維持は、この特定のバッテリ1及び/又はこのバッテリ1のタイプについて(例えば、バッテリ1の構成、このバッテリ1のメーカー及び/又はモデルに基づいて)ルックアップテーブルを更新することを含むことができる。遠隔サーバ210は、ルックアップテーブル1119を使用してバッテリ充電システム100の動作の1又は2以上の態様を最適化するようにルックアップテーブル1119又はその一部を修正するために、受け取った複数のバッテリ1に関する情報を照合するように構成することができ、このことは、バッテリ1に最大充電量が蓄積されることを保証し、バッテリ1の最大耐用年数(すなわち、充電サイクル数)を保証し、及び/又はバッテリ充電システム100による最も効率的な電力の使用を保証することを含むことができる。
図12に、バッテリを充電するための段階的手順を示す。この手順は、高い電力効率をもたらしてバッテリ充電時間を安全に最小化するように意図される。
1.初期化
・バッテリのタイプ(全バッテリ電圧Vbat及び容量Cbat)を認識
・データベースを調べてバッテリの充電状態(S.O.C.)を推定
・データベースを調べて最大許容セル電圧Vcell_maxを特定
・全てのセル電圧Vcell_openを測定
・データベースを調べて初期バッテリ充電電流Ibat(av)_initialを特定
2.充電開始
・クロックを起動
・整流された正弦波電流波形及びIbat(av)_initialを用いて充電を開始
3.測定
・各個々のセルにおいて、その充電電流波形の底部における電圧及びバッテリ電流を測定
・測定値Vcell_bottom及びIbat_bottomを記憶
・各個々のセルにおいて、その充電電流波形の頂部における電圧及びバッテリ電流を測定
・測定値Vcell_top及びIbat_topを記憶
4.計算
・差分ΔVcell=Vcelltop-Vcellbottomを計算
・差分ΔIbat=Ibat_top-Ibat_bottomを計算
・各個々のセルのインピーダンスZcell=ΔVcell/ΔIbatを計算
5.フル充電
・(最大インピーダンスを有する)最弱セルZ_weak_cellを割り当て
・Z_weak_cellに従って、データベースを調べて最大安全バッテリ充電電流Ibat_max_safeを特定
・バッテリ充電を継続し、上記を全て継続的に測定して計算し、充電器の電位を最大に利用してバッテリ充電時間を安全に最小化
・各個々のセルの温度Tcellを継続的に測定
6.停止
・データベースを継続的に調べ、最高温度セルTcell_maxに従ってVcell_max及びIbat_max_safeを修正
・最初のセルの電圧がVcell_maxに到達したら充電を停止
7.管理
・時間アンペア積分を計算し、バッテリによって受け取られる全電荷を指定
・バッテリのS.O.C.を表示
・データベースに情報を記憶
例えばコントローラ/制御ユニットのメモリに記憶されたルックアップテーブル内に存在し得る特定されたバッテリの特性をデータベースに記憶すると、バッテリ充電システムは、これらの特性を相関させて、将来的に他のバッテリの充電及び/又は同じバッテリの再充電に使用できるようにすることができる。
特定された特性は、例えばこれらの特性をこの特定のバッテリに関連付けることができる識別データと共に記憶することができる。将来的にこの特定のバッテリを充電する際には、これらの特性を用いてバッテリ状態及び/又は必要な充電電流特性を特定することができる。
これとは別に、又はこれに加えて、特定された特性を記憶したものをデータセットに集約して、ここからバッテリ特性の相関性をバッテリのクラス及び/又はタイプについて特定することもできる。同じタイプ及び/又はクラスのバッテリを充電する際には、これらの相関性を使用して、バッテリ状態及び/又は必要な充電電流特性を特定/推定することができる。
特定された特性を記憶し、これらの特性を使用して将来的なバッテリ充電事象に役立てることにより、このシステムは自己学習型であると言える。
図13に、使用中の単一のセルバッテリ制御ユニットの概略例を示す。二次コントローラ(マスタCPU)は、フライバックコンバータなどの電流源を駆動して、例えば整流された正弦波形などの振動するDC波形を有する電流などの、ライン周波数の約2倍の充電電流(Icell)を用いてバッテリセルを充電する。この直接的(すなわち、常に正)ではあるが時間的に変化する電流は、約0.5アンペア未満の、好ましくは約0.1アンペア未満の、さらに好ましくは約0アンペアの最小値と、約30アンペアの最大値とを有することができる。
この「リップル」バッテリ充電電流は、バッテリの内部インピーダンスZcellに起因してリップルバッテリセル電圧ΔVcellを生じる。バッテリ内部インピーダンスZcellは、例えばバッテリセルの充電状態、バッテリセルの温度Tcell、バッテリセルの電圧Vcell、及びバッテリセルの履歴に依存することができる。
このリップルバッテリ電圧ΔVcellをフィルタ処理して増幅し、これを用いてバッテリ状態情報を二次コントローラに転送することができる。このリップルバッテリ電圧をIcell(及び/又は、充電電流の最小値がゼロでない場合には電流の変化ΔIcell)と共に使用してZcellを計算することができる。コントローラは、この情報をバッテリセル温度Tcell及びバッテリセル電圧Vcellなどの他の特定された特性と共に使用して、ルックアップテーブルから適切な充電モードを選択する。この時、二次コントローラは、バッテリセルの状況に応じて、例えば一次コントローラのデューティサイクルを変更することによって充電電流の特性を変化させることができる。
例えば、バッテリを完全放電すると、バッテリの内部インピーダンスが増加することができる。二次コントローラは、リップル充電電流と、この電流が誘発する電圧リップルとを使用して、バッテリインピーダンスを計算する。その後、二次コントローラは、ルックアップテーブルから必要な充電モードを決定する。ルックアップテーブルは、バッテリセルの過熱及び/又は損傷を避けるために異なる充電モードが必要であることを示す。二次コントローラは、デューティサイクルが低い別の充電モードを一次コントローラに送信し、これによってバッテリ充電電流を低下させる。
事実上、バッテリセル自体が、充電にとって最良のモードがどれであるかを絶えず「判断」する。
図14に、使用中のマルチセルバッテリ制御ユニットの概略例を示す。この例では、バッテリが、並列及び/又は直列に配置されたn個のセルを含む。この例は、各セル間の電圧Vcell(i)、各セル間の電圧の変化Δcell(i)、及び各セルの温度Tcell(i)が測定される点を除き、図13に関連して上述した例と同様に機能する。電流Icellは、各セルを通じて同じである。全てのセルからの測定値は、電流Icell(及び/又は、電流の変化ΔIcell)と共に二次コントローラに受け渡される。各セルのバッテリ内部インピーダンスZcell(i)は、電流(又は電流の変化)をそのセル間の電圧の変化ΔVcellで除算することによって計算することができる。
コントローラは、この情報を使用してルックアップテーブルから最適なバッテリ充電モードを選択し、全てのバッテリセルの状況を考慮して一次コントローラのデューティサイクルを変更する。
本発明のいくつかの実施形態では、整流された正弦波電流を用いてバッテリを充電し、この充電方法に付きものの電圧リップルを(電流と共に)用いてセルの内部インピーダンスを測定する。これにより、セルの内部インピーダンスを実質的に継続してモニタすることでき、コントローラが内部インピーダンスの計算を通じてバッテリの正常性を継続的にモニタして充電モードをオンザフライで変更できるようになる。
いくつかの実施形態では、一次コントローラを使用してバッテリ充電電流を制御する。一次コントローラは、プログラマブルチップ素子で構成される。一次コントローラは、以下を検知する。
・高電圧分割器を通じたグリッド入力電圧
・一次MOSFETソースに接続された一次電流シャントを流れるフライバック一次電流
・絶縁型光カプラを通じて一次コントローラから到来する制御信号
・フライバックトランスからのバイアス電圧
回路は、以下のように構成されて機能する。
1.プログラマブルチップ内の可変利得増幅器を通じて、高電圧分割器の後のグリッド入力電圧を制御信号によって増幅又は減衰する。
2.この増幅器の出力を、プログラマブルチップ内の比較器の非反転入力に供給する。
3.この比較器の反転入力に(一次MOSFETソースに接続された)一次電流シャントからの電圧を接続する。
4.この比較器からの出力は、プログラマブルチップ内のセットリセットフリップフロップへのリセット信号である。
5.プログラマブルチップ内の別の比較器の反転入力にフライバックトランスのバイアス巻線からの出力を接続する。
6.この比較器の非反転入力を接地させる。
7.この比較器からの出力は、フリップフロップへのセット信号である。
8.フリップフロップの出力を一次パワーMOSFETのゲートに接続する。
従って、一次パワーMOSFETへのゲート信号は、
・フライバックトランスに蓄積された全てのエネルギーがバッテリに供給された時に開始し、
・(一次MOSFETソースに接続された)一次電流シャントの電圧が、(高電圧分圧器によって)分割されて(絶縁型光カプラを通じて一次コントローラから到来する)制御信号によって増幅又は減衰された入力電圧の値に到達した時に、終了することができる。
このようにして、グリッド電流をグリッド電圧(PFCコンバータ)と同相にすることができる。制御信号は、グリッド入力電圧、一次ピーク電流、バッテリ電圧、バッテリ電流、バッテリ温度に従って、(やはり別のプログラマブルチップである)一次コントローラによって形成される。
いくつかの実施形態では、多相入力301と出力302との間に複数のバッテリ充電システム100を並列に接続することによって多相充電器300を提供することができる。従って、いくつかのこのような実施形態では、多相充電器300が、(例えば、本明細書で説明したような)複数のバッテリ充電システム100を含むことができる。バッテリ充電システム100は、多相入力301の相毎に設けることができる。従って、三相多相入力301を有する三相システムでは、多相充電器300内に3つのバッテリ充電システム100を設けることができる。
各バッテリ充電システム100は、多相入力301の単相と出力302との間に電気的に接続することができる。いくつかの実施形態では、出力302が、多相入力301の全てのバッテリ充電システム100に共通する。従って、各バッテリ充電システム100の端子107を接続して(共通の接地及び共通の充電端子を有することができる)共通の出力302を提供することができる。従って、いくつかの実施形態では、多相充電器300のバッテリ充電システム100からの合成出力が、本明細書で説明したような充電電流を供給することができる。従って、多相充電器300のバッテリ充電システム100は、この効果を達成するように制御することができる。従って、各バッテリ充電システム100の制御サブシステム110(設けられている場合)は、通信可能に結合することができる。いくつかの実施形態では、多相入力301が、約200~約800VRMSの入力電圧を供給する。出力301は、約100~約800VDCとすることができる。
本明細書及び特許請求の範囲において「備える、含む(comprises及びcomprising)」という用語、並びにその変化形を用いている場合には、特定の特徴、ステップ又は整数が含まれることを意味する。これらの用語は、他の特徴、ステップ又は構成要素の存在を除外するものとして解釈すべきではない。
上記の説明、又は以下の特許請求の範囲、或いは添付図面に開示する特徴は、これらの特定の形で、或いは開示する機能を実行する手段、又は開示する結果を達成する方法又は処理の観点から示すものであり、本発明をこれらの様々な形態で実現するために、必要に応じて別個に利用することも、又はこのような特徴のあらゆる組み合わせで利用することもできる。
1 バッテリ
3 イオン
4 電圧
11 セル
12 負端子
13 正端子
111 陰極
112 陽極
113 セパレータ
114 固体電解質界面(SEI)層
115 電解質

Claims (11)

  1. バッテリに充電電流を供給するためのバッテリ充電器であって、
    スイッチモード電力変換器と、前記スイッチモード電力変換器のスイッチング周波数を変化させるように適合されたコントローラと、を備え、
    前記コントローラは、正弦波形を有するAC電源の電圧振動に依存して前記スイッチング周波数を変化させて二乗正弦波の波形の電流を供給するように適合され、前記二乗正弦波は、前記AC電源の波形の二乗であり、
    前記コントローラは、各電圧振動中に少なくとも100回、前記スイッチング周波数を変化させるように適合される、バッテリ充電器。
  2. 前記コントローラは、前記スイッチモード電力変換器の1又は2以上のサイクル後に前記スイッチング周波数を変化させるように適合される、請求項1に記載のバッテリ充電器。
  3. 前記コントローラは、前記スイッチモード電力変換器の各サイクル後に前記スイッチング周波数を変化させるように適合される、請求項2に記載のバッテリ充電器。
  4. 前記コントローラは、各電圧振動中に少なくとも300回、前記スイッチング周波数を変化させるように適合される、請求項1~3のいずれか1項に記載のバッテリ充電器。
  5. 前記コントローラは、各電圧振動中に少なくとも800回、前記スイッチング周波数を変化させるように適合される、請求項4に記載のバッテリ充電器。
  6. 前記コントローラにAC電源の電圧の指標を提供するように適合された電圧センサをさらに備える、請求項1~5のいずれか1項に記載のバッテリ充電器。
  7. 前記電圧センサは、少なくとも前記コントローラが前記スイッチング周波数を変化させるのと同様の頻度で前記電圧を検知するように適合される、請求項6に記載のバッテリ充電器。
  8. 前記スイッチング周波数は、前記AC電源の整流された電圧振動に依存して変化する、請求項1~7のいずれか1項に記載のバッテリ充電器。
  9. 前記二乗正弦波は、前記AC電源の周波数の整数倍の周波数を有する、請求項1~8のいずれか1項に記載のバッテリ充電器。
  10. 前記二乗正弦波は、前記AC電源の周波数の2倍の周波数を有する、請求項9に記載のバッテリ充電器。
  11. バッテリの充電方法であって、
    スイッチモード電力変換器を用いてAC電源をバッテリへの充電電流に変換することを含み、
    前記スイッチモード電力変換器のスイッチング周波数は、正弦波形を有する前記AC電源の電圧振動に依存して変化して二乗正弦波の波形の電流を供給し、前記二乗正弦波は、前記AC電源の波形の二乗であり、
    前記スイッチング周波数は、各電圧振動中に少なくとも100回変化する、方法。
JP2022204628A 2016-07-21 2022-12-21 バッテリ充電システム及び方法 Active JP7581310B2 (ja)

Applications Claiming Priority (6)

Application Number Priority Date Filing Date Title
EP16386011 2016-07-21
EP16386011.7 2016-07-21
GB1612874.6A GB2552777B (en) 2016-07-21 2016-07-25 A battery charging system and method
GB1612874.6 2016-07-25
JP2019524528A JP7630229B2 (ja) 2016-07-21 2017-07-20 バッテリ充電システム及び方法
PCT/GB2017/052143 WO2018015765A1 (en) 2016-07-21 2017-07-20 Battery charging circuit and method

Related Parent Applications (1)

Application Number Title Priority Date Filing Date
JP2019524528A Division JP7630229B2 (ja) 2016-07-21 2017-07-20 バッテリ充電システム及び方法

Publications (2)

Publication Number Publication Date
JP2023033315A JP2023033315A (ja) 2023-03-10
JP7581310B2 true JP7581310B2 (ja) 2024-11-12

Family

ID=59383590

Family Applications (3)

Application Number Title Priority Date Filing Date
JP2019524528A Active JP7630229B2 (ja) 2016-07-21 2017-07-20 バッテリ充電システム及び方法
JP2022204629A Active JP7595054B2 (ja) 2016-07-21 2022-12-21 バッテリ充電システム及び方法
JP2022204628A Active JP7581310B2 (ja) 2016-07-21 2022-12-21 バッテリ充電システム及び方法

Family Applications Before (2)

Application Number Title Priority Date Filing Date
JP2019524528A Active JP7630229B2 (ja) 2016-07-21 2017-07-20 バッテリ充電システム及び方法
JP2022204629A Active JP7595054B2 (ja) 2016-07-21 2022-12-21 バッテリ充電システム及び方法

Country Status (7)

Country Link
US (2) US11327119B2 (ja)
EP (1) EP3488255A1 (ja)
JP (3) JP7630229B2 (ja)
CN (2) CN119134559A (ja)
AU (1) AU2017300950B2 (ja)
GB (1) GB2552777B (ja)
WO (1) WO2018015765A1 (ja)

Families Citing this family (14)

* Cited by examiner, † Cited by third party
Publication number Priority date Publication date Assignee Title
GB2552777B (en) * 2016-07-21 2022-06-08 Petalite Ltd A battery charging system and method
US11689056B2 (en) * 2017-05-30 2023-06-27 General Electric Company Transmitting assembly for a universal wireless charging device and a method thereof
DE102018209502A1 (de) * 2018-06-14 2019-12-19 Bayerische Motoren Werke Aktiengesellschaft Verfahren und Steuereinheit zum Laden eines elektrischen Energiespeichers
DE102018114223A1 (de) * 2018-06-14 2019-12-19 Volkswagen Aktiengesellschaft Ladevorrichtung
EP3648287A1 (en) * 2018-11-02 2020-05-06 Boellhoff (Taiwan) Co., Ltd. Charging apparatus of power battery
DE102019133921A1 (de) * 2019-12-11 2021-06-17 Bayerische Motoren Werke Aktiengesellschaft Verfahren, Vorrichtung, System, Elektrofahrzeug, Computerprogramm und Speichermedium zum Laden oder Entladen einer Zelle eines elektrischen Energiespeichers
WO2021257593A1 (en) 2020-06-16 2021-12-23 Black & Decker Inc. Battery charger
EP4068561B1 (en) * 2021-01-28 2025-04-23 Contemporary Amperex Technology (Hong Kong) Limited Charging method and power conversion device
EP4064413B1 (en) * 2021-01-28 2025-12-31 Contemporary Amperex Technology (Hong Kong) Limited CHARGING METHOD, BATTERY MANAGEMENT SYSTEM FOR TRACTION BATTERY AND CHARGING BATTERY
KR20220117063A (ko) * 2021-02-16 2022-08-23 주식회사 엘지에너지솔루션 배터리 충방전 장치 및 방법
GB2609998B (en) * 2021-08-20 2024-01-17 Cirrus Logic Int Semiconductor Ltd Cell balancing
WO2024006941A1 (en) * 2022-06-30 2024-01-04 Stored Energy Systems, LLC Systems and methods for extending battery life
CN115544795B (zh) * 2022-10-27 2025-05-30 云南电网有限责任公司电力科学研究院 一种快速收敛的隔离开关温度场仿真方法、系统以及仿真分析终端
CN117239884B (zh) * 2023-11-14 2024-02-02 西南交通大学 具有超宽频eis测量功能的电池功率接口变换器控制方法

Citations (5)

* Cited by examiner, † Cited by third party
Publication number Priority date Publication date Assignee Title
WO2004095682A1 (ja) 2003-04-22 2004-11-04 Sanken Electric Co., Ltd. 力率改善回路
JP2009038957A (ja) 2007-07-09 2009-02-19 Fuji Electric Device Technology Co Ltd スイッチング電源
JP2010011699A (ja) 2008-06-30 2010-01-14 Toyota Central R&D Labs Inc 電力制御装置
JP2012016239A (ja) 2010-07-05 2012-01-19 Nippon Soken Inc 電動車両の充電装置
WO2015049716A1 (ja) 2013-10-01 2015-04-09 富士電機株式会社 力率改善回路

Family Cites Families (87)

* Cited by examiner, † Cited by third party
Publication number Priority date Publication date Assignee Title
JPS5495330A (en) * 1978-01-13 1979-07-27 Yuasa Battery Co Ltd Charging device
US6271643B1 (en) * 1986-12-18 2001-08-07 Intermec Ip Corp. Battery pack having memory
US4843299A (en) * 1987-06-01 1989-06-27 Power-Tech Systems Corporation Universal battery charging system and a method
US5281919A (en) * 1988-10-14 1994-01-25 Alliedsignal Inc. Automotive battery status monitor
US4968942A (en) * 1988-10-14 1990-11-06 Allied-Signal Inc. Method for monitoring aircraft battery status
US5304917A (en) * 1990-11-30 1994-04-19 Burr-Brown Corporation Compact low noise low power dual mode battery charging circuit
US5111131A (en) * 1990-11-30 1992-05-05 Burr-Brown Corporation Compact low noise low power dual mode battery charging circuit
US5166596A (en) * 1991-08-29 1992-11-24 Motorola, Inc. Battery charger having variable-magnitude charging current source
EP0539640A1 (en) * 1991-10-30 1993-05-05 Texas Instruments Limited Improvements in or relating to batteries
JP3213401B2 (ja) * 1992-09-29 2001-10-02 三洋電機株式会社 非水系二次電池の充電方法
US5629604A (en) * 1992-11-13 1997-05-13 Zenith Data Systems Corporation Computer power supply system
US5343380A (en) * 1992-11-17 1994-08-30 Champlin Keith S Method and apparatus for suppressing time-varying signals in batteries undergoing charging or discharging
KR950703809A (ko) * 1993-07-14 1995-09-20 에프. 제이. 스미트 재충전 배터리 충전용 회로(Cricuit arrangement for charging rechargeable batteries)
JP3005460B2 (ja) 1995-04-18 2000-01-31 三洋電機株式会社 二次電池の充電方法
US5872443A (en) * 1997-02-18 1999-02-16 Williamson; Floyd L. Electronic method for controlling charged particles to obtain optimum electrokinetic behavior
EP1032964A2 (en) * 1997-11-17 2000-09-06 Lifestyle Technologies Universal power supply
US5932988A (en) * 1998-04-22 1999-08-03 Fluor Corporation Apparatus and methods for manufacturing electrodes
US6137265A (en) * 1999-01-11 2000-10-24 Dell Usa, L.P. Adaptive fast charging of lithium-ion batteries
US6366056B1 (en) * 1999-06-08 2002-04-02 Enrev Corporation Battery charger for lithium based batteries
JP3489523B2 (ja) * 2000-02-16 2004-01-19 国産電機株式会社 バッテリ充電装置
CN1298100C (zh) 2002-01-31 2007-01-31 东芝照明技术株式会社 电源装置
US7227336B1 (en) * 2002-04-02 2007-06-05 Van Schalkwijk Walter A Lithium ion rapid charging system and method
US6710577B1 (en) * 2003-05-06 2004-03-23 Jeckson Electric Company Limited Battery charger
GB0317513D0 (en) 2003-07-25 2003-08-27 Megger Ltd A method and apparatus for determining the complex impedance of an electrical component
US7301307B2 (en) * 2004-06-25 2007-11-27 Nokia Corporation Method and apparatus to charge a battery using determination of battery load current
US20060164037A1 (en) * 2005-01-24 2006-07-27 Kuo Li C Portable charger
JP2006262614A (ja) * 2005-03-16 2006-09-28 Sanyo Electric Co Ltd 充電装置及び充電方法
WO2007011734A2 (en) * 2005-07-15 2007-01-25 Schumacher Electric Corporation Battery charger and method utilizing alternating dc charging current
CN102129039B (zh) * 2005-09-16 2013-01-16 古河电气工业株式会社 二次电池劣化判定方法、二次电池劣化判定装置、及电源系统
JP2009525022A (ja) * 2006-01-25 2009-07-02 エナージェティクス テクノロジーズ, エル.エル.シー. スーパーウェーブを用いたバッテリ充電
JP5075353B2 (ja) * 2006-05-17 2012-11-21 株式会社東芝 二次電池の充電方法
CN100563086C (zh) * 2006-10-16 2009-11-25 盈正豫顺电子股份有限公司 有源双向电力调节器
JP4782663B2 (ja) * 2006-11-29 2011-09-28 パナソニック株式会社 充電システム、充電装置、及び電池パック
CN101183142B (zh) 2007-05-15 2011-03-16 李庆兰 蓄电池内阻的在线测量方法及电流工作模块及蓄电池内阻在线测量仪
CN101299542A (zh) * 2008-03-05 2008-11-05 南京工业职业技术学院 电池快速充电控制方法
JP5160934B2 (ja) * 2008-03-28 2013-03-13 新電元工業株式会社 バッテリ充電装置、バッテリ充電制御方法
US8032316B2 (en) * 2008-04-16 2011-10-04 Phoenix Broadband Technologies, Llc Measuring and monitoring a power source
JP2010019758A (ja) * 2008-07-11 2010-01-28 Mitsumi Electric Co Ltd 電池状態検知装置
US10008873B2 (en) * 2008-11-12 2018-06-26 Bruce Eric Zeier High frequency multiphase flyback power supply
US20100156357A1 (en) * 2008-11-13 2010-06-24 Ibrahim Abou Hamad System and method for charging rechargeable batteries
DE102009000328A1 (de) * 2009-01-20 2010-07-22 Semikron Elektronik Gmbh & Co. Kg Batterieladegerät und Verfahren zu dessen Betrieb
US11218003B2 (en) * 2009-09-22 2022-01-04 Phoenix Broadband Technologies, Llc Method and apparatus for intelligent battery charge equalization and monitoring
JP5459058B2 (ja) * 2009-11-09 2014-04-02 株式会社豊田自動織機 共鳴型非接触電力伝送装置
US20110148207A1 (en) * 2009-12-17 2011-06-23 Lineage Power Corporation, A Nevada Corporation Hybrid architecture for dc power plants and a method of minimizing battery conductor current
JP5556677B2 (ja) * 2010-03-08 2014-07-23 株式会社豊田自動織機 バッテリ充電回路
US8521497B2 (en) 2010-06-03 2013-08-27 Battelle Energy Alliance, Llc Systems, methods and computer-readable media for modeling cell performance fade of rechargeable electrochemical devices
EP2479059A1 (en) * 2011-01-19 2012-07-25 Power Research Electronics B.v. Battery charger for electric vehicles
US8970196B2 (en) * 2011-02-08 2015-03-03 Infineon Technologies Ag Mode control circuit for DC-DC converter
JP5644650B2 (ja) * 2011-04-18 2014-12-24 三菱電機株式会社 電気自動車と家屋間の充放電システム及び充放電装置
JP5097289B1 (ja) * 2011-05-27 2012-12-12 シャープ株式会社 電気自動車充電用の充電器及び充電装置
US8503205B2 (en) * 2011-05-27 2013-08-06 Infineon Technologies Ag AC/DC converter with a PFC and a DC/DC converter
US8493757B2 (en) * 2011-05-27 2013-07-23 Infineon Technologies Ag AC/DC converter with a PFC and a DC/DC converter
US8503204B2 (en) * 2011-08-05 2013-08-06 Infineon Technologies Ag Power converter circuit
US8975886B2 (en) * 2011-11-08 2015-03-10 Texas Instruments Incorporated Charging and distribution control
KR101741183B1 (ko) * 2011-11-24 2017-05-30 에스케이이노베이션 주식회사 배터리의 내부 저항 추정 장치 및 방법
US9362774B2 (en) * 2012-01-27 2016-06-07 Medtronic, Inc. Battery charging top-off
US10078116B2 (en) * 2012-02-29 2018-09-18 Nec Energy Devices, Ltd. Battery pack and method for calculating electric energy of battery pack
US10180460B1 (en) * 2012-04-20 2019-01-15 Motiv Power Systems, Inc. Performing active interrogation of battery packs in situ to obtain precise SOC and SOH estimates
FR2991826B1 (fr) * 2012-06-07 2015-03-27 Intelligent Electronic Systems Dispositif de charge a entree adaptative
KR101409152B1 (ko) * 2012-07-18 2014-06-17 엘에스산전 주식회사 충전 장치 및 이의 동작 방법
WO2014022267A1 (en) * 2012-07-30 2014-02-06 Primus Power Corporation Pulse charging of a grid interactive battery system
CN202749874U (zh) * 2012-09-12 2013-02-20 潍坊博远电气有限公司 一种蓄电池快速充电装置
US9365174B2 (en) * 2013-03-03 2016-06-14 Littelfuse, Inc. Adaptive remote battery charging
DE102013007971A1 (de) 2013-05-10 2014-11-27 Audi Ag Verfahren zum Betrieb einer Ladevorrichtung für das ein- und mehrphasige Laden eines Energiespeichers eines Kraftfahrzeugs und Ladevorrichtung
EP2827162A1 (en) * 2013-07-16 2015-01-21 ST-Ericsson SA Battery DC impedance measurement
US9467055B2 (en) 2013-07-17 2016-10-11 Semiconductor Components Industries, Llc Method of forming a power supply controller and structure therefor
EP2860842B1 (en) * 2013-10-11 2019-04-24 Dialog Semiconductor GmbH Method for charging a battery
US9735584B2 (en) * 2013-10-17 2017-08-15 Access Business Group International Llc Wireless power communication
US9322885B2 (en) * 2013-11-26 2016-04-26 Infineon Technologies Ag Circuit and method for evaluating cells in a battery
US9887564B2 (en) * 2014-02-13 2018-02-06 Infineon Technologies Austria Ag Switched mode power supply circuit
US9759782B2 (en) * 2014-04-03 2017-09-12 Nokia Technologies Oy Impedance-based battery state estimation method
US9673657B2 (en) * 2014-04-03 2017-06-06 Nxp B.V. Battery charging apparatus and approach
JP6400407B2 (ja) * 2014-09-18 2018-10-03 Ntn株式会社 充電装置
DE102014219909A1 (de) * 2014-10-01 2016-04-07 Robert Bosch Gmbh Ladeschaltung für einen elektrischen Energiespeicher, elektrisches Antriebssystem und Verfahren zum Betreiben einer Ladeschaltung
US10355611B2 (en) * 2014-12-22 2019-07-16 Flex Power Control, Inc. Multi-functional power management system
CN204290434U (zh) 2015-01-06 2015-04-22 山东鲁能智能技术有限公司 一种数字控制电动汽车充电机电路
GB2557443B (en) * 2015-07-21 2019-07-10 Dyson Technology Ltd Battery charger
GB2540572B (en) * 2015-07-21 2018-12-19 Dyson Technology Ltd Battery charger
GB2540570B (en) * 2015-07-21 2019-04-03 Dyson Technology Ltd Battery charger
US10562404B1 (en) * 2015-10-05 2020-02-18 University Of Maryland Integrated onboard chargers for plug-in electric vehicles
US20170229897A1 (en) * 2016-02-09 2017-08-10 DTA Products Inc. Devices and methods for portable energy storage
US9729066B1 (en) * 2016-06-30 2017-08-08 Hella Kgaa Hueck & Co. Electric power conversion apparatus having single-phase and multi-phase operation modes
GB2552777B (en) * 2016-07-21 2022-06-08 Petalite Ltd A battery charging system and method
EP3442089B1 (en) * 2017-08-11 2020-06-17 HELLA GmbH & Co. KGaA Dual active bridge control circuit for use with unbalanced grid voltages
KR20190115364A (ko) * 2018-04-02 2019-10-11 명지대학교 산학협력단 단상 및 3상 겸용 충전기
US10809308B2 (en) * 2018-12-27 2020-10-20 Bloom Energy Corporation System and method for impedance testing DC power sources
US10989760B2 (en) * 2018-12-27 2021-04-27 Bloom Energy Corporation System and method for impedance testing DC power sources

Patent Citations (5)

* Cited by examiner, † Cited by third party
Publication number Priority date Publication date Assignee Title
WO2004095682A1 (ja) 2003-04-22 2004-11-04 Sanken Electric Co., Ltd. 力率改善回路
JP2009038957A (ja) 2007-07-09 2009-02-19 Fuji Electric Device Technology Co Ltd スイッチング電源
JP2010011699A (ja) 2008-06-30 2010-01-14 Toyota Central R&D Labs Inc 電力制御装置
JP2012016239A (ja) 2010-07-05 2012-01-19 Nippon Soken Inc 電動車両の充電装置
WO2015049716A1 (ja) 2013-10-01 2015-04-09 富士電機株式会社 力率改善回路

Also Published As

Publication number Publication date
WO2018015765A8 (en) 2018-08-30
JP2023029414A (ja) 2023-03-03
WO2018015765A1 (en) 2018-01-25
JP7630229B2 (ja) 2025-02-17
CN109983354A (zh) 2019-07-05
AU2017300950B2 (en) 2022-12-01
JP2023033315A (ja) 2023-03-10
JP2019530189A (ja) 2019-10-17
US11719755B2 (en) 2023-08-08
CN119134559A (zh) 2024-12-13
GB2552777B (en) 2022-06-08
JP7595054B2 (ja) 2024-12-05
US20190293723A1 (en) 2019-09-26
US11327119B2 (en) 2022-05-10
EP3488255A1 (en) 2019-05-29
US20220221521A1 (en) 2022-07-14
AU2017300950A1 (en) 2019-02-14
GB2552777A (en) 2018-02-14
GB201612874D0 (en) 2016-09-07

Similar Documents

Publication Publication Date Title
JP7581310B2 (ja) バッテリ充電システム及び方法
CN101286650B (zh) 电池充电电路、电池充电系统及对电池组充电的方法
US12368307B2 (en) Battery management system
TWI547058B (zh) 充電器、電池模組及充電器識別監控系統與方法
US20110210701A1 (en) Battery system
CN107534311A (zh) 用于终端的充电系统、充电方法以及电源适配器
EP2302757A1 (en) Method and system for balancing electrical energy storage cells
JP6480935B2 (ja) 充電バランス装置
CN108450037A (zh) 用于终端的充电系统、充电方法以及电源适配器
KR20150081731A (ko) 배터리 팩, 배터리 팩을 포함하는 에너지 저장 시스템, 배터리 팩의 작동 방법
CN109219913A (zh) 充电系统、充电方法以及电源适配器
KR20130001233A (ko) 배터리용 충전 균일화 시스템
CN108429301A (zh) 充电系统以及对电池组充电的方法
KR101703122B1 (ko) 배터리 진단 기능을 갖는 충전기 및 그 구동방법
EP3591801B1 (en) Adaptive charger
CN200994071Y (zh) 蓄电池充电器
TW201944685A (zh) 電動車電池充電器
JP2015029390A (ja) 充電装置
CN113169576A (zh) 具有多个次级变压器电路的电池充电器
Cleveland et al. Developing programmable multi-chemistry battery chargers for common power electronic topologies using a hybrid PWM controller
CN103595108A (zh) 一种高频脉冲式动力电池组均衡充电器
HK1243234A1 (en) Charging system, charging method and power adapter
WO2014103280A1 (ja) 非接触給電装置
HK1260233A1 (en) Terminal charging system, charging method, and power adapter
HK1249667A1 (en) Charging system, charging method, and power adapter for terminal

Legal Events

Date Code Title Description
A521 Request for written amendment filed

Free format text: JAPANESE INTERMEDIATE CODE: A523

Effective date: 20230113

A621 Written request for application examination

Free format text: JAPANESE INTERMEDIATE CODE: A621

Effective date: 20230113

A977 Report on retrieval

Free format text: JAPANESE INTERMEDIATE CODE: A971007

Effective date: 20240122

A131 Notification of reasons for refusal

Free format text: JAPANESE INTERMEDIATE CODE: A131

Effective date: 20240201

A601 Written request for extension of time

Free format text: JAPANESE INTERMEDIATE CODE: A601

Effective date: 20240425

A601 Written request for extension of time

Free format text: JAPANESE INTERMEDIATE CODE: A601

Effective date: 20240628

A521 Request for written amendment filed

Free format text: JAPANESE INTERMEDIATE CODE: A523

Effective date: 20240725

TRDD Decision of grant or rejection written
A01 Written decision to grant a patent or to grant a registration (utility model)

Free format text: JAPANESE INTERMEDIATE CODE: A01

Effective date: 20240930

A61 First payment of annual fees (during grant procedure)

Free format text: JAPANESE INTERMEDIATE CODE: A61

Effective date: 20241030

R150 Certificate of patent or registration of utility model

Ref document number: 7581310

Country of ref document: JP

Free format text: JAPANESE INTERMEDIATE CODE: R150