JP7036498B2 - 燃料電池セルおよびこれを含む燃料電池スタック - Google Patents

燃料電池セルおよびこれを含む燃料電池スタック Download PDF

Info

Publication number
JP7036498B2
JP7036498B2 JP2020543030A JP2020543030A JP7036498B2 JP 7036498 B2 JP7036498 B2 JP 7036498B2 JP 2020543030 A JP2020543030 A JP 2020543030A JP 2020543030 A JP2020543030 A JP 2020543030A JP 7036498 B2 JP7036498 B2 JP 7036498B2
Authority
JP
Japan
Prior art keywords
fuel cell
diffusion layer
gas diffusion
membrane
electrode assembly
Prior art date
Legal status (The legal status is an assumption and is not a legal conclusion. Google has not performed a legal analysis and makes no representation as to the accuracy of the status listed.)
Active
Application number
JP2020543030A
Other languages
English (en)
Other versions
JP2021514522A (ja
Inventor
ヒュン ユン、スン
ヨン パク、ジョー
ヤン キム、ド
ジョ キム、ウン
ムン カン、キュン
チョーン ヤン、ジェ
Current Assignee (The listed assignees may be inaccurate. Google has not performed a legal analysis and makes no representation or warranty as to the accuracy of the list.)
LG Chem Ltd
Original Assignee
LG Chem Ltd
Priority date (The priority date is an assumption and is not a legal conclusion. Google has not performed a legal analysis and makes no representation as to the accuracy of the date listed.)
Filing date
Publication date
Application filed by LG Chem Ltd filed Critical LG Chem Ltd
Publication of JP2021514522A publication Critical patent/JP2021514522A/ja
Application granted granted Critical
Publication of JP7036498B2 publication Critical patent/JP7036498B2/ja
Active legal-status Critical Current
Anticipated expiration legal-status Critical

Links

Images

Classifications

    • HELECTRICITY
    • H01ELECTRIC ELEMENTS
    • H01MPROCESSES OR MEANS, e.g. BATTERIES, FOR THE DIRECT CONVERSION OF CHEMICAL ENERGY INTO ELECTRICAL ENERGY
    • H01M8/00Fuel cells; Manufacture thereof
    • H01M8/02Details
    • H01M8/0202Collectors; Separators, e.g. bipolar separators; Interconnectors
    • H01M8/023Porous and characterised by the material
    • HELECTRICITY
    • H01ELECTRIC ELEMENTS
    • H01MPROCESSES OR MEANS, e.g. BATTERIES, FOR THE DIRECT CONVERSION OF CHEMICAL ENERGY INTO ELECTRICAL ENERGY
    • H01M8/00Fuel cells; Manufacture thereof
    • H01M8/02Details
    • H01M8/0202Collectors; Separators, e.g. bipolar separators; Interconnectors
    • H01M8/0258Collectors; Separators, e.g. bipolar separators; Interconnectors characterised by the configuration of channels, e.g. by the flow field of the reactant or coolant
    • HELECTRICITY
    • H01ELECTRIC ELEMENTS
    • H01MPROCESSES OR MEANS, e.g. BATTERIES, FOR THE DIRECT CONVERSION OF CHEMICAL ENERGY INTO ELECTRICAL ENERGY
    • H01M8/00Fuel cells; Manufacture thereof
    • H01M8/02Details
    • H01M8/0202Collectors; Separators, e.g. bipolar separators; Interconnectors
    • H01M8/0267Collectors; Separators, e.g. bipolar separators; Interconnectors having heating or cooling means, e.g. heaters or coolant flow channels
    • HELECTRICITY
    • H01ELECTRIC ELEMENTS
    • H01MPROCESSES OR MEANS, e.g. BATTERIES, FOR THE DIRECT CONVERSION OF CHEMICAL ENERGY INTO ELECTRICAL ENERGY
    • H01M8/00Fuel cells; Manufacture thereof
    • H01M8/02Details
    • H01M8/0271Sealing or supporting means around electrodes, matrices or membranes
    • H01M8/0273Sealing or supporting means around electrodes, matrices or membranes with sealing or supporting means in the form of a frame
    • HELECTRICITY
    • H01ELECTRIC ELEMENTS
    • H01MPROCESSES OR MEANS, e.g. BATTERIES, FOR THE DIRECT CONVERSION OF CHEMICAL ENERGY INTO ELECTRICAL ENERGY
    • H01M8/00Fuel cells; Manufacture thereof
    • H01M8/02Details
    • H01M8/0271Sealing or supporting means around electrodes, matrices or membranes
    • H01M8/0276Sealing means characterised by their form
    • HELECTRICITY
    • H01ELECTRIC ELEMENTS
    • H01MPROCESSES OR MEANS, e.g. BATTERIES, FOR THE DIRECT CONVERSION OF CHEMICAL ENERGY INTO ELECTRICAL ENERGY
    • H01M8/00Fuel cells; Manufacture thereof
    • H01M8/04Auxiliary arrangements, e.g. for control of pressure or for circulation of fluids
    • H01M8/04007Auxiliary arrangements, e.g. for control of pressure or for circulation of fluids related to heat exchange
    • H01M8/04029Heat exchange using liquids
    • HELECTRICITY
    • H01ELECTRIC ELEMENTS
    • H01MPROCESSES OR MEANS, e.g. BATTERIES, FOR THE DIRECT CONVERSION OF CHEMICAL ENERGY INTO ELECTRICAL ENERGY
    • H01M8/00Fuel cells; Manufacture thereof
    • H01M8/10Fuel cells with solid electrolytes
    • H01M8/1004Fuel cells with solid electrolytes characterised by membrane-electrode assemblies [MEA]
    • HELECTRICITY
    • H01ELECTRIC ELEMENTS
    • H01MPROCESSES OR MEANS, e.g. BATTERIES, FOR THE DIRECT CONVERSION OF CHEMICAL ENERGY INTO ELECTRICAL ENERGY
    • H01M8/00Fuel cells; Manufacture thereof
    • H01M8/24Grouping of fuel cells, e.g. stacking of fuel cells
    • H01M8/241Grouping of fuel cells, e.g. stacking of fuel cells with solid or matrix-supported electrolytes
    • HELECTRICITY
    • H01ELECTRIC ELEMENTS
    • H01MPROCESSES OR MEANS, e.g. BATTERIES, FOR THE DIRECT CONVERSION OF CHEMICAL ENERGY INTO ELECTRICAL ENERGY
    • H01M8/00Fuel cells; Manufacture thereof
    • H01M8/24Grouping of fuel cells, e.g. stacking of fuel cells
    • H01M8/241Grouping of fuel cells, e.g. stacking of fuel cells with solid or matrix-supported electrolytes
    • H01M8/242Grouping of fuel cells, e.g. stacking of fuel cells with solid or matrix-supported electrolytes comprising framed electrodes or intermediary frame-like gaskets
    • YGENERAL TAGGING OF NEW TECHNOLOGICAL DEVELOPMENTS; GENERAL TAGGING OF CROSS-SECTIONAL TECHNOLOGIES SPANNING OVER SEVERAL SECTIONS OF THE IPC; TECHNICAL SUBJECTS COVERED BY FORMER USPC CROSS-REFERENCE ART COLLECTIONS [XRACs] AND DIGESTS
    • Y02TECHNOLOGIES OR APPLICATIONS FOR MITIGATION OR ADAPTATION AGAINST CLIMATE CHANGE
    • Y02EREDUCTION OF GREENHOUSE GAS [GHG] EMISSIONS, RELATED TO ENERGY GENERATION, TRANSMISSION OR DISTRIBUTION
    • Y02E60/00Enabling technologies; Technologies with a potential or indirect contribution to GHG emissions mitigation
    • Y02E60/30Hydrogen technology
    • Y02E60/50Fuel cells

Landscapes

  • Life Sciences & Earth Sciences (AREA)
  • Engineering & Computer Science (AREA)
  • Manufacturing & Machinery (AREA)
  • Sustainable Development (AREA)
  • Sustainable Energy (AREA)
  • Chemical & Material Sciences (AREA)
  • Chemical Kinetics & Catalysis (AREA)
  • Electrochemistry (AREA)
  • General Chemical & Material Sciences (AREA)
  • Fuel Cell (AREA)

Description

本発明は燃料電池セルおよびこれを含む燃料電池スタックに関する。
本出願は2018年2月22日付韓国特許出願第10-2018-0020840号に基づいた優先権の利益を主張し、該当韓国特許出願の文献に開示されたすべての内容は本明細書の一部として含まれる。
一般的に燃料電池(fuel cell)は、酸化剤(燃料)および還元剤の電気化学反応を通じて電気エネルギーを発生させるエネルギー変換装置であって、燃料が継続して供給される限り持続的に発電が可能な長所がある。
図1および図2は、従来の燃料電気スタック1を示す概略図である。
燃料電池スタック1は複数個の燃料電池セル10を含み、複数個の燃料電池セルは積層されてスタックを形成する。
燃料電池スタック1は、高分子物質で構成された電解質膜を中心としてアノード11a(anode)とカソード11b(cathode)がそれぞれ塗布されて形成された電極層を具備する膜-電極接合体11(Membrane Electrode Assembly、MEA)、電極層領域の外周にプラスチックフィルム素材の熱粘着保護フィルム17(subgasket)、反応ガスを反応領域の全体に亘って等しく分布させ、アノード電極の酸化反応によって発生した電子をカソード電極側に伝達する役割をするガス拡散層12(Gas Diffusion Layer、GDL)、反応ガスをガス拡散層に供給し、同様の役割をするグラファイト(graphite)および金属素材の分離板13(bipolar plate)、分離板または膜-電極接合体の反応領域の外周に配置されて反応気体および冷却水の漏出を防止する、弾性を有するゴム素材のガスケット18(gasket)を含むことができる。
前記分離板13はガス拡散層12と接触する複数個のリブ14および反応ガスの流れを案内する複数個のチャネル15を含む。また、分離板13は内部に冷却水の流動を案内するための冷却水チャネル16を有する。
また、イオンの移動方向は膜厚方向Fに沿ってなされる。
特に、高分子電解質燃料電池は高分子電解質のイオン伝導度の確保のために燃料の加湿が必要である。具体的には、水素燃料電池は駆動は水素ガスと酸素(空気)ガスの酸化還元反応を通じて電気エネルギーに切り替える装置であり、電気化学的反応のために反応表面である触媒層とイオン伝導の媒介体である電解質膜に水(加湿)が必ず必要である。
このような理由で、反応物である水素と空気の反応のために加湿が必要であり、加湿器の容量の低減とシステム費用の低減のために、低加湿または無加湿で駆動する燃料電池技術が必要である。これに伴い、低加湿環境で加湿量の確保のための多様な自家加湿方式に対する技術が開発されている。
本発明は、反応燃料の低加湿または無加湿で駆動する燃料電池スタックを提供することを解決しようとする課題とする。
前記のような課題を解決するために、本発明の一側面によると、第1面および第1面と反対方向の第2面を有し、第1面にアノード電極およびカソード電極がそれぞれ配置された膜-電極接合体;第2面上に所定の間隔で離隔配置されるエンドプレート;アノード電極上に配置された第1ガス拡散層;カソード電極上に配置された第2ガス拡散層;第1ガス拡散層上に配置され、複数個の流動チャネルを有する第1分離板;および第2ガス拡散層上に配置され、複数個の流動チャネルを有する第2分離板を含む燃料電池セルが提供される。
本発明の一実施例と関連した燃料電池スタックは下記のような効果を有する。
低加湿または無加湿で駆動し得、燃料電池の駆動時に無加湿反応物(水素、酸素(空気))の使用が可能である。
特に、反応物を無加湿状態で注入(dray gas)し、燃料電池スタックに必須的に供給されて運用される冷却水を膜-電極接合体(MEA)の加湿の用途で使用できる構造を有する。
この時、反応物は無加湿状態で供給されるが、膜-電極接合体の一面が冷却水に露出するため、従来のように反応物の助けがなくても膜-電極接合体の加湿が可能となる。
また、従来にはガスの透過が膜の薄い厚さ方向になされていたため耐久性に影響を及ぼしていたが、本発明の場合、ガスの透過が膜の面方向に沿ってなされるため、距離と抵抗が大きくなり、ガス透過度の低減によるOCVおよび耐久性が向上する。
本発明の一実施例と関連した燃料電池スタックを示す概略図。 本発明の一実施例と関連した燃料電池スタックを示す概略図。 本発明の一実施例と関連した燃料電池スタックを示す概略図。 図3に図示された膜-電極接合体を示す図面。 本発明の一実施例と関連した燃料電池セルの分離斜視図。 膜-電極接合体の多様な実施例を示す概略図。
以下、本発明の一実施例に係る燃料電池セルおよびこれを含む燃料電気スタックを、添付された図面を参照して詳細に説明する。
また、図面符号にかかわらず、同一または対応する構成要素は同一または類似する参照番号を付与してこれに対する重複説明は省略し、説明の便宜のために図示された各構成部材の大きさおよび形状は誇張または縮小され得る。
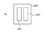
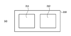
図3は本発明の一実施例と関連した燃料電池スタック100を示す概略図であり、図4は図3に図示された膜-電極接合体210を示す図面であり、図5は本発明の一実施例と関連した燃料電池セル200の分離斜視図である。
また、図6は膜-電極接合体の多様な実施例を示す概略図である。
図3~図5を参照すると、燃料電池スタック100は複数個の燃料電池セル200を含む。
燃料電池セル200は、膜-電極接合体210、エンド(end)プレート240、第1ガス拡散層221、第2ガス拡散層222、第1分離板231および第2分離板232を含む。
具体的には、燃料電池セル200は第1面および第1面と反対方向の第2面を有し、第1面にアノード(anode)電極211およびカソード(cathode)電極212がそれぞれ配置された膜-電極接合体210を含む。また、燃料電池セル200は膜-電極接合体210の第2面上に所定の間隔で離隔配置されるエンドプレート240を含む。冷却水の漏水を防止するガスケット260により前記エンドプレート240および膜-電極接合体210の第2面間に所定の空間部Sが形成され、膜-電極接合体210の第2面は前記空間部Sに露出する。
また、燃料電池セル200は、アノード電極211上に配置された第1ガス拡散層221およびカソード電極212上に配置された第2ガス拡散層222を含む。すなわち、第1ガス拡散層221および第2ガス拡散層222はいずれも膜-電極接合体210の第1面上に配置される。
また、燃料電池セル200は第1ガス拡散層221上に配置され、複数個の流動チャネルを有する第1分離板231および第2ガス拡散層222上に配置され、複数個の流動チャネルを有する第2分離板232を含む。第1および第2分離板231、232は、それぞれのガス拡散層に接触する複数個のリブおよび反応ガスが流動する複数個の流動チャネルを有する。また、第1および第2分離板231、232は内部に冷却水の流動を案内するための冷却水チャネルを有することができる。
このような構造において、イオンの移動方向は膜-電極接合体210の面方向Fである。
また、エンドプレート240と膜-電極接合体210の第2面との間の空間に冷却水が供給され得る。これに伴い、膜-電極接合体210の第2面は冷却水に露出し、加湿がなされることになる。また、いずれか一つの燃料電池セル200のエンドプレート240は隣接して積層された他の燃料電池セルの第1および第2分離板と接触する。この時、エンドプレート240を媒介として、隣接した燃料電池セルの第1および第2分離板の冷却がなされる。
すなわち、膜-電極接合体210の第2面とエンドプレート240との間の空間に冷却水を供給することによって、燃料電池セル200の冷却および膜-電極接合体への加湿が同時になされ得る。
また、エンドプレート240と膜-電極接合体210の第2面との間の空間には、冷却水の流れを案内するためのチャネル部材が配置され得る。この時、チャネル部材はメッシュ(mesh)部材250を含むことができる。また、チャネル部材は流路および多孔性メッシュ部材を含むことができる。
また、燃料電池セル200は第1ガス拡散層221および第2ガス拡散層222を個別にシーリングするための一つ以上の第1ガスケット270を含むことができる。例えば、第1ガス拡散層221および第2ガス拡散層222を個別にシーリングするために、第1ガスケット270は第1ガス拡散層221が収容される第1開口部271および第2ガス拡散層222が収容される第2開口部272を含むことができる。
前記第1分離板231および第2分離板232は電気伝導性を有し、第1分離板231と第2分離板232を電気的に絶縁させるために、燃料電池セル200は第1分離板231および第2分離板232の間に配置された絶縁部材280をさらに含むことができる。前記絶縁部材280は、アクリル、ポリカーボネート、テフロン(登録商標)、およびポリビニルクロライドなどのプラスチック系列の素材を含み、前記絶縁部材280はエンドプレート240と同じ素材で、一体に形成されてもよい。
また、燃料電池セル200はエンドプレート240と膜-電極接合体210の第2面との間に配置される第2ガスケット260をさらに含むことができる。第2ガスケット260は中央領域に開口部を有することができ、前記開口部には前述したメッシュ部材250が挿入され得る。
また、エンドプレート240は絶縁エンドプレートであって、電気絶縁性を有することができる。前記エンドプレート240は電気絶縁性を有する素材で形成され得る。例えば、エンドプレート240は、アクリル、ポリカーボネート、テフロン、およびポリビニルクロライドなどのプラスチック系列の素材で形成され得、前記エンドプレート240は絶縁部材280と同じ素材で形成され得、前記絶縁部材280と一体に形成され得る。
図6を参照すると、膜-電極接合体210、210'、210''でアノード電極211、211'、211''およびカソード電極221、221'、221''は多様な形状および大きさを有することができる。
以上で説明された本発明の好ましい実施例は例示の目的のために開示されたものであって、本発明に対する通常の知識を有する当業者であれば、本発明の思想と範囲内で多様な修正、変更、付加が可能であり、このような修正、変更および付加は下記の特許請求の範囲に属するものと見なされるべきである。
本発明の一実施例と関連した燃料電池スタックは低加湿または無加湿で駆動し得、燃料電池の駆動時に無加湿反応物(水素、酸素(空気))の使用が可能な構造を有する。

Claims (9)

  1. 第1面および前記第1面と反対方向の第2面を有し、前記第1面にアノード電極およびカソード電極がそれぞれ配置された膜-電極接合体;
    前記第2面上に離隔して配置されるエンドプレート;
    前記アノード電極上に配置された第1ガス拡散層;
    前記カソード電極上に配置された第2ガス拡散層;
    前記第1ガス拡散層上に配置され、複数個の流動チャネルを有する第1分離板;および
    前記第2ガス拡散層上に配置され、複数個の流動チャネルを有する第2分離板を含
    前記エンドプレートと前記膜-電極接合体の前記第2面との間の空間に冷却水が供給される、燃料電池セル。
  2. 前記エンドプレートと前記膜-電極接合体の前記第2面との間の空間には冷却水の流れを案内するためのチャネル部材が配置された、請求項に記載の燃料電池セル。
  3. 前記チャネル部材はメッシュ部材を含む、請求項に記載の燃料電池セル。
  4. 前記第1ガス拡散層および前記第2ガス拡散層を個別にシーリングするための一つ以上の第1ガスケットを含む、請求項1からのいずれか一項に記載の燃料電池セル。
  5. 前記第1ガス拡散層が収容される第1開口部および前記第2ガス拡散層が収容される第2開口部を含む第1ガスケットを含む、請求項1からのいずれか一項に記載の燃料電池セル。
  6. 前記第1分離板および前記第2分離板との間に配置された絶縁部材をさらに含む、請求項1からのいずれか一項に記載の燃料電池セル。
  7. 前記エンドプレートと前記膜-電極接合体の前記第2面との間に配置される第2ガスケットをさらに含む、請求項1からのいずれか一項に記載の燃料電池セル。
  8. 前記エンドプレートは電気絶縁性を有する、請求項1からのいずれか一項に記載の燃料電池セル。
  9. 請求項1からのいずれか一項に記載の燃料電池セルを含む、燃料電池スタック。
JP2020543030A 2018-02-22 2019-01-31 燃料電池セルおよびこれを含む燃料電池スタック Active JP7036498B2 (ja)

Applications Claiming Priority (3)

Application Number Priority Date Filing Date Title
KR1020180020840A KR102236530B1 (ko) 2018-02-22 2018-02-22 연료전지 셀 및 이를 포함하는 연료전지 스택
KR10-2018-0020840 2018-02-22
PCT/KR2019/001361 WO2019164151A1 (ko) 2018-02-22 2019-01-31 연료전지 셀 및 이를 포함하는 연료전지 스택

Publications (2)

Publication Number Publication Date
JP2021514522A JP2021514522A (ja) 2021-06-10
JP7036498B2 true JP7036498B2 (ja) 2022-03-15

Family

ID=67687802

Family Applications (1)

Application Number Title Priority Date Filing Date
JP2020543030A Active JP7036498B2 (ja) 2018-02-22 2019-01-31 燃料電池セルおよびこれを含む燃料電池スタック

Country Status (6)

Country Link
US (1) US11489173B2 (ja)
EP (1) EP3751650B1 (ja)
JP (1) JP7036498B2 (ja)
KR (1) KR102236530B1 (ja)
CN (1) CN111837275B (ja)
WO (1) WO2019164151A1 (ja)

Families Citing this family (1)

* Cited by examiner, † Cited by third party
Publication number Priority date Publication date Assignee Title
CN115189007B (zh) * 2022-08-08 2024-09-24 中汽创智科技有限公司 一种燃料电池电堆的端部结构及燃料电池电堆

Citations (3)

* Cited by examiner, † Cited by third party
Publication number Priority date Publication date Assignee Title
JP2005158739A (ja) 2003-11-24 2005-06-16 Xerox Corp 燃料電池
JP2006128047A (ja) 2004-11-01 2006-05-18 Toyota Motor Corp 燃料電池及びその製造方法
JP2014192095A (ja) 2013-03-28 2014-10-06 Toppan Printing Co Ltd 膜電極接合体、および、固体高分子形燃料電池

Family Cites Families (11)

* Cited by examiner, † Cited by third party
Publication number Priority date Publication date Assignee Title
JP3424223B2 (ja) * 1995-03-29 2003-07-07 マツダ株式会社 燃料電池スタック構造
US6403249B1 (en) * 2000-01-12 2002-06-11 Humboldt State University Foundation Humidification of a PEM fuel cell by air-air moisture exchange
DE10304657B4 (de) * 2002-02-08 2015-07-02 General Motors Llc ( N. D. Ges. D. Staates Delaware ) Brennstoffzellenstapel sowie -system und Verfahren zum Betrieb eines Brennstoffzellensystems mit einem solchen Brennstoffzellenstapel
JP2003263995A (ja) 2002-03-12 2003-09-19 Suzuki Motor Corp 燃料電池
JP4423498B2 (ja) 2003-11-27 2010-03-03 大日本印刷株式会社 固体酸化物形燃料電池
US20060093890A1 (en) * 2004-10-29 2006-05-04 Steinbroner Matthew P Fuel cell stack compression systems, and fuel cell stacks and fuel cell systems incorporating the same
JP2007066767A (ja) * 2005-08-31 2007-03-15 Nissan Motor Co Ltd 燃料電池および燃料電池スタック
US20110229785A1 (en) * 2010-03-17 2011-09-22 Kah-Young Song Fuel cell stack and fuel cell system having the same
KR101372027B1 (ko) 2012-12-28 2014-03-07 현대자동차주식회사 연료전지 스택
KR20180020840A (ko) 2016-08-20 2018-02-28 지서윤 과일식초 젤리
KR102371604B1 (ko) * 2017-05-26 2022-03-07 현대자동차주식회사 연료전지 스택

Patent Citations (3)

* Cited by examiner, † Cited by third party
Publication number Priority date Publication date Assignee Title
JP2005158739A (ja) 2003-11-24 2005-06-16 Xerox Corp 燃料電池
JP2006128047A (ja) 2004-11-01 2006-05-18 Toyota Motor Corp 燃料電池及びその製造方法
JP2014192095A (ja) 2013-03-28 2014-10-06 Toppan Printing Co Ltd 膜電極接合体、および、固体高分子形燃料電池

Also Published As

Publication number Publication date
WO2019164151A1 (ko) 2019-08-29
EP3751650A1 (en) 2020-12-16
EP3751650A4 (en) 2021-04-07
JP2021514522A (ja) 2021-06-10
CN111837275A (zh) 2020-10-27
EP3751650B1 (en) 2025-05-07
KR102236530B1 (ko) 2021-04-06
US11489173B2 (en) 2022-11-01
US20210083302A1 (en) 2021-03-18
CN111837275B (zh) 2023-06-30
KR20190101000A (ko) 2019-08-30

Similar Documents

Publication Publication Date Title
JP2000100457A (ja) 燃料電池
JP2004031134A (ja) 固体高分子型セルアセンブリ
US9231257B2 (en) Bipolar plate for fuel cell including non-electrochemical reaction region comprising a non-conductive material
JP2001110432A (ja) 高分子電解質型燃料電池
CN114142058A (zh) 一种燃料电池膜电极密封框架
JP2000251907A (ja) 固体高分子型燃料電池
US20100285386A1 (en) High power fuel stacks using metal separator plates
JP2000277132A (ja) 燃料電池
US8691471B2 (en) Polymer electrolyte fuel cell and fuel cell stack comprising the same
JP7036498B2 (ja) 燃料電池セルおよびこれを含む燃料電池スタック
JP2002170581A (ja) 高分子電解質型燃料電池
CN101479876B (zh) 改进的电化学装置
WO2005050766A1 (ja) 燃料電池
JP2000251901A (ja) 燃料電池用セル及びこれを用いた燃料電池
US20190067720A1 (en) Method for producing a membrane-electrode assembly and membrane-electrode assembly
JP2001126743A (ja) 高分子電解質型燃料電池
CN1326279C (zh) 高分子电解质型燃料电池
JP2004349013A (ja) 燃料電池スタック
KR101337453B1 (ko) 연료전지 분리판 파트
JP2004158379A (ja) 固体高分子形燃料電池
KR20250035761A (ko) 평판형 고체산화물 연료전지 스택
JP2003203649A (ja) 燃料電池
CN116134645A (zh) 用于电化学电池堆叠的加热装置、燃料电池堆叠和用于加热的方法
JP2001093548A (ja) 高分子電解質型燃料電池の製造方法
JP2004349015A (ja) 高分子電解質型燃料電池

Legal Events

Date Code Title Description
A621 Written request for application examination

Free format text: JAPANESE INTERMEDIATE CODE: A621

Effective date: 20200820

A131 Notification of reasons for refusal

Free format text: JAPANESE INTERMEDIATE CODE: A131

Effective date: 20211005

A521 Request for written amendment filed

Free format text: JAPANESE INTERMEDIATE CODE: A523

Effective date: 20211228

TRDD Decision of grant or rejection written
A01 Written decision to grant a patent or to grant a registration (utility model)

Free format text: JAPANESE INTERMEDIATE CODE: A01

Effective date: 20220201

A61 First payment of annual fees (during grant procedure)

Free format text: JAPANESE INTERMEDIATE CODE: A61

Effective date: 20220225

R150 Certificate of patent or registration of utility model

Ref document number: 7036498

Country of ref document: JP

Free format text: JAPANESE INTERMEDIATE CODE: R150

R250 Receipt of annual fees

Free format text: JAPANESE INTERMEDIATE CODE: R250

R250 Receipt of annual fees

Free format text: JAPANESE INTERMEDIATE CODE: R250