JP6485397B2 - 電子装置及びその製造方法 - Google Patents

電子装置及びその製造方法 Download PDF

Info

Publication number
JP6485397B2
JP6485397B2 JP2016075388A JP2016075388A JP6485397B2 JP 6485397 B2 JP6485397 B2 JP 6485397B2 JP 2016075388 A JP2016075388 A JP 2016075388A JP 2016075388 A JP2016075388 A JP 2016075388A JP 6485397 B2 JP6485397 B2 JP 6485397B2
Authority
JP
Japan
Prior art keywords
oxide film
sealing resin
resin body
film
metal thin
Prior art date
Legal status (The legal status is an assumption and is not a legal conclusion. Google has not performed a legal analysis and makes no representation as to the accuracy of the status listed.)
Active
Application number
JP2016075388A
Other languages
English (en)
Other versions
JP2017188534A (ja
Inventor
秀司 米田
秀司 米田
大輔 福岡
大輔 福岡
英二 林
英二 林
Current Assignee (The listed assignees may be inaccurate. Google has not performed a legal analysis and makes no representation or warranty as to the accuracy of the list.)
Denso Corp
Original Assignee
Denso Corp
Priority date (The priority date is an assumption and is not a legal conclusion. Google has not performed a legal analysis and makes no representation as to the accuracy of the date listed.)
Filing date
Publication date
Application filed by Denso Corp filed Critical Denso Corp
Priority to JP2016075388A priority Critical patent/JP6485397B2/ja
Priority to PCT/JP2017/009857 priority patent/WO2017175542A1/ja
Priority to US15/772,116 priority patent/US10236230B2/en
Priority to CN201780009036.8A priority patent/CN108604579B/zh
Publication of JP2017188534A publication Critical patent/JP2017188534A/ja
Application granted granted Critical
Publication of JP6485397B2 publication Critical patent/JP6485397B2/ja
Active legal-status Critical Current
Anticipated expiration legal-status Critical

Links

Images

Classifications

    • HELECTRICITY
    • H01ELECTRIC ELEMENTS
    • H01LSEMICONDUCTOR DEVICES NOT COVERED BY CLASS H10
    • H01L23/00Details of semiconductor or other solid state devices
    • H01L23/28Encapsulations, e.g. encapsulating layers, coatings, e.g. for protection
    • H01L23/31Encapsulations, e.g. encapsulating layers, coatings, e.g. for protection characterised by the arrangement or shape
    • H01L23/3107Encapsulations, e.g. encapsulating layers, coatings, e.g. for protection characterised by the arrangement or shape the device being completely enclosed
    • HELECTRICITY
    • H01ELECTRIC ELEMENTS
    • H01LSEMICONDUCTOR DEVICES NOT COVERED BY CLASS H10
    • H01L23/00Details of semiconductor or other solid state devices
    • H01L23/02Containers; Seals
    • H01L23/04Containers; Seals characterised by the shape of the container or parts, e.g. caps, walls
    • H01L23/043Containers; Seals characterised by the shape of the container or parts, e.g. caps, walls the container being a hollow construction and having a conductive base as a mounting as well as a lead for the semiconductor body
    • H01L23/051Containers; Seals characterised by the shape of the container or parts, e.g. caps, walls the container being a hollow construction and having a conductive base as a mounting as well as a lead for the semiconductor body another lead being formed by a cover plate parallel to the base plate, e.g. sandwich type
    • HELECTRICITY
    • H01ELECTRIC ELEMENTS
    • H01LSEMICONDUCTOR DEVICES NOT COVERED BY CLASS H10
    • H01L23/00Details of semiconductor or other solid state devices
    • H01L23/48Arrangements for conducting electric current to or from the solid state body in operation, e.g. leads, terminal arrangements ; Selection of materials therefor
    • HELECTRICITY
    • H01ELECTRIC ELEMENTS
    • H01LSEMICONDUCTOR DEVICES NOT COVERED BY CLASS H10
    • H01L23/00Details of semiconductor or other solid state devices
    • H01L23/48Arrangements for conducting electric current to or from the solid state body in operation, e.g. leads, terminal arrangements ; Selection of materials therefor
    • H01L23/488Arrangements for conducting electric current to or from the solid state body in operation, e.g. leads, terminal arrangements ; Selection of materials therefor consisting of soldered or bonded constructions
    • H01L23/495Lead-frames or other flat leads
    • H01L23/49537Plurality of lead frames mounted in one device
    • HELECTRICITY
    • H01ELECTRIC ELEMENTS
    • H01LSEMICONDUCTOR DEVICES NOT COVERED BY CLASS H10
    • H01L23/00Details of semiconductor or other solid state devices
    • H01L23/48Arrangements for conducting electric current to or from the solid state body in operation, e.g. leads, terminal arrangements ; Selection of materials therefor
    • H01L23/488Arrangements for conducting electric current to or from the solid state body in operation, e.g. leads, terminal arrangements ; Selection of materials therefor consisting of soldered or bonded constructions
    • H01L23/495Lead-frames or other flat leads
    • H01L23/49541Geometry of the lead-frame
    • HELECTRICITY
    • H01ELECTRIC ELEMENTS
    • H01LSEMICONDUCTOR DEVICES NOT COVERED BY CLASS H10
    • H01L23/00Details of semiconductor or other solid state devices
    • H01L23/48Arrangements for conducting electric current to or from the solid state body in operation, e.g. leads, terminal arrangements ; Selection of materials therefor
    • H01L23/488Arrangements for conducting electric current to or from the solid state body in operation, e.g. leads, terminal arrangements ; Selection of materials therefor consisting of soldered or bonded constructions
    • H01L23/495Lead-frames or other flat leads
    • H01L23/49541Geometry of the lead-frame
    • H01L23/49562Geometry of the lead-frame for individual devices of subclass H10D
    • HELECTRICITY
    • H01ELECTRIC ELEMENTS
    • H01LSEMICONDUCTOR DEVICES NOT COVERED BY CLASS H10
    • H01L23/00Details of semiconductor or other solid state devices
    • H01L23/48Arrangements for conducting electric current to or from the solid state body in operation, e.g. leads, terminal arrangements ; Selection of materials therefor
    • H01L23/488Arrangements for conducting electric current to or from the solid state body in operation, e.g. leads, terminal arrangements ; Selection of materials therefor consisting of soldered or bonded constructions
    • H01L23/495Lead-frames or other flat leads
    • H01L23/49575Assemblies of semiconductor devices on lead frames
    • HELECTRICITY
    • H01ELECTRIC ELEMENTS
    • H01LSEMICONDUCTOR DEVICES NOT COVERED BY CLASS H10
    • H01L23/00Details of semiconductor or other solid state devices
    • H01L23/48Arrangements for conducting electric current to or from the solid state body in operation, e.g. leads, terminal arrangements ; Selection of materials therefor
    • H01L23/488Arrangements for conducting electric current to or from the solid state body in operation, e.g. leads, terminal arrangements ; Selection of materials therefor consisting of soldered or bonded constructions
    • H01L23/495Lead-frames or other flat leads
    • H01L23/49579Lead-frames or other flat leads characterised by the materials of the lead frames or layers thereon
    • H01L23/49582Metallic layers on lead frames
    • HELECTRICITY
    • H01ELECTRIC ELEMENTS
    • H01LSEMICONDUCTOR DEVICES NOT COVERED BY CLASS H10
    • H01L24/00Arrangements for connecting or disconnecting semiconductor or solid-state bodies; Methods or apparatus related thereto
    • H01L24/01Means for bonding being attached to, or being formed on, the surface to be connected, e.g. chip-to-package, die-attach, "first-level" interconnects; Manufacturing methods related thereto
    • H01L24/26Layer connectors, e.g. plate connectors, solder or adhesive layers; Manufacturing methods related thereto
    • H01L24/28Structure, shape, material or disposition of the layer connectors prior to the connecting process
    • H01L24/29Structure, shape, material or disposition of the layer connectors prior to the connecting process of an individual layer connector
    • HELECTRICITY
    • H01ELECTRIC ELEMENTS
    • H01LSEMICONDUCTOR DEVICES NOT COVERED BY CLASS H10
    • H01L24/00Arrangements for connecting or disconnecting semiconductor or solid-state bodies; Methods or apparatus related thereto
    • H01L24/01Means for bonding being attached to, or being formed on, the surface to be connected, e.g. chip-to-package, die-attach, "first-level" interconnects; Manufacturing methods related thereto
    • H01L24/42Wire connectors; Manufacturing methods related thereto
    • H01L24/47Structure, shape, material or disposition of the wire connectors after the connecting process
    • H01L24/48Structure, shape, material or disposition of the wire connectors after the connecting process of an individual wire connector
    • HELECTRICITY
    • H01ELECTRIC ELEMENTS
    • H01LSEMICONDUCTOR DEVICES NOT COVERED BY CLASS H10
    • H01L2224/00Indexing scheme for arrangements for connecting or disconnecting semiconductor or solid-state bodies and methods related thereto as covered by H01L24/00
    • H01L2224/01Means for bonding being attached to, or being formed on, the surface to be connected, e.g. chip-to-package, die-attach, "first-level" interconnects; Manufacturing methods related thereto
    • H01L2224/02Bonding areas; Manufacturing methods related thereto
    • H01L2224/04Structure, shape, material or disposition of the bonding areas prior to the connecting process
    • H01L2224/04026Bonding areas specifically adapted for layer connectors
    • HELECTRICITY
    • H01ELECTRIC ELEMENTS
    • H01LSEMICONDUCTOR DEVICES NOT COVERED BY CLASS H10
    • H01L2224/00Indexing scheme for arrangements for connecting or disconnecting semiconductor or solid-state bodies and methods related thereto as covered by H01L24/00
    • H01L2224/01Means for bonding being attached to, or being formed on, the surface to be connected, e.g. chip-to-package, die-attach, "first-level" interconnects; Manufacturing methods related thereto
    • H01L2224/02Bonding areas; Manufacturing methods related thereto
    • H01L2224/04Structure, shape, material or disposition of the bonding areas prior to the connecting process
    • H01L2224/04042Bonding areas specifically adapted for wire connectors, e.g. wirebond pads
    • HELECTRICITY
    • H01ELECTRIC ELEMENTS
    • H01LSEMICONDUCTOR DEVICES NOT COVERED BY CLASS H10
    • H01L2224/00Indexing scheme for arrangements for connecting or disconnecting semiconductor or solid-state bodies and methods related thereto as covered by H01L24/00
    • H01L2224/01Means for bonding being attached to, or being formed on, the surface to be connected, e.g. chip-to-package, die-attach, "first-level" interconnects; Manufacturing methods related thereto
    • H01L2224/02Bonding areas; Manufacturing methods related thereto
    • H01L2224/04Structure, shape, material or disposition of the bonding areas prior to the connecting process
    • H01L2224/05Structure, shape, material or disposition of the bonding areas prior to the connecting process of an individual bonding area
    • H01L2224/05001Internal layers
    • H01L2224/05099Material
    • H01L2224/051Material with a principal constituent of the material being a metal or a metalloid, e.g. boron [B], silicon [Si], germanium [Ge], arsenic [As], antimony [Sb], tellurium [Te] and polonium [Po], and alloys thereof
    • HELECTRICITY
    • H01ELECTRIC ELEMENTS
    • H01LSEMICONDUCTOR DEVICES NOT COVERED BY CLASS H10
    • H01L2224/00Indexing scheme for arrangements for connecting or disconnecting semiconductor or solid-state bodies and methods related thereto as covered by H01L24/00
    • H01L2224/01Means for bonding being attached to, or being formed on, the surface to be connected, e.g. chip-to-package, die-attach, "first-level" interconnects; Manufacturing methods related thereto
    • H01L2224/02Bonding areas; Manufacturing methods related thereto
    • H01L2224/04Structure, shape, material or disposition of the bonding areas prior to the connecting process
    • H01L2224/05Structure, shape, material or disposition of the bonding areas prior to the connecting process of an individual bonding area
    • H01L2224/0554External layer
    • H01L2224/05599Material
    • H01L2224/056Material with a principal constituent of the material being a metal or a metalloid, e.g. boron [B], silicon [Si], germanium [Ge], arsenic [As], antimony [Sb], tellurium [Te] and polonium [Po], and alloys thereof
    • H01L2224/05638Material with a principal constituent of the material being a metal or a metalloid, e.g. boron [B], silicon [Si], germanium [Ge], arsenic [As], antimony [Sb], tellurium [Te] and polonium [Po], and alloys thereof the principal constituent melting at a temperature of greater than or equal to 950°C and less than 1550°C
    • H01L2224/05647Copper [Cu] as principal constituent
    • HELECTRICITY
    • H01ELECTRIC ELEMENTS
    • H01LSEMICONDUCTOR DEVICES NOT COVERED BY CLASS H10
    • H01L2224/00Indexing scheme for arrangements for connecting or disconnecting semiconductor or solid-state bodies and methods related thereto as covered by H01L24/00
    • H01L2224/01Means for bonding being attached to, or being formed on, the surface to be connected, e.g. chip-to-package, die-attach, "first-level" interconnects; Manufacturing methods related thereto
    • H01L2224/02Bonding areas; Manufacturing methods related thereto
    • H01L2224/04Structure, shape, material or disposition of the bonding areas prior to the connecting process
    • H01L2224/06Structure, shape, material or disposition of the bonding areas prior to the connecting process of a plurality of bonding areas
    • H01L2224/0601Structure
    • H01L2224/0603Bonding areas having different sizes, e.g. different heights or widths
    • HELECTRICITY
    • H01ELECTRIC ELEMENTS
    • H01LSEMICONDUCTOR DEVICES NOT COVERED BY CLASS H10
    • H01L2224/00Indexing scheme for arrangements for connecting or disconnecting semiconductor or solid-state bodies and methods related thereto as covered by H01L24/00
    • H01L2224/01Means for bonding being attached to, or being formed on, the surface to be connected, e.g. chip-to-package, die-attach, "first-level" interconnects; Manufacturing methods related thereto
    • H01L2224/26Layer connectors, e.g. plate connectors, solder or adhesive layers; Manufacturing methods related thereto
    • H01L2224/2612Auxiliary members for layer connectors, e.g. spacers
    • HELECTRICITY
    • H01ELECTRIC ELEMENTS
    • H01LSEMICONDUCTOR DEVICES NOT COVERED BY CLASS H10
    • H01L2224/00Indexing scheme for arrangements for connecting or disconnecting semiconductor or solid-state bodies and methods related thereto as covered by H01L24/00
    • H01L2224/01Means for bonding being attached to, or being formed on, the surface to be connected, e.g. chip-to-package, die-attach, "first-level" interconnects; Manufacturing methods related thereto
    • H01L2224/26Layer connectors, e.g. plate connectors, solder or adhesive layers; Manufacturing methods related thereto
    • H01L2224/28Structure, shape, material or disposition of the layer connectors prior to the connecting process
    • H01L2224/29Structure, shape, material or disposition of the layer connectors prior to the connecting process of an individual layer connector
    • H01L2224/29001Core members of the layer connector
    • H01L2224/29099Material
    • H01L2224/291Material with a principal constituent of the material being a metal or a metalloid, e.g. boron [B], silicon [Si], germanium [Ge], arsenic [As], antimony [Sb], tellurium [Te] and polonium [Po], and alloys thereof
    • HELECTRICITY
    • H01ELECTRIC ELEMENTS
    • H01LSEMICONDUCTOR DEVICES NOT COVERED BY CLASS H10
    • H01L2224/00Indexing scheme for arrangements for connecting or disconnecting semiconductor or solid-state bodies and methods related thereto as covered by H01L24/00
    • H01L2224/01Means for bonding being attached to, or being formed on, the surface to be connected, e.g. chip-to-package, die-attach, "first-level" interconnects; Manufacturing methods related thereto
    • H01L2224/26Layer connectors, e.g. plate connectors, solder or adhesive layers; Manufacturing methods related thereto
    • H01L2224/28Structure, shape, material or disposition of the layer connectors prior to the connecting process
    • H01L2224/29Structure, shape, material or disposition of the layer connectors prior to the connecting process of an individual layer connector
    • H01L2224/29001Core members of the layer connector
    • H01L2224/29099Material
    • H01L2224/291Material with a principal constituent of the material being a metal or a metalloid, e.g. boron [B], silicon [Si], germanium [Ge], arsenic [As], antimony [Sb], tellurium [Te] and polonium [Po], and alloys thereof
    • H01L2224/29138Material with a principal constituent of the material being a metal or a metalloid, e.g. boron [B], silicon [Si], germanium [Ge], arsenic [As], antimony [Sb], tellurium [Te] and polonium [Po], and alloys thereof the principal constituent melting at a temperature of greater than or equal to 950°C and less than 1550°C
    • H01L2224/29147Copper [Cu] as principal constituent
    • HELECTRICITY
    • H01ELECTRIC ELEMENTS
    • H01LSEMICONDUCTOR DEVICES NOT COVERED BY CLASS H10
    • H01L2224/00Indexing scheme for arrangements for connecting or disconnecting semiconductor or solid-state bodies and methods related thereto as covered by H01L24/00
    • H01L2224/01Means for bonding being attached to, or being formed on, the surface to be connected, e.g. chip-to-package, die-attach, "first-level" interconnects; Manufacturing methods related thereto
    • H01L2224/26Layer connectors, e.g. plate connectors, solder or adhesive layers; Manufacturing methods related thereto
    • H01L2224/31Structure, shape, material or disposition of the layer connectors after the connecting process
    • H01L2224/33Structure, shape, material or disposition of the layer connectors after the connecting process of a plurality of layer connectors
    • HELECTRICITY
    • H01ELECTRIC ELEMENTS
    • H01LSEMICONDUCTOR DEVICES NOT COVERED BY CLASS H10
    • H01L2224/00Indexing scheme for arrangements for connecting or disconnecting semiconductor or solid-state bodies and methods related thereto as covered by H01L24/00
    • H01L2224/01Means for bonding being attached to, or being formed on, the surface to be connected, e.g. chip-to-package, die-attach, "first-level" interconnects; Manufacturing methods related thereto
    • H01L2224/26Layer connectors, e.g. plate connectors, solder or adhesive layers; Manufacturing methods related thereto
    • H01L2224/31Structure, shape, material or disposition of the layer connectors after the connecting process
    • H01L2224/33Structure, shape, material or disposition of the layer connectors after the connecting process of a plurality of layer connectors
    • H01L2224/331Disposition
    • H01L2224/3318Disposition being disposed on at least two different sides of the body, e.g. dual array
    • H01L2224/33181On opposite sides of the body
    • HELECTRICITY
    • H01ELECTRIC ELEMENTS
    • H01LSEMICONDUCTOR DEVICES NOT COVERED BY CLASS H10
    • H01L2224/00Indexing scheme for arrangements for connecting or disconnecting semiconductor or solid-state bodies and methods related thereto as covered by H01L24/00
    • H01L2224/01Means for bonding being attached to, or being formed on, the surface to be connected, e.g. chip-to-package, die-attach, "first-level" interconnects; Manufacturing methods related thereto
    • H01L2224/34Strap connectors, e.g. copper straps for grounding power devices; Manufacturing methods related thereto
    • H01L2224/36Structure, shape, material or disposition of the strap connectors prior to the connecting process
    • H01L2224/37Structure, shape, material or disposition of the strap connectors prior to the connecting process of an individual strap connector
    • H01L2224/37001Core members of the connector
    • H01L2224/3701Shape
    • H01L2224/37012Cross-sectional shape
    • H01L2224/37013Cross-sectional shape being non uniform along the connector
    • HELECTRICITY
    • H01ELECTRIC ELEMENTS
    • H01LSEMICONDUCTOR DEVICES NOT COVERED BY CLASS H10
    • H01L2224/00Indexing scheme for arrangements for connecting or disconnecting semiconductor or solid-state bodies and methods related thereto as covered by H01L24/00
    • H01L2224/01Means for bonding being attached to, or being formed on, the surface to be connected, e.g. chip-to-package, die-attach, "first-level" interconnects; Manufacturing methods related thereto
    • H01L2224/34Strap connectors, e.g. copper straps for grounding power devices; Manufacturing methods related thereto
    • H01L2224/36Structure, shape, material or disposition of the strap connectors prior to the connecting process
    • H01L2224/37Structure, shape, material or disposition of the strap connectors prior to the connecting process of an individual strap connector
    • H01L2224/37001Core members of the connector
    • H01L2224/37099Material
    • H01L2224/371Material with a principal constituent of the material being a metal or a metalloid, e.g. boron [B], silicon [Si], germanium [Ge], arsenic [As], antimony [Sb], tellurium [Te] and polonium [Po], and alloys thereof
    • HELECTRICITY
    • H01ELECTRIC ELEMENTS
    • H01LSEMICONDUCTOR DEVICES NOT COVERED BY CLASS H10
    • H01L2224/00Indexing scheme for arrangements for connecting or disconnecting semiconductor or solid-state bodies and methods related thereto as covered by H01L24/00
    • H01L2224/01Means for bonding being attached to, or being formed on, the surface to be connected, e.g. chip-to-package, die-attach, "first-level" interconnects; Manufacturing methods related thereto
    • H01L2224/34Strap connectors, e.g. copper straps for grounding power devices; Manufacturing methods related thereto
    • H01L2224/39Structure, shape, material or disposition of the strap connectors after the connecting process
    • H01L2224/40Structure, shape, material or disposition of the strap connectors after the connecting process of an individual strap connector
    • H01L2224/401Disposition
    • H01L2224/40151Connecting between a semiconductor or solid-state body and an item not being a semiconductor or solid-state body, e.g. chip-to-substrate, chip-to-passive
    • H01L2224/40221Connecting between a semiconductor or solid-state body and an item not being a semiconductor or solid-state body, e.g. chip-to-substrate, chip-to-passive the body and the item being stacked
    • H01L2224/40245Connecting between a semiconductor or solid-state body and an item not being a semiconductor or solid-state body, e.g. chip-to-substrate, chip-to-passive the body and the item being stacked the item being metallic
    • HELECTRICITY
    • H01ELECTRIC ELEMENTS
    • H01LSEMICONDUCTOR DEVICES NOT COVERED BY CLASS H10
    • H01L2224/00Indexing scheme for arrangements for connecting or disconnecting semiconductor or solid-state bodies and methods related thereto as covered by H01L24/00
    • H01L2224/01Means for bonding being attached to, or being formed on, the surface to be connected, e.g. chip-to-package, die-attach, "first-level" interconnects; Manufacturing methods related thereto
    • H01L2224/34Strap connectors, e.g. copper straps for grounding power devices; Manufacturing methods related thereto
    • H01L2224/39Structure, shape, material or disposition of the strap connectors after the connecting process
    • H01L2224/40Structure, shape, material or disposition of the strap connectors after the connecting process of an individual strap connector
    • H01L2224/404Connecting portions
    • H01L2224/40475Connecting portions connected to auxiliary connecting means on the bonding areas
    • H01L2224/40499Material of the auxiliary connecting means
    • HELECTRICITY
    • H01ELECTRIC ELEMENTS
    • H01LSEMICONDUCTOR DEVICES NOT COVERED BY CLASS H10
    • H01L2224/00Indexing scheme for arrangements for connecting or disconnecting semiconductor or solid-state bodies and methods related thereto as covered by H01L24/00
    • H01L2224/01Means for bonding being attached to, or being formed on, the surface to be connected, e.g. chip-to-package, die-attach, "first-level" interconnects; Manufacturing methods related thereto
    • H01L2224/42Wire connectors; Manufacturing methods related thereto
    • H01L2224/44Structure, shape, material or disposition of the wire connectors prior to the connecting process
    • H01L2224/45Structure, shape, material or disposition of the wire connectors prior to the connecting process of an individual wire connector
    • H01L2224/45001Core members of the connector
    • H01L2224/4501Shape
    • H01L2224/45012Cross-sectional shape
    • H01L2224/45015Cross-sectional shape being circular
    • HELECTRICITY
    • H01ELECTRIC ELEMENTS
    • H01LSEMICONDUCTOR DEVICES NOT COVERED BY CLASS H10
    • H01L2224/00Indexing scheme for arrangements for connecting or disconnecting semiconductor or solid-state bodies and methods related thereto as covered by H01L24/00
    • H01L2224/01Means for bonding being attached to, or being formed on, the surface to be connected, e.g. chip-to-package, die-attach, "first-level" interconnects; Manufacturing methods related thereto
    • H01L2224/42Wire connectors; Manufacturing methods related thereto
    • H01L2224/44Structure, shape, material or disposition of the wire connectors prior to the connecting process
    • H01L2224/45Structure, shape, material or disposition of the wire connectors prior to the connecting process of an individual wire connector
    • H01L2224/45001Core members of the connector
    • H01L2224/45099Material
    • H01L2224/451Material with a principal constituent of the material being a metal or a metalloid, e.g. boron (B), silicon (Si), germanium (Ge), arsenic (As), antimony (Sb), tellurium (Te) and polonium (Po), and alloys thereof
    • H01L2224/45117Material with a principal constituent of the material being a metal or a metalloid, e.g. boron (B), silicon (Si), germanium (Ge), arsenic (As), antimony (Sb), tellurium (Te) and polonium (Po), and alloys thereof the principal constituent melting at a temperature of greater than or equal to 400°C and less than 950°C
    • H01L2224/45124Aluminium (Al) as principal constituent
    • HELECTRICITY
    • H01ELECTRIC ELEMENTS
    • H01LSEMICONDUCTOR DEVICES NOT COVERED BY CLASS H10
    • H01L2224/00Indexing scheme for arrangements for connecting or disconnecting semiconductor or solid-state bodies and methods related thereto as covered by H01L24/00
    • H01L2224/01Means for bonding being attached to, or being formed on, the surface to be connected, e.g. chip-to-package, die-attach, "first-level" interconnects; Manufacturing methods related thereto
    • H01L2224/42Wire connectors; Manufacturing methods related thereto
    • H01L2224/47Structure, shape, material or disposition of the wire connectors after the connecting process
    • H01L2224/48Structure, shape, material or disposition of the wire connectors after the connecting process of an individual wire connector
    • H01L2224/4805Shape
    • H01L2224/4809Loop shape
    • H01L2224/48091Arched
    • HELECTRICITY
    • H01ELECTRIC ELEMENTS
    • H01LSEMICONDUCTOR DEVICES NOT COVERED BY CLASS H10
    • H01L2224/00Indexing scheme for arrangements for connecting or disconnecting semiconductor or solid-state bodies and methods related thereto as covered by H01L24/00
    • H01L2224/01Means for bonding being attached to, or being formed on, the surface to be connected, e.g. chip-to-package, die-attach, "first-level" interconnects; Manufacturing methods related thereto
    • H01L2224/42Wire connectors; Manufacturing methods related thereto
    • H01L2224/47Structure, shape, material or disposition of the wire connectors after the connecting process
    • H01L2224/48Structure, shape, material or disposition of the wire connectors after the connecting process of an individual wire connector
    • H01L2224/481Disposition
    • H01L2224/48151Connecting between a semiconductor or solid-state body and an item not being a semiconductor or solid-state body, e.g. chip-to-substrate, chip-to-passive
    • H01L2224/48221Connecting between a semiconductor or solid-state body and an item not being a semiconductor or solid-state body, e.g. chip-to-substrate, chip-to-passive the body and the item being stacked
    • H01L2224/48245Connecting between a semiconductor or solid-state body and an item not being a semiconductor or solid-state body, e.g. chip-to-substrate, chip-to-passive the body and the item being stacked the item being metallic
    • H01L2224/48247Connecting between a semiconductor or solid-state body and an item not being a semiconductor or solid-state body, e.g. chip-to-substrate, chip-to-passive the body and the item being stacked the item being metallic connecting the wire to a bond pad of the item
    • HELECTRICITY
    • H01ELECTRIC ELEMENTS
    • H01LSEMICONDUCTOR DEVICES NOT COVERED BY CLASS H10
    • H01L2224/00Indexing scheme for arrangements for connecting or disconnecting semiconductor or solid-state bodies and methods related thereto as covered by H01L24/00
    • H01L2224/01Means for bonding being attached to, or being formed on, the surface to be connected, e.g. chip-to-package, die-attach, "first-level" interconnects; Manufacturing methods related thereto
    • H01L2224/42Wire connectors; Manufacturing methods related thereto
    • H01L2224/47Structure, shape, material or disposition of the wire connectors after the connecting process
    • H01L2224/49Structure, shape, material or disposition of the wire connectors after the connecting process of a plurality of wire connectors
    • H01L2224/491Disposition
    • H01L2224/4912Layout
    • H01L2224/49171Fan-out arrangements
    • HELECTRICITY
    • H01ELECTRIC ELEMENTS
    • H01LSEMICONDUCTOR DEVICES NOT COVERED BY CLASS H10
    • H01L2224/00Indexing scheme for arrangements for connecting or disconnecting semiconductor or solid-state bodies and methods related thereto as covered by H01L24/00
    • H01L2224/73Means for bonding being of different types provided for in two or more of groups H01L2224/10, H01L2224/18, H01L2224/26, H01L2224/34, H01L2224/42, H01L2224/50, H01L2224/63, H01L2224/71
    • H01L2224/732Location after the connecting process
    • H01L2224/73201Location after the connecting process on the same surface
    • H01L2224/73215Layer and wire connectors
    • HELECTRICITY
    • H01ELECTRIC ELEMENTS
    • H01LSEMICONDUCTOR DEVICES NOT COVERED BY CLASS H10
    • H01L2224/00Indexing scheme for arrangements for connecting or disconnecting semiconductor or solid-state bodies and methods related thereto as covered by H01L24/00
    • H01L2224/73Means for bonding being of different types provided for in two or more of groups H01L2224/10, H01L2224/18, H01L2224/26, H01L2224/34, H01L2224/42, H01L2224/50, H01L2224/63, H01L2224/71
    • H01L2224/732Location after the connecting process
    • H01L2224/73201Location after the connecting process on the same surface
    • H01L2224/73221Strap and wire connectors
    • HELECTRICITY
    • H01ELECTRIC ELEMENTS
    • H01LSEMICONDUCTOR DEVICES NOT COVERED BY CLASS H10
    • H01L2224/00Indexing scheme for arrangements for connecting or disconnecting semiconductor or solid-state bodies and methods related thereto as covered by H01L24/00
    • H01L2224/73Means for bonding being of different types provided for in two or more of groups H01L2224/10, H01L2224/18, H01L2224/26, H01L2224/34, H01L2224/42, H01L2224/50, H01L2224/63, H01L2224/71
    • H01L2224/732Location after the connecting process
    • H01L2224/73251Location after the connecting process on different surfaces
    • H01L2224/73263Layer and strap connectors
    • HELECTRICITY
    • H01ELECTRIC ELEMENTS
    • H01LSEMICONDUCTOR DEVICES NOT COVERED BY CLASS H10
    • H01L2224/00Indexing scheme for arrangements for connecting or disconnecting semiconductor or solid-state bodies and methods related thereto as covered by H01L24/00
    • H01L2224/73Means for bonding being of different types provided for in two or more of groups H01L2224/10, H01L2224/18, H01L2224/26, H01L2224/34, H01L2224/42, H01L2224/50, H01L2224/63, H01L2224/71
    • H01L2224/732Location after the connecting process
    • H01L2224/73251Location after the connecting process on different surfaces
    • H01L2224/73265Layer and wire connectors
    • HELECTRICITY
    • H01ELECTRIC ELEMENTS
    • H01LSEMICONDUCTOR DEVICES NOT COVERED BY CLASS H10
    • H01L2224/00Indexing scheme for arrangements for connecting or disconnecting semiconductor or solid-state bodies and methods related thereto as covered by H01L24/00
    • H01L2224/80Methods for connecting semiconductor or other solid state bodies using means for bonding being attached to, or being formed on, the surface to be connected
    • H01L2224/83Methods for connecting semiconductor or other solid state bodies using means for bonding being attached to, or being formed on, the surface to be connected using a layer connector
    • H01L2224/838Bonding techniques
    • H01L2224/83801Soldering or alloying
    • HELECTRICITY
    • H01ELECTRIC ELEMENTS
    • H01LSEMICONDUCTOR DEVICES NOT COVERED BY CLASS H10
    • H01L2224/00Indexing scheme for arrangements for connecting or disconnecting semiconductor or solid-state bodies and methods related thereto as covered by H01L24/00
    • H01L2224/80Methods for connecting semiconductor or other solid state bodies using means for bonding being attached to, or being formed on, the surface to be connected
    • H01L2224/83Methods for connecting semiconductor or other solid state bodies using means for bonding being attached to, or being formed on, the surface to be connected using a layer connector
    • H01L2224/838Bonding techniques
    • H01L2224/83801Soldering or alloying
    • H01L2224/83815Reflow soldering
    • HELECTRICITY
    • H01ELECTRIC ELEMENTS
    • H01LSEMICONDUCTOR DEVICES NOT COVERED BY CLASS H10
    • H01L2224/00Indexing scheme for arrangements for connecting or disconnecting semiconductor or solid-state bodies and methods related thereto as covered by H01L24/00
    • H01L2224/80Methods for connecting semiconductor or other solid state bodies using means for bonding being attached to, or being formed on, the surface to be connected
    • H01L2224/84Methods for connecting semiconductor or other solid state bodies using means for bonding being attached to, or being formed on, the surface to be connected using a strap connector
    • H01L2224/848Bonding techniques
    • H01L2224/84801Soldering or alloying
    • HELECTRICITY
    • H01ELECTRIC ELEMENTS
    • H01LSEMICONDUCTOR DEVICES NOT COVERED BY CLASS H10
    • H01L2224/00Indexing scheme for arrangements for connecting or disconnecting semiconductor or solid-state bodies and methods related thereto as covered by H01L24/00
    • H01L2224/80Methods for connecting semiconductor or other solid state bodies using means for bonding being attached to, or being formed on, the surface to be connected
    • H01L2224/85Methods for connecting semiconductor or other solid state bodies using means for bonding being attached to, or being formed on, the surface to be connected using a wire connector
    • H01L2224/852Applying energy for connecting
    • H01L2224/85201Compression bonding
    • H01L2224/85205Ultrasonic bonding
    • HELECTRICITY
    • H01ELECTRIC ELEMENTS
    • H01LSEMICONDUCTOR DEVICES NOT COVERED BY CLASS H10
    • H01L2224/00Indexing scheme for arrangements for connecting or disconnecting semiconductor or solid-state bodies and methods related thereto as covered by H01L24/00
    • H01L2224/80Methods for connecting semiconductor or other solid state bodies using means for bonding being attached to, or being formed on, the surface to be connected
    • H01L2224/85Methods for connecting semiconductor or other solid state bodies using means for bonding being attached to, or being formed on, the surface to be connected using a wire connector
    • H01L2224/8538Bonding interfaces outside the semiconductor or solid-state body
    • H01L2224/85399Material
    • H01L2224/854Material with a principal constituent of the material being a metal or a metalloid, e.g. boron (B), silicon (Si), germanium (Ge), arsenic (As), antimony (Sb), tellurium (Te) and polonium (Po), and alloys thereof
    • H01L2224/85438Material with a principal constituent of the material being a metal or a metalloid, e.g. boron (B), silicon (Si), germanium (Ge), arsenic (As), antimony (Sb), tellurium (Te) and polonium (Po), and alloys thereof the principal constituent melting at a temperature of greater than or equal to 950°C and less than 1550°C
    • H01L2224/85455Nickel (Ni) as principal constituent
    • HELECTRICITY
    • H01ELECTRIC ELEMENTS
    • H01LSEMICONDUCTOR DEVICES NOT COVERED BY CLASS H10
    • H01L2224/00Indexing scheme for arrangements for connecting or disconnecting semiconductor or solid-state bodies and methods related thereto as covered by H01L24/00
    • H01L2224/91Methods for connecting semiconductor or solid state bodies including different methods provided for in two or more of groups H01L2224/80 - H01L2224/90
    • H01L2224/92Specific sequence of method steps
    • H01L2224/922Connecting different surfaces of the semiconductor or solid-state body with connectors of different types
    • H01L2224/9222Sequential connecting processes
    • H01L2224/92242Sequential connecting processes the first connecting process involving a layer connector
    • H01L2224/92247Sequential connecting processes the first connecting process involving a layer connector the second connecting process involving a wire connector
    • HELECTRICITY
    • H01ELECTRIC ELEMENTS
    • H01LSEMICONDUCTOR DEVICES NOT COVERED BY CLASS H10
    • H01L24/00Arrangements for connecting or disconnecting semiconductor or solid-state bodies; Methods or apparatus related thereto
    • H01L24/01Means for bonding being attached to, or being formed on, the surface to be connected, e.g. chip-to-package, die-attach, "first-level" interconnects; Manufacturing methods related thereto
    • H01L24/42Wire connectors; Manufacturing methods related thereto
    • H01L24/44Structure, shape, material or disposition of the wire connectors prior to the connecting process
    • H01L24/45Structure, shape, material or disposition of the wire connectors prior to the connecting process of an individual wire connector
    • HELECTRICITY
    • H01ELECTRIC ELEMENTS
    • H01LSEMICONDUCTOR DEVICES NOT COVERED BY CLASS H10
    • H01L2924/00Indexing scheme for arrangements or methods for connecting or disconnecting semiconductor or solid-state bodies as covered by H01L24/00
    • H01L2924/10Details of semiconductor or other solid state devices to be connected
    • H01L2924/11Device type
    • H01L2924/12Passive devices, e.g. 2 terminal devices
    • H01L2924/1203Rectifying Diode
    • HELECTRICITY
    • H01ELECTRIC ELEMENTS
    • H01LSEMICONDUCTOR DEVICES NOT COVERED BY CLASS H10
    • H01L2924/00Indexing scheme for arrangements or methods for connecting or disconnecting semiconductor or solid-state bodies as covered by H01L24/00
    • H01L2924/10Details of semiconductor or other solid state devices to be connected
    • H01L2924/11Device type
    • H01L2924/13Discrete devices, e.g. 3 terminal devices
    • H01L2924/1304Transistor
    • H01L2924/1305Bipolar Junction Transistor [BJT]
    • H01L2924/13055Insulated gate bipolar transistor [IGBT]
    • HELECTRICITY
    • H01ELECTRIC ELEMENTS
    • H01LSEMICONDUCTOR DEVICES NOT COVERED BY CLASS H10
    • H01L2924/00Indexing scheme for arrangements or methods for connecting or disconnecting semiconductor or solid-state bodies as covered by H01L24/00
    • H01L2924/15Details of package parts other than the semiconductor or other solid state devices to be connected
    • H01L2924/181Encapsulation
    • HELECTRICITY
    • H01ELECTRIC ELEMENTS
    • H01LSEMICONDUCTOR DEVICES NOT COVERED BY CLASS H10
    • H01L2924/00Indexing scheme for arrangements or methods for connecting or disconnecting semiconductor or solid-state bodies as covered by H01L24/00
    • H01L2924/15Details of package parts other than the semiconductor or other solid state devices to be connected
    • H01L2924/181Encapsulation
    • H01L2924/183Connection portion, e.g. seal
    • H01L2924/18301Connection portion, e.g. seal being an anchoring portion, i.e. mechanical interlocking between the encapsulation resin and another package part

Landscapes

  • Engineering & Computer Science (AREA)
  • Computer Hardware Design (AREA)
  • Microelectronics & Electronic Packaging (AREA)
  • Power Engineering (AREA)
  • Physics & Mathematics (AREA)
  • Condensed Matter Physics & Semiconductors (AREA)
  • General Physics & Mathematics (AREA)
  • Structures Or Materials For Encapsulating Or Coating Semiconductor Devices Or Solid State Devices (AREA)

Description

この明細書における開示は、樹脂封止型の電子装置及びその製造方法に関する。
電子部品と、電子部品を封止する封止樹脂体と、封止樹脂体の内外にわたって延設されたリードフレームと、封止樹脂体の内部において、電子部品とリードフレームとを電気的に接続するボンディングワイヤと、を備える樹脂封止型の電子装置が知られている。リードフレームは、封止樹脂体の内部に配置されたインナーリードと、インナーリードに連なり、封止樹脂体の外部に突出するアウターリードを有している。
特許文献1には、封止樹脂体がリードフレームから剥離し、これによりボンディングワイヤが断線するのを抑制するために、多層にめっきが施されたリードフレームを備える樹脂封止型の電子装置(半導体パッケージ)が開示されている。特許文献1では、リードフレーム全面にCuストライクめっきを施し、次いで、アウターリードを治具にてマスクし、インナーリードに粗面化Cuめっきを施す。次いで、インナーリードの先端部を開口し、他の部分をマスクした治具を用いて、先端部にAgめっきを施している。
特開2002−299538号公報
特許文献1に開示された従来技術によれば、表面が凹凸をなす粗面化Cuめっきのアンカー効果により、リードフレームから封止樹脂体が剥離するのを抑制することができる。すなわち、封止樹脂体の剥離がボンディングワイヤの接続領域まで進展し、ボンディングワイヤが断線するのを抑制することができる。
また、粗面化めっき上におけるボンディングワイヤの接続領域にAgめっきが施されており、これにより接続領域が略平坦となっているため、ボンディングワイヤを接続することができる。
しかしながら、従来技術では、少なくとも3段階でめっきを施す必要がある。このため、リードフレーム、ひいては電子装置の構成が複雑である。また、局所的にめっきを施すためにマスクを形成し、めっき後にマスクを除去する必要がある。このため、製造工程が複雑である。
本開示はこのような課題に鑑みてなされたものであり、封止樹脂体の剥離によるボンディングワイヤの断線を抑制しつつ、構成及び製造工程を簡素化できる電子装置及びその製造方法を提供することを目的とする。
本開示は、上記目的を達成するために以下の技術的手段を採用する。なお、括弧内の符号は、ひとつの態様として後述する実施形態に記載の具体的手段との対応関係を示すものであって、技術的範囲を限定するものではない。
本開示のひとつは、電子部品(12)と、電子部品を封止する封止樹脂体(11)と、封止樹脂体の内部に配置されたインナーリード(250)と、インナーリードに連なり、封止樹脂体の外部に突出するアウターリード(251)と、を有し、封止樹脂体の内外にわたって延設されたリードフレーム(25)と、封止樹脂体の内部において、電子部品とインナーリードとを電気的に接続するボンディングワイヤ(26)と、を備え、インナーリードが、金属材料を用いて形成された基材(252)と、基材の表面のうち、インナーリードにおけるボンディングワイヤが接続されるボンディング面(250a)側の表面に少なくとも形成された皮膜(253)と、を有し、皮膜が、基材の表面に形成され、一部分にボンディングワイヤが接続された金属薄膜(254)と、金属薄膜の主成分の金属と同じ金属の酸化物よりなり、金属薄膜上であってボンディングワイヤの接続領域(250b)を除く部分の少なくとも一部に形成された酸化膜(255)と、を有し、酸化膜が、表面が連続して凹凸をなす凹凸酸化膜(256)を含んでおり、ボンディング面において、アウターリード側の端部とは反対の端部を先端部(250c)とすると、凹凸酸化膜が、接続領域よりも先端部側の領域である先端領域(250e)の少なくとも一部に形成されている。
本発明者が鋭意検討した結果、封止樹脂体とリードフレームとの線膨張係数差に基づいて生じる熱応力は、インナーリードにおけるボンディング面の先端部に集中することが明らかとなった。これに対し、本開示では、接続領域よりも先端側の先端領域の少なくとも一部において、金属薄膜上に凹凸酸化膜が形成されている。凹凸酸化膜の表面は連続して凹凸をなしており、アンカー効果及び接触面積増加の効果によって、封止樹脂体の剥離を抑制することができる。したがって、封止樹脂体の剥離が接続領域まで進展するのを抑制することができる。すなわち、ボンディングワイヤが断線するのを抑制することができる。
また、金属薄膜上に酸化膜が形成された構成とすることで、上記効果を奏することができる。したがって、封止樹脂体の剥離を抑制しつつ、リードフレーム、ひいては電子装置の構成を簡素化することができる。
また、表面が連続して凹凸をなす凹凸酸化膜は、金属薄膜にパルス発振のレーザ光を照射することで形成されている。このため、従来に較べて製造工程を簡素化することができる。
本開示の他のひとつは、電子部品(12)と、電子部品を封止する封止樹脂体(11)と、封止樹脂体の内部に配置されたインナーリード(250)と、インナーリードに連なり、封止樹脂体の外部に突出するアウターリード(251)と、を有し、封止樹脂体の内外にわたって延設されたリードフレーム(25)と、封止樹脂体の内部において、電子部品とインナーリードとを電気的に接続するボンディングワイヤ(26)と、を備え、インナーリードが、金属材料を用いて形成された基材(252)と、基材の表面のうち、インナーリードにおけるボンディングワイヤが接続されるボンディング面(250a)側の表面に少なくとも形成された皮膜(253)と、を有し、皮膜が、基材の表面に形成され、一部分にボンディングワイヤが接続された金属薄膜(254)と、金属薄膜の主成分の金属と同じ金属の酸化物よりなり、金属薄膜上であってボンディングワイヤの接続領域(250b)を除く部分の少なくとも一部に形成された酸化膜(255)と、を有し、酸化膜が、表面が連続して凹凸をなす凹凸酸化膜(256)を含む電子装置の製造方法であって、金属薄膜が形成された基材を準備し、ボンディング面において、アウターリード側の端部とは反対の端部を先端部(250c)とすると、金属薄膜の表面のうち、接続領域よりも先端部側の領域である先端領域(250e)の少なくとも一部にパルス発振のレーザ光を照射して、凹凸酸化膜を形成し、凹凸酸化膜の形成後、ボンディングワイヤを介して、電子部品とインナーリードとを接続し、ボンディングワイヤ、電子部品、及びインナーリードを覆うように、封止樹脂体を成形する。
これによれば、金属薄膜にパルス発振のレーザ光を照射することで、表面が連続して凹凸をなす凹凸酸化膜を形成できる。したがって、上記した他の開示同様、封止樹脂体の剥離が接続領域まで進展するのを抑制することができる。すなわち、ボンディングワイヤが断線するのを抑制することができる。また、リードフレーム、ひいては電子装置の構成を簡素化することができる。さらには、製造工程を簡素化することができる。
第1実施形態の半導体装置が適用される電力変換装置の概略構成を示す図である。 第1実施形態に係る半導体装置の概略構成を示す平面図である。 図2に示す半導体装置において、封止樹脂体を省略した図である。 図2のIV-IV線に沿う断面図である。 信号端子を示す平面図である。 図5のVI-VI線に沿う断面図であり、封止樹脂体により覆われた状態を示している。 半導体装置の製造方法を示す断面図であり、図6に対応している。 レーザ光の照射工程を示す平面図である。 レーザ光の照射後の状態を示す断面図であり、図6に対応している。 ボンディングワイヤの接続工程を示す断面図であり、図6に対応している。 応力解析結果を示す図である。 第2実施形態に係る半導体装置の信号端子を示す平面図であり、図6に対応している。 第3実施形態に係る半導体装置の信号端子を示す平面図であり、図6に対応している。 第4実施形態に係る半導体装置の信号端子を示す平面図であり、図6に対応している。 第1変形例を示す平面図であり、図6に対応している。 第2変形例を示す平面図であり、図6に対応している。
図面を参照しながら、複数の実施形態を説明する。複数の実施形態において、機能的に及び/又は構造的に対応する部分には同一の参照符号を付与する。以下において、半導体チップの厚み方向をZ方向、Z方向に直交し、主端子及び信号端子の延設方向をY方向と示す。また、Z方向及びY方向の両方向に直交する方向をX方向と示す。特に断わりのない限り、上記したX方向及びY方向により規定されるXY面に沿う形状を平面形状とする。
(第1実施形態)
先ず、図1に基づき、半導体装置が適用される電力変換装置の一例について説明する。
図1に示す電力変換装置1は、直流電源2(バッテリ)から供給される直流電圧を、三相交流に変換して、三相交流方式のモータ3に出力するように構成されている。このような電力変換装置1は、たとえば電気自動車やハイブリッド車に搭載される。なお、電力変換装置1は、モータ3により発電された電力を、直流に変換して直流電源2に充電することもできる。図2に示す符号4は、平滑コンデンサである。
電力変換装置1は、三相インバータを有している。三相インバータは、直流電源2の正極(高電位側)に接続された高電位電源ライン5と、負極(低電位側)に接続された低電位電源ライン6との間に設けられた三相分の上下アームを有している。そして、各相の上下アームが、それぞれ半導体装置10によって構成されている。すなわち、ひとつの半導体装置10により、一相分の上下アームが構成されている。
半導体装置10は、IGBT素子と、該IGBT素子に逆並列に接続された還流用のFWD素子と、を備えている。本実施形態では、後述する半導体チップ12に、IGBT素子及びFWD素子がそれぞれ構成されている。しかしながら、IGBT素子とFWD素子が別チップに構成されても良い。本実施形態では、nチャネル型のIGBT素子を採用している。FWD素子のカソード電極はコレクタ電極と共通化され、アノード電極はエミッタ電極と共通化されている。
半導体装置10において、上アーム側のIGBT素子のコレクタ電極は高電位電源ライン5と電気的に接続され、エミッタ電極はモータ3への出力ライン7に接続されている。一方、下アーム側のIGBT素子のコレクタ電極はモータ3への出力ライン7に接続され、エミッタ電極は低電位電源ライン6と電気的に接続されている。
なお、電力変換装置1は、上記した三相インバータに加えて、直流電源2から供給される直流電圧を昇圧する昇圧コンバータ、三相インバータや昇圧コンバータを構成するスイッチング素子の動作を制御する制御部を有してもよい。
次に、図2〜図4に基づき、半導体装置10の概略構成について説明する。
図2〜図4に示すように、半導体装置10は、封止樹脂体11と、半導体チップ12と、第1ヒートシンク14と、継手部16と、ターミナル17と、第2ヒートシンク19と、主端子22,23,24と、信号端子25と、を備えている。半導体装置10が、樹脂封止型の電子装置に相当する。以下において、符号末尾のHは上アーム側の要素であることを示し、末尾のLは下アーム側の要素であることを示す。要素の一部には、上アーム、下アームを明確にするために末尾にH,Lを付与し、別の一部については、上アームと下アームとで共通符号としている。
封止樹脂体11は、たとえばエポキシ系樹脂からなる。封止樹脂体11は、たとえばトランスファモールド法により成形されている。封止樹脂体11は、平面略矩形状をなしており、Z方向に直交する一面11aと、一面11aと反対の裏面11bと、一面11aと裏面11bとをつなぐ側面と、を有している。一面11a及び裏面11bは、たとえば平坦面となっている。封止樹脂体11は、側面として、主端子22,23,24が突出する側面11cと、信号端子25が突出する側面11dと、を有している。
半導体チップ12は、シリコンなどの半導体基板に、絶縁ゲートバイポーラトランジスタ(IGBT)などのパワートランジスタが形成されてなる。本実施形態では、nチャネル型のIGBTと、当該IGBTに逆並列に接続される転流ダイオード(FWD)が形成されている。すなわち、半導体チップ12に、RC(Reverse Conducting)−IGBTが形成されている。半導体チップ12は、平面略矩形状をなしている。
IGBT及びFWDは、Z方向に電流が流れるように縦型構造をなしている。半導体チップ12の板厚方向、すなわちZ方向において、一面12aにはコレクタ電極13aが形成され、一面12aと反対の裏面12bにはエミッタ電極13bが形成されている。コレクタ電極13aはFWDのカソード電極も兼ねており、エミッタ電極13bはFWDのアノード電極も兼ねている。半導体チップ12の裏面12b、すなわちエミッタ電極形成面には、ゲート電極用のパッドを含むパッド(図示略)が形成されている。半導体チップ12が、電子部品に相当する。
半導体チップ12は、上アーム側の半導体チップ12Hと、下アーム側の半導体チップ12Lと、を有している。半導体チップ12H,12Lは、互いにほぼ同じ平面形状、具体的には平面略矩形状をなすとともに、互いにほぼ同じ大きさとほぼ同じ厚みを有している。半導体チップ12H,12Lは、お互いのコレクタ電極13aがZ方向における同じ側となり、お互いのエミッタ電極13bがZ方向における同じ側となるように配置されている。半導体チップ12H,12Lは、Z方向においてほぼ同じ高さに位置するとともに、X方向において横並びで配置されている。
第1ヒートシンク14は、対応する半導体チップ12の熱を半導体装置10の外部に放熱する機能を果たすとともに、配線としての機能も果たす。このため、熱伝導性及び電気伝導性を確保すべく、少なくとも金属材料を用いて形成される。第1ヒートシンク14は、放熱部材とも称される。本実施形態では、第1ヒートシンク14が、Z方向からの投影視において、対応する半導体チップ12を内包するように設けられている。
第1ヒートシンク14は、半導体チップ12の一面12aに対向する対向面14aと、対向面14aと反対の放熱面14bと、を有している。第1ヒートシンク14の対向面14aと、該第1ヒートシンク14に対応する半導体チップ12のコレクタ電極13aとが、はんだ15を介して電気的に接続されている。第1ヒートシンク14の大部分は封止樹脂体11によって覆われている。対向面14aは封止樹脂体11内に配置され、放熱面14bは封止樹脂体11から露出されている。具体的には、放熱面14bが一面11aと略面一となっている。
本実施形態では、第1ヒートシンク14が、上アーム側の第1ヒートシンク14Hと、下アーム側の第1ヒートシンク14Lと、を有している。また、はんだ15も、上アーム側のはんだ15Hと、下アーム側のはんだ15Lと、を有している。そして、第1ヒートシンク14Hが、はんだ15Hを介して、半導体チップ12Hのコレクタ電極13aと接続されている。また、第1ヒートシンク14Lが、はんだ15Lを介して、半導体チップ12Lのコレクタ電極13aと接続されている。第1ヒートシンク14H,14Lは、X方向に並んで配置されるとともに、Z方向においてほぼ同じ位置に配置されている。そして、第1ヒートシンク14H,14Lの放熱面14bが、封止樹脂体11の一面11aから露出されるとともに、互いにX方向に並んでいる。
図3及び図4に示すように、下アーム側の第1ヒートシンク14Lには、継手部16が連なっている。継手部16は、第1ヒートシンク14Lと後述する第2ヒートシンク19Hとを、電気的に中継する部分である。本実施形態では、継手部16が、同一の金属板を加工することで、第1ヒートシンク14Lと一体的に設けられている。継手部16は、封止樹脂体11に被覆されるように、第1ヒートシンク14Lよりも薄く設けられている。継手部16は、第1ヒートシンク14Lの対向面14aに略面一で連なっている。継手部16は、第1ヒートシンク14LにおけるY方向の一端付近から、第2ヒートシンク19Hに向けて延設されている。本実施形態では、図4に示すように、継手部16が屈曲部を2箇所有している。
ターミナル17は、対応する半導体チップ12と第2ヒートシンク19との間に介在している。ターミナル17は、半導体チップ12と第2ヒートシンク19との熱伝導、電気伝導経路の途中に位置するため、熱伝導性及び電気伝導性を確保すべく、少なくとも金属材料(たとえば、銅)を用いて形成されている。ターミナル17は、エミッタ電極13bに対向配置され、はんだ18を介してエミッタ電極13bと電気的に接続されている。
本実施形態では、ターミナル17が、上アーム側のターミナル17Hと、下アーム側のターミナル17Lと、を有している。また、はんだ18が、上アーム側のはんだ18Hと、下アーム側のはんだ18Lと、を有している。そして、ターミナル17Hが、はんだ18Hを介して、半導体チップ12Hのエミッタ電極13bと接続されている。また、ターミナル17Lが、はんだ18Lを介して、半導体チップ12Lのエミッタ電極13bと接続されている。
第2ヒートシンク19は、対応する半導体チップ12の熱を半導体装置10の外部に放熱する機能を果たすとともに、配線としての機能も果たす。このため、第1ヒートシンク14同様、熱伝導性及び電気伝導性を確保すべく、少なくとも金属材料を用いて形成される。第2ヒートシンク19は、放熱部材とも称される。本実施形態では、第2ヒートシンク19が、Z方向からの投影視において、対応する半導体チップ12を内包するように設けられている。
第2ヒートシンク19は、対応するターミナル17と対向する対向面19aと、対向面19aと反対の放熱面19bと、を有している。第2ヒートシンク19の対向面19aと対応するターミナル17とが、はんだ20を介して電気的に接続されている。第2ヒートシンク19の大部分は封止樹脂体11によって覆われている。対向面19aは封止樹脂体11内に配置され、放熱面19bは封止樹脂体11から露出されている。具体的には、放熱面19bが、裏面11bと略面一となっている。
本実施形態では、第2ヒートシンク19が、上アーム側の第2ヒートシンク19Hと、下アーム側の第2ヒートシンク19Lと、を有している。また、はんだ20も、上アーム側のはんだ20Hと、下アーム側のはんだ20Lと、を有している。そして、第2ヒートシンク19Hとターミナル17Hとが、はんだ20Hを介して接続されている。また、第2ヒートシンク19Lとターミナル17Lとが、はんだ20Lを介して接続されている。第2ヒートシンク19H,19Lは、X方向に並んで配置されるとともに、Z方向においてほぼ同じ位置に配置されている。そして、第2ヒートシンク19H,19Lの放熱面19bが、封止樹脂体11の裏面11bから露出されるとともに、互いにX方向に並んでいる。
また、図3に示すように、第2ヒートシンク19H,19Lを共通形状としている。第2ヒートシンク19Hと第2ヒートシンク19Lは、2回対称となるように配置されている。第2ヒートシンク19は、平面略L字状をなしており、はんだ20を介して対応するターミナル17に接続される本体部190と、本体部190から延設された延設部191と、を有している。
延設部191は、同一の金属板を加工することで、本体部190と一体的に設けられている。延設部191は、封止樹脂体11に被覆されるように、本体部190よりも薄く設けられている。延設部191は、対向面19aが略平坦となるように、本体部190に連なっている。また、延設部191の延設方向がX方向に沿うように、第2ヒートシンク19が配置されている。
本実施形態では、第2ヒートシンク19が、本体部190として、上アーム側の本体部190Hと、下アーム側の本体部190Lと、を有している。また、延設部191として、上アーム側の延設部191Hと、下アーム側の延設部191Lと、を有している。そして、X方向において、延設部191Hが本体部190Lと対向し、延設部191Lが本体部190Hと対向するように、2つの第2ヒートシンク19H,19Lが配置されている。換言すれば、Y方向において、延設部191H,191Lが横並びとなるように、2つの第2ヒートシンク19H,19Lが配置されている。
延設部191Hは、Z方向からの投影視において、継手部16の先端部分と重なっている。延設部191Hと継手部16とが、はんだ21を介して接続されている。
主端子22は、高電位電源ライン5に接続される。このため、主端子22は、高電位電源端子、P端子とも称される。主端子22は、第1ヒートシンク14Hと電気的に接続されており、Y方向に延設されて、封止樹脂体11の側面11cから外部に突出している。本実施形態では、同一の金属板を加工することで、主端子22が第1ヒートシンク14Hと一体的に設けられている。
主端子23は、モータ3の出力ライン7に接続される。このため、主端子23は、出力端子、O端子とも称される。主端子23は、第1ヒートシンク14Lと電気的に接続されており、Y方向に延設されて、主端子22と同じ側面11cから外部に突出している。本実施形態では、同一の金属板を加工することで、主端子23が第1ヒートシンク14Lと一体的に設けられている。
主端子24は、低電位電源ライン6に接続される。このため、主端子24は、低電位電源端子、N端子とも称される。主端子24は、Z方向からの投影視において、第2ヒートシンク19Lの延設部191Lと重なるように配置されている。主端子24は、Z方向において、延設部191Lに対して半導体チップ12側に配置されている。図示を省略するが、主端子24と延設部191Lも、はんだ21を介して接続されている。
主端子24は、Y方向に延設されて、主端子22,23と同じ側面11cから外部に突出している。主端子22,23,24における封止樹脂体11からの突出部分は、Z方向において互いにほぼ同じ位置に配置されている。また、X方向において、主端子22、主端子24、主端子23の順に並んで配置されている。
信号端子25は、対応する半導体チップ12のパッドに、ボンディングワイヤ26を介して電気的に接続されている。本実施形態では、アルミニウム系のボンディングワイヤ26を採用している。信号端子25は、Y方向に延設されており、封止樹脂体11の側面11dから外部に突出している。具体的には、主端子22,23,24が突出する側面11cとは反対の側面11dから、外部に突出している。
本実施形態では、信号端子25が、上アーム側の信号端子25Hと、下アーム側の信号端子25Lと、を有している。信号端子25Hは半導体チップ12Hのパッドと接続され、信号端子25Lは半導体チップ12Lのパッドと接続されている。なお、信号端子25が、リードフレームに相当する。信号端子25の構造の詳細については後述する。
本実施形態では、第1ヒートシンク14H,14L、継手部16、主端子22,23,24と、及び信号端子25が、同一の金属板から構成されている。すなわち、リードフレームが、第1ヒートシンク14H,14L、継手部16、主端子22,23,24と、及び信号端子25を有している。このように、信号端子25は、実質的にリードフレームの一部分である。
なお、本実施形態の半導体装置10は、貫通孔27,28,29を有している。貫通孔27は、上記したリードフレームを位置決めするために、主端子22に形成されている。貫通孔27は、主端子22において、封止樹脂体11によって被覆されない部分に形成されている。貫通孔28は、封止樹脂体11の剥離を抑制するために、第1ヒートシンク14H,14Lと主端子22,23との連結部付近に形成されている。貫通孔28には、封止樹脂体11が充填されている。貫通孔29は、封止樹脂体11の剥離を抑制するために、信号端子25に形成されている。貫通孔29は、信号端子25の後述するインナーリード250に形成されている。貫通孔29には、封止樹脂体11が充填されている。
以上のように構成される半導体装置10では、封止樹脂体11により、半導体チップ12、第1ヒートシンク14の一部、継手部16、ターミナル17、第2ヒートシンク19の一部、主端子22,23,24の一部、及び信号端子25の一部が、一体的に封止されている。半導体装置10では、封止樹脂体11によって、一相分の上下アームを構成する2つの半導体チップ12H,12Lが封止されている。このため、半導体装置10は、2in1パッケージとも称される。
また、第1ヒートシンク14及び第2ヒートシンク19は、後述するように、封止樹脂体11とともに切削加工されている。そして、第1ヒートシンク14H,14Lの放熱面14bが、同一面内に位置するとともに、封止樹脂体11の一面11aと略面一となっている。同じく、第2ヒートシンク19H,19Lの放熱面19bが、同一面内に位置するとともに、封止樹脂体11の裏面11bと略面一となっている。このように、半導体装置10は、放熱面14b,19bがともに封止樹脂体11から露出された両面放熱構造をなしている。
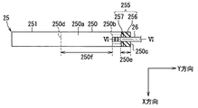
次に、図5及び図6に基づき、信号端子25の詳細構造及び信号端子25とボンディングワイヤ26の接続構造について説明する。図5では、便宜上、信号端子25の平面形状を簡素化して図示している。図5では、便宜上、封止樹脂体11を省略して図示している。図5は平面図ではあるが、明確化のため、凹凸酸化膜256及び中間酸化膜257にハッチングを施している。図6は、図5のVI-VI線に沿う断面図であり、封止樹脂体11も示している。
信号端子25は、図5に示すように、封止樹脂体11の内部に配置されるインナーリード250と、インナーリード250に連なり、封止樹脂体11の外部に突出するアウターリード251と、を有している。このように、信号端子25は、封止樹脂体11の内外にわたって延設されている。
インナーリード250は、金属材料を用いて形成された基材252と、基材252の表面のうち、インナーリード250におけるボンディングワイヤ26が接続されるボンディング面250a側の表面に少なくとも形成された皮膜253と、を有している。本実施形態では、基材252の材料としてCuを採用している。信号端子25を含むリードフレーム全体が基材252を有している。
皮膜253は、金属薄膜254と、酸化膜255と、を有している。金属薄膜254は、金属を構成材料とする膜である。金属薄膜254は、基材252の表面に形成されている。すなわち、金属薄膜254は、基材252の表面のうち、少なくともボンディング面250a側の表面に形成されている。図6に示す例では、基材252において、ボンディング面250a側の表面に、金属薄膜254が形成されている。しかしながら、基材252の表面全面に、金属薄膜254が形成された構成を採用することもできる。また、リードフレーム全体に金属薄膜254が形成された構成を採用することもできる。
本実施形態の金属薄膜254は、Niを主成分としている。金属薄膜254は、たとえばめっき、蒸着により形成されている。金属薄膜254として、Niを主成分とする膜を含む構成が好ましい。より好ましくは、無電解Niめっき膜を含む構成がよい。本実施形態では、無電解Niめっき膜により、金属薄膜254が構成されている。無電解Niめっき膜は、主成分であるNiに加えて、P(リン)を含んでいる。
後述するレーザ光の照射条件が同じであれば、無電解Niめっき膜のほうが、電気Niめっき膜よりも、凹凸酸化膜256の膜厚が厚くなる。無電解Niめっき膜(Ni−P)の融点は、Pの含有量にもよるが約800度程度であり、電気Niめっき膜(Ni)の融点は、約1450度である。このように、無電解Niめっき膜ほうが融点が低いため、低いエネルギーのレーザ光で溶融及び蒸発し、凹凸酸化膜256の膜厚が厚くなると考えられる。
金属薄膜254は、基材252の表面のうち、ボンディング面250a側の表面に形成されている。金属薄膜254の表面には、図6に示すように複数の凹部254aが形成されている。凹部254aは、後述するように、パルス発振のレーザ光の照射により形成されている。たとえば1パルスごとに1つの凹部254aが形成されている。凹部254aは、レーザ光のスポットに対応している。また、レーザ光の走査方向において、隣り合う凹部254aが連なっている。各凹部254aの幅は、5μm〜300μmとなっている。また、凹部254aの深さは、0.5μm〜5μmとなっている。
凹部254aの深さが0.5μmより浅いと、レーザ光の照射による金属薄膜254の表面の溶融及び蒸着が不十分となり、後述する凹凸酸化膜256が形成され難くなる。凹部254aの深さが5μmよりも深いと、金属薄膜254の表面が溶融飛散しやすくなり、蒸着よりも溶融飛散による表面形成が支配的となり、凹凸酸化膜256が形成され難くなる。
金属薄膜254の表面のうち、凹部254a上には、凹凸酸化膜256が形成されている。上記したように、凹部254aはレーザ光が照射された痕跡である。金属薄膜254において、凹凸酸化膜256が形成された部分の平均膜厚は、凹凸酸化膜256が形成されていない部分(たとえば後述する後端領域250f)の平均膜厚よりも薄くなっている。このように、金属薄膜254において、凹凸酸化膜256が形成された部分の平均膜厚が薄いことも、レーザ光照射の痕跡である。
酸化膜255は、金属薄膜254を構成する主成分の金属と同じ金属の酸化物よりなる。酸化膜255は、金属薄膜254上に形成されている。酸化膜255は、ボンディング面250aのうち、ボンディングワイヤ26の接続領域250bを除く部分の少なくとも一部に形成されている。図5では、接続領域250bを破線で示している。たとえば信号端子25の幅が約2.5mm、ボンディングワイヤ26の径が約150μmの場合、接続領域250bが約600μm角となっている。
酸化膜255は、金属薄膜254にパルス発振のレーザ光を照射し、金属薄膜254を構成する金属を酸化することで形成されている。すなわち、酸化膜255は、金属薄膜254の表層を酸化することで、金属薄膜254の表面に形成された酸化物の膜である。このため、金属薄膜254の一部分が、酸化膜255を提供しているとも言える。本実施形態では、酸化膜255を構成する成分のうち、80%がNI、10%がNiO、10%がNiとなっている。このように、酸化膜255の主成分は、金属薄膜254の主成分であるNiの酸化物である。
酸化膜255は、凹凸酸化膜256と、中間酸化膜257と、を有している。凹凸酸化膜256は、表面が連続して凹凸をなしている。凹凸酸化膜256は、金属薄膜254上に形成されている。凹凸酸化膜256は、金属薄膜254の表面のうち、凹部254aの表面に形成されている。凹凸酸化膜256の平均膜厚は、10nm〜数百nmとなっている。凹凸酸化膜256は、凹部254aを有する金属薄膜254の表面の凹凸に倣って形成されている。また、凹部254aの幅よりも細かいピッチで凹凸が形成されている。すなわち、非常に微細な凹凸が形成されている。換言すれば、複数の凸部256a(柱状体)が、細かいピッチで形成されている。たとえば凸部256aの平均幅が1nm〜300nm、凸部256a間の平均間隔が1nm〜300nmとなっている。
ここで、インナーリード250のボンディング面250aにおいて、半導体チップ12側の端部を先端部250cとし、アウターリード251側の端部を後端部250dとする。後端部250dの位置は、封止樹脂体11の側面11dの位置と一致している。図5では、後端部250dを破線で示している。凹凸酸化膜256は、ボンディング面250aにおいて、接続領域250bよりも先端部250c側の領域である先端領域250eの少なくとも一部に形成されている。
本実施形態では、凹凸酸化膜256が、先端部250cから先端領域250eの一部分に形成されている。一方、ボンディング面250aにおいて、接続領域250bよりも後端部250d側の領域である後端領域250fには、凹凸酸化膜256が形成されていない。また、X方向において接続領域250bの両サイドの領域、すなわちボンディング面250aのうち、接続領域250b、先端領域250e、及び後端領域250fを除く領域にも、凹凸酸化膜256は形成されていない。
先端領域250eのうち、凹凸酸化膜256が形成されている部分では、凹凸酸化膜256がボンディング面250aの一部をなしている。また、接続領域250bや後端領域250fでは、金属薄膜254が、ボンディング面250aをなしている。ボンディング面250aのうち、酸化膜255の形成部分及び接続領域250bにおけるボンディングワイヤ26の接合部分を除く部分には、図示しない自然酸化膜が形成されている。
中間酸化膜257は、凹凸酸化膜256と接続領域250bとの間に形成されている。中間酸化膜257は、凹凸酸化膜256に隣接して形成されている。中間酸化膜257は、凹凸酸化膜256の周辺に形成されている。中間酸化膜257の表面は、凹凸酸化膜256のように微細凹凸をなしていない。中間酸化膜257は、凹凸酸化膜256に較べて滑らかな表面を有している。中間酸化膜257の膜厚は、上記した自然酸化膜よりも厚く、凹凸酸化膜256の平均膜厚よりも薄くなっている。本実施形態では、中間酸化膜257が、先端領域250eのみに形成されている。
次に、図6〜図10に基づき、上記した半導体装置10(電子装置)の製造方法について説明する。
先ず、半導体装置10を構成する各要素を準備する。すなわち、半導体チップ12、第1ヒートシンク14、継手部16、ターミナル17、第2ヒートシンク19、主端子22,23,24、及び信号端子25をそれぞれ準備する。この準備工程では、図7に示すように、インナーリード250において、基材252の表面のうち、少なくともボンディング面250a側の表面に金属薄膜254が形成された信号端子25を準備する。
本実施形態では、金属薄膜254として無電解Niめっき膜が形成された信号端子25を準備する。このとき、無電解Ni膜の膜厚を10μm程度とする。また、第1ヒートシンク14、継手部16、及び主端子22,23,24とともに、リードフレームの一部として、信号端子25を準備する。
次に、レーザ光を照射して酸化膜255を形成する。インナーリード250における金属薄膜254の表面に、パルス発振のレーザ光を照射することにより、金属薄膜254の表面を溶融及び蒸発させる。具体的には、レーザ光を照射することにより、金属薄膜254の表面の部分を溶融させるとともに、蒸発(気化)させて、外気中に浮遊させる。パルス発振のレーザ光は、エネルギー密度が0J/cmより大きく100J/cm以下で、パルス幅が1μ秒以下となるように調整される。この条件を満たすには、YAGレーザ、YVOレーザ、ファイバレーザなどを採用することができる。たとえばYAGレーザの場合、エネルギー密度が1J/cm以上であればよい。無電解Niめっきの場合、たとえば5J/cm程度でも金属薄膜254を加工することができる。なお、エネルギー密度は、パルスフルーエンスとも称される。
このとき、レーザ光の光源と信号端子25とを相対的に移動させることにより、図8に示すように、レーザ光をボンディング面250aの先端領域250eの複数の位置に順に照射する。なお、レーザ光の光源を移動させてもよいし、信号端子25を移動させてもよい。さらには、ミラーの回転動作によって、レーザ光を走査してもよい。すなわち、レーザ光を走査することで、先端領域250eの複数の位置にレーザ光を順に照射してもよい。
たとえば図8に示すように、レーザ光をX方向に走査してボンディング面250aの一端から他端までの照射が完了すると、Y方向においてレーザ光の照射領域をずらす。すなわち、Y方向にレーザ光を走査する。そして、同様にX方向に走査して、一端から他端までレーザ光を照射する。これを繰り返すことで、先端部250cから先端領域250eの一部にレーザ光を照射する。すなわち、XY座標における所定ピッチの格子点に、レーザ光を照射する。図8では、実線矢印で示すように、Y方向において先端部250c側からレーザ光を照射している。
本実施形態では、隣り合うレーザ光のスポット(1パルスによる照射範囲)がX方向において一部重なるようにして、X方向においてレーザ光を走査する。また、隣り合うレーザ光のスポットがY方向において一部重なるようにして、Y方向においてレーザ光を走査する。このように、レーザ光を照射し、金属薄膜254の表面を溶融、気化させることで、金属薄膜254の表面には、凹部254aが形成される。金属薄膜254のうち、レーザ光を照射した部分の平均厚みは、レーザ光を照射しない部分の平均厚みよりも薄くなる。また、レーザ光のスポットに対応して形成される複数の凹部254aは、X方向において連なるとともに、Y方向においても連なる。これにより、レーザ照射痕である凹部254aは、たとえば鱗状となる。
次いで、溶融した金属薄膜254の部分を凝固させる。具体的には、溶融して気化した金属薄膜254を、レーザ光が照射された部分やその周辺部分に蒸着させる。このように、溶融して気化した金属薄膜254を蒸着させることにより、金属薄膜254の表面上に、凹凸酸化膜256及び中間酸化膜257を含む酸化膜255が形成される。凹凸酸化膜256は、主として、金属薄膜254におけるレーザ光が照射された部分に形成される。中間酸化膜257は、主としてレーザ光が照射された部分の周辺部分に形成される。
以上により、図9に示すように、信号端子25におけるインナーリード250のボンディング面250aのうち、先端領域250eに、凹凸酸化膜256及び中間酸化膜257が形成される。レーザ光の照射によって形成された中間酸化膜257の膜厚は、自然酸化膜に較べて十分に厚い。さらに、凹凸酸化膜256の平均膜厚は、中間酸化膜257よりも厚い。以上により、レーザ光の照射工程、換言すれば酸化膜255の形成工程が完了する。
なお、レーザ光の照射において、エネルギー密度を100J/cmよりも大きい150J/cmや、300J/cmとした場合、凹凸酸化膜256が形成されなかった。また、パルス発振ではなく、連続発振のレーザ光を照射した場合にも、凹凸酸化膜256が形成されなかった。
次いで、はんだ15を介して半導体チップ12と第1ヒートシンク14を接続し、接続体を形成する。上アーム側の接続体を例に説明する。
先ず、第1ヒートシンク14Hの対向面14a上に、はんだ15Hを介して、半導体チップ12Hを配置する。次に、半導体チップ12H上に、例えば、予め両面にはんだ18H,20Hが迎えはんだとして配置されたターミナル17Hを、はんだ18Hが半導体チップ12H側となるように配置する。はんだ20Hについては、半導体装置10における高さばらつきを吸収可能な量を配置しておく。
そして、この積層状態で、はんだ15H,18H,20Hをリフロー(1stリフロー)させることにより、はんだ15Hを介して、半導体チップ12Hと第1ヒートシンク14Hとを接続する。また、はんだ18Hを介して、半導体チップ12Hとターミナル17Hとを接続する。はんだ20Hについては、接続対象である第2ヒートシンク19Hがまだないので、表面張力により、第2ヒートシンク19Hとの対向面の中心を頂点として盛り上がった形状となる。
なお、下アーム側の接続体も同様に形成することができる。異なる点は、リフロー前に、継手部16における延設部191Hとの対向面上に、はんだ21を配置する。はんだ21については、はんだ20と同様に、半導体装置10における高さばらつきを吸収可能な量を配置しておく。
次いで、図10に示すように、信号端子25と対応する半導体チップ12のパッドとを、ボンディングワイヤ26により接続する。たとえば超音波接合法により、ボンディングワイヤ26の一端を、インナーリード250におけるボンディング面250aの接続領域250bに接合する。すなわち、ボンディングワイヤ26と金属薄膜254とを接合する。これにより、ボンディングワイヤ26を介して、半導体チップ12と信号端子25とが電気的に接続される。
次いで、はんだ20を介して、上記した各接続体と対応する第2ヒートシンク19とを接続する。また、はんだ21を介して、上アームの接続体と下アームの接続体を接続する。さらに、はんだ21を介して、主端子24と延設部191Lを接続する。すなわち、はんだ20,21を同時にリフロー(2ndリフロー)させる。
先ず、対向面19aが上になるようにして、第2ヒートシンク19H,19Lを図示しない台座上に配置する。このとき、第2ヒートシンク19Lの延設部191Lにおける対向面191a上に、はんだ21としてたとえばはんだ箔を配置する。このはんだ21についても、半導体装置10における高さばらつきを吸収可能な量を配置しておく。なお、主端子24上に予め迎えはんだをしてもよい。
次に、ターミナル17H,17Lが対応する第2ヒートシンク19H,19Lに対向するように、各接続体を第2ヒートシンク19H,19Lの対向面19a上に配置する。はんだ21の一方は、継手部16と延設部191Hとにより挟まれる。はんだ21の他方は、延設部191Lと主端子24とにより挟まれる。
そして、第2ヒートシンク19H,19Lを下にした状態で2ndリフローを行う。2ndリフローでは、第1ヒートシンク14H,14L側から荷重を加えることで、半導体装置10の高さが所定の高さとなるようにする。具体的には、図示しないスペーサを、第2ヒートシンク19H,19Lの本体部190H,190Lと台座との間に配置し、スペーサに、本体部190H,190Lと台座を接触させる。このようにして、半導体装置10の高さが所定の高さとなるようにする。
上記したように、高さばらつきを吸収可能な量のはんだ20H,20Lをターミナル17H,17Lと第2ヒートシンク19H,19Lとの間に配置している。したがって、2ndリフローにおいて、ターミナル17H,17Lと第2ヒートシンク19H,19Lとの間のはんだ20H,20Lは不足せず、確実な接続を行うことができる。また、高さばらつきを吸収可能な量のはんだ21を延設部191Hと継手部16との間に配置している。したがって、2ndリフローにおいて、延設部191Hと継手部16との間のはんだ21は不足せず、確実な接続を行うことができる。さらに、高さばらつきを吸収可能な量のはんだ21を延設部191Lと主端子24との間に配置している。したがって、2ndリフローにおいて、延設部191Lと主端子24との間のはんだ21は不足せず、確実な接続を行うことができる。
なお、1stリフロー及び2ndリフローは、水素雰囲気下のリフローとされる。これにより、はんだ付けに不要な金属表面の自然酸化膜を、還元により除去することができる。したがって、はんだ15,18,20,21としてフラックスレスのはんだを用いることができる。また、減圧により、はんだ15,18,20,21にボイドが生じるのを抑制することができる。なお、酸化膜255も還元により厚みが薄くなるため、還元されても少なくとも凹凸酸化膜256が残るように、レーザ光の照射により所望厚みの凹凸酸化膜256を形成しておく。上記したように、金属薄膜254が無電解Niめっき膜を含むと、電気Niめっき膜に較べて凹凸酸化膜256を厚くできるため、好ましい。
次に、トランスファモールド法により、図6に示す封止樹脂体11の成形を行う。このとき、半導体チップ12、信号端子25のインナーリード250、及びボンディングワイヤ26を覆うように、封止樹脂体11を成形する。本実施形態では、半導体チップ12、信号端子25のインナーリード250、ボンディングワイヤ26のみならず、第1ヒートシンク14、継手部16、ターミナル17、及び第2ヒートシンク19が完全に覆われるように、封止樹脂体11を形成する。そして、成形した封止樹脂体11を第1ヒートシンク14及び第2ヒートシンク19の一部ごと切削することにより、第1ヒートシンク14及び第2ヒートシンク19の放熱面14b,19bを露出させる。
なお、放熱面14b,19bを成形金型のキャビティ壁面に押し当て、密着させた状態で、封止樹脂体11を成形してもよい。この場合、封止樹脂体11を成形した時点で、放熱面14b,19bが封止樹脂体11から露出される。このため、成形後の切削が不要となる。
そして、リードフレームの不要部分を除去することで、半導体装置10を得ることができる。
次に、上記した半導体装置10及びその製造方法の効果について説明する。
本発明者は、信号端子25(リードフレーム)における封止樹脂体11の剥離について鋭意検討を行った。その際、175℃から−40℃まで変化させたときに生じる応力について解析した。図11は、信号端子25のうち、図3に一点鎖線で示す領域XIの部分の応力解析結果を示している。
半導体チップ12には、パッドとして、ゲート電極用、エミッタ電極13bの電位を検出するケルビンエミッタ用、電流センス用、半導体チップ12の温度を検出する感温ダイオードのアノード電位用、同じくカソード電位用がそれぞれ形成されている。本実施形態では、X方向において、一端側から、カソード電位用、アノード電位用、ゲート電極用、電流センス用、ケルビンエミッタ用の順に形成されている。このため、図11に示す2つの信号端子25の一方は、半導体チップ12Hのゲート電極用のパッドに対応するゲート端子25Hg、他方は、半導体チップ12Lのカソード電位用のパッドに対応するカソード端子25Lkである。
図11に示すように、封止樹脂体11と信号端子25との線膨張係数差に基づいて生じる熱応力は、インナーリード250におけるボンディング面250aの先端部250cに集中することが明らかとなった。また、信号端子25の位置によらず、先端部250cに集中することが明らかとなった。なお、熱応力は、先端部250cで最大値を示した。
これに対し、本実施形態では、ボンディング面250aの先端領域250eの少なくとも一部において、金属薄膜254上に凹凸酸化膜256が形成されている。凹凸酸化膜256の表面は微細な凹凸をなしている。このため、封止樹脂体11と先端領域250eとの接触面積が増える。また、封止樹脂体11が凹凸酸化膜256の凹凸に絡みついてアンカー効果が生じる。したがって、先端領域250eと封止樹脂体11との密着性を向上し、封止樹脂体11の剥離を抑制することができる。これにより、封止樹脂体11の剥離が接続領域250bまで進展するのを抑制することができる。すなわち、ボンディングワイヤ26が断線するのを抑制することができる。
また、金属薄膜254上に凹凸酸化膜256が形成された構成とすることで、上記効果を奏することができる。したがって、封止樹脂体11の剥離を抑制しつつ、従来に較べて、信号端子25、ひいては半導体装置の構成を簡素化することができる。
また、金属薄膜254が形成された基材252を準備し、金属薄膜254にパルス発振のレーザ光を照射することで、凹凸酸化膜256を形成する。凹凸酸化膜256の形成後、ボンディングワイヤ26を介して半導体チップ12のパッドと信号端子25を接続し、次いで封止樹脂体11を成形することで、半導体装置10を得ることができる。特に、金属薄膜に対してレーザ光を照射し、凹凸酸化膜を形成するだけで、封止樹脂体11の剥離を抑制することができる。したがって、従来に較べて製造工程を簡素化することができる。
このように、封止樹脂体11の剥離によるボンディングワイヤ26の断線を抑制しつつ、半導体装置10の構成及び製造工程を簡素化することができる。また、金属薄膜254上に凹凸酸化膜256を形成することで、金属薄膜254の腐食を抑制することもできる。これにより、金属薄膜254の腐食による封止樹脂体11の剥離を抑制することもできる。
特に本実施形態では、凹凸酸化膜256が、先端部250cから形成されている。このため、最も剥離が生じやすい先端部250cにおいて、上記した接触面積増加及びアンカー効果により、封止樹脂体11の剥離を抑制することができる。このため、ボンディングワイヤ26の断線抑制に効果的である。
また、本実施形態では、酸化膜255として中間酸化膜257が形成されている。このため、中間酸化膜257が形成された部分において、金属薄膜254の腐食を抑制することができる。これにより、金属薄膜254の腐食による封止樹脂体11の剥離を抑制することもできる。
(第2実施形態)
本実施形態は、先行実施形態を参照できる。このため、先行実施形態に示した半導体装置10及びその製造方法と共通する部分についての説明は省略する。
本実施形態では、図12に示すように、凹凸酸化膜256が、ボンディング面250aにおいて、先端領域250eだけでなく、後端領域250fの少なくとも一部にも形成されている。図12では、Y方向において、後端部250dから後端領域250fのほぼ全域に凹凸酸化膜256が形成されている。図12でも、図5同様、明確化のため、凹凸酸化膜256にハッチングを施している。
なお、図12では、便宜上、中間酸化膜257の図示を省略している。中間酸化膜257は、接続領域250bと先端領域250eに形成された凹凸酸化膜256との間、接続領域250bと後端領域250fに形成された凹凸酸化膜256との間に、それぞれ形成されている。
これによれば、後端領域250fにおいても、封止樹脂体11の剥離が抑制される。したがって、封止樹脂体11の側面11dから、封止樹脂体11と信号端子25の界面に水分や腐食性ガスなどが侵入するのを抑制することができる。
(第3実施形態)
本実施形態は、先行実施形態を参照できる。このため、先行実施形態に示した半導体装置10及びその製造方法と共通する部分についての説明は省略する。
本実施形態では、図13に示すように、信号端子25の幅方向であるX方向において、凹凸酸化膜256が接続領域250bに並んで形成されている。そして、X方向における片側で、接続領域250bに並んで形成された凹凸酸化膜256を介して、先端領域250eに形成された凹凸酸化膜256と、後端領域250fに形成された凹凸酸化膜256とが、一体的に連なっている。なお、図13でも、図5同様、明確化のため、凹凸酸化膜256にハッチングを施している。また、図12同様、中間酸化膜257の図示を省略している。
これによれば、X方向における端部から封止樹脂体11が剥離し、接続領域250bに剥離が進展するのを抑制することができる。
(第4実施形態)
本実施形態は、先行実施形態を参照できる。このため、先行実施形態に示した半導体装置10及びその製造方法と共通する部分についての説明は省略する。
本実施形態では、図14に示すように、凹凸酸化膜256が、接続領域250bに対してX方向両側に並んで形成されている。そして、X方向における両側で、接続領域250bに並んで形成された凹凸酸化膜256を介して、先端領域250eに形成された凹凸酸化膜256と、後端領域250fに形成された凹凸酸化膜256とが、一体的に連なっている。すなわち、凹凸酸化膜256が、接続領域250bを取り囲んでいる。なお、図14でも、図5同様、明確化のため、凹凸酸化膜256にハッチングを施している。また、図12同様、中間酸化膜257の図示を省略している。
これによれば、接続領域250bのX方向の両側で、封止樹脂体11の剥離を抑制することができる。また、凹凸酸化膜256が接続領域250bを取り囲んでいるので、いずれの方向についても剥離の進展を抑制することができる。
この明細書の開示は、例示された実施形態に制限されない。開示は、例示された実施形態と、それらに基づく当業者による変形態様を包含する。たとえば、開示は、実施形態において示された要素の組み合わせに限定されない。開示は、多様な組み合わせによって実施可能である。開示される技術的範囲は、実施形態の記載に限定されない。開示されるいくつかの技術的範囲は、特許請求の範囲の記載によって示され、さらに特許請求の範囲の記載と均等の意味及び範囲内でのすべての変更を含むものと解されるべきである。
上記実施形態では、半導体装置10として、半導体チップ12を2つ有する2in1パッケージの例を示した。しかしながら、半導体チップ12の個数は限定されない。たとえば三相分の上下アームを構成する6つの半導体チップ12のうちの1つのみを有する1in1パッケージや、6つの半導体チップ12を有する6in1パッケージにも適用できる。
IGBTとFWDが同一チップに形成される例を示したが、互いに別チップに形成される構成にも適用できる。
半導体装置10がターミナル17を有する例を示したが、ターミナル17を有さない構成としてもよい。この場合、第2ヒートシンク19に、エミッタ電極13bに向けて突出する凸部を設けるとよい。
放熱面14b,19bが、封止樹脂体11から露出される例を示した。しかしながら、放熱面14b,19bが、封止樹脂体11から露出されない構成にも適用できる。
樹脂封止型の電子装置として半導体装置10の例を示したが、これに限定されない。電子部品と、電子部品を封止する封止樹脂体と、封止樹脂体の内外にわたって延設されたリードフレームと、封止樹脂体の内部において、電子部品とインナーリードとを電気的に接続するボンディングワイヤと、を備える構成であればよい。電子部品としては、たとえばマイコンを採用することもできる。
金属薄膜254を構成する金属はNiに限定されない。また、酸化膜255もNiの酸化物に限定されない。酸化膜255としては、金属薄膜254を構成する金属と同じ金属の酸化物であればよい。
凹凸酸化膜256の形成パターンは、上記例に限定されない。たとえば図15に示す第1変形例では、X方向において、凹凸酸化膜256が接続領域250bに並んで形成されている。接続領域250bに並んで形成された凹凸酸化膜256は、先端領域250eに形成された凹凸酸化膜256のみに連なっている。なお、図示しないが、後端領域250fに形成された凹凸酸化膜256のみに連なるようにしてもよい。
また、図16に示す第2変形例では、凹凸酸化膜256が、接続領域250bに対してX方向両側に並んで形成されている。そして、接続領域250bに並んで形成された凹凸酸化膜256は、先端領域250eに形成された凹凸酸化膜256のみに連なっている。なお、図示しないが、後端領域250fに形成された凹凸酸化膜256のみに連なるようにしてもよい。
凹凸酸化膜256は、ボンディング面250aにおいて、少なくとも先端領域250eに形成されていればよい。たとえば、先端領域250eのうち、先端部250cとは離れた部分に凹凸酸化膜256が形成されてもよい。
1…電力変換装置、2…直流電源、3…モータ、4…平滑コンデンサ、5…高電位電源ライン、6…低電位電源ライン、7…出力ライン、10…半導体装置、11…封止樹脂体、11a…一面、11b…裏面、11c,11d…側面、12,12H,12L…半導体チップ、12a…一面、12b…裏面、13a…コレクタ電極、13b…エミッタ電極、14,14H,14L…第1ヒートシンク、14a…対向面、14b…放熱面、15,15H,15L…はんだ、16…継手部、17,17H,17L…ターミナル、18,18H,18L…はんだ、19,19H,19L…第2ヒートシンク、19a…対向面、19b…放熱面、190,190H,190L…本体部、191,191H,191L…延設部、20,20H,20L…はんだ、21…はんだ、22,23,24…主端子、25,25H,25L…信号端子、25Hg…ゲート端子、25Lk…カソード端子、250…インナーリード、250a…ボンディング面、250b…接続領域、250c…先端部、250d…後端部、250e…先端領域、250f…後端領域、251…アウターリード、252…基材、253…皮膜、254…金属薄膜、254a…凹部、255…酸化膜、256…凹凸酸化膜、256a…凸部、257…中間酸化膜、26…ボンディングワイヤ、27,28,29…貫通孔

Claims (12)

  1. 電子部品(12)と、
    前記電子部品を封止する封止樹脂体(11)と、
    前記封止樹脂体の内部に配置されたインナーリード(250)と、前記インナーリードに連なり、前記封止樹脂体の外部に突出するアウターリード(251)と、を有し、前記封止樹脂体の内外にわたって延設されたリードフレーム(25)と、
    前記封止樹脂体の内部において、前記電子部品と前記インナーリードとを電気的に接続するボンディングワイヤ(26)と、
    を備え、
    前記インナーリードが、金属材料を用いて形成された基材(252)と、前記基材の表面のうち、前記インナーリードにおける前記ボンディングワイヤが接続されるボンディング面(250a)側の表面に少なくとも形成された皮膜(253)と、を有し、
    前記皮膜が、前記基材の表面に形成され、一部分に前記ボンディングワイヤが接続された金属薄膜(254)と、前記金属薄膜の主成分の金属と同じ金属の酸化物よりなり、前記金属薄膜上であって前記ボンディングワイヤの接続領域(250b)を除く部分の少なくとも一部に形成された酸化膜(255)と、を有し、
    前記酸化膜が、表面が連続して凹凸をなす凹凸酸化膜(256)を含んでおり、
    前記ボンディング面において、前記アウターリード側の端部とは反対の端部を先端部(250c)とすると、前記凹凸酸化膜が、前記接続領域よりも前記先端部側の領域である先端領域(250e)の少なくとも一部に形成されている電子装置。
  2. 前記凹凸酸化膜は、前記ボンディング面において前記先端部から形成されている請求項1に記載の電子装置。
  3. 前記アウターリード側の端部を後端部(250d)とすると、前記凹凸酸化膜は、前記ボンディング面において、前記接続領域よりも前記後端部側の領域である後端領域(250f)の少なくとも一部に形成されている請求項1又は請求項2に記載の電子装置。
  4. 前記リードフレームの延設方向に直交する幅方向において、前記凹凸酸化膜は、前記接続領域に並んで形成されており、
    前記先端領域に形成された凹凸酸化膜と、前記接続領域に並んで形成された凹凸酸化膜と、前記後端領域に形成された凹凸酸化膜とが、一体的に連なっている請求項3に記載の電子装置。
  5. 前記凹凸酸化膜は、前記接続領域を取り囲んでいる請求項4に記載の電子装置。
  6. 前記金属薄膜は、前記凹凸酸化膜が形成された部分の表面に複数の凹部(254a)を有する請求項1〜5いずれか1項に記載の電子装置。
  7. 前記金属薄膜において、前記凹凸酸化膜が形成された部分の平均膜厚が、前記凹凸酸化膜が形成されていない部分の平均膜厚よりも薄くなっている請求項1〜6いずれか1項に記載の電子装置。
  8. 前記酸化膜は、前記凹凸酸化膜と前記接続領域との間で前記凹凸酸化膜に隣接して形成され、自然酸化膜よりも膜厚が厚く、前記凹凸酸化膜の平均膜厚よりも薄い中間酸化膜(257)を含む請求項1〜7いずれか1項に記載の電子装置。
  9. 前記金属薄膜は、Niを主成分とする請求項1〜8いずれか1項に記載の電子装置。
  10. 前記金属薄膜は、めっき膜である請求項9に記載の電子装置。
  11. 前記金属薄膜は、無電解めっき膜である請求項10に記載の電子装置。
  12. 電子部品(12)と、
    前記電子部品を封止する封止樹脂体(11)と、
    前記封止樹脂体の内部に配置されたインナーリード(250)と、前記インナーリードに連なり、前記封止樹脂体の外部に突出するアウターリード(251)と、を有し、前記封止樹脂体の内外にわたって延設されたリードフレーム(25)と、
    前記封止樹脂体の内部において、前記電子部品と前記インナーリードとを電気的に接続するボンディングワイヤ(26)と、
    を備え、
    前記インナーリードが、金属材料を用いて形成された基材(252)と、前記基材の表面のうち、前記インナーリードにおける前記ボンディングワイヤが接続されるボンディング面(250a)側の表面に少なくとも形成された皮膜(253)と、を有し、
    前記皮膜が、前記基材の表面に形成され、一部分に前記ボンディングワイヤが接続された金属薄膜(254)と、前記金属薄膜の主成分の金属と同じ金属の酸化物よりなり、前記金属薄膜上であって前記ボンディングワイヤの接続領域(250b)を除く部分の少なくとも一部に形成された酸化膜(255)と、を有し、
    前記酸化膜が、表面が連続して凹凸をなす凹凸酸化膜(256)を含む電子装置の製造方法であって、
    前記金属薄膜が形成された前記基材を準備し、
    前記ボンディング面において、前記アウターリード側の端部とは反対の端部を先端部(250c)とすると、前記金属薄膜の表面のうち、前記接続領域よりも前記先端部側の領域である先端領域(250e)の少なくとも一部にパルス発振のレーザ光を照射して、前記凹凸酸化膜を形成し、
    前記凹凸酸化膜の形成後、前記ボンディングワイヤを介して、前記電子部品と前記インナーリードとを接続し、
    前記ボンディングワイヤ、前記電子部品、及び前記インナーリードを覆うように、前記封止樹脂体を成形する電子装置の製造方法。
JP2016075388A 2016-04-04 2016-04-04 電子装置及びその製造方法 Active JP6485397B2 (ja)

Priority Applications (4)

Application Number Priority Date Filing Date Title
JP2016075388A JP6485397B2 (ja) 2016-04-04 2016-04-04 電子装置及びその製造方法
PCT/JP2017/009857 WO2017175542A1 (ja) 2016-04-04 2017-03-13 電子装置及びその製造方法
US15/772,116 US10236230B2 (en) 2016-04-04 2017-03-13 Electronic device and method for manufacturing the same
CN201780009036.8A CN108604579B (zh) 2016-04-04 2017-03-13 电子装置及其制造方法

Applications Claiming Priority (1)

Application Number Priority Date Filing Date Title
JP2016075388A JP6485397B2 (ja) 2016-04-04 2016-04-04 電子装置及びその製造方法

Publications (2)

Publication Number Publication Date
JP2017188534A JP2017188534A (ja) 2017-10-12
JP6485397B2 true JP6485397B2 (ja) 2019-03-20

Family

ID=60000378

Family Applications (1)

Application Number Title Priority Date Filing Date
JP2016075388A Active JP6485397B2 (ja) 2016-04-04 2016-04-04 電子装置及びその製造方法

Country Status (4)

Country Link
US (1) US10236230B2 (ja)
JP (1) JP6485397B2 (ja)
CN (1) CN108604579B (ja)
WO (1) WO2017175542A1 (ja)

Families Citing this family (8)

* Cited by examiner, † Cited by third party
Publication number Priority date Publication date Assignee Title
JP6874467B2 (ja) * 2017-03-29 2021-05-19 株式会社デンソー 半導体装置とその製造方法
JP2019083295A (ja) * 2017-10-31 2019-05-30 トヨタ自動車株式会社 半導体装置
JP7154529B2 (ja) * 2017-12-13 2022-10-18 株式会社デンソー 金属部材および当該金属部材を用いた半導体素子、樹脂金属複合体、半導体装置、異種金属複合体並びに当該金属部材の製造方法
JP6939679B2 (ja) * 2018-03-29 2021-09-22 株式会社デンソー 半導体装置
US12476169B2 (en) * 2020-03-11 2025-11-18 Rohm Co., Ltd. Semiconductor device
JP2023007028A (ja) * 2021-07-01 2023-01-18 ローム株式会社 半導体装置
JP7761148B2 (ja) * 2022-06-13 2025-10-28 富士電機株式会社 半導体装置
WO2025115059A1 (ja) * 2023-11-27 2025-06-05 三菱電機株式会社 回路基板、半導体装置、回路基板の製造方法および半導体装置の製造方法

Family Cites Families (12)

* Cited by examiner, † Cited by third party
Publication number Priority date Publication date Assignee Title
JPS6060742A (ja) * 1983-09-14 1985-04-08 Matsushita Electronics Corp リ−ドフレ−ム
JP4378892B2 (ja) 2001-03-19 2009-12-09 株式会社デンソー リードフレームの製造方法
US6882048B2 (en) 2001-03-30 2005-04-19 Dainippon Printing Co., Ltd. Lead frame and semiconductor package having a groove formed in the respective terminals for limiting a plating area
JP2002299538A (ja) * 2001-03-30 2002-10-11 Dainippon Printing Co Ltd リードフレーム及びそれを用いた半導体パッケージ
DE10148120B4 (de) * 2001-09-28 2007-02-01 Infineon Technologies Ag Elektronische Bauteile mit Halbleiterchips und ein Systemträger mit Bauteilpositionen sowie Verfahren zur Herstellung eines Systemträgers
JP4045985B2 (ja) 2003-03-13 2008-02-13 株式会社デンソー 樹脂封止型電子装置
JP4472773B1 (ja) 2009-01-06 2010-06-02 日電精密工業株式会社 リードフレームの製造方法及びリードフレーム、ヒートシンクの製造方法及びヒートシンク
CN101916731B (zh) * 2010-07-12 2012-07-04 深圳大学 一种陶瓷绝缘膜导热基板及其制作方法
JP5669495B2 (ja) 2010-09-17 2015-02-12 株式会社大貫工業所 樹脂封止金属部品、それに用いるリードフレーム、及び金属部品の製造方法
JP5691831B2 (ja) * 2011-05-18 2015-04-01 株式会社デンソー 半導体装置およびその製造方法
JP2013071312A (ja) 2011-09-28 2013-04-22 Hitachi Automotive Systems Ltd 金属部材と成形樹脂部材との複合成形体および金属部材の表面加工方法
WO2015151273A1 (ja) * 2014-04-04 2015-10-08 三菱電機株式会社 半導体装置

Also Published As

Publication number Publication date
US20180323125A1 (en) 2018-11-08
WO2017175542A1 (ja) 2017-10-12
US10236230B2 (en) 2019-03-19
JP2017188534A (ja) 2017-10-12
CN108604579A (zh) 2018-09-28
CN108604579B (zh) 2022-03-18

Similar Documents

Publication Publication Date Title
JP6485397B2 (ja) 電子装置及びその製造方法
JP6686691B2 (ja) 電子装置
JP6485398B2 (ja) 電子装置及びその製造方法
JP6578900B2 (ja) 半導体装置及びその製造方法
JP5076440B2 (ja) 半導体装置及び半導体装置の製造方法
JP4924411B2 (ja) 電力半導体装置
US10943859B2 (en) Semiconductor device
WO2017154289A1 (ja) 半導体装置及び半導体装置の製造方法
US11742256B2 (en) Semiconductor device
WO2016092791A1 (ja) 半導体装置およびその製造方法
WO2018173511A1 (ja) 半導体装置
WO2022249804A1 (ja) 半導体装置
JP4765853B2 (ja) 半導体装置の製造方法
WO2019187608A1 (ja) 半導体装置
WO2022249814A1 (ja) 半導体装置
JP2020198388A (ja) 半導体装置およびその製造方法
WO2022249812A1 (ja) 半導体装置
JP7327134B2 (ja) 半導体装置
WO2022249807A1 (ja) 半導体装置
JP5151837B2 (ja) 半導体装置の製造方法
JP2022185936A (ja) 半導体装置

Legal Events

Date Code Title Description
A621 Written request for application examination

Free format text: JAPANESE INTERMEDIATE CODE: A621

Effective date: 20180214

TRDD Decision of grant or rejection written
A01 Written decision to grant a patent or to grant a registration (utility model)

Free format text: JAPANESE INTERMEDIATE CODE: A01

Effective date: 20190122

A61 First payment of annual fees (during grant procedure)

Free format text: JAPANESE INTERMEDIATE CODE: A61

Effective date: 20190204

R151 Written notification of patent or utility model registration

Ref document number: 6485397

Country of ref document: JP

Free format text: JAPANESE INTERMEDIATE CODE: R151

R250 Receipt of annual fees

Free format text: JAPANESE INTERMEDIATE CODE: R250

R250 Receipt of annual fees

Free format text: JAPANESE INTERMEDIATE CODE: R250

R250 Receipt of annual fees

Free format text: JAPANESE INTERMEDIATE CODE: R250

R250 Receipt of annual fees

Free format text: JAPANESE INTERMEDIATE CODE: R250