JP6171237B2 - 遊技機 - Google Patents

遊技機 Download PDF

Info

Publication number
JP6171237B2
JP6171237B2 JP2015158300A JP2015158300A JP6171237B2 JP 6171237 B2 JP6171237 B2 JP 6171237B2 JP 2015158300 A JP2015158300 A JP 2015158300A JP 2015158300 A JP2015158300 A JP 2015158300A JP 6171237 B2 JP6171237 B2 JP 6171237B2
Authority
JP
Japan
Prior art keywords
support substrate
game
display
state
lottery
Prior art date
Legal status (The legal status is an assumption and is not a legal conclusion. Google has not performed a legal analysis and makes no representation as to the accuracy of the status listed.)
Active
Application number
JP2015158300A
Other languages
English (en)
Other versions
JP2015221341A (ja
Inventor
充 坂本
充 坂本
Current Assignee (The listed assignees may be inaccurate. Google has not performed a legal analysis and makes no representation or warranty as to the accuracy of the list.)
Universal Entertainment Corp
Original Assignee
Universal Entertainment Corp
Priority date (The priority date is an assumption and is not a legal conclusion. Google has not performed a legal analysis and makes no representation as to the accuracy of the date listed.)
Filing date
Publication date
Application filed by Universal Entertainment Corp filed Critical Universal Entertainment Corp
Priority to JP2015158300A priority Critical patent/JP6171237B2/ja
Publication of JP2015221341A publication Critical patent/JP2015221341A/ja
Application granted granted Critical
Publication of JP6171237B2 publication Critical patent/JP6171237B2/ja
Active legal-status Critical Current
Anticipated expiration legal-status Critical

Links

Images

Landscapes

  • Pinball Game Machines (AREA)

Description

本発明は、外部に遊技情報を出力する外部端子装置を備えた遊技機に関する。
本発明では、遊技盤の正面視において天地方向を上下方向としている。
従来から一般的に知られている遊技機として、遊技者が遊技球等の遊技媒体を用いて所定の遊技を行うパチスロ遊技機やパチンコ遊技機などがある。この種の遊技機では、遊技場に設置された複数の遊技機を管理するホールコンピュータに対して、獲得した遊技媒体数などを示す信号を各遊技機から出力している。このとき遊技機は、遊技機内に配設された外部端子装置を介して信号をホールコンピュータに出力している(特許文献1参照)。
外部端子装置は、外部に遊技情報を出力する中継装置として配設されており、プッシュターミナルを用いた外部端子装置では、プッシュターミナルにおける一つの操作レバーの操作部を指で押下げる操作を行う際に、誤って隣接した操作レバーの操作部を一緒に押下げてしまうことがある。
即ち、プッシュターミナルをコンパクトに構成するため、一般的なプッシュターミナルでは、隣接する操作部間の間隔が、作業者の指の太さに比べて狭い間隔に構成されている。そのため、一つの操作部を押圧操作しようとしても、近接して配設されている二つの操作部を同時に押圧操作してしまうことがある。
このような問題点を解決するために、隣接して配設された二つの操作レバーの操作部に関して、プッシュターミナルを搭載している支持基板からの高さ位置を異ならせた外部端子板が提案されている(特許文献2参照)。
特許文献2における外部端子板(本発明における外部端子装置に相当)では、隣接する操作レバーの操作部間において基板からの高さ位置が異なった構成になっているので、一方の操作レバーの操作部を押圧したときに、誤って隣の操作レバーの操作部を押圧してしまうのを防止している。
特開平08−276061号公報 特開2009−285003号公報
上述したように、プッシュターミナルを用いた外部端子装置では、隣接する操作レバーの操作部間において、支持基板からの高さ位置に段差を持たせた配置構成が採用されている。このように構成することによって、隣接する操作部間が近接した配置構成でも、支持基板を水平状態に配しておけば、支持基板に対して高位置側に配設された操作部と低位置側に配設された操作部とを一緒に押圧操作することなく、それぞれを単独で押圧操作することができる。
しかしながら、従来の外部端子装置における支持基板、即ち、プッシュターミナルを搭載している支持基板は、鉛直状態で遊技機本体に取り付けられた構成になっている。このように支持基板が取り付けられている構成では、隣接する操作レバーの操作部間において、支持基板に対する高低差が形成されていても、低位置側の操作部を操作する際に、高位置側の操作部に指が接触して、誤って別の操作レバーを押圧操作したり、隣の操作レバーを押圧したりすることがある。
その結果、リード線を挿入する孔が間違えて開口したり、同時に複数開口することになり、リード線を正しくないリード線挿入孔に挿入したり、既に挿入されているリード線を外してしまったりする。このように、リード線の接続作業に時間を要していた。
特に、上下方向における下方側の部位に配設されている操作部に関してみると、高位置側の操作部間に配設されている低位置側の操作部を押圧操作しようとしても、高位置側の操作部に邪魔されて、低位置側の操作部を押圧操作することが難しくなっていた。そのため、下方側の部位に配設された操作部に対しての操作性が悪くなっているという問題があった。
また、支持基板が凹状の窪み部内に収納されている構成だと、窪み部を形成している側板に近接して配設されている操作部に対しては、側板によって指の操作が邪魔されてしまうという問題があった。
また、支持基板には発熱する電子部品が搭載されているため、支持基板と遊技機本体との間には、電子部品で発生した熱を放熱するための放熱空間を形成しておくことが望ましいが、従来の外部端子装置では、支持基板が鉛直状態で遊技機本体に取付けられているため、放熱のための放熱空間を十分に確保することができないという問題があった。
本発明は、上述した問題を解決するものであり、プッシュターミナルに多数の操作レバーが近接配置されている場合でも、誤って隣の操作部を押圧してしまう誤操作を引き起こすことなく、また、放熱空間を十分に確保することができる、信頼性の高い外部端子装置を備えた遊技機の提供を目的としている。
上記課題を解決するために、本発明に係る遊技機は、外部に送出する信号を中継する外部端子装置を備えた遊技機において、前記外部端子装置は、少なくとも2つのリード線をそれぞれ挿脱可能にしたプッシュターミナルと、前記プッシュターミナルを上面に支持固定する支持基板と、前記支持基板を支持する支持部材と、を有し、前記プッシュターミナルは、挿入するリード線の数に対応した導電性端子部を内部に配設したケース本体部と、前記導電性端子部に対応して配設した操作レバーと、を有し、
前記操作レバーは、前記導電性端子部に対応して設けられた操作部と、前記操作部の操作に基づき、前記ケース本体部内に挿入された前記リード線を前記導電性端子部に押圧する押圧部と、を有し、前記操作部は、互いに隣接し、前記支持基板の上面からの高さが相対的に低い位置となる第一の操作部と、前記支持基板の上面からの高さが相対的に高い位置となる第二の操作部とから構成され、前記第一の操作部及び前記第二の操作部がともに前記支持基板の一端部側に延出し、前記第一の操作部を操作した場合、前記第二の操作部を操作した場合よりも、その端部と前記支持基板の上面との距離が近くなるように配設され、前記支持部材は、前記操作部が延出する前記一端部側に複数の支持段部を有し、前記支持基板が前記支持段部によって支持固定された状態において、前記複数の支持段部の端部が、前記支持基板の上面よりも突出するように形成されるとともに、前記第一の操作部の操作に基づき移動した前記第一の操作部の端部と干渉しない領域に配設されていることを特徴とする。
本発明に係る遊技機では、支持基板を傾斜させた状態で支持することができ、支持基板上に搭載しているプッシュターミナルも傾斜した状態に配することができる。そして、本発明では、隣接する操作レバーの操作部における支持基板からの高さ位置を異ならせたことによって奏する効果を備えたまま、更にその効果を高めることができ、対応する各操作部に対して確実にしかも容易に押圧操作を行える。
本発明に係る遊技機では、前記外部端子装置を前記遊技機に固定するための固定部材を備え、前記固定部材は、前記支持部材を有し、前記支持基板の下面と、前記固定部材との間には空間部が形成された構成にすることができる。
このように構成することによって、支持基板の下面に放熱空間としての空間部を大きく形成できるので、支持基板からの放熱を空間部で吸収する。
本発明に係る遊技機では、前記固定部材に前記外部端子装置を収納する凹部が形成され、前記凹部に少なくとも一つの開口部が形成され、前記開口部は、前記空間部に連通している構成にすることができる。
このように構成することによって、各操作部に対する押圧操作を容易に行える。そして、隣接する操作部を誤操作してしまうことも防止できる。また、凹部に形成した開口部によって、支持基板からの放熱を吸収している空間部内の空気を入れ替えることができる。
本発明に係る遊技機では、前記凹部内に収納された前記支持基板の周縁と前記凹部との間には、前記空間部を外部に連通する隙間が形成された構成にすることができる。
このように隙間を構成することによって、空間部内に支持基板からの熱が籠ってしまうのを、空気が隙間を流通することによって防止できる。
本発明に係る遊技機では、前記プッシュターミナルは、前記支持基板に隣接して複数設けられ、前記各プッシュターミナルが隣接する方向に沿って、前記支持基板に対して高位に位置する前記操作部と低位に位置する前記操作部とが交互に配設された構成にすることができる。
本発明では、プッシュターミナルに多数の操作レバーが近接配置されている場合でも、誤って隣の操作部を押圧してしまう誤操作を引き起こすことなく、また、放熱空間を十分に確保することができる、信頼性の高い外部端子装置を備えた遊技機を提供できる。
パチンコ遊技機の正面側から見た斜視図である。 パチンコ遊技機の背面を示す背面図である。 パチンコ遊技機の遊技盤を示す正面図である。 パチンコ遊技機の制御系を示すブロック図である。 外部端子装置の要部を拡大した平面図である。 図5においてカバー部材を取り外した状態を示す要部を拡大した平面図である。 外部端子装置の配線図である。 支持基板、カバー部材を取り外した状態を示す要部を拡大した斜視図である。 支持基板、カバー部材を下方側から見た斜視図である。 図6におけるA−A断面図である。 図6におけるB−B断面図である。
以下、本発明に係る実施の形態を、図面を用いて具体的に説明する。ここで、添付図面において同一の部材には同一の符号を付しており、また、重複した説明は省略している。なお、本実施形態ではパチンコ遊技機を例に挙げて説明を行うが、本発明はパチンコ遊技機に限定されるものではなく、パチスロ機等の他の遊技機においてプッシュターミナルが用いられている場合には、本発明に係る外部端子装置を適用することが可能である。また、本発明は、以下で説明する実施例に限定されるものではなく、多様な変形が可能である。
[パチンコ遊技機の全体的な構成]
はじめに、図1、図2を用いて、パチンコ遊技機1の全体的な構成について説明する。図1は本発明に係るパチンコ遊技機1を斜め正面側から見た斜視図を示しており、図2は、パチンコ遊技機1の裏面図を示している。
図1に示すように、パチンコ遊技機1を構成している遊技機本体2は、本体部2aと、本体部2aにヒンジ4を介して開閉自在に取付けられた前扉2bと、を備えた構成になっている。前扉2b内には、演出画像(例えば、遊技状態に対応したアニメーションやその他の報知情報など)等を表示可能な表示領域を有する液晶表示装置100(図4参照)、遊技盤62(図3参照)等が配設されている。
遊技盤62の遊技領域62a(図3参照)は、ガラス板6によって前面側から視認可能に覆われている。ガラス板6の周囲には、装飾ユニット16が配設され、装飾ユニット16によってガラス板6の周囲が支持されている。装飾ユニット16における上方側の部位には、遊技状態の音響効果を高めるスピーカ15が左右に配設されている。前扉2bの下方側の部位には、上皿7と下皿12及び遊技球を遊技領域内に発射する発射ハンドル11が設けている。
図3に示す遊技盤62は、その全部が光を透過する透過性を有する板形状の樹脂(透過性を有する部材)によって形成されており、遊技盤62の背面側に配した液晶表示装置100で表示された演出内容を遊技盤62とガラス板6を透してパチンコ遊技機1の正面から視認することができる。
遊技盤62は、例えば、アクリル樹脂、ポリカーボネート樹脂、メタクリル樹脂など各種の透過性を有する部材から構成されている。遊技盤62は、ガラス板6と対向する主面側に、発射ハンドル11によって発射された遊技球が転動流下する遊技領域62aを有している。
なお、遊技盤62は、透明に構成しておくこと以外にも、半透明に構成しておくこともできる。また、合成樹脂以外の部材から構成しておくこともできる。
この遊技領域62aは、ガイドレール75によって囲まれており、遊技媒体の一例である遊技球が転動可能な領域である。ガイドレール75は、外レール75aと外レール75aの内側に配設された内レール75bとを備えており、外レール75aと内レール75bとによって形成された通路は、発射ハンドル11で発射された遊技球を遊技領域62a内に案内する案内路として形成されている。また、遊技領域62aには、複数の遊技釘(図示せず)が打ちこまれている。
遊技領域62aには、風車等の障害物(図示せず)や、一般入賞装置63、通過ゲート4、第1始動口(第1の特定入賞口)67、第1始動口67に付設された普通電動役物(可動部材)68、第2始動口(第2の特定入賞口)69、大入賞装置(特別入賞装置)65、アウト口66などの遊技部材が配設されている。普通電動役物68の入口には、開閉自在な一対の可変翼68a,68bが配設されており、大入賞装置65の入口には、開閉自在な開閉扉65aが配設されている。
図1に戻って説明を行うと、第1排出口9から払い出された遊技球および遊技領域に打ち込まれる遊技球は、上皿7内に貯留される。また、上皿7の下方に配設された下皿12は、払い出しにより上皿7からオーバーフローした遊技球が貯留される。また、上皿7の所定の位置には、遊技終了時などにおいて上皿7内に貯留されていた遊技球を下皿12に移動させて取り出す場合に操作される上皿球抜きボタン8が設けられている。
上皿4aから溢れた遊技球や上皿球抜きボタン8の操作により移動した遊技球は下皿12に開口した第2排出口(図示せず)を介して下皿12に排出されるように構成されている。下皿12に貯留された遊技球は、下皿球抜きボタン14を操作することによって、下皿12から排出させる。下皿球抜きボタン14を操作すると、下皿12の底面に形成した排出孔17を塞いでいた下皿球抜き板13が移動して、排出孔17を開口させる。
発射ハンドル11は、遊技機本体2に対して回動自在に設けられている。発射ハンドル11の裏側には、駆動装置である発射モータ(図示せず)が設けられている。さらに、発射ハンドル11の周縁部には、タッチセンサ(図示せず)が設けられている。遊技者が発射ハンドル11を握持して回動操作する際には、遊技者の手がタッチセンサに接触することになる。遊技者による発射ハンドル11の握持状態を、タッチセンサによって検出する。
発射ハンドル11が遊技者によって握持された状態で、時計回り方向に回動操作されたときには、上皿7に貯留された遊技球が本体部2aの背面側に配設された発射装置に供給される。そして、回動操作された発射ハンドル11の回動角度に応じた強度で遊技領域内に発射される。また、発射ハンドル11には遊技球の上記発射を停止するストップボタン(図示せず)が設けられている。
図2に示すように、本体部2aには、制御基板ユニット(図示せず)や、遊技価値を付与する遊技球の払い出しを行う遊技球タンク5(図1の上部部位を参照)や、パチンコ遊技機1において遊技者が獲得した遊技媒体数などの信号を、パチンコ遊技機1からホールコンピュータに対して出力するときの中継装置となる外部端子装置18や、電源装置56等が設けられている。
外部端子装置18を取り付ける固定部材として、本体部2aを用いた構成で説明を行うが、固定部材としては、本体部2aに限定されるものではない。例えば、前扉2bを固定部材として用いることもできる。即ち、固定部材としては、外部端子装置18を固定することができる適宜の部材を用いることができる。
また、本体部2aの周囲には、天板50a、地板50b、右側板50及び左側板50からなる外枠が嵌められており、外枠を介して遊技ホールの島設部にパチンコ遊技機1を固定する。
[遊技盤]
図3に示されるように、遊技盤62の左下方には、第1特別図柄表示器71a、普通図柄表示器72a,72b、4個の第1特別図柄始動記憶表示器73、4個の普通図柄通過記憶表示器70、ラウンド動作回数表示器78a〜78dが設けられている。また、遊技盤62の右下方には、第2特別図柄表示器71b、4個の第2特別図柄始動記憶表示器74が設けられている。
第1特別図柄表示器71aは、第1始動口67への入球に応じて変動する。また、第1特別図柄表示器71aは、複数の7セグメントLEDで構成されている。この7セグメントLEDは、所定の特別図柄の変動表示開始条件の成立により、点灯・消灯を繰り返す。7セグメントLEDの点灯・消灯によって、“0”から“9”までの10個の数字図柄が、特別図柄として変動表示される。
この特別図柄として、特定の図柄(例えば、“64”、“60”、“54”、“50”、“44”、“40”などの数字図柄)が停止表示された場合は、遊技状態が、他の遊技状態と比べて遊技者に有利な大当り遊技状態に移行する。この大当り遊技状態となった場合には、大入賞装置65が開状態となり、大入賞装置65への遊技球の入球が容易な状態となる。
第1特別図柄表示器71aの下方には、普通図柄表示器72a,72bが設けられている。普通図柄表示器72aは緑色LEDの表示用ランプ、一方、普通図柄表示器72bは赤色LEDの表示用ランプでそれぞれ構成されており、これら表示用ランプが交互に点灯・消灯を繰り返し、普通図柄として点滅表示される。
ここで、普通図柄表示器72a,72bの点滅が終了(この点滅が終了するまでの時間は、非時短状態(可動部材開放不利状態)中においては50秒間、時短状態(可動部材開放有利状態)中においては5秒間である。)して緑色LEDである普通図柄表示器72aが点灯したまま停止表示した場合(以下、「普通当り」という。)に、普通電動役物68が、所定時間だけ遊技球を受け入れ易い開状態に切り換えられる(開状態となる時間は、非時短状態中においては0.3秒間である。一方、時短状態中である場合は、1.8秒間の開状態が3回繰り返される。)。
ここで、時短状態とは、普通図柄の平均点滅表示時間が他の状態時(非時短状態時)よりも短くなり、時間あたりの普通図柄の点滅表示回数が向上する状態をいう。さらに、時短状態となると、普通電動役物68は、遊技球が第1始動口67に入賞し易い開状態に切り替わる頻度が非時短状態時と比べて向上するようになる。
なお、時短状態の制御は、第1抽籤手段による第1抽籤に当選するまで、継続されるようになっている。
普通図柄表示器72a,72bの下方には、4つの第1特別図柄始動記憶表示器73が設けられている。この第1特別図柄始動記憶表示器73は、点灯または消灯によって保留されている特別図柄の変動表示の実行回数(後述する第1始動記憶の数)を表示する。
さらに、普通図柄表示器72a,72bの下方には、4つの普通図柄通過記憶表示器70が設けられている。この普通図柄通過記憶表示器70は、点灯または消灯によって保留されている普通図柄の変動表示の実行回数(後述する通過記憶の数)を表示する。
第1特別図柄表示器71aの右方には、ラウンド動作回数表示器78a〜78dが設けられている。このラウンド動作回数表示器78a〜78dは、大当り遊技状態の実行中においてラウンド動作回数を表示する。なお、このラウンド動作回数表示器78a〜78dは、4つのドットLEDから構成されており、ドッドLEDごとに点灯と消灯の2つのパターンがあるので、少なくとも16パターンの表示が可能である(2の4乗パターン)。なお、ラウンド動作回数表示器78a〜78dは、複数の7セグメントLED、液晶表示部、透過性を有する液晶表示部などから構成される場合もある。
第2特別図柄表示器71bは、第2始動口69への入球に応じて変動する。また、第2特別図柄表示器71bは、複数の7セグメントLEDで構成されている。この7セグメントLEDは、所定の特別図柄の変動表示開始条件の成立により、点灯・消灯を繰り返す。7セグメントLEDの点灯・消灯によって、“0”から“9”までの10個の数字図柄が、特別図柄として変動表示される。
この特別図柄として、特定の図柄(例えば、“64”、“60”、“54”、“50”、“44”、“40”などの数字図柄)が停止表示された場合は、遊技状態が、他の遊技状態と比べて遊技者に有利な大当り遊技状態に移行する。この大当り遊技状態となった場合には、大入賞装置65(図3)が開状態となり、大入賞装置65への遊技球の入球が容易な状態となる。
第2特別図柄表示器71bの右方には、4つの第2特別図柄始動記憶表示器74が設けられている。この第2特別図柄始動記憶表示器74は、点灯または消灯によって保留されている特別図柄の変動表示の実行回数(後述する第2始動記憶の数)を表示する。
また、遊技盤62の後方(背面側)に配設されている液晶表示装置100(配置構成は図示せず、図4参照)の表示領域では、第1特別図柄表示器71aや第2特別図柄表示器71bにおいて表示される特別図柄と関連する演出画像が表示される。
例えば、第1特別図柄表示器71aや第2特別図柄表示器71bで表示される特別図柄の変動表示中においては、液晶表示装置100の表示領域において、数字や記号などからなる装飾図柄(演出用の識別情報でもある。例えば、“0”から“9”までの数字)が変動表示される。また、第1特別図柄表示器71aや第2特別図柄表示器71bにおいて変動表示されていた特別図柄が停止表示されると、液晶表示装置の表示領域でも演出用の装飾情報が停止表示される。
また、第1特別図柄表示器71aや第2特別図柄表示器71bにおいて特別図柄として特定の図柄が停止表示された場合には、大当りであることを遊技者に把握させる演出画像が液晶表示装置100の表示領域において表示される。具体的には、第1特別図柄表示器71aや第2特別図柄表示器71bにおいて特別図柄として特定の図柄が停止表示された場合には、液晶表示装置100の表示領域において表示される演出用の装飾図柄の組合せが特定の表示態様(例えば、複数の図柄列のそれぞれに“1”から“9”のいずれかが全て揃った状態で停止表示される態様)となり、さらに、「大当り!!」などの文字画像とともに、喜んでいるキャラクタ画像が液晶表示装置100の表示領域において表示される。
また、遊技盤62が透光性を有する本実施例では、液晶表示装置100の表示領域が、当該遊技盤62の透光性を有する部分を介して視認可能な位置、すなわち、遊技盤62の背後に配設されている。ここで、液晶表示装置100にかえて、例えばCRT(陰極線管)あるいはプラズマディスプレイ、EL表示装置(エレクトロルミネッセンス表示装置)等を用いることもできる。
このように、本実施形態において、液晶表示装置100などの表示装置を遊技盤62の背後に設けることにより、例えば、遊技釘の植設領域や遊技部材を設ける領域を大きくし、レイアウトの自由度もさらに大きくすることが可能である。
遊技盤62の略中央部にはステージ76が設けられ、遊技盤62におけるステージ76の上部には障害物77が設けられている。この障害物77の両側部にはステージ76に遊技球を進入させるための孔部77a、77bが設けられている。孔部77aは遊技盤62における遊技領域62aの左側に配設され、孔部77bは遊技盤62における遊技領域62bの右側に配設されている。
発射ハンドル11の操作によって遊技盤62に打ち出された遊技球において、障害物77に衝突した遊技球は障害物77に沿って、遊技領域62aの左側または右側の何れかに流下する。また、孔部77a、77bに進入した遊技球のみがステージ76に案内される。
ステージ76には、中央の孔部76aと、この孔部76aの両側部に設けられている孔部76b、76cが形成されており、孔部76aの直下には、排出口76dが形成されている。孔部76bおよび排出口76dは遊技盤62における遊技領域62aの左側に配設され、孔部76cは遊技盤62における遊技領域62aの右側に配設されている。
ステージ76に案内された遊技球は、孔部76aまたは孔部76b、76cのいずれかに入球する。孔部76aに入球した遊技球は、この孔部76aの直下に形成された排出口76dから遊技盤62に戻される。孔部76b,76cに入球した遊技球は、直接遊技盤62に戻される。
遊技領域62aの左側には、排出口76dの直下に、普通電動役物(可変部材)68が付設された第1始動口67が設けられている。また、遊技領域62aの右側には、上記普通電動役物が付設されていない(すなわち、第1始動口67とは異なる)第2始動口69が設けられている。普通電動役物68は、遊技球が第1始動口67へ入球(入賞)しやすい開状態と入球し難い閉状態とに選択的に変動可能となっている。
具体的には、普通電動役物68は、第1始動口67の両側に位置する一対の可変翼68a,68bが可変することにより、上記開状態と閉状態とに変動可能になっている。
ここで、普通電動役物68における閉状態とは、可変翼68a,68bが閉じて遊技球が第1始動口67に入り難くなる状態のことである。一方、普通電動役物68における開状態とは、可変翼68a,68bが逆八字状に開口して遊技球が第1始動口67に入り易くなる状態のことである。また、通常時において普通電動役物68は、閉状態となっている。
ここで、第1始動口67に遊技球が入球(入賞)した場合、大当り抽籤用乱数値などが第1始動記憶として抽出され、当該第1始動記憶が、メインRAM203の第1始動記憶領域(“0”〜“4”)に記憶されるようになっている。そして、上述した4個の第1特別図柄始動記憶表示器73には、第1始動記憶領域(“1”〜“4”)に記憶された第1始動記憶の数が表示されるようになっている。
例えば、第1始動記憶領域の(“1”〜“4”)に2個の第1始動記憶が記憶されている場合には、4個の第1特別図柄始動記憶表示器73のうち2個が点灯される。この第1特別図柄始動記憶表示器73の点灯個数により、遊技者に対して、第1始動記憶領域(“1”〜“4”)に記憶されている第1始動記憶の数を報知することができる。なお、第1特別図柄表示器71aにおける特別図柄の変動および停止は、上記第1始動記憶に基づいて行われる。
遊技盤62の左側に設けられている二つのガイドレール75は、遊技領域62aを区画(画定)する外レール75aと、その外レール75aの内側に配設された内レール75bとから構成される。発射された遊技球は、遊技盤62上に設けられたガイドレール75に案内されて、遊技盤62の上部に移動し、遊技盤62上に打ち込まれた複数本の遊技釘、遊技盤62上に設けられたステージ76、障害物77などとの衝突により、その進行方向を変えながら遊技盤62の下方に向かって流下する。
ステージ76の右側には、遊技球の入球(入賞)が可能な第2始動口69が設けられている。この第2始動口69に遊技球が入球(入賞)した場合、大当り抽籤用乱数値などが第2始動記憶として抽出され、当該第2始動記憶が、メインRAM203の第2始動記憶領域(“0”〜“4”)に記憶されるようになっている。そして、上述した4個の第2特別図柄始動記憶表示器74には、第2始動記憶領域(“1”〜“4”)に記憶された第2始動記憶の数が表示されるようになっている。
例えば、第2始動記憶領域の(“1”〜“4”)に2個の第2始動記憶が記憶されている場合には、4個の第2特別図柄始動記憶表示器74のうち2個が点灯される。この第2特別図柄始動記憶表示器74の点灯個数により、遊技者に対して、第2始動記憶領域(“1”〜“4”)に記憶されている第2始動記憶の数を報知することができる。なお、第2特別図柄表示器71bにおける特別図柄の変動および停止は、上記第2始動記憶に基づいて行われる。
遊技盤62の略中央の左右両側には、通過する遊技球を検出する通過ゲート64が設けられている。この通過ゲート64を遊技球が通過した場合、普通当り抽籤用乱数値などが通過記憶として抽出され、当該通過記憶が、メインRAM203の通過記憶領域(“0”〜“4”)に記憶される。そして、この通過記憶に基づいて、普通図柄表示器72a,72bの点滅表示が所定時間にわたって行われる。また、上述した4個の普通図柄通過記憶表示器70には、通過記憶領域(“1”〜“4”)に記憶された通過記憶の数が表示されるようになっている。
例えば、通過記憶領域の(“1”〜“4”)に2個の通過記憶が記憶されている場合には、4個の普通図柄通過記憶表示器70のうち2個が点灯される。この普通図柄通過記憶表示器70の点灯個数により、遊技者に対して、通過記憶領域(“1”〜“4”)に記憶されている通過記憶の数を報知することができる。
また、一般入賞装置63は、遊技球が入賞すると所定の数の遊技球が払い戻される装置である。
大入賞装置65は、開閉扉65aおよび遊技球の受け入れ口を有するいわゆるアタッカー式の開閉装置であって、開閉扉65aが閉じて遊技球の入球(入賞)が困難となる閉状態と、開閉扉65aが開放して遊技球の入賞が容易となる開状態との開閉動作が行われるようになっている(すなわち、大入賞装置65は、遊技球が入球しやすい開状態と入球し難い閉状態とに変動可能となっている)。さらに、大入賞装置65の内部には、大入賞装置65に入賞した遊技球の通過が可能な通過領域が設けられている。
ここで、大入賞装置65の開状態は、所定条件(例えば、大入賞装置65に遊技球が所定個数(例えば10個)入賞する、または、所定時間(例えば30秒)が経過する等の条件)が成立するまでの間継続されるようになっている。なお、大入賞装置65が開状態となってから所定条件が成立して閉状態に変化するまでの一連の開閉動作をラウンド動作という。また、ラウンド動作は、“1”ラウンド、“2”ラウンドなどのラウンド回数として計数される。例えば、ラウンド動作の1回目を第1ラウンド、2回目を第2ラウンドと呼称する場合がある。
上述した大当り遊技状態は、上記ラウンド動作の回数が繰り返し実行されるようになっており、当該大当り遊技状態は、ラウンド動作の回数が、メインCPU(特別入賞装置開放回数決定手段)201により決定される上限ラウンド動作回数(開放回数)に達するまでの間継続される。
なお、メインCPU(特別入賞装置開放回数決定手段)201によって決定される上限ラウンド動作回数は、停止表示される特別図柄によって異なる。例えば、本実施形態において、第1特別図柄表示器71aもしくは第2特別図柄表示器71bに停止表示される数字図柄が64もしくは60の場合は、上限ラウンド動作回数は15ラウンドであり、第1特別図柄表示器71aもしくは第2特別図柄表示器71bに停止表示される数字図柄が54もしくは50の場合は、上限ラウンド動作回数は10ラウンドであり、第1特別図柄表示器71aもしくは第2特別図柄表示器71bに停止表示される数字図柄が44もしくは40の場合は、上限ラウンド動作回数は2ラウンドである。
換言すると、上限ラウンド動作回数が15ラウンドもしくは10ラウンドの大当り遊技状態は、大当り遊技状態を行う期間が長く遊技者に有利な遊技の一例であり(以下、当該大当り遊技状態を、「第1の大当り遊技状態」という)、上限ラウンド動作回数が2ラウンドの大当り遊技状態は、長い遊技と比べて大当り遊技状態を行う期間が短く上記第1の大当り遊技状態と比べて遊技者に不利な遊技の一例である(以下、当該大当り遊技状態を、「第2の大当り遊技状態」という)。
なお、上限ラウンド動作回数は2、10、15ラウンドに限定されない。例えば、上限ラウンド動作回数は、所定の抽籤により、“1”ラウンドから“15”ラウンドまでの間から選択されるようにしてもよい。
また、アウト口66は、一般入賞装置63、第1始動口67、第2始動口69、大入賞装置65の何れにも入賞しなかった遊技球が流入して回収される装置である。なお、回収された遊技球は遊技領域62a外へ排出される。
なお、第1始動記憶領域(“1”〜“4”)に記憶された第1始動記憶の数、第2始動記憶領域(“1”〜“4”)に記憶された第2始動記憶の数、通過記憶領域(“1”〜“4”)に記憶された通過記憶の数は、それぞれ第1特別図柄始動記憶表示器73、第2特別図柄始動記憶表示器74、普通図柄通過記憶表示器70に表示されるようになっているが、これに限られず、他の表示媒体に表示されてもよい。例えば、液晶表示装置100の表示領域に表示されるようになっていてもよい。
[パチンコ遊技機の制御]
次に、パチンコ遊技機1の制御系について、図4を参照して説明する。なお、図4は図1に示したパチンコ遊技機1の制御系を示すブロック図である。
図4に示すように、パチンコ遊技機1の制御系は、主制御回路200、この主制御回路200に接続される副制御回路300、払出制御回路80aおよび発射制御回路80bを有している。この制御系は遊技盤62の背面側に搭載されている。パチンコ遊技機1の払出制御回路80aには、カードユニット86が接続されている。
カードユニット86は、パチンコ遊技機1の近傍に設置され、プリペイドカードを差込可能な差込口を有しており、当該差込口に差し込まれたプリペイドカードに記録された記録情報を読み取る読み取り手段と、球貸し操作パネル91の操作に応じて、払出制御回路80aに対し遊技球の貸出を指令する貸出指令信号を出力する貸出指令信号出力手段と、読み取り手段によって読み取った記録情報から特定される貸出可能数から貸出指令信号出力手段により貸出を指令した貸出数を減算し、上記差込口に差し込まれているプリペイドカードに当該情報を記録させる書き込み手段と、を有している。
(主制御回路の構成)
主制御回路200には、予め設定されたプログラムに従ってパチンコ遊技機1の遊技の進行を制御するメインCPU(超小型演算処理装置)201、異常時や電源投入時に各種設定を初期値に戻すためのリセット信号を生成する初期リセット回路204、LED等の表示制御を行うランプ制御回路207、メインCPU201が動作する上で必要な各種データを記憶するメインRAM203が実装されている。
主制御回路200には、メインCPU201がパチンコ遊技機1の遊技動作を処理制御するためのプログラム、第1始動口67への入賞に応じて、大当り遊技状態とするか否かの大当り抽籤(第1抽籤)をする際に参照される第1大当り抽籤テーブル(図示せず)、第2始動口69への入賞に応じて、大当り遊技状態とするか否かの大当り抽籤(第1抽籤)をする際に参照される第2大当り抽籤テーブル(図示せず)、高確率状態から低確率状態に移行(転落)させるか否かの転落抽籤処理を行う際に参照される高確率状態転落抽籤テーブル(図示せず)、普通電動役物68を開状態とするか否かの普通当り抽籤(第2抽籤)をする際に参照される普通当り抽籤テーブル(図示せず)、乱数抽籤によって変動表示パターンを決定する際に参照される変動表示パターン決定テーブル、およびその他の演出を抽籤する際に参照される各種確率テーブルを格納しているメインROM202が実装されている。
メインRAM203は、後述する第1始動記憶領域(“0”〜“4”)に記憶される第1始動記憶をカウントするための第1始動記憶カウンタ、後述する第2始動記憶領域(“0”〜“4”)に記憶される第2始動記憶をカウントするための第2始動記憶カウンタ、後述する通過記憶領域(“0”〜“4”)に記憶される通過記憶をカウントするための通過記憶カウンタ、普通電動役物68の残り開放数を記憶するための普通電役残り開放数カウンタ、普通電動役物68の開状態中に当該普通電動役物68に入賞した遊技球の数を記憶するための普通電役入賞カウンタ、1回のラウンド動作中に大入賞装置65に入賞した遊技球の数を記憶するための大入賞装置入賞カウンタ、時短状態中における特別図柄の変動表示回数を記憶するための時短カウンタ、1回の大当り遊技状態中において大入賞装置65の開閉扉65aが開放した回数(すなわち、1回の大当り遊技状態中におけるラウンド動作回数)を記憶するための大入賞装置開放回数カウンタなどを具備する。
なお、1回のラウンド動作とは、大入賞装置65が開状態となってから所定の時間(例えば、30秒)が経過するまで、または大入賞装置65が開状態となってから所定数(例えば、10個)の遊技球が大入賞装置65に入賞するまでの期間のことである。
ここで、メインRAM203は、(“0”〜“4”)の第1始動記憶領域を有している。
なお、第1始動記憶領域とは、上述した第1始動記憶が、第1始動記憶領域“0”から順に記憶される領域のことである。また、第1始動記憶領域(“1”〜“4”)に記憶されている大当り抽籤用乱数値などは、第1特別図柄始動記憶表示器73に表示される始動記憶に相当し、第1始動記憶領域“0”に記憶されている大当り抽籤用乱数値などは、大当り抽籤処理などに用いられるものである。また、メインRAM203は、(“0”〜“4”)の第2始動記憶領域を有している。
なお、第2始動記憶領域とは、上述した第2始動記憶が、第2始動記憶領域“0”から順に記憶される領域のことである。また、第2始動記憶領域(“1”〜“4”)に記憶されている大当り抽籤用乱数値などは、第2特別図柄始動記憶表示器74に表示される始動記憶に相当し、第2始動記憶領域“0”に記憶されている大当り抽籤用乱数値などは、大当り抽籤処理などに用いられるものである。
さらに、メインRAM203は、(“0”〜“4”)の通過記憶領域を有している。
なお、通過記憶領域とは、通過ゲート64を遊技球が通過したことを条件として抽出される普通当り抽籤用乱数値などが、通過記憶領域“0”から順に記憶される領域のことである。また、通過記憶領域(“1”〜“4”)に記憶されている普通当り抽籤用乱数値などは、普通図柄通過記憶表示器70に表示される通過記憶に相当し、通過記憶領域“0”に記憶されている普通当り抽籤用乱数値などは、普通当り抽籤などに用いられるものである。
またメインRAM203は、遊技状態フラグを具備している。ここで、遊技状態フラグは、遊技状態が、後述する高確率状態に移行されると高確率状態を示す値(01)がセットされ、また、遊技状態が後述する低確率状態に移行されると低確率状態を示す値(00)がセットされる。
さらに、メインRAM203は、変動短縮フラグを具備している。ここで、変動短縮フラグは、時短状態となると、時短状態を示す値(33)がセットされ、また、非時短状態となると、非時短状態を示す値(00)がセットされる。
また、メインRAM203は、突確フラグを具備している。この突確フラグは、第1抽籤手段により第2の大当り遊技状態が決定された場合にONとなる一方、第1抽籤手段により第1の大当り遊技状態が決定された場合にOFFとなる。
メインCPU201は、第1抽籤手段、遊技状態決定手段、特別図柄決定手段、特別図柄変動表示パターン決定手段、特別入賞装置開放回数決定手段、特別入賞装置制御手段、遊技状態制御手段、開放遊技制御手段、可動部材抽籤手段、第1転落抽籤手段、可動部材抽籤結果導出手段、可動部材制御手段、およびコマンド送信手段の各機能を有している。
第1抽籤手段は、第1始動口67または第2始動口69に遊技球が入球した場合に、遊技状態を、他の遊技状態と比べて遊技者に有利な大当り遊技状態とするか否かを決定する大当り抽籤(第1抽籤)を行う手段である。
例えば、第1抽籤手段は、第1始動口67または第2始動口69に遊技球が入球した場合、乱数抽籤により抽出した大当り抽籤用乱数値に基づいて上記抽籤を実行し、大当り遊技状態とするか否かを決定する。
また、第1抽籤手段は、大当り遊技状態の決定をする場合、遊技者に有利な第1の大当り遊技状態および当該第1の大当り遊技状態と比べて遊技者に不利な第2の大当り遊技状態(2ラウンド大当り遊技状態)との何れかを決定する。
ここで、第1抽籤手段は、第1始動口67に遊技球が入球した場合には、第2始動口69に遊技球が入球した場合よりも、第2の大当り遊技状態に当選する確率を高めた状態で第1抽籤を行う。
遊技状態決定手段は、上記第1抽籤手段により大当り遊技状態が決定された場合(大当り遊技状態に当選した場合)に、大当り遊技状態の終了後における遊技状態を決定する手段である。
具体的には、遊技状態決定手段は、第1抽籤手段により大当り遊技状態が決定される確率(大当り遊技状態の当選確率)が相対的に高い遊技状態である高確率状態、および大当り遊技状態の当選確率が相対的に低い遊技状態である低確率状態のうち何れかを、当該大当り遊技状態の終了後における遊技状態として決定する。
特別図柄決定手段は、第1抽籤手段による抽籤が行われた場合に、当該抽籤結果を示す特別図柄を決定する手段である。
具体的には、特別図柄決定手段は、第1始動口67への入球に基づく抽籤が、上記第1抽籤手段により行われた場合には、当該抽籤結果に基づいて、第1特別図柄表示器71aに停止表示させる特別図柄を決定し、当該特別図柄を示す停止図柄コマンドを生成してセットする。
また、特別図柄決定手段は、第2始動口69への入球に基づく抽籤が、上記第1抽籤手段により行われた場合には、当該抽籤結果に基づいて、第2特別図柄表示器71bに停止表示させる特別図柄を決定し、当該特別図柄を示す停止図柄コマンドを生成してセットする。
特別図柄変動表示パターン決定手段は、第1特別図柄表示器71aや第2特別図柄表示器71bにおける特別図柄の変動表示パターンや変動表示時間を決定する手段である。
具体的には、特別図柄変動表示パターン決定手段は、上記第1抽籤手段の抽籤結果および所定の乱数抽籤に基づいて、第1特別図柄表示器71aや第2特別図柄表示器71bにおける特別図柄の変動表示パターンや変動表示時間を決定している。また、特別図柄変動表示パターン決定手段は、決定した変動表示パターンや変動表示時間を示す変動表示パターンコマンドを生成してセットしている。
特別入賞装置開放回数決定手段は、第1抽籤手段により大当り遊技状態が決定された場合に、当該決定の契機となる遊技球が入球した入賞口に応じて、ラウンド動作の回数(大入賞装置65が開状態となる回数)である上限ラウンド動作回数(開放回数)を決定する手段である。本実施例における特別入賞装置開放回数決定手段は、15ラウンド、10ラウンド、2ラウンドのうち何れかを、上限ラウンド動作回数として決定している。
なお、特別入賞装置開放回数決定手段は、第1抽籤手段により第2の大当り遊技状態(2ラウンド大当り遊技状態)が決定される場合には、2ラウンドを上限ラウンド動作回数として決定する。
また、特別入賞装置開放回数決定手段は、第1抽籤手段により第1の大当り遊技状態が決定された場合には、第1始動口67への入球に応じて決定する上限ラウンド動作回数が、第2始動口69への入球に応じて決定する上限ラウンド動作回数よりも平均的に高くなるようにしている。
つまり、第1始動口67への入球を契機とした大当り抽籤により第1の大当り遊技状態が決定された場合には、第2始動口69への入球を契機とした大当り抽籤により第1の大当り遊技状態が決定された場合と比べて、決定される上限ラウンド動作回数が多くなる可能性が高い。
第1始動口67に上述のメリットを付加することができる本実施例では、当該第1始動口67のデメリット(例えば、第2始動口69と比べて第2の大当り遊技状態が発生し易いというデメリット)をより確実に相殺することが可能となる。この場合、複数の特定入賞口における出球の差異をより縮めることができる。そのため、複数の特定入賞口にそれぞれ異なる特徴を持たせつつも、遊技バランスをより確実に保つことが可能となる。
特別入賞装置制御手段は、遊技状態制御手段による大当り遊技状態の制御が行われているときにおいて、大入賞装置65を開状態とする制御を行う手段である。すなわち、特別入賞装置制御手段は、大当り遊技状態の制御が行われているときにおいて、大入賞装置65を開状態としてから閉状態に切り替えるまでの一連のラウンド動作を、上記特別入賞装置開放回数決定手段により決定された上限ラウンド動作回数に達するまで継続する手段である。
遊技状態制御手段は、上記第1抽籤手段によって大当り遊技状態が決定され、且つ第1特別図柄表示器71aもしくは第2特別図柄表示器71bに、大当り抽籤に当選した旨を示す特定の図柄(例えば、“64”、“60”、“54”、“50”、“44”、“40”などの数字図柄)が停止表示された場合に、遊技状態を遊技者に有利な大当り遊技状態(第1の大当り遊技状態もしくは第2の大当り遊技状態)へ移行させるとともに、当該大当り遊技状態の制御を行う手段である。
ここで、遊技状態制御手段による大当り遊技状態の制御は、上記特別入賞装置制御手段により実行されるラウンド動作の回数が、上記特別入賞装置開放回数決定手段により決定された上限ラウンド動作回数に達するまで継続される。
さらに、遊技状態制御手段は、上記遊技状態決定手段により決定された遊技状態の制御を行う手段でもある。
具体的には、遊技状態制御手段は、上記大当り遊技状態の制御が終了したときに、遊技状態決定手段により決定された遊技状態(例えば、高確率状態や低確率状態等)の制御を行う。
ここで、遊技状態制御手段は、後述する第1転落抽籤手段により低確率状態に変更する旨の決定がなされた場合(遊技状態を高確率状態から低確率状態に転落させる旨の決定がなされた場合)には、当該低確率状態の制御を行うようになっている。
可動部材抽籤手段は、通過ゲート64を遊技球が通過したことを条件に、普通電動役物(可動部材)68を開状態とするか否かの普通当り抽籤(第2抽籤)を行う手段である。例えば、可動部材抽籤手段であるメインCPU201は、通過ゲート64を遊技球が通過した場合、乱数抽籤により抽出した普通当り抽籤用乱数値に基づいて上記抽籤を実行し、普通電動役物68を開状態とするか否かを決定する。
開放遊技制御手段は、第1始動口67への入球に基づいて上記第1抽籤手段の大当り抽籤(第1抽籤)に当選した場合に、大当り遊技状態の終了後から、次回の大当り遊技状態となるまでの間、単位時間あたりにおける普通電動役物68の開状態時間の総和が相対的に大きくなる時短状態の制御を行う手段である。
本実施例では、第1始動口67への入球に基づいて大当り遊技状態が決定された場合には、当該大当り遊技状態の終了後に、時短状態の制御が次回の大当り遊技状態となるまでの間行われるようになる。この場合、第1始動口67に対して、大当り遊技状態の後における球減り等を抑えるというメリットを付加することができる。
第1転落抽籤手段は、第2の大当り遊技状態の終了後における高確率状態中において、第2始動口69に遊技球が入球した場合、遊技状態制御手段の制御する遊技状態を高確率状態から低確率状態に変更(転落)するか否かを抽籤する手段である。そして、当該第1転落抽籤手段により低確率状態へ変更(転落)させる旨の決定がなされた場合、遊技状態制御手段は、高確率状態の制御を終了して、当該低確率状態の制御を行う。
このような、本発明のパチンコ遊技機1では、たとえ、第2の大当り遊技状態の終了後に高確率状態の制御が行われたとしても、第1転落抽籤手段による抽籤の結果によっては、偶発的に、低確率状態に転落する可能性が生じる。この場合、第2の大当り遊技状態の終了後の高確率状態中における遊技に緊張感を持たせることができる。
さらに、第2の大当り遊技状態の終了後における高確率状態中に第2始動口69に遊技球が入球する場合に、当該高確率状状態から転落する可能性が生じる本実施例では、第1始動口67と第2始動口69との特典の均衡をより確実に保つことができるので、複数の特定入賞口における出球の差異をより縮めることができる。そのため、複数の特定入賞口にそれぞれ異なる特徴を持たせつつも、遊技バランスをより確実に保つことが可能となる。
可動部材抽籤結果導出手段は、上記可動部材抽籤手段による抽籤が行われてから所定時間経過後に、当該抽籤結果を導出する手段である。
具体的には、可動部材抽籤結果導出手段は、可動部材抽籤手段による抽籤が行われた場合には、普通図柄表示器72a,72bを、所定時間の間点滅表示させた後に、上記可動部材抽籤手段の抽籤結果を、当該普通図柄表示器72a,72bに導出している。
例えば、可動部材抽籤結果導出手段は、可動部材抽籤手段により普通当りが決定された場合には、普通図柄表示器72a,72bを所定時間の間点滅表示させた後に、普通図柄表示器72aを点灯したまま停止表示させる制御を行う。
可動部材制御手段は、可動部材抽籤手段により開状態が決定されて上記可動部材抽籤結果導出手段により、普通電動役物68を開状態とする旨の抽籤結果が導出された場合(普通図柄表示器72aが点灯したまま停止表示された場合)に、当該普通電動役物68を開状態とする制御を行う手段である。
上述した各手段の機能をそれぞれ実現するためのプログラムがメインROM202に格納されており、メインCPU201が、これら各プログラムをメインROM202からローディングするとともに演算結果をメインRAM203へ更新記憶して実行することにより、上述した各手段の機能を実現するようになっている。勿論、上述した各手段は、専用のハードウェアで構成するようにしても良い。
さらに、コマンド送信手段であるメインCPU201は、生成した各種のコマンド(変動表示パターンコマンド、停止図柄コマンド等)を副制御回路300のサブCPU301に送信することにより、当該遊技における演出を実行させている。
そして、本実施例では、上記各種のコマンド(変動表示パターンコマンドや停止図柄コマンド等)に基づいて、液晶表示装置100などによる表示の演出、スピーカ15などの音出力手段による音の演出、およびランプあるいはLEDなど発光手段による光の演出等が行われる。
主制御回路200のI/Oポート(図示せず)には、通過ゲート64の内側に設けられ、当該通過ゲート64を通過する遊技球を検出するセンサである通過ゲートスイッチ64a、第1始動口67内に設けられ、当該第1始動口67に入賞した遊技球を検出するセンサである第1始動口スイッチ67a、第2始動口69内に設けられ、当該第2始動口69に入賞した遊技球を検出するセンサである第2始動口スイッチ69aが接続されている。
また、I/Oポートには、大入賞装置65内の通過領域に設けられ、当該通過領域を通過する遊技球を検出するセンサである大入賞装置スイッチ65b、一般入賞装置63へ入賞した遊技球を検出するセンサである一般入賞装置スイッチ63a、およびメインRAM203に記憶されている各種データを消去するためのバックアップクリアスイッチ84Sが接続されている。
さらに、I/Oポートには、次の各構成要素が接続されている。すなわち、普通電動役物68の可変翼68a,68bを駆動する可動部材ソレノイド81S、大入賞装置65の開閉扉65aを開閉する大入賞装置ソレノイド82Sなどのアクチュエータが接続されている。
ここで、上記各センサが遊技球を検出すると、その検出信号は主制御回路200のメインCPU201に入力されるので、メインCPU201は、その入力される検出信号に応じて、可動部材ソレノイド81Sや大入賞装置ソレノイド82Sなどのアクチュエータを駆動制御する。
主制御回路200のコマンド出力ポート206からは、副制御回路300、払出制御回路80a、および発射制御回路80bに対してそれぞれ制御指令(コマンド)が送信される。また、遊技場に設置された複数の遊技機を管理するホールコンピュータに対して、獲得した遊技媒体数などを示す信号を出力している。ホールコンピュータに対して出力する信号は、遊技機本体2の本体部2aの背面に配設した外部端子装置18におけるプッシュターミナル19(図2参照)を介して出力される。
制御指令(コマンド)を受信した副制御回路300のサブCPU301によって液晶表示装置100、スピーカ15、装飾ランプ16aの動作が制御されるとともに、この制御指令(コマンド)を受信した払出制御回路80aおよび発射制御回路80bによって、払出装置87および発射装置90の動作が制御される。
払出制御回路80aには賞球や貸球等を払い出す払出装置87が接続されている。払出制御回路80aは、一般入賞装置63や大入賞装置65、第1始動口67、第2始動口69などへ遊技球が入球(入賞)したこと等を条件として主制御回路200から出力される払出指令信号に応じて払出装置87を駆動制御する。
これにより、所定数の遊技球が賞球として第1排出口9より払い出される。また、払出制御回路80aは、カードユニット86から出力される貸出指令信号に応じて払出装置87を駆動制御することで、所定数の遊技球を貸球として第1排出口9より払い出させている。
発射制御回路80bには遊技球を遊技領域62aに向けて発射する発射装置90が接続されている。また、発射制御回路80bは、発射ハンドル11の回動操作に応じて発射ソレノイドを駆動制御することにより、発射装置90から遊技球を発射させる。
また、ランプ制御回路207には、普通図柄通過記憶表示器70、第1特別図柄表示器71a、第2特別図柄表示器71b、普通図柄表示器72a,72b、第1特別図柄始動記憶表示器73、第2特別図柄始動記憶表示器74等のLEDが電気的に接続されている。ランプ制御回路207は、メインCPU201の制御に基づき、上記LEDの表示制御を行う。
(副制御回路の構成)
次に、副制御回路300の構成について説明する。副制御回路300には、サブCPU301、プログラムROM302、ワークRAM303、コマンド入力ポート(図示せず)、画像制御回路305、音声制御回路306、およびランプ制御回路307が備えられている。
プログラムROM302には、サブCPU301が、主制御回路200から出力される各種コマンドに基づいて画像制御回路305を処理制御するための制御プログラム(演出データ)、音声制御回路306を処理制御するための制御プログラム、ランプ制御回路307を処理制御するための制御プログラム、複数種類の報知態様に関するデータなどが格納されている。
ワークRAM303は、サブCPU301が上記制御プログラムに従って処理制御を行う際の一時的な記憶手段となるものであり、メインCPU201から送信されたコマンド等を記憶する受信バッファ領域(図示せず)と、処理制御するのに必要なデータなどを記憶する作業領域(図示せず)とが割り当てられている。
サブCPU301は、コマンド入力ポートを介して主制御回路200から受信したコマンドに従って、画像制御回路305,音声制御回路306,ランプ制御回路307等の制御を行う。
また、サブCPU301は、表示制御手段の機能を有している。表示制御手段は、液晶表示装置100における画像の表示制御を行う手段である。
例えば、表示制御手段は、コマンド送信手段であるメインCPU201から変動表示パターンコマンドが送信された場合に、画像制御回路305に対して指示制御を行うことにより、当該変動表示パターンコマンドに応じた装飾図柄の変動表示制御や、その他の演出画像の表示制御等を行っている。また、装飾図柄の変動表示の後には、当該装飾図柄を、メインCPU201から送信された停止図柄コマンドが示す停止態様に応じて停止表示させるための指示制御を画像制御回路305に対して行っている。
この場合、液晶表示装置100の表示領域21aにおいては、変動表示パターンコマンドに応じた装飾図柄の変動表示が行われた後に、停止図柄コマンドが示す特別図柄に応じて決定された装飾図柄が停止表示される。
画像制御回路305は、サブCPU301からの指示(ワークRAM303の所定の作業領域にセットされた演出データに基づいた指示)に応じて、表示領域21aに装飾図柄の変動表示などの表示を実行するものであり、各種画像データを記憶する画像データROM305bと、サブCPU301からの制御に応じて対応する画像データを画像データROM305bから抽出し、抽出したその画像データを基にして装飾図柄の変動表示や演出画像の表示などを実行するためのデータを生成するVDP(Video Display Processor)305aと、VDP305aにより生成された表示画像データをアナログ信号に変換するD/A変換回路(D/Aコンバータ)305dとを具備する。
また、画像データROM305bには、液晶表示装置100に画像を表示させるための画像データが記憶されている。なお、各画像データには、表示領域21aに各画像データを表示させるために必要な複数の画素データ(ドット単位のデータ)が含まれている。
ここで、VDP305aには、2つのバッファ領域が設けられたVRAM305cが接続されている。VDP305aは、所定時間(例えば、1/30秒)ごとに送信されるサブCPU301からの指示に基づいて、液晶表示装置100の表示領域における表示を実行するためのデータを生成する際に、以下の処理を行う。
VDP305aは、画像データROM305bから、所定の画像データを読み出し、VRAM305cに展開するとともに、VRAM305cから、展開された画像データを読み出す。具体的には、VDP305aは、VRAM305cに設けられた一方のバッファ領域に対して、展開処理を行い、他方のバッファ領域から、既に展開処理が行われた画像データを読み出す。次にVDP305aは、サブCPU301の指示に基づいて、展開処理対象のバッファ領域と、読み出し対象のバッファ領域とを切り換える。そして、VDP305aは、読み出した画像データを、D/A変換回路305dを介して、液晶表示装置100の表示領域に表示させる。
なお、本実施例では、画像データを展開する記憶装置としてVRAMを使用しているが、これに限られず、他の記憶装置を利用してもよい。たとえば、データを高速で読み書きできるSDRAMを用いてもよい。
音声制御回路306にはスピーカ15が接続されている。音声制御回路306は、サブCPU301の制御に基づき、音信号を生成する。スピーカ15は、入力したこの音信号に基づいて音を発生する。
ランプ制御回路307には装飾ランプ16a(装飾ランプとは、パチンコ遊技機1の各所に備え付けられているランプやLED等の総称である)が接続されている。ランプ制御回路307は、サブCPU301の制御に基づき、信号を生成する。装飾ランプ16aは、入力したこの信号に基づいて点灯表示等を行う。
このように、スピーカ15、装飾ランプ16aおよび液晶表示装置100は、サブCPU301がセットした(制御プログラム)演出データに基づいて演出を行うようになっている。
なお、パチンコ遊技機1における各処理は、主制御回路200と副制御回路300とにより制御されているが、主制御回路200は、副制御回路300により制御される処理の全部または一部を処理してもよく、副制御回路300は、主制御回路200により制御される処理の全部または一部を処理してもよい。
[外部端子装置の説明]
図5〜図11を用いて、外部端子装置18の説明をする。図5、図6、図8〜図11では、図2に示した本体部2aの背面に配設された外部端子装置18を拡大して、要部構成として示している。そして、外部端子装置18の構成を明瞭にするため本体部2aにおける一部部材の構成は省略している。図7には、外部端子装置18の回路図を示している。
(外部端子装置の構成)
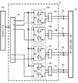
図5は、外部端子装置18の要部拡大図を示しており、外部端子装置18は、プッシュターミナル19と、カバー部材35と、図6に示す複数のリレー端子33と、コネクタ34と、これらの各部材を搭載している支持基板31と、から構成されている。複数のリレー端子33は、カバー部材35によって覆われている。
コネクタ34には、図4に示すメインCPU201からホールコンピュータ110に送出する信号が入力される。そして、図7の回路図に示すように、コネクタ34に入力された信号は、コネクタ34の各端子T2〜T11から対応するリレー端子33a〜33j(以下、リレー端子33として総称する場合がある。)を介して、それぞれ対応するプッシュターミナル19a〜19j(以下、プッシュターミナル19として総称する場合がある。)からリード線60(図11参照)を通ってホールコンピュータ50に送信される。プッシュターミナル19としては、図6、図7の図示例では10個のプッシュターミナル19a〜19jを5個ずつ2列に連結した配置構成を示している。
図7に示すように、リレー端子33a〜33jの構成としては、例えば、フォトモスリレーが用いられる。なお、リレー端子33a〜33jとして、フォトモスリレー以外のリレー回路を用いた構成にしておくこともできる。以下では、リレー端子33a〜33jとしてフォトモスリレーを用いた構成について説明する。
パチンコ遊技機1のメインCPU201からホールコンピュータ50に送出される信号としては、次のような信号がある。例えば、所定数の賞品球を払い出したときにコネクタ34の端子T2から送出される賞球信号、前扉2bが開状態となっときにコネクタ34の端子T3から送出されるドア開放信号や、大当りの遊技状態となったときにコネクタ34の端子T10から送出される大当り信号や、大当りとなる確率が高くなる遊技状態である確率変動状態となったときにコネクタ34の端子T11から送出される確変信号などがある。
コネクタ34の端子T1には、10個の各リレー端子33a〜33jに共通して供給される、例えば、DC12Vの電圧が印加されている。プッシュターミナル19における各プッシュターミナル19a〜19jは、常時は開状態となっており、メインCPU201からコネクタ34に出力された信号が電流制限抵抗(図示せず)を介してロー信号になると、リレー端子33a〜33jの一次側に配した赤外発光ダイオードが発光し、2次側に配したMOSFETが導通状態となる。そして、対応したプッシュターミナル19a〜19jが閉状態となって、メインCPU201からの信号を、外部端子装置18を介してホールコンピュータ110に送信する。
なお、本発明は、メインCPU201から外部端子装置18を介してホールコンピュータ110に送出される信号数は、10個の信号に限定されるものではなく、必要に応じた適宜数の信号を送出させることもできる。
図8に示すように、本体部2aに形成した凹部41内には、外部端子装置18を斜めに傾けた状態で収納される。凹部41は、鉛直方向の面となった底板41aと底板41aの周囲を囲繞する4枚の側板45とから構成されている。上下方向に対向する一対の側板45には、外部端子装置18の支持基板31を下面側から支持する支持部材42が複数形成されている。
上下方向に対向した各側板45に形成された支持部材42の高さ寸法(即ち、底板41aからの突出寸法)は、凹部41内に外部端子装置18の支持基板31を斜めに傾けた状態で収納させるため、上方側の側板45に形成した支持部材42の高さ寸法が、下方側の側板45に形成した支持部材42の高さ寸法よりも、低い高さ寸法に形成されている。また、支持基板31の側端部側を支持する支持部材42の上端面は、上方側から下方側にかけて底板41aからの高さ位置が漸増する傾斜端面として形成されている。
即ち、複数の支持部材42によって、支持基板31は、支持基板31の下端縁側が底板41aから外方に大きく離間した下り傾斜の傾斜面状態で支持されることになる。そして、下方側の側板45に形成した支持部材42の上端面には、支持段部42aが形成されており、支持段部42aによって支持基板31の下端縁を支持する。
図9に支持基板31の下面側からの斜視図を示すように、支持基板31の下面における長手方向に沿った上下端縁には、上方側の側板45に形成した支持部材42の上端部及び支持段部42aに係合する位置決め凹部31dが形成されている。また、支持基板31の斜めに対向する角部には、固定孔31aが形成され、支持基板31における少なくとも一つの角部には、位置決め孔31bが形成されている。支持基板31には、コネクタ34の端子ピン52が挿入されており、端子ピン52は、支持基板31の下面から突出している。
また、支持基板31の上面におけるカバー部材35を載置する部位には、カバー部材35の下端側に形成した位置決め突起37を係合させる係合凹部31c(図8参照)が形成されている。カバー部材35の位置決め突起37を係合凹部31cに係合させた状態において、カバー部材35と支持基板31との間には、隙間部38が形成されている。この隙間部38を介して、カバー部材35内との間で空気の循環を行うことができ、カバー部材35内に収納したリレー端子33に対する空冷を行うことができる。
カバー部材35には、固定片36が形成されている。固定片36によって、カバー部材35と支持基板31とを、凹部41内に形成した固定突起43に固定する。即ち、固定片36に形成した固定孔36aと支持基板31に形成した固定孔31aとに固定ネジ57aを挿入して、固定突起43の固定穴43aに螺合させることにより、カバー部材35と支持基板31とを固定突起43に固定する。
固定突起43は、複数の支持部材42とともに支持基板31の下面を支持している。また、固定突起43を形成した凹部41における部位とは対角線上の反対側に位置する部位に固定突起43と同様の固定突起を形成しておき、固定ネジ57bによって支持基板31をこの固定突起に固定しておくこともできる。なお、この固定突起の図示は省略している。
凹部41における固定突起43を形成した部位とは異なる隅部には、支持基板31に形成した位置決め孔31bに嵌入する位置決め突起44(図8参照)が形成されている。また、少なくとも一つの側板45の上端部には、凹部41側に突出した係止部47が形成されており、支持部材42や固定突起43上に支持固定された支持基板31の抜け止めを行っている。
また、側板45及び底板41aにおける外部に露呈しない部位には、多数の開口部46が形成されている。開口部46は、支持基板31で凹部41の蓋をした状態で、支持基板31の下面側に形成された空気室53(図10参照)に対して、空気の流通を可能にする開口として構成されている。
図6、図7に示すように、支持基板31の外周縁と側板45の内面との間にも隙間58が形成されており、支持基板31で発熱した熱を吸収した放熱空間としての空気室53に対して、空気の出し入れを行う流通路として隙間58は機能している。開口部46や隙間58を通って空気を流通させることができるので、空気室53に対する空冷を行って放熱を十分に行える。
開口部46の一つは、カバー部材35に設けた係止部39を係合させることによって、カバー部材35の位置決めを行う機能も奏させることができる。
(プッシュターミナルの内部構造)
次に、図11を用いて各プッシュターミナル19a〜19jの内部構成について説明する。各プッシュターミナル19a〜19jの構成は、同様の構成になっているので、プッシュターミナル19a、19bについてその構成を説明することで、他のプッシュターミナル19c〜19jの構成については、その説明を省略する。
図11では、プッシュターミナル19a側とプッシュターミナル19b側とをまとめて一つのケース本体部20で囲った構成を示しているが、プッシュターミナル19a側とプッシュターミナル19b側とを、それぞれ独立させて、それぞれをケース本体部20で囲った構成にしておくこともできる。
即ち、図6を用いて説明すると、各プッシュターミナル19a〜19jをそれぞれ独立したケース本体部で囲った構成にしておくこともできる。また、プッシュターミナル19a、19c、19e、19g、19iの一列と、プッシュターミナル19b、19d、19f、19h、19jの一列と、をそれぞれ組にして、二つの組をケース本体部で個別に囲った構成にしておくこともできる。更には、プッシュターミナル19a、19bの組、プッシュターミナル19c、19dの組、プッシュターミナル19e、19fの組、プッシュターミナル19g、19hの組、プッシュターミナル19i、19jの組、を作り、それぞれの組をケース本体部で個別に囲った構成にしておくこともできる。
あるいは、各プッシュターミナル19a〜19jを適宜数組み合わせて組を構成し、組み合わせた各組をケース本体部で囲った構成にしておくこともできる。また、プッシュターミナル19aにおける操作レバー27とプッシュターミナル19bにおける操作レバー26とによって新たなプッシュターミナルを構成することもできる。これを図6の左右方向に沿って新たなプッシュターミナルを複数配列させることもできる。
図11では、図6のB−B断面図を示しており、図において向かって右側の部位に示したプッシュターミナル19aの内部構造と、左側の部位に示したプッシュターミナル19bの内部構造を示している。太線は、プッシュターミナル19a、19b内に貫通孔21を通って挿入されたリード線60を示している。
各プッシュターミナル19a、19b内には、操作部26a、27aと押圧部26b、27bとを有する一対の操作レバー26、27が隣り合うように配置している。図5に示すように、プッシュターミナル19a、19bには、一対の操作レバー26、27と、一対の操作レバー26、27に対応してケース本体部20の上面20aに形成された一対の貫通孔21と、各貫通孔21に対応してケース本体部20内に固定して配設され導電性端子部28と、一対の操作レバー26、27と、操作レバー26、27をそれぞれ付勢するスプリング29と、を備えている。一対の貫通孔21には、それぞれリード線60を挿入する。
ケース本体部20には、一対の貫通孔21以外に、プッシュターミナル19を支持基板31に固定するためにケース本体部20の底部に形成された固定用突起(図示せず)と、各プッシュターミナル19a〜19j同士を連結するための連結手段(図示せず)、スプリング29の一端部を支持するスプリング支持突起23が形成されている。また、ケース本体部20の上面20aから左右に連続した傾斜面20bには、一対の操作レバー26、27の操作部26a、27aをケース本体部20の操作側外方に突出させ、操作部26a、27aに対する押圧操作によって、操作レバー26、27を回動させるための操作孔22が一対形成されている。
各導電性端子部28の足部は、支持基板31に形成された配線に接続挿入されている。
(操作レバーの構成)
各操作レバー26、27の押圧部26b、27bは、スプリング29によって付勢されている。各操作レバー26、27には、それぞれのスプリング29の端部を支持するスプリング支持突起26c、27cが形成されている。
各操作レバー26、27は、ケース本体部20の底面に対して回動軸59を介して軸支されている。回動軸59を回動中心として各操作レバー26、27は、各貫通孔21から挿入されたリード線60をそれぞれ導電性端子部28の接触部28aに押し付ける方向に付勢されている。接触部28aは、導電性端子部28の一部部位を屈折させることにより構成している。そして、屈折形成した接触部28aは、弾性変形を行い易い形状に形成されているので、操作レバー26、27の押圧部26b、27bと接触部28aとの間でリード線60を確実に押圧挟持する。
(操作レバーの作用)
プッシュターミナル19a、19bにリード線60を接続するときには、操作部26a、27aを下方に押圧し、押圧部26b、27bと導電性端子部28の接触部28aとの間隔を広げて、リード線60を貫通孔21から挿入して、リード線60を接触部28aと接触する位置まで挿入する。
その後、操作部26a、27aに対する押圧操作を解除して、操作レバー26、27をスプリング29の付勢力によって元の位置まで戻すことにより、図11に示すように、リード線60は導電性端子部28の接触部28aに押し付けられた状態で保持される。リード線60を外すときには、操作部26a、27aを下方に押し下げた状態で、リード線60を引き抜くことにより、容易にリード線60をプッシュターミナル19a、19bから取り外すことができる。
各操作部26a、27aの支持基板31からの高さ位置を異ならせて配しているので、隣接する操作部26a、27a間において高さ方向に段差が生じるように形成できる。また、操作部26aを最下部まで押し下げた状態でも、支持基板31からの高さ位置が隣接した操作部27aと同じ高さ位置か、若干高い位置となるように構成しておくことができる。
しかも、プッシュターミナル19を搭載している支持基板31は、凹部41に形成した複数の支持部材42によって、下方側に下り傾斜の傾斜面として支持されているので、押圧操作した状態での各操作部26a、27aの支持基板31からの高さ位置は、押圧操作が凹部41の側板45に阻害されない位置になる。
(本発明の効果)
図10に示すように、支持基板31は、下方側に傾いた下り傾斜の傾斜面として支持部材42によって支持されているので、各操作部26a、27aを押圧操作しても、各操作部26a、27aの上方側における操作空間を広く構成しておくことができる。特に、図6において、下方側に配設されたプッシュターミナル19a、19c、19e、19g、19iにおける操作部26a、27aは、操作部26a、27aを操作する側に突出した配置構成、言い換えると、紙面から浮き上がる方向に突出した配置構成になる。
そして、これらの操作部26a、27aに対する押圧操作の操作性を向上させることができる。これによって、隣接する操作部26a又は27aを同時に押圧操作してしまう誤操作を防止できる。また、上方側に配設されたプッシュターミナル19b、19d、19f、19h、19jにおける操作部26a、27aを押圧操作する場合でも、支持基板31を傾斜させたとしても、隣接する操作部26a、27a間での段差の効果がそれほど損なわれることがない。
しかも、上方側に配設されたプッシュターミナル19b、19d、19f、19h、19jにおける操作部26a、27aは、外部操作装置18を傾斜させたことによる効果をそれほど享受できない場合があったとしても、下方側に配設されたプッシュターミナル19a、19c、19e、19g、19iにおける操作部26a、27aが、操作部26a、27aを操作する側に突出することによって奏される効果が高いので、外部操作装置18としては、操作部26a、27aに対する押圧操作の操作性を向上させることができる。
そして、隣接する操作部26a又は27aを同時に押圧操作してしまう誤操作を防止できる。
このように、各操作部26a、27aに対する押圧操作を容易に行える。そして、隣接する操作部26a、27a間で一方の操作部26a又は27aを押圧操作しているときに、誤って他方の操作部27a又は26aを同時に押圧操作してしまうのを防止できる。
しかも、支持基板31上に搭載されたプッシュターミナル19のケース本体部20も一緒に傾くことになる。そして、支持基板31に対して低位置側に配設された操作部27aは、ケース本体部20とともに一緒に傾き、水平方向及び鉛直方向に対して三次元的な配設位置に調整することができる。
このように、操作部27aに対する押圧操作を行い易い位置に操作部27aを配設しておくことができるので、操作部27aに対する操作性を高めることができ、誤操作を伴わずに押圧操作を容易に行える。しかも、操作部27aに隣接して配設された操作部26aは、空間的にも操作部27aとは支持基板31からの高さ位置が異なっているので、操作部27aを押圧操作する際に操作部26aを同時に押圧操作してしまうことを防止できる。
また、操作部26aを押圧操作する際には、隣接する操作部27aとは支持基板31からの高さ位置が異なって段差を持たせて操作部26aが配設されているので、操作部27aを同時に押圧操作することがない。
しかも、図10に示すように、操作部26a、27aの位置を外部から視認し易い位置に配しているので、貫通孔21の開閉を行う操作レバー26、27に対する誤操作を防止でき、リード線は正しい貫通孔21に挿入されることになる。また、操作部27aに対する三次元的な位置調整は、支持基板31を支持している傾斜角度を調整することによって、簡単に調整することができる。
図10に示すように、支持基板31の下面と凹部41との間には大きな空気室53を形成している。しかも、図8に示すように、空気室53は凹部41を構成している側板45や底板41aに形成した開口部46、及び、図6に示すように、支持基板31の周囲と凹部41との間に形成した隙間58によって、空気の流通が行える構成になっている。
このように構成されているので、空間室53内に熱が籠ることなく、熱を効率よく放散させる。そして、支持基板31に対する空冷効果を高められる。開口部46の形成個数としては、適宜の数形成しておくことができる。
開口部46を複数形成した場合であっても、カバー部材35に設けた係止部39は、複数形成した開口部46のうちから一つの開口部46に対して係合させる構成にしておくことができる。カバー部材35に複数の係止部39を設けた構成の場合には、各係止部39は、それぞれに対応した開口部46に対して係合する構成にできる。
上記説明では、上下二列にプッシュターミナル19a〜19jが配された構成について説明を行ったが、一列に配したプッシュターミナル19a、19c、19e、19g、19iに対しても本発明を適用することができ、本発明の効果を奏させることができる。
また、二列又は一列に配したプッシュターミナルを上下方向に沿って配した場合であっても、本発明を適用することができ、本発明の効果を操作させることができる。
以上の説明においては、本発明をパチンコ遊技機1に適用した場合について説明を行ったが、本発明はこの構成に限定されるものではなく、パチスロ遊技機(スロットマシン)、雀球、スマートボールあるいはゲームセンターに設置された各種ゲーム機などにおいて用いられる外部端子装置を有する種々の遊技機に対して適用することができる。
1…パチンコ遊技機、2…遊技機本体、2a…本体部、2b…前扉、18…外部端子装置、19(19a〜19j)…プッシュターミナル、20…ケース本体部、21…貫通孔、22…操作孔、23…スプリング支持突起、26,27…操作レバー、26a,27a…操作部、26b,27b…押圧部、28…導電性端子部、29…スプリング、31…支持基板、31a…固定孔、31b…位置決め孔、31c…係合凹部、31d…位置決め凹部、33(33a〜33j)…リレー端子(フォトモスリレー)、34…コネクタ、35…カバー部材、36…固定片、36a…固定孔、37…位置決め突起、38…空気用出入り口、39…係止部、41…凹部、41a…底板、42…支持部材、42a…支持段部、43…固定突起、43a…固定穴、44…位置決め突起、45…側板、46…開口部、47…係止部、53…空気室、57a,57b…固定ネジ、58…隙間、59…回動軸、60…リード線、62…遊技盤、62a…遊技領域。

Claims (1)

  1. 外部に送出する信号を中継する外部端子装置を備えた遊技機において、
    前記外部端子装置は、少なくとも2つのリード線をそれぞれ挿脱可能にしたプッシュターミナルと、前記プッシュターミナルを上面に支持固定する支持基板と、前記支持基板を支持する支持部材と、を有し、
    前記プッシュターミナルは、挿入するリード線の数に対応した導電性端子部を内部に配設したケース本体部と、前記導電性端子部に対応して配設した操作レバーと、を有し、
    前記操作レバーは、前記導電性端子部に対応して設けられた操作部と、前記操作部の操作に基づき、前記ケース本体部内に挿入された前記リード線を前記導電性端子部に押圧する押圧部と、を有し、
    前記操作部は、互いに隣接し、前記支持基板の上面からの高さが相対的に低い位置となる第一の操作部と、前記支持基板の上面からの高さが相対的に高い位置となる第二の操作部とから構成され、前記第一の操作部及び前記第二の操作部がともに前記支持基板の一端部側に延出し、前記第一の操作部を操作した場合、前記第二の操作部を操作した場合よりも、その端部と前記支持基板の上面との距離が近くなるように配設され、
    前記支持部材は、前記操作部が延出する前記一端部側に複数の支持段部を有し、前記支持基板が前記支持段部によって支持固定された状態において、前記複数の支持段部の端部が、前記支持基板の上面よりも突出するように形成されるとともに、前記第一の操作部の操作に基づき移動した前記第一の操作部の端部と干渉しない領域に配設されていることを特徴とする遊技機。
JP2015158300A 2015-08-10 2015-08-10 遊技機 Active JP6171237B2 (ja)

Priority Applications (1)

Application Number Priority Date Filing Date Title
JP2015158300A JP6171237B2 (ja) 2015-08-10 2015-08-10 遊技機

Applications Claiming Priority (1)

Application Number Priority Date Filing Date Title
JP2015158300A JP6171237B2 (ja) 2015-08-10 2015-08-10 遊技機

Related Parent Applications (1)

Application Number Title Priority Date Filing Date
JP2013184030A Division JP5795035B2 (ja) 2013-09-05 2013-09-05 遊技機

Publications (2)

Publication Number Publication Date
JP2015221341A JP2015221341A (ja) 2015-12-10
JP6171237B2 true JP6171237B2 (ja) 2017-08-02

Family

ID=54784714

Family Applications (1)

Application Number Title Priority Date Filing Date
JP2015158300A Active JP6171237B2 (ja) 2015-08-10 2015-08-10 遊技機

Country Status (1)

Country Link
JP (1) JP6171237B2 (ja)

Family Cites Families (3)

* Cited by examiner, † Cited by third party
Publication number Priority date Publication date Assignee Title
JPH09714A (ja) * 1995-06-19 1997-01-07 Sophia Co Ltd 遊技機
JP5499786B2 (ja) * 2010-03-09 2014-05-21 株式会社三洋物産 遊技機
JP5831503B2 (ja) * 2013-06-28 2015-12-09 株式会社三洋物産 遊技機

Also Published As

Publication number Publication date
JP2015221341A (ja) 2015-12-10

Similar Documents

Publication Publication Date Title
JP5795035B2 (ja) 遊技機
JP2008200251A (ja) 遊技機
JP3677647B2 (ja) 弾球遊技機
JP2016064255A (ja) 遊技機
JP5131898B2 (ja) 遊技機
JP2019115579A (ja) 遊技機
JP6171237B2 (ja) 遊技機
JP6168369B2 (ja) 遊技機
JP2015221340A (ja) 遊技機
JP2015221339A (ja) 遊技機
JP5403529B2 (ja) 遊技機
JP2009207692A (ja) 遊技機
JP5067840B2 (ja) 遊技機
JP2006167230A (ja) 遊技機
JP2009061100A (ja) スキャッタシンボルに基づく配当がなされるスロットマシン
JP7720352B2 (ja) 遊技機
JP2007075147A (ja) 遊技機
JP2007029531A (ja) 遊技機
JP2008253621A (ja) 遊技機
JP2009207691A (ja) 遊技機
JP2006230936A (ja) 遊技機
JP2006271699A (ja) 遊技機
JP2006075178A (ja) パチンコ機
JP5534270B2 (ja) 遊技機
JP5450719B2 (ja) 遊技機

Legal Events

Date Code Title Description
A131 Notification of reasons for refusal

Free format text: JAPANESE INTERMEDIATE CODE: A131

Effective date: 20160719

A977 Report on retrieval

Free format text: JAPANESE INTERMEDIATE CODE: A971007

Effective date: 20160720

A521 Written amendment

Free format text: JAPANESE INTERMEDIATE CODE: A523

Effective date: 20160914

A131 Notification of reasons for refusal

Free format text: JAPANESE INTERMEDIATE CODE: A131

Effective date: 20161115

A521 Written amendment

Free format text: JAPANESE INTERMEDIATE CODE: A523

Effective date: 20170112

TRDD Decision of grant or rejection written
A01 Written decision to grant a patent or to grant a registration (utility model)

Free format text: JAPANESE INTERMEDIATE CODE: A01

Effective date: 20170606

A61 First payment of annual fees (during grant procedure)

Free format text: JAPANESE INTERMEDIATE CODE: A61

Effective date: 20170614

R150 Certificate of patent or registration of utility model

Ref document number: 6171237

Country of ref document: JP

Free format text: JAPANESE INTERMEDIATE CODE: R150

R250 Receipt of annual fees

Free format text: JAPANESE INTERMEDIATE CODE: R250