JP5117950B2 - データ読出回路及び半導体記憶装置 - Google Patents

データ読出回路及び半導体記憶装置 Download PDF

Info

Publication number
JP5117950B2
JP5117950B2 JP2008187721A JP2008187721A JP5117950B2 JP 5117950 B2 JP5117950 B2 JP 5117950B2 JP 2008187721 A JP2008187721 A JP 2008187721A JP 2008187721 A JP2008187721 A JP 2008187721A JP 5117950 B2 JP5117950 B2 JP 5117950B2
Authority
JP
Japan
Prior art keywords
pmos transistor
voltage
drain
input terminal
sense amplifier
Prior art date
Legal status (The legal status is an assumption and is not a legal conclusion. Google has not performed a legal analysis and makes no representation as to the accuracy of the status listed.)
Expired - Fee Related
Application number
JP2008187721A
Other languages
English (en)
Other versions
JP2010027146A (ja
Inventor
伸一 村田
克晃 松井
Current Assignee (The listed assignees may be inaccurate. Google has not performed a legal analysis and makes no representation or warranty as to the accuracy of the list.)
Lapis Semiconductor Co Ltd
Original Assignee
Lapis Semiconductor Co Ltd
Priority date (The priority date is an assumption and is not a legal conclusion. Google has not performed a legal analysis and makes no representation as to the accuracy of the date listed.)
Filing date
Publication date
Application filed by Lapis Semiconductor Co Ltd filed Critical Lapis Semiconductor Co Ltd
Priority to JP2008187721A priority Critical patent/JP5117950B2/ja
Priority to US12/503,894 priority patent/US8189405B2/en
Publication of JP2010027146A publication Critical patent/JP2010027146A/ja
Application granted granted Critical
Publication of JP5117950B2 publication Critical patent/JP5117950B2/ja
Expired - Fee Related legal-status Critical Current
Anticipated expiration legal-status Critical

Links

Images

Classifications

    • GPHYSICS
    • G11INFORMATION STORAGE
    • G11CSTATIC STORES
    • G11C7/00Arrangements for writing information into, or reading information out from, a digital store
    • G11C7/06Sense amplifiers; Associated circuits, e.g. timing or triggering circuits
    • G11C7/062Differential amplifiers of non-latching type, e.g. comparators, long-tailed pairs
    • GPHYSICS
    • G11INFORMATION STORAGE
    • G11CSTATIC STORES
    • G11C16/00Erasable programmable read-only memories
    • G11C16/02Erasable programmable read-only memories electrically programmable
    • G11C16/06Auxiliary circuits, e.g. for writing into memory
    • G11C16/26Sensing or reading circuits; Data output circuits
    • GPHYSICS
    • G11INFORMATION STORAGE
    • G11CSTATIC STORES
    • G11C29/00Checking stores for correct operation ; Subsequent repair; Testing stores during standby or offline operation
    • G11C29/02Detection or location of defective auxiliary circuits, e.g. defective refresh counters
    • GPHYSICS
    • G11INFORMATION STORAGE
    • G11CSTATIC STORES
    • G11C29/00Checking stores for correct operation ; Subsequent repair; Testing stores during standby or offline operation
    • G11C29/02Detection or location of defective auxiliary circuits, e.g. defective refresh counters
    • G11C29/021Detection or location of defective auxiliary circuits, e.g. defective refresh counters in voltage or current generators
    • GPHYSICS
    • G11INFORMATION STORAGE
    • G11CSTATIC STORES
    • G11C29/00Checking stores for correct operation ; Subsequent repair; Testing stores during standby or offline operation
    • G11C29/02Detection or location of defective auxiliary circuits, e.g. defective refresh counters
    • G11C29/022Detection or location of defective auxiliary circuits, e.g. defective refresh counters in I/O circuitry
    • GPHYSICS
    • G11INFORMATION STORAGE
    • G11CSTATIC STORES
    • G11C29/00Checking stores for correct operation ; Subsequent repair; Testing stores during standby or offline operation
    • G11C29/02Detection or location of defective auxiliary circuits, e.g. defective refresh counters
    • G11C29/028Detection or location of defective auxiliary circuits, e.g. defective refresh counters with adaption or trimming of parameters
    • GPHYSICS
    • G11INFORMATION STORAGE
    • G11CSTATIC STORES
    • G11C7/00Arrangements for writing information into, or reading information out from, a digital store
    • G11C7/14Dummy cell management; Sense reference voltage generators
    • GPHYSICS
    • G11INFORMATION STORAGE
    • G11CSTATIC STORES
    • G11C16/00Erasable programmable read-only memories
    • G11C16/02Erasable programmable read-only memories electrically programmable
    • G11C16/04Erasable programmable read-only memories electrically programmable using variable threshold transistors, e.g. FAMOS

Landscapes

  • Read Only Memory (AREA)

Description

本発明はデータ読出回路及び半導体記憶装置に係り、特に、データ読出対象のメモリセルからデータを読み出すデータ読出回路、及び、該データ読出回路を備えた半導体記憶装置に関する。
EPROM等の半導体メモリセルからのデータの読み出しに関し、特許文献1には、半導体メモリセルに接続されたデータ線に定電圧を印加すると共に、前記データ線を定電圧に維持するのに要する電流を検出する機能を備えたセンスアンプ回路(電流ソース型のセンスアンプ回路)が開示されている。例として図15(A)に示すように、特許文献1に開示されているセンスアンプ回路200は、ソースが電源Vccに接続されゲートにはバイアス電圧入力端を介してバイアス電圧VBIASPが供給されドレインが出力端OUTBに接続されたPMOSトランジスタ202と、ドレインがPMOSトランジスタ202のドレインに接続されソースが入力端BLに接続されたNMOSトランジスタ204と、反転入力端がNMOSトランジスタ204のドレインに接続され非反転入力端には基準電圧入力端を介して基準電圧VBLREFが供給され出力端がNMOSトランジスタ204のゲートに接続されたオペアンプ206と、から構成されている。
なお、センスアンプ回路200と同様の機能は、図15(B)に示すように、ソースが電源Vccに接続されゲートにはバイアス電圧入力端を介してバイアス電圧VBIASPが供給されドレインが出力端OUTBに接続されたPMOSトランジスタ212と、ソースがPMOSトランジスタ212のドレインに接続されドレインが入力端BLに接続されたPMOSトランジスタ214と、非反転入力端がPMOSトランジスタ214のドレインに接続され反転入力端には基準電圧入力端を介して基準電圧VBLREFが供給され出力端がPMOSトランジスタ214のゲートに接続されたオペアンプ216と、から成るセンスアンプ回路210によっても実現できる。
センスアンプ回路200は図16に示すアンプブロック回路220における読出用センスアンプ回路READAMPn(n=0,1,…)や参照用センスアンプ回路REFAMPとして各々用いられることで、半導体メモリセルからデータを読出可能に半導体メモリセルと接続される。すなわち、個々のセンスアンプ回路200にはバイアス電圧入力端に接続されたバイアス電圧供給線を介してバイアス電圧VBIASPが各々供給されると共に、基準電圧入力端に接続された基準電圧供給線を介して基準電圧VBLREFが各々供給される。また、読出用センスアンプ回路READAMPnを構成するセンスアンプ回路200は、入力端BLがビット線(データ線)BLnを介して半導体メモリセルのドレイン端子に接続されており、出力端OUTBがオペアンプ222nの反転入力端に接続されている。また、参照用センスアンプ回路REFAMPを構成するセンスアンプ回路200は、入力端BLに基準流出電流IBLRが流れ、出力端OUTBが各オペアンプ222nの非反転入力端に各々接続されている。なお、センスアンプ回路200に代えて、読出用センスアンプ回路READAMPnや参照用センスアンプ回路REFAMPをセンスアンプ回路210で構成することも可能である。
半導体メモリセルからデータを読み出す場合、半導体メモリセルのドレイン端子を一定電圧に保つことが一般的である。センスアンプ回路200,210では、オペアンプ206,216が差動増幅回路として動作することで、入力端BLに接続されたビット線BLnの電圧がオペアンプ206,216に供給されている基準電圧VBLREFに保たれ、ビット線BLnに接続された半導体メモリセルのドレイン端子も基準電圧VBLREFに準ずる電圧に保たれる。また、半導体メモリセルからのデータ読出時には入力端BLからビット線BLnへ電流が流出し、この電流流出に伴って出力端OUTBからの出力電圧が低下するが、出力電圧の低下量はビット線BLnへの流出電流IBLの大きさに応じて変化し、流出電流IBLの大きさは、例として図17(A)にも示すように、読出対象の半導体メモリセルに保持されているデータ(読出対象データ)が"0"か"1"かに応じて相違する。
アンプブロック回路220の参照用センスアンプ回路REFAMPは、読出対象データが"0"の場合と"1"の場合の流出電流IBLの大きさ(出力電圧の低下量)を識別するために設けられており、例として図17(B)にも示すように、出力端OUTBからの出力電圧(各オペアンプ222nに入力される基準電圧VREF)が、読出対象データが"0"の場合の低下後の出力電圧と"1"の場合の低下後の出力電圧の中間に相当する大きさとなるように構成されている。なお、図17(B)では出力端OUTBの電圧を"OUTB"と表記して示すと共に、ビット線の電圧を"BL"と表記して示しているが、ビット線の電圧は読出対象データが"0"の場合と"1"の場合とで殆ど差が生じないため、読出対象データが"0"の場合と"1"の場合を重ねて示している。
上記のように、基準電圧VREFを前記中間に相当する大きさとすることは、例えば参照用センスアンプ回路REFAMPの入力端BLを流れる基準流出電流IBLRを、読出対象データが"1"の場合の流出電流IBLと読出対象データが"0"の場合の流出電流IBLの中間に相当する大きさとすることで実現できる。これにより、差動増幅器として動作する各オペアンプ222nからの出力に基づいて、読出対象データが"0"か"1"かを判別することができる。
特許第2513795号公報
ところで、センスアンプ回路200,210では、前述のようにビット線BLへの流出電流IBLが大きくなるに従って出力端OUTBからの出力電圧が大きく低下するので、出力電圧の電圧利得を大きくするためにセンスアンプ回路200のPMOSトランジスタ202やNMOSトランジスタ204、センスアンプ回路210のPMOSトランジスタ212,214は飽和領域を動作領域に含むことが望ましい。
ここで、センスアンプ回路200において、PMOSトランジスタ202のソース−ドレイン間電圧をVSDP、PMOSトランジスタ202の閾値電圧をVTP、NMOSトランジスタ204のドレイン−ソース間電圧をVDSN、NMOSトランジスタ204のゲート−ソース間電圧VGSN、NMOSトランジスタ204の閾値電圧をVTNとすると、センスアンプ回路200のPMOSトランジスタ202及びNMOSトランジスタ204を飽和領域で動作させることは、PMOSトランジスタ202については次の(1)式を満足し、NMOSトランジスタ204については次の(2)式を満足するように動作させることで実現できる。
SDP>Vcc−VBIASP−|VTP| …(1)
DSN>VGSN−VTN …(2)
上記の(1),(2)式より、
SDP+VDSN>Vcc−VBIASP−|VTP|+VGSN−VTN …(3)
上記の(3)式が得られる。また、PMOSトランジスタ202とNMOSトランジスタ204は電源Vccと入力端BL(ビット線BLn)の間に直列に接続されており、ビット線BLnの電圧は基準電圧VBLREFに保たれていることから、
Vcc−VBLREF=VSDP+VDSN …(4)
上記の(4)式が成り立つ。(3),(4)式より、
BLREF<VBIASP+|VTP|−VGSN+VTN …(5)
である。従って、センスアンプ回路200では(5)式を満足すればPMOSトランジスタ202及びNMOSトランジスタ204を飽和領域で動作させることができ、これは通常、バイアス電圧VBIASPなどを調整することで実現できるが、電源Vccが比較的低い電圧であったり基準電圧VBLREFが比較的高い電圧である場合は(5)式を満たすことが困難となる。その結果、PMOSトランジスタ202やNMOSトランジスタ204が飽和領域で動作できず利得が低下したり、ビット線の電圧を基準電圧VBLREFに保てない等、致命的な不具合が生じる。
また、センスアンプ回路210において、PMOSトランジスタ212のソース−ドレイン間電圧をVSDP1、PMOSトランジスタ212のソース−ゲート間電圧をVSGP1、PMOSトランジスタ214のソース−ドレイン間電圧をVSDP2、PMOSトランジスタ214のソース−ゲート間電圧をVSGP2とすると、センスアンプ回路210のPMOSトランジスタ212,214を飽和領域で動作させることは、PMOSトランジスタ212については次の(6)式を満足し、PMOSトランジスタ214については次の(7)式を満足するように動作させることで実現できる。
SDP1>Vcc−VBIASP−|VTP| …(6)
SDP2>VSGP2−|VTP| …(7)
上記の(6),(7)式より、
SDP1+VSDP2>Vcc−VBIASP−|VTP|+VSGP2−|VTP| …(8)
上記の(8)式が得られる。また、PMOSトランジスタ212,214は電源Vccと入力端BL(ビット線BLn)の間に直列に接続されており、ビット線BLnの電圧は基準電圧VBLREFに保たれていることから、
Vcc−VBLREF=VSDP1+VSDP2 …(9)
上記の(9)式が成り立つ。(8),(9)式より、
BLREF<VBIASP+2|VTP|−VSGP2 …(10)
である。従って、センスアンプ回路210では(10)式を満足すればPMOSトランジスタ212,214を飽和領域で動作させることができ、これは通常、バイアス電圧VBIASPなどを調整することで実現できるが、センスアンプ回路200と同様、電源Vccが比較的低い電圧であったり基準電圧VBLREFが比較的高い電圧である場合は(10)式を満たすことが困難となる。その結果、PMOSトランジスタ212,214が飽和領域で動作できず利得が低下したり、ビット線BLの電圧を基準電圧VBLREFに保てない等、致命的な不具合が生じる。
本発明は上記事実を考慮して成されたもので、利得が低下することなく入力端の電圧を基準電圧に保ってメモリセルからデータを読み出すことを、電源電圧がより低い、或いは入力端の基準電圧がより高い条件でも実現できるデータ読出回路及び半導体記憶装置を得ることが目的である。
上記目的を達成するために請求項1記載の発明に係るデータ読出回路は、ソースが電源に接続され、データ読出対象のメモリセルが接続される入力端にドレインが接続され、ゲートに第1バイアス電圧が供給され、飽和領域で動作するように構成された第1PMOSトランジスタと、ソースが前記第1PMOSトランジスタのドレインに接続され、ドレインが出力端に接続され、ゲートに第2バイアス電圧が供給される第2PMOSトランジスタと、ドレインが前記第2PMOSトランジスタのドレインに接続され、ソースが接地され、ゲートに第3バイアス電圧が供給される第1NMOSトランジスタと、前記第2PMOSトランジスタを飽和領域で動作させ、かつ前記第1PMOSトランジスタのドレインと前記第2PMOSトランジスタのソースとの接続点が前記入力端の基準電圧に保たれるように調整された第2バイアス電圧を第2PMOSトランジスタのゲートに供給するバイアス電圧供給部と、を含んで構成されている。
請求項2記載の発明は、請求項1記載の発明において、前記バイアス電圧供給部は、前記入力端の基準電圧VBLREFがソースに供給され、ゲートが前記第2PMOSトランジスタのゲートに接続されると共にドレインと短絡された第3PMOSトランジスタと、前記第3PMOSトランジスタのドレインに接続された定電流源と、を備え、前記第2PMOSトランジスタと前記第3PMOSトランジスタに電流ミラーが成り立ち、前記第1PMOSトランジスタの閾値電圧をVTP、前記第1バイアス電圧をVBIASPとしたときに、
BLREF<VBIASP+|VTP|
が成り立つ第2バイアス電圧を前記第2PMOSトランジスタのゲートに供給するように構成されている。
請求項3記載の発明に係るデータ読出回路は、ソースが電源に接続され、ゲートに第1バイアス電圧が供給され、線形領域で動作するように構成された第1PMOSトランジスタと、ソースが前記第1PMOSトランジスタのドレインに接続され、ゲートに第2バイアス電圧が供給され、ドレインが出力端に接続され、飽和領域で動作するように構成された第2PMOSトランジスタと、ドレインが前記第2PMOSトランジスタのドレインに接続され、ソースが接地され、ゲートに第3バイアス電圧が供給され、飽和領域で動作するように構成された第1NMOSトランジスタと、ソースが前記第1PMOSトランジスタのドレインに接続され、データ読出対象のメモリセルが接続される入力端にドレインが接続された第4PMOSトランジスタと、前記入力端の基準電圧が入力され、前記第4PMOSトランジスタのドレインが前記入力端の基準電圧に保たれるように前記第4PMOSトランジスタに接続された差動増幅部と、を含んで構成されている。
請求項4記載の発明に係るデータ読出回路は、ソースが電源に接続され、ゲートに第1バイアス電圧が供給され、線形領域で動作するように構成された第1PMOSトランジスタと、ソースが前記第1PMOSトランジスタのドレインに接続され、ゲートに第2バイアス電圧が供給され、ドレインが出力端に接続され、飽和領域で動作するように構成された第2PMOSトランジスタと、ドレインが前記第2PMOSトランジスタのドレインに接続され、ソースが接地され、ゲートに第3バイアス電圧が供給され、飽和領域で動作するように構成された第1NMOSトランジスタと、ドレインが前記第1PMOSトランジスタのドレインに接続され、データ読出対象のメモリセルが接続される入力端にソースが接続された第2NMOSトランジスタと、前記入力端の基準電圧が入力され、前記第2NMOSトランジスタのソースが前記入力端の基準電圧に保たれるように前記第2NMOSトランジスタに接続された差動増幅部と、を含んで構成されている。
請求項5記載の発明は、請求項3又は請求項4記載の発明において、第1PMOSトランジスタの閾値電圧をVTP、前記第1バイアス電圧をVBIASP、前記第1PMOSトランジスタのドレインと前記第2PMOSトランジスタのソースが接続されたノードBLAの電圧をVBLAとしたときに、
BLA>VBIASP+|VTP|
が成り立つ前記第1バイアス電圧が前記第1PMOSトランジスタに供給される。
請求項6記載の発明は、請求項3〜請求項5の何れかに記載の発明において、前記第1PMOSトランジスタのゲートが前記出力端に接続されている。
請求項7記載の発明は、請求項3〜請求項5の何れかに記載の発明において、前記第1PMOSトランジスタ及び前記第2PMOSトランジスタのゲートが前記出力端に接続されている。
請求項8記載の発明に係る半導体記憶装置は、データを保持可能なメモリセルが複数設けられたメモリセルアレイと、第1入力端に入力された第1電圧と第2入力端に入力された第2電圧を比較し、比較結果を出力する比較回路と、請求項1〜請求項6の何れか1項記載のデータ読出回路から成り、前記入力端がデータ読出対象のメモリセルに接続され、前記出力端が前記比較回路の前記第1入力端に接続されたデータ読出部と、請求項1〜請求項6の何れか1項記載のデータ読出回路から成り、前記出力端が前記比較回路の前記第2入力端に接続された参照電圧供給部と、を備えている。
請求項9記載の発明に係る半導体記憶装置は、データを保持可能なメモリセルが複数設けられたメモリセルアレイと、第1入力端に入力された第1電圧と第2入力端に入力された第2電圧を比較し、比較結果を出力する比較回路と、請求項3〜請求項6の何れか1項記載のデータ読出回路から成り、前記入力端がデータ読出対象のメモリセルに接続され、前記出力端が前記比較回路の前記第1入力端に接続されたデータ読出部と、請求項7記載のデータ読出回路から成り、前記出力端が前記比較回路の前記第2入力端及び前記データ読出回路の前記第2PMOSトランジスタのゲートに各々接続された参照電圧供給部と、を備えている。
本発明は、利得が低下することなく入力端の電圧を基準電圧に保ってメモリセルからデータを読み出すことを、電源電圧がより低い、或いは入力端の基準電圧がより高い条件でも実現できる、という優れた効果を有する。
以下、図面を参照して本発明の実施形態の一例を詳細に説明する。
〔第1実施形態〕
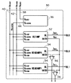
図3には本実施形態に係るMOS型半導体記憶装置10が示されている。MOS型半導体記憶装置10は、多数個のメモリセル14がマトリクス状に配列されると共に、メモリセル14の行方向に沿って延びるワード線16が複数本配設され、更にメモリセル14の列方向に沿って延びるビット線18及びソース線20も各々複数本配設された構成のメモリセルアレイ12を備えている。
図3では、一部のメモリセル14についてのみドレインを"D"、ソースを"S"、ゲートを"G"と表記して示すが、この表記からも明らかなように、個々のメモリセル14は、行方向に沿って隣合う一対のメモリセル14のうちの一方のメモリセル14とドレイン同士が接続されていると共に、前記一対のメモリセル14のうちの他方のメモリセル14とソース同士が接続されている。隣合うメモリセル14のドレイン同士を接続するノードには複数本のビット線18のうちの何れかが各々接続されており、隣合うメモリセル14のソース同士を接続するノードには複数本のソース線20のうちの何れかが各々接続されている。また図3に示すように、行方向に沿って並ぶ複数のメモリセル14のゲートが複数本のワード線16のうちの同一のワード線16に接続されるように、個々のメモリセル14のゲートがワード線16に各々接続されている。
メモリセルアレイ12に配設された複数本のワード線16はロウデコーダ22に各々接続されている。ロウデコーダ22にはメモリセルアレイ12からのデータ読出時にデータ読出対象のメモリセル14の行アドレスが外部から入力され、ロウデコーダ22は、複数本のワード線16のうち入力された行アドレスに対応する単一のワード線16に選択電圧を供給する。また、メモリセルアレイ12に配設された複数本のソース線20は、複数設けられたマルチプレクサ24のうちの何れかのマルチプレクサ24の入力端に各々接続されている。各マルチプレクサ24は出力端が接地端子に各々接続されており、メモリセルアレイ12からのデータ読出時に外部から入力される選択信号に従い、データ読出対象のメモリセル14のソースに接続されたソース線20を接地端子に接続させる。また、メモリセルアレイ12に配設された複数本のビット線18は複数設けられたマルチプレクサ26のうちの何れかのマルチプレクサ26の入力端に各々接続されている。各マルチプレクサ26は出力端がアンプブロック回路30のビット線接続端BLnに接続されており、メモリセルアレイ12からのデータ読出時に外部から入力される選択信号に従い、データ読出対象のメモリセル14のドレインに接続されたビット線18をアンプブロック回路30のビット線接続端BLnに接続させる。
詳細は後述するが、アンプブロック回路30は、メモリセルアレイ12からのデータ読出時に、ビット線接続端BLnに接続されたビット線18に一定電圧を供給する。従って、メモリセルアレイ12からのデータ読出時には、データ読出対象のメモリセル14は、ゲートに選択電圧(例えば5V程度)が与えられ、ソースが接地電位(例えば0V)とされ、ドレインに一定電圧(例えば1.2V程度)が与えられ、これに伴ってデータ読出対象のメモリセル14のドレイン−ソース間に電流(後述する流出電流IBL)が流れる。
この電流の大きさはデータ読出対象のメモリセル14のフローティングゲート内に過剰電子が存在しているか否かに応じて相違し、フローティングゲートに過剰電子が存在していない場合(すなわちデータ読出対象のメモリセル14に保持されている読出対象データが"1"の場合)には、フローティングゲートに過剰電子が存在している場合(すなわちデータ読出対象のメモリセル14に保持されている読出対象データが"0"の場合)よりも上記電流の大きさが大きくなる。このため、アンプブロック回路30は、メモリセルアレイ12からのデータ読出時に、ビット線接続端BLnに接続されたビット線18を流れる電流(流出電流IBL)の大きさに基づいて、データ読出対象のメモリセル14に保持されている読出対象データが"0"か"1"かを判定している。
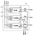
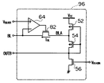
次にアンプブロック回路30の説明に先立ち、アンプブロック回路30を構成するセンスアンプ回路50及び電圧生成回路36を説明する。本第1実施形態に係るセンスアンプ回路50は電流ソース型のセンスアンプ回路であり、図1(A)に示すように、ソースが電源Vccに接続されゲートが第1バイアス電圧入力端に接続されドレインが入力端BLに接続されたPMOSトランジスタ52を備えている。PMOSトランジスタ52のゲートには第1バイアス電圧入力端を介してバイアス電圧VBIASPが供給される。なお、本第1実施形態ではPMOSトランジスタ52が飽和領域で動作するように、バイアス電圧VBIASPの大きさやPMOSトランジスタ52の特性が調整されている。
また、PMOSトランジスタ52のドレインにはPMOSトランジスタ54のソースが接続されており、PMOSトランジスタ54は、ゲートが第2バイアス電圧入力端に接続され、ドレインが出力端OUTBに接続されている。PMOSトランジスタ54のゲートには第2バイアス電圧入力端を介してバイアス電圧VBIASPBRが供給される。本第1実施形態ではPMOSトランジスタ54が飽和領域で動作すると共に、PMOSトランジスタ54のソース−ドレイン間の電流ISDを規定する次の(11)式において(但し、VSGPはPMOSトランジスタ54のソース−ドレイン間電圧、VTPはPMOSトランジスタ54の閾値電圧、Kはトランスコンダクタンス係数)、
SD=K(VSGP−|VTP|) …(11)
トランスコンダクタンス係数Kの値が所定値以上になるように、バイアス電圧VBIASPBRの大きさやPMOSトランジスタ54の特性が調整されている。
また、PMOSトランジスタ54のドレインにはNMOSトランジスタ56のドレインが接続されており、NMOSトランジスタ56は、ゲートが第3バイアス電圧入力端に接続され、ソースが接地端子に接続されている。NMOSトランジスタ56のゲートには第3バイアス電圧入力端を介してバイアス電圧VBIASNが供給される。本第1実施形態では、NMOSトランジスタ56が線形領域で動作するようにバイアス電圧VBIASNの大きさやNMOSトランジスタ56の特性が調整されている。
また、図1(B)に示すように、本第1実施形態に係る電圧生成回路36は、ドレインが基準電圧入力端に接続されたPMOSトランジスタ58を備えており、このPMOSトランジスタ58は、ゲートがバイアス電圧出力端に接続され、ドレインがゲートに接続されていると共に、一定電流IBIASPBRを発生する定電流源59に接続されている。
図2に示すように、本第1実施形態に係るアンプブロック回路30は、各々センスアンプ回路50によって構成される単一の参照用センスアンプ回路32及び複数の読出用センスアンプ回路34を各々備えると共に、電圧生成回路36も備えている。電圧生成回路36の基準電圧入力端は基準電圧供給線38に接続されており、図示しない外部回路から基準電圧供給線38を介して基準電圧VBLREFが供給される。
また、参照用センスアンプ回路32及び個々の読出用センスアンプ回路34の第1バイアス電圧入力端は第1バイアス電圧供給線40に各々接続されており、図示しない外部回路から第1バイアス電圧供給線40を介してバイアス電圧VBIASPが各々供給される(このバイアス電圧VBIASPは、参照用センスアンプ回路32及び個々の読出用センスアンプ回路34を構成するセンスアンプ回路50のPMOSトランジスタ52のゲートに各々供給される)。また、参照用センスアンプ回路32及び個々の読出用センスアンプ回路34の第3バイアス電圧入力端は第3バイアス電圧供給線42に各々接続されており、図示しない外部回路から第3バイアス電圧供給線42を介してバイアス電圧VBIASNが各々供給される(このバイアス電圧VBIASNは、参照用センスアンプ回路32及び個々の読出用センスアンプ回路34を構成するセンスアンプ回路50のNMOSトランジスタ56のゲートに各々供給される)。
また、参照用センスアンプ回路32及び個々の読出用センスアンプ回路34の第2バイアス電圧入力端は第2バイアス電圧供給線44に各々接続されており、この第2バイアス電圧供給線44は電圧生成回路36のバイアス電圧出力端に接続されている。参照用センスアンプ回路32及び個々の読出用センスアンプ回路34の第2バイアス電圧入力端には、電圧生成回路36から第2バイアス電圧供給線44を介してバイアス電圧VBIASPBRが各々供給される(このバイアス電圧VBIASPBRは、参照用センスアンプ回路32及び個々の読出用センスアンプ回路34を構成するセンスアンプ回路50のPMOSトランジスタ54のゲートに各々供給される)。
また、個々の読出用センスアンプ回路34の入力端BLは、複数のマルチプレクサ26のうち互いに異なるマルチプレクサ26の出力端に接続されている。従って、メモリセルアレイ12からのデータ読出時には、個々の読出用センスアンプ回路34の入力端BLには、マルチプレクサ26を介して個々の読出用センスアンプ回路34と接続されたデータ読出対象のメモリセル14に保持されている読出対象データの値("0"又は"1")に応じた大きさの流出電流IBLnが流れる。一方、参照用センスアンプ回路32の入力端BLは、図3に示すように、メモリセルアレイ12の特定メモリセル14のドレインに固定的に接続されている。この特定メモリセル14はソースが接地されており、メモリセルアレイ12からのデータ読出時には、参照用センスアンプ回路32の入力端BLに一定の流出電流(基準流出電流IBLR)が流れる。
更に、アンプブロック回路30は読出用センスアンプ回路34と同数のオペアンプ46を備えており、個々の読出用センスアンプ回路34の出力端OUTBは、互いに異なるオペアンプ46の反転入力端に接続されている。また、参照用センスアンプ回路32の出力端OUTBは個々のオペアンプ46の非反転入力端に各々接続されており、個々のオペアンプ46の非反転入力端には参照用センスアンプ回路32の出力端OUTBから出力された基準電圧VREFが各々供給される。
なお、センスアンプ回路50及び電圧生成回路36は請求項1記載のデータ読出回路に対応しており、詳しくは、センスアンプ回路50のPMOSトランジスタ52は請求項1に記載の第1PMOSトランジスタに、PMOSトランジスタ54は請求項1に記載の第2PMOSトランジスタに、NMOSトランジスタ56は請求項1に記載の第1NMOSトランジスタに、電圧生成回路36は請求項1(より詳しくは請求項2)に記載のバイアス電圧供給部に各々対応している。また、PMOSトランジスタ52のゲートに供給されるバイアス電圧VBIASPは請求項1に記載の第1バイアス電圧に、PMOSトランジスタ54のゲートに供給されるバイアス電圧VBIASPBRは請求項1に記載の第2バイアス電圧に、NMOSトランジスタ56のゲートに供給されるバイアス電圧VBIASNは請求項1に記載の第3バイアス電圧に各々対応している。更に、電圧生成回路36のPMOSトランジスタ58は請求項2に記載の第3PMOSトランジスタに、定電流源59は請求項2に記載の定電流源に各々対応している。
また、本第1実施形態に係るアンプブロック回路30を含むMOS型半導体記憶装置10は請求項8に記載の半導体記憶装置に対応しており、メモリセルアレイ12が請求項8に記載のメモリセルアレイに、オペアンプ46が請求項8に記載の比較回路に、センスアンプ回路50から成る読出用センスアンプ回路34が請求項8に記載のデータ読出部に、同じくセンスアンプ回路50から成る参照用センスアンプ回路32が請求項8に記載の参照電圧供給部に各々対応している。
次に本第1実施形態の作用として、メモリセルアレイ12からのデータ読出時の、センスアンプ回路50及び電圧生成回路36の動作を説明する。参照用センスアンプ回路32及び個々の読出用センスアンプ回路34を構成する個々のセンスアンプ回路50は、入力端BLがメモリセル14のドレインに接続されるので、メモリセル14からデータを読み出すためには、個々のセンスアンプ回路50の入力端BLを基準電圧VBLREFに保ち、個々のセンスアンプ回路50に接続されたメモリセル14のドレインに基準電圧VBLREFを与える必要がある。これに対して本第1実施形態では、個々のセンスアンプ回路50における流出電流IBLn=0のときに、電圧生成回路36のPMOSトランジスタ58と個々のセンスアンプ回路50のPMOSトランジスタ54に電流ミラーが成り立つように、電圧生成回路36の定電流源59が発生する一定電流IBIASPBRの大きさや、電圧生成回路36のPMOSトランジスタ58の特性が調整されている。これにより、電圧生成回路36のPMOSトランジスタ58と個々のセンスアンプ回路50のPMOSトランジスタ54に電流ミラーが成り立ち、個々のセンスアンプ回路50における流出電流IBLn=0のときの入力端BLの電圧は基準電圧VBLREFに等しくなる。
ここで、データ読出対象のメモリセル14からの読出対象データの読出しが開始され、読出用センスアンプ回路34(を構成する個々のセンスアンプ回路50)の入力端BLに流出電流IBLが流れると、読出用センスアンプ回路34の入力端BLの電圧は、例として図4(B)に"BL"と表記して示すように基準電圧VBLREFから僅かに低下する。ここで、流出電流IBLが流れても読出用センスアンプ回路34の入力端BLの電圧の低下量が僅かであるのは、PMOSトランジスタ54のトランスコンダクタンス係数Kが所定値以上であるためである。PMOSトランジスタ52は飽和領域で動作しているため、入力端BLの電圧が僅かに低下してもPMOSトランジスタ52のソース−ドレイン間電流ISDPは変化しない。
一方、PMOSトランジスタ54のトランスコンダクタンス係数Kが所定値以上であるため、流出電流IBLが流れて入力端BLの電圧が基準電圧VBLREFから僅かに低下すると、PMOSトランジスタ54のソース−ドレイン間電流ISDPは流出電流IBL分減少する。また、NMOSトランジスタ56のドレイン−ソース間電流IDSNも流出電流IBL分減少し、出力端OUTBからの出力電圧が低下する。従って、出力端OUTBからの出力電圧の低下量は流出電流IBLの大きさに応じて変化し、図4(A)に示すように、読出対象データが"1"の場合には読出対象データが"0"の場合よりも流出電流IBLが大きくなるので、読出対象データが"1"か"0"かに応じてPMOSトランジスタ54のソース−ドレイン間電流ISDP及びNMOSトランジスタ56のドレイン−ソース間電流IDSNの減少量が相違することで、出力端OUTBからの出力電圧の低下量も読出対象データが"1"か"0"かに応じて明確に相違する。
アンプブロック回路30の参照用センスアンプ回路32は、例として図4(B)に示すように、出力端OUTBからの出力電圧(各オペアンプ46に供給する基準電圧VREF)が、読出対象データが"0"の場合に流出電流IBLの大きさに応じて低下した後の出力電圧と、読出対象データが"1"の場合の流出電流IBLの大きさに応じて低下した後の出力電圧の中間に相当する大きさとなるように構成されている。
上記のように、基準電圧VREFを前記中間に相当する大きさとすることは、例えば参照用センスアンプ回路32の入力端BLを流れる基準流出電流IBLRが、読出対象データが"1"の場合の流出電流IBLと読出対象データが"0"の場合の流出電流IBLの中間に相当する大きさとなるように、参照用センスアンプ回路32に接続された特定メモリセル14のフローティングゲート内の電子を調節することで実現できる。これにより、差動増幅器として動作する各オペアンプ46からの出力に基づいて、読出対象データが"0"か"1"かを判別することができる。
次に、本第1実施形態に係るセンスアンプ回路50の動作条件について説明する。PMOSトランジスタ54に着目し、PMOSトランジスタ52を飽和領域で動作させるためのバイアス電圧VBIASPの条件を求めると、PMOSトランジスタ52の閾値電圧をVTPとした場合、
BLREF<VBIASP+|VTP| …(12)
となる。このため、本第1実施形態では(12)式を満たすようにセンスアンプ回路50に供給するバイアス電圧VBIASPなどが調整されている。図15に示したセンスアンプ回路でMOSトランジスタを飽和領域で動作させるためには先の(5)式又は(10)式を満たす必要があるが、本第1実施形態に係るセンスアンプ回路50では、上記の(12)式を満たせばPMOSトランジスタ54(及びPMOSトランジスタ52)を飽和領域で動作させることができ、入力端BLの電圧を基準電圧VBLREFに保ち、流出電流IBLに応じて変化する出力電圧から読出対象データが"0"か"1"かを判別することができる。
(12)式を(5)式と比較しても明らかなように、本第1実施形態に係るセンスアンプ回路50は、図15(A)に示したセンスアンプ回路200と比較して"VGSN−VTN"だけバイアス電圧VBIASPの条件が緩和されている。また、(12)式を(10)式と比較しても明らかなように、本第1実施形態に係るセンスアンプ回路50は、図15(B)に示したセンスアンプ回路210と比較して"VSGP−|VTP|"だけバイアス電圧VBIASPの条件が緩和されている。従って、本第1実施形態に係るセンスアンプ回路50は、従来のセンスアンプ回路200,210と比較してそれぞれ"VGSN−VTN"、"VSGP−|VTP|"だけ電源Vccの電圧が低下したり、基準電圧VBLREFが高くなったとしても、PMOSトランジスタ52,54が線形領域で動作してしまうことで利得が低下することなく、入力端BLの電圧をVBLREFに保つことができる。
〔第2実施形態〕
次に本発明の第2実施形態について説明する。なお、第1実施形態と同一の部分には同一の符号を付し、説明を省略する。
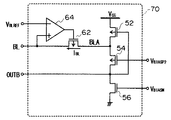
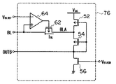
図5に示すように、本第2実施形態に係るセンスアンプ回路60は、第1実施形態で説明したセンスアンプ回路50に対してPMOSトランジスタ62及びオペアンプ64が追加されている。PMOSトランジスタ62は、PMOSトランジスタ52のドレイン(PMOSトランジスタ54のソース)と入力端BLの間に設けられており、ソースがPMOSトランジスタ52のドレイン(PMOSトランジスタ54のソース)に接続され(この接続点をノードBLAと称する)、ドレインが入力端BLに接続されている。またオペアンプ64は、基準電圧VBLREFが供給される基準電圧入力端に反転入力端が接続され、非反転入力端が入力端BLに接続され、出力端がPMOSトランジスタ62のゲートに接続されている。
また図6に示すように、本第2実施形態に係るアンプブロック回路66は、第1実施形態で説明したアンプブロック回路30に対し、電圧生成回路36が省略され、単一の参照用センスアンプ回路32及び複数の読出用センスアンプ回路34が上述したセンスアンプ回路60で各々構成されている点で相違している。
単一の参照用センスアンプ回路32及び複数の読出用センスアンプ回路34を構成する個々のセンスアンプ回路60は、PMOSトランジスタ54のゲートに接続される第2バイアス電圧入力端が第2バイアス電圧供給線44に接続されているが、この第2バイアス電圧供給線44は第1実施形態のように電圧生成回路36には接続されておらず、図示しない外部回路に接続されている。第2バイアス電圧供給線44が接続された外部回路は第2バイアス電圧供給線44を介してバイアス電圧VBIASP2を供給し、このバイアス電圧VBIASP2は個々のセンスアンプ回路60のPMOSトランジスタ54のゲートに各々供給される。また、個々のセンスアンプ回路60のオペアンプ64の反転入力端に接続された個々のセンスアンプ回路60の基準電圧入力端は、基準電圧供給線38を介して図示しない外部回路に接続されており、当該外部回路は基準電圧供給線38を介して基準電圧VBLREFを供給し、この基準電圧VBLREFは個々のセンスアンプ回路60のオペアンプ64の反転入力端に各々供給される。
本第2実施形態に係るセンスアンプ回路60では、PMOSトランジスタ52が線形領域で動作するように、PMOSトランジスタ52のゲートに供給されるバイアス電圧VBIASPの大きさやPMOSトランジスタ52の特性が調整されている。また、PMOSトランジスタ54が飽和領域で動作するように、PMOSトランジスタ54のゲートに供給されるバイアス電圧VBIASP2の大きさやPMOSトランジスタ54の特性が調整されている。また、NMOSトランジスタ56が飽和領域で動作するように、NMOSトランジスタ56のゲートに供給されるバイアス電圧VBIASNの大きさやNMOSトランジスタ56の特性が調整されている。
なお、センスアンプ回路60は請求項3記載のデータ読出回路に対応しており、詳しくは、センスアンプ回路60のPMOSトランジスタ52は請求項3に記載の第1PMOSトランジスタに、PMOSトランジスタ54は請求項3に記載の第2PMOSトランジスタに、NMOSトランジスタ56は請求項3に記載の第1NMOSトランジスタに、PMOSトランジスタ62は請求項3に記載の第4PMOSトランジスタに、オペアンプ64は請求項3に記載の差動増幅部に各々対応している。また、PMOSトランジスタ52のゲートに供給されるバイアス電圧VBIASPは請求項3(より詳しくは請求項5)に記載の第1バイアス電圧に、PMOSトランジスタ54のゲートに供給されるバイアス電圧VBIASP2は請求項3に記載の第2バイアス電圧に、NMOSトランジスタ56のゲートに供給されるバイアス電圧VBIASNは請求項3に記載の第3バイアス電圧に各々対応している。
また、本第2実施形態に係るアンプブロック回路66を含むMOS型半導体記憶装置10も請求項8に記載の半導体記憶装置に対応しており、メモリセルアレイ12が請求項8に記載のメモリセルアレイに、オペアンプ46が請求項8に記載の比較回路に、センスアンプ回路60から成る読出用センスアンプ回路34が請求項8に記載のデータ読出部に、同じくセンスアンプ回路60から成る参照用センスアンプ回路32が請求項8に記載の参照電圧供給部に各々対応している。
次に本第2実施形態の作用として、本第2実施形態に係るセンスアンプ回路60の動作を説明する。メモリセル14からデータを読み出すためには、個々のセンスアンプ回路60の入力端BLを基準電圧VBLREFに保ち、データ読出対象のメモリセル14のドレインに基準電圧VBLREFを与える必要がある。これに対して本第2実施形態では、個々のセンスアンプ回路60のオペアンプ64が、図15に示すセンスアンプ回路200,210のオペアンプ206,216と同様に差動増幅器として動作することで、入力端BLの電圧が基準電圧VBLREFに保たれデータ読出対象のメモリセル14のドレインに基準電圧VBLREFが与えられる。
ここで、データ読出対象のメモリセル14からの読出対象データの読出しが開始され、読出用センスアンプ回路34(を構成する個々のセンスアンプ回路60)の入力端BLに流出電流IBLが流れると、個々のセンスアンプ回路60のノードBLAの電圧は、例として図7(B)に"BLA"と表記して示すように基準電圧VBLREFから僅かに低下する。一方、PMOSトランジスタ54、NMOSトランジスタ56が飽和領域で動作しているため、PMOSトランジスタ54のソース−ドレイン間電流ISDP、NMOSトランジスタ56のドレイン−ソース間電流IDSNは、ノードBLAの電圧が僅かに低下しても殆ど変化しない。また、PMOSトランジスタ54はゲート接地増幅回路として作用するため、ノードBLAの電圧が僅かに低下すると出力端OUTBの電圧は比較的大きく低下する。
結果として、出力端OUTBからの出力電圧の低下量は流出電流IBLの大きさに応じて変化し、図7(A)に示すように、読出対象データが"1"の場合には読出対象データが"0"の場合よりも流出電流IBLが大きくなるので、読出対象データが"1"か"0"かに応じて出力端OUTBからの出力電圧の低下量は読出対象データが"1"か"0"かに応じて明確に相違する。本第2実施形態に係る参照用センスアンプ回路32(を構成するセンスアンプ回路60)は、第1実施形態と同様に、出力端OUTBからの出力電圧(各オペアンプ46に供給する基準電圧VREF)が、読出対象データが"0"の場合に流出電流IBLの大きさに応じて低下した後の出力電圧と、読出対象データが"1"の場合の流出電流IBLの大きさに応じて低下した後の出力電圧の中間に相当する大きさとなるように構成されている(図7(B)参照)ので、差動増幅器として動作する各オペアンプ46からの出力に基づいて、読出対象データが"0"か"1"かを判別することができる。
次に、本第2実施形態に係るセンスアンプ回路60の動作条件について説明する。PMOSトランジスタ52に着目し、PMOSトランジスタ52を線形領域で動作させるためのノードBLAの電圧VBLAの条件を求めると、PMOSトランジスタ52の閾値電圧をVTPとした場合、
BLA>VBIASP+|VTP| …(13)
となる。このため、本第2実施形態では(13)式を満たすようにセンスアンプ回路60に供給するバイアス電圧VBIASPなどが調整されている。上記の(13)式を、図15(A)に示すセンスアンプ回路200の動作条件である先の(5)式や、図15(B)に示すセンスアンプ回路210の動作条件である先の(10)式、第1実施形態で説明したセンスアンプ回路50の動作条件である先の(12)式と比較しても明らかなように、本第2実施形態に係るセンスアンプ回路60の動作条件である(13)式では基準電圧VBLREFの上限が規定(制限)されない。従って、本第2実施形態に係るセンスアンプ回路60は、図15(A)に示すセンスアンプ回路200や図15(B)に示すセンスアンプ回路210のみならず、第1実施形態で説明したセンスアンプ回路50と比較した場合にも、利得が低下することなく入力端BLの電圧をVBLREFに保持できる状態を、電源Vccの電圧がより低下したり、基準電圧VBLREFがより高くなった場合にも維持することができる、という効果を有する。
また、本第2実施形態に係るセンスアンプ回路60は、第1実施形態で説明したセンスアンプ回路50のようにPMOSトランジスタ54のトランスコンダクタンス係数Kの値が所定値以上になるようにPMOSトランジスタ54の特性を調整する必要もないので、回路設計の自由度を向上させることができ、PMOSトランジスタ54を高速に動作するように設計することも容易になる、という利点も有する。
〔第3実施形態〕
次に本発明の第3実施形態について説明する。なお、第1実施形態及び第2実施形態と同一の部分には同一の符号を付し、説明を省略する。
図8に示すように、本第3実施形態に係るセンスアンプ回路70は、第2実施形態で説明したセンスアンプ回路60に対し、第1バイアス電圧入力端子が省略され、PMOSトランジスタ52のゲートが出力端OUTBに接続されている点で相違している。また、図9に示すように、本第3実施形態に係るアンプブロック回路72は、第2実施形態で説明したアンプブロック回路66に対し、単一の参照用センスアンプ回路32及び複数の読出用センスアンプ回路34が上記のセンスアンプ回路70で各々構成され、第1バイアス電圧供給線40が省略されている点で相違している。
なお、センスアンプ回路70は請求項3(より詳しくは請求項6)に記載のデータ読出回路に対応しており、詳しくは、センスアンプ回路70のPMOSトランジスタ52は請求項3(より詳しくは請求項6)に記載の第1PMOSトランジスタに、PMOSトランジスタ54は請求項3に記載の第2PMOSトランジスタに、NMOSトランジスタ56は請求項3に記載の第1NMOSトランジスタに、PMOSトランジスタ62は請求項3に記載の第4PMOSトランジスタに、オペアンプ64は請求項3に記載の差動増幅部に各々対応している。また、本第3実施形態に係るアンプブロック回路72を含むMOS型半導体記憶装置10も請求項8に記載の半導体記憶装置に対応しており、メモリセルアレイ12が請求項8に記載のメモリセルアレイに、オペアンプ46が請求項8に記載の比較回路に、センスアンプ回路70から成る読出用センスアンプ回路34が請求項8に記載のデータ読出部に、同じくセンスアンプ回路70から成る参照用センスアンプ回路32が請求項8に記載の参照電圧供給部に各々対応している。
次に本第3実施形態の作用として、本第3実施形態に係るセンスアンプ回路70の動作について、第2実施形態で説明したセンスアンプ回路60と異なる部分のみ説明する。本第3実施形態に係るセンスアンプ回路70はPMOSトランジスタ52のゲートが出力端OUTBに接続されているため、PMOSトランジスタ52がゲート接地増幅回路として作用すると共に、出力端OUTBからの出力電圧の変化に伴ってPMOSトランジスタ52のオン抵抗も変化する。すなわち、出力端OUTBからの出力電圧が低下するとPMOSトランジスタ52のオン抵抗が小さくなり、ノードBLAの電圧が高くなる。また、出力端OUTBからの出力電圧が高くなるとPMOSトランジスタ52のオン抵抗が大きくなり、ノードBLAの電圧が低下する。これらの動作は、PMOSトランジスタ52から成るゲート接地増幅回路に対するフィードバック動作であり、回路動作の安定性が向上する。
また、出力端OUTBからの出力電圧は差動増幅器として動作するオペアンプ46の反転入力端に入力されるが、出力端OUTBがPMOSトランジスタ52のゲートに接続されていることで、出力端OUTBからの出力電圧は、PMOSトランジスタ52がオンする電圧、すなわち、電源電圧をVcc、出力端OUTBからの出力電圧をVOUTB、PMOSトランジスタ52の閾値電圧をVTPとすると、
Vcc−VOUTB>|VTP|
を満たす電圧へ自動的に調整され、オペアンプ46から成る差動増幅器の動作を保障することができる。これにより、差動増幅器の動作を保障できるように設定したバイアス電圧VBIASPを生成してPMOSトランジスタ52のゲートに供給する外部回路が不要となるため、第2実施形態で説明したセンスアンプ回路60と比較して周辺回路の構成の簡略化を実現できる。
〔第4実施形態〕
次に本発明の第4実施形態について説明する。なお、第1実施形態〜第3実施形態と同一の部分には同一の符号を付し、説明を省略する。
図10に示すように、本第4実施形態に係るセンスアンプ回路76は、第3実施形態で説明したセンスアンプ回路70に対し、第2バイアス電圧入力端子が省略され、PMOSトランジスタ52のゲートに加えて、PMOSトランジスタ54のゲートも出力端OUTBに接続されている点で相違している。また、図11に示すように、本第4実施形態に係るアンプブロック回路78は、第3実施形態で説明したアンプブロック回路72に対し、単一の参照用センスアンプ回路32が上記のセンスアンプ回路76で構成されている(複数の読出用センスアンプ回路34については、アンプブロック回路72と同様に第3実施形態で説明したセンスアンプ回路70で構成されている)と共に、個々の読出用センスアンプ回路34の第2バイアス電圧入力端に各々接続された第2バイアス電圧供給線44が、参照用センスアンプ回路32の出力端OUTBに接続され、参照用センスアンプ回路32から出力された基準電圧VREFが個々の読出用センスアンプ回路34のPMOSトランジスタ54のゲートにバイアス電圧VBIASP2として供給される点で相違している。
なお、センスアンプ回路76は請求項3(より詳しくは請求項7)に記載のデータ読出回路に対応しており、詳しくは、センスアンプ回路76のPMOSトランジスタ52は請求項3(より詳しくは請求項7)に記載の第1PMOSトランジスタに、PMOSトランジスタ54は請求項3(より詳しくは請求項7)に記載の第2PMOSトランジスタに、NMOSトランジスタ56は請求項3に記載の第1NMOSトランジスタに、PMOSトランジスタ62は請求項3に記載の第4PMOSトランジスタに、オペアンプ64は請求項3に記載の差動増幅部に各々対応している。また、本第3実施形態に係るアンプブロック回路78を含むMOS型半導体記憶装置10は請求項9に記載の半導体記憶装置に対応しており、メモリセルアレイ12が請求項9に記載のメモリセルアレイに、オペアンプ46が請求項9に記載の比較回路に、センスアンプ回路70から成る読出用センスアンプ回路34が請求項9に記載のデータ読出部に、センスアンプ回路76から成る参照用センスアンプ回路32が請求項9に記載の参照電圧供給部に各々対応している。
次に本第4実施形態の作用を説明する。本第4実施形態に係るセンスアンプ回路76では、PMOSトランジスタ54のゲートが出力端OUTBに接続されており、出力端OUTBからの出力電圧がPMOSトランジスタ54のゲートに供給されることで、PMOSトランジスタ54が飽和領域で動作することを保障することができる。また、本第4実施形態では参照用センスアンプ回路32を上記のセンスアンプ回路76で構成しており、参照用センスアンプ回路32(センスアンプ回路76)から出力された基準電圧VREFを、個々の読出用センスアンプ回路34にバイアス電圧VBIASP2として供給しているため、バイアス電圧VBIASP2を供給する外部回路が不要となり、周辺回路の構成の簡略化を実現できる。
なお、第4実施形態では、請求項9に記載のデータ読出部に相当する読出用センスアンプ回路34として、第3実施形態で説明したセンスアンプ回路70を適用した態様を説明したが、これに限定されるものではなく、第2実施形態で説明したセンスアンプ回路66を読出用センスアンプ回路34として適用してもよい。
〔第5実施形態〕
次に本発明の第5実施形態について説明する。なお、第2実施形態と同一の部分には同一の符号を付し、説明を省略する。
図12に示すように、本第5実施形態に係るセンスアンプ回路80は、第2実施形態で説明したセンスアンプ回路60におけるPMOSトランジスタ62に代えて、NMOSトランジスタ82が設けられている点でセンスアンプ回路60と相違している。またオペアンプ64は、非反転入力端が、基準電圧VBLREFが供給される基準電圧入力端に接続され、反転入力端が入力端BLに接続され、出力端がNMOSトランジスタ82のゲートに接続されている。
なお、センスアンプ回路80は請求項4記載のデータ読出回路に対応しており、詳しくは、センスアンプ回路80のPMOSトランジスタ52は請求項4に記載の第1PMOSトランジスタに、PMOSトランジスタ54は請求項4に記載の第2PMOSトランジスタに、NMOSトランジスタ56は請求項4に記載の第1NMOSトランジスタに、NMOSトランジスタ82は請求項4に記載の第2NMOSトランジスタに、オペアンプ64は請求項4に記載の差動増幅部に各々対応している。また、PMOSトランジスタ52のゲートに供給されるバイアス電圧VBIASPは請求項4(より詳しくは請求項5)に記載の第1バイアス電圧に、PMOSトランジスタ54のゲートに供給されるバイアス電圧VBIASP2は請求項4に記載の第2バイアス電圧に、NMOSトランジスタ56のゲートに供給されるバイアス電圧VBIASNは請求項4に記載の第3バイアス電圧に各々対応している。
次に本第5実施形態の作用として、本第5実施形態に係るセンスアンプ回路80の動作について、第2実施形態で説明したセンスアンプ回路60と異なる部分のみ説明する。本第5実施形態に係るセンスアンプ回路80は、第2実施形態のセンスアンプ回路60におけるPMOSトランジスタ62に代えてNMOSトランジスタ82が設けられているが、一般に、このような回路構成の場合、PMOSトランジスタよりもNMOSトランジスタを使用する方が、動作の高速化と安定化が期待できる。但し、NMOSトランジスタ82をオンさせるには、NMOSトランジスタ82の閾値電圧VTNを考慮する必要が有る。すなわち、オペアンプ64の出力端の電圧は基準電圧VBLREFよりNMOSトランジスタ82の閾値電圧VTN分以上、高電圧でなければならない。従って、電源Vccの電圧が比較的低い電圧であったり基準電圧VBLREFが比較的高い電圧である場合には、使用が困難となる。
なお、その他の回路構成、回路動作等は第2実施形態と同様のため説明を省略する。
〔第6実施形態〕
次に本発明の第6実施形態について説明する。なお、第3実施形態と同一の部分には同一の符号を付し、説明を省略する。
図13に示すように、本第6実施形態に係るセンスアンプ回路90は、第3実施形態で説明したセンスアンプ回路70におけるPMOSトランジスタ62に代えて、NMOSトランジスタ82が設けられている点でセンスアンプ回路70と相違している。またオペアンプ64は、非反転入力端が、基準電圧VBLREFが供給される基準電圧入力端に接続され、反転入力端が入力端BLに接続され、出力端がNMOSトランジスタ82のゲートに接続されている。
なお、センスアンプ回路90は請求項4(より詳しくは請求項6)に記載のデータ読出回路に対応しており、詳しくは、センスアンプ回路90のPMOSトランジスタ52は請求項4(より詳しくは請求項6)に記載の第1PMOSトランジスタに、PMOSトランジスタ54は請求項4に記載の第2PMOSトランジスタに、NMOSトランジスタ56は請求項4に記載の第1NMOSトランジスタに、NMOSトランジスタ82は請求項4に記載の第2NMOSトランジスタに、オペアンプ64は請求項4に記載の差動増幅部に各々対応している。
次に本第6実施形態の作用として、本第6実施形態に係るセンスアンプ回路90の動作について、第3実施形態で説明したセンスアンプ回路70と異なる部分のみ説明する。本第6実施形態に係るセンスアンプ回路90は、第3実施形態のセンスアンプ回路70におけるPMOSトランジスタ62に代えてNMOSトランジスタ82が設けられているが、一般に、このような回路構成の場合、PMOSトランジスタよりもNMOSトランジスタを使用する方が、動作の高速化と安定化が期待できる。但し、NMOSトランジスタ82をオンさせるには、NMOSトランジスタ82の閾値電圧VTNを考慮する必要が有る。すなわち、オペアンプ64の出力端の電圧は基準電圧VBLREFよりNMOSトランジスタ82の閾値電圧VTN分以上、高電圧でなければならない。従って、電源Vccの電圧が比較的低い電圧であったり基準電圧VBLREFが比較的高い電圧である場合には、使用が困難となる。
なお、その他の回路構成、回路動作等は第3実施形態と同様のため説明を省略する。
〔第7実施形態〕
次に本発明の第7実施形態について説明する。なお、第4実施形態と同一の部分には同一の符号を付し、説明を省略する。
図14に示すように、本第7実施形態に係るセンスアンプ回路96は、第4実施形態で説明したセンスアンプ回路76におけるPMOSトランジスタ62に代えて、NMOSトランジスタ82が設けられている点でセンスアンプ回路76と相違している。またオペアンプ64は、非反転入力端が、基準電圧VBLREFが供給される基準電圧入力端に接続され、反転入力端が入力端BLに接続され、出力端がNMOSトランジスタ82のゲートに接続されている。
なお、センスアンプ回路96は請求項4(より詳しくは請求項7)に記載のデータ読出回路に対応しており、詳しくは、センスアンプ回路96のPMOSトランジスタ52は請求項4(より詳しくは請求項7)に記載の第1PMOSトランジスタに、PMOSトランジスタ54は請求項4(より詳しくは請求項7)に記載の第2PMOSトランジスタに、NMOSトランジスタ56は請求項4に記載の第1NMOSトランジスタに、NMOSトランジスタ82は請求項4に記載の第2NMOSトランジスタに、オペアンプ64は請求項4に記載の差動増幅部に各々対応している。また、本第7実施形態に係るセンスアンプ回路96は、第4実施形態で説明したセンスアンプ回路76と同様に、アンプブロック回路の単一の参照用センスアンプ回路32として用いられる。
次に本第7実施形態の作用として、本第7実施形態に係るセンスアンプ回路96の動作について、第4実施形態で説明したセンスアンプ回路76と異なる部分のみ説明する。本第7実施形態に係るセンスアンプ回路96は、第4実施形態のセンスアンプ回路76におけるPMOSトランジスタ62に代えてNMOSトランジスタ82が設けられているが、一般に、このような回路構成の場合、PMOSトランジスタよりもNMOSトランジスタを使用する方が、動作の高速化と安定化が期待できる。但し、NMOSトランジスタ82をオンさせるには、NMOSトランジスタ82の閾値電圧VTNを考慮する必要が有る。すなわち、オペアンプ64の出力端の電圧は基準電圧VBLREFよりNMOSトランジスタ82の閾値電圧VTN分以上、高電圧でなければならない。従って、電源Vccの電圧が比較的低い電圧であったり基準電圧VBLREFが比較的高い電圧である場合には、使用が困難となる。
なお、その他の回路構成、回路動作等は第4実施形態と同様のため説明を省略する。
また、上記では本発明に係るデータ読出回路によってデータを読み出し可能なメモリセルは、一定電圧が与えられた状態で、保持しているデータの値によって大きさの異なる電流が流れる構成のメモリ(セル)であればよく、EPROM以外に、例えばEEPROMやフラッシュメモリ等を適用可能である。
第1実施形態に係るセンスアンプ回路を示す回路図である。 第1実施形態に係るアンプブロック回路を示す概略ブロック図である。 本実施形態に係るMOS型半導体記憶装置の回路図である。 第1実施形態におけるデータ読出時の各種電圧の変化を示す線図である。 第2実施形態に係るセンスアンプ回路を示す回路図である。 第2実施形態に係るアンプブロック回路を示す概略ブロック図である。 第2実施形態におけるデータ読出時の各種電圧の変化を示す線図である。 第3実施形態に係るセンスアンプ回路を示す回路図である。 第3実施形態に係るアンプブロック回路を示す概略ブロック図である。 第4実施形態に係るセンスアンプ回路を示す回路図である。 第4実施形態に係るアンプブロック回路を示す概略ブロック図である。 第5実施形態に係るセンスアンプ回路を示す回路図である。 第6実施形態に係るセンスアンプ回路を示す回路図である。 第7実施形態に係るセンスアンプ回路を示す回路図である。 従来のセンスアンプ回路を示す回路図である。 従来のセンスアンプ回路を用いたアンプブロック回路を示す概略ブロック図である。 従来のセンスアンプ回路におけるデータ読出時の各種電圧の変化を示す線図である。
符号の説明
10 MOS型半導体記憶装置
12 メモリセルアレイ
14 メモリセル
30 アンプブロック回路
32 参照用センスアンプ回路
34 読出用センスアンプ回路
36 電圧生成回路
46 オペアンプ
50 センスアンプ回路
52 PMOSトランジスタ
54 PMOSトランジスタ
56 NMOSトランジスタ
58 PMOSトランジスタ
59 定電流源
60 センスアンプ回路
62 PMOSトランジスタ
64 オペアンプ
66 アンプブロック回路
66 センスアンプ回路
70 センスアンプ回路
72 アンプブロック回路
76 センスアンプ回路
78 アンプブロック回路
80 センスアンプ回路
82 NMOSトランジスタ
90 センスアンプ回路
96 センスアンプ回路

Claims (9)

  1. ソースが電源に接続され、データ読出対象のメモリセルが接続される入力端にドレインが接続され、ゲートに第1バイアス電圧が供給され、飽和領域で動作するように構成された第1PMOSトランジスタと、
    ソースが前記第1PMOSトランジスタのドレインに接続され、ドレインが出力端に接続され、ゲートに第2バイアス電圧が供給される第2PMOSトランジスタと、
    ドレインが前記第2PMOSトランジスタのドレインに接続され、ソースが接地され、ゲートに第3バイアス電圧が供給される第1NMOSトランジスタと、
    前記第2PMOSトランジスタを飽和領域で動作させ、かつ前記第1PMOSトランジスタのドレインと前記第2PMOSトランジスタのソースとの接続点が前記入力端の基準電圧に保たれるように調整された第2バイアス電圧を第2PMOSトランジスタのゲートに供給するバイアス電圧供給部と、
    を含むデータ読出回路。
  2. 前記バイアス電圧供給部は、前記入力端の基準電圧VBLREFがソースに供給され、ゲートが前記第2PMOSトランジスタのゲートに接続されると共にドレインと短絡された第3PMOSトランジスタと、前記第3PMOSトランジスタのドレインに接続された定電流源と、を備え、前記第2PMOSトランジスタと前記第3PMOSトランジスタに電流ミラーが成り立ち、前記第1PMOSトランジスタの閾値電圧をVTP、前記第1バイアス電圧をVBIASPとしたときに、
    BLREF<VBIASP+|VTP|
    が成り立つ第2バイアス電圧を前記第2PMOSトランジスタのゲートに供給するように構成されている請求項1記載のデータ読出回路。
  3. ソースが電源に接続され、ゲートに第1バイアス電圧が供給され、線形領域で動作するように構成された第1PMOSトランジスタと、
    ソースが前記第1PMOSトランジスタのドレインに接続され、ゲートに第2バイアス電圧が供給され、ドレインが出力端に接続され、飽和領域で動作するように構成された第2PMOSトランジスタと、
    ドレインが前記第2PMOSトランジスタのドレインに接続され、ソースが接地され、ゲートに第3バイアス電圧が供給され、飽和領域で動作するように構成された第1NMOSトランジスタと、
    ソースが前記第1PMOSトランジスタのドレインに接続され、データ読出対象のメモリセルが接続される入力端にドレインが接続された第4PMOSトランジスタと、
    前記入力端の基準電圧が入力され、前記第4PMOSトランジスタのドレインが前記入力端の基準電圧に保たれるように前記第4PMOSトランジスタに接続された差動増幅部と、
    を含むデータ読出回路。
  4. ソースが電源に接続され、ゲートに第1バイアス電圧が供給され、線形領域で動作するように構成された第1PMOSトランジスタと、
    ソースが前記第1PMOSトランジスタのドレインに接続され、ゲートに第2バイアス電圧が供給され、ドレインが出力端に接続され、飽和領域で動作するように構成された第2PMOSトランジスタと、
    ドレインが前記第2PMOSトランジスタのドレインに接続され、ソースが接地され、ゲートに第3バイアス電圧が供給され、飽和領域で動作するように構成された第1NMOSトランジスタと、
    ドレインが前記第1PMOSトランジスタのドレインに接続され、データ読出対象のメモリセルが接続される入力端にソースが接続された第2NMOSトランジスタと、
    前記入力端の基準電圧が入力され、前記第2NMOSトランジスタのソースが前記入力端の基準電圧に保たれるように前記第2NMOSトランジスタに接続された差動増幅部と、
    を含むデータ読出回路。
  5. 第1PMOSトランジスタの閾値電圧をVTP、前記第1バイアス電圧をVBIASP、前記第1PMOSトランジスタのドレインと前記第2PMOSトランジスタのソースが接続されたノードBLAの電圧をVBLAとしたときに、
    BLA>VBIASP+|VTP|
    が成り立つ前記第1バイアス電圧が前記第1PMOSトランジスタに供給される請求項3又は請求項4記載のデータ読出回路。
  6. 前記第1PMOSトランジスタのゲートが前記出力端に接続されている請求項3〜請求項5の何れか1項記載のデータ読出回路。
  7. 前記第1PMOSトランジスタ及び前記第2PMOSトランジスタのゲートが前記出力端に接続されている請求項3〜請求項5の何れか1項記載のデータ読出回路。
  8. データを保持可能なメモリセルが複数設けられたメモリセルアレイと、
    第1入力端に入力された第1電圧と第2入力端に入力された第2電圧を比較し、比較結果を出力する比較回路と、
    請求項1〜請求項6の何れか1項記載のデータ読出回路から成り、前記入力端がデータ読出対象のメモリセルに接続され、前記出力端が前記比較回路の前記第1入力端に接続されたデータ読出部と、
    請求項1〜請求項6の何れか1項記載のデータ読出回路から成り、前記出力端が前記比較回路の前記第2入力端に接続された参照電圧供給部と、
    を備えた半導体記憶装置。
  9. データを保持可能なメモリセルが複数設けられたメモリセルアレイと、
    第1入力端に入力された第1電圧と第2入力端に入力された第2電圧を比較し、比較結果を出力する比較回路と、
    請求項3〜請求項6の何れか1項記載のデータ読出回路から成り、前記入力端がデータ読出対象のメモリセルに接続され、前記出力端が前記比較回路の前記第1入力端に接続されたデータ読出部と、
    請求項7記載のデータ読出回路から成り、前記出力端が前記比較回路の前記第2入力端及び前記データ読出回路の前記第2PMOSトランジスタのゲートに各々接続された参照電圧供給部と、
    を備えた半導体記憶装置。
JP2008187721A 2008-07-18 2008-07-18 データ読出回路及び半導体記憶装置 Expired - Fee Related JP5117950B2 (ja)

Priority Applications (2)

Application Number Priority Date Filing Date Title
JP2008187721A JP5117950B2 (ja) 2008-07-18 2008-07-18 データ読出回路及び半導体記憶装置
US12/503,894 US8189405B2 (en) 2008-07-18 2009-07-16 Data readout circuit and semiconductor memory device

Applications Claiming Priority (1)

Application Number Priority Date Filing Date Title
JP2008187721A JP5117950B2 (ja) 2008-07-18 2008-07-18 データ読出回路及び半導体記憶装置

Publications (2)

Publication Number Publication Date
JP2010027146A JP2010027146A (ja) 2010-02-04
JP5117950B2 true JP5117950B2 (ja) 2013-01-16

Family

ID=41530189

Family Applications (1)

Application Number Title Priority Date Filing Date
JP2008187721A Expired - Fee Related JP5117950B2 (ja) 2008-07-18 2008-07-18 データ読出回路及び半導体記憶装置

Country Status (2)

Country Link
US (1) US8189405B2 (ja)
JP (1) JP5117950B2 (ja)

Families Citing this family (5)

* Cited by examiner, † Cited by third party
Publication number Priority date Publication date Assignee Title
CN104158516B (zh) 2014-04-28 2017-01-11 深圳市汇顶科技股份有限公司 电压比较器
CN107820703B (zh) * 2017-09-27 2021-01-01 深圳前海达闼云端智能科技有限公司 控制网络设备及发送控制信息或数据的方法及装置
US11024354B1 (en) 2019-12-27 2021-06-01 International Business Machines Corporation Low power linear memory readout
CN112509617B (zh) * 2020-10-30 2024-10-25 普冉半导体(上海)股份有限公司 一种灵敏放大器电路
CN115457996A (zh) * 2022-09-06 2022-12-09 普冉半导体(上海)股份有限公司 灵敏放大器电路

Family Cites Families (6)

* Cited by examiner, † Cited by third party
Publication number Priority date Publication date Assignee Title
JP2513795B2 (ja) 1988-07-22 1996-07-03 沖電気工業株式会社 Mos型半導体記憶装置
JP2790495B2 (ja) * 1989-11-02 1998-08-27 沖電気工業株式会社 不揮発性半導体記憶装置
JP3222235B2 (ja) * 1992-12-28 2001-10-22 沖電気工業株式会社 センス回路
US5390147A (en) * 1994-03-02 1995-02-14 Atmel Corporation Core organization and sense amplifier having lubricating current, active clamping and buffered sense node for speed enhancement for non-volatile memory
JPH08315592A (ja) * 1995-05-17 1996-11-29 Nippon Telegr & Teleph Corp <Ntt> 読出し専用メモリ
JP4524684B2 (ja) * 2006-11-21 2010-08-18 エルピーダメモリ株式会社 メモリ読み出し回路及び方式

Also Published As

Publication number Publication date
US20100014362A1 (en) 2010-01-21
JP2010027146A (ja) 2010-02-04
US8189405B2 (en) 2012-05-29

Similar Documents

Publication Publication Date Title
JP4660526B2 (ja) 負電圧検知回路を備えた半導体集積回路
CN106911315B (zh) 差分放大器电路、电压调节器和包括其的半导体存储器件
US7483306B2 (en) Fast and accurate sensing amplifier for low voltage semiconductor memory
JP3886669B2 (ja) 半導体記憶装置
US8004902B2 (en) Nonvolatile semiconductor memory device
JP5117950B2 (ja) データ読出回路及び半導体記憶装置
US11120862B2 (en) Non-volatile memory read method for improving read margin
US20030048684A1 (en) Constant voltage generation circuit and semiconductor memory device
US7236409B2 (en) Semiconductor memory device provided with constant-current circuit having current trimming function
JP5882397B2 (ja) 負基準電圧発生回路及び負基準電圧発生システム
US20050174859A1 (en) Bias voltage applying circuit and semiconductor memory device
JPH0660677A (ja) 半導体メモリ用センスアンプ
US6205072B1 (en) High-speed sense amplifier of a semi-conductor memory device
JP2009277326A (ja) フューズデータ読み出し回路
US6956781B2 (en) Amplifier and semiconductor storage device using the same
KR100496782B1 (ko) 메모리 셀의 데이터 오판독률을 저감시키는 구성을 갖는비휘발성 반도체 기억 장치
JP4763689B2 (ja) 半導体装置及び基準電圧生成方法
JP5331031B2 (ja) 電流検出回路
JP6782627B2 (ja) 不揮発性半導体記憶装置、及びそのしきい値電圧の測定方法、及びその読出し電圧の設定方法
JP7662124B2 (ja) センス回路、センス方法及び抵抗変化型メモリ
JP5536508B2 (ja) 電源回路
KR19980071727A (ko) 반도체 집적 회로
JPH11203882A (ja) 半導体記憶装置
KR20050088749A (ko) 게이트 전압 조절이 가능한 이피롬의 데이터 독출/기입 회로
JP2006286195A (ja) 半導体記憶装置

Legal Events

Date Code Title Description
A621 Written request for application examination

Free format text: JAPANESE INTERMEDIATE CODE: A621

Effective date: 20110624

A977 Report on retrieval

Free format text: JAPANESE INTERMEDIATE CODE: A971007

Effective date: 20121001

TRDD Decision of grant or rejection written
A01 Written decision to grant a patent or to grant a registration (utility model)

Free format text: JAPANESE INTERMEDIATE CODE: A01

Effective date: 20121016

A01 Written decision to grant a patent or to grant a registration (utility model)

Free format text: JAPANESE INTERMEDIATE CODE: A01

A61 First payment of annual fees (during grant procedure)

Free format text: JAPANESE INTERMEDIATE CODE: A61

Effective date: 20121018

R150 Certificate of patent or registration of utility model

Free format text: JAPANESE INTERMEDIATE CODE: R150

Ref document number: 5117950

Country of ref document: JP

Free format text: JAPANESE INTERMEDIATE CODE: R150

FPAY Renewal fee payment (event date is renewal date of database)

Free format text: PAYMENT UNTIL: 20151026

Year of fee payment: 3

S531 Written request for registration of change of domicile

Free format text: JAPANESE INTERMEDIATE CODE: R313531

R350 Written notification of registration of transfer

Free format text: JAPANESE INTERMEDIATE CODE: R350

LAPS Cancellation because of no payment of annual fees