JP4688703B2 - Usbトランシーバ - Google Patents

Usbトランシーバ Download PDF

Info

Publication number
JP4688703B2
JP4688703B2 JP2006066841A JP2006066841A JP4688703B2 JP 4688703 B2 JP4688703 B2 JP 4688703B2 JP 2006066841 A JP2006066841 A JP 2006066841A JP 2006066841 A JP2006066841 A JP 2006066841A JP 4688703 B2 JP4688703 B2 JP 4688703B2
Authority
JP
Japan
Prior art keywords
circuit
signal
output signal
output
input
Prior art date
Legal status (The legal status is an assumption and is not a legal conclusion. Google has not performed a legal analysis and makes no representation as to the accuracy of the status listed.)
Expired - Fee Related
Application number
JP2006066841A
Other languages
English (en)
Other versions
JP2007241911A (ja
Inventor
和代 太田
秀之 木原
Current Assignee (The listed assignees may be inaccurate. Google has not performed a legal analysis and makes no representation or warranty as to the accuracy of the list.)
Panasonic Corp
Panasonic Holdings Corp
Original Assignee
Panasonic Corp
Matsushita Electric Industrial Co Ltd
Priority date (The priority date is an assumption and is not a legal conclusion. Google has not performed a legal analysis and makes no representation as to the accuracy of the date listed.)
Filing date
Publication date
Application filed by Panasonic Corp, Matsushita Electric Industrial Co Ltd filed Critical Panasonic Corp
Priority to JP2006066841A priority Critical patent/JP4688703B2/ja
Publication of JP2007241911A publication Critical patent/JP2007241911A/ja
Application granted granted Critical
Publication of JP4688703B2 publication Critical patent/JP4688703B2/ja
Anticipated expiration legal-status Critical
Expired - Fee Related legal-status Critical Current

Links

Images

Landscapes

  • Dc Digital Transmission (AREA)
  • Logic Circuits (AREA)

Description

本発明は、ユニバーサル・シリアル・バス(Universal Serial Bus:以下、USBと略記)対応機器間で複数のデータ信号を転送するために、それらの機器に搭載されUSBを通じて複数のデータ信号を送受信するUSBトランシーバに関するものである。
近年、携帯電話、PDA端末やノートパソコンなどの携帯電子機器や、その周辺機器の接続には、USBがよく利用されるようになってきている。
このようなUSBは、2本の信号線を用いてシリアルデータを伝送する方式であり、特に、シリアルデータの受信回路においては、2本の信号線が、差動コンパレータ回路とシングルエンデッドレシーバ回路に接続される。差動コンパレータ回路は、2本の信号線の差分信号を出力し、シングルエンデッドレシーバ回路は、各信号線を波形整形し、コントローラ側に出力する。
以上のような従来のUSBトランシーバ(例えば、特許文献1を参照)について、図面を用いて以下に説明する。このUSBトランシーバは、リーク電流対策に関するものであり図3に示すような回路構成で示される。
図3は従来のUSBトランシーバの構成を示す回路ブロック図である。図3において、33a、33bはUSBデータの受信入力端子、35は受信入力端子33a、33bからのUSBデータが入力信号となる差動コンパレータ回路、36は受信入力端子33aからのUSBデータを入力信号に持つシングルエンデッドレシーバ回路、37は受信入力端子33bからのUSBデータを入力信号に持つシングルエンデッドレシーバ回路、40は差動コンパレータ回路35の出力端子、38はシングルエンデッドレシーバ回路36の出力端子、39はシングルエンデッドレシーバ回路37の出力端子であり、ドライバ回路41は、コントローラ側からの制御端子である入力端子42、43のドライブ信号をバッファし、その出力信号により、USBデータの受信入力端子33a、33bを共通使用する出力端子を駆動するような回路構成になっている。
ここで、ドライバ回路41は、その出力信号が双方向・半二重動作をサポートする構成になっている。また、差動コンパレータ回路35はMOS差動アンプ等により構成され、複数のトランジスタが必要であり、シングルエンデッドレシーバ回路36、37は論理バッファによる比較的少数のトランジスタで回路が構成される。さらに、出力端子38、39、40はコントローラ側にデータを出力する。
特開2004−295445号公報
しかしながら、上記のような従来のUSBトランシーバでは、その構成要素である差動コンパレータ回路35とシングルエンデッドレシーバ回路36、37との間で、それらの回路構成規模が異なるため、USBデータの受信入力端子33a、33bからの入力信号に対して、各回路間の伝達遅延時間差により、各回路の出力端子38、39、40から出力される信号のスキューが大きくなってしまう。
一方、それらの出力端子38、39、40からの出力信号を入力信号とするコントローラ側のマイコンは、例えばフルスピード(12Mbps)のUSBデータを通信する場合は、通常12Mbpsの4倍以上のサンプリングによりデータ処理を行うが、12Mbps(パルス幅83.3ns)の4倍サンプリング時のパルス幅は20.8nsであるため、例えば、差動コンパレータ回路35の出力端子40側とシングルエンデッドレシーバ回路36、37の出力端子38、39側とで、それらの各信号間の伝達遅延時間差が20.8ns以上になると、コントローラ側で、各信号の取り込みタイミングが互いにずれてしまう。
すなわち、各信号の取り込みタイミングによっては、出力端子38、39、40の各信号間で互いに動作上のタイミングずれが発生することになり、これらの各信号を受信したコントローラ側のマイコンが動作エラーとなって、コントローラ側を含む当該システムの誤動作の原因になる場合がある。
以上のように、USBトランシーバを構成する各回路間の伝達遅延時間差によって出力信号のスキューが大きくなる様子を、図4を用いて以下に説明する。
図4は図3を用いて説明した従来のUSBトランシーバの各端子における電圧状態を示す波形図である。ここで、PACKET期間は受信入力端子33a、33bのそれぞれからUSBデータが互いに逆位相で入力される期間であり、EOP期間は受信入力端子33a、33bのそれぞれからUSBデータが互いに同一位相で入力される期間である。また、T1、T2、T3、T4は出力波形の時間軸上の各タイミングにおける遅延時間である。
図4に示す入力波形401のUSBデータが受信入力端子33aに入力されると、シングルエンデッドレシーバ回路36の出力端子38には、受信入力端子33aの信号と同位相の波形404が出力され、同様に図4に示す入力波形402のUSBデータが受信入力端子33bに入力されると、シングルエンデッドレシーバ回路37の出力端子39には、受信入力端子33bの信号と同位相の波形405が出力される。
入力波形401、402のUSBデータが受信入力端子33a、33bへ互いに逆位相で入力される期間(PACKET)では、受信入力端子33a、33bからのUSBデータを入力とする差動コンパレータ回路35が動作し、出力端子40には、入力信号に対して回路伝達時間に差が生じ、ロウレベルからハイレベルに変化する時に遅延時間T1を持ち、ハイレベルからロウレベルに変化する時に遅延時間T3を持った波形403におけるPACKET期間のような信号が出力される。
次に、入力波形401、402のUSBデータが受信入力端子33a、33bへ互いに同一位相で入力される期間(EOP)では、受信入力端子33a、33bからのUSBデータを入力とする差動コンパレータ回路35は動作せず、通常は入力信号ノイズの影響を受けないようにするため、その出力側を所定の電位レベル(図4においてはロウレベル)に固定されている。したがって、出力端子40には波形403におけるEOP期間のような信号が出力される。
なお、シングルエンデッドレシーバ回路36とシングルエンデッドレシーバ回路37との信号伝達時間差は、各シングルエンデッドレシーバ回路36、37と差動コンパレータ回路35との信号伝達時間差に対し、ほとんど無視できる時間差であり、図4において特に図示していない。
本発明は、上記従来の問題点を解決するもので、USBを通じて受信した入力データ信号に対して、差動コンパレータ回路とシングルエンデッドレシーバ回路の伝達遅延の時間差を精度よく補正することができるUSBトランシーバを提供する。
上記の課題を解決するために、本発明の請求項1記載のUSBトランシーバは、第1の信号線と第2の信号線のシリアルデータを送受信するUSBトランシーバであって、前記第1の信号線と前記第2の信号線にデータ信号をドライブするドライバ回路と、前記第1の信号線と前記第2の信号線のデータ信号を差動入力する差動コンパレータ回路と、前記第1の信号線のデータ信号を入力する第1のシングルエンデッドレシーバ回路と、前記第2の信号線のデータ信号を入力する第2のシングルエンデッドレシーバ回路と、前記第1のシングルエンデッドレシーバ回路の出力信号を遅延させる第1の遅延回路部と、前記第2のシングルエンデッドレシーバ回路の出力信号を遅延させる第2の遅延回路部と、前記差動コンパレータ回路の出力信号と前記第1の遅延回路部の出力信号と前記第2の遅延回路部の出力信号とが入力される論理回路部とを具備し、前記論理回路部は、前記第1の信号線と前記第2の信号線のデータ信号が互いに逆位相でレベル変化した場合において、前記第1の遅延回路部の出力信号を、前記差動コンパレータ回路の出力信号に基いて、前記第1のシングルエンデッドレシーバ回路の出力信号のレベル変化を前記差動コンパレータ回路の出力信号のレベル変化に同期させた信号に変換して、前記第2の遅延回路部の出力信号を、前記差動コンパレータ回路の出力信号に基いて、前記第2のシングルエンデッドレシーバ回路の出力信号のレベル変化を前記差動コンパレータ回路の出力信号のレベル変化に同期させた信号に変換するよう構成したことを特徴とする。
また、本発明の請求項2記載のUSBトランシーバは、請求項1記載のUSBトランシーバであって、前記第1の遅延回路部は、前記第1のシングルエンデッドレシーバ回路の出力信号の立ち上がり時のみ遅延させる第1の立ち上がり遅延回路と、立ち下がり時のみ遅延させる第1の立ち下がり遅延回路とを具備し、前記第2の遅延回路部は、前記第2のシングルエンデッドレシーバ回路の出力信号の立ち上がり時のみ遅延させる第2の立ち上がり遅延回路と、立ち下がり時のみ遅延させる第2の立ち下がり遅延回路とを具備し、前記論理回路部は、前記第1の立ち下がり遅延回路の出力信号と前記差動コンパレータ回路の出力信号とが入力される第1のAND回路と、前記第1の立ち上がり遅延回路の出力信号と前記第1のAND回路の出力信号とが入力されるOR回路と、前記第2の立ち下がり遅延回路の出力信号と前記差動コンパレータ回路の出力信号とが入力される第2のAND回路と、前記第2の立ち上がり遅延回路の出力信号と前記第2のAND回路の出力信号とが入力されるNOR回路とを具備したことを特徴とする。
以上のように本発明によれば、USBを通じて受信した入力データ信号に対して、差動コンパレータ回路とシングルエンデッドレシーバ回路の伝達遅延の時間差を精度よく補正することにより、USBを通じて受信した差動形式の複数のデータ信号をコントローラ側に送る際に、それら複数のデータ信号のレベル変化が同期するように、それらの信号間に生じるレベル変化のタイミングずれ(スキュー)を常にかつ確実に最小状態に維持することができる。
また、USBの差動形式で受信した入力データ信号のどちらかが、外的要因などで入力データ信号にレベル変化のタイミングずれが生じた場合でも、複数のデータ信号間に生じるレベル変化のタイミングずれを常にかつ確実に最小状態に維持することができる。
以上により、USBを通じてコントローラ側へ入力されたデータ信号に対して、コントローラ側のマイコンへの取り込みのタイミングずれをなくして、コントローラ側でのデータ信号の取り込みエラーの発生を抑えることができ、システム全体での誤動作を確実になくすことができる。
以下、本発明の実施の形態を示すUSBトランシーバについて、図面を参照しながら具体的に説明する。
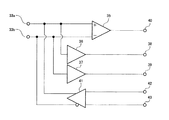
図1は本実施の形態のUSBトランシーバの構成を示す回路ブロック図である。図1において、3a、3bはUSBデータの受信入力端子、5は差動コンパレータ回路、6はシングルエンデッドレシーバ回路、7はシングルエンデッドレシーバインバータ回路、8はシングルエンデッドレシーバ回路6の出力信号、9はシングルエンデッドレシーバインバータ回路7の出力信号、10、13は立ち上がり遅延回路、11、12は立ち下がり遅延回路、14はOR回路、15、16はAND回路、17はNOR回路、18、19、20は出力端子、21はドライバ回路、22、23はコントローラ側から制御される入力端子である。ここで、立ち上がり遅延回路10、13と立ち下がり遅延回路11、12で遅延回路部を構成し、OR回路14とAND回路15、16とNOR回路17で論理回路部を構成する。
装置構成としては、シングルエンデッドレシーバ回路6の入力にUSBデータの受信入力端子3aが、シングルエンデッドレシーバインバータ回路7の入力にUSBデータの受信入力端子3bが、そしてUSBデータの受信入力端子3a、3bにそれらのUSBデータを入力信号とする差動コンパレータ回路5が、それぞれ接続されている。
シングルエンデッドレシーバ回路6の出力は、立ち上がり遅延回路10と立ち下がり遅延回路11の入力に接続され、シングルエンデッドレシーバ回路6の出力電圧の変化するエッジを検出し、立ち下がり遅延回路11の出力と差動コンパレータ回路5の出力は、AND回路15の入力に接続され、AND回路15の出力と立ち上がり遅延回路10の出力はOR回路14の入力に接続され、OR回路14の出力はUSBデータの受信入力端子3a側の出力端子18へ接続される。
同様に、シングルエンデッドレシーバインバータ回路7の出力は、立ち上がり遅延回路13と立ち下がり遅延回路12の入力に接続され、シングルエンデッドレシーバインバータ回路7の出力電圧の変化するエッジを検出し、立ち下がり遅延回路12の出力と差動コンパレータ回路5の出力は、AND回路16の入力に接続され、AND回路16の出力と立ち上がり遅延回路13の出力はNOR回路17の入力に接続され、NOR回路17の出力はUSBデータの受信入力端子3b側の出力端子19へ接続される。
ドライバ回路21は、コントローラ側からの制御端子である入力端子22、23のドライブ信号をバッファし、その出力信号により、USBデータの受信入力端子3a、3bを共通使用する出力端子を駆動するような回路構成になっている。ここで、ドライバ回路21は、その出力信号が双方向・半二重動作をサポートする構成になっている。
以上のように構成されたUSBトランシーバについて、その動作を図2を用いて以下に説明する。
図2は本実施の形態のUSBトランシーバにおける動作中の電圧状態を示す波形図である。図2において、PACKET期間は受信入力端子3a、3bのそれぞれからUSBデータが互いに逆位相で入力される期間であり、EOP期間は受信入力端子3a、3bのそれぞれからUSBデータが互いに同一位相で入力される期間である。また、T1、T2、T3、T4は出力波形の時間軸上の各タイミングにおける遅延時間である。また、PACKET期間において、受信入力端子3a、3bには、それぞれスキューのない入力波形201、202の信号が入力されているものとする。
受信入力端子3aから入力された波形201の信号は、シングルエンデッドレシーバ回路6に入力されると同時に、差動コンパレータ回路5の(+)端子にも入力される。また、同様に受信入力端子3bから入力された波形202の信号は、シングルエンデッドレシーバインバータ回路7に入力されると同時に、差動コンパレータ回路5の(−)端子にも入力される。
差動コンパレータ回路5は、受信入力端子3a、3bから波形201、202で示される入力信号を受けて動作し、出力端子20には、波形201、202の入力信号に対して、回路伝達時間により時間差が生じ、ロウレベルからハイレベルに変化する時に遅延時間T1を持ち、ハイレベルからロウレベルに変化する時に遅延時間T3を持った波形203の信号が出力される。
シングルエンデッドレシーバ回路6からの出力信号8は、波形204で示され、立ち上がり遅延回路10と立ち下がり遅延回路11に入力され、出力信号8の電圧変化を検出し、立ち上がり遅延回路10の出力はロウレベルからハイレベルに変化する信号について遅延時間T2を持った波形206の信号が出力され、立ち下がり遅延回路11の出力はハイレベルからロウレベルに変化する信号について遅延時間T4を持った波形207の信号が出力される。
そして、AND回路15には立ち下がり遅延回路11の出力信号と出力端子20の信号が入力され、そのAND回路15の出力信号は、波形210のように、ロウレベルからハイレベルに変化する時に遅延時間T1を持ち、ハイレベルからロウレベルへ変化する時に遅延時間T3を持つ信号となる。
AND回路15の出力信号と立ち上がり遅延回路10の出力信号がOR回路14に入力されることにより、出力端子18には、受信入力端子3aからの波形201の信号に対し、波形212のように、ロウレベルからハイレベルに変化する時に遅延時間T1を持ち、ハイレベルからロウレベルに変化する時に遅延時間T3を持つ信号が出力される。
ここで、AND回路15の出力と立ち上がり遅延回路10の出力をOR回路14により論理和を取っているのは、差動コンパレータ回路5の出力端子20にノイズ等が発生し、その電位レベルが変動した場合でも出力端子18の信号が変動しない効果を持たせるためである。
また、同様に、受信入力端子3bから受信入力端子3aの波形201とは逆位相の波形202で示される信号を入力するシングルエンデッドレシーバインバータ回路7は、その入力信号に対して反転された波形205で示される出力信号9に変換される。
この出力信号9は、立ち下がり遅延回路12と立ち上がり遅延回路13とに入力され、出力信号9の電圧変化を検出し、立ち下がり遅延回路12の出力は、波形208で示されるように、受信入力端子3bのハイレベルからロウレベルに変化する信号について、遅延時間T2を持った信号が出力され、立ち上がり遅延回路13の出力は、波形209で示されるように、受信入力端子3bのロウレベルからハイレベルに変化する信号について、遅延時間T4を持った信号が出力される。
そして、AND回路16には立ち下がり遅延回路12の出力信号と出力端子20の信号が入力され、そのAND回路16の出力信号は、波形211のように、ロウレベルからハイレベルに変化する時に遅延時間T1を持ち、ハイレベルからロウレベルへ変化する時に遅延時間T3を持つ信号となる。
AND回路16の出力信号と立ち上がり遅延回路13の出力信号がNOR回路17に入力されることにより、出力端子19には、受信入力端子3bの信号に対し、波形213のように、ハイレベルからロウレベルに変化する時に遅延時間T1を持ち、ロウレベルからハイレベルに変化する時に遅延時間T3を持つ信号が出力される。
ここで、AND回路16の出力と立ち上がり遅延回路13の出力をNOR回路17により論理和を取っているのは、差動コンパレータ回路5の出力端子20にノイズ等が発生し、その電位レベルが変動した場合でも、出力端子19が変動しない効果を持たせるためである。
次に、受信入力端子3a、3bの各USBデータとして入力波形201、202が同一位相で入力されるEOP期間の動作を説明する。
受信入力端子3aから入力された波形201の信号は、シングルエンデッドレシーバ回路6に入力されると同時に、差動コンパレータ回路5の(+)端子にも入力される。また、同様に受信入力端子3bから入力された波形202の信号は、シングルエンデッドレシーバインバータ回路7に入力されると同時に、差動コンパレータ回路5の(−)端子にも入力される。
差動コンパレータ回路5は、EOP期間では、受信入力端子3a、3bに同一位相のUSBデータが入力されるため動作せず、出力端子20には、波形203のEOP期間の信号が出力される。出力端子18、19には、EOPの期間に受信入力端子3a、3bに入力されるUSBデータが変化した場合も、前述のPACKET期間と同様の回路動作により、同様の信号が出力される。
また、受信入力端子3a、3bから出力端子18、19への回路要因による伝達遅延時間の差が、出力端子18と出力端子19の間に発生しないように、各遅延回路10、11、12、13は、それぞれ同様の回路規模の構成にすることが望ましい。
なお、立ち上がり遅延回路10、13と立ち下がり遅延回路11、12の各回路の遅延時間T2、T4と、差動コンパレータ回路5の回路伝達遅延で生じる遅延時間T1、T3の関係は、それぞれT1<T2、T3<T4である必要がある。
以上のように本実施の形態によれば、受信信号としてUSBデータの受信入力端子3a、3bに入力されたデータ信号は、回路伝達遅延の発生を最小限に抑えてスキューを最小状態に抑えたデータ信号にして、コントローラ側に接続される出力端子18、19、20からのデータ信号として、コントローラ側に出力することができる。
その結果、USBを通じてコントローラ側へ入力されたデータ信号に対して、コントローラ側のマイコンへの取り込みのタイミングずれをなくして、コントローラ側でのデータ信号の取り込みエラーの発生を抑えることができ、システム全体での誤動作を確実になくすことができる。
本発明のUSBトランシーバは、USBを通じてコントローラ側へ入力されたデータ信号に対して、コントローラ側のマイコンへの取り込みのタイミングずれをなくして、コントローラ側でのデータ信号の取り込みエラーの発生を抑えることができ、システム全体での誤動作を確実になくすことができるもので、USB端子を搭載した携帯電話やPDA端末、パソコンなどの携帯電子機器や、その周辺機器等のUSB対応機器に有用である。
本発明の実施の形態のUSBトランシーバの構成を示す回路ブロック図 同実施の形態のUSBトランシーバの動作における電圧状態を示す波形図 従来のUSBトランシーバの構成を示す回路ブロック図 同従来例のUSBトランシーバの動作における電圧状態を示す波形図
符号の説明
3a、3b、33a、33b USBデータの受信入力端子
5、35 差動コンパレータ回路
6、36、37 シングルエンデッドレシーバ回路
7 シングルエンデッドレシーバインバータ回路
8 シングルエンデッドレシーバ回路の出力信号
9 シングルエンデッドレシーバインバータ回路の出力信号
10、13 立ち上がり遅延回路
11、12 立ち下がり遅延回路
14 OR回路
15、16 AND回路
17 NOR回路
18、19、20、38、39、40 出力端子
21、41 ドライバ回路
22、23、42、43 入力端子
PACKET 逆位相入力期間
EOP 同一位相入力期間
T1、T2、T3、T4 遅延時間

Claims (2)

  1. 第1の信号線と第2の信号線のシリアルデータを送受信するUSBトランシーバであって、
    前記第1の信号線と前記第2の信号線にデータ信号をドライブするドライバ回路と、
    前記第1の信号線と前記第2の信号線のデータ信号を差動入力する差動コンパレータ回路と、
    前記第1の信号線のデータ信号を入力する第1のシングルエンデッドレシーバ回路と、
    前記第2の信号線のデータ信号を入力する第2のシングルエンデッドレシーバ回路と、
    前記第1のシングルエンデッドレシーバ回路の出力信号を遅延させる第1の遅延回路部と、
    前記第2のシングルエンデッドレシーバ回路の出力信号を遅延させる第2の遅延回路部と、
    前記差動コンパレータ回路の出力信号と前記第1の遅延回路部の出力信号と前記第2の遅延回路部の出力信号とが入力される論理回路部とを具備し、
    前記論理回路部は、
    前記第1の信号線と前記第2の信号線のデータ信号が互いに逆位相でレベル変化した場合において、
    前記第1の遅延回路部の出力信号を、前記差動コンパレータ回路の出力信号に基いて、前記第1のシングルエンデッドレシーバ回路の出力信号のレベル変化を前記差動コンパレータ回路の出力信号のレベル変化に同期させた信号に変換して、
    前記第2の遅延回路部の出力信号を、前記差動コンパレータ回路の出力信号に基いて、前記第2のシングルエンデッドレシーバ回路の出力信号のレベル変化を前記差動コンパレータ回路の出力信号のレベル変化に同期させた信号に変換するよう構成した
    ことを特徴とするUSBトランシーバ。
  2. 請求項1記載のUSBトランシーバであって、
    前記第1の遅延回路部は、
    前記第1のシングルエンデッドレシーバ回路の出力信号の立ち上がり時のみ遅延させる第1の立ち上がり遅延回路と、立ち下がり時のみ遅延させる第1の立ち下がり遅延回路とを具備し、
    前記第2の遅延回路部は、
    前記第2のシングルエンデッドレシーバ回路の出力信号の立ち上がり時のみ遅延させる第2の立ち上がり遅延回路と、立ち下がり時のみ遅延させる第2の立ち下がり遅延回路とを具備し、
    前記論理回路部は、
    前記第1の立ち下がり遅延回路の出力信号と前記差動コンパレータ回路の出力信号とが入力される第1のAND回路と、
    前記第1の立ち上がり遅延回路の出力信号と前記第1のAND回路の出力信号とが入力されるOR回路と、
    前記第2の立ち下がり遅延回路の出力信号と前記差動コンパレータ回路の出力信号とが入力される第2のAND回路と、
    前記第2の立ち上がり遅延回路の出力信号と前記第2のAND回路の出力信号とが入力されるNOR回路とを具備した
    ことを特徴とするUSBトランシーバ。
JP2006066841A 2006-03-13 2006-03-13 Usbトランシーバ Expired - Fee Related JP4688703B2 (ja)

Priority Applications (1)

Application Number Priority Date Filing Date Title
JP2006066841A JP4688703B2 (ja) 2006-03-13 2006-03-13 Usbトランシーバ

Applications Claiming Priority (1)

Application Number Priority Date Filing Date Title
JP2006066841A JP4688703B2 (ja) 2006-03-13 2006-03-13 Usbトランシーバ

Publications (2)

Publication Number Publication Date
JP2007241911A JP2007241911A (ja) 2007-09-20
JP4688703B2 true JP4688703B2 (ja) 2011-05-25

Family

ID=38587350

Family Applications (1)

Application Number Title Priority Date Filing Date
JP2006066841A Expired - Fee Related JP4688703B2 (ja) 2006-03-13 2006-03-13 Usbトランシーバ

Country Status (1)

Country Link
JP (1) JP4688703B2 (ja)

Family Cites Families (1)

* Cited by examiner, † Cited by third party
Publication number Priority date Publication date Assignee Title
JP2001148719A (ja) * 1999-11-19 2001-05-29 Teac Corp デ−タ受信装置

Also Published As

Publication number Publication date
JP2007241911A (ja) 2007-09-20

Similar Documents

Publication Publication Date Title
JP4960833B2 (ja) シングルエンド伝送及び差動伝送の切替えが可能なインタフェース回路
US9001950B2 (en) Information processing apparatus, serial communication system, method of initialization of communication therefor, and serial communication apparatus
US10333690B1 (en) Calibration pattern and duty-cycle distortion correction for clock data recovery in a multi-wire, multi-phase interface
US20080204097A1 (en) Inverter based duty cycle correction apparatuses and systems
US11133802B2 (en) Repeater for an open-drain communication system using a current detector and a control logic circuit
US7876857B2 (en) Data receiving apparatus
US7868662B2 (en) Spike noise eliminating circuit, digital system using the same, and IIC bus
US9342097B2 (en) Microcontroller and method of controlling the same
JP4688703B2 (ja) Usbトランシーバ
JP2000174826A (ja) シングルエンドゼロレシーバ回路
US20200162064A1 (en) Debounce circuit using d flip-flops
US8786320B2 (en) Signal input circuit and semiconductor device having the same
JP5034797B2 (ja) シリアルインターフェース回路及び電子機器
US11973623B2 (en) Latch circuit and equalizer including the same
KR100640783B1 (ko) 노이즈를 줄일 수 있는 데이터 출력 드라이버
JP5296620B2 (ja) 信号中継回路
JP2016224588A (ja) 制御装置及び制御方法
JPWO2007049455A1 (ja) 半導体メモリカード
US12229071B2 (en) eUSB repeater for passing repeating mode packets between a differential bus and a single-ended bus
JP6569682B2 (ja) 送信装置および通信システム
US7598789B2 (en) Signal transferring system with unequal lengths of connecting paths and method thereof
JP2011155598A (ja) 伝送回路
JP4952167B2 (ja) データ伝送装置
JP2009110317A (ja) シングルエンド伝送及び差動伝送の切替えが可能なインタフェース回路、メモリコントローラ、不揮発性記憶装置、ホスト装置及び不揮発性メモリシステム
CN110932702A (zh) 集成电路

Legal Events

Date Code Title Description
RD04 Notification of resignation of power of attorney

Free format text: JAPANESE INTERMEDIATE CODE: A7424

Effective date: 20080430

A621 Written request for application examination

Free format text: JAPANESE INTERMEDIATE CODE: A621

Effective date: 20080925

A131 Notification of reasons for refusal

Free format text: JAPANESE INTERMEDIATE CODE: A131

Effective date: 20100921

A521 Request for written amendment filed

Free format text: JAPANESE INTERMEDIATE CODE: A523

Effective date: 20101122

TRDD Decision of grant or rejection written
A01 Written decision to grant a patent or to grant a registration (utility model)

Free format text: JAPANESE INTERMEDIATE CODE: A01

Effective date: 20110118

A01 Written decision to grant a patent or to grant a registration (utility model)

Free format text: JAPANESE INTERMEDIATE CODE: A01

A61 First payment of annual fees (during grant procedure)

Free format text: JAPANESE INTERMEDIATE CODE: A61

Effective date: 20110215

FPAY Renewal fee payment (event date is renewal date of database)

Free format text: PAYMENT UNTIL: 20140225

Year of fee payment: 3

LAPS Cancellation because of no payment of annual fees