JP4046877B2 - 一括消去型不揮発性メモリおよび携帯電話 - Google Patents
一括消去型不揮発性メモリおよび携帯電話 Download PDFInfo
- Publication number
- JP4046877B2 JP4046877B2 JP35503598A JP35503598A JP4046877B2 JP 4046877 B2 JP4046877 B2 JP 4046877B2 JP 35503598 A JP35503598 A JP 35503598A JP 35503598 A JP35503598 A JP 35503598A JP 4046877 B2 JP4046877 B2 JP 4046877B2
- Authority
- JP
- Japan
- Prior art keywords
- data
- cluster
- unused
- address information
- data writing
- Prior art date
- Legal status (The legal status is an assumption and is not a legal conclusion. Google has not performed a legal analysis and makes no representation as to the accuracy of the status listed.)
- Expired - Fee Related
Links
- 230000015654 memory Effects 0.000 title claims description 45
- 238000000034 method Methods 0.000 claims description 31
- 238000010586 diagram Methods 0.000 description 14
- 239000004065 semiconductor Substances 0.000 description 4
- 238000010276 construction Methods 0.000 description 3
- 230000000694 effects Effects 0.000 description 3
- 230000001413 cellular effect Effects 0.000 description 2
- 102100036848 C-C motif chemokine 20 Human genes 0.000 description 1
- 230000002093 peripheral effect Effects 0.000 description 1
- 230000000717 retained effect Effects 0.000 description 1
Images
Classifications
-
- G—PHYSICS
- G11—INFORMATION STORAGE
- G11C—STATIC STORES
- G11C16/00—Erasable programmable read-only memories
- G11C16/02—Erasable programmable read-only memories electrically programmable
-
- G—PHYSICS
- G11—INFORMATION STORAGE
- G11C—STATIC STORES
- G11C16/00—Erasable programmable read-only memories
- G11C16/02—Erasable programmable read-only memories electrically programmable
- G11C16/06—Auxiliary circuits, e.g. for writing into memory
- G11C16/10—Programming or data input circuits
- G11C16/102—External programming circuits, e.g. EPROM programmers; In-circuit programming or reprogramming; EPROM emulators
Landscapes
- Read Only Memory (AREA)
- Techniques For Improving Reliability Of Storages (AREA)
- Information Retrieval, Db Structures And Fs Structures Therefor (AREA)
- Microcomputers (AREA)
- Memory System (AREA)
Description
【発明の属する技術分野】
この発明は、不揮発データを記録するフラッシュEEPROM(以下、フラッシュメモリという)などの一括消去型不揮発性メモリおよび携帯電話に関するものである。
【0002】
【従来の技術】
現在の携帯電話などの組込型システムにおいては、システムのプログラムを格納する場合、ランダムアクセスが可能なフラッシュメモリを用いる一方、書き換え頻度が多いデータや比較的データ量が小さい不揮発データを記録する場合にはEEPROMを用い、また、大規模な不揮発データを記録する場合には、シリアル書き込みによるフラッシュメモリまたはバックアップ電源付きSRAMを用いるようにしている。
【0003】
ここで、EEPROMは、フラッシュメモリに比べて、ビットあたりの記憶素子数が多くビットあたりの単価が増大する。また、バックアップ電源付きSRAMにおいては電源を付けているためコストが増大する。上記の別々に記憶していたデータをフラッシュメモリで記憶することでデバイスの実装面積、及びコストが減少するメリットが生まれる。
【0004】
組込型システムにおける従来のフラッシュメモリは、システムプログラムの書込処理の実行中に、他のシステムプログラムを読み込むことができず、システムプログラムの書き込み時は特殊な処理を施してプログラムを書き込んでいたが、最近、データの書込処理の実行中に、他の書込をしていないエリアからデータを読み込むことができる一括消去型不揮発性メモリ(以下、BGOフラッシュメモリと呼ぶ)の出現により、データを格納していたフラッシュメモリをプログラムが格納されているフラッシュメモリに取り込むことが可能となった。
【0005】
フラッシュメモリにデータを格納する使用例として特公平7−50558号公報に示すような半導体ディスクがある(図14を参照)。
このシステムでは、フラッシュメモリ4を半導体ディスクとして使用し、この半導体ディスクの制御を行うために制御装置1、RAM2、バス制御部3及び内部バス5が設けられているが、フラッシュメモリ4はEEPROMやSRAMにない制限がある。
【0006】
即ち、データの書き込みが0から1、または、1から0の一方通行である。このため、一度書き込みが完了した場所に再書き込みをする場合は、書き込みたい場所を含むブロックの全体を一括消去して、ブロック全体を0または1にした後、データの書き込みを行う必要がある。このため、EEPROMやSRAMのようにバイト単位で書き込みを行うことが難しい。
【0007】
【発明が解決しようとする課題】
従来の一括消去型不揮発性メモリは以上のように構成されているので、データの書込処理が実行された場所を含むブロックの全体を一括消去すれば、再度、同一の場所にデータを書き込むことができるが、フラッシュメモリの消去可能回数はEEPROMと比較して、10分の1程度しか保証されておらず、書換頻度の高いデータの記憶には対応することが困難であるなどの課題があった。
【0008】
この発明は上記のような課題を解決するためになされたもので、書換頻度の高いデータの記憶にも対応することができる一括消去型不揮発性メモリおよび携帯電話を得ることを目的とする。
【0009】
【課題を解決するための手段】
この発明に係る一括消去型不揮発性メモリは、複数のセクタから構成されるクラスタにおける未使用領域のアドレス情報を格納するアドレス情報格納手段と、データの書込要求を受けると、その未使用領域のアドレス情報を参照して、その未使用領域に当該データの書込処理を実行するデータ書込手段と、上記データ書込手段がデータの書込処理を実行すると、その未使用領域のアドレス情報を更新するアドレス情報更新手段とを備え、前記データ書込手段は、クラスタの未使用領域又は未使用クラスタに対するデータの書込エラーが発生すると、他の未使用クラスタにデータの書込処理を実行するとともに、データの書込エラーが発生したクラスタを一括消去することを特徴とする。
【0010】
この発明に係る携帯電話は、一括消去型不揮発性メモリを備える携帯電話であって、前記一括消去型不揮発性メモリは、複数のセクタから構成されるクラスタにおける未使用領域のアドレス情報を格納するアドレス情報格納手段と、データの書込要求を受けると、その未使用領域のアドレス情報を参照して、その未使用領域に当該データの書込処理を実行するデータ書込手段と、上記データ書込手段がデータの書込処理を実行すると、その未使用領域のアドレス情報を更新するアドレス情報更新手段と、を備え、前記データ書込手段は、クラスタの未使用領域又は未使用クラスタに対するデータの書込エラーが発生すると、他の未使用クラスタにデータの書込処理を実行するとともに、データの書込エラーが発生したクラスタを一括消去することを特徴とする。
【0023】
【発明の実施の形態】
以下、この発明の実施の一形態を説明する。
実施の形態1.
図1はこの発明の実施の形態1による一括消去型不揮発性メモリを示す構成図であり、図において、11は複数のセクタを有するクラスタから構成されるBGOフラッシュメモリ(アドレス情報格納手段)であり、BGOフラッシュメモリ11の先頭のセクタには未使用領域のアドレス情報が格納されている。12はBGOフラッシュメモリ11を制御するマイクロコンピュータ、13はマイクロコンピュータ12のRAM、14はマイクロコンピュータ12のCPUであり、CPU14は未使用領域のアドレス情報をBGOフラッシュメモリ11の先頭のセクタに格納するアドレス情報格納手段と、データの書込要求を受けると、そのクラスタにおける未使用領域のアドレス情報を参照して、その未使用領域にデータの書込処理を実行するデータ書込手段と、その未使用領域のアドレス情報を更新するアドレス情報更新手段と、各クラスタにIDを登録するID管理手段と、ポインタ構築手段とを構成する。
なお、図1のシステムの周辺には、本システムを使用する携帯電話などの周辺デバイスが接続される。
【0024】
次に動作について説明する。
最初に、図2を参照しながらBGOフラッシュメモリ11の物理アドレス、クラスタ管理エリア及びアプリケーションエリアについて説明する。ただし、BGOフラッシュメモリ11は、データを消去するとFFhになり、データの書き換え方向は1から0であるとする。
【0025】
クラスタ管理エリアのクラスタIDは、1バイトで表現され、00h及びFFhを除いた254通りの表現が可能である(アプリケーションが使用するクラスタにはユニークなIDが登録される)。
また、FFhが初期状態のためFFhが未使用クラスタID(FFhは書込可能なクラスタであることを示す)、00hが無効クラスタID(00hは書込不可能なクラスタであることを示す)となる。
図2の3個のクラスタIDには同じ値が格納され、2以上のクラスタIDが一致するとき、クラスタIDが有効であると判断する。
【0026】
3個のクラスタIDの次にはコピーフラグが1バイト確保され、消去ブロックのクラスタ管理エリアの4バイトを除いたエリアがアプリケーションエリアとなる。このアプリケーションエリアは、アプリケーションが自由に使用することができるエリアである。
【0027】
各アプリケーションは、自分のデータが格納されているアドレスを直接保持することはなく、自分のアプリケーションIDを保持している。制約事項として、このアプリケーションIDは、システムを使用する全てのアプリケーションにおいて唯一のものでなければならない。
実際にアプリケーションがBGOフラッシュメモリ11を使用する場合は、自分のアプリケーションIDに一致するクラスタIDを検索して、自分の使用している物理アドレスを検索し、そこからさらに、自分の読み書きしたいデータのアドレスを計算する。
【0028】
BGOフラッシュメモリ11は、データの消去をブロック単位で行う必要があるため、ブロック内のあるエリアのみを消去する場合は、必要データの待避、ブロックの消去、必要データの書き込みを行う必要がある。
必要データの待避をRAM13に行うことは、コストの面、BGOフラッシュメモリ11を使う意味、及びデータの信頼性からも望ましいものではない。
このためデータの待避は必然的にBGOフラッシュメモリ11上に行うが、そのためにはデータが書き込まれていない未使用領域、即ち、ブランクエリアが必要である。上記操作をデータリクレームと呼び、BGOフラッシュメモリ11において避けて通ることのできない処理である。
【0029】
ここで、図3及び図4を参照しながらデータリクレーム時の処理を説明する。
例えば、クラスタAのデータリクレームが必要になると(ステップST1)、クラスタAのアプリケーションは、BGOフラッシュメモリ11上のブランクエリアを検索する(ステップST2)。例えば、クラスタDがブランクエリアである場合には、クラスタDのクラスタIDを参照して、ブランクエリアのアドレスを取得する(ステップST4)。
ただし、ブランクエリアが存在しない場合には、無効クラスタを一括消去してブランクエリアを作成し(ステップST3)、そのブランクエリアのアドレスを取得する(ステップST4)。
【0030】
そして、ブランクエリアのアドレスを取得すると、クラスタAのアプリケーションは、現在使用中であるクラスタAのコピーフラグを01hにして(ステップST5)、ブランクエリア(クラスタD)に自分のアプリケーションID(1hのID)を登録する(ステップST6)。(図4の中段を参照)
【0031】
クラスタAのアプリケーションは、ブランクエリア(クラスタD)に自分のアプリケーションIDを登録すると、必要データをブランクエリアにコピーし(ステップST7)、コピーが完了すると、古いエリアであるクラスタAを一括消去または無効化して、処理を終了する(ステップST8,ST9)。(図4の下段を参照)
【0032】
ただし、データリクレーム中に電源遮断などの障害が発生すると、クラスタIDが同一のクラスタが存在してしまう場合がある。このような場合は、アプリケーションに割り振られたクラスタIDは重複できないという制約事項があるため、システム起動時に取り除く必要がある。
【0033】
このため、システム起動時に、重複クラスタの存在をチェックするが、重複クラスタを検出すると、重複クラスタのうち、コピーフラグがFFhであるものを削除する。その理由は、一括消去またはデータの無効化をする前に、システムの障害が発生すると、データリクレームの処理がどこまで完了したかを見極めることが困難である。そのため、コピーフラグを見てコピー元を判断し、コピー先を削除する。コピー元を保持しておけば、データの内容が壊れて書き込みが不可能になる不具合を回避することができるからである。
【0034】
次に、データの書き込み時にデバイスエラー(書込エラー)が発生すると、再度、データの書込処理を実行する必要がある。そのような場合に対処するために、ブランクエリアを2エリア以上用意しておくようにする。
また、データの書込エラーが発生すると、書込エラーが発生したクラスタIDを無効クラスタに変更して、新しいブランククラスタを取得し、リクレーム処理を実行する。無効クラスタにおいても、一旦、一括消去を行うと、クラスタの状態が元の正常な状態に戻る場合があるため、電源投入時や、システムが暇な時などに無効エリアを一括消去する。これは、デバイスの突発的なエラーに対して有効な手段である。
【0035】
図5はアプリケーションにおける内部データを示す構造図である。
クラスタはnページのセクタから構成されており、0ページ目にヘッダが確保され、1ページ目以降にデータエリアが確保されている。
このうち0ページの先頭4バイトはクラスタIDとコピー用フラグとして使用され、その後ろに32バイトの格納ページ情報が格納される。書き込むデータ長はシステムにて予め決定され、そのシステム内においては不変である。
【0036】
図7はデータの読み込み手順を示すものであるが、アプリケーションは、クラスタIDを参照して格納ページ情報を読み出し、データが格納されているセクタであるページ番号を取得する。
アプリケーションは、例えば、データがxページ目に格納されていることを認識すると、xページ目の先頭位置に格納されている格納位置オフセット情報を参照し、xページの何処にデータが格納されているかを認識する。
【0037】
ここで、格納ページ情報と格納位置オフセット情報は、ビットマップフィールドで表記され、両者とも32バイトのエリアを確保し、ビットが256個存在する。各ビットの値は、セクタの使用状態が変化するごとに、1から0に変更される。
【0038】
即ち、格納ページ情報については、例えば、1ページ目からxページ目までデータが格納されると、LSBからxビットまで、ビット値が1から0に変更され、0の数のトータルが指定ページに対応する。
一方、格納位置オフセット情報については、図6に示すように、データ領域の1バイトと、格納位置オフセット情報の1ビットが対応し、データ領域の先頭バイトから順次データが格納されるごとに、格納位置オフセット情報のLSBから順次1ビットが1から0に変更される。
【0039】
これにより、アプリケーションは、格納ページ情報における0のビットの合計からデータが格納されているページ番号を認識すると、格納位置オフセット情報のLSBから順次ビットの値をサーチして、データ領域の先頭からどこまでデータが格納されているかを認識する。
例えば、格納位置オフセット情報のLSBから24ビットまでが0の場合には、データ領域の先頭から24バイトまでデータが格納されていると認識する。
そして、アプリケーションは、データが格納されている最終位置を認識すると、そこからデータ長分前に戻った位置がデータの先頭アドレスであるので、その先頭アドレスからデータを読み出す処理を実行する。
【0040】
図8はデータの書込手順を示すフローチャートである。
まず、アプリケーションは、データの読み出し時と同じ手順で、データが格納されている最終位置を認識すると、そのページ内にブランクエリア(未使用領域)が存在するか否かを調査する(ステップST11)。
【0041】
ブランクエリアが存在する場合は、データが格納されている最終位置の次の位置を先頭アドレスとして、書込要求に係るデータの書込処理を実行するとともに、格納位置オフセット情報を更新する(ステップST12)。即ち、データが格納されている最終位置の次の位置に対応するビットを1から0に変更する。
【0042】
一方、現在のページ内にブランクエリアが存在しない場合、クラスタ内に次のページが存在するか否かを調査する(ステップST13)。
次のページが存在する場合には、次のページの格納位置オフセット情報を参照して、次のページがブランクであるか否かを調査する(ステップST14)。これは、次のページにおける過去のデータ書込時において、電源遮断等の障害が発生したことがあると、書込途中のデータが残っていることがあるからである(書込途中のデータが残っていると、新たなデータを書き込むことができない不具合が発生する)。
【0043】
アプリケーションは、次のページがブランクである場合には、データ領域の先頭位置に、書込要求に係るデータの書込処理を実行するとともに、格納位置オフセット情報を更新する(ステップST15)。また、アプリケーションは、格納ページ情報も更新する(ステップST16)。即ち、次のページに対応するビットを1から0に変更する。
【0044】
次のページがブランクでない場合には、更に次のページがブランクであるか否かを調査するが、次のページが存在しなくなると、上述したデータリクレームを実行して、他の未使用クラスタにおける1ページ目のデータ領域の先頭位置に、書込要求に係るデータの書込処理を実行する(ステップST17)。
【0045】
以上で明らかなように、この実施の形態1によれば、データの書込要求を受けると、未使用領域のアドレス情報を参照して、その未使用領域にデータの書込処理を実行するように構成したので、クラスタに未使用領域が存在する場合には、当該クラスタを一括消去することなく、データの書き込みが可能になり、その結果、BGOフラッシュメモリ11の書換回数が増加する効果を奏する。
【0046】
実施の形態2.
上記実施の形態1では、ページ内にブランクエリアが存在する場合、既に書き込まれているデータの後ろに詰めて最新のデータを書き込むものについて示したが、即ち、ページ内には複数のデータを格納する領域を確保して、最後に格納されたデータ(最新データ)のみを有効にするものについて示したが、図9に示すように、セクタ(ページ)内に複数のデータブロックを構成し、セクタのヘッダエリア内に格納されているデータブロックの使用状況を示す使用状況フラグ(ページ内使用中ブロックフラグ、ページ内使用済ブロックフラグ)を参照して、各データブロックの未使用領域にデータの書込処理を実行するようにしてもよい。
【0047】
図9はアプリケーションにおける内部データを示す構造図である。
クラスタの全てにページヘッダと、複数個のデータブロックを作成する。ページヘッダにはクラスタIDと、コピー用フラグを先頭におき、その後ろにページ内使用中ブロックフラグを3バイト、ページ内使用済ブロックフラグを3バイトおく。
なお、データブロック内には、データNOとデータ領域使用状況を1バイトずつおき、その後ろ8バイトをデータ領域として使用する。
【0048】
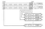
図10はページ内使用中ブロックフラグ及びページ内使用済ブロックフラグとデータブロックの対応図である。
使用中のブロックを検索するには、ページ内使用中ブロックフラグとページ内使用済ブロックフラグの排他的論理和を求め、その結果が1のビットに対応するデータブロックが使用中のデータブロックになる(図10の例では、データブロックP)。
【0049】
データの読み書きは、データIDを指定することにより行う。
このうち、00hは使用済データIDとし、FFhはブランクデータIDとする。その他、254種類のデータIDをとることができる。各IDに割り振られるデータサイズは1バイトから8バイトまでの値をとることができ、プログラム中では、データサイズを変えることがないものとする。
【0050】
また、アプリケーションのポインタ構築手段がデータ検索用のポインタ(データを格納しているデータブロックのブロック位置を示すポインタ)をRAM13に作成する。ポインタの内部にはページ番号及びデータエリアのブロック番号を格納する。これを電源投入時などRAM13の内容が消えてしまったときに、全てのデータエリアをサーチして検索し、内容を保持する。
【0051】
読み出し時は、アプリケーションがデータIDのポインタが示すデータブロックを検索し、データ領域使用状況(図11を参照)を参照してデータの読込処理を実行する。
即ち、データ領域使用状況の8ビットがデータ領域の8バイトの使用状況に対応しており、データ領域使用状況のビットが0の場所が使用済の場所である。
【0052】
図12はデータ検索用ポインタの初期ルーチンを示すフローチャートである。
電源投入時などの初期ルーチンにおいては、アプリケーションが使用クラスタのアドレスを検索し、ページ内にデータがある場合には、ポインタのデータを更新する(ステップST21〜ST23)。
ページ内の使用データの検索方法であるが、全てのブロックを検索すると非常にデータ数が多いため、データの読込時と同様に、ページヘッダのページ内使用中ブロックフラグとページ内使用済ブロックフラグを参照して、使用データを検索する。
そして、全てのページの検索が終了するまで、上記の処理を繰り返し(ステップST24,ST25)、最後のページの検索が終了した時点でポインタの作成が完了する。
【0053】
図13はデータの書込手順を示すフローチャートである。
まず、アプリケーションは、データが格納されているデータブロックのブランクエリアを検索し、データを書き込むことができるブランクエリアがデータエリア内に存在する場合には、そのデータブロックのデータエリア(ブランクエリア)内にデータの書込処理を実行する(ステップST31,ST32)。
【0054】
一方、データを書き込むことができるブランクエリアがデータエリア内に存在しない場合には、他の新しいデータブロックを取得できるか否かを判断する(ステップST33)。
新しいデータブロックが取得できた場合、新しいデータブロックにデータNO、データ領域及びページ内使用中ブロックフラグを書き込む処理を実行する(ステップST34,ST35)。また、ページ内使用済ブロックフラグ及びデータブロックのIDの書込も同時に実行する(ステップST36,ST37)。なお、データブロックを新しく取得できない場合には、データリクレームを実行する(ステップST38)。
【0055】
以上で明らかなように、この実施の形態2によれば、セクタが複数のデータブロックから構成される場合、セクタのヘッダ領域内に格納されているデータブロックの使用状況を示す使用状況フラグ(ページ内使用中ブロックフラグ、ページ内使用済ブロックフラグ)等を参照して、そのデータブロックの未使用領域にデータの書込処理を実行するように構成したので、1バイトから8バイトの単位で、最大254種類のデータを自由に書き換えることができる効果を奏する。
【0056】
実施の形態3.
上記実施の形態1及び実施の形態2では、BGOフラッシュメモリ11にデータを書き込むものについて示したが、これに限るものではなく、その他の一括消去型不揮発性メモリにおいても使用可能であることは言うまでもない。
【0057】
【発明の効果】
以上のように、この発明によれば、クラスタの未使用領域又は未使用クラスタに対するデータの書込エラーが発生すると、他の未使用クラスタにデータの書込処理を実行するとともに、データの書込エラーが発生したクラスタを一括消去するように構成したので、データの書込エラーが発生しても、データの書込処理を実行することができる効果がある。
【図面の簡単な説明】
【図1】 この発明の実施の形態1による一括消去型不揮発性メモリを示す構成図である。
【図2】 BGOフラッシュメモリの内部構造及びクラスタ管理エリアを示す説明図である。
【図3】 データリクレームの処理を示すフローチャートである。
【図4】 データリクレーム時におけるクラスタIDの割り当てを示す説明図である。
【図5】 アプリケーションにおける内部データを示す構造図である。
【図6】 格納位置オフセット情報とデータの対応関係を示す説明図である。
【図7】 データの読み込み手順を示す説明図である。
【図8】 データの書込手順を示すフローチャートである。
【図9】 アプリケーションにおける内部データを示す構造図である。
【図10】 ページ内使用中ブロックフラグ及びページ内使用済ブロックフラグとデータブロックの対応図である。
【図11】 データ領域使用状況とデータ領域の対応図である。
【図12】 データ検索用ポインタの初期ルーチンを示すフローチャートである。
【図13】 データの書込手順を示すフローチャートである。
【図14】 フラッシュメモリにデータを格納する半導体ディスクを示す構成図である。
【符号の説明】
11 BGOフラッシュメモリ(アドレス情報格納手段)、14 CPU(アドレス情報格納手段、データ書込手段、アドレス情報更新手段、ID管理手段、ポインタ構築手段)。
Claims (6)
- 複数のセクタから構成されるクラスタにおける未使用領域のアドレス情報を格納するアドレス情報格納手段と、
データの書込要求を受けると、その未使用領域のアドレス情報を参照して、その未使用領域に当該データの書込処理を実行するデータ書込手段と、
上記データ書込手段がデータの書込処理を実行すると、その未使用領域のアドレス情報を更新するアドレス情報更新手段と、
を備え、
前記データ書込手段は、クラスタの未使用領域又は未使用クラスタに対するデータの書込エラーが発生すると、他の未使用クラスタにデータの書込処理を実行するとともに、データの書込エラーが発生したクラスタを一括消去することを特徴とする一括消去型不揮発性メモリ。 - アプリケーションが使用するクラスタの他に、少なくとも2以上の未使用クラスタが用意されていることを特徴とする請求項1記載の一括消去型不揮発性メモリ。
- アプリケーションが使用するクラスタにはユニークなIDを登録する一方、未使用クラスタには書込可能であることを示すIDを登録するID管理手段を設け、ID管理手段は、データの書込エラーが発生すると、データの書込エラーが発生したクラスタには書込不可能であることを示すIDを登録することを特徴とする請求項1記載の一括消去型不揮発性メモリ。
- 一括消去型不揮発性メモリを備える携帯電話であって、
前記一括消去型不揮発性メモリは、
複数のセクタから構成されるクラスタにおける未使用領域のアドレス情報を格納するアドレス情報格納手段と、
データの書込要求を受けると、その未使用領域のアドレス情報を参照して、その未使用領域に当該データの書込処理を実行するデータ書込手段と、
上記データ書込手段がデータの書込処理を実行すると、その未使用領域のアドレス情報を更新するアドレス情報更新手段と、
を備え、
前記データ書込手段は、クラスタの未使用領域又は未使用クラスタに対するデータの書込エラーが発生すると、他の未使用クラスタにデータの書込処理を実行するとともに、データの書込エラーが発生したクラスタを一括消去することを特徴とする携帯電話。 - アプリケーションが使用するクラスタの他に、少なくとも2以上の未使用クラスタが用意されていることを特徴とする請求項4記載の携帯電話。
- アプリケーションが使用するクラスタにはユニークなIDを登録する一方、未使用クラスタには書込可能であることを示すIDを登録するID管理手段を設け、ID管理手段は、データの書込エラーが発生すると、データの書込エラーが発生したクラスタには書込不可能であることを示すIDを登録することを特徴とする請求項4記載の携帯電話。
Priority Applications (6)
| Application Number | Priority Date | Filing Date | Title |
|---|---|---|---|
| JP35503598A JP4046877B2 (ja) | 1998-12-14 | 1998-12-14 | 一括消去型不揮発性メモリおよび携帯電話 |
| US09/318,791 US6839798B1 (en) | 1998-12-14 | 1999-05-26 | Flash memory capable of storing frequently rewritten data |
| TW088120207A TW454119B (en) | 1998-12-14 | 1999-11-19 | Batch erasable non-volatile memory and the control method |
| DE19960258A DE19960258A1 (de) | 1998-12-14 | 1999-12-14 | Flash-Speicher-Einheit und Verfahren zur Steuerung des Flash-Speichers |
| KR10-1999-0057353A KR100370893B1 (ko) | 1998-12-14 | 1999-12-14 | 일괄 소거형 비휘발성 메모리 장치 |
| CNB991267354A CN1149487C (zh) | 1998-12-14 | 1999-12-14 | 一并擦除型非易失性存储器和快速存储器的控制方法 |
Applications Claiming Priority (1)
| Application Number | Priority Date | Filing Date | Title |
|---|---|---|---|
| JP35503598A JP4046877B2 (ja) | 1998-12-14 | 1998-12-14 | 一括消去型不揮発性メモリおよび携帯電話 |
Related Child Applications (1)
| Application Number | Title | Priority Date | Filing Date |
|---|---|---|---|
| JP2007279010A Division JP4794530B2 (ja) | 2007-10-26 | 2007-10-26 | 半導体装置および携帯電話 |
Publications (2)
| Publication Number | Publication Date |
|---|---|
| JP2000182381A JP2000182381A (ja) | 2000-06-30 |
| JP4046877B2 true JP4046877B2 (ja) | 2008-02-13 |
Family
ID=18441548
Family Applications (1)
| Application Number | Title | Priority Date | Filing Date |
|---|---|---|---|
| JP35503598A Expired - Fee Related JP4046877B2 (ja) | 1998-12-14 | 1998-12-14 | 一括消去型不揮発性メモリおよび携帯電話 |
Country Status (6)
| Country | Link |
|---|---|
| US (1) | US6839798B1 (ja) |
| JP (1) | JP4046877B2 (ja) |
| KR (1) | KR100370893B1 (ja) |
| CN (1) | CN1149487C (ja) |
| DE (1) | DE19960258A1 (ja) |
| TW (1) | TW454119B (ja) |
Families Citing this family (23)
| Publication number | Priority date | Publication date | Assignee | Title |
|---|---|---|---|---|
| EP1150453B1 (en) * | 2000-04-26 | 2006-02-15 | Semiconductor Energy Laboratory Co., Ltd. | A communication system and method for identifying an individual by means of biological information |
| JP2002035381A (ja) * | 2000-07-28 | 2002-02-05 | Shinobu Hidaka | パチンコ出玉管理システム、パチンコ遊戯台およびパチンコカード |
| WO2003009301A1 (en) * | 2001-07-17 | 2003-01-30 | Mitsubishi Denki Kabushiki Kaisha | Storage device |
| US8504798B2 (en) * | 2003-12-30 | 2013-08-06 | Sandisk Technologies Inc. | Management of non-volatile memory systems having large erase blocks |
| US7631138B2 (en) * | 2003-12-30 | 2009-12-08 | Sandisk Corporation | Adaptive mode switching of flash memory address mapping based on host usage characteristics |
| TWI266291B (en) * | 2004-07-23 | 2006-11-11 | Mediatek Inc | Method and apparatus of blank detection for optical storage disk |
| CN100481267C (zh) * | 2004-08-09 | 2009-04-22 | 凌阳科技股份有限公司 | 使用非易失性存储器的方法及其电子装置 |
| CN100442246C (zh) * | 2004-08-26 | 2008-12-10 | 旺玖科技股份有限公司 | 非易失性存储器的数据更新方法 |
| JP4715155B2 (ja) * | 2004-10-08 | 2011-07-06 | ソニー株式会社 | 情報処理装置及び情報処理方法、並びにコンピュータ・プログラム |
| WO2007072317A2 (en) * | 2005-12-21 | 2007-06-28 | Nxp B.V. | Non-volatile memory with block erasable locations |
| US7668018B2 (en) * | 2007-04-03 | 2010-02-23 | Freescale Semiconductor, Inc. | Electronic device including a nonvolatile memory array and methods of using the same |
| US7877541B2 (en) * | 2007-12-22 | 2011-01-25 | Unity Semiconductor Corporation | Method and system for accessing non-volatile memory |
| JP2009288963A (ja) * | 2008-05-28 | 2009-12-10 | Sanyo Electric Co Ltd | データ書き込み装置及びプログラム |
| US7917803B2 (en) * | 2008-06-17 | 2011-03-29 | Seagate Technology Llc | Data conflict resolution for solid-state memory devices |
| US8321764B2 (en) * | 2008-12-11 | 2012-11-27 | Micron Technology, Inc. | Multilevel encoding with error correction |
| JP5533141B2 (ja) * | 2010-03-31 | 2014-06-25 | アイシン・エィ・ダブリュ株式会社 | 書き込み装置、書き込み方法、及び書き込みプログラム |
| FR2959586B1 (fr) * | 2010-04-30 | 2012-06-22 | Proton World Int Nv | Procede d'ecriture et de lecture dans une memoire d'atomicite |
| US9633012B1 (en) | 2011-08-25 | 2017-04-25 | Infotech International Llc | Construction permit processing system and method |
| US9116895B1 (en) | 2011-08-25 | 2015-08-25 | Infotech International Llc | Document processing system and method |
| US9785638B1 (en) | 2011-08-25 | 2017-10-10 | Infotech International Llc | Document display system and method |
| JP7112060B2 (ja) | 2018-12-26 | 2022-08-03 | ルネサスエレクトロニクス株式会社 | 半導体装置およびその電源制御方法 |
| CN112181303B (zh) * | 2020-09-29 | 2024-08-16 | 广东艾科技术股份有限公司 | 数据存储方法、装置、计算机设备和存储介质 |
| CN115686379B (zh) * | 2022-12-14 | 2024-02-20 | 江苏华存电子科技有限公司 | 一种优化闪存中空白数据区管理的方法及系统 |
Family Cites Families (9)
| Publication number | Priority date | Publication date | Assignee | Title |
|---|---|---|---|---|
| US5438573A (en) | 1991-09-13 | 1995-08-01 | Sundisk Corporation | Flash EEPROM array data and header file structure |
| US5404485A (en) | 1993-03-08 | 1995-04-04 | M-Systems Flash Disk Pioneers Ltd. | Flash file system |
| JPH06332806A (ja) | 1993-05-25 | 1994-12-02 | Hitachi Ltd | フラッシュメモリを記憶媒体とする記憶システムおよびその制御方法 |
| JPH0750558A (ja) | 1993-08-04 | 1995-02-21 | Seiko Epson Corp | 論理回路 |
| JP3154892B2 (ja) * | 1994-05-10 | 2001-04-09 | 株式会社東芝 | Icメモリカードおよびそのicメモリカードの検査方法 |
| JPH08137634A (ja) | 1994-11-09 | 1996-05-31 | Mitsubishi Electric Corp | フラッシュディスクカード |
| GB2291991A (en) | 1995-09-27 | 1996-02-07 | Memory Corp Plc | Disk drive emulation with a block-erasable memory |
| JP3615299B2 (ja) * | 1996-03-29 | 2005-02-02 | 三洋電機株式会社 | 書換え可能romの記憶方法及び記憶装置 |
| US6038636A (en) * | 1998-04-27 | 2000-03-14 | Lexmark International, Inc. | Method and apparatus for reclaiming and defragmenting a flash memory device |
-
1998
- 1998-12-14 JP JP35503598A patent/JP4046877B2/ja not_active Expired - Fee Related
-
1999
- 1999-05-26 US US09/318,791 patent/US6839798B1/en not_active Expired - Fee Related
- 1999-11-19 TW TW088120207A patent/TW454119B/zh not_active IP Right Cessation
- 1999-12-14 KR KR10-1999-0057353A patent/KR100370893B1/ko not_active Expired - Fee Related
- 1999-12-14 CN CNB991267354A patent/CN1149487C/zh not_active Expired - Fee Related
- 1999-12-14 DE DE19960258A patent/DE19960258A1/de not_active Ceased
Also Published As
| Publication number | Publication date |
|---|---|
| CN1149487C (zh) | 2004-05-12 |
| KR20000048112A (ko) | 2000-07-25 |
| CN1258046A (zh) | 2000-06-28 |
| KR100370893B1 (ko) | 2003-02-05 |
| DE19960258A1 (de) | 2000-06-21 |
| US6839798B1 (en) | 2005-01-04 |
| JP2000182381A (ja) | 2000-06-30 |
| TW454119B (en) | 2001-09-11 |
Similar Documents
| Publication | Publication Date | Title |
|---|---|---|
| JP4046877B2 (ja) | 一括消去型不揮発性メモリおよび携帯電話 | |
| JP3692313B2 (ja) | 不揮発性メモリの制御方法 | |
| US6865658B2 (en) | Nonvolatile data management system using data segments and link information | |
| USRE45222E1 (en) | Method of writing of writing to a flash memory including data blocks and log blocks, using a logical address having a block address portion and page identifying portion, a block address table and a page table | |
| US6687784B2 (en) | Controller for controlling nonvolatile memory unit | |
| JP4633802B2 (ja) | 不揮発性記憶装置及びデータ読み出し方法及び管理テーブル作成方法 | |
| KR0128218B1 (ko) | 일괄 소거형 비휘발성 메모리 | |
| JP4524309B2 (ja) | フラッシュメモリ用のメモリコントローラ | |
| US8041884B2 (en) | Controller for non-volatile memories and methods of operating the memory controller | |
| JP3485938B2 (ja) | 不揮発性半導体メモリ装置 | |
| EP1548602B1 (en) | Non-volatile storage device control method | |
| JP2004152302A (ja) | 不揮発性メモリシステムにおいてブロックキャッシュを実行する方法および装置 | |
| JP2002508862A (ja) | フラッシュメモリ内のブロックにおける移動セクタ | |
| KR20080037283A (ko) | 플래시 메모리 장치를 포함하는 시스템 및 그것의 데이터복구 방법 | |
| JP4301301B2 (ja) | 不揮発性半導体記憶装置およびその管理方法 | |
| US7558904B2 (en) | Controller, data memory system, data rewriting method, and computer program product | |
| JP4794530B2 (ja) | 半導体装置および携帯電話 | |
| CN115878033A (zh) | 一种固态硬盘及其映射表管理方法 | |
| JPH11272569A (ja) | フラッシュメモリを使用した外部記憶装置のデータ回復方式 | |
| JP7219813B2 (ja) | 演算処理装置、車両制御装置及び更新方法 | |
| JP3826115B2 (ja) | 記憶装置、メモリ管理方法及びプログラム | |
| JP2004326523A (ja) | 書き換え可能な不揮発性メモリを備えた記憶装置及び記憶装置用不揮発性メモリの制御方法 | |
| JP4661369B2 (ja) | メモリコントローラ | |
| JP3166659B2 (ja) | 記憶装置 | |
| JP3670151B2 (ja) | フラッシュメモリのアクセス方法、フラッシュメモリへアクセスするドライバを備えるシステム、および、フラッシュメモリ |
Legal Events
| Date | Code | Title | Description |
|---|---|---|---|
| A621 | Written request for application examination |
Free format text: JAPANESE INTERMEDIATE CODE: A621 Effective date: 20050406 |
|
| RD01 | Notification of change of attorney |
Free format text: JAPANESE INTERMEDIATE CODE: A7421 Effective date: 20060223 |
|
| RD01 | Notification of change of attorney |
Free format text: JAPANESE INTERMEDIATE CODE: A7421 Effective date: 20060310 |
|
| A131 | Notification of reasons for refusal |
Free format text: JAPANESE INTERMEDIATE CODE: A131 Effective date: 20070828 |
|
| A521 | Written amendment |
Free format text: JAPANESE INTERMEDIATE CODE: A523 Effective date: 20071026 |
|
| TRDD | Decision of grant or rejection written | ||
| A01 | Written decision to grant a patent or to grant a registration (utility model) |
Free format text: JAPANESE INTERMEDIATE CODE: A01 Effective date: 20071120 |
|
| A61 | First payment of annual fees (during grant procedure) |
Free format text: JAPANESE INTERMEDIATE CODE: A61 Effective date: 20071121 |
|
| FPAY | Renewal fee payment (event date is renewal date of database) |
Free format text: PAYMENT UNTIL: 20101130 Year of fee payment: 3 |
|
| R150 | Certificate of patent or registration of utility model |
Free format text: JAPANESE INTERMEDIATE CODE: R150 |
|
| FPAY | Renewal fee payment (event date is renewal date of database) |
Free format text: PAYMENT UNTIL: 20111130 Year of fee payment: 4 |
|
| FPAY | Renewal fee payment (event date is renewal date of database) |
Free format text: PAYMENT UNTIL: 20111130 Year of fee payment: 4 |
|
| S111 | Request for change of ownership or part of ownership |
Free format text: JAPANESE INTERMEDIATE CODE: R313115 |
|
| FPAY | Renewal fee payment (event date is renewal date of database) |
Free format text: PAYMENT UNTIL: 20111130 Year of fee payment: 4 |
|
| R350 | Written notification of registration of transfer |
Free format text: JAPANESE INTERMEDIATE CODE: R350 |
|
| FPAY | Renewal fee payment (event date is renewal date of database) |
Free format text: PAYMENT UNTIL: 20111130 Year of fee payment: 4 |
|
| FPAY | Renewal fee payment (event date is renewal date of database) |
Free format text: PAYMENT UNTIL: 20121130 Year of fee payment: 5 |
|
| FPAY | Renewal fee payment (event date is renewal date of database) |
Free format text: PAYMENT UNTIL: 20121130 Year of fee payment: 5 |
|
| FPAY | Renewal fee payment (event date is renewal date of database) |
Free format text: PAYMENT UNTIL: 20131130 Year of fee payment: 6 |
|
| S531 | Written request for registration of change of domicile |
Free format text: JAPANESE INTERMEDIATE CODE: R313531 |
|
| R350 | Written notification of registration of transfer |
Free format text: JAPANESE INTERMEDIATE CODE: R350 |
|
| LAPS | Cancellation because of no payment of annual fees |