JP2016508591A - 取付手段、ガスケット装置、およびアセンブリ - Google Patents

取付手段、ガスケット装置、およびアセンブリ Download PDF

Info

Publication number
JP2016508591A
JP2016508591A JP2015554076A JP2015554076A JP2016508591A JP 2016508591 A JP2016508591 A JP 2016508591A JP 2015554076 A JP2015554076 A JP 2015554076A JP 2015554076 A JP2015554076 A JP 2015554076A JP 2016508591 A JP2016508591 A JP 2016508591A
Authority
JP
Japan
Prior art keywords
gasket
heat exchanger
finger
engage
fingers
Prior art date
Legal status (The legal status is an assumption and is not a legal conclusion. Google has not performed a legal analysis and makes no representation as to the accuracy of the status listed.)
Granted
Application number
JP2015554076A
Other languages
English (en)
Other versions
JP6487338B2 (ja
Inventor
マグヌス・ヘドベリ
ヨハン・ニルソン
Original Assignee
アルファ−ラヴァル・コーポレート・アーベー
Priority date (The priority date is an assumption and is not a legal conclusion. Google has not performed a legal analysis and makes no representation as to the accuracy of the date listed.)
Filing date
Publication date
Application filed by アルファ−ラヴァル・コーポレート・アーベー filed Critical アルファ−ラヴァル・コーポレート・アーベー
Publication of JP2016508591A publication Critical patent/JP2016508591A/ja
Application granted granted Critical
Publication of JP6487338B2 publication Critical patent/JP6487338B2/ja
Active legal-status Critical Current
Anticipated expiration legal-status Critical

Links

Images

Classifications

    • FMECHANICAL ENGINEERING; LIGHTING; HEATING; WEAPONS; BLASTING
    • F28HEAT EXCHANGE IN GENERAL
    • F28FDETAILS OF HEAT-EXCHANGE AND HEAT-TRANSFER APPARATUS, OF GENERAL APPLICATION
    • F28F3/00Plate-like or laminated elements; Assemblies of plate-like or laminated elements
    • F28F3/08Elements constructed for building-up into stacks, e.g. capable of being taken apart for cleaning
    • FMECHANICAL ENGINEERING; LIGHTING; HEATING; WEAPONS; BLASTING
    • F28HEAT EXCHANGE IN GENERAL
    • F28DHEAT-EXCHANGE APPARATUS, NOT PROVIDED FOR IN ANOTHER SUBCLASS, IN WHICH THE HEAT-EXCHANGE MEDIA DO NOT COME INTO DIRECT CONTACT
    • F28D9/00Heat-exchange apparatus having stationary plate-like or laminated conduit assemblies for both heat-exchange media, the media being in contact with different sides of a conduit wall
    • FMECHANICAL ENGINEERING; LIGHTING; HEATING; WEAPONS; BLASTING
    • F28HEAT EXCHANGE IN GENERAL
    • F28DHEAT-EXCHANGE APPARATUS, NOT PROVIDED FOR IN ANOTHER SUBCLASS, IN WHICH THE HEAT-EXCHANGE MEDIA DO NOT COME INTO DIRECT CONTACT
    • F28D9/00Heat-exchange apparatus having stationary plate-like or laminated conduit assemblies for both heat-exchange media, the media being in contact with different sides of a conduit wall
    • F28D9/0031Heat-exchange apparatus having stationary plate-like or laminated conduit assemblies for both heat-exchange media, the media being in contact with different sides of a conduit wall the conduits for one heat-exchange medium being formed by paired plates touching each other
    • F28D9/0043Heat-exchange apparatus having stationary plate-like or laminated conduit assemblies for both heat-exchange media, the media being in contact with different sides of a conduit wall the conduits for one heat-exchange medium being formed by paired plates touching each other the plates having openings therein for circulation of at least one heat-exchange medium from one conduit to another
    • F28D9/005Heat-exchange apparatus having stationary plate-like or laminated conduit assemblies for both heat-exchange media, the media being in contact with different sides of a conduit wall the conduits for one heat-exchange medium being formed by paired plates touching each other the plates having openings therein for circulation of at least one heat-exchange medium from one conduit to another the plates having openings therein for both heat-exchange media
    • FMECHANICAL ENGINEERING; LIGHTING; HEATING; WEAPONS; BLASTING
    • F28HEAT EXCHANGE IN GENERAL
    • F28FDETAILS OF HEAT-EXCHANGE AND HEAT-TRANSFER APPARATUS, OF GENERAL APPLICATION
    • F28F3/00Plate-like or laminated elements; Assemblies of plate-like or laminated elements
    • F28F3/08Elements constructed for building-up into stacks, e.g. capable of being taken apart for cleaning
    • F28F3/10Arrangements for sealing the margins
    • FMECHANICAL ENGINEERING; LIGHTING; HEATING; WEAPONS; BLASTING
    • F28HEAT EXCHANGE IN GENERAL
    • F28FDETAILS OF HEAT-EXCHANGE AND HEAT-TRANSFER APPARATUS, OF GENERAL APPLICATION
    • F28F2275/00Fastening; Joining
    • F28F2275/08Fastening; Joining by clamping or clipping
    • F28F2275/085Fastening; Joining by clamping or clipping with snap connection
    • FMECHANICAL ENGINEERING; LIGHTING; HEATING; WEAPONS; BLASTING
    • F28HEAT EXCHANGE IN GENERAL
    • F28FDETAILS OF HEAT-EXCHANGE AND HEAT-TRANSFER APPARATUS, OF GENERAL APPLICATION
    • F28F3/00Plate-like or laminated elements; Assemblies of plate-like or laminated elements
    • F28F3/08Elements constructed for building-up into stacks, e.g. capable of being taken apart for cleaning
    • F28F3/083Elements constructed for building-up into stacks, e.g. capable of being taken apart for cleaning capable of being taken apart

Landscapes

  • Engineering & Computer Science (AREA)
  • Physics & Mathematics (AREA)
  • Thermal Sciences (AREA)
  • Mechanical Engineering (AREA)
  • General Engineering & Computer Science (AREA)
  • Heat-Exchange Devices With Radiators And Conduit Assemblies (AREA)
  • Gasket Seals (AREA)
  • Connection Of Plates (AREA)

Abstract

取付手段(40)、ガスケット装置(6)、およびアセンブリ(2)が提供される。取付手段は、ガスケット(38)を熱交換器プレートの第1側(8)に締結するために、熱交換器プレート(4)の縁部(26、28)と係合するように配置されている。取付手段は第1接続部材(42)、第2接続部材(44)、およびブリッジ(46)を具備している。第1接続部材の第1部分(48)はガスケットと係合するように配置されており、一方で第1接続部の第2部分(52)はブリッジと係合している。第2接続部材の第1部分(50)はガスケットと係合するように配置されており、第2接続部材の第2部分(54)はブリッジと係合している。取付手段は、第1接続部材と第2接続部材との間に配置された複数のフィンガ(60、62、64)をさらに具備していることによって特徴付けられている。各フィンガの個々の接続部(66、68、70)はブリッジと係合し、フィンガはブリッジからガスケットに向かって延びるように配置されている。少なくとも1つのフィンガは熱交換器プレートの第1側(8)と係合するように配置されており、少なくとも1つの別のフィンガは熱交換器プレートの反対側の第2側と係合するように配置されている。

Description

本発明は、請求項1の前段による、ガスケットを熱交換プレートの第1側に締結するための、熱交換プレートの縁部と係合するように配置された取付手段に関する。本発明は、そのようなガスケットおよびそのような取付手段を具備したガスケット装置にも関する。さらに、本発明は、そのような熱交換プレート、そのようなガスケット、およびそのような取付手段を具備したアセンブリに関する。
プレート熱交換器、所謂PHEsは、一般的に2つのエンドプレートから成り、それらのエンドプレートの間に複数の熱伝達プレートが、整列された様式において、すなわち積層されて配列されている。ガスケットPHEsと称される、周知のPHEsの1つのタイプにおいては、ガスケットは熱伝達プレートの間において、一般的にガスケット溝内に配置されており、これらの溝は熱交換プレートの端縁に沿って延びている。エンドプレート、したがって熱伝達プレートは互いに向かって押圧され、それによりガスケットは熱伝達プレート間をシールする。ガスケットは熱伝達プレート間において平行な流れチャネルを形成し、このチャネルを通じて、初期的に交互に温度の異なった2つの流体が、一方の流体から他方の流体へ熱を伝達するために流れる。チャネルの漏れを無くすために、ガスケットがプレート間において正確に配置されることが、当然に必須である。
プレート熱交換器が閉じられた場合、ガスケットはプレート間で圧搾され、それにより所定の位置に堅固に保持される。しかしながら、プレート熱交換器が組み立てられまたは保守のために解放されている場合のように、ガスケットがプレート間で圧搾されていない場合、ガスケットをプレートに対して正確に固定するための何らかの手段が必要とされる。ガスケットをプレートに対して固定するために、接着剤またはテープのようなある種の接着手段を使用することが知られている。しかしながら、ガスケットを接着剤によって取り付けることは、比較的時間の浪費となり、したがって高価なものとなる。さらに、接着剤による固定は、ガスケットおよびそのシール能力に悪影響を与え得る。また、機械的にガスケットを固定する解決策は、例えば本願出願人自身の特許文献1を通じて既に知られている。この文献は、ガスケットを熱伝達プレートに固定するための突起が設けられたガスケットの様々な実施形態を開示している。ここに開示されたガスケットは取り扱いが困難であり、より具体的には比較的絡まる傾向にあり、突起は互いにもしくは他の対象内に突き刺さり、および/または突起は熱伝達プレートへの比較的信頼性の低い締結を提供しており、突起と熱伝達プレートとの間の係合は、比較的弱くなり得る。
米国特許第4,635,715号明細書
本発明の目的は、ガスケットを熱交換器プレートに締結するための取付手段を提供することであり、先行技術と比較してより信頼性の高いガスケットの締結および取り扱いのさらなる容易さを提供することである。本発明の基本概念は、相互に熱交換器プレートを「挟む」ための、熱交換器プレートの両側と係合するように配置された「取り囲まれた」複数のフィンガを備えた取付手段を提供することである。本発明の他の目的は、そのようなガスケットおよび取付手段を具備したガスケット装置、ならびにそのような熱交換器プレート、ガスケット、および取付手段を具備したアセンブリを提供することである。
前述の目的を達成するための取付手段、ガスケット装置、およびアセンブリは、添付の請求項において定義され、且つ以下に論じられている。
本発明による取付手段は、ガスケットを熱交換器プレートの第1側に締結するために、熱交換器プレートの縁部と係合するように配置される。取付手段は、第1接続部材、第2接続部材、およびブリッジを具備している。第1接続部材の第1部分はガスケットと係合するように配置され、第1接続部材の第2部分は、ブリッジと係合している。同様に、第2接続部材の第1部分はガスケットと係合するように配置され、第2接続部材の第2部分はブリッジと係合している。取付手段は、第1および第2接続部材の相手に配置された複数のフィンガをさらに具備しることによって特徴付けられている。各フィンガの個々の接続部はブリッジと係合し、フィンガはブリッジからガスケットに向かって延びるように配置されている。フィンガの少なくとも1つは、熱交換器プレートの第1側と係合するように配置され、フィンガの少なくとも別の1つは、熱交換器プレートの反対側の第2側と係合するように配置されている。
取付手段はガスケットと一体に、または可能であれば交換可能な別個の部品として形成され得る。
ここで、熱交換器プレートとの用語は、これまでに参照されたプレートに類似したエンドプレートおよび熱伝達プレート、ならびに距離プレート(distance plate)のような、さまざまな種類のプレートを含むことを意味している。
フィンガは、ブリッジとともに第1および第2接続部材によって形成されたフレームによって取り囲まれているので、フィンガが偶発的に何かに突き刺さる危険性は、比較的小さい。フレーム構造は、より「開放」な構造と比較すると、取付手段の剛性に関しても有利である。
熱交換器プレートの第1側と係合するための少なくとも1つのフィンガと、熱交換器プレートの第2側と係合するための少なくとも別のフィンガと、を具備した取付手段によって、熱交換器プレートの縁部はフィンガの間で圧搾され、それにより取付手段は、熱交換器プレートに堅固に固定され得る。
熱交換器プレートの第1側と係合するように配置された1つ以上のフィンガは、ガスケットと係合するように配置され得る。それとは異なり、取付手段は、各フィンガが取り付け手段の熱交換器プレートへの組み立てを容易にし得るようにされることが可能である。
1つの第1フィンガの自由端は、1つの第2フィンガの自由端よりもガスケットに近接して位置決めされるように配置されてもよい。そのような特徴は、熱交換器プレートの異なった側への第1および第2フィンガの配置を容易にしており、このことはこれ以降に本文中にさらに説明されている。さらに、そのような特徴は、例えば第2フィンガよりも長い第1フィンガを形成することによって等、様々な方法において得られることが可能であり、そのことは取付手段の比較的機械的に単純な構造を可能にする。この1つの第1フィンガは、熱交換器プレートの第1側と係合するように配置され、一方で、1つの第2フィンガは、熱交換器プレートの第2側と係合するように配置されている。取付手段は、第1フィンガの自由端が、熱交換器プレートに面して配置された表面において面取りされており、第2フィンガの自由端が、熱交換器プレートから離れるように向かって配置された表面において面取りされているように形成され得る。それにより、熱交換器プレートへの取付手段の取り付けの後にも、取付手段を比較的流線型のデザインとすることが可能とされている。また、第1フィンガに関して、面取りは第1フィンガの正確な側、すなわち熱交換器プレートの第1側への配置を容易にし得る。
取付手段は、1つおきのフィンガが熱交換器プレートの第1側と係合するように配置され、一方で残りのフィンガが熱交換器プレートの第2側と係合するように配置されるように構成されてもよい。そのような千鳥係合は、取付手段の熱交換器プレートへの締結の強度を最適化することを可能にしている。
取付手段は3つのフィンガを具備していてもよく、中間フィンガは熱交換器プレートの第1側と係合するように配置されている。第1および第2接続部材は、熱交換器プレートの第1側に締結されるガスケットと係合するように配置され、第1および第2接続部材は、熱交換器プレートの第1側に位置決めされるように配置されている。したがって、この実施形態は、第1および第2接続部材ならびに中間フィンガが熱交換器プレートの第1側に係合し、一方で中間フィンガと第1接続部材との間に配置された1つのフィンガおよび中間フィンガと第2接続部材との間に配置された別のフィンガは、熱交換器プレートの第2側と係合することが可能である。それにより、取付手段と熱交換器プレートとの間の強固な係合が達成されることが可能である。
取付手段のブリッジは中央部を備え、この中央部はブリッジの残りの部分よりも幅広である。それにより、取付手段の熱交換器プレートへの取り付けは容易になり得る。さらに、この特徴はブリッジの剛性を増大させ得る。
独創的な取付手段の一実施形態によれば、ブリッジはフィンガよりも厚い。そのような実施形態は、ブリッジがフィンガよりも高剛性であり、このことは、取付手段の熱交換器プレートへの取付を容易にし得ることを意味している。
第1および第2接続要素はテーパ状であり、それらの個々の第1部分においてより薄くなっている。それにより、第1および第2接続要素は、ガスケットのシール能力に影響することなく、それらの個々の第2部分において第1および第2接続要素よりも薄いガスケットの一部と係合し得る。さらに、(少なくとも部分的に)より厚い第1および第2接続要素は、取付手段の剛性に関して有利である。
熱交換器プレートの第1側と係合するように配置された(1つ以上の)フィンガはテーパ状とされ、それらの個々の接続部においてより薄くなっている。さらに、熱交換器プレートの第2側と係合するように配置された(1つ以上の)フィンガはテーパ状とされており、それらの個々の接続部においてより厚くなっている。そのようなデザインを伴って、取付手段が熱交換器プレートに取り付けられた後で、フィンガは熱交換器プレートにより近接して追従し、したがって、それらの間をより強力に係合させる。
本発明によるガスケット装置は、ガスケットと前述の取付手段とを具備している。
ガスケット装置は、ガスケットに沿って配置された複数の取付手段を具備し、仮想無限直線は、熱交換器プレートの第1側に平行に且つガスケットに直交して延びており、ガスケットが熱伝達プレートに締結された場合に、取付手段の1つのみを通じて延びている。それにより、隣接した積層された熱交換器プレートの取付手段間の接触が回避されることが可能である。
本発明によるアセンブリは、熱交換器プレート、ガスケット、および前述の取付手段を具備している。
アセンブリは、熱交換器プレートがその第1側に、熱交換器プレートの縁部に沿って延びたガスケット溝を具備するようにし得る。熱交換器プレートの縁部は、端縁とガスケット溝との間に延びており、波形とされて、尾根と谷とを交互に具備している。ガスケットはガスケット溝内に配置されている。取付手段は熱交換器プレートの端縁の周りに配置され、それにより、熱交換器プレートの第1側と係合するように配置された第1および第2接続部材ならびに(1つ以上の)フィンガは、縁部の谷の個々の1つ内に配置されており、熱交換器プレートの第2側と係合するように配置された(1つ以上の)フィンガは、縁部の尾根の個々の1つの下に配置されている。
本発明のさらに他の目的、特徴、態様、および利点は、以下の詳細な記載から、および図から明らかになるだろう。
本発明は、添付の概略図を参照してここにより詳細に記載されている。
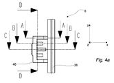
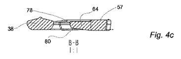
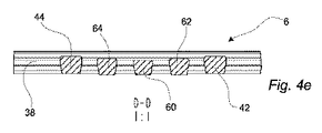
熱交換器プレートおよびガスケット装置を具備したアセンブリを示した平面図である。 図1のアセンブリの部分拡大図である。 これまでの図のガスケット装置を部分的に示した斜視図である。 これまでの図のガスケット装置を部分的に示した平面図である。 図4aの線A−Aに沿った、ガスケット装置の断面を示した図である。 図4aの線B−Bに沿った、ガスケット装置の断面を示した図である。 図4aの線C−Cに沿った、ガスケット装置の断面を示した図である。 図4aの線D−Dに沿った、ガスケット装置の断面を示した図である。
図1および図2を参照すると、熱伝達プレート4の形式の熱交換器プレートと、ガスケット装置6と、を具備したアセンブリ2が示されている。図2は、図1の破線の長方形Aによって囲まれたアセンブリの部分の拡大図である。第1側8が図において見えている熱伝達プレート4は、原則的にステンレス鋼の長方形シートであり、複数のポート孔10、12、14、および16が設けられ、熱交換プレートの異なった領域内において、特定のパターンでプレスされている(図2のみに図示されている)。熱伝達プレート4はガスケット溝18を具備し、このガスケット溝はプレートの外周20に沿って延びてポート孔10、12、14、および16を囲み、且つ2つのポート孔10および14を形成したプレートの2つの内周22および24に完全に沿って延びて、個々にこれらを別個に囲んでいる。さらに、ガスケット溝18は熱伝達プレートを「対角線上に」二度横切り、さらにポート孔10および14を囲んでいる。熱伝達プレート4は、熱伝達プレート4のガスケット溝18と個々の第1長手端縁30および第2長手端縁32との間に延びた、第1長手縁部26および第2長手縁部28を個々にさらに具備している。縁部26および28は波形であり、千鳥に配置された尾根34および谷36を具備している(図2のみに示されている)。熱伝達プレート4は、ここではさらに記載されない。そのより詳細な記載に関して、本願出願人の同時継続出願である欧州特許出願第121 90493.2号明細書および欧州特許出願第12190496.5号明細書が参照され、それらは参照することにより本願に含まれている。
ガスケット装置6はゴムガスケット38を具備し、その直線部分は図3および図4a〜図4eに記載されており、複数のゴム取付手段40がガスケットと一体に形成され、これらの取付手段の1つは図3および図4a〜図4eにより詳細に記載されている。取付手段40は、第1接続部材42、第2接続部材44、およびブリッジ46を具備している。第1および第2接続要素は原則的に類似しており、それらは第1長手縁部26および第2長手縁部28の幅と同等のまたはそれを超えた長さを有する。第1接続部材42の第1部分、より詳細には第1端部48は、ガスケット38に接続されている。同様に、第2接続部材44の第1部分、より詳細には第1端部50は、ガスケット38に接続されている。第1および第2接続部材は、互いに離間され且つ原則的に互いに平行であり、それらはガスケットから原則的に垂直に突出している。したがって、ブリッジはy方向に縦方向の延び、x方向に幅方向の延び、およびz方向に厚さ方向の延びを有し、x、y、およびz方向は互いに直交するように関係しており、一方で第1および第2接続部材は、x方向に縦方向の延び、y方向に幅方向の延び、およびz方向に厚さ方向の延びを有する。第1接続部材42の第2部分、より詳細には第2端部52は、ブリッジ46に接続されている。同様に、第2接続部材44の第2部分、より詳細には第2端部54は、ブリッジ46に接続されている。ブリッジ46はガスケット38に原則的に平行であり、谷36の三倍の幅と尾根34の二倍の幅との和と同等の、またはそれを超えた長さを有する。ブリッジ46の中央部56は、ブリッジの残りの部分よりも幅広く、中央部の上面57には、ガスケットに原則的に平行に、すなわちy方向に沿って延びた細長い突起58の形状の、摩擦増大構造が設けられており、この突起はガスケット装置の取り付けを容易にするためのものであり、それは以下にさらに記載されている。
取付手段40は、第1接続部材42と第2接続部材44との間に配置された第1または中間フィンガ60、第2フィンガ62、および第3フィンガ64を具備している。フィンガの個々の接続部、より詳細には第1端部66、68、および70は、ブリッジ46に接続されている。フィンガは互いに離間され、且つ原則的に互いに平行であり、それらはブリッジからガスケット38に向かって原則的に垂直に突出している。したがって、フィンガはx方向に縦方向の延び、y方向に幅方向の延び、およびz方向に厚さ方向の延びを有する。フィンガの個々の第2端部72、74、および76は自由端である。第2フィンガ62および第3フィンガ64は、原則的に類似している。第1フィンガ60は第2フィンガ62および第3フィンガ64よりも長く、このことは、第1フィンガの自由端72は第2フィンガの自由端74および第3フィンガの自由端76よりもガスケット38に対してより近くに配置されていることを意味している。その利点は以下で説明されている。
本発明により構成されたガスケットプレート熱交換器は、圧縮された熱伝達プレート4の積層体を具備し、各2つの熱伝達プレートは、ガスケット装置6によって離間されている。プレート熱交換器のアセンブリに関連して、各熱伝達プレート4にはガスケット装置が設けられ、ガスケット38は、熱伝達プレートの第1側8のガスケット溝18内に配置され、取付手段40は、熱伝達プレート4の個々の第1長手縁部26および第2長手縁部28と係合するように配置されている。より詳細には、各取付手段40は熱伝達プレート4に締結されて、中間または第1フィンガ60と同様に、第1接続部材42および第2接続部材44は、個々に縁部26および28の個々の1つの谷36内において、熱伝達プレート4の第1側に配置されている。さらに、第2フィンガ62および第3フィンガ64は、個々に第2側(図示略)に配置され、第2側は熱伝達プレート4の第1側8の反対側にあり、尾根34の個々の1つの下にある。そのような配置によって、第1接続部材および第2接続部材、ならびに第1フィンガ、第2フィンガ、および第3フィンガは、一体となって熱伝達プレート4を圧搾し、ガスケット38をその溝18内に取り付けている。このことは、図2に示されている。
熱伝達プレート4の積層体内において、1つの熱伝達プレートの第1側は、隣接した熱伝達プレートの第2側に面している。すべての第2熱伝達プレート4は、(図1に示された)参照された向きに、図1の図示面の法線方向の周りに関して180°回転されている。第1長手端縁30に沿った取付手段は、熱伝達プレート4の第2長手端縁32に沿った取付手段に関連して変位されている。言い換えると、第2長手端縁32に沿って配置された取付手段は、すべて第1長手端縁30に沿って配置された取付手段の任意の1つを通じて延びた仮想直線(L)から変位されており、その仮想直線は第1長手端縁30および第2長手端縁32に直交し、且つ熱伝達プレート4の第1側8に平行である。このことは、積層体内の隣接した熱伝達プレートの取付手段間の接触を回避しており、その接触は、取付手段が一体にくっつく原因となり得るものである。
図4bに最も明確に示されているように、ガスケット38は、第1接続部材42および第2接続部材44への接続部において、それらの個々の第2端部52および54における第1および第2接続要素よりも薄くなっている。別の熱伝達プレートに対して押圧された場合に、そのシール能力に影響する危険性のある、ガスケットを越えて延びることを回避するために、第1および第2接続部材はテーパ形状とされ、ガスケット38と結合する第1端部48および50のそれぞれにおいてよりも薄くなっている。
さらに、図4dに最も明確に示されているように、第1フィンガ60の自由端72は、ガスケット装置6が取り付けられたときに熱伝達プレート4に面するように配置された表面78において面取りされている。この面取りの目的の1つは、フィンガ60が、その剛性および精密な形状のために、面78全体にわたって熱伝達プレートの第1側と係合し得ないために、熱伝達プレート4に固定されたときに、不規則な印象の少ない取付手段を提供することである。別の目的は、熱伝達プレートへの取付手段の取り付けを容易にすることである。同様に、図4cに最も明確に示されているように、第2フィンガ62の自由端76および第3フィンガ64の自由端78は、ガスケット装置6が取り付けられたときに熱伝達プレート4から離れて向くように配置された個々の面80において面取りされている。ここでも、面取りの目的は、フィンガ62および64が、その剛性および精密な形状のために、個々の全体の広がりに沿って熱伝達プレートの第2側と係合し得ないために、熱伝達プレート4に固定された場合に、不規則な印象の少ない取付手段を提供することである。この面取りの別の目的は、第2および第3フィンガが、熱伝達プレートに取り付け手段を取り付けることに関連した、基礎をなす外部構造と係合する傾向をより少なくすることである。
さらに、図4dに最も明確に示されているように、熱伝達プレート4の第1側と係合するように配置された第1フィンガ60は、テーパ形状とされて、第1フィンガがブリッジ46に接続された第1端部66において、より薄くなっている。その目的は、熱伝達プレートと第1フィンガとの間の接触を増大するためである。さらに、図4cに最も明確に示されているように、熱伝達プレート4の第2側と係合するように配置された第2フィンガ62および第3フィンガ64は、テーパ形状とされて、それらがブリッジ46に接続された個々の第1端部68および70において、より厚くなっている。その目的は前述の段落に示されており、すなわち、熱伝達プレートに固定された場合に、取付手段により平滑な外観を与えることである。
取付手段40の他の特徴は、ブリッジ46がより厚く、したがって第1、第2および第3フィンガよりも高剛性なことである。
ガスケット装置6が熱伝達プレート4に締結された場合、すべての取付手段40はプレートの縁部と係合状態となる。ガスケット装置を形成したゴムは可撓性であり、ガスケット装置が熱伝達プレートに装着された場合に、利用される。各取付手段40はブリッジ46によって把持され、その動作は、摩擦の増大によって面の把持を強化し且つ把持を改善した、ブリッジの細長い突起58と同様に、より幅広の中間部56によって容易に且つより効果的に提供されている。ガスケット38、ならびに部分的に第1接続要素42、第2接続要素44、および第1フィンガ60は、個々の溝18および谷36と一致して熱伝達プレート上に載置され、第2フィンガ62および第3フィンガ64は依然として熱伝達プレートの外側に配置されている。ブリッジは押圧および/または回転によって作用し、第1接続要素、第2接続要素、および第1フィンガは曲げられ、少なくとも第2フィンガの第2自由端74および第3フィンガの第2自由端76は熱伝達プレートの端縁を過ぎて、且つ熱伝達プレートの下側に移動される。最終的に、ブリッジは熱伝達プレートに法線方向に直交した方向に押され、第2および第3フィンガと熱伝達プレートの第2側との間の係合を達成する。ブリッジは、ガスケット38がガスケット溝18内に適切に配置されるまで押される。前述の手順は、ペーパークリップを取り付ける方法と共通点がある。したがって、より長い第1フィンガはサポートとして機能し、熱伝達プレートの第2側への第2および第3フィンガの位置決めを補助している。
本発明の前述の実施形態は、一例としてのみ見られるべきである。論じられた実施形態が、発明の概念から逸脱することなく、多数の方法によって変化されることが可能であることを、当業者は理解する。
一例としては、前述のガスケット装置は、ガスケットの外側に沿って分布した、熱伝達プレートの第1および第2長手端縁と係合した複数の取付手段を具備している。当然に、1つ以上の取付手段は、むしろ熱伝達プレートの第1および/または第2側方端縁と係合するように配置され得る。さらに、前述のガスケット装置は、本発明による構成とは異なった別のタイプの固定手段82を具備し、これらの固定手段はガスケットの内側に沿って分布され、ポート孔端縁に沿って熱伝達プレートと係合するように配置される。当然に、1つ以上の固定手段82は、本発明による取付手段によって置き換えられ得る。
本発明は、例えば一度のみポート孔を取り囲むように配置されたガスケットのような、代替のガスケットデザインに関連して使用されることが可能であり、それにより、ガスケットは一般的に1つのポート孔のみを取り囲むように配置された長方形、またはリングガスケットである。
取付手段は、前述のように3つのフィンガを具備している必要はなく、任意の複数のフィンガを具備し得る。さらに、フィンガは熱伝達プレートの第1側および第2側と交互に係合するように配置されている必要はない。したがって、2つの隣接したフィンガは、熱伝達プレートの同じ側と係合するように配置され得る。さらに、取付手段の中間フィンガは、熱伝達プレートの第2側と係合するように交互に配置され得る。
前述の取付手段のフィンガは、各々が自由端の第2端部を備えている。当然に、取付手段は、熱伝達プレートの第1側と係合するように配置された1つ以上のフィンガが、自由端ではないがむしろガスケットと係合するように配置された個々の第2端部を備えるように、交互に構成され得る。さらに、そのようなフィンガは、第1および/または第2接続部材に類似し得る。
ガスケットおよび取付手段は一体に形成されてはならないが、2つの分離した、しかし接続可能な部品とすることが可能である。さらに、ガスケットおよび取付手段はゴム製である必要はないが、任意の適切な材料から形成されることが可能である。さらに、ガスケットおよび取付手段は同一の材料である必要はない。
前述の取付手段の第1および第2接続部材は、ブリッジからガスケットまで延びているが、それらはむしろブリッジおよび/またはガスケットを越えて延び得る。同様に、フィンガはブリッジおよび/またはガスケットを越えて延び得る。
前述の実施形態によるアセンブリは、原則的に縦長の端縁部のガスケット溝および谷は、同一面内にある。当然に、代替の実施形態は、ガスケット溝および谷が異なった面内にあることが可能である。
前述の取付手段の中間第1フィンガは、第2および第3フィンガの個々の第2自由端よりもガスケットに接近して配置された第1フィンガの第2自由端を備えるために、第2および第3フィンガよりも長い。前述の通り、このことは、取付手段の熱伝達プレートへの取付を容易にしている。しかしながら、ブリッジの適切な設計によることのように、フィンガの長さを変化させるよりも、この取付容易性の特徴を達成するための代替の方法が存在している。一例としては、ブリッジにはガスケットに向かった曲げ部または隆起部が設けられ、それらはガスケットにより近接した第1フィンガの第2自由端を位置決めしている。
本発明の代替の実施形態によれば、取付手段の中間第1フィンガの第2自由端は、第2および第3フィンガの個々の第2自由よりもむしろガスケットからさらに離れて配置されることが可能であり、また、取付手段の熱伝達プレートへの取付を容易にしている。そのような実施形態は、より短い中間第1フィンガまたはブリッジの適切な設計によって実現され得る。そのような取付手段の熱伝達プレートへの取り付けに関連して、より長い第2および第3フィンガはむしろサポートとして機能し、第1フィンガの熱伝達プレートの第1側上での位置決めを補助している。
取付手段のブリッジと同様に、1つ以上のフィンガおよび接続部材は、前述のものとは異なった代替の方法によって形成されている。例えば、フィンガおよび/または接続部材は、ブリッジに対して互いに平行に且つ/もしくは直交して延びている必要はない。また、ブリッジは原則的にガスケットに平行に延びている必要はない。さらに、フィンガおよび/または接続要素は、テーパ形状である且つ/または面取りされている必要はなく、むしろ均一の断面を有してもよい。
ブリッジの摩擦増大構造は、細長い突起として形成されている必要はなく、他の方法、例えばリブまたは粗面部として形成されることが可能である。さらに、この摩擦増大構造が設けられた面は、ブリッジの上面である必要はなく、その別の面とすることが可能である。
本発明は、前述の熱伝達プレートとは別のタイプの熱伝達部プレートに関連して使用され得る。そのような他のタイプのプレートは、ステンレス鋼とは別の材料から形成され、代替のデザインのガスケット溝が設けられているか、もしくは全くガスケット溝が設けられておらず、別のパターン、別のポート孔デザイン、もしくは4つとは異なった別の数のポート孔が設けられ得る。
最後に、本発明は純粋なガスケット熱交換器とは別のタイプのプレート熱交換器、例えば溶接および半溶接熱交換器のような、部分的に/恒久的にのみ結合された熱伝達プレートを具備したプレート熱交換器と関連して使用され得る。
ここで使用された第1、第2、第3等の特性は、同一種類の種間を区別するものであり、種間の相互の順序の任意の種類を表現しているものではないことが強調されるべきである。
本発明に関連していない詳細な記載は省略されており、図は概略的なものであり、縮尺に従って記載されていないことが強調されるべきである。いくつかの図は他の図よりも簡素化されていることも述べておくべきである。したがって、いくつかの部品は1つの図内に記載されているが、別の図では省略され得る。
2 ・・・アセンブリ
4 ・・・熱伝達プレート
6 ・・・ガスケット装置
8 ・・・第1側
10,12,14,16 ・・・ポート孔
18 ・・・ガスケット溝
26 ・・・第1長手縁部
28 ・・・第2長手縁部
30 ・・・第1長手端縁
32 ・・・第2長手端縁
34 ・・・尾根
36 ・・・谷
38 ・・・ゴムガスケット
40 ・・・取付手段
42 ・・・第1接続部材
44 ・・・第2接続部材
46 ・・・ブリッジ
48,50 ・・・第1端部
52,54 ・・・第2端部
56 ・・・中央部
58 ・・・突起
60 ・・・第1フィンガ
62 ・・・第2フィンガ
64 ・・・第3フィンガ
66,68,70 ・・・第1端部
72,74,76 ・・・第2端部

Claims (17)

  1. 熱交換器プレートの第1側(8)にガスケット(38)を締結するための、熱交換器プレート(4)の縁部(26、28)と係合するように配置された取付手段(40)であって、該取付手段は、
    第1接続部材(42)と、第2接続部材(44)と、ブリッジ(46)と、を具備し、
    前記第1接続部材の第1部分(48)は前記ガスケットと係合するように配置され、前記第1接続部材の第2部分(52)は前記ブリッジと係合し、
    前記第2接続部材の第1部分(50)は前記ガスケットと係合するように配置され、前記第2接続部材の第2部分(54)は前記ブリッジと係合した取付手段において、
    前記取付手段は、前記第1接続部材と第2接続部材との間に配置された複数のフィンガ(60、62、64)をさらに具備し、各フィンガの個々の接続部(66、68、70)は前記ブリッジと係合し、前記フィンガは、前記ブリッジから前記ガスケットに向かって延びるように配置されており、
    少なくとも1つの前記フィンガは、前記熱交換器プレートの前記第1側(8)と係合するように配置され、少なくとも1つの別の前記フィンガは、前記熱交換器プレートの反対側の第2側と係合するように配置されていることを特徴とする取付手段(40)。
  2. 各前記フィンガ(60、62、64)は、自由端(72、74、76)を備えていることを特徴とする請求項1に記載の取付手段(40)。
  3. 前記フィンガのうちの第1フィンガ(60)の前記自由端(72)は、前記フィンガのうちの第2フィンガ(62、64)の前記自由端(74、76)よりも前記ガスケット(38)に近接して位置決めされるように配置されていることを特徴とする請求項2に記載の取付手段(40)。
  4. 前記フィンガのうちの第1フィンガ(60)の前記自由端(72)は、前記熱交換器プレート(4)の前記第1側(8)と係合するように配置されており、前記熱交換器プレート(4)の前記第2側と係合するように配置された、前記フィンガのうちの第2フィンガ(62、64)の前記自由端(74、76)よりも、前記ガスケット(38)に近接して位置決めされるように配置されていることを特徴とする請求項2に記載の取付手段(40)。
  5. 前記第1フィンガ(60)は、前記第2フィンガ(74、76)よりも長いことを特徴とする請求項3または4に記載の取付手段(40)。
  6. 前記第1フィンガ(60)の自由端(72)は、前記熱交換器プレート(4)に面して配置された表面(78)において面取りされており、前記第2フィンガ(62、64)の自由端(74、76)は、前記熱交換器プレートから離れるように向かって配置された表面(80)において面取りされていることを特徴とする請求項3〜5のいずれか一項に記載の取付手段(40)。
  7. 一つおきの前記フィンガ(60)は、前記第1側(8)と係合するように配置され、残りの前記フィンガ(62、64)は、前記熱交換器プレート(4)の前記第2側と係合するように配置されていることを特徴とする請求項1〜6のいずれか一項に記載の取付手段(40)。
  8. 中間フィンガ(60)が前記熱交換器プレート(4)の前記第1側(8)と係合するように配置された、3つのフィンガ(60、62、64)を具備していることを特徴とする請求項1〜7のいずれか一項に記載の取付手段(40)。
  9. 前記ブリッジ(46)は中央部(56)を備え、該中央部は前記ブリッジの残りの部分よりも幅広であることを特徴とする請求項1〜8のいずれか一項に記載の取付手段(40)。
  10. 前記ブリッジ(46)は、前記フィンガ(60、62、64)よりも厚いことを特徴とする請求項1〜9のいずれか一項に記載の取付手段(40)。
  11. 前記第1および第2接続部材(42、44)はテーパ状であり、前記接続部材の個々の第1部分(48、50)においてより薄くなっていることを特徴とする請求項1〜10のいずれか一項に記載の取付手段(40)。
  12. 前記熱交換器プレート(4)の前記第1側(8)と係合するように配置された前記フィンガ(60)はテーパ状であり、前記フィンガの個々の接続部(66)においてより薄くなっており、前記熱交換器プレートの前記前記第2側と係合するように配置された前記フィンガ(62、64)はテーパ状であり、前記フィンガの個々の接続部(68、70)においてより厚くなっていることを特徴とする請求項1〜11のいずれか一項に記載の取付手段(40)。
  13. ガスケット(38)と、請求項1〜12のいずれか一項に記載の取付手段(40)と、を具備していることを特徴とするガスケット装置(6)。
  14. 前記ガスケット(38)と前記取付手段(40)とが一体に形成されていることを特徴とする請求項13に記載のガスケット装置(6)。
  15. 前記ガスケット(38)に沿って配置された、請求項1〜12のいずれか一項に記載の複数の取付手段(40)と、
    前記熱交換器プレート(4)の前記第1側(8)に平行に且つ前記ガスケットに直交して延びた仮想無限直線(L)と、を具備し、
    前記ガスケットが熱伝達プレートに締結された場合に、前記仮想無限直線は、前記取付手段の1つのみを通じて延びていることを特徴とする請求項13または14に記載のガスケット装置(6)。
  16. 熱交換器プレート(4)と、ガスケット(38)と、請求項1〜12のいずれか一項に記載の取付手段(40)と、を具備していることを特徴とするアセンブリ(2)。
  17. 前記熱交換器プレート(4)は、
    該熱交換器プレート(4)の端縁(30、32)に沿って延びた、前記第1側(8)のガスケット溝(18)と、
    前記端縁と前記ガスケット溝との間に延びて、波形とされて交互に配置された尾根(34)および谷(36)を具備した、前記熱交換器プレートの縁部(26、28)と、を具備し、
    前記ガスケット(38)は前記ガスケット溝内に配置され、前記取付手段(40)は前記熱交換器プレートの端縁の周りに配置され、それにより前記熱交換器プレートの前記第1側(8)と係合するように配置された前記第1および第2接続部材(42、44)ならびに前記フィンガ(60)は、前記縁部の谷の個々の1つ内に配置されており、前記熱交換器プレートの前記第2側と係合するように配置された前記フィンガ(62、64)は、前記縁部の尾根の個々の1つの下に配置されていることを特徴とする請求項16に記載のアセンブリ(2)。
JP2015554076A 2013-01-30 2013-12-17 取付手段、ガスケット装置、およびアセンブリ Active JP6487338B2 (ja)

Applications Claiming Priority (3)

Application Number Priority Date Filing Date Title
EP13153167.5 2013-01-30
EP13153167.5A EP2762823B1 (en) 2013-01-30 2013-01-30 Attachment means, gasket arrangement and assembly
PCT/EP2013/076856 WO2014117902A1 (en) 2013-01-30 2013-12-17 Attachment means, gasket arrangement and assembly

Related Child Applications (1)

Application Number Title Priority Date Filing Date
JP2018001809A Division JP2018066559A (ja) 2013-01-30 2018-01-10 取付手段、ガスケット装置、およびアセンブリ

Publications (2)

Publication Number Publication Date
JP2016508591A true JP2016508591A (ja) 2016-03-22
JP6487338B2 JP6487338B2 (ja) 2019-03-20

Family

ID=47631340

Family Applications (2)

Application Number Title Priority Date Filing Date
JP2015554076A Active JP6487338B2 (ja) 2013-01-30 2013-12-17 取付手段、ガスケット装置、およびアセンブリ
JP2018001809A Pending JP2018066559A (ja) 2013-01-30 2018-01-10 取付手段、ガスケット装置、およびアセンブリ

Family Applications After (1)

Application Number Title Priority Date Filing Date
JP2018001809A Pending JP2018066559A (ja) 2013-01-30 2018-01-10 取付手段、ガスケット装置、およびアセンブリ

Country Status (19)

Country Link
US (1) US10544998B2 (ja)
EP (1) EP2762823B1 (ja)
JP (2) JP6487338B2 (ja)
KR (1) KR101738286B1 (ja)
CN (3) CN103968701A (ja)
AR (1) AR094483A1 (ja)
AU (1) AU2013376407B2 (ja)
BR (1) BR112015011525B1 (ja)
CA (1) CA2888732C (ja)
DK (1) DK2762823T3 (ja)
ES (1) ES2641260T3 (ja)
HU (1) HUE036903T2 (ja)
LT (1) LT2762823T (ja)
NO (1) NO2762823T3 (ja)
PL (1) PL2762823T3 (ja)
PT (1) PT2762823T (ja)
RU (1) RU2617261C2 (ja)
SI (1) SI2762823T1 (ja)
WO (1) WO2014117902A1 (ja)

Cited By (1)

* Cited by examiner, † Cited by third party
Publication number Priority date Publication date Assignee Title
JP2021524901A (ja) * 2018-05-22 2021-09-16 ティーアールピー シーリング システムズ リミテッド プレート式熱交換器用ガスケット

Families Citing this family (11)

* Cited by examiner, † Cited by third party
Publication number Priority date Publication date Assignee Title
PL2728292T3 (pl) 2012-10-30 2017-08-31 Alfa Laval Corporate Ab Płyta przekazywania ciepła i płytowy wymiennik ciepła zawierający taką płytę przekazywania ciepła
ES2610365T3 (es) 2012-10-30 2017-04-27 Alfa Laval Corporate Ab Placa intercambiadora de calor e intercambiador de calor de placas que comprende una placa intercambiadora de calor de este tipo
BR112015007767B1 (pt) * 2012-10-30 2020-11-10 Alfa Laval Corporate Ab gaxeta para arranjo e vedação entre uma primeira e uma segunda placa de trocador de calor adjacentes, e, conjunto
ES2641260T3 (es) * 2013-01-30 2017-11-08 Alfa Laval Corporate Ab Medio de fijación, disposición de junta y montaje
EP3182048A1 (en) * 2015-12-16 2017-06-21 Alfa Laval Corporate AB Porthole gasket, assembly for a heat exchanger and heat exchanger comprising such an assembly
US10663235B2 (en) * 2018-01-12 2020-05-26 Spx Flow, Inc. Gasket retention system
ES2907938T3 (es) * 2019-09-13 2022-04-27 Alfa Laval Corp Ab Un medio de retención para una placa intercambiadora de calor, una disposición de junta para una placa intercambiadora de calor, una placa intercambiadora de calor con una porción de borde y un intercambiador de calor de placas
EP3901552B1 (en) * 2020-04-23 2022-12-07 Alfa Laval Corporate AB Gasket arrangement, method of manufacturing a gasket arrangement and assembly
US11624563B2 (en) * 2021-02-02 2023-04-11 Spx Flow, Inc. Lock strip for heat exchanger
RS65980B1 (sr) * 2021-05-28 2024-10-31 Alfa Laval Corp Ab Sredstva za pričvršćavanje i ploča za prenos toplote
US12135176B2 (en) 2021-07-20 2024-11-05 WCR Inc. Plate heat exchanger gasket

Citations (5)

* Cited by examiner, † Cited by third party
Publication number Priority date Publication date Assignee Title
JPS60501568A (ja) * 1983-06-16 1985-09-19 アルフア−ラヴアル サ−マル ア−ベ− 板形熱交換器用ガスケツト装置
JPH08271178A (ja) * 1995-03-29 1996-10-18 Hisaka Works Ltd プレート式熱交換器
JP2000097583A (ja) * 1998-09-25 2000-04-04 Hisaka Works Ltd プレート式熱交換器
JP2002519614A (ja) * 1998-06-25 2002-07-02 ペサーチ・セイデル 熱交換板および熱交換板用シーリングガスケット
JP2012512382A (ja) * 2008-12-16 2012-05-31 アルファ・ラバル・コーポレイト・エービー プレート熱交換器のためのプレート及びガスケット

Family Cites Families (29)

* Cited by examiner, † Cited by third party
Publication number Priority date Publication date Assignee Title
US2938252A (en) * 1958-02-21 1960-05-31 Scheemaeker Emile Paper clip device
US3536287A (en) * 1968-03-29 1970-10-27 Hyman Kramer Article suspending hooks
US3730466A (en) * 1970-05-18 1973-05-01 All Steel Equipment Inc Device for attaching electrical boxes to metal studding
US4135668A (en) * 1977-04-07 1979-01-23 Alpha Nova Development Corp. Soaker hose support
US4480356A (en) * 1981-10-07 1984-11-06 Martin Donald A Double-grip clip
GB8401057D0 (en) * 1984-01-16 1984-02-15 Universal Components Mounting means
US4905758A (en) * 1989-07-03 1990-03-06 Tranter, Inc. Plate heat exchanger
US5214825A (en) * 1989-12-27 1993-06-01 Hirzel Suzy C Paper clip with multiple panels
CN2063220U (zh) * 1990-02-14 1990-10-03 机械电子工业部兰州石油机械研究所试制工厂 板式换热器复合垫片
JP3069592B2 (ja) * 1990-02-21 2000-07-24 株式会社日阪製作所 プレート式熱交換器
DE19506281A1 (de) * 1995-02-23 1996-08-29 Schmidt Bretten Gmbh Umfangsdichtung eines Plattenwärmeübertragers
KR100196779B1 (ko) * 1997-01-06 1999-06-15 이동환 판형 열교환기판의 가스켓 부착구조
US6973960B1 (en) 1998-01-16 2005-12-13 Pessach Seidel Flat plate heat exchanger and flat plate therefor
IT1299659B1 (it) * 1998-04-23 2000-03-24 Cipriani Scambiatori Srl Scambiatore di calore a piastre
US6389658B1 (en) * 1999-05-05 2002-05-21 Thomas & Betts International, Inc. Clip for mounting objects on a wall stud
PT1196730E (pt) 1999-06-14 2004-07-30 Apv Heat Exchanger As Placa permutadora de calor
CA2384431A1 (en) 1999-09-07 2001-03-15 Jan Conradi Positively chirped signals in optical communication systems
DE10035776C1 (de) * 2000-07-22 2001-12-13 Gea Ecoflex Gmbh Plattenwärmetauscher
US6638118B2 (en) * 2001-06-19 2003-10-28 Group Dekko Services, Llc Distribution wiring harness assembly
SE524783C2 (sv) 2003-02-11 2004-10-05 Alfa Laval Corp Ab Plattpaket, plattvärmeväxlare och plattmodul
SE530012C2 (sv) * 2006-06-05 2008-02-12 Alfa Laval Corp Ab Platta och packning för plattvärmeväxlare
TWI320683B (en) * 2007-03-12 2010-02-11 Hannspree Inc Frame structure adapted to different display panel thicknesses and corresponding engaging device
ITVR20090014A1 (it) * 2009-02-16 2010-08-17 Luca Cipriani Struttura di piastra per scambiatore di calore a piastre
US8453407B2 (en) * 2009-12-22 2013-06-04 Usg Interiors, Llc Seismic clip
CN102393155A (zh) 2011-11-02 2012-03-28 山东大学 一种新型三维网垫板式换热器
BR112015007767B1 (pt) 2012-10-30 2020-11-10 Alfa Laval Corporate Ab gaxeta para arranjo e vedação entre uma primeira e uma segunda placa de trocador de calor adjacentes, e, conjunto
PL2728292T3 (pl) 2012-10-30 2017-08-31 Alfa Laval Corporate Ab Płyta przekazywania ciepła i płytowy wymiennik ciepła zawierający taką płytę przekazywania ciepła
ES2610365T3 (es) 2012-10-30 2017-04-27 Alfa Laval Corporate Ab Placa intercambiadora de calor e intercambiador de calor de placas que comprende una placa intercambiadora de calor de este tipo
ES2641260T3 (es) * 2013-01-30 2017-11-08 Alfa Laval Corporate Ab Medio de fijación, disposición de junta y montaje

Patent Citations (5)

* Cited by examiner, † Cited by third party
Publication number Priority date Publication date Assignee Title
JPS60501568A (ja) * 1983-06-16 1985-09-19 アルフア−ラヴアル サ−マル ア−ベ− 板形熱交換器用ガスケツト装置
JPH08271178A (ja) * 1995-03-29 1996-10-18 Hisaka Works Ltd プレート式熱交換器
JP2002519614A (ja) * 1998-06-25 2002-07-02 ペサーチ・セイデル 熱交換板および熱交換板用シーリングガスケット
JP2000097583A (ja) * 1998-09-25 2000-04-04 Hisaka Works Ltd プレート式熱交換器
JP2012512382A (ja) * 2008-12-16 2012-05-31 アルファ・ラバル・コーポレイト・エービー プレート熱交換器のためのプレート及びガスケット

Cited By (2)

* Cited by examiner, † Cited by third party
Publication number Priority date Publication date Assignee Title
JP2021524901A (ja) * 2018-05-22 2021-09-16 ティーアールピー シーリング システムズ リミテッド プレート式熱交換器用ガスケット
JP7365750B2 (ja) 2018-05-22 2023-10-20 ティーアールピー シーリング システムズ リミテッド プレート式熱交換器用ガスケット

Also Published As

Publication number Publication date
JP6487338B2 (ja) 2019-03-20
EP2762823A1 (en) 2014-08-06
WO2014117902A1 (en) 2014-08-07
SI2762823T1 (sl) 2017-10-30
KR20150108924A (ko) 2015-09-30
BR112015011525A2 (pt) 2017-07-11
CN203464825U (zh) 2014-03-05
CN108716873A (zh) 2018-10-30
RU2617261C2 (ru) 2017-04-24
CA2888732A1 (en) 2014-08-07
LT2762823T (lt) 2017-11-27
ES2641260T3 (es) 2017-11-08
PT2762823T (pt) 2017-10-03
RU2015136561A (ru) 2017-03-07
KR101738286B1 (ko) 2017-05-19
CA2888732C (en) 2017-11-21
BR112015011525B1 (pt) 2020-12-08
AU2013376407A1 (en) 2015-08-13
HUE036903T2 (hu) 2018-08-28
JP2018066559A (ja) 2018-04-26
PL2762823T3 (pl) 2017-10-31
DK2762823T3 (en) 2017-10-09
NO2762823T3 (ja) 2017-12-23
US20150330720A1 (en) 2015-11-19
US10544998B2 (en) 2020-01-28
EP2762823B1 (en) 2017-07-26
AR094483A1 (es) 2015-08-05
AU2013376407B2 (en) 2016-06-02
CN103968701A (zh) 2014-08-06

Similar Documents

Publication Publication Date Title
JP6487338B2 (ja) 取付手段、ガスケット装置、およびアセンブリ
US11131513B2 (en) Attachment means, gasket arrangement, heat exchanger plate and assembly
EP3587984A1 (en) Heat transfer plate and gasket
US20240200878A1 (en) Attachment means and heat transfer plate
US20240280333A1 (en) Attachment member and heat transfer plate

Legal Events

Date Code Title Description
A621 Written request for application examination

Free format text: JAPANESE INTERMEDIATE CODE: A621

Effective date: 20150730

A977 Report on retrieval

Free format text: JAPANESE INTERMEDIATE CODE: A971007

Effective date: 20160726

A131 Notification of reasons for refusal

Free format text: JAPANESE INTERMEDIATE CODE: A131

Effective date: 20160808

A521 Request for written amendment filed

Free format text: JAPANESE INTERMEDIATE CODE: A523

Effective date: 20160923

A131 Notification of reasons for refusal

Free format text: JAPANESE INTERMEDIATE CODE: A131

Effective date: 20170220

A02 Decision of refusal

Free format text: JAPANESE INTERMEDIATE CODE: A02

Effective date: 20171006

A521 Request for written amendment filed

Free format text: JAPANESE INTERMEDIATE CODE: A523

Effective date: 20180110

A911 Transfer to examiner for re-examination before appeal (zenchi)

Free format text: JAPANESE INTERMEDIATE CODE: A911

Effective date: 20180208

A912 Re-examination (zenchi) completed and case transferred to appeal board

Free format text: JAPANESE INTERMEDIATE CODE: A912

Effective date: 20180316

A61 First payment of annual fees (during grant procedure)

Free format text: JAPANESE INTERMEDIATE CODE: A61

Effective date: 20190221

R150 Certificate of patent or registration of utility model

Ref document number: 6487338

Country of ref document: JP

Free format text: JAPANESE INTERMEDIATE CODE: R150

R250 Receipt of annual fees

Free format text: JAPANESE INTERMEDIATE CODE: R250

R250 Receipt of annual fees

Free format text: JAPANESE INTERMEDIATE CODE: R250

R250 Receipt of annual fees

Free format text: JAPANESE INTERMEDIATE CODE: R250

R250 Receipt of annual fees

Free format text: JAPANESE INTERMEDIATE CODE: R250