JP2016145470A - 油圧ショベル - Google Patents

油圧ショベル Download PDF

Info

Publication number
JP2016145470A
JP2016145470A JP2015022523A JP2015022523A JP2016145470A JP 2016145470 A JP2016145470 A JP 2016145470A JP 2015022523 A JP2015022523 A JP 2015022523A JP 2015022523 A JP2015022523 A JP 2015022523A JP 2016145470 A JP2016145470 A JP 2016145470A
Authority
JP
Japan
Prior art keywords
sleeve
insert plate
box
lubricator
lubricator box
Prior art date
Legal status (The legal status is an assumption and is not a legal conclusion. Google has not performed a legal analysis and makes no representation as to the accuracy of the status listed.)
Granted
Application number
JP2015022523A
Other languages
English (en)
Other versions
JP6317684B2 (ja
Inventor
俊哉 小林
Toshiya Kobayashi
俊哉 小林
Current Assignee (The listed assignees may be inaccurate. Google has not performed a legal analysis and makes no representation or warranty as to the accuracy of the list.)
Hitachi Construction Machinery Co Ltd
Original Assignee
Hitachi Construction Machinery Co Ltd
Priority date (The priority date is an assumption and is not a legal conclusion. Google has not performed a legal analysis and makes no representation as to the accuracy of the date listed.)
Filing date
Publication date
Application filed by Hitachi Construction Machinery Co Ltd filed Critical Hitachi Construction Machinery Co Ltd
Priority to JP2015022523A priority Critical patent/JP6317684B2/ja
Publication of JP2016145470A publication Critical patent/JP2016145470A/ja
Application granted granted Critical
Publication of JP6317684B2 publication Critical patent/JP6317684B2/ja
Active legal-status Critical Current
Anticipated expiration legal-status Critical

Links

Images

Landscapes

  • Component Parts Of Construction Machinery (AREA)

Abstract

【課題】給脂装置の付け外しの作業性を向上させることができる油圧ショベルを提供する。
【解決手段】走行体と、走行体上に設けた旋回体と、旋回体に設けたフロント作業機とを備えた油圧ショベルにおいて、旋回体に設けたメンテナンスフロア41と、メンテナンスフロア41に隣接するように旋回体に設けたリュブリケータボックス40と、リュブリケータボックス40に収容した給脂装置50と、リュブリケータボックス40におけるメンテナンスフロア41から見て右側の内壁面に固定したスリーブ60と、給脂装置50に固定したインサートプレート70とを備え、スリーブ60に対してインサートプレート70が挿入されて給脂装置50がリュブリケータボックス40に対して固定されるようにする。
【選択図】図4

Description

本発明は給脂装置を搭載した油圧ショベルに関する。
一般に油圧ショベルには掘削作業や解体作業等をするためのフロント作業機が備えられている。このフロント作業機は、ブーム、アーム及びバケット等から構成されていて、ブーム、アーム及びバケットは軸受装置によって互いに回動可能に連結されている。この軸受装置は稼働中には高圧力で摺動する。そのため、軸受装置にグリース等の潤滑剤を供給する給脂装置(特許文献1等参照)が油圧ショベルに搭載されている場合がある。
特開2003−301996号公報
給脂装置を搭載する油圧ショベルには、通常、給脂装置を収容するためのリュブリケータボックスが走行装置上の旋回体に設けられる。給脂装置を設置する際には、走行体の更に上部にある旋回体のメンテナンスフロアに上り、そこで給脂装置を持ち上げてリュブリケータボックスに入れ、更にリュブリケータボックス内で給脂装置を固定する必要がある。
特許文献1の給脂装置は設置場所(載置板91)に対してボルトで固定する構造であるため、油圧ショベルに適用する場合、リュブリケータボックスの床面に対してボルトで固定することになる。しかし、メンテナンスフロアに立った作業者にとって給脂装置の裏側は視認性が悪く、しかも収容した給脂装置とリュブリケータボックスとの間に十分なスペースを確保することは難しいため、メンテナンスフロアから手を伸ばしてリュブリケータボックスの床面付近のボルトを着脱するのは非常に作業性が悪い。
本発明の目的は、給脂装置の付け外しの作業性を向上させることができる油圧ショベルを提供することにある。
上記目的を達成するために、本発明に係る油圧ショベルは、走行体と、前記走行体上に設けた旋回体と、前記旋回体に設けたフロント作業機と、前記旋回体に設けた足場と、前記足場に隣接するように前記旋回体に設けたリュブリケータボックスと、前記リュブリケータボックスに収容した給脂装置と、前記リュブリケータボックスにおける前記足場から見て左右方向のいずれか一方側の内壁面に固定した第1固定部材と、前記給脂装置に固定した第2固定部材とを備え、前記第1及び第2固定部材の一方がインサートプレート、他方がスリーブからなり、前記スリーブに対して前記インサートプレートが挿入されて前記給脂装置が前記リュブリケータボックスに対して固定されることを特徴とする。
本発明によれば、給脂装置の付け外しの作業性を向上させることができる。
本発明の第1実施形態に係る油圧ショベルの側面図である。 本発明の第1実施形態に係る油圧ショベルに備えられた旋回体の平面図である。 本発明の第1実施形態に係る油圧ショベルに備えられたリュブリケータボックスを旋回体フレームと共に表す斜視図である。 本発明の第1実施形態に係る油圧ショベルに備えられたリュブリケータボックスの平面図である。 本発明の第1実施形態に係る油圧ショベルに備えられた給脂装置の要部の外観構造を表した斜視図である。 図5中の矢印VIによるVI矢視図である。 図5中の矢印VIIによるVII矢視図である。 図7中のVIII−VIII線による矢視断面図である。 図6中のIX−IX線による矢視断面図である。 図8の状態からスリーブに対してインサートプレートを挿し込んだ状態を表した図である。 図9の状態からスリーブに対してインサートプレートを挿し込んだ状態を表した図である。 本発明の第2実施形態に係る給脂装置の固定構造を表す断面図であり、第1実施形態における図8に対応する図である。 本発明の第3実施形態に係る給脂装置の固定構造を表す断面図であり、第1実施形態における図8に対応する図である。 本発明の第4実施形態に係る給脂装置の固定構造を表す断面図であり、第1実施形態における図8に対応する図である。 本発明の第5実施形態に係る給脂装置の固定構造を表す断面図であり、第1実施形態における図8に対応する図である。 比較例の構造を表す図であって図10に対応する図である。 比較例の構造を表す図であって図11に対応する図である。
以下に図面を用いて本発明の実施形態を説明する。
〔第1実施形態〕
1.油圧ショベル
図1は本発明の第1実施形態に係る油圧ショベルの側面図である。以下において、特に説明のない場合には運転室23に搭乗した作業者が向く図中左側を前、右側を後、紙面直交方向手前側を左、奥側を右とする。
同図に示した油圧ショベル100は、走行移動用の走行体10、及び走行体10の上部に旋回自在に搭載した旋回体20を備えている。走行体10は、走行体フレームに平行に設けた一対のクローラ11を有している。これらクローラ11には、それぞれ履帯12を駆動して走行するための油圧駆動式の走行モータ13が設けてある。
一方、旋回体20は、旋回体フレーム21、旋回体フレーム21上に設置したエンジン室22、エンジン室22の前方左側に設けた運転室23、運転室23の右側から前方に延びるフロント作業機30、及びエンジン室22の後方に設けたカウンタウェイト24を備えている。エンジン室22には、特に図示していないが、エンジンや熱交換器、バッテリー等の各種機器類が収容してある。カウンタウェイト24は、フロント作業機30との重量バランスを図る錘である。
フロント作業機30は、旋回体フレーム21に基部が回動自在に連結したブーム31、ブーム31の先端に回動自在に連結したアーム32、及びアーム32の先端に回動自在に連結したバケット33を備えている。ブーム31、アーム32及びバケット33は、それぞれ油圧駆動式のブームシリンダ34、アームシリンダ35及びバケットシリンダ36によって前後方向に延びる鉛直面内で動作するようになっている。
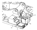
図2は前述した旋回体20の平面図である。但し、同図においてはフロント作業機30を取り外した状態を表している。また、同図では図中の右左がそれぞれ前後、上下がそれぞれ左右に相当する。この図に示したように、旋回体20の右前部であって運転席23の右側にはフロント作業機30(同図ではフロント作業機30が連結されるブラケット37を図示してある)を挟んでリュブリケータボックス40が設けられている。
2.リュブリケータボックス
図3はリュブリケータボックス40を旋回体フレーム21と共に表す斜視図、図4はリュブリケータボックス40の平面図である。図3では旋回体フレーム21上のリュブリケータボックス40及びその収容物を除く要素を図示省略している。
旋回体20に設けたリュブリケータボックス40は、図3及び図4に示したように、フロント作業機30を連結するブラケット37とメンテナンスフロア41との間に位置していて、メンテナンスフロア41の左側に隣接するように旋回体フレーム21上に設けられている。メンテナンスフロア41は旋回体20に設けた作業用の足場であり、図2に示したように本実施形態では旋回体20の前端部の最も右側に位置している。作業用の足場は一定の床面積を有するフロア状の場所に限らず、梯子等やステップ等である場合もあり得る。
リュブリケータボックス40は、ボックス本体42、上蓋43及び支持プレート44を備えている。ボックス本体42は、上方に開口する上部開口45を有する箱型の部材であり、旋回体フレーム21の前端部にブラケット37の右側に隣接するように搭載されている。また、ボックス本体42の右側壁面は開閉扉46を構成している。開閉扉46はメンテナンスフロア41側から見て左辺(上下に延びる後側の辺)がロック47で拘束されていて、ロック47を解除すると右辺(上下に延びる前側の辺)を支点にして開閉する。上蓋43は後端部に設けたヒンジ(不図示)を介して前側が上下することで、ボックス本体42の上部開口45を開閉するように構成されている。支持プレート44は、上部開口45の前縁部に沿って後方(上部開口45に中央側)に張り出すように水平に設けられていて、上蓋43の前端部を受ける役割を果たす。このように構成されたリュブリケータボックス40の内部には給脂装置50が収容されている。
3.給脂装置
図5は給脂装置50の要部の外観構造を表した斜視図、図6は図5中の矢印VIによるVI矢視図、図7は図5中の矢印VIIによるVII矢視図である。但し、図6及び図7に示した状態は図5にしました状態と比較して、スリーブ(後述)に対してインサートプレート(後述)が上方に位置する状態を表している。
図5−図7に示したように、給脂装置50は、潤滑剤タンク51及びリュブリケータ52等を備えている。潤滑剤タンク51には、専用の容器を用いることも勿論できるが、例えば市販のドラムグリースのドラム缶を用いることができ、グリース等の潤滑剤が貯留されている。本実施形態では、潤滑剤51の例として上方に開口した有底円筒型の容器を示している。リュブリケータ52は、潤滑剤タンク51内の潤滑剤を送り出す注油器であり、潤滑剤タンク51の上部開口に取り付く蓋部53、蓋部53に設けたポンプユニット54等を備えていて、ポンプユニット54により潤滑剤タンク51から潤滑剤を吸い上げ、配管(不図示)を介して特定の給脂箇所に注入する機能を有する。また、特定の箇所以外にも、ホースリール(不図示)及びグリスガン(不図示)を介して任意の給脂箇所に潤滑剤を注入し得る。潤滑剤の注入箇所は、例えばブーム31の基部を支持する軸受部(不図示)、ブームシリンダ34を支持する軸受部34a(図1参照)、ブーム31とアーム32とを連結する軸受部31a(同)、アームシリンダ35を支持する軸受部35a,35b(同)、アーム32とバケット33とを連結する連結部(バケットピン)33a−33d(図1参照)、走行体10に対して旋回体20を旋回自在に支持する旋回輪13a(同)等である。
4.固定構造部材
給脂装置50は、第1固定部材であるスリーブ60及び第2固定部材であるインサートプレート70を介してリュブリケータボックス40に対して固定されている。
図8は図7中のVIII−VIII線による矢視断面図、図9は図6中のIX−IX線による矢視断面図である。
図8及び図9に示したように、本実施形態のスリーブ60は、内部空間の断面積が一定の筒状部材であり、側部が部分的に開口しているが開口部は省略しても良い。スリーブ60には取り付け部61が設けられていて、この取り付け部61をボルトで止めることによってスリーブ60はリュブリケータボックス40に固定されている。スリーブ60の固定位置は、リュブリケータボックス40の内壁面のうちメンテナンスフロア41から見た左右方向(後前方向)のいずれか一方側の内壁面であり、本実施形態では前方側(図4中の右側)に位置する内壁面である。
インサートプレート70は、スリーブ60に挿入される板状の部材であり、給脂装置50に対する取り付け部71、及びスリーブ60に対する挿入部72を備えている。取り付け部71は挿入部72から二股に延びてU字型に形成された部分であり、ポンプユニット54の基部を挟むようにしてリュブリケータ52の蓋部53の上面に対してボルト80によって水平に取り付けられている。挿入部72は取り付け部71から折れ曲がって下方に延びている。この挿入部72には、幅方向押え部73及び厚み方向押え部74が備えられている。
挿入部72の幅方向について見ると、図9に示したように、スリーブ60の内径Ws1と幅方向押え部73の幅Wp1との寸法差は、スリーブ60の入口(上部開口)の内径Ws2と挿入部72の先端部の幅Wp2との寸法差よりも小さくしてある。具体的には、挿入部72は段差部75を介して根元部に対して先端部が幅方向に縮小していて、幅方向押え部73の幅Wp1はスリーブ60の内径Ws1と同程度か僅かに小さい程度に設定してあるのに対し、挿入部72の先端部の幅Wp2はスリーブ60の入口(上部開口)の内径Ws2よりも設定寸法だけ小さく設定してある(Ws1−Wp1<Ws2−Wp2)。段差部75は挿入部72の幅方向の一方側にだけ設けてあっても良いが、本実施形態では両側に設けてある。
同じように、挿入部72の幅方向について見ると、図8に示したように、スリーブ60の内径Ws3と厚み方向押え部74の寸法Wp3との寸法差は、スリーブ60の入口(上部開口)の内径Ws4と挿入部72の先端部の厚みWp4との寸法差よりも小さくしてある。具体的には、挿入部72の厚み方向押え部74は折り曲げ部76を含んでいて、厚み方向押え部74の寸法Wp3はスリーブ60の内径Ws4と同程度か僅かに小さい程度に設定してあるのに対し、挿入部72の先端部の厚みWp4はスリーブ60の入口(上部開口)の内径Ws4よりも設定寸法だけ小さく設定してある(Ws3−Wp3<Ws4−Wp4)。
図10及び図11はそれぞれ図8及び図9の状態からスリーブに対してインサートプレートを挿し込んだ状態を表した図である。これら図10及び図11に示したように、スリーブ60に対してインサートプレート70の挿入部72が挿入されると、挿入部72の幅方向押え部73及び厚み方向押え部74がスリーブ60の内壁面に接する。これによって、スリーブ60に対してインサートプレート70の水平面内の動きが拘束され、給脂装置50がリュブリケータボックス40に対して固定される。
このとき、スリーブ60は、前述したようにリュブリケータボックス40の内壁面のうちメンテナンスフロア41から見た右側(機体前方側)の内壁面に取り付けられている。そのため、スリーブ60の上方には支持プレート44が覆い被さっていて、スリーブ60に対して抜き差しされるインサートプレート70に干渉し得る。そこで、本実施形態では、支持プレート44には、上方から見て支持プレート44がスリーブ60の入口に重ならないように、支持プレート44に切欠き部44a(図4参照)が形成してある。
5.効果
(1)作業性の向上
本実施形態においては、リュブリケータボックス40に固定したスリーブ60に対してインサートプレート70を挿し込むだけでリュブリケータボックス40に対して給脂装置50を固定することができる。また、スリーブ60はリュブリケータボックス40の前側の内壁面に固定してあり、メンテナンスフロア41に立った作業者から見て左右方向の一方側(本例では右側)に位置している。メンテナンスフロア41でリュブリケータボックス40に正対した作業者からすると、スリーブ60に向かう視線は右斜めにずれるので抱えた給脂装置50で遮られることがなく、給脂装置50を抱えた作業者からでもスリーブ60が視認し易い。従って、インサートプレート70をスリーブ60に対して挿し込む作業も容易であり、給脂装置50の付け外しの作業性を向上させることができる。
また、本実施形態の場合、リュブリケータボックス40の上蓋43を受ける支持プレート44がスリーブ60の上方に覆い被さっているが、支持プレート44に切欠き部44aを設けたことによって、スリーブ60の視認性やインサートプレート70を抜き差しするための軌道を確保することができ、給脂装置50の着脱の作業性を損なうことなく、上蓋43を受ける支持プレート44を必要十分に備えることができる。また、上蓋43の支点側(メンテナンスフロア41側から見て左側)にスリーブ60が位置していると、角度によっては上蓋43が視界を遮ってスリーブ60が見難くなる可能性があるが、支持プレート44側にスリーブ60が設けられるのでスリーブ60の視認性を確保する上でも有利である。これも作業性の向上に寄与し得る点である。
(2)省スペース化
図16及び図17は比較例の構造を表す図であり、それぞれ図10及び図11に対応する図である。図16及び図17の例は、給脂装置LにインサートプレートPを取り付け、リュブリケータボックス(不図示)に取り付けたスリーブSにインサートプレートPを挿入することで、リュブリケータボックスに給脂装置Lを固定する点で本実施形態と共通している。それに対し、インサートプレートPは厚み・幅とも一定で折れ曲がり部も持たない平板であり、スリーブSも断面積及び断面形状が一定の直観形状をしている点で本実施形態と相違する。インサートプレートPがスリーブSに挿入された状態で、インサートプレートPの外周面とスリーブSの内壁面との間には一定の隙間が存在する。この隙間はインサートプレートPを円滑に抜き差しする上で設けざるを得ず、単純に小さくすれば良いというものでもない。
図16及び図17で説明した比較例のような固定構造を油圧ショベルの給脂装置に採用すると、インサートプレートPのスリーブSに対するガタツキが大きいため、油圧ショベルの振動等によって給脂装置Lの動く範囲が大きくなる。加えて、前述したようにリュブリケータボックスがフロント作業機の基部とメンテナンスフロアとの間に位置している場合、リュブリケータボックスは旋回支点から遠く離れている上にブームの基部に隣接することとなるため、大きく振動し易くなる。この場合、給脂装置Lと他部品(例えばリュブリケータボックスの内壁面)との干渉を防ぐために給脂装置Lの周辺に広い空間を確保する必要がある。
その一方で、近年の排気ガス規制の背景の下、油圧ショベルには尿素SCRシステムが搭載される場合があり、この場合には尿素水タンクの設置スペースを新たに確保しなければならず、給脂装置の動きを許容するスペースをリュブリケータボックス内に確保するようなレイアウト上の余裕は必ずしもない。
それに対し、本実施形態の場合、インサートプレート70の挿入部72は、スリーブ60に対して容易に挿入できるように、先端部においては厚み及び幅の双方についてスリーブ60の上部開口に対して小さく設定してある一方で、幅方向押え部73及び厚み方向押え部74を設けたことによって、挿入後はスリーブ60の内壁面で安定に拘束されるようにしてある。従って、リュブリケータボックス40に対する給脂装置50の着脱の作業性を損なうことなく、リュブリケータボックス40内における給脂装置50の姿勢を安定に保持し、ガタツキによってリュブリケータボックス40の内壁面等に給脂装置50がぶつかることを抑制することができる。従って、給脂装置50の周囲に余計なスペースを確保する必要がなく、リュブリケータボックス40を小型化することができる。リュブリケータボックス40の省スペース化により、尿素水タンクの設置スペースを確保することができるようになり、尿素SCRシステムの導入によって排気ガス規制への対応にも寄与する。
〔第2実施形態〕
図12は第2実施形態に係る給脂装置の固定構造を表す断面図であり、第1実施形態における図8に対応する図である。図12において第1実施形態と同様の部分には同符号を付して説明を省略する。
本実施形態においては、インサートプレート70A側ではなくスリーブ60A側に厚み方向押え部62が設けられている点で第1実施形態と相違する。厚み方向押え部62は、スリーブ60Aの内壁面のうちの前方を向いた面の高さ方向の中間部に設けた突起部である。この突起部の前面は前方に凸の曲面状に形成されている。厚み方向押え部62はインサートプレート70Aの挿入部72Aの板幅をカバーするように設けられていても良いし、板幅のうちの一部に接するように設けても良い。対するインサートプレート70Aの挿入部72Aは、段差も折れ曲がり部もない平板状である。インサートプレート70Aの挿入部72Aをスリーブ60Aに挿入し、厚み方向押え部62よりも深く挿し込むことで、挿入部72Aが厚み方向押え部62によって後方から押えられ、スリーブ60Aに対するインサートプレート70Aの前後方向(厚み方向)の動きが拘束される。
なお、図示省略するが、挿入部72Aの板幅方向の動きを拘束する構造については第1実施形態と同様であり、挿入部72Aには幅方向押え部73が設けられている。その他の構成についても第1実施形態と同様である。
第1実施形態では幅方向押え部73及び厚み方向押え部74をインサートプレート70側に設けた場合を例示したが、インサートプレートを拘束する構造はインサートプレート側に設けられる必要は必ずしもなく、本実施形態のように一部又は全部をスリーブ側に設けても良い。このようにしても第1実施形態と同様の効果が得られる。
〔第3実施形態〕
図13は第3実施形態に係る給脂装置の固定構造を表す断面図であり、第1実施形態における図8に対応する図である。図13において第1実施形態と同様の部分には同符号を付して説明を省略する。
本実施形態においては、リュブリケータボックス40の内壁面にはスリーブではなくインサートプレート70Bが、給脂装置50にはインサートプレートではなくスリーブ60Bが設けられている。第1実施形態におけるインサートプレート70の挿入部72とスリーブ60とを交換した構成に相当する。
インサートプレート70Bの要部構造(スリーブ60Bに挿入される部分)は第1実施形態のインサートプレート70の挿入部72と同様であり、インサートプレート70Bには幅方向押え部73及び厚み方向押え部74が備わっている。詳細には図示していないが、インサートプレート70Bとリュブリケータボックス40の内壁面との間にはインサートプレート70Bにスリーブ60Bを被せられるだけの隙間が確保されていて、またスリーブ60Bを被せられるようにインサートプレート70Bは先端を上に向けた姿勢でリュブリケータボックス40に対して下部側で固定されている。
一方のスリーブ60Bの要部構造(インサートプレート70Bが挿入される中空部)は第1実施形態のスリーブ60と同様である。第1実施形態のインサートプレート70の取り付け部71に相当する取り付け部65がスリーブ60Bの上部に接続しており、取り付け部65を介してスリーブ60Bが給脂装置50に固定されている。
本実施形態においては、スリーブ60Bをインサートプレート70Bに被せることで、リュブリケータボックス40に対して給脂装置50が固定される。給脂装置50の水平方向の動きを拘束する構造は第1実施形態と同様である。本実施形態のように、給脂装置50側に取り付ける固定部材はインサートプレートに限定されずスリーブであっても良く、当然ながらリュブリケータボックス40側に取り付ける固定部材はスリーブに限定されずインサートプレートであっても良い。
〔第4実施形態〕
図14は第4実施形態に係る給脂装置の固定構造を表す断面図であり、第1実施形態における図8に対応する図である。図14において第1実施形態と同様の部分には同符号を付して説明を省略する。
本実施形態においては、インサートプレート70Cの厚み方向押え部77の形状が第1実施形態の厚み方向押え部74と相違する。インサートプレート70Cの挿入部72Cは第1実施形態のように厚み方向に折れ曲がった形状ではなく、真直ぐ下方に延びていて、上下方向の中間部に厚み方向押え部77が突出して設けられている。厚み方向押え部77の形状的特徴は第2実施形態の厚み方向押え部62と同様であり、本実施形態では挿入部72Cの後面に後方に突出して設けられているが、前面に前方に突出して設けても良い。その他の構成については、インサートプレート70Cの板幅方向の動きを拘束する構造を含めて第1実施形態と同様である。
給脂装置50のインサートプレート厚み方向の動きを拘束する構成は第1実施形態のような折れ曲がり構造に限定されず、本実施形態のように適宜設計変更しても同様の効果が得られる。インサートプレート板幅方向の動きを拘束する構成についても同様のことが言える。
〔第5実施形態〕
図15は第5実施形態に係る給脂装置の固定構造を表す断面図であり、第1実施形態における図8に対応する図である。図15において第1実施形態と同様の部分には同符号を付して説明を省略する。
本実施形態もインサートプレートの厚み方向の動きを拘束する構造の変形例である。本実施形態のインサートプレート70Dの挿入部72Dは、厚み方向に長曲がる箇所を持たず高さ方向の位置によって厚みも変化しない下方に延びる平板状の部材である。対してスリーブ60Dは、内部空間の厚み(インサートプレート挿入部72Dの厚み方向の寸法)が、上部開口を含む上部側に比べて下部側で薄くなっている。具体的には、スリーブ60Dの内壁面のうち後方側に位置する面(前方を向いた面)が傾斜面63を境に前方に突出していて、これにより生じた段差部が厚み方向押え部64を構成している。傾斜面63はインサートプレート70Dの挿入を円滑にするように、下部側に向かって前方に傾斜している。厚み方向押え部64はスリーブ60Dの後方側の内壁面に設けられているが、前方側の内壁面に設けても良い。その他の構成については、インサートプレート70Dの板幅方向の動きを拘束する構造を含めて第1実施形態と同様である。
本実施形態においても第1実施形態と同様の効果が得られる。
10 走行体
20 旋回体
30 フロント作業機
40 リュブリケータボックス
41 メンテナンスフロア(足場)
42 ボックス本体
43 上蓋
44 支持プレート
44a 切欠き部
45 上部開口
50 給脂装置
60,60A,60D スリーブ(第1固定部材)
60B スリーブ(第2固定部材)
62,64,74,77 厚み方向押え部(押え部)
70,70A,70C,70D インサートプレート(第2固定部材)
70B インサートプレート(第1固定部材)
73 幅方向押え部(押え部)
100 油圧ショベル

Claims (5)

  1. 走行体と、
    前記走行体上に設けた旋回体と、
    前記旋回体に設けたフロント作業機と、
    前記旋回体に設けた足場と、
    前記足場に隣接するように前記旋回体に設けたリュブリケータボックスと、
    前記リュブリケータボックスに収容した給脂装置と、
    前記リュブリケータボックスにおける前記足場から見て左右方向のいずれか一方側の内壁面に固定した第1固定部材と、
    前記給脂装置に固定した第2固定部材とを備え、
    前記第1及び第2固定部材の一方がインサートプレート、他方がスリーブからなり、前記スリーブに対して前記インサートプレートが挿入されて前記給脂装置が前記リュブリケータボックスに対して固定されることを特徴とする油圧ショベル。
  2. 請求項1の油圧ショベルにおいて、
    前記リュブリケータボックスが、前記フロント作業機の基部と前記足場との間に位置していることを特徴とする油圧ショベル。
  3. 請求項1の油圧ショベルにおいて、
    前記インサートプレート及び前記スリーブの少なくとも一方に、前記インサートプレートの幅方向及び厚み方向について、前記スリーブとこれに挿入された前記インサートプレートとの間の隙間を前記スリーブの入口と前記インサートプレートの先端部との寸法差よりも小さくする押え部を備えていることを特徴とする油圧ショベル。
  4. 請求項3の油圧ショベルにおいて、前記第1固定部材が前記スリーブ、前記第2固定部材が前記インサートプレートであることを特徴とする油圧ショベル。
  5. 請求項1の油圧ショベルにおいて、
    前記リュブリケータボックスは、
    上部開口を有するボックス本体と、
    前記上部開口を開閉する上蓋と、
    前記第1固定部材の上方に位置するように前記上部開口の縁部に設けた支持プレートとを備えていて、
    前記支持プレートには、上方から見て前記スリーブの入口に重ならないように切欠き部が形成されていることを特徴とする油圧ショベル。
JP2015022523A 2015-02-06 2015-02-06 油圧ショベル Active JP6317684B2 (ja)

Priority Applications (1)

Application Number Priority Date Filing Date Title
JP2015022523A JP6317684B2 (ja) 2015-02-06 2015-02-06 油圧ショベル

Applications Claiming Priority (1)

Application Number Priority Date Filing Date Title
JP2015022523A JP6317684B2 (ja) 2015-02-06 2015-02-06 油圧ショベル

Publications (2)

Publication Number Publication Date
JP2016145470A true JP2016145470A (ja) 2016-08-12
JP6317684B2 JP6317684B2 (ja) 2018-04-25

Family

ID=56685801

Family Applications (1)

Application Number Title Priority Date Filing Date
JP2015022523A Active JP6317684B2 (ja) 2015-02-06 2015-02-06 油圧ショベル

Country Status (1)

Country Link
JP (1) JP6317684B2 (ja)

Cited By (2)

* Cited by examiner, † Cited by third party
Publication number Priority date Publication date Assignee Title
JP2019065570A (ja) * 2017-09-29 2019-04-25 コベルコ建機株式会社 建設機械
JP2020007884A (ja) * 2018-07-12 2020-01-16 コベルコ建機株式会社 建設機械

Citations (6)

* Cited by examiner, † Cited by third party
Publication number Priority date Publication date Assignee Title
US3860090A (en) * 1973-06-20 1975-01-14 Flanary Ind Inc Mobile construction machine greasing assembly
JPH0979230A (ja) * 1995-09-08 1997-03-25 Aisan Ind Co Ltd 支持ブラケット
JP2002188178A (ja) * 2000-12-18 2002-07-05 Hitachi Constr Mach Co Ltd 油圧ショベルの給脂装置
JP2013249670A (ja) * 2012-06-01 2013-12-12 Caterpillar Sarl 建設機械
JP2014037710A (ja) * 2012-08-16 2014-02-27 Hitachi Constr Mach Co Ltd 建設機械の給脂装置
US20140236432A1 (en) * 2013-02-18 2014-08-21 Harnischfeger Technologies, Inc. Systems and methods for monitoring a fluid system of a mining machine

Patent Citations (6)

* Cited by examiner, † Cited by third party
Publication number Priority date Publication date Assignee Title
US3860090A (en) * 1973-06-20 1975-01-14 Flanary Ind Inc Mobile construction machine greasing assembly
JPH0979230A (ja) * 1995-09-08 1997-03-25 Aisan Ind Co Ltd 支持ブラケット
JP2002188178A (ja) * 2000-12-18 2002-07-05 Hitachi Constr Mach Co Ltd 油圧ショベルの給脂装置
JP2013249670A (ja) * 2012-06-01 2013-12-12 Caterpillar Sarl 建設機械
JP2014037710A (ja) * 2012-08-16 2014-02-27 Hitachi Constr Mach Co Ltd 建設機械の給脂装置
US20140236432A1 (en) * 2013-02-18 2014-08-21 Harnischfeger Technologies, Inc. Systems and methods for monitoring a fluid system of a mining machine

Cited By (3)

* Cited by examiner, † Cited by third party
Publication number Priority date Publication date Assignee Title
JP2019065570A (ja) * 2017-09-29 2019-04-25 コベルコ建機株式会社 建設機械
JP2020007884A (ja) * 2018-07-12 2020-01-16 コベルコ建機株式会社 建設機械
JP7073953B2 (ja) 2018-07-12 2022-05-24 コベルコ建機株式会社 建設機械

Also Published As

Publication number Publication date
JP6317684B2 (ja) 2018-04-25

Similar Documents

Publication Publication Date Title
JP4544121B2 (ja) 建設機械
CN103827403B (zh) 机械主体及具备该机械主体的工程机械
EP2918436A1 (en) Vehicle body cover and work vehicle
CN101748765B (zh) 作业机械
KR102082840B1 (ko) 소형의 건설 기계
JP2015134999A (ja) 建設機械
EP2896754B1 (en) Upper slewing body for construction machine
JP6317684B2 (ja) 油圧ショベル
JP5387665B2 (ja) 作業機械
JP5654856B2 (ja) 油圧ショベル
JP3980912B2 (ja) 旋回型作業機械
EP2719837A1 (en) Construction machine
JP5404660B2 (ja) 建設機械
JP2009227213A (ja) 車両および作業機械
JP5729244B2 (ja) 建設機械
JP5895951B2 (ja) 建設機械
JP4463221B2 (ja) 旋回作業機
JP2024123957A (ja) 作業機械
CN105887961B (zh) 挖土机
JP5935326B2 (ja) 建設機械
JP2009203683A (ja) 作業車両
JP6268927B2 (ja) 建設機械の排気構造
JP2021178730A (ja) 建設機械
JP4258516B2 (ja) 作業機械の上部体及びこれを備えた作業機械
JP6002397B2 (ja) 作業機械

Legal Events

Date Code Title Description
A621 Written request for application examination

Free format text: JAPANESE INTERMEDIATE CODE: A621

Effective date: 20170303

A977 Report on retrieval

Free format text: JAPANESE INTERMEDIATE CODE: A971007

Effective date: 20171227

A131 Notification of reasons for refusal

Free format text: JAPANESE INTERMEDIATE CODE: A131

Effective date: 20180206

A521 Request for written amendment filed

Free format text: JAPANESE INTERMEDIATE CODE: A523

Effective date: 20180312

TRDD Decision of grant or rejection written
A01 Written decision to grant a patent or to grant a registration (utility model)

Free format text: JAPANESE INTERMEDIATE CODE: A01

Effective date: 20180327

A61 First payment of annual fees (during grant procedure)

Free format text: JAPANESE INTERMEDIATE CODE: A61

Effective date: 20180330

R150 Certificate of patent or registration of utility model

Ref document number: 6317684

Country of ref document: JP

Free format text: JAPANESE INTERMEDIATE CODE: R150