JP2010094021A - モータ駆動方法およびその装置 - Google Patents
モータ駆動方法およびその装置 Download PDFInfo
- Publication number
- JP2010094021A JP2010094021A JP2009273482A JP2009273482A JP2010094021A JP 2010094021 A JP2010094021 A JP 2010094021A JP 2009273482 A JP2009273482 A JP 2009273482A JP 2009273482 A JP2009273482 A JP 2009273482A JP 2010094021 A JP2010094021 A JP 2010094021A
- Authority
- JP
- Japan
- Prior art keywords
- motor
- inverter
- detected
- current
- zero
- Prior art date
- Legal status (The legal status is an assumption and is not a legal conclusion. Google has not performed a legal analysis and makes no representation as to the accuracy of the status listed.)
- Granted
Links
Images
Landscapes
- Control Of Motors That Do Not Use Commutators (AREA)
- Control Of Ac Motors In General (AREA)
Abstract
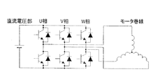
【解決手段】モータ電流の検出値を補正するために、モータを駆動しない期間中に、インバータの上アームのスイッチングトランジスタを全てオフにしてかつインバータの下アームのスイッチングトランジスタを全てオンにするか又は、インバータの上アームのスイッチングトランジスタを全てオンにしてかつインバータの下アームのスイッチングトランジスタを全てオフにして、インバータから零ベクトルを出力して、モータ電流を検出する検出手段からの出力を零レベルとして検出する。
【選択図】図9
Description
インバータ停止中に零レベルの補正を行っている場合、インバータ駆動中に検出回路のオフセット量が変化する要因は主に温度によるものである。したがって、回路の温度変化を直接見ることが出来る場合には、温度変化によるオフセット量の変化が電流誤差の許容範囲を超えそうだと判断された時に零ベクトルの挿入と零レベルの補正を行えばよい。回路の温度変化を直接見ることが出来ない場合には、周囲温度、インバータ出力電流、インバータ出力電力等から回路の温度変化を推測して零ベクトルの挿入と零レベルの補正とを行うことができる。
請求項1のモータ駆動方法であれば、検出手段を用いてインバータからモータに供給されるモータ電圧およびモータ電流を検出し、検出したモータ電圧、モータ電流、および予め設定したモータモデルを用いてモータの回転子の磁極位置を検出し、検出した磁極位置を基準としてインバータを制御するに当たって、前記モータ電流の検出値を補正するために、前記モータを駆動しない期間中に、前記インバータから零ベクトルを出力して、前記モータ電流を検出する検出手段からの出力を零レベルとして検出するのであるから、モータを積極的には運転していない状態においても零レベルを精度よく検出することができ、ひいてはモータの回転子の磁極位置を精度よく検出することができる。
4 電流検出回路 5 制御回路
Claims (2)
- 検出手段(4)を用いてインバータ(2)からモータ(3)に供給されるモータ電圧およびモータ電流を検出し、検出したモータ電圧、モータ電流、および予め設定したモータモデルを用いてモータ(3)の回転子の磁極位置を検出し、検出した磁極位置を基準としてインバータ(2)を制御するモータ駆動方法において、
前記モータ電流の検出値を補正するために、前記モータを駆動しない期間中に、前記インバータの上アームのスイッチングトランジスタを全てオフにしてかつ前記インバータの下アームのスイッチングトランジスタを全てオンにするか又は、前記インバータの上アームのスイッチングトランジスタを全てオンにしてかつ前記インバータの下アームのスイッチングトランジスタを全てオフにして、前記インバータ(2)から零ベクトルを出力して、前記モータ電流を検出する検出手段(4)からの出力を零レベルとして検出することを特徴とするモータ駆動方法。 - 検出手段(4)を用いてインバータ(2)からモータ(3)に供給されるモータ電圧およびモータ電流を検出し、検出したモータ電圧、モータ電流、および予め設定したモータモデルを用いてモータ(3)の回転子の磁極位置を検出し、検出した磁極位置を基準としてインバータ(2)を制御するモータ駆動装置において、
前記モータ電流の検出値を補正するために、前記モータを駆動しない期間中に、前記インバータの上アームのスイッチングトランジスタを全てオフにしてかつ前記インバータの下アームのスイッチングトランジスタを全てオンにするか又は、前記インバータの上アームのスイッチングトランジスタを全てオンにしてかつ前記インバータの下アームのスイッチングトランジスタを全てオフにして、前記インバータ(2)から零ベクトルを出力して、前記モータ電流を検出する検出手段(4)からの出力を零レベルとして検出する零レベル検出手段(5)を含むことを特徴とするモータ駆動装置。
Priority Applications (1)
| Application Number | Priority Date | Filing Date | Title |
|---|---|---|---|
| JP2009273482A JP5263132B2 (ja) | 2009-12-01 | 2009-12-01 | モータ駆動方法およびその装置 |
Applications Claiming Priority (1)
| Application Number | Priority Date | Filing Date | Title |
|---|---|---|---|
| JP2009273482A JP5263132B2 (ja) | 2009-12-01 | 2009-12-01 | モータ駆動方法およびその装置 |
Related Parent Applications (1)
| Application Number | Title | Priority Date | Filing Date |
|---|---|---|---|
| JP2002298321A Division JP4474827B2 (ja) | 2002-10-11 | 2002-10-11 | モータ駆動方法およびその装置 |
Publications (2)
| Publication Number | Publication Date |
|---|---|
| JP2010094021A true JP2010094021A (ja) | 2010-04-22 |
| JP5263132B2 JP5263132B2 (ja) | 2013-08-14 |
Family
ID=42256160
Family Applications (1)
| Application Number | Title | Priority Date | Filing Date |
|---|---|---|---|
| JP2009273482A Expired - Fee Related JP5263132B2 (ja) | 2009-12-01 | 2009-12-01 | モータ駆動方法およびその装置 |
Country Status (1)
| Country | Link |
|---|---|
| JP (1) | JP5263132B2 (ja) |
Citations (3)
| Publication number | Priority date | Publication date | Assignee | Title |
|---|---|---|---|---|
| JPH04347592A (ja) * | 1991-05-24 | 1992-12-02 | Hitachi Ltd | 電動機の駆動装置 |
| JP2001095279A (ja) * | 1999-09-07 | 2001-04-06 | Trw Lucasvarity Electric Steering Ltd | モータ制御 |
| JP2001178176A (ja) * | 1999-12-10 | 2001-06-29 | Tokimec Inc | サーボモータの制御装置 |
-
2009
- 2009-12-01 JP JP2009273482A patent/JP5263132B2/ja not_active Expired - Fee Related
Patent Citations (3)
| Publication number | Priority date | Publication date | Assignee | Title |
|---|---|---|---|---|
| JPH04347592A (ja) * | 1991-05-24 | 1992-12-02 | Hitachi Ltd | 電動機の駆動装置 |
| JP2001095279A (ja) * | 1999-09-07 | 2001-04-06 | Trw Lucasvarity Electric Steering Ltd | モータ制御 |
| JP2001178176A (ja) * | 1999-12-10 | 2001-06-29 | Tokimec Inc | サーボモータの制御装置 |
Non-Patent Citations (1)
| Title |
|---|
| JPN6009045859; 坂本潔他: '軸誤差の直接推定演算による永久磁石同期モータの位置センサレス制御' 平成12年電気学会産業応用部門大会 , 200008, 963ページ-966ページ, 電気学会 * |
Also Published As
| Publication number | Publication date |
|---|---|
| JP5263132B2 (ja) | 2013-08-14 |
Similar Documents
| Publication | Publication Date | Title |
|---|---|---|
| JP5697745B2 (ja) | 同期電動機の駆動システム | |
| Viswanathan et al. | Hybrid converter topology for reducing torque ripple of BLDC motor | |
| CN103688462B (zh) | 电驱动单元 | |
| US8400088B2 (en) | Sensorless control of salient-pole machines | |
| JPWO2013153657A1 (ja) | 三相同期電動機駆動装置 | |
| WO2009113509A1 (ja) | インバータ装置 | |
| JP2009136085A (ja) | 交流モータの制御装置 | |
| JP4474827B2 (ja) | モータ駆動方法およびその装置 | |
| JP5333256B2 (ja) | 交流回転機の制御装置 | |
| Khlaief et al. | Model reference adaptive system based adaptive speed estimation for sensorless vector control with initial rotor position estimation for interior permanent magnet synchronous motor drive | |
| Zhou et al. | Extended operation of brushless DC motors beyond 120 under maximum torque per ampere control | |
| JP2011004538A (ja) | インバータ装置 | |
| JP7077032B2 (ja) | 三相同期電動機の制御装置 | |
| JP2013146155A (ja) | 巻線温度推定装置及び巻線温度推定方法 | |
| CN111034013B (zh) | 三相同步电动机的控制装置和使用其的电动助力转向装置 | |
| JP5888148B2 (ja) | 回転機の制御装置 | |
| JP5263132B2 (ja) | モータ駆動方法およびその装置 | |
| US9935575B2 (en) | Power conversion device and control method for same, and electric power steering control device | |
| TW200926572A (en) | Static measuring method for electrical references of three-phase permanent magnet synchronous motor | |
| Lu et al. | Improved sliding mode observer for position sensorless open-winding permanent magnet brushless motor drives | |
| Yao et al. | Rapid estimation and compensation method of commutation error caused by Hall sensor installation error for BLDC motors | |
| Gao et al. | Model-free predictive current control of pmsm drives using recursive least squares algorithm | |
| Ebrahimi | A novel harmonic current control algorithm for torque ripple reduction of permanent magnet synchronous motors for traction application | |
| JP4256796B2 (ja) | インバータ装置 | |
| TW202401959A (zh) | 多相永磁轉子馬達及其閉迴路方法 |
Legal Events
| Date | Code | Title | Description |
|---|---|---|---|
| A131 | Notification of reasons for refusal |
Free format text: JAPANESE INTERMEDIATE CODE: A131 Effective date: 20120131 |
|
| A521 | Written amendment |
Free format text: JAPANESE INTERMEDIATE CODE: A523 Effective date: 20120330 |
|
| A131 | Notification of reasons for refusal |
Free format text: JAPANESE INTERMEDIATE CODE: A131 Effective date: 20120807 |
|
| TRDD | Decision of grant or rejection written | ||
| A01 | Written decision to grant a patent or to grant a registration (utility model) |
Free format text: JAPANESE INTERMEDIATE CODE: A01 Effective date: 20130402 |
|
| A61 | First payment of annual fees (during grant procedure) |
Free format text: JAPANESE INTERMEDIATE CODE: A61 Effective date: 20130415 |
|
| LAPS | Cancellation because of no payment of annual fees |
