JP2010086433A - 半導体集積回路及びそれを用いたicカード - Google Patents

半導体集積回路及びそれを用いたicカード Download PDF

Info

Publication number
JP2010086433A
JP2010086433A JP2008256948A JP2008256948A JP2010086433A JP 2010086433 A JP2010086433 A JP 2010086433A JP 2008256948 A JP2008256948 A JP 2008256948A JP 2008256948 A JP2008256948 A JP 2008256948A JP 2010086433 A JP2010086433 A JP 2010086433A
Authority
JP
Japan
Prior art keywords
power supply
voltage
terminal
circuit
mos transistor
Prior art date
Legal status (The legal status is an assumption and is not a legal conclusion. Google has not performed a legal analysis and makes no representation as to the accuracy of the status listed.)
Granted
Application number
JP2008256948A
Other languages
English (en)
Other versions
JP2010086433A5 (ja
JP5258490B2 (ja
Inventor
Kazuki Watanabe
一希 渡邊
Nobuaki Yoneya
信昭 米谷
Current Assignee (The listed assignees may be inaccurate. Google has not performed a legal analysis and makes no representation or warranty as to the accuracy of the list.)
Renesas Technology Corp
Original Assignee
Renesas Technology Corp
Priority date (The priority date is an assumption and is not a legal conclusion. Google has not performed a legal analysis and makes no representation as to the accuracy of the date listed.)
Filing date
Publication date
Application filed by Renesas Technology Corp filed Critical Renesas Technology Corp
Priority to JP2008256948A priority Critical patent/JP5258490B2/ja
Priority to CN2009101741170A priority patent/CN101714220B/zh
Priority to US12/572,298 priority patent/US8301915B2/en
Publication of JP2010086433A publication Critical patent/JP2010086433A/ja
Publication of JP2010086433A5 publication Critical patent/JP2010086433A5/ja
Priority to US13/615,301 priority patent/US8635472B2/en
Application granted granted Critical
Publication of JP5258490B2 publication Critical patent/JP5258490B2/ja
Expired - Fee Related legal-status Critical Current
Anticipated expiration legal-status Critical

Links

Images

Classifications

    • GPHYSICS
    • G06COMPUTING OR CALCULATING; COUNTING
    • G06KGRAPHICAL DATA READING; PRESENTATION OF DATA; RECORD CARRIERS; HANDLING RECORD CARRIERS
    • G06K19/00Record carriers for use with machines and with at least a part designed to carry digital markings
    • G06K19/06Record carriers for use with machines and with at least a part designed to carry digital markings characterised by the kind of the digital marking, e.g. shape, nature, code
    • G06K19/067Record carriers with conductive marks, printed circuits or semiconductor circuit elements, e.g. credit or identity cards also with resonating or responding marks without active components
    • G06K19/07Record carriers with conductive marks, printed circuits or semiconductor circuit elements, e.g. credit or identity cards also with resonating or responding marks without active components with integrated circuit chips
    • G06K19/0723Record carriers with conductive marks, printed circuits or semiconductor circuit elements, e.g. credit or identity cards also with resonating or responding marks without active components with integrated circuit chips the record carrier comprising an arrangement for non-contact communication, e.g. wireless communication circuits on transponder cards, non-contact smart cards or RFIDs
    • GPHYSICS
    • G06COMPUTING OR CALCULATING; COUNTING
    • G06KGRAPHICAL DATA READING; PRESENTATION OF DATA; RECORD CARRIERS; HANDLING RECORD CARRIERS
    • G06K19/00Record carriers for use with machines and with at least a part designed to carry digital markings
    • G06K19/06Record carriers for use with machines and with at least a part designed to carry digital markings characterised by the kind of the digital marking, e.g. shape, nature, code
    • G06K19/067Record carriers with conductive marks, printed circuits or semiconductor circuit elements, e.g. credit or identity cards also with resonating or responding marks without active components
    • G06K19/07Record carriers with conductive marks, printed circuits or semiconductor circuit elements, e.g. credit or identity cards also with resonating or responding marks without active components with integrated circuit chips
    • G06K19/0701Record carriers with conductive marks, printed circuits or semiconductor circuit elements, e.g. credit or identity cards also with resonating or responding marks without active components with integrated circuit chips at least one of the integrated circuit chips comprising an arrangement for power management
    • GPHYSICS
    • G06COMPUTING OR CALCULATING; COUNTING
    • G06KGRAPHICAL DATA READING; PRESENTATION OF DATA; RECORD CARRIERS; HANDLING RECORD CARRIERS
    • G06K19/00Record carriers for use with machines and with at least a part designed to carry digital markings
    • G06K19/06Record carriers for use with machines and with at least a part designed to carry digital markings characterised by the kind of the digital marking, e.g. shape, nature, code
    • G06K19/067Record carriers with conductive marks, printed circuits or semiconductor circuit elements, e.g. credit or identity cards also with resonating or responding marks without active components
    • G06K19/07Record carriers with conductive marks, printed circuits or semiconductor circuit elements, e.g. credit or identity cards also with resonating or responding marks without active components with integrated circuit chips
    • G06K19/077Constructional details, e.g. mounting of circuits in the carrier
    • G06K19/07749Constructional details, e.g. mounting of circuits in the carrier the record carrier being capable of non-contact communication, e.g. constructional details of the antenna of a non-contact smart card
    • G06K19/07766Constructional details, e.g. mounting of circuits in the carrier the record carrier being capable of non-contact communication, e.g. constructional details of the antenna of a non-contact smart card comprising at least a second communication arrangement in addition to a first non-contact communication arrangement
    • G06K19/07769Constructional details, e.g. mounting of circuits in the carrier the record carrier being capable of non-contact communication, e.g. constructional details of the antenna of a non-contact smart card comprising at least a second communication arrangement in addition to a first non-contact communication arrangement the further communication means being a galvanic interface, e.g. hybrid or mixed smart cards having a contact and a non-contact interface

Landscapes

  • Engineering & Computer Science (AREA)
  • Computer Hardware Design (AREA)
  • Microelectronics & Electronic Packaging (AREA)
  • Physics & Mathematics (AREA)
  • General Physics & Mathematics (AREA)
  • Theoretical Computer Science (AREA)
  • Computer Networks & Wireless Communication (AREA)
  • Semiconductor Integrated Circuits (AREA)

Abstract

【課題】ICカード用の半導体集積回路においてチップ面積を大幅に増大させることなく、非接触動作時において電源電圧端子と内部回路とを分離可能にする。
【解決手段】アンテナからアンテナ端子に与えられる交流信号を整流及び平滑化して第1の電源ライン(VDDA)に直流電圧を得る第1の電源回路(U3)と、外部から電源が入力される電源端子(VDD)と前記第1の電源ラインとの間に配置された第1のMOSトランジスタ(M1)のゲート端子電圧を制御する電圧制御回路(B2)を有する第2の電源回路と、前記第1のMOSトランジスタのソース電圧を基板電圧として形成する基板電位制御回路(B1)と、前記第1電源回路で生成する電圧を電源に用いるとき前記第1のMOSトランジスタの基板電圧とゲート電圧を導通させ、外部端子からの電源を用いる場合には非導通とする第2のMOSトランジスタ(M2)と、を有する。
【選択図】図3

Description

本発明は、ICカードに搭載される半導体集積回路等に適用して好適な電源制御技術に係り、特に、ICカードに具備されたアンテナで受けた電磁波から生成した電源電圧とICカードに具備された接触端子を介して外部から供給された電源電圧とを選択して動作する半導体集積回路及びそれを用いたICカードに関する。
カードの内部にCPUやメモリ等の機能を有した半導体集積回路を備え、この半導体集積回路との接触端子をカード表面上に備えた接触型ICカードが、金融等の分野で普及しつつある。
この接触型ICカードは、CPU等によってメモリへの書込み・消去、および読出しが管理される共に、暗号処理機能等を有することで、接触型ICカードの高セキュリティ性能が実現されている。このような機能を実現するCPU等では、昨今の半導体プロセスの微細化により素子耐圧が低下しており、CPUに供給される電源電圧はその素子耐圧を超えないレベルに抑制されている。そのため、CPU等には電源電圧端子からの電圧レベルを抑制するレギュレータ回路を介して、電源電圧が供給されることが一般的である。
一方、バッテリ等の電源を持たず、アンテナで受けた電磁波から内部回路が動作するための電源電圧を生成して動作する非接触型ICカードが交通等の分野で盛んに使われるようになってきた。非接触型ICカードは、リーダ・ライタ(質問器)から電磁波を変調して送られるデータを受信し、受信したデータを信号処理して得られたデータに応じて、アンテナ端子間の負荷を変動することでアンテナで受信している電磁波を変調し、データをリーダ・ライタ(質問器)に送信する。
接触型ICカードと同様に、非接触型ICカードにおいても、上記のような機能を実現するためにCPUやメモリ等が搭載されるため、CPU等には、その構成素子の素子耐圧を超えないように抑制された電源電圧が供給される。
以上のような、接触型ICカードと非接触型ICカードとの機能を兼用できるデュアルウェイICカードでは、ICカードの動作状態に応じて、接触端子として設けられる電源電圧端子からレギュレータ回路を介して供給される電源電圧とアンテナで受けた電磁波から生成した電源電圧とが、選択的に内部に搭載されるCPU等の内部回路に供給される。
このように、複数の電源入力手段を有し、供給された電源を切替えて使用する場合に発生し得る入力電圧源の短絡や、非接触動作時における金属の接触等が引き起こす電源端子とグランド端子の短絡を防止するためには、選択した電源以外の電源入力を分離する必要がある。
そこで、電源電圧端子と内部電源ラインとの間に電源スイッチ回路を備え、アンテナで受けた電磁波から生成した電源で動作する場合は、電源電圧端子からの入力を遮断する技術がある(特許文献1参照)。
また、特許文献1に記載の電源スイッチ回路をPMOSトランジスタで構成した場合には、PMOSトランジスタのバルク端子とソース端子との間に生成される寄生ダイオードを通して、電源電圧端子と内部電源ラインの間に電流経路が生成されるため、内部電源ラインを電源電圧端子から完全に遮断することができなかった。
そこで、電源スイッチ回路を2つの直列接続されたPMOSトランジスタで構成することで、寄生ダイオードによる電流経路を生成することなく、内部電源ラインを電源電圧端子から完全に遮断する技術がある(特許文献2参照)。
特開2000−113148号公報 特開2004−78898号公報
特許文献1に示されるように、電源スイッチ回路をNMOSトランジスタで構成した場合、電源電圧端子から供給される電源電圧が低くなると、NMOSトランジスタが十分にオンするゲート電圧が生成されるまでに長い時間を必要とし、その間、内部電源ラインには十分な電圧が供給されないため、動作モードの判定等の処理を行うことも困難となり、チップが動作を開始するまでの時間が必要であった。
更には、電源電圧端子から供給される電源電圧が低い場合においても電源スイッチ回路の電圧ロスを小さくするためには、NMOSトランジスタのトランジスタサイズの拡張や、NMOSトランジスタのゲート端子に十分に大きな電圧を供給するなどして、NMOSトランジスタのオン抵抗を小さくしなければならない。特に、電源電圧端子から供給される電源電圧が低く、内部回路の消費電力が大きい場合には、その影響が大きくなるため、チップ面積や消費電流の増大を抑制することは困難であった。
一方、特許文献2に示されるように、電源スイッチ回路をPMOSトランジスタで構成した場合、電源電圧端子から供給される電源電圧が低くなると、電源スイッチを構成するPMOSトランジスタのゲート・ソース間電圧も小さくなるため、電源スイッチによる電圧ロスが大幅に増大する。そのため、電源スイッチを構成するPMOSトランジスタのオン抵抗を低減するためには、トランジスタサイズを大きくする必要があった。
更には、特許文献2に示される電源スイッチ回路は、電源スイッチ回路を構成するPMOSトランジスタのドレイン端子及びソース端子と、基板端子の間に形成される寄生ダイオードによる電流経路をも遮断するために、大きなトランジスタサイズを必要とするPMOSトランジスタが2つ使用する必要があった。そのため、電源電圧端子から供給される電源電圧が低い電圧の場合における電源スイッチ回路による電圧ロスを低減するためには、PMOSトランジスタのサイズを大幅に拡張することが必要であり、チップ面積の増大を抑制することは困難であった。
本発明の目的は、チップ面積を大幅に増大させることなく、非接触動作時において電源電圧端子と内部回路とを分離する機能を実現すると共に、接触動作時に電源電圧端子から供給される電圧を損失させることなく内部回路に供給することが可能な回路技術を提供することにある。
本発明の前記並びにその他の目的と新規な特徴は本明細書の記述及び添付図面から明らかになるであろう。
本願において開示される発明のうち代表的なものの概要を簡単に説明すれば下記の通りである。
すなわち、アンテナからアンテナ端子に与えられる交流信号を整流及び平滑化して第1の電源ラインに直流電圧を得る第1の電源回路と、外部から電源が入力される電源端子と前記第1の電源ラインとの間に配置された第1のMOSトランジスタゲート端子電圧を制御する電圧制御回路を有する第2の電源回路と、前記第1のMOSトランジスタの基板電圧を制御する基板電位制御回路とを有し、前記第1電源回路で生成する電圧を電源に用いるときは例えば第1のMOSトランジスタの基板電圧とゲート電圧をそのソース電圧に等しくして前記第1のMOSトランジスタを遮断することで前記電源端子と前記第1の電源ラインとを分離する。外部端子からの電源を用いる場合には前記第1のMOSトランジスタの相互コンダクタンス制御によって前記電源端子からの電圧を所定の電圧に抑制して前記第1の電源ラインに出力する。
本願において開示される発明のうち代表的なものによって得られる効果を簡単に説明すれば下記のとおりである。
すなわち、電源用の外部端子と内部の電源ラインとの間に電源スイッチ回路を形成する大きなトランジスタを追加することなく、非接触動作時に電源電圧端子と内部電源ラインとを分離することが可能なる。
1.実施の形態の概要
先ず、本願において開示される発明の代表的な実施の形態について概要を説明する。代表的な実施の形態についての概要説明で括弧を付して参照する図面中の参照符号はそれが付された構成要素の概念に含まれるものを例示するに過ぎない。
〔1〕本発明に係る半導体集積回路は、アンテナに接続されるアンテナ端子と、前記アンテナから前記アンテナ端子に与えられる交流信号を整流及び平滑化して第1の電源ラインに直流電圧を得る第1の電源回路(U3)と、外部から電源が入力される電源端子(VDD)及びグランド端子(VSS)と、前記電源端子と前記第1の電源ラインとの間に配置された第1のMOSトランジスタ(M1)、及び前記第1のMOSトランジスタのゲート端子電圧を制御する電圧制御回路(B2)から成る第2の電源回路と、前記第1のMOSトランジスタの基板電圧を制御する基板電位制御回路(B1)と、を備える。前記第1電源回路で生成する電圧を電源に用いるときには前記第1のMOSトランジスタが遮断されることで前記電源端子と前記第1の電源ラインとを分離し、外部端子からの電源を用いる場合には前記電源制御回路が前記第1のMOSトランジスタを制御して前記電源端子及び前記グランド端子から供給される電圧を所定の電圧に抑制し、前記第1の電源ラインに出力する。
〔2〕項1の半導体集積回路は更に、前記第1電源回路で生成する電圧を電源に用いるとき前記第1のMOSトランジスタの基板電圧とゲート電圧を導通させ、外部端子からの電源を用いる場合には非導通とする第2のMOSトランジスタ(M2)を有する。
〔3〕項2の半導体集積回路において、前記基板電位制御回路は、前記第1のMOSトランジスタの遮断状態において前記第1の電源ラインの電圧を前記基板電圧として出力し、前記第1のMOSトランジスタの非遮断状態において前記第1の電源端子の電圧を前記基板電圧として出力する。
〔4〕項3の半導体集積回路において、前記基板電位制御回路は、前記基板電圧の出力端子と前記電源端子との間に配置された第3のMOSトランジスタ(M3)と、前記基板電圧の出力端子と前記第1の電源ラインとの間に配置された第4のMOSトランジスタ(M4)と、前記第3MOSトランジスタ及び第4MOSトランジスタのゲート端子電圧を制御するゲート電圧制御回路(B4)とを有する。前記ゲート電圧制御回路は、前記電源端子の電位が前記第1の電源ラインの電位よりも高いときには前記第3のMOSトランジスタをオン状態とし、前記電源端子の電位が前記第1の電源ラインの電位よりも低いときには前記第4のMOSトランジスタをオン状態として、前記第1のMOSトランジスタの基板電圧を前記第1のMOSトランジスタのソース端子の電位と同電位にする。
〔5〕項4の半導体集積回路において、前記第3MOSトランジスタ及び第4MOSトランジスタは、夫々の基板が前記基板電圧の出力端子と同電位にされるPチャンネル型MOSトランジスタである。前記ゲート電圧制御回路は、前記第3MOSトランジスタのゲートを前記第1の電源ラインに接続する配線と、前記第4MOSトランジスタのゲートを前記電源端子に接続する配線とから成る。
〔6〕項1の半導体集積回路において、前記電源端子と前記グランド端子の間にプルダウン回路(B5)を有する。前記検出回路が前記交流信号に基づく電源の形成を検出することに基づいて、前記プルダウン回路は電源端子とグランド端子の間の抵抗値を小さくする。
〔7〕項1の半導体集積回路において、前記検出回路は、第1のMOSトランジスタの基板端子に入力される電圧(VDDH)を電源電圧として動作する。
〔8〕項1の半導体集積回路において、前記第1の電源ラインに供給される電圧を電源電圧として動作される内部回路(U6)を有する。
〔9〕本発明に係るICカードは、アンテナを構成するコイルと、接続端子を構成する複数の金属端子と、
項1の半導体集積回路とを有し、前記半導体集積回路のアンテナ端子が前記コイルに接続され、前記半導体集積回路の電源端子及びグランド端子が所定の金属端子に接続される。
〔10〕本発明の別の観点による半導体集積回路は、アンテナからアンテナ端子に与えられる交流信号を整流及び平滑化して第1の電源ライン(VDDA)に直流電圧を得る第1の電源回路(U3)と、外部から電源が入力される電源端子(VDD)と前記第1の電源ラインとの間に配置された第1のMOSトランジスタ(M1)のゲート端子電圧を制御する電圧制御回路(B2)を有する第2の電源回路と、前記第1のMOSトランジスタのソース電圧を基板電圧として形成する基板電位制御回路(B1)と、前記第1電源回路で生成する電圧を電源に用いるとき前記第1のMOSトランジスタの基板電圧とゲート電圧を導通させ、外部端子からの電源を用いる場合には非導通とする第2のMOSトランジスタと、を有する。
〔11〕項10の半導体集積回路において、前記基板電位制御回路は、前記第1のMOSトランジスタの遮断状態において前記第1の電源ラインの電圧を前記基板電圧として出力し、前記第1のMOSトランジスタの非遮断状態において前記第1の電源端子の電圧を前記基板電圧として出力する。
〔12〕項11の半導体集積回路において、前記基板電位制御回路は、前記基板電圧の出力端子と前記電源端子との間に配置された第3のMOSトランジスタと、前記基板電圧の出力端子と前記第1の電源ラインとの間に配置された第4のMOSトランジスタと、前記第3MOSトランジスタ及び第4MOSトランジスタのゲート端子電圧を制御するゲート電圧制御回路とを有する。前記ゲート電圧制御回路は、前記電源端子の電位が前記第1の電源ラインの電位よりも高いときには前記第3のMOSトランジスタをオン状態とし、前記電源端子の電位が前記第1の電源ラインの電位よりも低いときには前記第4のMOSトランジスタをオン状態として、前記第1のMOSトランジスタの基板電圧を前記第1のMOSトランジスタのソース端子の電位と同電位にする。
〔13〕項12の半導体集積回路において、前記第3MOSトランジスタ及び第4MOSトランジスタは、夫々の基板が前記基板電圧の出力端子と同電位にされるPチャンネル型MOSトランジスタである。前記ゲート電圧制御回路は、前記第3MOSトランジスタのゲートを前記第1の電源ラインに接続する配線と、前記第4MOSトランジスタのゲートを前記電源端子に接続する配線とから成る。
〔14〕本発明に係るICカードは、アンテナを構成するコイルと、接続端子を構成する複数の金属端子と、項10の半導体集積回路と、を有し、前記半導体集積回路のアンテナ端子が前記コイルに接続され、前記半導体集積回路の電源端子及びグランド端子が所定の金属端子に接続される。
2.実施の形態の詳細
実施の形態について更に詳述する。
《実施の形態1》
図1は、本発明の半導体集積回路及びICカードの第1の実施の形態を示す基本構成のブロック図である。
図1において、U1はICカード、U2はICカードU1に搭載される半導体集積回路、L1はICカードU1に搭載されるアンテナである。アンテナL1と並列に接続された容量CAは、共振回路を構成する。この共振容量CAは、寄生容量等も考慮して調整されるため、必ずしも接続されるものではない。半導体集積回路U2は、非接触動作用電源回路U3、電源電圧端子入力制御回路U4、接触/非接触判定回路U5、内部回路U6を有し、アンテナL1を接続するためのアンテナ端子LA及びLB、外部接触端子U12に接続される電源電圧端子VDD、グランド端子VSS及び信号入出力端子PIOを有している。
図2に、ICカードU1の構造を示す。ICカードU1は、樹脂モールドされたプリント基板U13によってカードの形態を成す。外部のリーダ・ライタU17からの電磁波を受けるアンテナL1は、プリント基板U13の配線により形成される渦巻き状のコイルU14によって構成される。外部との接触端子U12はICカードU1の表面上に分離して形成された複数の金属端子U16によって構成される。1個のICチップU15で構成された半導体集積回路U2には、ICチップU15にアンテナとなるコイルU14と金属端子U16と接続される。リーダ・ライタU17からの電磁波を受けたアンテナL1は、アンテナ端子LA及びLBに高周波の交流信号を出力する。交流信号は、部分的に情報信号(データ)によって変調されている。
また、特に限定はされないが、半導体集積回路U2は、公知の半導体集積回路の製造技術によって、単結晶シリコン等のような1個の半導体基板上に形成される。
図1において、非接触動作用電源回路U3は、整流回路、平滑容量から構成される。勿論、電源回路U3が出力する電圧が所定の電圧レベルを超えないように制御するレギュレータ機能を設けても良い。
非接触動作用電源回路U3の出力電圧、及び、電源端子VDDから電源電圧入力制御回路U4を介して供給される電源電圧は内部電源ラインVDDAに供給され、内部回路U6の電源電圧として利用される。
接触/非接触の判定回路U5は、電源の供給元を検出することで、接触端子U12を使用して動作する状態(接触モード)であるか、アンテナL1を使用して動作する状態(非接触モード)であるかを判定し、判定信号S2を出力する。ここで、接触/非接触の判定回路U5には、アンテナL1から電力が供給されていない場合に接触モードであると判定する回路を使用しても良いし、接触端子U12から電力が供給されている場合に接触モードであると判定する回路を使用しても良い。
電源電圧入力制御回路U4は接触/非接触の判定回路U5の出力信号S2によってその動作状態が制御されるものであり、接触モードでの動作時には、電源電圧端子VDDに入力された電源電圧を所定の電圧値に抑制して内部電源ラインVDDAに供給する、所謂レギュレータ回路として動作し、非接触モードでの動作時には、電源電圧端子VDDと内部電源ラインVDDAとを分離する。
内部回路U6は、受信回路U7、送信回路U8、制御回路U9、メモリU10、I/O回路U11から構成される。受信回路U7は、ICカードに備えられるアンテナL1によって受信された交流信号に重畳された情報信号を復調してディジタルの情報信号として制御回路U9に供給する。送信回路U8は、制御回路U9から出力されるディジタル信号の情報信号を受け、アンテナL1が受信している交流信号を同情報信号によって変調する。リーダ・ライタU17は、アンテナL1からの電磁波の反射が上記変調によって変化することを受けて、制御回路U9からの情報信号を受信する。メモリU10は、制御回路U7との間で復調された情報データや送信データの記録などに利用される。
更に、制御回路U9は、I/O回路U11及び信号入出力端子PIOを介して外部装置と信号のやりとりを行うこともできる。信号入出力端子PIOを介して信号のやり取りを行うとき、内部回路U6は、電源電圧端子VDD及びグランド端子VSSから供給される電源電圧を利用して動作する。
図3は、実施の形態1の半導体集積回路に搭載される電源電圧入力制御回路U4の基本構成図である。ここでは、説明を明確にするために、電源電圧入力制御回路U4の周辺回路に関わる非接触用電源回路U3、接触/非接触判定回路U5、接触端子U12を構成する電源電圧端子VDD及びグランド端子VSSが記載している。
図3において、Pチャンネル型MOSトランジスタ(以下単にPMOSトランジスタとも記す)M1は電源電圧端子VDDと内部電源ラインVDDAとの間に接続され、PMOSトランジスタM1の基板電圧には基板電位制御回路B1の出力電圧が供給される電圧ラインVDDHが接続され、PMOSトランジスタM1のゲート端子には電圧制御回路B2とプルアップ回路B3によって生成される制御信号S1が入力される。
電圧制御回路B2は、次の回路により構成される。内部電源ラインVDDAとグランド端子VSSの間に、分圧抵抗R1及び分圧抵抗R2が設けられる。これら分圧抵抗R1とR2の接続点に得られる分圧電圧は、演算増幅回路A1の非反転入力(+)に供給される。この演算増幅回路A1の反転入力(−)とグランド端子VSSの間には基準電圧源V1が接続される。また、電圧制御回路B2は、接触/非接触判定回路U5が出力する判定信号S2によって、動作/非動作が制御されるものであり、例えば信号S2のハイレベルによって指示される接触モードでの動作時には動作が許可され、信号S2のローレベルによって指示される非接触モードでの動作時には停止する。電圧制御回路B2の動作電源はVDDまたはVDDHとされる。また、電圧制御回路B2の動作電源は、信号S2がハイレベルのとき図示を省略するパワースイッチを介して電圧制御回路B2に電源VDDまたはVDDHが供給される形態を取ってもよい。
以上の構成により、電圧制御回路B2は、接触モードでの動作時にのみ、分圧抵抗R1とR2の接続点に得られる分圧電圧と基準電圧源V1の出力電圧との差分に比例した電圧を生成し、この電圧を制御信号S1として出力する。信号S1を受けるPMOSトランジスタM1は抵抗R1,R2による分圧電圧が基準電圧V1に等しくなるようにその相互コンダクタンスが制御されて、レギュレータとしての動作が行われる。
プルアップ回路B3は、PMOSトランジスタM2によって構成され、接触/非接触の判定回路U5が出力する判定信号S2によってオン/オフが制御されるものであり、信号S2のハイレベルによる接触モードでの動作時にはPMOSトランジスタM2はオフし、信号S2のローレベルによる非接触モードでの動作時にはPMOSトランジスタM2はオンする。PMOSトランジスタM2のオン状態によりPMOSトランジスタM1はオフ状態にされる。
基板電位制御回路B1は、入力端子T1には電源電圧端子VDDが接続され、入力端子T2には内部電源ラインVDDAが接続され、出力端子T3には電圧ラインVDDHが接続される。
図4には、実施の形態1の半導体集積回路に搭載される電源電圧入力制御回路U4を構成する基板電位制御回路B1の入出力特性の一例を示す。ここでは、説明を簡略化するため、電源ラインVDDAの電圧が一定として、電源電圧端子VDDの電圧が変化した場合における電圧ラインVDDHの電圧変化を示してある。
図4に示されるように、基板電位制御回路B1は、入力端子T1に接続される電源電圧端子VDDの電圧レベルと入力端子T2に接続される電源ラインVDDAを比較し、電圧レベルの高い電圧信号を電圧ラインVDDHに出力する機能を有する回路である。
これにより、基板電位制御回路B1は、PMOSトランジスタM1がオン状態にされる接触モードにおいて、PMOSトランジスタM1の基板端子にソース端子と同レベルの電圧を供給することになる。PMOSトランジスタM1の基板端子とソース端子との間に形成される寄生ダイオードの両端が電位的に等しくされると共に、PMOSトランジスタM1の基板端子とドレイン端子との間に形成される寄生ダイオードには常に逆バイアスが印加されるため、電源電圧端子VDDと内部電源ラインVDDAの間に電流経路が形成されず、内部電源ラインVDDAを電源電圧端子VDDから完全に遮断することができる。
ここで前記判定回路U5の判定機能について補足する。無電源状態では電源電圧入力制御回路U4及び判定回路U5の内部ノードはローレベルに収束され、信号S1,S2、内部電圧VDDH、VDDAは、ともにローレベルにされている。例えば、判定回路U5は、VDDAがローレベルのとき、VDDのハイレベルを一旦検出する事によりS2をハイレベルに反転してこの状態を維持し、VDDがローレベルのとき、VDDAのハイレベルを一旦検出する事によりS2をローレベルに維持する。また、判定回路U5は、アンテナ端子から電力が供給されていることが検出できない場合には、S2をハイレベルに反転してこの状態を維持し、アンテナ端子から電力が供給されていることを検出することによりS2をローレベルに維持する形態を取っても良い。いずれの場合においても、判定回路U5の動作電源はVDDHとすることで、判定回路U5には電源が供給され、安定した判定動作を行うことが可能である。
図3で示した回路構成において、接触端子U12を使用して動作する状態(接触モード)における各部の動作は以下の通りとなる。
接触端子U12を構成する電源電圧端子VDDとグランド端子VSSの間に電圧が印加され、アンテナL1には外部からの電磁波が供給されない場合、接触/非接触判定回路U5は接触モードであると判定し、判定信号S2をハイレベルにして出力する。
この判定信号S2はプルアップ回路B3と電圧制御回路B2に入力され、プルアップ回路B3を構成するPMOSトランジスタM2がオフすると共に、電圧制御回路B2が動作するように制御されるため、PMOSトランジスタM1のゲート端子には電圧制御回路B2によって生成される制御信号S1が供給される。
以上の動作により、接触モードでの動作時には、PMOSトランジスタM2と電圧制御回路B2とが、内部電源ラインVDDAの電圧を所定の電圧値に抑制するレギュレータ回路として動作する。このとき、内部電源ラインVDDAの電位は電源電圧端子VDDの電位より低くなることから、PMOSトランジスタM1の基板端子には、基板電位制御回路B1によって、電源電圧端子VDDと同電位に制御される。
図3で示した回路構成において、アンテナL1を使用して動作する状態(非接触モード)における各部の動作は以下の通りとなる。
接触端子U12を構成する電源電圧端子VDDとグランド端子VSSの間には電圧が印加されず、アンテナL1に外部からの電磁波が供給されている場合、接触/非接触判定回路U5は非接触モードであると判定し、判定信号S2をローレベルとして出力する。
この判定信号S2はプルアップ回路B3と電圧制御回路B2に入力され、これによって電圧制御回路B2が停止されると共に、プルアップ回路B3を構成するPMOSトランジスタM2がオンされるため、PMOSトランジスタM1のゲート端子には電圧ラインVDDHと同電位に制御される。
以上の動作により、非接触モードでの動作時には、PMOSトランジスタM1はオフの状態が維持されるため、電源電圧端子VDDと内部電源ラインVDDAは完全に分離される。
そのため、非接触モードでの動作時に、電源電圧端子VDDとグランド端子VSSの間に電圧が印加されたとしても、電源電圧端子VDDの電位と内部電源ラインVDDAの電位の大小関係に関わらず、PMOSトランジスタM1のゲート端子及び基板端子は電位的に等しい状態を維持しながら、その電位はPMOSトランジスタM1のソース端子と同電位に維持されるため、PMOSトランジスタM1はオフの状態を維持し、電源電圧端子VDDと内部電源ラインVDDAは完全に分離された状態を維持することが可能になる。
以上のように、基板電位制御回路B1によりレギュレータ回路を構成するPMOSトランジスタM1の基板電位を最適な状態に維持し、接触モードと非接触モードの動作におけるPMOSトランジスタM1のゲート電圧の制御方法を切替えることで、PMOSトランジスタM1を、接触モードでの動作時にはレギュレータ回路を構成する電圧抑制用トランジスタとして動作させることで内部電源ラインVDDに所定の電圧を供給し、非接触モードでの動作時には電源電圧端子VDDと内部電源ラインVDDAを分離するスイッチトランジスタとして動作させることが可能になる。
これにより、前述の通り、一般的に搭載されるレギュレータ回路を構成するトランジスタを電源分離を実現するスイッチトランジスタとして利用することが可能になるため、電源電圧端子VDDと内部電源ラインVDDAの間に分離用のトランジスタは不要になり、チップ面積の増大を極めて小さく抑制することが可能になる。
図5は、実施の形態1の半導体集積回路に搭載される基板電位制御回路B1の具体的な構成の一例を示す回路構成図である。
図5に示す基板電位制御回路B1は、基板端子が出力端子T3に接続されたPMOSトランジスタM3及びM4と、PMOSトランジスタM3及びM4のゲート端子を制御するゲート端子制御回路B4によって構成される。ゲート端子に制御信号S3が入力されたPMOSトランジスタM3と、ゲート端子に制御信号S4が入力されたPMOSトランジスタM4が、入力端子T1と入力端子T2の間に直列接続され、PMOSトランジスタM3とPMOSトランジスタM4の接続点を出力接続端子T3とする。また、ゲート端子制御回路B4は、入力端子T1を制御信号S4として出力し、入力端子T2を制御信号S3として出力する構成である。
以上の回路構成を成す基板電位制御回路B1は、図3で示した電源電圧入力制御回路U4において、入力端子T1に電源電圧端子VDDが接続され、入力端子T2に内部電源ラインVDDAが接続され、出力端子T3に電圧ラインVDDHが接続される。
ここで、電源電圧端子VDDの電位が内部電源ラインVDDAの電位よりも高ければ、PMOSトランジスタM3はオンし、PMOSトランジスタM4はオフするため、出力端子T3は入力端子T1に短絡された状態になり、電圧ラインVDDHは電源電圧端子VDDと同電位に制御される。
逆に、電源電圧端子VDDの電位が内部電源ラインVDDAの電位よりも低くければ、PMOSトランジスタM3はオフし、PMOSトランジスタM4はオンするため、出力端子T3は入力端子T2に短絡された状態になり、電圧ラインVDDHは内部電源ラインVDDAと同電位に制御される。
これにより、基板電位制御回路B1は、2つのPMOSトランジスタM3及びM4のみの簡単な構成により、図4で示した入出力特性を得ることが可能になる。また、PMOSトランジスタM3及びM4には、定常的に流れる電流は極めて小さいため、そのトランジスタサイズは小さく抑えることが可能である。
尚、PMOSトランジスタM3及びM4の閾値電圧が負の電圧となると、電源電圧端子VDDと内部電源ラインの電位関係に依らず、PMOSトランジスタM3及びM4が共にオンする条件が発生するため、PMOSトランジスタM3及びM4の閾値電圧は正の電圧であることが好ましい。
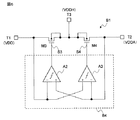
図6は、実施の形態1の半導体集積回路に搭載される基板電位制御回路B1の他の具体的な構成を示す回路構成図である。
図6に示す基板電位制御回路B1は、基板端子が出力端子T3に接続されたPMOSトランジスタM3及びM4と、PMOSトランジスタM3及びM4のゲート端子を制御するゲート端子制御回路B4によって構成される。ゲート端子に制御信号S3が入力されたPMOSトランジスタM3と、ゲート端子に制御信号S4が入力されたPMOSトランジスタM4が、入力端子T1と入力端子T2の間に直列接続され、PMOSトランジスタM3とPMOSトランジスタM4の接続点を出力端子T3とする。また、ゲート端子制御回路B4は電圧比較回路A2及びA3によって構成され、電圧比較回路A2は、入力端子T1の電位が入力端子T2の電位よりも高ければ制御信号S3として”L”を出力し、入力端子T1の電位が入力端子T2の電位よりも低ければ制御信号S3として”H”を出力する。電圧比較回路A3は、入力端子T1の電位が入力端子T2の電位よりも高ければ制御信号S4として”H”を出力し、入力端子T1の電位が入力端子T2の電位よりも低ければ制御信号S4として”L”を出力する。
以上の回路構成を成す基板電位制御回路B1は、図3で示した電源電圧入力制御回路U4において、入力端子T1に電源電圧端子VDDが接続され、入力端子T2に内部電源ラインVDDAが接続され、出力端子T3に電圧ラインVDDHが接続される。
ここで、電源電圧端子VDDの電位が内部電源ラインVDDAの電位よりも高ければ、電圧比較回路A2は制御信号S3として”L”を出力し、電圧比較回路A3は制御信号S4として”H”を出力する。これにより、PMOSトランジスタM3はオンし、PMOSトランジスタM4はオフするため、出力端子T3は入力端子T1に短絡された状態になり、電圧ラインVDDHは電源電圧端子VDDと同電位に制御される。
逆に、電源電圧端子VDDの電位が内部電源ラインVDDAの電位よりも低ければ、電圧比較回路A2は制御信号S3として”H”を出力し、電圧比較回路A3は制御信号S4として”H”を出力する。これにより、PMOSトランジスタM3はオフし、PMOSトランジスタM4はオンするため、出力端子T3は入力端子T2に短絡された状態になり、電圧ラインVDDHは内部電源ラインVDDAと同電位に制御される。
これにより、基板電位制御回路B1は、図4で示した入出力特性を得ることが可能になる。また、電圧比較回路A2及びA3によって制御信号S3及びS4を生成しているため、電源電圧端子VDDと内部電源ラインVDDAの電位差が小さい場合においても、PMOSトランジスタM3及びM4のオン/オフを確実に制御することが可能になり、電源電圧端子VDDや内部電源ラインVDDAの電位変動に追従して動作することができる。
図7は、実施の形態1の半導体集積回路に搭載される基板電位制御回路B1の他の具体的な構成を示す回路構成図である。
図7に示す基板電位制御回路B1は、基板端子が出力端子T3に接続されたPMOSトランジスタM3及びM4と、PMOSトランジスタM3及びM4のゲート端子を制御するゲート端子制御回路B4によって構成される。ゲート端子に制御信号S3が入力されたPMOSトランジスタM3と、ゲート端子に制御信号S4が入力されたPMOSトランジスタM4が、入力端子T1と入力端子T2の間に直列接続され、PMOSトランジスタM3とPMOSトランジスタM4の接続点を出力端子T3とする。ゲート端子制御回路B4は電圧比較回路A3及びA3によって構成される。電圧比較回路A2は、PMOSトランジスタM5及びM6と電流源回路I1及びI2から構成される。入力端子T1とグランド電位の間に、ソース端子と基板端子が接続されたPMOSトランジスタM5と電流源I1が直列接続され、入力端子T2とグランド電位の間に、ソース端子と基板端子が接続されたPMOSトランジスタM6と電流源I2が直列接続される。PMOSトランジスタM5及びM6のゲート端子はPMOSトランジスタM5と電流源I1の接続点に接続され、PMOSトランジスタM6と電流源I2の接続点に生成される電圧信号が制御信号S3として出力される。電圧比較回路A3は、PMOSトランジスタM7及びM8と電流源回路I3及びI4から構成される。入力端子T2とグランド電位の間に、ソース端子と基板端子が接続されたPMOSトランジスタM7と電流源I3が直列接続され、入力端子T1とグランド電位の間に、ソース端子と基板端子が接続されたPMOSトランジスタM8と電流源I4が直列接続される。PMOSトランジスタM7及びM8のゲート端子は、PMOSトランジスタM7と電流源I3の接続点に接続され、PMOSトランジスタM8と電流源I4の接続点に生成される電圧信号が制御信号S4として出力される。
以上の回路構成を成す基板電位制御回路B1は、図3で示した電源電圧入力制御回路U4において、入力端子T1に電源電圧端子VDDが接続され、入力端子T2に内部電源ラインVDDAが接続され、出力端子T3に電圧ラインVDDHが接続される。
以下、図7に示す基板電位制御回路B1の動作説明を簡略化するために、PMOSトランジスタM5〜M8のトランジスタサイズは等しく、電流源I1〜I4の電流値は等しいものとする。
ここで、電源電圧端子VDDの電位が内部電源ラインVDDAの電位よりも高ければ、電圧比較回路A2において、PMOSトランジスタM5及びM6のゲート電位が等しく、その電位はPMOSトランジスタM5が電流源I1から供給される電流を流すことができる電位に制御されることから、PMOSトランジスタM6のゲート・ソース間電圧はPMOSトランジスタM5のゲート・ソース間電圧よりも小さくなり、PMOSトランジスタM6と電流源I2の接続点の電位は降下し、やがてグランドほぼ同電位となる。
一方、電圧比較回路A3において、PMOSトランジスタM7及びM8のゲート電位が等しく、その電位はPMOSトランジスタM7が電流源I3から供給される電流を流すことができる電位に制御されることから、PMOSトランジスタM8のゲート・ソース間電圧はPMOSトランジスタM7のゲート・ソース間電圧よりも大きくなり、PMOSトランジスタM8と電流源I4の接続点の電位は上昇し、やがて内部電源ラインVDDAとほぼ同電位となる。
以上の動作により、PMOSトランジスタM3はオンし、PMOSトランジスタM4はオフするため、出力端子T3は出力端子T1に短絡された状態になり、電圧ラインVDDHは電源電圧端子VDDと同電位に制御される。
逆に、電源電圧端子VDDの電位が内部電源ラインVDDAの電位よりも低ければ、電圧比較回路A2において、PMOSトランジスタM5及びM6のゲート電位が等しく、その電位はPMOSトランジスタM5が電流源I1から供給される電流を流すことができる電位に制御されることから、PMOSトランジスタM6のゲート・ソース間電圧はPMOSトランジスタM5のゲート・ソース間電圧よりも大きくなり、PMOSトランジスタM6と電流源I2の接続点の電位は上昇し、やがて内部電源ラインVDDAとほぼ同電位となる。
一方、電圧比較回路A3において、PMOSトランジスタM7及びM8のゲート電位が等しく、その電位はPMOSトランジスタM7が電流源I3から供給される電流を流すことができる電位に制御されることから、PMOSトランジスタM8のゲート・ソース間電圧はPMOSトランジスタM7のゲート・ソース間電圧よりも小さくなり、PMOSトランジスタM8と電流源I4の接続点の電位は降下し、やがてグランド電位とほぼ同電位となる。
以上の動作により、PMOSトランジスタM3はオフし、PMOSトランジスタM4はオンするため、出力端子T3は出力端子T2に短絡された状態になり、電圧ラインVDDHは電源電圧端子VDDAと同電位に制御される。
これにより、基板電位制御回路B1は、図4で示した入出力特性を得ることが可能になる。また、電圧比較回路A2及びA3によって制御信号S3及びS4を生成しているため、電源電圧端子VDDと内部電源ラインVDDAの電位差が小さい場合においても、PMOSトランジスタM3及びM4のオン/オフを確実に制御することが可能になる。
尚、図7では電流源I1〜I4を用いたが、抵抗等を利用することも可能である。
《実施の形態2》
図8は、実施の形態2の半導体集積回路に搭載される電源電圧入力制御回路U4の他の構成を示す基本構成図である。ここでは、本発明の説明を明確にするために、半導体集積回路U2に搭載される非接触用電源回路U3、接触/非接触判定回路U5、接触端子U12を構成する電源電圧端子VDD及びグランド端子VSSを記載している。
図8において、PMOSトランジスタM1は電源電圧端子VDDと内部電源ラインVDDAとの間に接続され、PMOSトランジスタM1の基板電圧には基板電位制御回路B1の出力電圧が供給される電圧ラインVDDHが接続され、PMOSトランジスタM1のゲート端子には電圧制御回路B2とプルアップ回路B3によって生成される制御信号S1が入力され、電源電圧端子VDDには判定信号S2によって制御されるプルダウン回路B5が接続される。
電圧制御回路B2は、次の回路により構成される。内部電源ラインVDDAとグランド端子VSSの間に、分圧抵抗R1及び分圧抵抗R2が設けられる。これら分圧抵抗R1とR2の接続点に得られる分圧電圧は、演算増幅回路A1の非反転入力(+)に供給される。この演算増幅回路A1の反転入力(−)とグランド端子VSSの間には基準電圧源V1が接続される。また、電圧制御回路B2は、接触/非接触の判定回路U5が出力する判定信号S2によって、動作/非動作が制御されるものであり、信号S2のハイレベルによって指示される接触モードでの動作時には動作が許可され、信号S2のローレベルによって指示される非接触モードでの動作時には停止する。
以上の構成により、電圧制御回路B2は、接触モードでの動作時にのみ、分圧抵抗R1とR2の接続点に得られる分圧電圧と基準電圧源V1の出力電圧との差分に比例した電圧を生成し、この電圧を制御信号S1として出力する。
一方、プルアップ回路B3は、PMOSトランジスタM2によって構成され、接触/非接触の判定回路U5が出力する判定信号S2によってオン/オフが制御されるものであり、接触モードでの動作時にはPMOSトランジスタM2はオフし、非接触モードでの動作時にはPMOSトランジスタM2はオンする。
また、プルダウン回路B5は、判定信号S2を反転するインバータ回路B6とNチャンネル型MOSトランジスタ(以下単にNMOSトランジスタとも記す)M9によって構成され、接触/非接触の判定回路U5が出力する判定信号S2によってオン/オフが制御されるものであり、接触モードでの動作時にはNMOSトランジスタM9はオフし、非接触モードでの動作時にはNMOSトランジスタM9はオンする。
基板電位制御回路B1は、入力端子T1には電源電圧端子VDDが接続され、入力端子T2には内部電源ラインVDDAが接続され、出力端子T3には電圧ラインVDDHが接続される。
図4に示したように、基板電位制御回路B1は、入力端子T1に接続される電源電圧端子VDDの電圧レベルと入力端子T2に接続される電源ラインVDDAを比較し、電圧レベルの高い電圧信号を電圧ラインVDDHに出力する機能を有する回路であり、代表的には図5〜7で示した回路構成等が適用される。
これにより、基板電位制御回路B1は、PMOSトランジスタM1の基板端子にソース端子と同レベルの電圧を供給し、PMOSトランジスタM1の基板端子とソース端子との間に形成される寄生ダイオードの両端が電位的に等しくされると共に、PMOSトランジスタM1の基板端子とドレイン端子との間に形成される寄生ダイオードには常に逆バイアスが印加されるため、電源電圧端子VDDと内部電源ラインVDDAの間に電流経路が形成されず、内部電源ラインVDDAを電源電圧端子VDDから完全に遮断することができる。
図8で示した回路構成において、接触端子U12を使用して動作する状態(接触モード)における各部の動作は以下の通りとなる。
接触端子U12を構成する電源電圧端子VDDとグランド端子VSSの間に電圧が印加され、アンテナL1には外部からの電磁波が供給されない場合、接触/非接触判定回路U5は接触モードであると判定し、判定信号S2をハイレベルとして出力する。
この判定信号S2はプルアップ回路B3と電圧制御回路B2に入力され、プルアップ回路B3を構成するPMOSトランジスタM2がオフすると共に、電圧制御回路B2が動作するように制御されるため、PMOSトランジスタM1のゲート端子には電圧制御回路B2によって生成される制御信号S1が供給される。このとき、プルダウン回路B5にも判定信号S2が入力されるが、この信号により、プルダウン回路B5を構成するNMOSトランジスタM9はオフするため、電源電圧入力制御回路B1の動作に影響は与えない。
以上の動作により、接触モードでの動作時には、PMOSトランジスタM2と電圧制御回路B2とが、内部電源ラインVDDAの電圧を所定の電圧値に抑制するレギュレータ回路として動作する。このとき、内部電源ラインVDDAの電位は電源電圧端子VDDの電位より低くなることから、PMOSトランジスタM1の基板端子には、基板電位制御回路B1によって、電源電圧端子VDDと同電位に制御される。
図8で示した回路構成において、アンテナL1を使用して動作する状態(非接触モード)における各部の動作は以下の通りとなる。
接触端子U12を構成する電源電圧端子VDDとグランド端子VSSの間には電圧が印加されず、アンテナL1に外部からの電磁波が供給されている場合、接触/非接触の判定回路U5は非接触モードであると判定し、判定信号S2をローレベルとして出力する。
この判定信号S2はプルアップ回路B3と電圧制御回路B2に入力され、これによって電圧制御回路B2が停止される共に、プルアップ回路B3を構成するPMOSトランジスタM2がオンされるため、PMOSトランジスタM1のゲート端子には電圧ラインVDDHと同電位に制御される。
更に、判定信号S2はプルダウン回路B5にも入力され、プルダウン回路B5を構成するNMOSトランジスタM9はオンすることで、電源電圧端子VDDとグランド端子VSSの間に電流を流し、電源電圧端子VDDの電位がグランド電位と同等になるように制御する。
そのため、非接触モードでの動作時には、電源電圧端子VDDをグランド端子と同電位に固定することが可能になり、内部電源ラインVDDAの電位は電源電圧端子VDDの電位よりも大きくなるため、PMOSトランジスタM1のゲート端子及び基板端子は、電位的に等しい状態を維持しながら、PMOSトランジスタM1のソース端子即ち内部電源ラインVDDAと同電位に維持されるため、PMOSトランジスタM1はオフの状態を維持し、電源電圧端子VDDと内部電源ラインVDDAは完全に分離された状態を維持することが可能になる。
仮にNMOSトランジスタM9が流すことが可能な電流よりも大きな電流を供給することが可能な電源により、電源電圧端子VDDとグランド端子VSSの間に電圧が印加されたとしても、電源電圧端子VDDの電位と内部電源ラインVDDAの電位の大小関係に関わらず、PMOSトランジスタM1のゲート端子及び基板端子は伝いて器に等しくされた状態を維持しながら、PMOSトランジスタM1のソース端子と同電位に維持されるため、PMOSトランジスタM1はオフの状態を維持し、電源電圧端子VDDと内部電源ラインVDDAは完全に分離された状態を維持することが可能になる。PMOSトランジスタM1のソース端子がVDDA側からVDD側に入れ代わるほど大きな電圧が電源端子VDDに印加されても当該PMOSトランジスタM1のゲートと基板との間に同電位状態に変化は無いが、ソース端子が入れ代わるときの遷移期間にPMOSトランジスタM1のオフ状態が不安定になる虞を完全に排除することはできない。プルダウン回路B5を設けていない図1の構成に比べればその安定性は格段に増す。
以上のように、基板電位制御回路B1によりレギュレータ回路を構成するPMOSトランジスタM1の基板電位を最適な状態に維持し、接触モードと非接触モードの動作におけるPMOSトランジスタM1のゲート電圧の制御方法を切替えることで、接触モードでの動作時にはレギュレータ回路を構成する電圧抑制用トランジスタとして動作させることで内部電源ラインVDDに所定の電圧を供給し、非接触モードでの動作時には電源電圧端子VDDと内部電源ラインVDDAを分離するスイッチトランジスタとして動作させることが可能になる。
これにより、前述の通り、一般的に搭載されるレギュレータ回路を構成するトランジスタを電源分離を実現するスイッチトランジスタとして利用することが可能になるため、電源電圧端子VDDと内部電源ラインVDDAの間に分離用のトランジスタは不要になり、チップ面積の増大を極めて小さく抑制することが可能になる。
更には、非接触モードでの動作時において、電源電圧端子VDDに何も接続されていない状態であっても、プルダウン回路B5によって、電源電圧端子VDDはグランド電位に固定され、より安定した動作を実現することが可能になる。
《実施の形態3》
図9は、実施の形態3の半導体集積回路に搭載される電源電圧入力制御回路U4の他の構成を示す基本構成図である。ここでは、本発明の説明を明確にするために、半導体集積回路U2に搭載される非接触用電源回路U3、接触/非接触判定回路U5、接触端子U12を構成する電源電圧端子VDD及びグランド端子VSSを記載している。
図9において、PMOSトランジスタM1は電源電圧端子VDDと内部電源ラインVDDAとの間に接続され、PMOSトランジスタM1の基板電圧には基板電位制御回路B1の出力電圧が供給される電圧ラインVDDHが接続され、PMOSトランジスタM1のゲート端子には電圧制御回路B2とプルアップ回路B3によって生成される制御信号S1が入力される。
電圧制御回路B2は、次の回路により構成される。内部電源ラインVDDAとグランド端子VSSの間に、分圧抵抗R1及び分圧抵抗R2が設けられる。これら分圧抵抗R1とR2の接続点に得られる分圧電圧は、演算増幅回路A1の非反転入力(+)に供給される。この演算増幅回路A1の反転入力(−)とグランド端子VSSの間には基準電圧源V1が接続される。また、電圧制御回路B2は、接触/非接触の判定回路U5が出力する判定信号S2によって、動作/非動作が制御されるものであり、信号S2のハイレベルによって指示される接触モードでの動作時には動作が許可され、信号S2のローレベルによって指示される非接触モードでの動作時には停止する。
以上の構成により、電圧制御回路B2は、接触モードでの動作時にのみ、分圧抵抗R1とR2の接続点に得られる分圧電圧と基準電圧源V1の出力電圧との差分に比例した電圧を生成し、この電圧を制御信号S1として出力する。
プルアップ回路B3は、PMOSトランジスタM2によって構成され、接触/非接の触判定回路U5が出力する判定信号S2によってオン/オフが制御されるものであり、接触モードでの動作時にはPMOSトランジスタM2はオフし、非接触モードでの動作時にはPMOSトランジスタM2はオンする。
基板電位制御回路B1は、入力端子T1には電源電圧端子VDDが接続され、入力端子T2には内部電源ラインVDDAが接続され、出力端子T3には電圧ラインVDDHが接続される。
図4に示したように、基板電位制御回路B1は、入力端子T1に接続される電源電圧端子VDDの電圧レベルと入力端子T2に接続される電源ラインVDDAを比較し、電圧レベルの高い電圧信号を電圧ラインVDDHに出力する機能を有する回路であり、代表的には図5〜7で示した回路構成等が適用される。
これにより、基板電位制御回路B1は、PMOSトランジスタM1の基板端子にソース端子と同レベルの電圧を供給することになる。PMOSトランジスタM1の基板端子とソース端子との間に形成される寄生ダイオードの両端が伝いて器に等しくされると共に、PMOSトランジスタM1の基板端子とドレイン端子との間に形成される寄生ダイオードには常に逆バイアスが印加されるため、電源電圧端子VDDと内部電源ラインVDDAの間に電流経路が形成されず、内部電源ラインVDDAを電源電圧端子VDDから完全に遮断することができる。
更に、スイッチ回路B7は、入力端子T4には電源電圧端子VDDが接続され、入力端子T5には内部電源ラインVDDAが接続され、出力端子T6には電圧ラインVDDCが接続され、入力端子T7に接続される判定信号S2によって、その動作が制御される。これにより、接触モードでの動作時には電圧ラインVDDCを電源電圧端子VDDと同電位に制御され、非接触モードでの動作時には電圧ラインVDDCを内部電源ラインVDDAと同電位に制御する。電圧ラインVDDCの電圧の利用例は後述する。
図9で示した回路構成において接触端子U12を使用して動作する状態(接触モード)でのスイッチ回路B7の動作は以下の通りとなる。
接触端子U12を構成する電源電圧端子VDDとグランド端子VSSの間に電圧が印加され、アンテナL1には外部からの電磁波が供給されない場合、接触/非接触の判定回路U5は接触モードであると判定し、判定信号S2をハイレベルとして出力する。
この判定信号S2はプルアップ回路B3と電圧制御回路B2に入力され、プルアップ回路B3を構成するPMOSトランジスタM2がオフすると共に、電圧制御回路B2が動作するように制御されるため、PMOSトランジスタM1のゲート端子には電圧制御回路B2によって生成される制御信号S1が供給される。
また、この判定信号S2により、スイッチ回路B7は、電圧ラインVDDCを内部電源ラインVDDAとは完全に分離し、電圧ラインVDDCを電源電圧端子VDDと同電位に制御する。
以上の動作により、接触モードでの動作時には、PMOSトランジスタM2と電圧制御回路B2とが、内部電源ラインVDDAの電圧を所定の電圧値に抑制するレギュレータ回路として動作する。このとき、内部電源ラインVDDAの電位は電源電圧端子VDDの電位より低くなることから、PMOSトランジスタM1の基板端子には、基板電位制御回路B1によって、電源電圧端子VDDと同電位に制御される。
図9で示した回路構成においてアンテナL1を使用して動作する状態(非接触モード)でのスイッチ回路B7の動作は以下の通りとなる。
接触端子U12を構成する電源電圧端子VDDとグランド端子VSSの間には電圧が印加されず、アンテナL1に外部からの電磁波が供給されている場合、接触/非接触の判定回路U5は非接触モードであると判定し、判定信号S2をローレベルとして出力する。
この判定信号S2はプルアップ回路B3と電圧制御回路B2に入力され、これによって電圧制御回路B2が停止される共に、プルアップ回路B3を構成するPMOSトランジスタM2がオンされるため、PMOSトランジスタM1のゲート端子には電圧ラインVDDHと同電位に制御される。
そのため、非接触モードでの動作時に、電源電圧端子VDDとグランド端子VSSの間に電圧が印加されたとしても、電源電圧端子VDDの電位と内部電源ラインVDDAの電位の大小関係に関わらず、PMOSトランジスタM1のゲート端子及び基板端子は短絡された状態を維持しながら、PMOSトランジスタM1のソース端子と同電位に維持されるため、PMOSトランジスタM1はオフの状態を維持し、電源電圧端子VDDと内部電源ラインVDDAは完全に分離された状態を維持することが可能になる。
また、この判定信号S2により、スイッチ回路B7は、電圧ラインVDDCを電源電圧端子VDDとは完全に分離し、電圧ラインVDDCを内部電源ラインVDDAと同電位に制御する。
以上のように、基板電位制御回路B1によりレギュレータ回路を構成するPMOSトランジスタM1の基板電位を最適な状態に維持し、接触モードと非接触モードの動作におけるPMOSトランジスタM1のゲート電圧の制御方法を切替えることで、PMOSトランジスタM1を、接触モードでの動作時にはレギュレータ回路を構成する電圧抑制用トランジスタとして動作させることで内部電源ラインVDDに所定の電圧を供給し、非接触モードでの動作時には電源電圧端子VDDと内部電源ラインVDDAを分離するスイッチトランジスタとして動作させることが可能になる。
これにより、前述の通り、一般的に搭載されるレギュレータ回路を構成するトランジスタを電源分離を実現するスイッチトランジスタとして利用することが可能になるため、電源電圧端子VDDと内部電源ラインVDDAの間に分離用のトランジスタは不要になり、チップ面積の増大を極めて小さく抑制することが可能になる。
また、以上のように制御される電圧ラインVDDCは、例えば、電圧制御回路B2を構成する基準電圧源V1の電源電圧端子として利用することが可能になる。
ここで、例として基準電圧源V1の動作電圧について述べる。電圧制御回路B2を構成する基準電圧源V1は、電圧制御回路B2とPMOSトランジスタM1から成るレギュレータ回路の動作より、接触モードでの動作時には、電源電圧端子VDDと同電位の電源電圧を供給することが好ましい。
一方、非接触モードでの動作時において、基準電圧源V1が非接触動作用電源回路U3に具備される非接触用レギュレータ回路等で利用されることを考慮すれば、基準電圧源V1は内部電源ラインVDDAとグランド端子VSSの間に生成される電圧を電源電圧として利用することが望ましい。したがって、非接触モード時に内部電源ラインVDDAと完全に分離される電源電圧端子VDDを、基準電圧源V1の電源電圧として利用することはできない。すなわち、非接触動作用電源回路U3のために基準電圧源を別途設けることが必要になる。
以上を鑑みれば、接触モードでの動作時には電源電圧端子VDDと同電位に制御され、非接触モードでの動作時には内部電源ラインVDDAと同電位に制御される電圧ラインVDDCを設け、基準電圧源V1を電圧ラインVDDCに生成される電圧で動作させることで、基準電圧源を複数設けることなく、基準電圧源V1を接触モードと非接触モードの双方で利用して安定した電圧生成動作を実現することが可能になる。
これにより、基準電圧源V1のように、接触モードと非接触モードとで動作電圧を変更したい回路の電源電圧を柔軟に制御することができ、同一の機能を持つ回路を共通化できるため、チップ面積の増大を抑制することが可能になる。
更には、特性誤差を削減するために、チップの出荷前の調整工程において、特性の調整データを半導体集積回路U2に搭載されるメモリU10に格納する必要がある場合、特性の調整を必要とする回路の電源電圧端子に電圧ラインVDDCを接続して利用すれば、同一の機能を持つ回路を共通化することが可能になり、複数回の回路特性の調整工程が不要となり、チップコストを低減することも可能になる。
ここでは、基準電圧源V1の電源電圧に着目して説明したが、勿論、電圧ラインVDDCは他の回路等に利用できることは言うまでもない。但し、接触モードでの動作時には電源電圧端子VDDから供給される電圧で動作するため、素子の耐圧等は考慮する必要がある。
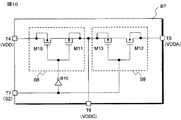
図10は、実施の形態3の半導体集積回路に搭載されるスイッチ回路B7の具体的な構成の一例を示す回路構成図である。
図10に示すスイッチ回路B7は、スイッチ基本回路B8及びB9とインバータ回路B10によって構成される。
スイッチ基本回路B8は、入力端子T4と出力端子T6の間にPMOSトランジスタM10及びM11が直列接続され、PMOSトランジスタM10の基板端子は入力端子T4に接続され、PMOSトランジスタM11の基板端子は出力端子T6に接続され、PMOSトランジスタM10及びM11のゲート端子には、インバータ回路B8によって入力端子T7の電圧信号を反転した信号が入力される。
以上の回路構成にすることで、PMOSトランジスタM10とPMOSトランジスタM11の接続点とPMOSトランジスタM10の基板端子の間に形成される寄生ダイオードと、PMOSトランジスタM10とPMOSトランジスタM11の接続点とPMOSトランジスタM11の基板端子の間に形成される寄生ダイオードの何れか一方には、必ず逆バイアスが印加されるため、入力端子T4と出力端子T6の間に不要な電流が流れることはない。
スイッチ基本回路B9は、入力端子T5と出力端子T6の間にPMOSトランジスタM12及びM13が直列接続され、PMOSトランジスタM12の基板端子は入力端子T5に接続され、PMOSトランジスタM13の基板端子は出力端子T6に接続され、PMOSトランジスタM12及びM13のゲート端子には、入力端子T7に入力される電圧信号が入力される。
以上の回路構成にすることで、PMOSトランジスタM12とPMOSトランジスタM13の接続点とPMOSトランジスタM12の基板端子との間に形成される寄生ダイオードと、PMOSトランジスタM12とPMOSトランジスタM13の接続点とPMOSトランジスタM13の基板端子との間に形成される寄生ダイオードの何れか一方には、必ず逆バイアスが印加されるため、入力端子T5と出力端子T6の間に不要な電流が流れることはない。
以上のことから、2つのスイッチ基本回路B8及びB9とインバータ回路B10から構成されるスイッチ回路B7は、図9で示した電源電圧入力制御回路U4において、入力端子T4に電源電圧端子VDDが接続され、入力端子T5に内部電源ラインVDDAが接続され、出力端子T6に電圧ラインVDDCが接続され、入力端子T7には判定信号S2が入力されるスイッチ回路B7を成す。
ここで、判定信号S2が接触モードであることを示しているときは、スイッチ基本回路B8を構成するPMOSトランジスタM10及びM11がオンし、スイッチ基本回路B9を構成するPMOSトランジスタM12及びM13がオフする。このとき、上述したようにPMOSトランジスタの基板端子部分に形成される寄生ダイオードに不要な電流は流れないため、電圧ラインVDDCは内部電源ラインVDDAと完全に分離され、電圧ラインVDDCは電源電圧端子VDDと同電位に制御される。
逆に、判定信号S2が非接触モードであることを示しているときは、スイッチ基本回路B8を構成するPMOSトランジスタM10及びM11がオフし、スイッチ基本回路B9を構成するPMOSトランジスタM12及びM13がオンする。このとき、上述したようにPMOSトランジスタの基板端子部分に形成される寄生ダイオードに不要な電流は流れないため、電圧ラインVDDCは電源電圧端子VDDと完全に分離され、電圧ラインVDDCは内部電源ラインVDDAと同電位に制御される。
これにより、判定信号S2によってスイッチ回路B7を制御することで、電圧ラインVDDCに電源電圧端子VDDまたは内部電源ラインVDDAを選択的に出力することで、接触モードと非接触モードとで動作電圧を変更したい回路の電源電圧を柔軟に制御することが可能になり、同一の機能を持つ回路を共通化できるため、チップ面積の増大を抑制することが可能になる。
また、基準電圧源V1等は、その消費電流を小さくすることは可能であるから、スイッチ回路B7を構成するPMOSトランジスタM10〜M13のトランジスタサイズは小さくすることが可能であり、チップ面積への影響は極めて小さい。
図11は、実施の形態3の半導体集積回路に搭載されるスイッチ回路B7の他の具体的な構成を示す回路構成図である。
図11に示すスイッチ回路B7は、スイッチ基本回路B11及びB12とインバータ回路B13によって構成される。
スイッチ基本回路B11は、入力端子T4と出力端子T6の間にPMOSトランジスタM14が接続され、PMOSトランジスタM14の基板端子は電源電圧入力制御回路U4に具備される電圧ラインVDDHに接続され、PMOSトランジスタM14のゲート端子には、インバータ回路B13によって入力端子T7の電圧信号を反転した信号が入力される。
以上の回路構成にすることで、電源電圧入力制御回路U4に具備される電圧ラインVDDHは、電源電圧端子VDDと内部電源ラインVDDAにおいて高電位側と同電位であることから、PMOSトランジスタM14の基板端子とPMOSトランジスタM14のソース端子またはドレイン端子の間に形成される寄生ダイオードには、必ず逆バイアスが印加されるため、入力端子T4と出力端子T6の間に不要な電流が流れることはない。
スイッチ基本回路B12は、入力端子T5と出力端子T6の間にPMOSトランジスタM15が接続され、PMOSトランジスタM15の基板端子は、電源電圧入力制御回路U4に具備される電圧ラインVDDHと入力端子T5の間に直列接続されたPMOSトランジスタM16とM17の接続点が接続され、PMOSトランジスタM15のゲート端子には入力端子T7に入力される電圧信号が入力される。また、PMOSトランジスタM16の基板端子は入力端子T5に接続され、PMOSトランジスタM16のゲート端子には、入力端子T7に入力される電圧信号が入力され、PMOSトランジスタM17の基板端子は電源電圧入力制御回路U4に具備される電圧ラインVDDHに接続され、PMOSトランジスタM17のゲート端子にはインバータ回路B13によって入力端子T7の電圧信号を反転した信号が入力される。
以上の構成にすることで、PMOSトランジスタM15〜M17の基板端子に形成される寄生ダイオードには、順バイアスが印加されることはないため、入力端子T5と出力端子T6の間に不要な電流が流れることはない。
以上のことから、2つのスイッチ基本回路B11及びB12とインバータ回路B13から構成されるスイッチ回路B7は、図9で示した電源電圧入力制御回路U4において、入力端子T4に電源電圧端子VDDが接続され、入力端子T5に内部電源ラインVDDCが接続され、出力端子T6に電圧ラインVDDCが接続され、入力端子T7には判定信号S2が入力されるスイッチ回路B7を成す。
ここで、判定信号S2が接触モードであることを示しているときは、スイッチ回路B11を構成するPMOSトランジスタM14がオンし、スイッチ回路B12を構成するPMOSトランジスタM15がオフする。このとき、上述したようにPMOSトランジスタの基板端子部分に形成される寄生ダイオードに不要な電流は流れないため、電圧ラインVDDCは内部電源ラインVDDAと完全に分離され、電圧ラインVDDCは電源電圧端子VDDと同電位に制御される。
逆に、判定信号S2が非接触モードであることを示しているときは、スイッチ回路B11を構成するPMOSトランジスタM14がオフし、スイッチ回路B12を構成するPMOSトランジスタM15がオンする。このとき、上述したようにPMOSトランジスタの基板端子部分に形成される寄生ダイオードに不要な電流は流れないため、電圧ラインVDDCは電源電圧端子VDDと完全に分離され、電圧ラインVDDCは内部電源ラインVDDAと同電位に制御される。
これにより、判定信号S2によってスイッチ回路B7を制御することで、電圧ラインVDDCに電源電圧端子VDDまたは内部電源ラインVDDAを選択的に出力することで、接触モードと非接触モードとで動作電圧を変更したい回路の電源電圧を柔軟に制御することが可能になり、同一の機能を持つ回路を共通化できるため、チップ面積の増大を抑制することが可能になる。
更には、スイッチ基本回路B11は単一のPMOSトランジスタで構成でき、スイッチ基本回路B12を構成するPMOSトランジスタM15の基板端子を制御するPMOSトランジスタM16及びM17には電流が定常的に流れることから、PMOSトランジスタM16及びM17のトランジスタサイズはPMOSトランジスタM15に比べて小さくすることが可能であることから、これにより、スイッチ回路B7を構成するPMOSトランジスタの占有面積を小さくすることが可能になる。
以上、本発明者よりなされた発明を実施の形態に基づき具体的に説明したが、本発明は前記実施の形態に限定されるものではなく、その要旨を逸脱しない範囲で種々変更可能であることは言うまでもない。例えば、電源電圧入力制御回路U4を構成する電圧制御回路B2の回路構成は図3などで示した回路構成に限定されるものではないし、プルアップ回路B3は、その機能を電圧制御回路B2に設けて良い。また、図8で示したプルダウン回路B5を図9で示した電源電圧入力制御回路U4に適用しても良いし、基板電位制御回路B1は、図5で示した回路構成と図6で示した回路構成を組み合わせたり、図5で示した回路構成と図7で示した回路構成を組み合わせたりしても良い。
本発明は、複数の電源入力手段を有し、入力される電源供給元を選択して動作する機能を備える半導体集積回路等に適用して好適である。
図1は本発明の半導体集積回路及びICカードの第1の実施の形態の基本構成図である。 図2はアンテナと本発明の半導体集積回路とを有するICカードの配線基板及びリーダ・ライタの斜視図である。 図3は実施の形態1の半導体集積回路に搭載される電源電圧入力制御回路U4の基本構成図である。 図4は実施の形態1の半導体集積回路に搭載される電源電圧入力制御回路U4を構成する基板電位制御回路B1の入出力特性の一例を示す特性図である。 図5は実施の形態1の半導体集積回路に搭載される基板電位制御回路B1の具体的な構成の一例を示す回路構成図である。 図6は実施の形態1の半導体集積回路に搭載される基板電位制御回路B1の他の具体的な構成を示す回路構成図である。 図7は実施の形態1の半導体集積回路に搭載される基板電位制御回路B1の他の具体的な構成を示す回路構成図である。 図8は実施の形態2の半導体集積回路に搭載される電源電圧入力制御回路U4の他の構成を示す基本構成図である。 図9は実施の形態3の半導体集積回路に搭載される電源電圧入力制御回路U4の他の構成を示す基本構成図である。 図10は実施の形態3の半導体集積回路に搭載されるスイッチ回路B7の具体的な構成の一例を示す回路構成図である。 図11は実施の形態3の半導体集積回路に搭載されるスイッチ回路B7の他の具体的な構成を示す回路構成図である。
符号の説明
A1…演算増幅回路
A2、A3…電圧比較回路
B1…基板電位制御回路
B2…電圧制御回路
B3…プルアップ回路
B4…ゲート端子制御回路
B5…プルダウン回路
B6、B10、B13…インバータ回路
B7…スイッチ回路
B8、B9、B11、B12…スイッチ基本回路
C1…共振容量
I1〜I4…電流源回路
L1…アンテナ
LA、LB…アンテナ接続端子
M1〜M17…MOSトランジスタ
PIO…信号入出力端子
R1、R2…抵抗
S1、S3、S4…制御信号
S2…判定信号
T1、T2、T4、T5、T7…入力端子
T3、T6…出力端子
U1…ICカード
U2…半導体集積回路
U3…非接触動作用電源回路
U4…電源電圧入力制御回路
U5…接触/非接触判定回路
U6…内部回路
U7…受信回路
U8…送信回路
U9…制御回路
U10…メモリ
U11…I/O回路
U12…外部接続端子
U13…プリント基板
U14…コイル
U15…ICチップ
U16…金属端子
U17…リーダ・ライタ
V1…基準電圧源
VDD…電源電圧端子
VDDA…内部電源ライン
VDDC、VDDH…電圧ライン
VSS…グランド端子

Claims (14)

  1. アンテナに接続されるアンテナ端子と、
    前記アンテナから前記アンテナ端子に与えられる交流信号を整流及び平滑化して第1の電源ラインに直流電圧を得る第1の電源回路と、
    外部から電源が入力される電源端子及びグランド端子と、
    前記電源端子と前記第1の電源ラインとの間に配置された第1のMOSトランジスタ、及び前記第1のMOSトランジスタのゲート端子電圧を制御する電圧制御回路から成る第2の電源回路と、
    前記第1のMOSトランジスタの基板電圧を制御する基板電位制御回路と、を備え、
    前記第1電源回路で生成する電圧を電源に用いるときには前記第1のMOSトランジスタが遮断されることで前記電源端子と前記第1の電源ラインとを分離し、
    外部端子からの電源を用いる場合には前記電源制御回路が前記第1のMOSトランジスタを制御して前記電源端子及び前記グランド端子から供給される電圧を所定の電圧に抑制し、前記第1の電源ラインに出力する、半導体集積回路。
  2. 前記第1電源回路で生成する電圧を電源に用いるとき前記第1のMOSトランジスタの基板電圧とゲート電圧を導通させ、外部端子からの電源を用いる場合には非導通とする第2のMOSトランジスタを更に有する、請求項1記載の半導体集積回路。
  3. 前記基板電位制御回路は、前記第1のMOSトランジスタの遮断状態において前記第1の電源ラインの電圧を前記基板電圧として出力し、前記第1のMOSトランジスタの非遮断状態において前記第1の電源端子の電圧を前記基板電圧として出力する、請求項2記載の半導体集積回路。
  4. 前記基板電位制御回路は、前記基板電圧の出力端子と前記電源端子との間に配置された第3のMOSトランジスタと、前記基板電圧の出力端子と前記第1の電源ラインとの間に配置された第4のMOSトランジスタと、前記第3MOSトランジスタ及び第4MOSトランジスタのゲート端子電圧を制御するゲート電圧制御回路とを有し、
    前記ゲート電圧制御回路は、前記電源端子の電位が前記第1の電源ラインの電位よりも高いときには前記第3のMOSトランジスタをオン状態とし、前記電源端子の電位が前記第1の電源ラインの電位よりも低いときには前記第4のMOSトランジスタをオン状態として、前記第1のMOSトランジスタの基板電圧を前記第1のMOSトランジスタのソース端子の電位と同電位にする、請求項3記載の半導体集積回路。
  5. 前記第3MOSトランジスタ及び第4MOSトランジスタは、夫々の基板が前記基板電圧の出力端子と同電位にされるPチャンネル型MOSトランジスタであり、
    前記ゲート電圧制御回路は、前記第3MOSトランジスタのゲートを前記第1の電源ラインに接続する配線と、前記第4MOSトランジスタのゲートを前記電源端子に接続する配線とから成る、請求項4記載の半導体集積回路。
  6. 前記電源端子と前記グランド端子の間にプルダウン回路を有し、
    前記検出回路が前記交流信号に基づく電源の形成を検出することに基づいて、前記プルダウン回路は電源端子とグランド端子の間の抵抗値を小さくする、請求項1記載の半導体集積回路。
  7. 前記検出回路は、第1のMOSトランジスタの基板端子に入力される電圧を電源電圧として動作する、請求項1記載の半導体集積回路。
  8. 前記第1の電源ラインに供給される電圧を電源電圧として動作される内部回路を有する、請求項1記載の半導体集積回路。
  9. アンテナを構成するコイルと、
    接続端子を構成する複数の金属端子と、
    請求項1記載の半導体集積回路と、を有し、
    前記半導体集積回路のアンテナ端子が前記コイルに接続され、
    前記半導体集積回路の電源端子及びグランド端子が所定の金属端子に接続された、ICカード。
  10. アンテナからアンテナ端子に与えられる交流信号を整流及び平滑化して第1の電源ラインに直流電圧を得る第1の電源回路と、
    外部から電源が入力される電源端子と前記第1の電源ラインとの間に配置された第1のMOSトランジスタのゲート端子電圧を制御する電圧制御回路を有する第2の電源回路と、
    前記第1のMOSトランジスタのソース電圧を基板電圧として形成する基板電位制御回路と、
    前記第1電源回路で生成する電圧を電源に用いるとき前記第1のMOSトランジスタの基板電圧とゲート電圧を導通させ、外部端子からの電源を用いる場合には非導通とする第2のMOSトランジスタと、を有する半導体集積回路。
  11. 前記基板電位制御回路は、前記第1のMOSトランジスタの遮断状態において前記第1の電源ラインの電圧を前記基板電圧として出力し、前記第1のMOSトランジスタの非遮断状態において前記第1の電源端子の電圧を前記基板電圧として出力する、請求項10記載の半導体集積回路。
  12. 前記基板電位制御回路は、前記基板電圧の出力端子と前記電源端子との間に配置された第3のMOSトランジスタと、前記基板電圧の出力端子と前記第1の電源ラインとの間に配置された第4のMOSトランジスタと、前記第3MOSトランジスタ及び第4MOSトランジスタのゲート端子電圧を制御するゲート電圧制御回路とを有し、
    前記ゲート電圧制御回路は、前記電源端子の電位が前記第1の電源ラインの電位よりも高いときには前記第3のMOSトランジスタをオン状態とし、前記電源端子の電位が前記第1の電源ラインの電位よりも低いときには前記第4のMOSトランジスタをオン状態として、前記第1のMOSトランジスタの基板電圧を前記第1のMOSトランジスタのソース端子の電位と同電位にする、請求項11記載の半導体集積回路。
  13. 前記第3MOSトランジスタ及び第4MOSトランジスタは、夫々の基板が前記基板電圧の出力端子と同電位にされるPチャンネル型MOSトランジスタであり、
    前記ゲート電圧制御回路は、前記第3MOSトランジスタのゲートを前記第1の電源ラインに接続する配線と、前記第4MOSトランジスタのゲートを前記電源端子に接続する配線とから成る、請求項12記載の半導体集積回路。
  14. アンテナを構成するコイルと、
    接続端子を構成する複数の金属端子と、
    請求項10記載の半導体集積回路と、を有し、
    前記半導体集積回路のアンテナ端子が前記コイルに接続され、
    前記半導体集積回路の電源端子及びグランド端子が所定の金属端子に接続された、ICカード。
JP2008256948A 2008-10-02 2008-10-02 半導体集積回路及びそれを用いたicカード Expired - Fee Related JP5258490B2 (ja)

Priority Applications (4)

Application Number Priority Date Filing Date Title
JP2008256948A JP5258490B2 (ja) 2008-10-02 2008-10-02 半導体集積回路及びそれを用いたicカード
CN2009101741170A CN101714220B (zh) 2008-10-02 2009-09-30 半导体集成电路和使用它的ic卡
US12/572,298 US8301915B2 (en) 2008-10-02 2009-10-02 Semiconductor integrated circuit device and IC card using the same
US13/615,301 US8635472B2 (en) 2008-10-02 2012-09-13 Semiconductor integrated circuit device and IC card using the same

Applications Claiming Priority (1)

Application Number Priority Date Filing Date Title
JP2008256948A JP5258490B2 (ja) 2008-10-02 2008-10-02 半導体集積回路及びそれを用いたicカード

Publications (3)

Publication Number Publication Date
JP2010086433A true JP2010086433A (ja) 2010-04-15
JP2010086433A5 JP2010086433A5 (ja) 2011-11-17
JP5258490B2 JP5258490B2 (ja) 2013-08-07

Family

ID=42076740

Family Applications (1)

Application Number Title Priority Date Filing Date
JP2008256948A Expired - Fee Related JP5258490B2 (ja) 2008-10-02 2008-10-02 半導体集積回路及びそれを用いたicカード

Country Status (3)

Country Link
US (2) US8301915B2 (ja)
JP (1) JP5258490B2 (ja)
CN (1) CN101714220B (ja)

Cited By (2)

* Cited by examiner, † Cited by third party
Publication number Priority date Publication date Assignee Title
US8944334B2 (en) 2011-06-14 2015-02-03 Samsung Electronics Co., Ltd. Internal voltage generating circuit and smart card
JP2019033662A (ja) * 2017-08-08 2019-02-28 リニアー テクノロジー ホールティング エルエルシー 無線電力伝送のためのオープン回路ベースのRx電力リミッタ

Families Citing this family (22)

* Cited by examiner, † Cited by third party
Publication number Priority date Publication date Assignee Title
US8145923B2 (en) * 2008-02-20 2012-03-27 Xilinx, Inc. Circuit for and method of minimizing power consumption in an integrated circuit device
US7915944B2 (en) * 2009-04-27 2011-03-29 General Electric Company Gate drive circuitry for non-isolated gate semiconductor devices
WO2011062042A1 (en) * 2009-11-20 2011-05-26 Semiconductor Energy Laboratory Co., Ltd. Semiconductor device
JP2012049434A (ja) * 2010-08-30 2012-03-08 Sony Corp 電子部品、給電装置、受電装置、およびワイヤレス給電システム
JP5587135B2 (ja) * 2010-10-28 2014-09-10 ルネサスエレクトロニクス株式会社 無線通信用半導体装置
US8649820B2 (en) 2011-11-07 2014-02-11 Blackberry Limited Universal integrated circuit card apparatus and related methods
US8936199B2 (en) 2012-04-13 2015-01-20 Blackberry Limited UICC apparatus and related methods
USD703208S1 (en) * 2012-04-13 2014-04-22 Blackberry Limited UICC apparatus
JP5939675B2 (ja) * 2012-04-20 2016-06-22 ルネサスエレクトロニクス株式会社 半導体装置及び制御システム
USD701864S1 (en) * 2012-04-23 2014-04-01 Blackberry Limited UICC apparatus
EP2677474A1 (en) * 2012-06-21 2013-12-25 ST-Ericsson SA Secure element power management system
US9208982B2 (en) * 2012-12-03 2015-12-08 Broadcom Corporation Systems and methods for distributing power to integrated circuit dies
US9634559B2 (en) 2014-02-07 2017-04-25 The Hong Kong University Of Science And Technology Charge pumping apparatus for low voltage and high efficiency operation
JP6289974B2 (ja) * 2014-03-31 2018-03-07 ルネサスエレクトロニクス株式会社 半導体装置
CN106203197B (zh) 2015-02-11 2019-03-29 天地融科技股份有限公司 一种电子设备
WO2016127815A1 (zh) * 2015-02-11 2016-08-18 天地融科技股份有限公司 电子设备
WO2016139517A1 (en) 2015-03-04 2016-09-09 Fincantieri S.P.A. Ship premises assembly and ship with said premises
EP3208748B1 (en) * 2016-02-19 2019-06-12 Nxp B.V. Power switching circuit
CN107798524A (zh) * 2016-09-02 2018-03-13 中国移动通信有限公司研究院 一种控制方法及终端
JP2019062700A (ja) * 2017-09-27 2019-04-18 富士ゼロックス株式会社 電源装置及び画像形成装置
JP7347054B2 (ja) * 2019-09-17 2023-09-20 富士電機株式会社 状態出力回路および電力供給装置
JP7366765B2 (ja) * 2020-01-20 2023-10-23 株式会社東芝 Icカード、icカード処理システム、及びicカード処理装置の制御プログラム

Citations (3)

* Cited by examiner, † Cited by third party
Publication number Priority date Publication date Assignee Title
JP2000059262A (ja) * 1998-08-14 2000-02-25 Yoshikawa Rf System Kk データ送受信装置
JP2007156767A (ja) * 2005-12-05 2007-06-21 Renesas Technology Corp 半導体集積回路装置及びそれを用いたicカード
JP2008005564A (ja) * 2004-10-01 2008-01-10 Matsushita Electric Ind Co Ltd 電源制御回路

Family Cites Families (9)

* Cited by examiner, † Cited by third party
Publication number Priority date Publication date Assignee Title
US5841996A (en) * 1995-10-13 1998-11-24 Microchip Technology Incorporated Serial communication interface system having programmable microcontroller for use in a battery pack
ES2157099T3 (es) * 1998-02-17 2001-08-01 Infineon Technologies Ag Soporte de datos para funcionamiento tanto sin contacto como con contacto.
JP2000113148A (ja) 1998-10-08 2000-04-21 Motorola Japan Ltd コンビネーションカード
JP2001339045A (ja) * 2000-05-25 2001-12-07 Hitachi Ltd 半導体集積回路装置
JP3817446B2 (ja) * 2001-02-15 2006-09-06 株式会社リコー 電源回路及びdc−dcコンバータの出力電圧制御方法
JP2004078898A (ja) 2002-06-17 2004-03-11 Hitachi Ltd Icカード
US20030230631A1 (en) * 2002-06-17 2003-12-18 Hitachi, Ltd. IC card
KR101010789B1 (ko) * 2003-07-03 2011-01-25 르네사스 일렉트로닉스 가부시키가이샤 멀티 펑션 카드 디바이스
KR100560768B1 (ko) * 2003-09-05 2006-03-13 삼성전자주식회사 듀얼 인터페이스 집적회로 카드

Patent Citations (3)

* Cited by examiner, † Cited by third party
Publication number Priority date Publication date Assignee Title
JP2000059262A (ja) * 1998-08-14 2000-02-25 Yoshikawa Rf System Kk データ送受信装置
JP2008005564A (ja) * 2004-10-01 2008-01-10 Matsushita Electric Ind Co Ltd 電源制御回路
JP2007156767A (ja) * 2005-12-05 2007-06-21 Renesas Technology Corp 半導体集積回路装置及びそれを用いたicカード

Cited By (3)

* Cited by examiner, † Cited by third party
Publication number Priority date Publication date Assignee Title
US8944334B2 (en) 2011-06-14 2015-02-03 Samsung Electronics Co., Ltd. Internal voltage generating circuit and smart card
JP2019033662A (ja) * 2017-08-08 2019-02-28 リニアー テクノロジー ホールティング エルエルシー 無線電力伝送のためのオープン回路ベースのRx電力リミッタ
US10615626B2 (en) 2017-08-08 2020-04-07 Linear Technology Holding Llc Open circuit-based Rx power limiter for wireless power transfer

Also Published As

Publication number Publication date
US8635472B2 (en) 2014-01-21
US20130067252A1 (en) 2013-03-14
CN101714220A (zh) 2010-05-26
CN101714220B (zh) 2012-11-14
US8301915B2 (en) 2012-10-30
JP5258490B2 (ja) 2013-08-07
US20100088534A1 (en) 2010-04-08

Similar Documents

Publication Publication Date Title
JP5258490B2 (ja) 半導体集積回路及びそれを用いたicカード
US7978005B1 (en) Reference current generator with low temperature coefficient dependence
US7876150B2 (en) ASK demodulator, communication module, communication device, and ASK demodulation method
US8138893B2 (en) Semiconductor integrated circuit device
JP6248779B2 (ja) 電源切り替え回路、半導体集積回路、無線装置、無線システム及び電源切り替え方法
JP4877998B2 (ja) 半導体集積回路装置
US7003680B2 (en) Contactless apparatus and card-type device having clock rectifier that is independent of power rectifier and demodulator with RC time constant based on selectable resistor
JP2009004949A (ja) 半導体集積回路、それを搭載したカードおよびその動作方法
JP4786316B2 (ja) 半導体集積回路装置及びそれを用いたicカード
JP4901284B2 (ja) 半導体集積回路装置及びそれを用いた非接触型電子装置
JP4309891B2 (ja) 半導体集積回路装置及びそれを用いた非接触型icカード並びに携帯情報端末
US7969236B1 (en) Reference current generator with low temperature coefficient dependence
JPWO2007063589A1 (ja) 信号抽出回路
JP5479185B2 (ja) 半導体装置および非接触データキャリア
US20100033162A1 (en) Low-power direct current detector
JP5528224B2 (ja) 半導体装置
JP2005222278A (ja) 非接触ic媒体用インレットおよび非接触ic媒体ならびにそれを用いた通信システム
US12438568B2 (en) Wireless communication device
US12393820B2 (en) Smart card

Legal Events

Date Code Title Description
A711 Notification of change in applicant

Free format text: JAPANESE INTERMEDIATE CODE: A712

Effective date: 20100527

A521 Written amendment

Free format text: JAPANESE INTERMEDIATE CODE: A523

Effective date: 20110929

A621 Written request for application examination

Free format text: JAPANESE INTERMEDIATE CODE: A621

Effective date: 20110929

A977 Report on retrieval

Free format text: JAPANESE INTERMEDIATE CODE: A971007

Effective date: 20121228

A131 Notification of reasons for refusal

Free format text: JAPANESE INTERMEDIATE CODE: A131

Effective date: 20130110

A521 Written amendment

Free format text: JAPANESE INTERMEDIATE CODE: A523

Effective date: 20130213

A131 Notification of reasons for refusal

Free format text: JAPANESE INTERMEDIATE CODE: A131

Effective date: 20130314

A521 Written amendment

Free format text: JAPANESE INTERMEDIATE CODE: A523

Effective date: 20130328

TRDD Decision of grant or rejection written
A01 Written decision to grant a patent or to grant a registration (utility model)

Free format text: JAPANESE INTERMEDIATE CODE: A01

Effective date: 20130418

A61 First payment of annual fees (during grant procedure)

Free format text: JAPANESE INTERMEDIATE CODE: A61

Effective date: 20130423

FPAY Renewal fee payment (event date is renewal date of database)

Free format text: PAYMENT UNTIL: 20160502

Year of fee payment: 3

R150 Certificate of patent or registration of utility model

Ref document number: 5258490

Country of ref document: JP

Free format text: JAPANESE INTERMEDIATE CODE: R150

Free format text: JAPANESE INTERMEDIATE CODE: R150

S531 Written request for registration of change of domicile

Free format text: JAPANESE INTERMEDIATE CODE: R313531

R350 Written notification of registration of transfer

Free format text: JAPANESE INTERMEDIATE CODE: R350

LAPS Cancellation because of no payment of annual fees