JP2010064036A - 低い温度での水素製造に適した水素製造用改質触媒、及び該触媒を用いた水素製造方法 - Google Patents
低い温度での水素製造に適した水素製造用改質触媒、及び該触媒を用いた水素製造方法 Download PDFInfo
- Publication number
- JP2010064036A JP2010064036A JP2008234841A JP2008234841A JP2010064036A JP 2010064036 A JP2010064036 A JP 2010064036A JP 2008234841 A JP2008234841 A JP 2008234841A JP 2008234841 A JP2008234841 A JP 2008234841A JP 2010064036 A JP2010064036 A JP 2010064036A
- Authority
- JP
- Japan
- Prior art keywords
- catalyst
- hydrogen production
- reforming catalyst
- reforming
- hydrogen
- Prior art date
- Legal status (The legal status is an assumption and is not a legal conclusion. Google has not performed a legal analysis and makes no representation as to the accuracy of the status listed.)
- Granted
Links
Images
Classifications
-
- Y—GENERAL TAGGING OF NEW TECHNOLOGICAL DEVELOPMENTS; GENERAL TAGGING OF CROSS-SECTIONAL TECHNOLOGIES SPANNING OVER SEVERAL SECTIONS OF THE IPC; TECHNICAL SUBJECTS COVERED BY FORMER USPC CROSS-REFERENCE ART COLLECTIONS [XRACs] AND DIGESTS
- Y02—TECHNOLOGIES OR APPLICATIONS FOR MITIGATION OR ADAPTATION AGAINST CLIMATE CHANGE
- Y02E—REDUCTION OF GREENHOUSE GAS [GHG] EMISSIONS, RELATED TO ENERGY GENERATION, TRANSMISSION OR DISTRIBUTION
- Y02E60/00—Enabling technologies; Technologies with a potential or indirect contribution to GHG emissions mitigation
- Y02E60/30—Hydrogen technology
- Y02E60/50—Fuel cells
-
- Y—GENERAL TAGGING OF NEW TECHNOLOGICAL DEVELOPMENTS; GENERAL TAGGING OF CROSS-SECTIONAL TECHNOLOGIES SPANNING OVER SEVERAL SECTIONS OF THE IPC; TECHNICAL SUBJECTS COVERED BY FORMER USPC CROSS-REFERENCE ART COLLECTIONS [XRACs] AND DIGESTS
- Y02—TECHNOLOGIES OR APPLICATIONS FOR MITIGATION OR ADAPTATION AGAINST CLIMATE CHANGE
- Y02P—CLIMATE CHANGE MITIGATION TECHNOLOGIES IN THE PRODUCTION OR PROCESSING OF GOODS
- Y02P20/00—Technologies relating to chemical industry
- Y02P20/50—Improvements relating to the production of bulk chemicals
- Y02P20/52—Improvements relating to the production of bulk chemicals using catalysts, e.g. selective catalysts
Landscapes
- Fuel Cell (AREA)
- Hydrogen, Water And Hydrids (AREA)
- Catalysts (AREA)
Abstract
【解決手段】担体及び該担体に担時された触媒活性成分を含む水素製造用改質触媒であって、該担体が、比表面積が310m2/g以上であり、かつチタニアを含有する無機複合酸化物担体であることを特徴とする水素製造用改質触媒。
【選択図】なし
Description
担体及び該担体に担時された触媒活性成分を含む水素製造用改質触媒であって、該担体が、比表面積が310m2/g以上であり、かつチタニアを含有する無機複合酸化物担体であることを特徴とする。
本発明の水素製造用改質触媒の他の好適例においては、無機複合酸化物担体がアルミナを含み、かつアルミナの結晶子径が3nm以下である。
本発明の水素製造用改質触媒の他の好適例においては、無機複合酸化物担体がアルミナ及び/または酸化ケイ素を含み、かつアルミナ及び/または酸化ケイ素が非晶質である。
本発明の水素製造用改質触媒の他の好適例においては、触媒活性成分が、ルテニウム、ロジウム、白金の少なくとも1種を含む貴金属成分である。
本発明の水素製造用改質触媒の他の好適例においては、貴金属成分がルテニウムである。
本発明の水素製造用改質触媒の他の好適例においては、無機複合酸化物担体が希土類金属を含む。
本発明の水素製造用改質触媒の他の好適例においては、希土類金属がランタンまたはセリウムを含む。
また、本発明の水素製造方法は、上述の水素製造用改質触媒を具備する改質部に水素製造用燃料油を供して、改質部の触媒層の入口温度を520℃以下で水蒸気改質反応を開始し、水素を含有する生成物を得ることを特徴とする。
本発明の水素製造方法の他の好適例においては、水素製造用燃料油が灯油留分を含有する。
本発明に用いる水素製造用改質触媒は、担体と該担体に担持された触媒活性成分とを含み、該担体が比表面積が310m2/g以上であり、かつチタニアを含有する無機複合酸化物担体であることを特徴とする。高い比表面積を有する無機複合酸化物担体を用いることにより、水蒸気改質反応に供される水素製造用燃料油と触媒を効率的に接触させることによって低温での水蒸気改質反応を効果的に進めることができる。またチタニアを含有することによって低温での水蒸気改質反応における触媒活性の低下を抑制することができる。チタニア含有によって触媒活性低下が抑制される理由の詳細は不明であるが、水蒸気改質反応において共存するスチームが活性化されて触媒劣化の原因となる触媒へのコーク付着が抑制されると考える。
尚、担体の比表面積は、窒素吸着法で求めることができる。
アルミナの酸化物前駆体化合物で例を挙げれば、ヨウ化アルミニウム、塩基性炭酸アルミニウム、酢酸アルミニウム、2−エチルヘキサン酸アルミニウム、アルミニウムアセチルアセトナート、アルミニウムヘキサフルオロアセチルアセトナート、アルミニウムエトキシド、アルミニウムイソプロポキシド、アルミニウムn−ブトキシド、アルミニウムt−ブトキシドなどを用いることができるが、アルミニウムエトキシドまたはアルミニウムイソプロポキシドを用いるのが好ましい。
酸化ケイ素の酸化物前駆体化合物で例を挙げれば、四塩化ケイ素、臭化ケイ素(IV)、ヨウ化ケイ素(IV)、2−エチルヘキサン酸ケイ素、オルトケイ酸テトラエチル、テトラプロポキシシラン、テトラブトキシシランなどを用いることができるが、オルトケイ酸テトラエチルまたはテトラプロポキシシランを用いるのが好ましい。
貴金属成分含有量は担体の比表面積にも依存するが、概して触媒質量に対して金属として0.05〜10質量%、好ましくは0.1〜5質量%、より好ましくは0.3〜3質量%である。貴金属成分含有量が0.05質量%よりも少ないと触媒上の反応活性点として機能できる貴金属成分の総量が減少して充分な触媒活性が得られなくなり、また10質量%よりも多いとコストが増加するので好ましくない。
貴金属成分を担持した後の乾燥処理及び焼成処理は、その条件については特に規定されないが、例えば、空気中、100℃以上で行う。
尚、これらの硫黄含有量は紫外蛍光分析法、ジベンゾチオフェン類化合物の含有量はGC−ICP−MSにて測定されたものである。
尚、これらの蒸留性状はJIS K 2254に定める「石油製品−蒸留試験方法」に基づいて測定されたものである。
尚、直鎖脂肪族飽和炭化水素の含有量はガスクロマトグラフィーで測定されたものである。
尚、芳香族含有量、二環以上の芳香族化合物の含有量およびオレフィン化合物の含有量は石油学会規定JPI−5S−49に定める炭化水素タイプ分析に基づいて測定されたものである。
本発明は水蒸気改質反応に係わる水素製造装置での種々な態様で実施することが可能であり、たとえば製油所などの水素プラントや定置型分散電源における燃料電池用水素製造システムなどで実施可能である。
実施例1(触媒A)
アルミニウムイソプロポキシド490gと、チタンテトライソプロポキシド136gを、2−メチル−2,4−ペンタンジオール720gに脱水雰囲気下で均一に溶解し、110℃で生成するイソプロパノールを蒸留除去しながら3時間反応蒸留を行った後、減圧下でイソプロパノールを除去した後、水1000gを加えて80℃で加水分解を行った。加水分解後に得られた白色沈殿物を130℃でゲル化反応を行い、得られた白色のゲルを95℃で真空減圧乾燥した後、600℃で焼成して、担体Aを155g得た。得られた担体A125gに、硝酸ランタン六水和物13.2gが溶解した水溶液180mlをポアフィリング法により含浸した後、110℃で16時間乾燥、引き続き酸素存在下600℃で3時間焼成を実施した。得られたランタン含有担体に、三塩化ルテニウム3.51gと硝酸コバルト(II)六水和物1.54gが溶解した水溶液180mlをポアフィリング法で含浸した後、150℃で16時間乾燥した。得られた触媒にヒドラジン炭酸塩水溶液を用いて40℃で液相還元処理を行い、150℃で10時間乾燥し、得られた触媒粉を打錠成形した後に粉砕して16〜24メッシュの大きさに篩い分けしたものを回収して、触媒Aを得た。
アルミニウムイソプロポキシド490gと、チタンテトライソプロポキシド34.1gを、2−メチル−2,4−ペンタンジオール610gに脱水雰囲気下で均一に溶解し、110℃で生成するイソプロパノールを蒸留除去しながら3時間反応蒸留を行った後、減圧下でイソプロパノールを除去した後、水1000gを加えて80℃で加水分解を行った。加水分解後に得られた白色沈殿物を130℃でゲル化反応を行い、得られた白色のゲルを95℃で真空減圧乾燥した後、500℃で焼成して、担体B127gを得た。得られた担体B125gに、三塩化ルテニウム7.02gと硝酸コバルト(II)六水和物3.07gが溶解した水溶液180mlをポアフィリング法で含浸した後、150℃で16時間乾燥した。得られた触媒にヒドラジン炭酸塩水溶液を用いて40℃で液相還元処理を行い、150℃で10時間乾燥し、得られた触媒粉を打錠成形した後に粉砕して16〜24メッシュの大きさに篩い分けしたものを回収して、触媒Bを得た。
オルトケイ酸テトラエチル520gと、チタンテトライソプロポキシド142gを、2−メチル−2,4−ペンタンジオール940gに脱水雰囲気下で均一に溶解し、110℃で生成するエタノールおよびイソプロパノールを蒸留除去しながら3時間反応蒸留を行った後、減圧下でエタノールおよびイソプロパノールを除去した後、水1000gを加えて80℃で加水分解を行った。加水分解後に得られたベージュ色沈殿物を130℃でゲル化反応を行い、得られたベージュ色のゲルを95℃で真空減圧乾燥した後、600℃で焼成して、担体C185gを得た。得られた担体C125gに、三塩化ルテニウム7.02gが溶解した水溶液84mlをポアフィリング法で含浸した後、150℃で16時間乾燥した。得られた触媒にヒドラジン炭酸塩水溶液を用いて40℃で液相還元処理を行い、150℃で10時間乾燥し、得られた触媒粉を打錠成形した後に粉砕して16〜24メッシュの大きさに篩い分けしたものを回収して、触媒Cを得た。
アルミニウムイソプロポキシド490gと、チタンテトライソプロポキシド341gと、2−メチル−2,4−ペンタンジオール945gに脱水雰囲気下で均一に溶解し、110℃で生成するイソプロパノールを蒸留除去しながら3時間反応蒸留を行った後、減圧下でイソプロパノールを除去した後、水1000gを加えて80℃で加水分解を行った。加水分解後に得られた白色沈殿物を130℃でゲル化反応を行い、得られた白色のゲルを95℃で真空減圧乾燥した後、650℃で焼成して、担体D212gを得た。得られた担体D100gに、硝酸ランタン六水和物23.2gが溶解した水溶液120mlをポアフィリング法により含浸した後、110℃で16時間乾燥、引き続き酸素存在下650℃で3時間焼成を実施して得られたランタン含有担体に、三塩化ルテニウム6.18gが溶解した水溶液120mlをポアフィリング法で含浸した後、150℃で16時間乾燥した。得られた触媒にヒドラジン炭酸塩水溶液を用いて40℃で液相還元処理を行い、150℃で10時間乾燥し、得られた触媒粉を打錠成形した後に粉砕して16〜24メッシュの大きさに篩い分けしたものを回収して、触媒Dを得た。
2mm径のアルミナ担体(比表面積120m2/g、細孔容積0.36ml/g)415gに、硝酸ランタン六水和物87.7gが溶解した水溶液150mlをポアフィリング法により含浸した後、110℃で16時間乾燥、引き続き酸素存在下650℃で3時間焼成を実施して得られたランタン含有担体に、硝酸ルテニウム27.4gと硝酸コバルト(II)六水和物10.2gが溶解した水溶液150mlをポアフィリング法で含浸した後、150℃で16時間乾燥した。得られた触媒にヒドラジン炭酸塩水溶液を用いて40℃に加温して液相還元処理を行い、液相から取り出して150℃で10時間乾燥し、触媒Eを得た。
比較例1の方法において、硝酸ランタン87.7gの代わりとして塩化チタン(III)溶液(Ti15質量%含有)150gを使用した以外は比較例1と同様の調製方法によって調製を行い、触媒Fを得た。
アルミニウムイソプロポキシド490gと、2−メチル−2,4−ペンタンジオール600gを脱水雰囲気下で均一に溶解し、110℃で生成するイソプロパノールを蒸留除去しながら3時間反応蒸留を行った後、減圧下でイソプロパノールを除去した後、水1000gを加えて80℃で加水分解を行った。加水分解後に得られた白色沈殿物を130℃でゲル化反応を行い、得られた白色のゲルを95℃で真空減圧乾燥した後、500℃で焼成して、担体G120gを得た。得られた担体G100gに、硝酸ランタン六水和物23.2gが溶解した水溶液130mlをポアフィリング法により含浸した後、110℃で16時間乾燥、引き続き酸素存在下650℃で3時間焼成を実施して得られたランタン含有担体に、三塩化ルテニウム3.09gと硝酸コバルト(II)六水和物1.35gが溶解した水溶液130mlをポアフィリング法で含浸した後、150℃で16時間乾燥した。得られた触媒にヒドラジン炭酸塩水溶液を用いて40℃で液相還元処理を行い、150℃で10時間乾燥し、得られた触媒粉を打錠成形した後に粉砕して16〜24メッシュの大きさに篩い分けしたものを回収して、触媒Gを得た。
JIS1号灯油を市販のコバルト−モリブデン系脱硫触媒を用いてLHSV=1.0hr-1、370℃、水素/油=500Nm3/m3、圧力5MPaの条件で370℃の水素化脱硫処理を行い、引き続き市販の酸化亜鉛吸着剤を用いてLHSV=1.0hr-1、350℃、圧力5MPaの条件で吸着処理を行い、脱硫灯油を得た。これらのJIS1号灯油および脱硫灯油の性状を表2に示す。
尚、これらの油中の硫黄含有量は紫外蛍光分析法、ジベンゾチオフェン類化合物の含有量はGC-ICP-MSで測定されたものであり、硫黄換算値である。また蒸留性状はJIS K 2254に定める「石油製品−蒸留試験方法」に基づいて測定されたものである。また直鎖脂肪族飽和炭化水素の含有量はガスクロマトグラフィーで測定されたものである。また芳香族含有量、二環以上の芳香族化合物の含有量およびオレフィン化合物の含有量は石油学会規定JPI−5S−49に定める炭化水素タイプ分析に基づいて測定されたものである。
上述の評価反応中に得られた反応生成物はガスの状態でサンプリングし、ガスクロマトグラフィーで反応生成物の組成を分析した。改質反応における各触媒の触媒活性は、数式1で求められるC1転化率を指標に評価した。
(数式1)
C1転化率(%)=(反応生成物に含まれるC1化合物のモル数)
÷(原料の脱硫灯油に含まれる炭素の総モル数)×100
各触媒を用いた評価反応における24時間後と288時間後のC1転化率とその比、評価反応後の触媒に付着した炭素付着量および改質器内壁面への炭素質の析出状況をそれぞれ表3に示す。尚、これらの炭素付着量は湿式質量分析(ICP−MS)法で測定された値である。
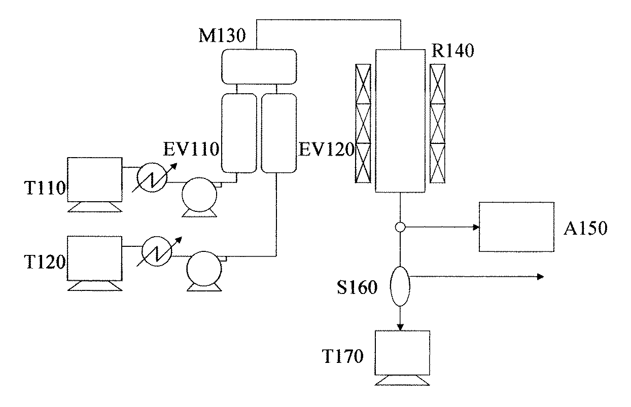
T120:水タンク
EV110:原料気化器
EV120:水気化器
M130:混合器
R140:改質器
A150:分析計
S160:気液分離器
T170:液回収タンク
Claims (9)
- 担体及び該担体に担時された触媒活性成分を含む水素製造用改質触媒であって、該担体が、比表面積が310m2/g以上であり、かつチタニアを含有する無機複合酸化物担体であることを特徴とする水素製造用改質触媒。
- 無機複合酸化物担体がアルミナを含み、かつアルミナの結晶子径が3nm以下であることを特徴とする、請求項1に記載の水素製造用改質触媒。
- 無機複合酸化物担体がアルミナ及び/または酸化ケイ素を含み、かつアルミナ及び/または酸化ケイ素が非晶質であることを特徴とする、請求項1に記載の水素製造用改質触媒。
- 触媒活性成分が、ルテニウム、ロジウム、白金の少なくとも1種を含む貴金属成分であることを特徴とする、請求項1〜3のいずれかに記載の水素製造用改質触媒。
- 貴金属成分がルテニウムであることを特徴とする、請求項4に記載の水素製造用改質触媒。
- 無機複合酸化物担体が希土類金属を含むことを特徴とする、請求項1〜5のいずれかに記載の水素製造用改質触媒。
- 希土類金属がランタンまたはセリウムを含むことを特徴とする、請求項6に記載の水素製造用改質触媒。
- 請求項1〜7のいずれかに記載の水素製造用改質触媒を具備する改質部に水素製造用燃料油を供して、改質部の触媒層の入口温度を520℃以下で水蒸気改質反応を開始し、水素を含有する生成物を得ることを特徴とする水素製造方法。
- 水素製造用燃料油が灯油留分を含有することを特徴とする、請求項8に記載の水素製造方法。
Priority Applications (1)
| Application Number | Priority Date | Filing Date | Title |
|---|---|---|---|
| JP2008234841A JP5340681B2 (ja) | 2008-09-12 | 2008-09-12 | 低い温度での水素製造に適した水素製造用改質触媒、及び該触媒を用いた水素製造方法 |
Applications Claiming Priority (1)
| Application Number | Priority Date | Filing Date | Title |
|---|---|---|---|
| JP2008234841A JP5340681B2 (ja) | 2008-09-12 | 2008-09-12 | 低い温度での水素製造に適した水素製造用改質触媒、及び該触媒を用いた水素製造方法 |
Publications (2)
| Publication Number | Publication Date |
|---|---|
| JP2010064036A true JP2010064036A (ja) | 2010-03-25 |
| JP5340681B2 JP5340681B2 (ja) | 2013-11-13 |
Family
ID=42190095
Family Applications (1)
| Application Number | Title | Priority Date | Filing Date |
|---|---|---|---|
| JP2008234841A Expired - Fee Related JP5340681B2 (ja) | 2008-09-12 | 2008-09-12 | 低い温度での水素製造に適した水素製造用改質触媒、及び該触媒を用いた水素製造方法 |
Country Status (1)
| Country | Link |
|---|---|
| JP (1) | JP5340681B2 (ja) |
Cited By (4)
| Publication number | Priority date | Publication date | Assignee | Title |
|---|---|---|---|---|
| JP2011083685A (ja) * | 2009-10-14 | 2011-04-28 | Jx Nippon Oil & Energy Corp | 水素製造用改質触媒及びその製造方法、並びに該触媒を用いた水素製造方法 |
| JP2011167595A (ja) * | 2010-02-16 | 2011-09-01 | Jx Nippon Oil & Energy Corp | 水素製造用改質触媒及びその製造方法、並びに該触媒を用いた水素製造方法 |
| JP2013214455A (ja) * | 2012-04-03 | 2013-10-17 | Tokyo Gas Co Ltd | 燃料電池発電システム |
| CN116173967A (zh) * | 2022-11-07 | 2023-05-30 | 广东工业大学 | 一种碳封装铜锌铝的催化剂及其制备方法和应用 |
Families Citing this family (1)
| Publication number | Priority date | Publication date | Assignee | Title |
|---|---|---|---|---|
| JP2796736B2 (ja) | 1989-07-14 | 1998-09-10 | 株式会社トーキン | ランジュバン型ボルト締め振動子の絶縁処理装置並びにその絶縁処理方法 |
Citations (9)
| Publication number | Priority date | Publication date | Assignee | Title |
|---|---|---|---|---|
| JPH04144902A (ja) * | 1990-10-02 | 1992-05-19 | Mitsubishi Heavy Ind Ltd | メタノールの改質方法 |
| JP2000107600A (ja) * | 1998-10-06 | 2000-04-18 | Toyota Motor Corp | 高耐熱性触媒担体及びその製造方法 |
| JP2002282689A (ja) * | 2001-01-19 | 2002-10-02 | Toyota Motor Corp | 触媒担体と触媒及びそれらの製造方法 |
| JP2003024783A (ja) * | 2001-07-11 | 2003-01-28 | Toyota Central Res & Dev Lab Inc | 水素生成触媒 |
| JP2005035867A (ja) * | 2003-07-01 | 2005-02-10 | Nissan Motor Co Ltd | 燃料改質装置 |
| JP2005034682A (ja) * | 2003-07-15 | 2005-02-10 | Mitsubishi Heavy Ind Ltd | Co変成触媒およびその製造方法 |
| JP2006272324A (ja) * | 2005-03-03 | 2006-10-12 | Japan Energy Corp | 水素製造用触媒及び水素の製造方法 |
| JP2007204363A (ja) * | 2006-02-02 | 2007-08-16 | Samsung Sdi Co Ltd | 複合酸化物担体とその製造方法、低温シフト反応触媒とその製造方法、一酸化炭素の除去方法、燃料処理装置及び燃料電池システム |
| JP2007313496A (ja) * | 2006-01-16 | 2007-12-06 | Toda Kogyo Corp | 水蒸気改質用触媒の多孔質担体、水蒸気改質用触媒及び反応混合ガスの製造方法 |
-
2008
- 2008-09-12 JP JP2008234841A patent/JP5340681B2/ja not_active Expired - Fee Related
Patent Citations (9)
| Publication number | Priority date | Publication date | Assignee | Title |
|---|---|---|---|---|
| JPH04144902A (ja) * | 1990-10-02 | 1992-05-19 | Mitsubishi Heavy Ind Ltd | メタノールの改質方法 |
| JP2000107600A (ja) * | 1998-10-06 | 2000-04-18 | Toyota Motor Corp | 高耐熱性触媒担体及びその製造方法 |
| JP2002282689A (ja) * | 2001-01-19 | 2002-10-02 | Toyota Motor Corp | 触媒担体と触媒及びそれらの製造方法 |
| JP2003024783A (ja) * | 2001-07-11 | 2003-01-28 | Toyota Central Res & Dev Lab Inc | 水素生成触媒 |
| JP2005035867A (ja) * | 2003-07-01 | 2005-02-10 | Nissan Motor Co Ltd | 燃料改質装置 |
| JP2005034682A (ja) * | 2003-07-15 | 2005-02-10 | Mitsubishi Heavy Ind Ltd | Co変成触媒およびその製造方法 |
| JP2006272324A (ja) * | 2005-03-03 | 2006-10-12 | Japan Energy Corp | 水素製造用触媒及び水素の製造方法 |
| JP2007313496A (ja) * | 2006-01-16 | 2007-12-06 | Toda Kogyo Corp | 水蒸気改質用触媒の多孔質担体、水蒸気改質用触媒及び反応混合ガスの製造方法 |
| JP2007204363A (ja) * | 2006-02-02 | 2007-08-16 | Samsung Sdi Co Ltd | 複合酸化物担体とその製造方法、低温シフト反応触媒とその製造方法、一酸化炭素の除去方法、燃料処理装置及び燃料電池システム |
Cited By (4)
| Publication number | Priority date | Publication date | Assignee | Title |
|---|---|---|---|---|
| JP2011083685A (ja) * | 2009-10-14 | 2011-04-28 | Jx Nippon Oil & Energy Corp | 水素製造用改質触媒及びその製造方法、並びに該触媒を用いた水素製造方法 |
| JP2011167595A (ja) * | 2010-02-16 | 2011-09-01 | Jx Nippon Oil & Energy Corp | 水素製造用改質触媒及びその製造方法、並びに該触媒を用いた水素製造方法 |
| JP2013214455A (ja) * | 2012-04-03 | 2013-10-17 | Tokyo Gas Co Ltd | 燃料電池発電システム |
| CN116173967A (zh) * | 2022-11-07 | 2023-05-30 | 广东工业大学 | 一种碳封装铜锌铝的催化剂及其制备方法和应用 |
Also Published As
| Publication number | Publication date |
|---|---|
| JP5340681B2 (ja) | 2013-11-13 |
Similar Documents
| Publication | Publication Date | Title |
|---|---|---|
| JP2009254929A (ja) | 低温での水素製造に適した水素製造用改質触媒、及び該触媒を用いた水素製造方法 | |
| JP4662955B2 (ja) | 複合酸化物担体の製造方法、低温シフト反応触媒の製造方法、一酸化炭素の除去方法、燃料処理装置及び燃料電池システム | |
| CN1662300B (zh) | 催化剂 | |
| US7771702B2 (en) | Sulfur-tolerant catalysts and related precursors and processes | |
| WO2002038268A1 (en) | Catalyst for hydrocarbon reforming and method of reforming hydrocarbon with the same | |
| WO2008001632A1 (en) | Catalyst for steam reformation, hydrogen production apparatus, and fuel cell system | |
| JP2006346598A (ja) | 水蒸気改質触媒 | |
| JP5340681B2 (ja) | 低い温度での水素製造に適した水素製造用改質触媒、及び該触媒を用いた水素製造方法 | |
| JP4648566B2 (ja) | オートサーマルリフォーミング触媒および燃料電池用燃料ガスの製造方法 | |
| JP2016165712A (ja) | 水蒸気改質触媒、それを用いた水蒸気改質方法、及び水蒸気改質反応装置 | |
| JP5593106B2 (ja) | 水素製造方法、水素製造装置及び燃料電池システム | |
| JP2011083685A (ja) | 水素製造用改質触媒及びその製造方法、並びに該触媒を用いた水素製造方法 | |
| JP6631245B2 (ja) | 炭化水素の改質用触媒の製造方法及び軽質炭化水素の改質方法 | |
| US20240228272A9 (en) | Systems and methods for processing ammonia | |
| JP2012061398A (ja) | 水素製造用触媒、その触媒の製造方法およびその触媒を用いた水素の製造方法 | |
| WO2001044412A1 (en) | Fuel oil for fuel cell, fuel oil composition and automobile driving system | |
| JP6701778B2 (ja) | 炭化水素の改質による水素の製造方法、水素の製造装置、燃料電池の運転方法、及び燃料電池の運転装置 | |
| JP2010064037A (ja) | 低い温度での水素製造に適した水素製造用改質触媒の製造方法 | |
| JP5394280B2 (ja) | 水素製造用改質触媒及びその製造方法、並びに該触媒を用いた水素製造方法 | |
| Liu et al. | Ceria-supported nickel borate as a sulfur-tolerant catalyst for autothermal reforming of a proxy jet fuel | |
| JP5114183B2 (ja) | 水素製造用燃料油及びそれを用いた水素製造方法 | |
| JP5759922B2 (ja) | 水素の製造方法 | |
| WO2013132862A1 (ja) | 触媒、触媒の製造方法、及びこの触媒を用いた水素含有ガスの製造方法、水素発生装置、燃料電池システム、並びに珪素担持CeZr系酸化物 | |
| JP2015150486A (ja) | 水素製造用触媒、水素製造用触媒の製造方法及び水素製造方法 | |
| JP2005044651A (ja) | 水素リッチガスの製造方法 |
Legal Events
| Date | Code | Title | Description |
|---|---|---|---|
| A711 | Notification of change in applicant |
Free format text: JAPANESE INTERMEDIATE CODE: A712 Effective date: 20100820 |
|
| A621 | Written request for application examination |
Free format text: JAPANESE INTERMEDIATE CODE: A621 Effective date: 20110125 |
|
| A977 | Report on retrieval |
Free format text: JAPANESE INTERMEDIATE CODE: A971007 Effective date: 20120216 |
|
| A131 | Notification of reasons for refusal |
Free format text: JAPANESE INTERMEDIATE CODE: A131 Effective date: 20130131 |
|
| A521 | Request for written amendment filed |
Free format text: JAPANESE INTERMEDIATE CODE: A523 Effective date: 20130311 |
|
| TRDD | Decision of grant or rejection written | ||
| A01 | Written decision to grant a patent or to grant a registration (utility model) |
Free format text: JAPANESE INTERMEDIATE CODE: A01 Effective date: 20130805 |
|
| A61 | First payment of annual fees (during grant procedure) |
Free format text: JAPANESE INTERMEDIATE CODE: A61 Effective date: 20130807 |
|
| R150 | Certificate of patent or registration of utility model |
Ref document number: 5340681 Country of ref document: JP Free format text: JAPANESE INTERMEDIATE CODE: R150 Free format text: JAPANESE INTERMEDIATE CODE: R150 |
|
| S531 | Written request for registration of change of domicile |
Free format text: JAPANESE INTERMEDIATE CODE: R313531 |
|
| S533 | Written request for registration of change of name |
Free format text: JAPANESE INTERMEDIATE CODE: R313533 |
|
| R350 | Written notification of registration of transfer |
Free format text: JAPANESE INTERMEDIATE CODE: R350 |
|
| R250 | Receipt of annual fees |
Free format text: JAPANESE INTERMEDIATE CODE: R250 |
|
| R250 | Receipt of annual fees |
Free format text: JAPANESE INTERMEDIATE CODE: R250 |
|
| S533 | Written request for registration of change of name |
Free format text: JAPANESE INTERMEDIATE CODE: R313533 |
|
| R350 | Written notification of registration of transfer |
Free format text: JAPANESE INTERMEDIATE CODE: R350 |
|
| R250 | Receipt of annual fees |
Free format text: JAPANESE INTERMEDIATE CODE: R250 |
|
| R250 | Receipt of annual fees |
Free format text: JAPANESE INTERMEDIATE CODE: R250 |
|
| R250 | Receipt of annual fees |
Free format text: JAPANESE INTERMEDIATE CODE: R250 |
|
| S533 | Written request for registration of change of name |
Free format text: JAPANESE INTERMEDIATE CODE: R313533 |
|
| R350 | Written notification of registration of transfer |
Free format text: JAPANESE INTERMEDIATE CODE: R350 |
|
| R250 | Receipt of annual fees |
Free format text: JAPANESE INTERMEDIATE CODE: R250 |
|
| R250 | Receipt of annual fees |
Free format text: JAPANESE INTERMEDIATE CODE: R250 |
|
| R250 | Receipt of annual fees |
Free format text: JAPANESE INTERMEDIATE CODE: R250 |
|
| LAPS | Cancellation because of no payment of annual fees |
