JP2010058905A - 紙葉類収納カセット - Google Patents

紙葉類収納カセット Download PDF

Info

Publication number
JP2010058905A
JP2010058905A JP2008226273A JP2008226273A JP2010058905A JP 2010058905 A JP2010058905 A JP 2010058905A JP 2008226273 A JP2008226273 A JP 2008226273A JP 2008226273 A JP2008226273 A JP 2008226273A JP 2010058905 A JP2010058905 A JP 2010058905A
Authority
JP
Japan
Prior art keywords
paper sheet
mounting table
paper
housing
impeller
Prior art date
Legal status (The legal status is an assumption and is not a legal conclusion. Google has not performed a legal analysis and makes no representation as to the accuracy of the status listed.)
Granted
Application number
JP2008226273A
Other languages
English (en)
Other versions
JP5602350B2 (ja
Inventor
Hidehiko Matsushita
下 秀 彦 松
Mikio Wada
田 幹 生 和
Shinji Matsumoto
本 眞 二 松
Current Assignee (The listed assignees may be inaccurate. Google has not performed a legal analysis and makes no representation or warranty as to the accuracy of the list.)
Glory Ltd
Original Assignee
Glory Ltd
Priority date (The priority date is an assumption and is not a legal conclusion. Google has not performed a legal analysis and makes no representation as to the accuracy of the date listed.)
Filing date
Publication date
Application filed by Glory Ltd filed Critical Glory Ltd
Priority to JP2008226273A priority Critical patent/JP5602350B2/ja
Publication of JP2010058905A publication Critical patent/JP2010058905A/ja
Application granted granted Critical
Publication of JP5602350B2 publication Critical patent/JP5602350B2/ja
Expired - Fee Related legal-status Critical Current
Anticipated expiration legal-status Critical

Links

Images

Landscapes

  • Conveyance By Endless Belt Conveyors (AREA)

Abstract

【課題】シンプルな構成により紙葉類の投入や投出における紙葉類載置台の動作に連動して札叩き用羽根車やコシ付け部材の進退を行うことができる紙葉類収納カセットを提供する。
【解決手段】札叩き用羽根車60は、進出位置と退避位置との間で往復移動するようになっており、この札叩き用羽根車60が進出位置にあるときに、収納繰出機構により紙葉類がステージ30上に送られる際にこの紙葉類を叩くようになっており、この札叩き用羽根車60が退避位置にあるときに、ステージ30上に集積された紙葉類が収納繰出機構により投出入口16に繰り出される際にこの紙葉類に当接しないようになっている。また、進退機構により、ステージ30の往復移動に連動して札叩き用羽根車60を進出位置と退避位置との間で往復移動させるようになっている。
【選択図】図2

Description

本発明は、紙幣や小切手等の紙葉類の収納を行う紙葉類収納カセットに関し、とりわけ、シンプルな構成により、紙葉類の投入時や投出時における紙葉類載置台の動作に連動して札叩き用羽根車やコシ付け部材の進退を行うことができる紙葉類収納カセットに関する。
従来より、紙幣や小切手等の紙葉類の収納を行う紙葉類収納カセットが知られている。このような紙葉類収納カセットは、略直方体形状の筐体と、筐体の上面に設けられ、当該筐体の外部から内部への紙葉類の投入および筐体の内部から外部への紙葉類の投出を行うための投出入口と、筐体の内部に設けられ、投出入口により筐体の外部から内部に投入された紙葉類が集積される紙葉類載置台と、を備えている。また、筐体の内部には、投出入口により筐体の外部から内部に投入された紙葉類を紙葉類載置台に送るとともにこの紙葉類載置台に集積された紙葉類を投出入口に繰り出す収納繰出機構が設けられている。ここで、収納繰出機構は、筐体の上面に設けられた投出入口の近傍に設置されている。また、紙葉類載置台は筐体内で昇降自在となっており、筐体の外部から内部へ紙葉類を投入する際には紙葉類載置台を下降させ、この紙葉類載置台を収納繰出機構から遠ざけるようにする。一方、筐体の内部から外部へ紙葉類を投出する際には紙葉類載置台を上昇させ、この紙葉類載置台を収納繰出機構の近傍に位置させるようにする。
このような紙葉類収納カセットにおいては、収納繰出機構の近傍には札叩き用羽根車が設けられている。そして、投出入口により筐体の外部から内部に投入された紙葉類が収納繰出機構により紙葉類載置台に送られる際に、札叩き用羽根車はこの紙葉類を叩くようになっている。紙葉類が収納繰出機構により紙葉類載置台に送られる際に、この紙葉類を札叩き用羽根車で叩くことにより、紙葉類を迅速に紙葉類載置台上に落下させることができるとともに、紙葉類載置台上で紙葉類が縦向きになることはなく横向きの積層状態で集積されることとなる。
このような札叩き用羽根車は、紙葉類を筐体の外部から内部に投入する際には紙葉類を叩くよう構成されているが、紙葉類を筐体の内部から外部に投出する際に、紙葉類載置台に集積された紙葉類が収納繰出機構により投出入口に繰り出されるときにこの紙葉類が札叩き用羽根車に当たってしまうと、札叩き用羽根車は紙葉類の投出動作の邪魔になってしまう。
このため、例えば特許文献1等に開示される紙葉類入出金機においては、紙葉類を筐体の内部から外部に投出する際に札叩き用羽根車が邪魔にならないように、紙葉類の投出時には札叩き用羽根車を紙葉類の搬送経路から退避させるようになっている。札叩き用羽根車が紙葉類の搬送経路から退避すると、紙葉類載置台に集積された紙葉類が収納繰出機構により投出入口に繰り出される際にこの紙葉類は札叩き用羽根車に当接しなくなる。より具体的には、筐体の内部から外部への紙葉類の投出を行う際には紙葉類載置台を上昇させるが、この上昇した後の紙葉類載置台に集積された紙葉類がセンサ等により検知され、この検知情報に基づいてソレノイドによって札叩き用羽根車を紙葉類の搬送経路から退避させるようこの札叩き用羽根車を移動させるようになっている。
特開平7−172710号公報
しかしながら、特許文献1に示すような紙葉類入出金機においては、紙葉類の投入時や投出時において紙葉類載置台の移動が完了しないと札叩き用羽根車が移動し始めず、紙葉類の投入や投出の準備ができるまでに時間がかかるという問題があった。また、札叩き用羽根車はアクチュエータを駆動源とするため、装置が大がかりになってしまうという問題がある。
本発明は、このような点を考慮してなされたものであり、紙葉類載置台と札叩き用羽根車との間を進退機構で接続させ、この進退機構によって紙葉類載置台の往復移動に連動して札叩き用羽根車を進出位置と退避位置との間で往復移動させることにより、シンプルな構成により、紙葉類の投入時や投出時における紙葉類載置台の動作に連動して札叩き用羽根車の進退を行うことができる紙葉類収納カセットを提供することを目的とする。
また、本発明の他の目的は、紙葉類載置台とコシ付け部材との間を進退機構で接続させ、この進退機構によって紙葉類載置台の往復移動に連動してコシ付け部材を進出位置と退避位置との間で往復移動させることにより、シンプルな構成により、紙葉類の投入時や投出時における紙葉類載置台の動作に連動してコシ付け部材の進退を行うことができる紙葉類収納カセットを提供することにある。
本発明の紙葉類収納カセットは、筐体と、前記筐体の外部から内部への紙葉類の投入および前記筐体の内部から外部への紙葉類の投出を行うための投出入口と、前記筐体の内部において往復移動するよう設けられ、前記投出入口により前記筐体の外部から内部に投入された紙葉類が集積される紙葉類載置台と、前記筐体の内部に設けられ、前記投出入口により前記筐体の外部から内部に投入された紙葉類を前記紙葉類載置台に送るとともに前記紙葉類載置台に集積された紙葉類を前記投出入口に繰り出す収納繰出機構と、前記筐体の内部に設けられ、進出位置と退避位置との間で往復移動するようになっている札叩き用羽根車であって、この札叩き用羽根車が進出位置にあるときに、前記投出入口により前記筐体の外部から内部に投入された紙葉類が前記収納繰出機構により前記紙葉類載置台に送られる際にこの紙葉類を叩くよう構成され、この札叩き用羽根車が退避位置にあるときに、前記紙葉類載置台に集積された紙葉類が前記収納繰出機構により前記投出入口に繰り出される際にこの紙葉類に当接しないような札叩き用羽根車と、前記紙葉類載置台および前記札叩き用羽根車にそれぞれ接続され、前記紙葉類載置台の往復移動に連動して前記札叩き用羽根車を進出位置と退避位置との間で往復移動させる進退機構であって、前記紙葉類載置台が前記収納繰出機構に向かって移動する際に前記札叩き用羽根車を前記退避位置に移動させ、前記紙葉類載置台が前記収納繰出機構から遠ざかるよう移動する際に前記札叩き用羽根車を前記進出位置に移動させるような進退機構と、を備えたことを特徴とする。
このような紙葉類収納カセットによれば、進退機構により、紙葉類載置台の往復移動に連動して札叩き用羽根車を進出位置と退避位置との間で往復移動させるようになっているので、札叩き用羽根車を駆動させるためのアクチュエータ等の駆動源や、紙葉類載置台に集積された紙葉類を検知するためのセンサ等を設ける必要がなく、シンプルな構成により、紙葉類の投入時や投出時における紙葉類載置台の動作に連動して札叩き用羽根車の進退を行うことができる。このため、紙葉類の投入時にのみ紙葉類を札叩き用羽根車に当接させることができる。
本発明の紙葉類収納カセットにおいては、前記紙葉類載置台は前記筐体の内部において昇降するようになっており、前記進退機構は、前記紙葉類載置台が上昇する際に前記札叩き用羽根車を前記退避位置に移動させ、前記紙葉類載置台が下降する際に前記札叩き用羽根車を前記進出位置に移動させるようになっていてもよい。
本発明の紙葉類収納カセットにおいては、前記進退機構は、前記紙葉類載置台が前記収納繰出機構に向かって移動し始めた際に前記札叩き用羽根車を前記退避位置に移動させ、前記紙葉類載置台が前記収納繰出機構から遠ざかるよう移動し始めた際に前記札叩き用羽根車を前記進出位置に移動させることが好ましい。このような紙葉類収納カセットによれば、紙葉類載置台が完全に移動し終わらなくとも、紙葉類載置台の少しの動作で札叩き用羽根車を進出位置や退避位置に移動させることができる。このことにより、筐体の内部への紙葉類の投入や筐体の外部への紙葉類の投出をより迅速に行うことができるようになる。
本発明の紙葉類収納カセットにおいては、前記進退機構にはトルクリミッタが設けられており、当該トルクリミッタは、前記札叩き用羽根車が前記退避位置または前記進出位置に到達するまでは前記紙葉類載置台の移動に伴って前記札叩き用羽根車を移動させ、前記札叩き用羽根車が前記退避位置または前記進出位置に到達したら前記紙葉類載置台の移動による力を前記札叩き用羽根車に作用させないようになっていることが好ましい。このような紙葉類収納カセットによれば、札叩き用羽根車が退避位置または進出位置に到達した後に、進退機構を構成する部材に過度の力がかかることを防止することができ、これらの部材が破壊されてしまうことを防止することができる。
本発明の紙葉類収納カセットにおいては、前記筐体の内部に設けられ、前記進退機構に接続され、進出位置と退避位置との間で往復移動するようになっているコシ付け部材であって、このコシ付け部材が進出位置にあるときに、前記投出入口により前記筐体の外部から内部に投入された紙葉類が前記収納繰出機構により前記紙葉類載置台に送られる際にこの紙葉類に当接してコシを付けるよう構成され、このコシ付け部材が退避位置にあるときに、前記紙葉類載置台に集積された紙葉類が前記収納繰出機構により前記投出入口に繰り出される際にこの紙葉類に当接しないようなコシ付け部材を更に備え、前記進退機構は、前記紙葉類載置台が前記収納繰出機構に向かって移動する際に前記コシ付け部材を前記退避位置に移動させ、前記紙葉類載置台が前記収納繰出機構から遠ざかるよう移動する際に前記コシ付け部材を前記進出位置に移動させることが好ましい。
本発明の紙葉類収納カセットは、筐体と、前記筐体の外部から内部への紙葉類の投入および前記筐体の内部から外部への紙葉類の投出を行うための投出入口と、前記筐体の内部において往復移動するよう設けられ、前記投出入口により前記筐体の外部から内部に投入された紙葉類が集積される紙葉類載置台と、前記筐体の内部に設けられ、前記投出入口により前記筐体の外部から内部に投入された紙葉類を前記紙葉類載置台に送るとともに前記紙葉類載置台に集積された紙葉類を前記投出入口に繰り出す収納繰出機構と、前記筐体の内部に設けられ、進出位置と退避位置との間で往復移動するようになっているコシ付け部材であって、このコシ付け部材が進出位置にあるときに、前記投出入口により前記筐体の外部から内部に投入された紙葉類が前記収納繰出機構により前記紙葉類載置台に送られる際にこの紙葉類に当接してコシを付けるよう構成され、このコシ付け部材が退避位置にあるときに、前記紙葉類載置台に集積された紙葉類が前記収納繰出機構により前記投出入口に繰り出される際にこの紙葉類に当接しないようなコシ付け部材と、前記紙葉類載置台および前記コシ付け部材にそれぞれ接続され、前記紙葉類載置台の往復移動に連動して前記コシ付け部材を進出位置と退避位置との間で往復移動させる進退機構であって、前記紙葉類載置台が前記収納繰出機構に向かって移動する際に前記コシ付け部材を前記退避位置に移動させ、前記紙葉類載置台が前記収納繰出機構から遠ざかるよう移動する際に前記コシ付け部材を前記進出位置に移動させるような進退機構と、を備えたことを特徴とする。
このような紙葉類収納カセットによれば、進退機構により、紙葉類載置台の往復移動に連動してコシ付け部材を進出位置と退避位置との間で往復移動させるようになっているので、コシ付け部材を駆動させるためのアクチュエータ等の駆動源や、紙葉類載置台に集積された紙葉類を検知するためのセンサ等を設ける必要がなく、シンプルな構成により、紙葉類の投入時や投出時における紙葉類載置台の動作に連動してコシ付け部材の進退を行うことができる。このため、紙葉類の投入時にのみ紙葉類をコシ付け部材に当接させることができる。
本発明の紙葉類収納カセットにおいては、前記紙葉類載置台は前記筐体の内部において昇降するようになっており、前記進退機構は、前記紙葉類載置台が上昇する際に前記コシ付け部材を前記退避位置に移動させ、前記紙葉類載置台が下降する際に前記コシ付け部材を前記進出位置に移動させるようになっていてもよい。
本発明の紙葉類収納カセットにおいては、前記進退機構は、前記紙葉類載置台が前記収納繰出機構に向かって移動し始めた際に前記コシ付け部材を前記退避位置に移動させ、前記紙葉類載置台が前記収納繰出機構から遠ざかるよう移動し始めた際に前記コシ付け部材を前記進出位置に移動させることが好ましい。このような紙葉類収納カセットによれば、紙葉類載置台が完全に移動し終わらなくとも、紙葉類載置台の少しの動作でコシ付け部材を進出位置や退避位置に移動させることができる。このことにより、筐体の内部への紙葉類の投入や筐体の外部への紙葉類の投出をより迅速に行うことができるようになる。
本発明の紙葉類収納カセットにおいては、前記進退機構にはトルクリミッタが設けられており、当該トルクリミッタは、前記コシ付け部材が前記退避位置または前記進出位置に到達するまでは前記紙葉類載置台の移動に伴って前記コシ付け部材を移動させ、前記コシ付け部材が前記退避位置または前記進出位置に到達したら前記紙葉類載置台の移動による力を前記コシ付け部材に作用させないようになっていることが好ましい。このような紙葉類収納カセットによれば、コシ付け部材が退避位置または進出位置に到達した後に、進退機構を構成する部材に過度の力がかかることを防止することができ、これらの部材が破壊されてしまうことを防止することができる。
本発明の紙葉類収納カセットによれば、シンプルな構成により、紙葉類の投入時や投出時における紙葉類載置台の動作に連動して札叩き用羽根車やコシ付け部材の進退を行うことができ、このため、紙葉類の投入時にのみ紙葉類を札叩き用羽根車やコシ付け部材に当接させることができる。
以下、図面を参照して本発明の一の実施の形態について説明する。図1乃至図8は、本実施の形態に係る紙葉類収納カセットを示す図である。このうち、図1は、本実施の形態における紙葉類収納カセットの外観を示す斜視図であり、図2および図3は、それぞれ、図1に示す紙葉類収納カセットの内部の構成の概略を示す構成図である。また、図4および図5は、それぞれ、図2および図3に示す札叩き用羽根車、コシ付け部材および進退機構の構成の詳細を示す構成図である。また、図6および図7は、それぞれ、図2および図3に示すフィードローラ、ゲートローラ、札叩き用羽根車およびコシ付け部材を図2の左方から見た構成図である。また、図8は、図2に示す進退機構の一部分を示す構成図であって、進退機構を図2の左方から見た図である。
図1に示すように、紙葉類収納カセット10は、略直方体形状の筐体12を有し、紙幣や小切手等の紙葉類を筐体12の内部に収納するようになっている。図1に示すように、紙葉類収納カセット10において、投出入口16が筐体12の上面に設けられている。この投出入口16は、筐体12の外部から内部への紙葉類の投入および筐体12の内部から外部への紙葉類の投出を行うために用いられるようになっている。また、紙葉類収納カセット10の上部には把持部14が設けられており、操作者はこの把持部14を持つことにより紙葉類収納カセット10の持ち運びを行うことができるようになっている。
このような紙葉類収納カセット10は、概して、紙葉類の収納や投出を行うための紙葉類処理装置に着脱自在に収容されている。そして、紙葉類収納カセット10が紙葉類処理装置に収容されたときに、この紙葉類処理装置の本体部分から紙葉類が1枚ずつ紙葉類収納カセット10に送られたり、この紙葉類収納カセット10から紙葉類が1枚ずつ紙葉類処理装置の本体部分に戻されたりするようになっている。
次に、図2および図3を用いて紙葉類収納カセット10の内部の構成の概略について説明する。図2に示すように、紙葉類収納カセット10の筐体12の内部には、投出入口16により筐体12の外部から内部に投入された紙葉類が集積されるステージ(紙葉類載置台)30が設けられている。このステージ30は筐体12の内部において上下方向に往復移動するよう、すなわち昇降するようになっている。また、図2および図3に示すように、ステージ30が昇降する範囲を覆うよう、鉛直方向に延びる案内部材31、32が設けられており、ステージ30上に集積された紙葉類は案内部材31、32により当該ステージ30上に集積された状態から位置がずれないようになっている。
ステージ30は、タイミングベルト33(後述)に接続されており、タイミングベルト33の動作によって当該ステージ30が昇降されるようになっている。このタイミングベルト33、タイミングベルト33を動作するための駆動機構(図示せず)からなる構成をステージ駆動機構という。そして、ステージ駆動機構は、紙葉類を筐体12の外部から内部に投入する際には、図2に示すようにステージ30を降下させるようになっている。一方、ステージ駆動機構は、紙葉類を筐体12の内部から外部に投出する際には、図3に示すようにステージ30を上昇させるようになっている。
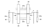
筐体12の内部には収納繰出機構が設けられている。この収納繰出機構は、投出入口16により筐体12の外部から内部に投入された紙葉類をステージ30上に送るとともに、ステージ30上に集積された紙葉類を投出入口16に繰り出すようになっている。この収納繰出機構は、筐体12の内部における上部領域に設けられた、フィードローラ20、ゲートローラ22およびキッカローラ24から構成されている。図6等に示すように、これらのフィードローラ20、ゲートローラ22およびキッカローラ24は、図2の左方から見て左右一対のものとなっている。また、フィードローラ20およびゲートローラ22は互いに当接しており、これらのフィードローラ20とゲートローラ22との間にはニップ部が形成されている。
キッカローラ24はステージ30の真上の位置に設けられている。このキッカローラ24には軸24aが設けられており、この軸24aを中心として回転するようになっている。具体的には、キッカローラ24は、紙葉類を筐体12の内部から外部に投出する際に図3の矢印方向に回転するようになっている。そして、キッカローラ24は、紙葉類を筐体12の内部から外部に投出する際にステージ30が上昇したときに、このステージ30に集積された紙葉類のうち最も上方にある紙葉類の表面に当接し、この当接した紙葉類をフィードローラ20とゲートローラ22との間のニップ部に蹴り出すようになっている。
フィードローラ20には軸20aが設けられており、この軸20aを中心として回転するようになっている。具体的には、フィードローラ20は、紙葉類を筐体12の外部から内部に投入する際には図2の矢印方向に回転し、投出入口16から紙葉類搬送路18(後述)を経てフィードローラ20に送られた紙葉類をステージ30上に送るようになっている。一方、フィードローラ20は、紙葉類を筐体12の内部から外部に投出する際には図3の矢印方向に回転し、キッカローラ24によりフィードローラ20とゲートローラ22との間のニップ部に送られた紙葉類を紙葉類搬送路18に送るようになっている。このフィードローラ20は、図示しないフィードローラ駆動機構により、図2または図3の矢印方向に連続的に回転させられるようになっている。
ゲートローラ22は、図2等に示すようにフィードローラ20に対して当接するよう設けられている。このゲートローラ22には軸22aが設けられている。軸22aはその位置が固定されており、回転しないようになっている。また、ゲートローラ22と軸22aとの間にはトルクリミッタ(図示せず)が配設されている。このトルクリミッタは、ゲートローラ22に対して周方向に沿って予め設定された設定トルク以上の力が加えられたときには、軸22aに対するゲートローラ22の回転を許容するようになっている。一方、トルクリミッタは、ゲートローラ22に加えられる周方向の力が設定トルクよりも小さいときにはゲートローラ22と軸22aとを連動させるようになっている。すなわち、この場合には、軸22aが固定されているので、ゲートローラ22も回転しないようになっている。
ゲートローラ22と軸22aとの間には上述のようなトルクリミッタが設けられているので、フィードローラ20とゲートローラ22との間のニップ部に紙葉類が送られない場合には、前述のようにフィードローラ20はフィードローラ駆動機構により連続的に回転しており、フィードローラ20とゲートローラ22は当接しているのでこのゲートローラ22にもフィードローラ20による連れ回りの力がかかることになる。このようなゲートローラ22にかかる連れ回りの力はトルクリミッタにおける設定トルクよりも大きいため、軸22aに対するゲートローラ22の回転が許容され、ゲートローラ22はフィードローラ20に連れ回るようになる。
一方、1枚の紙葉類がフィードローラ20とゲートローラ22との間のニップ部に送られると、この紙葉類がフィードローラ20とゲートローラ22との間に挟まれるためゲートローラ22にはフィードローラ20による連れ回りの力がかからなくなり、このゲートローラ22に加えられる周方向の力は設定トルクよりも小さくなる。このため、トルクリミッタによりゲートローラ22と軸22aとが連動させられ、軸22aが固定されているのでゲートローラ22も回転しないようになる。このように、フィードローラ20により紙葉類を紙葉類搬送路18からステージ30上に送ったり、ステージ30上の紙葉類を紙葉類搬送路18に送ったりする際には、ゲートローラ22は回転しないこととなる。
紙葉類搬送路18は、フィードローラ20とゲートローラ22との間のニップ部から、投出入口16まで延びるよう設けられている。このような紙葉類搬送路18には複数の案内ローラ25、26、27が設けられており、筐体12の外部から投出入口16に投入された紙葉類は紙葉類搬送路18に沿って案内ローラ25、26、27によりフィードローラ20とゲートローラ22との間のニップ部に送られるようになっている。また、紙葉類を筐体12の内部から外部に投出する際に、フィードローラ20によりこのフィードローラ20とゲートローラ22との間のニップ部から繰り出された紙葉類は、紙葉類搬送路18に沿って案内ローラ25、26、27により投出入口16に送られるようになっている。
また、筐体12の内部におけるフィードローラ20やゲートローラ22の近傍には札叩き用羽根車60が設けられている。図6等に示すように、札叩き用羽根車60は、左右一対のフィードローラ20やゲートローラ22の左右方向外方にそれぞれ2つずつ、左右一対で合計4つのものが設けられている。この札叩き用羽根車60は例えばゴムから形成されており、軸60bを中心として回転するとともに、この軸60bから放射状に複数延びる札叩き部分60aにより、フィードローラ20からステージ30に送られる紙葉類を叩くようになっている。札叩き用羽根車60は、図2、図4および図6に示すような進出位置と、図3、図5および図7に示すような退避位置との間で往復移動するようになっている。
札叩き用羽根車60が図2に示すような進出位置にあるときには、この札叩き用羽根車60はフィードローラ20の回転駆動に連動して図2の時計回り方向に連続的に回転し、この札叩き用羽根車60の札叩き部分60aはフィードローラ20とゲートローラ22との間のニップ部と同じ高さレベルの位置まで進出し、このニップ部を通過してステージ30に送られる紙葉類を札叩き部分60aが叩くようになっている(図6参照)。一方、札叩き用羽根車60が図3に示すような退避位置にあるときには、この札叩き用羽根車60は図2に示すような進出位置から下方に退避しており、札叩き用羽根車60の札叩き部分60aは紙葉類の搬送経路から外れるようになっている。この際に、札叩き用羽根車60は停止したままである。このため、札叩き用羽根車60が図3に示すような退避位置にあるときには、ステージ30上にある紙葉類がキッカローラ24によりフィードローラ20とゲートローラ22との間のニップ部に送られたとき、この紙葉類は札叩き用羽根車60の札叩き部分60aに当接しない(図7参照)。このような進出位置と退避位置との間での札叩き用羽根車60の往復移動は、後述する進退機構により行われるようになっている。
また、筐体12の内部におけるフィードローラ20やゲートローラ22の近傍にはコシ付け部材62が設けられている。図6等に示すように、コシ付け部材62は、左右一対のフィードローラ20やゲートローラ22の左右方向外方にそれぞれ2つずつ、左右一対で合計4つのものが設けられている。設けられている。なお、左右一対のコシ付け部材62は、左右一対の札叩き用羽根車60よりも内側に設けられている。コシ付け部材62は例えばステンレス鋼等の金属から形成されており、図6に示すようにフィードローラ20からステージ30に送られる紙葉類を波形状に変形させてコシを付けるようになっている。より具体的には、コシ付け部材62は、図2、図4および図6に示すような進出位置と、図3、図5および図7に示すような退避位置との間で往復移動するようになっている。
コシ付け部材62が図2に示すような進出位置にあるときには、このコシ付け部材62はフィードローラ20とゲートローラ22との間に挟まれる紙葉類に当接して当該紙葉類の一部分を上方に持ち上げ、この紙葉類を波形状に変形させるようになっている(図6参照)。一方、コシ付け部材62が図3に示すような退避位置にあるときには、このコシ付け部材62は図2に示すような進出位置から下方に退避しており、フィードローラ20とゲートローラ22との間に挟まれる紙葉類には当接しないようになる(図7参照)。このため、コシ付け部材62が図3に示すような退避位置にあるときには、ステージ30上にある紙葉類がキッカローラ24によりフィードローラ20とゲートローラ22との間のニップ部に送られたとき、この紙葉類はコシ付け部材62に当接しない。このような進出位置と退避位置との間でのコシ付け部材62の往復移動は、後述する進退機構により行われるようになっている。
次に、札叩き用羽根車60やコシ付け部材62を進出位置と退避位置との間で往復移動させる進退機構の構成について説明する。この進退機構は、ステージ30、札叩き用羽根車60およびコシ付け部材62にそれぞれ接続され、ステージ30の昇降に連動して札叩き用羽根車60およびコシ付け部材62をそれぞれ進出位置と退避位置との間で往復移動させるようになっている。具体的には、進退機構は、ステージ30が収納繰出機構(フィードローラ20、ゲートローラ22およびキッカローラ24)に向かって移動する際に、すなわちステージ30が上昇する際に札叩き用羽根車60およびコシ付け部材62をそれぞれ退避位置に移動させる。また、進退機構は、ステージ30が収納繰出機構(フィードローラ20、ゲートローラ22およびキッカローラ24)から遠ざかるよう移動する際に、すなわちステージ30が下降する際に札叩き用羽根車60およびコシ付け部材62をそれぞれ進出位置に移動させる。以下、このような進退機構の具体的な構成について詳述する。
図2および図3に示すように、筐体12の内部には無端状の例えばゴムベルトからなるタイミングベルト33が設けられている。このタイミングベルト33は複数のプーリ34、36、38、40、42に張架されており、図2および図3の矢印方向にそれぞれ循環移動することができるようになっている。ここで、ステージ30には取付部30aが設けられており、タイミングベルト33はこの取付部30aに取り付けられている。このため、ステージ駆動機構からの駆動力がプーリ36に伝わることによりステージ30が昇降させられると、このタイミングベルト33もステージ30の昇降に合わせて循環移動させられるようになっている。より具体的には、紙葉類を筐体12の外部から内部に投入する際に、ステージ駆動機構がステージ30を降下させると、タイミングベルト33は図2の矢印方向に循環移動させられ、プーリ42が図2の時計回りに回転する。一方、紙葉類を筐体12の内部から外部に投出する際に、ステージ駆動機構からの駆動力がプーリ36に伝えられ、ステージ30を上昇させると、タイミングベルト33は図3の矢印方向に循環移動させられ、プーリ42が図2の反時計回りに回転する。
図8に示すように、プーリ42には水平方向に延びる軸42aが取り付けられており、この軸42aの先端部分にはトルクリミッタ43が設けられている。そして、トルクリミッタ43にはカム部材44が設けられている。トルクリミッタ43は、カム部材44に対して予め設定された設定トルク以上の力が加えられたときには、このカム部材44に対する軸42aの回転を許容するようになっている。一方、トルクリミッタ43は、カム部材44に加えられる周方向の力が設定トルクよりも小さいときにはカム部材44と軸42aとを連動させるようになっている。このようなトルクリミッタ43が設けられていることにより、プーリ42が回転することにより軸42aが回転したときには、通常時は(すなわち、カム部材44が自由に回転することができるときには)軸42aの回転に伴ってカム部材44も回転することとなる。しかしながら、軸42aを回転させることによりカム部材44を回転させた際に、カム部材44をこれ以上回転させることができなくなった場合には、トルクリミッタ43は、カム部材44に対する軸42aの回転を許容するようになるので、軸42aは回転し続けるがカム部材44は停止することとなる。
前述のように、カム部材44はトルクリミッタ43に接続されている。ここで、図4等に示すように、カム部材44は略長円形の形状となっており、その中心から偏心した箇所と、トルクリミッタ43の中心位置とが位置合わせされている(図4等参照)。そして、トルクリミッタ43の中心位置から外れた位置において、カム部材44には第1の棒状部材46の端部に設けられた第1の軸46aが接続されている。ここで、第1の棒状部材46は、第1の軸46aを中心としてカム部材44に対して回転自在となっている。そして、第1の軸46aはトルクリミッタ43の中心から離間しているので、カム部材44が回転すると第1の軸46aもトルクリミッタ43の中心位置を中心として回転するようになっている。
図4等に示すように、第1の棒状部材46における第1の軸46aとは反対側の端部には第2の軸46bが設けられている。この第2の軸46bは、第2の棒状部材48の下端部に接続されている。ここで、第1の棒状部材46は、第2の軸46bを中心として第2の棒状部材48に対して回転自在となっている。
第2の棒状部材48は、ステージ30の昇降方向(図4等の上下方向)に延びるように
なっている。この第2の棒状部材48はステージ30の昇降方向に沿って往復移動するようになっている。また、図8に示すように、第2の棒状部材48の周囲には、当該第2の棒状部材48におけるステージ30の昇降方向に沿った往復移動を案内する案内部材47が設けられている。このような案内部材47が設けられていることにより、第1の棒状部材46が移動したときに第2の棒状部材48はステージ30の昇降方向に沿って確実に移動するようになる。
図4等に示すように、コシ付け部材62は第1の支持部材52により支持されている。具体的には、第1の支持部材52はコシ付け部材62の下部に取り付けられている。そして、この第1の支持部材52の下端部に、第2の棒状部材48の上端部が接続されている。このため、第2の棒状部材48がステージ30の昇降方向(図4等の上下方向)に沿って移動すると、コシ付け部材62および第1の支持部材52もステージ30の昇降方向に沿って移動するようになっている。
また、札叩き用羽根車60は第2の支持部材58により支持されている。具体的には、第2の支持部材58に札叩き用羽根車60の軸60bが接続されており、札叩き用羽根車60は第2の支持部材58に対して軸60bを中心として回転するようになっている。この第2の支持部材58には、第1のピン58aおよび第2のピン58bが設けられている。第1のピン58aは第2の支持部材58の下端部に設けられており、第2のピン58bは第1のピン58aよりも上方の位置に設けられている。第2の支持部材58は、第1のピン58aにより第1の支持部材52に枢支されている。すなわち、第2の支持部材58は、第1の支持部材52に対して第1のピン58aを中心として回転するようになっている。
一方、第2の支持部材58の近傍において、板状部材50が筐体12に固定されている。この板状部材50は位置固定となっている。この板状部材50には、第1の開口部50aおよび第2の開口部50bが設けられている。第1の開口部50aは、ステージ30の昇降方向(図4等の上下方向)に沿って延びる長円形の形状となっている。一方、第2の開口部50bは、ステージ30の昇降方向(図4等の上下方向)に対して傾斜して延びる長円形の形状となっている。そして、板状部材50の第1の開口部50aには第2の支持部材58の第1のピン58aが挿入され、板状部材50の第2の開口部50bには第2の支持部材58の第2のピン58bが挿入されるようになっている。このため、第2の棒状部材48がステージ30の昇降方向(図4等の上下方向)に沿って移動すると、第1の支持部材52もステージ30の昇降方向に沿って移動するが、第2の支持部材58は第1のピン58aにより第1の支持部材52に枢支されているので、第2の支持部材58もステージ30の昇降方向に沿って移動する。この際に、第2の支持部材58の第1のピン58aは板状部材50の第1の開口部50a内で移動し、第2の支持部材58の第2のピン58bは板状部材50の第2の開口部50b内で移動する。
また、第2の開口部50bはステージ30の昇降方向(図4等の上下方向)に対して傾斜して延びる長円形の形状となっているので、第1の支持部材52が図4に示すような位置から図5に示すような位置に移動すると、第2の支持部材58は図5に示すようにステージ30の昇降方向に対して傾斜するようになる。
上述のように、進退機構は、タイミングベルト33、プーリ42、トルクリミッタ43、カム部材44、第1の棒状部材46、案内部材47、第2の棒状部材48、板状部材50、第1の支持部材52および第2の支持部材58等により構成されている。
次に、このような構成からなる紙葉類収納カセット10の動作について以下に説明する。具体的には、紙葉類を紙葉類収納カセット10の筐体12の外部から内部に投入する際の動作、および紙葉類を紙葉類収納カセット10の筐体12の内部から外部に投出する際の動作についてそれぞれ説明する。
まず、紙葉類を紙葉類収納カセット10の筐体12の外部から内部に投入する際の動作について図2、図4および図6を用いて説明する。
紙葉類を筐体12の外部から内部に投入する際に、まず、図2に示すようにステージ駆動機構(図示せず)によりプーリ36を駆動し、タイミングベルト33を動作してステージ30を下降させる。このことにより、ステージ30の上方に紙葉類の収納スペースが設けられることとなる。ここで、ステージ30が下降すると、タイミングベルト33は図2の矢印方向に循環移動し、プーリ42は時計回りに回転する。このため、プーリ42の回転に伴って軸42aも回転し、図4に示すようにカム部材44も図4の時計回りに回転する。このため、第1の軸46aによりカム部材44に接続された第1の棒状部材46が上方に移動し、この第1の棒状部材46に接続された第2の棒状部材48も上方に移動する。このことにより、第2の棒状部材48に接続された第1の支持部材52も上方に移動するのでこの第1の支持部材52に固定されたコシ付け部材62が上方に移動し、このコシ付け部材62は図2および図6に示すような進出位置に到達する。
また、第1の支持部材52が上方に移動することにより、この第1の支持部材52に対して第1のピン58aを介して枢支された第2の支持部材58も上方に移動する。この際に、第2の支持部材58の第1のピン58aが板状部材50の第1の開口部50aに沿って上方に案内され、一方、第2の支持部材58の第2のピン58bが板状部材50の第2の開口部50bに沿って斜め上方に案内される。このため、第2の支持部材58により支持された札叩き用羽根車60が上方に移動し、この札叩き用羽根車60は図2および図6に示すような進出位置に到達する。ここで、札叩き用羽根車60が進出位置に位置すると、この札叩き用羽根車60はフィードローラ20の回転駆動に連動して図2の時計回り方向に連続的に回転する。
このようにして、ステージ30を下降させると、進退機構により札叩き用羽根車60およびコシ付け部材62は進出位置に移動することとなる。なお、札叩き用羽根車60およびコシ付け部材62が進出位置に到達すると、第1の支持部材50および第2の支持部材58を上方にこれ以上移動させることができなくなるため、カム部材44も図4に示す状態からこれ以上回転させることができなくなる。このため、トルクリミッタ43により、カム部材44に対する軸42aの回転が許容されるようになるので、ステージ30の下降に伴って軸42aは回転し続けるがカム部材44は停止することとなる。
その後、投出入口16により紙葉類が1枚ずつ筐体12の内部に投入されると、この紙葉類は紙葉類搬送路18を経てフィードローラ20とゲートローラ22との間のニップ部に送られ、このニップ部に送られた紙葉類はフィードローラ20によりステージ30上に送られる。この際に、図6に示すように、フィードローラ20からステージ30に送られる紙葉類は札叩き用羽根車60の札叩き部分60aにより叩かれることとなる。このため、紙葉類を迅速にステージ30上に落下させることができるとともに、ステージ30上で紙葉類が縦向きになることはなく横向きの積層状態で集積されることとなる。
また、図6に示すように、フィードローラ20とゲートローラ22との間のニップ部に送られた紙葉類は、コシ付け部材62により波形状に変形させられる。このことにより、紙葉類にコシを付けることができる。
次に、紙葉類を紙葉類収納カセット10の筐体12の内部から外部に投出する際の動作について図3、図5および図7を用いて説明する。
紙葉類を筐体12の内部から外部に投出する際に、まず、図3に示すようにステージ駆動機構(図示せず)によりプーリ36を駆動してステージ30を上昇させる。このことにより、ステージ30上に集積された紙葉類を収納繰出機構のキッカローラ24に当接させることができる。ここで、ステージ30が上昇すると、タイミングベルト33は図3の矢印方向に循環移動し、プーリ42は反時計回りに回転する。このため、プーリ42の回転に伴って軸42aも回転し、図5に示すようにカム部材44も図5の反時計回りに回転する。このため、第1の軸46aによりカム部材44に接続された第1の棒状部材46が下方に移動し、この第1の棒状部材46に接続された第2の棒状部材48も下方に移動する。このことにより、第2の棒状部材48に接続された第1の支持部材52も下方に移動するのでこの第1の支持部材52に固定されたコシ付け部材62が下方に移動し、このコシ付け部材62は図3や図7に示すような退避位置に到達する。
また、第1の支持部材52が下方に移動することにより、この第1の支持部材52に対して第1のピン58aを介して枢支された第2の支持部材58も下方に移動する。この際に、第2の支持部材58の第1のピン58aが板状部材50の第1の開口部50aに沿って下方に案内され、一方、第2の支持部材58の第2のピン58bが板状部材50の第2の開口部50bに沿って斜め下方に案内される。このため、第2の支持部材58により支持された札叩き用羽根車60が下方に移動し、この札叩き用羽根車60は図3や図7に示すような退避位置に到達する。ここで、札叩き用羽根車60が退避位置に位置すると、この札叩き用羽根車60はフィードローラ20の回転駆動に連動することなく停止することとなる。
このようにして、ステージ30を上昇させると、進退機構により札叩き用羽根車60およびコシ付け部材62は退避位置に移動することとなる。なお、札叩き用羽根車60およびコシ付け部材62が退避位置に到達すると、第1の支持部材50および第2の支持部材58を下方にこれ以上移動させることができなくなるため、カム部材44も図5に示す状態からこれ以上回転させることができなくなる。このため、トルクリミッタ43により、カム部材44に対する軸42aの回転が許容されるようになるので、ステージ30の上昇に伴って軸42aは回転し続けるがカム部材44は停止することとなる。
その後、ステージ30が上昇することによりこのステージ30上に集積された紙葉類がキッカローラ24に当接する。そして、キッカローラ24により、ステージ30に集積された紙葉類のうち最も上方にある紙葉類をフィードローラ20とゲートローラ22との間のニップ部に蹴り出す。ニップ部に送られた紙葉類は、フィードローラ20により紙葉類搬送路18に送られ、この紙葉類は最終的には投出入口16まで搬送されることとなる。このことにより、紙葉類収納カセット10の筐体12の外部へ紙葉類が投出される。この際に、札叩き用羽根車60およびコシ付け部材62はそれぞれ図7に示すような退避位置にあるので、紙葉類の投出が行われる間に紙葉類がこれらの札叩き用羽根車60およびコシ付け部材62に当接することはなく、紙葉類の搬送が札叩き用羽根車60やコシ付け部材62により邪魔されることはない。
以上のように本実施の形態の紙葉類収納カセット10によれば、札叩き用羽根車60は、進出位置と退避位置との間で往復移動するようになっており、この札叩き用羽根車60が進出位置にあるときに、投出入口16により筐体12の外部から内部に投入された紙葉類が収納繰出機構によりステージ30上に送られる際にこの紙葉類を叩くようになっており、この札叩き用羽根車60が退避位置にあるときに、ステージ30上に集積された紙葉類が収納繰出機構により投出入口16に繰り出される際にこの紙葉類に当接しないようになっている。また、進退機構により、ステージ30の往復移動に連動して札叩き用羽根車60を進出位置と退避位置との間で往復移動させるようになっており、ステージ30が収納繰出機構に向かって移動する際に札叩き用羽根車60を退避位置に移動させ、ステージ30が収納繰出機構から遠ざかるよう移動する際に札叩き用羽根車60を進出位置に移動させるようになっている。このように、進退機構により、ステージ30の往復移動に連動して札叩き用羽根車60を進出位置と退避位置との間で往復移動させるようになっているので、札叩き用羽根車60を駆動させるためのアクチュエータ等の駆動源や、ステージ30上に集積された紙葉類を検知するセンサ等を設ける必要がなく、シンプルな構成により、紙葉類の投入時や投出時におけるステージ30の動作に連動して札叩き用羽根車60の進退を行うことができる。このため、紙葉類の投入時にのみ紙葉類を札叩き用羽根車60に当接させることができる。
また、本実施の形態の紙葉類収納カセット10によれば、コシ付け部材62は、進出位置と退避位置との間で往復移動するようになっており、このコシ付け部材62が進出位置にあるときに、投出入口16により筐体12の外部から内部に投入された紙葉類が収納繰出機構によりステージ30上に送られる際にこの紙葉類に当接してコシを付けるようになっており、このコシ付け部材62が退避位置にあるときに、ステージ30上に集積された紙葉類が収納繰出機構により投出入口16に繰り出される際にこの紙葉類に当接しないようになっている。また、進退機構により、ステージ30の往復移動に連動してコシ付け部材62を進出位置と退避位置との間で往復移動させるようになっており、ステージ30が収納繰出機構に向かって移動する際にコシ付け部材62を退避位置に移動させ、ステージ30が収納繰出機構から遠ざかるよう移動する際にコシ付け部材62を進出位置に移動させるようになっている。このように、進退機構により、ステージ30の往復移動に連動してコシ付け部材62を進出位置と退避位置との間で往復移動させるようになっているので、コシ付け部材62を駆動させるためのアクチュエータ等の駆動源や、ステージ30上に集積された紙葉類を検知するセンサ等を設ける必要がなく、シンプルな構成により、紙葉類の投入時や投出時におけるステージ30の動作に連動してコシ付け部材62の進退を行うことができる。このため、紙葉類の投入時にのみ紙葉類をコシ付け部材62に当接させることができる。
ここで、進退機構は、ステージ30が収納繰出機構に向かって移動し始めた際に札叩き用羽根車60やコシ付け部材62を退避位置に移動させ、ステージ30が収納繰出機構から遠ざかるよう移動し始めた際に札叩き用羽根車60やコシ付け部材62を進出位置に移動させるようになっている。このため、ステージ30が完全に移動し終わらなくとも、ステージ30の少しの動作で札叩き用羽根車60やコシ付け部材62を進出位置や退避位置に移動させることができる。このことにより、筐体12の内部への紙葉類の投入や筐体12の外部への紙葉類の投出をより迅速に行うことができるようになる。
また、進退機構にはトルクリミッタ43が設けられており、このトルクリミッタ43は、プーリ42が回転することにより軸42aが回転したときには、通常時は軸42aの回転に伴ってカム部材44も回転させるようになっているが、カム部材44をこれ以上回転させることができなくなった場合には、カム部材44に対する軸42aの回転を許容するようになっている。このため、軸42aは回転し続けるがカム部材44は停止することとなる。このように、トルクリミッタ43は、札叩き用羽根車60やコシ付け部材62が退避位置または進出位置に到達するまではステージ30の移動に伴って札叩き用羽根車60やコシ付け部材62を移動させ、札叩き用羽根車60やコシ付け部材62が退避位置または進出位置に到達したらステージ30の移動による力を札叩き用羽根車60やコシ付け部材62に作用させないようになっている。このため、札叩き用羽根車60やコシ付け部材62が退避位置または進出位置に到達した後に、カム部材44や第1の棒状部材46、第2の棒状部材48等に過度の力がかかることを防止することができ、これらの部材が破壊されてしまうことを防止することができる。
なお、本発明による紙葉類収納カセットは、上記の態様に限定されるものではなく、様々の変更を加えることができる。例えば、図1乃至図8に示す紙葉類収納カセット10では、進退機構は、ステージ30の往復移動に連動して札叩き用羽根車60およびコシ付け部材62の両方を進出位置と退避位置との間で往復移動させるようになっているが、このような例に限定されることはなく、進退機構が、ステージ30の往復移動に連動して札叩き用羽根車60またはコシ付け部材62のうちいずれか一方のみを進出位置と退避位置との間で往復移動させるようになっていてもよい。
また、ステージ30の往復移動に連動して札叩き用羽根車60を進出位置と退避位置との間で往復移動させる進退機構と、ステージ30の往復移動に連動してコシ付け部材62を進出位置と退避位置との間で往復移動させる進退機構とを別々のものとして紙葉類収納カセット10に設けるようになっていてもよい。
本発明の一の実施の形態における紙葉類収納カセットの外観を示す斜視図である。 図1に示す紙葉類収納カセットの内部の構成の概略を示す構成図であって、紙葉類を筐体の外部から内部に投入する際の状態を示す図である。 図1に示す紙葉類収納カセットの内部の構成の概略を示す構成図であって、紙葉類を筐体の内部から外部に投出する際の状態を示す図である。 図2に示す札叩き用羽根車、コシ付け部材および進退機構の構成の詳細を示す構成図であって、紙葉類を筐体の外部から内部に投入する際の状態を示す図である。 図3に示す札叩き用羽根車、コシ付け部材および進退機構の構成の詳細を示す構成図であって、紙葉類を筐体の内部から外部に投出する際の状態を示す図である。 図2に示すフィードローラ、ゲートローラ、札叩き用羽根車およびコシ付け部材を図2の左方から見た構成図であって、紙葉類を筐体の外部から内部に投入する際の状態を示す図である。 図3に示すフィードローラ、ゲートローラ、札叩き用羽根車およびコシ付け部材を図3の左方から見た構成図であって、紙葉類を筐体の内部から外部に投出する際の状態を示す図である。 図2に示す進退機構の一部分を示す構成図であって、進退機構を図2の左方から見た図である。
符号の説明
10 紙葉類収納カセット
12 筐体
14 把持部
16 投出入口
18 紙葉類搬送路
20 フィードローラ
20a 軸
22 ゲートローラ
22a 軸
24 キッカローラ
24a 軸
25、26、27 案内ローラ
30 ステージ(紙葉類載置台)
30a 取付部
31 案内部材
32 案内部材
33 タイミングベルト
34、36、38、40 プーリ
42 プーリ
42a 軸
43 トルクリミッタ
44 カム部材
46 第1の棒状部材
46a 第1の軸
46b 第2の軸
47 案内部材
48 第2の棒状部材
50 板状部材
50a 第1の開口部
50b 第2の開口部
52 第1の支持部材
58 第2の支持部材
58a 第1のピン
58b 第2のピン
60 札叩き用羽根車
60a 札叩き部分
60b 軸
62 コシ付け部材

Claims (9)

  1. 筐体と、
    前記筐体の外部から内部への紙葉類の投入および前記筐体の内部から外部への紙葉類の投出を行うための投出入口と、
    前記筐体の内部において往復移動するよう設けられ、前記投出入口により前記筐体の外部から内部に投入された紙葉類が集積される紙葉類載置台と、
    前記筐体の内部に設けられ、前記投出入口により前記筐体の外部から内部に投入された紙葉類を前記紙葉類載置台に送るとともに前記紙葉類載置台に集積された紙葉類を前記投出入口に繰り出す収納繰出機構と、
    前記筐体の内部に設けられ、進出位置と退避位置との間で往復移動するようになっている札叩き用羽根車であって、この札叩き用羽根車が進出位置にあるときに、前記投出入口により前記筐体の外部から内部に投入された紙葉類が前記収納繰出機構により前記紙葉類載置台に送られる際にこの紙葉類を叩くよう構成され、この札叩き用羽根車が退避位置にあるときに、前記紙葉類載置台に集積された紙葉類が前記収納繰出機構により前記投出入口に繰り出される際にこの紙葉類に当接しないような札叩き用羽根車と、
    前記紙葉類載置台および前記札叩き用羽根車にそれぞれ接続され、前記紙葉類載置台の往復移動に連動して前記札叩き用羽根車を進出位置と退避位置との間で往復移動させる進退機構であって、前記紙葉類載置台が前記収納繰出機構に向かって移動する際に前記札叩き用羽根車を前記退避位置に移動させ、前記紙葉類載置台が前記収納繰出機構から遠ざかるよう移動する際に前記札叩き用羽根車を前記進出位置に移動させるような進退機構と、
    を備えたことを特徴とする紙葉類収納カセット。
  2. 前記紙葉類載置台は前記筐体の内部において昇降するようになっており、
    前記進退機構は、前記紙葉類載置台が上昇する際に前記札叩き用羽根車を前記退避位置に移動させ、前記紙葉類載置台が下降する際に前記札叩き用羽根車を前記進出位置に移動させることを特徴とする請求項1記載の紙葉類収納カセット。
  3. 前記進退機構は、前記紙葉類載置台が前記収納繰出機構に向かって移動し始めた際に前記札叩き用羽根車を前記退避位置に移動させ、前記紙葉類載置台が前記収納繰出機構から遠ざかるよう移動し始めた際に前記札叩き用羽根車を前記進出位置に移動させることを特徴とする請求項1または2記載の紙葉類収納カセット。
  4. 前記進退機構にはトルクリミッタが設けられており、当該トルクリミッタは、前記札叩き用羽根車が前記退避位置または前記進出位置に到達するまでは前記紙葉類載置台の移動に伴って前記札叩き用羽根車を移動させ、前記札叩き用羽根車が前記退避位置または前記進出位置に到達したら前記紙葉類載置台の移動による力を前記札叩き用羽根車に作用させないようになっていることを特徴とする請求項3記載の紙葉類収納カセット。
  5. 前記筐体の内部に設けられ、前記進退機構に接続され、進出位置と退避位置との間で往復移動するようになっているコシ付け部材であって、このコシ付け部材が進出位置にあるときに、前記投出入口により前記筐体の外部から内部に投入された紙葉類が前記収納繰出機構により前記紙葉類載置台に送られる際にこの紙葉類に当接してコシを付けるよう構成され、このコシ付け部材が退避位置にあるときに、前記紙葉類載置台に集積された紙葉類が前記収納繰出機構により前記投出入口に繰り出される際にこの紙葉類に当接しないようなコシ付け部材を更に備え、
    前記進退機構は、前記紙葉類載置台が前記収納繰出機構に向かって移動する際に前記コシ付け部材を前記退避位置に移動させ、前記紙葉類載置台が前記収納繰出機構から遠ざかるよう移動する際に前記コシ付け部材を前記進出位置に移動させることを特徴とする請求項1乃至4のいずれか一項に記載の紙葉類収納カセット。
  6. 筐体と、
    前記筐体の外部から内部への紙葉類の投入および前記筐体の内部から外部への紙葉類の投出を行うための投出入口と、
    前記筐体の内部において往復移動するよう設けられ、前記投出入口により前記筐体の外部から内部に投入された紙葉類が集積される紙葉類載置台と、
    前記筐体の内部に設けられ、前記投出入口により前記筐体の外部から内部に投入された紙葉類を前記紙葉類載置台に送るとともに前記紙葉類載置台に集積された紙葉類を前記投出入口に繰り出す収納繰出機構と、
    前記筐体の内部に設けられ、進出位置と退避位置との間で往復移動するようになっているコシ付け部材であって、このコシ付け部材が進出位置にあるときに、前記投出入口により前記筐体の外部から内部に投入された紙葉類が前記収納繰出機構により前記紙葉類載置台に送られる際にこの紙葉類に当接してコシを付けるよう構成され、このコシ付け部材が退避位置にあるときに、前記紙葉類載置台に集積された紙葉類が前記収納繰出機構により前記投出入口に繰り出される際にこの紙葉類に当接しないようなコシ付け部材と、
    前記紙葉類載置台および前記コシ付け部材にそれぞれ接続され、前記紙葉類載置台の往復移動に連動して前記コシ付け部材を進出位置と退避位置との間で往復移動させる進退機構であって、前記紙葉類載置台が前記収納繰出機構に向かって移動する際に前記コシ付け部材を前記退避位置に移動させ、前記紙葉類載置台が前記収納繰出機構から遠ざかるよう移動する際に前記コシ付け部材を前記進出位置に移動させるような進退機構と、
    を備えたことを特徴とする紙葉類収納カセット。
  7. 前記紙葉類載置台は前記筐体の内部において昇降するようになっており、
    前記進退機構は、前記紙葉類載置台が上昇する際に前記コシ付け部材を前記退避位置に移動させ、前記紙葉類載置台が下降する際に前記コシ付け部材を前記進出位置に移動させることを特徴とする請求項6記載の紙葉類収納カセット。
  8. 前記進退機構は、前記紙葉類載置台が前記収納繰出機構に向かって移動し始めた際に前記コシ付け部材を前記退避位置に移動させ、前記紙葉類載置台が前記収納繰出機構から遠ざかるよう移動し始めた際に前記コシ付け部材を前記進出位置に移動させることを特徴とする請求項6または7記載の紙葉類収納カセット。
  9. 前記進退機構にはトルクリミッタが設けられており、当該トルクリミッタは、前記コシ付け部材が前記退避位置または前記進出位置に到達するまでは前記紙葉類載置台の移動に伴って前記コシ付け部材を移動させ、前記コシ付け部材が前記退避位置または前記進出位置に到達したら前記紙葉類載置台の移動による力を前記コシ付け部材に作用させないようになっていることを特徴とする請求項8記載の紙葉類収納カセット。
JP2008226273A 2008-09-03 2008-09-03 紙葉類収納カセット Expired - Fee Related JP5602350B2 (ja)

Priority Applications (1)

Application Number Priority Date Filing Date Title
JP2008226273A JP5602350B2 (ja) 2008-09-03 2008-09-03 紙葉類収納カセット

Applications Claiming Priority (1)

Application Number Priority Date Filing Date Title
JP2008226273A JP5602350B2 (ja) 2008-09-03 2008-09-03 紙葉類収納カセット

Publications (2)

Publication Number Publication Date
JP2010058905A true JP2010058905A (ja) 2010-03-18
JP5602350B2 JP5602350B2 (ja) 2014-10-08

Family

ID=42186186

Family Applications (1)

Application Number Title Priority Date Filing Date
JP2008226273A Expired - Fee Related JP5602350B2 (ja) 2008-09-03 2008-09-03 紙葉類収納カセット

Country Status (1)

Country Link
JP (1) JP5602350B2 (ja)

Citations (4)

* Cited by examiner, † Cited by third party
Publication number Priority date Publication date Assignee Title
JPH02291370A (ja) * 1989-04-28 1990-12-03 Omron Corp 紙葉類処理装置の出入れ機構
JP2001341947A (ja) * 2000-06-06 2001-12-11 Murata Mach Ltd 用紙搬送装置
JP2003155158A (ja) * 2001-11-21 2003-05-27 Takamisawa Cybernetics Co Ltd 紙葉類収納庫および紙葉類処理装置
JP2008174373A (ja) * 2007-01-22 2008-07-31 Murata Mach Ltd 自動原稿搬送装置、原稿読取装置及びイメージスキャナ装置

Patent Citations (4)

* Cited by examiner, † Cited by third party
Publication number Priority date Publication date Assignee Title
JPH02291370A (ja) * 1989-04-28 1990-12-03 Omron Corp 紙葉類処理装置の出入れ機構
JP2001341947A (ja) * 2000-06-06 2001-12-11 Murata Mach Ltd 用紙搬送装置
JP2003155158A (ja) * 2001-11-21 2003-05-27 Takamisawa Cybernetics Co Ltd 紙葉類収納庫および紙葉類処理装置
JP2008174373A (ja) * 2007-01-22 2008-07-31 Murata Mach Ltd 自動原稿搬送装置、原稿読取装置及びイメージスキャナ装置

Also Published As

Publication number Publication date
JP5602350B2 (ja) 2014-10-08

Similar Documents

Publication Publication Date Title
JP3929762B2 (ja) 紙葉類集積繰出装置
JP5602350B2 (ja) 紙葉類収納カセット
CN117342324A (zh) 一种包装袋上袋系统
CN1881262A (zh) 纸币处理装置
JP5456285B2 (ja) 紙葉類収納カセットおよび紙葉類処理装置
CN109287382A (zh) 一种定角度菌袋打眼机
JP5144764B2 (ja) 紙葉類収納カセット
JP2010189182A (ja) 紙受け装置及び印刷機
JP4042304B2 (ja) 紙葉類収納装置
JP4252080B2 (ja) 紙葉類集積繰出装置
JP5150844B2 (ja) 給紙装置
JP2018192563A (ja) ステープル除去装置
JP4232716B2 (ja) ステープラ用カートリッジ
JP2008272126A (ja) 弾球遊技機
JP2008105859A (ja) 紙葉類集積繰出装置
CN207788151U (zh) 插片式叶轮装配机的取片机构
JP3995880B2 (ja) カード発行装置
JP6598470B2 (ja) 紙葉類処理装置
JP5025233B2 (ja) 紙幣処理装置
JP5145100B2 (ja) 紙幣収納装置
JP6607995B2 (ja) 折込用広告束紙揃え搬送装置、及び折込用広告束紙揃え搬送装置付き丁合機
JPH0726910Y2 (ja) ロールベーラにおけるピックアップ装置
JP2011157170A (ja) 用紙処理装置
JP6438994B2 (ja) 折込用広告束紙揃え搬送装置、及び折込用広告束紙揃え搬送装置付き丁合機
JP4991997B2 (ja) 給紙装置

Legal Events

Date Code Title Description
A621 Written request for application examination

Free format text: JAPANESE INTERMEDIATE CODE: A621

Effective date: 20110802

A977 Report on retrieval

Free format text: JAPANESE INTERMEDIATE CODE: A971007

Effective date: 20121119

A131 Notification of reasons for refusal

Free format text: JAPANESE INTERMEDIATE CODE: A131

Effective date: 20121127

A521 Request for written amendment filed

Free format text: JAPANESE INTERMEDIATE CODE: A523

Effective date: 20130123

A02 Decision of refusal

Free format text: JAPANESE INTERMEDIATE CODE: A02

Effective date: 20130726

A521 Request for written amendment filed

Free format text: JAPANESE INTERMEDIATE CODE: A523

Effective date: 20131024

A911 Transfer to examiner for re-examination before appeal (zenchi)

Free format text: JAPANESE INTERMEDIATE CODE: A911

Effective date: 20131101

A912 Re-examination (zenchi) completed and case transferred to appeal board

Free format text: JAPANESE INTERMEDIATE CODE: A912

Effective date: 20140110

A61 First payment of annual fees (during grant procedure)

Free format text: JAPANESE INTERMEDIATE CODE: A61

Effective date: 20140820

R150 Certificate of patent or registration of utility model

Ref document number: 5602350

Country of ref document: JP

Free format text: JAPANESE INTERMEDIATE CODE: R150

LAPS Cancellation because of no payment of annual fees