JP2010035331A - 車両用回転電機 - Google Patents

車両用回転電機 Download PDF

Info

Publication number
JP2010035331A
JP2010035331A JP2008194857A JP2008194857A JP2010035331A JP 2010035331 A JP2010035331 A JP 2010035331A JP 2008194857 A JP2008194857 A JP 2008194857A JP 2008194857 A JP2008194857 A JP 2008194857A JP 2010035331 A JP2010035331 A JP 2010035331A
Authority
JP
Japan
Prior art keywords
field
field winding
voltage
current
capacitor
Prior art date
Legal status (The legal status is an assumption and is not a legal conclusion. Google has not performed a legal analysis and makes no representation as to the accuracy of the status listed.)
Granted
Application number
JP2008194857A
Other languages
English (en)
Other versions
JP5024222B2 (ja
Inventor
Kazuteru Yamada
一輝 山田
Current Assignee (The listed assignees may be inaccurate. Google has not performed a legal analysis and makes no representation or warranty as to the accuracy of the list.)
Denso Corp
Original Assignee
Denso Corp
Priority date (The priority date is an assumption and is not a legal conclusion. Google has not performed a legal analysis and makes no representation as to the accuracy of the date listed.)
Filing date
Publication date
Application filed by Denso Corp filed Critical Denso Corp
Priority to JP2008194857A priority Critical patent/JP5024222B2/ja
Priority to DE200910034423 priority patent/DE102009034423A1/de
Publication of JP2010035331A publication Critical patent/JP2010035331A/ja
Application granted granted Critical
Publication of JP5024222B2 publication Critical patent/JP5024222B2/ja
Expired - Fee Related legal-status Critical Current
Anticipated expiration legal-status Critical

Links

Images

Classifications

    • HELECTRICITY
    • H02GENERATION; CONVERSION OR DISTRIBUTION OF ELECTRIC POWER
    • H02PCONTROL OR REGULATION OF ELECTRIC MOTORS, ELECTRIC GENERATORS OR DYNAMO-ELECTRIC CONVERTERS; CONTROLLING TRANSFORMERS, REACTORS OR CHOKE COILS
    • H02P9/00Arrangements for controlling electric generators for the purpose of obtaining a desired output
    • H02P9/48Arrangements for obtaining a constant output value at varying speed of the generator, e.g. on vehicle
    • HELECTRICITY
    • H02GENERATION; CONVERSION OR DISTRIBUTION OF ELECTRIC POWER
    • H02PCONTROL OR REGULATION OF ELECTRIC MOTORS, ELECTRIC GENERATORS OR DYNAMO-ELECTRIC CONVERTERS; CONTROLLING TRANSFORMERS, REACTORS OR CHOKE COILS
    • H02P9/00Arrangements for controlling electric generators for the purpose of obtaining a desired output
    • H02P9/14Arrangements for controlling electric generators for the purpose of obtaining a desired output by variation of field
    • H02P9/38Self-excitation by current derived from rectification of both output voltage and output current of generator
    • HELECTRICITY
    • H02GENERATION; CONVERSION OR DISTRIBUTION OF ELECTRIC POWER
    • H02PCONTROL OR REGULATION OF ELECTRIC MOTORS, ELECTRIC GENERATORS OR DYNAMO-ELECTRIC CONVERTERS; CONTROLLING TRANSFORMERS, REACTORS OR CHOKE COILS
    • H02P2101/00Special adaptation of control arrangements for generators
    • H02P2101/45Special adaptation of control arrangements for generators for motor vehicles, e.g. car alternators

Landscapes

  • Engineering & Computer Science (AREA)
  • Power Engineering (AREA)
  • Control Of Eletrric Generators (AREA)

Abstract

【課題】複雑な構成の追加や高コスト化、出力低下を伴うことなく時定数を低減することができる車両用回転電機を提供すること。
【解決手段】車両用交流発電機1は、回転子の界磁極を磁化させる界磁巻線4と、界磁極により発生する回転磁界によって交流電圧誘起する電機子と、電機子に誘起された交流電圧を直流に変換する整流器3と、界磁巻線4に通電する界磁電流を調整することにより出力電圧を制御する基準電圧調整回路50と、基準電圧調整回路50によって調整される界磁電流を増強あるいは減衰して界磁巻線4に供給するブートストラップ回路51とを有する電圧制御装置5とを備える。
【選択図】図1

Description

本発明は、乗用車やトラック等に搭載される車両用回転電機に関する。
自動車のエレクトロニクス化が進むに従い、電気負荷の増加に伴って車両用発電機は体格アップによる大型化により物理的に対応してきた。これらは言わば、ロータコイルの大型化および励磁電流の増加での対応といってよい。その副産物としてロータイナーシャの増大、また相対的なプーリ比の増加によるベルトスリップやバタツキなどの発生が問題となってきている。また、近年のコンパクトコンポーネントに伴うV型エンジンのトレンドや、燃費向上制御による気筒休止など偶力発生要因に起因した回転変動の問題が顕著化してきている。これらの問題に対し車両メーカーおよび各部品メーカーは変動吸収機能を持たせたプーリを採用することにより対応を図っている。しかしながら、これらは本質的に機械部品によるリニア動作であるため、エンジンコンポーネント毎の設定が必要となる不合理性を伴い、また耐久性などの信頼性の問題も懸念されている。
これらの背景から、エンジンコンポーネントに依存しないアクティブな制御により、クラッチプーリやダンパープーリと同等の機能を車両用発電機のトルク制御で行う試みもある(例えば、特許文献1参照。)が、実現のための根本的な問題として電気的時定数の大きさがネックとなっており、電気的時定数の低減が望まれる。
また、燃費向上の他の手段の一つとして、アイドル時のエンジンストップ、再始動に対応して、車両用発電機に電動機の機能を付加した発電電動機が搭載される車両もある。このような発電電動機では、電動機として動作する際に迅速な駆動トルクの発生が望まれるが、この場合にも電気的時定数の低減が必要であった。電気的時定数を低減する従来技術としては、時定数の小さい第2の界磁コイルを回転子に並列接続するものがある(例えば、特許文献2参照。)。
特開2003−174797号公報(第5−10頁、図1−13) 特開2003−174798号公報(第4−7頁、図1−8)
ところで、特許文献2に開示された構成では、回転子の限られたスペースに2種類のコイルを巻くことになるため、工数増加に伴う高コスト化や起磁力減少に伴う出力低下などが発生するという問題があった。
また、特許文献1に開示された構成では、コイルの励磁電流の立ち上がりを早く、すなわち実質的に時定数を小さくするために、限定の条件下で励磁電圧を高電圧にしている。このため、高電圧切り替え機構や高電圧電源等の複雑な構成の追加が必要であって車両用発電機の制御装置が複雑になるとともに、高電圧に対応した絶縁性の向上が必要になり、高コスト化を招くという問題があった。
本発明は、このような点に鑑みて創作されたものであり、その目的は、複雑な構成の追加や高コスト化、出力低下を伴うことなく時定数を低減することができる車両用回転電機を提供することにある。また、本発明の他の目的は、電動機として動作する際に迅速な駆動力発生を実現することができる車両用回転電機を提供することにある。
上述した課題を解決するために、本発明の車両用回転電機は、回転子の界磁極を磁化させる界磁巻線と、界磁極により発生する回転磁界によって交流電圧誘起する電機子と、電機子に誘起された交流電圧を直流に変換する整流器と、界磁巻線に通電する界磁電流を調整することにより出力電圧を制御する基準電圧調整回路と、基準電圧調整回路によって調整される界磁電流を増強あるいは減衰して界磁巻線に供給するブートストラップ回路とを有する電圧制御装置とを備えている。
ブートストラップ回路を備えることにより、界磁電流を増強して界磁巻線に短時間に大きな界磁電流を流すとともに短時間で界磁電流を減衰させることが可能になり、電気的時定数を低減することができる。しかも、巻線の追加等が不要であって、複雑な構成の追加や高コスト化、出力低下を抑えることができる。電気的時定数の低減に伴って、車両用回転電機を電動機として動作させる場合には、迅速な駆動力発生を実現することができる。
また、上述した基準電圧調整回路は、整流器の出力電圧が基準値となるように調整する制御信号を出力し、ブートストラップ回路は、基準電圧調整回路から出力される制御信号に対する昇圧動作と回生充電動作とを界磁巻線に対して行うことが望ましい。具体的には、上述したブートストラップ回路は、バッテリ電力を界磁巻線に供給する第1のダイオードと、界磁巻線に発生した逆起電力を回生充電するコンデンサと、界磁巻線に発生した逆起電力をコンデンサに供給する第2のダイオードと、コンデンサによる回生充電動作と、コンデンサの充電電力を界磁巻線に放電する動作とを切り替えるスイッチング素子とを備えることが望ましい。
従来、界磁巻線に発生した逆起電力は、界磁巻線とこれに並列接続される環流ダイオードとによって形成される閉回路によって、界磁巻線の抵抗成分と環流ダイオードの抵抗成分により熱エネルギーとして放熱消費される。これに対し、本発明では、スイッチング素子が開成された後、界磁巻線に発生する逆起電力を第2のダイオードを介して界磁巻線への逆流を防止しつつコンデンサへ回生充電させ、短時間に界磁巻線に流れる界磁電流を減衰させることができる。また、スイッチング素子が閉成された界磁巻線への界磁電流供給時には、回生充電されたコンデンサの端子電圧と本来界磁巻線に印加される電圧(例えばバッテリの端子電圧)とが加算された高電圧が界磁巻線に印加され、短時間に界磁電流を増強供給することができる。
また、上述したスイッチング素子は、電界効果型トランジスタであり、制御信号によりオンオフ制御が行われることが望ましい。これにより、界磁巻線に接続されたスイッチング素子を制御信号に基づいて単純にオンオフする従来構成と同様にスイッチング素子をオンオフ制御すればよいため、ブートストラップ回路を制御するための複雑な構成が不要となり、構成の簡素化を図ることができる。
また、上述したブートストラップ回路は、界磁巻線の逆起電力を回生利用して発生した高電圧を界磁巻線に印加することが望ましい。これにより、従来無駄に消費されていた界磁巻線の環流電流を有効利用することができ、発電効率の向上が可能となるとともに、高電圧発生のための電源が不要となる。
以下、本発明の車両用回転電機を適用した一実施形態の車両用交流発電機について、図面を参照しながら説明する。図1は、一実施形態の車両用交流発電機の構成を示す図である。図1に示すように、本実施形態の車両用交流発電機1は、電機子巻線2、整流器3、界磁巻線4および電圧制御装置5を含んで構成されている。
電機子巻線2は、多相巻線(例えば三相巻線)であって、電機子鉄心に巻装されて電機子を構成している。電機子巻線2に誘起される交流出力が整流器3に供給される。整流器3は、電機子巻線2に誘起された交流電圧を直流に変換する全波整流回路である。例えば、電機子巻線2の各相に対応する整流素子としてダイオードが用いられている。界磁巻線4は、電機子巻線2に電圧を誘起させるために必要な鎖交磁束を発生する。この界磁巻線4は、界磁極(図示せず)に巻装されて回転子を構成しており、界磁巻線に界磁電流を流すことにより界磁極が磁化される。
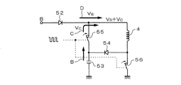
電圧制御装置5は、界磁巻線4に通電する界磁電流を調整することにより、車両用交流発電機1の出力電圧を所定範囲内に制御する。このために、電圧制御装置5は、基準電圧調整回路50とブートストラップ回路51とを含んで構成されている。基準電圧調整回路50は、界磁巻線4に通電する界磁電流を調整することにより車両用交流発電機1の出力電圧を制御する。具体的には、基準電圧調整回路50は、整流器3の出力電圧が基準値となるように調整する制御信号を出力することにより、出力電圧の制御を行っている。
ブートストラップ回路51は、基準電圧調整回路50から出力される制御信号に対する昇圧動作と回生充電動作とを界磁巻線4に対して行うことにより、界磁巻線4に流れる界磁電流を増強あるいは減衰する。具体的には、ブートストラップ回路51は、バッテリ6から供給される電力を界磁巻線4に供給するダイオード(第1のダイオード)52と、界磁巻線4に発生した逆起電力を回生充電するコンデンサ53と、界磁巻線4に発生した逆起電力をコンデンサ53に供給するダイオード(第2のダイオード)54と、コンデンサ53による回生充電動作とコンデンサ53の充電電力を界磁巻線に放電する動作とを切り替えるスイッチング素子としてのFET(電界効果型トランジスタ)55、56と、レベルシフト回路57とを備えている。2つのFET55、56は、基準電圧調整回路50から出力される制御信号がゲートに入力されており、この制御信号に基づいてオンオフされる。但し、一方のFET55のゲートと基準電圧調整回路50との間にはレベルシフト回路57が挿入されており、基準電圧調整回路50から出力される制御信号の電圧レベルがバイアスされてFET55のゲートに入力される。これにより、ソースの電位が異なる2つのFET55、56を共通の制御信号に基づいて同時にオンオフ制御することが可能となる。
なお、図1に示した車両用交流発電機1では1組の電機子巻線2および整流器3が備わっていたが、図2に示す車両用交流発電機1Aのように2組の電機子巻線2および整流器3が備わっている場合であってもよい。
本実施形態の車両用交流発電機1はこのような構成を有しており、次にその動作を説明する。ブートストラップ回路51は、基準電圧制御回路50から出力される制御信号の電圧レベルに応じて2つの動作モードの動作を交互に繰り返す。具体的には、制御信号がハイレベルのときにFET55、56がオンされて「昇圧放電」モードの動作が行われ、反対に、制御信号がローレベルのときにFET55、56がオフされて「回生充電」モード動作が行われる。この制御信号は、所定周期のオンオフを繰り返すPWM(パルス幅変調)信号であり、基準電圧調整回路50は、整流器3の出力電圧が所定の基準電圧(調整電圧)よりも低いときに制御信号のオンデューティを高く設定し、整流器3の出力電圧が所定の基準電圧よりも高いときに制御信号のオンデューティを低く設定する。
図3は、回生充電モードにおける動作の説明図である。図4は、昇圧放電モードにおける動作の説明図である。図5は、2つの動作モードにおける各部の状態を示す図である。
<回生充電モードの動作>
制御信号がローレベルのときにFET55、56はともにオフされる。界磁巻線4にはその直前まで、ダイオード52およびFET56を介した経路に沿って界磁電流が流れており、FET56がオフされると界磁巻線4にはその瞬間に大きな逆起電力が発生する。この逆起電力による電流がダイオード54を介してコンデンサ53に供給され、コンデンサ53が回生充電される。このときの電流経路が図3では矢印Aで示されている。
<昇圧放電モードの動作>
次に制御信号がハイレベルに変化してFET55、56がともにオンされると、コンデンサ53にそれまで充電された電流がFET55を介して放電される(図4の矢印B、C)。この放電電流は、バッテリ6から供給される電流(図4の矢印D)とともに界磁巻線4に供給される。このため、界磁巻線4には、バッテリ電圧VBとコンデンサ電圧VCとを加算した高電圧VB+VCが印加される。
図6は、界磁電流の変化を示す図である。図7は、界磁電流の立ち上がり時点(昇圧放電モードの開始時点)の詳細を示す図である。図8は、界磁電流の立ち下がり時点(回生充電モードの開始時点)の詳細を示す図である。これらの図において、If1は本実施形態の界磁巻線4に流れる界磁電流を、If2は比較のために従来構成(界磁巻線と環流ダイオードが並列接続された構成)における界磁電流をそれぞれ示している。また、VGはFET55、56のそれぞれのゲートに印加される電圧であって、基準電圧調整回路50から出力される制御信号の電圧レベルを示している。図6および図7に示すように、本実施形態の構成では、FET55、56がオンされると、コンデンサ53による放電電圧分が上乗せされた高電圧が励磁巻線4に印加されるため、急速に界磁電流が立ち上がる。また、FET55、56がオフされると、界磁電流がコンデンサ53に流れ込んで充電に用いられるため、急速に界磁電流が減衰する。
図9は、昇圧放電モード開始直後の界磁巻線4の入力電力Pf、入力電圧Vf、入力電流Ifの変化の様子を示す図である。FET55、56がオンされた後にコンデンサ53に充電された電力(電荷)の放電が始まるため、界磁巻線4の入力電圧Vfは、オン直後が最も高くなり、放電が進むにつれて急速に減少し、所定時間経過後にほぼ一定となる。一方、界磁巻線4の入力電流Vfは、オン直後から徐々に増加し、所定時間経過後にほぼ一定とする。界磁巻線4の入力電力Pfは、入力電圧Vfと入力電流Ifとを掛けたものであるから、オン直後に速やかに増加してピークに達し、その後減少したのち、ほぼ一定の値を維持する。なお、このピーク部分に対応する電力は回生充電された分であり、コンデンサ53の放電電力によるものである。
図10は、回生充電モード開始直後の界磁巻線4の入力電力Pf、入力電圧Vf、入力電流Ifの変化の様子を示す図である。FET55、56がオフされると界磁巻線4に逆起電力が発生するため、界磁巻線4の入力電圧Vfは、オフ直後から急激に上昇する。このとき、界磁巻線4には大きな電流Ifが流れ、この電流Ifは時間とともに徐々に減少する。界磁巻線4の入力電力Pfは、入力電圧Vfと入力電流Ifとを掛けたものであるから、オフ直後に速やかに減少してピークに達し、その後増加したのち、ほぼ一定の値を維持する。なお、このピーク部分に対応する電力はコンデンサ53に回生充電される分である。
図11は、コンデンサ53の容量と充電エネルギーおよび放電エネルギーの関係を示す図である。図11(A)にはFET55、56をオンした後の充電エネルギーの推移が、図11(B)にはFET55、56をオフした後の放電エネルギーの推移がそれぞれ示されている。また、図11において、C1はコンデンサ53の静電容量が50μFの場合を、C2はコンデンサ53の静電容量が1000μFの場合を示している。充放電の速度はコンデンサ53の静電容量で決まるのではなく、コンデンサ53に蓄積された電荷Qに依存する。
このように、本実施形態の車両用交流発電機1では、ブートストラップ回路51を備えることにより、界磁電流を増強して界磁巻線4に短時間に大きな界磁電流を流すとともに短時間で界磁電流を減衰させることが可能になり、電気的時定数を低減することができる。しかも、巻線の追加等が不要であって、複雑な構成の追加や高コスト化、出力低下を抑えることができる。
特に、本実施形態では、FET55、56が開成された後、界磁巻線4に発生する逆起電力をダイオード54を介して界磁巻線4への逆流を防止しつつコンデンサ53へ回生充電させ、短時間に界磁巻線4に流れる界磁電流を減衰させることができる。また、FET55、56が閉成された界磁巻線4への界磁電流供給時には、回生充電されたコンデンサ53の端子電圧と本来界磁巻線4に印加されるバッテリ端子電圧とが加算された高電圧が界磁巻線4に印加され、短時間に界磁電流を増強供給することができる。
また、スイッチング素子としてFET55、56を用い、制御信号によりオンオフ制御を行うことにより、界磁巻線4に接続されたスイッチング素子を制御信号に基づいて単純にオンオフする従来構成と同様にこれらのFET55、56をオンオフ制御すればよいため、ブートストラップ回路51を制御するための複雑な構成が不要となり、構成の簡素化を図ることができる。
また、ブートストラップ回路51は、界磁巻線4の逆起電力を回生利用して発生した高電圧を界磁巻線4に印加しているため、従来無駄に消費されていた界磁巻線4の環流電流を有効利用することができ、発電効率の向上が可能となるとともに、高電圧発生のための電源が不要となる。
なお、本発明は上記実施形態に限定されるものではなく、本発明の要旨の範囲内において種々の変形実施が可能である。例えば、上述した実施形態では、発電機能を有する車両用交流発電機1について説明したが、発電機と電動機の機能を有する車両用回転電機についても本発明を適用するようにしてもよい。この場合には、電気的時定数の低減に伴って、車両用回転電機を電動機として動作させる場合に迅速な駆動力発生を実現することができる。
一実施形態の車両用交流発電機の構成を示す図である。 車両用交流発電機の変形例を示す図である。 回生充電モードにおける動作の説明図である。 昇圧放電モードにおける動作の説明図である。 2つの動作モードにおける各部の状態を示す図である。 界磁電流の変化を示す図である。 界磁電流の立ち上がり時点(昇圧放電モードの開始時点)の詳細を示す図である。 界磁電流の立ち下がり時点(回生充電モードの開始時点)の詳細を示す図である。 昇圧放電モード開始直後の界磁巻線の入力電力Pf、入力電圧Vf、入力電流Ifの変化の様子を示す図である。 回生充電モード開始直後の界磁巻線4の入力電力Pf、入力電圧Vf、入力電流Ifの変化の様子を示す図である。 コンデンサの容量と充電エネルギーおよび放電エネルギーの関係を示す図である。
符号の説明
1 車両用交流発電機
2 電機子巻線
3 整流器
4 界磁巻線
5 電圧制御装置
50 基準電圧調整回路
51 ブートストラップ回路
52、54 ダイオード
53 コンデンサ
55、56 FET
57 レベルシフト回路

Claims (5)

  1. 回転子の界磁極を磁化させる界磁巻線と、
    前記界磁極により発生する回転磁界によって交流電圧誘起する電機子と、
    前記電機子に誘起された交流電圧を直流に変換する整流器と、
    前記界磁巻線に通電する界磁電流を調整することにより出力電圧を制御する基準電圧調整回路と、前記基準電圧調整回路によって調整される界磁電流を増強あるいは減衰して前記界磁巻線に供給するブートストラップ回路とを有する電圧制御装置と、
    を備えることを特徴とする車両用回転電機。
  2. 請求項1において、
    前記基準電圧調整回路は、前記整流器の出力電圧が基準値となるように調整する制御信号を出力し、
    前記ブートストラップ回路は、前記基準電圧調整回路から出力される制御信号に対する昇圧動作と回生充電動作とを前記界磁巻線に対して行うことを特徴とする車両用回転電機。
  3. 請求項2において、
    前記ブートストラップ回路は、
    バッテリ電力を前記界磁巻線に供給する第1のダイオードと、
    前記界磁巻線に発生した逆起電力を回生充電するコンデンサと、
    前記界磁巻線に発生した逆起電力を前記コンデンサに供給する第2のダイオードと、
    前記コンデンサによる回生充電動作と、前記コンデンサの充電電力を前記界磁巻線に放電する動作とを切り替えるスイッチング素子と、
    を備えることを特徴とする車両用回転電機。
  4. 請求項3において、
    前記スイッチング素子は、電界効果型トランジスタであり、前記制御信号によりオンオフ制御が行われることを特徴とする車両用回転電機。
  5. 請求項1〜4のいずれかにおいて、
    前記ブートストラップ回路は、前記界磁巻線の逆起電力を回生利用して発生した高電圧を前記界磁巻線に印加することを特徴とする車両用回転電機。
JP2008194857A 2008-07-29 2008-07-29 車両用回転電機 Expired - Fee Related JP5024222B2 (ja)

Priority Applications (2)

Application Number Priority Date Filing Date Title
JP2008194857A JP5024222B2 (ja) 2008-07-29 2008-07-29 車両用回転電機
DE200910034423 DE102009034423A1 (de) 2008-07-29 2009-07-23 Rotierende elektrische Maschine für Fahrzeuge

Applications Claiming Priority (1)

Application Number Priority Date Filing Date Title
JP2008194857A JP5024222B2 (ja) 2008-07-29 2008-07-29 車両用回転電機

Publications (2)

Publication Number Publication Date
JP2010035331A true JP2010035331A (ja) 2010-02-12
JP5024222B2 JP5024222B2 (ja) 2012-09-12

Family

ID=41501540

Family Applications (1)

Application Number Title Priority Date Filing Date
JP2008194857A Expired - Fee Related JP5024222B2 (ja) 2008-07-29 2008-07-29 車両用回転電機

Country Status (2)

Country Link
JP (1) JP5024222B2 (ja)
DE (1) DE102009034423A1 (ja)

Cited By (3)

* Cited by examiner, † Cited by third party
Publication number Priority date Publication date Assignee Title
JP2012210086A (ja) * 2011-03-30 2012-10-25 Mitsubishi Electric Corp 車両用交流発電機の発電制御装置
US9843281B2 (en) 2014-02-04 2017-12-12 Kohler, Co. Field current profile
KR20180045966A (ko) * 2016-10-26 2018-05-08 현대자동차주식회사 권선형 동기 전동기를 이용한 충전 시스템

Families Citing this family (1)

* Cited by examiner, † Cited by third party
Publication number Priority date Publication date Assignee Title
DE102018102145B4 (de) 2018-01-31 2019-10-02 Infineon Technologies Ag Schaltung, System und Verfahren zum Polarisieren von magnetischem Material zur Entladung von Erregerspulen

Citations (4)

* Cited by examiner, † Cited by third party
Publication number Priority date Publication date Assignee Title
JPH04322134A (ja) * 1991-04-23 1992-11-12 Hitachi Ltd 充電発電機の界磁制御装置
JP2006050695A (ja) * 2004-08-02 2006-02-16 Denso Corp 発電制御装置
JP2007082283A (ja) * 2005-09-12 2007-03-29 Denso Corp 車両用交流発電機
JP2008172851A (ja) * 2007-01-05 2008-07-24 Denso Corp 車両用交流発電機の制御装置

Family Cites Families (2)

* Cited by examiner, † Cited by third party
Publication number Priority date Publication date Assignee Title
JP3982247B2 (ja) 2001-12-06 2007-09-26 株式会社デンソー 車両用発電機の制御装置
JP3932876B2 (ja) 2001-12-06 2007-06-20 株式会社デンソー 車両用交流発電機

Patent Citations (4)

* Cited by examiner, † Cited by third party
Publication number Priority date Publication date Assignee Title
JPH04322134A (ja) * 1991-04-23 1992-11-12 Hitachi Ltd 充電発電機の界磁制御装置
JP2006050695A (ja) * 2004-08-02 2006-02-16 Denso Corp 発電制御装置
JP2007082283A (ja) * 2005-09-12 2007-03-29 Denso Corp 車両用交流発電機
JP2008172851A (ja) * 2007-01-05 2008-07-24 Denso Corp 車両用交流発電機の制御装置

Cited By (5)

* Cited by examiner, † Cited by third party
Publication number Priority date Publication date Assignee Title
JP2012210086A (ja) * 2011-03-30 2012-10-25 Mitsubishi Electric Corp 車両用交流発電機の発電制御装置
US9843281B2 (en) 2014-02-04 2017-12-12 Kohler, Co. Field current profile
US10063175B2 (en) 2014-02-04 2018-08-28 Kohler Co. Field current profile
KR20180045966A (ko) * 2016-10-26 2018-05-08 현대자동차주식회사 권선형 동기 전동기를 이용한 충전 시스템
KR101966501B1 (ko) 2016-10-26 2019-08-14 현대자동차주식회사 권선형 동기 전동기를 이용한 충전 시스템

Also Published As

Publication number Publication date
DE102009034423A1 (de) 2010-02-11
JP5024222B2 (ja) 2012-09-12

Similar Documents

Publication Publication Date Title
JP4116292B2 (ja) ハイブリッド車用電動発電システム
KR100649989B1 (ko) 전환형 자기 저항 장치용 변환기 회로, 전환형 자기 저항 구동 장치, 전환형 자기 저항 구동 장치의 동작 방법, 및 전환형 자기 저항 장치의 위상 권선을 통전시키는 방법
JP4291235B2 (ja) 車両用電源装置
US7816805B2 (en) Power supply system with multiphase motor and multiphase inverter
JP3797972B2 (ja) 車両用発電電動機システム
JP4852644B2 (ja) 発電電動機駆動装置および発電電動機駆動装置のキャパシタの電荷の放電方法
JP2006060947A (ja) 車載電源システム
US7135784B2 (en) Fast torque control of a belted alternator starter
JPWO2001021431A1 (ja) ハイブリッド車における電動発電機及びその制御方法
CN102470812A (zh) 车辆用电源系统
US20150051820A1 (en) Method for Preparing the Start-Up of an Internal Combustion Engine With the Aid of a Belt-Driven Starter Generator
CN109478863B (zh) Sr电动机控制系统和sr电动机控制方法
JP3770220B2 (ja) ハイブリッド自動二輪車及びハイブリッド自動二輪車用動力伝達装置
JP5024222B2 (ja) 車両用回転電機
JP2007082283A (ja) 車両用交流発電機
JPH03230798A (ja) 車体振動低減制御装置
US6707275B2 (en) Automative generator control apparatus
KR101507863B1 (ko) 전기자동차 구동장치
CN103975520B (zh) 用于运行机动车中外激励的电机的方法
JP3783639B2 (ja) 車両用交流発電電動装置
JP5040855B2 (ja) 車両用交流発電機
CN103958884B (zh) 运行一用于机动车的车载网络的能量供给单元的方法
JP2004328911A (ja) 車両用交流発電機
JP4450085B2 (ja) 車両用発電制御装置
JP5094748B2 (ja) 内燃機関用アクチュエータ装置

Legal Events

Date Code Title Description
A621 Written request for application examination

Free format text: JAPANESE INTERMEDIATE CODE: A621

Effective date: 20091126

A977 Report on retrieval

Free format text: JAPANESE INTERMEDIATE CODE: A971007

Effective date: 20120314

A131 Notification of reasons for refusal

Free format text: JAPANESE INTERMEDIATE CODE: A131

Effective date: 20120327

A521 Written amendment

Free format text: JAPANESE INTERMEDIATE CODE: A523

Effective date: 20120427

TRDD Decision of grant or rejection written
A01 Written decision to grant a patent or to grant a registration (utility model)

Free format text: JAPANESE INTERMEDIATE CODE: A01

Effective date: 20120522

A01 Written decision to grant a patent or to grant a registration (utility model)

Free format text: JAPANESE INTERMEDIATE CODE: A01

A61 First payment of annual fees (during grant procedure)

Free format text: JAPANESE INTERMEDIATE CODE: A61

Effective date: 20120604

FPAY Renewal fee payment (event date is renewal date of database)

Free format text: PAYMENT UNTIL: 20150629

Year of fee payment: 3

R151 Written notification of patent or utility model registration

Ref document number: 5024222

Country of ref document: JP

Free format text: JAPANESE INTERMEDIATE CODE: R151

R250 Receipt of annual fees

Free format text: JAPANESE INTERMEDIATE CODE: R250

R250 Receipt of annual fees

Free format text: JAPANESE INTERMEDIATE CODE: R250

R250 Receipt of annual fees

Free format text: JAPANESE INTERMEDIATE CODE: R250

R250 Receipt of annual fees

Free format text: JAPANESE INTERMEDIATE CODE: R250

R250 Receipt of annual fees

Free format text: JAPANESE INTERMEDIATE CODE: R250

LAPS Cancellation because of no payment of annual fees