JP2010031357A - 耐クリープマグネシウム合金 - Google Patents
耐クリープマグネシウム合金 Download PDFInfo
- Publication number
- JP2010031357A JP2010031357A JP2009123515A JP2009123515A JP2010031357A JP 2010031357 A JP2010031357 A JP 2010031357A JP 2009123515 A JP2009123515 A JP 2009123515A JP 2009123515 A JP2009123515 A JP 2009123515A JP 2010031357 A JP2010031357 A JP 2010031357A
- Authority
- JP
- Japan
- Prior art keywords
- sample
- magnesium alloy
- alloy
- creep
- mass
- Prior art date
- Legal status (The legal status is an assumption and is not a legal conclusion. Google has not performed a legal analysis and makes no representation as to the accuracy of the status listed.)
- Granted
Links
Images
Landscapes
- Continuous Casting (AREA)
Abstract
【解決手段】Alを6.5〜11.0質量%、Caを0.3〜1.9質量%、Snを0.15〜1.5質量%、Mnを0.1〜0.5質量%、Srを0.01〜0.3質量%、Naを0.03〜0.5質量%含み残部がMgおよび不可避的不純物からなる耐クリープマグネシウム合金であり、特にAlが8.00〜11.0重量%であることが好ましい。
【選択図】図9
Description
また、耐クリープ性に優れた合金としては、Mg−Al−Si−Sn系合金が提案されている(例えば、特許文献2参照)。この合金は、質量%でAlが0.0〜4.0%、Siが0.2〜2.0%、Snが6.0〜20.0%を含み、残部がMg及び不純物からなる合金である。
また、耐クリープ性及び耐食性に優れた合金としては、Mg−Al−Ca−Sn−Mn系合金が提案されている(例えば、特許文献3参照)。この合金は、質量%でAlが4.7〜7.3%、Caが1.8〜3.2%、Snが0.3〜2.2%、Mnが0.17〜0.60%を含み、残部がMg及び不純物からなる合金である。
そこで本発明は、耐クリープ性、耐食性、鋳造性、防燃性及び防振性に優れた耐クリープマグネシウム合金を提供することを目的とする。
Srを0.01〜0.3質量%、Naを0.03〜0.5質量%含み残部がMgおよび不可避的不純物からなることを特徴とする耐クリープマグネシウム合金を提供している。特にAlが8.0〜11.0質量%であることが好ましい。特にCaが1.3〜1.9質量%であることが好ましい。
(実験1)
実験1では、テストピース形状での鋳造性(割れ性)の評価を行った。実験に用いた試料の組成は表1に示すとおりである。 ここで、試料1が特開2001−316752の合金−1、試料3が特開2001−316752の合金−2、試料4が特開2004−238676の合金−1、試料5が本実施の形態のマグネシウム合金−1、試料6及び試料9がSnの添加質量%が本実施の形態の範囲外である合金であり、試料7が本実施の形態のマグネシウム合金−2(0.8%Sn)、試料8が本実施の形態のマグネシウム合金−3(1.5%Sn)、試料10が本実施の形態のマグネシウム合金−4(0.3Ca)、試料11が本実施の形態のマグネシウム合金−5(1.5%Ca)試料12及び試料13がCaの添加質量%が本実施の形態の範囲外である合金となる。
本発明の実施の形態の合金と比較材料について耐クリープ性の実験を行った。250℃の温度雰囲気で43時間曲げ加重を負荷する耐クリープ性実験Iと200℃の温度雰囲気で100時間曲げ加重を負荷する耐クリープ性実験IIとを行いそれぞれ変位を測定した。耐クリープ性実験Iでは、試料14(本実施の形態のマグネシウム合金−6)、試料15、試料16、試料17(特開2004−238676の合金−2)、試料18(AZ91D−1)及び試料19(ADC12)を用いて図5Aに示す試験片2を鋳造した。耐クリープ性実験IIでは、試料14(本実施の形態のマグネシウム合金−6)、試料20(本実施の形態のマグネシウム合金−7)、試料15、試料16、試料17(特開2004−238676の合金−2)、試料21、試料22、試料19(ADC12)を用いて図5−1に示す試験片2を鋳造した。試験片2は、ASTMのB−85の引張試験片(平行部の直径6.35mm、標点間距離57.5mm、長さ210mm)であり、図5−2で示されるように、試験片2の両端を支持台3a、3bにて支持し、支持台3aと3bの間の距離は150mmとし、試験片2の中央部に19.6Nの荷重を所定の時間かけ、試験片2に曲げ変位を生じさせた。
本発明の実施の形態の合金と比較材料について、塩水噴霧試験(JISZ2371)により耐食性の実験を行った。実験に用いた合金の種類及び腐食率を表4に示す。試料23は本実施の形態のマグネシウム合金−8、試料25は特開2004−238676の合金−3、試料26はSnの添加質量%が本実施の形態の範囲外である合金、試料27はAZ91D−2、試料29は特開2001−316752の合金−3となる。
Mg合金の溶解、鋳造時のMg合金溶湯の防燃性は、鋳造性、生産性に影響を及ぼす不可欠の要素である。防燃効果の無い合金は、鋳造温度を上げることができないため、湯流れ不良や充填不良が発生する。特に、Mg合金は鋳造温度の影響が大きいため、防燃効果は不可欠である。溶湯温度の制御可能な温度目安は、680℃から730℃程度でこれ以上の溶湯温度で鋳造すると、インゴット投入時などで着火して燃焼反応し、燃焼を制御できなくなる。
本実施の形態のマグネシウム合金と比較材料についての防燃性の評価を行った。実験方法は、700℃に溶湯温度を保持して表面の酸化物を除去し、10分間沈静した後、蓋を開けて着火時間を測定するというものである。実験に用いた合金の種類を表5に示す。表6の着火時間は、着火が2箇所になった時の時間を測定したものである。試料32は特開2004−238676の合金−4、試料33は本実施の形態のマグネシウム合金−9、試料34はAM60Bである。
次に各Na成分の防燃性に及ぼす影響について調査を行った。実験4−1と同様の方法で、表7に示す合金について実験を行った。試料36は特開2004−23876の合金−4、試料38は本実施の形態のマグネシウム合金−10、試料39は本実施の形態のマグネシウム合金−11、試料40は本実施の形態のマグネシウム合金−12となる。
Na添加により防燃効果が向上するが、さらにAl成分を増加させることによって防燃効果は向上する。特に、Alが多いほど効果が大きい。よってAlの添加量を変化させた表9に示す合金について実験を行った。試料41は本実施の形態のマグネシウム合金−13、試料42は本実施の形態のマグネシウム合金−14、試料43は特開2004−238676の合金−5、試料44本実施の形態のマグネシウム合金−15、試料45は本実施の形態のマグネシウム合金−16となる。
本実施の形態のマグネシウム合金と比較材料についての引張特性の調査を行った。表11に示す金属について実験を行った。試料46は本実施の形態のマグネシウム合金−17、試料47は本実施の形態のマグネシウム合金−18、試料48は本実施の形態のマグネシウム合金−19、試料49は特開2004−238676の合金−6、試料50はADC12となる。
本発明の実施の形態のマグネシウム合金と比較材料について防振性の実験を行った。防振性は、振動や音に対して影響を及ぼすことから、実際の製品に導入された場合は重要な特性である。試料1(特開2001−316752の合金−1)、試料4(特開2004−238676の合金)、試料5(本実施の形態のマグネシウム合金−1)、試料27(AZ91D−2)、試料19(ADC12)について実験を行った。図13の試験片を用いて防振性の評価を行った。ハンマ-で冶具ヘッドに入力を与えて固定振動数を求め,対数減衰率を以下の式を用いて計算した。
式(1)において、fnは1次固有振動数、ΔXは時間変化量、ΔYは変化量である。
図5−1に示す試験片にて、試料5(本実施の形態のマグネシウム合金−1)、試料47(本実施の形態のマグネシウム合金−18)、試料1(特開2001−316752の合金−1)、試料27(AZ91D−2)、及び試料50(ADC12)について引張特性の調査を行った。
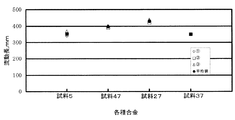
図16に示す湯流れ試験片を用いて表13に示す条件で、試料5(本実施の形態のマグネシウム合金−1、Al6.5%)、試料47(本実施の形態のマグネシウム合金−18 Al8.5%)、試料27(AZ91D−2)、試料37について湯流れ試験を実施した。
実験8と同様の条件にて試料45(本実施の形態のマグネシウム合金−16 Al9.0%)、試料44(本実施の形態のマグネシウム合金−15 Al8.0%)、試料41(本実施の形態のマグネシウム合金−13 Al6.5%)についてさらに湯流れ試験を実施した。
実験2にて行った耐クリープ性の試験を、250℃の雰囲気で50時間曲げ加重を負荷することにより行った。カルシウム添加量を変化させた試料51(Ca0.3%)、試料52(Ca1.3%)、試料53(Ca1.9%)について試験を行った。
Claims (3)
- Alを6.5〜11.0質量%、Caを0.3〜1.9質量%、Snを0.15〜1.5質量%、Mnを0.1〜0.5質量%、 Srを0.01〜0.3質量%、Naを0.03〜0.5質量%含み残部がMgおよび不可避的不純物からなることを特徴とする耐クリープマグネシウム合金。
- Alを8.0〜11.0質量%含むことを特徴とする請求項1に記載の耐クリープマグネシウム合金。
- Caを1.3〜1.9質量%含むことを特徴とする請求項1又は2のいずれか1項に記載の耐クリープマグネシウム合金。
Priority Applications (1)
| Application Number | Priority Date | Filing Date | Title |
|---|---|---|---|
| JP2009123515A JP5383314B2 (ja) | 2008-06-25 | 2009-05-21 | 耐クリープマグネシウム合金 |
Applications Claiming Priority (3)
| Application Number | Priority Date | Filing Date | Title |
|---|---|---|---|
| JP2008166576 | 2008-06-25 | ||
| JP2008166576 | 2008-06-25 | ||
| JP2009123515A JP5383314B2 (ja) | 2008-06-25 | 2009-05-21 | 耐クリープマグネシウム合金 |
Publications (2)
| Publication Number | Publication Date |
|---|---|
| JP2010031357A true JP2010031357A (ja) | 2010-02-12 |
| JP5383314B2 JP5383314B2 (ja) | 2014-01-08 |
Family
ID=41736175
Family Applications (1)
| Application Number | Title | Priority Date | Filing Date |
|---|---|---|---|
| JP2009123515A Active JP5383314B2 (ja) | 2008-06-25 | 2009-05-21 | 耐クリープマグネシウム合金 |
Country Status (1)
| Country | Link |
|---|---|
| JP (1) | JP5383314B2 (ja) |
Cited By (5)
| Publication number | Priority date | Publication date | Assignee | Title |
|---|---|---|---|---|
| JP2014535005A (ja) * | 2011-10-20 | 2014-12-25 | ポステク アカデミー−インダストリー ファウンデイションPostech Academy−Industry Foundation | 偏析現象を最小化した、常温成形性に優れた非熱処理型マグネシウム合金板材 |
| JP2017160542A (ja) * | 2017-04-28 | 2017-09-14 | 住友電気工業株式会社 | マグネシウム合金鋳造材、マグネシウム合金鋳造コイル材、マグネシウム合金展伸材、マグネシウム合金部材、マグネシウム合金接合材、及びマグネシウム合金鋳造材の製造方法 |
| CN107236884A (zh) * | 2017-06-07 | 2017-10-10 | 四川理工学院 | 一种高强耐腐蚀变形镁合金及其制备方法 |
| CN113005346A (zh) * | 2021-02-23 | 2021-06-22 | 吉林大学 | 一种耐腐蚀的快挤压镁合金及其制备方法 |
| WO2024209931A1 (ja) * | 2023-04-05 | 2024-10-10 | 株式会社日本製鋼所 | マグネシウム合金のリサイクル設備及びリサイクル方法 |
Citations (6)
| Publication number | Priority date | Publication date | Assignee | Title |
|---|---|---|---|---|
| JPS61264141A (ja) * | 1985-05-17 | 1986-11-22 | Tsuneaki Mori | マグネシウム鋳造法 |
| JP2004238676A (ja) * | 2003-02-05 | 2004-08-26 | Dead Sea Magnesium Ltd | マグネシウム合金 |
| JP2005068550A (ja) * | 2003-08-06 | 2005-03-17 | Aisin Seiki Co Ltd | 耐熱性、鋳造性に優れ、安価な鋳造用耐熱マグネシウム合金 |
| JP2006070303A (ja) * | 2004-08-31 | 2006-03-16 | Takata Corp | ダイカスト用マグネシウム合金及びこれを用いたマグネシウムダイカスト製品 |
| JP2006291327A (ja) * | 2005-04-14 | 2006-10-26 | Mitsubishi Alum Co Ltd | 耐熱マグネシウム合金鋳造品 |
| JP2007138227A (ja) * | 2005-11-16 | 2007-06-07 | Sumitomo Electric Ind Ltd | マグネシウム合金材 |
-
2009
- 2009-05-21 JP JP2009123515A patent/JP5383314B2/ja active Active
Patent Citations (6)
| Publication number | Priority date | Publication date | Assignee | Title |
|---|---|---|---|---|
| JPS61264141A (ja) * | 1985-05-17 | 1986-11-22 | Tsuneaki Mori | マグネシウム鋳造法 |
| JP2004238676A (ja) * | 2003-02-05 | 2004-08-26 | Dead Sea Magnesium Ltd | マグネシウム合金 |
| JP2005068550A (ja) * | 2003-08-06 | 2005-03-17 | Aisin Seiki Co Ltd | 耐熱性、鋳造性に優れ、安価な鋳造用耐熱マグネシウム合金 |
| JP2006070303A (ja) * | 2004-08-31 | 2006-03-16 | Takata Corp | ダイカスト用マグネシウム合金及びこれを用いたマグネシウムダイカスト製品 |
| JP2006291327A (ja) * | 2005-04-14 | 2006-10-26 | Mitsubishi Alum Co Ltd | 耐熱マグネシウム合金鋳造品 |
| JP2007138227A (ja) * | 2005-11-16 | 2007-06-07 | Sumitomo Electric Ind Ltd | マグネシウム合金材 |
Cited By (6)
| Publication number | Priority date | Publication date | Assignee | Title |
|---|---|---|---|---|
| JP2014535005A (ja) * | 2011-10-20 | 2014-12-25 | ポステク アカデミー−インダストリー ファウンデイションPostech Academy−Industry Foundation | 偏析現象を最小化した、常温成形性に優れた非熱処理型マグネシウム合金板材 |
| JP2017160542A (ja) * | 2017-04-28 | 2017-09-14 | 住友電気工業株式会社 | マグネシウム合金鋳造材、マグネシウム合金鋳造コイル材、マグネシウム合金展伸材、マグネシウム合金部材、マグネシウム合金接合材、及びマグネシウム合金鋳造材の製造方法 |
| CN107236884A (zh) * | 2017-06-07 | 2017-10-10 | 四川理工学院 | 一种高强耐腐蚀变形镁合金及其制备方法 |
| CN113005346A (zh) * | 2021-02-23 | 2021-06-22 | 吉林大学 | 一种耐腐蚀的快挤压镁合金及其制备方法 |
| CN113005346B (zh) * | 2021-02-23 | 2022-02-11 | 吉林大学 | 一种耐腐蚀的快挤压镁合金及其制备方法 |
| WO2024209931A1 (ja) * | 2023-04-05 | 2024-10-10 | 株式会社日本製鋼所 | マグネシウム合金のリサイクル設備及びリサイクル方法 |
Also Published As
| Publication number | Publication date |
|---|---|
| JP5383314B2 (ja) | 2014-01-08 |
Similar Documents
| Publication | Publication Date | Title |
|---|---|---|
| US8574382B2 (en) | Heat-resistant aluminium alloy | |
| US20170121793A1 (en) | Aluminum alloy for die casting, and aluminum alloy die cast produced using same | |
| JP5703881B2 (ja) | 高強度マグネシウム合金およびその製造方法 | |
| JP2012087352A (ja) | マグネシウム合金鋳造品の製造方法 | |
| KR20070102952A (ko) | 마그네슘 합금 | |
| JP5383314B2 (ja) | 耐クリープマグネシウム合金 | |
| JP4539572B2 (ja) | 鋳造用マグネシウム合金および鋳物 | |
| EP1241276A1 (en) | Creep-resistant magnesium alloy | |
| JP2006063420A (ja) | ヒートシンク用アルミニウム合金材及びその製造法 | |
| JP5969713B1 (ja) | ダイカスト用アルミニウム合金およびこれを用いたアルミニウム合金ダイカスト | |
| JP4202298B2 (ja) | ダイカスト用耐熱マグネシウム合金および同合金のダイカスト製品 | |
| JP2006291327A (ja) | 耐熱マグネシウム合金鋳造品 | |
| KR102746215B1 (ko) | 알루미늄 합금 | |
| JP2005187896A (ja) | 耐熱マグネシウム合金鋳造品 | |
| JP2003027169A (ja) | アルミニウム合金およびアルミニウム合金鋳物品 | |
| JP2005240129A (ja) | 耐熱マグネシウム合金鋳造品 | |
| JP7580215B2 (ja) | ダイカスト鋳造用アルミニウム合金及びそれを用いた鋳造製品の製造方法 | |
| JP4526769B2 (ja) | マグネシウム合金 | |
| JP2013174022A (ja) | 鋳造用アルミニウム合金及びアルミニウム合金鋳物 | |
| JP2007270159A (ja) | 耐クリープマグネシウム合金 | |
| JP5852039B2 (ja) | 耐熱マグネシウム合金 | |
| JP2011219820A (ja) | 耐熱マグネシウム合金 | |
| JP2005187895A (ja) | 耐熱マグネシウム合金鋳造品 | |
| JP7462190B2 (ja) | 難燃高靭性マグネシウム合金 | |
| JP2005240130A (ja) | 耐熱マグネシウム合金鋳造品 |
Legal Events
| Date | Code | Title | Description |
|---|---|---|---|
| A621 | Written request for application examination |
Free format text: JAPANESE INTERMEDIATE CODE: A621 Effective date: 20120406 |
|
| A977 | Report on retrieval |
Free format text: JAPANESE INTERMEDIATE CODE: A971007 Effective date: 20130919 |
|
| TRDD | Decision of grant or rejection written | ||
| A01 | Written decision to grant a patent or to grant a registration (utility model) |
Free format text: JAPANESE INTERMEDIATE CODE: A01 Effective date: 20130926 |
|
| A61 | First payment of annual fees (during grant procedure) |
Free format text: JAPANESE INTERMEDIATE CODE: A61 Effective date: 20131001 |
|
| R150 | Certificate of patent or registration of utility model |
Ref document number: 5383314 Country of ref document: JP Free format text: JAPANESE INTERMEDIATE CODE: R150 Free format text: JAPANESE INTERMEDIATE CODE: R150 |
