JP2010027614A - チャンバ型イオン搬送式イオン化装置 - Google Patents

チャンバ型イオン搬送式イオン化装置 Download PDF

Info

Publication number
JP2010027614A
JP2010027614A JP2009211905A JP2009211905A JP2010027614A JP 2010027614 A JP2010027614 A JP 2010027614A JP 2009211905 A JP2009211905 A JP 2009211905A JP 2009211905 A JP2009211905 A JP 2009211905A JP 2010027614 A JP2010027614 A JP 2010027614A
Authority
JP
Japan
Prior art keywords
chamber
ionization
rays
type ion
ionization source
Prior art date
Legal status (The legal status is an assumption and is not a legal conclusion. Google has not performed a legal analysis and makes no representation as to the accuracy of the status listed.)
Granted
Application number
JP2009211905A
Other languages
English (en)
Other versions
JP4838876B2 (ja
Inventor
Akira Mizuno
彰 水野
Akio Sugita
章夫 杉田
Masanori Suzuki
政典 鈴木
Takaharu Izumi
貴晴 和泉
Masayoshi Ishikawa
昌義 石川
Haruyuki Mine
治幸 鋒
Current Assignee (The listed assignees may be inaccurate. Google has not performed a legal analysis and makes no representation or warranty as to the accuracy of the list.)
Hamamatsu Photonics KK
Techno Ryowa Ltd
Harada Sangyo Co Ltd
Original Assignee
Hamamatsu Photonics KK
Techno Ryowa Ltd
Harada Sangyo Co Ltd
Priority date (The priority date is an assumption and is not a legal conclusion. Google has not performed a legal analysis and makes no representation as to the accuracy of the date listed.)
Filing date
Publication date
Application filed by Hamamatsu Photonics KK, Techno Ryowa Ltd, Harada Sangyo Co Ltd filed Critical Hamamatsu Photonics KK
Priority to JP2009211905A priority Critical patent/JP4838876B2/ja
Publication of JP2010027614A publication Critical patent/JP2010027614A/ja
Application granted granted Critical
Publication of JP4838876B2 publication Critical patent/JP4838876B2/ja
Anticipated expiration legal-status Critical
Expired - Fee Related legal-status Critical Current

Links

Images

Landscapes

  • Elimination Of Static Electricity (AREA)

Abstract

【課題】オゾンや電磁ノイズの発生及び発塵等をなくし、狭いスペースに対しても除電が可能であるチャンバ型イオン搬送式イオン化装置を提供する。
【解決手段】軟X線、低エネルギー電子線、紫外線又は沿面放電の発生部、あるいは密封放射性同位元素などのイオン化源4を、チャンバ1の内部に配置する。イオン化源4の電源部及び制御部からなる制御装置5は、チャンバ1の外部に配置する。チャンバ1の下流側には、複数の隔壁7,7からなる遮蔽部を設け、イオン化源4から発生する軟X線、低エネルギー電子線又は放射性同位元素からの放射線等を遮蔽する。
【選択図】図1

Description

本発明は、クリーンルーム内等で発生する静電気を除去するためのチャンバ型イオン搬送式イオン化装置に関するものである。
従来より、半導体や液晶ディスプレイ(以下、LCD)等を製造するクリーンルームでは、静電気の発生が問題となっている。半導体製造のクリーンルームの場合は、低湿度環境であることや、ウエハ及び半導体素子を運搬するプラスチック容器が帯電しやすいこと等が静電気の発生の原因となっている。この静電気は、ウエハ表面上に塵埃を付着させたり、ウエハ上のICや半導体素子を破壊してしまい、製品の歩留りを低下させている。
また、LCDの場合は、処理工程で異なる材質等と接触し、摩擦帯電による静電気が発生する。特に、このLCDに使用するガラス基板は、大面積で絶縁性が高く静電気が発生しやすいため、大量の静電気による静電破壊が製品の歩留りに影響を与えている。
そこで、従来より、このようなクリーンルーム等の生産環境における静電気を除去する装置として、イオンにより帯電体の電荷を中和する空気イオン化装置が用いられている。この空気イオン化装置は、正または負の電極に正または負の高電圧をそれぞれ印加することによりコロナ放電を発生させ、上記電極先端の周囲の空気を正と負とにイオン化し、このイオンを気流によって搬送して帯電体上の電荷を逆極性のイオンで中和するものである。
しかしながら、上述した従来のコロナ放電を利用した空気イオン化装置では、イオンの発生を容易にし、発生したイオンの消耗を防止するために、除電対象物の近くで、電極を露出した状態で空気をイオン化していた。このため、次のような問題が発生していた。
(1)オゾンの発生
除電対象物近傍の空気をコロナ放電によりイオン化しているため、空気中の窒素や水蒸気がイオン化する以外に、酸素がオゾンとなる反応も起こる。このオゾンの酸化作用により、シリコンウエハの表面が酸化されたり、空気中の微量の不純物と反応して2次粒子が発生する原因となる。
(2)電磁ノイズの発生
放電時に放電極から発生する不規則な電磁波が、半導体素子を内蔵した精密機器やコンピュータなどの誤動作を引き起こす原因となる。
(3)イオン発生電極からの発塵
コロナ放電を起こさせるたびに電極が摩耗し、その摩耗した電極材が飛散する。また、空気中の微量ガス成分がコロナ放電により粒子化してイオン発生電極上に析出し、これがある程度の大きさになると再飛散する。このような発塵により、歩留りが低下する。
また、近年、半導体やLCD等の製造装置は年々小型化が進んでおり、従来の空気イオン化装置では、これらの製造装置内に最適な設置スペースを確保することが困難となってきている。すなわち、従来の空気イオン化装置では、有効な除電を行うため、イオンを発生させるための電極と除電対象物との間に、適当なサイズの空間、例えば、電極と除電対象物との距離で300mm以上離すことが必要であったが、近年の製造装置の小型化に伴い、空気イオン化装置のためにこのような設置スペースを確保することが困難になっている。
さらに、例えばLCDの製造工程においては、ガラス基板は接触・剥離により著しく帯電するため、従来から、上述したような空気イオン化装置により除電が行われている。しかし、生産装置の処理速度が速いために、ガラス基板は、完全には除電されずにカセットに収納されることが多い。このようなカセット内では、収納されたガラス基板とガラス基板との間が数mmと狭いため、従来の空気イオン化装置を使用した場合、イオン化した空気の流れがガラス基板の間に入っていかず、ガラス基板を除電することが困難であった。従って、そのような狭いスペースにおける静電気対策に対する要求も高まってきている。
さらに、近年、軟X線を帯電体に直接照射し、帯電体周囲をイオン化して除電する光イオナイザーが知られているが、この光イオナイザーにおいては、イオナイザー周囲を遮蔽構造とする必要があるため、設置が困難であった。
本発明は、上記のような従来技術の問題点を解決するために提案されたものであり、その目的は、オゾンや電磁ノイズ、及び発塵等の発生を起こすことなく、且つ、各種製造装置の小型化にも対応すると共に、狭いスペースに対しても除電を行うことのできるチャンバ型イオン搬送式イオン化装置を提供することにある。
上記課題を解決するため、請求項1に記載のチャンバ型イオン搬送式イオン化装置は、チャンバ内に供給されたイオン搬送ガスの一部をイオン化するイオン化部と、帯電体に向かってイオン搬送ガスを供給する吹出部を有するチャンバを備え、前記イオン化部が、前記チャンバに内蔵されたイオン化源と、前記チャンバの外部に設けられ、前記イオン化源によるイオン発生量を制御する制御装置とから構成され、前記チャンバが、前記イオン化源の下流側において、イオン化源の放射角に合わせて円錐状又は角錘状に拡張されていることを特徴とする。
以上の態様では、チャンバ内のガスをイオン化するイオン化源とその制御装置とを別々に設け、イオン化源のみをチャンバ内に配置しているため、チャンバの内径を小さくすることができる。このため、極めて狭い場所でイオンを発生させることができると共に、狭いスペースに対しても除電を行うことができる。
また、イオン化源の下流側のチャンバを、イオン化源の放射角に合わせて円錐状又は角錘状に広げることにより、X線等によるイオン化領域が拡張されるので、発生イオン量を大幅に増加させることができる。
請求項2に記載の発明は、チャンバ内に供給されたイオン搬送ガスの一部をイオン化するイオン化部と、帯電体に向かってイオン搬送ガスを供給する吹出部を有するチャンバを備え、前記イオン化部が、前記チャンバに内蔵されたイオン化源と、前記チャンバの外部に設けられ、前記イオン化源によるイオン発生量を制御する制御装置とから構成され、前記チャンバが、空気輸送管の側部に設けられたバイパス管であることを特徴とする。
以上の態様では、空気輸送管の側部に設けられたバイパス管に、空気輸送管内の空気を送り込み、その空気をイオン化し、そのイオン化気流を再び空気輸送管に送出するように構成することにより、イオン搬送ガスを別途チャンバ型イオン搬送式イオン化装置に導入する必要がない。また、本発明のチャンバ型イオン搬送式イオン化装置の吹出部は、バイパス管と空気輸送管の合流部に相当するため、ノズル等を取り付ける必要もない。
本発明によれば、オゾンや電磁ノイズ、及び発塵等の発生を起こすことなく、且つ、各種製造装置の小型化にも対応すると共に、狭いスペースに対しても除電を行うことのできるチャンバ型イオン搬送式イオン化装置を提供することができる。
本発明の第1実施形態によるチャンバ型イオン搬送式イオン化装置の構成を示す模式図である。 本発明の第2実施形態によるチャンバ型イオン搬送式イオン化装置の構成を示す模式図である。 本発明の第3実施形態によるチャンバ型イオン搬送式イオン化装置の構成を示す模式図である。 第3実施形態を適用した実施例を示す模式図である。 本発明の第4実施形態によるチャンバ型イオン搬送式イオン化装置の構成を示す模式図である。 本発明の第5実施形態によるチャンバ型イオン搬送式イオン化装置の構成を示す模式図である。 第5実施形態を適用した実施例を示す模式図である。 第5実施形態を適用した他の実施例を示す模式図である。 本発明の第6実施形態によるチャンバ型イオン搬送式イオン化装置の構成を示す模式図である。 本発明の第7実施形態によるチャンバ型イオン搬送式イオン化装置の構成を示す模式図である。 本発明の第8実施形態によるチャンバ型イオン搬送式イオン化装置の構成を示す模式図である。 本発明の第8実施形態によるチャンバ型イオン搬送式イオン化装置の他の構成を示す模式図である。 本発明の第9実施形態によるチャンバ型イオン搬送式イオン化装置の構成を示す模式図である。
本発明を実施するための形態について、図1〜図5を参照して説明する。
[1.第1実施形態]
[1−1.構成]
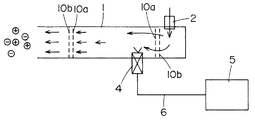
図1は、本実施形態によるチャンバ型イオン搬送式イオン化装置の構成を示す模式図である。同図において、1は円柱状のイオン化チャンバ(以下、チャンバという)であり、長さ約20cm、直径約25φの金属製のパイプから構成されている。なお、このチャンバの材質としては、アルミ、ステンレス等の金属、塩化ビニル等の樹脂が用いられる。また、このチャンバ1は、大別してイオン化部、遮蔽部及び吹出部から構成されている。以下、各部の構成について説明する。
(イオン化部の構成)
チャンバ1の側端部(図中、右側側端部)には、チューブフィッティング2を介して細いチューブ(図示せず)が接続され、このチューブを通して、チャンバ1内にクリーンルーム内等の空気、又は高純度N2ガス等の非反応性ガス(以下、イオン搬送ガスという)が供給されるように構成されている。なお、ここで「高純度N2ガス」とは、負イオンを形成する程度の酸素や水蒸気を含み、且つ、その酸素濃度はオゾンを発生しない程度(5%程度以下)であるN2ガスをいう。
また、チャンバ1内のチューブフィッティング2の配設位置近傍には、イオン発生装置3が設けられている。このイオン発生装置3は、チャンバ1の内部に配置されたイオン化源4と、このイオン化源4によるイオン発生量を制御する制御装置5とから構成されている。なお、この制御装置5は、チャンバ1の外部に配置され、イオン化源4から軟X線、低エネルギー電子線、紫外線もしくは沿面放電を発生させるための電源部及び制御部からなり、ケーブル6によってイオン化源4と接続されている。
また、前記イオン化源4は、軟X線発生装置の発生部、低エネルギー電子線発生装置の発生部、密封放射性同位元素、紫外線発生装置の発生部、又は沿面放電によるイオナイザー等からなり、チャンバ1内を流れるイオン搬送ガスをイオン化するように構成されている。
(遮蔽部の構成)
チャンバ1には、前記イオン化部の下流側に遮蔽部が設けられている。この遮蔽部は、例えば図1に示すように、半円状の2枚の隔壁7,7から構成され、これらの隔壁7,7は、チャンバ1の上部と下部とに一定の間隔をおいて交互に形成されている。すなわち、イオン化源4が軟X線の発生部、低エネルギー電子線の発生部又は密封放射性同位元素である場合、直進する軟X線、電子線又は放射性同位元素からの放射線(α線又はβ線)が隔壁7,7に当たるように構成され、それらが外部に漏れないように遮蔽される構成となっている。なお、イオン化源4が紫外線の発生部もしくは沿面放電の発生部である場合は、この遮蔽部は不要である。
(吹出部の構成)
チャンバ1の先端部1aは開放され、帯電体Sの近傍に配置されており、イオン発生装置3において発生した正負イオンをこの帯電体Sに向けて供給するように構成されている。
(イオン化源)
次に、イオン化源4について説明する。軟X線は、3〜9.5keV程度のエネルギーを有する微弱X線であり、2mm厚さ程度の塩化ビニル板で容易に遮蔽することができるものである。また、低エネルギー電子線は、例えばウシオ電機株式会社製の超小型電子ビーム照射管チューブ等により数10kVの低い動作電圧で取り出された電子ビーム(ソフトエレクトロン)であり、空気中では5cm程度の到達距離しかなく、その領域の空気あるいはガスをイオン化する。なお、低エネルギー電子線は、酸素を含む気体中ではオゾンを発生すると同時に軟X線も発生するため、遮蔽が必要となる。そのため、イオン化源として低エネルギー電子線を用いる場合には、イオン搬送ガスとして、高純度N2ガス等のようにオゾンが発生しない程度の酸素を含む非反応性ガスを用いることが望ましい。
さらに、密封放射性同位元素は、放射性同位元素をカプセル等に封入したものであり、放射性同位元素としては、α線を発生するアメリシウム241又はβ線を発生するニッケル63等がある。アメリシウム241から発生するα線のエネルギーは5.4MeV程度であり、電離作用は大きいが空気中での到達距離は数cm程度であって、紙1枚で容易に遮蔽することができる。また、ニッケル63から発生するβ線のエネルギーは57keV程度であり、樹脂板で容易に遮蔽することができる。また、紫外線発生装置から発生する紫外線は400nm以下の短波長であり、30w程度の出力である。
イオン化源4が、軟X線の発生部又は密封放射性同位元素である場合は、チャンバ1に供給するイオン搬送ガスとして空気及び非反応性ガスのいずれを用いてもよいが、イオン化源4が低エネルギー電子線の発生部又は紫外線の発生部である場合は、高純度N2ガス等のようにオゾンが発生しない程度の酸素を含む非反応性ガスを用いることが望ましい。
[1−2.作用効果]
続いて、上述したような構成を有する本実施形態のチャンバ型イオン搬送式イオン化装置の作用・効果について説明する。すなわち、図示しないチューブ及びチューブフィッティング2を介してチャンバ1に供給されたイオン搬送ガスは、チャンバ1内に内蔵されたイオン化源4によって軟X線、低エネルギー電子線、紫外線、沿面放電又は放射性同位元素からの放射線等が照射されることにより、正負のイオンとなる。そして、これら正負イオンはイオン化部の下流側に設けられた遮蔽部を通過して、チャンバ1の先端部1aから帯電体Sに供給され、帯電体S上の正負の逆極性の電荷をそれぞれ中和する。
以上のように、本実施形態のチャンバ型イオン搬送式イオン化装置では、イオン化源4が軟X線の発生部又は密封放射性同位元素である場合、イオン搬送ガスとして空気もしくは非反応性ガスのいずれを用いてもオゾンが発生することがない。また、電極材の飛散や空気中の不純物の堆積及び再飛散のような発塵がなく、かつ、電磁ノイズの発生も起こらない。
また、イオン化源4が低エネルギー電子線、紫外線又は沿面放電の発生部である場合は、イオン搬送ガスとして高純度N2ガス等のようにオゾンが発生しない程度の酸素を含む非反応性ガスを使用することにより、イオン化に当たってオゾンの発生がなく、発塵及び電磁ノイズの発生も起こらない。
さらに、軟X線、低エネルギー電子線及び密封放射性同位元素からの放射線(α線等)は、薄い塩化ビニル板等で十分遮蔽することができ、反射はほとんどないため、図1に示すような簡単な構造で遮蔽することができる。また、チャンバ1のイオン化部の下流側周辺を遮蔽構造とすることができるので、チャンバ型イオン搬送式イオン化装置の設置時に別途遮蔽を施す必要がなく、簡易な構成とすることができるので、このチャンバ型イオン搬送式イオン化装置の応用範囲が広くなる。また、チャンバ1のイオン化部の下流側周辺に遮蔽部が形成されているため、従来のイオン化源を露出して設置するような生産装置のように、生産装置全体を2mm程度の塩化ビニル板で覆う必要もない。
また、イオン化源4とその電源部及び制御部である制御装置5とをケーブル6を介して別設し、イオン化源4のみをチャンバ1内に設置することにより、チャンバ1の内径を小さくすることができる。その結果、極めて狭い場所でイオンを発生させることができると共に、例えばカセット内に収納したガラス基板の隙間等、狭いスペースに対しても除電を行うことができる。さらに、イオン化源4からチャンバ出口までの距離が短いため、正負イオンの再結合によるイオンの減少がほとんどないという利点もある。
[2.第2実施形態]
本実施形態は、上記第1実施形態の遮蔽部の構成を変更した変形例である。図2に示したように、本実施形態においては、チャンバ1の遮蔽部が、直径が3φ程度の細孔11が多数設けられた2枚のパンチング板10a、10bにより構成され、これら2枚のパンチング板10a、10bは、互いに3mm程度離して、且つ細孔11が重ならないようにずらして設置されている。その他の構成は上記第1実施形態と同様であるので、説明は省略する。
上記のような構成を有する本実施形態のチャンバ型イオン搬送式イオン化装置においては、上記第1実施形態と同様の作用・効果が得られるだけでなく、図1に示した隔壁を用いる方法よりチャンバ内を通る気流の乱れが小さいため、その乱れに起因するイオン量の減少が少ないという利点がある。
[3.第3実施形態]
本実施形態は、上記第1実施形態の吹出部の構成を変更した変形例である。なお、本実施形態の吹出部を、上記第2実施形態に適用できることは言うまでもない。図3に示したように、本実施形態においては、チャンバ1の遮蔽部の下流側に、イオン化気流を噴出させるためのノズル20が設けられている。このノズル20としては、例えば、SILVENT社製のノズル216、フラットノズル920、エアーカーテン302−306、エアーナイフ392−396等が用いられる。
上記のような構成を有する本実施形態のチャンバ型イオン搬送式イオン化装置においては、上記第1実施形態あるいは第2実施形態と同様の作用・効果が得られるだけでなく、吹出部に所望の形状・大きさを有するノズル20を取り付けることにより、イオン化気流を高速で帯電体に吹き付け、除電しながら帯電体に付着したごみ等を高効率で除去することができる。また、種々のノズル20を選択することにより、イオン化気流を円錐状に広角で広げたり、エアカーテン状に広げることができるので、除電対象に合わせてイオン化気流をコントロールすることができる。さらに、開口度を調整することができるノズルを使用することにより、イオン化気流の噴出速度を容易に変更することができる。
続いて、本実施形態を用いたより具体的な実施例について説明する。
(実施例1)
樹脂バック21に内容物を充填する際に静電気が発生すると、内容物が樹脂バック21の入口に付着するため、樹脂バック21の開口部をヒートシールによって密封しようとしても、樹脂バック21を溶着することができないといった問題が生じていた。
図4は、このような樹脂バックの入口に本実施形態のチャンバ型イオン搬送式イオン化装置を設置した例である。すなわち、図4に示したように、本実施例においては、図3に示したチャンバ型イオン搬送式イオン化装置の吹出部に、略円錐形状のノズル22が取り付けられ、このノズル22の開口部が樹脂バック21の入口部に向けて配設されている。そして、略円錐形状のノズル22から樹脂バック21の入口部に向けて高速でイオン化気流を吹き込むことにより、樹脂バック21の入口部に発生した静電気を除去することができる。
[4.第4実施形態]
本実施形態は、上記第3実施形態の吹出部の構成をさらに変更した変形例である。図5に示したように、本実施形態においては、チャンバ1の吹出部にフレキシブルホース30が取り付けられ、その先端にノズル31が取り付けられている。なお、このノズル31としては、上記第3実施形態と同様に、例えば、SILVENT社製のノズル216、フラットノズル920、エアーカーテン302−306、エアーナイフ392−396等が用いられる。なお、このフレキシブルホース30は、ビニールチューブ等と異なり、設定した形を保持できる構造になっている。
上記のような構成を有する本実施形態のチャンバ型イオン搬送式イオン化装置においては、吹出部にフレキシブルホース30を取り付け、さらにその先端にノズル31を取り付けることにより、上記第1実施形態乃至第3実施形態と同様の作用・効果が得られるだけでなく、イオン化気流を高速で帯電体に吹き付け、除電しながら帯電体に付着したごみ等を高効率で除去することができる。また、種々のノズル31を選択することにより、イオン化気流を円錐状に広角で広げたり、エアカーテン状に広げることができるので、除電対象に合わせてイオン化気流をコントロールすることができる。さらに、ノズルの開口を調整することができるノズルを使用することにより、イオン化気流の噴出速度を容易に変更することができる。
[5.第5実施形態]
本実施形態は、遮蔽部及び吹出部を一体化して構成したものである。図6に示したように、本実施形態においては、イオン化源4の下流側のチャンバの一部(例えば、側面)に、X線等を遮蔽できる程度の開口(直径1φ程度の孔)40が、除電対象に合わせて1つあるいは複数個形成されている。なお、本実施形態においては、これらの開口40が、遮蔽部及び吹出部として機能している。
上記のような構成を有する本実施形態のチャンバ型イオン搬送式イオン化装置においては、イオン化源4の下流側のチャンバの一部に、X線等を遮蔽できる程度の開口40を複数個形成することにより、遮蔽と同時に、除電対象に向けてイオン化気流を高速で噴出することができる。なお、本実施形態は、以下に述べるように、カセット内のガラス基板の隙間等の狭い場所に、高速でイオン化気流を奥まで吹き込み除電する場合に非常に有効である。
続いて、本実施形態を用いたより具体的な実施例について説明する。
(実施例2)
液晶や半導体製造プロセスでは、ガラス基板やウエハを収納・搬送するために、多段式のカセットが用いられている。このように多段式のカセットに収納されたガラス基板やウエハはコンデンサを形成するので、全体としての電位が高くなり、個々のガラス基板やウエハを除電するのがさらに難しくなる。
図7は、このようなガラス基板、ウエハ用カセットの側面に、本実施形態のチャンバ型イオン搬送式イオン化装置を設置した例である。すなわち、図7に示したように、本実施例においては、図6に示したチャンバ型イオン搬送式イオン化装置が、ガラス基板50を収納した多段式のカセット51の対向する側部に配設されている。また、遮蔽部及び吹出部として機能する複数個の開口40が、ガラス基板やウエハの間隙に向けて設けられ、これらの開口40からガラス基板やウエハの間隙に高速でイオン化気流を吹き込むことにより、除電することができるように構成されている。
なお、この場合、チャンバ型イオン搬送式イオン化装置の設置台数は、ガラス基板やウエハの寸法に合わせて調整する必要がある。また、このチャンバ型イオン搬送式イオン化装置をカセットと一体化して構成することもできる。
(実施例3)
液晶や半導体製造プロセスでは、アライメントをはじめ、加熱、冷却、露光等種々の目的で吸着ステージが用いられている。しかしながら、ガラス基板やウエハが吸着ステージの表面と接触、剥離すると静電気が発生し、放電による半導体素子の性能劣化や破壊及びダストの静電吸着等の原因となる。
このような問題を解決する方法としては、ガラス基板やウエハが吸着ステージから剥離された間隙にイオンを供給し、静電気の電荷を保持しているガラス基板もしくはウエハの裏面側と吸着ステージ表面を除電する方法が有効である。
図8は、このようなガラス基板、ウエハ用吸着ステージの側部に、本実施形態のチャンバ型イオン搬送式イオン化装置を設置した例である。すなわち、図8に示したように、本実施例においては、図6に示したチャンバ型イオン搬送式イオン化装置が、吸着ステージ60の上面の一辺に沿って配設され、遮蔽部及び吹出部として機能する複数個の開口40が、吸着ステージ60から突き上げピン61によって剥離されたガラス基板62と吸着ステージ60の間隙に向けて設けられている。そして、これらの開口40から、ガラス基板62と吸着ステージ60の間隙に向けて、高速でイオン化気流を吹き込むことにより、ガラス基板62の裏面側と吸着ステージ60の表面を除電することができる。
[6.第6実施形態]
本実施形態は、X線等によるイオン化領域を広げ、発生イオン量を増加させることができるように構成したものである。図9に示したように、本実施形態においては、X線等によるイオン化領域を広げるために、イオン化源4の下流側のチャンバが、イオン化源4の放射角に合わせて円錐状や四角錐状に広げられている。また、遮蔽部は、図2に示した第2実施形態と同様に、直径が3φ程度の細孔11が多数設けられた2枚のパンチング板10a、10bにより構成され、これら2枚のパンチング板10a、10bは、互いに3mm程度離して、且つ細孔11が重ならないようにずらして設置されている。
上記のような構成を有する本実施形態のチャンバ型イオン搬送式イオン化装置においては、X線等を広角で放射することができるイオン化源(例えば、軟X線ヘッド)4を用いる場合、そのイオン化源4の下流側のチャンバをその放射角に合わせて円錐状や四角錐状に広げることにより、X線等によるイオン化領域が拡張されるので、発生イオン量を大幅に増加させることができる。
[7.第7実施形態]
本実施形態は、空気又は非反応性ガス(N2ガス等)の流入口(チューブフィッティング2)からX線等が漏洩しないように、イオン化源の上流側にも遮蔽部を設けたものである。本実施形態においては、図10に示したように、イオン化源4の上流側にも、直径が3φ程度の細孔11が多数設けられた2枚のパンチング板10a、10bを、互いに3mm程度離して、且つ細孔11が重ならないようにずらして設置してなる遮蔽部が形成されている。
上記のような構成を有する本実施形態のチャンバ型イオン搬送式イオン化装置においては、イオン化源4の上流側にも遮蔽部を設けたことにより、空気又は非反応性ガス(N2ガス等)の流入口からX線等が漏洩することを防止することができる。
[8.第8実施形態]
本実施形態は、イオン化源の下流側の遮蔽構造からのX線等の漏洩を防止するため、チャンバの側面から、あるいは気流の上流側に向かってX線等を照射するように構成したものである。上記の各実施形態のように、隔壁や遮蔽板に向かってX線等を照射する場合、隔壁や遮蔽板が気流の流路を大きく遮断するため、大きな乱れが発生し、それによりイオン量が減少する。
そこで、本実施形態においては、イオン化源4の下流側の2枚のパンチング板からなる遮蔽板の開口を、直径が5mm程度となるように大きくして、気流の乱れを小さくし、イオン量の減少を小さくしている。そのため、下流側の遮蔽板に直接照射しない方向に照射することができるように、図11に示した実施形態においては、エアの流れ方向に直角に照射できるようにイオン化源を配設し、図12に示した実施形態においては、エアの流れ方向と逆向きに照射できるようにイオン化源を配設している。なお、本実施形態においては、チューブフィッティングからのX線の漏洩を防止するため、第7実施形態と同様に、イオン化源の上流側にも遮蔽部が設けられている。
上記のような構成を有する本実施形態のチャンバ型イオン搬送式イオン化装置においては、チャンバの側面から、あるいは気流の上流側に向かってX線等を照射するように構成したことにより、イオン化源の下流側の遮蔽部からのX線等の漏洩を防止することができるので、イオン化源の下流側の2枚のパンチング板からなる遮蔽板の開口を大きくすることができる。その結果、気流の乱れを小さくすることができ、イオン量の減少を小さくすることができる。
[9.第9実施形態]
本実施形態は、空気輸送システムに本発明のチャンバ型イオン搬送式イオン化装置を組み込んだものである。一般に、粉体や樹脂ペレット等の空気輸送ラインでは、空気輸送管の内部で摩擦・接触等が繰り返されるために静電気が発生し、輸送管内部に粉体や樹脂ペレットが付着、堆積する。
このような問題を解決するために、本実施形態のチャンバ型イオン搬送式イオン化装置は以下のように構成されている。すなわち、図13に示したように、空気輸送管70の側部に所定の径を有するバイパス管71が設けられ、その内部に上記と同様のイオン化部及び遮蔽部が形成されている。また、空気輸送管70からバイパス管71への流入側にはフィルタ72が設けられ、空気輸送管70内を移動する粉体や樹脂ペレットがバイパス管71内へ流入しないように構成されている。
上記のような構成を有する本実施形態のチャンバ型イオン搬送式イオン化装置においては、空気輸送管70の側部に設けられたバイパス管71に、空気輸送管70内の空気が送り込まれ、その空気がイオン化源4によってイオン化され、その正負イオンが遮蔽部を介して再び空気輸送管70に送出されるように構成されている。従って、上記の各実施形態と異なり、イオン搬送ガスを別途チャンバ型イオン搬送式イオン化装置に導入する必要がない。また、本実施形態のチャンバ型イオン搬送式イオン化装置の吹出部は、バイパス管71と空気輸送管70の合流部に相当するため、ノズル等を取り付ける必要もない。
[10.他の実施形態]
なお、本発明は上述した実施形態に限定されるものではなく、以下に示すような各種態様も可能である。すなわち、具体的な各部材の形状、あるいは取付位置及び方法は適宜変更可能である。例えば、遮蔽部の形状は、図1に示すような隔壁7,7及び図2に示すようなパンチング板10a、10bに限らず、直進する軟X線、低エネルギー電子線又は放射性同位元素からの放射線等が外部に漏れず、かつ、発生する正負のイオンが搬送され得る形状であればどのようなものでもよい。
また、イオン化源4は、軟X線、低エネルギー電子線、紫外線又は沿面放電の発生部、あるいは放射性同位元素に限らず、イオン化によりオゾンの発生、発塵及び電磁ノイズの発生のないものであれば、他の電磁波又はビーム等を使用することができる。
1…イオン化チャンバ
1a…先端部
2…チューブフィッティング
3…イオン発生装置
4…イオン化源
5…制御装置
6…ケーブル
7…隔壁
10…パンチング板
11…細孔
20、22、31…ノズル
21…樹脂バック
30…フレキシブルホース
40…開口
50…ガラス基板
51…カセット
60…吸着ステージ
61…突き上げピン
62…ガラス基板
70…空気輸送管
71…バイパス管
72…フィルタ
S…帯電体

Claims (2)

  1. チャンバ内に供給されたイオン搬送ガスの一部をイオン化するイオン化部と、帯電体に向かってイオン搬送ガスを供給する吹出部を有するチャンバを備え、
    前記イオン化部が、前記チャンバに内蔵されたイオン化源と、前記チャンバの外部に設けられ、前記イオン化源によるイオン発生量を制御する制御装置とから構成され、
    前記チャンバが、前記イオン化源の下流側において、イオン化源の放射角に合わせて円錐状又は角錘状に拡張されていることを特徴とするチャンバ型イオン搬送式イオン化装置。
  2. チャンバ内に供給されたイオン搬送ガスの一部をイオン化するイオン化部と、帯電体に向かってイオン搬送ガスを供給する吹出部を有するチャンバを備え、
    前記イオン化部が、前記チャンバに内蔵されたイオン化源と、前記チャンバの外部に設けられ、前記イオン化源によるイオン発生量を制御する制御装置とから構成され、
    前記チャンバが、空気輸送管の側部に設けられたバイパス管であることを特徴とするチャンバ型イオン搬送式イオン化装置。
JP2009211905A 2009-09-14 2009-09-14 チャンバ型イオン搬送式イオン化装置 Expired - Fee Related JP4838876B2 (ja)

Priority Applications (1)

Application Number Priority Date Filing Date Title
JP2009211905A JP4838876B2 (ja) 2009-09-14 2009-09-14 チャンバ型イオン搬送式イオン化装置

Applications Claiming Priority (1)

Application Number Priority Date Filing Date Title
JP2009211905A JP4838876B2 (ja) 2009-09-14 2009-09-14 チャンバ型イオン搬送式イオン化装置

Related Parent Applications (1)

Application Number Title Priority Date Filing Date
JP35880999A Division JP4489883B2 (ja) 1999-12-17 1999-12-17 チャンバ型イオン搬送式イオン化装置

Publications (2)

Publication Number Publication Date
JP2010027614A true JP2010027614A (ja) 2010-02-04
JP4838876B2 JP4838876B2 (ja) 2011-12-14

Family

ID=41733205

Family Applications (1)

Application Number Title Priority Date Filing Date
JP2009211905A Expired - Fee Related JP4838876B2 (ja) 2009-09-14 2009-09-14 チャンバ型イオン搬送式イオン化装置

Country Status (1)

Country Link
JP (1) JP4838876B2 (ja)

Citations (4)

* Cited by examiner, † Cited by third party
Publication number Priority date Publication date Assignee Title
JPH02284396A (ja) * 1989-04-25 1990-11-21 Senichi Masuda 除電装置
JPH076860A (ja) * 1993-06-18 1995-01-10 Hamamatsu Photonics Kk イオンガス発生装置
JPH07115946A (ja) * 1992-11-24 1995-05-09 Mitsubishi Electric Corp 微生物繁殖防止装置及びその方法
JPH10170072A (ja) * 1996-12-04 1998-06-26 Matsushita Electric Ind Co Ltd 蓄熱電気暖房装置

Patent Citations (4)

* Cited by examiner, † Cited by third party
Publication number Priority date Publication date Assignee Title
JPH02284396A (ja) * 1989-04-25 1990-11-21 Senichi Masuda 除電装置
JPH07115946A (ja) * 1992-11-24 1995-05-09 Mitsubishi Electric Corp 微生物繁殖防止装置及びその方法
JPH076860A (ja) * 1993-06-18 1995-01-10 Hamamatsu Photonics Kk イオンガス発生装置
JPH10170072A (ja) * 1996-12-04 1998-06-26 Matsushita Electric Ind Co Ltd 蓄熱電気暖房装置

Also Published As

Publication number Publication date
JP4838876B2 (ja) 2011-12-14

Similar Documents

Publication Publication Date Title
JP4738636B2 (ja) 防爆型無発塵イオナイザー
US5750011A (en) Apparatus and method for producing gaseous ions by use of x-rays, and various apparatuses and structures using them
JP4168160B2 (ja) 静電気対策用吹出口
EP1542238B1 (en) Aerosol particle charging equipment
JP4489883B2 (ja) チャンバ型イオン搬送式イオン化装置
JP4838876B2 (ja) チャンバ型イオン搬送式イオン化装置
JP5047765B2 (ja) 断熱膨張によるイオン核凝縮を用いた荷電粒子搬送式イオナイザー
EP3972392B1 (en) Soft x-ray static electricity removal apparatus
JP4426003B2 (ja) イオン搬送式イオン化装置及び方法
JP2004220872A (ja) 無発塵除電除塵システム
JP4230583B2 (ja) 荷電粒子搬送式イオン化装置及び方法
JP5008121B2 (ja) イオン核凝縮を用いた荷電粒子搬送式イオナイザー
JP2749202B2 (ja) 帯電物体の中和構造、クリーンルーム、搬送装置、居住室、植物栽培室、正負の電荷発生方法、帯電物体の中和方法
JP4938516B2 (ja) 衝撃波を用いた無発塵除電除塵システム
JP2007194453A (ja) 非接触枚葉搬送における除電システム
JP2006216453A (ja) 帯電物の除電装置及びその方法
JP2009211889A (ja) 低エネルギー電子線を用いた無発塵イオナイザーシステム
JPH0745397A (ja) 静電気除去装置
HK1066684A (en) Ionized air flow discharge type non-dusting ionizer

Legal Events

Date Code Title Description
A977 Report on retrieval

Free format text: JAPANESE INTERMEDIATE CODE: A971007

Effective date: 20110824

TRDD Decision of grant or rejection written
A01 Written decision to grant a patent or to grant a registration (utility model)

Free format text: JAPANESE INTERMEDIATE CODE: A01

Effective date: 20110906

A01 Written decision to grant a patent or to grant a registration (utility model)

Free format text: JAPANESE INTERMEDIATE CODE: A01

A61 First payment of annual fees (during grant procedure)

Free format text: JAPANESE INTERMEDIATE CODE: A61

Effective date: 20110930

FPAY Renewal fee payment (event date is renewal date of database)

Free format text: PAYMENT UNTIL: 20141007

Year of fee payment: 3

R150 Certificate of patent or registration of utility model

Free format text: JAPANESE INTERMEDIATE CODE: R150

Ref document number: 4838876

Country of ref document: JP

Free format text: JAPANESE INTERMEDIATE CODE: R150

S111 Request for change of ownership or part of ownership

Free format text: JAPANESE INTERMEDIATE CODE: R313117

R250 Receipt of annual fees

Free format text: JAPANESE INTERMEDIATE CODE: R250

R350 Written notification of registration of transfer

Free format text: JAPANESE INTERMEDIATE CODE: R350

R250 Receipt of annual fees

Free format text: JAPANESE INTERMEDIATE CODE: R250

R250 Receipt of annual fees

Free format text: JAPANESE INTERMEDIATE CODE: R250

R250 Receipt of annual fees

Free format text: JAPANESE INTERMEDIATE CODE: R250

R250 Receipt of annual fees

Free format text: JAPANESE INTERMEDIATE CODE: R250

LAPS Cancellation because of no payment of annual fees