JP2010014537A - 熱線センサの信号処理回路 - Google Patents

熱線センサの信号処理回路 Download PDF

Info

Publication number
JP2010014537A
JP2010014537A JP2008174596A JP2008174596A JP2010014537A JP 2010014537 A JP2010014537 A JP 2010014537A JP 2008174596 A JP2008174596 A JP 2008174596A JP 2008174596 A JP2008174596 A JP 2008174596A JP 2010014537 A JP2010014537 A JP 2010014537A
Authority
JP
Japan
Prior art keywords
signal processing
heat ray
processing unit
ray sensor
signal
Prior art date
Legal status (The legal status is an assumption and is not a legal conclusion. Google has not performed a legal analysis and makes no representation as to the accuracy of the status listed.)
Granted
Application number
JP2008174596A
Other languages
English (en)
Other versions
JP5158955B2 (ja
Inventor
Masayuki Masuda
雅之 増田
Current Assignee (The listed assignees may be inaccurate. Google has not performed a legal analysis and makes no representation or warranty as to the accuracy of the list.)
Atsumi Electric Co Ltd
Original Assignee
Atsumi Electric Co Ltd
Priority date (The priority date is an assumption and is not a legal conclusion. Google has not performed a legal analysis and makes no representation as to the accuracy of the date listed.)
Filing date
Publication date
Application filed by Atsumi Electric Co Ltd filed Critical Atsumi Electric Co Ltd
Priority to JP2008174596A priority Critical patent/JP5158955B2/ja
Publication of JP2010014537A publication Critical patent/JP2010014537A/ja
Application granted granted Critical
Publication of JP5158955B2 publication Critical patent/JP5158955B2/ja
Active legal-status Critical Current
Anticipated expiration legal-status Critical

Links

Images

Landscapes

  • Geophysics And Detection Of Objects (AREA)

Abstract

【課題】複数の熱線センサ素子を使用した場合でも回路規模を大きくすることなく、かつポップコーンノイズ等による誤アラームを防ぐことが可能な熱線センサの信号処理回路を提供する。
【解決手段】複数の熱線センサ素子から出力される各信号を処理する熱線センサの信号処理回路であって、少なくとも1つの第1の熱線センサ素子から出力される信号を処理する少なくとも1つの第1の信号処理部と、複数の第2の熱線センサ素子から出力される各信号を選択的に入力して処理する第2の信号処理部と、を備えることを特徴とする。前記第1の信号処理部と第2の信号処理部が異なる周波数特性を有し、第1の信号処理部の周波数特性が第2の信号処理部の周波数特性より狭帯域であることを特徴とする。
【選択図】 図1

Description

本発明は、熱線センサの信号処理回路に係わり、特に複数の熱線センサ素子を有する熱線センサに用いて好適な信号処理回路に関する。
一般的に、侵入者の検知を行う警報システムに使用される熱線センサは、焦電素子等の熱線センサ素子によって熱線の変化を検知することから、侵入者としての人間(人体)の検知ばかりでなく、猫、犬、ねずみ等の小動物をも検知する場合がある。従来、小動物を検知せず人体のみを精度良く検知するために、例えば特許文献1及び特許文献2に開示の熱線センサが提案されている。
特許文献1に開示の熱線センサは、図8に示すように、3個の熱線センサ素子100a〜100cを配置し、各熱線センサ素子100a〜100cに増幅器101a〜101cと比較器102a〜102cをそれぞれ接続すると共に、中央の熱線センサ素子100bの増幅器101bに周波数検出器103を接続し、これらを制御部104に接続したものである。また、特許文献2に開示の熱線センサは、図9に示すように、3個の熱線センサ素子110a〜110cにスイッチ111a〜111cをそれぞれ接続し、この各スイッチ111a〜111cを一つの信号処理部112を介して制御部113に接続したものである。
特開平6−75059号公報 特開平9−115064号公報
しかしながら、特許文献1に開示の熱線センサにあっては、3個の熱線センサ素子100a〜100cを用いることにより小動物を検知することなく人体のみを検知することが可能になるものの、各熱線センサ素子100a〜100cにそれぞれ増幅器101a〜101cと比較器102a〜102c等が必要となって、回路規模が大きくなり熱線センサの小型化や低コスト化を妨げるという問題点を有している。この点、特許文献2に開示の熱線センサにあっては、3個の熱線センサ素子110a〜110cからの信号をスイッチ111a〜111cにより切り替えて熱線センサ素子数より少ない一つの信号処理部112で処理するため、検知精度を高めつつ回路規模を小さくすることが可能となる。
ところが、この特許文献2に開示の熱線センサの場合、ポップコーンノイズ等による誤アラームが生じる虞があるという問題点を有している。すなわち、特許文献2に開示の信号処理部112は、図2に示すように、バンドパスフィルターと2つの増幅器で構成されている。そして、この場合の増幅器は、通常演算増幅器で構成されて、熱線センサ素子からの出力信号が非常に小さく1万倍程度に増幅する必要があることと、一つの増幅器で1万倍程度に増幅させると、増幅率を設定する抵抗器が非常に大きくなり外来ノイズの影響を受け易くなる等、安定的に動作させることが困難になることから、2段構成とする必要がある。また、各スイッチ111a〜111cが閉じている期間は、熱線センサ素子110a〜110cから出力される信号の周波数や制御部113におけるサンプリング回数等を考慮して数msとされている。
特許文献1に開示の熱線センサの各増幅器101a〜101cから出力される信号は、図10の(a)及び(b)に示すようになり、この信号を各比較器102a〜102cにおいて各閾値と比較し、制御部104にて人体か否かの判断をしている。なお、図10においては、説明の便宜上、2つの増幅器101a、101bについて示してある。また、特許文献2に開示の熱線センサにおいては、熱線センサ素子110a〜110cからの出力信号を増幅する信号処理部112は、人体の移動による熱線センサ素子110a〜110cからの出力信号である1Hz付近の周波数成分を通過させ、かつ、外来ノイズ等に起因する信号を通過(増幅)させないように図4(a)に示す特性とするのが望ましい。
したがって、特許文献2に開示の熱線センサの場合、複数の熱線センサ素子(図10では2個)からの信号をスイッチで切り替えて1つの信号処理部112で増幅するので、制御部には図10(c)に示すような信号波形が入力されることになる。しかし、スイッチ111a〜111cの後に接続される信号処理部112のバンドパスフィルターと増幅器を合わせた周波数特性を図4(a)に示す特性に設定すると、熱線センサ素子110a〜110cから出力される信号が図11(b)に示すようになって、制御部113において人体か否かを判断するために用いられる波形とならない。
つまり、スイッチ111a〜111cが切り替わった瞬間の波形の立ち上がりや立ち下がりが信号処理部112の出力端子から出力されず、信号の大きさも本来の図11(a)に示すVaよりも小さい図11(b)に示すVbとなってしまう。これは、波形の立ち上がりや立ち下がりの部分が高い周波数成分であるため、この高い周波数成分がバンドパスフィルターによって濾過されるからである。通常、このような波形を増幅するためには、基本周波数の10倍程度の帯域が必要とされており、パルス幅(=スイッチ時間)が数msの矩形波は基本周波数が数百Hzであり、この矩形波の増幅に必要な帯域の高周波側は、図4(b)で示すように、数百Hz×10=数KHzとなる。したがって、特許文献2に開示の熱線センサにおける信号処理部112は、図4(b)に示す周波数特性としてある。
ところで、前記ポップコーンノイズとは、単発性のノイズで、焦電素子を構成する焦電体基板や支持台、接着剤、回路基板等の熱膨張率の違いにより、焦電素子基板や電極といった熱線センサ素子材料の欠陥部やダイシング等により生じるピッチング部、マイクロクラック部等に圧縮・引っ張りのストレスが集中し、不要な電荷が発生するために起こると考えられている。そして、ポップコーンノイズは、人体等の移動によって生じる出力信号よりも高い数十Hz〜百数十Hz程度の周波数であり、図4(b)に示すような周波数特性のバンドバスフィルターを有する信号処理部112の場合には、ポップコーンノイズも通過・増幅してしまうことになる。
このポップコーンノイズは、小型化のために複数の熱線センサ素子を一つのケースに納めた場合、全ての熱線センサ素子にほぼ同時に発生することが多く、ミラーやレンズ等の光学系と複数の熱線センサ素子を素子集合体として一つのケースに納めて、人体か小動物かを判断する熱線センサの場合には、各熱線センサ素子からポップコーンノイズが発生することになる。また、特許文献2に開示の熱線センサの場合、制御部113では3個の熱線センサ素子110a〜110cからの出力信号を閾値と比較し、全ての出力信号が閾値以上の場合に人体と判断し、3個の出力信号のうち一つでも閾値を超えない出力信号がある場合は、人体ではなく小動物と判断してアラーム信号を出力しないようになっている。したがって、特許文献2に開示の熱線センサの場合、ポップコーンノイズが生じた場合に、該ノイズが信号処理部112により増幅されて制御部113に入力されることになり、各熱線センサ素子110a〜110cの出力信号が全て閾値より大きくなって誤アラームが生じることになる。
本発明は、このような事情に鑑みてなされたもので、その目的は、複数の熱線センサ素子を使用した場合でも回路規模を大きくすることなく、かつポップコーンノイズ等による誤アラームを防ぐことが可能な熱線センサの信号処理回路を提供することにある。
かかる目的を達成すべく、本発明のうち請求項1に記載の発明は、複数の熱線センサ素子から出力される各信号を処理する熱線センサの信号処理回路であって、少なくとも1つの第1の熱線センサ素子から出力される信号を処理する少なくとも1つの第1の信号処理部と、複数の第2の熱線センサ素子から出力される各信号を選択的に入力して処理する第2の信号処理部と、を備えることを特徴とする。
また、請求項2に記載の発明は、前記第1の信号処理部と第2の信号処理部が異なる周波数特性を有し、第1の信号処理部の周波数特性が第2の信号処理部の周波数特性より狭帯域であることを特徴とする。さらに、請求項3に記載の発明は、前記第2の信号処理部と該第2の信号処理部に対応した各熱線センサ素子との間に、当該熱線センサ素子の出力信号を選択して第2の信号処理部に入力可能なスイッチが設けられていることを特徴とする。
本発明の請求項1に記載の発明によれば、少なくとも1つの第1の熱線センサ素子から出力される信号を処理する少なくとも1つの第1の信号処理部と、複数の第2の熱線センサ素子から出力される各信号を選択的に入力して処理する第2の信号処理部とを備えるため、複数の熱線センサ素子を使用した場合でも回路規模を大きくすることなく、かつ、ポップコーンノイズ等による誤アラームを防ぐことができる。
また、請求項2に記載の発明によれば、請求項1に記載の発明の効果に加え、第1の信号処理部と第2の信号処理部が異なる周波数特性を有し、第1の信号処理部の周波数特性が第2の信号処理部の周波数特性より狭帯域であるため、狭帯域の第1の信号処理部により周波数の高いポップコーンノイズ等の通過させず、誤アラームを確実に防ぐことができる。
さらに、請求項3に記載の発明によれば、請求項1または2に記載の発明の効果に加え、第2の信号処理部と該第2の信号処理部に対応した各熱線センサ素子との間に、当該熱線センサ素子の出力信号を選択して第2の信号処理部に入力可能なスイッチが設けられているため、信号処理部の数を熱線センサ素子の数より少なくすることができて、部品点数、コスト、スペース等を削減することができる。
以下、本発明を実施するための最良の形態を図面に基づいて詳細に説明する。
図1〜図4は、本発明に係わる信号処理回路の一実施形態を示し、図1がそのブロック図、図2が信号処理部の回路図、図3が各スイッチの開閉タイミングを示す図、図4が信号処理部の周波数特性を示す図である。
図1に示すように、信号処理回路1は、第1素子2a〜第3素子2cからなる3個の熱線センサ素子と、第1スイッチ3a〜第4スイッチ3dからなる4個のスイッチと、第1信号処理部4a及び第2信号処理部4bからなる2個の信号処理部と、制御部5等を備えている。そして、第1の熱線センサ素子としての前記第1素子2aは、第1信号処理部4aの入力側に接続され、この第1信号処理部4aの出力側には第1スイッチ3aの一方の端子が接続されている。また、第2の熱線センサ素子としての前記第2素子2bには、第2スイッチ3bの一方の端子が接続され、この第2スイッチ3bの他方の端子は第2信号処理部4bの入力側に接続されている。
さらに、第2の熱線センサ素子としての前記第3素子2cは、第3スイッチ3cの一方の端子に接続され、この第3スイッチ3cの他方の端子は第2信号処理部4bの入力側に接続されている。また、第2信号処理部4bの出力側は、第4スイッチ3dの一方の端子に接続され、この第4スイッチ3dの他方の端子と前記第1スイッチ3aの他方の端子は、制御部5の入力側に接続されている。なお、制御部5は、その出力端子から前記第1スイッチ3a〜第4スイッチ3dを開閉制御するための制御信号S1や後述するアラーム信号S2等が出力されるようになっている。
前記第1信号処理部4a及び第2信号処理部4bは、図2に示すように、バンドパスフィルター(BPF)6と、このバンドパスフィルター6の出力側に接続された直列状態の2段の演算増幅器からなる増幅器7a、7bでそれぞれ構成されている。そして、第1信号処理部4aと第2信号処理部4bの周波数特性は、互いに異なるように設定され、第1信号処理部4aの周波数特性は、図4(a)に示すように、1Hzを中心値とした狭帯域に設定され、また、第2信号処理部4bの周波数特性は、図4(b)に示すように、高周波側が数KHzの広帯域に設定されている。
前記制御部5は、マイクロプロセッサ及びその周辺回路によって構成され、第1素子2a〜第3素子2cからの出力信号により検知した物体が人体か否かを判断処理して、例えば人体の場合に前記アラーム信号S2を出力すると共に、制御信号S1により例えば半導体スイッチ等からなる第1スイッチ3a〜第4スイッチ3dの開閉(オン・オフ)を制御するようになっている。この制御部5による第1スイッチ3a〜第4スイッチ3dの制御は、例えば図3に示すように行われる。なお、以下の説明では、第1素子2aによる警戒ゾーンと第2素子2bによる警戒ゾーンが隣接し、第2素子2bによる警戒ゾーンと第3素子2cによる警戒ゾーンが隣接しているものとする。
図3における、(a)は第1スイッチ3aに対する制御信号を、(b)は第2スイッチ3bに対する制御信号を、(c)は第3スイッチ3cに対する制御信号を、(d)は第4スイッチ3dに対する制御信号を示している。また、図3の横軸は時間を示し、制御信号がハイレベルのときにスイッチ3a〜3dが閉じ、このスイッチ3a〜3dが閉じている期間に当該スイッチ3a〜3dに接続されている各信号処理部4a、4bまたは各素子2a〜2cの信号が、当該スイッチ3a〜3dを介して制御部5や所定の信号処理部4a、4bに入力されるようになっている。また、第1スイッチ3a〜第3スイッチ3cが閉じている期間tcは、数msであり、第4スイッチ3dが閉じている期間は、tcの2倍となっている。このとき、第4スイッチ3dと並列に第5スイッチ(図示せず)を設けて、第4スイッチ3dと第5スイッチが閉じている期間を第1スイッチ3a〜第3スイッチ3cと同様にtcとすることも可能である。
そして、図3に示すタイミングで第1スイッチ3a〜第4スイッチ3dが制御されることにより、信号処理回路1が次のように動作する。すなわち、第1スイッチ3aがオンすると、第1素子2aから第1信号処理部4aに入力された出力信号は、第1信号処理部4aで所定の処理(濾過及び増幅)がされて、その処理信号が閉じている第1スイッチ3aを介して制御部5に入力される。このとき、第1信号処理部4aの周波数特性が1Hz程度の狭帯域に設定されているため、第1スイッチ3aがオンした場合で第1素子2aにより検知された熱線の変化に起因する信号は通過して制御部5に入力されるが、それ以外のポップコーンノイズ等は通過せず制御部5に入力されないことになる。また、第1スイッチ3a、第4スイッチ3dと制御部5との間に増幅器がなく単に信号の切替を行っているだけなので、制御部5に入力される信号は、図11(b)のようにはならず、図11(a)のように正しい波形となる。
また、第1スイッチ3aのオフ後に第2スイッチ3bと第4スイッチ3dがオンすると、第2素子2bの出力信号が閉じている第2スイッチ3bを介して第2信号処理部4bに入力され、該信号処理部4bで所定に処理されてその処理信号が閉じている第4スイッチ3dを介して制御部5に入力される。さらに、第2スイッチ3bのオフ後に第3スイッチ3cと第4スイッチ3dがオンすると、第3素子2cの出力信号が閉じている第3スイッチ3cを介して第2信号処理部4bに入力され、該信号処理部4bで所定に処理されてその処理信号が閉じている第4スイッチ3dを介して制御部5に入力される。このとき、第2信号処理部4bの周波数特性の高周波側が数KHz程度に設定されていることから、人体の検知信号や小動物の検知信号あるいはポップコーンノイズの信号も第2信号処理部4aを通過して制御部5に入力されることになる。
これにより、例えばポップコーンノイズが全ての素子2a〜2c内で発生すると、第1素子2aで発生したノイズは第1信号処理部4aを通過せず制御部5に入力されないため、全ての素子2a〜2cからの出力信号が制御部5に入力されない状態となる。また、各素子2a〜2cで1Hz程度の人体に関する信号が検知された場合には、第1信号処理部4aと第2信号処理部4bがこの周波数帯の信号を共に通過させるため、全ての素子2a〜2cからの出力信号が制御部5に入力される状態となる。
そして、第1素子2a〜第3素子2cの各出力信号が、制御部5において予め設定されている閾値と比較され、3つの出力信号の全てが閾値以上の場合に検知された物体が人体と判断し、また、3つの出力信号のうち少なくとも一つの信号が所定の大きさに達せず閾値未満の場合には、検知された物体が人体ではなく小動物と判断される。したがって、前述したポッコーンノイズの場合は、第1信号処理回路4aを通過できないため、3つの出力信号の全てが制御部5に入力されず、制御部5により該ノイズを人体と判断してアラーム信号S2を出力する誤アラームが防止されることになる。
また、前記制御部5は、第1素子2aからの出力信号が閾値以上であり、かつその後、、所定の時間内の出力信号が閾値以上である状態が所定回数継続した場合、また、第2素子2bからの出力信号が閾値以上であり、かつその後、所定時間内の出力信号が閾値以上である状態が所定回数継続した場合、及び全ての素子2a〜2cからの出力信号が連続して閾値以上である状態が所定回数継続した場合等に、検知した物体が人体であると判断して前記アラーム信号S2を出力するようになっている。
なお、図3に示す各スイッチ3a〜3dの制御は一例であって、例えば第1スイッチ3aを常時閉じた状態とし、第1素子2aからの出力信号が閾値以上になった場合に、第1スイッチ3a〜第4スイッチ3dを図3に示す態様で繰り返し制御し、検知した物体が人体か否かを判断するようにしても良い。この例は、検知した物体が人体あれば、第1素子2aによる警戒ゾーンから中央の警戒ゾーンである第2素子2bによる警戒ゾーンを飛び越えて第3素子2cによる警戒ゾーンに入ることは通常考えられず、第1素子2aによる警戒ゾーンを横切ったならば次には第2素子2bによる警戒ゾーンを横切り、また逆に、第3素子2cによる警戒ゾーンを横切ったならば次には第2素子2bによる警戒ゾーンを横切るであろうという考えのもとで行われる制御である。
このように、上記実施形態の信号処理回路1にあっては、第1素子2aから出力される信号を処理する第1信号処理部4aと、第2素子2b及び第3素子2cから出力される信号を処理する第2の信号処理部4bを備えると共に、第2素子2bと第3素子2cの出力信号を選択的に制御部5に入力可能な第2スイッチ3b及び第3スイッチ3cを設けているため、制御部5によって各スイッチ3b、3cの開閉を制御することにより、第2素子2b及び第3素子2cから出力される各信号の第2信号処理部4bを介した制御部5への入力を選択的に切り替えることができる。
また、第1信号処理部4aと第2信号処理部4bが、それぞれバンドバスフィルター6と2段の増幅器7a、7bで形成され、第1信号処理部4aの周波数特性が1Hz程度の狭帯域に設定され、第2信号処理部4bの周波数特性の高周波側が1KHz程度に設定されているため、第1信号処理部4aにより周波数の高いポップコーンノイズを濾過して非通過とすることができる。これらにより、第1素子2a〜第3素子2cの使用により人体か小動物かの検知精度を高めつつ、信号処理回路1の回路規模を大きくすることなく、かつポップコーンノイズによる誤アラームを確実に防ぐこと等が可能となる。
さらに、第2信号処理部4bの入力側で第3素子2c及び第2素子2bとの間にスイッチ3b、3cが設けられているため、各スイッチ3b、3cを制御部5により開閉制御することができると共に、信号処理部4a、4bの数を第1素子2a〜第3素子2cの数より少なくすることができて、信号処理回路1の部品点数やコスト及びスペース等を削減することが可能となる。
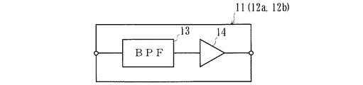
図5〜図7は、本発明に係わる信号処理回路の他の実施形態を示す、図5がブロック図、図6が信号処理部の回路図、図7がスイッチの開閉タイミングを示す図である。以下、上記実施形態と同一部位には、同一符号を付して説明する。この実施形態の信号処理回路1の特徴は、スイッチとして接点aと接点bを有する2個の第1切替スイッチ10aと第2切替スイッチ10bを使用すると共に、1個の第1信号処理部11と2個の第2信号処理部12a、12bを使用した点にある。
すなわち、第1切替スイッチ10aの接点aに第1信号処理部11を介して第1素子2aが接続され、第1切替スイッチ10aの接点bに第2信号処理部12bを介して第2切替スイッチ10bの共通接点が接続されている。また、第1切替スイッチ10aの共通接点には、第2信号処理部12aを介して制御部5が接続されている。さらに、第2切替スイッチ10bの接点aには第2素子2bが直接接続され、第2切替スイッチ10bの接点bには第3素子2cが直接接続され、また、第2切替スイッチ10bの共通接点には第2信号処理部12bの入力側が接続されている。
そして、この信号処理回路1の第1信号処理部11と2個の第2信号処理部12a、12bは、図6に示すように、バンドバスフィルター(BPF)13と1段の増幅器14で構成されており、第1信号処理部11と第2信号処理部12a、12bの周波数特性は、上記実施形態と同様に設定されている。また、各切替スイッチ10a、10bの開閉タイミングは、図7に示すように設定されている。
この実施形態の場合、第1素子2aの出力信号は、第1切替スイッチ10aが接点a側に位置する(前記第1スイッチ3aがオンに相当)場合に、第1信号処理部11と第2信号処理部12aを介して制御部5に入力される。また、第2素子2bの出力信号は、第2切替スイッチ10bが接点a側に位置(前記第2スイッチ3bがオンに相当)して、第1切替スイッチ10aが接点b側に位置(前記第4スイッチ3dがオンに相当)する場合に、第2信号処理部12b、12aを介して制御部5に入力される。さらに、第3素子2cの出力信号は、第2切替スイッチ10bが接点b側に位置(前記第3スイッチ3cがオンに相当)して、第2切替スイッチ10aが接点b側に位置する(前記第4スイッチ3dがオンに相当)場合に、第2信号処理部12b、12aを介して制御部5に入力されることになる。
この信号処理回路1においても、第1素子2a〜第3素子2cの出力信号を各切替スイッチ10a、10bの切替(開閉)により選択的に制御部5に入力することができて、第1信号処理部11によりポップコーンノイズを非通過として誤アラームを防止でき、上記実施形態とほぼ同様の作用効果を得ることができる。また、この実施形態の信号処理回路1によれば、増幅器を上記実施形態の4個に対して3個と低減させたり、スイッチの接点(端子)数を低減させることができて、信号処理回路1の構成の簡略化を図ること等が可能となる。
なお、上記各実施形態においては、熱線センサ素子数が3個である場合について説明したが、本発明はこれに限定されず、例えば熱線センサ素子数を4個とする場合、図1の二点鎖線で示すように、第2の熱線センサ素子としての第4素子2dを第2素子2b等と同様に接続すれば良い。また、第1の熱線センサ素子は1個に限らず、例えば図1の破線で示すように、第1の熱線センサ素子としての第5素子2eを、第1信号処理部4a’及び第1スイッチ3a’を介して制御部5に接続することもでき、熱線センサ素子数は適宜に増減することができる。
また、上記実施形態における、スイッチの開閉制御の態様、制御部における信号の処理態様等も一例であって、ほぼ同様の作用効果が得られる他の適宜の態様を採用することもできる。さらに、上記実施形態における、信号処理回路自体の構成や、各信号処理部の構成、スイッチの形態等も一例であって、例えば増幅器にバンドパスフィルターの機能を保たせて前記バンドパスフィルターを省略する等、本発明に係わる各発明の要旨を逸脱しない範囲において適宜に変更することができる。
本発明は、複数の熱線センサ素子を有する全ての熱線センサの信号処理回路に利用できる。
本発明に係わる熱線センサの信号処理回路の一実施形態を示すブロック図 同その信号処理部の回路図 同各スイッチの開閉タイミングを示す図 同信号処理部の周波数特性を示す図 本発明に係わる信号処理回路の他の実施形態を示すブロック図 同その信号処理部の回路図 同各スイッチの開閉タイミングを示す図 従来の信号処理回路のブロック図 従来の他の信号処理回路のブロック図 同その説明図 同他の説明図
符号の説明
1・・・信号処理回路、2a・・・第1素子、2b・・・第2素子、2c・・・第3素子、2d・・・第4素子、2e・・・第5素子、3a、3a’・・・第1スイッチ、3b・・・第2スイッチ、3c・・・第3スイッチ、3d・・・第4スイッチ、4a、4a’・・・第1信号処理部、4b・・・第2信号処理部、5・・・制御部、6・・・バンドパスフィルター、7a、7b・・・増幅器、10a・・・第1切替スイッチ、10b・・・第2切替スイッチ、11・・・第1信号処理部、12a、12b・・・第2信号処理部、13・・・バンドパスフィルター、14・・・増幅器、S1・・・制御信号、S2・・・アラーム信号。

Claims (3)

  1. 複数の熱線センサ素子から出力される各信号を処理する熱線センサの信号処理回路であって、
    少なくとも1つの第1の熱線センサ素子から出力される信号を処理する少なくとも1つの第1の信号処理部と、複数の第2の熱線センサ素子から出力される各信号を選択的に入力して処理する第2の信号処理部と、を備えることを特徴とする熱線センサの信号処理回路。
  2. 前記第1の信号処理部と第2の信号処理部が異なる周波数特性を有し、第1の信号処理部の周波数特性が第2の信号処理部の周波数特性より狭帯域であることを特徴とする請求項1に記載の熱線センサの信号処理回路。
  3. 前記第2の信号処理部と該第2の信号処理部に対応した各熱線センサ素子との間に、当該熱線センサ素子の出力信号を選択して第2の信号処理部に入力可能なスイッチが設けられていることを特徴とする請求項1または2に記載の熱線センサの信号処理回路。
JP2008174596A 2008-07-03 2008-07-03 熱線センサの信号処理回路 Active JP5158955B2 (ja)

Priority Applications (1)

Application Number Priority Date Filing Date Title
JP2008174596A JP5158955B2 (ja) 2008-07-03 2008-07-03 熱線センサの信号処理回路

Applications Claiming Priority (1)

Application Number Priority Date Filing Date Title
JP2008174596A JP5158955B2 (ja) 2008-07-03 2008-07-03 熱線センサの信号処理回路

Publications (2)

Publication Number Publication Date
JP2010014537A true JP2010014537A (ja) 2010-01-21
JP5158955B2 JP5158955B2 (ja) 2013-03-06

Family

ID=41700781

Family Applications (1)

Application Number Title Priority Date Filing Date
JP2008174596A Active JP5158955B2 (ja) 2008-07-03 2008-07-03 熱線センサの信号処理回路

Country Status (1)

Country Link
JP (1) JP5158955B2 (ja)

Citations (5)

* Cited by examiner, † Cited by third party
Publication number Priority date Publication date Assignee Title
JPH0675059A (ja) * 1992-08-25 1994-03-18 Atsumi Denki Kk 熱線センサシステム
JPH09101376A (ja) * 1995-10-04 1997-04-15 Opt Kk 受動型赤外線式人体検知装置
JPH09115064A (ja) * 1995-10-19 1997-05-02 Atsumi Electron Corp Ltd 熱線センサの信号処理回路
JP2000138541A (ja) * 1998-11-02 2000-05-16 Atsumi Electric Co Ltd 熱線センサの増幅回路
JP2002310788A (ja) * 2001-04-10 2002-10-23 Atsumi Electric Co Ltd 熱線センサシステム

Patent Citations (5)

* Cited by examiner, † Cited by third party
Publication number Priority date Publication date Assignee Title
JPH0675059A (ja) * 1992-08-25 1994-03-18 Atsumi Denki Kk 熱線センサシステム
JPH09101376A (ja) * 1995-10-04 1997-04-15 Opt Kk 受動型赤外線式人体検知装置
JPH09115064A (ja) * 1995-10-19 1997-05-02 Atsumi Electron Corp Ltd 熱線センサの信号処理回路
JP2000138541A (ja) * 1998-11-02 2000-05-16 Atsumi Electric Co Ltd 熱線センサの増幅回路
JP2002310788A (ja) * 2001-04-10 2002-10-23 Atsumi Electric Co Ltd 熱線センサシステム

Also Published As

Publication number Publication date
JP5158955B2 (ja) 2013-03-06

Similar Documents

Publication Publication Date Title
TW201637434A (zh) 數位成像及脈衝偵測像素
JP2013524178A (ja) 放射線センサ
JP2010216821A (ja) 赤外線式人体検知装置
JP5158955B2 (ja) 熱線センサの信号処理回路
US20180373948A1 (en) Image capturing device and image capturing method
US7196553B2 (en) Sensor signal detection device
US20050068177A1 (en) Security device for detecting change of air pressure and method thereof
KR102179874B1 (ko) 위조 지문 감지가 가능한 지문 인식 장치 및 이의 구동 방법
US20040164647A1 (en) Piezoelectric transducer circuit with improved shock recovery
JP6614167B2 (ja) 緊急通報装置
CN114761771B (zh) 热电型红外线检测器以及集成电路
JP4460516B2 (ja) 人体検知装置
JP3458735B2 (ja) 赤外線検出装置
JP2003227753A (ja) 赤外線検出回路及び赤外線検出装置
JP2002357668A (ja) 人体検知器の異常検出方法
JP6544678B2 (ja) 赤外線検出装置
JP7003023B2 (ja) 金属検出装置
JP2520679B2 (ja) 音振動式フロ―センサの調整方法
JP2002310788A (ja) 熱線センサシステム
JP4393906B2 (ja) 炎感知器
KR100896344B1 (ko) 이동체의 방향 감지장치
CN101676821B (zh) 感测电路及其信号处理方法
JP3289119B2 (ja) 人体検知装置
JPH02272330A (ja) 移動物体検出用赤外線センサ
JPH01132298A (ja) リモコン位置検出装置

Legal Events

Date Code Title Description
A621 Written request for application examination

Free format text: JAPANESE INTERMEDIATE CODE: A621

Effective date: 20110425

A977 Report on retrieval

Free format text: JAPANESE INTERMEDIATE CODE: A971007

Effective date: 20120815

A131 Notification of reasons for refusal

Free format text: JAPANESE INTERMEDIATE CODE: A131

Effective date: 20120910

A521 Request for written amendment filed

Free format text: JAPANESE INTERMEDIATE CODE: A523

Effective date: 20121018

TRDD Decision of grant or rejection written
A01 Written decision to grant a patent or to grant a registration (utility model)

Free format text: JAPANESE INTERMEDIATE CODE: A01

Effective date: 20121207

A61 First payment of annual fees (during grant procedure)

Free format text: JAPANESE INTERMEDIATE CODE: A61

Effective date: 20121210

R150 Certificate of patent or registration of utility model

Ref document number: 5158955

Country of ref document: JP

Free format text: JAPANESE INTERMEDIATE CODE: R150

Free format text: JAPANESE INTERMEDIATE CODE: R150

FPAY Renewal fee payment (event date is renewal date of database)

Free format text: PAYMENT UNTIL: 20151221

Year of fee payment: 3

R250 Receipt of annual fees

Free format text: JAPANESE INTERMEDIATE CODE: R250

R250 Receipt of annual fees

Free format text: JAPANESE INTERMEDIATE CODE: R250

R250 Receipt of annual fees

Free format text: JAPANESE INTERMEDIATE CODE: R250

R250 Receipt of annual fees

Free format text: JAPANESE INTERMEDIATE CODE: R250

S531 Written request for registration of change of domicile

Free format text: JAPANESE INTERMEDIATE CODE: R313532

R350 Written notification of registration of transfer

Free format text: JAPANESE INTERMEDIATE CODE: R350