JP2010010354A - コイル部品 - Google Patents

コイル部品 Download PDF

Info

Publication number
JP2010010354A
JP2010010354A JP2008167357A JP2008167357A JP2010010354A JP 2010010354 A JP2010010354 A JP 2010010354A JP 2008167357 A JP2008167357 A JP 2008167357A JP 2008167357 A JP2008167357 A JP 2008167357A JP 2010010354 A JP2010010354 A JP 2010010354A
Authority
JP
Japan
Prior art keywords
core
plate
electrode
drum
coil component
Prior art date
Legal status (The legal status is an assumption and is not a legal conclusion. Google has not performed a legal analysis and makes no representation as to the accuracy of the status listed.)
Granted
Application number
JP2008167357A
Other languages
English (en)
Other versions
JP4984172B2 (ja
Inventor
Hisao Tomonari
寿緒 友成
Hiroshi Suzuki
鈴木  寛
Toshihiro Kuroshima
敏浩 黒嶋
Current Assignee (The listed assignees may be inaccurate. Google has not performed a legal analysis and makes no representation or warranty as to the accuracy of the list.)
TDK Corp
Original Assignee
TDK Corp
Priority date (The priority date is an assumption and is not a legal conclusion. Google has not performed a legal analysis and makes no representation as to the accuracy of the date listed.)
Filing date
Publication date
Application filed by TDK Corp filed Critical TDK Corp
Priority to JP2008167357A priority Critical patent/JP4984172B2/ja
Publication of JP2010010354A publication Critical patent/JP2010010354A/ja
Application granted granted Critical
Publication of JP4984172B2 publication Critical patent/JP4984172B2/ja
Active legal-status Critical Current
Anticipated expiration legal-status Critical

Links

Images

Landscapes

  • Coils Or Transformers For Communication (AREA)

Abstract

【課題】構成部品の増加を抑えつつ、導電性のコアを備えかつ電極が形成されたコイル部品の提供。
【解決手段】巻芯部21と巻芯部21の両端に配置される第一鍔部3及び第二鍔部4とを有する導電体のドラムコア2と、巻芯部21に巻回される巻線部6と、実装箇所になると共に第一鍔部3及び第二鍔部4とに跨って当接してドラムコア2を担持する絶縁体の板状コア5と、板状コアの周縁であって長手方向一端側と他端側と設けられて巻線部6が継線される第一電極部7及び第二電極部8と、を備えたコイル部品1を提供する。
【選択図】図1

Description

本発明はコイル部品に関し、特に導電性のコアを備えたコイル部品に関する。
従来、特許文献1に示されるように、ドラムコアの鍔部に跨って設置された板状コアを備えたコイル部品がある。このコイル部品では、ドラムコアと板状コアとにより閉磁路を形成している。
特開2003−264111号公報
また高インダクタンスを要求されるパルストランス等において、高透磁率材料であるMn−Zn系フェライトコアが使用されている。Mn−Zn系フェライトコアは導電性であるため、コアに電極を設ける際には電極とコアとの間に絶縁材を介在させる必要がある。絶縁体としてコアに絶縁コーティングを施し、絶縁コーティング表面に電極を取り付ける方法もあるが、この場合、コイル部品製造に係る工数や構成部品が増え、コストも増加していた。そこで本発明は、構成部品の増加を抑えつつ、導電性のコアを備えかつ電極が形成されたコイル部品を提供することを目的とする。
上記課題を解決するために本発明は、巻芯部と巻芯部の両端に配置される一対の鍔部とを有する導電体のドラムコアと、巻芯部に巻回される被覆導線と、実装箇所になると共に一対の鍔部に跨って当接してドラムコアを担持する絶縁体の板状コアと、少なくとも板状コアの周縁に設けられて被覆導線が継線される電極部と、を備えたコイル部品を提供する。
この様な構成によると、構成部品を増やさず、導電性のコアに電極を設けずともコイル部品に電極を設けることができる。また導電性のコアと実装される基板との間に絶縁性の板状コアがあるため、導電性のコアと基板とを確実に絶縁している。よって導電性のコアと基板との間の距離を確保する必要が無く、コイル部品の低背化を図ることができる。また基板と巻芯部に巻かれた被覆導線との間に板状コアがあるため、基板からハンダが被覆導線に飛散し被覆導線が傷つくことが抑制される。
上記構成のコイル部品において、板状コアは磁性体から構成され、ドラムコアと板状コアとの間には接着剤が介在し、接着剤は巻芯部または巻芯部に巻回された被覆導線と板状コアとを接着していることが好ましい。
また板状コアは磁性体から構成され、一対の鍔部のそれぞれと板状コアとの間には、被覆導線を板状コアの周縁に導出する導出通路が形成され、ドラムコアと板状コアとの間には接着剤が介在し、接着剤は導出通路内に充填されてドラムコアと板状コアとを接着していてもよい。
これらの構成によると板状コアとドラムコアとが直に接するため板状コアとドラムコアとの間のギャップが小さくなり、インダクタンスの向上を図ることができる。
また板状コアは磁性体から構成され、ドラムコアの反板状コア側に配置され一対の鍔部に跨って当接する磁性体の第二板状コアを有することが好ましい。
この様な構成によると、漏洩磁束を減少することができる。また反板状コア側となる位置に第二板状コアが位置するため、第二板状コアに平面を形成することにより、この平面をコイル部品実装時の吸着面として使用することができる。
また電極部は、板状コアのドラムコア軸方向一端側に配置される第一電極部と、ドラムコア軸方向他端側に配置される第二電極部と、第一電極部と第二電極部との略中間位置に配置される中間タップ部と、を含んで構成されていてもよい。
この様な構成によると、隣り合う電極の間の間隔を広げた状態で、板状コアの周縁に第一電極部と第二電極部と中間タップ部とのそれぞれを構成する電極を配置することができ、隣り合う電極の間の隙間を大きく採ることができる。これにより電極幅を大きく構成することができ、電極への被覆導線の継線及び電極の基板への継線を容易にすることができる。
また電極部は、板状コアのドラムコア軸方向一端側に配置される複数の電極と板状コアのドラムコア軸方向他端側に配置される複数の電極とを含んで構成され、板状コアには、一端側に配置される複数の電極と他端側に配置される複数の電極との間を接続する導線が配線されていることが好ましい。
この様な構成によると、巻芯部に導線を巻回せずに、一端側と他端側との電極を結ぶことができる。よって巻芯部における巻線形状を簡略化することができる。
本発明のコイル部品によれば、構成部品の増加を抑えつつ導電性のコアに電極を形成することができる。
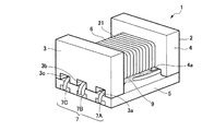
以下、本発明の第一の実施の形態に係るコイル部品について図1から図4に基づいて説明する。図1に示されるコイル部品1はパルストランスとして用いられるものであり、ドラムコア2と、板状コア5と、導線6と、第一、第二電極部7、8とから主に構成されている。
ドラムコア2は、導電性を備えるMn−Zn系フェライトを基材として構成されており、巻芯部21と巻芯部21の両端に設けられた略同一形状の一対の第一、第二鍔部3、4とから構成されている。第一鍔部3と第二鍔部4とは対象な形状であるため、代表として第一鍔部3について説明する。第一鍔部3にはそれぞれ導線6の端部を通す三本の第一溝3a〜第三溝3cが形成されている。第一溝3a〜第三溝3cは、第一鍔部3の巻芯部21側の面からドラムコア2の軸方向端面となる面まで貫通して形成されている。第二鍔部4にも同様の第四溝4a〜第六溝が形成されている。
板状コア5は、絶縁性のNi−Zn系フェライトを基材としており、長方形の平板状に構成され図示せぬ基板に実装される実装箇所である。この板状コア5は、その長方形平面上に、第一鍔部3と第二鍔部4とが長方形平面の長手方向の一端と他端とに位置するようにドラムコア2を担持し、ドラムコア2を担持している面の反対面(実装面)で図示せぬ基板上に実装される。よって図示せぬ基板とドラムコア2との間に絶縁体である板状コア5が介在するため、ドラムコア2と図示せぬ基板との間を過度に離間させずともドラムコア2と図示せぬ基板とがショートすることが抑制される。故に構成部品を増やさずにドラムコア2と図示せぬ基板との間を絶縁することができ、かつコイル部品1全体として低背化を図ることができる。また図示せぬ基板と巻芯部21に巻かれた導線6との間に板状コア5があるため、コイル部品1を図示せぬ基板に実装する際に、基板からハンダが導線6に飛散して導線6が傷つくことが抑制される。
第一電極部7は、板状コア5の周縁であって長手方向の一端側に配置されており、第一溝3a〜第三溝3cに対応して第一電極7A〜第三電極7Cの三本の電極から構成されている。第一電極7A〜第三電極7Cはそれぞれ周縁から実装面に跨って板状コア5に接着されている。板状コア5は絶縁体であるため、板状コア5と第一電極7A〜第三電極7Cとがショートすることはない。第二電極部8も第一電極部7と同様に構成されており、板状コア5の他端に配置されて、第四溝4a〜第六溝に対応した第四電極8A〜第六電極8C(図2)を備えている。
導線6は図2に示されるように、一端と他端とが第一電極7Aと第二電極7Bとに継線されている第一導線61と、一端と他端とが第二電極7Bと第三電極7Cとに継線されている第二導線62と、一端と他端とが第四電極8Aと第五電極8Bとに継線されている第三導線63と、一端と他端とが第五電極8Bと第六電極8Cとに継線されている第四導線64とから構成されており、いずれの導線も中間部分で巻芯部21に巻回されている。第一導線61〜第四導線64はいずれも被覆導線であり、かつ絶縁体である板状コア5上の第一電極7A〜第六電極8Cに継線されているため、導電体のドラムコア2とショートすることは無く、好適に図3に示されるトランスを構成することができる。
また図1に示されるように、巻芯部21回りの導線6と板状コア5との間に接着剤9が充填されて、導線6が巻回されたドラムコア2と板状コア5とが接着されている。よって第一鍔部3及び第二鍔部4と板状コア5との間に接着剤9が介在せずとも、板状コア5とドラムコア2とが接着されるため、板状コア5とドラムコア2(第一鍔部3及び第二鍔部4)とが直に接して板状コア5とドラムコア2との間のギャップが小さくなり、インダクタンスの向上を図ることができる。
また第一の実施の形態のコイル部品1の変形例として、図4に示されるように、ドラムコア2の反板状コア側であって、第一鍔部3及び第二鍔部4に跨って板状コア5と同形状の第二板状コア10を配置しても良い。この第二板状コア10は磁性体であれば、導電性、絶縁性のいずれであっても良い。第二板状コア10を設けることにより、コイル部品1の漏洩磁束を減少することができる。また反実装面となる位置に第二板状コア10が位置し、かつ第二板状コア10は平面であるため、第二板状コア10を備えたコイル部品1を吸着実装する際に、吸着面となることができ、好適にコイル部品1を実装することができる。
また図4に示されるように、接着剤9を、第一溝3a〜第六溝の中に充填してドラムコア2と板状コア5とを接着する構成を採っても良い。この構成においても、板状コア5とドラムコア2(第一鍔部3及び第二鍔部4)とが直に接して板状コア5とドラムコア2との間のギャップが小さくなり、インダクタンスの向上を図ることができる。
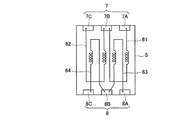
次に本発明の第二の実施の形態のコイル部品について図5から図8に基づき説明する。図5に示されるコイル部品101はバルントランスとして用いられるものであり、ドラムコア102と、板状コア105と、導線106と電極部107から主に構成されている。ドラムコア102と板状コア105とについては第一の実施の形態のドラムコア2と板状コア5と略同形状であるため、主な説明を省略する。電極部107は、略長方形状の板状コア105の長手方向一端側に配置された一対の第一電極171A、第二電極171Bから構成される第一電極部171と、長手方向他端側に配置された一対の第三電極172A、第四電極172Bから構成される第二電極部172(図6)と、板状コア105の周縁であって第一電極部171と第二電極部172との略中間位置となる位置に配置された中間タップ173とから構成されている。これら第一電極171A〜第四電極172B、中間タップ173の計五個の電極は、いずれも板状コア105の周縁と実装面とに跨って配置されている。
電極部107を構成する五個の電極は、板状コア105の両端に二個ずつ(第一電極部171と第二電極部172の計四個)配置され、板状コア105の中央位置に一個の電極が配置されることにより、隣り合う電極の間の間隔を広くして隙間を大きくとることができ、電極の配置の自由度を増すことができる。また電極を大きく構成することができるため、図示せぬ基板にコイル部品101を実装する際、容易に実装することができる。また大きな電極であることにより、それぞれの電極に巻芯部121からの導線を継線することも容易になり、コイル部品101の製造時の作業性を増すことができる。
ドラムコア102においては、第一電極部171と第二電極部172とに対応して、第一鍔部103に第一溝103a及び第二溝103bが形成され、第二鍔部104に第三溝104a及び第四溝が形成されている。
導線106は図6に示されるように、一端と他端とが第二電極171Bと第四電極172Bとに継線される第一導線161と、一端と他端とが第一電極171Aと中間タップ173とに継線される第二導線162と、一端と他端とが中間タップ173と第三電極172Aとに継線される第三導線163とから構成されている。これら第一導線161〜第三導線163は、図7に示されるように、巻芯部121の回りに一層目として第一導線161が巻回され、二層目として第二導線162と第三導線163とが半分ずつ巻回されている。よって図8に示されるトランスが構成される。
また第二の実施の形態のコイル部品101においては、第一の実施の形態のコイル部品1と同様に、ドラムコア102と板状コア105とを巻芯部121位置に接着剤を充填して接合しても良いし、第一溝103a〜第四溝内に接着剤を充填してドラムコア102と板状コア105とを接合しても良い。
次に本発明の第三の実施の形態にかかるコイル部品について図9から図12に基づき説明する。図9に示されるコイル部品201はパルストランスとして用いられるものであり、ドラムコア202と、板状コア205と、導線206と第一、第二電極部207、208とから主に構成されている。ドラムコア202と板状コア205と第一、第二電極部207、208とについては第一の実施の形態のドラムコア2と板状コア5と略同形状であるため、主な説明を省略する。
図9に示されるように、第一電極部207は板状コア205の長手方向一端側に第一電極207A〜第四電極207Dの四個の電極が並べられて構成されている。第二電極部208(図10)は板状コア205の長手方向他端側に第五電極208A〜第八電極208Dの四個が並べられて構成されている。
ドラムコア202においては、第一電極部207と第二電極部208(図10)とに対応して、第一鍔部203に第一溝203a〜第四溝203dが形成され、第二鍔部204に第五溝204a〜第八溝が形成されている。
導線206は、図10に示されるように、一端と他端とが第一電極207Aと第五電極208Aとに継線される第一導線261と、一端と他端とが第二電極207Bと第六電極208Bとに継線される第二導線262と、一端と他端とが第三電極207Cと第七電極208Cとに継線される第三導線263と、一端と他端とが第四電極207Dと第八電極208Dとに継線される第四導線264と、一端と他端とが第一電極207Aと第七電極208Cとに継線される第五導線265と、一端と他端とが第二電極207Bと第八電極208Dとに継線される第六導線266と、から構成されている。
第一導線261〜第四導線264については予め四本よりあわせた状態で巻芯部221に巻回された後に、それぞれの一端と他端とが対応する電極に継線されている。また第五導線265及び第六導線266については、図11に示されるように、板状コア205の実装面上に配線されており、巻芯部221に巻回される構成を採っていない。よって第一導線261〜第四導線264を寄りあわせた一本の束を巻芯部221に巻回した後にそれぞれの電極に継線した簡略化された構成のみで、図12に示されるトランスを形成することができ、コイル部品201製造時の工程を簡略化することができる。
また第三の実施の形態のコイル部品201においても、第一の実施の形態のコイル部品1と同様に、ドラムコア202と板状コア205とを巻芯部221位置に接着剤を充填して接合しても良いし、第一溝203a〜第八溝内に接着剤を充填してドラムコア202と板状コア205とを接合しても良い。
また第一〜第三の実施の形態では、いずれも鍔部に溝を形成して巻芯部からの導線を電極に導いているがこれに限らず、板状コアと鍔部との間となる位置に溝が形成されていれば、板状コアと鍔部とのいずれまたは両方に溝が形成されていても良い。また第二、第三の実施の形態において、第一の実施の形態の第二板状コアと同様なコアを備えていても良い。この場合においてはそれぞれコイル部品の漏洩磁束を減少することができ、吸着面として第二板状コアを使用することができる。
尚、第一〜第三の実施の形態ではいずれもトランスについて説明したが、これに限らず、ドラムコアと板状コアとドラムコアに巻回される巻線とを備えるコイル部品であるならば、いずれも本発明を適用できるのは言及するまでもない。
第一の実施の形態に係るコイル部品の斜視図。 第一の実施の形態に係るコイル部品の電極と巻線の関係を示す結線模式図。 第一の実施の形態に係るコイル部品の回路図。 第一の実施の形態に係るコイル部品の変形例の斜視図。 第二の実施の形態に係るコイル部品の斜視図。 第二の実施の形態に係るコイル部品の電極と巻線の関係を示す結線模式図。 第二の実施の形態に係るコイル部品の巻芯部への巻線の巻き方を示す概略図。 第二の実施の形態に係るコイル部品の回路図。 第三の実施の形態に係るコイル部品の斜視図。 第三の実施の形態に係るコイル部品の電極と巻線の関係を示す結線模式図。 第三の実施の形態に係るコイル部品の電極と巻線と板状コアとの関係を示す図。 第三の実施の形態に係るコイル部品の回路図。
符号の説明
1・・コイル部品 2・・ドラムコア 3・・第一鍔部 3a〜3c・・第一〜第三溝
4・・第二鍔部 4a・・第三溝 5・・板状コア 6・・巻芯部 7・・第一電極部
7A・・第一電極 7B・・第二電極 7C・・第三電極 8・・第二電極部
8A・・第四電極 8B・・第五電極 8C・・第六電極 9・・接着剤
10・・第二板状コア 21・・巻芯部 61・・第一導線 62・・第二導線
63・・第三導線 64・・第四導線 101・・コイル部品 102・・ドラムコア
103・・第一鍔部 103a・・第一溝 103b・・第二溝 104・・第二鍔部
104a・・第三溝 105・・板状コア 106・・巻芯部 107・・電極部
121・・巻芯部 161・・第一導線 162・・第二導線 163・・第三導線
171・・第一電極部 171A・・第一電極 171B・・第二電極
172・・第二電極部 172A・・第三電極 172B・・第四電極
173・・中間タップ 201・・コイル部品 202・・ドラムコア
203・・第一鍔部 203a〜d・・第一〜第四溝 204・・第二鍔部
204a、b・・第五、第六溝 205・・板状コア 206・・巻芯部
207・・第一電極部 207A・・第一電極 207B・・第二電極
207C・・第三電極 207D・・第四電極 208・・第二電極部
208A・・第五電極 208B・・第六電極 208C・・第七電極
208D・・第八電極 221・・巻芯部 261・・第一導線 262・・第二導線
263・・第三導線 264・・第四導線 265・・第五導線 266・・第六導線

Claims (6)

  1. 巻芯部と該巻芯部の両端に配置される一対の鍔部とを有する導電体のドラムコアと、
    該巻芯部に巻回される被覆導線と、
    実装箇所になると共に該一対の鍔部に跨って当接して該ドラムコアを担持する絶縁体の板状コアと、
    少なくとも該板状コアの周縁に設けられて該被覆導線が継線される電極部と、を備えたことを特徴とするコイル部品。
  2. 該板状コアは磁性体から構成され、
    該ドラムコアと該板状コアとの間には接着剤が介在し、該接着剤は該巻芯部または該巻芯部に巻回された該被覆導線と該板状コアとを接着していることを特徴とする請求項1に記載のコイル部品。
  3. 該板状コアは磁性体から構成され、
    該一対の鍔部のそれぞれと該板状コアとの間には、該被覆導線を該板状コアの周縁に導出する導出通路が形成され、
    該ドラムコアと該板状コアとの間には接着剤が介在し、該接着剤は該導出通路内に充填されて該ドラムコアと該板状コアとを接着していることを特徴とする請求項1に記載のコイル部品。
  4. 該板状コアは磁性体から構成され、
    該ドラムコアの反板状コア側に配置され該一対の鍔部に跨って当接する磁性体の第二板状コアを有することを特徴とする請求項1から請求項3のいずれか一に記載のコイル部品。
  5. 該電極部は、該板状コアの該ドラムコア軸方向一端側に配置される第一電極部と、該ドラムコア軸方向他端側に配置される第二電極部と、該第一電極部と該第二電極部との略中間位置に配置される中間タップ部と、を含んで構成されていることを特徴とする請求項1から請求項4のいずれか一に記載のコイル部品。
  6. 該電極部は、該板状コアの該ドラムコア軸方向一端側に配置される複数の電極と該板状コアの該ドラムコア軸方向他端側に配置される複数の電極とを含んで構成され、
    該板状コアには、該一端側に配置される複数の電極巻線と該他端側に配置される複数の電極との間を接続する導線が配線されていることを特徴とする請求項1から請求項5のいずれか一に記載のコイル部品。
JP2008167357A 2008-06-26 2008-06-26 コイル部品 Active JP4984172B2 (ja)

Priority Applications (1)

Application Number Priority Date Filing Date Title
JP2008167357A JP4984172B2 (ja) 2008-06-26 2008-06-26 コイル部品

Applications Claiming Priority (1)

Application Number Priority Date Filing Date Title
JP2008167357A JP4984172B2 (ja) 2008-06-26 2008-06-26 コイル部品

Publications (2)

Publication Number Publication Date
JP2010010354A true JP2010010354A (ja) 2010-01-14
JP4984172B2 JP4984172B2 (ja) 2012-07-25

Family

ID=41590500

Family Applications (1)

Application Number Title Priority Date Filing Date
JP2008167357A Active JP4984172B2 (ja) 2008-06-26 2008-06-26 コイル部品

Country Status (1)

Country Link
JP (1) JP4984172B2 (ja)

Cited By (17)

* Cited by examiner, † Cited by third party
Publication number Priority date Publication date Assignee Title
JP2012256669A (ja) * 2011-06-08 2012-12-27 Tdk Corp コイル部品
CN103268804A (zh) * 2013-05-10 2013-08-28 华为机器有限公司 表贴式磁性器件
CN103745800A (zh) * 2014-01-14 2014-04-23 深圳顺络电子股份有限公司 一种脉冲变压器及其制造方法
JP2015065272A (ja) * 2013-09-25 2015-04-09 Tdk株式会社 パルストランス
US20150206649A1 (en) * 2014-01-23 2015-07-23 Kinnexa, Inc. Improved structure of smd (surface mount device) type signal transformer
CN105469933A (zh) * 2016-01-29 2016-04-06 深圳顺络电子股份有限公司 一种脉冲变压器及其制造方法
CN105489344A (zh) * 2016-01-26 2016-04-13 深圳顺络电子股份有限公司 脉冲变压器及其制造方法
EP3165935A1 (en) * 2015-11-02 2017-05-10 TDK Corporation Magnetic sensor and current sensor including the same
JP2017090050A (ja) * 2015-11-02 2017-05-25 Tdk株式会社 磁気センサ用インダクタンス素子及びこれを備える電流センサ
JP2019220664A (ja) * 2018-06-19 2019-12-26 Tdk株式会社 コイル部品
JP2019220665A (ja) * 2018-06-19 2019-12-26 Tdk株式会社 コイル部品
CN110619994A (zh) * 2018-06-19 2019-12-27 Tdk株式会社 线圈部件
JP2020170806A (ja) * 2019-04-04 2020-10-15 Tdk株式会社 コイル部品
JP2021019026A (ja) * 2019-07-18 2021-02-15 Tdk株式会社 コイル部品
US20210280356A1 (en) * 2020-03-03 2021-09-09 Tdk Corporation Coil component
US20220059281A1 (en) * 2020-08-19 2022-02-24 Tdk Corporation Coil component
US11424070B2 (en) 2018-06-19 2022-08-23 Tdk Corporation Coil component

Citations (13)

* Cited by examiner, † Cited by third party
Publication number Priority date Publication date Assignee Title
JPS5944011U (ja) * 1982-09-14 1984-03-23 日本フエライト株式会社 巻線部品
JPS6468911A (en) * 1987-09-09 1989-03-15 Murata Manufacturing Co Coil device
JP2000012341A (ja) * 1998-06-26 2000-01-14 Tokyo Coil Engineering Kk チョークコイル
JP2000269049A (ja) * 1999-03-16 2000-09-29 Taiyo Yuden Co Ltd コモンモードチョークコイル
JP2000269050A (ja) * 1999-03-16 2000-09-29 Taiyo Yuden Co Ltd コモンモードチョークコイル
JP2001093756A (ja) * 1999-09-20 2001-04-06 Tdk Corp コモンモードフィルタ
JP2001102217A (ja) * 1999-09-30 2001-04-13 Tdk Corp コイル装置
JP2003031428A (ja) * 2001-07-19 2003-01-31 Toko Inc コイル部品を備えた小型電子回路装置
JP2003086442A (ja) * 2001-09-12 2003-03-20 Murata Mfg Co Ltd 巻線型コイル部品の製造方法及びコイル部品
JP2003347129A (ja) * 2002-05-24 2003-12-05 Minebea Co Ltd 表面実装型コイル
JP2004214371A (ja) * 2002-12-27 2004-07-29 Tdk Corp 面実装型コイル部品及びその製造方法
JP2005019716A (ja) * 2003-06-26 2005-01-20 Nec Tokin Corp 磁芯及びその製造方法及びチョークコイル
JP2005101521A (ja) * 2003-08-21 2005-04-14 Koa Corp チップコイルおよびその実装基板

Patent Citations (13)

* Cited by examiner, † Cited by third party
Publication number Priority date Publication date Assignee Title
JPS5944011U (ja) * 1982-09-14 1984-03-23 日本フエライト株式会社 巻線部品
JPS6468911A (en) * 1987-09-09 1989-03-15 Murata Manufacturing Co Coil device
JP2000012341A (ja) * 1998-06-26 2000-01-14 Tokyo Coil Engineering Kk チョークコイル
JP2000269049A (ja) * 1999-03-16 2000-09-29 Taiyo Yuden Co Ltd コモンモードチョークコイル
JP2000269050A (ja) * 1999-03-16 2000-09-29 Taiyo Yuden Co Ltd コモンモードチョークコイル
JP2001093756A (ja) * 1999-09-20 2001-04-06 Tdk Corp コモンモードフィルタ
JP2001102217A (ja) * 1999-09-30 2001-04-13 Tdk Corp コイル装置
JP2003031428A (ja) * 2001-07-19 2003-01-31 Toko Inc コイル部品を備えた小型電子回路装置
JP2003086442A (ja) * 2001-09-12 2003-03-20 Murata Mfg Co Ltd 巻線型コイル部品の製造方法及びコイル部品
JP2003347129A (ja) * 2002-05-24 2003-12-05 Minebea Co Ltd 表面実装型コイル
JP2004214371A (ja) * 2002-12-27 2004-07-29 Tdk Corp 面実装型コイル部品及びその製造方法
JP2005019716A (ja) * 2003-06-26 2005-01-20 Nec Tokin Corp 磁芯及びその製造方法及びチョークコイル
JP2005101521A (ja) * 2003-08-21 2005-04-14 Koa Corp チップコイルおよびその実装基板

Cited By (23)

* Cited by examiner, † Cited by third party
Publication number Priority date Publication date Assignee Title
JP2012256669A (ja) * 2011-06-08 2012-12-27 Tdk Corp コイル部品
CN103268804A (zh) * 2013-05-10 2013-08-28 华为机器有限公司 表贴式磁性器件
JP2015065272A (ja) * 2013-09-25 2015-04-09 Tdk株式会社 パルストランス
CN103745800A (zh) * 2014-01-14 2014-04-23 深圳顺络电子股份有限公司 一种脉冲变压器及其制造方法
US20150206649A1 (en) * 2014-01-23 2015-07-23 Kinnexa, Inc. Improved structure of smd (surface mount device) type signal transformer
EP3165935A1 (en) * 2015-11-02 2017-05-10 TDK Corporation Magnetic sensor and current sensor including the same
JP2017090049A (ja) * 2015-11-02 2017-05-25 Tdk株式会社 磁気センサ用インダクタンス素子及びこれを備える電流センサ
JP2017090050A (ja) * 2015-11-02 2017-05-25 Tdk株式会社 磁気センサ用インダクタンス素子及びこれを備える電流センサ
US9767952B2 (en) 2015-11-02 2017-09-19 Tdk Corporation Magnetic sensor and current sensor including the same
CN105489344B (zh) * 2016-01-26 2018-01-12 深圳顺络电子股份有限公司 脉冲变压器及其制造方法
CN105489344A (zh) * 2016-01-26 2016-04-13 深圳顺络电子股份有限公司 脉冲变压器及其制造方法
CN105469933A (zh) * 2016-01-29 2016-04-06 深圳顺络电子股份有限公司 一种脉冲变压器及其制造方法
JP2019220664A (ja) * 2018-06-19 2019-12-26 Tdk株式会社 コイル部品
JP2019220665A (ja) * 2018-06-19 2019-12-26 Tdk株式会社 コイル部品
CN110619994A (zh) * 2018-06-19 2019-12-27 Tdk株式会社 线圈部件
US11424070B2 (en) 2018-06-19 2022-08-23 Tdk Corporation Coil component
JP7151268B2 (ja) 2018-06-19 2022-10-12 Tdk株式会社 コイル部品
US11521787B2 (en) 2018-06-19 2022-12-06 Tdk Corporation Coil component
JP2020170806A (ja) * 2019-04-04 2020-10-15 Tdk株式会社 コイル部品
JP2021019026A (ja) * 2019-07-18 2021-02-15 Tdk株式会社 コイル部品
US20210280356A1 (en) * 2020-03-03 2021-09-09 Tdk Corporation Coil component
US12094638B2 (en) * 2020-03-03 2024-09-17 Tdk Corporation Coil component
US20220059281A1 (en) * 2020-08-19 2022-02-24 Tdk Corporation Coil component

Also Published As

Publication number Publication date
JP4984172B2 (ja) 2012-07-25

Similar Documents

Publication Publication Date Title
JP4984172B2 (ja) コイル部品
US11101064B2 (en) Pulse transformer
KR101044373B1 (ko) 코일장치, 복합 코일장치 및 트랜스 장치
US20150287520A1 (en) Coil component
JP2010129692A (ja) インダクタンス部品
JP2007096181A (ja) 面実装型インダクタ
JP2005340812A (ja) コイル構造及びその製造方法
JP2005322820A (ja) コイル部品
KR20170133216A (ko) 전자석 및 가요성 회로 보드
WO2017186022A1 (zh) 电枢、用于电枢的端部模块和用于装配电枢的方法
JP2005223147A (ja) チップコイル
JP2008060593A (ja) コイル部品
JPH0210705A (ja) 線輪部品
JP2012119568A (ja) 昇圧トランス
JP2010010597A (ja) コイル部品
JP4595312B2 (ja) トランス
US12243678B2 (en) Leakage transformer
JP2002313646A (ja) 巻線型コモンモードチョークコイル
JPH01282715A (ja) 薄膜ヘッド
JP2001102217A (ja) コイル装置
JP2013055194A (ja) 積層インダクタ
JP2001052945A (ja) 閉磁路インダクタおよびその製造方法。
JP4544224B2 (ja) コイル部品
JPH07312313A (ja) トロイダル・トランス及びその組立方法
JP2009509330A (ja) フォイル巻線パルストランス

Legal Events

Date Code Title Description
A621 Written request for application examination

Free format text: JAPANESE INTERMEDIATE CODE: A621

Effective date: 20100126

A977 Report on retrieval

Free format text: JAPANESE INTERMEDIATE CODE: A971007

Effective date: 20110629

A131 Notification of reasons for refusal

Free format text: JAPANESE INTERMEDIATE CODE: A131

Effective date: 20110719

A521 Request for written amendment filed

Free format text: JAPANESE INTERMEDIATE CODE: A523

Effective date: 20110913

TRDD Decision of grant or rejection written
A01 Written decision to grant a patent or to grant a registration (utility model)

Free format text: JAPANESE INTERMEDIATE CODE: A01

Effective date: 20120329

A01 Written decision to grant a patent or to grant a registration (utility model)

Free format text: JAPANESE INTERMEDIATE CODE: A01

A61 First payment of annual fees (during grant procedure)

Free format text: JAPANESE INTERMEDIATE CODE: A61

Effective date: 20120411

R150 Certificate of patent or registration of utility model

Free format text: JAPANESE INTERMEDIATE CODE: R150

Ref document number: 4984172

Country of ref document: JP

Free format text: JAPANESE INTERMEDIATE CODE: R150

FPAY Renewal fee payment (event date is renewal date of database)

Free format text: PAYMENT UNTIL: 20150511

Year of fee payment: 3

R250 Receipt of annual fees

Free format text: JAPANESE INTERMEDIATE CODE: R250