JP2010008935A - 静電潜像検出装置及び画像形成装置 - Google Patents

静電潜像検出装置及び画像形成装置 Download PDF

Info

Publication number
JP2010008935A
JP2010008935A JP2008171231A JP2008171231A JP2010008935A JP 2010008935 A JP2010008935 A JP 2010008935A JP 2008171231 A JP2008171231 A JP 2008171231A JP 2008171231 A JP2008171231 A JP 2008171231A JP 2010008935 A JP2010008935 A JP 2010008935A
Authority
JP
Japan
Prior art keywords
conductor
scale
electrostatic latent
probe
latent image
Prior art date
Legal status (The legal status is an assumption and is not a legal conclusion. Google has not performed a legal analysis and makes no representation as to the accuracy of the status listed.)
Granted
Application number
JP2008171231A
Other languages
English (en)
Other versions
JP5351449B2 (ja
Inventor
Isao Hayashi
功夫 林
Ichiro Okumura
一郎 奥村
Katsumasa Nishikawa
勝正 西川
Current Assignee (The listed assignees may be inaccurate. Google has not performed a legal analysis and makes no representation or warranty as to the accuracy of the list.)
Canon Inc
Original Assignee
Canon Inc
Priority date (The priority date is an assumption and is not a legal conclusion. Google has not performed a legal analysis and makes no representation as to the accuracy of the date listed.)
Filing date
Publication date
Application filed by Canon Inc filed Critical Canon Inc
Priority to JP2008171231A priority Critical patent/JP5351449B2/ja
Publication of JP2010008935A publication Critical patent/JP2010008935A/ja
Application granted granted Critical
Publication of JP5351449B2 publication Critical patent/JP5351449B2/ja
Expired - Fee Related legal-status Critical Current
Anticipated expiration legal-status Critical

Links

Images

Landscapes

  • Cleaning In Electrography (AREA)
  • Control Or Security For Electrophotography (AREA)

Abstract

【課題】画像形成装置の感光ドラムや中間転写ベルト上に書かれた数十〜数百μmの静電潜像目盛りを感度よく検出する。
【解決手段】目盛り形成手段は、像担持体上に静電潜像による所定の幅の複数の目盛り線を各々平行に形成する。導体プローブは、目盛り形成手段により形成された目盛り線に平行でかつ目盛り線の幅より狭い幅の導体プローブである。各ガード導体は、導体プローブに平行でかつ導体プローブを挟む位置に配置されている。目盛り検出手段は、目盛り線と導体プローブを相対移動させることにより導体プローブに発生する誘導電流から目盛り線を検出する。ガード導体は、導体プローブが目盛り線の中央の直上に位置しているときに、導体プローブが対峙している目盛り線とその隣りの目盛り線との間に存在するように配置されている。
【選択図】図1

Description

本発明は、画像形成装置において、像担持体上に書かれた静電潜像による目盛りを読み取る検出装置に関する。
電子写真方式のカラー画像形成装置としては、タンデム方式が一般的である、タンデム方式の画像形成装置は、複数の画像形成部を有し、中間転写ベルトを介して又は搬送ベルト上に保持された記録媒体上に直接異なる色の像を転写する。
なお、タンデム方式のカラー画像形成装置では、機械精度等の原因で、複数の感光ドラムや中間転写ベルトに速度変動が生じることがある。これは、各色の転写位置での感光ドラムと中間転写ベルトの位置関係を色毎に異ならしめる。すなわち、各色の画像を重ね合わせたときに各色の画像の位置が完全には一致しなくなるため、いわゆる色ずれ(位置ずれ)が発生する。
この色ずれを少なくする方法が各種提案されている。一般的には、定期的に中間転写ベルトや記録媒体上に印刷された各色のマークのずれを検知し、ずれに応じて各色の露光タイミングが変更される。また感光ドラムや中間転写ベルトに画像領域とは別の場所(非画像領域)に、画像に同期させて目盛りを印刷し、その目盛りを検知して色ずれをリアルタイムに補正する方法も提案されている(特許文献3)。この目盛りは、トナーを使用した可視化した目盛りであるため、カメラで認識することも可能であるが、可視化せず静電潜像のまま検知する方法も可能である。
この静電潜像を検知する方法として、微小面積の電位センサが提案されている(特許文献2)。図27は、電位センサを示した図である。とりわけ、図27(a)は電位センサの側面図であり、図27(b)はその断面図である。
針形状(直径10〜100μm)の導体プローブ2が感光ドラム4に対して垂直に設けられ、導体プローブ2の周囲をガード導体3が覆っている。しかし、導体プローブ2は針形状であるため、感光ドラム4や中間転写ベルト上に書かれた静電潜像目盛りを検知するには、目盛り上のある一点しか検知できない。よって、この導体プローブ2では非常に小さな検出信号しか取り出せない。また、特許文献2には、導体プローブ2とガード導体3との距離が規定されてないので、ガード導体3が、かえって検出信号を小さくする可能性もある。
特許文献3では、静電潜像目盛りを書いて読むことを想定している。図28は、静電潜像目盛りの読取装置を備えた画像形成装置を示した図である。図29は、静電潜像目盛りの読取装置の拡大図である。中間転写ベルト81の近傍に2つの電極からなる導体プローブ2と、静電潜像による目盛りを書き込む書き込み電極14とが配置されている。導体プローブ2から出力される検出信号は検出回路5によって増幅される。なお、導体プローブ2の2つの電極からそれぞれ出力される検出信号間の時間差からベルトの速度を測定できる。
特開2004−145077号公報 特開平11−184189号公報 特開2001−83856号公報
しかし、特許文献3には、静電潜像検出装置の具体的な記載が無い。また、特許文献3では、ミリメートル単位の目盛り(目盛り間隔10mm)を対象にしており、数十〜数百μmの目盛りに対応できるのかは不明である。また、ガード導体3が設けられていないため、数十〜数百μmの目盛りに対しては感度が不十分であると考えられる。
そこで、本発明は、このような課題および他の課題のうち、少なくとも1つを解決することを目的とする。例えば、本発明は、画像形成装置の感光ドラムや中間転写ベルト上に書かれた数十〜数百μmの静電潜像目盛りを感度よく検出することを目的とする。なお、他の課題については明細書の全体を通して理解できよう。
本発明は、例えば、像担持体上に形成された静電潜像を検出する静電潜像検出装置に適用できる。当該装置は、例えば、目盛り形成手段、導体プローブ、複数のガード導体、目盛り検出手段を備える。
目盛り形成手段は、像担持体上に静電潜像による所定の幅の複数の目盛り線を各々平行に形成する。導体プローブは、目盛り形成手段により形成された目盛り線に平行でかつ目盛り線の幅より狭い幅の導体プローブである。各ガード導体は、導体プローブに平行でかつ導体プローブを挟む位置に配置されている。目盛り検出手段は、目盛り線と導体プローブを相対移動させることにより導体プローブに発生する誘導電流から目盛り線を検出する。
とりわけ、ガード導体は、導体プローブが目盛り線の中央の直上に位置しているときに、導体プローブが対峙している目盛り線とその隣りの目盛り線との間に存在するように配置されている。
本発明によれば、像担持体上に書かれた数十〜数百μm幅の静電潜像目盛りを感度よく検出することが可能となる。
以下に本発明の一実施形態を示す。以下で説明される個別の実施形態は、本発明の上位概念、中位概念および下位概念など種々の概念を理解するために役立つであろう。また、本発明の技術的範囲は、特許請求の範囲によって確定されるのであって、以下の個別の実施形態によって限定されるわけではない。
[実施形態1]
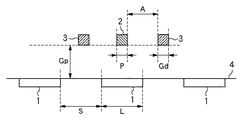
図1は、像担持体上に形成された静電潜像を検出する静電潜像検出装置の一部を示した図である。図1(a)は、静電潜像検出装置の平面図である。図1(b)は、静電潜像検出装置の側面図である。感光ドラム4の表面に、静電潜像による線状の多数の目盛り1が書き込まれている。目盛り1は、目盛り線の一例である。目盛り1は所定の幅を有しており、この幅は一定(例えば40μm)である。隣り合った2本の目盛り間との間隔も一定(例えば40μm)である。また、各目盛りは、平行になっている。各目盛りは、目盛り形成手段の一例である、書き込み電極14によって形成される。なお、後述する露光装置によって目盛り1が形成されてもよい。
感光ドラム4の表面から一定距離(例えば25μm)離れた位置に、導体プローブ2と、ガード導体3とが配置されている。図からわかるように、導体プローブ2の幅は、目盛り1の幅より狭い。
2つのガード導体3は、導体プローブ2を挟む位置に配置されている。さらに、導体プローブ2と、ガード導体3とは、目盛り1に対して平行になっている。導体プローブ2とガード導体3は一体となって(導体プローブ2とガード導体3の距離を保ったまま)、感光ドラム4と相対的に(感光ドラム4からの距離を保ったまま)移動する。
このように、導体プローブ2は、目盛り形成手段により形成された目盛り線に平行でかつ目盛り線の幅より狭い幅の導体プローブの一例である。2つのガード導体3は、導体プローブに平行でかつ導体プローブを挟む位置に配置された複数のガード導体の一例である。
目盛り1は、静電潜像であるため人間の目では見えるものではないが、わかりやすさのために図示している。目盛り1は、感光ドラム4の表面の電位差として存在している。例えば目盛り1がマイナス100V、目盛り1と目盛り1の間がマイナス500Vとなっている。
導体プローブ2とガード導体3との役目はそれぞれ異なるが、両者とも導電性の物質(例えば銅)で構成される。また、導体プローブ2とガード導体3の各断面は、例えば10μm×10μmである。導体プローブ2とガード導体3の各長さは2mmである。このように、導体プローブ2とガード導体3は、それぞれ同じ形状をしている。
導体プローブ2とガード導体3の距離(プローブ・ガード間距離A)は、例えば25μmである。導体プローブ2は、検知用の増幅電気回路(上述した検出回路5など)へ接続される。ガード導体3は例えば接地(GND)などの一定電位へ接続される。
図2は、導体プローブ2で目盛り1を検知する様子を示した図である。図2(a)ないし図2(d)は、時系列順に並んでいる。すなわち、導体プローブ2と目盛り1は相対移動をしている。ここでは、ガード導体3が省略されているものとする。また、説明の簡略化のため、目盛り1を一本のみ図示している。導体プローブ2は検知用の検出回路5へ接続されている。
導体プローブ2は、感光ドラム4の表面からの距離を一定に保ったまま相対移動する。図2において、目盛り1の電位をプラスで表記している。目盛り1の周囲の電位がマイナス500Vであり、目盛り1の電位がマイナス100Vであるため、目盛り1をプラスで表記している。
図2(a)が示すように、導体プローブ2が目盛り1に近づいてくると、導体プローブ2と検出回路5までの電気配線内の自由電子は、目盛り1のプラス電位に対してほんの少し引きつけられる。図2(b)が示すように、さらに導体プローブ2が目盛り1に近づくと、目盛り1のプラス電位に対して引きつけられる自由電子が増える。図2(c)が示すように、導体プローブ2が目盛り1に最も近づくと、目盛り1のプラス電位に対して引きつけられる自由電子の量が最大となる。図2(d)が示すように、導体プローブ2が目盛り1から離れ始めると、引きつけられていた自由電子が配線内に戻り始める。このような自由電子の流れ(誘導電流)を検出回路5が検出して出力することにより、目盛り1の存在を電気信号として取り出すことが可能となる。
図3は、検出回路5の出力の一例を示したグラフである。当初、導体プローブ2が目盛り1に近づくにつれて出力が増えて行く。導体プローブ2と目盛り1が重なった(最も近づいた)時に誘導電流は一瞬ゼロになる。さらに、導体プローブ2が目盛り1から離れるにつれて、マイナスの出力となる。次第に導体プローブ2と目盛り1とが離れていくにつれて、出力信号もゼロになる。以上が、目盛り1を検知する原理である。
このように、検出回路5は、目盛り線と導体プローブを相対移動させることにより導体プローブに発生する誘導電流から目盛り線を検出する目盛り検出手段の一例である。
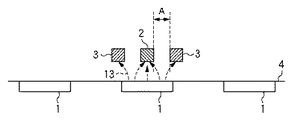
図4は、導体プローブと目盛りとの間に働く電気力線を例示した図である。図4を用いてガード導体3の効果について説明する。ここでは、ガード導体3が設けられていない。導体プローブ2は目盛り1とその隣の目盛り1とのちょうど中間に位置している。そこで、導体プローブ2の直下には目盛りが無いことを検出したい。ただし、近くにある2つの目盛り1の電位の影響を受けないことが望ましい。
しかし、図4が示すように、斜め下に存在する2つの目盛り1からの電気力線が導体プローブ2へ浸入するため、多少なりとも目盛り1の電位の影響を受けてしまう。
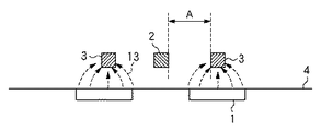
図5は、ガード導体の効果を説明するための図である。図5が示すように、2つのガード導体3を配置すると、目盛り1からの電気力線は一番近い導体であるガード導体3へ向かう。よって、導体プローブ2へ電気力線が浸入することを防止可能となる。このように、ガード導体3を設けることにより、導体プローブ2の直下に目盛り1が無い場合に不必要な電気力線の影響を防止することが可能となる。
次に導体プローブ2とガード導体3の距離について説明する。結論から述べると、この距離は短すぎても長すぎても不適切となる。まず、不適切な理由を説明する。次に導体プローブ2とガード導体3の距離を変えた場合のシミュレーション結果を示す。最後に、両者がどのような位置関係であると感度よく検知できるかを説明する。
図5によれば、不必要な電気力線がガード導体3に吸収されていることが示されている。ここで、導体プローブ2とガード導体3との距離が離れた場合を想定する。
図6は、導体プローブ2とガード導体3との距離が離れた例を示した図である。ガード導体3が導体プローブ2から離れているので目盛り1からの電気力線をガード導体3が吸収しきれなくなる。そのため、電気力線の一部が導体プローブ2に浸入してしまっている。このように、導体プローブ2とガード導体3の距離が長すぎると、ガード導体3が本来の役割を果たさなくなる。
図7は、導体プローブの直下に目盛りが存在する例を示した図である。ここでは、導体プローブ2の直下に目盛り1が位置していることを検出したいものとする。すなわち、導体プローブ2が目盛り線の中央の直上に位置しているときに、ガード導体3は、導体プローブ2が対峙している目盛り線とその隣の目盛り線との間に存在している。
検出精度を向上するには、目盛り1からの電気力線を導体プローブ2によってなるべく多く吸収したい。よって、図7が示すように、すべての電気力線が導体プローブ2に浸入していることが望ましい。
図8は、導体プローブ2とガード導体3の距離が短すぎる例を示した図である。ガード導体3が導体プローブ2に対して近すぎると、目盛り1からの電気力線のうちの一部がガード導体3へ向かってしまう。よって、導体プローブ2への電気力線の数が減少してしまっている。つまり、導体プローブ2とガード導体3が近すぎると、導体プローブ2へ向かうべき電気力線をガード導体3が横取りしてしまうのである。このように導体プローブ2とガード導体3は、近すぎても遠すぎても不適切となる。
図9は、導体プローブとガード導体と間の適切な距離を説明するための図である。以下では、導体プローブ2とガード導体3の距離を変えた場合のシミュレーション結果について説明する。図9において、目盛り1の幅をLとする。目盛り1とその隣の目盛り線間の間隔をSとする。導体プローブ2の幅をPとする。ガード導体3の幅をGdとする。導体プローブ2とガード導体3の距離をAとする。導体プローブ2と感光ドラム4の距離をGpとする。
図10ないし図15は、L、S、P、Gd、Gpの値をさまざまに変えて行ったシミュレーション結果を示したグラフである。横軸に距離Aをとり、縦軸に導体プローブ2表面の電界強度振幅をとっている。導体プローブ2表面の電界強度振幅は、導体プローブ2へ誘導される電荷量の最大値と最小値の差に比例している。各グラフ内には、比較のため、ガード導体3が無い場合の電界強度振幅も示している。
以下に、図10ないし図15に示したシミュレーション結果を算出する際に使用した条件を示す。各パラメータの単位は、μmである。
図10:L40−S40−P10−Gd10−Gp25 基本の寸法
図11:L40−S40−P20−Gd20−Gp25 プローブ&ガードの幅を10&10から20&20へ変更。
図12:L40−S40−P30−Gd30−Gp25 プローブ&ガードの幅を10&10から30&30へ変更。
図13:L40−S80−P10−Gd10−Gp25 目盛り&間隔を40&40から40&80から変更。
図14:L20−S60−P10−Gd10−Gp25 目盛り&間隔を40&40から20&60へ変更。
図15:L40−S40−P10−Gd10−Gp50 ドラムとの距離を25から50へ変更。
すなわち、図10では、L=40μm、S=40μm、P=10μm、Gd=10μm、Gp=25μmである。図10ないし図15すべてに共通して、電界強度振幅の最高値は、Aがある値のときに得られる。ただし、最大値が得られるAの値は図ごとに異なる。その値よりAが小さくても大きくても電界強度振幅は減少する。つまり導体プローブ2とガード導体3の距離は短すぎても長すぎても、電界強度振幅の減少を招く。よって、上述した原理の通りのシミュレーション結果が得られている。
ガード導体3が無い場合の電界強度振幅と比較すると、ガード導体3を適切な距離に設置すれば効果があるが、不適切な距離に設置するとかえってガード導体3を設けることにより出力が減少してしまうことが読み取れる。
ここでガード導体3をどの位置に配置しておけば効果的であるかを考察する。図10ないし図15においてBで示した範囲では、導体プローブ2が目盛り1の中央に位置した時にガード導体3は目盛り1とその隣の目盛り1との間に位置している。
図16は、導体プローブとガード導体との位置関係を示した図である。図16によれば、導体プローブ2は目盛り1の中央の直上に位置している。また、ガード導体3は、2つの目盛りの間に位置している。
図17は、2つのガード導体がそれぞれ隣接した2つの目盛り間に位置した状態で導体プローブと2つのガード導体とを最も近づけたときの位置関係を示した図である。
図18は、2つのガード導体がそれぞれ隣接した2つの目盛り間に位置した状態で導体プローブと2つのガード導体とを最も遠ざけたときの位置関係を示した図である。
つまり、図17に示されたガード導体3の位置から図18に示されたガード導体3の位置までの範囲が、図10ないし図15中に示したBの範囲である。プローブ・ガード間距離Aが図10ないし図15に示されたBの範囲であれば、電界強度振幅が最高値が生じる。また、この最高値は、ガード導体3を設けないときの電界強度振幅のレベルよりも高い値となる。
したがって、このBの範囲にプローブ・ガード間距離Aが入るように導体プローブ2とガード導体3を配置しておけば、ガード導体3の効果を期待できる。この条件を数式で表すと以下のようになる。
(L−P)÷2 < A
(L−P)÷2 +S−Gd > A
以上説明したように、導体プローブ2が目盛り線の中央の直上に位置しているときに、導体プローブ2が対峙している目盛り線とその隣りの目盛り線との間に存在するようにガード導体3が配置されていると、ガード導体3の効果が高くなる。このように、本発明によれば、画像形成装置の感光ドラムや中間転写ベルト上に書かれた数十〜数百μmの静電潜像目盛りを感度よく検出することが可能となる。
また、上述した位置関係に加えて、導体プローブ2及びガード導体3のサイズが、上記の2つの式を満たしていると、さらに検出感度が高くなる。
[実施形態2]
図19は、フレキシブルプリント基板6上に導体プローブ2とガード導体3とを形成し、導体プローブ2とガード導体3とをカバー材7で覆った構造を示した図である。図1に示した導体プローブ2とガード導体3は空中で保持されていた。実施形態2では、導体プローブ2とガード導体3とをフレキシブルプリント基板6上に形成している。さらに、カバー材7によって導体プローブ2とガード導体3とを覆っている。図19(a)は平面図であり。図19(b)は、フレキシブルプリント基板6をY−Y´で切断したときに得られる断面図である。
ベース材8は、例えばポリイミドであり、その厚みは25μmである。ベース材8の上に銅のパターンとして導体プローブ2とガード導体3を形成する。ここでは、導体プローブ2とガード導体3とが一種の配線のようなものとなる。なお、銅のパターンは、例えば厚み10μm、幅10μmである。また、導体プローブ2とガード導体3との間隔は、例えば、25μmである。
銅のパターンのうち、目盛り1を読む先端部分の長さは、例えば2mmである。先端部分に対して直角に配線部分が取付けされている。各配線部分の長さは、例えば10mmである。各配線部分はベース材8の端部まで延在している。各配線部分は、フレキシブルプリント基板6用のコネクタ(図示せず)に接続させる。配線パターンをL字形状としているため、配線部分は目盛り1に対して相対移動しても誘導電流は発生しない。誘導電流は先端部分でのみ発生することになる。ベース材8と配線パターンとの上にカバー材7を貼り付ける。カバー材7は、例えばポリイミドで、その厚みが12.5μmである。
導体プローブ2とガード導体3とが一体となったカバー材7付きのフレキシブルプリント基板6は、比較的に安価な材料かつ簡単な工程で作成できるため、製造面で有利である。また、カバー材7を採用することで、センサの耐久性を向上できる。
[実施形態3]
図20は、フレキシブルプリント基板6からカバー材7を省略した他のフレキシブルプリント基板を示した図である。実施形態3では、カバー材7が省略されているため導体プローブ2とガード導体3とが露出することになる。よって、実施形態2と比較し、実施形態3では導体プローブ2とガード導体3の耐久性が低下するものの、より簡易かつ低コストでフレキシブルプリント基板6を作成することができる。
[実施形態4]
図21ないし図23は、フレキシブルプリント基板6で作成した導体プローブ2とガード導体3を感光ドラム4に設置する方法を示した図である。図21では、カバー材7を備えたフレキシブルプリント基板6が使用されている。バネ9により付勢された圧接部材10によってベース材8が感光ドラム4の表面に圧接されている。なお、圧接部材10は、カバー材7を直接的に圧接する。
図22では、カバー材7を備えたフレキシブルプリント基板6が使用され、かつ、カバー材7が感光ドラム4の表面に接触している。すなわち、図21と図22とでは、カバー材7とベース材8との上下関係が逆転している。
図23では、カバー材7が省略されたフレキシブルプリント基板6が使用されている。フレキシブルプリント基板6のうち配線パターンが施された側が感光ドラム4の表面に接触している。
このようにバネ9と圧接部材10とを用いてフレキシブルプリント基板6を圧接することにより、導体プローブ2及びガード導体3とドラム表面との間が常に一定の距離に保たれる。なお、導体プローブ2とガード導体3がカバー材7等の誘電体(例えばポリイミドであれば 比誘電率=2.6〜4.0)で被覆されていても、導体プローブ2とガード導体3の間隔とガード導体3の効果との関係は同様である。
本実施形態では、フレキシブルプリント基板を像担持体に対して所定の力で圧接させる圧接手段としてバネ9や圧接部材10を採用することで、導体プローブ2及びガード導体3とドラム表面との間が常に一定の距離に保たれる。すなわち、距離のばらつきに応じた検出感度のばらつきを低減できる。
[実施形態5]
図24は、感光ドラム4に目盛り1が描かれている様子を示した図である。図24を用いて感光ドラム4に描かれた目盛り1について説明する。
図24には電子写真方式の画像形成装置が備える潜像形成機構の基本構成が示されている。レーザードライバー87から射出されたレーザービームは、回転するポリゴンミラー88で反射し、感光ドラム4の表面を露光及び走査し、潜像画像89を描く。一般に、レーザービームが感光ドラム4の表面を移動する方向を露光走査(主走査)方向と呼び、感光ドラム4の回転方向を副走査方向と呼ぶ。この主走査及び副走査を同時に行うことで、感光ドラム4の表面上に潜像画像89が形成される。
感光ドラム4の表面のうち、潜像画像89が形成される画像領域の外側にある非画像領域に目盛り1の形成領域が設けられる。目盛り1は、潜像画像89の形成する際に非画像領域に描き込まれる。この時、目盛り1は、露光走査方向と同じ方向に描かれる。すなわち、目盛り1の長さ方向と主走査方向とは平行になっている。感光ドラム4の表面において、目盛り1の位置と潜像画像89の位置とは、一対一の関係となる。よって、複数の目盛り1の間隔が一定になるように感光ドラム4の回転速度を制御すれば、潜像画像89についても歪みや位置ずれも緩和され、トナー像の色ずれも低減することになる。
このように、像担持体に光を走査する際の走査方向と平行に目盛り線を形成することで、感光ドラム4の回転速度や回転位置などを検出しやすくなる。また、また、光の走査方向は直線方向であるため、目盛り線を直線として形成しやすい。
[実施形態6]
実施形態1から5に記載された静電潜像検出装置が搭載された画像形成装置について説明する。本発明に係る静電潜像検出装置は、静電潜像を利用する画像形成装置であれば適用可能であるが、ここでは、タンデム型のカラー画像形成装置について説明する。
図25は、タンデム型のカラー画像形成装置の概略断面図である。当該画像形成装置は、Y(イエロー)M(マゼンダ)C(シアン)K(ブラック)の四色について、各々独立に帯電・露光・現像・転写のプロセスを実行する。
感光ドラム41〜44は、静電潜像を担持する像担持体である。一次帯電器51〜54は、それぞれ対応する感光ドラムの表面を一様に帯電させる帯電装置である。露光用レーザービーム61〜64は、それぞれ対応する色の画像に応じて感光ドラムの表面を露光して静電潜像を形成するユニットである。すなわち、露光用レーザービーム61〜64は、画像信号に応じた静電潜像を形成するために像担持体の表面を露光する露光装置の一例である。現像装置71〜74は、対応する色のトナーを用いて静電潜像を現像し、トナー像を形成するユニットである。現像装置71〜74は、像担持体の表面に形成された静電潜像を現像してトナー像を形成する現像装置の一例である。各色のトナー像は、順次、中間転写ベルト81に転写される。これによりカラー画像が形成される。中間転写ベルト81は、像担持体でもあるとともに、中間転写体でもある。二次転写ローラ84は、給紙カセット83から搬送されてきた記録媒体82へ、中間転写ベルト81のトナー像を転写する転写装置である。定着装置85は、未定着のトナー像を記録媒体82へと定着させるユニットである。
ところで、一次帯電器51は、感光ドラム41の表面を一定の電圧(例えばマイナス500V)に帯電させる。露光用レーザービーム61が感光ドラムの表面のうち画像データのある場所にレーザービームを照射すると、その場所の電位が変わる(例えばマイナス100V)。次に現像装置71がトナー(例えばマイナス300V)を感光ドラム41に付着させる。感光ドラム41のトナーは中間転写ベルト81(例えばプラス300V 図示していないベルト内側の一次転写ローラにより帯電させる)に転写される。
図26は、カラー画像形成装置に搭載された静電潜像検出装置を示した図である。ドラム用プローブ11は、上述した導体プローブ2とガード導体3の形成されたフレキシブルプリント基板6である。ベルト用プローブ12も、導体プローブ2とガード導体3の形成されたフレキシブルプリント基板6である。
ドラム用プローブ11は、感光ドラム42の中間転写ベルト81に近い位置に図のように圧接されている。ベルト用プローブ12は、中間転写ベルト81の感光ドラム42に近い位置に図のように圧接されている。
目盛り1は、実施形態5で説明したように、感光ドラム41と感光ドラム42にそれぞれ描かれる。感光ドラム41に描かれた目盛り1は中間転写ベルト81に静電潜像として転写され、画像とともに感光ドラム42の転写部で出会う。よって、ドラム用プローブ11で感光ドラム42上の画像の位置情報が得られ、ベルト用プローブ12で中間転写ベルト81上の画像の位置情報が得られる。これらの位置情報を用い、感光ドラム42への露光タイミングや中間転写ベルト81の周速度等を制御することにより、各色の色ずれを少なくすることが可能となる。
なお、ドラム用プローブ11及びベルト用プローブ12は、シアン用の感光ドラム43及び黒用の感光ドラム44についても設置されることが望ましい。
本発明の特徴を最もよく表す平面図と側面図である。 導体プローブで潜像目盛りを検知する原理の図である。 導体プローブで潜像目盛りを検知した出力波形の図である。 導体プローブと潜像目盛りの電気力線の図である。 導体プローブとガード導体と潜像目盛りの電気力線の図である。 導体プローブとガード導体と潜像目盛りの電気力線の図である。 導体プローブとガード導体と潜像目盛りの電気力線の図である。 導体プローブとガード導体と潜像目盛りの電気力線の図である。 導体プローブとガード導体と潜像目盛りの位置関係の図である。 導体プローブとガード導体の距離 と 導体プローブ出力の大きさ の関係を示す図である。 導体プローブとガード導体の距離 と 導体プローブ出力の大きさ の関係を示す図である。 導体プローブとガード導体の距離 と 導体プローブ出力の大きさ の関係を示す図である。 導体プローブとガード導体の距離 と 導体プローブ出力の大きさ の関係を示す図である。 導体プローブとガード導体の距離 と 導体プローブ出力の大きさ の関係を示す図である。 導体プローブとガード導体の距離 と 導体プローブ出力の大きさ の関係を示す図である。 導体プローブとガード導体と潜像目盛りの効果的な配置の図である。 導体プローブとガード導体と潜像目盛りの効果的な配置の図である。 導体プローブとガード導体と潜像目盛りの効果的な配置の図である。 フレキシブル基板で導体プローブとガード導体とを形成した図である。 フレキシブル基板で導体プローブとガード導体とを形成した図である。 フレキシブル基板を感光ドラムに圧接した図である。 フレキシブル基板を感光ドラムに圧接した図である。 フレキシブル基板を感光ドラムに圧接した図である。 潜像目盛りを感光ドラムに描き込む図である。 電子写真方式の画像形成装置の構造図である。 電子写真方式の画像形成装置に導体プローブとガード導体と潜像目盛りが搭載された図である。 電位センサを示した図である。 静電潜像目盛りの読取装置を備えた画像形成装置を示した図である。 静電潜像目盛りの読取装置の拡大図である。
符号の説明
1…潜像目盛り
2…導体プローブ
3…ガード導体
4…感光ドラム
5…検出回路
6…フレキシブル基板
7…フレキシブル基板のカバー材
8…フレキシブル基板のベース材
9…バネ
10…押し付け部材
11…ドラム用プローブ
12…ベルト用プローブ
13…電気力線
14…潜像書込手段
41〜44…感光ドラム
51〜54…一次帯電器
61〜64…露光用レーザービーム
71〜74…現像装置
81…中間転写ベルト
82…記録媒体
83…給紙カセット
84…二次転写ローラ
85…定着器
86…排紙トレイ
87…レーザードライバー
88…ポリゴンミラー
89…潜像画像

Claims (8)

  1. 像担持体上に形成された静電潜像を検出する静電潜像検出装置であって、
    前記像担持体上に静電潜像による所定の幅の複数の目盛り線を各々平行に形成する目盛り形成手段と、
    前記目盛り形成手段により形成された前記目盛り線に平行でかつ前記目盛り線の幅より狭い幅の導体プローブと、
    前記導体プローブに平行でかつ前記導体プローブを挟む位置に配置された複数のガード導体と、
    前記目盛り線と前記導体プローブを相対移動させることにより前記導体プローブに発生する誘導電流から前記目盛り線を検出する目盛り検出手段と
    を有し、
    前記ガード導体は、前記導体プローブが前記目盛り線の中央の直上に位置しているときに、前記導体プローブが対峙している該目盛り線とその隣の目盛り線との間に存在するように配置されていることを特徴とする静電潜像検出装置。
  2. 前記導体プローブ及び前記ガード導体は、前記目盛り線の幅をLとし、隣り合った2本の目盛り線間の間隔をSとし、前記導体プローブの幅をPとし、前記ガード導体の幅をGdとし、前記導体プローブと前記ガード導体の距離をAとした場合に、
    (L−P)÷2 < A
    (L−P)÷2+S−Gd > A
    を満たす位置に配置されていることを特徴とする請求項1に記載の静電潜像検出装置。
  3. 前記導体プローブと前記ガード導体とが形成されたフレキシブルプリント基板をさらに含むことを特徴とする請求項1又は2に記載の静電潜像検出装置。
  4. 前記導体プローブと前記ガード導体とを覆うカバー材をさらに含むことを特徴とする請求項3に記載の静電潜像検出装置。
  5. 前記フレキシブルプリント基板を前記像担持体に対して所定の力で圧接させる圧接手段をさらに含むことを特徴とする請求項3又は4に記載の静電潜像検出装置。
  6. 前記目盛り線は、前記像担持体に光を走査する際の走査方向と平行であることを特徴とする請求項1ないし5のいずれか1項に記載の静電潜像検出装置。
  7. 画像形成装置であって、
    静電潜像を担持する像担持体と、
    前記像担持体の表面を一様に帯電させる帯電装置と、
    画像信号に応じた静電潜像を形成するために前記像担持体の表面を露光する露光装置と、
    前記像担持体の表面に形成された静電潜像を現像してトナー像を形成する現像装置と、
    前記トナー像を記録媒体に転写する転写装置と、
    前記トナー像を前記記録媒体に定着させる定着装置と、
    前記像担持体に形成された目盛り線を検出する、請求項1ないし5のいずれか1項に記載の静電潜像検出装置と
    をさらに備えたことを特徴とする画像形成装置。
  8. 中間転写体と、
    該中間転写体に形成された目盛り線を検出する請求項1ないし5のいずれか1項に記載の静電潜像検出装置と
    をさらに含むことを特徴とする請求項7に記載の画像形成装置。
JP2008171231A 2008-06-30 2008-06-30 静電潜像検出装置及び画像形成装置 Expired - Fee Related JP5351449B2 (ja)

Priority Applications (1)

Application Number Priority Date Filing Date Title
JP2008171231A JP5351449B2 (ja) 2008-06-30 2008-06-30 静電潜像検出装置及び画像形成装置

Applications Claiming Priority (1)

Application Number Priority Date Filing Date Title
JP2008171231A JP5351449B2 (ja) 2008-06-30 2008-06-30 静電潜像検出装置及び画像形成装置

Publications (2)

Publication Number Publication Date
JP2010008935A true JP2010008935A (ja) 2010-01-14
JP5351449B2 JP5351449B2 (ja) 2013-11-27

Family

ID=41589476

Family Applications (1)

Application Number Title Priority Date Filing Date
JP2008171231A Expired - Fee Related JP5351449B2 (ja) 2008-06-30 2008-06-30 静電潜像検出装置及び画像形成装置

Country Status (1)

Country Link
JP (1) JP5351449B2 (ja)

Cited By (4)

* Cited by examiner, † Cited by third party
Publication number Priority date Publication date Assignee Title
JP2012242741A (ja) * 2011-05-23 2012-12-10 Canon Inc カラー画像形成装置
JP2012252074A (ja) * 2011-06-01 2012-12-20 Canon Inc 画像形成装置
JP2014160101A (ja) * 2013-02-19 2014-09-04 Canon Inc 画像形成装置
JP2014160103A (ja) * 2013-02-19 2014-09-04 Canon Inc 画像形成装置

Families Citing this family (1)

* Cited by examiner, † Cited by third party
Publication number Priority date Publication date Assignee Title
EP3224010A2 (en) 2014-11-25 2017-10-04 Corning Incorporated Apparatus and method of manufacturing ceramic honeycomb body

Citations (3)

* Cited by examiner, † Cited by third party
Publication number Priority date Publication date Assignee Title
JPS63298170A (ja) * 1987-05-29 1988-12-05 Matsushita Electric Ind Co Ltd 静電潜像検出センサ
JPH11143255A (ja) * 1997-09-05 1999-05-28 Ricoh Co Ltd 画像形成装置
JP2003167418A (ja) * 2001-11-29 2003-06-13 Canon Inc 画像記録装置

Patent Citations (3)

* Cited by examiner, † Cited by third party
Publication number Priority date Publication date Assignee Title
JPS63298170A (ja) * 1987-05-29 1988-12-05 Matsushita Electric Ind Co Ltd 静電潜像検出センサ
JPH11143255A (ja) * 1997-09-05 1999-05-28 Ricoh Co Ltd 画像形成装置
JP2003167418A (ja) * 2001-11-29 2003-06-13 Canon Inc 画像記録装置

Cited By (4)

* Cited by examiner, † Cited by third party
Publication number Priority date Publication date Assignee Title
JP2012242741A (ja) * 2011-05-23 2012-12-10 Canon Inc カラー画像形成装置
JP2012252074A (ja) * 2011-06-01 2012-12-20 Canon Inc 画像形成装置
JP2014160101A (ja) * 2013-02-19 2014-09-04 Canon Inc 画像形成装置
JP2014160103A (ja) * 2013-02-19 2014-09-04 Canon Inc 画像形成装置

Also Published As

Publication number Publication date
JP5351449B2 (ja) 2013-11-27

Similar Documents

Publication Publication Date Title
US7554331B2 (en) Electric potential measuring device and image forming apparatus
JP5351449B2 (ja) 静電潜像検出装置及び画像形成装置
JP5834800B2 (ja) 表面電位センサ及び複写機
JP5759260B2 (ja) カラー画像形成装置
JP6137861B2 (ja) 画像形成装置
KR20110039002A (ko) 화상형성장치
US7647013B2 (en) Image forming apparatus including developer electric field transport apparatus
US9063451B2 (en) Image forming apparatus
US8862001B2 (en) Image forming apparatus with toner image alignment
US7593657B2 (en) Powder transferring device capable of detecting an amount of the powder
US7962056B2 (en) Method and apparatus for speed change detection based on a latent image pattern
JP2015135408A (ja) 画像形成装置
JP2011203320A (ja) 画像形成装置
US20140233970A1 (en) Image forming apparatus
US20110103847A1 (en) Image Forming Apparatus
US20250106981A1 (en) Technique for facilitating mounting of electronic component onto printed circuit board, printed circuit board, optical sensor, and image forming apparatus
JP2005084207A (ja) 電子写真装置
US8805252B2 (en) Apparatus and method for lateral color registration performance and preventive maintenance detection
JP2013120255A (ja) 画像形成装置
JP2009080465A (ja) 画像形成装置、画像形成方法および画像検出方法
JP2008233187A (ja) 速度変動検知装置、画像形成装置及び速度変動検知方法
JP6095402B2 (ja) 画像形成装置
JP5907618B2 (ja) 画像形成装置
KR20220046754A (ko) 전자기 유도 센서를 이용한 용지 크기 검출 구조
JP2012042875A (ja) 画像形成装置

Legal Events

Date Code Title Description
A621 Written request for application examination

Free format text: JAPANESE INTERMEDIATE CODE: A621

Effective date: 20110628

A131 Notification of reasons for refusal

Free format text: JAPANESE INTERMEDIATE CODE: A131

Effective date: 20130405

A521 Written amendment

Free format text: JAPANESE INTERMEDIATE CODE: A523

Effective date: 20130522

TRDD Decision of grant or rejection written
A01 Written decision to grant a patent or to grant a registration (utility model)

Free format text: JAPANESE INTERMEDIATE CODE: A01

Effective date: 20130726

A61 First payment of annual fees (during grant procedure)

Free format text: JAPANESE INTERMEDIATE CODE: A61

Effective date: 20130823

R151 Written notification of patent or utility model registration

Ref document number: 5351449

Country of ref document: JP

Free format text: JAPANESE INTERMEDIATE CODE: R151

LAPS Cancellation because of no payment of annual fees