JP2005292379A - 光結合装置及びその製造方法 - Google Patents
光結合装置及びその製造方法 Download PDFInfo
- Publication number
- JP2005292379A JP2005292379A JP2004105833A JP2004105833A JP2005292379A JP 2005292379 A JP2005292379 A JP 2005292379A JP 2004105833 A JP2004105833 A JP 2004105833A JP 2004105833 A JP2004105833 A JP 2004105833A JP 2005292379 A JP2005292379 A JP 2005292379A
- Authority
- JP
- Japan
- Prior art keywords
- optical
- optical waveguide
- coupling device
- support
- optical coupling
- Prior art date
- Legal status (The legal status is an assumption and is not a legal conclusion. Google has not performed a legal analysis and makes no representation as to the accuracy of the status listed.)
- Pending
Links
Images
Landscapes
- Optical Integrated Circuits (AREA)
- Light Receiving Elements (AREA)
- Optical Couplings Of Light Guides (AREA)
Abstract
【課題】 基板を持たない光導波路にも適用でき、基板のないフィルム状の光導波路によるフレキシブルな光配線構造を実現することができる光結合装置及びその製造方法を提供すること。
【解決手段】 実装基板3は、ガイド孔2と、実装基板3の外形に合わせた浅い凹部を有する実装基板用サブマウント1に保持されている。実装基板3には、嵌合用凹部4と光素子搭載用凹部5とが設けられ、光素子アレイ7は、嵌合用凹部4に対して±2μm程度の高精度で実装されている。導波路シート13は、ガイドピン12を有する光導波路用サブマウント11に保持され、嵌合用凸部14が形成されている。実装基板3と導波路シート13とは、ガイド孔2とガイドピン12との嵌め合わせによって予備的な位置合わせが行われた後、嵌合用凹部4と嵌合用凸部14との嵌合により精密に位置合わせされる。
【選択図】 図1
【解決手段】 実装基板3は、ガイド孔2と、実装基板3の外形に合わせた浅い凹部を有する実装基板用サブマウント1に保持されている。実装基板3には、嵌合用凹部4と光素子搭載用凹部5とが設けられ、光素子アレイ7は、嵌合用凹部4に対して±2μm程度の高精度で実装されている。導波路シート13は、ガイドピン12を有する光導波路用サブマウント11に保持され、嵌合用凸部14が形成されている。実装基板3と導波路シート13とは、ガイド孔2とガイドピン12との嵌め合わせによって予備的な位置合わせが行われた後、嵌合用凹部4と嵌合用凸部14との嵌合により精密に位置合わせされる。
【選択図】 図1
Description
本発明は、光配線システムにおいて有用な、光導波路と他の光部品(発光素子、受光素子、光ファイバ、或いは光導波路など)とを位置合わせして支持体に固定し、光路を接続した光結合装置及びその製造方法に関するものである。
これまで、電子機器内のボード間又はボード内のチップ間など、比較的短距離間の情報伝達は、主に電気信号により行われてきたが、集積回路の性能を更に向上されるためには、信号の高速化や信号配線の高密度化が必要となる。しかし、電気信号配線においては、配線の時定数による信号遅延や、ノイズ発生等の問題から、電気信号の高速化や電気信号配線の高密度化が困難である。
こうした問題を解決する光配線(光インターコネクション)が注目されている。光配線は、電子機器間、電子機器内のボード間又はボード内のチップ間など、種々の箇所に適用可能であり、例えばチップ間のような短距離間の信号の伝送には、チップが搭載されている基板上に光導波路を形成し、信号変調されたレーザ光等の伝送路とした光伝送・通信システムを構築することができる。
このような光配線システムにおいて、光導波路と他の光部品(発光素子、受光素子、光ファイバ、或いは光導波路など)との位置合わせを行い、光路を接続する光結合装置が不可欠である。なお、以下、本明細書において、発光素子および受光素子を区別しない場合に、これらを光素子と呼ぶことがある。
従来、光素子や光ファイバなどと光導波路とを光結合する方法としては、特許文献1に開示されているように、光導波路を形成した基板に位置合わせ用のマーカを設け、このマーカを用いて光素子や光ファイバなどを位置合わせして固定する方法がある。
図9は、特許文献1に開示されているハイブリッド光電子集積用実装基板の構成例を示す説明図である。この装置では、シリコンなどの基板101の上に位置合わせ用のマーカ102が形成されている。このマーカは、下部クラッド層104の上にコア層105を形成した後、コア層105をパターニングする際などに、マスクの位置合わせ用マーカとして用いたり、光素子を搭載する際に位置決め用マーカとして用いたりする。
また、特許文献2に開示されているように、基板上に形成された光導波路に嵌合のための凹凸を設け、光素子などを搭載した他の基板に設けられた凹凸との嵌め合わせによって位置合わせを行う方法がある。
図10は、特許文献2に開示されている光導波路付き基板を用いる光モジュール装置の構成例を示す説明図である。この装置では、光素子113は光導波路112が形成された基板111に実装され、光ファイバ115は光ファイバ嵌合溝118に嵌合されて他の基板114に位置固定されている。そして、光導波路112の上に設けられた低融点金属などからなる突起116を、他の
基板114の上に設けられた嵌合孔117に嵌合させることで、光導波路112と光ファイバ115とが位置合わせされ、光結合が形成される。
基板114の上に設けられた嵌合孔117に嵌合させることで、光導波路112と光ファイバ115とが位置合わせされ、光結合が形成される。
特許文献1に開示されている方法は、基板上に形成された光導波路に対して、光素子を位置合わせするものであるから、光導波路を基板のないフィルム状の光導波路とし、フレキシブルな光配線構造を実現しようとする場合には、適用できない。また、低コストな発光デバイスとして期待される面発光レーザとの光結合を行うことも困難である。
特許文献2に開示されている方法は、基板上に形成された光導波路と基板上に実装された他の光部品とを光結合させる方法であり、低融点金属などからなる突起116を設けるなどの構造上、基板を持たない光導波路に適用することは難しく、基板のないフィルム状の光導波路によるフレキシブルな光配線構造を実現することは不可能である。
本発明は、このような状況に鑑みてなされたものであって、その目的は、基板を持たない光導波路にも適用でき、基板のないフィルム状の光導波路によるフレキシブルな光配線構造を実現することができる光結合装置及びその製造方法を提供することにある。
即ち、本発明は、光導波路が支持体に対して凹凸嵌合によって位置固定され、前記光導波路と他の光部品との光結合を行うための位置合わせ手段を有する、光結合装置に係わり、また、前記光結合装置の製造方法であって、転写用基板に凹部又は凸部を形成する工程と、この凹部又は凸部を有する転写用基板面に光導波路材料を被着する工程と、前記光導波路を前記転写用基板から分離する工程と、前記支持体に対し前記光導波路を凹凸嵌合によって位置固定する工程とを有する、光結合装置の製造方法に係わるものである。
本発明の光結合装置によれば、前記光導波路が前記支持体に対して前記凹凸嵌合によって位置固定され、前記光導波路と前記他の光部品との光結合を行うための位置合わせ手段が存在する。この際、前記光導波路が有する凸部又は凹部によって前記凹凸嵌合が行われるので、前記光導波路は、セルフアレンジメントで前記支持体の所定の位置に正しく位置固定され、前記支持体を介して他の光部品と正確に位置合わせされる。このため、マーカなどを用いる位置合わせに比べ大幅に手間が軽減され、生産性が向上し、光結合装置の低コスト化が実現される。前記凹凸嵌合において前記光導波路の基板はなくてもよいから、基板のないフィルム状の光導波路によるフレキシブルな光配線構造を実現することも可能になる。
本発明の光結合装置の製造方法によれば、熟成された半導体製造技術を応用しているので、正確に、効率や歩留まり良く、低コストで光結合装置を製造することができる。
本発明の光結合装置において、前記光導波路側に形成された凸部又は凹部と、前記支持体側に形成された凹部又は凸部とが互いに嵌合されているのがよい。
また、前記光導波路のクラッド材によって前記凹凸嵌合のための前記凸部が形成されているのがよい。このようにすると、基板を持たない薄型の構造を保ったまま、前記光導波路を前記支持体に前記凹凸嵌合によって位置固定することができる。
また、前記支持体に凹部が形成され、この凹部内の所定位置に前記他の光部品である発光又は受光素子が固定されているのがよい。
また、前記支持体に前記光導波路と共に前記他の光部品が実装され、この他の光部品が前記支持体に対し前記凹凸嵌合によって位置固定され、前記光導波路の光路と前記他の光部品の光路との位置合わせが行われているのがよい。このようにすると、前記光導波路と前記他の光部品が共通の前記支持体に対して凹凸嵌合によって位置固定されるので、前記光導波路と前記他の光部品との光結合が、能率良く、しかも高精度に実現される。
また、前記支持体を第1支持体とし、これとは別の第2支持体に前記他の光部品が実装され、前記光導波路の光路と前記他の光部品の光路とが一致するように、前記第1及び前記第2支持体が対向配置されているのがよい。この際、前記第2支持体に前記他の光部品が凹凸嵌合によって位置固定され、更に前記第1及び前記第2支持体間の位置合わせ手段が設けられているのがよい。このようにすると、前記第1支持体に支持される部分と前記第2支持体に支持される部分とを、分離したり結合したりすることのできる、いわゆるコネクタ形状の光結合装置を実現することができる。
また、前記凹凸嵌合に用いられる凸部及び凹部が、互いに逆形状で、略同じ傾斜角度をもつ傾斜面を有するのがよい。これによって、前記凸部及び凹部の広い面積に亘って良好な接触が保たれ、この接触面での滑らかな滑り運動により十分な凹凸嵌合が達成される。
また、前記光導波路の両主面の少なくとも一方に前記凸部又は凹部が形成されているのがよい。なお、両主面に前記凸部又は凹部が形成される場合には、一方の主面の前記凸部又は凹部は前記凹凸嵌合に用いられるが、他方の主面の前記凸部又は凹部は前記光導波路を保持する前記保持手段(後述の光導波路用サブマウント11)との凹凸嵌合による位置合わせに、好適に用いられる。
また、前記支持体に対し前記光導波路が、少なくとも位置固定される際に前記光導波路及び前記支持体の少なくとも一方をガイドするためのガイド機構を有するのがよい。この際、前記ガイド機構が、前記光導波路側と前記支持体側とにそれぞれ設けられたガイドピン又はガイド孔とで構成され、これらのガイドピンとガイド孔との嵌め合い機構からなるのがよい。このようなガイド機構による予備的な位置合わせによって、前記凹凸嵌合に用いられる凸部と凹部の接触が確実に実現され、前記凹凸嵌合による位置合わせが行われるための条件が満たされる。
また、前記支持体に対し前記光導波路と前記他の光部品との少なくとも一方を保持するための保持手段を有するのがよい。この際、前記保持手段が前記支持体に対し着脱可能に構成されているのがよい。このようにすると、前記保持手段によって保持される部分と前記支持体に支持される部分とを、分離したり結合したりすることのできる、いわゆるコネクタ形状の光結合装置を実現することができる。
また、前記支持体が半導体からなり、前記光導波路を位置固定するための前記支持体側の凹部又は凸部と、前記他の光部品を実装するための前記支持体側の凹部又は凸部とが、前記支持体の異方性エッチングによって形成されているのがよい。また、前記異方性エッチングが、前記支持体の構成材料である単結晶シリコンの(100)面のエッチングであるのがよい。単結晶シリコンの(100)面のエッチングで形成される凹部の傾斜面の傾斜角度は、エッチング条件などによらず、54.7度と一定となる。エッチング条件などによらず、一定の傾斜角度を有する傾斜面が形成される利点がある上に、この54.7度という傾斜角度は、接触面での滑らかな滑り運動による凹凸嵌合を起こさせるにも好都合な角度である。
また、前記光導波路は、コアとクラッドとの接合体からなり、前記コアによって導光路が形成されているのがよい。この際、前記接合体によって前記光導波路がフィルム状の平面光導波路になっているのがよい。このようにすると、前記光導波路によってフレキシブルな光配線が可能になると共に、半導体製造技術を用いて前記光導波路自体に前記光導波路側に嵌合のための前記凸部又は凹部を設けることが容易になる。
また、前記接合体が有機高分子材料からなるのがよい。光導波路の材料として有機材料系の樹脂を用いることで、従来の石英系光導波路を用いる場合に比べて、光導波路作製プロセスを簡易化できる。例えば、UV(紫外線)硬化型有機材料を用いると、スピンコート等による成膜や、フォトリソグラフィによるコア加工が可能であり、石英系光導波路のようなCVD(Chemical Vapor Deposition;化学気相成長法)またはFHD(Flame Hydrolysis Deposition;火炎堆積法)等による成膜が必要ではなくなり、安価な設備投資と低い製造コストで、前記光導波路を作製することが可能になる。
また、前記光導波路の端部に傾斜端面が形成されており、この傾斜端面による反射を介して、前記光導波路と前記他の光部品との光結合が行われるのがよい。このようにすると、前述した前記凹部内の所定位置に前記発光又は受光素子が固定されている前記支持体と組み合わせることで、上面に発光面がある安価な面型発光素子(半導体レーザや発光ダイオード)を発光素子として用いることができる。
また、前記他の光部品が、発光素子、受光素子、光ファイバ、又は平面光導波路であるのがよい。
本発明の光結合装置の製造方法において、前記凹凸嵌合に用いられる前記光導波路の前記凸部又は凹部は、前記転写用基板の凹部又は凸部の転写によって形成するが、その転写用基板の前記凹部又は凸部は、半導体からなる転写用基板の異方性エッチングによって形成するのがよい。より具体的には、単結晶シリコンによって前記転写用基板を構成し、その結晶方位(100)面の前記異方性エッチングを行うのがよい。この場合、上記した理由から、前記光導波路のクラッド材に前記凹凸嵌合用の凸部を形成するのがよい。
また、前記支持体に前記光導波路の位置固定用の前記凹部又は凸部を形成するのがよい。この際、半導体からなる前記支持体に異方性エッチングによって前記凹部又は凸部を形成するのがよい。より具体的には、前記支持体を構成する単結晶シリコンの(100)面の前記異方性エッチングを行うのがよい。
上記のように、前記転写用基板及び前記支持体を形成する材料として結晶方位(100)の単結晶シリコン基板を用い、その異方性エッチングによって前記転写用基板の前記凹部又は凸部、および前記支持体の前記凹部又は凸部を形成すると、これらの凹部や凸部の傾斜面の傾斜角度は、エッチング条件などによらず、54.7度と一定となる。このため、前記転写用基板から形成される前記光導波路の前記凸部又は凹部は、前記支持体に形成された前記凹部又は凸部と互いに逆形状になり、傾斜面の広い範囲にわたって良好な接触が保たれ、この接触面での滑らかな滑り運動によって十分な前記凹凸嵌合が達成される。
また、前記54.7度という傾斜面の傾斜角度は、前記転写用基板から前記光導波路を分離させる上でも、好都合な角度である。
また、前記支持体に、前記光導波路の位置固定用の前記凹部又は凸部の他に、前記他の光部品を実装するための凹部を形成するのがよい。この際、半導体からなる前記支持体に異方性エッチングによって前記凹部を形成するのがよい。より具体的には、前記支持体を構成する単結晶シリコンの(100)面の前記異方性エッチングを行うのがよい。このようにすれば、前記他の光部品を実装するための凹部を、前記光導波路の位置固定用の前記凹部又は凸部と同じ工程で形成することができ、光結合装置の製造工程を簡略化することができるとともに、両者を高い相対位置精度で形成することができる。
次に、本発明の好ましい実施の形態を図面参照下に具体的かつ詳細に説明する。
実施の形態1
実施の形態1は、前記他の光部品として発光素子または受光素子である光素子が実装された、前記支持体としてのシリコンからなる実装基板に対し、フィルム状に形成された光導波路シートを、着脱可能な光コネクタの形態で結合させ、光素子の発光または受光部分と光導波路コアとの正確な光結合を実現する光結合装置である。光導波路シートと実装基板との位置合わせは、光導波路シートに形成された凸部と実装基板に形成された凹部との凹凸嵌合によって行われる。
実施の形態1は、前記他の光部品として発光素子または受光素子である光素子が実装された、前記支持体としてのシリコンからなる実装基板に対し、フィルム状に形成された光導波路シートを、着脱可能な光コネクタの形態で結合させ、光素子の発光または受光部分と光導波路コアとの正確な光結合を実現する光結合装置である。光導波路シートと実装基板との位置合わせは、光導波路シートに形成された凸部と実装基板に形成された凹部との凹凸嵌合によって行われる。
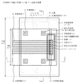
図1は、実施の形態1に基づく光結合装置の上面図であり、図2は、図1のA−A線の位置における断面図(a)と、B−B線の位置における断面図(b)とである。但し、図1の上面図では、下部の構造を分かりやすくするため、上蓋18と光導波路用サブマウント11とを点線で示している。
図1と図2に示すように、光結合装置の一方である実装基板側部分では、実装基板3がプラスチック材またはセラミック材からなる実装基板用サブマウント1に保持されている。実装基板用サブマウント1には、光導波路シート13の側のガイドピン12と嵌め合わせるためのガイド孔2と、実装基板3の外形に合わせた浅い凹部とが設けられている。実装基板3は、この凹部に嵌め込んで接着することによって、ガイド孔2との相対位置が±50μm程度の精度で位置合わせされている。
実装基板3としては、例えば、結晶方位(100)の単結晶シリコンウエハを用いる。この場合、0.05Ωcm以下の低抵抗シリコン基板を用いれば、基板全体を電気的なグラウンド(接地電極)にすることが可能となり、信号ラインへの雑音を低減でき、高周波動作が可能となる。
実装基板3には、光導波路シート13との嵌合用の凹部4と光素子搭載用の凹部5とが設けられ、光素子搭載用凹部5には光素子アレイ7との電気的接続のための電極パッド6が形成されている。嵌合用凹部4と光素子搭載用凹部5とは、断面がほぼ逆台形状で、後述する異方性エッチングによって同時に形成されているため、高い相対位置精度を有している。このため、光素子アレイ7は、実装基板3の上に形成されたマーカ(図示省略)を目印にして、嵌合用凹部4に対して±2μm程度の高精度で光素子搭載用凹部5に実装されている。
電極パッド6は、例えば、下からチタンTi/白金Pt/金Auの3層構造で、厚さは0.6〜1μm弱である。この構成では、金層が導電材として用いられ、チタン層は基板との密着性を高めるために用いられ、白金層はアニール時の拡散ストップ層として用いられている。光素子アレイ7は、例えば8チャンネルの発光素子アレイまたは受光素子アレイであり、発光素子としてはVCSEL(Vertical Cavity Surface-Emitting Laser;垂直共振器面発光レーザ)または発光ダイオードなどが用いられ、受光素子としてはフォトダイオードなどが用いられる。
光結合装置の他方である光導波路シート側部分では、光導波路シート13が、プラスチック材またはセラミック材からなる光導波路用サブマウント11に保持されている。光導波路用サブマウント11には、実装基板3側のガイド孔2と嵌め合わせるためのガイドピン12と、光導波路シート13の横幅にあわせた浅い溝が設けられている。光導波路シート13は、この溝に嵌め込んで接着することによって、ガイドピン13との相対位置が±50μm程度の精度で位置合わせされている。
光導波路シート13は、コア15とクラッド16との接合体からなり、導光路であるコア15が下部クラッドと上部クラッドとの間に挟持され、複数本並置されている。接合体は、フィルム状の平面光導波路になっており、光導波路シート13によるフレキシブルな光配線が可能になると共に、後述するように、熟成された半導体製造技術を用いて光導波路自体に嵌合のための凸部又は凹部を設けることができる。
光導波路シート13の下部クラッド、コアおよび上部クラッドの各層は、屈折率のそれぞれ異なる公知の高分子材料を順次積層し、コア材料をパターニングすることによって形成されるが、コア15の屈折率はクラッド16の屈折率よりも大きい。各コア15は、それぞれ例えば40〜50μm幅に形成され、光導波路シート13全体の厚さは、例えば100μm程度である。
光導波路シート13の端部には、光反射面として、おおよそ45度に傾斜した傾斜端面17が形成されており、この傾斜端面17に対向して光素子アレイ7が配置されている。傾斜端面17の中心線の直下に光素子7の発光又は受光部8が配置されているのが、光導波路シート13と光素子7とが適性に光結合されている状態である。このとき、光素子7が発光素子であれば、発光素子の発光部8から傾斜端面17に入射した光が、傾斜端面17で反射され、コア15の内部へ導かれる。また、光素子7が受光素子である場合には、コア15の内部を伝播してきた光が、傾斜端面17で反射され、受光素子の受光部8へと導かれる。このように傾斜端面17による反射を利用すると、上面に発光部をもつ、上記VCSELなどの安価な面型発光素子(発光領域の大きさは、例えば10μm)を用いることができる利点がある。
更に、光導波路用サブマウント12は、フレキシブルな板バネ(またはスプリングなど)19を介して上蓋18に接着されている(図2参照のこと。)。
なお、光導波路シート13の横幅は4mm程度であり、光結合装置の横幅は10mm程度である。
図3は、実装基板に形成された凹部と光導波路シートに形成された凸部との凹凸嵌合によって実装基板と光導波路シートとの位置合わせを行い、光素子の発光または受光部分と光導波路コアとの正確な光結合を実現する仕組みを説明する断面図((a)は、図1のA−A線の位置の断面図で、(b)は、図1のB−B線の位置の断面図)である。
まず、光導波路用サブマウント11に形成されたガイドピン12を実装基板用サブマウント1に形成されたガイド孔2に挿入し、上蓋18の上から力を加えて光導波路シート側部分を実装基板側部分に押し付ける。この際、ガイドピン12とガイド孔2との嵌め合わせによって光導波路シート13と実装基板3の相対位置は、±100μm程度の精度で位置合わせされる。このように、ガイドピン12とガイド孔2との嵌め合わせによる予備的な位置合わせによって、光導波路シート13の嵌合用凸部14の傾斜壁面と、実装基板3の嵌合用凹部4の傾斜壁面との接触が、確実に実現される。
上記の状態で、光導波路シート側部分を更に実装基板側部分に押し込むと、嵌合用凸部14の傾斜壁面と嵌合用凹部4の傾斜壁面とが、接触しながら横滑りして、嵌合用凸部14が嵌合用凹部4の中心方向へ導かれる。この動きは、嵌合用凸部14の中心と嵌合用凹部4の中心とが一致して嵌合が完全になるまで続く。最終的には、嵌合用凸部14と嵌合用凹部4との嵌合によって、光導波路シート側部分と実装基板側部分とは、±5μm程度の高精度に位置合わせされる。
上記の凹凸嵌合において、嵌合用凸部14と嵌合用凹部4のように、凸部および凹部が互いに逆形状で、同じ傾斜角度をもつ傾斜面を有するのがよい。この場合、凸部および凹部の広い面積にわたって良好な接触が保たれ、この接触面での滑らかな滑り運動によって十分な凹凸嵌合が達成される。互いに逆形状で、同じ傾斜角度をもつ傾斜面を有する嵌合用凸部14と嵌合用凹部4は、例えば、後述する単結晶シリコン基板の(100)面の異方性エッチングによる凹部の形成と、その凹部の転写による凸部の形成によって得られる。
最後に、光導波路シート13側の上蓋18の外縁に設けられた鍵形の爪20が、実装基板用サブマウント1の内縁に設けられた鍵形の爪10とかみ合い、光導波路シート13が板バネ(またはスプリング等)19の弾力で軽く実装基板3に押し付けられた状態で結合が完成する。
光導波路シート側部分と実装基板側部分とを分離する場合には、上蓋18の上部を押えて鍵形の爪20を狭めて上方に抜き取る。ガイドピン12とガイド孔2は、脱着の際にも、光導波路シート側部分が実装基板側部分に対して垂直上方に抜き取られるように案内する働きをする。
図4は、実装基板3の要部を作製する工程を示すフロー図である。なお、この図は、図1のA−A線の位置における断面図である。
まず、図4(a)に示すように、基板として結晶方位(100)の単結晶シリコンウエハ21を用意し、表面に熱酸化膜22を形成する。また、基板として0.05Ωcm以下の低抵抗シリコン基板を用いれば、基板全体を電気的なグラウンドにすることが可能となり、信号ラインへの雑音を低減でき、高周波動作が可能となる。
次に、図4(b)に示すように、嵌合用凹部4と光素子搭載用凹部5とを形成する箇所以外の部分をマスクするようにフォトレジスト層23をパターニングして形成した後、フッ素系ガスを用いた反応性イオンエッチング(Reactive Ion Etching:RIE)により、開口部分の熱酸化膜22を除去する。終了後、マスクとして用いたフォトレジスト層23は、酸素プラズマによるアッシングにより除去する。
次に、図4(c)に示すように、シリコン基板21を、温度70℃、濃度20質量%の水酸化カリウム水溶液またはTMAH(Tetra Methyl Ammonium Hydroxide)水溶液に浸し、シリコン酸化膜をマスクとするシリコンの異方性エッチングにより、嵌合用凹部4と光素子搭載用凹部5とを形成する。凹部の深さは、実装する光素子の高さに合わせ、それよりやや大きくする。例えば、光素子の高さが100〜200μmであれば、凹部の深さも100〜200μm程度とする。
基板として結晶方位(100)の単結晶シリコンウエハ21を用いると、上記の異方性エッチングによって形成される凹部の傾斜面の傾斜角度が、エッチング条件などによらず54.7度で一定となる。
次に、図4(d)に示すように、光素子搭載用凹部5に電極パッド6を形成する。本実施の形態では、電極の構成は、下からチタンTi/白金Pt/金Auの3層構造で、厚さは0.6〜1μm弱とし、金属膜形成には蒸着を用いる。この後、シリコン基板21との接触抵抗を低下させるため、300〜400℃でアニール処理を行うこともある。上記の構成では、金層が導電材として用いられ、チタン層は基板との密着性を高めるために用いられ、白金層はアニール時の拡散ストップ層として用いられている。また、電極パッド6は、フォトレジストを用いたリフトオフ工程によって電極パターンを形成する。金属膜の形成方法としては、これに限らず、例えばめっき法やスパッタ法などを用いてもよい。パターンの形成方法も、全面に金属層を形成した後に、エッチングによってパターンを形成する方法などを採用する場合もある。
次に、図4(e)に示すように、実装基板3の上に形成されたマーカ(図示省略)を目印にして、光素子搭載用凹部5に光素子アレイ7を実装する。
上記の工程では、嵌合用凹部4と光素子搭載用凹部5とは、同一のエッチングプロセスによって形成されるので、高い相対位置精度を有しており、光素子アレイ7は嵌合用凹部4に対して±2μm程度の高精度で実装される。
図5と図6とは、実施の形態1に基づき、光導波路シート13の要部を作製する工程を示すフロー図である。なお、この図は、図1のA−A線の位置における断面図である。
これらの工程では、初めに、図4(a)〜(c)と同様の工程で転写用基板に凹部を形成し、次に、この凹部を有する転写用基板面に光導波路材料を被着させて光導波路層を形成し、この光導波路層を転写用基板から剥離して、一方の面に嵌合用凸部14を有する光導波路シート(平面光導波路)13を得る。
まず、図5(a)に示すように、図4(a)と同様に、基板として結晶方位(100)の単結晶シリコンウエハ31を用意し、表面に熱酸化膜32を形成する。
次に、図5(b)に示すように、光導波路シート13の嵌合用凸部14に対応する凹部34を形成する箇所以外の部分をマスクするようにフォトレジスト層33をパターニングして形成した後、フッ素系ガスを用いたRIEにより、開口部分の熱酸化膜32を除去する。終了後、マスクとして用いたフォトレジスト層33は、酸素プラズマによるアッシングにより除去する。
次に、図5(c)に示すように、シリコン基板31を、温度70℃、濃度20質量%の水酸化カリウム水溶液、またはTMAH水溶液に浸し、シリコン酸化膜をマスクとするシリコンの異方性エッチングにより、凹部34を形成し、転写用基板35を得る。基板材料として結晶方位(100)の単結晶シリコンウエハ31を用いると、エッチング条件などによらず、異方性エッチングによって形成される凹部の傾斜面の傾斜角度が54.7度となり、先に実装基板3に形成した嵌合用凹部4の傾斜面の傾斜角度と一致する。
凹部34の大きさは、剥離の際に生じる光導波路層の伸縮を考慮して決定する。光導波路層の材質によって伸縮の大きさは一定に定まるので、凹部34の転写によって形成される嵌合用凸部14の剥離後の大きさが嵌合用凹部4と同じになるように、光導波路層の材質に応じて予め凹部34の大きさを決めておく。一般に、熱硬化性樹脂は変形が大きく、紫外線硬化樹脂は変形が小さい傾向がある。
次に、図5(d)示すように、まず転写用基板35にスピンコートにより高分子有機材料を塗布し、紫外線照射や加熱により硬化させ、下部クラッド層16aを形成する。
次に、図6(e)に示ように、下部クラッド層16aよりも屈折率の高い高分子有機材料を下部クラッド層16aの上に塗布し、紫外線照射や加熱により硬化させることによりコア層15を形成する。コア層15の形成の際には、紫外線照射領域をマスクによって制限したり、全面コア層を形成後にフォトレジストによってパターン形成を行い、RIEによって不要部分のコア層を取り除いたりして、所望の光回路パターンを有するコア層15を形成する。
次に、図6(f)に示すように、下部クラッド層16aおよびコア層15の上に、下部クラッド層16aと同じ高分子有機材料を塗布し、紫外線照射や熱により硬化させ、上部クラッド層16bを形成する。
次に、図6(g)に示すように、上部クラッド層16b、コア層15、下部クラッド層16aおよび転写用基板35の一部をダイヤモンドブレード等で切削し、傾斜反射面として45度傾斜端面17を形成する。45度傾斜端面17を形成する位置は、予めシリコン基板に形成したマーカ(図示省略)を基準に決定することで、転写用基板35の凹部34、ひいては光導波路シート13の嵌合用凸部14に対して高精度に位置決めすることができる。
次に、図6(h)に示すように、下部クラッド層16aより上部の光導波路部分を転写用基板35から剥離して、嵌合用凸部14を有する光導波路シート13を得る。
なお、光導波路シート13の上部にも凹部または凸部を形成し、光導波路用サブマウント11との位置合わせに用いてもよい。
本実施の形態では、実装基板3および転写用基板35を形成する材料として結晶方位(100)の単結晶シリコン基板を用い、異方性エッチングによって実装基板3の嵌合用凹部4と転写用基板35の凹部34を形成するので、形成される凹部の傾斜面の傾斜角度は、エッチング条件などによらず54.7度と一定となる。このため、転写用基板35を用いて形成される光導波路シート13の有する嵌合用凸部14は、実装基板3に形成された嵌合用凹部4と互いに逆形状になり、傾斜面の広い範囲にわたって良好な接触が保たれ、この接触面での滑らかな滑り運動によって十分な凹凸嵌合が達成される。
また、54.7度という凹部の傾斜面の傾斜角度は、接触面での滑らかな滑り運動による凹凸嵌合を起こさせるにも、転写用基板35から光導波路シート13を剥離させる上でも、好都合な角度である。
なお、前記嵌合用凸部および凹部の形成方法は、単結晶シリコン基板の異方性エッチングによる方法に限るものではなく、例えば、高精度ダイング加工等によって基板を加工することにより、同様の構造を形成する場合もある。この場合、基板は単結晶シリコン基板に限らず、例えば、プラスチック基板、ガラス基板またはセラミック基板などを用いることができる。
また、本実施の形態では、光導波路シート13に凸部14を形成し、実装基板3に凹部4を形成しているが、逆に、光導波路シート13に凹部を形成し、実装基板3に凸部を形成してもよい。
実施の形態2
実施の形態2は、主として請求項6に対応するもので、前記第1支持体であるV字形の溝を有する基板にV字形の溝を有する光導波路シートを凹凸嵌合により実装し、前記第2支持体であるV字形の溝を有する他の基板に光ファイバを実装し、光導波路シートと光ファイバの光路とが一致するように上記2つの基板を対向配置させた例である。この際、光導波路シートを実装した基板と、光ファイバを実装した他の基板との位置合わせを、前記位置合わせ手段であるガイドピンによって行い、光導波路シートと光ファイバとの正確な光結合を達成すると共に、光導波路シート実装部と光ファイバ実装部とが着脱可能である光コネクタの形態を実現している。
実施の形態2は、主として請求項6に対応するもので、前記第1支持体であるV字形の溝を有する基板にV字形の溝を有する光導波路シートを凹凸嵌合により実装し、前記第2支持体であるV字形の溝を有する他の基板に光ファイバを実装し、光導波路シートと光ファイバの光路とが一致するように上記2つの基板を対向配置させた例である。この際、光導波路シートを実装した基板と、光ファイバを実装した他の基板との位置合わせを、前記位置合わせ手段であるガイドピンによって行い、光導波路シートと光ファイバとの正確な光結合を達成すると共に、光導波路シート実装部と光ファイバ実装部とが着脱可能である光コネクタの形態を実現している。
図7は、実施の形態2に基づく光結合装置の斜視図である。図7に示す装置では、光導波路シート52および光ファイバ55は、それぞれV溝基板51および54に凹凸嵌合することによって、ガイドピン挿入溝57または58に対して正確に位置合わせされ、押さえ蓋53および56によって保持される。更に、双方のガイドピン挿入溝57および58にガイドピン59を挿入して両側から双方のV溝基板51と54とを押し付けることにより、ガイドピン59を基準としてすべての部品の位置が定まり、光導波路シート52のコア61の光路と光ファイバ55のコア62の光路とが一致するように、光導波路シート52と光ファイバ55とが正確に位置合わせされる。なお、光導波路シート52と光ファイバ55との長さ方向の位置決めは両者の突き当たりで行われる。
本実施の形態に基づく光結合装置は、ガイドピン59を抜き差しすることによって、V溝基板51に実装された光導波路シート側部分とV溝基板54に実装された光ファイバ側部分とを、分離したり結合したりすることのできる光コネクタの形態を実現している。
ガイドピン59と光導波路ピッチを既存のMT形光ファイバコネクタ(NTT社製;商品名)に合わせておけば、光ファイバ側のコネクタとして既存のMT形光ファイバコネクタを使用することができる。
従来、着脱可能な光導波路の位置固定方法としては、導波路の形状に合わせて作られた凹部に導波路全体を嵌め込み、例えば±50μm程度の精度で位置決めするにすぎなかったが、本実施の形態によれば、所望の精度で作られたV溝基板51のV溝に光導波路シート52のV溝を嵌合させることで、高い位置決め精度を実現することができる。
本実施の形態において、基板51に凹凸嵌合用のV溝を形成し、光導波路シート52に凹凸嵌合用のV溝を形成する方法は、実装基板3に嵌合用凹部4を形成し、光導波路シート13に嵌合用凸部14を形成する方法とほぼ同じである。
即ち、V溝を有する基板51を形成するには、基板材料として結晶方位(100)の単結晶シリコンウエハを用意し、表面に熱酸化膜を形成し、V溝およびガイドピン挿入孔57を形成する箇所以外の部分をマスクするようにフォトレジスト層をパターニングして形成した後、フッ素系ガスを用いたRIEにより、開口部分の熱酸化膜を除去し、マスクとして用いたフォトレジスト層をアッシングにより除去してから、水酸化カリウム水溶液などによるシリコンの異方性エッチングによりV溝およびガイドピン挿入孔57を形成する。
他方、光導波路シート52は、転写によって形成する。まず、上記の基板51の作製と同様にして、V溝を有する転写用基板を作製する。このV溝の大きさは、剥離の際に生じる光導波路層の伸縮を考慮して、転写によって形成される光導波路シート52のV溝の大きさが基板51のV溝の大きさと同じになるように、光導波路層の材質に応じて予め決めておく。次に、転写用基板に光導波路層の材料を被着させ、パターニングするなどして、例えば、下部クラッド層、コア層および上部クラッド層からなる光導波路層を形成し、ダイヤモンドブレード等で長さ方向に垂直な端面を形成した後、光導波路層を転写用基板から剥離して、V溝を有する光導波路シート52を得る。
実施の形態3
実施の形態3は、主として請求項5に対応するもので、前記支持体であるV字形の溝を有する基板にV字形の溝を有する光導波路シートを凹凸嵌合により実装し、更に同じ基板に光ファイバを実装し、光導波路シートと光ファイバの光路とが一致するように対向配置させた例である。このようにすると、光導波路シートと光ファイバとが共通の前記支持体に対して凹凸嵌合によって位置固定されるので、能率良く高精度に光結合が実現される。
実施の形態3は、主として請求項5に対応するもので、前記支持体であるV字形の溝を有する基板にV字形の溝を有する光導波路シートを凹凸嵌合により実装し、更に同じ基板に光ファイバを実装し、光導波路シートと光ファイバの光路とが一致するように対向配置させた例である。このようにすると、光導波路シートと光ファイバとが共通の前記支持体に対して凹凸嵌合によって位置固定されるので、能率良く高精度に光結合が実現される。
図8は、実施の形態3に基づく光結合装置の斜視図(a)と断面図(b)である。図8に示す装置では、光導波路シート52および光ファイバ55は、共通のV溝基板60に凹凸嵌合することによって、光導波路シート52のコア61の光路と光ファイバ55のコア62の光路とが一致するように互いに位置合わせされ、それぞれ押さえ蓋53および56によって保持される。光導波路シート52と光ファイバ55との長さ方向の位置決めは、両者の突き当たりで行われる。
本実施の形態は、光導波路シート52および光ファイバ55とV溝基板60との凹凸嵌合を利用する点で実施の形態2と同じであるが、実施の形態2のような光導波路シート実装部と光ファイバ実装部とに分離可能なコネクタ構造ではなく、光導波路シート52および光ファイバ55は共通のV溝基板60に接着固定される点で異なっている。
本実施の形態において、基板60に凹凸嵌合用のV溝を形成し、光導波路シート52に凹凸嵌合用のV溝を形成する方法は、実施の形態2の方法とほぼ同じである。
即ち、V溝を有する基板60を形成するには、基板材料として結晶方位(100)の単結晶シリコンウエハを用意し、表面に熱酸化膜を形成し、V溝を形成する箇所以外の部分をマスクするようにフォトレジスト層をパターニングして形成した後、フッ素系ガスを用いたRIEにより、開口部分の熱酸化膜を除去し、マスクとして用いたフォトレジスト層をアッシングにより除去してから、水酸化カリウム水溶液などによるシリコンの異方性エッチングによりV溝を形成する。
他方、基板60の作製と同様にして、V溝を有する転写用基板を作製する。このV溝の大きさは、剥離の際に生じる光導波路層の伸縮を考慮して、転写によって形成される光導波路シート52のV溝の大きさが基板60のV溝の大きさと同じになるように、光導波路層の材質に応じて予め決めておく。次に、転写用基板に光導波路層の材料を被着させ、パターニングするなどして、例えば、下部クラッド層、コア層および上部クラッド層からなる光導波路層を形成し、ダイヤモンドブレード等で長さ方向に垂直な端面を形成した後、光導波路層を転写用基板から剥離して、V溝を有する光導波路シート52を得る。
以上、述べてきたように、高分子有機平面光導波路自体に位置合わせ用の凸部または凹部を形成することによって、フレキシブルな光導波路シート(フィルム)を嵌合による簡易な位置合わせで他の光部品と光結合することが可能となる。
光導波路シートを作製する際に、予め凹部または凸部を形成しておいた転写用基板を用いることによって、簡単に光導波路シートに位置合わせ用の高精度な凸部または凹部を形成することができる。この際、転写用基板にシリコンを用いてフォトリソグラフィと異方性エッチングを用いることによって、簡易かつ高精度に転写用基板に位置合わせ用の凸部または凹部を形成することができる。
また、光導波路と嵌合する相手方基板にもシリコン基板を用いると、異方性エッチングにより簡易、且つ高精度に嵌合のための凹部または凸部を形成することができる。
高精度な位置合わせに用いる嵌合用の凹部または凸部とは別に、双方の嵌合用の凹部と凸部との接触を確実にするために、大まかな位置合わせをするためのガイドピンとガイド孔とをそれぞれ双方に設けることによって、簡単に脱着できるコネクタ型の光結合装置を実現することができる。
以上、本発明を実施の形態に基づいて説明したが、本発明はこれらの例に何ら限定されるものではなく、発明の主旨を逸脱しない範囲で適宜変更可能であることは言うまでもない。
本発明の光結合装置は、電子機器間、電子機器内のボード間又はボード内のチップ間など、種々の箇所に適用可能な光配線において好適に用いられ、フレキシブルな光伝送・通信システムの構築に寄与することができる。
1…実装基板用サブマウント、2…ガイド孔、3…実装基板、4…嵌合用凹部、
5…光素子搭載用凹部、6…電極パッド(チタンTi/白金Pt/金Au)、
7…光素子アレイ、8…発光又は受光部、9…ボンディングパッド、
11…光導波路用サブマウント、12…ガイドピン、13…光導波路シート、
14…嵌合用凸部、15…光導波路コア、16…光導波路クラッド、
16a…下部クラッド層、16b…上部クラッド層、
17…傾斜反射面状の45度傾斜端面、18…上蓋、
19…板バネ(またはスプリング等)、21…シリコン基板、22…酸化シリコン膜、
23…フォトレジスト層、31…シリコン基板、32…酸化シリコン膜、
33…フォトレジスト層、34…凹部、35…転写用基板、51、54…V溝基板、
52…光導波路シート、53、56…押さえ蓋、55…光ファイバ、
57、58…ガイドピン挿入溝、59…ガイドピン、60…V溝基板、
61…光導波路シートのコア、62…光ファイバのコア、101…基板、
102…位置合わせ用マーカ、103…光導波路、104…下部クラッド、
105…コア、106…上部クラッド、107…光素子、108…光素子の活性層、
109…はんだ層、110…電極、111…基板、112…光導波路、113…光素子、114…他の基板、115…光ファイバ、116…突起、117…嵌合孔、
118…光ファイバ嵌合溝
5…光素子搭載用凹部、6…電極パッド(チタンTi/白金Pt/金Au)、
7…光素子アレイ、8…発光又は受光部、9…ボンディングパッド、
11…光導波路用サブマウント、12…ガイドピン、13…光導波路シート、
14…嵌合用凸部、15…光導波路コア、16…光導波路クラッド、
16a…下部クラッド層、16b…上部クラッド層、
17…傾斜反射面状の45度傾斜端面、18…上蓋、
19…板バネ(またはスプリング等)、21…シリコン基板、22…酸化シリコン膜、
23…フォトレジスト層、31…シリコン基板、32…酸化シリコン膜、
33…フォトレジスト層、34…凹部、35…転写用基板、51、54…V溝基板、
52…光導波路シート、53、56…押さえ蓋、55…光ファイバ、
57、58…ガイドピン挿入溝、59…ガイドピン、60…V溝基板、
61…光導波路シートのコア、62…光ファイバのコア、101…基板、
102…位置合わせ用マーカ、103…光導波路、104…下部クラッド、
105…コア、106…上部クラッド、107…光素子、108…光素子の活性層、
109…はんだ層、110…電極、111…基板、112…光導波路、113…光素子、114…他の基板、115…光ファイバ、116…突起、117…嵌合孔、
118…光ファイバ嵌合溝
Claims (30)
- 光導波路が支持体に対して凹凸嵌合によって位置固定され、前記光導波路と他の光部品との光結合を行うための位置合わせ手段を有する、光結合装置。
- 前記光導波路側に形成された凸部又は凹部と、前記支持体側に形成された凹部又は凸部とが互いに嵌合されている、請求項1に記載した光結合装置。
- 前記光導波路のクラッド材によって前記凸部が形成されている、請求項2に記載した光結合装置。
- 前記支持体に凹部が形成され、この凹部内の所定位置に前記他の光部品である発光又は受光素子が固定されている、請求項1に記載した光結合装置。
- 前記支持体に前記光導波路と共に前記他の光部品が実装され、この他の光部品が前記支持体に対し凹凸嵌合によって位置固定され、前記光導波路の光路と前記他の光部品の光路との位置合わせが行われている、請求項1に記載した光結合装置。
- 前記支持体を第1支持体とし、これとは別の第2支持体に前記他の光部品が実装され、前記光導波路の光路と前記他の光部品の光路とが一致するように、前記第1及び前記第2支持体が対向配置されている、請求項1に記載した光結合装置。
- 前記第2支持体に前記他の光部品が凹凸嵌合によって位置固定され、更に前記第1及び前記第2支持体間の位置合わせ手段が設けられている、請求項6に記載した光結合装置。
- 前記凹凸嵌合に用いられる凸部及び凹部が、互いに逆形状で、略同じ傾斜角度をもつ傾斜面を有する、請求項1に記載した光結合装置。
- 前記光導波路の両主面の少なくとも一方に前記凸部又は凹部が形成されている、請求項1に記載した光結合装置。
- 前記支持体に対し前記光導波路が、少なくとも位置固定される際に前記光導波路及び前記支持体の少なくとも一方をガイドするためのガイド機構を有する、請求項1に記載した光結合装置。
- 前記ガイド機構が、前記光導波路側と前記支持体側とにそれぞれ設けられたガイドピン又はガイド孔とで構成され、これらのガイドピンとガイド孔との嵌め合い機構からなる、請求項10に記載した光結合装置。
- 前記支持体に対し前記光導波路と前記他の光部品との少なくとも一方を保持するための保持手段を有する、請求項1に記載した光結合装置。
- 前記保持手段が前記支持体に対し着脱可能に構成されている、請求項12に記載した光結合装置。
- 請求項9に記載した前記光導波路の凸部又は凹部が前記保持手段と凹凸嵌合されている、請求項12に記載した光結合装置。
- 前記支持体が半導体からなり、前記光導波路を位置固定するための前記支持体側の凹部又は凸部と、前記他の光部品を実装するための前記支持体側の凹部とが、前記支持体の異方性エッチングによって形成されている、請求項1に記載した光結合装置。
- 前記異方性エッチングが、前記支持体の構成材料である単結晶シリコンの(100)面のエッチングである、請求項15に記載した光結合装置。
- 前記光導波路は、コアとクラッドとの接合体からなり、コアを導光路とする、請求項1に記載した光結合装置。
- 前記接合体が有機高分子材料からなる、請求項17に記載した光結合装置。
- 前記光導波路がフィルム状の平面光導波路である、請求項1に記載した光結合装置。
- 前記光導波路の端部に傾斜端面が形成されており、この傾斜端面による反射を介して、前記光導波路と前記他の光部品との光結合が行われる、請求項1に記載した光結合装置。
- 前記他の光部品が、発光素子、受光素子、光ファイバ、又は平面光導波路である、請求項1に記載した光結合装置。
- 請求項1に記載した光結合装置の製造方法であって、転写用基板に凹部又は凸部を形成する工程と、この凹部又は凸部を有する転写用基板面に光導波路材料を被着する工程と、前記光導波路を前記転写用基板から分離する工程と、前記支持体に対し前記光導波路を凹凸嵌合によって位置固定する工程とを有する、光結合装置の製造方法。
- 半導体からなる前記転写用基板に異方性エッチングによって前記凹部又は凸部を形成する、請求項22に記載した光結合装置の製造方法。
- 前記転写用基板を構成する単結晶シリコンの(100)面の前記異方性エッチングを行う、請求項23に記載した光結合装置の製造方法。
- 前記支持体に前記光導波路の位置固定用の前記凹部又は凸部を形成する、請求項22に記載した光結合装置の製造方法。
- 半導体からなる前記支持体に異方性エッチングによって前記凹部又は凸部を形成する、請求項25に記載した光結合装置の製造方法。
- 前記光導波路のクラッド材に前記凹凸嵌合用の凸部を形成する、請求項22に記載した光結合装置。
- 前記光導波路の位置固定用の前記凹部又は凸部の他に、前記他の光部品を実装するための凹部を前記支持体に形成する、請求項25に記載した光結合装置の製造方法。
- 半導体からなる前記支持体に異方性エッチングによって前記凹部を形成する、請求項28に記載した光結合装置の製造方法。
- 前記支持体を構成する単結晶シリコンの(100)面の前記異方性エッチングを行う、請求項26又は29に記載した光結合装置の製造方法。
Priority Applications (1)
| Application Number | Priority Date | Filing Date | Title |
|---|---|---|---|
| JP2004105833A JP2005292379A (ja) | 2004-03-31 | 2004-03-31 | 光結合装置及びその製造方法 |
Applications Claiming Priority (1)
| Application Number | Priority Date | Filing Date | Title |
|---|---|---|---|
| JP2004105833A JP2005292379A (ja) | 2004-03-31 | 2004-03-31 | 光結合装置及びその製造方法 |
Publications (1)
| Publication Number | Publication Date |
|---|---|
| JP2005292379A true JP2005292379A (ja) | 2005-10-20 |
Family
ID=35325382
Family Applications (1)
| Application Number | Title | Priority Date | Filing Date |
|---|---|---|---|
| JP2004105833A Pending JP2005292379A (ja) | 2004-03-31 | 2004-03-31 | 光結合装置及びその製造方法 |
Country Status (1)
| Country | Link |
|---|---|
| JP (1) | JP2005292379A (ja) |
Cited By (9)
| Publication number | Priority date | Publication date | Assignee | Title |
|---|---|---|---|---|
| JP2010060793A (ja) * | 2008-09-03 | 2010-03-18 | Nec Electronics Corp | 光伝送装置及びその製造方法 |
| US7724992B2 (en) | 2007-10-29 | 2010-05-25 | Corning Incorporated | Glass-based micropositioning systems and methods |
| US7876984B2 (en) | 2008-05-30 | 2011-01-25 | Hitachi, Ltd. | Planar optical waveguide array module and method of fabricating the same |
| CN102681107A (zh) * | 2011-03-14 | 2012-09-19 | 日东电工株式会社 | 光电混载基板及其制造方法 |
| JP2012194401A (ja) * | 2011-03-16 | 2012-10-11 | Nitto Denko Corp | 光電気混載基板およびその製法 |
| JP2013228622A (ja) * | 2012-04-26 | 2013-11-07 | Fujitsu Ltd | 光導波路コネクタの製造方法、光導波路の作製方法及び光導波路コネクタ |
| JP2016071137A (ja) * | 2014-09-30 | 2016-05-09 | インターナショナル・ビジネス・マシーンズ・コーポレーションInternational Business Machines Corporation | 導波路用のコネクタおよびアライメント方法 |
| JP2020095035A (ja) * | 2018-12-07 | 2020-06-18 | 旭化成エレクトロニクス株式会社 | ガスセンサ |
| WO2022054258A1 (ja) * | 2020-09-11 | 2022-03-17 | 日本電信電話株式会社 | 多心光コネクタ及びその製造方法 |
-
2004
- 2004-03-31 JP JP2004105833A patent/JP2005292379A/ja active Pending
Cited By (16)
| Publication number | Priority date | Publication date | Assignee | Title |
|---|---|---|---|---|
| US7724992B2 (en) | 2007-10-29 | 2010-05-25 | Corning Incorporated | Glass-based micropositioning systems and methods |
| US7876984B2 (en) | 2008-05-30 | 2011-01-25 | Hitachi, Ltd. | Planar optical waveguide array module and method of fabricating the same |
| JP2010060793A (ja) * | 2008-09-03 | 2010-03-18 | Nec Electronics Corp | 光伝送装置及びその製造方法 |
| CN102681107B (zh) * | 2011-03-14 | 2015-05-13 | 日东电工株式会社 | 光电混载基板及其制造方法 |
| CN102681107A (zh) * | 2011-03-14 | 2012-09-19 | 日东电工株式会社 | 光电混载基板及其制造方法 |
| JP2012189950A (ja) * | 2011-03-14 | 2012-10-04 | Nitto Denko Corp | 光電気混載基板およびその製法 |
| US9265141B2 (en) | 2011-03-16 | 2016-02-16 | Nitto Denko Corporation | Opto-electric hybrid board and manufacturing method therefor |
| JP2012194401A (ja) * | 2011-03-16 | 2012-10-11 | Nitto Denko Corp | 光電気混載基板およびその製法 |
| JP2013228622A (ja) * | 2012-04-26 | 2013-11-07 | Fujitsu Ltd | 光導波路コネクタの製造方法、光導波路の作製方法及び光導波路コネクタ |
| JP2016071137A (ja) * | 2014-09-30 | 2016-05-09 | インターナショナル・ビジネス・マシーンズ・コーポレーションInternational Business Machines Corporation | 導波路用のコネクタおよびアライメント方法 |
| US9563030B2 (en) | 2014-09-30 | 2017-02-07 | International Business Machines Corporation | Connector for waveguide and alignment method |
| US9857539B2 (en) | 2014-09-30 | 2018-01-02 | International Business Machines Corporation | Connector for waveguide and alignment method |
| US10416393B2 (en) | 2014-09-30 | 2019-09-17 | International Business Machines Corporation | Connector for waveguide and alignment method |
| JP2020095035A (ja) * | 2018-12-07 | 2020-06-18 | 旭化成エレクトロニクス株式会社 | ガスセンサ |
| JP7448344B2 (ja) | 2018-12-07 | 2024-03-12 | 旭化成エレクトロニクス株式会社 | ガスセンサ |
| WO2022054258A1 (ja) * | 2020-09-11 | 2022-03-17 | 日本電信電話株式会社 | 多心光コネクタ及びその製造方法 |
Similar Documents
| Publication | Publication Date | Title |
|---|---|---|
| CN212031792U (zh) | 用于在光学连接器与光电基板之间提供接口的光子适配器及用于安装到载体基板的光电组件 | |
| CN215932210U (zh) | 光纤配件 | |
| US7362934B2 (en) | Optical connecting device and connector | |
| US6944377B2 (en) | Optical communication device and laminated optical communication module | |
| US6866426B1 (en) | Open face optical fiber array for coupling to integrated optic waveguides and optoelectronic submounts | |
| US8542963B2 (en) | Method for manufacturing optical coupling element, optical transmission substrate, optical coupling component, coupling method, and optical interconnect system | |
| US20190146162A1 (en) | Fiber-to-waveguide optical interface devices and coupling devices with lenses for photonic systems | |
| US12379555B2 (en) | Detachable connector for co-packaged optics | |
| JP2001324631A (ja) | 基板、光ファイバ接続端部材、光素子ハウジング部材、光モジュール及び基板の製造方法 | |
| CA2572741C (en) | Packaging for a fiber-coupled optical device | |
| CN112534322A (zh) | 具有波导和蚀刻连接器的激光图案化适配器 | |
| TW201234066A (en) | Optical interposer | |
| EP3798699B1 (en) | Fiber array spacers, optical assemblies incorporating fiber array spacers, and methods of fabricating the same | |
| JP2009198804A (ja) | 光モジュール及び光導波路 | |
| JP2006065163A (ja) | 光導波路装置 | |
| JP2014522999A (ja) | 共通傾斜面を有する光インタポーザ | |
| JP2005292379A (ja) | 光結合装置及びその製造方法 | |
| JP2016071034A (ja) | 光ファイバガイド、光ファイバガイドを備えた光導波路基板、光入出力装置、及び光ファイバの実装方法 | |
| JP3323662B2 (ja) | 光送受信モジュールの製造方法及び光送受信モジュール | |
| JP2006058327A (ja) | 光導波路装置及び光結合装置 | |
| JP2007072007A (ja) | 光導波路モジュール | |
| JP4288604B2 (ja) | 光結合装置 | |
| JP2001188146A (ja) | 光結合方法及び光回路 | |
| JP2008102283A (ja) | 光導波路、光モジュール及び光導波路の製造方法 | |
| JP2006030224A (ja) | 光導波路及び光結合装置 |