JP2005291980A - 光学式エンコーダ - Google Patents

光学式エンコーダ Download PDF

Info

Publication number
JP2005291980A
JP2005291980A JP2004108687A JP2004108687A JP2005291980A JP 2005291980 A JP2005291980 A JP 2005291980A JP 2004108687 A JP2004108687 A JP 2004108687A JP 2004108687 A JP2004108687 A JP 2004108687A JP 2005291980 A JP2005291980 A JP 2005291980A
Authority
JP
Japan
Prior art keywords
light
main scale
signal
slit
scale
Prior art date
Legal status (The legal status is an assumption and is not a legal conclusion. Google has not performed a legal analysis and makes no representation as to the accuracy of the status listed.)
Granted
Application number
JP2004108687A
Other languages
English (en)
Other versions
JP4474188B2 (ja
JP2005291980A5 (ja
Inventor
Masahiko Igaki
正彦 井垣
Akio Atsuta
暁生 熱田
Current Assignee (The listed assignees may be inaccurate. Google has not performed a legal analysis and makes no representation or warranty as to the accuracy of the list.)
Canon Inc
Original Assignee
Canon Inc
Priority date (The priority date is an assumption and is not a legal conclusion. Google has not performed a legal analysis and makes no representation as to the accuracy of the date listed.)
Filing date
Publication date
Application filed by Canon Inc filed Critical Canon Inc
Priority to JP2004108687A priority Critical patent/JP4474188B2/ja
Priority to EP05004593A priority patent/EP1577645B1/en
Priority to DE602005002287T priority patent/DE602005002287T2/de
Priority to US11/075,959 priority patent/US7132647B2/en
Priority to CNB2005100554535A priority patent/CN100389305C/zh
Priority to KR1020050022194A priority patent/KR100753062B1/ko
Publication of JP2005291980A publication Critical patent/JP2005291980A/ja
Priority to US11/535,298 priority patent/US7326919B2/en
Priority to KR1020070029126A priority patent/KR100738495B1/ko
Publication of JP2005291980A5 publication Critical patent/JP2005291980A5/ja
Application granted granted Critical
Publication of JP4474188B2 publication Critical patent/JP4474188B2/ja
Anticipated expiration legal-status Critical
Expired - Fee Related legal-status Critical Current

Links

Images

Landscapes

  • Optical Transform (AREA)

Abstract

【課題】スケール又はその付帯部材に不連続部分を設けて絶対位置を検出し得る光学式エンコーダを得る。
【解決手段】メインスケール13上に等間隔にスリットSが配列され、スリットS15のみは原点検出のための光線不透過領域とされている。一方、インデックススケール14には3個の矩形状の開口部を1組とした4組の窓W1〜W4が形成され、窓W1〜W4はスリットSのピッチをpとした場合に(1/4)pだけ位相をずらせて配置されている。欠落スリットS15の部分がインデックススケール14と重なると、欠落スリットS15からの光量がフォトダイオードに届かないため、窓W1では3つの開口部のうちの2個分の光しか透過せず、スリット1本分が欠落となることに相当する光量1/3だけ減少し、その値は正規の値の2/3になる。全てのフォトダイオードの出力を足すと、欠落スリットS15による原点信号が得られる。
【選択図】図10

Description

本発明は、変位測定や角度測定に用いられ絶対位置検出を可能とする光学式エンコーダに関するものである。
光学式エンコーダは基本的に、第1の光学格子が形成されたメインスケールと、これに対向して配置され第2の光学格子が形成されたインデックススケールと、メインスケールに光を照射する光源と、メインスケールの第1の光学格子を透過又は反射し、更にインデックススケールの第2の光学格子から戻ってくる光を受光する受光素子とを備えた構成とされている。
この種の光学式エンコーダにおいて、インデックススケールを兼ねて受光素子アレイを用いる方式は、既に例えば特許文献1において提案されている。また、本出願人も同様の構成の特許文献2の光学式エンコーダを出願している。
特公平6−56304号公報 特開2003−161645号公報
このエンコーダはインクリメンタル型と云われ、スケールの移動に対しパルスの増減によりその移動量を検出することが可能である。インクリメンタル型の問題点として、絶対位置が不明なため、絶対位置を検出するセンサが別途に必要になるという問題がある。
図40はこれらのインクリメンタル式のエンコーダにおける絶対位置を検出する光学式エンコーダの一例を示す斜視図である。LED等の光源1と平行光束に変換するためのコリメータレンズ2、メインスケール3、インデックススケール4、及び複数の受光素子を有する受光部5から成る透過型の光学式エンコーダとして構成されている。
図41はメインスケール3の平面図であり、複数のスリットがS1、S2、・・・、S15、・・・として等間隔に配列され、スリットHが原点信号を発生する目的で標識開口部として設けられている。
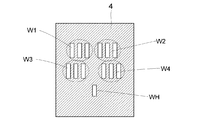
図42はインデックススケール4の平面図を示し、インクリメンタルA、B相信号発生のために設けられた開口パターンを示し、それぞれ3個ずつのスリット状の開口部を有する窓W1、W2、W3、W4は、空間的に90度位相をずらして配置されている。また、窓WHはメインスケール3の原点標識開口部Hに対応している。
図43は受光部5を示し、フォトダイオードP1、P2、P3、P4はそれぞれ窓W1、W2、W3、W4のスリットを透過してきた光を受光するために設けられている。また、フォトダイオードPHはメインスケール3の原点標識開口部Hに対応し、メインスケール3とインデックススケール4の双方の開口位置が合致したときに光源1からの光が透過し受光部5で受光される。
図44は状態a、b、c、dにおいて、インデックススケール4に対してメインスケール3が相対的に1/4ピッチずつずれながら移動してゆく状態を表している。インデックススケール4の開口部とメインスケール3のスリットSの重なりが状態a〜dで徐々に変化し、その変化の結果を受光部5で検出している。図45は図44に示す状態a、b、c、dでのフォトダイオードP1〜P4、PHの出力を示している。
しかし、上述のような従来構成では、原点標識開口部Hの検出のために特別に受光素子が必要で、そのために素子が大型化する。また、この原点検出方法では原点信号発生のための受光素子を設ける必要があり、また光源1の光軸を回転軸としたメインスケール3のアジマスずれにより、インクリメンタル相との位相関係が崩れてしまう問題もある。
本発明の目的は、上述の問題点を解消し、メインスケール又はその付帯部材に不連続部分を設けてメインスケールの絶対位置をも検出し得る光学式エンコーダを提供することにある。
上記目的を達成するための本発明に係る光学式エンコーダは、光透過部又は光反射部を連続して配列したメインスケールと、該メインスケールに対して相対移動可能に設けると共に前記光透過部又は光反射部のピッチに関係付けして配設した複数のフォトダイオードを有する受光部と、前記メインスケールを介して前記受光部に光を照射する発光部とを有する光学式エンコーダにおいて、前記メインスケール又は前記メインスケールと共に移動する付帯部材に前記相対移動方向に沿って光学的に不連続部分を設けたことを特徴とする。
本発明に係る光学式エンコーダによれば、メインスケール又はその付帯部材に不連続部分を設けたので、安価なコストで絶対位置の検出が可能となる。また、原点検出受光素子が不要となり、極めて小型のエンコーダデバイスが得られる。
本発明を図1〜図39に図示の実施例に基づいて詳細に説明する。
図1は光学式エンコーダの実施例1の斜視図であり、光源11の下方に、コリメータレンズ12、メインスケール13、インデックススケール14、複数のフォトダイオードPを並列した受光部15が順次に配列されている。そして、メインスケール13が他の光学部材に対して矢印方向に相対的に移動可能とされている。
図2はメインスケール13の平面図を示し、メインスケール13上に等間隔に矩形状のスリットS1、・・・・、S10、・・が配列されている。ただし、スリットS15のみは光線不透過領域とされ、原点検出のための特異点とされている。
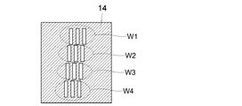
図3はインデックススケール14の平面図を示し、このインデックススケール14にはメインスケール13のスリットSの長さよりも短い長さの3個の矩形状の開口部を1組とした4組の窓W1、W2、W3、W4が形成されている。各開口部はメインスケール13のスリットSと同方向に配列されており、窓W1、W2、W3、W4はメインスケール13のスリットSのピッチをpとした場合に、(1/4)pだけ位相を順次にずらせて開口部の長手方向に沿って配置されている。
この配置により、メインスケール13の変位に応じて90度ずつ位相がずれた信号を発生させることが可能となる。そして、受光部15の4個のフォトダイオードP1〜P4の配列方向は、メインスケール13のスリットS及びインデックススケール14の開口部の長手方向とされている。
光源11からの発散光束は、コリメータレンズ12によって平行光束に変換され、メインスケール13を照射する。図4はメインスケール13とインデックススケール14の重なり具合を光源11側から見た平面図である。メインスケール13のスリットSを透過した光束はインデックススケール14に到達し、一部の光束はインデックススケール14の窓W1、W2、W3、W4を透過しそれぞれ受光部15のフォトダイオードP1、P2、P3、P4に入射する。インデックススケール14を通過する光量は、メインスケール13の変位に応じて変化する。
図5は欠落スリットS15を設けたメインスケール13がインデックススケール14と相対的に変位してゆく状態a〜dを示している。
図6はメインスケール13のスリットSを透過した光束によって、インデックススケール14上に形成される光強度分布図である。欠落スリットS15の部分と透過した光束においては光強度分布周期が崩れている。
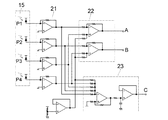
図7は処理回路の構成図を示し、受光部15のフォトダイオードP1〜P4から得られた受光量に見合う電流は、電流電圧回路21において電圧に変換され、変換信号を差動増幅器22に差動入力し、エンコーダ信号A、Bが得られる。また、フォトダイオードP1〜P4の和信号Cが、和算回路23から出力される。
図8は電流電圧回路21の4つの出力信号を示し、インデックススケール14の窓Wの配置により、出力信号は窓W1、W2、W3、W4に対応したフォトダイオードP1、P2、P3、P4の出力位相差の関係を示している。差動増幅器22の出力(P1−P3)、(P2−P4)の結果、図9に示すように波形の90度位相差の信号A、Bが得られる。また、和信号Cはメインスケール13の移動に依存せずに一定した値を示している。
図10はメインスケール13の欠落スリットS15の部分がインデックススケール14と重なった場合のフォトダイオードP1の出力を表し、特に図10では窓W1の部分に注目してその出力の関係を示している。本来、スリットSとして存在しているはずの欠落スリットS15からの光量が、フォトダイオードP1に届かないため、窓W1では3つの開口部のうちの2個分の光しか透過せず、信号の平均電圧レベルはスリット1本分が欠落となることに相当する光量1/3だけ減少し、信号振幅及びDCレベルが低い値になり、その値は正規の値の2/3になる。
図11はスリットS15がインデックススケール14を通過するときの4個のフォトダイオードP1〜P4の出力信号の位相関係を示している。欠落スリットS15がそれぞれの窓W1〜W4にかかるタイミングが90度の位相差でずれるために、フォトダイオードP1〜P4からはこのような出力波形が得られる。
図12はフォトダイオードP1〜P4の4個の信号を全て重ねて表した波形図であり、図13はそのときの差動増幅器22の出力A、Bと和算回路23の出力である和信号Cの変化の様子を表している。
図13に示すように、欠落スリットS15の影響を受けて、受光光量の和信号Cは出力波形周期にして約3周期分、インデックススケール14の開口部の本数分に渡って約2/3に低下し、同時に差動増幅器22の出力信号A、Bの振幅も減少することになる。この和信号Cの変化点は、原点信号として用いることが可能である。
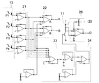
しかし、更に改善された方法として、図14の信号処理回路に示すような変形例とすれば、差動増幅器22の出力信号A、Bの振幅の減少を回避しながら、上記の変化点を検出することができる。
即ち、和算回路23による出力をフィードバック回路24で基準電圧と比較して、光源11の発光量が所定の光量レベルになるようにフィードバックする。光源11を流れる電流値を、オフセット除去回路25が設けられた電流検出回路26により、電圧信号Dとして検出する。なお、電流検出回路26はメインスケール13の欠落スリットS15が通過する電流変化を大きく捉えるために、光量のバイアス分を除去して変化部分を拡大するためにゲインを上げる構成とされている。
この図14の回路構成では、欠落スリットS15がフォトダイオードP1〜P4を通過したときには、受光部15で得られる光量が少なくなるために、フィードバック回路24により光源11を流れる電流を大きくして、受光部15での光量を一定にするように動作する。このような回路構成によって、欠落スリットS15が存在しても信号振幅が変わらない安定したエンコーダ信号A、Bが得られることになる。
図15は受光部15がスリット8波分の幅を持っている場合に、メインスケール13の欠落スリットS15が通過したときの電流検出回路26で得られる信号Dと、差動増幅器22から得られるエンコーダ信号A、Bを示している。信号A、Bの振幅は殆ど変化なく、信号Dはメインスケール13による欠落スリットS15の特異点つまり原点位置で変化している。従って、例えば図16に示すようにコンパレータにより適宜に信号Dを基準電圧Lと比較することで、矩形波信号を得て原点信号として用いることが可能となる。
図17は実施例2のメインスケール13の平面図である。実施例1に対して、本実施例2では欠落スリットSは1個所ではなく、スリットS15以外にスリットS18、S21、S24と、2個おきに欠落スリットSが設けられている。
フォトダイオードP1〜P4から図18に示すような信号が得られ、原点信号ではなく或る広い領域を定義する場合に有効である。この場合には、出力信号周期にして約10周期分のゾーン定義が可能となる。
図19は実施例3によるメインスケール13による欠落点の設け方として、連続したスリットS15、S16が欠落スリットとされている。インデックススケール14の窓W1、W2、W3、W4は図2で示したように3個の開口部を組にして1つの窓Wと対応している。従って、欠落スリットS15、S16が連続して欠落しても、残りの1個の窓Wで光を受光することが可能なため、インクリメンタル相の信号A、Bは歯抜けになることはない。
図20、図21はそれぞれ1個のフォトダイオードPの出力、4個のフォトダイオードP1〜P4の出力を示し、3個の窓Wのうちの2個分を覆うような状態では出力は正規の値の1/3まで落ち込むが、図14の信号処理回路を適用することで、図22に示すように信号A、Bの信号振幅を安定に保ちながら、光源11の電流の変化点を捉え、電流検出回路26の出力信号Dを原点信号として使用できる。
実施例1ではインデックススケール14と受光部15を別個にして用いたが、実施例4では図23に示すようにインデックススケール14と受光部15が一体的に集積されたフォトダイオードアレイ16が用いられている。
図24はフォトダイオードアレイ16の配列を示し、フォトダイオードP1、P2、P3、P4が受光エレメントとして0゜、90゜、180゜、270゜の関係になるように繰り返して規則正しく並べられ、実施例1と同様の受光信号が得られ、このフォトダイオードアレイ16を用いることで更に高精度な原点検知が可能となる。実施例1では、光源11からの照射光量を効率的に受光することが困難であるが、このフォトダイオードアレイ16では、光源光軸のほぼ中央に受光部15を配置することができる。
図25は実施例5による透過型ロータリエンコーダ用のメインスケール31を示している。このメインスケール31は放射方向に多数個のスリットSが設けられているが、図26に示すように1つの欠落スリットS’を設けて原点信号としている。基本的な動作は実施例1と同様なので説明は省略する。
図27は実施例2、実施例3の欠落スリットの配列をメインスケール31に適用したものであり、180゜ずつの2つの領域α、βに分けられ、領域βにおいては領域αに対してスリットSが1つおきに間引かれている。
図28は電流検出回路26からの信号Dを基とする矩形波の波形を示し、領域αとβとで信号Dのレベルが明瞭に識別でき、領域α、βを区別することができる。
ロータリ式エンコーダでは、例えばモータ駆動制御用の出力信号としてUVW信号(コミュテーション信号)を生成する必要があるが、その場合にも図29に示すようにスリットSの密度を領域α、β、γにおいて変えることにより、3種類の異なるゾーン定義が可能となり、UVW信号の置き換えが可能である。そして、この場合には図30に示すような信号Dが得られる。
図31は実施例6を示し、移動体であるメインスケール41の形状を、反射型のマイクロルーフミラーアレイとした直線移動式エンコーダの光学系の構成図であり、このような構成を採用することにより、光の利用効率を向上させることができる。このマイクロルーフミラーアレイを用いた構成については、特許文献4に開示されている。なお、受光部42に対し相対的にかつ直線状にX方向に移動するメインスケール41の反射部には、反射部のX方向への連続性を損う非反射部による欠落部41aが部分的に設けられている。
特開2002−323347号公報
この光学式エンコーダは、メインスケール41、複数のフォトダイオードPを並列した受光部42、光源43から成り、光源43で発光した光が、細かい間隔の反射部と非反射部を持つメインスケール41で反射して、受光部42上に明暗の分布を与える。
この構成は、特にメインスケール41がマイクロルーフミラーアレイを用いた構成でなく、単に反射部と非反射部を持つ構成であれば、信号レベルは異なるものの、同様な光の明暗の分布が受光部42上に形成され、エンコーダ信号A、Bを得ることが可能である。
図32は複数のフォトダイオードPを配列した受光部42の構成と入力光の明暗パターンの説明図であり、フォトダイオードP1、P2、P3、P4はそれぞれ0゜、90゜、180゜、270゜の関係になるように繰り返して配置されている。入力光の明暗パターンが欠落部41aによって部分的に欠落しても、他のフォトダイオードPの存在のために、ほぼフォトダイオードPの残っている割合での信号振幅が得られる。
この実施例6の構成では図14の回路構成が使用でき、図33はフォトダイオードPがスリット8波分の幅を持っている場合のときの信号出力である。この図33から分かるようにメインスケール41の欠落部41aが1つの場合に、最初に受光部42に欠落部41aがかかったときに光量が減少するので、フィードバック回路24では電流を増加する。従って、電流検出回路26の信号Dは約1/8の割合で増加する。そして、その状態が受光部42に欠落部41aがかかっている間続き、受光部42から外れると元の信号レベルに低下する。
このような構成にすることで、エンコーダ信号A、Bに変化を与えることなく、メインスケール41の欠落部41aが通過したことを信号Dにより検出することができる。
ここで、メインスケール41の欠落部41aは1つのときの実施例を示したが、欠落部41aが連続した2つであれば電流変化も2倍になり、電流検出回路26の信号Dのレベルの変化も大きくなる。これを利用することにより、信号Dのレベルにより何個の欠落部41aが受光部42上を通過しているかが分かるので、メインスケール41に特殊なパターンを構成することにより絶対位置の検出にも利用できる。
図34は実施例7の回転型の光学式エンコーダにおける透過型のメインスケール51等の光学的な構成図を示している。メインスケール51には不連続部分を設けずに、メインスケール51の受光部52、光源53とは反対側に、メインスケール51を透過した光を反射して、受光部52に戻す効果を有する反射板54が設けられている。この反射板54は保持部材55に張り付けられ、メインスケール51と共に共通の回転軸56により回転するようにされている。
図35は反射板54の反射部54aと非反射部54bのパターンを示し、反射部54aと非反射部54bが丁度半分半分の半月状の形状とされ、非反射部54bが回転方向に対する不連続部分となっている。
光源53から出射した光は光路L1を経てメインスケール51に至り、メインスケール51で反射して受光部52に戻って位置パルスのエンコーダ信号A、Bを発生させる。また、光源53で発光した光の一部はメインスケール51を光路L2のように通過し、反射板54の反射部54aで反射してメインスケール51を経て受光部52に戻る。
この光路L2による光はエンコーダ信号A、Bとは異なり、絶対位置を得るための信号Dを発生するためのものであり、メインスケール51の反射パターンとは関係のないDC光である。従って、受光部52はメインスケール51の裏側に反射部54aがあるときは、DC光が入ってきたかのような動作となり、光源53の光量を絞る方向に動作する。
図36はこの実施例7の構成において、図14に示す回路からの信号A、B、Dを示し、反射板54の反射部54aが受光部52上に至ると、反射してきた光の影響で、光源52の電流を減らす挙動となる。従って、この変化により実施例1と同様に、絶対位置に対応した位置情報が得られる。
本実施例7では、メインスケール51に加工を加えることなく、つまりメインスケール51には不連続部分を設けることなく、非反射部54bを有する反射板54をメインスケール51の裏側に配置するだけで、絶対位置情報が得られる利点がある。また、反射板54の反射部54aと非反射部54bのパターンを変えて信号Dのハイレベルとローレベルの区間を変更したり、反射板54の反射率を変えることにより、ハイレベルとローレベルの差を変化させることも可能である。
図37は温度環境に対応していないときの電流検出回路26の信号Dを示し、温度環境が変わることによって、光源11を流れる電流のオフセットが大きく上下する。光源11で同じ発光量を得るためには、電流は高温では少なく、低温では増やす必要がある。また、受光部15の温度特性としては、高温で検出電圧が上がり、低温で検出電圧が下がる傾向にある。
その他にも、温度によって特性変化する部材が存在するが、図37はこれらの各部材の温度特性を合成した特性を基にしたエンコーダ信号A、B及び電流検出回路26の信号Dの波形図である。この温度特性は高温で同じ光量を得るためには電流値が下がり、低温では電流値が上がる傾向となっている。このとき、信号Dを基準電圧Lと比較する場合に、信号Dの立上部は基準電圧Lと交叉する位置は温度によって大きくずれて、絶対位置の検出に誤差が介入されるという問題がある。
図38はこの温度特性を改善するための回路構成図を示し、基本構成は図14と同様であるが、本実施例8では光源11に直列に接続されている抵抗Rが、正の温度特性を持つ感温抵抗とされている。これにより、高温時に電流が減少しても抵抗Rの値は増えるため、電流検出回路26からの信号Dが上昇し、それぞれが打ち消し合うことになる。
従って、抵抗Rの温度係数と受光部15の電流変化の温度特性を組み合わせることにより、温度変化があっても図39に示すように信号Dが大きく変わることがなく、基準電圧Lと交叉する位置である原点検出を正確に求めることが可能となる。
本実施例8では、抵抗Rを感温抵抗にする手段を用いたが、オフセット除去回路25の部分に温度補償回路を設けるようにすることも可能である。
実施例1の光学式エンコーダの斜視図である。 メインスケールの平面図である。 インデックススケールの平面図である。 メインスケールとインデックススケールの重なり具合の平面図である。 インデックススケールとメインスケールの重なり状態の説明図である。 インデックススケール上の光強度分布の説明図である。 処理回路の構成図である。 欠落部分のない領域での電流電圧回路の出力波形図である。 差動増幅器の出力波形A、Bと和算回路の信号Cの波形図である。 スリット欠落部分が通過したときの状態における電流電圧回路の1つの出力信号波形図である。 スリット欠落部分が通過したときの電流電圧回路の4つの出力信号波形図である。 スリット欠落部分が通過したときの電流電圧回路の4つの出力を重ね合わせた信号波形図である。 スリット欠落部分が通過したときの差動増幅器の出力波形A、Bと和算回路の信号Cの波形図である。 処理回路の変形例の構成図である。 スリット欠落部分が通過したときの差動増幅器の出力波形A、Bと和算回路の信号Cの波形図である。 信号Dから得られる原点信号の波形図である。 実施例2のメインスケールの平面図である。 スリット欠落部分が透過したときの電流電圧回路の4つの出力信号波形図である。 実施例3のメインスケールの平面図である。 スリット欠落部分が通過したときの電流電圧回路の1つの出力信号波形図である。 スリット欠落部分が通過したときの電流電圧回路の4つの出力を重ね合わせた信号波形図である。 スリット欠落部分が通過したときの差動増幅器の出力波形A、Bと電流電圧回路の信号Dの波形図である。 実施例4の光学エンコーダの斜視図である。 実施例4のフォトダイオードアレイの平面図である。 実施例5のロータリ式のメインスケールの平面図である。 実施例5の欠落部分を設けたロータリ式のメインスケールの平面図である。 実施例5の欠落部分をゾーン的に設けたメインスケールの平面図である。 信号Dから得られる原点信号の波形図である。 実施例5の欠落部分をゾーン的に設けたメインスケールの平面図である。 信号Dから得られる原点信号の波形図である。 実施例6の光学式エンコーダの構成図である。 フォトダイオードアレイのパターンと検出される光の明暗パターンとの関係の説明図である。 差動増幅器の出力A、Bと電流検出回路の出力Dの波形図である。 実施例7の光学式エンコーダの構成図である。 実施例7の反射板の平面図である。 差動増幅器の出力A、Bと電流検出回路の出力Dの波形図である。 温度補償を実施しないときの差動増幅器の出力A、Bと電流検出回路の出力Dの波形図である。 実施例8の回路構成図である。 温度補償を実施したときの差動増幅器の出力A、Bと電流検出回路の出力Dの波形図である。 従来の光学式エンコーダの斜視図である。 従来のメインスケールの平面図である。 従来のインデックススケールの平面図である。 従来の受光部の平面図である。 従来の光学式エンコーダの動作説明図である。 従来のフォトダイオードの出力信号の波形図である。
符号の説明
11、43、53 光源
12 コリメータレンズ
13、31、41、51 メインスケール
14 インデックススケール
15、42、52 受光部
16 フォトダイオードアレイ
21 電流電圧回路
22 差動増幅器
23 和算回路
24 フィードバック回路
25 オフセット除去回路
26 電流検出回路
54 反射板
55 保持部材
56 回転軸
P フォトダイオード
S スリット
W 窓

Claims (5)

  1. 光透過部又は光反射部を連続して配列したメインスケールと、該メインスケールに対して相対移動可能に設けると共に前記光透過部又は光反射部のピッチに関係付けして配設した複数のフォトダイオードを有する受光部と、前記メインスケールを介して前記受光部に光を照射する発光部とを有する光学式エンコーダにおいて、前記メインスケール又は前記メインスケールと共に移動する付帯部材に前記相対移動方向に沿って光学的に不連続部分を設けたことを特徴とする光学式エンコーダ。
  2. 前記光透過部又は光反射部の少なくとも1つの部分を欠落状態にすることにより前記不連続部分を形成したことを特徴とする請求項1に記載の光学式エンコーダ。
  3. 前記不連続部分は異なる欠落状態を複数の群をなして形成したことを特徴とする請求項2に記載の光学式エンコーダ。
  4. 前記受光部は2個以上の前記光透過部又は光反射部を読み取るように構成したことを特徴とする請求項1〜3の何れか1つの請求項に記載の光学式エンコーダ。
  5. 前記付帯部材は前記メインスケールに併設した光透過部又は光反射部を持つ部材とし、これらの光透過部又は光反射部により前記不連続部分を形成したことを特徴とする請求項1に記載の光学式エンコーダ。
JP2004108687A 2004-03-17 2004-04-01 光学式エンコーダ Expired - Fee Related JP4474188B2 (ja)

Priority Applications (8)

Application Number Priority Date Filing Date Title
JP2004108687A JP4474188B2 (ja) 2004-04-01 2004-04-01 光学式エンコーダ
EP05004593A EP1577645B1 (en) 2004-03-17 2005-03-02 Optical encoder
DE602005002287T DE602005002287T2 (de) 2004-03-17 2005-03-02 Optischer Encoder
US11/075,959 US7132647B2 (en) 2004-03-17 2005-03-09 Optical encoder
CNB2005100554535A CN100389305C (zh) 2004-03-17 2005-03-17 光学式编码器
KR1020050022194A KR100753062B1 (ko) 2004-03-17 2005-03-17 광학식 엔코더
US11/535,298 US7326919B2 (en) 2004-03-17 2006-09-26 Optical encoder
KR1020070029126A KR100738495B1 (ko) 2004-03-17 2007-03-26 광학식 엔코더

Applications Claiming Priority (1)

Application Number Priority Date Filing Date Title
JP2004108687A JP4474188B2 (ja) 2004-04-01 2004-04-01 光学式エンコーダ

Publications (3)

Publication Number Publication Date
JP2005291980A true JP2005291980A (ja) 2005-10-20
JP2005291980A5 JP2005291980A5 (ja) 2007-05-31
JP4474188B2 JP4474188B2 (ja) 2010-06-02

Family

ID=35325064

Family Applications (1)

Application Number Title Priority Date Filing Date
JP2004108687A Expired - Fee Related JP4474188B2 (ja) 2004-03-17 2004-04-01 光学式エンコーダ

Country Status (1)

Country Link
JP (1) JP4474188B2 (ja)

Cited By (5)

* Cited by examiner, † Cited by third party
Publication number Priority date Publication date Assignee Title
JP2008028025A (ja) * 2006-07-19 2008-02-07 Canon Inc 反射型センサ
JP2010160147A (ja) * 2008-12-23 2010-07-22 Avago Technologies Ecbu Ip (Singapore) Pte Ltd 単一トラック式光学エンコーダ
US8035724B2 (en) 2006-10-06 2011-10-11 Canon Kabushiki Kaisha Method and apparatus for controlling lens position
JP2012042635A (ja) * 2010-08-18 2012-03-01 Canon Inc 撮像装置、撮像装置の制御方法およびコンピュータプログラム
JP2013041000A (ja) * 2011-08-11 2013-02-28 Olympus Imaging Corp 交換レンズ

Cited By (6)

* Cited by examiner, † Cited by third party
Publication number Priority date Publication date Assignee Title
JP2008028025A (ja) * 2006-07-19 2008-02-07 Canon Inc 反射型センサ
US8035724B2 (en) 2006-10-06 2011-10-11 Canon Kabushiki Kaisha Method and apparatus for controlling lens position
EP1909129B1 (en) * 2006-10-06 2017-08-23 Canon Kabushiki Kaisha Method and apparatus for controlling lens position
JP2010160147A (ja) * 2008-12-23 2010-07-22 Avago Technologies Ecbu Ip (Singapore) Pte Ltd 単一トラック式光学エンコーダ
JP2012042635A (ja) * 2010-08-18 2012-03-01 Canon Inc 撮像装置、撮像装置の制御方法およびコンピュータプログラム
JP2013041000A (ja) * 2011-08-11 2013-02-28 Olympus Imaging Corp 交換レンズ

Also Published As

Publication number Publication date
JP4474188B2 (ja) 2010-06-02

Similar Documents

Publication Publication Date Title
KR100738495B1 (ko) 광학식 엔코더
JP5318212B2 (ja) 光学エンコーダをインデックスする方法
CN101529211B (zh) 采用具有公共刻线基板的多个子编码器的旋转光学编码器
JP4678553B2 (ja) 光学式エンコーダ
US7732757B2 (en) Origin detection method for optical encoder
JP5046523B2 (ja) 位置測定装置
JP4498024B2 (ja) 光学式エンコーダ
JPH0658779A (ja) 測定装置
US9116163B2 (en) Displacement measuring apparatus
US7391011B2 (en) Optical encoder capable of detecting absolute position
JP4474188B2 (ja) 光学式エンコーダ
JP3881339B2 (ja) 位置測定装置
JPH09113213A (ja) 高調波信号成分を濾波する装置
JP2009047595A (ja) 絶対位置測長型エンコーダ
JP2005265512A (ja) 光学式エンコーダ
JP2007078690A (ja) 反射型光エンコーダ
US7196319B2 (en) Position-measuring device
JP2012233755A (ja) 光学式エンコーダおよび光学式エンコーダの絶対位置検出方法
JP2004347358A (ja) 変位測定装置
JP2001174290A (ja) タルボットアレイ式ロータリエンコーダ
JPH03267719A (ja) 基準位置検出装置及び該装置を用いたエンコーダ

Legal Events

Date Code Title Description
A521 Written amendment

Free format text: JAPANESE INTERMEDIATE CODE: A523

Effective date: 20070330

A621 Written request for application examination

Free format text: JAPANESE INTERMEDIATE CODE: A621

Effective date: 20070330

A977 Report on retrieval

Free format text: JAPANESE INTERMEDIATE CODE: A971007

Effective date: 20090716

A131 Notification of reasons for refusal

Free format text: JAPANESE INTERMEDIATE CODE: A131

Effective date: 20090721

A521 Written amendment

Free format text: JAPANESE INTERMEDIATE CODE: A523

Effective date: 20090924

A131 Notification of reasons for refusal

Free format text: JAPANESE INTERMEDIATE CODE: A131

Effective date: 20091020

RD01 Notification of change of attorney

Free format text: JAPANESE INTERMEDIATE CODE: A7421

Effective date: 20100218

TRDD Decision of grant or rejection written
A01 Written decision to grant a patent or to grant a registration (utility model)

Free format text: JAPANESE INTERMEDIATE CODE: A01

Effective date: 20100302

A01 Written decision to grant a patent or to grant a registration (utility model)

Free format text: JAPANESE INTERMEDIATE CODE: A01

A61 First payment of annual fees (during grant procedure)

Free format text: JAPANESE INTERMEDIATE CODE: A61

Effective date: 20100308

FPAY Renewal fee payment (event date is renewal date of database)

Free format text: PAYMENT UNTIL: 20130312

Year of fee payment: 3

R150 Certificate of patent or registration of utility model

Free format text: JAPANESE INTERMEDIATE CODE: R150

FPAY Renewal fee payment (event date is renewal date of database)

Free format text: PAYMENT UNTIL: 20140312

Year of fee payment: 4

LAPS Cancellation because of no payment of annual fees