JP2005012784A - 音場測定装置 - Google Patents
音場測定装置 Download PDFInfo
- Publication number
- JP2005012784A JP2005012784A JP2004151336A JP2004151336A JP2005012784A JP 2005012784 A JP2005012784 A JP 2005012784A JP 2004151336 A JP2004151336 A JP 2004151336A JP 2004151336 A JP2004151336 A JP 2004151336A JP 2005012784 A JP2005012784 A JP 2005012784A
- Authority
- JP
- Japan
- Prior art keywords
- sound field
- sound
- signal
- measurement
- measuring device
- Prior art date
- Legal status (The legal status is an assumption and is not a legal conclusion. Google has not performed a legal analysis and makes no representation as to the accuracy of the status listed.)
- Granted
Links
Images
Classifications
-
- H—ELECTRICITY
- H04—ELECTRIC COMMUNICATION TECHNIQUE
- H04R—LOUDSPEAKERS, MICROPHONES, GRAMOPHONE PICK-UPS OR LIKE ACOUSTIC ELECTROMECHANICAL TRANSDUCERS; DEAF-AID SETS; PUBLIC ADDRESS SYSTEMS
- H04R2499/00—Aspects covered by H04R or H04S not otherwise provided for in their subgroups
- H04R2499/10—General applications
- H04R2499/13—Acoustic transducers and sound field adaptation in vehicles
Landscapes
- Stereophonic System (AREA)
- Reverberation, Karaoke And Other Acoustics (AREA)
- Circuit For Audible Band Transducer (AREA)
- Details Of Audible-Bandwidth Transducers (AREA)
- Obtaining Desirable Characteristics In Audible-Bandwidth Transducers (AREA)
Abstract
【解決手段】 測定音源1からの広帯域信号を複数スピーカ101〜104で順次再生し、その再生音を複数マイク111,112で検出し、広帯域信号と一緒にFFT4b,4cにおいて周波数特性を求める。高域レベルを低域レベルで正規化し、その値と基準値記憶部9に記憶されていた基準値とを判定部8で比較することで音場内の人数と位置を判定する。同時に、伝達関数計算部10a,10bでスピーカとマイク間の伝達関数を計算し、IFFT12a,12bでインパルス応答を求め、残響時間計算部13においてインパルス応答から残響時間を計算する。判定部8と残響時間計算部13の結果に応じて、オーディオ信号を調整することで、音場の変化に応じた最適なオーディオ再生が可能となる。
【選択図】 図17
Description
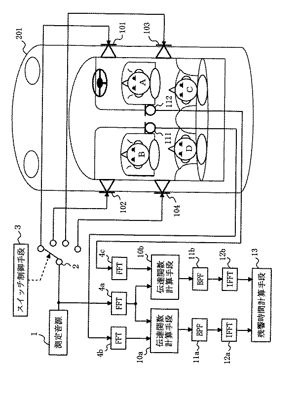
図1は実施の形態1における音場測定装置を示すものである。図1において、1は測定音源、2はスイッチ、3はスイッチ制御部、4a,4bは高速フーリエ変換(FFT)、5a,5bは低域レベル計算部、6a,6bは高域レベル計算部、7a,7bは正規化部、8は判定部、9は基準値記憶部、101は前右ドアに設置されたスピーカ、102は前左ドアに設置されたスピーカ、103は後右ドアに設置されたスピーカ、104は後左ドアに設置されたスピーカ、111,112は車室内中央付近天井部に設置されたマイク、201は自動車である。
averageP101-111(80〜500)={P101-111(80)+P101-111(100)+P101-111(125)+P101-111(160)+P101-111(200)+P101-111(250)+P101-111(315)+P101-111(400)+P101-111(500)}/9 ・・・(式1)
を求め、低域レベル計算部5aの最終計算結果とする。
他の周波数についても、同様に求めれば良い。
他の周波数についても、同様に求めれば良い。
resultP101(2k)={normalizeP101-111(2k)+normalizeP101-112(2k)}/2 ・・・(式4)
として平均値が求まる。この平均値は、スイッチ2が図1に示す状態、すなわちスピーカ101から広帯域信号が再生された場合に対応するものである。
同様に、スピーカ102〜104から広帯域信号が再生された場合についても、
resultP102(2k)={normalizeP102-111(2k)+normalizeP102-112(2k)}/2 ・・・(式5)
resultP103(2k)={normalizeP103-111(2k)+normalizeP103-112(2k)}/2 ・・・(式6)
resultP104(2k)={normalizeP104-111(2k)+normalizeP104-112(2k)}/2 ・・・(式7)
と平均値を求める。
ΔP101(2k)=referenceP101(2k)−resultP101(2k) ・・・(式8)
ΔP101(2.5k)=referenceP101(2.5k)−resultP101(2.5k) ・・・(式9)
ΔP101(3.15k)=referenceP101(3.15k)−resultP101(3.15k) ・・・(式10)
ΔP101(4k)=referenceP101(4k)−resultP101(4k) ・・・(式11)
ΔP101(5k)=referenceP101(5k)−resultP101(5k) ・・・(式12)
ΔP101(6.3k)=referenceP101(6.5k)−resultP101(6.5k) ・・・(式13)
ΔP101(8k)=referenceP101(8k)−resultP101(8k) ・・・(式14)
と、各周波数での基準値と検出結果との差分を取り、これらの平均を計算する。
A={ΔP101(2k)+ΔP101(2.5k)+ΔP101(3.15k)+ΔP101(4k)+ΔP101(5k)+ΔP101(6.3k)+ΔP101(8k)}/7 ・・・(式15)
A≦Sのときは、乗員Aがいると判定し、
A>Sのときは、乗員Aはいないと判定する。
B={ΔP102(2k)+ΔP102(2.5k)+ΔP102(3.15k)+ΔP102(4k)+ΔP102(5k)+ΔP102(6.3k)+ΔP102(8k)}/7 ・・・(式16)
を計算し、この最終値Bとしきい値Sを比較して、例えば、
B≦Sのときは、乗員Bがいると判定し、
B>Sのときは、乗員Bはいないと判定する。
図4は実施の形態2における音場測定装置を示すものである。図4において、1は測定音源、2はスイッチ、3はスイッチ制御部、4a〜4cはFFT、10a,10bは伝達関数計算部、11a,11bはBPF、12a,12bは逆高速フーリエ変換(IFFT)、13は残響時間計算部、101は前右ドアに設置されたスピーカ、102は前左ドアに設置されたスピーカ、103は後右ドアに設置されたスピーカ、104は後左ドアに設置されたスピーカ、111,112は車室内中央付近天井部に設置されたマイク、201は自動車である。
H101-111(ω)=Y101-111(ω)/X(ω) ・・・(式17)
H101-112(ω)=Y101-112(ω)/X(ω) ・・・(式18)
となる。
I101-112(t)=IFFT{G(ω)H101-112(ω)} ・・・(式20)
この結果を、残響時間計算部13に入力する。残響時間計算部13は、各インパルス応答より、残響時間を計算する。残響時間は、通常、定常状態の測定音を発生させて停止させ、音の強さが60dB減衰するまでの時間で規定される(W.C.Sabine)。この方法だと、測定音源が限定されることや、測定環境、特にS/Nの影響が大きいため、インパルス応答より求める方法がある。
こうすることで、S/N劣化の影響を防止でき、精度よい残響時間が求められる。
図8は実施の形態3における音場測定装置を示すものである。図8において、1は測定音源、2はスイッチ、3はスイッチ制御部、4はFFT、5は低域レベル計算部、6は高域レベル計算部、7は正規化部、8は判定部、9は基準値記憶部、14は指向性処理部、15は指向性記憶部、101は前右ドアに設置されたスピーカ、102は前左ドアに設置されたスピーカ、103は後右ドアに設置されたスピーカ、104は後左ドアに設置されたスピーカ、111〜113は車室内中央付近天井部に設置されたマイク、201は自動車である。
T=d・cosθ/c (c:音速) ・・・(式22)
となる。マイクm1の出力が遅延器16で時間τだけ遅れられ、減算器17でマイクm2の出力から減算される。よって、マイクm1,m2の特性を等しい(いずれもmである)とすると、減算器17の出力Mは、
M=m{1−exp(−jω(τ+dcosθ/c))} ・・・(式23)
となる。(式23)から、τの値に応じて、出力Mが変化する。
M=m{exp(−jωτ+exp(−jωdcosθ/c))} ・・・(式24)
となるので、図11(b)のように、τ=dcosθ/cのとき、θ方向に最も指向特性が強くなる。指向特性の付け方は、図10の手法でも、図11の手法でも、どちらでもよい。
図15は実施の形態4における音場測定装置を示すものである。図15において、1は測定音源、2a〜2fはスイッチ、3はスイッチ制御部、20はオーディオ装置、21は入力分配器、22は音場制御部、23は音質調整部、24は音像制御部、25はボリューム、26は入力分配設定部、27は音場制御設定部、28は音質調整設定部、29は音像制御設定部、30はボリューム設定部、31は騒音レベル計算部、50は測定部、101は前右ドアに設置されたスピーカ、102は前左ドアに設置されたスピーカ、103は後右ドアに設置されたスピーカ、104は後左ドアに設置されたスピーカ、105はフロントインパネ中央に設置されたスピーカ、106はリアトレイに設置されたスピーカ、111,112は車室内中央付近天井部に設置されたマイク、201は自動車である。なお、測定部50については図7に示したものと同一であるため、図15では簡略化して示している。
2,2a,2b,2c,2d,2e,2f スイッチ
3 スイッチ制御部
4a,4b,4c FFT
5a,5b 低域レベル計算部
6a,6b 高域レベル計算部
7,7a,7b 正規化部
8 判定部
9 基準値記憶部
10a,10b 伝達関数計算部
11a,11b BPF
12a,12b IFFT
13 残響時間計算部
14 指向性処理部
15 指向性記憶部
16 遅延器
17 減算器
18 加算器
20 オーディオ装置
21 入力分配器
22 音場制御部
23 音質調整部
24 音像制御部
25 ボリューム
26 入力分配設定部
27 音場制御設定部
28 音質調整設定部
29 音像制御設定部
30 ボリューム設定部
31 騒音レベル計算部
32 入力分配パラメータ記憶部
33 音場制御パラメータ記憶部
34 音質調整パラメータ記憶部
35 音像制御パラメータ記憶部
36 ボリューム値記憶部
37 カレンダー
38 時計
39 ライト
40 温度計
41 湿度計
42 ワイパー
43 速度計
44 ナビゲーションシステム
50 測定部
101,102,103,104,105,106 スピーカ
111,112,113 マイク
201 自動車
202 リスニングルーム
Claims (20)
- 信号を発生させる測定音源と、
前記測定音源からの信号を測定音として再生する複数のスピーカと、
前記複数のスピーカから再生された測定音を検出する複数のマイクと、
前記複数のマイクで検出した測定音信号に基づいて、音場に存在する人数とその位置の判定または音場内の残響時間の算出を行う測定手段とを備えた音場測定装置。 - 測定音を再生するスピーカの位置に関連して前記複数のマイクの指向特性を変化させる指向特性制御手段をさらに備えた請求項1に記載の音場測定装置。
- 前記測定音源は少なくとも高域の信号を発生するものであり、
前記測定手段は、
前記複数のマイクで検出した各測定音信号の周波数特性を分析する周波数分析手段と、
前記周波数分析手段の分析結果に基づいて各測定音信号のレベルを求めるレベル計算手段と、
基準値が記録されている基準値記憶手段と、
前記レベル計算手段によって求められた各測定音信号のレベル値を、前記基準値記憶手段に記憶されている基準値と比較することで、音場に存在する人数とその位置の判定を行う判定手段とを含むことを特徴とする、請求項1に記載の音場測定装置。 - 前記測定手段は、
前記複数のマイクで検出した測定音信号の周波数特性と前記測定音源からの信号の周波数特性とを分析する周波数分析手段と、
前記周波数分析手段の分析結果に基づいて測定音信号毎に伝達関数を求める伝達関数計算手段と、
前記伝達関数計算手段で求めた各伝達関数から当該伝達関数毎にインパルス応答を求めるインパルス応答計算手段と、
前記インパルス応答計算手段で求めた各インパルス応答から当該インパルス応答毎に音場内の残響時間を算出する残響時間計算手段とを含むことを特徴とする、請求項1または3に記載の音場測定装置。 - 前記判定手段によって判定された乗員数とその位置の結果に応じて、オーディオ信号の音像、音質および音量の少なくとも1つを調整するオーディオ信号調整手段をさらに備えた、請求項3に記載の音場測定装置。
- 前記残響時間計算手段によって計算された残響時間に応じて、オーディオ信号の音場を調整するオーディオ信号調整手段をさらに備えた、請求項4に記載の音場測定装置。
- 前記測定音源からの信号が、インパルス信号,ホワイトノイズやピンクノイズなどのランダム信号,スイープパスル信号,音楽信号,およびピアノのスケールや複数の和音より構成される楽音のうちのいずれかであることを特徴とする、請求項1に記載の音場測定装置。
- 前記複数のスピーカは、前記測定音源からの信号を当該信号に応じた一定期間毎に順次再生するものであることを特徴とする、請求項1に記載の音場測定装置。
- 前記複数のスピーカは、自動車室内のドア部に設置されたことを特徴とする請求項1に記載の音場測定装置。
- 前記複数のマイクの少なくとも2個を、車室内中央の天井部,自動車室内の運転席および助手席のそれぞれのシートバック上部車室内中央付近,自動車室内の運転席サンバイザ近傍,およびルームミラー近傍のいずれかに設置したことを特徴とする、請求項1に記載の音場測定装置。
- 前記指向特性制御手段は、前記複数のマイクの少なくとも3個のマイクからの信号を処理することによって、測定音を再生するスピーカへ指向特性を強くするものであることを特徴とする、請求項2に記載の音場測定装置。
- 前記音場測定装置は、前記複数のスピーカとして、少なくとも前右スピーカ,前左スピーカ,後右スピーカおよび後左スピーカの4つのスピーカを備え、
前記前右スピーカおよび前記後左スピーカを結ぶ直線と、前記前左スピーカおよび前記後右スピーカを結ぶ直線とが交差する点に1つのマイクを設置し、
さらに当該マイクとは別のマイクを各前記直線上に1つずつ設置したことを特徴とする、請求項11に記載の音場測定装置。 - 前記基準値記憶手段は、音場内に人がいない場合の各スピーカとマイク間の伝達特性、または、音場内に人がいない場合や特定の位置にいる全ての組合せについての各スピーカとマイク間の伝達特性を基準値としてそれぞれ記憶しておくものであることを特徴とする、請求項1に記載の音場測定装置。
- 前記測定音源は、広域信号を出力、もしくは高域信号と低域信号を時分割で出力するものであり、
前記測定手段は、前記周波数分析手段の分析結果に基づいて前記複数のマイクで検出した各測定音信号の高域および低域の信号レベルをそれぞれ求める高域レベル計算手段および低域レベル計算手段をさらに含み、
前記判定手段は、前記高域レベル計算手段からの高周波数帯域内の任意の範囲におけるレベル値を、前記低域レベル計算手段からの低周波数帯域内の任意の範囲におけるレベル値で正規化することによって得られる正規化値と、前記基準値記憶手段に記憶された基準値とを比較することによって、どの位置に人がいるか、あるいはいないかを判定するものであることを特徴とする、請求項3に記載の音場測定装置。 - 前記基準値は、音場に人が存在しない条件下での前記高域レベル計算手段からの高周波数帯域内の任意の範囲におけるレベル値を、音場に人が存在しない条件下での前記低域レベル計算手段からの低周波数帯域内の任意の範囲におけるレベル値で正規化したものであることを特徴とする、請求項14に記載の音場測定装置。
- 前記判定手段は、人の有無を判定したい位置近傍のスピーカが測定音を再生したときに前記複数のマイクで検出される測定音信号に基づいて、当該位置における人の有無を判定するものであることを特徴とする、請求項1または3に記載の音場測定装置。
- 前記オーディオ信号調整手段は、前記判定手段で判定された乗員数とその位置に応じて、複数チャンネルのオーディオ信号をどのスピーカにどのチャンネル信号を振り分けるかを調整する入力分配器,複数チャンネルのオーディオ信号の各チャンネル信号をそれぞれ個別に音質調整する音質調整手段,および複数チャンネルのオーディオ信号の各チャンネル信号をそれぞれ個別に音像制御する音像制御手段の少なくとも1つを制御するものであることを特徴とする、請求項5に記載の音場測定装置。
- 前記オーディオ信号調整手段は、前記残響時間計算手段で計算された残響時間に応じて、複数チャンネルのオーディオ信号の各チャンネル信号に初期反射音や残響を個別に付加することによって、当該各チャンネル信号の音場を調整するものであることを特徴とする、請求項6に記載の音場測定装置。
- 前記音場測定装置は、前記複数のマイクからの信号に基づいて音場内の騒音を計算するための騒音レベル計算手段をさらに備え、
前記オーディオ信号調整手段は、計算した騒音レベルに応じて、オーディオ信号の音量を増減、またはオーディオ信号がその騒音によってマスキングされる周波数帯域のオーディオ信号レベルを増減させるものであることを特徴とする、請求項5または6に記載の音場測定装置。 - 前記オーディオ信号調整手段は、さらに車載情報としてカレンダー、時計、ライト点灯信号、温度計、湿度計、ワイパー動作信号、速度計、回転数計およびナビゲーションシステムのうちの少なくとも1つを利用して、オーディオ信号の音場、音像、音質、残響時間、音量を調整するものであることを特徴とする、請求項5または6に記載の音場測定装置。
Priority Applications (1)
| Application Number | Priority Date | Filing Date | Title |
|---|---|---|---|
| JP2004151336A JP4349972B2 (ja) | 2003-05-26 | 2004-05-21 | 音場測定装置 |
Applications Claiming Priority (2)
| Application Number | Priority Date | Filing Date | Title |
|---|---|---|---|
| JP2003147241 | 2003-05-26 | ||
| JP2004151336A JP4349972B2 (ja) | 2003-05-26 | 2004-05-21 | 音場測定装置 |
Publications (2)
| Publication Number | Publication Date |
|---|---|
| JP2005012784A true JP2005012784A (ja) | 2005-01-13 |
| JP4349972B2 JP4349972B2 (ja) | 2009-10-21 |
Family
ID=34106611
Family Applications (1)
| Application Number | Title | Priority Date | Filing Date |
|---|---|---|---|
| JP2004151336A Expired - Fee Related JP4349972B2 (ja) | 2003-05-26 | 2004-05-21 | 音場測定装置 |
Country Status (1)
| Country | Link |
|---|---|
| JP (1) | JP4349972B2 (ja) |
Cited By (21)
| Publication number | Priority date | Publication date | Assignee | Title |
|---|---|---|---|---|
| JP2006319786A (ja) * | 2005-05-13 | 2006-11-24 | Sony Corp | 音場測定装置及び音場測定方法 |
| JP2006319823A (ja) * | 2005-05-16 | 2006-11-24 | Sony Corp | 音響装置、音響調整方法および音響調整プログラム |
| JP2007047539A (ja) * | 2005-08-11 | 2007-02-22 | Sony Corp | 音場補正装置及び音場補正方法 |
| JP2007158582A (ja) * | 2005-12-02 | 2007-06-21 | Yamaha Corp | 位置検出システム、この位置検出システムに用いるオーディオ装置及び端末装置 |
| JP2007171798A (ja) * | 2005-12-26 | 2007-07-05 | Alpine Electronics Inc | 音響装置 |
| JP2007248610A (ja) * | 2006-03-14 | 2007-09-27 | Mitsubishi Electric Corp | 楽曲分析方法及び楽曲分析装置 |
| JPWO2006100980A1 (ja) * | 2005-03-18 | 2008-09-04 | パイオニア株式会社 | 音声信号処理装置及びそのためのコンピュータプログラム |
| JP2008233785A (ja) * | 2007-03-23 | 2008-10-02 | Citizen Holdings Co Ltd | ブザー付き電子機器、ブザー駆動回路、及びブザー駆動用半導体装置 |
| JP2008294620A (ja) * | 2007-05-23 | 2008-12-04 | Yamaha Corp | 音場補正装置 |
| JP2010259008A (ja) * | 2009-04-28 | 2010-11-11 | Toshiba Corp | 信号処理装置、音響装置及び信号処理方法 |
| KR100995120B1 (ko) | 2008-04-29 | 2010-11-18 | 주식회사 씨에스구조엔지니어링 | 실내 음향 측정 시스템 및 방법 |
| JP2013157843A (ja) * | 2012-01-31 | 2013-08-15 | Yamaha Corp | 音場制御装置 |
| JP2014052654A (ja) * | 2006-09-20 | 2014-03-20 | Harman Internatl Industries Inc | オーディオ入力信号の反響コンテンツを抽出および変更するためのシステム |
| JP2015513832A (ja) * | 2012-02-21 | 2015-05-14 | インタートラスト テクノロジーズ コーポレイション | オーディオ再生システム及び方法 |
| WO2016143276A1 (ja) * | 2015-03-12 | 2016-09-15 | パナソニックIpマネジメント株式会社 | 音響装置および補正方法 |
| CN114586382A (zh) * | 2019-10-25 | 2022-06-03 | 奇跃公司 | 混响指纹估计 |
| CN114783463A (zh) * | 2022-03-08 | 2022-07-22 | 同济大学 | 基于脉冲响应降噪的厅堂客观音质参量测量方法及系统 |
| CN115468776A (zh) * | 2022-08-17 | 2022-12-13 | 东风柳州汽车有限公司 | 一种商用车驾驶室的隔音性能测试系统及方法 |
| US12143660B2 (en) | 2018-02-15 | 2024-11-12 | Magic Leap, Inc. | Mixed reality virtual reverberation |
| US12308011B2 (en) | 2018-06-14 | 2025-05-20 | Magic Leap, Inc. | Reverberation gain normalization |
| US12317064B2 (en) | 2017-10-17 | 2025-05-27 | Magic Leap, Inc. | Mixed reality spatial audio |
-
2004
- 2004-05-21 JP JP2004151336A patent/JP4349972B2/ja not_active Expired - Fee Related
Cited By (33)
| Publication number | Priority date | Publication date | Assignee | Title |
|---|---|---|---|---|
| JPWO2006100980A1 (ja) * | 2005-03-18 | 2008-09-04 | パイオニア株式会社 | 音声信号処理装置及びそのためのコンピュータプログラム |
| JP2006319786A (ja) * | 2005-05-13 | 2006-11-24 | Sony Corp | 音場測定装置及び音場測定方法 |
| JP2006319823A (ja) * | 2005-05-16 | 2006-11-24 | Sony Corp | 音響装置、音響調整方法および音響調整プログラム |
| JP2007047539A (ja) * | 2005-08-11 | 2007-02-22 | Sony Corp | 音場補正装置及び音場補正方法 |
| JP2007158582A (ja) * | 2005-12-02 | 2007-06-21 | Yamaha Corp | 位置検出システム、この位置検出システムに用いるオーディオ装置及び端末装置 |
| JP2007171798A (ja) * | 2005-12-26 | 2007-07-05 | Alpine Electronics Inc | 音響装置 |
| JP2007248610A (ja) * | 2006-03-14 | 2007-09-27 | Mitsubishi Electric Corp | 楽曲分析方法及び楽曲分析装置 |
| JP2014052654A (ja) * | 2006-09-20 | 2014-03-20 | Harman Internatl Industries Inc | オーディオ入力信号の反響コンテンツを抽出および変更するためのシステム |
| US9264834B2 (en) | 2006-09-20 | 2016-02-16 | Harman International Industries, Incorporated | System for modifying an acoustic space with audio source content |
| JP2008233785A (ja) * | 2007-03-23 | 2008-10-02 | Citizen Holdings Co Ltd | ブザー付き電子機器、ブザー駆動回路、及びブザー駆動用半導体装置 |
| JP2008294620A (ja) * | 2007-05-23 | 2008-12-04 | Yamaha Corp | 音場補正装置 |
| KR100995120B1 (ko) | 2008-04-29 | 2010-11-18 | 주식회사 씨에스구조엔지니어링 | 실내 음향 측정 시스템 및 방법 |
| JP2010259008A (ja) * | 2009-04-28 | 2010-11-11 | Toshiba Corp | 信号処理装置、音響装置及び信号処理方法 |
| JP2013157843A (ja) * | 2012-01-31 | 2013-08-15 | Yamaha Corp | 音場制御装置 |
| US9883315B2 (en) | 2012-02-21 | 2018-01-30 | Intertrust Technologies Corporation | Systems and methods for calibrating speakers |
| US11729572B2 (en) | 2012-02-21 | 2023-08-15 | Intertrust Technologies Corporation | Systems and methods for calibrating speakers |
| JP2015513832A (ja) * | 2012-02-21 | 2015-05-14 | インタートラスト テクノロジーズ コーポレイション | オーディオ再生システム及び方法 |
| US10244340B2 (en) | 2012-02-21 | 2019-03-26 | Intertrust Technologies Corporation | Systems and methods for calibrating speakers |
| US10827294B2 (en) | 2012-02-21 | 2020-11-03 | Intertrust Technologies Corporation | Systems and methods for calibrating speakers |
| US11350234B2 (en) | 2012-02-21 | 2022-05-31 | Intertrust Technologies Corporation | Systems and methods for calibrating speakers |
| US12185078B2 (en) | 2012-02-21 | 2024-12-31 | Intertrust Technologies Corporation | Systems and methods for calibrating speakers |
| WO2016143276A1 (ja) * | 2015-03-12 | 2016-09-15 | パナソニックIpマネジメント株式会社 | 音響装置および補正方法 |
| US12317064B2 (en) | 2017-10-17 | 2025-05-27 | Magic Leap, Inc. | Mixed reality spatial audio |
| US12143660B2 (en) | 2018-02-15 | 2024-11-12 | Magic Leap, Inc. | Mixed reality virtual reverberation |
| US12308011B2 (en) | 2018-06-14 | 2025-05-20 | Magic Leap, Inc. | Reverberation gain normalization |
| JP2024019645A (ja) * | 2019-10-25 | 2024-02-09 | マジック リープ, インコーポレイテッド | 反響フィンガプリント推定 |
| US12149896B2 (en) | 2019-10-25 | 2024-11-19 | Magic Leap, Inc. | Reverberation fingerprint estimation |
| CN114586382A (zh) * | 2019-10-25 | 2022-06-03 | 奇跃公司 | 混响指纹估计 |
| JP7629975B2 (ja) | 2019-10-25 | 2025-02-14 | マジック リープ, インコーポレイテッド | 反響フィンガプリント推定 |
| CN114586382B (zh) * | 2019-10-25 | 2025-09-23 | 奇跃公司 | 一种用于确定和处理音频信息的方法、系统和介质 |
| CN114783463A (zh) * | 2022-03-08 | 2022-07-22 | 同济大学 | 基于脉冲响应降噪的厅堂客观音质参量测量方法及系统 |
| CN114783463B (zh) * | 2022-03-08 | 2024-04-26 | 同济大学 | 基于脉冲响应降噪的厅堂客观音质参量测量方法及系统 |
| CN115468776A (zh) * | 2022-08-17 | 2022-12-13 | 东风柳州汽车有限公司 | 一种商用车驾驶室的隔音性能测试系统及方法 |
Also Published As
| Publication number | Publication date |
|---|---|
| JP4349972B2 (ja) | 2009-10-21 |
Similar Documents
| Publication | Publication Date | Title |
|---|---|---|
| JP4349972B2 (ja) | 音場測定装置 | |
| US7680286B2 (en) | Sound field measurement device | |
| US7864632B2 (en) | Headtracking system | |
| JP6557465B2 (ja) | エンジン音合成装置を含む音声システム | |
| US4953219A (en) | Stereo signal reproducing system using reverb unit | |
| HK1198495A1 (en) | Virtual audio system tuning | |
| JP6870078B2 (ja) | 動的サウンド調整のための雑音推定 | |
| KR20170128938A (ko) | 엔진진동 및 주행상태를 반영한 엔진소음 제어장치 | |
| JP3179227B2 (ja) | 車両用警報装置 | |
| JP2002051392A (ja) | 車内会話補助装置 | |
| JP4130779B2 (ja) | 音場制御システム及び音場制御方法 | |
| Liang et al. | Speech intelligibility for various head orientations of a listener in an automobile using the speech transmission index | |
| CN110789478B (zh) | 车载音响参数辅助调节方法、装置以及音频处理器 | |
| Ebbitt et al. | Automotive speech intelligibility measurements | |
| CN117076843B (zh) | 一种建立车内声传递函数误差模型的方法 | |
| JP6104740B2 (ja) | 音場補正装置、音場補正フィルタ生成装置および音場補正フィルタ生成方法 | |
| JP7599331B2 (ja) | 音響装置、音響制御方法および音響制御プログラム | |
| JP2020163936A (ja) | 音響処理装置、音響処理方法、及びプログラム | |
| JPH08179786A (ja) | 車載用ステレオ再生装置 | |
| JP2023012347A (ja) | 音響装置および音響制御方法 | |
| JP2001119800A (ja) | 車載用音像制御装置 | |
| JP2014060584A (ja) | スピーカ配置設計支援システム、スピーカ配置設計支援装置、スピーカ配置設計支援方法、及びプログラム | |
| JPH10303669A (ja) | 音量調節システム | |
| CN121397424A (zh) | 车辆提示音生成方法、装置、车辆及存储介质 | |
| CN119767215A (zh) | 一种汽车虚拟环绕声调节系统 |
Legal Events
| Date | Code | Title | Description |
|---|---|---|---|
| A621 | Written request for application examination |
Free format text: JAPANESE INTERMEDIATE CODE: A621 Effective date: 20070405 |
|
| A131 | Notification of reasons for refusal |
Free format text: JAPANESE INTERMEDIATE CODE: A131 Effective date: 20080304 |
|
| A521 | Request for written amendment filed |
Free format text: JAPANESE INTERMEDIATE CODE: A523 Effective date: 20080423 |
|
| TRDD | Decision of grant or rejection written | ||
| A01 | Written decision to grant a patent or to grant a registration (utility model) |
Free format text: JAPANESE INTERMEDIATE CODE: A01 Effective date: 20090629 |
|
| A01 | Written decision to grant a patent or to grant a registration (utility model) |
Free format text: JAPANESE INTERMEDIATE CODE: A01 |
|
| A61 | First payment of annual fees (during grant procedure) |
Free format text: JAPANESE INTERMEDIATE CODE: A61 Effective date: 20090721 |
|
| FPAY | Renewal fee payment (event date is renewal date of database) |
Free format text: PAYMENT UNTIL: 20120731 Year of fee payment: 3 |
|
| R150 | Certificate of patent or registration of utility model |
Free format text: JAPANESE INTERMEDIATE CODE: R150 |
|
| LAPS | Cancellation because of no payment of annual fees |
