EP3103179B1 - Power distribution network (pdn) conditioner - Google Patents
Power distribution network (pdn) conditioner Download PDFInfo
- Publication number
- EP3103179B1 EP3103179B1 EP15703446.3A EP15703446A EP3103179B1 EP 3103179 B1 EP3103179 B1 EP 3103179B1 EP 15703446 A EP15703446 A EP 15703446A EP 3103179 B1 EP3103179 B1 EP 3103179B1
- Authority
- EP
- European Patent Office
- Prior art keywords
- power rail
- slope
- voltage
- power
- rail
- Prior art date
- Legal status (The legal status is an assumption and is not a legal conclusion. Google has not performed a legal analysis and makes no representation as to the accuracy of the status listed.)
- Active
Links
- 239000003990 capacitor Substances 0.000 claims description 52
- 238000000034 method Methods 0.000 claims description 15
- 230000003750 conditioning effect Effects 0.000 claims description 7
- 230000005669 field effect Effects 0.000 claims description 4
- 230000000903 blocking effect Effects 0.000 claims 4
- 238000001514 detection method Methods 0.000 description 13
- 230000000694 effects Effects 0.000 description 10
- 238000013459 approach Methods 0.000 description 9
- 230000007423 decrease Effects 0.000 description 4
- 238000007726 management method Methods 0.000 description 4
- 238000010586 diagram Methods 0.000 description 3
- 229910000577 Silicon-germanium Inorganic materials 0.000 description 2
- 238000012384 transportation and delivery Methods 0.000 description 2
- JBRZTFJDHDCESZ-UHFFFAOYSA-N AsGa Chemical compound [As]#[Ga] JBRZTFJDHDCESZ-UHFFFAOYSA-N 0.000 description 1
- LEVVHYCKPQWKOP-UHFFFAOYSA-N [Si].[Ge] Chemical compound [Si].[Ge] LEVVHYCKPQWKOP-UHFFFAOYSA-N 0.000 description 1
- 230000003213 activating effect Effects 0.000 description 1
- 230000001419 dependent effect Effects 0.000 description 1
- 238000005516 engineering process Methods 0.000 description 1
- 230000010354 integration Effects 0.000 description 1
- 238000012986 modification Methods 0.000 description 1
- 230000004048 modification Effects 0.000 description 1
- 238000012358 sourcing Methods 0.000 description 1
Images
Classifications
-
- H—ELECTRICITY
- H02—GENERATION; CONVERSION OR DISTRIBUTION OF ELECTRIC POWER
- H02M—APPARATUS FOR CONVERSION BETWEEN AC AND AC, BETWEEN AC AND DC, OR BETWEEN DC AND DC, AND FOR USE WITH MAINS OR SIMILAR POWER SUPPLY SYSTEMS; CONVERSION OF DC OR AC INPUT POWER INTO SURGE OUTPUT POWER; CONTROL OR REGULATION THEREOF
- H02M1/00—Details of apparatus for conversion
- H02M1/32—Means for protecting converters other than automatic disconnection
-
- H—ELECTRICITY
- H03—ELECTRONIC CIRCUITRY
- H03K—PULSE TECHNIQUE
- H03K17/00—Electronic switching or gating, i.e. not by contact-making and –breaking
- H03K17/14—Modifications for compensating variations of physical values, e.g. of temperature
- H03K17/145—Modifications for compensating variations of physical values, e.g. of temperature in field-effect transistor switches
-
- G—PHYSICS
- G11—INFORMATION STORAGE
- G11C—STATIC STORES
- G11C5/00—Details of stores covered by group G11C11/00
- G11C5/06—Arrangements for interconnecting storage elements electrically, e.g. by wiring
- G11C5/063—Voltage and signal distribution in integrated semi-conductor memory access lines, e.g. word-line, bit-line, cross-over resistance, propagation delay
-
- H—ELECTRICITY
- H02—GENERATION; CONVERSION OR DISTRIBUTION OF ELECTRIC POWER
- H02J—CIRCUIT ARRANGEMENTS OR SYSTEMS FOR SUPPLYING OR DISTRIBUTING ELECTRIC POWER; SYSTEMS FOR STORING ELECTRIC ENERGY
- H02J1/00—Circuit arrangements for DC mains or DC distribution networks
- H02J1/02—Arrangements for reducing harmonics or ripples
-
- H—ELECTRICITY
- H02—GENERATION; CONVERSION OR DISTRIBUTION OF ELECTRIC POWER
- H02M—APPARATUS FOR CONVERSION BETWEEN AC AND AC, BETWEEN AC AND DC, OR BETWEEN DC AND DC, AND FOR USE WITH MAINS OR SIMILAR POWER SUPPLY SYSTEMS; CONVERSION OF DC OR AC INPUT POWER INTO SURGE OUTPUT POWER; CONTROL OR REGULATION THEREOF
- H02M1/00—Details of apparatus for conversion
- H02M1/08—Circuits specially adapted for the generation of control voltages for semiconductor devices incorporated in static converters
-
- H—ELECTRICITY
- H02—GENERATION; CONVERSION OR DISTRIBUTION OF ELECTRIC POWER
- H02M—APPARATUS FOR CONVERSION BETWEEN AC AND AC, BETWEEN AC AND DC, OR BETWEEN DC AND DC, AND FOR USE WITH MAINS OR SIMILAR POWER SUPPLY SYSTEMS; CONVERSION OF DC OR AC INPUT POWER INTO SURGE OUTPUT POWER; CONTROL OR REGULATION THEREOF
- H02M1/00—Details of apparatus for conversion
- H02M1/14—Arrangements for reducing ripples from DC input or output
- H02M1/15—Arrangements for reducing ripples from DC input or output using active elements
-
- H—ELECTRICITY
- H02—GENERATION; CONVERSION OR DISTRIBUTION OF ELECTRIC POWER
- H02M—APPARATUS FOR CONVERSION BETWEEN AC AND AC, BETWEEN AC AND DC, OR BETWEEN DC AND DC, AND FOR USE WITH MAINS OR SIMILAR POWER SUPPLY SYSTEMS; CONVERSION OF DC OR AC INPUT POWER INTO SURGE OUTPUT POWER; CONTROL OR REGULATION THEREOF
- H02M7/00—Conversion of AC power input into DC power output; Conversion of DC power input into AC power output
- H02M7/42—Conversion of DC power input into AC power output without possibility of reversal
- H02M7/44—Conversion of DC power input into AC power output without possibility of reversal by static converters
- H02M7/48—Conversion of DC power input into AC power output without possibility of reversal by static converters using discharge tubes with control electrode or semiconductor devices with control electrode
-
- H—ELECTRICITY
- H03—ELECTRONIC CIRCUITRY
- H03K—PULSE TECHNIQUE
- H03K3/00—Circuits for generating electric pulses; Monostable, bistable or multistable circuits
- H03K3/01—Details
- H03K3/012—Modifications of generator to improve response time or to decrease power consumption
-
- G—PHYSICS
- G11—INFORMATION STORAGE
- G11C—STATIC STORES
- G11C5/00—Details of stores covered by group G11C11/00
- G11C5/14—Power supply arrangements, e.g. power down, chip selection or deselection, layout of wirings or power grids, or multiple supply levels
Definitions
- aspects of the present disclosure relate generally to power distribution networks, and more particularly, to power distribution network (PDN) conditioners.
- PDN power distribution network
- a power distribution network is used to distribute power to various circuits in a system on a chip (SoC) from an off-chip power source (e.g., power management integrated circuit (PMIC)).
- the PDN may employ power gating to conserve power, in which the PDN selectively connects circuits in the SoC that are active to the power source and disconnects circuits in the SoC that are inactive from the power source.
- the PDN typically has a large inductance in the lead connecting the SoC to the off-chip power source (e.g., PMIC). The inductance induces a ripple on the power rail when the load on the power rail suddenly changes (e.g., due to power gating).
- a controller e.g., a processor device monitors energy delivery for each of multiple power converter phases that supply energy to a load.
- the controller analyzes the energy delivery associated with each of the multiple power converter phases to identify an imbalance of energy delivered by the multiple power converter phases to the load. Based on the analyzing and detection of an imbalance condition, the controller modifies a future order of activating the multiple power converter phases for powering the load. Accordingly, a single phase of a multiphase switching power converter may be prevented from becoming overloaded while delivering energy to power the load.
- a power circuit comprising a capacitor coupled to a high-voltage rail, and a droop slope limiter (DSL) coupled between the high-voltage rail and a power rail.
- the DSL is configured to detect a downward voltage slope on the power rail, and to control current flow from the high-voltage rail to the power rail through the DSL based on the detected downward voltage slope.
- a second aspect relates to a method for conditioning a power rail.
- the method comprises detecting a downward voltage slope on the power rail, and controlling current flow from a high-voltage rail to the power rail based on the detected downward voltage slope, wherein a capacitor is coupled to the high-voltage rail.
- a third aspect relates to an apparatus for conditioning a power rail.
- the apparatus comprises means for detecting a downward voltage slope on the power rail, and means for controlling current flow from a high-voltage rail to the power rail based on the detected downward voltage slope, wherein a capacitor is coupled to the high-voltage rail.
- the one or more embodiments comprise the features hereinafter fully described and particularly pointed out in the claims.
- the following description and the annexed drawings set forth in detail certain illustrative aspects of the one or more embodiments. These aspects are indicative, however, of but a few of the various ways in which the principles of various embodiments may be employed and the described embodiments are intended to include all such aspects and their equivalents.
- a power distribution network is used to distribute power to various circuits in a system on a chip (SoC) from an off-chip power source (e.g., power management integrated circuit (PMIC)).
- SoC system on a chip
- PMIC power management integrated circuit
- the PDN may employ power gating to conserve power, in which the PDN selectively connects circuits in the SoC that are active to the power source and disconnects circuits in the SoC that are inactive from the power source. This prevents power leakage from circuits that are inactive (e.g., idle), thereby conserving power.
- the PDN typically has a large inductance in the lead connecting the SoC to the off-chip power source (e.g., PMIC).
- the inductance may include board inductance, package inductance, etc.
- the inductance induces a ripple on the power rail when the load on the power rail suddenly changes (e.g., due to power gating).
- the ripple effect becomes so severe that it greatly affects the operation of digital circuits coupled to the power rail.
- the ripple effect may cause logic errors in the SoC and/or memory cells to flip states in the SoC. Accordingly, it is desirable to reduce the ripple effect.
- the supply voltage on the power rail is approximately 1.0V
- the maximum voltage droop on the power rail that can be tolerated is approximately ⁇ V, which is much smaller than 1.0V (e.g., 0.1V or less).
- the total charge stored on the decoupling capacitor (denoted CAP in FIG. 1 ) is approximately equal to C ⁇ V, where C is the capacitance of the capacitor and V is the supply voltage (e.g., 1.0V in FIG. 1 ).
- active charge only a small portion of this charge approximately equal to C ⁇ V (referred to as active charge) is available to reduce the ripple effect on the power rail.
- the capacitor's charge storage capacity (referred to as active capacity) is available to reduce the ripple effect.
- the active charge (shaded region) makes up only a small portion of the total charge stored on the decoupling capacitor.
- Another approach to reduce the ripple effect is to place the on-chip decoupling capacitor behind an on-chip low-dropout regulator (LDO) coupled to the power rail.
- LDO on-chip low-dropout regulator
- the decoupling capacitor is connected to a higher voltage (e.g., 1.2V) and supplies charge to the power rail through the LDO to reduce the ripple effect.
- the active charge is larger in this approach compared with the previous approach (as shown in FIG. 1 ), but not by much due to energy loss in the LDO.
- Embodiments of the present disclosure substantially increase the active capacity of a capacitor for reducing the ripple effect compared with the previous two approaches, as discussed further below.
- FIG. 2 shows a PDN conditioner 205 according to an embodiment of the present disclosure.
- the PDN conditioner 205 may be integrated on a chip 200 with a power rail 230 connected to an off-chip PMIC 250 for supplying power from the PMIC 250 to various circuits (not shown in FIG. 2 ) on the chip.
- the lead connecting the PMIC 250 to the power rail 230 may include inductance (e.g., board and/or package inductance) that produces a ripple on the power rail 230 when the load on the power rail changes (e.g., due to power gating).
- the PDN conditioner 205 comprises an on-chip capacitor 215 coupled between a high-voltage rail 210 and ground.
- the high-voltage rail 210 has a higher voltage than the power rail 230 used to supply power to the various circuits (not shown in FIG. 2 ) on the chip from the PMIC 250.
- the high-voltage rail 210 may have a nominal voltage of approximately 2.4V while the power rail 230 may have a supply voltage of approximately 1,0V.
- the high-voltage rail 210 may have a voltage that is at least 50% higher than the supply voltage of the power rail 230.
- the PDN conditioner 205 also comprises a droop slope limiter (DSL) 220 coupled between the high-voltage rail 210 and the power rail 230, and an overshoot slope limiter (OSL) 240 coupled between the power rail 230 and ground.
- DSL droop slope limiter
- OSL overshoot slope limiter
- the active charge of the on-chip capacitor 215 is much larger (e.g., 5 ⁇ 10x higher) compared with the previous two approaches discussed above. This is because the on-chip capacitor 215 is connected to the high-voltage rail 210, and the active charge is proportional to the voltage difference between the high-voltage rail 210 and the power rail 230, which is relatively large.
- FIG. 3 shows an example of the active charge for the on-chip capacitor 215 compared with the previous two approaches shown in FIG. 1 .
- the active charge (shaded region) of the on-chip capacitor 215 is significantly larger than the active charge for the capacitors in the previous two approaches for a given capacitor size. Because the capacitor 215 has a much larger active charge, the capacitor 215 is able to supply significantly more charge to reduce ripple on the power rail 230.
- the DSL 220 is configured to control the flow of current from the capacitor 215 to the power rail 230 based on a downward (negative) voltage slope on the power rail 230. More particularly, the DSL 220 is configured to detect a downward voltage slope on the power rail 230, and to turn on/off based on the detected downward voltage slope. When the DSL 220 is turned on, the DSL 220 allows current to flow from the capacitor 215 to the power rail 230 through the DSL 220, and when the DSL 220 is turned off, the DSL 220 blocks current flow from the capacitor 215 to the power rail 230.
- the DSL 220 is configured to turn off if the magnitude (absolute value) of a detected downward voltage slope is below a slope threshold or no downward voltage slope is detected.
- the DSL 220 is configured to turn on if the magnitude of a detected downward voltage slope exceeds (crosses) the slope threshold.
- the DSL 220 allows current to flow from the capacitor 215 to the power rail 230 when a ripple on the power rail 230 produces a downward voltage slope on the power rail 230 having a magnitude that exceeds the slope threshold.
- the current from the capacitor 215 limits the downward voltage slope, thereby reducing the voltage droop of the ripple.
- FIG. 4 shows a comparison of a ripple 405 without the DSL 220 and a ripple 410 with the DSL 220.
- the ripple 405 without the DSL 220 has a relatively large voltage droop 415.
- the ripple 405 may be caused by an increase in the load coupled to power rail 230 (e.g., due to power gating).
- the ripple 405 dampens over time (e.g., due to resistance in the PDN), causing the amplitude of the ripple 405 to decrease over time.
- the ripple 410 with the DSL 220 has a much smaller voltage droop 420.
- the DSL 220 turns on when the magnitude of a downward voltage slope crosses the slope threshold, allowing current to flow from the capacitor 215 to the power rail 230 through the DSL 220.
- the current from the capacitor 215 reduces the size of the voltage droop 420, thereby reducing the amplitude of the ripple 410.
- the DSL 220 may control (regulate) the amount of current flow from the capacitor 215 to the power rail 230 such that the magnitude of the downward voltage slope on the power rail 230 is approximately limited to the slope threshold.
- the DSL. 220 may turn itself off. As a result, the DSL 220 may only turn on for a relatively short time duration (e.g., less than 100 ns) to reduce a ripple on the power rail 230. An example of this is shown in FIG. 4 .
- the DSL 220 turns on when the magnitude of the downward voltage slope on the power rail 230 crosses the slope threshold, reducing the size of the voltage droop 420 on the power rail 230.
- the DSL 220 turns off when the magnitude of the downward voltage slope falls below the slope threshold, which may occur just before the bottom of the voltage droop 420 is reached, as shown in FIG. 4 .
- the DSL 220 may control (regulate) the downward voltage slope to a value set by the slope threshold.
- the DSL 220 significantly reduces the amplitude of the ripple 410 compared to the ripple 405 without the DSL 220. Because the DSL 220 only turns on for a short time duration to reduce the ripple, the buck efficiency of the DSL 220 is not a problem, and therefore the DSL 220 can operate on the high-voltage rail 210.
- the OSL 240 operates in a similar manner as the DSL 220 except that the OSL 240 controls the flow of current from the power rail 230 to ground based on an upward (positive) voltage slope on the power rail 230. More particularly, the OSL 240 is configured to detect an upward voltage slope on the power rail 230, and to turn on/off based on the detected upward voltage slope. When the OSL 240 is turned on, the OSL 240 allows current to flow from the power rail 230 to ground through the OSL 240, and when the OSL 240 is turned off, the OSL 240 blocks current flow from the power rail 230 to ground.
- the OSL 240 is configured to turn off if a detected upward slope is below a slope threshold or no upward voltage slope is detected.
- the OSL 240 is configured to turn on if a detected upward slope exceeds the slope threshold.
- the OSL 240 allows current to flow from the power rail 230 to ground when a ripple on the power rail 230 produces an upward voltage slope on the power rail 230 exceeding the slope threshold.
- the current flow to ground limits the upward voltage slope, thereby reducing the voltage overshoot of the ripple.
- the slope thresholds for the DSL 220 and the OSL 240 may be the same or different.
- FIG. 5 shows a comparison of a ripple 505 without the OSL 240 and a ripple 510 with the OSL 240.
- the ripple 505 without the OSL 240 has a relatively large voltage overshoot 515.
- the ripple 505 may be caused by a decrease in the load coupled to power rail 230 (e.g., due to power gating).
- the ripple 505 dampens over time (e.g., due to resistance in the PDN), causing the amplitude of the ripple to decrease over time.
- the ripple 510 with the OSL 240 has a much smaller overshoot 520.
- the OSL 240 turns on when an upward voltage slope on the power rail 230 crosses the slope threshold, allowing current to flow from the power rail 230 to ground.
- the current flow to ground reduces the size of the overshoot 520, thereby reducing the amplitude of the ripple 510.
- the OSL 240 may control (regulate) the amount of current flow from the power rail 230 to ground such that the upward voltage slope on the power rail 230 is approximately limited to the slope threshold.
- the OSL 240 may turn itself off. As a result, the OSL 240 may only turn on for a relatively short time (less than 100 ns) to reduce a ripple. An example of this is shown in FIG. 5 .
- the OSL 240 turns on when the upward voltage slope on the power rail 230 crosses the slope threshold, reducing the size the overshoot 520.
- the OSL 240 turns off when the upward voltage slope falls below the slope threshold, which may occur just before the top of the overshoot 520 is reached, as shown in FIG. 5 .
- the OSL 240 may control (regulate) the upward voltage slope to a value set by the slope threshold.
- FIG. 6 shows an example in which the chip 200 comprises a circuit 620 that receives power from the power rail 230 through a power-gating switch 610 (e.g., head switch).
- a power management circuit (not shown) may connect the circuit 620 to the power rail 230 when the circuit 620 is active by turning on the power-gating switch 610.
- the power management circuit may disconnect the circuit 620 from the power rail 230 when the circuit 620 is inactive (e.g., idle) by turning off the power-gating switch 610.
- the chip 200 may comprise a plurality of circuits, in which each circuit may be selectively connected to the power rail 230 by a separate power-gating switch. This allows the circuits to be power gated independently.
- the power-gating switch 610 disconnects the circuit 620 from the power rail 230, capacitors in the circuit 620 are discharged due to current leakage.
- the power-gating switch 610 initially connects the circuit 620 to the power rail 230 to power up the circuit 620 to the active state, a large capacitive load is suddenly placed on the power rail 230 due to the capacitors in the circuit 620.
- the capacitors in the circuit 620 drain current from the power rail 230 in order to charge up, causing the voltage on the power rail 230 to droop.
- the PMIC 250 may not be able to supply current fast enough to prevent the droop due the large inductance (e.g., board and/or package inductance) in the lead connecting the PMIC 250 to the power rail 230.
- a large voltage droop may appear on the power rail 230 when the circuit 620 is initially connected to the power rail 230 after being in the inactive state.
- the DSL 220 With the DSL 220, when the voltage on the power rail 230 starts drooping, a downward voltage slope appears on the power rail 230, which is detected by the DSL 220. When the magnitude of the downward voltage slope crosses the slope threshold of the DSL 220, the DSL 220 turns on allowing the on-chip capacitor 215 to source current to the circuit 620 through the DSL 220, which reduces the voltage droop, as discussed above.
- the on-chip capacitor 215 is able to source current to the circuit 620 much faster than the PMIC 250 to reduce the droop. This is because the path between the on-chip capacitor 215 and the circuit 620 through the DSL 220 has a much smaller inductance than the lead connecting the PMIC 250 to the power rail 230.
- Both the on-chip capacitor 215 and the circuit 620 are located on the chip 200. As a result, the path between them is much shorter (and therefore has less inductance) than the lead connecting the power rail 230 to the PMIC 250, which is located off-chip. Further, sourcing current from the on-chip capacitor 215 to the circuit 620 reduces the current change in the inductance in the lead connecting the power rail 230 to the PMIC 250, thereby reducing noise induced by the inductance.
- FIG. 7 shows an example of a PDN conditioner 705 comprising a plurality of power rails 230-1 to 230-3.
- the power rails 230-1 to 230-3 are coupled to the PMIC 250, and may receive the same supply voltage from the PMIC 250 or different supply voltages from the PMIC 250. In either case, the supply voltage for each power rail 230-1 to 230-3 is lower than the voltage of the high-voltage rail 210.
- the PDN conditioner 705 also comprises a separate DSL 220-1 to 220-3 for each power rail 230-1 to 230-3, and a separate OSL 240-1 to 240-3 for each power rail 230-1 to 230-3, Each DSL 220-1 to 220-3 is coupled between the high-voltage rail 210 and the respective power rail 230-1 to 230-3, and each OSL 240-1 to 240-3 is coupled between the respective power rail 230-1 to 230-3 and ground. Each DSL 220-1 to 220-3 is configured to reduce a voltage droop of a ripple (and hence the amplitude of the ripple) on the respective power rail 230-1 to 230-3 by limiting the downward voltage slope on the respective power rail 230-1 to 230-3, as discussed above.
- each OSL 240-1 to 240-3 is configured to reduce a voltage overshoot of a ripple (and hence the amplitude of the ripple) on the respective power rail 230-1 to 230-3 by limiting the upward voltage slope on the respective power rail 230-1 to 230-3, as discussed above.
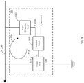
- FIG. 8 shows an exemplary implementation of the DSL 220 according to an embodiment of the present disclosure.
- the DSL 220 comprises a power field effect transistor (FET) 810, a control circuit 820, and a slope-detection circuit 830.
- the power FET 810 may be a P-type FET (PFET) or an N-type FET (NFET),
- the source and drain of the power FET 810 are coupled between the high-voltage rail 210 and the power rail 230.
- the power FET 810 is a PEFT
- the source of the power FET 810 is coupled to the high-voltage rail 210 and the drain of the power FET 810 is coupled to the power rail 230.
- the gate of power FET 810 is coupled to the control circuit 820.
- the control circuit 820 controls the conductivity between the source and drain of the power FET 810 (and hence the current flow from the high-voltage rail 210 to the power rail 230) by controlling the gate voltage of the power FET 810.
- the slope-detection circuit 830 is coupled to the power rail 230, and configured to detect a downward (negative) voltage slope on the power rail 230.
- the slope-detection circuit 830 may detect a downward voltage slope by detecting a time rate of change of voltage (i.e., ⁇ dV/ ⁇ dT) on the power rail 230 that is negative.
- the slope-detection circuit 830 may output a voltage (denoted V_slope) that is proportional to the magnitude of the detected downward voltage slope to the control circuit 820,
- the control circuit 820 compares the voltage (V_slope) from the slope-detection circuit 830 with a slope-threshold voltage (denoted V_threshold) that is set according to a desired downward voltage slope. If V_slope is below V_threshold, then the control circuit 820 turns off the power FET 810. For the example in which the power FET 810 is a PFET, the control circuit 820 may turn off the power FET 810 by outputting a gate voltage that is approximately equal to the voltage of the high-voltage rail 210.
- the control circuit 820 may turn on the power FET 810 and adjust the gate voltage of the power FET 810 in a direction that reduces the voltage difference between V_slope and V_threshold. For example, the control circuit 820 may reduce the voltage difference by adjusting the gate voltage of the power FET 810 in a direction that increases the conductivity of the power FET 810. The increased conductivity allows more current to flow from the on-chip capacitor 215 to the power rail 230 through the power FET 810, which reduces the downward voltage slope on the power rail 230, and therefore reduces the voltage difference between V_slope and V_threshold.
- control circuit 820 employs negative feedback to limit the downward voltage slope on the power rail 230 to a value set by V_threshold.
- the negative feedback is indicated by negative feedback loop 835.
- the control circuit 820 may turn the power FET 810 back off.
- FIG. 9 shows an exemplary implementation of the OSL 240 according to an embodiment of the present disclosure.
- the DSL 220 is not shown in FIG. 9 .
- the OSL 240 comprises a power FET 910, a control circuit 920, and a slope-detection circuit 930.
- the power FET 910 may be a P-type FET (PFET) or an N-type FET (NFET).
- the drain and source of the power FET 910 are coupled between the power rail 230 and ground. For example, if the power FET 910 is an NEFT, then the drain of the power FET 910 is coupled to the power rail 230 and the source of the power FET 910 is coupled to ground.
- the gate of the power FET 910 is coupled to the control circuit 920.
- the slope-detection circuit 930 is coupled to the power rail 230, and configured to detect an upward (positive) voltage slope on the power rail 230.
- the slope-detection circuit 930 may detect an upward voltage slope by detecting a time rate of change of voltage (i.e., ⁇ dV/ ⁇ dT) on the power rail 230 that is positive.
- the slope-detection circuit 930 may output a voltage (denoted V_slope) that is proportional to the detected upward voltage slope to the control circuit 920.
- the control circuit 920 compares the voltage (V slope) from the slope-detection circuit 930 with a slope-threshold voltage (denoted V_threshold) that is set according to a desired upward voltage slope. If V_slope is below V_threshold, then the control circuit 920 turns off the power FET 910. For the example in which the power FET 910 is an NFET, the control circuit 920 may turn off the power FET 910 by grounding the gate of the power FET 910.
- the control circuit 920 may turn on the power FET 910 and adjust the gate voltage of the power FET 910 in a direction that reduces the voltage difference between V_slope and V_threshold. For example, the control circuit 920 may reduce the voltage difference by adjusting the gate voltage of the power FET 910 in a direction that increases the conductivity of the power FET 910. The increased conductivity allows more current to flow from the power rail 230 to ground through the power FET 910, which reduces the upward voltage slope on the power rail 230, and therefore reduces the voltage difference between V_slope and V_threshold.
- control circuit 920 employs negative feedback to limit the upward voltage slope on the power rail 230 to a value set by V_threshold.
- the negative feedback is indicated by negative feedback loop 935.
- the control circuit 920 may turn the power FET 910 back off.
- FIG. 10 shows a method 1000 for conditioning a power rail 230.
- the method may condition the power rail 230 by reducing voltage droops and/or voltage overshoots on the power rail 230.
- a downward voltage slope is detected on the power rail.
- the downward (negative) voltage slope may be detected by a slope-detection circuit (e.g., slope-detection circuit 830) coupled to the power rail (e.g., power rail 230).
- a slope-detection circuit e.g., slope-detection circuit 830
- step 1020 current flow is controlled from a high-voltage rail to the power rail based on the detected downward voltage slope, wherein a capacitor is coupled to the high-voltage rail.
- the current flow may be controlled by adjusting a gate voltage of a power FET (e.g., power FET 810) based on the detected downward voltage slope.
- a power FET e.g., power FET 810
- transistor types such as bipolar junction transistors, junction field effect transistor or any other transistor type may be used in place of the power FET 810.
- transistor types such as bipolar junction transistors, junction field effect transistor or any other transistor type may be used in place of the power FET 810.
- the collector and emitter of the bipolar transistor may be coupled between the high-voltage rail 210 and the power rail 230.
- the control circuit 820 may control the conductivity of the bipolar junction transistor (and hence the current flow from the on-chip capacitor 215 to the power rail 210) by controlling the base current of the bipolar junction transistor.
- CMOS complementary metal-oxide-semiconductor
- BJT bipolar junction transistor
- BiCMOS bipolar-CMOS
- SiGe silicon germanium
- GaAs gallium arsenide
Landscapes
- Engineering & Computer Science (AREA)
- Power Engineering (AREA)
- Dc-Dc Converters (AREA)
- Logic Circuits (AREA)
- Continuous-Control Power Sources That Use Transistors (AREA)
Applications Claiming Priority (2)
| Application Number | Priority Date | Filing Date | Title |
|---|---|---|---|
| US14/175,922 US9806707B2 (en) | 2014-02-07 | 2014-02-07 | Power distribution network (PDN) conditioner |
| PCT/US2015/014313 WO2015119971A1 (en) | 2014-02-07 | 2015-02-03 | Power distribution network (pdn) conditioner |
Publications (2)
| Publication Number | Publication Date |
|---|---|
| EP3103179A1 EP3103179A1 (en) | 2016-12-14 |
| EP3103179B1 true EP3103179B1 (en) | 2019-04-24 |
Family
ID=52463245
Family Applications (1)
| Application Number | Title | Priority Date | Filing Date |
|---|---|---|---|
| EP15703446.3A Active EP3103179B1 (en) | 2014-02-07 | 2015-02-03 | Power distribution network (pdn) conditioner |
Country Status (6)
| Country | Link |
|---|---|
| US (1) | US9806707B2 (enExample) |
| EP (1) | EP3103179B1 (enExample) |
| JP (1) | JP6359677B2 (enExample) |
| KR (1) | KR101905592B1 (enExample) |
| CN (1) | CN105960745B (enExample) |
| WO (1) | WO2015119971A1 (enExample) |
Families Citing this family (14)
| Publication number | Priority date | Publication date | Assignee | Title |
|---|---|---|---|---|
| US9785222B2 (en) | 2014-12-22 | 2017-10-10 | Qualcomm Incorporated | Hybrid parallel regulator and power supply combination for improved efficiency and droop response with direct current driven output stage attached directly to the load |
| US10642329B2 (en) | 2016-03-23 | 2020-05-05 | Qualcomm Incorporated | Peak current support for a power rail system via a shared secondary power supply |
| US10261561B2 (en) | 2016-09-06 | 2019-04-16 | International Business Machines Corporation | Mitigation of on-chip supply voltage based on local and non-local (neighboring) cores' supply voltage information and decision |
| US10437311B2 (en) | 2016-09-06 | 2019-10-08 | International Business Machines Corporation | Mitigation of on-chip supply voltage noise by monitoring slope of supply voltage based on time-based sensors |
| US11444210B2 (en) | 2018-06-21 | 2022-09-13 | Drexel University | On-chip power supply noise suppression through hyperabrupt junction varactors |
| KR102623677B1 (ko) * | 2018-12-11 | 2024-01-11 | 삼성전자주식회사 | 피엠아이씨(pmic) 모델링 시스템 및 이의 구동 방법 |
| US10796729B2 (en) | 2019-02-05 | 2020-10-06 | Micron Technology, Inc. | Dynamic allocation of a capacitive component in a memory device |
| US11194726B2 (en) | 2019-02-25 | 2021-12-07 | Micron Technology, Inc. | Stacked memory dice for combined access operations |
| US11119126B2 (en) | 2019-07-23 | 2021-09-14 | International Business Machines Corporation | Slope detector for voltage droop monitoring |
| US10742202B1 (en) | 2019-07-23 | 2020-08-11 | International Business Machines Corporation | Autozero to an offset value for a slope detector for voltage droop monitoring |
| US20230267256A1 (en) * | 2021-10-09 | 2023-08-24 | Iliya Gavriilovich Zamek | Method and Apparatus for design a PDN of an assembly of VRM-Board-Decoupling-Package-Chip |
| US12061509B2 (en) * | 2022-12-15 | 2024-08-13 | International Business Machines Corporation | Voltage droop and overshoot management using non-linear slope detection |
| TWI854416B (zh) * | 2022-12-27 | 2024-09-01 | 國立陽明交通大學 | 閘極驅動器、偵測一電晶體的一閾值電壓的裝置及其偵測方法 |
| US12235699B2 (en) * | 2023-02-08 | 2025-02-25 | Qualcomm Incorporated | Energy efficient Vmin architecture for shared power rails |
Family Cites Families (40)
| Publication number | Priority date | Publication date | Assignee | Title |
|---|---|---|---|---|
| US5523631A (en) * | 1993-08-25 | 1996-06-04 | Inductotherm Corp. | Control system for powering plural inductive loads from a single inverter source |
| KR100278096B1 (ko) | 1997-07-10 | 2001-01-15 | 윤덕용 | 혼합형 레귤레이터 |
| JP2000224846A (ja) * | 1999-02-01 | 2000-08-11 | Nec Gumma Ltd | 電源装置 |
| JP3565258B2 (ja) * | 1999-12-21 | 2004-09-15 | 松下電器産業株式会社 | リップルフィルタ回路とこれを用いた増幅器 |
| US6304131B1 (en) | 2000-02-22 | 2001-10-16 | Texas Instruments Incorporated | High power supply ripple rejection internally compensated low drop-out voltage regulator using PMOS pass device |
| US6597159B2 (en) * | 2001-08-15 | 2003-07-22 | System General Corp. | Pulse width modulation controller having frequency modulation for power converter |
| KR100410987B1 (ko) * | 2001-11-02 | 2003-12-18 | 삼성전자주식회사 | 내부 전원전압 발생회로 |
| US6747470B2 (en) | 2001-12-19 | 2004-06-08 | Intel Corporation | Method and apparatus for on-die voltage fluctuation detection |
| JP2003284331A (ja) * | 2002-03-25 | 2003-10-03 | Seiko Epson Corp | 周波数変動が少ない自励式dc−dcコンバータ |
| US6661211B1 (en) | 2002-06-25 | 2003-12-09 | Alcatel Canada Inc. | Quick-start DC-DC converter circuit and method |
| US6894553B2 (en) | 2002-07-31 | 2005-05-17 | Fairchild Semiconductor Corporation | Capacitively coupled current boost circuitry for integrated voltage regulator |
| JP2004252891A (ja) * | 2003-02-21 | 2004-09-09 | Mitsumi Electric Co Ltd | レギュレータ回路 |
| US7239494B2 (en) * | 2003-09-03 | 2007-07-03 | Hewlett-Packard Development Company, L.P. | System and method to mitigate voltage fluctuations |
| GB0324292D0 (en) | 2003-10-17 | 2003-11-19 | Huggins Mark | Embedded power supplies particularly for large scale integrated circuits |
| JP4726460B2 (ja) | 2004-10-22 | 2011-07-20 | 株式会社リコー | 定電圧電源回路 |
| US7304462B2 (en) | 2005-02-02 | 2007-12-04 | Power-One, Inc. | Compensated droop method for paralleling of power supplies (C-droop method) |
| JP2007097258A (ja) | 2005-09-27 | 2007-04-12 | Univ Of Tokushima | アクティブ制御キャパシタ装置 |
| EP1903666A1 (en) | 2006-09-21 | 2008-03-26 | Research In Motion Limited | Integrated switch-mode power supply and linear regulator |
| US7839129B2 (en) | 2007-09-10 | 2010-11-23 | The Regents Of The University Of Michigan | On-chip power supply voltage regulation |
| US7808219B2 (en) * | 2007-11-26 | 2010-10-05 | Honeywell International Inc. | Method and apparatus of capacitor divider based offline AC-DC converter |
| US7923974B2 (en) * | 2008-01-04 | 2011-04-12 | Chil Semiconductor Corporation | Modification of switch activation order in a power supply |
| US8212400B2 (en) | 2008-06-04 | 2012-07-03 | Texas Instruments Incorporated | Multi-rail power-supply system |
| KR101552165B1 (ko) | 2009-03-02 | 2015-09-18 | 엘지전자 주식회사 | 전자 기기의 전원 공급 장치 및 방법 |
| WO2010131104A2 (en) | 2009-05-15 | 2010-11-18 | Stmicroelectronics (Grenoble 2) Sas | Method and device for controlling power-on of a processing circuit |
| GB2497010B (en) | 2010-09-13 | 2018-03-21 | Hewlett Packard Entpr Dev Lp | Power rail regulator system |
| US8736363B2 (en) | 2010-09-13 | 2014-05-27 | Cadence Ams Design India Private Limited | Circuit for optimizing a power management system during varying load conditions |
| US9203265B2 (en) | 2010-09-21 | 2015-12-01 | Intel Corporation | Power supply |
| JP2012070556A (ja) * | 2010-09-24 | 2012-04-05 | Sanken Electric Co Ltd | 直流電源装置 |
| CN201867672U (zh) | 2010-11-11 | 2011-06-15 | 惠州Tcl移动通信有限公司 | 用于移动终端中的ldo电路 |
| GB2491550A (en) | 2011-01-17 | 2012-12-12 | Radiant Res Ltd | A hybrid power control system using dynamic power regulation to increase the dimming dynamic range and power control of solid-state illumination systems |
| TWI465011B (zh) * | 2011-06-02 | 2014-12-11 | Richtek Technology Corp | Pwm電壓調節器的控制電路及方法 |
| JP5692031B2 (ja) * | 2011-12-06 | 2015-04-01 | 株式会社デンソー | 負荷駆動装置 |
| US8988054B2 (en) | 2011-12-27 | 2015-03-24 | St-Ericsson Sa | Single feedback loop for parallel architecture buck converter—LDO regulator |
| JP5269218B2 (ja) * | 2012-01-31 | 2013-08-21 | 株式会社東芝 | スイッチング電源及び電子機器 |
| US9075422B2 (en) | 2012-05-31 | 2015-07-07 | Nxp B.V. | Voltage regulator circuit with adaptive current limit and method for operating the voltage regulator circuit |
| JP5728433B2 (ja) | 2012-06-11 | 2015-06-03 | 株式会社東芝 | Dc−dc変換回路 |
| WO2014006440A1 (en) | 2012-07-06 | 2014-01-09 | Freescale Semiconductor, Inc. | Voltage regulator circuit and method therefor |
| US9383618B2 (en) | 2014-02-05 | 2016-07-05 | Intersil Americas LLC | Semiconductor structures for enhanced transient response in low dropout (LDO) voltage regulators |
| US20150286232A1 (en) | 2014-04-08 | 2015-10-08 | Fujitsu Limited | Voltage regulation circuit |
| US9785222B2 (en) | 2014-12-22 | 2017-10-10 | Qualcomm Incorporated | Hybrid parallel regulator and power supply combination for improved efficiency and droop response with direct current driven output stage attached directly to the load |
-
2014
- 2014-02-07 US US14/175,922 patent/US9806707B2/en active Active
-
2015
- 2015-02-03 CN CN201580007464.8A patent/CN105960745B/zh active Active
- 2015-02-03 JP JP2016550635A patent/JP6359677B2/ja active Active
- 2015-02-03 KR KR1020167024243A patent/KR101905592B1/ko not_active Expired - Fee Related
- 2015-02-03 WO PCT/US2015/014313 patent/WO2015119971A1/en not_active Ceased
- 2015-02-03 EP EP15703446.3A patent/EP3103179B1/en active Active
Non-Patent Citations (1)
| Title |
|---|
| None * |
Also Published As
| Publication number | Publication date |
|---|---|
| CN105960745A (zh) | 2016-09-21 |
| KR20160117561A (ko) | 2016-10-10 |
| JP2017507594A (ja) | 2017-03-16 |
| CN105960745B (zh) | 2018-11-23 |
| KR101905592B1 (ko) | 2018-10-10 |
| EP3103179A1 (en) | 2016-12-14 |
| JP6359677B2 (ja) | 2018-07-18 |
| US20150229303A1 (en) | 2015-08-13 |
| US9806707B2 (en) | 2017-10-31 |
| WO2015119971A1 (en) | 2015-08-13 |
Similar Documents
| Publication | Publication Date | Title |
|---|---|---|
| EP3103179B1 (en) | Power distribution network (pdn) conditioner | |
| JP7520716B2 (ja) | 低静止電流負荷スイッチ | |
| JP7644084B2 (ja) | 電力コンバータに対するブーストバック保護 | |
| US8045348B2 (en) | Switching mode power supply controller with high voltage startup circuits | |
| US8203234B2 (en) | Power safety system | |
| CN103427640B (zh) | 具有负载检测的功率调节 | |
| US7851945B2 (en) | System and method of providing power | |
| US20060017423A1 (en) | Dual power bus for battery powered device | |
| US10658840B2 (en) | Current restriction for a power source | |
| US7402986B2 (en) | Power supply circuit for portable battery powered device | |
| US20170063237A1 (en) | Transient power control | |
| US6700359B2 (en) | Method for simultaneous output ramp up of multiple regulators | |
| CN208521199U (zh) | 电子电路 | |
| Boitier et al. | Under voltage lock-out design rules for proper start-up of energy autonomous systems powered by supercapacitors | |
| US20210203229A1 (en) | Reduced voltage ratings for power transistors in a buck converter | |
| US11146172B2 (en) | Startup/brownout active clamping for capacitor-drop power supply | |
| Butzen et al. | A Monolithic 26 A/mm 2 Continuously Scalable Conversion Ratio Switched-Capacitor Converter With Phase-Merging Turbo and Communication-Less Ganging | |
| US10461643B1 (en) | Composite embedded voltage regulator (CEVR) | |
| Lou et al. | Switch-mode multi-power-supply Li-ion battery charger with power-path management | |
| WO2010146560A9 (en) | Voltage regulator | |
| TW201421856A (zh) | 直流對直流轉換系統 |
Legal Events
| Date | Code | Title | Description |
|---|---|---|---|
| PUAI | Public reference made under article 153(3) epc to a published international application that has entered the european phase |
Free format text: ORIGINAL CODE: 0009012 |
|
| STAA | Information on the status of an ep patent application or granted ep patent |
Free format text: STATUS: REQUEST FOR EXAMINATION WAS MADE |
|
| 17P | Request for examination filed |
Effective date: 20160629 |
|
| AK | Designated contracting states |
Kind code of ref document: A1 Designated state(s): AL AT BE BG CH CY CZ DE DK EE ES FI FR GB GR HR HU IE IS IT LI LT LU LV MC MK MT NL NO PL PT RO RS SE SI SK SM TR |
|
| AX | Request for extension of the european patent |
Extension state: BA ME |
|
| DAX | Request for extension of the european patent (deleted) | ||
| STAA | Information on the status of an ep patent application or granted ep patent |
Free format text: STATUS: EXAMINATION IS IN PROGRESS |
|
| 17Q | First examination report despatched |
Effective date: 20180320 |
|
| GRAP | Despatch of communication of intention to grant a patent |
Free format text: ORIGINAL CODE: EPIDOSNIGR1 |
|
| STAA | Information on the status of an ep patent application or granted ep patent |
Free format text: STATUS: GRANT OF PATENT IS INTENDED |
|
| RIC1 | Information provided on ipc code assigned before grant |
Ipc: G11C 5/06 20060101ALI20181031BHEP Ipc: H02H 9/04 20060101ALI20181031BHEP Ipc: H02M 1/15 20060101ALI20181031BHEP Ipc: H03K 3/012 20060101ALI20181031BHEP Ipc: H03K 17/14 20060101ALI20181031BHEP Ipc: G01R 19/12 20060101ALI20181031BHEP Ipc: H02J 1/02 20060101AFI20181031BHEP Ipc: G11C 5/14 20060101ALI20181031BHEP |
|
| INTG | Intention to grant announced |
Effective date: 20181121 |
|
| GRAS | Grant fee paid |
Free format text: ORIGINAL CODE: EPIDOSNIGR3 |
|
| GRAA | (expected) grant |
Free format text: ORIGINAL CODE: 0009210 |
|
| STAA | Information on the status of an ep patent application or granted ep patent |
Free format text: STATUS: THE PATENT HAS BEEN GRANTED |
|
| AK | Designated contracting states |
Kind code of ref document: B1 Designated state(s): AL AT BE BG CH CY CZ DE DK EE ES FI FR GB GR HR HU IE IS IT LI LT LU LV MC MK MT NL NO PL PT RO RS SE SI SK SM TR |
|
| REG | Reference to a national code |
Ref country code: GB Ref legal event code: FG4D |
|
| REG | Reference to a national code |
Ref country code: CH Ref legal event code: EP |
|
| REG | Reference to a national code |
Ref country code: AT Ref legal event code: REF Ref document number: 1125273 Country of ref document: AT Kind code of ref document: T Effective date: 20190515 Ref country code: IE Ref legal event code: FG4D |
|
| REG | Reference to a national code |
Ref country code: DE Ref legal event code: R096 Ref document number: 602015028802 Country of ref document: DE |
|
| REG | Reference to a national code |
Ref country code: NL Ref legal event code: MP Effective date: 20190424 |
|
| REG | Reference to a national code |
Ref country code: LT Ref legal event code: MG4D |
|
| PG25 | Lapsed in a contracting state [announced via postgrant information from national office to epo] |
Ref country code: NL Free format text: LAPSE BECAUSE OF FAILURE TO SUBMIT A TRANSLATION OF THE DESCRIPTION OR TO PAY THE FEE WITHIN THE PRESCRIBED TIME-LIMIT Effective date: 20190424 |
|
| PG25 | Lapsed in a contracting state [announced via postgrant information from national office to epo] |
Ref country code: NO Free format text: LAPSE BECAUSE OF FAILURE TO SUBMIT A TRANSLATION OF THE DESCRIPTION OR TO PAY THE FEE WITHIN THE PRESCRIBED TIME-LIMIT Effective date: 20190724 Ref country code: FI Free format text: LAPSE BECAUSE OF FAILURE TO SUBMIT A TRANSLATION OF THE DESCRIPTION OR TO PAY THE FEE WITHIN THE PRESCRIBED TIME-LIMIT Effective date: 20190424 Ref country code: LT Free format text: LAPSE BECAUSE OF FAILURE TO SUBMIT A TRANSLATION OF THE DESCRIPTION OR TO PAY THE FEE WITHIN THE PRESCRIBED TIME-LIMIT Effective date: 20190424 Ref country code: HR Free format text: LAPSE BECAUSE OF FAILURE TO SUBMIT A TRANSLATION OF THE DESCRIPTION OR TO PAY THE FEE WITHIN THE PRESCRIBED TIME-LIMIT Effective date: 20190424 Ref country code: SE Free format text: LAPSE BECAUSE OF FAILURE TO SUBMIT A TRANSLATION OF THE DESCRIPTION OR TO PAY THE FEE WITHIN THE PRESCRIBED TIME-LIMIT Effective date: 20190424 Ref country code: ES Free format text: LAPSE BECAUSE OF FAILURE TO SUBMIT A TRANSLATION OF THE DESCRIPTION OR TO PAY THE FEE WITHIN THE PRESCRIBED TIME-LIMIT Effective date: 20190424 Ref country code: PT Free format text: LAPSE BECAUSE OF FAILURE TO SUBMIT A TRANSLATION OF THE DESCRIPTION OR TO PAY THE FEE WITHIN THE PRESCRIBED TIME-LIMIT Effective date: 20190824 Ref country code: AL Free format text: LAPSE BECAUSE OF FAILURE TO SUBMIT A TRANSLATION OF THE DESCRIPTION OR TO PAY THE FEE WITHIN THE PRESCRIBED TIME-LIMIT Effective date: 20190424 |
|
| PG25 | Lapsed in a contracting state [announced via postgrant information from national office to epo] |
Ref country code: BG Free format text: LAPSE BECAUSE OF FAILURE TO SUBMIT A TRANSLATION OF THE DESCRIPTION OR TO PAY THE FEE WITHIN THE PRESCRIBED TIME-LIMIT Effective date: 20190724 Ref country code: RS Free format text: LAPSE BECAUSE OF FAILURE TO SUBMIT A TRANSLATION OF THE DESCRIPTION OR TO PAY THE FEE WITHIN THE PRESCRIBED TIME-LIMIT Effective date: 20190424 Ref country code: PL Free format text: LAPSE BECAUSE OF FAILURE TO SUBMIT A TRANSLATION OF THE DESCRIPTION OR TO PAY THE FEE WITHIN THE PRESCRIBED TIME-LIMIT Effective date: 20190424 Ref country code: LV Free format text: LAPSE BECAUSE OF FAILURE TO SUBMIT A TRANSLATION OF THE DESCRIPTION OR TO PAY THE FEE WITHIN THE PRESCRIBED TIME-LIMIT Effective date: 20190424 Ref country code: GR Free format text: LAPSE BECAUSE OF FAILURE TO SUBMIT A TRANSLATION OF THE DESCRIPTION OR TO PAY THE FEE WITHIN THE PRESCRIBED TIME-LIMIT Effective date: 20190725 |
|
| REG | Reference to a national code |
Ref country code: AT Ref legal event code: MK05 Ref document number: 1125273 Country of ref document: AT Kind code of ref document: T Effective date: 20190424 |
|
| PG25 | Lapsed in a contracting state [announced via postgrant information from national office to epo] |
Ref country code: IS Free format text: LAPSE BECAUSE OF FAILURE TO SUBMIT A TRANSLATION OF THE DESCRIPTION OR TO PAY THE FEE WITHIN THE PRESCRIBED TIME-LIMIT Effective date: 20190824 |
|
| REG | Reference to a national code |
Ref country code: DE Ref legal event code: R097 Ref document number: 602015028802 Country of ref document: DE |
|
| PG25 | Lapsed in a contracting state [announced via postgrant information from national office to epo] |
Ref country code: RO Free format text: LAPSE BECAUSE OF FAILURE TO SUBMIT A TRANSLATION OF THE DESCRIPTION OR TO PAY THE FEE WITHIN THE PRESCRIBED TIME-LIMIT Effective date: 20190424 Ref country code: SK Free format text: LAPSE BECAUSE OF FAILURE TO SUBMIT A TRANSLATION OF THE DESCRIPTION OR TO PAY THE FEE WITHIN THE PRESCRIBED TIME-LIMIT Effective date: 20190424 Ref country code: EE Free format text: LAPSE BECAUSE OF FAILURE TO SUBMIT A TRANSLATION OF THE DESCRIPTION OR TO PAY THE FEE WITHIN THE PRESCRIBED TIME-LIMIT Effective date: 20190424 Ref country code: DK Free format text: LAPSE BECAUSE OF FAILURE TO SUBMIT A TRANSLATION OF THE DESCRIPTION OR TO PAY THE FEE WITHIN THE PRESCRIBED TIME-LIMIT Effective date: 20190424 Ref country code: AT Free format text: LAPSE BECAUSE OF FAILURE TO SUBMIT A TRANSLATION OF THE DESCRIPTION OR TO PAY THE FEE WITHIN THE PRESCRIBED TIME-LIMIT Effective date: 20190424 Ref country code: CZ Free format text: LAPSE BECAUSE OF FAILURE TO SUBMIT A TRANSLATION OF THE DESCRIPTION OR TO PAY THE FEE WITHIN THE PRESCRIBED TIME-LIMIT Effective date: 20190424 |
|
| PG25 | Lapsed in a contracting state [announced via postgrant information from national office to epo] |
Ref country code: IT Free format text: LAPSE BECAUSE OF FAILURE TO SUBMIT A TRANSLATION OF THE DESCRIPTION OR TO PAY THE FEE WITHIN THE PRESCRIBED TIME-LIMIT Effective date: 20190424 Ref country code: SM Free format text: LAPSE BECAUSE OF FAILURE TO SUBMIT A TRANSLATION OF THE DESCRIPTION OR TO PAY THE FEE WITHIN THE PRESCRIBED TIME-LIMIT Effective date: 20190424 |
|
| PLBE | No opposition filed within time limit |
Free format text: ORIGINAL CODE: 0009261 |
|
| STAA | Information on the status of an ep patent application or granted ep patent |
Free format text: STATUS: NO OPPOSITION FILED WITHIN TIME LIMIT |
|
| PG25 | Lapsed in a contracting state [announced via postgrant information from national office to epo] |
Ref country code: TR Free format text: LAPSE BECAUSE OF FAILURE TO SUBMIT A TRANSLATION OF THE DESCRIPTION OR TO PAY THE FEE WITHIN THE PRESCRIBED TIME-LIMIT Effective date: 20190424 |
|
| 26N | No opposition filed |
Effective date: 20200127 |
|
| PG25 | Lapsed in a contracting state [announced via postgrant information from national office to epo] |
Ref country code: SI Free format text: LAPSE BECAUSE OF FAILURE TO SUBMIT A TRANSLATION OF THE DESCRIPTION OR TO PAY THE FEE WITHIN THE PRESCRIBED TIME-LIMIT Effective date: 20190424 |
|
| REG | Reference to a national code |
Ref country code: CH Ref legal event code: PL |
|
| REG | Reference to a national code |
Ref country code: BE Ref legal event code: MM Effective date: 20200229 |
|
| PG25 | Lapsed in a contracting state [announced via postgrant information from national office to epo] |
Ref country code: MC Free format text: LAPSE BECAUSE OF FAILURE TO SUBMIT A TRANSLATION OF THE DESCRIPTION OR TO PAY THE FEE WITHIN THE PRESCRIBED TIME-LIMIT Effective date: 20190424 Ref country code: LU Free format text: LAPSE BECAUSE OF NON-PAYMENT OF DUE FEES Effective date: 20200203 |
|
| PG25 | Lapsed in a contracting state [announced via postgrant information from national office to epo] |
Ref country code: CH Free format text: LAPSE BECAUSE OF NON-PAYMENT OF DUE FEES Effective date: 20200229 Ref country code: LI Free format text: LAPSE BECAUSE OF NON-PAYMENT OF DUE FEES Effective date: 20200229 |
|
| PG25 | Lapsed in a contracting state [announced via postgrant information from national office to epo] |
Ref country code: IE Free format text: LAPSE BECAUSE OF NON-PAYMENT OF DUE FEES Effective date: 20200203 |
|
| PG25 | Lapsed in a contracting state [announced via postgrant information from national office to epo] |
Ref country code: BE Free format text: LAPSE BECAUSE OF NON-PAYMENT OF DUE FEES Effective date: 20200229 |
|
| PGFP | Annual fee paid to national office [announced via postgrant information from national office to epo] |
Ref country code: FR Payment date: 20210120 Year of fee payment: 7 |
|
| PG25 | Lapsed in a contracting state [announced via postgrant information from national office to epo] |
Ref country code: MT Free format text: LAPSE BECAUSE OF FAILURE TO SUBMIT A TRANSLATION OF THE DESCRIPTION OR TO PAY THE FEE WITHIN THE PRESCRIBED TIME-LIMIT Effective date: 20190424 Ref country code: CY Free format text: LAPSE BECAUSE OF FAILURE TO SUBMIT A TRANSLATION OF THE DESCRIPTION OR TO PAY THE FEE WITHIN THE PRESCRIBED TIME-LIMIT Effective date: 20190424 |
|
| PG25 | Lapsed in a contracting state [announced via postgrant information from national office to epo] |
Ref country code: MK Free format text: LAPSE BECAUSE OF FAILURE TO SUBMIT A TRANSLATION OF THE DESCRIPTION OR TO PAY THE FEE WITHIN THE PRESCRIBED TIME-LIMIT Effective date: 20190424 |
|
| PG25 | Lapsed in a contracting state [announced via postgrant information from national office to epo] |
Ref country code: FR Free format text: LAPSE BECAUSE OF NON-PAYMENT OF DUE FEES Effective date: 20220228 |
|
| PGFP | Annual fee paid to national office [announced via postgrant information from national office to epo] |
Ref country code: DE Payment date: 20250109 Year of fee payment: 11 |
|
| PGFP | Annual fee paid to national office [announced via postgrant information from national office to epo] |
Ref country code: GB Payment date: 20250109 Year of fee payment: 11 |