EP0054477B1 - Antriebseinrichtung mit Zylindern zur Erzeugung der kontinuierlichen Bewegung eines länglichen Gegenstandes in Richtung seiner Achse und/oder zum Bewegen eines Elementes längs diesem Gegenstand - Google Patents

Antriebseinrichtung mit Zylindern zur Erzeugung der kontinuierlichen Bewegung eines länglichen Gegenstandes in Richtung seiner Achse und/oder zum Bewegen eines Elementes längs diesem Gegenstand Download PDF

Info

Publication number
EP0054477B1
EP0054477B1 EP81401947A EP81401947A EP0054477B1 EP 0054477 B1 EP0054477 B1 EP 0054477B1 EP 81401947 A EP81401947 A EP 81401947A EP 81401947 A EP81401947 A EP 81401947A EP 0054477 B1 EP0054477 B1 EP 0054477B1
Authority
EP
European Patent Office
Prior art keywords
piston
jack
pistons
article
movement
Prior art date
Legal status (The legal status is an assumption and is not a legal conclusion. Google has not performed a legal analysis and makes no representation as to the accuracy of the status listed.)
Expired
Application number
EP81401947A
Other languages
English (en)
French (fr)
Other versions
EP0054477A1 (de
Inventor
Gilbert Laplante
Current Assignee (The listed assignees may be inaccurate. Google has not performed a legal analysis and makes no representation or warranty as to the accuracy of the list.)
FRANCAISE D'ENTREPRISES METALLIQUES Cie
Original Assignee
FRANCAISE D'ENTREPRISES METALLIQUES Cie
Priority date (The priority date is an assumption and is not a legal conclusion. Google has not performed a legal analysis and makes no representation as to the accuracy of the date listed.)
Filing date
Publication date
Application filed by FRANCAISE D'ENTREPRISES METALLIQUES Cie filed Critical FRANCAISE D'ENTREPRISES METALLIQUES Cie
Priority to AT81401947T priority Critical patent/ATE21504T1/de
Publication of EP0054477A1 publication Critical patent/EP0054477A1/de
Application granted granted Critical
Publication of EP0054477B1 publication Critical patent/EP0054477B1/de
Expired legal-status Critical Current

Links

Images

Classifications

    • EFIXED CONSTRUCTIONS
    • E02HYDRAULIC ENGINEERING; FOUNDATIONS; SOIL SHIFTING
    • E02BHYDRAULIC ENGINEERING
    • E02B17/00Artificial islands mounted on piles or like supports, e.g. platforms on raisable legs or offshore constructions; Construction methods therefor
    • E02B17/04Equipment specially adapted for raising, lowering, or immobilising the working platform relative to the supporting construction
    • E02B17/08Equipment specially adapted for raising, lowering, or immobilising the working platform relative to the supporting construction for raising or lowering
    • E02B17/0836Equipment specially adapted for raising, lowering, or immobilising the working platform relative to the supporting construction for raising or lowering with climbing jacks
    • BPERFORMING OPERATIONS; TRANSPORTING
    • B66HOISTING; LIFTING; HAULING
    • B66FHOISTING, LIFTING, HAULING OR PUSHING, NOT OTHERWISE PROVIDED FOR, e.g. DEVICES WHICH APPLY A LIFTING OR PUSHING FORCE DIRECTLY TO THE SURFACE OF A LOAD
    • B66F1/00Devices, e.g. jacks, for lifting loads in predetermined steps
    • B66F1/02Devices, e.g. jacks, for lifting loads in predetermined steps with locking elements, e.g. washers, co-operating with posts
    • B66F1/04Devices, e.g. jacks, for lifting loads in predetermined steps with locking elements, e.g. washers, co-operating with posts the posts being toothed
    • B66F1/08Devices, e.g. jacks, for lifting loads in predetermined steps with locking elements, e.g. washers, co-operating with posts the posts being toothed and the devices being operated by fluid pressure

Definitions

  • the present invention relates to a power plant with jacks for producing the continuous movement of an oblong object in the direction of its axis, in particular when this axis is vertical, and / or for moving an element along said object.
  • elong object is meant to designate any kind of elongated object, such as bar, rod, tube, cable, etc., of uniform or non-uniform cross section, it being understood that by “axis is meant the general direction in which extends said object, and not necessarily an axis in the geometric sense of the term, that is to say an axis of revolution or symmetry.
  • the object in question can constitute any mobile mechanical member, for example a hoisting member, the installation in question then being fixed.
  • it can be fixed (post), in which case the installation in question is mobile along this object and can in turn entail, for example to hoist it, any element.
  • installations of the general type comprising on the one hand at least two sets of jacks, the piston or pistons of each set being associated with locking means specific to them. selectively, momentarily and automatically secure said object, their body being fixed (in the case of a movable oblong object) or mobile and secured to an element to be moved along said object (in the case of a fixed oblong object), and on the other hand, a device for supplying the bodies of the cylinders with hydraulic fluid, provided with automatic control means (pumps; solenoid valves; position detectors; amplifiers; etc.) for supplying or evacuating the fluid on either side of said pistons, the arrangement and operation of the aforementioned locking and control means being ensured in such a way, at least, that the taking up of said object by the piston or pistons of a cylinder assemblies are performed at the time that the piston or pistons of the other set of cylinders cease their own taking over of said object, the piston
  • Document FR-A-2169 048 describes an installation comprising a transport trolley for very heavy loads, using a main hydraulic cylinder and a hydraulic fixing cylinder, and it would not be adapted to the problem either. , which is in particular that of the continuous displacement of an oblong object in the direction of its axis, in particular when this axis is vertical.
  • the document FR-A-1 525 052 describes a hydraulic device for hauling a cable, again using two jacks working alternately, one performing a traction movement, while the other returns empty in its starting position, but again such a device is not suitable for moving a load in an essentially vertical direction.
  • the object of the present invention is to fill this gap in the technique and, for this purpose, a power plant with cylinders in accordance with the invention is characterized in that said empty displacement of the piston or pistons takes place at higher speed. that their displacement under load, to allow a catching up of the games at the level of the locking means, in order to avoid suddenly.
  • Another object of the invention consists in the production of a hydraulic circuit, as described in claim 8, for the supply of this power plant.
  • the invention may include other provisions, in particular to allow a rocking movement perfectly synchronized between said pistons of the cylinder assemblies, and to allow easy blocking on the object, and in particular the installation above defined under its the most general form can also be characterized, for this purpose, in that the arrangement and operation of said locking and control means are also ensured so that from a stop position at the end of stroke under load, and after release, the start of the empty return of the piston (s) of an actuator assembly to their starting position, namely the start of their empty movement in the opposite direction to the direction of relative displacement of the object with respect to this assembly, is automatically controlled in an instant which follows the start of the taking over of said object by the piston or pistons of the other cylinder assembly.
  • period of time which elapses between this start of treatment and the instant in question may correspond approximately to the time necessary to ensure release at the end of the race under load. This will also be better seen later.
  • any embodiment adapted to the problem posed and in particular that it comprises two sets of cylinders each comprising a annular piston surrounding said oblong object, the two pistons being mounted in a common cylinder body also annular and surrounding said object.
  • This arrangement advantageously makes it possible to obtain a compact and robust installation, and also allows a simplification, the chambers of the two sets of jacks being able to communicate directly inside the common jack body.
  • One can also facilitate, in this way, the mechanical connection (by bolts or the like) between the pistons and the oblong object.
  • the installation comprises two sets of cylinders each comprising an annular piston surrounding said oblong object, the two pistons being mounted in two separate cylinder bodies, also annular, coaxial and surrounding said object. .
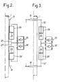
  • FIG. 1 there is referenced at 1, in the form of a tube, the oblong object which it is desired to subject to a continuous displacement in the direction of its axis 2.
  • the cylinder assembly comprises in this example two jacks having a common body 3 mounted, on a fixed support 4, so as to surround said tube 1.
  • the body 3 consists of two cylindrical and concentric walls 3a and 3b connected at both ends by bottoms 3c and thus defining in the body 3 a common annular chamber 5.
  • the diameter of the inner tubular wall 3a is slightly greater than that of the tube 1.
  • annular chamber 5 In the annular chamber 5 are slidably mounted two annular pistons 6 and 6 'each extended by a tubular part, respectively 7 and 7', leaving the common body 3 by the two ends of the latter and each of which carries means for the end blocking, respectively 8 and 8 '.
  • These means can be constituted by any means adapted to temporarily block the corresponding tubular part 7 or 7 'on the tube 1; it may, for example, be locking means comprising pins or the like, respectively 9 and 9 ′, adapted to move radially towards the axis 2 or in the opposite direction, either to be able to engage in a light or the like 10 of the tube is to be able to disengage from it, it being understood that the lights 10 can be distributed at constant spacings both according to the length of the tube and along its periphery.
  • the circuit for supplying the chamber 5 with hydraulic fluid has been shown very schematically. It comprises in particular pipes 17 and 17 ′ opening at both ends of the chamber, crossing the bottoms 3c, and a pipe 18 opening into the central part of the chamber crossing the cylindrical wall 3b, these various pipes being able to be placed in communication with pumps 19 and 19 'via valves, respectively 20 to 23 and 20' to 23 ', these valves being connected according to the arrangement indicated in the sin.
  • the position, in the direction of the axis 2, of the pistons 6, 6 'in the chamber 5 can be determined by means of position detectors (not shown) and which make it possible to determine the instants at which these pistons arrive, for the piston 6 at the levels indicated by the lines N1, N2, N3 and N4, and for the piston 6 'at the levels indicated by the lines N'1. N'2, N'3 and N'4.
  • control links between the level detectors and the locking means 8, 8 ′ on the one hand, and the various valves 20 to 23 on the other, have not been shown. and 20 'to 23'.
  • the explanations which will follow on the operation of the installation which has just been described will easily make it possible to see how these operational links between the various organs of the installation must be carried out.
  • FIG. 4 time is shown on the abscissa and the position of the pistons 6, 6 ′ along the ordinate in the direction of the axis 2.
  • the parts in reinforced line of the two diagrams represented in this figure designate the displacements of the pistons in load, that is to say when by means of pins 9 or 9 'they exert a thrust (which will be assumed directed upwards in FIG. 1) on the tube or other oblong object 1.
  • valves 21 ′ and 23 ′ are automatically closed, which causes the piston 6 ′ to descend.
  • FIG. 4 the operational interconnections between the controls of the pistons 6 and 6 ′ have been shown diagrammatically in the form of dashed vertical lines I, II and III.
  • Line I clearly shows that the taking over of the tube 1 by the piston 6 'immediately follows the end of the taking over of this tube by the other piston 6, as well as the taking over of the tube by the piston 6 immediately follows the end of the support of this tube by the piston 6 '.
  • Line II shows that when a piston comes under load at level N2 or N'2, it automatically controls the start of the rise of the other piston and its locking in relation to tube 1.
  • line III shows that when a piston arrives under load at level N3 or N'3, it automatically controls the start of the descent with no load from the other piston.
  • the object 1 may in particular be an object to be hoisted, or on the contrary an object to be lowered, for example to sink it into the ground, to effect sinking, drilling or the like.
  • This object 1 instead of being mobile, as in the example which has just been described, could also be constituted by a fixed post, and in this case of course, it is the common cylinder body 3 which would move, likewise in a perfectly continuous manner, along the object 1, by driving any element, for example an element to be hoisted at the top of the post or the like.
  • the object 1 can be of the same type as according to Figure 1, there are provided two separate cylinder bodies 24 and 24', annular, surrounding the oblong object 1 and in each of which is mounted a piston also annular, respectively 25 and 25 '.
  • the means for supplying the two separate cylinder bodies with hydraulic fluid can be of the same type as those which have been previously described and they have been globally referenced at 26 for the body 24 and 26 'for the body 24'.
  • Operation may in any case be similar to that which has been described with reference to FIG. 1.

Landscapes

  • Engineering & Computer Science (AREA)
  • General Engineering & Computer Science (AREA)
  • Mechanical Engineering (AREA)
  • Structural Engineering (AREA)
  • Civil Engineering (AREA)
  • Physics & Mathematics (AREA)
  • Fluid Mechanics (AREA)
  • Life Sciences & Earth Sciences (AREA)
  • Geology (AREA)
  • Actuator (AREA)
  • Drilling And Boring (AREA)
  • Electrical Discharge Machining, Electrochemical Machining, And Combined Machining (AREA)
  • Excavating Of Shafts Or Tunnels (AREA)
  • Specific Conveyance Elements (AREA)
  • Variable-Direction Aerials And Aerial Arrays (AREA)
  • Linear Motors (AREA)
  • Ultra Sonic Daignosis Equipment (AREA)
  • Seasonings (AREA)
  • Medicines That Contain Protein Lipid Enzymes And Other Medicines (AREA)
  • Earth Drilling (AREA)

Claims (8)

1. Antriebseinrichtung mit Zylindern zur kontinuierlichen Bewegung eines länglichen Gegenstandes (1) in Richtung seiner Achse, insbesondere bei vertikaler Achse, und/oder zum Bewegen eines Elementes entlang des Gegenstandes, wobei die Einrichtung einerseits zumindest zwei Zylindereinheiten aufweist und dem bzw. den Kolben (6, 6') jeder Einheit Blockiermittel (8, 8') zugeordnet sind, mit welchen die Kolben wahlweise, augenblicklich und automatisch mit dem Gegenstand verbunden werden können, wobei die Zylinderkörper feststehen (im Falle eines beweglichen länglichen Gegenstandes) oder beweglich und mit einem entlang des Gegenstandes zu bewegenden Element fest verbunden sind (im Falle eines feststehenden länglichen Gegenstandes), und anderseits eine Vorrichtung (17-23) zum Speisen der Zylinderkörper mit Hydraulikfluid vorgesehen ist, die mit automatischen Steuermitteln (Pumpen ; Elektroventile ; Positionsfühler ; Verstärker ; etc.) für die Zufuhr oder Abfuhr des Fluids zu bzw. von den beiden Seiten der Kolben ausgestattet ist, wobei die Anordnung und die Funktionsweise der vorerwähnten Blockiermittel und der Steuermittel derart getroffen ist, daß die Mitnahme des Gegenstandes durch den bzw. die Kolben einer Zylindereinheit ohne Diskontinuität in jenem Augenblick erfolgt, in welchem der bzw. die Kolben der anderen Zylindereinheit den Gegenstand freigibt bzw. freigeben, und wobei der bzw. die Kolben einer Einheit bezüglich jenen der anderen Einheit synchron eine allgemeine Hin- und Herbewegung ausführen, und wobei ferner die Anordnung und die Funktionsweise der Blockiermittel und der Steuermittel derart getroffen sind, daß der Beginn einer lastfreien Bewegung des bzw. der Kolben (6 oder 6') einer Zylindereinheit in Richtung der Relativbewegung des Gegenstandes (1) bezüglich dieser Einheit und ihre Verriegelung mit dem Gegenstand automatisch in dem Augenblick gesteuert werden (bei N'2 oder bei N2), welcher dem Ende der Bewegung unter Last des bzw. der Kolben (6' oder 6) der anderen Zylindereinheit vorangeht, wobei sie in der gleichen Richtung bewegt werden, dadurch gekennzeichnet, daß die lastfreie Bewegung des bzw. der Kolben mit wesentlich größerer Geschwindigkeit als ihre Bewegung unter Last erfolgt, so daß eine Beseitigung des Spiels auf der Höhe der Blockiermittel möglich ist, um jeden Stoß zu vermeiden.
2. Anlage nach Anspruch 1, dadurch gekennzeichnet, daß die Anordnung und die Funktionsweise der Blockier- und der Steuermittel ferner derart getroffen ist, daß ausgehend von einer Stillstandsposition am Ende der Bewegungsbahn unter Last (bei N1 oder bei N'1) und nach der Freigabe der Beginn des lastfreien Rückhubes des bzw. der Kolben (6 oder 6') einer Zylindereinheit in ihre Ausgangsposition (N4 oder N'4), d. h. der Beginn ihrer lastfreien Bewegung entgegengesetzt zur Relativbewegung des Gegenstandes (1) bezüglich dieser Einheit automatisch in jenem Augenblick gesteuert wird (bei N'3 oder bei N3), welcher auf den Beginn der Mitnahme des Gegenstandes (1) durch den bzw. die Kolben (6 oder 6') der anderen Zylindereinheit folgt.
3. Anlage nach Anspruch 1 oder 2, dadurch gekennzeichnet, daß sie zwei Zylindereinheiten aufweist, die mit je einem ringförmigen Kolben (6, 6') ausgestattet sind, welcher den länglichen Gegenstand (1) umgibt, wobei die beiden Kolben in einem gemeinsamen Zylinderkörper (3) montiert sind, der ebenfalls ringförmig ausgebildet ist und den Gegenstand umgibt.
4. Anlage nach einem der vorhergehenden Ansprüche, dadurch gekennzeichnet, daß jeder der Zylindereinheiten eine Pumpe (19, 19') und ein Hydraulikkreis (20-23, 20'-23') zugeordnet sind, wobei die Hydraulikkreise eine gemeinsame Verbindung (18) aufweisen, die an die Zylinderkörper angeschlossen ist.
5. Anlage nach Anspruch 1 oder 2, dadurch gekennzeichnet, daß sie zwei Zylindereinheiten (24, 24') aufweist, die mit je einem ringförmigen Kolben (25, 25') ausgestattet sind, welcher den länglichen Gegenstand umgibt, wobei die beiden Kolben in zwei gesonderten Zylinderkörpern angeordnet sind, die ebenfalls ringförmig und koaxial sind und den Gegenstand umgeben.
6. Anlage nach einem der Ansprüche 1 bis 3, dadurch gekennzeichnet, daß sie Paare von klassischen Zylindern (28, 28') bzw. einen Einfachzylinder mit Doppelkolben aufweist, die um den länglichen Gegenstand herum gemäß einer Anordnung montiert sind, welche einen Ausgleich der auf die Kolben (29, 29') wirkenden Kräfte und eine Gesamtwirkung bzw. Resultierende ermöglicht, die entlang der Achse des Gegenstandes gerichtet ist.
7. Anlage nach einem der vorhergehenden Ansprüche, dadurch gekennzeichnet, daß dem bzw. den Körper(n) (3) der Zylinder Detektoren für die Position der Kolben (6, 6') in den entsprechenden Körpern zugeordnet sind, wobei diese Detektoren über Verstärker od. dgl. einerseits mit Elektroventilen od. dgl (20-23, 20'-23') verbunden sind, mit welchen die Zufuhr oder Abfuhr des Hydraulikfluids in die bzw. aus den Körper(n) (3) der Zylinder steuerbar sind, von der einen oder von der anderen Seite des Kolbens (6 oder 6'), dessen Position ermittelt wird und/oder des Kolbens der anderen Zylinder, und anderseits mit den Blockiermitteln (8, 8'), um eine augenblickliche Verbindung oder ein Lösen zwischen den Kolben (6, 6') und dem länglichen Gegenstand (1) zu bewirken.
8. Hydraulikkreis zum Speisen von zwei Zylindereinheiten gemäß einer vorbestimmten Folge von Bewegungsphasen unter Last und Rückbewegungsphasen ohne Last, derart, daß eine Bewegung unter Last der einen Zylindereinheit unmittelbar und ohne unterbrechung von einer Bewegungsphase der anderen Zylindereinheit unter Last gefolgt ist, wobei die beiden Zylindereinheiten relativ zueinander eine allgemeine Hin- und Herbewegung ausführen, dadurch gekennzeichnet, daß zwecks Vermeidung einer Unterbrechung zwischen der Bewegungsphase der einen Zylindereinheit unter Last und der darauffolgenden Bewegungsphase der anderen Zylindereinheit unter Last jede Zylindereinheit eine erste Kammer (5) und eine zweite Kammer aufweist, die durch eine Kolben (6, 6') voneinander getrennt sind, wobei die erste Kammer der einen Zylindereinheit mit der ersten Kammer der anderen Zylindereinheit verbunden ist oder die beiden Kammern (5) gemeinsam ausgebildet sind, und daß für jede Einheit eine Gruppe von vier Ventilen (20-23 ; 20'-23') vorgesehen ist, die zwei Paare zu je zwei Ventilen bilden, wobei die beiden Ventile (20, 23 ; 21, 22 ; 20', 23' ; 21', 22') in Reihe geschaltet sind und am Ausgang einen gemeinsamen Punkt haben, und jedes Paar jeder Gruppe zwischen der ersten und der zweiten Kammer der zugeordneten Zylindereinheit eingeschaltet ist und in jede Gruppe zwischen dem gemeinsamen Punkt des einen Ventilpaares und dem gemeinsamen Punkt des anderen Ventilpaares eine Pumpe (19,19') eingeschaltet ist.
EP81401947A 1980-12-16 1981-12-07 Antriebseinrichtung mit Zylindern zur Erzeugung der kontinuierlichen Bewegung eines länglichen Gegenstandes in Richtung seiner Achse und/oder zum Bewegen eines Elementes längs diesem Gegenstand Expired EP0054477B1 (de)

Priority Applications (1)

Application Number Priority Date Filing Date Title
AT81401947T ATE21504T1 (de) 1980-12-16 1981-12-07 Antriebseinrichtung mit zylindern zur erzeugung der kontinuierlichen bewegung eines laenglichen gegenstandes in richtung seiner achse und/oder zum bewegen eines elementes laengs diesem gegenstand.

Applications Claiming Priority (2)

Application Number Priority Date Filing Date Title
FR8026697A FR2496074B1 (fr) 1980-12-16 1980-12-16 Installation motrice a verins pour produire le deplacement continu d'un objet oblong dans la direction de son axe, et/ou pour mouvoir un element le long dudit objet
FR8026697 1980-12-16

Publications (2)

Publication Number Publication Date
EP0054477A1 EP0054477A1 (de) 1982-06-23
EP0054477B1 true EP0054477B1 (de) 1986-08-20

Family

ID=9249155

Family Applications (1)

Application Number Title Priority Date Filing Date
EP81401947A Expired EP0054477B1 (de) 1980-12-16 1981-12-07 Antriebseinrichtung mit Zylindern zur Erzeugung der kontinuierlichen Bewegung eines länglichen Gegenstandes in Richtung seiner Achse und/oder zum Bewegen eines Elementes längs diesem Gegenstand

Country Status (10)

Country Link
US (1) US4535971A (de)
EP (1) EP0054477B1 (de)
JP (1) JPS57121600A (de)
AT (1) ATE21504T1 (de)
CA (1) CA1171401A (de)
DE (1) DE3175177D1 (de)
ES (1) ES8300302A1 (de)
FI (1) FI814019A7 (de)
FR (1) FR2496074B1 (de)
NO (1) NO814275L (de)

Cited By (1)

* Cited by examiner, † Cited by third party
Publication number Priority date Publication date Assignee Title
CN111908361A (zh) * 2020-08-25 2020-11-10 广东电网有限责任公司 一种机械式小型千斤顶

Families Citing this family (7)

* Cited by examiner, † Cited by third party
Publication number Priority date Publication date Assignee Title
SU1404693A1 (ru) * 1984-04-24 1988-06-23 Управление "Спецшахтомонтаж" Производственного Объединения По Добыче Угля "Карагандауголь" Гидравлический шаговый привод
DD271619A3 (de) * 1987-04-03 1989-09-13 Bauakademie Ddr Einrichtung zum kontinuierlichen bewegen von lasten
FR2615422A1 (fr) * 1987-05-22 1988-11-25 Bielecki Stanislas Dispositif pour mise en tension de cables de precontrainte, de haubans, d'amarres, ou pour deplacement de charges lourdes
DE8816758U1 (de) * 1988-02-11 1990-06-21 Techno Mark AG, Rotkreuz Druckmittelbetriebene Stell- oder Arbeitsvorrichtung
RU2339567C1 (ru) * 2007-02-15 2008-11-27 Государственное образовательное учреждение высшего профессионального образования "Южно-Российский государственный технический университет (Новочеркасский политехнический институт)" Привод подъемного устройства
CN105804037A (zh) * 2016-04-08 2016-07-27 上海尚鉴机械工程有限公司 海洋平台自动升降控制方法
US11286965B2 (en) 2016-05-19 2022-03-29 Saab Ab Fluid actuator arrangement and a method for control of a fluid actuator arrangement

Family Cites Families (15)

* Cited by examiner, † Cited by third party
Publication number Priority date Publication date Assignee Title
US2961837A (en) * 1956-09-28 1960-11-29 Delong Corp Supporting leg assembly for marine platform
US3135345A (en) * 1961-02-06 1964-06-02 Arthur W Scruggs Multi-ped vehicle
CH440617A (de) * 1965-04-28 1967-07-31 Werkzeugfabrik Selzach Ag Antriebsausrüstung
FR1525052A (fr) * 1966-11-16 1968-05-17 Tractel Sa Tire-câble hydraulique à mouvement continu uniforme
US3537684A (en) * 1968-05-23 1970-11-03 Joe Stine Inc Pipe handling apparatus
GB1309232A (en) * 1969-03-14 1973-03-07 Press W & Son Ltd Rope pulling apparatus
NL7107756A (de) * 1970-06-09 1971-12-13
SE354635B (de) * 1972-01-12 1973-03-19 N Ahlgren
BE794549A (fr) * 1972-01-27 1973-05-16 Mitsui Shipbuilding Eng Chariot pour le transport de poids lourds
DE2502984A1 (de) * 1974-01-30 1975-07-31 Ahlgren Nils H Schwerlast-hebezeug
FR2266657B1 (de) * 1974-04-08 1977-09-30 Charbonnages De France
SE394191B (sv) * 1975-10-07 1977-06-13 Anderson Ind Ab Paul Sett vid lagring av for overforing av stora krafter avsedda anordningar samt anordning for settets genomforande
GB1579484A (en) * 1977-03-15 1980-11-19 Coal Industry Patents Ltd Engagement devices
US4286771A (en) * 1977-09-13 1981-09-01 Coal Industry (Patents) Limited Haulage apparatus for mining machines
FR2424451A1 (fr) * 1978-04-28 1979-11-23 Delattre Levivier Dispositif d'entrainement d'un mobile

Cited By (1)

* Cited by examiner, † Cited by third party
Publication number Priority date Publication date Assignee Title
CN111908361A (zh) * 2020-08-25 2020-11-10 广东电网有限责任公司 一种机械式小型千斤顶

Also Published As

Publication number Publication date
ATE21504T1 (de) 1986-09-15
ES507895A0 (es) 1982-11-01
FR2496074A1 (fr) 1982-06-18
FI814019L (fi) 1982-06-17
DE3175177D1 (en) 1986-09-25
US4535971A (en) 1985-08-20
FR2496074B1 (fr) 1985-08-16
JPS57121600A (en) 1982-07-29
CA1171401A (en) 1984-07-24
FI814019A7 (fi) 1982-06-17
EP0054477A1 (de) 1982-06-23
NO814275L (no) 1982-06-17
ES8300302A1 (es) 1982-11-01

Similar Documents

Publication Publication Date Title
EP1525371B1 (de) Teleskopführungsleitung für offshore-bohren
EP1148207B1 (de) Verbindungsvorrichtung für eine Unterwasser-Flüssigkeitstransportleitung
FR2565289A1 (fr) Appareil de forage de puits avec unite de commande au sommet et elevateur retenu contre rotation
EP0054477B1 (de) Antriebseinrichtung mit Zylindern zur Erzeugung der kontinuierlichen Bewegung eines länglichen Gegenstandes in Richtung seiner Achse und/oder zum Bewegen eines Elementes längs diesem Gegenstand
FR2584449A1 (fr) Ensemble superieur pour tube prolongateur marin, joint coulissant auto-tensionneur, joint de palier de rotation, conduit tubulaire, navire et procede les utilisant
CA2075076A1 (fr) Systeme, support pour effectuer des mesures ou interventions dans un puits fore ou en cours de forage, et leurs utilisations
FR2779754A1 (fr) Dispositif de transport et de pose d'un pont d'une plate-forme petroliere d'exploitation en mer
WO1996000359A1 (fr) Dispositif de pose de conduites flexibles a partir d'un support flottant
FR2567211A1 (fr) Couplage mecanique reversible pour ancrage sous tension
EP0382607A1 (de) Vorrichtung zum Herstellen von Pfählen im Boden mit einem kontinuierlichen hohlen Bohrer
EP0244542A1 (de) Verfahren und Vorrichtung zum Heben, insbesondere für eine Ölproduktionsplattform
EP0225815A1 (de) Werkzeug zum Absperren eines Produktionssteigrohres
CA1301637C (fr) Systeme d'accrochage et de tensionement a distance d'un element allonge
EP0112752A1 (de) Einrichtung zum Klemmen und Rundformen für das Anschliessen von Rohren grossen Durchmessers
FR2517764A1 (fr) Connecteurs pour relier ensemble des elements avec une grande force de serrage, notamment les elements tubulaires d'une installation de forage
FR2886372A1 (fr) Dispositif destine a realiser l'alimentation en huile d'un outil monte sur un engin porteur et ensemble de connexion hydraulique
EP0677437A1 (de) Verfahren und Vorrichtung gegen die Längsbewegung von Wasserfahrzeugen
FR2670477A1 (fr) Grue, en particulier pour la manutention.
EP1438478A1 (de) Führungsvorrichtung in einer offshore-bohranlage
EP0210092B1 (de) Schrittweise arbeitende Antriebsvorrichtung
FR2522081A1 (fr) Verin moufle a double effet utilisable notamment pour commander les mouvements de fermeture et d'ouverture d'une porte coulissante ou basculante
FR3029219A1 (fr) Dispositif de barriere a element de fermeture escamotable
FR2512878A1 (fr) Verin de puits supporte sur une structure de montage de table rotative
FR2477258A1 (fr) Dispositif de liaison entre une structure flottante ou semi-flottante ou semi-immergee et une conduite de remontee a partir du fond sous-marin
FR2590881A1 (fr) Dispositif de manutention motorise

Legal Events

Date Code Title Description
PUAI Public reference made under article 153(3) epc to a published international application that has entered the european phase

Free format text: ORIGINAL CODE: 0009012

AK Designated contracting states

Designated state(s): AT BE CH DE GB IT LU NL SE

17P Request for examination filed

Effective date: 19821213

ITF It: translation for a ep patent filed
GRAA (expected) grant

Free format text: ORIGINAL CODE: 0009210

AK Designated contracting states

Kind code of ref document: B1

Designated state(s): AT BE CH DE GB IT LI LU NL SE

REF Corresponds to:

Ref document number: 21504

Country of ref document: AT

Date of ref document: 19860915

Kind code of ref document: T

REF Corresponds to:

Ref document number: 3175177

Country of ref document: DE

Date of ref document: 19860925

PGFP Annual fee paid to national office [announced via postgrant information from national office to epo]

Ref country code: AT

Payment date: 19861120

Year of fee payment: 6

PG25 Lapsed in a contracting state [announced via postgrant information from national office to epo]

Ref country code: LU

Free format text: LAPSE BECAUSE OF NON-PAYMENT OF DUE FEES

Effective date: 19861231

PGFP Annual fee paid to national office [announced via postgrant information from national office to epo]

Ref country code: NL

Payment date: 19861231

Year of fee payment: 6

PLBE No opposition filed within time limit

Free format text: ORIGINAL CODE: 0009261

STAA Information on the status of an ep patent application or granted ep patent

Free format text: STATUS: NO OPPOSITION FILED WITHIN TIME LIMIT

26N No opposition filed
PG25 Lapsed in a contracting state [announced via postgrant information from national office to epo]

Ref country code: AT

Effective date: 19871207

PG25 Lapsed in a contracting state [announced via postgrant information from national office to epo]

Ref country code: SE

Effective date: 19871208

PG25 Lapsed in a contracting state [announced via postgrant information from national office to epo]

Ref country code: LI

Effective date: 19871231

Ref country code: CH

Effective date: 19871231

Ref country code: BE

Effective date: 19871231

BERE Be: lapsed

Owner name: CIE FRANCAISE D'ENTREPRISES METALLIQUES

Effective date: 19871231

PG25 Lapsed in a contracting state [announced via postgrant information from national office to epo]

Ref country code: NL

Effective date: 19880701

NLV4 Nl: lapsed or anulled due to non-payment of the annual fee
GBPC Gb: european patent ceased through non-payment of renewal fee
REG Reference to a national code

Ref country code: CH

Ref legal event code: PL

PG25 Lapsed in a contracting state [announced via postgrant information from national office to epo]

Ref country code: DE

Effective date: 19880901

PG25 Lapsed in a contracting state [announced via postgrant information from national office to epo]

Ref country code: GB

Free format text: LAPSE BECAUSE OF NON-PAYMENT OF DUE FEES

Effective date: 19881118

EUG Se: european patent has lapsed

Ref document number: 81401947.7

Effective date: 19880913