CN216138534U - 一种机械加工定位夹具 - Google Patents

一种机械加工定位夹具 Download PDF

Info

Publication number
CN216138534U
CN216138534U CN202122028108.XU CN202122028108U CN216138534U CN 216138534 U CN216138534 U CN 216138534U CN 202122028108 U CN202122028108 U CN 202122028108U CN 216138534 U CN216138534 U CN 216138534U
Authority
CN
China
Prior art keywords
positioning
plate
positioning block
moving
moving frame
Prior art date
Legal status (The legal status is an assumption and is not a legal conclusion. Google has not performed a legal analysis and makes no representation as to the accuracy of the status listed.)
Active
Application number
CN202122028108.XU
Other languages
English (en)
Inventor
杜海亮
Current Assignee (The listed assignees may be inaccurate. Google has not performed a legal analysis and makes no representation or warranty as to the accuracy of the list.)
Shuangyiqi Precision Automation Technology Suzhou Co ltd
Original Assignee
Suzhou Xindelai Precision Parts Co ltd
Priority date (The priority date is an assumption and is not a legal conclusion. Google has not performed a legal analysis and makes no representation as to the accuracy of the date listed.)
Filing date
Publication date
Application filed by Suzhou Xindelai Precision Parts Co ltd filed Critical Suzhou Xindelai Precision Parts Co ltd
Priority to CN202122028108.XU priority Critical patent/CN216138534U/zh
Application granted granted Critical
Publication of CN216138534U publication Critical patent/CN216138534U/zh
Active legal-status Critical Current
Anticipated expiration legal-status Critical

Links

Images

Landscapes

  • Jigs For Machine Tools (AREA)

Abstract

本实用新型公开了一种机械加工定位夹具,包括底座,所述底座的上表面设有定位板与移动框,所述定位板在两个直角边的两侧分别对称设有第一定位块与第二定位块,所述第一定位块与第二定位块的顶部分别设有两个第一滚轮,所述移动框内设有光轴与移动板,所述移动板能够通过光轴在移动框内水平移动,所述移动板在靠近定位板的一侧设有两个第二滚轮,所述移动框的底部设有滑轨,所述移动框在远离定位板的一侧设有传动杆;该机械加工定位夹具能有效的将工件夹紧定位,夹紧定位精度高,且工件的位置具有多种摆放方式,增大定位夹紧效率,使用方便。

Description

一种机械加工定位夹具
技术领域
本实用新型涉及机械定位技术领域,尤其涉及一种机械加工定位夹具。
背景技术
目前很多机器、设备并不是在一个工厂内完成它的全部零件制造,而是由许多专业工厂共同完成。在各专业工厂单独进行机械机床定位切削加工时,首先须将工件在机床工作台面上安装好后方可进行机械加工,这里的安装包括两层意思:一是定位,即工件安放在机床上相对于刀具应处于某一正确的位置;二是夹紧,即工件定位后应对其施加一夹持力,以保证工件不因受切削力等载荷的作用。而传统的定位夹具装置定位精度不高,在工件定位置,只能将工件放置在相应位置才能将其夹紧,效率较低。
实用新型内容
本实用新型的目的是解决上述问题而提供一种能有效的将工件夹紧定位,夹紧定位精度高,且工件的位置具有多种摆放方式,增大定位夹紧效率的机械加工定位夹具。
为实现上述目的,本实用新型的技术方案为:一种机械加工定位夹具,包括底座,所述底座的上表面设有定位板与移动框,所述定位板的一侧呈直角状,所述定位板的另一侧为平面,所述定位板在两个直角边的两侧分别对称设有第一定位块与第二定位块,所述第一定位块与第二定位块的顶部分别设有两个第一滚轮,所述移动框的底面与定位板上表面平齐,所述移动框内设有光轴与移动板,所述光轴沿移动框的长度方向设立,所述移动板设在光轴上,所述移动板能够通过光轴在移动框内水平移动,所述移动板在靠近定位板的一侧设有两个第二滚轮,所述第二滚轮能够跟随移动板水平移动,所述移动框的底部设有滑轨,所述移动框在远离定位板的一侧设有传动杆,所述传动杆通过外力使移动框在滑轨内水平移动。
优选的,所述第一滑块与第二滑块的周围均设有限位螺栓,所述限位螺栓贴合第一滑块与第二滑块固定在底座上。
优选的,所述移动板在靠近定位板的一侧设有缺口,两个所述第二滚轮分别设在缺口的两侧。
优选的,所述定位板上设有工件,所述移动框带动移动板向定位板移动时,将工件推至第一定位块与第二定位块之间的夹角处,此时所述工件的四周被第一定位块上的第一滚轮、第二定位块上的第一滚轮与两个第二滚轮夹紧定位。
优选的,所述工件为正方体工件。
优选的,所述传动杆通过电动推杆或气缸驱动。
本实用新型公开一种机械加工定位夹具,包括底座,所述底座的上表面设有定位板与移动框,所述定位板在两个直角边的两侧分别对称设有第一定位块与第二定位块,所述第一定位块与第二定位块的顶部分别设有两个第一滚轮,所述移动框内设有光轴与移动板,所述移动板能够通过光轴在移动框内水平移动,所述移动板在靠近定位板的一侧设有两个第二滚轮,所述移动框的底部设有滑轨,所述移动框在远离定位板的一侧设有传动杆;该机械加工定位夹具能有效的将工件夹紧定位,夹紧定位精度高,且工件的位置具有多种摆放方式,增大定位夹紧效率,使用方便。
附图说明
图1为本实用新型一种机械加工定位夹具的结构示意图。
图2为本实用新型工件放置时的结构示意图。
图3为本实用新型中工件被夹持的结构示意图。
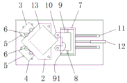
图中:1、底座;2、定位板;3、第一定位块;4、第二定位块;5、限位螺栓;6、第一滚轮;7、移动框;8、光轴;9、移动板;91、缺口;10、第二滚轮;11、滑轨;12、传动杆;13、工件。
具体实施方式
现在结合附图对本实用新型作进一步详细的说明。附图为简化的示意图,仅以示意方式说明本实用新型的基本结构,因此其仅显示与本实用新型有关的构成。
请参照图1,一种机械加工定位夹具,包括底座1,所述底座1的上表面设有定位板2与移动框7,所述定位板2的一侧呈直角状,所述定位板2的另一侧为平面,所述定位板2在两个直角边的两侧分别对称设有第一定位块3与第二定位块4,所述第一定位块3与第二定位块4的顶部分别设有两个第一滚轮6,所述移动框7的底面与定位板2上表面平齐,所述移动框7内设有光轴8与移动板9,所述光轴8沿移动框7的长度方向设立,所述移动板9设在光轴8上,所述移动板9能够通过光轴8在移动框7内水平移动,所述移动板9在靠近定位板2的一侧设有两个第二滚轮10,所述第二滚轮10能够跟随移动板9水平移动,所述移动框7的底部设有滑轨11,所述移动框11在远离定位板2的一侧设有传动杆12,所述传动杆12通过电动推杆或气缸驱动,电动推杆或气缸驱动时,使传动杆12推动移动框7在滑轨11上移动。
作为优选方案,所述第一滑块3与第二滑块4的周围均设有限位螺栓5,所述限位螺栓5贴合第一滑块3与第二滑块4固定在底座上,防止第一滑块3与第二滑块4偏移影响角度。
请参阅图2,所述移动板9在靠近定位板2的一侧设有缺口91,两个所述第二滚轮10分别设在缺口91的两侧,此时两个第二滚轮10之间的距离增大,便于推动并夹紧工件13,所述工件13为正方体工件;正方形工件的其中一条垂直的棱朝向传动杆12放置,然后该垂直的棱位于两个第二滚轮10之间,均可将工件13夹紧。
请参阅图3,所述定位板2上设有工件13,所述移动框7带动移动板9向定位板2移动时,将工件13推至第一定位块3与第二定位块4之间的夹角处,此时所述工件13的四周被第一定位块3上的第一滚轮6、第二定位块4上的第一滚轮6与两个第二滚轮10夹紧定位。
该新型机械加工定位夹具使用时先将工件13放在定位板2上,然后启动电动推杆或气缸推动传动杆12,此时移动框7带动移动板向工件13一侧移动;
当工件13较重或者位置较为倾斜时,通过两个第二滚轮10的转动与移动板9在光轴8上的移动调整位置,最终使两个第二滚轮10分别贴合工件的两个侧面;
由于移动框7不断的向定位板2一侧移动,当工件13其中一侧面靠近其中一组第一滚轮6时,通过该组滚轮的转动,向另一组第一滚轮6移动,因此工件13的四周最终被第一定位块3上的第一滚轮6、第二定位块4上的第一滚轮6与两个第二滚轮10夹紧定位。
最后,还需要说明的是,在本文中,诸如第一、第二和左、右等之类的关系术语仅仅用来将一个实体或者操作与另一个实体或操作区分开来,而不一定要求或者暗示这些实体或操作之间存在任何这种实际的关系或者顺序。而且,术语“包括”、“包含”或者其任何其他变体意在涵盖非排他性的包含,从而使得包括一系列要素的过程、方法、物品或者设备不仅包括那些要素,而且还包括没有明确列出的其他要素,或者是还包括为这种过程、方法、物品或者设备所固有的要素。在没有更多限制的情况下,由语句“包括一个……”限定的要素,并不排除在包括所述要素的过程、方法、物品或者设备中还存在另外的相同要素。
显然,上述实施例仅仅是为清楚地说明所作的举例,而并非对实施方式的限定。对于所属领域的普通技术人员来说,在上述说明的基础上还可以做出其它不同形式的变化或变动。这里无需也无法对所有的实施方式予以穷举。而由此所引伸出的显而易见的变化或变动仍处于本实用新型创造的保护范围之中。

Claims (6)

1.一种机械加工定位夹具,包括底座,其特征在于:所述底座的上表面设有定位板与移动框,所述定位板的一侧呈直角状,所述定位板的另一侧为平面,所述定位板在两个直角边的两侧分别对称设有第一定位块与第二定位块,所述第一定位块与第二定位块的顶部分别设有两个第一滚轮,所述移动框的底面与定位板上表面平齐,所述移动框内设有光轴与移动板,所述光轴沿移动框的长度方向设立,所述移动板设在光轴上,所述移动板能够通过光轴在移动框内水平移动,所述移动板在靠近定位板的一侧设有两个第二滚轮,所述第二滚轮能够跟随移动板水平移动,所述移动框的底部设有滑轨,所述移动框在远离定位板的一侧设有传动杆,所述传动杆通过外力使移动框在滑轨内水平移动。
2.根据权利要求1所述的一种机械加工定位夹具,其特征在于:所述第一定位块与第二定位块的周围均设有限位螺栓,所述限位螺栓贴合第一定位块与第二定位块固定在底座上。
3.根据权利要求1所述的一种机械加工定位夹具,其特征在于:所述移动板在靠近定位板的一侧设有缺口,两个所述第二滚轮分别设在缺口的两侧。
4.根据权利要求1或3所述的一种机械加工定位夹具,其特征在于:所述定位板上设有工件,所述移动框带动移动板向定位板移动时,将工件推至第一定位块与第二定位块之间的夹角处,此时所述工件的四周被第一定位块上的第一滚轮、第二定位块上的第一滚轮与两个第二滚轮夹紧定位。
5.根据权利要求4所述的一种机械加工定位夹具,其特征在于:所述工件为正方体工件。
6.根据权利要求1所述的一种机械加工定位夹具,其特征在于:所述传动杆通过电动推杆或气缸驱动。
CN202122028108.XU 2021-08-26 2021-08-26 一种机械加工定位夹具 Active CN216138534U (zh)

Priority Applications (1)

Application Number Priority Date Filing Date Title
CN202122028108.XU CN216138534U (zh) 2021-08-26 2021-08-26 一种机械加工定位夹具

Applications Claiming Priority (1)

Application Number Priority Date Filing Date Title
CN202122028108.XU CN216138534U (zh) 2021-08-26 2021-08-26 一种机械加工定位夹具

Publications (1)

Publication Number Publication Date
CN216138534U true CN216138534U (zh) 2022-03-29

Family

ID=80808257

Family Applications (1)

Application Number Title Priority Date Filing Date
CN202122028108.XU Active CN216138534U (zh) 2021-08-26 2021-08-26 一种机械加工定位夹具

Country Status (1)

Country Link
CN (1) CN216138534U (zh)

Cited By (1)

* Cited by examiner, † Cited by third party
Publication number Priority date Publication date Assignee Title
CN114749976A (zh) * 2022-04-25 2022-07-15 苏州优缘建材有限公司 一种用于铝合金型材加工的自动进给装置及其工作方法

Cited By (2)

* Cited by examiner, † Cited by third party
Publication number Priority date Publication date Assignee Title
CN114749976A (zh) * 2022-04-25 2022-07-15 苏州优缘建材有限公司 一种用于铝合金型材加工的自动进给装置及其工作方法
CN114749976B (zh) * 2022-04-25 2023-09-22 苏州优缘建材有限公司 一种用于铝合金型材加工的自动进给装置及其工作方法

Similar Documents

Publication Publication Date Title
KR101003845B1 (ko) 대형 플랜지용 조립구멍 가공기
WO2023179022A1 (zh) 一种带交换工作台的铣镗床以及其使用方法
CN216138534U (zh) 一种机械加工定位夹具
CN115138889A (zh) 一种适用于圆筒型材360°周向加工的钻床
TWM598746U (zh) 加工設備
CN215942076U (zh) 高光雕铣复合机床
CN104325399B (zh) 一种床鞍简易定位夹紧装置
CN118616557A (zh) 一种生产加工精度较高的新型冲压机床
CN217727200U (zh) 成孔装置及其机组
CN216462466U (zh) 一种激光镭射机用翻转装置
CN110666054A (zh) 一种机电一体化冲加工车床固定结构
CN205705670U (zh) 背光源贴膜机的整位模组
CN210451140U (zh) 一种自动定位的数控切割机切割料台
CN114260735A (zh) 一种快速定位倒角机
CN209698900U (zh) 一种数控车加工转子装夹机构
CN223338902U (zh) 一种钳工加工用的机械夹持工装
CN217096777U (zh) 一种基于智能数控的镗铣加工中心y轴液压定位锁定装置
CN214264015U (zh) 一种工程管道现场打孔防偏移结构
CN222627805U (zh) 一种可调节的夹爪抓取装置
CN222903813U (zh) 一种工作辊加工用夹具
CN223114669U (zh) 一种炉门立车加工装夹装置
CN111036763A (zh) 一种汽车零件生产线用自动化冲压设备及使用方法
CN219484330U (zh) 一种铣床加工用自动对中定位夹紧装置
CN215880913U (zh) 一种铝模板冲孔装置
CN222199399U (zh) 一种加工件安装稳定的生产装置

Legal Events

Date Code Title Description
GR01 Patent grant
GR01 Patent grant
TR01 Transfer of patent right

Effective date of registration: 20250315

Address after: Room 201A, 2nd Floor, No. 3 Litanghe Road, Xiangcheng Economic Development Zone, Suzhou City, Jiangsu Province 215000

Patentee after: Shuangyiqi Precision Automation Technology (Suzhou) Co.,Ltd.

Country or region after: China

Address before: 215000 155 Zhongfeng street, high tech Zone, Suzhou City, Jiangsu Province

Patentee before: Suzhou xindelai precision parts Co.,Ltd.

Country or region before: China

TR01 Transfer of patent right