CN101900479B - Poultry excrement drying device - Google Patents

Poultry excrement drying device Download PDF

Info

Publication number
CN101900479B
CN101900479B CN2010102339888A CN201010233988A CN101900479B CN 101900479 B CN101900479 B CN 101900479B CN 2010102339888 A CN2010102339888 A CN 2010102339888A CN 201010233988 A CN201010233988 A CN 201010233988A CN 101900479 B CN101900479 B CN 101900479B
Authority
CN
China
Prior art keywords
knockout tower
poultry excrement
hot
discharging
stirring
Prior art date
Legal status (The legal status is an assumption and is not a legal conclusion. Google has not performed a legal analysis and makes no representation as to the accuracy of the status listed.)
Active
Application number
CN2010102339888A
Other languages
Chinese (zh)
Other versions
CN101900479A (en
Inventor
朱曲波
潘国政
Current Assignee (The listed assignees may be inaccurate. Google has not performed a legal analysis and makes no representation or warranty as to the accuracy of the list.)
Chongqing A Biotechnology Co ltd
Chongqing Nongshen Holding Group Co ltd
Original Assignee
Individual
Priority date (The priority date is an assumption and is not a legal conclusion. Google has not performed a legal analysis and makes no representation as to the accuracy of the date listed.)
Filing date
Publication date
Application filed by Individual filed Critical Individual
Priority to CN2010102339888A priority Critical patent/CN101900479B/en
Publication of CN101900479A publication Critical patent/CN101900479A/en
Application granted granted Critical
Publication of CN101900479B publication Critical patent/CN101900479B/en
Active legal-status Critical Current
Anticipated expiration legal-status Critical

Links

Images

Landscapes

  • Processing Of Solid Wastes (AREA)
  • Drying Of Solid Materials (AREA)

Abstract

The invention discloses a poultry excrement drying device. The device comprises a hot-blast stove, a feeding mechanism, a stirring and grinding device, a separating column, a discharging mechanism, a fan and a dust recovery device, wherein the hot-blast stove is used to provide hot blast; the feeding mechanism is used to feed poultry excrement; the stirring and grinding device can scatter and grind the poultry excrement entering the shell of the device; the separating column is used to separate the poultry excrement from air flow; the discharging mechanism is arranged at a discharge hole on the lower end of the separating column and used for discharging; the fan is arranged in a pipe between the separating column and the dust recovery device and used to generate air flow along the hot-blast stove, the stirring and grinding device, the separating column and the dust recovery device; and the dust recovery device is used for air-out and dust recovery. The poultry excrement drying device has the advantages of fast processing speed, good dewatering effect and deodorizing effect, high nutrient retention capacity, good sterilizing effect, high degree of grinding, uniform fineness, no environmental pollution and the like. The technology is especially suitable for the pretreatment of poultry excrement feed preparation and is especially suitable to be used in the poultry farm.

Description

Poultry excrement drying device
Technical field
The present invention relates to a kind of poultry excrement drying device that can be used for dry brid guano.
Background technology
All can face one in the big machinery poultry-farm more wants problem promptly how to handle brid guano.According to statistics, a fowl is discharged on average about 100 grams of wet brid guano every day, and a mechanization poultry-farm that raises 300,000 fowl discharges wet brid guano every day and can reach 30 tons.A large amount of wet brid guanos provide hotbed not only for the growth of pathogeny bacterium and maggot, and the stench that gives out can make the laying rate of fowl descend.Traditional brid guano is handled, and is generally to be used for fertilizer, and its utilization rate is lower, and poultry farm master's interest is little, so a lot of poultry-farm can cause brid guano to pile up, its foul smell, waste water etc. can bring the serious environmental pollution problem.
Contemporary science discovers that fowl has the short characteristics of enteron aisle, and the feed that fowl is taken in does not have catapepsis and absorbs, and the nutrients that reaches as high as about 70% often is excreted with brid guano, so brid guano nutrient in the middle of all fowl and animal excrements is the highest.So at present, rise gradually a kind ofly adopt that brid guano makes that regenerative feedstuff is used to feed pigs, the technology of ox, sheep, fish etc., can reach the effect that turns waste into wealth.
Owing in the brid guano that general poultry-farm, particularly chicken farm produce, contain the large quantity of moisture up to 80%, foul smell is heavier simultaneously, so when brid guano is used to make feed, generally all need to adopt drying equipment, dries, processing such as deodorizing.Also there are some poultry excrement drying devices in the prior art, for example a kind of horizontal oar blade type brid guano drying machine announced of China's patent No. 200420055080.2.Comprise horizontal dry bucket, the staving of horizontal dry bucket is a double-decker, has been full of circulation by oil-in and oil-out in the interlayer and has added deep fat; The top of horizontal dry bucket is provided with charging aperture, and the bottom is provided with discharging opening; Rotating shaft is installed on the central axis of horizontal dry bucket by bearing, and rotating shaft is provided with stirrer paddle, and an end of rotating shaft places outside the horizontal dry bucket and is provided with motor.It has with low cost, delicate structure, and simple operation and other advantages, a people can operate, and the scale that is particularly suitable for is used in 3000-5000 medium and small poultry-farm only.A kind of brid guano air-dry apparatus of being announced of China's patent No. 03203883.6 for another example, its conveyer belt initiating terminal is established feeding mouth, Leveling machine is located at nearly feeding mouth place, flat and the even shop of excrement material shovel can be distributed on the conveyer belt, beating crusher can be smashed the excrement material on the conveyer belt, stir, apparatus for drying is located at the conveyer belt rear, by heating, fan and air compartment are formed, its heating is established along each layer conveyer belt one bogie side frame, fan is laid on the wall of heating rear air compartment, can quicken to spread be distributed in conveyer belt apply manure to the fields the material air-dry effect, feed pipe one end stretches into the collecting region of excrement material, and feed pipe has screw rod, and the other end is established and is connected the packing outlet of container: it can be dry rapidly and uniformly with the excrement material, to reduce excrement material stink, the characteristics of being convenient to collect or carry out packing.Rate of drying is low, the characteristics of deodorizing effect difference but above-mentioned drying equipment all has.Particularly secondary pollution control problems such as stink, dust, sewage do not solve in the production process.
So how to design a kind of drying efficiency height, good deodorization effect, the poultry excrement drying device of non-secondary pollution in the production, promptly becoming those skilled in the art has a difficult problem to be solved.
Summary of the invention
Technical problem to be solved by this invention is, overcomes above-mentioned the deficiencies in the prior art and designs the poultry excrement drying device of a kind of drying efficiency height, good deodorization effect, non-secondary pollution.
In order to solve the problems of the technologies described above, adopted following technical scheme among the present invention:
A kind of poultry excrement drying device comprises:
Hot-blast stove, described hot-blast stove has air inlet, combustion chamber and air outlet, is used to provide hot blast;
Feeding mechanism, described feeding mechanism is used for the brid guano charging, but and secluding air enter;
The stirring powder crushing device, described stirring powder crushing device comprises long barrel-type casing and stirring motor, enclosure interior has the shaft that links to each other with stirring motor, shaft is provided with puddler, one side end of housing links to each other with the hot-blast stove air outlet, this side top links to each other with feeding mechanism, and puddler can be broken up, pulverize with the brid guano that shaft rotates and will enter in the housing;
Knockout tower, described knockout tower is the conic tube of pointed end, the knockout tower charging aperture is positioned at upper portion side wall and charging aperture is provided with direction and the sidewall circumference is tangent, the knockout tower charging aperture is communicated with the stirring powder crushing device housing other end by pipeline, the knockout tower lower end is a discharging opening, and middle part, knockout tower upper surface is provided with air outlet;
Discharging mechanism, described discharging mechanism are positioned at discharging opening place, knockout tower lower end, are used for discharging and secluding air enters knockout tower;
Blower fan, described blower fan are arranged in the pipeline between knockout tower and the dust collector, be used to produce along hot-blast stove, stirring powder crushing device, knockout tower, dust collector direction flow distinguished and admirable; Blower fan adopts high-power blower, can drop out from the knockout tower discharging opening by the stirring powder crushing device and after pipeline enters knockout tower fast after its wind speed can make the material brid guano enter from feeding mechanism, and the time is about 15 seconds.
Dust collector, described dust collector is the conic tube of pointed end, it is tangent that its air inlet is positioned at upper portion side wall and air inlet direction and sidewall circumference, the dust collector air inlet is connected with the knockout tower air outlet by pipeline, center, dust collector upper surface is provided with wind pipe straight up, and its bottom is provided with wicket.
This poultry excrement drying device, during use, blower fan is used for producing negative pressure and producing distinguished and admirable at feed end, can adopt coal in the Combustion of Hot Air Furnace chamber, to burn and high-temperature hot-air about 600 ℃ is provided, hot blast and brid guano enter enclosure interior from long barrel-type casing one end of stirring powder crushing device together, puddler can rotate and apace brid guano be broken up with shaft, pulverize, the brid guano heating of high-temperature hot-air for pulverizing, stirring pulverizing, high-temperature hot-air and blower fan form under the comprehensive function of negative pressure, make that brid guano self temperature only needs to be warmed to about 75 ℃ by hot blast in housing, the moisture and the foul smell of brid guano the inside promptly are evaporated in the hot blast, drying efficiency improves greatly, and deodorizing wherein promptly is decomposed behind the foul smell molecule chance high-temperature hot-air.Brid guano is pulverized the back and is entered into knockout tower along with high temperature is distinguished and admirable through pipeline in the stirring powder crushing device, because the knockout tower charging aperture is provided with direction and the sidewall circumference is tangent, so the brid guano powder can produce vortex around the rotation of knockout tower inner chamber after flowing to knockout tower with the wind, the brid guano powder arrives vortex under centrifugal action outer and rotate gradually under the deadweight effect and pasting the knockout tower inwall, the distinguished and admirable air outlet of isolating behind the brid guano powder from middle part, knockout tower upper surface is discharged, and brid guano is from the lower end discharge hole for discharge.From the knockout tower air outlet go out distinguished and admirable through becoming malleation behind the blower fan, still be mingled with a small amount of brid guano dust at this moment distinguished and admirable, so being provided with dust collector once more carries out further dedusting, during work, distinguished and admirablely tangentially enter and form vortex from the dust collector air inlet along inwall, a spot of brid guano powder rotates to the vortex edge and falls gradually in distinguished and admirable under centrifugal force and deadweight effect, removed the distinguished and admirable of brid guano powder and discharged good dedusting effect from the wind pipe that is arranged at the dust collector upper surface straight up.After dust accumulation in dust collector lower end is more, can opens wicket and remove.
In the technique scheme, described feeding mechanism can adopt the common feeding mechanism that secluding air enters function that has, such as above stirring powder crushing device housing end, a funnel being set directly, the funnel bottom is provided with a rotating dividing plate, brid guano enters behind the funnel nature and the funnel lower end is blocked and then is avoided air to enter, and dividing plate can be controlled the brid guano addition.But also material must be transported to bell mouth place height earlier during the feeding mechanism charging of this routine, charging is inconvenience very.So the applicant has done following optimization to feeding mechanism, as optimization, described feeding mechanism comprises cylindrical shell and charging motor, described cylindrical shell one end upwards and with stirring powder crushing device top joins, the other end downwards and be provided with loading hopper, cylindrical shell inside is provided with by the motor-driven rotating shaft of charging, and rotating shaft is provided with the helical blade that is used for rotary feeding.After optimizing like this, brid guano promotes charging secluding air better by helical blade, and the loading hopper height is low simultaneously can make that charging is convenient.
Another optimization as technique scheme, has a cylindrical cavity in the long barrel-type casing of described stirring powder crushing device, described shaft is positioned at place, cylindrical cavity axle center, also be set with several circular dividing plates on the described shaft, this circle dividing plate is divided into several chambers with described cylindrical cavity, all has puddler in each chamber; Described cylindrical cavity top also has a chamber passage arranged side by side, and the brid guano that enters enclosure interior can enter next chamber successively by chamber passage.After optimizing like this, owing to had several chambers, and the chamber passage that is communicated with each chamber is positioned at the chamber top, so thinner in other words brid guano lighter in each chamber could enter into next chamber by chamber passage, avoid brid guano in the stirring powder crushing device, not pulverized promptly as yet and entered in the knockout tower by pipeline.As further optimization, corresponding each circular dividing plate place also is tiltedly installed with channel partition in the described chamber passage.After optimizing like this, when brid guano when a last chamber enters into next chamber, the dividing plate that heavier or thicker brid guano can be tilted blocks in the former chamber, can further guarantee the pulverized degree of brid guano, further guarantees and has improved brid guano rate of drying and deodorizing effect.Through experiment, when specifically implementing, when being set to 5, described chamber can make best results.
Optimize as another, described knockout tower and the pipeline appearance between knockout tower and stirring powder crushing device are provided with heat-insulation layer, and heat-insulation layer can play the effect of insulation, avoids the distinguished and admirable cooling of high temperature.
As another optimization, described discharging mechanism comprises discharging motor and rotating shaft, the rotating shaft horizontally set is also rotated by the discharging motor-driven, clockwise axle axially is provided with rectangular paddle in the rotating shaft, rectangular paddle circumferentially evenly distributes around the shaft, rectangular paddle length and knockout tower discharging opening length coupling, rectangular paddle external diameter and knockout tower discharging opening width coupling during the rotating shaft rotation.Like this, can be easily after rectangular paddle described in the discharging mechanism course of work rotation fall, can avoid air to enter into knockout tower inside again and cause pressure release from the compressing tablet slit with scraping along the inner material that falls of knockout tower.
As an optimization again, described hot-blast stove air outlet place is provided with the air door that can twitch, and described stirring powder crushing device charging one end also is provided with the temp probe that detects the enclosure interior temperature, and described knockout tower lower end also is provided with the temp probe that is used to detect drop temperature.Like this, twitch air door, the controlled size that heats the wind inlet, and then conveniently temperature is controlled, described temp probe is the size of detected temperatures easily, and generally control stirring powder crushing device EAT is 500-600 ℃ when implementing, and control material drop temperature is 100 ℃ of effects, the material processing time is about 15 seconds, can make that treatment effect is best.
In sum, than prior art, the present invention has the following advantages:
After when 1, the present invention works brid guano being broken up, pulverizes, the brid guano heating of high-temperature hot-air for pulverizing, under the comprehensive function of stirring pulverizing, high-temperature hot-air and blower fan formation negative pressure, make when brid guano self temperature only needs in housing to be warmed to 75 ℃ of left and right sides by hot blast, the moisture of brid guano the inside promptly is evaporated in the hot blast, and drying efficiency improves greatly, through experiment, brid guano only needs 15 second time from being fed to discharging, can dry about about 20% the moisture of brid guano.Make treated brid guano moisture moderate, be suitable for feed making.
2, after brid guano of the present invention was pulverized, the foul smell molecule overflowed and is decomposed by high-temperature hot-air, and the brid guano after the final discharging no longer includes foul smell.Deodorizing effect is very excellent.
The brid guano processing procedure only needed about 15 seconds when 3, the present invention used, dry and deodorizing all is brid guano to be pulverized the back and carrying out under negative pressure condition, not simply to carry out drying and deodorizing by increasing temperature, just about 100 ℃ of temperature during discharging after the dry and deodorizing of brid guano, avoided the materials such as nutrient protein of brid guano the inside at high temperature destroyed, so brid guano that the present invention processes, also possess the advantage that is of high nutritive value in the time of, good deodorization effect effective, be particularly suitable for making feed except dehydrating.
When 4, the present invention used, brid guano was pulverized and is heated, and temperature can reach about 100 ℃ just during the brid guano discharging, so the parasitic ovum in the brid guano, harmful bacteria etc. are all eliminated just, had the good advantage of bactericidal effect.
5, the present invention processes and handles the brid guano that obtains, the degree of grinding height, and even particle size is beneficial to subsequent treatment such as making feed.
6, do not contain foul smell equally in the gas of the final discharging of the present invention, Pai Fang gas dust content after dust collector is handled is very low, free from environmental pollution simultaneously.
In sum, it is fast to have processing speed through the present invention, dehydrating effect is good, good deodorization effect keeps good nutrition, and bactericidal effect is good, degree of grinding height and fineness are even, advantages such as non-secondary pollution environment, the preorder that is particularly suitable for the brid guano feed making is handled, and is particularly suitable for practicing in poultry-farm.
Description of drawings
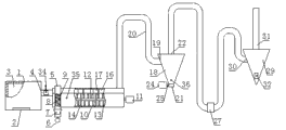
Structural representation when Fig. 1 specifically implements for the present invention.
Fig. 2 is the independent structure enlarged diagram of stirring powder crushing device and feeding mechanism among Fig. 1.
Fig. 3 is the A-A view of Fig. 2.
Fig. 4 is the independent structure enlarged diagram of knockout tower and discharging mechanism among Fig. 1.
Fig. 5 is the B-B view of Fig. 4.
Fig. 6 is the C-C view after Fig. 4 amplifies.
Fig. 7 is the structure enlarged diagram of independent dust collector among Fig. 1.
Fig. 8 is the D-D view of Fig. 7.
The specific embodiment
Below in conjunction with the drawings and specific embodiments, the present invention will be further described in detail.
During concrete enforcement, to shown in Figure 8, a kind of poultry excrement drying device comprises as Fig. 1:
Hot-blast stove 1, described hot-blast stove 1 has air inlet 2, combustion chamber 3 and air outlet 4, is used to provide hot blast;
Feeding mechanism, described feeding mechanism comprises cylindrical shell 5 and charging motor 6, described cylindrical shell 5 one ends upwards and with stirring powder crushing device top join, the other end downwards and be provided with loading hopper 7, cylindrical shell 5 inside are provided with the rotating shaft 8 that is driven by charging motor 6, and rotating shaft 8 is provided with the helical blade 9 that is used for rotary feeding;
The stirring powder crushing device, described stirring powder crushing device comprises long barrel-type casing 10 and stirring motor 11, has a cylindrical cavity in the described long barrel-type casing 10, has the shaft 12 that links to each other with stirring motor 11 in the inner chamber, described shaft 12 is positioned at place, cylindrical cavity axle center, shaft 12 is provided with puddler 13, one side end of housing 10 links to each other with hot-blast stove 1 air outlet 4, this side top links to each other with feeding mechanism, and puddler 13 can be broken up, pulverize with the brid guano that shaft 12 rotates and will enter in the housing 10; , also being set with four circular dividing plates 14 on the described shaft 12, this circle dividing plate 14 is divided into five chambers with described cylindrical cavity, all has puddler 13 in each chamber; Described cylindrical cavity top also has a chamber passage arranged side by side 16, the brid guano that enters housing 10 inside can enter next chamber successively by chamber passage 16, and corresponding each circular dividing plate 14 place also are tiltedly installed with channel partition 17 in the described chamber passage 16.
Knockout tower 18, described knockout tower is the conic tube of pointed end, knockout tower 18 charging apertures 19 are positioned at upper portion side wall and charging aperture is provided with direction and the sidewall circumference is tangent, knockout tower charging aperture 19 is communicated with stirring powder crushing device housing 10 other ends by pipeline 20, knockout tower 18 lower ends are discharging opening 21, and middle part, knockout tower 18 upper surfaces is provided with air outlet 22; Described knockout tower 18 and pipeline 20 appearances between knockout tower 18 and stirring powder crushing device are provided with heat-insulation layer;
Discharging mechanism, described discharging mechanism are positioned at knockout tower 18 lower end discharging openings 21 places, are used for discharging and secluding air enters knockout tower; Described discharging mechanism comprises discharging motor 24 and rotating shaft 25, rotating shaft 25 horizontally sets also drive rotation by discharging motor 24, clockwise axle axially is provided with rectangular paddle 26 in the rotating shaft 25, rectangular paddle 26 is 25 circumferentially evenly distributions around the shaft, rectangular paddle 26 length and knockout tower discharging opening 21 length coupling, rectangular paddle 26 external diameters and knockout tower discharging opening 21 width coupling during rotating shaft 25 rotations;
Blower fan 27, described blower fan 27 are arranged in the pipeline between knockout tower 18 and the dust collector 29, are used to produce along flow distinguished and admirable of hot-blast stove, stirring powder crushing device, knockout tower, dust collector direction and produce negative pressure;
Dust collector 29, described dust collector is the conic tube of pointed end, it is tangent that its air inlet 30 is positioned at upper portion side wall and air inlet direction and sidewall circumference, the dust collector air inlet is connected with the knockout tower air outlet by pipeline, center, dust collector upper surface is provided with wind pipe 31 straight up, and its bottom is provided with wicket 32.
During enforcement, described hot-blast stove air outlet 4 places are provided with the air door 34 that can twitch, described stirring powder crushing device charging one end also is provided with the temp probe 35 that detects the enclosure interior temperature, and described knockout tower lower end also is provided with the temp probe 36 that is used to detect drop temperature.
This specific embodiment and accompanying drawing; should be considered as the present invention is further explained and explanation rather than restriction; such as; the replaceable feeding mechanism that has identical functions for other version of described feeding mechanism; described puddler also can replace with the stirring vane with same function; or the like equivalent variations, should be considered as still falling into protection scope of the present invention.Simultaneously, it is worthy of note that the present invention not only is applicable to the brid guano drying, the drying that also is fit to vinasse etc. is handled.

Claims (7)

1. poultry excrement drying device comprises:
Hot-blast stove, described hot-blast stove has air inlet, combustion chamber and air outlet, is used to provide hot blast;
Feeding mechanism, described feeding mechanism is used for the brid guano charging, and secluding air enters;
The stirring powder crushing device, described stirring powder crushing device comprises long barrel-type casing and stirring motor, enclosure interior has the shaft that links to each other with stirring motor, shaft is provided with puddler, one side end of housing links to each other with the hot-blast stove air outlet, this side top links to each other with feeding mechanism, and the brid guano that puddler rotates and will enter in the housing with shaft is broken up, pulverized;
Knockout tower, described knockout tower is the conic tube of pointed end, the knockout tower charging aperture is positioned at upper portion side wall and charging aperture is provided with direction and the sidewall circumference is tangent, the knockout tower charging aperture is communicated with the stirring powder crushing device housing other end by pipeline, the knockout tower lower end is a discharging opening, and middle part, knockout tower upper surface is provided with air outlet;
Discharging mechanism, described discharging mechanism is positioned at the knockout tower lower end, is used for discharging and secluding air enters knockout tower;
Blower fan, described blower fan are arranged in the pipeline between knockout tower and the dust collector, be used to produce along hot-blast stove, stirring powder crushing device, knockout tower, dust collector direction flow distinguished and admirable;
Dust collector, described dust collector is the conic tube of pointed end, it is tangent that its air inlet is positioned at upper portion side wall and air inlet direction and sidewall circumference, the dust collector air inlet is connected with the knockout tower air outlet by pipeline, center, dust collector upper surface is provided with wind pipe straight up, and the dust collector bottom is provided with wicket.
2. poultry excrement drying device as claimed in claim 1, it is characterized in that, described feeding mechanism comprises cylindrical shell and charging motor, described cylindrical shell one end upwards and with stirring powder crushing device top joins, the other end downwards and be provided with loading hopper, cylindrical shell inside is provided with by the motor-driven rotating shaft of charging, and rotating shaft is provided with the helical blade that is used for rotary feeding.
3. poultry excrement drying device as claimed in claim 1, it is characterized in that, has a cylindrical cavity in the long barrel-type casing of described stirring powder crushing device, described shaft is positioned at place, cylindrical cavity axle center, also be set with several circular dividing plates on the described shaft, this circle dividing plate is divided into several chambers with described cylindrical cavity, all has puddler in each chamber; Described cylindrical cavity top also has a chamber passage arranged side by side, and the brid guano that enters enclosure interior can enter next chamber successively by chamber passage.
4. poultry excrement drying device as claimed in claim 3 is characterized in that, corresponding each circular dividing plate place also is tiltedly installed with channel partition in the described chamber passage.
5. poultry excrement drying device as claimed in claim 1 is characterized in that, described knockout tower and the pipeline appearance between knockout tower and stirring powder crushing device are provided with heat-insulation layer.
6. poultry excrement drying device as claimed in claim 1, it is characterized in that, described discharging mechanism comprises discharging motor and rotating shaft, the rotating shaft horizontally set is also rotated by the discharging motor-driven, clockwise axle axially is provided with rectangular paddle in the rotating shaft, rectangular paddle circumferentially evenly distributes around the shaft, rectangular paddle length and knockout tower discharging opening length coupling, rectangular paddle external diameter and knockout tower discharging opening width coupling during the rotating shaft rotation.
7. as poultry excrement drying device as described in any claim of claim 1-6, it is characterized in that, described hot-blast stove air outlet place is provided with the air door that can twitch, described stirring powder crushing device charging one end also is provided with the temp probe that detects the enclosure interior temperature, and described knockout tower lower end also is provided with the temp probe that is used to detect drop temperature.
CN2010102339888A 2010-07-22 2010-07-22 Poultry excrement drying device Active CN101900479B (en)

Priority Applications (1)

Application Number Priority Date Filing Date Title
CN2010102339888A CN101900479B (en) 2010-07-22 2010-07-22 Poultry excrement drying device

Applications Claiming Priority (1)

Application Number Priority Date Filing Date Title
CN2010102339888A CN101900479B (en) 2010-07-22 2010-07-22 Poultry excrement drying device

Publications (2)

Publication Number Publication Date
CN101900479A CN101900479A (en) 2010-12-01
CN101900479B true CN101900479B (en) 2011-06-29

Family

ID=43226237

Family Applications (1)

Application Number Title Priority Date Filing Date
CN2010102339888A Active CN101900479B (en) 2010-07-22 2010-07-22 Poultry excrement drying device

Country Status (1)

Country Link
CN (1) CN101900479B (en)

Families Citing this family (5)

* Cited by examiner, † Cited by third party
Publication number Priority date Publication date Assignee Title
CN102247791A (en) * 2011-04-13 2011-11-23 天津恒实通工程技术发展有限公司 Continuous mixing reaction device
CN105379944A (en) * 2014-09-09 2016-03-09 重庆澳林饲料有限公司 Method for processing pennisetum hydridum feed
CN107694704B (en) * 2017-08-30 2019-06-14 东营明德化工有限公司 A kind of chemical industry prepares raw material grinding device with phloretin
CN107843080B (en) * 2017-11-07 2019-08-16 福建省三明正元化工有限公司 A kind of material drying equipment with intelligent adjustment of drying mode and its working method
CN113776301B (en) * 2021-08-28 2022-08-19 安徽省大三益食品有限公司 Starch residue recovery processing equipment

Citations (9)

* Cited by examiner, † Cited by third party
Publication number Priority date Publication date Assignee Title
US4040190A (en) * 1975-11-11 1977-08-09 W. Van Den Broek's Machinefabriek B.V. Method and apparatus for drying manure or mud or the like
US4051603A (en) * 1973-07-02 1977-10-04 Struthers Scientific And International Corporation Fluidized bed apparatus
ES8407197A1 (en) * 1983-11-12 1984-08-16 Desec S A Drying and sterilising machine
WO1995016173A1 (en) * 1993-12-11 1995-06-15 Sinyung Company Ltd. Heat accumulating type vacuum drying machine for dung of domestic animal
CN2293781Y (en) * 1996-05-31 1998-10-07 张晓洪 Viscous plaster & wet material drying machine
CN1350153A (en) * 2001-10-25 2002-05-22 雷江旺 Continuous straw stoving and bundling machine
CN2597079Y (en) * 2003-01-10 2004-01-07 四川省农业机械研究设计院 Tooth plate crushing air drying device
CN1227984C (en) * 2002-08-14 2005-11-23 周炳耀 High Viscosity material drying and powder making equipment and its pelletizing device
CN2884091Y (en) * 2006-03-03 2007-03-28 贵阳铝镁设计研究院 Blade type equipment for drying asphalt

Patent Citations (9)

* Cited by examiner, † Cited by third party
Publication number Priority date Publication date Assignee Title
US4051603A (en) * 1973-07-02 1977-10-04 Struthers Scientific And International Corporation Fluidized bed apparatus
US4040190A (en) * 1975-11-11 1977-08-09 W. Van Den Broek's Machinefabriek B.V. Method and apparatus for drying manure or mud or the like
ES8407197A1 (en) * 1983-11-12 1984-08-16 Desec S A Drying and sterilising machine
WO1995016173A1 (en) * 1993-12-11 1995-06-15 Sinyung Company Ltd. Heat accumulating type vacuum drying machine for dung of domestic animal
CN2293781Y (en) * 1996-05-31 1998-10-07 张晓洪 Viscous plaster & wet material drying machine
CN1350153A (en) * 2001-10-25 2002-05-22 雷江旺 Continuous straw stoving and bundling machine
CN1227984C (en) * 2002-08-14 2005-11-23 周炳耀 High Viscosity material drying and powder making equipment and its pelletizing device
CN2597079Y (en) * 2003-01-10 2004-01-07 四川省农业机械研究设计院 Tooth plate crushing air drying device
CN2884091Y (en) * 2006-03-03 2007-03-28 贵阳铝镁设计研究院 Blade type equipment for drying asphalt

Also Published As

Publication number Publication date
CN101900479A (en) 2010-12-01

Similar Documents

Publication Publication Date Title
CN105461367B (en) Domestic waste fermentation and fertilizer making device and method thereof
CN203928599U (en) Energy saving expansion drying combination unit
CN101900479B (en) Poultry excrement drying device
CN201413016Y (en) Drying and crushing combined machine
CN106391246B (en) A kind of urea grinding device with uniform material-strewing device
CN203940692U (en) A kind of rotary flash distillation formula biomass powder raw material drying machine
CN108041653A (en) A kind of feed stripped machine
CN210855870U (en) A chicken farm manure processing production line
CN203964623U (en) The flash distillation main frame of energy saving expansion drying combination unit
CN101762147A (en) Clay mineral drier
CN119737747A (en) Zinc oxide powder crushing and drying device
CN208732942U (en) A kind of disposal of resources system of waste mushroom packet
CN206276469U (en) A kind of urea reducing mechanism with uniform material-strewing device
CN201724537U (en) Poultry litter stirring and smashing mechanism
CN209322795U (en) A kind of carbonizing apparatus of sludge drying system
CN212673647U (en) Microbial fertilizer drying equipment
CN201605216U (en) Sludge drying processing equipment
CN101900475B (en) Treatment method of poultry manure
CN109123725A (en) Ramulus mori complete feed production line
CN201724534U (en) Discharge mechanism of poultry manure drying equipment
CN201719929U (en) Bird guano separation tower
CN201719930U (en) Dust collector
CN107793009B (en) High-efficient sludge drying equipment
CN110614136A (en) Special rubbing crusher of kitchen garbage
CN206385112U (en) The system that sludge dehydrating and drying prepares garbage derivatived fuel

Legal Events

Date Code Title Description
C06 Publication
PB01 Publication
C10 Entry into substantive examination
SE01 Entry into force of request for substantive examination
C14 Grant of patent or utility model
GR01 Patent grant
ASS Succession or assignment of patent right

Owner name: LIU SIRONG

Free format text: FORMER OWNER: PAN GUOZHENG

Effective date: 20120614

C41 Transfer of patent application or patent right or utility model
TR01 Transfer of patent right

Effective date of registration: 20120614

Address after: 402460 Southwestern University Chongqing city Rongchang County Rongchang District Department of Animal Science

Co-patentee after: Liu Sirong

Patentee after: Zhu Qubo

Address before: 402460 Southwestern University Chongqing city Rongchang County Rongchang District Department of Animal Science

Co-patentee before: Pan Guozheng

Patentee before: Zhu Qubo

TR01 Transfer of patent right
TR01 Transfer of patent right

Effective date of registration: 20170727

Address after: 402460, No. 51 Chang Long Avenue, Chang Zhou street, Rongchang District, Chongqing, attached No. 4111

Patentee after: Chongqing nongshen Group Co.,Ltd.

Address before: 402460 Southwestern University Chongqing city Rongchang County Rongchang District Department of Animal Science

Co-patentee before: Liu Sirong

Patentee before: Zhu Qubo

CB03 Change of inventor or designer information
CB03 Change of inventor or designer information

Inventor after: Liu Zuohua

Inventor after: Zhu Qubo

Inventor after: Pan Guozheng

Inventor before: Zhu Qubo

Inventor before: Pan Guozheng

CP01 Change in the name or title of a patent holder
CP01 Change in the name or title of a patent holder

Address after: 402460 no.51-4111, Changlong Avenue, Changzhou street, Rongchang District, Chongqing

Patentee after: Chongqing nongshen holding (Group) Co.,Ltd.

Address before: 402460 no.51-4111, Changlong Avenue, Changzhou street, Rongchang District, Chongqing

Patentee before: Chongqing nongshen Group Co.,Ltd.

TR01 Transfer of patent right
TR01 Transfer of patent right

Effective date of registration: 20210202

Address after: 402471 Room 302, 3rd floor, 53 Changlong Avenue, Changzhou street, Rongchang District, Chongqing (chongmu Silicon Valley)

Patentee after: Chongqing, a Biotechnology Co.,Ltd.

Address before: 402460 no.51-4111, Changlong Avenue, Changzhou street, Rongchang District, Chongqing

Patentee before: Chongqing nongshen holding (Group) Co.,Ltd.