WO2017082427A1 - 海底資源揚収装置 - Google Patents

海底資源揚収装置 Download PDF

Info

Publication number
WO2017082427A1
WO2017082427A1 PCT/JP2016/083616 JP2016083616W WO2017082427A1 WO 2017082427 A1 WO2017082427 A1 WO 2017082427A1 JP 2016083616 W JP2016083616 W JP 2016083616W WO 2017082427 A1 WO2017082427 A1 WO 2017082427A1
Authority
WO
WIPO (PCT)
Prior art keywords
submarine
seabed
hydrogen gas
lifting device
underwater
Prior art date
Legal status (The legal status is an assumption and is not a legal conclusion. Google has not performed a legal analysis and makes no representation as to the accuracy of the status listed.)
Ceased
Application number
PCT/JP2016/083616
Other languages
English (en)
French (fr)
Japanese (ja)
Inventor
小平 高敏
高資 小平
Current Assignee (The listed assignees may be inaccurate. Google has not performed a legal analysis and makes no representation or warranty as to the accuracy of the list.)
KODAIRA ASSOCIATES Inc
Original Assignee
KODAIRA ASSOCIATES Inc
Priority date (The priority date is an assumption and is not a legal conclusion. Google has not performed a legal analysis and makes no representation as to the accuracy of the date listed.)
Filing date
Publication date
Application filed by KODAIRA ASSOCIATES Inc filed Critical KODAIRA ASSOCIATES Inc
Priority to US15/775,230 priority Critical patent/US20180298754A1/en
Publication of WO2017082427A1 publication Critical patent/WO2017082427A1/ja
Anticipated expiration legal-status Critical
Ceased legal-status Critical Current

Links

Images

Classifications

    • EFIXED CONSTRUCTIONS
    • E21EARTH OR ROCK DRILLING; MINING
    • E21CMINING OR QUARRYING
    • E21C50/00Obtaining minerals from underwater, not otherwise provided for
    • BPERFORMING OPERATIONS; TRANSPORTING
    • B01PHYSICAL OR CHEMICAL PROCESSES OR APPARATUS IN GENERAL
    • B01JCHEMICAL OR PHYSICAL PROCESSES, e.g. CATALYSIS OR COLLOID CHEMISTRY; THEIR RELEVANT APPARATUS
    • B01J8/00Chemical or physical processes in general, conducted in the presence of fluids and solid particles; Apparatus for such processes
    • B01J8/02Chemical or physical processes in general, conducted in the presence of fluids and solid particles; Apparatus for such processes with stationary particles, e.g. in fixed beds
    • B01J8/06Chemical or physical processes in general, conducted in the presence of fluids and solid particles; Apparatus for such processes with stationary particles, e.g. in fixed beds in tube reactors; the solid particles being arranged in tubes
    • B01J8/067Heating or cooling the reactor
    • BPERFORMING OPERATIONS; TRANSPORTING
    • B63SHIPS OR OTHER WATERBORNE VESSELS; RELATED EQUIPMENT
    • B63BSHIPS OR OTHER WATERBORNE VESSELS; EQUIPMENT FOR SHIPPING 
    • B63B22/00Buoys
    • B63B22/18Buoys having means to control attitude or position, e.g. reaction surfaces or tether
    • B63B22/20Ballast means
    • BPERFORMING OPERATIONS; TRANSPORTING
    • B63SHIPS OR OTHER WATERBORNE VESSELS; RELATED EQUIPMENT
    • B63BSHIPS OR OTHER WATERBORNE VESSELS; EQUIPMENT FOR SHIPPING 
    • B63B22/00Buoys
    • B63B22/24Buoys container type, i.e. having provision for the storage of material
    • BPERFORMING OPERATIONS; TRANSPORTING
    • B63SHIPS OR OTHER WATERBORNE VESSELS; RELATED EQUIPMENT
    • B63BSHIPS OR OTHER WATERBORNE VESSELS; EQUIPMENT FOR SHIPPING 
    • B63B27/00Arrangement of ship-based loading or unloading equipment for cargo or passengers
    • B63B27/10Arrangement of ship-based loading or unloading equipment for cargo or passengers of cranes
    • BPERFORMING OPERATIONS; TRANSPORTING
    • B63SHIPS OR OTHER WATERBORNE VESSELS; RELATED EQUIPMENT
    • B63BSHIPS OR OTHER WATERBORNE VESSELS; EQUIPMENT FOR SHIPPING 
    • B63B27/00Arrangement of ship-based loading or unloading equipment for cargo or passengers
    • B63B27/30Arrangement of ship-based loading or unloading equipment for transfer at sea between ships or between ships and off-shore structures
    • BPERFORMING OPERATIONS; TRANSPORTING
    • B63SHIPS OR OTHER WATERBORNE VESSELS; RELATED EQUIPMENT
    • B63BSHIPS OR OTHER WATERBORNE VESSELS; EQUIPMENT FOR SHIPPING 
    • B63B35/00Vessels or similar floating structures specially adapted for specific purposes and not otherwise provided for
    • B63B35/003Vessels or similar floating structures specially adapted for specific purposes and not otherwise provided for for transporting very large loads, e.g. offshore structure modules
    • BPERFORMING OPERATIONS; TRANSPORTING
    • B63SHIPS OR OTHER WATERBORNE VESSELS; RELATED EQUIPMENT
    • B63HMARINE PROPULSION OR STEERING
    • B63H11/00Marine propulsion by water jets
    • B63H11/02Marine propulsion by water jets the propulsive medium being ambient water
    • BPERFORMING OPERATIONS; TRANSPORTING
    • B63SHIPS OR OTHER WATERBORNE VESSELS; RELATED EQUIPMENT
    • B63HMARINE PROPULSION OR STEERING
    • B63H5/00Arrangements on vessels of propulsion elements directly acting on water
    • B63H5/07Arrangements on vessels of propulsion elements directly acting on water of propellers
    • CCHEMISTRY; METALLURGY
    • C25ELECTROLYTIC OR ELECTROPHORETIC PROCESSES; APPARATUS THEREFOR
    • C25BELECTROLYTIC OR ELECTROPHORETIC PROCESSES FOR THE PRODUCTION OF COMPOUNDS OR NON-METALS; APPARATUS THEREFOR
    • C25B1/00Electrolytic production of inorganic compounds or non-metals
    • C25B1/01Products
    • C25B1/02Hydrogen or oxygen
    • C25B1/04Hydrogen or oxygen by electrolysis of water
    • CCHEMISTRY; METALLURGY
    • C25ELECTROLYTIC OR ELECTROPHORETIC PROCESSES; APPARATUS THEREFOR
    • C25BELECTROLYTIC OR ELECTROPHORETIC PROCESSES FOR THE PRODUCTION OF COMPOUNDS OR NON-METALS; APPARATUS THEREFOR
    • C25B9/00Cells or assemblies of cells; Constructional parts of cells; Assemblies of constructional parts, e.g. electrode-diaphragm assemblies; Process-related cell features
    • C25B9/70Assemblies comprising two or more cells
    • C25B9/73Assemblies comprising two or more cells of the filter-press type
    • EFIXED CONSTRUCTIONS
    • E02HYDRAULIC ENGINEERING; FOUNDATIONS; SOIL SHIFTING
    • E02FDREDGING; SOIL-SHIFTING
    • E02F5/00Dredgers or soil-shifting machines for special purposes
    • E02F5/006Dredgers or soil-shifting machines for special purposes adapted for working ground under water not otherwise provided for
    • EFIXED CONSTRUCTIONS
    • E02HYDRAULIC ENGINEERING; FOUNDATIONS; SOIL SHIFTING
    • E02FDREDGING; SOIL-SHIFTING
    • E02F7/00Equipment for conveying or separating excavated material
    • E02F7/005Equipment for conveying or separating excavated material conveying material from the underwater bottom
    • EFIXED CONSTRUCTIONS
    • E02HYDRAULIC ENGINEERING; FOUNDATIONS; SOIL SHIFTING
    • E02FDREDGING; SOIL-SHIFTING
    • E02F7/00Equipment for conveying or separating excavated material
    • E02F7/06Delivery chutes or screening plants or mixing plants mounted on dredgers or excavators
    • E02F7/065Delivery chutes or screening plants or mixing plants mounted on dredgers or excavators mounted on a floating dredger
    • GPHYSICS
    • G01MEASURING; TESTING
    • G01SRADIO DIRECTION-FINDING; RADIO NAVIGATION; DETERMINING DISTANCE OR VELOCITY BY USE OF RADIO WAVES; LOCATING OR PRESENCE-DETECTING BY USE OF THE REFLECTION OR RERADIATION OF RADIO WAVES; ANALOGOUS ARRANGEMENTS USING OTHER WAVES
    • G01S11/00Systems for determining distance or velocity not using reflection or reradiation
    • G01S11/12Systems for determining distance or velocity not using reflection or reradiation using electromagnetic waves other than radio waves
    • GPHYSICS
    • G01MEASURING; TESTING
    • G01SRADIO DIRECTION-FINDING; RADIO NAVIGATION; DETERMINING DISTANCE OR VELOCITY BY USE OF RADIO WAVES; LOCATING OR PRESENCE-DETECTING BY USE OF THE REFLECTION OR RERADIATION OF RADIO WAVES; ANALOGOUS ARRANGEMENTS USING OTHER WAVES
    • G01S15/00Systems using the reflection or reradiation of acoustic waves, e.g. sonar systems
    • G01S15/74Systems using reradiation of acoustic waves, e.g. IFF, i.e. identification of friend or foe
    • GPHYSICS
    • G01MEASURING; TESTING
    • G01SRADIO DIRECTION-FINDING; RADIO NAVIGATION; DETERMINING DISTANCE OR VELOCITY BY USE OF RADIO WAVES; LOCATING OR PRESENCE-DETECTING BY USE OF THE REFLECTION OR RERADIATION OF RADIO WAVES; ANALOGOUS ARRANGEMENTS USING OTHER WAVES
    • G01S15/00Systems using the reflection or reradiation of acoustic waves, e.g. sonar systems
    • G01S15/87Combinations of sonar systems
    • G01S15/876Combination of several spaced transmitters or receivers of known location for determining the position of a transponder or a reflector
    • GPHYSICS
    • G01MEASURING; TESTING
    • G01SRADIO DIRECTION-FINDING; RADIO NAVIGATION; DETERMINING DISTANCE OR VELOCITY BY USE OF RADIO WAVES; LOCATING OR PRESENCE-DETECTING BY USE OF THE REFLECTION OR RERADIATION OF RADIO WAVES; ANALOGOUS ARRANGEMENTS USING OTHER WAVES
    • G01S3/00Direction-finders for determining the direction from which infrasonic, sonic, ultrasonic, or electromagnetic waves, or particle emission, not having a directional significance, are being received
    • G01S3/78Direction-finders for determining the direction from which infrasonic, sonic, ultrasonic, or electromagnetic waves, or particle emission, not having a directional significance, are being received using electromagnetic waves other than radio waves
    • G01S3/782Systems for determining direction or deviation from predetermined direction
    • GPHYSICS
    • G01MEASURING; TESTING
    • G01SRADIO DIRECTION-FINDING; RADIO NAVIGATION; DETERMINING DISTANCE OR VELOCITY BY USE OF RADIO WAVES; LOCATING OR PRESENCE-DETECTING BY USE OF THE REFLECTION OR RERADIATION OF RADIO WAVES; ANALOGOUS ARRANGEMENTS USING OTHER WAVES
    • G01S5/00Position-fixing by co-ordinating two or more direction or position line determinations; Position-fixing by co-ordinating two or more distance determinations
    • G01S5/16Position-fixing by co-ordinating two or more direction or position line determinations; Position-fixing by co-ordinating two or more distance determinations using electromagnetic waves other than radio waves
    • G01S5/163Determination of attitude
    • BPERFORMING OPERATIONS; TRANSPORTING
    • B01PHYSICAL OR CHEMICAL PROCESSES OR APPARATUS IN GENERAL
    • B01JCHEMICAL OR PHYSICAL PROCESSES, e.g. CATALYSIS OR COLLOID CHEMISTRY; THEIR RELEVANT APPARATUS
    • B01J2208/00Processes carried out in the presence of solid particles; Reactors therefor
    • B01J2208/06Details of tube reactors containing solid particles
    • B01J2208/065Heating or cooling the reactor
    • BPERFORMING OPERATIONS; TRANSPORTING
    • B63SHIPS OR OTHER WATERBORNE VESSELS; RELATED EQUIPMENT
    • B63BSHIPS OR OTHER WATERBORNE VESSELS; EQUIPMENT FOR SHIPPING 
    • B63B3/00Hulls characterised by their structure or component parts
    • B63B3/14Hull parts
    • B63B2003/147Moon-pools, e.g. for offshore drilling vessels
    • BPERFORMING OPERATIONS; TRANSPORTING
    • B63SHIPS OR OTHER WATERBORNE VESSELS; RELATED EQUIPMENT
    • B63BSHIPS OR OTHER WATERBORNE VESSELS; EQUIPMENT FOR SHIPPING 
    • B63B35/00Vessels or similar floating structures specially adapted for specific purposes and not otherwise provided for
    • B63B35/44Floating buildings, stores, drilling platforms, or workshops, e.g. carrying water-oil separating devices
    • B63B2035/4473Floating structures supporting industrial plants, such as factories, refineries, or the like
    • BPERFORMING OPERATIONS; TRANSPORTING
    • B63SHIPS OR OTHER WATERBORNE VESSELS; RELATED EQUIPMENT
    • B63BSHIPS OR OTHER WATERBORNE VESSELS; EQUIPMENT FOR SHIPPING 
    • B63B35/00Vessels or similar floating structures specially adapted for specific purposes and not otherwise provided for
    • B63B35/44Floating buildings, stores, drilling platforms, or workshops, e.g. carrying water-oil separating devices
    • B63B2035/4486Floating storage vessels, other than vessels for hydrocarbon production and storage, e.g. for liquid cargo
    • BPERFORMING OPERATIONS; TRANSPORTING
    • B63SHIPS OR OTHER WATERBORNE VESSELS; RELATED EQUIPMENT
    • B63CLAUNCHING, HAULING-OUT, OR DRY-DOCKING OF VESSELS; LIFE-SAVING IN WATER; EQUIPMENT FOR DWELLING OR WORKING UNDER WATER; MEANS FOR SALVAGING OR SEARCHING FOR UNDERWATER OBJECTS
    • B63C11/00Equipment for dwelling or working underwater; Means for searching for underwater objects
    • B63C11/52Tools specially adapted for working underwater, not otherwise provided for
    • GPHYSICS
    • G01MEASURING; TESTING
    • G01SRADIO DIRECTION-FINDING; RADIO NAVIGATION; DETERMINING DISTANCE OR VELOCITY BY USE OF RADIO WAVES; LOCATING OR PRESENCE-DETECTING BY USE OF THE REFLECTION OR RERADIATION OF RADIO WAVES; ANALOGOUS ARRANGEMENTS USING OTHER WAVES
    • G01S19/00Satellite radio beacon positioning systems; Determining position, velocity or attitude using signals transmitted by such systems
    • G01S19/38Determining a navigation solution using signals transmitted by a satellite radio beacon positioning system
    • G01S19/39Determining a navigation solution using signals transmitted by a satellite radio beacon positioning system the satellite radio beacon positioning system transmitting time-stamped messages, e.g. GPS [Global Positioning System], GLONASS [Global Orbiting Navigation Satellite System] or GALILEO
    • G01S19/42Determining position
    • YGENERAL TAGGING OF NEW TECHNOLOGICAL DEVELOPMENTS; GENERAL TAGGING OF CROSS-SECTIONAL TECHNOLOGIES SPANNING OVER SEVERAL SECTIONS OF THE IPC; TECHNICAL SUBJECTS COVERED BY FORMER USPC CROSS-REFERENCE ART COLLECTIONS [XRACs] AND DIGESTS
    • Y02TECHNOLOGIES OR APPLICATIONS FOR MITIGATION OR ADAPTATION AGAINST CLIMATE CHANGE
    • Y02EREDUCTION OF GREENHOUSE GAS [GHG] EMISSIONS, RELATED TO ENERGY GENERATION, TRANSMISSION OR DISTRIBUTION
    • Y02E60/00Enabling technologies; Technologies with a potential or indirect contribution to GHG emissions mitigation
    • Y02E60/30Hydrogen technology
    • Y02E60/36Hydrogen production from non-carbon containing sources, e.g. by water electrolysis

Definitions

  • the present invention relates to an apparatus for lifting an object from the seabed.
  • hydrogen gas is generated at the sea floor and then lifted up to the sea surface using its buoyancy.
  • the present invention relates to an apparatus for recovering hydrogen gas generation energy by absorbing it in an organic substance containing hydrogen.
  • the present invention relates to an apparatus for economically recovering seabed resources exceeding a depth of 1000 m up to a level of 5000 m.
  • electrochemistry, organic chemistry, hydrogen engineering, control engineering which are other fields not used in marine development, By combining the latest technology of space engineering and information engineering, it was newly devised to realize with existing hardware technology without performing mechanical challenges under high pressure environment.
  • Non-Patent Document 1 there are a “rotating method” in which a wire is pulled up, a “balloon method” using buoyancy, and a “gripping method” in which it is directly picked up. “Large turning method” is not performed in the deep sea because it involves diving work to wire. In the “balloon method”, a metal or rubber balloon containing compressed air is used to pull up the sea, but since there is gas expansion associated with depth changes, horizontal movement is mainly used. The depth is less than 100m.
  • the “grasping method” is a method in which the arm is directly extended to the seabed, and in the 1970s, the US CIA raised the Soviet sunken submarine from the seafloor 5000m to collect nuclear strategy information. It is the only record raised from the deep sea, and there is no example after that. According to public information, it seems to be an extension of offshore oil drilling technology. In both methods, since the work boats on the water are directly involved dynamically, the calmness of the sea surface is indispensable, and it is not suitable for collecting mineral resources from the deep sea.
  • Non-Patent Document 2 As a method of recovering mineral resources from the surface layer of the seabed, as an extension of dredging technology, test development of elemental technology to excavate a submarine hydrothermal deposit (such as chimney) with a depth of 1000m, slurry it, and send it to the sea with an underwater pump. Has been done.
  • Patent Document 2 (Non-Patent Document 5) Regarding mining, the excavation function and dredging function will be realized under high pressure on the seabed. Although 25kg of sulfide ore has been successfully collected, there is a report that the heavy duty is an issue. In addition, it is reported that realization of abrasion resistance is indispensable for transportation by slurrying and is a future problem. (Non-Patent Document 2)
  • the sperm whale does not use any special pressure-resistant technology in the living body and uses almost no energy, and it dives up to 3000m to prey on squid and returns to the sea surface (Fig. 3).
  • the reason why sperm whales can easily reciprocate between the deep sea floor and the sea surface is that the internal and external pressures of liquid and solid are equalized in vivo to avoid structural problems in high pressure environment, and secondly, Since it can move independently from the seabed and objects on the sea and is autonomous both structurally and as a moving body, it has less restrictions as a structure.
  • whales move up and down using almost no energy by adjusting the buoyancy using the change in specific gravity due to the temperature of “brain oil”, and the lift using the buoyancy moves up and down in liquids like in the sea. It shows the most energy efficient means.
  • Submarine support system 1 Control system (1) Purpose and function (2) Dynamic characteristics and control system (a) Position / velocity control (b) Attitude control (c) Control amount integration (d) Control system configuration 2 Navigation system ( 1) Configuration (2) Inertial navigation (3) Acoustic navigation 3 Operation mode control 4 Fluid configuration control VII Hydrogen gas generator VIII Electric power generator 1. Tidal currents and wave conditions 2. Power supply requirements Offshore solar power generation system IX supervisory control system 1. System configuration 2. Comprehensive supervisory control system Underwater lifting device control system4. Submarine support device control system X Operation method Requirements for continuous operation 1.1 Definitions of abbreviations and specifications 1.2 Physical properties of components 1.3 Reactions during ascending / descending / moving processes 2. Configuration of continuous operation 2.1 Underwater lifting device 2.2 Submarine support device Efficiency of continuous operation
  • the first policy of the invention is to fundamentally avoid high-pressure environment obstacles. Secondly, avoid high pressure pumping and suction from the deep sea and avoid wasting energy. Thirdly, all underwater equipment should be able to rise to the sea autonomously, eliminate poor access to the deep sea, and prevent maintenance problems. The fourth is to actively utilize the high-pressure environment in the deep sea. Fifth, to reduce development issues and risks through structural standardization. In order to solve these problems, a new device has been invented by combining the results of electrochemistry, organic chemistry, hydrogen engineering, control engineering, space engineering, and information engineering, which have not been used in marine development.
  • the internal and external pressures of the component equipment were made equal to eliminate the pressure resistant equipment, and the pressure resistance requirement was avoided.
  • the pressure of the hydrogen gas used as the buoyancy source was made almost equal to the surrounding water pressure regardless of the depth, so that there was no mechanically high stress spot. This has been freed from strength constraints, and as a result, the scale-up of the device has become easier.
  • the ascending and descending of the sea floor was performed by the buoyancy of hydrogen gas, avoiding high-lifting mineral pumping from the sea floor and avoiding energy waste.
  • the buoyancy method eliminates the need for a high-lift pump, as compared with a method in which mineral resources are slurried in the sea and pumped to the sea surface by a pump.
  • the method of the present invention since the object to be recovered from the seabed is lifted as it is, there are no restrictions on the shape and physical properties of the recovered object. There is little information on the seabed resources, the visibility at the seabed is poor, and the means of collecting information is limited. Therefore, there is a great advantage of removing the mineral processing on the seabed, such as slurrying on the seabed, and extracting the raw stone as it is.
  • the weight of the component equipment has been reduced so that all equipment can rise to the sea surface by buoyancy as part of regular operation. Maintenance and inspection of all equipment will be easy because it will be able to ascend constantly to the sea surface by itself. This also facilitates the movement of the equipment installed on the seabed, making it possible to achieve mobility suitable for collecting minerals spread thinly and widely on the seabed.
  • the fourth is to actively utilize the high-pressure environment. Hydrogen gas is generated by electrolysis at the bottom of the sea and its buoyancy is used. However, electrolysis of water at high pressure causes the generated bubbles to be compressed at high pressure, which reduces the electrolysis impediment factor, which is a decrease in conductivity due to bubbles. Energy efficiency.
  • toluene hydrogenation (organic hydride reaction) for hydrogen gas recovery is an equilibrium reaction, which has the advantage that the equilibrium reaction becomes the hydrogen gas adsorption side at high pressure and low temperature (about 200 ° C.), and the adsorption reaction is promoted.
  • the inventor of the present invention has found an appropriate control method for a method in which a wire is pulled in the sea and guided to a dredger that exists at a predetermined collection location, and the dredger installed on the seabed is gripped and pulled up from a marine vessel. I don't get it.
  • the inventor of the present invention cannot find a control method. (Distributed constant system and observability is not guaranteed)
  • the second alternative that should be compared with the method using buoyancy is the extension of dredging technology by improving the performance of the slurrying and high-lift submersible pumps that are being studied for mining 1000m class submarine hydrothermal deposits. It is a method to lift from the deep sea. Since it is a structure where the pumping pipe is lowered to the deep sea and a high lift submersible pump is installed at the tip, even if it is technically feasible, its feasibility including reliability and maintainability is unknown. In the area below the high-lift submersible pump, the collected mineral is slurried with a flexible hose. However, it is difficult to maintain the hose and pipes for wear.
  • water is electrolyzed on the seabed to generate hydrogen gas and use its buoyancy.
  • This method has the following advantages. (1) Large buoyancy can be obtained. Hydrogen has a small molecular weight of 2 and can provide sufficient buoyancy even at the bottom of the 5000m class. Since the seabed of the 5000 m class is 500 atm, hydrogen gas at 500 atm is 45 g per liter, whereas air having a molecular weight of 28.8 is 642 g per liter. The buoyancy that can be obtained with 1 liter is 338 g of hydrogen and 955 g of hydrogen gas at the bottom of 5000 m.
  • the method of levitating and sinking using buoyancy eliminates the mechanical connection between the object that is levitated and subsidized by buoyancy and the marine vessel, and eliminates restrictions on underwater structures. If there is a mechanical connection between the underwater structure such as an up-and-down pipe or a pull-up wire and an offshore ship, it will be mechanically severe due to the stress caused by the vertical movement caused by the waves of the offshore ship, and is vulnerable to stormy weather. For this reason, salvage practice is carried out only when the sea is quiet, using wires that can withstand 4-6 times the lifting load.
  • the specific gravity is set to around 1.0 in the state where the gas is present inside the sea surface at the start of descent (ie, the specific gravity cannot be made around 1.0 without gas buoyancy)
  • the specific gravity In order to withstand the water pressure and maintain the buoyancy by making the gas pressure equal to the water pressure, it is necessary to generate additional gas to maintain the volume, and it is necessary to mount a gas generator. If the gas volume and buoyancy are maintained when the water pressure rises while maintaining the gas pressure, it is necessary to hold the gas in the pressure shell, which increases the weight. Is different from the sperm whale that travels back and forth).
  • An increase in weight means a decrease in the ability to float and float seabed minerals, which has a negative impact on economic efficiency.
  • Weight reduction is an important requirement for realization and is the key to feasibility.
  • One molecule of toluene adsorbs three molecules of hydrogen gas to become methylcyclohexane.
  • Capacity of the buoyancy tank 003 is 357.1m 3, the volume of the liquid tank 004 is 240.0m 3.
  • the volume is 6.4 ⁇ 10 6 cm 3. Is 5.1 tons.
  • the maximum shear stress applied to the outer wall is 238.8 tons of buoyancy and is applied to the cylindrical part in the vertical direction while rising.
  • the cross-sectional area of the outer wall cylindrical portion is 1885 cm 2 when the wall thickness is 10 mm, and can withstand up to 28,275 tons when the typical shear stress of the carbon fiber resin is 150 kgf / mm 2 . Since the strength is 100 times the load, the outer wall is made thin as long as it does not hinder self-shape maintenance. If the thickness is 5 mm, the weight in water is 2.6 tons.
  • the hydrogen gas absorption reactor 005 is a technology that has already been put to practical use, and a design example is described in (Non-Patent Document 5).
  • the total weight is 26 tons.
  • the reaction rate of C 7 H 8 is 6.9 ton / h. Therefore, in the design example of Non-Patent Document 5, it is necessary to absorb all of hydrogen except for 1 atm by 170 ton of toluene. Approximately 24.6 hours are required. This time is the time required to reach the sea level from the seabed at a depth of 5000 m. The required time can be shortened by improving the catalyst and reaction control. If the depth is 1 / m, the required hydrogen gas amount is also 1 / m.
  • FIG. 4 shows an operation mode that meets this purpose.
  • the submarine lifting devices 001-1 to 001-3 function as cranes that use the buoyancy of hydrogen gas to extract seafloor resources from the seabed 022. Therefore, a function to load the submarine lifting device 001 and a function to generate floating hydrogen gas are required.
  • the seabed support device 018 is installed on the seabed.
  • the seabed resources exist on the seabed having a wide depth of 2000 to 5000 m shown in FIG.
  • Manganese nodules are scattered in gravel on the sea floor (FIG. 5 (b)).
  • the cobalt-rich crust is thinly deposited on the seabed as pillow lava (Fig. 5 (c-1), (c-2)).
  • Manganese nodules and cobalt-rich crusts can be collected on the ground with a bullzer, but on the sea floor there is no means for loading them into the underwater lifting device 001, which is a means of lifting, so the seabed support device 018 is used.
  • the lower hemisphere of the underwater lifting device 001 can be separated from the underwater lifting device 001 as a resource recovery unit 007, and the underwater lifting device 001 from which the resource recovery unit 007 is separated is referred to as an underwater lifting unit 005. It is constructed so that it can be installed in the seabed resource recovery unit attachment / detachment port 023 of the seabed support apparatus 018 of FIG.
  • the underwater lifting device 001 arrives at the seabed resource recovery unit attachment / detachment port 023a of the seafloor support device 018 as shown in FIG. 7A, docks as shown in FIG. 7B, and the empty resource recovery unit 007. Is lifted, moved, and re-docked to another seabed resource recovery unit attachment / detachment port 023b on the opposite side of the seabed support apparatus 018 (FIG. 7C). Since the re-docked resource recovery unit 007 is loaded with the collected mineral 010 collected by the mineral collector which is an unmanned remote control electric bull tozer, the submarine support device 018 is filled with hydrogen gas to the underwater lifting device 001 ( When the buoyancy is obtained (FIG.
  • the seabed support device 018 is left and lifted (FIG. 7 (e)).
  • the submarine support device 018 accumulates hydrogen gas and loads the collected mineral 010 into the empty resource recovery unit 007 in the submarine resource recovery unit attachment / detachment port a 012a in preparation for the arrival of the next underwater lifting device 001.
  • the underwater lifting device 001-3 that has left the submarine support device 018 ascends toward the maritime command ship 016 and arrives at the underwater lifting device port 100.
  • the maritime command ship 016 collects the collected mineral 010 and methylcyclohexane adsorbed with hydrogen gas from the underwater elevator 001-3.
  • the buoyancy tank 003 is filled with toluene, and pure water and filling seawater are poured into the liquid tank compartment and lowered to the seabed (FIG. 2). (D)).
  • the carrier ship 017 carries toluene for absorbing hydrogen gas and pure water for hydrogen gas generation from the departure port, provides it to the maritime command ship 016, and collects the collected mineral 010 and methylcyclohexane (MCH) from the maritime command ship 016. Return to the departure port and repeat this round trip.
  • the Maritime Command Ship 016 is a base ship that is the core of the collection of mineral resources from the seafloor, and occupies the surface of the collected seafloor, directing the collection of mineral resources, maintaining equipment, and supplying power.
  • a plurality of submarine lifting devices 001, submarine support devices 018, mineral collecting devices 019, solar cells are mounted and advanced to a mineral collection point, a plurality of submarine lifting devices 001, submarine support devices 018, mineral collecting devices 019, solar cells
  • the strip 401 is developed in the sea and on the sea surface.
  • the maritime command ship 016 is also loaded with toluene and pure water for initial operation.
  • the Maritime Command Ship 016 will control the operation of all relevant equipment, including the anchored carrier ship 017, which will be loaded with collected minerals, and will be equipped with a system for that purpose.
  • the maritime command ship 016 can change its position depending on the resource status of the seabed. Since both the underwater lifting device 001 and the submarine support device 018 can have a specific gravity of 1.0, if they are long distances, they can be levitated on the surface of the sea and then lifted and then deployed at a new point. If it is a short distance, it is possible to mount the mineral collecting device 019 on the seafloor support device 018, float it about several tens of meters from the seabed, and move it horizontally with a propeller.
  • the solar cell strip 401 is also movable because it employs a thin film type with a micro inverter that can be picked up and deployed. A specific implementation method will be described in detail below.
  • the material is lifted from the seabed by buoyancy, there is little mechanical influence due to the seabed depth, and it can be widely applied from less than 1000 m to over 5000 m.
  • the energy for generating hydrogen gas is mostly recovered by MCH, so energy efficiency is also high.
  • the underwater lifting device 001 is composed of the underwater lifting unit 005 + resource recovery unit 007, and the undersea support device is Underwater elevator unit X4 set (in the case of the embodiment) + Submarine support device platform mechanism 027 + hydrogen gas generator 024, which is a gantry, makes it possible to reduce the design and manufacturing costs by sharing the underwater elevator unit 005. .
  • the hardware was made as homogenous as possible, and the method realized by software was adopted.
  • the present invention can be realized for the first time by applying a new technical result recently developed in fields other than submarine resource development.
  • FIG. 8 is an external structural view of the underwater lifting device 001
  • FIG. 9 is an internal structural view of the underwater lifting device 001.
  • the shape is composed of a rotating curved surface including a sphere and a cylinder, and is configured to have high strength, low resistance, and good controllability. In order to operate with the internal and external pressures almost equal regardless of the depth in the sea, no pressure resistance is required.
  • the outer wall 008 and the partition wall 002 are made of a lightweight and strong carbon fiber resin.
  • the underwater lifting device 001 is composed of four sections: a buoyancy tank 003, a liquid tank 004, an equipment room 006, and a resource recovery unit 007.
  • a hydrogen gas absorption reactor 005 is provided at the center of the buoyancy tank 003.
  • the resource recovery unit 007 can be attached / detached, and can be attached / detached to / from the underwater lifting / lowering unit 005 including the buoyancy tank 003, the liquid tank 004, and the equipment room 006 by the docking mechanism 150 using a ratchet mechanism.
  • a view from the direction A is (a) a top view of the underwater lifting device.
  • D 132 to 135 and the imaging device 150 are installed.
  • FIG. 8B the underwater lifting device 001 is viewed from the direction B.
  • FIG. 8C is a bottom view of the underwater lifting device.
  • D 132 to 135 and the imaging device 150 are installed.
  • FIG. 8 (b) Underwater lifting device 001 can be separated into FIG. 8 (d) underwater lifting unit 005 and FIG. 8 (e) resource recovery unit 007 for loading the collected mineral 010.
  • the imaging device 150 is installed as shown in the bottom view of the underwater lifting unit 005 as seen from the direction C (f).
  • FIG. 8 (d) is a docking partner of the underwater lifting unit 005.
  • Resource collection unit 007 is installed in four locations as shown in the top view of (g) resource recovery unit 007 as viewed from the D direction. .
  • Electric propeller-driven jet water flow propulsion devices 055 are disposed axially and downwardly above and below the underwater lifting device 001 (in the case of the embodiment, eight vertically and vertically each in the direction parallel to the AB axis) 4 pieces, 4 pieces each above and below in the direction perpendicular to the AB axis).
  • the strength and direction of the water flow are controlled by the number of rotations of the drive motor and used for horizontal and vertical movement and posture control. Since the specific gravity of the underwater lifting device in FIG. 8 (b) is 1.0 and the moving speed is 1 m / sec or less, it is controlled by a stereotaxic system like a space probe.
  • the power signal cable 020 is penetrated into the machine room 006 in FIG.
  • the pumps, valves, and propulsion devices 055 of the piping system shown in FIG. 12 heaters of the hydrogen gas absorption reactor 005, and control devices including the underwater lifting device control system 430 are installed and controlled.
  • Signals and power are supplied from the maritime command ship 016.
  • FIGS. 9A to 9E show the internal structure and operation for transporting the collected mineral 010.
  • the underwater lifting device 001 can separate the resource recovery unit 007 as shown in FIGS. 9B and 9C.
  • the resource recovery unit 007 and the underwater lifting unit 005 are disconnected, and the resource recovery unit 007 and the resource recovery unit attachment / detachment port 023 are connected.
  • the underwater lifting / lowering unit 005 moves up again and moves to another resource recovery unit attachment / detachment port.
  • the resource recovery unit 007 of the destination resource recovery unit attachment / detachment port 023 can be loaded with the collected mineral 010 as shown in FIG.
  • the resource recovery unit 007 and the resource recovery unit attachment / detachment port 023 are disconnected, and the resource recovery unit 007 and the underwater lifting unit 005 are connected to the state of FIG.
  • This is the latter-priority alternative docking device according to the present invention, and a detailed embodiment is described in “V3 docking control”.
  • the buoyancy tank 003 can be filled with hydrogen and floated.
  • the underwater lift device 001 and the undersea support device 018 operate the distribution of hydrogen gas, toluene, MCH (methylcyclohexane), pure water, and seawater in the underwater lift unit 005 to move up and down.
  • 10 and 11 show a configuration example of the liquid tank 004 for that purpose. Since the specific gravity is in the order of hydrogen gas ⁇ MCH ⁇ toluene ⁇ pure water ⁇ seawater, the total specific gravity of the liquid compartment and the gas liquid compartment in FIGS. In this manner, the diaphragm 030 is filled in between to stabilize the posture of the underwater lifting device 001 and to stabilize the interface between different liquids and gases.
  • MCH or toluene and pure water or seawater do not mix, but MCH and toluene, pure water and seawater mix easily.
  • Hydrogen gas does not combine with MCH, pure water, and seawater, but combines with toluene at around 200 ° C. to form MCH.
  • the diaphragm 030 in the liquid tank 004 is indispensable for preventing mixing of toluene and MCH and mixing of pure water and seawater, and it is desirable that hydrogen gas and toluene are not in direct contact with each other.
  • a diaphragm is not indispensable between other liquids and gases, but a diaphragm 030 is preferably provided in order to avoid mixing when the liquid is transported in a state where the remaining amount is small.
  • a fluororesin film that is insoluble in toluene may be used as the diaphragm.
  • at least one inlet / outlet port 029 is provided in each closed space.
  • the buoyancy tank 003 is provided with the hydrogen gas absorption reactor 005 at the center, and thus does not have the diaphragm 030. Uses hydrogen gas and one liquid or one liquid, and does not require the diaphragm 030.
  • FIG. 2A shows a state when the underwater lifting device 001 mounts the collected mineral 010 in the resource recovery unit 007 and starts ascending from the seafloor support device 018 toward the marine command ship 016.
  • the buoyancy tank 003 is filled with hydrogen gas 011. If the seabed is 5000 m, the pressure is 500 atg (atmospheric pressure), so the inside and outside of the outer wall 008 are at equal pressure.
  • FIG. 2 (b) shows a state where the underwater lifting device 001 is levitating toward the maritime command ship 016.
  • the water pressure outside the buoyancy tank 003 decreases as it rises.
  • the hydrogen gas 011 is absorbed into the toluene 012 by the hydrogen gas absorption reactor 009 according to the control law defined in “1.2 Response to Water Pressure Change”. , MCH (methylcyclohexane) 013 is produced.
  • FIG. 2 (c) shows a state when the underwater lifting device 001 arrives at the sea carrier 017.
  • the hydrogen gas 011 in the buoyancy tank 003 is all absorbed by toluene 012 except for 1 atg, and becomes MCH.
  • FIG. 2C shows a state in which the seabed resources have been withdrawn, and the collected mineral 010 in the resource recovery unit 007 is recovered by the transport ship 017. MCH is recovered as a hydrogen gas generation source on the transport ship 017 and transported to the destination together with the collected mineral 010.
  • the underwater lifting device 001 that has moved the collected mineral 010 and MCH to the transport ship 017 is lowered to the seabed in the state of FIG.
  • the resource recovery unit 007 is empty, and the resource recovery unit 007 has a specific gravity of seawater inside because the seawater freely enters and exits structurally.
  • the specific gravity of the underwater lifting device 001 as a whole is set slightly larger than 1.0, and since all is filled with liquid, the specific gravity is maintained even if the surrounding water pressure rises as it descends. .
  • the buoyancy tank 003 is filled with toluene mounted on the carrier ship 017. In order to adjust the entire buoyancy, pure water 014 is partially filled.
  • Toluene and pure water do not mix, and the specific gravity of toluene is lower, so pure water is at the bottom.
  • Pure water 014 and seawater 015 are injected into the liquid tank 004. Since the liquid tank 004 is partitioned by a movable diaphragm 030 as shown in FIGS. 6 and 7, pure water 014 and seawater 015 can be mixedly loaded.
  • the pure water 014 is brought into the seafloor support apparatus 018 to generate hydrogen gas by electrolysis in the seafloor support apparatus 018, and is injected from the sea command ship 016, so that the minimum amount is sufficient.
  • the hydrogen gas absorption reactor 005 is a well-known technique whose configuration is shown in (Non-Patent Document 5), and the configuration is shown in FIG.
  • the novelty in the present invention is that gaseous hydrogen is absorbed in toluene and used for buoyancy control.
  • the hydrogenation reaction of toluene is performed at around 200 ° C. Since the MCH and hydrogen gas mixture discharged from the multi-tube fixed bed catalyst reactor 035 is about 200 ° C., it is led to the heat exchanger 036 via the pipe 5 044 and fixed to the multi-tube type via the pipe 4 043. Toluene and hydrogen gas to be injected into the bed catalyst reactor 036 are heated.
  • Toluene injected into the heat exchanger from pipe 2 041 is in a liquid phase in a high pressure environment.
  • the MCH exchanged with the heat exchanger 036 and the unreacted hydrogen gas are led to the cooler 038 via the pipe 6 045, and the MCH is liquefied by touching the cooling pipe 039 cooled with seawater. Since it accumulates as the drain 035, it is transferred to the liquid tank 004.
  • Unreacted hydrogen gas is injected into the heat exchanger 036 together with the high-pressure hydrogen gas in the buoyancy tank 003 that is injected through the pipe 3 042 and through the pipe 1 040, and into the multi-tube fixed bed catalyst reactor 035. Is done.
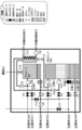
  • FIG. 13 is a diagram showing a piping system, and controls the valves 0 to 13 (V0 to V13) and the pumps 01 to 06 (P0 to 6) to move liquid and gas.
  • FIG. 13 shows the floating state. The operation of valves 0 to 13 (V0 to V13) and pumps 01 to 06 (P0 to P6) corresponding to the operation of “V 5. Fluid configuration control” is shown. And the fluid configuration of the buoyancy tank 003 and the liquid tank 004, and the exchange of gas and liquid with the seabed support device 018 or the marine command ship 016 will be described in detail.
  • FIG. 6 shows the outline of the submarine support device 018.
  • the role of the seabed support device 018 is to collect seabed minerals by the mineral collecting device 019 and to input the collected mineral 010 to the resource recovery unit 007 installed in the seabed resource recovery unit attachment / detachment port 023 via the ramp way 025.
  • the submarine support device 018 has a base structure called a submarine support device platform mechanism 027, in which, in the case of FIG. Two are installed.
  • the submarine support device platform mechanism 027 is provided with a plurality of landing legs 026 for landing on the seabed.
  • the underwater lifting unit 005 installed in the submarine support device 018 is obtained by removing the resource recovery unit 007 from the underwater lifting device 001.
  • the use of the resource recovery unit 007 having the same structure for the submarine support device 018 is because the hydrogen gas generated by the hydrogen gas generation device 024 is first accumulated in the buoyancy tank 003 and is used for ascending to the underwater lifting device 001. This is to supply.
  • the toluene used in the underwater lifting device 001 is accumulated in the liquid tank 004 and supplied to supply the underwater lifting device 001 to the underwater lifting device 001.
  • the underwater lifting unit 005 has buoyancy enough to mount the collected mineral 010 in the resource recovery unit 007 and float on the sea surface, the hydrogen installed in the submarine support device platform mechanism 027 is within this buoyancy range.
  • a gas generator 024, a seabed resource recovery unit attachment / detachment port 023, a rampway 025, a landing leg 026, and a mineral collection device 019 are mounted to rise and leave the floor to change the position on the seabed, and further to the sea surface for maintenance. This is to make it rise.
  • FIG. 14 shows a more detailed structure of the seabed support apparatus 018.
  • the hydrogen gas generator 024 is a solid polymer electrolyte membrane water splitting device and has a laminated structure. It is known that a solid polymer electrolyte membrane fuel cell and a solid polymer electrolyte membrane water splitting device can be operated reversibly with the same structure.
  • a fuel cell a fuel cell with an output of 114 Kw as of 2015 is already available. Mass production is put into practical use with a volume of 37 liters and a weight of 56 kg.
  • the power required for electrolysis is 4.1 to 5.3 kwh / Nm 3 (hereinafter, calculated as 5.0 kwh / Nm 3 ), so that the four submarine lifting devices 001 start from the submarine support device 018 in one day.
  • the hydrogen gas required for the above is 1000 m 3 at 500 atg in the implementation example already described.
  • the weight is simply 914 times to 51 tons. This value is sufficiently smaller than the buoyancy of 200 tons generated per unit by the underwater lifting unit 005.
  • the submarine resource recovery unit attachment / detachment port 023a is a hole-like port that docks the landing underwater lifting device 001 and accommodates the empty resource recovery unit 007a.
  • Two submarine resource recovery unit attachment / detachment ports 023 are installed on the left and right in the submarine support device 018 in the configuration example of FIG.
  • the underwater lifting device 001 that has arrived at the submarine resource recovery unit attachment / detachment port 023a in FIG. 7 disconnects the empty resource recovery unit 007a from the seabed resource recovery unit attachment / detachment port 023a, re-floats, and is already in the seabed resource recovery unit attachment / detachment port 023b. Dock the resource recovery unit 007b loaded with submarine resources.
  • This method is an application of the “alternate buffer” concept of information processing, and has the advantage that the submarine resources can be collected and loaded only by the submarine bulltozer without using a special loading mechanism. Since the resource collection unit 007b is loaded with the mineral 010 collected by the mineral collecting device 019, hydrogen gas is injected into the buoyancy tank 003 of the underwater lifting device 001 after docking from the underwater lifting unit 005 of the undersea support device 018 to increase buoyancy. Give and leave for the sea surface.
  • the mineral collecting device 019 is an electric bull tosa remotely controlled from the maritime command ship 016, and is 30 to 50 tons at the same level as the equipment operating on the ground.
  • the collected mineral goes up the ramp way 025 by the mineral collecting device 019 and puts it into the empty resource recovery unit 007 installed in the seabed resource recovery unit attachment / detachment port 023.
  • the submarine support device 018 has a movement function on the seabed, and the hydrogen gas in the buoyancy tank 003 in the underwater lifting unit 005 of the undersea support device 018 is increased to obtain buoyancy, and the floor is installed in the underwater lifting unit 005.
  • the mineral collecting device 019 obtains the power supply and operation monitoring signal from the seabed support device 018 via the power signal cable 020 (FIG. 6), the mineral collecting device 019 is mounted and accommodated in the mineral collector transport port 028 of the seabed support device 018. Moving. At this time, as shown in FIG. 14, the ramp way 025 jumps upward for movement in the sea.
  • FIG. 7 illustrates the operation of the submarine support device 018 including the operation of landing, loading and unloading with respect to the underwater lifting device 001, including hydrogen gas filling.
  • FIG. 7 (a) is a situation in which the empty underwater lifting device 001 arrives and docks to the seabed resource recovery unit attachment / detachment port 023a.
  • the underwater lifting device 001 is completely filled with liquid as shown in FIG. 2 (d), and has a value close to a specific gravity of 1.0 as a whole.
  • Hydrogen gas generated by the hydrogen gas generator is accumulated in the buoyancy tank of the underwater lifting unit 005 of the seabed support apparatus 018 of FIG.
  • FIG. 7B shows a state where the underwater lifting device 001 has landed and docked with the seabed support device 018.
  • FIG. 7 (a) is a situation in which the empty underwater lifting device 001 arrives and docks to the seabed resource recovery unit attachment / detachment port 023a.
  • the underwater lifting device 001 is completely filled with liquid
  • FIG. 7C shows an operation in which the empty resource recovery unit 007 leaves the seabed resource recovery unit attachment / detachment port 023a, leaves, and moves to the opposite seabed resource recovery unit attachment / detachment port 023b and docks.
  • the collected mineral 010 is mounted on the seabed resource recovery unit attachment / detachment port 023b. In the docked state, the buoyancy is insufficient to ascend by the amount of the collected mineral 010.
  • FIG. 7D shows a state where buoyancy is given by transferring the hydrogen gas in the buoyancy tank 003 of the undersea lifting unit 005 of the undersea support device 018 to the underwater lifting device 001.
  • the operation at this time will be described as a process of shifting from FIG. 2D to FIG.
  • Hydrogen gas is injected into the buoyancy tank 003 of FIG. 2 (d) while extruding pure water from above, resulting in the state of FIG. 2 (a).
  • Hydrogen gas is at a low temperature (about 0 ° C.) and is not absorbed by pure water. Since the underwater lifting unit 005 has acquired buoyancy, it rises toward the sea surface. (FIG. 7 (e))
  • FIG. 7 (e) FIG.
  • FIG. 15 shows the horizontal movement of the seabed support apparatus 018 and the operation of ascent to the sea surface.
  • FIG. 15A shows the steady operation of the seabed support apparatus 018.
  • the underwater weight of the seafloor support device 018 including the seafloor support device platform mechanism 027 is less than 850 tons. Easy. If this condition is satisfied, the seabed support apparatus 018 can be removed from the floor, and can be lifted up to the sea surface for maintenance inspection.
  • FIG. 15B shows a state when the seabed support apparatus 018 gets out of bed.
  • the mineral collector 019 is mounted and the hydrogen gas generator 024 is operated to increase the amount of hydrogen gas in the buoyancy tank 003 of the underwater lifting unit 005 until the specific gravity of the entire seabed support device 018 reaches 1.0.
  • the large-sized propulsion device 200 and the medium-sized propulsion device 201 shown in FIG. 14 are operated to move upward and horizontally and land at the target location.
  • 15B and 15C are performed by the thrust of the propulsion device 055 in FIG. 5 in a state where the specific gravity is 1.0.
  • the specific gravity is made larger than 1.0 and fixed to the seabed.
  • hydrogen gas is absorbed in toluene to reduce the volume as MCH, the buoyancy is reduced, and the specific gravity is set to 1.0 or more.
  • the state shown in FIG. 15B is from moving to landing.
  • the large-scale propulsion device 200 and the medium-sized propulsion device 201 can rise as they are to the sea level. Since the water pressure decreases with the rise, the hydrogenation reaction of toluene is carried out under the control detailed in “IV Principle of Lifting”, and the specific gravity of the seabed support device 018 is kept at 1.0. Even in the submarine support device 018, the underwater lifting / lowering unit 005 is the same as the underwater lifting / lowering device 001. Therefore, the operation similar to that of the underwater lifting / lowering device 001 is performed. That is, in FIG.
  • the load in place of the resource recovery unit 007 and the collected mineral 010 is the seafloor support device platform 027, the hydrogen gas generator 024, the mineral collector 019 in FIG. Equipment attached to the submarine support device platform 027. Further, as shown in FIGS. 2A, 2B, and 2C, the hydrogen gas is absorbed into toluene as it rises to the sea surface to form MCH.
  • the operations of moving the underwater lifting device 001 and the seabed support device 018 from the seabed to the sea surface, descending to the seabed, or moving the seabed support device 018 from the seabed and moving horizontally along the seabed are both specific gravity 1.0. Done in Since the moving speed is also 1 m or less per second, horizontal movement, attitude control, and minute vertical movement within a range in which fluctuations in water pressure can be ignored are close to a stereotaxic system expressed as a transfer function 1 / s as a control target. This control is performed by the large propulsion device 200 and the medium propulsion device 201 in FIG.
  • a power generation facility including a plurality of underwater lifting devices 001, a seabed support device 018, a mineral collection device 019, and a self-propelled solar cell deployment device 404 is installed to advance to a mineral collection point. It has the ability to occupy the sea, deploy these equipments in the sea and on the sea surface, and guide it to its own ship from the sea and take it up.
  • the underwater lifting device 001 and the seafloor support device 018 are filled with toluene and pure water and settled toward the seabed, and the mineral resources and MCH that have absorbed hydrogen are recovered from the seabed.
  • the underwater lifting device 001 frequently transports minerals between the surface vessels, the loading and unloading of the cargo can be performed efficiently without being affected by the sea conditions.
  • Toluene and pure water are received from the transport ship, stored in the underwater lifting device 001 and the submarine support device 018, and the MCH and mineral resources recovered from the underwater lifting device 001 are temporarily stored and then loaded onto the transport ship.
  • FIG. 19 A conceptual chart of the maritime command ship is shown in Figure 19.
  • the underwater lifting device has the scale shown in FIG. If the seabed is 5000m, it will take a day to rise.
  • the daily yield is about 1000 tons
  • the toluene requirement is 800 cubic meters
  • the MCH yield is 1000 cubic meters
  • the pure water requirement is 400 tons.
  • a carrier ship needs economies of scale. If it is shipped every 10 days, it will be a 15,000 to 20,000-ton class transport ship.
  • the seafloor support device 018 has a length of 30 m, a width of 20 m, a height of 25 m, and a dry weight of about 300 tons.
  • the sea area where the marine command ship is deployed has a current of 0 to 1.5 knots, so electric propulsion is preferred to maintain a fixed position.
  • the electric power required for electrolysis of water generated from hydrogen gas is assumed to be a solar cell deployed on the sea, but electric propulsion can be used as a complementary power source.
  • An example of a solar cell developed on the sea is described in detail in “VIII Power Generator”.
  • a ribbon-like flexible film-like organic solar cell having a width of 10 m and a length of 4 km is made into a floating sheet having a thickness of 5 mm by a micro inverter and is rolled.
  • the command ship 016 is provided with a liquid transport hose and crane 208, a deployable belt conveyor and crane 209.
  • the toluene tank 203 and the pure water tank 205 are provided for the purpose of supplying the underwater lifting device 001 and the submarine support device 018.
  • the MCH tank 204 temporarily stores the MCH recovered from the underwater lifting device 001 for transfer to the carrier ship, and the ore hold 206 for transferring the collected mineral 010 recovered from the underwater lifting device 001 to the carrier ship.
  • the command ship 016 is provided with a liquid transport hose and crane 208 and a deployable belt conveyor and crane 209.
  • Lines 1 to 3 in the above formula indicate a constant term
  • line 4 indicates that buoyancy increases in inverse proportion to the depth when the depth is shallow
  • line 5 is the liquid phase due to the difference in specific gravity between toluene and MCH. Shows changes in buoyancy.
  • FIG. 13 is a piping diagram corresponding to the ascending submarine lifting device 001 shown in FIG.
  • FIG. 20A is a diagram showing the relationship between the depth and the number of moles of hydrogen gas in the buoyancy tank.
  • the hydrogen gas in the buoyancy tank 003 is absorbed into toluene by the “IV 1.1 hydrogenation reaction” and reduced to lower the atmospheric pressure, and the surface rises while maintaining a state substantially equal to the water pressure and a specific gravity of about 1.0.
  • the pressure P H in the buoyancy tank is equal to the water pressure P W
  • P D P H -P W d
  • P D / dt d (P H -P W ) / dt
  • P D > 0 d P D / dt> 0 indicates that the buoyancy tank pressure is higher than seawater, and this tendency is increasing.
  • the buoyancy increases and the levitation speed increases, and the internal / external pressure difference of the buoyancy tank increases and divergence control is performed.
  • P D ⁇ 0 d P D / dt ⁇ 0 indicates that the buoyancy tank pressure is lower than seawater and this tendency is decreasing.
  • P D ⁇ 0 dP D / dt> 0 region (3) indicates that the buoyancy tank pressure is lower than seawater and this tendency is decreasing.
  • the internal / external pressure difference of the buoyancy tank decreases with time, and the internal / external pressure difference of the buoyancy tank becomes 0, which is a stable region.
  • P D > 0 d P D / dt ⁇ 0 region (4) indicates that the buoyancy tank pressure is higher than seawater and this tendency is decreasing.
  • the internal / external pressure difference of the buoyancy tank decreases with time, and the internal / external pressure difference of the buoyancy tank becomes 0, which is a stable region.
  • the pressure in the buoyancy tank for controlling the P D to avoid destruction of the buoyancy tank 003 (crushing) decreases with MCH generated, by performing the control for the inner external pressure difference P D buoyancy tank 0 It automatically rises to the sea level.
  • To control fly / descending speed by propulsion device performs control to reduce the inner external pressure difference P D buoyancy tank.
  • the features of the control system are as follows. (1) The ascending speed is as low as 5.5-10 cm / sec due to the performance limitations of the hydrogen absorption reactor. (2) The underwater lifting device 001 is very slow and has a small resistance and a large mass. Since the specific gravity is 1.0, the control system may be treated as a non-localized system.
  • FIG. 21 shows a block diagram of the control algorithm described above.
  • the measurement process variable consists only of the following P D and d P D / dt that can be measured practically.
  • P D (t) P H (t)-P W (t) d
  • P D (t) / dt d (P H (t)-P W (t)) / dt
  • the control algorithm constitutes a discrete value control system as sample values.
  • the buoyancy control system includes a hydrogen absorption reaction control system 224, a propulsion unit control system 223, an emergency control system 221, and a control master 220 that controls them.
  • the hydrogen absorption reaction control system 224 is a control for constantly continuing the reaction that is publicly performed as the hydrogen gas organic hydride reaction, and controls the reaction of the hydrogen gas absorption reactor of FIG.
  • Hydrogen gas in the buoyancy tank 003 is input to the heat exchanger 037 through the pipe 1040.
  • the heat exchanger 037 is charged with toluene from the liquid tank 004 through the pipe 2041, and further with unreacted hydrogen gas recovered by the cooler 038 through the pipe 3042. These are heated by exchanging heat with a mixed gas of high-temperature MCH and hydrogen discharged from the multitubular fixed-bed catalyst reactor 036 and then heated to the multitubular fixed-bed catalyst reactor 036 via the pipe 4043.
  • Hydrogen gas is adsorbed to toluene by hydrogen hydride organic hydride reaction.
  • the hydrogen gas organic hydride reaction is an equilibrium reaction, and is known to change to MCH at 400 ° C. or lower and 10 atm or higher. Since the reaction proceeds at higher pressure, the ascent process from the deep sea is a good environment.
  • the inside of each reaction tube of the multitubular fixed bed type catalyst reactor 036 is filled with Pt / Al 2 O 3 ( ⁇ 3 mm pellet), and toluene and hydrogen gas injected from the pipe 4043 are MCH and hydrogen.
  • the heat exchanger 037 It becomes a gas mixture and is discharged from the pipe 5044, led to the heat exchanger 037, and exchanges heat with the mixture of toluene and hydrogen gas charged into the multi-tube fixed bed type catalyst reactor 036.
  • the heat-exchanged mixture of MCH and toluene is guided to the cooler 038 and sprayed onto the cooling pipe 039.
  • the mixture is cooled by the cooling pipe 039 and is collected at the bottom of the cooler 038 as the MCH drain 029 and then passed through the pipe 7 047. It is led to the MCH section (section 2 in FIG. 13) of the tank 004.
  • the hydrogen gas absorption reactor 260 maintains a stable reaction by controlling the toluene flow rate and the reactor temperature in FIG.
  • the reaction of the multitubular fixed bed type catalyst reactor 036 is continuously carried out, and the number of moles of hydrogen gas decreases with time as shown in FIG. 20 (a) depth / mole number relationship diagram.
  • the underwater lifting device 001 is levitated to a water depth equal to the pressure in the buoyancy tank 003. .
  • the change in water depth corresponding to the organic hydride reaction of hydrogen gas is a slow speed of 5 to 10 cm / sec.
  • the propulsion device 055 is disposed concentrically as shown in FIG. 24B at the upper and lower parts of the underwater lifting device 001 as shown in FIG.
  • Each propulsion device 055 has a screw 057 driven by a motor 057 installed in a cylindrical nozzle, and generates a jet water flow according to the rotation direction and rotation speed to obtain hydraulic power.
  • the propulsion device characteristic 226 is a first-order lag characteristic well known in motor control, and the motion characteristic 261 is a submarine lifting device 001 with a low weight and resistance, and a very low seawater resistance and a specific gravity of 1. Therefore, the control is close to that of a stereotaxic system whose transfer characteristic is 1 / s. Such control is well known for attitude control in outer space.
  • the movement characteristic 261 changes the depth of the underwater lifting device 001, and the water pressure P W is determined by the water pressure characteristic 263. Controlling the thruster in thruster individual control quantity calculation logic 253 as the difference between the buoyancy tank pressure P H corresponding to the number of moles reduced by hydrogen gas absorption reactor 260 we are eliminated.
  • the propulsion unit control system 223 uses a well-known PID control system as shown in FIG. 23 (a) or a robust control system considering that it is a non-localized system with parameter fluctuation.
  • PID control system As shown in FIG. 23 (a) or a robust control system considering that it is a non-localized system with parameter fluctuation.
  • the specific gravity of MCH is lighter than that of toluene, so that the hydrogen gas volume decreases slightly even though the sealed weight of the underwater lifting device 001 remains unchanged.
  • gravity since sealing weight is invariant underwater lifting device 001 are immutable, and reaches the sea surface by performing a control to eliminate the difference between the buoyancy tank pressure P H and the sea water pressure P W.
  • the overall control 254 shown in FIG. 21 has a function of overseeing the entire collection control system, and performs control so that the underwater lifting device 001 does not enter the diverging area and the destruction area shown in FIG. FIG. 22 shows the function of the control master 220.
  • the emergency control 267 is performed. As shown in FIGS. 23B, 23C and 23D, the emergency control 267 performs hydrogen gas release control (processing block 506) when the buoyancy tank 003 is overpressure, and performs ballast release control (processing) when the pressure is too low.
  • Block 507) and hydrogen gas absorption reaction suppression control (processing block 528) are performed.
  • the function of the overall control 254 corresponds to FIG. 20B, and the processing of FIG. 22 is performed in response to PD and its change.
  • the processing block 500 corresponds to the case in the destruction region of FIG. 20B. Since there is a risk of destruction, if the pressure is excessive in the emergency control of the processing block 502, the hydrogen gas discharge control is performed in the processing block 503 to overpressure. Is solved.
  • the case of underpressure means that the buoyancy is insufficient and the rise has not caught up with the organic hydride reaction, so some ballast or cargo is dumped, hydrogen gas absorption reaction suppression control (processing block 528) is performed, and buoyancy To recover.
  • the processing of the processing block 501 is control corresponding to each area of (1), (2), (3), and (4) in FIG.
  • the processing block 503 is a control corresponding to the areas (3) and (4), and the deviation is in a decreasing direction within the limit range even if there is a pressure deviation.
  • propulsive force control processing block 503 by normal PID control or robust control is executed.
  • the area (1) divergence levitation diverges unless the levitation is suppressed.
  • the driving force control 503 is continued.
  • hydrogen gas is released because it is an abnormal process.
  • FIG. 2 shows the state of the underwater lifting device 001 in the ascent process.
  • A At the start of ascent, hydrogen gas is filled into the buoyancy tank 003 at the same pressure as the seabed water pressure, and toluene is filled into the liquid tank 004. The collected mineral 010 is mounted on the resource recovery unit 007. The surplus portion at the lower portion of the liquid tank 004 is filled with seawater with the diaphragm 030 interposed therebetween. In this state, the specific gravity is adjusted to 1.0.
  • B While rising, hydrogen gas in the buoyancy tank 003 is absorbed by toluene and becomes MCH.
  • MCH Since MCH is lighter than toluene, it fills the upper part of the liquid tank 004 across the diaphragm 030. When toluene becomes MCH due to absorption of hydrogen gas, the volume is increased. Therefore, excess MCH may be put in the lower part of the buoyancy tank. There is high-pressure hydrogen gas in the buoyancy tank, but MCH does not react. (C) The end of the rise is the state when the sea surface is reached. The hydrogen gas in the buoyancy tank 003 reached 1 atm, and the rest was absorbed by MCH.
  • the purpose and functions of the target are the submarine elevator 001 and the submarine support device 018.
  • the submarine support device 018 can be handled as a composite system of the submarine elevator 001. It is necessary to control the position near the sea command ship 018 when ascending to the sea surface, and it is necessary to realize an accretion speed that does not damage the equipment when landing on the sea floor.
  • the lifting device 001 will be described in detail, and the submarine support device 018 will be described as an extension of the underwater lifting device 001 in the chapter “VI Submarine Support Device”.
  • the underwater lifting device 001 has the following three modes as control for reciprocating between the sea commander ship 018 and the seabed support device 018 on the sea surface. (A) Position speed control a.
  • attitude control is performed so that the Z-axis direction does not deviate from the vertical direction by a certain value (for example, 5 °) or more. Since the hydrogen gas organic halide reaction is not performed during the descent, there are few restrictions on the posture. The rotation around the Z axis is limited so as not to be performed more than once in order to prevent the connection cables from being entangled.
  • (C) Rendezvous control When landing at the bottom of the sea, it is necessary to dock at a designated location on the seafloor support device 018. Precision control with zero end position error and zero end attitude error is possible with a precision of 1 cm or less at the position and several centimeters per second at the speed. There is a need to do.
  • the rendezvous control is performed at the time of landing at the bottom of the sea under an empty load, and since there is no hydrogen gas organic halide reaction, there are no restrictions on the speed and depth in the vertical direction.
  • the internal pressure of the underwater lifting device 001 and the surrounding seawater pressure are close to atmospheric pressure, and no hydrogen gas organic halide reaction is performed, so there are no restrictions on the speed and depth in the vertical direction.
  • precise control of position and speed can be performed by removing control restrictions on vertical speed and depth.
  • the center of gravity becomes a center of gravity G that is lower than the midpoint C by Lg due to the liquid configuration and device arrangement.
  • the propulsion device 055 is disposed at equal intervals on the upper outer periphery and the lower outer periphery of the underwater lifting device 001 and can generate a thrust vector by variable speed control of the motor 057.
  • FIG. 25 to 27 are diagrams for explaining the dynamic characteristics of the underwater lifting device 001.
  • FIG. FIG. 25A shows a symbol system for describing the dynamic characteristics of the submarine lifting device 001, and the center C 051 of buoyancy exists at the midpoint of the central axis Z 048 of the submarine lifting device 001.
  • the propulsion device 055 is disposed on the upper propulsion surface 059 and the lower propulsion surface 060 which are at a distance Lt from the midpoint of the central axis Z 048.
  • Control of the underwater lifting device 001 is performed by a common propulsion device 055 for position speed control and attitude control.
  • the dynamic characteristics of the underwater lifting device 001 are expressed in FIG. 26 (a) reference coordinate system and (b) posture coordinate system.
  • the reference coordinate system uses the reference coordinate Z-axis 068 as a vertical line, the reference coordinate X-axis 066 as the east-west direction, and the reference coordinate Y-axis 067 as the north-south direction, and is used for position speed control.
  • the center axis 069 of the underwater lifting device is set to the posture coordinate Z axis 072, and the posture coordinate Xb axis 070 and the posture coordinate Yb axis 071 are defined as coordinates unique to the underwater lifting device 001, and are used for posture control.
  • the control system consists of the following procedures. a. Separate the position and velocity control system from the attitude control system. The position and speed are expressed by the movement of the center of gravity on the reference coordinate system, and the position / speed control controls the position / speed of the center of gravity G 053 without any change in posture. In the posture control, the pitch angle 073, the yaw angle 074, and the roll angle 075 are controlled with respect to the posture coordinates 070 to 072 in FIG. 26B using the center of gravity G 053 as the origin of the coordinate system. Attitude control does not involve movement of the center of gravity G 053.
  • attitude control requires high-precision control during rendezvous control, a back stepping method is applied as robust control with good control stability using quaternions that do not generate singularities.
  • Non-Patent Documents 7 and 8) c.
  • the thrust commands from both systems are added to the propulsion device 055 common to the position / speed control and the attitude control.
  • the target value of position and velocity control is given by the pressure control for ascent and the navigation control system for reaching the target point.
  • the target value of the attitude control is to maintain the vertical direction of the central axis Z 048 in order to stabilize the hydrogen hydride reaction during the ascent, and to match the attitude to the docking target during the docking control. Since position / velocity control and attitude control are performed using a common propulsion device 055, the thrust of each propulsion device 055 is calculated after obtaining the conditions that the thrust of each propulsion device 055 must satisfy in order to implement each control independently. Add the required value.
  • FIG. 25 shows the force acting on the underwater lifting device 001 in the position / velocity control.
  • the goal of position and speed control is to generate only the combined movement thrust T 064 for the center of gravity G 053 and not to generate any rotational torque.
  • Each propulsion device 055 is installed on the outer periphery of the upper propulsion surface 059 and the lower propulsion surface 060, which are planes orthogonal to the central axis Z 048 in FIG. 24A, and each propulsion device 055 has an upper propulsion surface.
  • 059 and the lower propulsion surface 060 are generated with an upper propulsion surface movement thrust T U 062 and a lower propulsion surface movement thrust T L 063.
  • the relationship of (Equation 001) is sufficient.
  • bold italics indicate vectors and matrices.
  • each propulsion device 055 to the upper propulsion surface 059 and the lower propulsion surface 060 must cancel the water resistance force 065 as compared with T 1.
  • the water resistance force 065 acts on the buoyancy center C 051, which is the center of the shape of the underwater lifting device 001, so that no rotational torque is generated.
  • Equation 002 is established in FIG.
  • Equation 003 is obtained from the condition that the upper propulsion surface 059 and the lower propulsion surface 060 are not rotated with respect to the center of gravity G.
  • T 'L and T' U is required driving force to the upper propulsion surface 059, and a lower propulsion surface 060 considering water resistance R.
  • FIG. 28 a condition is obtained in which the propulsive forces T L and T U do not generate rotational torque with respect to the upper propulsion surface 059 and the lower propulsion surface 060.
  • the propulsion apparatus 055 having the driving force in the tangential direction of the underwater lifting device 001 at the upper propulsion surface resultant thrust T L and lower propulsion surface resultant thrust T U is the propulsion surface peripheral respectively, as shown in FIG. 28 (b) (c) It is obtained as a resultant force of thrusts T U0 to T U7 080 to 087 and thrusts T L0 to T L7 088 to 095.
  • the underwater lifting device 001 and the seafloor support device 018 are maintained at a specific gravity of about 1.0, the moving speed is 0.1 to 1 m / second, and the movement is extremely low speed, and has a low resistance symmetrical shape.
  • the movement in the y-axis and z-axis directions is subject to water resistance proportional to the speed.
  • R is a water resistance coefficient, and the equation of motion can be expressed by (Equation 008).
  • M is the mass of the underwater lifting device 001
  • R is the resistance coefficient
  • X (t) is the position of the center of gravity G 053 in the reference coordinate system (FIG. 26 (a)).
  • T (t) is the thrust in the reference coordinate system obtained from the navigation control system and the ascent control system for the underwater lifting device 001.
  • the dynamic characteristic of (Equation 008) is an unstable control system and is an unstable system. Control targets are due to variations in the load within the resource recovery unit 007, vibration of the liquid interface inside the underwater lifting device 001, and the progress of the hydrogen hydride reaction. Since there are non-linearities and uncertain events such as changes in the center of gravity, the presence of ocean currents, errors in water resistance as a linear function of velocity, etc., H ⁇ control with strong robustness against the error function of (Equation 009) Configure as a system.
  • Non-Patent Document 9 A configuration example of the H ⁇ control system is a more advanced example of a non-localized system in a three-dimensional space (Non-Patent Document 9), which is a publicly practiced technique for those skilled in the art.
  • the lower right subscript in W T (t) and X T (t) in (Equation 009) indicates the target value, and the upper right subscript indicates the transposed matrix.
  • FIGS. 26 (a) and (b) Posture control is performed using the reference coordinate system and the posture coordinate system with the center of gravity G 053 as the origin.
  • Equation 015 can be expressed as (Equation 017).
  • Components are defined according to the coordinate system of FIG. In FIG. 26 (b), the can generate a X b axis around torque T A0L, T A2L, T A0U , T A2U, Y b axis around torque T A1L, T A3L, T A1U , T A3U, in independently.
  • the torque around Z b axis is generated by superimposing it on T A0L , T A2L , T A0U , T A2U , T A1L , T A3L , T A1U , T A3U .
  • FIG. 29 is a block diagram showing the control logic up to (Equation 027).
  • FIG. 29 shows the position / velocity control system 265 and the attitude control system 266 which are obtained by extending the Z-axis direction control by the yield control 218 in FIG. 21 to the xy axis and the attitude control.
  • the position / speed control system 265 calculates the control amount by (Equation 026)
  • the attitude control system 266 calculates the control amount by (Equation 027)
  • the individual propulsion device control system 253 calculates the command signal to the individual propulsion device.
  • the control of the underwater lifting device 001 is performed by controlling the thrust of the individual propulsion device, it is common to the following operation phases.
  • the individual requests for each operation phase are controlled by the central control 255, the position speed control system 265, and the attitude control system.
  • this can be realized by changing the diagonal component corresponding to the state variable of the diagonal matrix A of (Equation 009) and the feedback coefficient of (Equation 020).
  • the configuration navigation control system is positioned above the operation control system (FIG. 29) in the overall control system (FIG. 32) of the underwater elevator 001, and gives a navigation command 264 to the overall control 255 of the operation control system.
  • a structure with a mechanical connection such as an ascending pipe between the starting point and the arriving point (sea surface support ship or submarine base).
  • Seawater is almost stopped at the bottom of the sea, so the disturbance to the position and speed is small, but it is necessary to consider relative movement with the support ship due to waves at the sea surface.
  • a takeoff port called a moon pool 307 facing the sea is provided in the center of the hull of the maritime command ship 016 like a seabed survey ship.
  • FIG. 30 shows a method for reciprocating the underwater lifting device 001 between the undersea support device 018 and the maritime command ship 016.
  • the underwater lifting device 001 is lowered from the maritime command ship 016 to the seafloor support device 018, the descending path 101 is set in advance.
  • radio waves with straight travel cannot be used, and light transmission is not guaranteed.
  • optical fiber communication is performed for underwater route guidance.
  • Available position sensors include (1) inertial position sensor, (2) depth meter, (3) acoustic sensor, and (4) optical sensor.
  • the position / velocity / attitude is obtained using an inertial sensor and a depth meter, and guidance is performed to minimize the deviation from the descent path 101.
  • the descent path 101 is set to occupy the initial inertial navigation section 103 in a range close to the target seabed support device 018.
  • the optical navigation section 105 is set in the immediate vicinity of the seafloor support device 018, and docked to the seabed resource recovery unit attachment / detachment port 023 through accurate position / speed / posture control.
  • the navigation control system 110 of FIG. 32 operates according to the operation flowchart of the navigation control system of FIG.
  • the process block 524 changes to the marine command ship 016 until the descent starts.
  • the GPS positioning data of a certain submarine resource collection device integrated monitoring and control system 484 is acquired as initialization data. If it is before the start of ascent, the position data held by the seabed support apparatus 018 is acquired as initialization data. This is a measure against the deterioration of accuracy over time due to the accumulation of drift in the inertial navigation system after the start of ascent or descent.
  • processing block 521 navigation data including an inertial sensor, digital compass, and depth meter is acquired.
  • Processing block 522 branches according to the navigation mode (inertial navigation, acoustic navigation, optical navigation, docking navigation).
  • the initial setting at the start of ascent or descent is inertial navigation.
  • the inertial sensor drifts down or rises at a time when the drift error is small, and is guided directly above or directly below the target, and is switched to acoustic guidance, thereby minimizing refraction of sound wave propagation due to seawater temperature distribution.
  • the process of the inertial navigation 108 follows the processing flow of the operation of the inertial navigation system in FIG. Since GPS cannot be used, the current position is calculated by adding the movement distance obtained by the inertial navigation system to the initial position obtained in processing block 524 or 526 in FIG. 33 (processing block 530).
  • the drift of the inertial navigation sensor is estimated from the moving direction obtained from the depth data and the electronic compass.
  • processing block 532 the maximum likelihood latitude / longitude, velocity, and posture corrected with the drift estimation value are obtained, and further, the deviation from the target route is obtained.
  • the acoustic distance measurement range 122 is set in a conical shape directly above or directly below the final target point (submarine resource recovery unit attachment / detachment port 023, underwater lifting device port 100) with high straightness in consideration of refraction of the sound wave propagation path.
  • the processing block 534 issues a sound generation command to the acoustic navigation system 108.
  • an echo from the transponder installed at the target point is received and confirmed.
  • the signal level exceeds the threshold and the distance is less than the threshold.
  • acoustic navigation is performed. Switch to mode.
  • the principle and realization method of acoustic navigation 10 6 are shown in FIG.
  • the sound sensing element A 132, the sound sensing element B 133, the sound sensing element C 134, and the sound sensing element D 135 are installed on the curved surface 140 of the underwater lifting device 001.
  • a sound generating element 131 is installed at the center of these elements, and sounds are generated periodically when the sound navigation section 104 is entered.
  • the transponder installed in the seabed resource recovery unit attachment / detachment port 023 returns an echo, a time lag occurs in the arrival of the echo signal to each sound sensing element as shown in FIG. That is, in FIG.
  • the echo from the transponder 136 reaches the sound sensing element C 134 by the sound wave transmission surface 1 137, and reaches the sound sensing element A 132 by the sound wave transmission surface 2 138, resulting in a time lag.
  • This situation is shown three-dimensionally in FIG. 35 (d), which is calculated from the difference in the arrival time of the echo signals to the four sound sensing elements A to D 132 to 135 surrounding the origin O on the XY plane. Indicates that the transponder orientation vector 139 is obtained. The distance to the transponder 136 is also obtained from the difference between the sounding time and the arrival time of the echo. If the sound source is a point sound source, the calculation is not easy.
  • Acoustic ranging uses the same principle as active sonar, but (1) it is not necessary to create an image of the target, and (2) a transponder can be installed on the target. (3) The purpose is to guide directly under or directly above the target. (4) Precise target orientation can be simplified and reduced in output because it depends on optical navigation.
  • FIG. 36 shows the configuration and operation of an apparatus used for acoustic navigation.
  • the piezoelectric vibrator of the acoustic navigation apparatus in FIG. 36 (b) is a piezoelectric ceramic widely used in active sonar as the sound sensing elements A to D 132 to 135 and the sound generation element 131, and the vibration signal pattern of FIG. Is applied to the piezoelectric vibrator to oscillate the sound wave.
  • vibration transmission and vibration reception are performed by different piezoelectric elements, but they may be made common.
  • the acoustic navigation device shown in FIG. 36 (b) is installed on the underwater elevator 001, and the transponder shown in FIG. 36 (c) is installed on the marine commander 016 and the submarine support device 018.
  • the operation of the acoustic navigation is as described in (c) the processing sequence, and the acoustic navigation device (2) performs signal transmission in response to a vibration transmission command from the navigation control system.
  • the transponder (3) detects vibration and immediately (4) transmits the echo.
  • Ch0 to 3 echo reception is performed by the acoustic navigation device 141.
  • Ch0-3 data is recorded by (9) standby. The correlation between the standby recording data and the transmission signal is performed in (10) and (11), and the propagation delay time for each receiving element is obtained.
  • FIG. 37 is a processing flow showing the operation of the acoustic navigation system using the acoustic navigation apparatus. 36. Reciprocal sound wave propagation delay of each of the A, B, C, and D receiving elements obtained in processing block 546 is acquired (processing block 550), and the distance from the target to the target based on the average delay time of each element and underwater sound speed in processing block 551. Ask for. A case where the sound source is approximated by a surface sound source will be described in detail with reference to FIGS. 38A to 38C.
  • the transponder azimuth vector 139 indicates the penetration direction of the sound wave, and the angle formed with the XY plane is ⁇ , and the angle formed by projection onto the XY plane with the X axis is ⁇ .
  • AB is the direction of arrival of sound waves
  • (b) is a view as seen from above the Z-axis.
  • (B) is cut along a plane including the sound wave arrival direction AB and the Z axis, and shows the relationship between the sound wave propagation path and the delay time with respect to the sound sensing elements A to D 132 to 135.
  • processing block 552 the transponder orientation is corrected with the attitude data obtained from the inertial sensor, and in processing block 553, the position of the underwater lifting device is obtained from the known transponder position. If the distance from the transponder is tens of meters and the vertical deviation is in the optical measurement range (within a viewing angle of 20 to 30 °), proceed to processing block 555 to determine whether the target light emission has been detected, and then rationally detect it If it is within the range (not a false detection), the processing block 556 switches to the optical navigation mode.
  • the distance of light is shortened by mud that rolls up, but accurate positioning is possible at short distances of 10 to several meters or less, so the final control using LED light-emitting elements is possible.
  • the principle of optical navigation in the optical navigation 10 7 will be described with reference to FIGS. 39 (a) (b) (c) (d).
  • the imaging device 150 detects the light emission of the light emitting elements A to D 151 to 154 installed in the vicinity of the seabed resource recovery unit attachment / detachment port 023 above the seabed resource recovery unit attachment / detachment port 023, the underwater lifting device 001 detects the acoustic navigation section 104. To the optical navigation section 105.
  • the light emitting elements A to D 151 to 154 are blinked at different periods, and the light emitting elements according to the difference in period are specified.
  • the imaging device 150 is installed at the tip of the central axis of the underwater lifting device 001 so that the light emitting elements A to D 151 to 154 can be caught in the front.
  • an image of (d1) in FIG. When it is shifted to the light emitting element BC side, the image of (d2) in FIG. When it is shifted to the light emitting element CD side, the image of (d3) in FIG. When it is shifted to the light emitting element DA side, the image of (d4) in FIG.
  • FIG. 39 (b) shows the principle of optical navigation.
  • the imaging device 150 installed at the tip of the underwater lifting device 001 is a normal electronic camera, and may have a viewing angle of about 24 to 35 ° at 1000 ⁇ 1000 to 4000 ⁇ 4000 pixels.
  • FaFbFcFd is the imaging surface 156, and images of the light emitting elements A to D 151 to 154 are formed as shown in FIG.
  • FIG. 39B shows the imaging device 150 installed at the tip of the underwater lifting device 001.
  • Pixel positions of images of light emitting elements A to D 151 to 154 on the imaging surface 156 Light emitting element A (Ha, Va), light emitting element B (Hb, Vb), light emitting element C (Hc, Vc), light emitting element D (Hd, Vd) (2) Identification information of light emitting elements A to D 151 to 154 (3) Focal length Lf 155 of imaging device 150 (4) Vertical and horizontal angle of view ( ⁇ V , ⁇ H ) and the number of vertical and horizontal pixels (Vmax, Hmax) of the imaging device 150 (5) Center point latitude and longitude (LatT, LonT), depth (DpT) of light emitting elements A to D 151 to 154 (6) Angle ⁇ formed by line AC connecting light emitting elements A, C 151 and 153 with the horizontal plane (7) Angle ⁇ formed by a line BD connecting light emitting elements B, D 152, and 154 with a horizontal plane (8) Angle ⁇ between north and south (Y axis) of straight line
  • the above (1) and (2) are measurement data of the imaging device 150, (3) and (4) are unique data of the imaging device 150, and (5), (6), (7), and (8) are submarine support devices. Or it is actual measurement data with the maritime command ship 016, and all are known.
  • Reference coordinate system at the position of underwater lifting device 001 (XYZ X axis: East-West Y axis: north-south Z-axis: vertical) Defines the P, the coordinate system representing the attitude of the underwater lifting device 001 (X b Y b Z b ) P b Define The submarine resource recovery unit attachment / detachment port 023 in FIG. It is assumed that the view coordinates P t of the target orientation vector 157 are obtained by rotating the quarterion Q T with respect to the target orientation vector 157. The seabed resource recovery unit attachment / detachment port 023 in this coordinate system is projected onto the imaging plane 156 to obtain the image of FIG.
  • Submarine resource recovery unit attachment / detachment port 023 is reference coordinate P On the plane perpendicular to the Z axis (the seabed) and the reference coordinate P Therefore, the plane formed by the target orientation vector 157 and the seabed resource recovery unit attachment / detachment port 023 is not perpendicular.
  • FIGS. 40A and 40B show details of the PAC and PBD of FIG. 39B.
  • A is a point where the light emitting element A 151 exists, and the same applies to BCD.
  • M is the intersection of AC and BD.
  • the imaging coordinates on the imaging surface 156 for A, B, C, and D are shown in FIG. In the HV coordinates, the upper left is (0,0) and the lower right is (Hmax, Vmax).
  • the coordinates of the intersection M of the line AC connecting the light emitting elements A and C and the line BD connecting the light emitting elements B and D are given below.
  • FIGS. 40 (a) and 40 (b) from the viewpoint P, when the angles for viewing the line segments AM and MC are ⁇ and ⁇ , and the angles for viewing the line segments BM and MD are ⁇ and ⁇ , they are given by (Expression 030).
  • R is the distance from the viewpoint P to the intersection M of AC and BD
  • r is the distance from the light emitting element to M
  • ⁇ and ⁇ are the angles formed by the line segments AC and BD with respect to the plane perpendicular to the line-of-sight vector PM. Then, it is given by (Equation 031).
  • ⁇ , ⁇ , ⁇ , and ⁇ are obtained from the coordinates of the image of the light emitting element on the imaging surface 156 as in (Equation 032), and thus R, ⁇ , and ⁇ in (Equation 032) are determined.
  • indicates rotation with respect to reference coordinates around the line-of-sight vector PM.
  • Equation 031 it is assumed that the seabed resource recovery unit attachment / detachment port 023 is horizontal, but generally it is inclined with a certain attitude angle.
  • rcos ⁇ and rcos ⁇ may be used instead of r.
  • Figure 40 from (c) it is possible to obtain the relationship between the coordinate system representing the attitude of the underwater lifting device 001 (X b Y b Z b ) P b and eye coordinates P t of the target orientation vector 157 (number 034).
  • the definition of Pitch, Yaw, and Roll follows FIG. A If the Kuoterion of rotation (number 033) and Q t (number 035).
  • Equation 036 is obtained from (Equation 035) and (Equation 030), and the attitude of the underwater lifting device 001 with respect to the reference coordinate P becomes clear.
  • 41 is obtained from (Equation 031) and (Equation 032), and the processing block 562 is obtained from (Equation 035).
  • the center point latitude and longitude (LatT, LonT) and depth (DpT) of the light emitting elements A to D 151 to 154 are known, so the position P of the underwater lifting device of the processing block 563 is derived from (Numerical 030) derived from (Numerical 030). Is obtained.
  • command value calculation to the operation control system is performed in the processing block 523 in FIG. 33, and the underwater lifting device 001 approaches the submarine resource recovery unit attachment / detachment port 023 by the operation control system in FIG.
  • the processing block 564 assumes the reachable range of the docking LED in FIG. 43.
  • the processing block 566 switches to the docking mode when approaching several meters to 10 meters.
  • the processing block 565 does not switch to the docking mode when a constraint such as an off-nadir angle of ⁇ 20 ° for viewing a light emitting element from the imaging device 150 is not satisfied.
  • FIG. 42 shows the details of the processing block 560 in FIG.
  • the figure shows a method of identifying individual LEDs by periodically changing the blinking pattern of four light emitting elements and performing imaging asynchronously with a period shorter than the blinking period by the imaging device.
  • the apparatus has a configuration shown in FIG. 42 (c) with a light emitting marker and FIG. 42 (d) with an image sensor, and repeats the light emission patterns P0, P1, and P2 with a period TL as shown in FIG. 42 (a) with a processing period.
  • a plurality of light emission patterns are prepared as shown in (b) Pattern Code of the light emission pattern, but any one may be adopted in the optical navigation.
  • the reason for preparing a plurality is to use a plurality of light emitter sets and imaging devices during docking control.
  • the CPU of the imaging sensor performs calculation according to (e) processing flow.
  • the recognition processing in the processing blocks 571 to 576 is skipped until the period when the 4 LEDs are lit, and only the image recording is performed in the processing block 577.
  • 4LEDs on means the start of the LED pattern period.
  • the imaging device since the imaging device operates asynchronously with a cycle shorter than the LED issuance cycle, there is a possibility that images of 2LED lighting may overlap between images of 4LED lighting.
  • the pattern ⁇ sequence Code of the corresponding light emission pattern is obtained. Since each LED can be identified, the identification number of the LED is assigned in processing block 576, and the pixel coordinates on the imaging surface are transmitted and output.
  • FIG. 43 (a) illustrates the relationship between the underwater lifting / lowering unit 005, the resource recovery unit 007, and the seabed resource recovery unit attachment / detachment port 023 of the seabed support device 018 in docking operation.
  • An example will be described in which an empty resource recovery unit 007 is installed in the submarine resource recovery unit attachment / detachment port 023 at the final stage of descent.
  • the resource recovery unit 007 and the underwater lifting / lowering unit 005 can be attached / detached, the gripping body (four in this example) attached to the circumference of the resource recovery unit 007, the underwater lifting / lowering unit 005, and the submarine resource recovery unit attachment / detachment port.
  • the resource recovery unit 007 is connected to the underwater lifting / lowering unit 005 or the submarine resource recovery unit attachment / detachment port 023 is selected by the latter preferentially by the grippers (four in this example) installed at 023 It has a structure.
  • image sensors ABCD are arranged at equal intervals as shown in FIG.
  • FIG. 43 (b) D light emitters consisting of four sets of LEDs are installed in the periphery of the seabed resource recovery unit attachment / detachment port 023 corresponding to this image sensor.
  • the relationship between the LED and the imaging device is the same as the relationship between the LED and the imaging device in the principle of optical navigation (1) in FIG. 39, and the position and orientation of the underwater lifting device 001 are controlled so that the imaging device is at the center of the light emitting LED.
  • grips shown in FIGS. 43 (c) b and c are installed at the positions of FIGS.
  • FIG. 44 (f) to 44 (j) show the operation from when the unloaded resource recovery unit 007 is disconnected by the underwater lifting / lowering unit 005 to be disconnected and installed at the seabed resource recovery unit attachment / detachment port 023 and then lifted again.
  • FIG. 44 (f) shows a state immediately before docking the resource recovery unit 007 and the underwater lifting unit 005 to the submarine resource recovery unit attachment / detachment port 023 in a state where the underwater lifting unit 005 side gripper 171 and the gripping body 170 of the resource recovery unit 007 are connected.
  • a key mechanism 174 is recessed at the center of the underwater lifting / lowering unit 005 side gripper 171 so that the fitting portion 177 of the rotation mechanism 175 is pressed from above so that the gripping body 170 does not open upward.
  • FIGS. 43 (a) A and B are docked.
  • the image pickup devices A, B, C, and D are installed on the lower surface A of the underwater lifting / lowering unit 005.
  • the light emitting LED is arranged, and the docking control similar to the docking of the resource recovery unit 007 is performed.
  • the load-carrying resource recovery unit 007 connected to the seabed resource recovery unit attachment / detachment port 023 is connected to the underwater lifting / lowering unit 005 and disconnected from the seabed resource recovery unit attachment / detachment port 023. The operation until it lifts again is shown.
  • the gripping body 170 of the resource recovery unit 007 and the seabed resource recovery unit attachment / detachment port 023 side gripper 171 are connected.
  • FIG. 45 shows the structure of the gripper and the gripper in a triangle drawing.
  • the gripping arm 178 is held by the support mechanism 176 via the six rod-like rotation mechanisms 175 and bears a load.
  • Processing block 580 branches to resource recovery unit disconnect docking (processing block 581) or resource recovery unit recombination docking (processing block 580).
  • the processing block 581 and the processing block 580 are the same as the processing of the processing blocks 560 to 563 in the optical navigation system diagram 41 without any difference except for the parameters, and the relative positional relationship between the LED light emitter and the image sensor is obtained.
  • the difference from the optical navigation system diagram 41 is that there are a plurality of combinations (four sets in the embodiment) of LED light emitters and image sensors.
  • Operation mode control Fig. 32 shows the overall control system configuration of the submarine lifting device, but the control is not accompanied by movement other than the navigation control system 110 and the operation control system (Fig. 29) performed when the submarine lifting device 001 moves. However, there is an operation mode control 112 that changes the liquid composition in preparation for the next movement.
  • the operation mode control 112 is positioned at the highest level that controls the entire control system of the submarine lifting device. Receive.
  • the operation mode includes a route control with movement and a fluid configuration control in which the liquid configuration is changed in a stationary state. Which one is executed for each operation mode and what is the completion condition is shown in FIG. It is specified in the list.
  • the completion condition shown in FIG. 48B is checked in the processing block 591. If the completion condition is not satisfied, the operation mode currently being executed is continued. When the completion condition is satisfied, the transition destination operation mode is selected. Actually, the operation mode No. in the operation mode list in FIG. In order to change the operation mode, it is necessary to realize the piping state and liquid configuration shown in FIGS. 49 to 58 corresponding to the transition destination operation mode.
  • processing block 593 a valve and pump operation sequence is selected.
  • processing block 594 either fluid control (processing block 595) or route control (processing block 596) is selected corresponding to the operation mode of the transition destination. *
  • Fluid configuration control Control that changes the fluid configuration by changing the fluid configuration in the underwater lifting unit 005, which is a component of the underwater lifting device 001, and controlling the piping state so as to realize the internal state corresponding to each operation mode. is there.
  • the processing flow 2 in FIG. 48C controls the operation mode transition from FIG. 49 to FIG.
  • Processing block] 601 checks whether the completion condition shown in (b) operation mode list is satisfied, and processing block 602 performs the following controls (1) to (10) corresponding to the operation mode.
  • (A) Underwater lifting device 001 The operations described in “V Underwater Elevator 1 Control System, 2. Navigation System, 3 Docking Control” are independently performed in the state where the underwater elevator 001 is not connected to the submarine support device 018 and the maritime command ship 016. To do. Toluene is sent from the liquid tank 004 section 3 of the underwater lifting device 001 via P14 as P3 and led to the hydrogen gas absorption reactor 005 together with the hydrogen gas in the buoyancy tank 003 to generate MCH. The generated MCH is sent to the section 2 of the liquid tank 004 via P2 via P2.
  • the seawater in the buoyancy tank 003 section 1 is drained into the sea by P1 via V2 and V8.
  • the pressure in the buoyancy tank 003 is approximately equal to the seawater pressure.
  • the submarine support device 018 is obtained by combining four units of the submarine lifting unit 005 with the submarine support device platform mechanism 027 in the embodiment of FIG. Instead of the resource recovery unit 007, the submarine support device platform mechanism 027, the hydrogen gas generation device 024, and the mineral collection device 019 can be regarded as floating, horizontally moving, and descending as loads. The principle of movement is the same as that of the underwater lifting device 001, and the control system is configured as a composite system of the underwater lifting device 001.
  • FIG. 1 Differences from the underwater lifting device 001 will be analyzed, and it will be described below that it can be handled in the same manner as the underwater lifting device 001 by changing parameters.
  • FIG. 4 the submarine support device 018 is a. There is about 4 times the weight.
  • b Water resistance in the Z-axis direction is large.
  • c There is no rotational symmetry around the Z axis (vertical direction), and the XY axis (horizontal direction) has a wide span.
  • d The Z-axis large propulsion device 200 installed at the end of the submarine support device platform mechanism 027 makes it easy to obtain torque around the XY axes.
  • the center of gravity Ws 202 is at a lower position in the upper part of the submarine support device platform mechanism 027 and has no symmetry in the z-axis direction.
  • (2) Coordinate system seafloor support device 018 FIG. Underwater elevator 001 Figure 26 By doing so, it can be handled in a unified manner with the underwater lifting device 001.
  • Propulsion device and control vector (1) Corresponding to the differences described in the section of (1) Structure and weight, by arranging the large propulsion device 200 and the medium propulsion device 201 as shown in FIG. The rotational torque is as shown in FIGS.
  • the dynamic characteristics can be handled uniformly with the underwater lifting device 001.
  • the concept of the upper propulsion surface 059 and the lower propulsion surface 060 is applied similarly to the underwater lifting device 001, and the propulsion devices are concentrated on two planes (upper plane and lower plane) perpendicular to the Z axis.
  • the upper propulsion surface 059 is set at a position higher than the center of gravity
  • the lower propulsion surface 060 is set at a position lower than the center of gravity.
  • the propulsion device on the lower propulsion surface 060 is installed at a position lower than the center of gravity of the peripheral portion of the submarine support device platform mechanism 027, and the propulsion device is large because the weight is concentrated in the lower portion.
  • the submarine lifting device 001 can be applied to the submarine support device 018 (as in (Equation 001) to (Equation 037)).
  • a. 2 Movement control The same control as the seabed support device 018 is performed.
  • Attitude control The same control as the seabed support device 018 is performed.
  • C Rendezvous terminal control is not required because it is a soft landing near the designated point on the seabed and the sea command ship 018 ascending near the crane at the time of ascent.
  • the construction procedure of the control system is constituted by the following procedure same as that of the underwater lifting device 001.
  • A) Position and speed control (b) Attitude control (c) Control amount integration (D)
  • Control system configuration For the block diagram of the control system, see FIG. Underwater elevator 001 Figure 29 Contrast with The submarine support device 018 has the following a. b. Since it is necessary to perform control that is not in the underwater lifting device 001, description will be made with reference to FIG. a. Since the four submarine lifting units (in this embodiment) are integrated by the submarine support device platform mechanism 027, unlike the case of the submarine lifting device 001, the depth and depth change are controlled by the propeller to The operation for setting the seawater pressure deviation near 0 cannot be applied as it is. b. It is necessary to descend while maintaining buoyancy while generating hydrogen gas when descending.
  • the submarine lifting units 0 to 3 0050 to 0053 individually have hydrogen absorption reactors, but since the depth is common, when the water pressure is P W , the pressure of each submarine lifting unit is P H0 , P H1 , P H2 , P H3 , the differential pressure detected by the pressure sensor is However, if water is poured into the buoyancy tank, the hydrogen gas volume becomes unbalanced and the buoyancy becomes unbalanced. As a result, the submarine support device platform mechanism 027 cannot be kept horizontal.
  • the hydrogen absorption reaction control system 258 controls the toluene flow rate Ft and the reactor temperature T to change the reaction amount to balance the buoyancy.
  • the control of which submarine lifting / lowering unit increases / decreases the reaction amount is performed by the overall control 255 such that the dispersion approaches 0 with respect to the differential pressure with respect to each submarine lifting / lowering unit. Effectively, the toluene flow rate Ft is increased for the underwater lifting unit that should increase the hydrogen gas pressure, and the toluene flow rate Ft is decreased for the underwater lifting unit that should decrease the hydrogen gas pressure.
  • the hydrogen gas generation device 024 is used, and the pipe connection of FIG. 77 is used, and the hydrogen gas generation unit control system 268 in the block diagram of the control system of the seabed support device of FIG.
  • the number of hydrogen gas moles in the buoyancy tank 003 of each underwater lifting unit 005 is increased by the valve / pump (V0, P0) control system.
  • the depth is controlled by the large-sized propulsion device 200 and the medium-sized propulsion device 201 in FIG. 59 so that the buoyancy due to the increased hydrogen gas is constant.
  • the hydrogen absorption reaction control system 258 controls the hydrogen absorption reactor 260 along with the total time in the hydrogenation reaction to decrease the number of moles of hydrogen gas.
  • the hydrogen gas generator 024 is operated when descending to increase the number of moles of hydrogen gas over time, and a valve corresponding to individual underwater lifting unit 005 ⁇
  • the number of hydrogen gas in the buoyancy tank 003 of each underwater lifting unit 005 is increased by the pump (V0, P0) control system, and the depth is increased by the large propulsion device 200 of FIG. 59 so that the buoyancy due to the increased hydrogen gas becomes constant.
  • FIG. Underwater elevator 001 Figure 20 Contrast with In FIG. 20, the number of moles of hydrogen gas decreases with time and becomes equivalent to 1 atm at the sea level, whereas in FIG. 67, starting from a state where the number of moles is equivalent to 1 atm at the sea level, It shows the operation to increase the number of moles of hydrogen gas so that the corresponding number of moles.
  • Fluid configuration control Underwater lifting device 001 which is a common component with submersible lifting unit 005, replaces the fluid configuration, and changes the liquid configuration by controlling the piping state so as to realize the internal state corresponding to each operation mode. Since it is control, the principle is the same as that of the underwater lifting device 001. However, since the operation is different from the underwater lifting device 001, FIG. 70 is applied instead of FIG. (A) and (c) Processing flows 1 and 2 are the same as those in FIG. To shift the operation mode, the following controls (1) to (10) are performed according to the operation mode list in FIG. 79 (b) and the piping system in FIGS. 71 to 80 corresponding to each mode. (1) Ascending (Operation mode 1 Fig. 71) (A) Submarine support device 018 The same control as the underwater lifting device 001 is performed. (B) There is no piping connection with other maritime command ships and other systems, and they are operated independently.
  • the buoyancy tank 003 is filled with 1 atm of hydrogen gas so that the entire seafloor support device 018 has the same specific gravity as seawater on the sea surface. Is 1.0.
  • hydrogen gas is generated by the hydrogen gas generator 024 and lowered while maintaining buoyancy.
  • the piping connection of FIG. 77 causes the hydrogen gas generation control system 268 in the block diagram of the control system of the seabed support apparatus of FIG. (B)
  • FIG. 15 (a) shows a state during normal operation, in which the ramp way 025 for the mineral collecting device 019 is in an unfolded state, and the hydrogen gas in the underwater lifting unit 005 has a specific gravity of 1 for the submarine support device 018.
  • the volume has been reduced to be greater than 0.0.
  • FIG. 15 (b) carries a mineral collecting device 019 in preparation for movement, accommodates the ramp way 025, increases the amount of hydrogen gas by electrolysis, and sets the specific gravity of the seabed support device 018 to 1.0.
  • FIG. 15D shows a state in which the specific gravity of the seabed support apparatus 018 is made larger than 1.0 by reducing the volume of hydrogen gas.
  • B There is no piping connection with other maritime command ships and other systems, and they are operated independently.
  • Submarine support device 018 is provided with a hydrogen gas generator 024 for the purpose of generating buoyancy as shown in FIG.
  • the structure of the hydrogen gas generator is as shown in FIG. 81.
  • four sets of hydrogen generation are generated corresponding to the fact that four sets of underwater lifting units 0 to 3 are mounted on the seabed support device 018.
  • Units 0 to 3 351 to 354 are installed.
  • each submarine lifting unit of the submarine support device 018 can send pure water to the hydrogen gas generator 024 via the valves 6 and 13 (V6, V13) by the pump 4 (P4).
  • the electricity for electrolysis is supplied from the distribution board 482 of the submarine support device 018 to the hydrogen gas generation unit distribution board 480 which is the distribution board of the hydrogen generation units 0 to 3 351 to 354, and is passed through the safety cutoff switch 360. Supplied to the water electrolysis lamination unit 359.
  • the water electrolysis laminate unit 359 is normally operated at the rated continuous operation, but the safety shut-off switch 360 is provided for each individual water electrolysis laminate unit 359 via the hydrogen gas generation unit control panel 482. ON / OFF and control valve 360 can adjust the water flow rate.
  • the hydrogen gas generation unit control panel 482 is controlled by the seabed support device monitoring control system 446 via the hydrogen gas generation control device interface 464 of the seabed support device control system 431. Hydrogen gas generated in the water electrolysis stacking unit 359 is accumulated in the buoyancy tank 003 by the pump 0 (P0) via the valve 0 (V0) of the underwater lifting unit shown in FIGS.
  • the water electrolysis lamination unit 359 corresponding to each underwater lifting unit is composed of a plurality of units.
  • Each water electrolysis lamination unit 359 has the structure of FIG. 80 and is known as a solid polymer type laminated fuel cell / electrolysis apparatus.
  • a hydrogen gas fuel cell is a device that generates hydrogen by supplying hydrogen gas and oxygen, and generates electricity at that time. It is widely known that gas can be generated.
  • FIG. 80 shows the structure of the water electrolysis laminate unit, which is publicly implemented. Hydrogen gas fuel cells have already been commercialized for small size and durability for automobiles. For Toyota MIRAI, the stack is 370 sheets, power generation capacity 114kw, volume 37 liters weight 56kg.
  • the submarine support device 018 When configured as a hydrogen gas generator by water electrolysis using the same level of technology, it takes 10 hours to generate 280 m 3 of hydrogen gas per day at 500 atm under the seafloor at 500 m underwater. / day when driving, 1,000 of MIRAI level water electrolysis laminate unit 56 tons weight, and 37m 3.
  • the submarine support device 018 has 4000 water electrolysis stacking units, but is within a range that can be mounted with a margin from the weight requirement of the submarine support device 018.
  • the operating depth is assumed to be 5000m, but the depth is 1 / 3m, 1700m, the operating time is 24 hours / day with a charging device installed on the ship, and the recovered ore amount is 1/4 to 250t / day.
  • the number of water electrolysis lamination units can be reduced to 140 units. What is necessary is just to cope with future cost reduction of the water electrolysis lamination unit / fuel cell.
  • the reason for the performance degradation of water electrolysis is that the current is hindered by the bubbles of the cracked gas generated at the electrodes and the efficiency is reduced. To prevent this, devices that perform electrolysis in a pressurized environment are also products. It has become.
  • the high-pressure environment on the sea floor is suitable for electrolysis, and there is no factor that hinders the operation in the high-pressure environment in terms of structure.
  • the voltage applied to one layer is electrochemically determined and is 1.4 to 2V. In the case of MIRAI, since 370 layers are 600V, one layer is 1.6V. Since the power for electrolysis is supplied from the marine command ship 016 with a submarine power cable, it is required to reduce the weight of the water and reduce the water resistance so as not to affect the dynamic characteristics of the submarine support device 018 and the submarine lifting device 001. It is desirable to increase the number of stacks to support high-voltage power transmission.
  • the seabed resource recovery device requires electric power for generating hydrogen gas.
  • Maritime command ship 016 is anchored at a fixed point on the ocean, so by performing solar power generation using the sea surface, the generated power can be transported as MCH (methylcyclohexane) as hydrogen energy, so the problem of power transmission and the problem of securing land Does not occur.
  • MCH methylcyclohexane
  • Tidal Current and Wave Conditions The seafloor resource harvesting apparatus according to the present invention is intended for the Pacific sea area shown in FIG. 5, particularly for sea areas north of the equator and near Ogasawara.
  • the wave height of this region is predicted by the Japan Meteorological Agency, and the ocean current distribution is shown by the Japan Coast Guard as shown in FIG.
  • the ocean current is 0.5 to 1.5 knots, and the wave height is 3 m or less except for typhoons and low-pressure sea areas.
  • the power generation efficiency will be 0.55 kWh / m 2 at 10% (2020). If 1,000 tons of water is collected from a seabed of 5000 m a day, 1000 m 3 of 500 atm hydrogen must be generated. Since the required power is 2500 MWh, the power generation area is 4.5 km 2 . The launch and recovery from seabed 5000m and 1700m as 1/3, if reducing the recovery ore weight 250 ton / day of 1/4, the power generation area becomes 0.38km 2. (3) Deployment and withdrawal In case of typhoon, withdraw to avoid damage and deploy after passing. The deployment is completed in 2-3 hours with the involvement of a small number of people, and the withdrawal is completed. (4) Maintainability Since it has a large area, it must be possible to detect defects on the ship and replace them on the ship.
  • FIGS. 82 An offshore solar power generation apparatus according to “2. Requirements for power supply apparatus” is shown in FIGS.
  • the offshore solar power generation device can be replaced with a generator mounted on the maritime command ship 018.
  • FIG. 82 (a) shows the unfolded state of the solar cell. From the maritime command ship 016, a plurality of solar cells on the strip are deployed toward the downstream side of the ocean current 410. Since the Marine Command Ship 016 has stopped at a fixed point, it will be swept away by a current of 0.5 to 1.5 knots and deployed.
  • the towline 403 connects the solar cell strip to the maritime command ship 016.
  • FIG. 82 (b) shows a solar cell strip 401.
  • a self-propelled solar cell deployment device 404 is provided at the tip, and the solar cell strip 401 is unfolded while being unfolded while unfolding. Withdraw while retracting.
  • the marine command ship 016 side has a structure in which the solar cell strip traction plates 390 connected to each other are pulled by the tow rope 403, and the solar cell strip terminal bar 391 at the end of the solar cell strip 401 is the solar cell strip puller. Connected to plate 390.
  • the solar cell strip 401 is a solar cell unit 412 connected in a strip shape, and a solar cell unit 412 is formed by sticking a solar cell film 400 of a certain length on a foamed plastic 407 sheet and sealing it with a protective film 402.
  • the solar cell unit 412 floats on the sea surface under its own weight.
  • the protective film 402 protects the solar cell film 400 from the environment such as seawater and also enhances the strength of the solar cell unit 412.
  • the micro inverter 405 is a semiconductor circuit for converting the DC voltage generated by the solar cell film 400 into AC and collecting the current on the AC cable 406, and is provided for each solar cell unit 412.
  • the solar cell strip 401 is wound and accommodated on the rotary drum 415 (FIG. 84) of the self-propelled solar cell deployment device 404.
  • the rotary drum 415 having a radius of 0.5 m is used.
  • the solar cell strip 401 of about 5 km can be accommodated by winding up to a radius of 2 m.
  • microinverter 405 has progressed in recent years, since it is a semiconductor circuit, there is no essential obstacle to configuring it with a thickness of 4 mm, and the structure is embedded in the solar cell unit 412.
  • the solar cell unit 412 is connected to the adjacent solar cell unit 412 by a zipper joint 408.
  • the solar cell strip 401 is also provided with a function of absorbing stress caused by waves or the like.
  • Riding prevention fins 409 are provided on the sides of the solar cell strip 401 so as not to ride on the adjacent solar cell strip 401.
  • the anti-climbing fin 409 is elastic so as to be flat when winding.
  • the solar cell strip 401 is accommodated in the maritime command ship 016 while being wound around the rotary drum 415 of the take-up wheel 414 in FIG. 86, and deployed in the target sea area.
  • the solar cell strip 401 that had been deployed when the typhoon was approaching must be withdrawn in a short time (2 to 3 hours) with a small number of involved personnel, and then redeployed after recovery from sea conditions. Must have a structure.
  • FIG. 84 shows the structure of a self-propelled solar cell deployment device used for deployment and withdrawal of the solar cell strip 401.
  • the traction cradle 411 is a floating body that houses a winding wheel 414 in the center and sails offshore to wind or wind the solar cell strip 401.
  • All the propulsion motors 412 are installed on both sides and advanced by a water jet. Treatmenting and changing needles are possible.
  • a central portion of the tow cradle 411 has a hole for storing the take-up wheel 414 and is fixed to the tow cradle 411 by a fixing device 417 for the central core 413 of the take-up wheel 414.
  • Fixing device 417 and central shaft 425, take-up motor 416, rotation transmission device 418 Is secured to the illustration and secured to the traction cradle 411.
  • the rotating drum 415 is in contact with the central shaft 425 via the rotating bearing 424, and the rotation of the winding motor 416 is transmitted by the rotation transmitting device 418.
  • FIG. 85 is a top view and a side view of the self-propelled solar cell deployment device.
  • the traction cradle 411 can hold its own shape, and may be a resin cavity or an air-expanded rubber boat as long as it has buoyancy sufficient to prevent the rotation of the central core 413 of the winding wheel 414.
  • the moving speed of the tow cradle 411 is around 1 m per second from the unfolding / withdrawing speed of the solar cell strip 401.
  • FIG. 83 shows the procedure for deployment and withdrawal of the solar cell strip 401.
  • FIGS. 83 (1), (2), and (3) are diagrams in which the self-propelled solar cell deployment device 401 is sequentially connected to the tow rope 403 and flows toward the downstream of the tidal current.
  • 83 (4) and 83 (5) show a procedure for extending the tow rope 403 so that the self-propelled solar cell deployment device 404 is perpendicular to the ocean current 410.
  • FIG. 86 shows the operation of the solar cell strip pulling plate 390 when the solar cell strip 401 is deployed.
  • the solar cell strip traction plates 390 are connected to each other by a solar cell strip traction plate joint 392 and are pulled by the marine command ship 016 by the traction cord 403 (FIG. 86 (a)).
  • a traction cradle 411 is connected to each solar cell strip traction plate 390 by a traction cradle gripping arm 393.
  • a solar cell strip end bar 391 that is the end of the solar cell strip 401 is held by the solar cell strip traction plate 390 by a solar cell strip end bar holding arm 395.
  • the traction cradle gripping arm 393 and the solar cell strip end bar gripping arm 395 can be controlled to be gripped and released by the traction cradle gripping arm drive mechanism 394 and the solar cell strip end bar gripping arm drive mechanism 396, respectively.
  • Fig. 86 (b) 83 (1) to 83 (3), the winding wheel 414 around which the solar cell strip 401 is wound is set to the traction cradle 411, and the solar cell strip end bar 391 is held by the solar cell end bar holding arm 395.
  • Solar cell strip 401 is solar cell strip traction plate 390
  • the current collecting cable 397 is connected to the solar cell strip 401.
  • the traction cradle gripping arm 393 is released and the propulsion motors 420 and 421 are driven to advance the self-propelled solar cell deployment device 404 (FIG. 83 (6)).
  • the removal of the solar cell strip 401 is performed in the reverse order of deployment.
  • the self-propelled solar cell deployment device 404 is controlled by the solar cell strip self-propelled deployment control system 467 of FIG.
  • Optical interface to know the position of self-propelled solar cell deployment device 404 by GPS 419
  • a deployment / removal command is received from the power supply monitoring and control system 450 (FIG. 90) via the 453.
  • the arithmetic unit 442 controls the winding motor 416, starboard propulsion motor 420, and port propulsion motor 421 of the rotating drum 415 via the rotation speed control motor drive device 423.
  • the position control motor drive device 429 controls the direction of the otter board 426 for deployment direction control by tidal current after deployment.
  • the purpose of the solar cell strip self-propelled deployment control system 467 is to control the deployment / removal speed of the solar cell strip 401 to a specified value (constant value), to control the tension applied to the solar cell film 400 to be constant, and
  • the traveling direction of the self-propelled solar cell deployment device 404 is set to a specified direction.
  • 88 and 89 show the operation of the solar cell strip self-propelled deployment control system.
  • a command from the power supply monitoring and control system 450 is received (processing block 700), and the process branches depending on the command content and the current state (processing blocks 701 and 702).
  • the pre-deployment preparation command is received in the initial state (processing block 703), the deployment direction and the development line of the solar cell strip 401 are set (processing block 707).
  • the current direction is corrected by the propeller motor (processing block 710).
  • the port and starboard propulsion motors are controlled to control the cradle travel direction and travel speed to the specified values (processing block 711). Further, the tension of the solar cell strip 401 is controlled to a constant value (processing block 712).
  • the processing is terminated (processing blocks 713 and 714).
  • the “operation (power generation)” command is received from the power supply monitoring and control system 450, the otter board is controlled to control the deployment direction of the solar cell strip 401 to a specified value.
  • the starboard and starboard propulsion motors are controlled as necessary to control the tension of the solar cell strip 401 to a constant value (processing blocks 715, 716).
  • control in the reverse direction to the deployment is performed.
  • Control of speed and tension is a technique that has long been implemented as motor control in papermaking, rolling, and the like.
  • FIG. 90 shows a monitoring control system configuration of the entire submarine resource collection apparatus.
  • the functions of each system are to realize the functions described so far with a computer. However, since there is no maneuver except the maritime command ship 016, the maritime command ship 016 performs all monitoring and control.
  • the underwater lifting device console 441 performs monitoring control of each underwater lifting device 001 through the underwater lifting device control system 430 installed for each underwater lifting device 001.
  • the submarine support device console 442 performs monitoring control of the submarine support device 018 via a submarine support device control system 431 installed for each submarine support device 018.
  • the mineral collecting device 019 is operated remotely from the seafloor support device console 442 via the seafloor support device monitoring control system 448 and the optical cable 452.
  • the power supply console 443 controls each solar cell strip deployment control system via the power supply control system 432.
  • Power Supply System FIG. 91 shows the overall configuration. Although it consumes the most electricity to generate hydrogen gas, offshore solar power generation is one example. A generator may be installed on the Maritime Command Ship 016. When the charging device 483 is installed, it is possible to reduce the number of hydrogen gas generation devices by charging the photovoltaic power generation and leveling the hydrogen gas generation temporally.
  • toluene, pure water and electric power are continuously supplied from the maritime command ship 016, and collected minerals and MCH are continuously supplied from the underwater lifting device 001. It is necessary to continuously collect and operate continuously while changing the installation position including the change of the seabed depth of the seabed support device 018.
  • the operation procedure is as follows. (1) The submarine support device 018 is lowered from the maritime command ship 016 and landed on the seabed of the target sea area. (2) The specific gravity of the seabed support device 018 is made larger than that of seawater, and the seafloor support device 018 is localized on the seabed, and the mineral collecting device 020 (electric bull toza) is deployed on the seabed.
  • the floor support device 018 is removed from the seabed and the landing position is changed. At this time, when moving only the horizontal position without changing the depth, when moving to a point with a greater depth, there may be a case of moving to a point with a smaller depth.
  • the mineral collecting device 020 is collected in the seabed support device 018, and the specific gravity of the seabed support device 018 is made the same as that of the surrounding seawater by hydrogen gas generation. Then, the same operation as in (2) is performed.
  • the above operations (2), (3), and (4) are repeated until the submarine support device 018 is collected in the maritime command ship 016 and maintained and maintained.
  • the seabed support device 018 is removed from the seabed and collected in the sea command ship 016. It is necessary to continuously reciprocate the underwater lifting device 001 and the seabed support device 018 between the seabed and the sea surface while maintaining the balance of specific gravity and pressure with the surrounding seawater of toluene, pure water, MCH, and collected minerals. For this reason, the conditions for continuous operation by clarifying the distribution and quantitative restrictions of toluene, pure water, MCH, and collected minerals of the underwater lifting device 001 and the seafloor support device 018 are shown below.
  • the physical properties of the fluid (gas, liquid) constituting the seabed resource collection device are as follows. Only hydrogen gas is in the gas phase and the others are in the liquid phase. Since the number of moles is constant regardless of pressure, and the flow of fluid is not the sea surface and the sea floor except for emergency response, the number of moles can be constant during the ascending, descending, and moving processes. Express and analyze the criteria.
  • P 0 and M H0 are given as initial values
  • ⁇ P is the pressure difference corresponding to the depth difference
  • F 0 and F 1 are the buoyancy at the initial position and the destination, and both are set to 0 in the ascent and descent process .
  • subscript 0 indicates an initial value
  • indicates a change from the initial value.
  • Pressures at different depths P 0 , P 0 + ⁇ P Assuming that the buoyancy corresponding to is F 0 and F 1 , the following holds, as in the organic hydride reaction.
  • FIG. 92 shows the case where the destination of the seabed support device 018 is the same depth (1500 m-> 1500 m).
  • FIG. 93 shows the case where the destination of the seabed support device 018 is at a shallower depth (1500 m-> 1200 m),
  • FIG. 94 shows a case where the movement destination of the seabed support apparatus 018 is at a deeper depth (1500 m-> 1800 m).
  • the meanings of the notations in FIGS. 92 to 94 are outlined below.
  • the horizontal axis shows the transition of time, the upper side of the horizontal axis shows the underwater depth, and the upper side of the horizontal axis shows the seabed depth.
  • the lower side of the horizontal axis shows the buoyancy in the seabed landing state. Negative buoyancy means that the underwater weight is positive at the bottom of the sea and that it is landing due to gravity. Since the seabed support device 018 cannot be fixed to the seabed unless the specific gravity is greater than that of the surrounding seawater, it is necessary to maintain negative buoyancy when landing.
  • the scale X is -1.0X, which corresponds to the rated load of the underwater lifting device 001.
  • the buoyancy of the submarine support device 018 is changed from -0.2X to -1.5X. 1.5X). This is because when the weight in water increases, the energy required for ascent rises, which may cause a problem in the holding power of the seabed ground.
  • the vehicle travels back and forth between the submarine support device 018 and the marine commander 016 and stays at the position of the submarine support device 018 for n rendezvous & docking (I in circle in the figure).
  • the seabed support device 018 is indicated by a thick dotted line as a change in depth with respect to time above the abscissa axis (time axis) in the figure.
  • Underwater Elevator 001 1 to 4 in the circle in the figure
  • the behavior is shown as a solid line as a change.
  • Table 02 shows the operation for the seabed at a depth of 1500m.
  • Table 03 shows the operation for the seabed at a depth of 1200m.
  • Table 04 shows the operation for the seabed at a depth of 1800m.
  • the gas / liquid composition at the start of descent from the sea level, at the time of rising from the bottom of the sea, and at the time of arrival at the sea surface is shown for each of the cases.
  • (1) “Preparation before descent of submarine lifting device” J in circle in the figure
  • Toluene is consumed by the organic hydride reaction at the time of ascent, and that amount is replenished when descent.
  • Pure water is replenished for generating hydrogen to be used when the underwater lifting device 001 and the submarine support device 018 rise.
  • the distribution of toluene, pure water, and MCH is determined so that the overall specific gravity is the same as that of seawater, and it is filled by the maritime command ship 016 in preparation for descent (J in the figure).
  • the gas / liquid composition at the time of “the start of ascent” should satisfy the same pressure and the same specific gravity as those of the surrounding seawater by the organic hydride reaction during the ascent process, and the following (a) to (h) This is an embodiment that can satisfy the conditions.
  • (A), (c) and (e) are the ratios of toluene and MCH set according to consumption and production, and (b), (d) and (f) are the maximum yields so that MCH does not accumulate excessively on the seabed.
  • the intermediate value of (a), (c), (e), and (b), (d), and (f) is selected and the continuous operation is performed at a ratio set near the limit.
  • (G) is the operation of lifting up to 200 m3 of toluene, which is the maximum capacity, in the configuration of all liquids that do not contain hydrogen at the expense of the product load, and (g) is the operation of all liquids that do not contain hydrogen at the expense of the product load.
  • the underwater lifting device unit 005 is docked to the resource recovery unit 007 loaded with the collected ore, and the underwater lifting device 001 is loaded with the collected ore, and the load is subsea support device. Transition from 018 to underwater lifting device 001.
  • the underwater weight fluctuation in the portion marked H with ⁇ indicates this.
  • the hydrogen gas accumulated in the submarine support device 018 is filled into the underwater lifting device 001, so that the specific gravity of the underwater lifting device 001 is the same as that of the surrounding seawater and preparations for launching to float Complete.
  • the operation opposite to “(2) Ph1“ deployment ”” is performed. That is, the underwater weight that has been increased in order to fix the seabed support device 018 to the seabed is reduced by the generation of hydrogen gas (B in the figure, mark B), and the mineral collection device 019 is driven by itself, so that the seabed support device 018 Mounted and housed in (in the figure, the E mineral collecting device is housed in the circle).
  • Ph5 movement diagram 92 to 94 (6) Corresponds to Ph5 “movement” part (C in circle in the figure). The movement is performed at the same depth, and the organic hydride reaction and the generation of hydrogen gas are not performed. The propulsion device of the seabed support device 018 moves to the destination point. Tables 07 to 09 (6) Ph5 “Move” does not involve any change in gas / liquid composition.
  • Tables 07 to 09 Corresponds to “increased buoyancy” “accommodation of bulltoza” “increased buoyancy”.
  • (11) Ph6 Ascent Figure 92-94 Corresponds to Ph6 "Left” (A in circle) with the same pressure and the same specific gravity as the surrounding seawater while conducting organic hydride reaction from the seafloor. To rise.
  • Tables 07 to 09 (10) Changes in Ph4 “buoyancy” to (11) Ph6 “levitation” are changes in gas / liquid composition.
  • the overall operational efficiency is improved by assigning and operating a plurality of submarine lifting devices 001 to one submarine support device 018.
  • the operation of the underwater lifting device 001 requires a relatively long time to rise from the sea floor to the sea surface due to the reaction time limit of the organic hydride reaction, and when the underwater lifting device 001 is used repeatedly for ore extraction, If the operations are divided in time and the operations of the plurality of submarine lifting devices 001 are shifted in time divisions, parallel operation can be performed without competing resources (pipeline control).
  • FIG. 95 (a) the operations that the submarine lifting device sequentially executes are classified into (1) to (4) as follows.
  • the seabed resource collection apparatus of the present invention can collect and collect mineral resources distributed on the seabed, but does not have a high-pressure mechanism and does not include fluid pumping, so there is no mechanical limitation, and a depth of 1000 It is possible to operate from below to a depth exceeding 5000 m.
  • Hydrogen filled for buoyancy at the sea floor is the same as the water pressure at the sea bottom, and maintains the same pressure as sea water pressure as it floats, so there is no problem of stress due to pressure. In order to cope with different seabed depths with the same yield, it is necessary to make the hydrogen buoyancy at the seabed equal, so that the number of moles of hydrogen to be filled and the hydrogen absorption toluene are increased or decreased.

Landscapes

  • Engineering & Computer Science (AREA)
  • Chemical & Material Sciences (AREA)
  • Mining & Mineral Resources (AREA)
  • Physics & Mathematics (AREA)
  • Radar, Positioning & Navigation (AREA)
  • Remote Sensing (AREA)
  • Mechanical Engineering (AREA)
  • Ocean & Marine Engineering (AREA)
  • Combustion & Propulsion (AREA)
  • General Physics & Mathematics (AREA)
  • Chemical Kinetics & Catalysis (AREA)
  • General Engineering & Computer Science (AREA)
  • Structural Engineering (AREA)
  • Civil Engineering (AREA)
  • Organic Chemistry (AREA)
  • Electromagnetism (AREA)
  • Computer Networks & Wireless Communication (AREA)
  • Metallurgy (AREA)
  • Materials Engineering (AREA)
  • Electrochemistry (AREA)
  • Geology (AREA)
  • Geochemistry & Mineralogy (AREA)
  • General Life Sciences & Earth Sciences (AREA)
  • Life Sciences & Earth Sciences (AREA)
  • Acoustics & Sound (AREA)
  • Inorganic Chemistry (AREA)
  • Transportation (AREA)
  • Drilling And Exploitation, And Mining Machines And Methods (AREA)
PCT/JP2016/083616 2015-03-07 2016-11-11 海底資源揚収装置 Ceased WO2017082427A1 (ja)

Priority Applications (1)

Application Number Priority Date Filing Date Title
US15/775,230 US20180298754A1 (en) 2015-03-07 2016-11-11 Device for lifting and recovering seabed resource

Applications Claiming Priority (4)

Application Number Priority Date Filing Date Title
JP2015045368 2015-03-07
JP2015197245 2015-10-02
JP2015-222542 2015-11-13
JP2015222542A JP6630876B2 (ja) 2015-03-07 2015-11-13 海底資源揚収装置

Publications (1)

Publication Number Publication Date
WO2017082427A1 true WO2017082427A1 (ja) 2017-05-18

Family

ID=58494131

Family Applications (1)

Application Number Title Priority Date Filing Date
PCT/JP2016/083616 Ceased WO2017082427A1 (ja) 2015-03-07 2016-11-11 海底資源揚収装置

Country Status (3)

Country Link
US (1) US20180298754A1 (enExample)
JP (1) JP6630876B2 (enExample)
WO (1) WO2017082427A1 (enExample)

Cited By (2)

* Cited by examiner, † Cited by third party
Publication number Priority date Publication date Assignee Title
CN111610527A (zh) * 2020-07-14 2020-09-01 汪国建 一种用于海洋深度测量的超声波测距仪
CN112793749A (zh) * 2021-04-06 2021-05-14 上海彩虹鱼海洋科技股份有限公司 潜水器浮力装置及其使用方法

Families Citing this family (28)

* Cited by examiner, † Cited by third party
Publication number Priority date Publication date Assignee Title
US10387023B2 (en) * 2015-08-25 2019-08-20 Ensco Services Limited Going on location feasibility
CN105672237B (zh) * 2016-01-16 2017-03-15 华能澜沧江水电股份有限公司 一种具有抗倾覆能力的水力式升船机
CN108375781B (zh) * 2018-02-09 2019-07-09 杭州仁牧科技有限公司 水下目标探测系统
JP6354088B1 (ja) * 2018-03-16 2018-07-11 合同会社Icグロー 資源回収用海中昇降船の浮力装置
JP7245988B2 (ja) * 2018-04-06 2023-03-27 株式会社Lakshmi 海底鉱物資源揚収装置
JP7193265B2 (ja) * 2018-08-08 2022-12-20 五洋建設株式会社 運搬システム及び運搬方法
CN111290414B (zh) * 2018-12-10 2024-09-27 中国科学院沈阳自动化研究所 一种基于姿态控制的水下设备控制方法及装置
KR102701722B1 (ko) * 2019-02-05 2024-08-30 제이. 레이 맥더모트 에스.에이. 물체의 상대 위치 및 상대 운동을 결정하기 위한 시스템 및 방법
CN109945411B (zh) * 2019-03-25 2020-05-26 珠海格力电器股份有限公司 一种控制器的控制方法、装置、存储介质及控制器
CN110803258B (zh) * 2019-11-29 2024-12-13 天津大学 一种浮力自升式的大块海底矿物提升系统
CN111075451B (zh) * 2020-01-17 2024-10-22 招商局深海装备研究院(三亚)有限公司 带有深海单高压料仓给料设备的深海矿石水力提升系统
WO2021242554A1 (en) * 2020-05-25 2021-12-02 Wing Marine Llc Material handling systems and methods
US12457148B2 (en) * 2020-06-19 2025-10-28 Kookmin University Industry Academy Cooperation Foundation Underwater network management system and operation method thereof
FR3113683A1 (fr) * 2020-09-02 2022-03-04 Joel Kasarherou Dispositif de production et de stockage immergé d’hydrogène.
US12030608B2 (en) * 2020-12-22 2024-07-09 Brunswick Corporation Electric marine propulsion systems and methods of control
CN112591016B (zh) * 2020-12-22 2023-04-07 李新亚 锰结核机械采集系统
WO2022197472A1 (en) * 2021-03-14 2022-09-22 Tipton Robert Reynolds A process for generating unlimited sustainable energy from the oceans at extremely low cost
CN113033908B (zh) * 2021-04-08 2022-04-22 自然资源部第二海洋研究所 一种用于海底资源探测站位优化方法
CN113266054A (zh) * 2021-06-07 2021-08-17 江苏航运职业技术学院 一种大型挖泥船自浮防堵输泥管线系统及疏堵方法
CN114439478B (zh) * 2021-12-17 2023-03-31 清华大学 海洋矿物运输装置及方法
SE546788C2 (en) * 2022-02-28 2025-02-18 Hydrogen Lift Sweden Ab System and method for producing hydrogen
CN115046624B (zh) * 2022-06-07 2025-07-11 自然资源部第二海洋研究所 一种可用潜器布放的座底式深海环境噪声长期观测装置
CN115389079B (zh) * 2022-09-29 2024-08-09 福建工程学院 一种深海锰结核上扬力预测方法
CN118295783B (zh) * 2024-04-18 2025-03-25 国网江苏省电力有限公司信息通信分公司 一种边缘辅助的高效能跨域任务调度方法
CN118182787A (zh) * 2024-05-20 2024-06-14 山东大学 海洋平台自主布放回收动态控制方法
CN119572237B (zh) * 2024-10-30 2025-07-11 自然资源部第一海洋研究所 一种深海硫化物资源新型绿色开采系统
CN119637014B (zh) * 2024-12-02 2025-11-18 江苏科技大学 一种海上清洁能源驱动的绿色海底采集系统
CN119981901B (zh) * 2025-01-18 2025-09-02 中国海洋大学 一种深海多金属结核智能采集方法

Citations (3)

* Cited by examiner, † Cited by third party
Publication number Priority date Publication date Assignee Title
WO2014157118A1 (ja) * 2013-03-28 2014-10-02 坂本 美穂 海底資源リフト装置
JP2015074925A (ja) * 2013-10-09 2015-04-20 住友電気工業株式会社 堆積物搬送方法および堆積物搬送システム
JP5713143B1 (ja) * 2014-12-18 2015-05-07 株式会社センリョウ 海底採鉱船

Family Cites Families (1)

* Cited by examiner, † Cited by third party
Publication number Priority date Publication date Assignee Title
US5553976A (en) * 1994-02-18 1996-09-10 Korsgaard; Jens Fluid riser between seabed and floating vessel

Patent Citations (3)

* Cited by examiner, † Cited by third party
Publication number Priority date Publication date Assignee Title
WO2014157118A1 (ja) * 2013-03-28 2014-10-02 坂本 美穂 海底資源リフト装置
JP2015074925A (ja) * 2013-10-09 2015-04-20 住友電気工業株式会社 堆積物搬送方法および堆積物搬送システム
JP5713143B1 (ja) * 2014-12-18 2015-05-07 株式会社センリョウ 海底採鉱船

Cited By (4)

* Cited by examiner, † Cited by third party
Publication number Priority date Publication date Assignee Title
CN111610527A (zh) * 2020-07-14 2020-09-01 汪国建 一种用于海洋深度测量的超声波测距仪
CN111610527B (zh) * 2020-07-14 2021-08-06 玉环震浪超声股份有限公司 一种用于海洋深度测量的超声波测距仪
CN112793749A (zh) * 2021-04-06 2021-05-14 上海彩虹鱼海洋科技股份有限公司 潜水器浮力装置及其使用方法
CN112793749B (zh) * 2021-04-06 2021-07-02 上海彩虹鱼海洋科技股份有限公司 潜水器浮力装置及其使用方法

Also Published As

Publication number Publication date
US20180298754A1 (en) 2018-10-18
JP2017066850A (ja) 2017-04-06
JP6630876B2 (ja) 2020-01-15

Similar Documents

Publication Publication Date Title
JP6630876B2 (ja) 海底資源揚収装置
JP2017066850A5 (enExample)
US20250012046A1 (en) Seabed resource lifting apparatus
JP2019199250A5 (enExample)
CN110439566B (zh) 一种非连续式海底采矿系统及其采矿方法
CN105927229B (zh) 深海矿产资源开采系统
US20230064908A1 (en) Autonomous seagoing power replenishment watercraft
JP2023526612A (ja) 水素生産及び運搬システム
CN102245855A (zh) 海底井介入模块
CN111236946B (zh) 一种用于深海采矿的有缆穿梭运矿潜水器及作业方法
CN105644743A (zh) 一种三体构型的长期定点观测型水下机器人
TW201620785A (zh) 用於執行表面操作之航海機具
RU2214510C1 (ru) Глубоководный добычной комплекс и телеуправляемый подводный робот
WO2016099287A1 (en) Subsea carrier
CN110242304A (zh) 深海水下无人采矿系统
US20170240257A1 (en) Submarine vehicle, method for picking up a load from the seabed and a method for setting down a load on the seabed
CN110242303B (zh) 分布式全天候深海采矿系统
JP2015202751A (ja) 海中エレベータ
CN117897519A (zh) 用于生成、收集和分配氢气的装置、系统和方法
CN119914293A (zh) 一种自主沉浮式的深海采矿矿物提升装置
CN102083685B (zh) 潜艇救援系统
WO2021235941A1 (en) Shuttle loading system
CN119866298A (zh) 用于深海采矿的浮力容器的方法和设备
Flipse An engineering approach to ocean mining
CN116812113A (zh) 一种海底嵌结物采集回收系统

Legal Events

Date Code Title Description
121 Ep: the epo has been informed by wipo that ep was designated in this application

Ref document number: 16864388

Country of ref document: EP

Kind code of ref document: A1

WWE Wipo information: entry into national phase

Ref document number: 15775230

Country of ref document: US

NENP Non-entry into the national phase

Ref country code: DE

122 Ep: pct application non-entry in european phase

Ref document number: 16864388

Country of ref document: EP

Kind code of ref document: A1