WO2013146461A1 - 車両データ処理システム、車両データ処理方法、車両データ処理装置、プログラム、及び記録媒体 - Google Patents

車両データ処理システム、車両データ処理方法、車両データ処理装置、プログラム、及び記録媒体 Download PDF

Info

Publication number
WO2013146461A1
WO2013146461A1 PCT/JP2013/057796 JP2013057796W WO2013146461A1 WO 2013146461 A1 WO2013146461 A1 WO 2013146461A1 JP 2013057796 W JP2013057796 W JP 2013057796W WO 2013146461 A1 WO2013146461 A1 WO 2013146461A1
Authority
WO
WIPO (PCT)
Prior art keywords
vehicle
vehicle data
information
data
unit
Prior art date
Legal status (The legal status is an assumption and is not a legal conclusion. Google has not performed a legal analysis and makes no representation as to the accuracy of the status listed.)
Ceased
Application number
PCT/JP2013/057796
Other languages
English (en)
French (fr)
Japanese (ja)
Inventor
拓馬 岡▲崎▼
健太 中尾
中山 博之
洋一 上村
Current Assignee (The listed assignees may be inaccurate. Google has not performed a legal analysis and makes no representation or warranty as to the accuracy of the list.)
Mitsubishi Heavy Industries Ltd
Original Assignee
Mitsubishi Heavy Industries Ltd
Priority date (The priority date is an assumption and is not a legal conclusion. Google has not performed a legal analysis and makes no representation as to the accuracy of the date listed.)
Filing date
Publication date
Application filed by Mitsubishi Heavy Industries Ltd filed Critical Mitsubishi Heavy Industries Ltd
Priority to IN1904MUN2014 priority Critical patent/IN2014MN01904A/en
Priority to SG11201405964WA priority patent/SG11201405964WA/en
Publication of WO2013146461A1 publication Critical patent/WO2013146461A1/ja
Anticipated expiration legal-status Critical
Ceased legal-status Critical Current

Links

Images

Classifications

    • GPHYSICS
    • G07CHECKING-DEVICES
    • G07BTICKET-ISSUING APPARATUS; FARE-REGISTERING APPARATUS; FRANKING APPARATUS
    • G07B15/00Arrangements or apparatus for collecting fares, tolls or entrance fees at one or more control points
    • G07B15/06Arrangements for road pricing or congestion charging of vehicles or vehicle users, e.g. automatic toll systems
    • GPHYSICS
    • G08SIGNALLING
    • G08GTRAFFIC CONTROL SYSTEMS
    • G08G1/00Traffic control systems for road vehicles
    • G08G1/01Detecting movement of traffic to be counted or controlled
    • G08G1/017Detecting movement of traffic to be counted or controlled identifying vehicles

Definitions

  • the present invention relates to a vehicle data processing system, a vehicle data processing method, a vehicle data processing device, a program, and a recording medium.
  • the present invention relates to a vehicle data processing system that processes vehicle data including information on vehicles traveling on a road, first vehicle data including information on vehicles captured by an imaging device that images roads over time, and an imaging device.
  • a vehicle data processing method, a vehicle data processing device, and a vehicle data processing device in which a wireless device having a communication range that overlaps the imaging range of the second processing device receives second vehicle data including the vehicle information received from the in-vehicle device of the vehicle.
  • the present invention relates to a program for causing a computer to function as a recording medium on which the program is recorded.
  • the unauthorized traffic imaging system described in Patent Document 2 communicates with a vehicle-mounted device to acquire vehicle-mounted device information. And this unauthorized traffic imaging system image
  • the unauthorized traffic imaging system stores the captured image data and the vehicle-mounted device information in association with each other when the charge result based on the vehicle-mounted device information becomes abnormal.
  • the captured image of the vehicle can be easily associated with the vehicle information, and the unauthorized vehicle can be identified easily and accurately.
  • Patent Document 3 describes a mobile charging method that realizes a reduction in construction costs.
  • a vehicle-mounted device that stores a charging zone that is attached to a mobile device and indicates a region to be charged, and vehicle-mounted device identification information that is assigned to individually identify the vehicle-mounted device is a GPS (Global It recognizes that it has entered the billing zone based on the position information obtained by the Positioning System) function.
  • the local computer system generates shooting data by shooting a moving body image in the charging zone.
  • the center computer system receives the mobile image from the local computer. This mobile charging method extracts and stores license plate information from the mobile image.
  • this mobile charging method when the vehicle-mounted device enters the charging zone, the transaction information including the vehicle-mounted device identification information is transmitted to the authentication computer of the center side computer system by wireless communication at a predetermined timing. And this mobile body charging method is for the authentication computer to charge the mobile body equipped with the on-vehicle device based on the comparison between the on-vehicle device identification information received from the on-vehicle device and the identification information registered in advance. Authenticate. In this way, depending on this mobile charging method, it is not necessary to install a large-scale structure such as a gantry in which a roadside device for acquiring vehicle information of a vehicle traveling in the charging zone is required, thereby reducing construction costs. Can be realized.
  • a vehicle data processing system for processing vehicle data including information on a vehicle traveling on a road, and an imaging device for imaging a road over time
  • a wireless device having a communication range that overlaps with an imaging range of the imaging device, first vehicle data including information on a vehicle imaged by the imaging device, and information on the vehicle received by the wireless device from an in-vehicle device of the vehicle.
  • a vehicle data processing device that processes the second vehicle data, and the vehicle data processing device is a vehicle that may be the same vehicle as the target vehicle of the first vehicle data among the second vehicle data.
  • a data linking unit for linking second vehicle data including information to the first vehicle data.
  • the vehicle data processing device includes a vehicle number search unit for searching for second vehicle data including information on the same vehicle number as information on the vehicle number of the vehicle included in the first vehicle data from the second vehicle data.
  • the data association unit may further associate the second vehicle data retrieved by the vehicle number retrieval unit with the first vehicle data.
  • the vehicle data processing device In the vehicle data processing device, the character string of the vehicle number, which is the result of optical character recognition of the vehicle license plate imaged by the imaging device, indicated by the vehicle number information included in the first vehicle data, An optical character recognition enable / disable determining unit that determines whether or not the character is recognized, and the vehicle number search unit includes all the vehicle number character strings indicated by the vehicle number information of the vehicle included in the first vehicle data. However, if the optical character recognition availability determination unit determines that it is recognized as a character, the same vehicle number information as the vehicle number information of the vehicle included in the first vehicle data is selected from the second vehicle data. You may search the 2nd vehicle data containing.
  • the vehicle data processing device searches the second vehicle data for second vehicle data including information on the vehicle type classification different from the information on the vehicle type classification of the vehicle included in the first vehicle data.
  • a travel restriction search unit that searches the second vehicle data for second vehicle data that includes information on values that are not subject to road travel restrictions, and the data association unit includes a vehicle number search unit. If the second vehicle data including the same vehicle number information as the vehicle number information included in the first vehicle data is not searched as a result of the search, the second vehicle searched by the vehicle type category search unit The data and the second vehicle data searched by the travel restriction search unit may be temporarily linked to the first vehicle data.
  • the data association unit is not subject to vehicle type division information different from the vehicle type division information included in the first vehicle data and road travel restrictions. If the second vehicle data including the value information is not retrieved, there is no second vehicle data to be linked to the first vehicle data, and therefore the vehicle is not equipped with an in-vehicle device.
  • the linking of the second vehicle data to the first vehicle data may be terminated without linking the second vehicle data to the first vehicle data.
  • the vehicle data processing device is information on a wireless device having a communication range that overlaps the imaging range of the imaging device indicated by the information on the imaging device that captured the vehicle included in the first vehicle data from the second vehicle data.
  • the vehicle type classification search unit further includes a vehicle range included in the first vehicle data from the second vehicle data searched by the overlap range search unit.
  • the second vehicle data including information on the vehicle type classification different from the information on the vehicle type classification of the vehicle is searched, and the travel restriction search unit determines the road travel restriction from the second vehicle data searched by the overlapping range search unit. You may search the 2nd vehicle data containing the information of the value which is not received.
  • the data linking unit obtains information on the wireless device having a communication range overlapping with the imaging range of the imaging device indicated by the information on the imaging device that captured the vehicle included in the first vehicle data. If the second vehicle data including the second vehicle data is not retrieved, the second vehicle data is linked to the first vehicle data on the assumption that there is no second vehicle data to be linked to the first vehicle data. Instead, the association of the second vehicle data with the first vehicle data may be terminated.
  • the vehicle data processing apparatus further includes a character complementing unit that complements a character of a portion that is not recognized as a character in the character string of the vehicle number indicated by the vehicle number information of the vehicle included in the first vehicle data.
  • the vehicle number search unit determines that the part of the character string of the vehicle number indicated by the vehicle number information of the vehicle included in the first vehicle data is not recognized as a character by the optical character recognition availability determination unit.
  • the second vehicle data including the information of the same vehicle number as the information of the vehicle number of the vehicle in which the character complement included in the first vehicle data complements the character is searched from the second vehicle data. Also good.
  • the vehicle data processing apparatus further includes a control object search unit that searches for second vehicle data including information on a vehicle to be controlled from the second vehicle data, and the data association unit includes a vehicle number search unit.
  • the control target searching unit if the second vehicle data including the same vehicle number information as the vehicle number information of the vehicle in which the character complementing unit included in the first vehicle data complements the character is not searched, the control target searching unit The second vehicle data retrieved by may be temporarily associated with the first vehicle data.
  • the control object search unit may search second vehicle data including information on the vehicle to be controlled from the second vehicle data searched by the overlapping range search unit.
  • the data association unit searches for the second vehicle data searched by the vehicle type category search unit and the travel restriction
  • the second vehicle data searched by the search unit may be temporarily linked to the first vehicle data.
  • the data association unit is not searched for the second vehicle data including the information on the vehicle to be regulated, and the vehicle type classification search unit and the travel restriction search unit search
  • the second vehicle data including the vehicle type classification information different from the vehicle type classification information included in the vehicle data and the information of the value not subject to road travel restrictions is not retrieved
  • the first vehicle Ending linking of the second vehicle data to the first vehicle data without linking the second vehicle data to the first vehicle data assuming that the possibility of fraud of the vehicle subject to data is low May be.
  • the vehicle data processing device further includes a control object determination unit that determines whether or not the vehicle is a control object based on information on a vehicle number of the vehicle included in the first vehicle data, and the data linking unit includes: Of the second vehicle data searched by the vehicle type category search unit, the second vehicle data searched by the travel restriction search unit is temporarily linked to the first vehicle data, or is linked to the first vehicle data. Assuming that there is no second vehicle data to be attached, the association of the second vehicle data to the first vehicle data is terminated without associating the second vehicle data with the first vehicle data. In this case, information indicating a result determined by the control target determination unit may be associated with the first vehicle data.
  • the data linking unit The second vehicle data may be temporarily linked to the first vehicle data by releasing the temporary linkage of the second vehicle data with respect to the first vehicle data.
  • the vehicle data processing device further includes a vehicle data transmission unit that transmits vehicle data including vehicle information included in at least one of the first vehicle data and the second vehicle data to an external device. Good.
  • the vehicle data transmission unit includes vehicle information included in the first vehicle data and the second vehicle data when the data association unit associates the second vehicle data with the first vehicle data.
  • Vehicle data may be transmitted to an external device.
  • the vehicle data transmission unit assumes that there is no second vehicle data that the data association unit should associate with the first vehicle data, without associating the second vehicle data with the first vehicle data, When the association of the second vehicle data with the first vehicle data is terminated, the vehicle data including the vehicle information included in the first vehicle data may be transmitted to the external device.
  • the vehicle data transmission unit receives the second vehicle data after the reception time of the second vehicle data when the data association unit temporarily associates the second vehicle data with the first vehicle data. If an imaging device having an imaging range overlapping the communication range of the wireless device is imaging a predetermined number of vehicles, vehicle information included in the first vehicle data and the second vehicle data, and the first The vehicle data including the image captured by the imaging device indicated by the image information included in the one vehicle data may be transmitted to the external device.
  • the vehicle data transmission unit Vehicle data including vehicle information included in the vehicle data and the second vehicle data, and an image captured by the imaging device indicated by the image information included in the first vehicle data, to the external device May be sent.
  • the wireless device having the first vehicle data including the vehicle information imaged by the imaging device that images the road over time and the communication range overlapping the imaging range of the imaging device is the vehicle.
  • the wireless device having the first vehicle data including the vehicle information imaged by the imaging device that images the road over time and the communication range overlapping the imaging range of the imaging device is the vehicle.
  • Vehicle data processing apparatus that processes the second vehicle data including the vehicle information received from the in-vehicle apparatus, wherein the second vehicle data is the same vehicle as the target vehicle of the first vehicle data.
  • a data linking unit is provided for linking second vehicle data including information on a possible vehicle to the first vehicle data.
  • the wireless device having the first vehicle data including the vehicle information imaged by the imaging device that images the road over time and the communication range overlapping the imaging range of the imaging device is the vehicle.
  • the second vehicle data including information on the vehicle that may be the same vehicle as the target vehicle of the vehicle data is caused to function as a data linking unit that links the first vehicle data.
  • the wireless device having the first vehicle data including the vehicle information imaged by the imaging device that images the road with time and the communication range overlapping the imaging range of the imaging device is the vehicle.
  • a vehicle data processing device that processes the second vehicle data including the vehicle information received from the vehicle-mounted device a recording medium recording a program that causes a computer to function, the computer is configured to store the second vehicle data.
  • a program for causing the second vehicle data including information on a vehicle that may be the same vehicle as the target vehicle of the first vehicle data to function as a data linking unit that links the first vehicle data is recorded. .
  • the data capacity of information that leads to the identification of an unauthorized vehicle to be transmitted to a host server or the like may be reduced. It is possible to reduce the load on the network between the upper servers and the burden on the operator who performs artificial processing in the upper servers.
  • FIG. 1 shows an example of a usage environment of a vehicle data processing system 100 according to an embodiment.
  • the vehicle data processing system 100 is a system that processes data including information on a vehicle traveling on a toll road R composed of a plurality of lanes Ra to Rc.
  • the toll road R may be an example of a “road” in the present invention.
  • the vehicle data processing system 100 includes a vehicle data processing device 110, a plurality of monitoring cameras 130a to 130c (hereinafter collectively referred to as monitoring cameras 130), and a plurality of roadside wireless devices 140a to 140c (hereinafter collectively referred to as roadside wireless devices 140). ), A first vehicle data generation device 150, a second vehicle data generation device 160, and a server 170.
  • the surveillance camera 130 may be an example of the “imaging device” in the present invention.
  • the roadside apparatus 140 may be an example of the “radio apparatus” in the present invention.
  • the server 170 may be an example of the “external device” in the present invention.
  • the vehicle data processing device 110 is a device that processes the first vehicle data and the second vehicle data.
  • the first vehicle data is data including vehicle information captured by the monitoring camera 130.
  • the second vehicle data is data including information on the vehicle received by the roadside apparatus 140 from the vehicle-mounted device.
  • the vehicle data processing device 110 is communicatively connected to the first vehicle data generation device 150 and the second vehicle data generation device 160.
  • the vehicle data processing device 110 is communicatively connected to the server 170 via a communication line N. Then, the vehicle data processing device 110 receives the first vehicle data transmitted from the first vehicle data generation device 150.
  • the vehicle data processing device 110 receives the second vehicle data transmitted from the second vehicle data generation device 160.
  • the vehicle data processing device 110 obtains second vehicle data including information on a vehicle that may be the same vehicle as the target vehicle of the first vehicle data from the second vehicle data. Link to vehicle data. Then, the vehicle data processing device 110 transmits vehicle data including vehicle information included in at least one of the first vehicle data and the second vehicle data to the server 170.
  • the vehicle-mounted device may be an example of the “vehicle-mounted device” in the present invention.
  • the surveillance camera 130 is a device used for recognizing the vehicle number. More specifically, the monitoring camera 130 is provided side by side in the width direction of the beam Ga such as a gate pillar or a cantilever spanned above the toll road R. The monitoring camera 130 is electrically connected to the first vehicle data generation device 150. Then, the monitoring camera 130 images the imaging range A obliquely below with time. In the case of this embodiment, the monitoring camera 130a images the imaging range Aa obliquely below with time. In addition, the monitoring camera 130b captures the imaging range Ab obliquely below with time. In addition, the monitoring camera 130c captures an image of an imaging range Ac diagonally below with time. Then, the surveillance camera 130 outputs image data obtained by imaging the imaging range A to the first vehicle data generation device 150.
  • the roadside wireless device 140 is a device that performs wireless communication with the vehicle-mounted device. More specifically, the roadside wireless device 140 is provided side by side in the width direction of a beam Gb such as a gate pillar or a cantilever spanned above the toll road R. Further, the roadside apparatus 140 is electrically connected to the second vehicle data generation apparatus 160.
  • the roadside apparatus 140 has a communication range C that overlaps the imaging range A of the monitoring camera 130.
  • the roadside apparatus 140a has a communication range Ca that overlaps the imaging range Aa of the monitoring camera 130a.
  • the roadside apparatus 140b has a communication range Cb that overlaps the imaging range Ab of the monitoring camera 130b.
  • the roadside apparatus 140c has a communication range Cc that overlaps the imaging range Ac of the monitoring camera 130c.
  • the roadside wireless device 140 receives data transmitted from the vehicle-mounted device that has entered the communication range C, the roadside wireless device 140 outputs the data to the second vehicle data generation device 160.
  • the roadside apparatus 140 receives, from the onboard equipment, data including, for example, vehicle type classification, onboard equipment ID (identifier), travel restriction (Yes or No), violation details, and vehicle number information.
  • the vehicle type classification information is information indicating the type of vehicle to which the vehicle-mounted device should be attached. More specifically, the vehicle is provided with an on-vehicle device in which information on the vehicle type classification indicating the vehicle type of the vehicle is stored. A vehicle traveling on the toll road R is charged a toll according to the type of vehicle indicated by the vehicle type classification information. That is, when a regular vehicle-mounted device is attached to a vehicle, a legitimate toll according to the type of the vehicle can be imposed on the vehicle. However, when an in-vehicle device that stores vehicle type information indicating a vehicle type different from the vehicle type is attached to the vehicle, the vehicle is properly passed according to the vehicle type. You cannot charge a fee.
  • the OBE ID information is information indicating an identification code for uniquely identifying each OBE.
  • the travel restriction (Yes or No) information is information indicating whether or not the vehicle to which the vehicle-mounted device is attached is subject to travel restriction on the toll road R. More specifically, the travel restriction (Yes or No) information indicates whether or not the vehicle to which the vehicle-mounted device is attached is subject to travel restrictions when the toll road R has travel restrictions. . For example, when a travel restriction that restricts traffic on the toll road R in a predetermined time zone is implemented, information with a travel restriction (Yes or No) value of “Yes” is only in a time zone other than the predetermined time zone In this invention, “value information not subject to travel restrictions on toll roads”.
  • the information of the travel restriction (Yes or No) value “No” is the same in the present invention in any time zone. “Information on values that are not subject to travel restrictions on toll roads”.
  • the violation content information is information indicating the violation content related to billing. More specifically, the information on the violation content is, for example, that an IC (Integrated Circuit) card necessary for the billing process has not been inserted when the billing process is performed, This is because the balance was insufficient. For example, when there is such a violation, the vehicle-mounted device stores information indicating the violation content.
  • IC Integrated Circuit
  • the vehicle number information is information indicating the vehicle number of the vehicle to which the vehicle-mounted device should be attached. More specifically, a vehicle-mounted device storing vehicle number information indicating the vehicle number of the vehicle is attached to the vehicle.
  • the first vehicle data generation device 150 is a device that generates first vehicle data. More specifically, the first vehicle data generation device 150 is electrically connected to the monitoring camera 130. The first vehicle data generation device 150 is connected in communication with the vehicle data processing device 110. Then, the first vehicle data generation device 150 accepts input of image data output from the monitoring camera 130. Then, the first vehicle data generation device 150 generates first vehicle data. Then, the first vehicle data generation device transmits the first vehicle data to the vehicle data processing device 110.
  • the first vehicle data generation device 150 includes, for example, an image ID, a vehicle number, a vehicle number detection area center position, a vehicle detection area center position, an imaging time (year / month / day / hour: minute: second), and a monitoring camera ID.
  • First vehicle data including information on the first imaging time (year / month / day / hour: minute: second), last imaging time (year / month / day / hour: minute: second), and vehicle type classification Is generated.
  • the image ID information may be an example of “image information” in the present invention.
  • the information of the monitoring camera ID may be an example of “information on the imaging device that captured the vehicle” and “information on the imaging position of the vehicle” in the present invention.
  • the image ID information is information indicating an identification code for uniquely identifying each image captured by the monitoring camera 130. More specifically, the surveillance camera 130 captures images at predetermined intervals of about 20 (sheets / second), for example. Therefore, the monitoring camera 130 images the vehicle a plurality of times after the vehicle traveling on the road R enters the imaging range A and passes through the imaging range A.
  • the first vehicle data generation device 150 stores the most easily viewable image among the images of the series of the same vehicles imaged in this way.
  • the image that is most visually recognizable is, for example, an image in which the number plate of the vehicle is shown most greatly.
  • the image ID information is information indicating the identification code of the image stored in this way.
  • the vehicle number information is information indicating the vehicle number of the vehicle license plate imaged by the monitoring camera 130. More specifically, when a vehicle is shown in the image indicated by the image data received from the monitoring camera 130, the character of the vehicle shown in the image is recognized by optical character recognition. Read the number.
  • the vehicle number information is information indicating the vehicle number read in this way.
  • the vehicle number detection area center position information is information indicating the center position of the area occupied by the license plate of the vehicle in the image captured by the monitoring camera 130. More specifically, the first vehicle data generation device 150 recognizes the license plate in the image as described above. At that time, the first vehicle data generation device specifies the coordinates of the center position of the region in the image recognized as the license plate.
  • the coordinates are, for example, coordinates in an orthogonal coordinate system in which the vertical direction of the image is the X axis and the horizontal direction of the image is the Y axis.
  • the vehicle number detection region center position information is information indicating the coordinates specified in this way.
  • the vehicle detection region center position information is information indicating the center position of the region indicated by the vehicle in the image captured by the monitoring camera 130. More specifically, the first vehicle data generation device 150 recognizes the vehicle shown in the image as described above. In that case, the 1st vehicle data generation device specifies the coordinates of the center position of the field in the picture recognized as vehicles, for example. This coordinate is a coordinate in the same orthogonal coordinate system as the coordinate indicated by the vehicle number detection region center position information.
  • the information on the vehicle detection area center position is information indicating the coordinates specified in this way.
  • the information of the imaging time (year / month / day / hour: minute: second) is information indicating the time when the image was captured. More specifically, as described above, the first vehicle data generation device 150 stores an image that is most easily visible.
  • the information of the imaging time (year / month / day / hour: minute: second) is information indicating the time when this image was captured.
  • the monitoring camera ID information is information indicating an identification code for uniquely identifying each monitoring camera 130. More specifically, as described above, the first vehicle data generation device 150 stores an image that is most easily visible.
  • the information on the monitoring camera ID is information indicating the identification code of the monitoring camera 130 that has captured this image.
  • the information of the first imaging time (year / month / day / hour: minute: second) is information indicating the time when the object imaged by the monitoring camera 130 is first detected as a vehicle.
  • the information of the last imaging time (year / month / day / hour: minute: second) is information indicating the time when the vehicle was last imaged by the monitoring camera 130.
  • the vehicle type classification information is information indicating the type of vehicle. More specifically, for example, the first vehicle data generation device 150 specifies the type of the vehicle based on the size and type of the license plate of the vehicle.
  • the vehicle type classification information is information indicating the type of vehicle specified in this way.
  • the second vehicle data generation device 160 is a device that generates second vehicle data. More specifically, the second vehicle data generation device 160 is electrically connected to the roadside wireless device 140. The second vehicle data generation device 160 is connected in communication with the vehicle data processing device 110. Then, second vehicle data generation device 160 accepts input of data output from roadside wireless device 140. Then, the second vehicle data generation device 160 generates second vehicle data. Then, the second vehicle data generation device 160 transmits the second vehicle data to the vehicle data processing device 110.
  • the second vehicle data generation device 160 includes, for example, vehicle type classification, reception time (year / month / day / hour: minute: second), vehicle-mounted device ID, roadside wireless device ID, travel restriction (Yes or No), and violation content. And second vehicle data including each information of the vehicle number is generated.
  • the information on the roadside apparatus ID may be an example of “information on the reception position of the second vehicle data” in the present invention.
  • the violation content information may be an example of “information on vehicles to be controlled” in the present invention.
  • Each information of the vehicle type classification, the vehicle-mounted device ID, the travel restriction (Yes or No), the violation content, and the vehicle number is information included in the data received from the roadside device 140.
  • the information of the reception time (year / month / day / hour: minute: second) is information indicating the time when the roadside apparatus 140 receives data from the vehicle-mounted device.
  • the server 170 is a computer that collects vehicle data including information on vehicles traveling on the toll road R. More specifically, the server 170 receives the vehicle data transmitted from the vehicle data processing device 110. Server 170 stores each piece of information included in the vehicle data. The business operator of the toll road R identifies the unauthorized vehicle by referring to the information stored in the server 170 in this way, for example.
  • the vehicle data processing system 100 has the vehicle data processing device 110, the first vehicle data generation device 150, and the second vehicle data generation device for the purpose of preventing the explanation from becoming complicated.
  • a configuration including 160 and the server 170 will be described.
  • the vehicle data processing system 100 may include a plurality of vehicle data processing devices 110, a first vehicle data generation device 150, a second vehicle data generation device 160, and a server 170.
  • FIG. 2 shows an example of a block configuration of the vehicle data processing apparatus 110.
  • the vehicle data processing device 110 includes a first vehicle data receiving unit 111, a second vehicle data receiving unit 112, an optical character recognition availability determining unit 113, a character complementing unit 114, a vehicle number searching unit 115, an overlapping range searching unit 116, Control target search unit 117, vehicle type category search unit 118, travel restriction search unit 119, control target determination unit 120, data association unit 121, vehicle data transmission unit 122, first vehicle data storage unit 123, second vehicle data storage Unit 124 and vehicle data storage unit 125.
  • the function and operation of each component will be described in detail.
  • the first vehicle data receiving unit 111 receives the first vehicle data transmitted from the first vehicle data generation device 150.
  • the second vehicle data reception unit 112 receives the second vehicle data transmitted from the second vehicle data generation device 160.
  • Optical character recognition availability determination unit 113 determines whether or not the character string of the vehicle number indicated by the vehicle number information included in the first vehicle data is recognized as a character.
  • the character complementing unit 114 supplements a character of a part that is not recognized as a character in the character string of the vehicle number indicated by the vehicle number information included in the first vehicle data.
  • the vehicle number search unit 115 searches the second vehicle data including the same vehicle number information as the vehicle number information included in the first vehicle data from the second vehicle data. More specifically, the vehicle number search unit 115 determines whether or not optical character recognition is possible when all the vehicle number character strings indicated by the vehicle number information included in the first vehicle data are recognized as characters. When the unit 113 determines, second vehicle data including the same vehicle number information as the vehicle number information included in the first vehicle data is searched from the second vehicle data. In addition, the vehicle number search unit 115 determines that the optical character recognition availability determination unit 113 determines that a part of the character string of the vehicle number indicated by the vehicle number information included in the first vehicle data is not recognized as a character. In this case, the second vehicle data including the same vehicle number information as the vehicle number information complemented by the character complementing unit 114 included in the first vehicle data is searched from the second vehicle data.
  • the overlapping range search unit 116 has a communication range C that overlaps the imaging range A of the monitoring camera 130 indicated by the information of the monitoring camera ID included in the first vehicle data from the second vehicle data.
  • the second vehicle data including the information on the roadside apparatus ID for identifying 140 is searched.
  • the control target search unit 117 searches the second vehicle data including the information on the violation content from the second vehicle data. More specifically, the control target search unit 117 searches the second vehicle data including violation information from the second vehicle data searched by the overlapping range search unit 116.
  • the vehicle type category search unit 118 searches the second vehicle data for the second vehicle data including information on the vehicle type category different from the information on the vehicle type category included in the first vehicle data. More specifically, the vehicle type category search unit 118 has information on the vehicle type category that is different from the vehicle type category information included in the first vehicle data from the second vehicle data searched by the overlapping range search unit 116. The second vehicle data including is searched.
  • the travel restriction search unit 119 searches the second vehicle data for second vehicle data including information on values that are not subject to travel restrictions on the toll road R. More specifically, the travel restriction search unit 119 sets a travel restriction (Yes or No) value that is not subject to travel restrictions on the toll road R from the second vehicle data searched by the overlapping range search unit 116. The second vehicle data including information is searched.
  • the control target determination unit 120 determines whether or not the vehicle is a control target based on the information on the vehicle number of the vehicle included in the first vehicle data.
  • the data associating unit 121 uses, as the first vehicle data, second vehicle data including information on a vehicle that may be the same vehicle as the target vehicle of the first vehicle data among the second vehicle data. Tie it up. More specifically, the data association unit 121 associates the second vehicle data searched by the vehicle number search unit 115 with the first vehicle data. Further, as a result of the vehicle number search unit 115 searching the data association unit 121, when the second vehicle data including the same vehicle number information as the vehicle number information included in the first vehicle data is not searched, The second vehicle data searched by the vehicle type category search unit 118 and the second vehicle data searched by the travel restriction search unit 119 are temporarily linked to the first vehicle data.
  • the data association unit 121 has information on the vehicle type division that is different from the vehicle type division information included in the first vehicle data, and the road travel restriction. If the second vehicle data including the information on the travel restriction (Yes or No) that does not receive the value is not searched, there is no second vehicle data to be linked to the first vehicle data. Assuming that there is a suspected fraud in which the vehicle-mounted device is not mounted on the vehicle, the second vehicle data corresponding to the first vehicle data is not linked to the first vehicle data. End the tying.
  • the data association unit 121 has a communication range C that overlaps the imaging range A of the monitoring camera 130 indicated by the information of the monitoring camera ID included in the first vehicle data. If the second vehicle data including the information of the wireless device 140 is not searched, the second vehicle data to be linked to the first vehicle data does not exist, and the second vehicle data is set to the second vehicle data. The linking of the second vehicle data to the first vehicle data is terminated without linking the vehicle data. Further, as a result of the vehicle number search unit 115 searching, the data linking unit 121 includes the second vehicle information including the same vehicle number information as the vehicle number information complemented by the character supplement unit 114 included in the first vehicle data.
  • the second vehicle data searched by the control target search unit 117 is temporarily linked to the first vehicle data. Further, if the second vehicle data including the violation content information is not searched as a result of the search by the enforcement target search unit 117, the data association unit 121 searches for the second vehicle data searched by the vehicle type category search unit 118 and The second vehicle data searched by the travel restriction search unit 119 is temporarily linked to the first vehicle data. In addition, as a result of the search by the control target search unit 117, the data association unit 121 does not search for the second vehicle data including information on the violation content, and the vehicle type category search unit 118 and the travel restriction search unit 119 search the result.
  • the second vehicle data corresponding to the first vehicle data is not linked to the first vehicle data. End the tying.
  • the data association unit 121 temporarily associates the second vehicle data searched by the travel restriction search unit 119 among the second vehicle data searched by the vehicle type category search unit 118 to the first vehicle data. Or, if there is no second vehicle data to be linked to the first vehicle data, the second vehicle data is linked to the first vehicle data without linking the second vehicle data to the first vehicle data.
  • the information indicating the result determined by the control target determination unit 120 is associated with the first vehicle data.
  • the data linking unit 121 is temporarily linked to the other first vehicle data. The temporary association of the second vehicle data with respect to the other first vehicle data is released, and the second vehicle data is permanently associated with the first vehicle data.
  • Vehicle data transmission unit 122 transmits to the server 170 vehicle data including vehicle information included in at least one of the first vehicle data and the second vehicle data. More specifically, the vehicle data transmission unit 122, when the data association unit 121 associates the second vehicle data with the first vehicle data, the first vehicle data and the second vehicle data. The vehicle data including the vehicle information included in is transmitted to the server 170. Further, the vehicle data transmission unit 122 associates the second vehicle data with the first vehicle data, assuming that there is no second vehicle data that the data association unit 121 should associate with the first vehicle data. Without completing the association of the second vehicle data with the first vehicle data, the vehicle data including the vehicle information included in the first vehicle data is transmitted to the server 170.
  • the vehicle data transmission unit 122 receives the second vehicle after the reception time of the second vehicle data. If the surveillance camera 130 having the imaging range A that overlaps the communication range C of the roadside apparatus 140 that has received the data captures a predetermined number of vehicles, the first vehicle data and the second vehicle data The vehicle data including the vehicle information included and the image indicated by the image ID information included in the first vehicle data is transmitted to the server 170. In addition, when the data association unit 121 temporarily associates the second vehicle data with the first vehicle data, the vehicle data transmission unit 122 has a predetermined time elapsed from the reception time of the second vehicle data. Vehicle data including vehicle information included in the first vehicle data and the second vehicle data and an image indicated by the image ID information included in the first vehicle data is transmitted to the server 170. Send.
  • the first vehicle data storage unit 123 includes a first vehicle data ID, an image ID, a vehicle number, a vehicle number detection area center position, a vehicle detection area center position, and an imaging time (year / month / day / hour: minute: Second), surveillance camera ID, first imaging time (year / month / day / hour: minute: second), last imaging time (year / month / day / hour: minute: second), and vehicle type classification information Stored in association.
  • the information of the first vehicle data ID is an identification code for uniquely identifying each first vehicle data. More specifically, the information of the first vehicle data ID is associated with each piece of information when each piece of information included in the first vehicle data is stored in the first vehicle data storage unit 123. Stored.
  • Image ID vehicle number, vehicle number detection area center position, vehicle detection area center position, imaging time (year / month / day / hour: minute: second), surveillance camera ID, first imaging time (year / month / day / (Hours: minutes: seconds), last imaging time (year / month / day / hours: minutes: seconds), and vehicle type classification information are included in the first vehicle data received from the first vehicle data generation device 150. It is the information that was included.
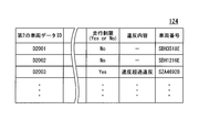
  • the second vehicle data storage unit 124 shows an example of information stored in the second vehicle data storage unit 124 in a table format.
  • the second vehicle data ID the second vehicle data ID
  • the vehicle type classification the reception time (year / month / day / hour: minute: second)
  • the vehicle-mounted device ID the roadside wireless device ID
  • the travel restriction (Yes) or No)
  • violation information the vehicle number information
  • the information of the second vehicle data ID is an identification code for uniquely identifying each second vehicle data. More specifically, the information of the second vehicle data ID is associated with each piece of information when each piece of information included in the second vehicle data is stored in the second vehicle data storage unit 124. Stored.
  • vehicle-mounted device ID On vehicle type, reception time (year / month / day / hour: minute: second), vehicle-mounted device ID, roadside wireless device ID, travel restriction (Yes or No), violation details, and vehicle number This is information included in the second vehicle data received from the vehicle data generation device 160.
  • FIG. 7 shows an example of information stored in the vehicle data storage unit 125 in a table format.
  • each information of the first vehicle data ID, the second vehicle data ID, and the control target (Yes or No) is stored in association with each other.
  • the information of the first vehicle data ID is information for identifying the first vehicle data that has been subjected to the second vehicle data association process.
  • the information of the second vehicle data ID is information for identifying the second vehicle data associated with the first vehicle data identified by the information of the first vehicle data ID.
  • the information on the control target (Yes or No) is information indicating whether or not the vehicle identified by the information of the first vehicle data ID is the control target.
  • FIG. 8 shows an example of an operation sequence of the vehicle data processing device 110, the monitoring camera 130, and the first vehicle data generation device 150.
  • this operation sequence a process from when the monitoring camera 130 captures an image until the vehicle data processing device 110 stores each information included in the first vehicle data will be described in detail.
  • both FIGS. 1 to 7 are referred to.
  • the surveillance camera 130 captures the imaging range A obliquely below with time (S101). Then, the surveillance camera 130 outputs image data obtained by imaging the imaging range A to the first vehicle data generation device 150 (S102).
  • the 1st vehicle data generation apparatus 150 will generate the 1st vehicle data, if the input of the image data outputted from surveillance camera 130 is received (S103). More specifically, the first vehicle data generation device 150 includes, for example, an image ID, a vehicle number, a vehicle number detection area center position, a vehicle detection area center position, and an imaging time (year / month / day / hour: minute). : Second), surveillance camera ID, first imaging time (year / month / day / hour: minute: second), last imaging time (year / month / day / hour: minute: second), and vehicle type classification information First vehicle data including is generated. Then, the first vehicle data generation device transmits the first vehicle data to the vehicle data processing device 110 (S104).
  • the vehicle data generation device transmits the first vehicle data to the vehicle data processing device 110 (S104).
  • each information included in the first vehicle data includes: The information of the first vehicle data ID is associated and stored in the first vehicle data storage unit 123 (S105).
  • FIG. 9 shows an example of an operation sequence of the vehicle data processing device 110, the roadside radio device 140, and the second vehicle data generation device 160.
  • this operation sequence a process from when the roadside radio apparatus 140 receives data from the vehicle-mounted device to when the vehicle data processing apparatus 110 stores each information included in the second vehicle data will be described in detail.
  • both FIGS. 1 to 8 are referred to.
  • the roadside apparatus 140 When the roadside apparatus 140 receives data transmitted from the vehicle-mounted device of the vehicle that has entered the communication range C (S201), the roadside apparatus 140 outputs the data to the second vehicle data generation device 160 (S202).
  • the second vehicle data generation device 160 When the second vehicle data generation device 160 receives the input of data output from the roadside wireless device 140, the second vehicle data generation device 160 generates second vehicle data (S203). More specifically, the second vehicle data generation device 160 includes, for example, vehicle type classification, reception time (year / month / day / hour: minute: second), vehicle-mounted device ID, roadside wireless device ID, travel restriction ( Yes or No), second content data including violation information and vehicle number information is generated. Then, the second vehicle data generation device 160 transmits the second vehicle data to the vehicle data processing device 110 (S204).
  • each information included in the second vehicle data is The information of the second vehicle data ID is associated and stored in the second vehicle data storage unit 124 (S205).
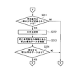
  • FIGS. 10 to 13 show an example of an operation flow of the vehicle data processing device 110.
  • FIG. In the description of this operation flow, a process for associating the second vehicle data with the first vehicle data will be described in detail. In the description of this operation flow, both FIGS. 1 to 9 are referred to.
  • the optical character recognition availability determination unit 113 of the vehicle data processing device 110 determines whether or not the character string of the vehicle number indicated by the vehicle number information included in the first vehicle data is recognized as a character. (S301, S311). More specifically, the optical character recognition availability determination unit 113 is a target to which the second vehicle data is associated with the first vehicle data stored in the first vehicle data storage unit 123. The first vehicle data is selected. Then, the optical character recognition availability determination unit 113 reads the vehicle number information of the first vehicle data from the first vehicle data storage unit 123. Then, the optical character recognition availability determination unit 113 determines whether or not the character string of the vehicle number indicated by the vehicle number information is recognized as a character.
  • the optical character recognition availability determination unit 113 recognizes the portion as a character. Judge that it is not. As a result, when it is determined that all the character strings of the vehicle numbers are recognized as characters (S301: Yes), the optical character recognition availability determination unit 113 identifies the first vehicle data described above. Information on the vehicle data ID is sent to the vehicle number search unit 115.
  • the vehicle number search unit 115 of the vehicle data processing apparatus 110 receives the information on the first vehicle data ID sent from the optical character recognition availability determination unit 113, the vehicle number search unit 115 is identified by the information on the first vehicle data ID.
  • the second vehicle data including the same vehicle number information as the vehicle number information included in the first vehicle data is searched (S302). More specifically, the vehicle number search unit 115 uses information on the vehicle number associated with the information on the first vehicle data ID received from the optical character recognition availability determination unit 113 as the first vehicle data storage unit. 123. Then, the vehicle number search unit 115 searches the second vehicle data storage unit 124 for information on the vehicle number having the same character string as the character string of the vehicle number indicated by the vehicle number information.
  • the vehicle number search unit 115 reads information on the second vehicle data ID associated with the information on the vehicle number. Then, the vehicle number search unit 115 sends the information on the second vehicle data ID and the information on the first vehicle data ID for identifying the first vehicle data to the data association unit 121.
  • the second vehicle data identified by the ID information is permanently linked to the first vehicle data identified by the first vehicle data ID information. More specifically, the data association unit 121 associates the information of the first vehicle data ID received from the vehicle number search unit 115 with the information of the second vehicle data ID, and the vehicle data storage unit 125. To store. Then, the data association unit 121 deletes the information of the first vehicle data ID and each piece of information associated therewith from the first vehicle data storage unit 123. Further, the data association unit 121 deletes the information of the second vehicle data ID and each piece of information associated therewith from the second vehicle data storage unit 124.
  • the vehicle data processing device 110 converts the second vehicle data to the first vehicle data. This is linked to the data. This is because when the vehicle number of the license plate of the vehicle imaged by the monitoring camera 130 matches the vehicle number included in the data received from the vehicle-mounted device of the vehicle, both data are certainly data of the same vehicle. Because it is considered.
  • the vehicle number search unit 115 is the first vehicle data for identifying the first vehicle data.
  • the ID information is sent to the overlapping range search unit 116.
  • the overlapping range search unit 116 of the vehicle data processing apparatus 110 Upon receiving the information on the first vehicle data ID sent from the vehicle number search unit 115, the overlapping range search unit 116 of the vehicle data processing apparatus 110 is identified by the information on the first vehicle data ID.
  • the second information including the roadside wireless device ID information for identifying the roadside wireless device 140 having the communication range C overlapping the imaging range A of the monitoring camera 130 indicated by the information of the monitoring camera ID included in the one vehicle data.
  • Vehicle data is searched (S306). More specifically, the overlapping range search unit 116 uses the first vehicle data storage unit 123 as information on the monitoring camera ID associated with the information on the first vehicle data ID received from the vehicle number search unit 115. Read from.
  • the overlapping range search unit 116 identifies roadside wireless device ID information for identifying the roadside wireless device 140 having the communication range C overlapping the imaging range A of the monitoring camera 130 identified by the information of the monitoring camera ID.
  • the second vehicle data storage unit 124 is searched.
  • the overlapping range search unit 116 obtains the information on the second vehicle data ID associated with the information on the roadside wireless device ID. read out.
  • the vehicle number search unit 115 uses the vehicle type category search unit 118 and the travel restriction information on the information on the second vehicle data ID and the information on the first vehicle data ID for identifying the first vehicle data. Send to search unit 119.
  • the vehicle type classification search unit 118 of the vehicle data processing device 110 Upon receiving the information on the first vehicle data ID and the information on the second vehicle data ID sent from the overlapping range search unit 116, the vehicle type classification search unit 118 of the vehicle data processing device 110 receives the second vehicle data ID. Of the second vehicle data identified by each information of the data ID, information on the vehicle type classification different from the information on the vehicle type classification included in the first vehicle data identified by the information of the first vehicle data ID. The second vehicle data including is searched (S308). More specifically, the vehicle type category search unit 118 obtains vehicle type category information associated with the first vehicle data ID information received from the overlapping range search unit 116 from the first vehicle data storage unit 123. read out.
  • the vehicle type category search unit 118 is associated with the information on the second vehicle data ID received from the overlapping range search unit 116, and is different from the vehicle type category information read from the first vehicle data storage unit 123. Search for category information. For example, when the information on the vehicle type division read from the first vehicle data storage unit 123 is “ordinary vehicle”, the vehicle type division search unit 118 searches for information on the vehicle type division other than “normal vehicle”. As a result, when information on the corresponding vehicle type division is searched (S309: Yes), the vehicle type division search unit 118 reads information on the second vehicle data ID associated with the information on the vehicle type division. Then, the vehicle type category search unit 118 sends the information on the second vehicle data ID and the information on the first vehicle data ID for identifying the first vehicle data to the data association unit 121.
  • the travel restriction search unit 119 of the vehicle data processing device 110 receives the information on the first vehicle data ID and the information on the second vehicle data ID sent from the overlapping range search unit 116, the second vehicle From the second vehicle data identified by the information of the data ID, the second vehicle data including information on the travel restriction (Yes or No) that does not receive the travel restriction on the toll road R is searched (S308). . More specifically, the travel restriction search unit 119 determines the toll road from the travel restriction (Yes or No) information associated with the information of the second vehicle data ID received from the overlapping range search unit 116. Search for information on values not subject to R travel restrictions.
  • the travel restriction search unit 119 determines the travel restriction (Yes or “No”). No) information is searched. As a result, when the information on the corresponding travel restriction (Yes or No) is searched (S309: Yes), the travel restriction search unit 119 displays the second associated with the information on the travel restriction (Yes or No). Read the vehicle data ID information. Then, the travel restriction search unit 119 sends the information on the second vehicle data ID and the information on the first vehicle data ID for identifying the first vehicle data to the data association unit 121. In addition, the travel restriction search unit 119 sends information on the first vehicle data ID for identifying the first vehicle data to the enforcement target determination unit 120.
  • the control object determination unit 120 of the vehicle data processing apparatus 110 is identified by the information on the first vehicle data ID. Based on the information on the vehicle number of the vehicle included in the one vehicle data, it is determined whether or not the vehicle is a target of control (S310). More specifically, the control target determination unit 120 uses the first vehicle data storage unit as the vehicle number information of the vehicle associated with the first vehicle data ID information received from the travel restriction search unit 119. 123. And the control object determination part 120 determines whether the vehicle is a control object based on the information of the vehicle number of the vehicle. For example, the control target determination unit 120 refers to a list of vehicle numbers of the vehicles to be controlled and determines whether or not the vehicle is a control target. Then, the control target determination unit 120 sends information on the determination result to the data association unit 121.
  • the data association unit 121 is sent from the vehicle type category search unit 118 and the travel restriction search unit 119, the first vehicle data ID information, the second vehicle data ID information, and the enforcement target determination unit 120.
  • the second vehicle data identified by the information of the second vehicle data ID is temporarily linked to the first vehicle data identified by the information of the first vehicle data ID. (S304).
  • the data association unit 121 associates the determination result information received from the enforcement target determination unit 120 together. More specifically, the data association unit 121 associates the information on the first vehicle data ID received from the vehicle type category search unit 118 and the travel restriction search unit 119 with the information on the second vehicle data ID. And stored in the vehicle data storage unit 125.
  • the data association unit 121 further associates the determination result information received from the enforcement target determination unit 120 and stores the information in the vehicle data storage unit 125. Then, the data association unit 121 deletes the information of the first vehicle data ID and each piece of information associated therewith from the first vehicle data storage unit 123. In this case, the data association unit 121 does not delete the information on the second vehicle data ID and the information associated therewith from the second vehicle data storage unit 124.
  • the vehicle data processing device 110 is the vehicle type classification information of the first vehicle data.
  • Second vehicle data that includes information on different vehicle types and includes information on travel restrictions (Yes or No) that are not subject to travel restrictions on the toll road R is temporarily associated with the first vehicle data. This is because when a vehicle-mounted device other than a regular vehicle-mounted device is attached to the vehicle, a vehicle-mounted device for a vehicle type with a lower toll than the vehicle type of the vehicle is attached, or traveling on a toll road R This is because there is a high possibility that a vehicle-mounted device that has been set to receive no restrictions is attached.
  • step S306 if the information of the corresponding roadside wireless device ID is not searched (S307: No), the overlapping range search unit 116 identifies the first vehicle data described above.
  • the vehicle data ID information is sent to the control object determination unit 120 and the data association unit 121.
  • the control target determination unit 120 Upon receiving the information on the first vehicle data ID sent from the overlapping range search unit 116, the control target determination unit 120 receives the vehicle included in the first vehicle data identified by the information on the first vehicle data ID. Based on the vehicle number information of the vehicle, it is determined whether or not the vehicle is subject to control (S310). Then, the control target determination unit 120 sends information on the determination result to the data association unit 121.
  • the data association unit 121 When the data association unit 121 receives the information on the first vehicle data ID sent from the overlapping range search unit 116 and the information on the determination result sent from the enforcement target determination unit 120, the data association unit 121 receives the first vehicle data ID. The association of the second vehicle data to the first vehicle data is terminated without associating the second vehicle data with the first vehicle data identified by the information (S304). At that time, the data linking unit 121 links the determination result information received from the enforcement target determination unit 120 to the first vehicle data. More specifically, the data association unit 121 associates the information on the first vehicle data ID received from the overlapped range search unit 116 with the information on the determination result received from the enforcement target determination unit 120, and Store in the data storage unit 125. Then, the data association unit 121 deletes the information of the first vehicle data ID and each piece of information associated therewith from the first vehicle data storage unit 123.
  • the data association unit terminates the association of the second vehicle data with respect to the first vehicle data on the assumption that the second vehicle data associated with the first vehicle data does not exist. This is because, when the vehicle is imaged by the monitoring camera 130, if the roadside wireless device 140 having the communication range C overlapping the imaging range A of the monitoring camera 130 does not receive data from the vehicle-mounted device, This is because it is considered that data reception from the vehicle-mounted device has failed or the vehicle-mounted device is not attached.
  • the vehicle type classification search unit 118 or the travel The restriction search unit 119 sends information on the first vehicle data ID for identifying the first vehicle data to the enforcement target determination unit 120 and the data association unit 121.
  • the control target determination unit 120 Upon receiving the information on the first vehicle data ID sent from the vehicle type category search unit 118, the control target determination unit 120 receives the vehicle included in the first vehicle data identified by the information on the first vehicle data ID. Based on the vehicle number information of the vehicle, it is determined whether or not the vehicle is subject to control (S310). Then, the control target determination unit 120 sends information on the determination result to the data association unit 121.
  • the data association unit 121 When the data association unit 121 receives the information on the first vehicle data ID transmitted from the vehicle type category search unit 118 and the information on the determination result transmitted from the control target determination unit 120, the data association unit 121 receives the first vehicle data ID. The association of the second vehicle data to the first vehicle data is terminated without associating the second vehicle data with the first vehicle data identified by the information (S304). At that time, the data linking unit 121 links the determination result information received from the enforcement target determination unit 120 to the first vehicle data. More specifically, the data association unit 121 associates the information on the first vehicle data ID received from the vehicle type category search unit 118 with the information on the determination result received from the enforcement target determination unit 120, and Store in the data storage unit 125. Then, the data association unit 121 deletes the information of the first vehicle data ID and each piece of information associated therewith from the first vehicle data storage unit 123.
  • the vehicle type classification information different from the vehicle type classification information of the first vehicle data is obtained.
  • the vehicle data processing device 110 is suspected of fraud in which no vehicle-mounted device is mounted on the vehicle because there is no second vehicle data associated with the first vehicle data.
  • the association of the second vehicle data with the first vehicle data is terminated.
  • the control object determination unit 120 Upon receiving the information on the first vehicle data ID sent from the travel restriction search unit 119, the control object determination unit 120 receives the vehicle included in the first vehicle data identified by the information on the first vehicle data ID. Based on the vehicle number information of the vehicle, it is determined whether or not the vehicle is subject to control (S310). Then, the control target determination unit 120 sends information on the determination result to the data association unit 121.
  • the data association unit 121 When the data association unit 121 receives the information on the first vehicle data ID sent from the travel restriction search unit 119 and the information on the determination result sent from the enforcement target determination unit 120, the data association unit 121 receives the first vehicle data ID. The association of the second vehicle data to the first vehicle data is terminated without associating the second vehicle data with the first vehicle data identified by the information (S304). At that time, the data linking unit 121 links the determination result information received from the enforcement target determination unit 120 to the first vehicle data. More specifically, the data linking unit 121 associates the information on the first vehicle data ID received from the travel restriction search unit 119 with the information on the determination result received from the enforcement target determination unit 120, so that the vehicle Store in the data storage unit 125. Then, the data association unit 121 deletes the information of the first vehicle data ID and each piece of information associated therewith from the first vehicle data storage unit 123.
  • the travel restriction (Yes or No) is a value that is not subject to travel restrictions on the toll road R. If there is no second vehicle data including the above information, the vehicle data processing device 110 assumes that there is no second vehicle data associated with the first vehicle data, and the second vehicle data for the first vehicle data. End data linking. This is because, when the vehicle-mounted device of the vehicle is illegally replaced, it is considered that there is a high possibility that the vehicle-mounted device for the vehicle type that is cheaper than the vehicle type of the own vehicle is attached.
  • the optical character recognition availability determination unit 113 sends the information of the first vehicle data ID for identifying the first vehicle data to the character complementing unit 114.
  • the character complementing unit 114 of the vehicle data processing device 110 receives the information on the first vehicle data ID sent from the optical character recognition availability determination unit 113, the first vehicle data identified by the information on the vehicle data ID.
  • the character of the part which is not recognized as a character among the character strings of the vehicle number shown by the information of the vehicle number contained in is supplemented (S312). More specifically, the character complementing unit 114 uses information on the vehicle number associated with the information on the first vehicle data ID received from the optical character recognition availability determination unit 113 as the first vehicle data storage unit 123. Read from. And the character complement part 114 complements the character of the part which is not recognized as a character among the character strings of the vehicle number shown by the information of the vehicle number.
  • the character complementing unit 114 compares the character string of the vehicle number with the vehicle number information stored in the second vehicle data storage unit 124, and calculates the degree of coincidence. Then, if the calculated degree of coincidence is equal to or greater than a predetermined threshold, the character complementing unit 114 adds a character of “?” Indicating that the character is not recognized to the second vehicle data storage unit 124. The character is complemented by replacing it with the character of the stored vehicle number. And the character complement part 114 stores the information of the vehicle number which shows the character string of the vehicle number which complemented the character of the part which is not recognized in the 1st vehicle data storage part 123. FIG. And the character complement part 114 reads the information of 1st vehicle data ID matched with the information of the vehicle number. And the character complement part 114 sends the information of the 1st vehicle data ID to the vehicle number search part 115. FIG.
  • the vehicle number search unit 115 When the vehicle number search unit 115 receives the information on the vehicle data ID sent from the character complement unit 114, the vehicle number search unit 115 includes the character complement included in the first vehicle data identified by the information on the first vehicle data ID.
  • the part 114 searches for the second vehicle data including the information of the same vehicle number as the information of the vehicle number supplemented with characters (S313). More specifically, the vehicle number search unit 115 reads out information on the vehicle number associated with the information on the first vehicle data ID received from the character complementing unit 114 from the first vehicle data storage unit 123. . Then, the vehicle number search unit 115 searches the second vehicle data storage unit 124 for information on the vehicle number having the same character string as the character string of the vehicle number indicated by the vehicle number information.
  • the vehicle number search unit 115 reads out information on the second vehicle data ID associated with the information on the vehicle number. Then, the vehicle number search unit 115 sends the information on the second vehicle data ID and the information on the first vehicle data ID for identifying the first vehicle data to the data association unit 121.
  • the second vehicle data identified by the ID information is permanently linked to the first vehicle data identified by the first vehicle data ID information. More specifically, the data association unit 121 associates the information of the first vehicle data ID received from the vehicle number search unit 115 with the information of the second vehicle data ID, and the vehicle data storage unit 125. To store. Then, the data association unit 121 deletes the information of the first vehicle data ID and each piece of information associated therewith from the first vehicle data storage unit 123. Further, the data association unit 121 deletes the information of the second vehicle data ID and each piece of information associated therewith from the second vehicle data storage unit 124.
  • the vehicle data processing device 110 supplements a character that has failed optical character recognition in the character string indicated by the vehicle number information of the first vehicle data, and then uses the same vehicle as the vehicle number information. If there is second vehicle data including number information, the second vehicle data is permanently linked to the first vehicle data. This is because it is considered that both data are certainly the data of the same vehicle when the information of the vehicle number matches even after supplementing the character that failed in the optical character recognition.
  • the optical character recognition availability determination unit 113 sends the information of the first vehicle data ID for identifying the first vehicle data to the overlapping range search unit 116.
  • the vehicle number search unit 115 identifies the first vehicle data that identifies the first vehicle data.
  • the ID information is sent to the overlapping range search unit 116.
  • the overlapping range search unit 116 Upon receiving the information on the first vehicle data ID sent from the optical character recognition availability determination unit 113 or the vehicle number search unit 115, the overlapping range search unit 116 is identified by the information on the first vehicle data ID. Includes roadside wireless device ID information that identifies a roadside wireless device 140 having a communication range C that overlaps the imaging range A of the monitoring camera 130 indicated by the information of the monitoring camera ID included in the first vehicle data.
  • the second vehicle data is searched (S315). More specifically, the overlapping range search unit 116 obtains information on the monitoring camera ID associated with the information on the first vehicle data ID received from the optical character recognition availability determination unit 113 or the vehicle number search unit 115. Read from the first vehicle data storage unit 123.
  • the overlapping range search unit 116 identifies roadside wireless device ID information for identifying the roadside wireless device 140 having the communication range C overlapping the imaging range A of the monitoring camera 130 identified by the information of the monitoring camera ID.
  • the second vehicle data storage unit 124 is searched.
  • the overlapping range search unit 116 obtains the information on the second vehicle data ID associated with the information on the roadside apparatus ID. read out.
  • the vehicle number search unit 115 sends the information on the second vehicle data ID and the information on the first vehicle data ID for identifying the first vehicle data to the enforcement target search unit 117.
  • the control object search unit 117 of the vehicle data processing apparatus 110 Upon receiving the information on the first vehicle data ID and the information on the second vehicle data ID sent from the overlapping range search unit 116, the control object search unit 117 of the vehicle data processing apparatus 110 receives the second vehicle.
  • the second vehicle data including violation information is searched from the second vehicle data identified by the data ID information (S317). More specifically, the control target search unit 117 stores a value indicating violation content from the violation content information associated with the second vehicle data ID information received from the overlapping range search unit 116. Search for what is being. As a result, when the violation content information storing the value indicating the violation content is not searched (S318: No), the control target search unit 117 receives the first vehicle data ID received from the overlapping range search unit 116. The information and the information of the second vehicle data ID are sent to the vehicle type category search unit 118 and the travel restriction search unit 119.
  • the vehicle type classification search unit 118 Upon receiving the information on the first vehicle data ID and the information on the second vehicle data ID sent from the control target search unit 117, uses the information on the second vehicle data ID. Second vehicle data including information on the vehicle type classification different from the information on the vehicle type classification included in the first vehicle data identified by the information of the first vehicle data ID from among the identified second vehicle data. Is searched (S319). More specifically, the vehicle type category search unit 118 obtains vehicle type category information associated with the information of the first vehicle data ID received from the control target search unit 117 from the first vehicle data storage unit 123. read out.
  • the vehicle type category search unit 118 is associated with the information on the second vehicle data ID received from the control target search unit 117, and is different from the vehicle type category information read from the first vehicle data storage unit 123. Search for category information. As a result, when information on the corresponding vehicle type division is searched (S320: Yes), the vehicle type division search unit 118 reads information on the second vehicle data ID associated with the information on the vehicle type division. Then, the vehicle type category search unit 118 sends the information on the second vehicle data ID and the information on the first vehicle data ID for identifying the first vehicle data to the data association unit 123.
  • the travel restriction search unit 119 When the travel restriction search unit 119 receives the information on the first vehicle data ID and the information on the second vehicle data ID sent from the control target search unit 117, the travel restriction search unit 119 identifies the information based on the information on the second vehicle data ID.
  • the second vehicle data including the information on the travel restriction (Yes or No) of the value not subject to the travel restriction on the toll road R is searched from the second vehicle data to be performed (S319). More specifically, the travel restriction search unit 119 determines the toll road from the travel restriction (Yes or No) information associated with the information of the second vehicle data ID received from the control target search unit 117. Search for information on values not subject to R travel restrictions.
  • the travel restriction search unit 119 displays the second associated with the information on the travel restriction (Yes or No). Read the vehicle data ID information. Then, the travel restriction search unit 119 sends the information on the second vehicle data ID and the information on the first vehicle data ID for identifying the first vehicle data to the data association unit 121.
  • the second vehicle data identified by the ID information is temporarily linked to the first vehicle data identified by the first vehicle data ID information (S304). More specifically, the data association unit 121 associates the information on the first vehicle data ID received from the vehicle type category search unit 118 and the travel restriction search unit 119 with the information on the second vehicle data ID. And stored in the vehicle data storage unit 125. Then, the data association unit 121 deletes the information of the first vehicle data ID and each piece of information associated therewith from the first vehicle data storage unit 123. In this case, the data association unit 121 does not delete the information on the second vehicle data ID and the information associated therewith from the second vehicle data storage unit 124.
  • the vehicle data processing device 110 includes information on the vehicle type classification that is different from the information on the vehicle type classification of the first vehicle data, and has a value that is not subject to travel restrictions on the toll road R.
  • the second vehicle data including the travel restriction (Yes or No) information is linked to the first vehicle data.
  • the overlapping range search unit 116 identifies the first vehicle data described above.
  • the vehicle data ID information is sent to the data association unit 121.
  • the data association unit 121 When the data association unit 121 receives the information on the first vehicle data ID sent from the overlapping range search unit 116, the data association unit 121 adds the second vehicle to the first vehicle data identified by the information on the first vehicle data ID. The linking of the second vehicle data to the first vehicle data is terminated without linking the data (S304). More specifically, the data association unit 121 stores the information on the first vehicle data ID received from the overlapping range search unit 116 in the vehicle data storage unit 125. Then, the data association unit 121 deletes the information of the first vehicle data ID and each piece of information associated therewith from the first vehicle data storage unit 123.
  • the data association unit terminates the association of the second vehicle data with respect to the first vehicle data on the assumption that the second vehicle data associated with the first vehicle data does not exist. This is because, when the vehicle is imaged by the monitoring camera 130, if the roadside wireless device 140 having the communication range C overlapping the imaging range A of the monitoring camera 130 does not receive data from the vehicle-mounted device, This is because it is considered that data reception from the vehicle-mounted device has failed or the vehicle-mounted device is not attached.
  • step S317 when the violation content information storing the value indicating the violation content is searched (S318: Yes), the enforcement target search unit 117 associates the violation content information with the violation content information.
  • the information on the obtained second vehicle data ID and the information on the first vehicle data ID for identifying the first vehicle data are sent to the data association unit 121.
  • the data association unit 121 When the data association unit 121 receives the information on the first vehicle data ID and the information on the second vehicle data ID sent from the enforcement target search unit 117, the data association unit 121 is identified by the information on the second vehicle data ID.
  • the second vehicle data is provisionally linked to the first vehicle data identified by the information of the first vehicle data ID (S304). More specifically, the data association unit 121 associates the information of the first vehicle data ID received from the enforcement target search unit 117 with the information of the second vehicle data ID, and associates the information with the vehicle data storage unit 125. To store. Then, the data association unit 121 deletes the information of the first vehicle data ID and each piece of information associated therewith from the first vehicle data storage unit 123. In this case, the data association unit 121 does not delete the information on the second vehicle data ID and the information associated therewith from the second vehicle data storage unit 124.
  • the same vehicle number as the vehicle number information of the first vehicle data is used. If there is no second vehicle data including information, and there is second vehicle data including information indicating the traffic violation content, the second vehicle data is linked to the first vehicle data. This is because there is no OBE information that matches in the character recognition result, but there is one or more OBE information determined to be illegal near that time, and any OBE information is This is because it is highly likely that the vehicle data matches the vehicle data and that the vehicle is likely to be an unauthorized vehicle.
  • the vehicle type classification search unit 118 or the travel The restriction search unit 119 sends information on the first vehicle data ID for identifying the first vehicle data to the data association unit 121.
  • the data association unit 121 When the data association unit 121 receives the information of the first vehicle data ID sent from the vehicle type category search unit 118, the data association unit 121 adds the second vehicle to the first vehicle data identified by the information of the first vehicle data ID. The linking of the second vehicle data to the first vehicle data is terminated without linking the data (S304). More specifically, the data association unit 121 stores the information on the first vehicle data ID received from the vehicle type category search unit 118 in the vehicle data storage unit 125. Then, the data association unit 121 deletes the information of the first vehicle data ID and each piece of information associated therewith from the first vehicle data storage unit 123.
  • the vehicle data processing device 110 Assuming that there is no second vehicle data associated with the vehicle data, the association of the second vehicle data with respect to the first vehicle data is terminated. This is because the possibility of a normal vehicle is considered high.
  • the data association unit 121 When the data association unit 121 receives the information of the first vehicle data ID sent from the travel restriction search unit 119, the data association unit 121 adds the second vehicle to the first vehicle data identified by the information of the first vehicle data ID. The linking of the second vehicle data to the first vehicle data is terminated without linking the data (S304). More specifically, the data association unit 121 stores the information on the first vehicle data ID received from the travel restriction search unit 119 in the vehicle data storage unit 125. Then, the data association unit 121 deletes the information of the first vehicle data ID and each piece of information associated therewith from the first vehicle data storage unit 123.
  • the vehicle data processing device 110 Assuming that there is no second vehicle data associated with the first vehicle data, the association of the second vehicle data with respect to the first vehicle data is terminated. This is because the possibility of a normal vehicle is considered high.
  • the data linking unit 121 may temporarily link the second vehicle data to the first vehicle data when the second vehicle data is temporarily linked to the other first vehicle data.
  • the temporary association of the second vehicle data with respect to the other first vehicle data is released, and the second vehicle data is permanently associated with the first vehicle data.
  • the vehicle data transmission unit 122 of the vehicle data processing apparatus 110 transmits vehicle data including vehicle information included in at least one of the first vehicle data and the second vehicle data to the server 170 (S305). ). More specifically, the vehicle data transmission unit 122, when the data association unit 121 associates the second vehicle data with the first vehicle data, the first vehicle data and the second vehicle data. The vehicle data including the vehicle information included in is transmitted to the server 170. Further, the vehicle data transmission unit 122 associates the second vehicle data with the first vehicle data, assuming that there is no second vehicle data that the data association unit 121 should associate with the first vehicle data. Without completing the association of the second vehicle data with the first vehicle data, the vehicle data including the vehicle information included in the first vehicle data is transmitted to the server 170.
  • the vehicle data transmission unit 122 receives the second vehicle after the reception time of the second vehicle data. If the surveillance camera 130 having the imaging range A that overlaps the communication range C of the roadside apparatus 140 that has received the data captures a predetermined number of vehicles, the first vehicle data and the second vehicle data The vehicle data including the vehicle information included and the image indicated by the image ID information included in the first vehicle data is transmitted to the server 170. In addition, when the data association unit 121 temporarily associates the second vehicle data with the first vehicle data, the vehicle data transmission unit 122 has a predetermined time elapsed from the reception time of the second vehicle data. Vehicle data including vehicle information included in the first vehicle data and the second vehicle data and an image indicated by the image ID information included in the first vehicle data is transmitted to the server 170. Send.
  • the monitoring camera 130 images the toll road R over time.
  • the roadside apparatus 140 has a communication range C that overlaps with the imaging range A of the monitoring camera 130.
  • the vehicle data processing device 110 obtains second vehicle data including information on a vehicle that may be the same vehicle as the target vehicle of the first vehicle data from the second vehicle data. Link to vehicle data.
  • each monitoring camera 130 and each roadside apparatus 140 are connected so that the imaging range A of one monitoring camera 130 and the communication range C of one roadside apparatus 140 overlap. Since the second vehicle data target to be linked to the first vehicle data including the vehicle information captured by the one monitoring camera 130 is set as the roadside radio corresponding to the one monitoring camera 130, for example.
  • the device 140 or the roadside wireless device 140 on both sides of the device 140 may be limited to the information including the vehicle information received from the vehicle-mounted device.
  • the vehicle data processing device 110 includes the second vehicle data including the same vehicle number information as the vehicle number information of the vehicle included in the first vehicle data from the second vehicle data. Search for. Then, the vehicle data processing device 110 permanently links the searched second vehicle data to the first vehicle data.
  • the first vehicle The data can be associated with the second vehicle data.
  • the vehicle data processing device 110 determines whether or not the character string of the vehicle number indicated by the vehicle number information of the vehicle included in the first vehicle data is recognized as a character.
  • the vehicle data processing device 110 determines that all the character strings of the vehicle numbers indicated by the vehicle number information of the vehicles included in the first vehicle data are recognized as characters, the second vehicle The second vehicle data including the same vehicle number information as the vehicle number information included in the first vehicle data is searched from the data.
  • Vehicle data can be linked.
  • the vehicle data processing device 110 obtains the second vehicle data including the information on the vehicle type classification different from the information on the vehicle type classification included in the first vehicle data from the second vehicle data. Search for. Further, the vehicle data processing device 110 searches the second vehicle data for second vehicle data including information on a travel restriction (Yes or No) value that is not subject to travel restrictions on the toll road R. Then, the vehicle data processing device 110, when the second vehicle data including the same vehicle number information as the vehicle number information included in the first vehicle data is not searched, the vehicle included in the first vehicle data Second vehicle data including information on the vehicle type classification different from the information on the vehicle type classification of the vehicle, and second vehicle data including information on the travel restriction (Yes or No) of the value not subject to the travel restriction on the toll road R. Temporary tying to the first vehicle data.
  • the first vehicle data including information on a vehicle that may be attached to an on-vehicle device that is not a regular on-vehicle device attached to the vehicle;
  • the second vehicle data can be linked.
  • the vehicle data processing device 110 has information on the vehicle type that is different from the information on the vehicle type included in the first vehicle data, and the travel restriction (Yes) that is not subject to the travel restriction on the toll road R. or No) information is not retrieved, there is no second vehicle data to be linked to the first vehicle data, so the vehicle is mounted on the vehicle. Assuming that there is no suspicion of fraud, the association of the second vehicle data with the first vehicle data is terminated without associating the second vehicle data with the first vehicle data.
  • the first information including the vehicle information is included.
  • the second vehicle data can be prevented from being associated with the vehicle data.
  • the vehicle data processing device 110 communicates with the imaging range A of the monitoring camera 130 indicated by the information of the monitoring camera ID included in the first vehicle data from the second vehicle data.
  • the second vehicle data including the information on the roadside apparatus ID of the roadside apparatus 140 having the range C is searched.
  • the vehicle data processing apparatus 110 searches the 2nd vehicle data containing the information of the vehicle type division different from the information of the vehicle type division contained in the 1st vehicle data from the searched 2nd vehicle data,
  • the second vehicle data including the information on the travel restriction (Yes or No) of the value not subject to the travel restriction on the toll road R is retrieved from the searched second vehicle data.
  • the roadside of the roadside wireless device 140 having the communication range C overlapping the imaging range A of the monitoring camera 130 indicated by the information of the monitoring camera ID included in the first vehicle data. Only the second vehicle data including the information on the wireless device ID can be a target to be associated with the first vehicle data.
  • the vehicle data processing device 110 includes the roadside wireless device 140 having the communication range C that overlaps the imaging range A of the monitoring camera 130 indicated by the information of the imaging camera ID included in the first vehicle data. If the second vehicle data including the information on the roadside apparatus ID is not searched, it is determined that there is no second vehicle data to be linked to the first vehicle data, and the second vehicle data is second in the first vehicle data. The linking of the second vehicle data to the first vehicle data is terminated without linking the vehicle data.
  • the roadside of the roadside wireless device 140 having the communication range C overlapping the imaging range A of the monitoring camera 130 indicated by the information of the imaging camera ID included in the first vehicle data.
  • the second vehicle data including information of the wireless device ID is not searched, the second vehicle data can be prevented from being associated with the first vehicle data.
  • the vehicle data processing device 110 supplements the character of the portion that is not recognized as a character in the character string of the vehicle number indicated by the vehicle number information included in the first vehicle data.
  • the vehicle data processing device 110 determines that a part of the character string of the vehicle number indicated by the vehicle number information included in the first vehicle data is not recognized as a character
  • the second vehicle data The second vehicle data including the information of the same vehicle number as the information of the vehicle number complemented with the characters included in the first vehicle data is searched.
  • the first The second vehicle data can be linked to the other vehicle data.
  • the vehicle data processing device 110 searches the second vehicle data including the information on the violation content from the second vehicle data. If the second vehicle data including the same vehicle number information as the vehicle number information complemented with the characters included in the first vehicle data is not searched, the vehicle data processing device 110 The second vehicle data including the information is temporarily associated with the first vehicle data.
  • the vehicle data processing device 110 includes the roadside wireless device 140 having the communication range C that overlaps the imaging range A of the monitoring camera 130 indicated by the information of the imaging camera ID included in the first vehicle data.
  • the second vehicle data including the violation information is searched from the second vehicle data including the roadside apparatus ID information.
  • the roadside of the roadside wireless device 140 having the communication range C overlapping the imaging range A of the monitoring camera 130 indicated by the information of the monitoring camera ID included in the first vehicle data. Only the second vehicle data including the information on the wireless device ID can be a target to be associated with the first vehicle data.
  • the vehicle data processing device 110 when the second vehicle data including the violation content information is not searched, the vehicle type different from the vehicle type classification information included in the first vehicle data.
  • the second vehicle data including the classification information and the second vehicle data including the travel restriction (Yes or No) information that is not subject to the travel restriction on the toll road R are temporarily linked to the first vehicle data. Attach.
  • the first vehicle data including information on a vehicle that may be attached to an on-vehicle device that is not a regular on-vehicle device attached to the vehicle;
  • the second vehicle data can be linked.
  • the vehicle data processing device 110 does not search for the second vehicle data including the violation content information, and does not search for the vehicle type classification information different from the vehicle type classification information included in the first vehicle data. If the second vehicle data including information on the travel restriction (Yes or No) that does not receive the travel restriction on the toll road R is not searched, the target vehicle of the first vehicle data may be fraudulent. Assuming that the second vehicle data is not associated with the first vehicle data, the association of the second vehicle data with the first vehicle data is terminated.
  • the vehicle data processing device 110 determines whether or not the vehicle is a control target based on the information on the vehicle number included in the first vehicle data.
  • the vehicle data processing device 110 is a value that is not subject to travel restrictions on the toll road R among the second vehicle data including information on the vehicle type classification different from the information on the vehicle type classification of the vehicle included in the first vehicle data.
  • the second vehicle data including the travel restriction (Yes or No) information is temporarily linked to the first vehicle data, or there is no second vehicle data to be linked to the first vehicle data.
  • Information indicating the result of the determination is linked to the first vehicle data.
  • the vehicle data processing device 110 when the second vehicle data is associated with the first vehicle data, the second vehicle data is temporarily associated with the other first vehicle data. If attached, the temporary association of the second vehicle data with respect to the other first vehicle data is released, and the second vehicle data is permanently associated with the first vehicle data.
  • the vehicle data processing system 100 even when the second vehicle data is linked to data different from the first vehicle data that should be associated with the first vehicle data, the first data that should be associated with the first vehicle data after that.
  • the vehicle data became clear, it was re-linked to that data, so the number of data that were temporarily linked was reduced, and the load on the network between the servers 170 and the server 170 were consolidated. The burden on the operator who artificially processes the data can be reduced.
  • the vehicle data processing device 110 transmits the vehicle data including the vehicle information included in at least one of the first vehicle data and the second vehicle data to the server 170.
  • the vehicle data processing device 110 has the second vehicle data associated with the first vehicle data, the vehicle included in the first vehicle data and the second vehicle data.
  • the vehicle data including the information is transmitted to the server 170.
  • the information included in the associated first vehicle data and second vehicle data can be collected in the server 170 as information related to the same vehicle.
  • the vehicle data processing device 110 associates the second vehicle data with the first vehicle data, assuming that there is no second vehicle data to be associated with the first vehicle data. Without completing the association of the second vehicle data with the first vehicle data, the vehicle data including the vehicle information included in the first vehicle data is transmitted to the server 170.
  • the server when there is no second vehicle data associated with the first vehicle data, the server includes the information included in the first vehicle data as information on the target vehicle. 170 can be aggregated.
  • the vehicle data processing apparatus 110 receives the second vehicle after the reception time of the second vehicle data. If the surveillance camera 130 having the imaging range A that overlaps the communication range C of the roadside apparatus 140 that has received the data captures a predetermined number of vehicles, the first vehicle data and the second vehicle data The vehicle data including the vehicle information included and the image indicated by the image ID information included in the first vehicle data is transmitted to the server 170.
  • the information included in the information can be collected together with the image of the target vehicle to the server 170.
  • the vehicle data processing device 110 when the second vehicle data is temporarily linked to the first vehicle data, the vehicle data processing device 110 is provided that a predetermined time has elapsed from the reception time of the second vehicle data. Vehicle data including vehicle information included in the first vehicle data and the second vehicle data and an image indicated by the image ID information included in the first vehicle data is transmitted to the server 170. Send.
  • the information included in the information can be collected together with the image of the target vehicle to the server 170.
  • the vehicle data processing device 110 receives the second vehicle data. If the surveillance camera 130 having the imaging range A overlapping the communication range C of the roadside apparatus 140 that has received the second vehicle data is imaging a predetermined number of vehicles later, the second vehicle data The vehicle data including the vehicle information included in is transmitted to the server 170.
  • information included in the second vehicle data that may not be associated with the first vehicle data can be transmitted to the server 170.
  • the vehicle data processing device 110 receives the second vehicle data. If the predetermined time has passed, the vehicle data including the vehicle information included in the second vehicle data is transmitted to the server 170.
  • information included in the second vehicle data that may not be associated with the first vehicle data can be transmitted to the server 170.
  • the overlapping range search unit 116 selects the imaging range A of the monitoring camera 130 indicated by the information of the monitoring camera ID included in the first vehicle data from the second vehicle data.
  • the example which searches the 2nd vehicle data containing the information of roadside apparatus ID which identifies the roadside apparatus 140 which has the overlapping communication range C was demonstrated.
  • the overlapping range search unit 116 uses the width direction of the toll road R as the x-axis coordinate, the range in the x-axis coordinate of the communication range C of each roadside device 140, and the roadside device ID. Referring to the corresponding table, the roadside apparatus ID for the detected position of the vehicle in the x-axis coordinate may be specified.
  • the vehicle data transmission unit 122 when the second vehicle data including the violation content information is not associated with any of the first vehicle data, the vehicle data transmission unit 122, after the reception time of the second vehicle data, If the monitoring camera 130 having the imaging range A that overlaps the communication range C of the roadside apparatus 140 that has received the second vehicle data is imaging a predetermined number of vehicles, the vehicle included in the second vehicle data Vehicle data including information may be transmitted to the server 170. In addition, when the second vehicle data including the violation content information is not associated with any first vehicle data, the vehicle data transmission unit 122 passes a predetermined time from the reception time of the second vehicle data. If so, vehicle data including vehicle information included in the second vehicle data may be transmitted to the server 170.
  • FIG. 14 shows an example of a hardware configuration of a computer 800 constituting the vehicle data processing apparatus 110 according to the present embodiment.
  • a computer 800 includes a CPU (Central Processing Unit) 802, a RAM (Random Access Memory) 803, a graphic controller 804, and a display 805 that are mutually connected by a host controller 801, and input / output An input / output unit having a communication interface 807, a hard disk drive 808, and a CD-ROM (Compact Disk Only Memory) drive 809 connected to each other by the controller 806, and a ROM (Read Only Memory) connected to the input / output controller 806 810, legacy input / output having flexible disk drive 811 and input / output chip 812 Provided with a door.
  • a CPU Central Processing Unit
  • RAM Random Access Memory
  • FIG. 14 shows an example of a hardware configuration of a computer 800 constituting the vehicle data processing apparatus 110 according to the present embodiment.
  • a computer 800 includes a CPU (Central Processing Unit) 802, a RAM (Random Access
  • the host controller 801 connects the RAM 803, the CPU 802 that accesses the RAM 803 at a high transfer rate, and the graphic controller 804.
  • the CPU 802 operates based on programs stored in the ROM 810 and the RAM 803 and controls each unit.
  • the graphic controller 804 acquires image data generated on a frame buffer provided in the RAM 803 by the CPU 802 and the like and displays the image data on the display 805.
  • the graphic controller 804 may include a frame buffer for storing image data generated by the CPU 802 or the like.
  • the input / output controller 806 connects the host controller 801 to the communication interface 807, the hard disk drive 808, and the CD-ROM drive 809, which are relatively high-speed input / output devices.
  • the hard disk drive 808 stores programs and data used by the CPU 802 in the computer 800.
  • the CD-ROM drive 809 reads a program or data from the CD-ROM 892 and provides it to the hard disk drive 808 via the RAM 803.
  • the input / output controller 806 is connected to the ROM 810, the flexible disk drive 811 and the input / output chip 812, which are relatively low-speed input / output devices.
  • the ROM 810 stores a boot program that is executed when the computer 800 is started and / or a program that depends on the hardware of the computer 800.
  • the flexible disk drive 811 reads a program or data from the flexible disk 893 and provides it to the hard disk drive 808 via the RAM 803.
  • the input / output chip 812 connects the flexible disk drive 811 to the input / output controller 806 and connects various input / output devices to the input / output controller 806 via, for example, a parallel port, serial port, keyboard port, mouse port, and the like. To do.
  • the program provided to the hard disk drive 808 via the RAM 803 is stored in a recording medium such as a flexible disk 893, a CD-ROM 892, or an IC (Integrated Circuit) card and provided by the user.
  • the program is read from the recording medium, installed in the hard disk drive 808 in the computer 800 via the RAM 803, and executed by the CPU 802.
  • a program that is installed in the computer 800 and causes the computer 800 to function as the vehicle data processing device 110 allows the computer 800 to be the same vehicle as the target vehicle of the first vehicle data in the second vehicle data in step S304.
  • the second vehicle data including the information on the vehicle having the characteristics is caused to function as the data association unit 121 that associates the second vehicle data with the first vehicle data.
  • the program causes the computer 800 to execute second vehicle data including information on the same vehicle number as the vehicle number information included in the first vehicle data from the second vehicle data in step S302.
  • the vehicle number search unit 115 that searches the vehicle number and the second vehicle data searched by the vehicle number search unit 115 may function as the data link unit 121 that performs the main link to the first vehicle data.
  • the program causes the computer 800 to determine whether or not the character string of the vehicle number indicated by the vehicle number information included in the first vehicle data is recognized as a character in step S301. If the optical character recognition availability determination unit 113 determines that all the character strings of the vehicle number indicated by the vehicle number information included in the first vehicle data and the vehicle number information included in the first vehicle data are recognized as characters, step In S302, the second vehicle data may function as the vehicle number search unit 115 that searches the second vehicle data including the same vehicle number information as the vehicle number information included in the first vehicle data. Good.
  • step S308 the program causes the computer 800 to obtain second vehicle data including information on the vehicle type classification that is different from the information on the vehicle type classification included in the first vehicle data from the second vehicle data.
  • second vehicle data including information on travel restriction (Yes or No) of a value not subject to travel restrictions on the toll road R is selected from the second vehicle data.
  • the second vehicle data including the same vehicle number information as the vehicle number information included in the first vehicle data is not searched.
  • the second vehicle data searched by the vehicle type category search unit 118 and the second vehicle data searched by the travel restriction search unit 119 are obtained in step S304. It may function as a data linking unit 121 for temporarily attached string to a first vehicle data.
  • the program searches the computer 800 by the vehicle type division search unit 118 and the travel restriction search unit 119, and as a result, the vehicle type division information different from the vehicle type division information included in the first vehicle data, and the toll road
  • the second vehicle data including the information on the travel restriction (Yes or No) that does not receive the travel restriction of R is not retrieved, in step S304, the second data to be linked to the first vehicle data. Since there is no vehicle data for the vehicle, it is assumed that there is a suspected fraud that the vehicle-mounted device is not attached to the vehicle, and the first vehicle data is not linked to the first vehicle data. You may make it function as the data link
  • the program causes the computer 800 to communicate with the imaging range A of the monitoring camera 130 indicated by the information of the monitoring camera ID included in the first vehicle data from the second vehicle data in step S306.
  • the overlapping range search unit 116 that searches for the second vehicle data including the roadside wireless device ID information of the roadside wireless device 140 having the range C, and the second vehicle data searched by the overlapping range search unit 116, step S308.
  • Second vehicle data including may function as a running limit the search unit 119 to search for.
  • the program searches for the communication range C overlapping the imaging range A of the monitoring camera 130 indicated by the information of the monitoring camera ID included in the first vehicle data as a result of searching the computer 800 by the overlapping range search unit 116. If the second vehicle data including the information on the roadside wireless device ID of the roadside wireless device 140 is not found, it is assumed in step S304 that there is no second vehicle data to be linked to the first vehicle data. The second vehicle data may not be associated with the first vehicle data, and the data association unit 121 may terminate the association of the second vehicle data with the first vehicle data.
  • step S312 the program supplements the portion of the character string of the vehicle number indicated by the vehicle number information included in the first vehicle data that is not recognized as a character in step S312.
  • the optical character recognition availability determination unit 113 determines that a part of the character string of the vehicle number indicated by the character complementing unit 114 and the vehicle number information included in the first vehicle data is not recognized as a character
  • the second vehicle data including the same vehicle number information as the vehicle number information complemented by the character complementing unit 114 included in the first vehicle data is searched from the second vehicle data.
  • the vehicle number search unit 115 may function.
  • step S317 the control object search unit 117 and the vehicle number search unit 115 search the second vehicle data including the information on the violation content from the second vehicle data.
  • the control target searching unit 117 may be made to function as the data linking unit 121 that temporarily links the first vehicle data to the first vehicle data in step S304.
  • the program causes the computer 800 to search for the second vehicle data including violation information in the second vehicle data searched by the overlapping range search unit 116, in the enforcement target search unit 117. It may be made to function as.
  • the program searches the computer 800 by the control object search unit 117. As a result, if the second vehicle data including violation information is not searched, the second vehicle searched by the vehicle type category search unit 118 is searched.
  • the data and the second vehicle data searched by the travel restriction search unit 119 may function as the data link unit 121 that temporarily links the first vehicle data to the first vehicle data in step S304.
  • the program does not search for the second vehicle data including the violation content information, and the vehicle type division search unit 118 and the travel restriction search unit 119 search.
  • the vehicle type classification information different from the vehicle type classification information included in the first vehicle data and the information on the travel restriction (Yes or No) of the value not subject to the travel restriction on the toll road R are included. If the vehicle data is not retrieved, it is determined in step S304 that the target vehicle of the first vehicle data is unlikely to be fraudulent, and the second vehicle data is not linked to the first vehicle data.
  • the data linking unit 121 may terminate the linking of the second vehicle data to the first vehicle data.
  • the program causes the computer 800 to determine whether or not the vehicle is a control target based on the vehicle number information included in the first vehicle data in step S310; Of the second vehicle data searched by the vehicle type category search unit 118, the second vehicle data searched by the travel restriction search unit 119 is temporarily linked to the first vehicle data, or the first vehicle data Assuming that there is no second vehicle data to be linked, the second vehicle data is linked to the first vehicle data without linking the second vehicle data to the first vehicle data.
  • the information indicating the result determined by the control target determining unit 120 functions as the data linking unit 121 for linking to the first vehicle data. It may be.
  • the program associates the second vehicle data with the first vehicle data in step S304, the program associates the second vehicle data with the other first vehicle data.
  • the second vehicle data is temporarily linked and the second vehicle data is finally linked to the first vehicle data. It may be made to function as.
  • the program causes the computer 800 to transmit vehicle data including vehicle information included in at least one of the first vehicle data and the second vehicle data to the server 170 in step S305.
  • the data transmission unit 122 may function.
  • the program associates the first vehicle data with the second vehicle data in step S305.
  • the vehicle data including vehicle information included in the vehicle data may be functioned as the vehicle data transmission unit 122 that transmits to the server 170.
  • the program associates the second vehicle data with the first vehicle data, assuming that there is no second vehicle data that the data association unit 121 should associate with the first vehicle data. If the linking of the second vehicle data to the first vehicle data is terminated without transmitting, the vehicle data including the vehicle information included in the first vehicle data is transmitted to the server 170 in step S305.
  • the vehicle data transmission unit 122 may function.
  • step S305 the program, after the reception time of the second vehicle data, If the surveillance camera 130 having the imaging range A that overlaps the communication range C of the roadside apparatus 140 that has received the second vehicle data is imaging a predetermined number of vehicles, the first vehicle data and the second vehicle data The vehicle data including the vehicle information included in the vehicle data and the image indicated by the image ID information included in the first vehicle data is caused to function as the vehicle data transmission unit 122 that transmits to the server 170. Also good.
  • the program executes a predetermined time from the reception time of the second vehicle data in step S305. If it has elapsed, vehicle data including vehicle information included in the first vehicle data and the second vehicle data and an image indicated by the image ID information included in the first vehicle data. May be caused to function as the vehicle data transmission unit 122 that transmits the data to the server 170.
  • the information processing described in these programs is read into the computer 800, whereby the first vehicle data receiving unit 111, the second vehicle which are specific means in which the software and the various hardware resources described above cooperate.
  • Vehicle data receiving unit 112 optical character recognition enable / disable determining unit 113, character complementing unit 114, vehicle number searching unit 115, overlapping range searching unit 116, control object search unit 117, vehicle type category search unit 118, travel restriction search unit 119, control It functions as a target determination unit 120, a data association unit 121, a vehicle data transmission unit 122, a first vehicle data storage unit 123, a second vehicle data storage unit 124, and a vehicle data storage unit 125.
  • the specific vehicle data processing apparatus 110 according to the intended use is constructed
  • the CPU 802 executes a communication program loaded on the RAM 803 and executes a communication interface based on the processing content described in the communication program.
  • a communication process is instructed to 807.
  • the communication interface 807 reads transmission data stored in a transmission buffer area or the like provided on a storage device such as the RAM 803, the hard disk drive 808, the flexible disk 893, or the CD-ROM 892, and sends it to the network.
  • the reception data transmitted or received from the network is written into a reception buffer area or the like provided on the storage device.
  • the communication interface 807 may transfer transmission / reception data to / from the storage device by the direct memory access method. Instead, the CPU 802 reads data from the transfer source storage device or the communication interface 807.
  • the transmission / reception data may be transferred by writing the data to the transfer destination communication interface 807 or the storage device.
  • the CPU 802 transfers all or a necessary portion of the files or database stored in the external storage device such as the hard disk drive 808, CD-ROM 892, and flexible disk 893 to the RAM 803 by direct memory access transfer or the like.
  • the data is read and various processes are performed on the data on the RAM 803. Then, the CPU 802 writes the processed data back to the external storage device by direct memory access transfer or the like.
  • the RAM 803 can be regarded as temporarily holding the contents of the external storage device, in the present embodiment, the RAM 803 and the external storage device are collectively referred to as a memory, a storage unit, or a storage device. .
  • Various types of information such as various programs, data, tables, and databases in the present embodiment are stored on such a storage device and are subjected to information processing.
  • the CPU 802 can hold a part of the RAM 803 in the cache memory and perform reading and writing on the cache memory. Even in such a form, the cache memory bears a part of the function of the RAM 803. Therefore, in the present embodiment, the cache memory is also included in the RAM 803, the memory, and / or the storage device unless otherwise indicated. To do.
  • the CPU 802 performs various operations, such as various operations, information processing, condition determination, information retrieval, replacement, and the like described in the present embodiment for data read from the RAM 803 and specified by a command sequence of the program. Is written back to the RAM 803. For example, when performing the condition determination, the CPU 802 satisfies the conditions such that the various variables shown in the present embodiment are larger, smaller, above, below, or equal to other variables or constants. If the condition is satisfied or not satisfied, the program branches to a different instruction sequence or calls a subroutine.
  • the CPU 802 can search for information stored in a file in a storage device or a database. For example, when a plurality of entries in which the attribute value of the second attribute is associated with the attribute value of the first attribute are stored in the storage device, the CPU 802 stores the plurality of entries stored in the storage device. The entry that matches the condition in which the attribute value of the first attribute is specified is searched for, and the attribute value of the second attribute that is stored in the entry is read, thereby associating with the first attribute that satisfies the predetermined condition The attribute value of the specified second attribute can be obtained.
  • the programs or modules shown above may be stored in an external storage medium.
  • a storage medium in addition to a flexible disk 893 and a CD-ROM 892, an optical recording medium such as a DVD (Digital Versatile Disk) or a CD (Compact Disk), a magneto-optical recording medium such as an MO (Magneto-Optical disk), or a tape
  • a storage medium such as a hard disk or RAM provided in a server system connected to a dedicated communication network or the Internet may be used as a recording medium, and the program may be provided to the computer 800 via the network.
  • vehicle data including information on a vehicle traveling on a road.

Landscapes

  • Physics & Mathematics (AREA)
  • General Physics & Mathematics (AREA)
  • Business, Economics & Management (AREA)
  • Finance (AREA)
  • Traffic Control Systems (AREA)
  • Devices For Checking Fares Or Tickets At Control Points (AREA)
PCT/JP2013/057796 2012-03-30 2013-03-19 車両データ処理システム、車両データ処理方法、車両データ処理装置、プログラム、及び記録媒体 Ceased WO2013146461A1 (ja)

Priority Applications (2)

Application Number Priority Date Filing Date Title
IN1904MUN2014 IN2014MN01904A (enExample) 2012-03-30 2013-03-19
SG11201405964WA SG11201405964WA (en) 2012-03-30 2013-03-19 Vehicle data processing system, vehicle data processing method, vehicle data processing device, program, and recording medium

Applications Claiming Priority (2)

Application Number Priority Date Filing Date Title
JP2012082431A JP5979940B2 (ja) 2012-03-30 2012-03-30 車両データ処理システム、車両データ処理方法、車両データ処理装置、プログラム、及び記録媒体
JP2012-082431 2012-03-30

Publications (1)

Publication Number Publication Date
WO2013146461A1 true WO2013146461A1 (ja) 2013-10-03

Family

ID=49259718

Family Applications (1)

Application Number Title Priority Date Filing Date
PCT/JP2013/057796 Ceased WO2013146461A1 (ja) 2012-03-30 2013-03-19 車両データ処理システム、車両データ処理方法、車両データ処理装置、プログラム、及び記録媒体

Country Status (6)

Country Link
JP (1) JP5979940B2 (enExample)
IN (1) IN2014MN01904A (enExample)
MY (1) MY180389A (enExample)
SG (1) SG11201405964WA (enExample)
TW (1) TWI501196B (enExample)
WO (1) WO2013146461A1 (enExample)

Families Citing this family (6)

* Cited by examiner, † Cited by third party
Publication number Priority date Publication date Assignee Title
US10157541B2 (en) 2014-09-19 2018-12-18 Mitsubishi Heavy Industries Machinery Systems, Ltd. Vehicle surveillance system, vehicle surveillance method, and program
CN105575118B (zh) * 2015-12-25 2017-12-19 银江股份有限公司 一种失驾人员筛选方法
GB2562960B (en) * 2016-03-31 2021-12-08 Mitsubishi Heavy Ind Mach Systems Ltd Same vehicle detection device, toll collection facility, same vehicle detection method, and progam
CN112735140B (zh) * 2019-10-28 2022-05-20 阿波罗智联(北京)科技有限公司 数据处理方法、装置、电子设备和存储介质
JP7427420B2 (ja) * 2019-10-29 2024-02-05 古野電気株式会社 車両認識システム、車両認識方法、路側機、選別装置、及びプログラム
JP7349932B2 (ja) * 2020-02-25 2023-09-25 三菱電機株式会社 補完装置及び補完プログラム

Citations (2)

* Cited by examiner, † Cited by third party
Publication number Priority date Publication date Assignee Title
JP2001266290A (ja) * 2000-03-16 2001-09-28 Omron Corp 情報処理装置および方法、情報処理システム、並びに記録媒体
JP2009116480A (ja) * 2007-11-05 2009-05-28 Hitachi Ltd 不正通行車両の監視装置

Family Cites Families (4)

* Cited by examiner, † Cited by third party
Publication number Priority date Publication date Assignee Title
DE69419189T2 (de) * 1993-02-19 1999-10-28 Mitsubishi Jukogyo K.K., Tokio/Tokyo Elektronisches Mautgebührenempfangssystem
SE511067C2 (sv) * 1996-10-03 1999-07-26 Combitech Traffic Syst Ab Förfarande och anordning för registrering i en vägtull av ett fordons yttre kännetecken
US7983835B2 (en) * 2004-11-03 2011-07-19 Lagassey Paul J Modular intelligent transportation system
CN201269748Y (zh) * 2008-10-22 2009-07-08 成都志诚汽车保修检测设备有限公司 根据运动中车辆获取图像测量车辆外廓尺寸的全自动装置

Patent Citations (2)

* Cited by examiner, † Cited by third party
Publication number Priority date Publication date Assignee Title
JP2001266290A (ja) * 2000-03-16 2001-09-28 Omron Corp 情報処理装置および方法、情報処理システム、並びに記録媒体
JP2009116480A (ja) * 2007-11-05 2009-05-28 Hitachi Ltd 不正通行車両の監視装置

Also Published As

Publication number Publication date
SG11201405964WA (en) 2014-10-30
JP5979940B2 (ja) 2016-08-31
TW201346846A (zh) 2013-11-16
JP2013210975A (ja) 2013-10-10
MY180389A (en) 2020-11-28
IN2014MN01904A (enExample) 2015-07-10
TWI501196B (zh) 2015-09-21

Similar Documents

Publication Publication Date Title
JP5979940B2 (ja) 車両データ処理システム、車両データ処理方法、車両データ処理装置、プログラム、及び記録媒体
JP5495583B2 (ja) 課金システム、課金方法、制御装置及びプログラム
CN104574531B (zh) 通过obu进行收费管理的方法和系统、rsu及后台系统
CN104737215A (zh) 车辆数据收集系统、车辆数据收集方法、车载装置、程序以及记录介质
CN204087280U (zh) 收费公路收费稽查系统
CN101044531A (zh) 为道路使用收费收集和处理数据的方法和系统
JP5931530B2 (ja) 車両データ処理システム、車両データ処理方法、車両データ処理装置、プログラム、及び記録媒体
CN105788010B (zh) 一种自由流不停车收费系统
JP6627183B2 (ja) 同一車両検出装置、料金収受設備、同一車両検出方法及びプログラム
CN116012962B (zh) 一种基于时序队列的etc收费车道交易与牌识的融合方法
JP6086651B2 (ja) 車両番号データ処理システム、車両番号データ処理方法、車両番号データ処理装置、プログラム、及び記録媒体
KR101090418B1 (ko) 통행 요금 처리 시스템 및 방법
CN116228130A (zh) 车辆异常缴费行为识别方法、装置和计算机设备
CN107133574A (zh) 一种车辆特征识别方法及装置
KR20140124461A (ko) 차량용 블랙박스를 이용한 차량 탐지 시스템
CN106570448A (zh) 自动发卡车道车辆信息的验证方法及装置
CN105427393A (zh) 收费公路收费稽查方法及系统
CN114708672A (zh) 资源数据处理方法、装置和服务器
JP2010218482A (ja) 不正車両検出装置及び不正車両検出プログラム及び記録媒体
CN104021678A (zh) 智能实时测速监测系统
CN110472712A (zh) 一种车辆行驶信息稽查系统及稽查方法
JP6230046B2 (ja) 料金課金システム、及び、料金課金方法
JP2018173709A (ja) 通行情報処理装置及び通行情報処理プログラム
Li et al. Study of Ways in Ambiguous Path Identification Based on RFID in the Highway Toll System
WO2024214201A1 (ja) 不正検知装置、不正検知システム、不正検知方法、及びプログラム

Legal Events

Date Code Title Description
121 Ep: the epo has been informed by wipo that ep was designated in this application

Ref document number: 13767730

Country of ref document: EP

Kind code of ref document: A1

WWE Wipo information: entry into national phase

Ref document number: IDP00201405735

Country of ref document: ID

NENP Non-entry into the national phase

Ref country code: DE

122 Ep: pct application non-entry in european phase

Ref document number: 13767730

Country of ref document: EP

Kind code of ref document: A1