WO2013021896A1 - 信号処理装置および方法、信号処理システム、並びにプログラム - Google Patents

信号処理装置および方法、信号処理システム、並びにプログラム Download PDF

Info

Publication number
WO2013021896A1
WO2013021896A1 PCT/JP2012/069612 JP2012069612W WO2013021896A1 WO 2013021896 A1 WO2013021896 A1 WO 2013021896A1 JP 2012069612 W JP2012069612 W JP 2012069612W WO 2013021896 A1 WO2013021896 A1 WO 2013021896A1
Authority
WO
WIPO (PCT)
Prior art keywords
enthusiasm
signal
singing
unit
audio signal
Prior art date
Legal status (The legal status is an assumption and is not a legal conclusion. Google has not performed a legal analysis and makes no representation as to the accuracy of the status listed.)
Ceased
Application number
PCT/JP2012/069612
Other languages
English (en)
French (fr)
Japanese (ja)
Inventor
修一郎 錦織
井上 晃
Current Assignee (The listed assignees may be inaccurate. Google has not performed a legal analysis and makes no representation or warranty as to the accuracy of the list.)
Sony Corp
Original Assignee
Sony Corp
Priority date (The priority date is an assumption and is not a legal conclusion. Google has not performed a legal analysis and makes no representation as to the accuracy of the date listed.)
Filing date
Publication date
Application filed by Sony Corp filed Critical Sony Corp
Priority to US14/236,435 priority Critical patent/US20140174280A1/en
Priority to BR112014002649A priority patent/BR112014002649A8/pt
Priority to CN201280038232.5A priority patent/CN103733255A/zh
Priority to RU2014103583/28A priority patent/RU2014103583A/ru
Publication of WO2013021896A1 publication Critical patent/WO2013021896A1/ja
Anticipated expiration legal-status Critical
Ceased legal-status Critical Current

Links

Images

Classifications

    • GPHYSICS
    • G10MUSICAL INSTRUMENTS; ACOUSTICS
    • G10KSOUND-PRODUCING DEVICES; METHODS OR DEVICES FOR PROTECTING AGAINST, OR FOR DAMPING, NOISE OR OTHER ACOUSTIC WAVES IN GENERAL; ACOUSTICS NOT OTHERWISE PROVIDED FOR
    • G10K15/00Acoustics not otherwise provided for
    • G10K15/04Sound-producing devices
    • GPHYSICS
    • G10MUSICAL INSTRUMENTS; ACOUSTICS
    • G10HELECTROPHONIC MUSICAL INSTRUMENTS; INSTRUMENTS IN WHICH THE TONES ARE GENERATED BY ELECTROMECHANICAL MEANS OR ELECTRONIC GENERATORS, OR IN WHICH THE TONES ARE SYNTHESISED FROM A DATA STORE
    • G10H1/00Details of electrophonic musical instruments
    • G10H1/36Accompaniment arrangements
    • G10H1/361Recording/reproducing of accompaniment for use with an external source, e.g. karaoke systems
    • G10H1/366Recording/reproducing of accompaniment for use with an external source, e.g. karaoke systems with means for modifying or correcting the external signal, e.g. pitch correction, reverberation, changing a singer's voice
    • GPHYSICS
    • G10MUSICAL INSTRUMENTS; ACOUSTICS
    • G10HELECTROPHONIC MUSICAL INSTRUMENTS; INSTRUMENTS IN WHICH THE TONES ARE GENERATED BY ELECTROMECHANICAL MEANS OR ELECTRONIC GENERATORS, OR IN WHICH THE TONES ARE SYNTHESISED FROM A DATA STORE
    • G10H1/00Details of electrophonic musical instruments
    • G10H1/36Accompaniment arrangements
    • G10H1/38Chord
    • GPHYSICS
    • G10MUSICAL INSTRUMENTS; ACOUSTICS
    • G10HELECTROPHONIC MUSICAL INSTRUMENTS; INSTRUMENTS IN WHICH THE TONES ARE GENERATED BY ELECTROMECHANICAL MEANS OR ELECTRONIC GENERATORS, OR IN WHICH THE TONES ARE SYNTHESISED FROM A DATA STORE
    • G10H2210/00Aspects or methods of musical processing having intrinsic musical character, i.e. involving musical theory or musical parameters or relying on musical knowledge, as applied in electrophonic musical tools or instruments
    • G10H2210/155Musical effects
    • G10H2210/245Ensemble, i.e. adding one or more voices, also instrumental voices
    • G10H2210/261Duet, i.e. automatic generation of a second voice, descant or counter melody, e.g. of a second harmonically interdependent voice by a single voice harmonizer or automatic composition algorithm, e.g. for fugue, canon or round composition, which may be substantially independent in contour and rhythm
    • GPHYSICS
    • G10MUSICAL INSTRUMENTS; ACOUSTICS
    • G10HELECTROPHONIC MUSICAL INSTRUMENTS; INSTRUMENTS IN WHICH THE TONES ARE GENERATED BY ELECTROMECHANICAL MEANS OR ELECTRONIC GENERATORS, OR IN WHICH THE TONES ARE SYNTHESISED FROM A DATA STORE
    • G10H2220/00Input/output interfacing specifically adapted for electrophonic musical tools or instruments
    • G10H2220/155User input interfaces for electrophonic musical instruments
    • G10H2220/371Vital parameter control, i.e. musical instrument control based on body signals, e.g. brainwaves, pulsation, temperature or perspiration; Biometric information

Definitions

  • the present technology relates to a signal processing device and method, a signal processing system, and a program, and in particular, a signal processing device and method, and a signal processing system that can appropriately add harmony sound when singing with a performance in a karaoke device or the like. , As well as programs.
  • karaoke devices have become widespread and range from online karaoke used in karaoke boxes to simple karaoke functions on mobile devices.
  • a karaoke apparatus is an apparatus which reproduces an accompaniment recorded in advance instead of a live performance and performs chorus or ensemble when playing a musical instrument that carries a song or a melody part (main melody). Also, these actions themselves are sometimes called karaoke.
  • karaoke apparatuses are known to have a function (hereinafter referred to as “harmory function”) for adding a voice (hereinafter referred to as “harmonic sound”) to the vocal sound in cooperation with the user's singing voice (hereinafter referred to as “vocal sound”).
  • This function for example, generates a harmony sound consisting of a sound that is shifted by a certain pitch (eg, 3 degrees above the scale) with respect to the vocal sound input to the microphone, and adds this to the original vocal sound.
  • the function is realized.
  • many methods for more beautiful cooperation have been devised.
  • the section where the harmonic sound is added is not automated and requires human effort. For example, if an operation to enable or disable the Hamori function is necessary each time at the discretion of the singer, the singer needs to be aware of the timing of the operation while singing along with the accompaniment of the karaoke device. There was a fear that I could not enjoy singing with the accompaniment of the karaoke device.
  • the present technology has been made in view of such a situation, and in particular, it is possible to control a section in which an appropriate harmony sound is added for each piece of music and for each singer's way of singing.
  • a karaoke apparatus capable of outputting a pleasant accompaniment
  • the signal processing device is based on the enthusiasm calculation unit that calculates the enthusiasm including the feature amount indicating the enthusiasm of the song singer and the enthusiasm calculated by the enthusiasm calculation unit.
  • the hamori audio signal superimposition determination unit for determining whether or not to superimpose the hamori audio signal on the singing audio signal of the singer of the music, and the hamori audio signal based on the determination result of the hamori audio signal superimposition determination unit
  • a hammer sound signal superimposing unit that superimposes the singing sound signal.
  • the enthusiasm degree calculation unit can calculate an enthusiasm degree comprising a feature amount indicating the enthusiasm state of the singer based on the singing voice signal of the singer of the song.
  • a biometric information acquisition unit that acquires the biometric information of the singer can be further included, and the sung degree calculation unit includes the singing status of the singer based on the biometric information of the singer of the song. Can be calculated.
  • the Hamori audio signal superimposition determination unit compares the enthusiasm calculated by the enthusiasm calculation unit with an enthusiasm threshold set for the enthusiasm, and the song audio signal of the song singer To determine whether or not to superimpose a hame sound signal, and if the enthusiasm level is higher than the enthusiasm threshold value, determine that the hame sound signal is to be superimposed on the song sound signal of the song singer. be able to.
  • a climax degree calculation unit that calculates the climax degree of the music can be further included, and Based on the enthusiasm calculated by the calculation unit and the excitement degree calculated by the excitement degree calculation unit, it may be determined whether or not to superimpose a hammer sound signal on the singing audio signal. it can.
  • the enthusiasm threshold calculation unit is configured to calculate an enthusiasm threshold using an average value of the enthusiasm by a plurality of singers, and the hammer sound signal superimposition determination unit is calculated by the enthusiasm calculation unit.
  • the singing voice signal of the singer of the music is compared with the singing degree threshold obtained by using the average value of the singing degree by a plurality of singers and set for the singing degree and the singing degree. It is determined whether or not a hammer sound signal is superimposed, and when the enthusiasm is higher than the enthusiasm threshold, it is determined that a sound signal is superimposed on the song sound signal of the song singer. Can do.
  • the signal processing system is calculated by the thermal performance calculation unit via a network from a plurality of signal processing devices according to any one of claims 1 to 6 including a thermal performance calculation unit that calculates the thermal performance.
  • a singing enthusiasm obtaining unit that obtains the enthusiasm for enthusiasm, and a singing enthusiasm threshold value calculating unit that calculates an enthusiasm enthusiasm threshold value using an average value of the enthusiasm obtained from the plurality of signal processing devices by the enthusiasm degree obtaining unit
  • An information processing apparatus including a distribution unit that distributes the enthusiasm threshold calculated by the enthusiasm threshold calculation unit to the plurality of signal processing devices, and the signal processing device according to any one of claims 1 to 6.
  • the hammer sound signal superimposition determination unit compares the enthusiasm calculated by the enthusiasm calculation unit with the enthusiasm threshold set for the enthusiasm and distributed by the distribution unit.
  • the signal processing method is the enthusiasm including the feature amount indicating the enthusiasm of the song singer in the enthusiasm calculation unit that calculates the enthusiasm including the feature amount indicating the enthusiasm state of the song singer. And a humming sound signal for determining whether or not to superimpose a humming sound signal on the singing sound signal of the singer of the music, based on the enthusiasm degree calculated by the enthusiasm degree calculation unit. Based on the enthusiasm calculated by the process of the enthusiasm calculation step in the superimposition determination unit, it determines whether or not to superimpose the hamori audio signal on the singing audio signal of the song singer.
  • the hammer sound signal superimposing unit that superimposes the hammer sound signal on the singing sound signal based on the determination result of the hammer sound signal superimposing determination unit Based on the determination result in the process of the audio signal superimposition determining step, and a harmonizing voice signal superimposing step of superimposing the harmonizing voice signal to the singing voice signal.
  • the program according to one aspect of the present technology is based on the enthusiasm degree calculation unit that calculates the enthusiasm degree that includes the feature amount indicating the enthusiasm state of the song singer, and the enthusiasm degree calculated by the enthusiasm degree calculation unit.
  • the song sound signal is sung
  • a computer that controls a signal processing apparatus including a sound signal superimposing unit that superimposes a sound signal on a sound signal, and a singing that calculates a singing enthusiasm comprising a feature amount indicating a singing state of a song singer in the singing enthusiasm calculating unit.
  • the singing voice signal of the song singer Based on the determination result in the processing of the hammer sound signal superimposition determination step in the hammer sound signal superimposition determination step for determining whether or not to superimpose the hammer sound signal, Is executed on the singing voice signal.
  • a degree of enthusiasm including a feature amount indicating the enthusiasm of a song singer is calculated, and based on the calculated degree of enthusiasm, a song voice signal is added to the song voice signal of the song singer Is determined whether or not to superimpose the sound, and based on the determination result, the sound signal is superimposed on the singing sound signal.
  • the signal processing device of the present technology may be an independent device or a block that performs signal processing.
  • FIG. 11 is a diagram illustrating a configuration example of a general-purpose personal computer.
  • the signal processing system shown in FIG. 1 is composed of voice processing devices 1-1 to 1-n composed of karaoke devices installed in a karaoke shop that can communicate via a so-called network 4, a hot song server 2, and a music database 3. ing.
  • voice processing devices 1-1 to 1-n are simply referred to as the voice processing device 1 unless otherwise distinguished, and the same applies to other configurations.
  • the voice processing device 1 is a karaoke device installed in a so-called karaoke shop or the like, and when an operation is instructed by a singer (not shown), the voice data of the designated music is transmitted via the network 4 represented by the Internet or the like. Then download from the music database 3 and accompaniment. Then, the voice processing device 1 calculates the degree of enthusiasm based on the singing voice signal emitted when the singer sings, and generates the harmony voice (harmonic sound) according to the calculated degree of singing voice signal (vocal sound). ) Is added (superimposed) to be output, and information on the calculated enthusiasm is supplied to the enthusiasm server 2 via the network 4.
  • the enthusiasm server 2 acquires the enthusiasm information supplied from the plurality of audio processing devices 1 via the network 4, the enthusiasm server 2 obtains an average value for each enthusiasm of the same piece of music, and calculates the average value by a predetermined value.
  • the value offset so as to be reduced is stored as the enthusiasm threshold.
  • the enthusiasm server 2 distributes the stored enthusiasm threshold information to the audio processing device 1 via the network 4 when the audio processing device 1 downloads audio data of the music from the music database 3.
  • the voice processing device 1 determines the section to which the harmony voice is added based on the comparison between the required singing degree and the singing degree threshold acquired through the network 4 based on the singing voice signal of the singer, Superimposes the harmony sound.
  • the music database 3 stores designated music data.
  • the act of superimposing harmony speech which is Kyowa speech, on the singing speech signal and outputting the speech will be referred to as adding a hammer, adding a hammer, or turning on a hammer.
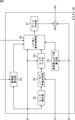
  • the audio processing apparatus 1 includes a CPU (Central Processing Unit) 21, a RAM (Random Access Memory) 22, a ROM (Read Only Memory) 23, a transmission / reception unit 24, a storage unit 25, a system bus 26, a remote controller light receiving unit 27, and a monitor. 28.
  • the audio processing apparatus 1 also includes a MIDI (Musical Instrument Digital Interface) sound source unit 29, a DSP (Digital Signal Processor) 30, a D / A (Digital Analog Converter) 31, and an amplification unit 32.
  • the audio processing device 1 includes a speaker 33, an A / D (Analog Digital Converter) 34, an amplification unit 35, and a microphone 36.
  • the CPU 21 reads out a predetermined program and data stored in advance in a storage unit 25 such as a ROM 23 or an HDD (Hard Disk Drive) or an SSD (Solid State Drive) via the system bus 26 and develops it in the RAM 22. Then, a predetermined process is executed.
  • the CPU 21 controls the overall operation of the audio processing device 1 by executing a series of these processes.
  • the transmission / reception unit 24 is a so-called Ethernet (registered trademark) board or the like, and downloads music from the music database 3 via the network 4 or information on the degree of enthusiasm calculated by the DSP 30 based on the singing voice signal of the singer. Is uploaded to the server 2 for enthusiasm.
  • Ethernet registered trademark
  • the storage unit 25 is configured by an HDD, an SSD, or the like controlled by the CPU 21.
  • the storage unit 25 stores data and programs necessary for processing and stores downloaded music data, and the CPU 21 via the system bus 26. , Supplied to the MIDI tone generator 29 and DSP 30.
  • the remote controller light receiving unit 27 receives a signal emitted from the infrared light by the remote controller 13 for operating the audio processing device 1, converts it into a predetermined signal, and supplies it to the CPU 21 via the system bus 26.
  • the monitor 28 includes an LCD (Liquid Crystal Display), an organic EL (Electronic Luminescent), etc., and is controlled by the CPU 21 to display various information and processing results.
  • LCD Liquid Crystal Display
  • organic EL Electro Luminescent
  • the MIDI sound source unit 29 converts the music data in the MIDI format downloaded from the music database 3 through the network 4 by the transmission / reception unit 24 into a digital signal that can be processed by the DSP 30 and outputs the digital signal to the DSP 30.
  • the microphone 36 is held by the singer, collects the singing voice emitted by the singer, and supplies it to the amplification unit 35 as an analog signal. Further, the microphone 36 is provided with sensors 36 a and 36 b at the part that holds the main body, and measures the pulse rate and body temperature of the singer and supplies them to the DSP 30.
  • the amplifying unit 35 amplifies the analog signal composed of the singing voice signal supplied from the microphone 36 with a predetermined amplification factor, and supplies the amplified signal to the A / D 34.
  • the A / D 34 converts the singing voice signal composed of the analog signal amplified by the amplification unit 35 at a predetermined magnification into a digital signal that can be processed by the DSP 30 and supplies the digital signal.
  • the DSP 30 is controlled by the CPU 21 via the system bus 26, and a singing voice signal consisting of a digital signal supplied from the A / D 34 and a singing voice signal supplied from the A / D 34 are controlled by a predetermined process. Add echo and output to D / A 31.
  • the D / A 31 converts an audio signal composed of a digital signal subjected to various processes by the DSP 30 into an analog signal and supplies the analog signal to the amplifier 32.
  • the amplifying unit 32 amplifies the audio signal converted into the analog signal with a predetermined amplification factor, and outputs it from the speaker 33 as audio.
  • DSP configuration example Next, a configuration example of the DSP 30 will be described with reference to FIG.
  • the DSP 30 includes an enthusiasm calculation unit 51, a pitch detection unit 52, a harmonic pitch determination unit 53, a pitch shifter 54, a music excitement calculation unit 55, a harmonic signal control unit 56, an echo addition unit 57, and an adder 58.
  • the enthusiasm calculation unit 51 calculates the enthusiasm in time series based on the singing voice signal supplied from the A / D 34 and the information on the singer's pulse rate and body temperature supplied from the microphone 36. It is stored in the built-in storage unit 51 a and supplied to the harmony signal control unit 56. Then, when the supply of music data ends and the performance ends, the enthusiasm degree calculation unit 51 transmits information on the enthusiasm stored in the storage unit 51a in time series together with information for identifying the song data. Are controlled and transmitted to the singing enthusiasm server 2.
  • the pitch detection unit 52 detects the pitch of the singing voice signal supplied from the A / D 34, that is, the fundamental frequency, converts it into a pitch name (such as Doremifasolaside), and supplies it to the harmonic pitch determination unit 53.
  • the harmony pitch determination unit 53 obtains the scale and chord information obtained from the music data stored in the storage unit 25 through the system bus 26, and the pitch to cooperate with the current pitch name based on the information. (Harmony pitch: for example, a pitch shifted by 3 degrees or 5 degrees) is determined and supplied to the pitch shifter 54.
  • the pitch shifter 54 shifts the singing voice signal by the harmonic pitch, thereby generating a harmonic voice signal and supplying it to the harmonic signal control unit 56.
  • the music excitement degree calculation unit 55 calculates the excitement degree of the music based on the music data supplied from the MIDI sound source unit 29 and supplies it to the harmony signal control unit 56.
  • the harmony signal control unit 56 outputs the singing voice signal as it is based on the enthusiasm supplied from the enthusiasm calculation unit 51 and the music excitement degree supplied from the music excitement degree calculation unit 55, or Controls whether the harmony voice signal is added to the singing voice signal for output.
  • the configuration of the harmony signal control unit 56 will be described in detail later with reference to FIG.
  • the echo adding unit 57 adds an echo to the singing voice signal output from the harmony signal control unit 56 or the singing voice signal to which the harmony voice signal is added, and supplies it to the adder 58.
  • the adder 58 synthesizes the audio signal of the music supplied from the MIDI sound source unit 29 by adding it to the singing audio signal supplied from the echo adding unit 57 or the singing audio signal to which the harmony audio is added. Output.
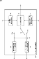
  • the harmony signal control unit 56 includes a singing voice signal gain adjustment unit 71, a harmony voice signal gain adjustment unit 72, an adder 73, a switch 74, an enthusiasm threshold determination unit 75, an output sound selection unit 76, and a music excitement level threshold determination unit. 77.
  • the singing voice signal gain adjusting unit 71 adjusts the gain of the singing voice signal, and outputs it to the adder 73 and the terminal 74a of the switch 74.
  • the harmony audio signal gain adjustment unit 72 adjusts the gain of the harmony audio signal and outputs it to the adder 73.
  • the adder 73 adds and mixes (superimposes) the singing voice signal and the harmony voice signal with the gain adjusted, and outputs the result to the terminal 74 b of the switch 74.
  • the enthusiasm threshold determination unit 75 controls the transmit / receive unit 24 to obtain the enthusiasm threshold from the enthusiasm server 2, compares it with the enthusiasm supplied from the enthusiasm calculation unit 51, and outputs a comparison result as an output sound. It supplies to the selection part 76.
  • the music excitement level threshold determination unit 77 compares the music excitement level supplied from the music excitement level calculation unit 55 with the music excitement level threshold value, and supplies the comparison result to the output sound selection unit 76.
  • the output sound selection unit 76 controls the switch 74 based on the determination results of the enthusiasm threshold determination unit 75 and the music excitement threshold determination unit 77 to connect to the terminal 74a or 74b. As a result, the output sound selection unit 76 controls the switch 74 to output a singing voice signal when connected to the terminal 74a, and when connected to the terminal 74b, the singing in which the harmony voice signal is mixed (superposed). Output audio signals.
  • the enthusiasm server 2 includes a CPU 91, a RAM 92, a ROM 93, a transmission / reception unit 94, a storage unit 95, a system bus 96, a enthusiasm threshold generation unit 97, and an enthusiasm threshold storage unit 98.
  • the CPU 91 reads out a predetermined program and data stored in advance in the ROM 93 or the storage unit 95 such as an HDD or SSD via the system bus 96, expands it in the RAM 92, and executes predetermined processing.
  • the CPU 91 controls the overall operation of the enthusiasm server 2 by executing a series of these processes.
  • the transmission / reception unit 94 is a so-called Ethernet (registered trademark) board, and acquires information on the enthusiasm for each piece of music from the plurality of voice processing devices 1 which are karaoke devices via the network 4 and stores them in the storage unit 95. In addition, the transmission / reception unit 94 reads out the enthusiasm threshold stored in the enthusiasm threshold storage unit 98 and distributes it to the audio processing device 1.
  • Ethernet registered trademark
  • the enthusiasm threshold value generation unit 97 When the new enthusiasm threshold value generation unit 97 stores information on the new enthusiasm in association with a song in the storage unit 95, the enthusiasm threshold value generation unit 97 obtains an average value of the enthusiasm of the song and further offsets by a predetermined value or a predetermined ratio. The generated value is generated as the enthusiasm threshold. Then, the enthusiasm threshold generation unit 97 stores the generated enthusiasm threshold information in the enthusiasm threshold storage unit 98 in association with the music.
  • step S1 the CPU 21 determines whether or not a music is designated and a signal instructing performance is received by operating the remote controller 13 in the remote controller light receiving unit 27, and the light is received. The same process is repeated until it is determined.
  • step S1 for example, when the remote controller 13 is operated by the user, a music is designated and a signal instructing performance is issued and received by the remote controller light receiving unit 27. Proceed to S2.
  • step S2 the CPU 21 controls the transmission / reception unit 24 to download the designated music data from the music database 3 via the network 4 and to store the downloaded music data in the storage unit 25.
  • step S 3 the CPU 21 instructs the DSP 30 to download the enthusiasm threshold corresponding to the downloaded music data from the enthusiasm server 2 via the network 4.
  • the harmony signal control unit 56 of the DSP 30 controls the transmission / reception unit 24 via the system bus 26, and the enthusiasm threshold corresponding to the music data downloaded to the enthusiasm server 2 via the network 4. Request.
  • step S21 the CPU 91 of the enthusiasm server 2 controls the transmission / reception unit 94 to determine whether or not the enthusiasm threshold has been requested, and repeats the same processing until requested.
  • step S21 for example, when the enthusiasm threshold is requested by the process of step S3, the process proceeds to step S22.
  • step S ⁇ b> 22 the CPU 91 reads information on the enthusiasm threshold corresponding to the music data downloaded by the voice processing device 1 from among the enthusiasm threshold information stored in the enthusiasm threshold storage unit 98. Then, the CPU 91 controls the transmission / reception unit 94 to transmit the read information on the enthusiasm threshold value to the requested voice processing device 1 via the network 4.
  • step S ⁇ b> 4 the DSP 30 controls the transmission / reception unit 24 to acquire information on the enthusiasm threshold value transmitted from the enthusiasm server 2, and causes the enthusiasm threshold determination unit 75 to store the information.
  • step S5 the MIDI sound source unit 29 reads out the music data in the MIDI format stored in the storage unit 25, converts it into a digital audio signal that can be played back by the DSP 30, and supplies it.
  • the DSP 30 reproduces the sound signal of the music based on the digital sound signal sequentially supplied from the MIDI sound source unit 29, converts it to an analog signal by the D / A 31, and then amplifies it at a predetermined amplification rate by the amplifying unit 32. Then, the performance is started by outputting from the speaker 33.
  • the singer starts singing with the microphone 36 held in accordance with the accompaniment output from the speaker 33.
  • the sensors 36a and 36b of the microphone 36 measure biological information such as the singer's pulse rate and body temperature, respectively, and supply them to the DSP 30.
  • step S6 the DSP 30 executes a harmony control process based on the singing voice signal of the singer input from the microphone 36, and adds (superimposes) the harmony voice signal to the singing voice signal as necessary. Then, sound is output from the speaker 33.
  • step S7 the DSP 30 determines whether or not the performance is finished, that is, whether or not the supply of music data from the MIDI tone generator 29 is stopped. If the performance is not finished, the process returns to step S6. . That is, until the performance is completed, the DSP 30 continues to execute the harmony control process and repeats the process of adding the harmony sound signal to the singing sound signal as necessary. At this time, the DSP 30 continues to calculate the degree of enthusiasm and the degree of music excitement in time series, and stores the calculation result for the degree of enthusiasm. Details of the harmony control processing will be described later with reference to the flowchart of FIG.
  • step S7 for example, when it is determined that the performance has ended, the process proceeds to step S8.
  • step S8 the singing enthusiasm calculation unit 51 of the DSP 30 controls the transmitting / receiving unit 24 together with the information indicating the end of the performance together with the information identifying the music data, along with the information on the enthusiasm stored in the storage unit 51a in time series. Then, it is uploaded to the passionate server 2.
  • the enthusiasm threshold generation unit 97 controls the transmission / reception unit 94 in step S23 to perform the performance from the voice processing device 1. It is determined whether or not information indicating the end has been transmitted. In step S23, the same processing is repeated until it is determined that information indicating the end of performance has been transmitted. In step S23, for example, when information indicating the end of performance is transmitted by the process of step S8, the process proceeds to step S24.
  • step S24 the enthusiasm threshold value generation unit 97 controls the transmission / reception unit 94 to acquire information identifying the music and information on the enthusiasm for the music transmitted together with information indicating the end of the performance,
  • the data is stored in the storage unit 95.
  • the enthusiasm threshold generation unit 97 reads out enthusiasm information corresponding to the acquired music from the enthusiasm information stored in the storage unit 95, and statistically processes the read enthusiasm information. Calculate the threshold. More specifically, the enthusiasm threshold generation unit 97 obtains an average value of enthusiasm corresponding to the acquired music from the enthusiasm information stored in the storage unit 95, and further reduces the value by an offset amount. Time series information is calculated as the enthusiasm threshold.
  • step S26 the enthusiasm threshold value generation unit 97 overwrites the information stored in the enthusiasm threshold value storage unit 98 with the calculated enthusiasm threshold value information, and saves (stores) it.
  • step S41 the pitch detection unit 52 of the DSP 30 is input from the microphone 36, and based on the singing voice signal of the singer input through the amplification unit 35 and the A / D 34, the singing voice signal sung by the singer.
  • the pitch consisting of the fundamental frequency is detected.
  • the pitch detection unit 52 converts the detected pitch into a pitch name such as Doremifasolaside, and supplies the converted pitch name information to the harmonic pitch determination unit 53.
  • step S42 the harmony interval determination unit 53 acquires the scale and chord information obtained from the music data stored in the storage unit 25 through the system bus 26, and based on these information, the current pitch name is obtained. Determine the pitch (harmonic pitch) to cooperate with.
  • the harmonic pitch determination unit 53 supplies information on the determined harmonic pitch to the pitch shifter 54.
  • step S 43 the pitch shifter 54 shifts the fundamental frequency of the singing voice signal based on the harmonic pitch information supplied from the harmonic pitch determination section 53, generates a harmonic voice signal, and sends it to the harmonic signal control section 56. Supply.
  • step S44 the enthusiasm calculation unit 51 performs enthusiasm calculation processing based on the singing voice signal and the pulse rate and body temperature information supplied from the microphone 36, and calculates the enthusiasm in time series. Then, the data are sequentially stored in the sequential storage unit 51a.
  • step S71 the enthusiasm calculation unit 51 calculates the RMS (Root Mean Square) of the singing voice signal at predetermined time intervals.
  • step S72 the enthusiasm calculation unit 51 calculates the average value of the fundamental frequency of the singing voice signal, that is, the pitch average value at every predetermined time interval.
  • step S73 the singing voice calculation unit 51 calculates the reciprocal of the standard deviation of the fundamental frequency of the singing voice signal as the stability of the singing voice signal, that is, the pitch stability at every predetermined time interval.
  • step S74 the enthusiasm calculation unit 51 acquires information about the singer's pulse rate measured by the sensor 36a of the microphone 36.
  • step S75 the enthusiasm calculation unit 51 acquires information on the body temperature of the singer measured by the sensor 36b of the microphone 36.
  • step S76 the enthusiasm calculation unit 51 calculates the enthusiasm by calculating the following equation (1), stores the enthusiasm in the storage unit 51a, and supplies the calculated enthusiasm to the harmony signal control unit 56.
  • HS indicates the degree of enthusiasm
  • RMS indicates the root mean square of the singing voice signal
  • ⁇ , ⁇ , ⁇ , ⁇ , and ⁇ indicate the weighting factors of the respective parameters.
  • the degree of enthusiasm is the sound pressure level indicated by the root mean square of the singing voice signal, the pitch average value that is the average value of the fundamental frequency, the pitch stability that is the stability of the fundamental frequency, the pulse rate, and the body temperature.
  • the enthusiasm defined by the formula (1) is an example, and other definitions are possible.
  • the microphone 36 is a general one in which the sensors 36a and 36b are not provided.
  • the pulse rate and body temperature, which are biological information of the singer, may not be used as parameters.
  • blood pressure or the like may be used for the biological information.
  • the weighting factors ⁇ , ⁇ , ⁇ , ⁇ , and ⁇ may be set freely.
  • the degree of enthusiasm can be calculated based on the singer's singing voice signal and biological information.
  • step S44 when the enthusiasm is obtained by the enthusiasm calculation process, in step S45, the music excitement degree calculation unit 55 executes the music excitement degree calculation process, and from the digital audio signal of the music data from the MIDI sound source unit 29. Calculate the degree of music excitement.
  • step S91 the music excitement degree calculation unit 55 calculates the RMS of the singing voice signal at every predetermined time interval and stores it cumulatively.
  • step S92 the music excitement degree calculation unit 55 obtains the average value of the RMS before the RMS of the singing voice signal at every predetermined time interval obtained in the immediately preceding process.
  • step S93 the music excitement degree calculation unit 55 calculates the difference between the RMS value obtained in the immediately preceding process and the average value of the RMS as the music excitement degree, and supplies it to the harmony signal control unit 56.
  • the degree of music swell is not limited to that obtained by the above-described method.
  • rust part that is a swell part of the music is detected, and a value indicating the degree of rust part is substituted. Also good.
  • step S45 when the music excitement degree is obtained by the music excitement degree calculation process, the process proceeds to step S46.
  • step S46 the harmony sound signal gain adjustment unit 72 adjusts the gain of the harmony sound signal supplied from the pitch shifter 54, and supplies it to the adder 73.
  • step S47 the singing voice signal gain adjusting unit 71 adjusts the gain of the singing voice signal supplied from the A / D 34 and supplies the adjusted gain to the adder 73 and the terminal 74a.
  • step S48 the enthusiasm threshold determination unit 75 compares the enthusiasm supplied from the enthusiasm calculation unit 51 with the enthusiasm threshold downloaded and stored from the enthusiasm server 2, and the enthusiasm is enthusiasm. Whether it is higher than the threshold is determined. In step S48, for example, when it is determined that the enthusiasm is higher than the enthusiasm threshold, the enthusiasm threshold determination unit 75 supplies the determination result to the output sound selection unit 76, and the process proceeds to step S49.
  • step S49 the music excitement level threshold determination unit 77 compares the music excitement level supplied from the music excitement level calculation unit 55 with a predetermined music excitement level threshold, and the music excitement level has a predetermined music excitement level. It is determined whether it is higher than the threshold value. In step S49, for example, when it is determined that the music excitement level is higher than a predetermined music excitement threshold value, the music excitement threshold value determination unit 77 supplies the determination result to the output sound selection unit 76. Proceed to step S50.
  • step S50 the output sound selection unit 76 connects the switch 74 to the terminal 74b based on the determination results of the enthusiasm threshold determination unit 75 and the music excitement threshold determination unit 77.
  • the adder 73 supplies a signal obtained by synthesizing the singing voice signal and the harmony voice signal to the output sound selection unit 76 via the terminal 74b, and the output sound selection unit 76 receives the singing voice signal and the harmony supplied.
  • the synthesized signal synthesized with the audio signal is supplied to the echo adding unit 57.
  • step S51 the echo adding unit 57 adds a predetermined echo process to the synthesized singing voice signal obtained by synthesizing the singing voice signal and the harmony voice signal, and outputs the resultant signal to the adder 58.
  • step S52 the adder 58 synthesizes the synthesized singing voice signal to which the echo is added and the digital signal of the music supplied from the MIDI sound source unit 29, and outputs it to the D / A 31.
  • the synthesized singing voice signal synthesized with the digital signal of the music is converted into an analog signal by the D / A 31, the gain is adjusted by the amplifying unit 32, and then output from the speaker 33.
  • step S48 when it is determined in step S48 that the enthusiasm is smaller than the enthusiasm threshold, the enthusiasm threshold determination unit 75 supplies the determination result to the output sound selection unit 76, and the process proceeds to step S53.
  • the music excitement level threshold determination unit 77 supplies the determination result to the output sound selection unit 76. Proceed to step S53.
  • step S53 the output sound selection unit 76 connects the switch 74 to the terminal 74a based on the determination result of the enthusiasm threshold determination unit 75 or the music excitement threshold determination unit 77. Only the singing voice signal is supplied to the output sound selection unit 76 via the terminal 74 a, and the output sound selection unit 76 supplies only the supplied singing voice signal to the echo adding unit 57.
  • the harmony audio signal is synthesized with the singing audio signal, that is, the harmony is turned on, A singing voice signal is output together with the music voice.
  • the section of the hamori is appropriately set, Further, it is possible to add a hamori voice, that is, a Kyowa voice. As a result, the singer does not need to be aware of the timing to turn on the hamori function and can appropriately turn on the hamori, so concentrate on singing when using the karaoke device Is possible.
  • the enthusiasm threshold th is offset by a predetermined level with respect to the enthusiasm average value Ave for the same music uploaded from the audio processing device 1 on the network 4, for example, as shown in FIG. Set to a value. For this reason, although the degree of enthusiasm changes depending on how the singer sings, the singing method changes depending on the singer because the enthusiasm threshold th is set to an offset even for singers less than the average value of the enthusiasm Even if the degree of enthusiasm changes, it becomes possible to use the hammer function at an appropriate timing for many singers.
  • the reason why the enthusiasm threshold th is offset from the average enthusiasm value is to make the hammer function easy to turn on as described above. For example, the offset is set to zero, and the average enthusiasm value itself may be used as the average enthusiasm value.
  • each voice processing device 1 uploads enthusiasm information to the enthusiasm server 2 via the network 4 and downloads and uses what is obtained from the average value. Have explained. By doing so, it becomes possible to make the setting of the enthusiasm threshold more appropriate to reflect the intention of the singer, but after the enthusiasm that is average to some extent is obtained, The change is expected to get smaller. Therefore, the enthusiasm threshold value is not downloaded from the enthusiasm server 2 every time.
  • the voice processing device 1 may store the downloaded contents once and use them repeatedly thereafter. Alternatively, it may be stored in advance at the time of factory shipment and used.
  • the singing enthusiasm of a plurality of singers for the same music is accumulated, and the enthusiasm threshold is obtained solely using the average value. May be.
  • the passion server 2 is present on the network 4 .
  • a plurality of information processing devices, servers, and the like may be used instead of so-called cloud computing.
  • the cloud computing may be configured only by the voice processing device 1, that is, the karaoke device.
  • the reference voice may be other than the singing voice.
  • it may be a performance sound of a musical instrument.
  • a harmonic sound is output at an appropriate timing for each song or for each singing state of a singer. It is possible to add a so-called hammer to be added to the singing voice. At this time, since the singer does not need to be aware of the section (timing) of the harpoon, he can concentrate on singing and can add the harmony voice by the harpome function, so it is more comfortable It becomes possible to enjoy singing.
  • the series of processes described above can be executed by hardware or software.
  • a program constituting the software is installed in the computer.
  • the computer includes, for example, a general-purpose personal computer capable of executing various functions by installing various programs by installing a computer incorporated in dedicated hardware.
  • FIG. 11 is a block diagram showing an example of a hardware configuration of a computer that executes the above-described series of processing by a program.
  • a CPU Central Processing Unit
  • ROM Read Only Memory
  • RAM Random Access Memory
  • an input / output interface 1005 is connected to the bus 1004.
  • An input unit 1006, an output unit 1007, a storage unit 1008, a communication unit 1009, and a drive 1010 are connected to the input / output interface 1005.
  • the input unit 1006 includes a keyboard, a mouse, a microphone, and the like.
  • the output unit 1007 includes a display, a speaker, and the like.
  • the storage unit 1008 includes a hard disk, a nonvolatile memory, and the like.
  • the communication unit 1009 includes a network interface.
  • the drive 1010 drives a removable medium 1011 such as a magnetic disk, an optical disk, a magneto-optical disk, or a semiconductor memory.
  • the CPU 1001 loads the program stored in the storage unit 1008 to the RAM 1003 via the input / output interface 1005 and the bus 1004 and executes the program, for example. Is performed.
  • the program executed by the computer (CPU 1001) can be provided by being recorded on the removable medium 1011 as a package medium, for example.
  • the program can be provided via a wired or wireless transmission medium such as a local area network, the Internet, or digital satellite broadcasting.
  • the program can be installed in the storage unit 1008 via the input / output interface 1005 by attaching the removable medium 1011 to the drive 1010. Further, the program can be received by the communication unit 1009 via a wired or wireless transmission medium and installed in the storage unit 1008. In addition, the program can be installed in the ROM 1002 or the storage unit 1008 in advance.
  • the program executed by the computer may be a program that is processed in time series in the order described in this specification, or in parallel or at a necessary timing such as when a call is made. It may be a program for processing.
  • the system means a set of a plurality of components (devices, modules (parts), etc.), and it does not matter whether all the components are in the same housing. Accordingly, a plurality of devices housed in separate housings and connected via a network and a single device housing a plurality of modules in one housing are all systems. .
  • the present technology can take a cloud computing configuration in which one function is shared by a plurality of devices via a network and is jointly processed.
  • each step described in the above flowchart can be executed by one device or can be shared by a plurality of devices.
  • the plurality of processes included in the one step can be executed by being shared by a plurality of apparatuses in addition to being executed by one apparatus.
  • this technique can take the following structures.
  • a signal processing apparatus including: a hamori audio signal superimposing unit that superimposes the hamori audio signal on the singing audio signal based on a determination result of the hamori audio signal superimposing determination unit.
  • the enthusiasm calculation unit calculates an enthusiasm including a feature amount indicating the enthusiasm of the singer based on a singing voice signal of the singer of the music.
  • the signal processing device includes a biometric information acquisition unit that acquires biometric information of the singer, The signal processing device according to (1) or (2), wherein the enthusiasm degree calculation unit calculates an enthusiasm degree including a feature amount indicating the enthusiasm state of the singer based on biometric information of the singer of the song.
  • the hammer sound signal superimposition determination unit compares the enthusiasm calculated by the enthusiasm calculation unit with an enthusiasm threshold set for the enthusiasm, and determines the singers of the music. It is determined whether or not to superimpose a humming sound signal on the singing sound signal, and when the singing sound level is higher than the singing sound value threshold, it is determined to superimpose the humming sound signal on the singing sound signal of the song singer.
  • the signal processing device according to any one of (3).
  • (5) further includes a climax calculation unit that calculates a climax of the music based on a music audio signal that is an audio signal of the music;
  • the hammer sound signal superimposition determination unit superimposes a hammer sound signal on the singing sound signal based on the enthusiasm calculated by the enthusiasm calculation unit and the excitement degree calculated by the excitement degree calculation unit.
  • the signal processing device according to any one of (1) to (4).
  • the enthusiasm threshold calculation unit calculates an enthusiasm threshold using an average value of the enthusiasm by a plurality of singers,
  • the hamori sound signal superimposition determination unit is set for the enthusiasm calculated by the enthusiasm calculation unit and the enthusiasm for enthusiasm, and is obtained by using an average value of enthusiasm by a plurality of singers.
  • the degree threshold is compared to determine whether to superimpose a hammer sound signal on the song voice signal of the song singer, and if the degree of enthusiasm is higher than the degree of enthusiasm threshold,
  • the signal processing device according to any one of (1) to (5), in which it is determined that the sound signal is superimposed on the singing sound signal.
  • An enthusiasm acquisition unit to acquire A singing enthusiasm threshold calculating unit that calculates an enthusiasm threshold using an average value of the enthusiasm acquired from the plurality of signal processing devices by the singing enthusiasm acquisition unit,
  • An information processing apparatus including: a distribution unit that distributes the enthusiasm threshold calculated by the enthusiasm threshold calculation unit to the plurality of signal processing devices; The signal processing device according to any one of (1) to (6), The hammer sound signal superimposition determination unit compares the enthusiasm calculated by the enthusiasm calculation unit with the enthusiasm threshold set for the enthusiasm and distributed by the distribution unit, and It is determined whether or not a hammer sound signal is superimposed on the song voice signal of the song singer, and if the enthusiasm is higher than the enthusiasm threshold, the tone sound signal is superimposed on the song song signal of the song singer.
  • a signal processing system that determines what to do.
  • the enthusiasm calculation step of calculating the enthusiasm consisting of the feature amount indicating the enthusiasm of the song singer of the song The enthusiasm calculation of the enthusiasm sound signal in the engraving sound signal superimposition determination unit that determines whether or not to superimpose the hamori audio signal on the singing audio signal of the singer of the music based on the enthusiasm calculated by the enthusiasm calculation unit
  • a hammer sound signal superimposition determination step for determining whether or not to superimpose a hammer sound signal on the song voice signal of the singer of the music; Based on the determination result in the processing of the morimori audio signal superimposition determination step in the morimori audio signal superimposing section that superimposes the morimori audio signal on the singing audio signal based on the determination result of the morimori audio signal superimposition determination section.
  • An enthusiasm calculation unit for calculating an enthusiasm consisting of a feature amount indicating the enthusiasm of the song singer, Based on the degree of enthusiasm calculated by the enthusiasm degree calculation unit, a hamori audio signal superimposition determination unit that determines whether or not to superimpose a hamori audio signal on the singing audio signal of the song singer,
  • a computer that controls a signal processing device including: a hamori audio signal superimposing unit that superimposes the hamori audio signal on the singing audio signal based on the determination result of the hamori audio signal superimposing determination unit;
  • an enthusiasm calculation step for calculating an enthusiasm consisting of a feature amount indicating the enthusiasm of a song singer, A hamori that determines whether or not to superimpose a hamori audio signal on the singing audio signal of the singer of the music, based on the enthusiasm calculated by the processing of the enthusiasm calculation step in the hamori audio signal superimposition determination unit

Landscapes

  • Physics & Mathematics (AREA)
  • Engineering & Computer Science (AREA)
  • Acoustics & Sound (AREA)
  • Multimedia (AREA)
  • Reverberation, Karaoke And Other Acoustics (AREA)
PCT/JP2012/069612 2011-08-10 2012-08-01 信号処理装置および方法、信号処理システム、並びにプログラム Ceased WO2013021896A1 (ja)

Priority Applications (4)

Application Number Priority Date Filing Date Title
US14/236,435 US20140174280A1 (en) 2011-08-10 2012-08-01 Signal processing apparatus and method, signal processing system, and program
BR112014002649A BR112014002649A8 (pt) 2011-08-10 2012-08-01 aparelho, sistema e método de processamento de sinal, e, programa
CN201280038232.5A CN103733255A (zh) 2011-08-10 2012-08-01 信号处理装置和方法、信号处理系统以及程序
RU2014103583/28A RU2014103583A (ru) 2011-08-10 2012-08-01 Устройство и способ обработки сигнала, система обработки сигнала и программа

Applications Claiming Priority (2)

Application Number Priority Date Filing Date Title
JP2011174934A JP2013037274A (ja) 2011-08-10 2011-08-10 信号処理装置および方法、信号処理システム、並びにプログラム
JP2011-174934 2011-08-10

Publications (1)

Publication Number Publication Date
WO2013021896A1 true WO2013021896A1 (ja) 2013-02-14

Family

ID=47668406

Family Applications (1)

Application Number Title Priority Date Filing Date
PCT/JP2012/069612 Ceased WO2013021896A1 (ja) 2011-08-10 2012-08-01 信号処理装置および方法、信号処理システム、並びにプログラム

Country Status (6)

Country Link
US (1) US20140174280A1 (enExample)
JP (1) JP2013037274A (enExample)
CN (1) CN103733255A (enExample)
BR (1) BR112014002649A8 (enExample)
RU (1) RU2014103583A (enExample)
WO (1) WO2013021896A1 (enExample)

Cited By (1)

* Cited by examiner, † Cited by third party
Publication number Priority date Publication date Assignee Title
US12223932B2 (en) * 2021-09-06 2025-02-11 Beijing Zitiao Network Technology Co., Ltd. Harmony processing method and apparatus, device, and medium

Families Citing this family (4)

* Cited by examiner, † Cited by third party
Publication number Priority date Publication date Assignee Title
US20140142928A1 (en) * 2012-11-21 2014-05-22 Harman International Industries Canada Ltd. System to selectively modify audio effect parameters of vocal signals
CN106653037B (zh) * 2015-11-03 2020-02-14 广州酷狗计算机科技有限公司 音频数据处理方法和装置
JP6791211B2 (ja) * 2018-06-28 2020-11-25 横河電機株式会社 掃引信号発生装置
JP7190284B2 (ja) * 2018-08-28 2022-12-15 ローランド株式会社 ハーモニー生成装置およびそのプログラム

Citations (5)

* Cited by examiner, † Cited by third party
Publication number Priority date Publication date Assignee Title
JPH0944174A (ja) * 1995-07-31 1997-02-14 Sanyo Electric Co Ltd カラオケ装置
JPH10187178A (ja) * 1996-10-28 1998-07-14 Omron Corp 歌唱の感情分析装置並びに採点装置
JPH1173193A (ja) * 1997-08-29 1999-03-16 Brother Ind Ltd カラオケ装置
JP2009015119A (ja) * 2007-07-06 2009-01-22 Sanyo Electric Co Ltd サビ位置検出装置
JP2009198714A (ja) * 2008-02-20 2009-09-03 Brother Ind Ltd カラオケ装置及びカラオケ伴奏音楽の再生処理方法及びプログラム

Family Cites Families (5)

* Cited by examiner, † Cited by third party
Publication number Priority date Publication date Assignee Title
JP2806351B2 (ja) * 1996-02-23 1998-09-30 ヤマハ株式会社 演奏情報分析装置及びそれを用いた自動編曲装置
JP3709631B2 (ja) * 1996-11-20 2005-10-26 ヤマハ株式会社 カラオケ装置
JP4010019B2 (ja) * 1996-11-29 2007-11-21 ヤマハ株式会社 歌唱音声信号切換装置
WO2011011413A2 (en) * 2009-07-20 2011-01-27 University Of Florida Research Foundation, Inc. Method and apparatus for evaluation of a subject's emotional, physiological and/or physical state with the subject's physiological and/or acoustic data
US20120234158A1 (en) * 2011-03-15 2012-09-20 Agency For Science, Technology And Research Auto-synchronous vocal harmonizer

Patent Citations (5)

* Cited by examiner, † Cited by third party
Publication number Priority date Publication date Assignee Title
JPH0944174A (ja) * 1995-07-31 1997-02-14 Sanyo Electric Co Ltd カラオケ装置
JPH10187178A (ja) * 1996-10-28 1998-07-14 Omron Corp 歌唱の感情分析装置並びに採点装置
JPH1173193A (ja) * 1997-08-29 1999-03-16 Brother Ind Ltd カラオケ装置
JP2009015119A (ja) * 2007-07-06 2009-01-22 Sanyo Electric Co Ltd サビ位置検出装置
JP2009198714A (ja) * 2008-02-20 2009-09-03 Brother Ind Ltd カラオケ装置及びカラオケ伴奏音楽の再生処理方法及びプログラム

Cited By (1)

* Cited by examiner, † Cited by third party
Publication number Priority date Publication date Assignee Title
US12223932B2 (en) * 2021-09-06 2025-02-11 Beijing Zitiao Network Technology Co., Ltd. Harmony processing method and apparatus, device, and medium

Also Published As

Publication number Publication date
CN103733255A (zh) 2014-04-16
RU2014103583A (ru) 2015-08-10
US20140174280A1 (en) 2014-06-26
JP2013037274A (ja) 2013-02-21
BR112014002649A2 (pt) 2017-06-13
BR112014002649A8 (pt) 2017-06-20

Similar Documents

Publication Publication Date Title
JP3196715B2 (ja) 楽音情報の通信装置、通信方法、制御装置、制御方法及びプログラムを記録した媒体
US8838835B2 (en) Session terminal apparatus and network session system
US20030045274A1 (en) Mobile communication terminal, sensor unit, musical tone generating system, musical tone generating apparatus, musical tone information providing method, and program
JP2014071138A (ja) カラオケ装置
WO2013021896A1 (ja) 信号処理装置および方法、信号処理システム、並びにプログラム
CN101667422A (zh) 一种调节歌曲伴奏的调式的方法及装置
JP6514874B2 (ja) リファレンスの音高差と歌唱音声の音高差を比較して採点を行うカラオケ採点装置
JP2007293373A (ja) アルペジオ演奏装置
JP4281601B2 (ja) 情報通信システム、通信カラオケ端末、配信用ホスト装置及びプログラム
JP6406273B2 (ja) カラオケ装置,及びプログラム
JP2014174205A (ja) 楽音情報処理装置及びプログラム
JP5394401B2 (ja) オーディオプレーヤ間の出力ボリュームの類似性の改善のためのシステムおよび方法
WO2020136892A1 (ja) 制御装置、電子楽器システム、および制御方法
US10937447B2 (en) Harmony generation device and storage medium
JP2014197082A (ja) 楽器音出力装置
WO2011115210A1 (ja) ミキシングデータ配信サーバ
JP3729772B2 (ja) 楽曲の音階に基づいて歌声をピッチシフトするカラオケ装置
JP6415341B2 (ja) ハーモニー歌唱のためのピッチシフト機能を備えたカラオケシステム
JP6286255B2 (ja) カラオケシステム
JP2010237532A (ja) カラオケシステム、カラオケ装置、サーバ
JPH09134181A (ja) カラオケ装置
EP3757985A1 (en) Electronic musical instrument, method and program
JP5382361B2 (ja) 楽曲演奏装置
JP4453580B2 (ja) カラオケシステムおよびカラオケ装置
JP2015087436A (ja) 音声処理装置、音声処理装置の制御方法およびプログラム

Legal Events

Date Code Title Description
121 Ep: the epo has been informed by wipo that ep was designated in this application

Ref document number: 12821993

Country of ref document: EP

Kind code of ref document: A1

WWE Wipo information: entry into national phase

Ref document number: 14236435

Country of ref document: US

ENP Entry into the national phase

Ref document number: 2014103583

Country of ref document: RU

Kind code of ref document: A

NENP Non-entry into the national phase

Ref country code: DE

REG Reference to national code

Ref country code: BR

Ref legal event code: B01A

Ref document number: 112014002649

Country of ref document: BR

122 Ep: pct application non-entry in european phase

Ref document number: 12821993

Country of ref document: EP

Kind code of ref document: A1

ENP Entry into the national phase

Ref document number: 112014002649

Country of ref document: BR

Kind code of ref document: A2

Effective date: 20140203