JP5954792B2 - 曲げ変換器 - Google Patents

曲げ変換器 Download PDF

Info

Publication number
JP5954792B2
JP5954792B2 JP2012556417A JP2012556417A JP5954792B2 JP 5954792 B2 JP5954792 B2 JP 5954792B2 JP 2012556417 A JP2012556417 A JP 2012556417A JP 2012556417 A JP2012556417 A JP 2012556417A JP 5954792 B2 JP5954792 B2 JP 5954792B2
Authority
JP
Japan
Prior art keywords
layer
bending transducer
protective layer
bending
protective
Prior art date
Legal status (The legal status is an assumption and is not a legal conclusion. Google has not performed a legal analysis and makes no representation as to the accuracy of the status listed.)
Expired - Fee Related
Application number
JP2012556417A
Other languages
English (en)
Other versions
JP2013522865A (ja
Inventor
ヴァン デ リンデン クラウス
ヴァン デ リンデン クラウス
Current Assignee (The listed assignees may be inaccurate. Google has not performed a legal analysis and makes no representation or warranty as to the accuracy of the list.)
Johnson Matthey Catalysts Germany GmbH
Original Assignee
Johnson Matthey Catalysts Germany GmbH
Priority date (The priority date is an assumption and is not a legal conclusion. Google has not performed a legal analysis and makes no representation as to the accuracy of the date listed.)
Filing date
Publication date
Application filed by Johnson Matthey Catalysts Germany GmbH filed Critical Johnson Matthey Catalysts Germany GmbH
Publication of JP2013522865A publication Critical patent/JP2013522865A/ja
Application granted granted Critical
Publication of JP5954792B2 publication Critical patent/JP5954792B2/ja
Expired - Fee Related legal-status Critical Current
Anticipated expiration legal-status Critical

Links

Images

Classifications

    • HELECTRICITY
    • H10SEMICONDUCTOR DEVICES; ELECTRIC SOLID-STATE DEVICES NOT OTHERWISE PROVIDED FOR
    • H10NELECTRIC SOLID-STATE DEVICES NOT OTHERWISE PROVIDED FOR
    • H10N30/00Piezoelectric or electrostrictive devices
    • H10N30/80Constructional details
    • H10N30/88Mounts; Supports; Enclosures; Casings
    • H10N30/883Additional insulation means preventing electrical, physical or chemical damage, e.g. protective coatings
    • HELECTRICITY
    • H10SEMICONDUCTOR DEVICES; ELECTRIC SOLID-STATE DEVICES NOT OTHERWISE PROVIDED FOR
    • H10NELECTRIC SOLID-STATE DEVICES NOT OTHERWISE PROVIDED FOR
    • H10N30/00Piezoelectric or electrostrictive devices
    • H10N30/20Piezoelectric or electrostrictive devices with electrical input and mechanical output, e.g. functioning as actuators or vibrators
    • H10N30/204Piezoelectric or electrostrictive devices with electrical input and mechanical output, e.g. functioning as actuators or vibrators using bending displacement, e.g. unimorph, bimorph or multimorph cantilever or membrane benders
    • H10N30/2041Beam type
    • H10N30/2042Cantilevers, i.e. having one fixed end
    • HELECTRICITY
    • H10SEMICONDUCTOR DEVICES; ELECTRIC SOLID-STATE DEVICES NOT OTHERWISE PROVIDED FOR
    • H10NELECTRIC SOLID-STATE DEVICES NOT OTHERWISE PROVIDED FOR
    • H10N30/00Piezoelectric or electrostrictive devices
    • H10N30/30Piezoelectric or electrostrictive devices with mechanical input and electrical output, e.g. functioning as generators or sensors
    • H10N30/302Sensors
    • HELECTRICITY
    • H10SEMICONDUCTOR DEVICES; ELECTRIC SOLID-STATE DEVICES NOT OTHERWISE PROVIDED FOR
    • H10NELECTRIC SOLID-STATE DEVICES NOT OTHERWISE PROVIDED FOR
    • H10N30/00Piezoelectric or electrostrictive devices
    • H10N30/30Piezoelectric or electrostrictive devices with mechanical input and electrical output, e.g. functioning as generators or sensors
    • H10N30/304Beam type
    • H10N30/306Cantilevers
    • HELECTRICITY
    • H10SEMICONDUCTOR DEVICES; ELECTRIC SOLID-STATE DEVICES NOT OTHERWISE PROVIDED FOR
    • H10NELECTRIC SOLID-STATE DEVICES NOT OTHERWISE PROVIDED FOR
    • H10N30/00Piezoelectric or electrostrictive devices
    • H10N30/80Constructional details
    • H10N30/87Electrodes or interconnections, e.g. leads or terminals
    • H10N30/875Further connection or lead arrangements, e.g. flexible wiring boards, terminal pins

Landscapes

  • General Electrical Machinery Utilizing Piezoelectricity, Electrostriction Or Magnetostriction (AREA)
  • Measuring Fluid Pressure (AREA)

Description

本発明は、圧電材料と圧電材料上に適用された(付けられた)電極層とで構成される圧電素子を備える層構成(層構造)を有する曲げ変換器に関する。
圧電曲げ変換器は、一般に、圧電材料の機械的変形から電気信号への変換、およびその逆の変換を行うために、圧電効果を利用するものである。このため、曲げ変換器は、圧力センサなどのセンサシステムと、例えば作動素子などのアクチュエータシステムとの両方の分野において用いられる。加えて、曲げ変換器を電気エネルギーを生成するための発電機として用いることが、例えば独国特許出願公開第102008007774A1号明細書から既知である。環境発電とも称される、圧電セラミックを用いるこのエネルギー生成が用いられる分野には、例えば、タイヤ内に編成(配置)されたタイヤ圧力センサからタイヤ外に配置された受信機への圧力信号などの測定信号を無線送信するための送信機への電力供給がある。
圧電効果を利用するために、圧電材料の電気的接触が必要である。これは、圧電材料の両側に適用された(付けられた)「電極層」を介して行われる。電極層は、一般に、連続的な層であるが、構造化されることも可能である。
かかる層構成から形成された圧電素子は、機械的キャリア上に適用される(付けられる)ことが多い。1つの圧電素子のみ、つまり、電極層がその上に適用された(付けられた)圧電材料がかかる機械的キャリアの片側に適用される(付けられる)場合、所謂モノモルフ曲げ変換器となる。かかる圧電素子が機械的キャリアの両側に適用される(付けられる)場合、トライモルフ曲げ変換器と呼ばれるものとなる。バイモルフ曲げ変換器とは、機械的キャリアを伴わずに2つの圧電素子を結合させたものである。ここで、2つの結合された圧電素子は、共通の電極層を共有する。マルチモルフ構成では、典型的には3つ以上の圧電素子が層状に結合される。
典型的に用いられる圧電材料は、圧電セラミック、特にPZTセラミック(チタン酸ジルコン酸鉛)と呼ばれるものである。
独国特許出願公開第102008007774A1号明細書 独国特許出願公開第3310589A1号明細書
原則的に、特にエネルギーを生成するために用いられるときは、可能な限り大きい電気信号を生成するために、曲げ変換器の可能な限り高い機械的曲げまたは変形が所望される。これは、圧電材料の非常に脆弱な材料特性により妨害される。一般的に言って、例えば圧電材料の破損などの損傷を回避するために、圧電セラミックは、歪み(strain)について最大約1%、圧力について最大約1%まで荷重してもよい。これは、歪み(伸張)についての相対的延長ΔL/Lは、最大0.001、圧力荷重(圧縮)については最大0.01であることが可能であることを意味する。これを超える荷重は、圧電セラミックを破壊する可能性がある。ここで、圧電材料(圧電セラミック)の層は、極めて薄く、例えばたった50〜400μmの範囲の層厚を有することを考慮に入れるべきである。このため、圧電セラミック層は、極めて薄く脆弱な膜である。製造中の取り扱いをより簡単にするため、独国特許出願公開第3310589A1号明細書は、電極層が適用される(付けられる)前に圧電セラミックを合成樹脂で含浸させ、続いて合成樹脂を硬化させて熱硬化性プラスチックにすることを記載している。
本発明は、改善された荷重容量を有する曲げ変換器を特定するという目的に基づくものである。この目的は、本発明によれば、圧電材料と圧電材料上に適用された(付けられた)電極層とで構成される圧電素子を備える層構成(層構造)を有する曲げ変換器であって、層構成は、外側に保護層を有する、曲げ変換器により達成される。保護層は、好適な方法で層構成上に、または適切であれば圧電材料上に、特に接着剤層を用いて積層体の形態で適用される(付けられる)。保護層は、特に電気的機能を有しない、つまり、好ましくは非導電性であるが、それ自体、導体トラックまたは導電性層のためのキャリア層(carrier layer)であることが可能である。「外側に」とは、この場合、通常は電極層により形成された層構成の最上層または最下層(外側の平坦な面)を意味する。
この種の弾性保護層が設けられた曲げ変換器は、歪み荷重と圧力荷重との両方について、弾性保護層を伴わない変形実施形態と比較したときに10倍高い荷重容量を有することが、調査により示されている。
これにより、全体として、曲げ変換器は、層構成と層構成の外側に適用された(付けられた)弾性保護層とで構成される積層体の形態で形成される。
1つの好適な構成によれば、保護層は、プレストレス下で層構成上、つまり、層構成の最外層上に適用される(付けられる)。このため、保護層と層構成との間の接続は、ストレスフリーではない。むしろ、保護層は、層構成との接続面においてプレストレス、好ましくは圧力荷重を働かせる。これにより、(曲げ)荷重下における層構成の初期故障または破損が、いわば外側から働く前記プレストレスにより効果的に打ち消される。
ここで、プレストレスは、特に何らの優先的な方向も有しない。しかし、プレストレスは、プレストレスが曲げの間に発生する圧縮荷重(圧縮応力)と同じ方向に配向されるように(向けられるように)、意図的に一方向、好ましくは曲げ変換器の長手方向に配向させることが可能である。
プレストレスは、保護層が層構成上に適用される(付けられる)ときに発生する。保護層の種類によって、様々な可能性が開かれている。弾性保護層の場合、プレストレスは、例えば、弾性復元力がプレストレスを働かせるように、保護層を予め伸張させ、かかる保護層を予め伸張した状態で適用する(付ける)ことにより達成される。代替として、保護層は、硬化可能な物質を用いて、例えば所謂プリプレグの形態でまたはワニスとして、適用される(付けられる)。好ましくは、物質を適用する(付ける)ための(当該)物質および/またはプロセスパラメータは、プレストレスが硬化中、特に収縮プロセスにより発生するように選択される。選択された製造プロセスのために層構成の長さが変化する場合、適用された(付けられた)保護層の収縮は、層構成の収縮よりも大きい。プレストレスは、この場合、特に熱プロセス、つまり、加熱処理およびその後の冷却により製造される。例えば、保護層は、層構成に結合される前に加熱され、その後、例えば接着により層構成に結合され、結合状態において冷却される。
1つの好適な実施形態によれば、熱的プレストレスを確実に発生させるために、保護層は、特にその最外層としての、層構成の熱膨張係数と異なる、好ましくはより大きい、熱膨張係数を有する。
1つの好適な展開形態によれば、保護層は、プレストレスに加えてまたはその代替として、層構成、特に圧電材料よりも高い弾性および/またはより高い弾性率(圧電材料よりも高い弾性およびより高い弾性率のいずれか一方または双方)を有する。その結果、破損のリスクがさらに低減される。この場合、「より高い弾性」は、弾性保護層の材料が、特に明確により高い降伏強度または降伏応力を有することを意味する。「降伏応力」は、一般に、材料が弾性変形のみを示すが塑性変形を示さない応力−歪み曲線における最大の応力を意味するものと理解される。「弾性率E」は、一般に、応力と応力−歪み曲線における直線的弾性領域における伸長との間の商をいうものである。従って、弾性率は、上記曲線における直線的弾性領域における(一定の)勾配を与えるものである。
保護層の厚さは、好ましくは50μmよりも大きく、好ましくは100μmよりも大きく、特に最大約1000μmの範囲である。保護層の厚さは、特に、それぞれの電極層の厚さよりも大きい。電極層の厚さは、例えば金電極を用いるとき、数100nmの領域であり、所謂炭素電極を用いるとき、厚さは例えば5〜50μmの範囲である。圧電材料自体の厚さは、例えば50〜400μmの範囲である。
1つの好都合な構成によれば、保護層が層構成の両方の外側に適用されている(付けられている)。ここで、保護層は、一般に、それぞれ、圧電セラミックに接触(コンタクト)する電極層に直接接続される。
ここで、曲げ変換器は、異なる層構成により特徴付けることが可能である。例えば、曲げ変換器は、例えば、さらなる機械的キャリア層を伴わずに、およびさらなる追加的な圧電素子を伴わずに、1つの圧電素子のみ、つまり、電極層がその両側に適用された(付けられた)1つの圧電材料を有することが可能である。保護層は、この単一の圧電素子の好ましくは両側に適用される(付けられる)。モノモルフまたはトライモルフ構成のためなど、機械的キャリア層を用いる構成において、機械的キャリアは、現在の場合(本場合)において、層構成の一部としてみなされる。モノモルフ構成において、機械的キャリアは、片側において層構成の終端をなしている。この変形実施形態において、機械的キャリアは、典型的には、十分に大きい安定化効果を働かせるため、保護層は、好ましくは、層構成の片側のみ、つまり、機械的キャリアから遠い側に適用される(付けられる)。
トライモルフ構成、つまり、1つの圧電素子が機械的キャリアの各側に適用される(付けられる)ため、層構成が機械的キャリアと機械的キャリアの2つの対向する側に編成(配置)された2つの圧電素子とから構成される構成において、保護層は、層構成の2つの外側の外方、つまり、圧電素子の最外側に適用される(付けられる)。原則的に、複数の圧電素子がスタックの形態で機械的キャリアの両側または片側のいずれかに編成(配置)される場合も、同じことが当てはまる。
層構成が機械的キャリアを伴わずに互いに結合された複数の圧電素子により形成されたバイモルフまたはマルチモルフ構成において、1つの電気的保護層は、好ましくは、やはり層構成の各対向する外側に編成(配置)される。
曲げ変換器は、一般に、中立帯と称されるものを有し、かかる中立帯は、層構成の中央面により構成され、かかる中央面は、典型的には、層構成の各層に対して平行に延在する。1つの好適な構成によれば、層構成は、曲げ変換器の中立帯に対して非対称的に編成(配置)される、つまり、層構成の中央面は、曲げ変換器の中央面と一致しない。また、好ましくは、層構成は、中立帯が層構成の外側に隣接する(接する)か、または層構成の外側に編成(配置)されるように、中立帯の外に完全に移動されている。この構成は、かなりの量のエネルギーを生成することが可能であるために、特に曲げ変換器がエネルギーを生成するための発電機として用いられるときに、特に有益である。1つの好適な構成によれば、この場合、曲げ変換器は、曲げ変換器が一方向のみに荷重される(曲げられる)ように、具体的には、圧電セラミックは圧力荷重に対してより高い耐性を有するため、曲げ変換器の中立帯の外側に編成(配置)された層構成が圧力のみで荷重されるように、用いられ装着される。
1つの好都合な構成によれば、これは、外側に適用された(付けられた)2つの保護層の非対称的な構成により達成される。従って、2つの保護層は、対称的な構成と比較して、層構成が中立帯に対してオフセットされているという点において、厚さが異なる。この場合、より厚い保護層の厚さは、好ましくは、層構成およびより薄い保護層の全厚以上である。
1つの好適な構成によれば、積層プラスチック膜が特に弾性保護層として用いられる。これは、特に、例えばPVCまたは別の熱可塑性で形成された市販の積層膜を接着結合することによる取り付けを意味するものと理解される。この種のプラスチック膜が層構成上に積層される、つまり、層構成に接着結合される。市販の積層膜は、この目的のために、熱の作用により粘着性になって接着剤層を形成する特別な被覆を有する。
1つの好適な代替によれば、保護層は、フレキシブルプリント回路基板材料、例えばFR3または特にFR4材料と称されるものから構成される。かかるプリント回路基板材料は、典型的には、硬化したエポキシ樹脂から構成されている。FR4材料は、ガラス繊維で強化されたエポキシ樹脂である。プリント回路基板材料のかかる膜は、市場で容易に入手可能であり、多種多様な変形実施形態において利用可能である。このプリント回路基板材料の保護層も、好ましくは、層構成に接着結合される。
いくつかの(複数の)導体トラックまたは導電性層が保護層上に直接適用される(付けられる)と好都合である。特に、保護層は、この場合、フレキシブルプリント回路基板のキャリア層である。この変形実施形態により、圧電セラミックの、または圧電セラミック上に適用された(付けられた)それぞれの電極層の、特に簡単で永続的に確実な電気的接触が可能になる。このため、外側に追加的に適用された(付けられた)この保護層を用いて接触が行われる。本変形実施形態において、導体トラックまたはキャリア層と層構成の電極層との間に導電性接続が確立されるように、特に導電性接着剤が層構成への接続のために用いられる。しかし、導電性接続は、いずれの場合においても、極めて薄い接着剤層を用いることにより確立することも可能である。
特に、曲げ変換器が導体トラックがその上に編成(配置)されたフレキシブルプリント回路基板のキャリア層として構成されるとき、曲げ変換器の全体は、この目的が意図されるとともに特にプリント回路基板上に形成された接点において接触および接続されることのみを必要とする、プレハブ電気機械装置として構成される。原則的に、さらなる電子装置または回路をフレキシブルプリント回路基板上に直接編成(配置)することも可能である。保護層を形成するフレキシブルな特に膜タイプのプリント回路基板は、好ましくは、層構成に対して縁において突出し、突出する部分的な領域において、曲げ変換器を接続線に接触させるための接触面を有する。
導体トラックまたは導電体層は、例えばスパッタリング、電気メッキ、接着結合、またはローラ塗布など、特にプリント回路基板技術からそれら自体既知の方法により、保護層上に形成される。
1つの好適な展開形態によれば、保護層上に直接編成(配置)される導電体層は、同時に、圧電素子のための電極を形成する、すなわち、導電体層は、恐らくは導電性接着剤を用いて、圧電セラミックに直接接触する。
好適な構成において、層構成は、一体化された導体トラックまたはその上に適用された(付けられた)導電性層を有する2つのかかるプリント回路基板膜の間の(に)サンドイッチの形態で編成(配置)される。特に、さらにその上、導体トラックは、接続面または接触面(コンタクト面)において終端し、かかる面には、接続状態において、接続ワイヤが好ましくは半田付けにより接触する。1つの好都合な展開形態によれば、保護層は、この場合、互い違いの側において層構成に対して突出し、突出する部分的な領域において、接触面が形成され、その結果、簡単な接触が可能になる。
第3の代替の構成によれば、保護層は、ワニス層により形成されている。ワニス層は、現在の場合(本場合)において、例えばスプレー、ブラシ、ローラにより粘性状態の好適なワニス、例えば合成樹脂ワニスを層構成上に適用(塗布)することにより形成され、適用(塗布)後、溶剤の蒸発により硬化する層である。原則として、一般に、保護層に加え、機械的特性を改善するための好適なワニスで圧電セラミックを含浸させることが可能である。
好適な構成において、曲げ変換器は、損傷することなく、圧力荷重下で少なくとも約10%まで圧縮され、および/または(いずれか一方または双方)、伸長荷重下で少なくとも約1%まで伸長されるように、保護層を編成(配置)することにより全体的に形成される。このため、保護層を有する曲げ変換器は、かかる保護層の使用を伴わない曲げ変換器よりも目立って強い可逆荷重容量を有する。
曲げ変換器は、アクチュエータとして、センサとして、および特にエネルギー生成のために発電機として用いられると好都合である。曲げ変換器は、好ましくは、無線信号送信のためのエネルギーを提供するためのタイヤ圧力センサにおける発電機として用いられる。
本発明の変形実施形態を、図面を参照して以下でより詳細に説明する。前記図面は、概略的かつ大幅に簡略化された、部分的に詳細なタイプの図を示すものである。
曲げ変換器の側面図である。 上側保護層を伴わない図1Aの曲げ変換器の平面図である。 さらなる変形実施形態の曲げ変換器の側面図である。 図2Aの曲げ変換器の平面図である。 モノモルフ構成における曲げ変換器の側面図である。 トライモルフ構成における曲げ変換器の側面図である。
図面において、同じ機能を有する部品には、同じ参照符号が続く。
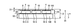
曲げ変換器2の図面に示す様々な変形実施形態は、長手方向3に延在し、それぞれ、少なくとも1つの圧電素子4を有する。圧電素子4は、一般に、圧電材料、特に圧電セラミック6(好ましくはPZTセラミック)から構成される層で構成される。電極層8が圧電セラミック6の両側に編成(配置)されている。電極層8を有する圧電セラミック6は、それぞれ、圧電素子4を形成する。
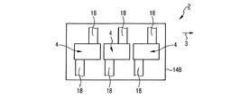
圧電素子4は、図1A、図1Bおよび図2A、図2Bによる変形実施形態において、同時に層構成10を形成する。図3に示すモノモルフ構成において、層構成10は、機械的キャリア12により形成され、機械的キャリア12の片側に、圧電素子4が編成(配置)されている。図4によるトライモルフ変形実施形態において、層構成10は、機械的キャリア12と、機械的キャリア12の両側に適用された(付けられた)圧電素子4とにより形成されている。機械的キャリア自体は、様々な変形実施形態において基本的に既知であり、例えば絶縁材料から、または例えば金属などの導電性材料から形成されている。導電性素子としての構成において、隣接する(接触する)電極層8は省略してもよい。キャリア12の厚さは、典型的には、圧電素子4の厚さよりも大きく、典型的には、0.2〜3mmの範囲である。これらの異なる層構成10の製造は、それ自体、既知である。
図面に示すすべての曲げ変換器2は、特にプレストレス下で層構成10上に適用された(付けられた)、例えば少なくとも1つの弾性保護層14A、Bを追加的に編成(配置)することにより特徴付けられている。これにより、前記保護層は、少なくとも長手方向3の配向(方位)において、結合面内において圧力または剪断荷重を働かせる。このため、プレストレスにより働く力は、外方領域から中心領域に方向付けられている。
図3によるモノモルフ構成では、1つの保護層14Aのみが層構成10の外側に適用されているが(付けられているが)、その他の変形実施形態では、それぞれ、1つの保護層14A、14Bが層構成10の両方の対向する外側に適用されている(付けられている)。この場合、保護層14A、14Bは、好ましくは、例えばアクリレートまたはエポキシ樹脂系の好適な接着剤を用いて適用される(付けられる)。適切であれば、導電性接着剤を用いてもよい。保護層14A、14Bは、好ましくは、少なくとも一方向において層構成の縁辺に重なるように、層構成10よりも大きい表面積を有する。
一般に、図1A、図1B、図2A、図2B、および図4による変形実施形態は、層構成が2つの膜タイプの保護層の間の(に)サンドイッチの形態で接着結合により編成(配置)されているという点において特徴付けられている。
図1A、1Bによる変形実施形態において、連続的な圧電素子は設けられていないが、個々のセグメントが2つの保護層13A、13Bの間の圧電素子4上に編成(配置)されている。
図1Aにおいて、曲げ変換器2の中立帯16を点線により追加的に示している。ここで、中立帯16は、個々の層に対して平行に延在する中心面、つまり、2つの保護層14A、14Bの外方の平坦な側により形成された曲げ変換器2の外方の平坦な側から同じ距離を有する中心面により形成されている。図1Aにおいて見られるように、層構成10は、この中立帯に対して非対称的に編成(配置)され、特に、完全に中立帯16の外に移動されている。例示的実施形態において、層構成10は、中立帯16に直接隣接(接触)している。
例示的実施形態において、これは、2つの保護層14A、14Bの厚さが異なることにより達成されている。ここで、上側保護層14Aは、下側保護層14Bの厚さD2と比較して相当に小さい厚さD1を有する。例示的実施形態において、厚さD2は、厚さD1と層構成10の厚さD3との合計に等しい。典型的には、1つの圧電セラミック6層のみが用いられるときの層構成10の厚さD3は、例えば50〜約500μmの範囲である。圧電セラミック6の両側に適用される(付けられる)電極層8は、それぞれ、電極層の構成によって変化する可能性がある厚さを有し、例えば金電極が用いられるとき、数100nmである。炭素電極が用いられるとき、電極層の厚さは、例えば5〜50μmである。炭素電極とは、一般に、追加的な埋め込まれた顔料粒子としてグラファイトを有する熱硬化性樹脂(例えばエポキシ樹脂)が適用された炭素重合体から作製された電極を意味するものと理解される。
保護層14A、14Bは、好ましくは、プリント回路基板材料、例えばFR4材料として既知の材料から形成されている。FR4材料は、ガラス繊維で強化された硬化したエポキシ樹脂である。保護層14A、14Bの厚さは、好ましくは、100μmよりも大きい。例示的実施形態において、例えば、200〜500μmの範囲の厚さD3を有する層構成10と、100〜200μmの範囲の厚さD1を有する上側保護層14Aとが用いられる。すると、下側保護層14Bの厚さD2は、400〜700μmの範囲となる。
図1A、図1Bの例示的実施形態において、導体トラック18の形態の導電性領域が保護層14A、14B上に適用されている(付けられている)。保護層14A、14Bは、導体トラック18とともに、膜タイプのフレキシブルプリント回路基板を形成する。保護層14A、14Bは、この場合、前記フレキシブルプリント回路基板のキャリア層であり、かかるキャリア層上に、導体トラック18が適用されている(付けられている)。個々の電極層8の接触は、導体トラック18を介して特に簡単かつ効率的に行われる。このため、機械的変形において生成された電気信号(電荷キャリア)の送信は、プリント回路基板とその導体トラック18とを介して簡単に行うことが可能である。この場合、下流に接続された制御ユニットまたはエネルギー貯蔵への送信のための個々の導体トラック18の接触は、接点(ここではより詳細に図示しない)を介して行われ、かかる接点は、例えば接触トラック18の拡幅された接触面により形成され、かかる接触面上に、例えば接続ワイヤが半田付けなどされる。図1Bによる平面図において、導体トラック18の接続可能性は、図示していない。これらは、外部への導体トラック18(部分的にのみ図示)により概略的にのみ図示している。
大きい厚さD2を有する下側保護層14Bの構成について、保護層の個々の膜の複数のプライを互いに重ねるように編成(配置)することも可能である。図1Aに示すような曲げ変換器は、例えば一端側において、例えばその左端において、保持装置においてクランプ固定され、対向する右端は、自由端を形成する。自由端は、個々の圧電素子4が圧力によってのみ荷重されるように、設置状態において、好ましくは矢印20により示す曲げ方向にのみ偏向されている(偏向される)。
図2A、図2Bによる例示的実施形態は、大部分、図1A、図1Bによる例示的実施形態に対応している。この場合も、曲げ変換器2は、異なる厚さを有する2つの対向する保護層14A、14Bと、保護層14A、14Bの間に編成(配置)された(単一の)圧電素子4とにより形成されている。保護層14A、14Bは、図1Aおよび図1Bの例示的実施形態におけるように、圧電素子4に対して突出している。図2A、図2Bによる変形において、保護層14A、14Bは、2つの保護層14A、14Bが長手方向においてオフセットされて編成(配置)されるとともに互いに対して突出する領域を有するように、曲げ変換器2の長手方向において圧電素子4に対して突出している。これらの突出領域において、接触面22が保護層14A、14Bの内側に形成され、かかる接触面上に、例えば接続ワイヤが半田付けされる。この場合も、好ましくは、保護層14A、14Bに、電極層8(さらなる詳細は図示せず)を接触させるための導体トラック18(やはりさらなる詳細は図示せず)が設けられる。
図2Aにおいて、曲げ変換器の領域における概ね中心において、可能性のある装着箇所24が点線により示され、かかる箇所において、曲げ変換器が例えばその装着端位置においてクランプ固定される。図2Bは、装着箇所24を伴わない、図2Aに対して90°回転した図である。曲げ変換器2の幅Bは、一般に典型的には、3〜10mmの範囲であり、例示的実施形態において例えば5.5mmである。典型的な曲げ変換器2の長さLは、例えば20〜50mmの範囲であり、例示的実施形態において例えば約30mmである。典型的な曲げ変換器の全厚Dは、例えば400〜1500μmの範囲であり、図1Aおよび図2Aによる例示的実施形態において約650μmの範囲である。
図面に示す例示的実施形態において、それぞれ、保護層14A、14Bは、導体トラック18が適用された(付けられた)追加層としての電極層8を有する層構成10の外側に適用されている(付けられている)。1つの代替の変形実施形態において、導電性層が、電極層8を形成する保護層14A、14B上に適用される(付けられる)。
すべての例示的実施形態は、保護層14A、14Bの使用により特徴付けられており、好ましくは、層構成10は、2つの保護層14A、14Bの間に接着結合により編成(配置)されている。この方策により、層構成の荷重容量が著しく増加し、破損のリスクが低減される。この方策により、全体として、曲げ変換器2の相当に高い曲げ応力が可能になる。
さらなる特別な設計上の特長としては、発電機の動作についてかなりのエネルギー生成を可能にするために、圧電層構成(圧電活性層構造)10を曲げ変換器2の中立帯16の外に移動させることが考えられる。さらにその上、特に圧電セラミック6上に編成(配置)された電極層8を補うために、導体トラック18または導電性層を保護層14A、14B上に直接編成(配置)することを強調すべきである。これは、導体トラック18により、電極層8を特に簡単な接触させることが可能になるためである。これにより、全体として、簡単に実現可能な接触を有するとともに高い曲げ応力においても確実に機能する、高い荷重容量を有する曲げ変換器2が形成される。特に、保護層14A、14B上に適用された(付けられた)導電性層自体が電極層を形成する(または電極8に加えて設けられる)構成において、特にロバストな接触が可能になる。これは、圧電セラミック6が裂ける可能性がある場合も、圧電セラミック6は、圧電セラミック6の表面の一部が非接触状態で残ることなく、依然として確実に全面積に亘り接触しているためである。導体トラック18または導電性層は、例えば銀、金、炭素、または銅などの導電性材料でスパッタリング、印刷、または積層することにより製造される。
2 曲げ変換器
3 長手方向
4 圧電素子
6 圧電セラミック
8 電極層
10 層構成
12 機械的キャリア
14A、B 保護層
16 中立帯
18 導体トラック
20 曲げ方向
22 接触面(コンタクト面)
24 装着箇所
B 幅
D1 厚さ
D2 厚さ
D3 厚さ
L 長さ

Claims (15)

  1. 圧電材料(6)と前記圧電材料(6)上に適用された電極層(8)とで構成される圧電素子(4)を備える層構成(10)を有する曲げ変換器(2)において、前記層構成(10)は、外側に保護層(14A、14B)を有し、前記層構成(10)は、前記保護層(14A、14B)を形成する2つの膜の間のサンドイッチの形態で編成され、
    前記2つの膜は、前記層構成(10)上で重なるとともに、それぞれ、前記層構成(10)に面する内側に導体トラック(18)を有し、かかる導体トラック(18)を介して前記圧電素子(4)は前記保護層(14A、14B)に接触するとともに、かかる導体トラック(18)は接触面(22)につながり、かかる接触面(22)は突出する部分的な領域において配置されるとともに、かかる接触面(22)上には、接続状態において接続線が接触し、
    前記保護層(14A、14B)は、弾性を有し、弾性復元力がプレストレスを働かせるように、伸張された状態で前記層構成(10)上に適用されている、曲げ変換器(10)。
  2. 前記保護層(14A、14B)は、前記層構成(10)の熱膨張係数よりも大きい熱膨張係数を有する、請求項1に記載の曲げ変換器(2)。
  3. 前記保護層(14A、14B)は、前記層構成よりも高い弾性および/またはより高い弾性率を有する、請求項1〜2のいずれか一項に記載の曲げ変換器(2)。
  4. 前記保護層(14A、14B)の厚さ(D1、D2)は、50μmよりも大きく、特に、50μm〜1000μmの範囲である、請求項1〜3のいずれか一項に記載の曲げ変換器(2)。
  5. 中立帯(16)を有し、前記層構成(10)は、前記中立帯(16)に対して非対称的に編成されている、請求項1〜4のいずれか一項に記載の曲げ変換器(2)。
  6. 前記2つの保護層(14A、14B)の厚さ(D1、D2)は、厚さ(D1、D2)の相異により前記層構成(10)が前記中立帯(16)に対して非対称的であるように相異している、請求項5に記載の曲げ変換器(2)。
  7. より厚い前記保護層(14B)の厚さ(D2)は、前記層構成(10)およびより薄い前記保護層(14A)の全厚以上である、請求項6に記載の曲げ変換器(2)。
  8. 前記保護層(14A、14B)は、積層プラスチック膜である、請求項1〜7のいずれか一項に記載の曲げ変換器(2)。
  9. 前記保護層(14A、14B)は、フレキシブルプリント回路基板から構成されている、請求項1〜7のいずれか一項に記載の曲げ変換器(2)。
  10. 前記導体トラック(18)に代えて導電体層が前記保護層内側上に配置され、前記保護層(14A、14B)は、特に、フレキシブルプリント回路基板のキャリア層である、請求項1〜9のいずれか一項に記載の曲げ変換器(2)。
  11. 前記導電体層は、前記圧電素子(4)の電極を形成する、請求項10に記載の曲げ変換器(2)。
  12. 前記2つの保護層(14A、14B)は、前記圧電素子(4)に対して異なる長さで突出し、このように形成された突出領域に、前記接触面(22)が配置される、請求項1〜11のいずれか一項に記載の曲げ変換器。
  13. 前記保護層(14A、14B)は、ワニス層により形成されている、請求項1〜7のいずれか一項に記載の曲げ変換器(2)。
  14. 前記曲げ変換器は、損傷することなく、圧力荷重下で少なくとも約10%まで圧縮可能であり、および/または、伸長荷重下で少なくとも約1%まで伸長可能である、請求項1〜13のいずれか一項に記載の曲げ変換器(2)。
  15. 前記曲げ変換器は、アクチュエータとして、センサとして、および特にエネルギー生成のために発電機として機能する、請求項1〜14のいずれか一項に記載の曲げ変換器(2)。
JP2012556417A 2010-03-11 2011-03-10 曲げ変換器 Expired - Fee Related JP5954792B2 (ja)

Applications Claiming Priority (3)

Application Number Priority Date Filing Date Title
DE102010011047A DE102010011047A1 (de) 2010-03-11 2010-03-11 Biegewandler
DE102010011047.7 2010-03-11
PCT/EP2011/001191 WO2011110353A1 (de) 2010-03-11 2011-03-10 Biegewandler

Publications (2)

Publication Number Publication Date
JP2013522865A JP2013522865A (ja) 2013-06-13
JP5954792B2 true JP5954792B2 (ja) 2016-07-20

Family

ID=44123418

Family Applications (1)

Application Number Title Priority Date Filing Date
JP2012556417A Expired - Fee Related JP5954792B2 (ja) 2010-03-11 2011-03-10 曲げ変換器

Country Status (7)

Country Link
US (1) US20130002095A1 (ja)
EP (1) EP2545598B1 (ja)
JP (1) JP5954792B2 (ja)
CN (1) CN102782893B (ja)
DE (1) DE102010011047A1 (ja)
DK (1) DK2545598T3 (ja)
WO (1) WO2011110353A1 (ja)

Families Citing this family (29)

* Cited by examiner, † Cited by third party
Publication number Priority date Publication date Assignee Title
KR101725115B1 (ko) * 2010-12-16 2017-04-26 한국전자통신연구원 플렉시블 기판을 이용한 자급자족형 전원 공급 장치 및 센서 노드
DE102011087844A1 (de) * 2011-12-06 2013-06-06 Johnson Matthey Catalysts (Germany) Gmbh Baugruppe zur Energieerzeugung sowie einen Biegewandler für eine solche Baugruppe
JP6002524B2 (ja) * 2012-09-28 2016-10-05 住友理工株式会社 トランスデューサ
DE102013211596A1 (de) * 2013-06-20 2014-12-24 Robert Bosch Gmbh Verfahren zum elektrischen Kontaktieren einer Piezokeramik
US10376399B2 (en) 2013-09-29 2019-08-13 Institut Hospitalo-Universitaire De Chirurgie Mini-Invasive Guidee Par L'image Implantable device to treat obesity
JP6343144B2 (ja) * 2013-12-20 2018-06-13 Jr東日本コンサルタンツ株式会社 床発電構造
DE102014214753A1 (de) * 2014-07-28 2016-01-28 Robert Bosch Gmbh Drucksensor und Verfahren zum Herstellen eines Drucksensors
CN113230021A (zh) 2015-01-12 2021-08-10 科达莱昂治疗公司 微滴递送设备和方法
CN105865670B (zh) * 2015-02-09 2020-09-25 精工爱普生株式会社 力检测装置以及机器人
DE102015215942A1 (de) * 2015-08-20 2017-02-23 Robert Bosch Gmbh Elektronische Baugruppe, insbesondere für ein Getriebesteuermodul
JP6726508B2 (ja) * 2016-04-07 2020-07-22 日本特殊陶業株式会社 圧電アクチュエータ
CN107819410B (zh) * 2016-09-13 2020-11-13 广东顺德中山大学卡内基梅隆大学国际联合研究院 压电能量采集器
US10888454B2 (en) * 2017-01-20 2021-01-12 Kedalion Therapeutics, Inc. Piezoelectric fluid dispenser
US11762192B2 (en) 2017-03-30 2023-09-19 Mitsubishi Electric Corporation Optical scanning device and method of manufacturing the same
DE112018003429B4 (de) * 2017-11-09 2023-01-12 Murata Manufacturing Co., Ltd. Piezoelektrisches Bauteil, Sensor und Aktor
AU2018380433B2 (en) 2017-12-08 2024-10-10 Bausch + Lomb Ireland Limited Fluid delivery alignment system
WO2019197942A1 (en) * 2018-04-09 2019-10-17 King Abdullah University Of Science And Technology Energy producing device with a piezoelectric energy generating beam
US20190314198A1 (en) 2018-04-12 2019-10-17 Kedalion Therapeutics, Inc. Topical Ocular Delivery Methods and Devices for Use in the Same
US12350194B1 (en) 2018-04-12 2025-07-08 Bausch + Lomb Ireland Limited Topical ocular delivery of fluids with controlled mass dosing and wireless communication
AU2019297326B2 (en) 2018-07-03 2025-01-09 Bausch + Lomb Ireland Limited Topical ocular delivery devices and methods for using the same
US12097145B2 (en) 2019-03-06 2024-09-24 Bausch + Lomb Ireland Limited Vented multi-dose ocular fluid delivery system
US11679028B2 (en) 2019-03-06 2023-06-20 Novartis Ag Multi-dose ocular fluid delivery system
US12496218B1 (en) 2019-11-12 2025-12-16 Bausch + Lomb Ireland Limited Fractionated topical ocular drug delivery methods and devices for use in the same
DE102020107028B4 (de) 2020-03-13 2022-12-29 Technische Universität Chemnitz Piezoelektrische Vorrichtung und Verfahren zu deren Herstellung
US12290472B2 (en) 2020-04-17 2025-05-06 Bausch + Lomb Ireland Limited Hydrodynamically actuated preservative free dispensing system
US11938057B2 (en) 2020-04-17 2024-03-26 Bausch + Lomb Ireland Limited Hydrodynamically actuated preservative free dispensing system
WO2021212038A1 (en) 2020-04-17 2021-10-21 Kedalion Therapeutics, Inc. Hydrodynamically actuated preservative free dispensing system having a collapsible liquid reservoir
BR112022020948A2 (pt) 2020-04-17 2023-04-11 Kedallion Therapeutics Inc Sistema de distribuição livre de conservantes hidrodinamicamente atuado
WO2022210356A1 (ja) * 2021-03-31 2022-10-06 Tdk株式会社 発電機および発電システム

Family Cites Families (23)

* Cited by examiner, † Cited by third party
Publication number Priority date Publication date Assignee Title
DE3310589A1 (de) 1983-03-23 1984-09-27 Siemens AG, 1000 Berlin und 8000 München Kunstharz-impraegnierter piezokeramikkoerper
CN1303522A (zh) * 1998-05-29 2001-07-11 摩托罗拉公司 谐振压电告警设备
DE19856202A1 (de) * 1998-12-05 2000-06-15 Bosch Gmbh Robert Piezoelektrischer Aktor
US6512323B2 (en) * 2000-03-22 2003-01-28 Caterpillar Inc. Piezoelectric actuator device
JP2001354497A (ja) * 2000-06-07 2001-12-25 Matsushita Electric Ind Co Ltd 強誘電体膜の製造方法
EP1168463A1 (de) * 2000-06-23 2002-01-02 DORNIER GmbH Faserverbundwerkstoff mit darin integriertem piezoelektrischem Sensor oder Aktor
US6515402B2 (en) * 2001-01-24 2003-02-04 Koninklijke Philips Electronics N.V. Array of ultrasound transducers
US20020140321A1 (en) * 2001-03-27 2002-10-03 Waterfield Larry G. Coated electroactive bender actuator
US20040021529A1 (en) * 2002-07-30 2004-02-05 Bradley Paul D. Resonator with protective layer
US6965189B2 (en) * 2002-09-20 2005-11-15 Monodrive Inc. Bending actuators and sensors constructed from shaped active materials and methods for making the same
US20050012434A1 (en) * 2003-03-26 2005-01-20 Continuum Photonics, Inc. Robust piezoelectric power generation module
US20050210988A1 (en) * 2004-03-05 2005-09-29 Jun Amano Method of making piezoelectric cantilever pressure sensor array
DE102004046150A1 (de) * 2004-09-23 2006-03-30 Fraunhofer-Gesellschaft zur Förderung der angewandten Forschung e.V. Vorrichtung und Verfahren zur Schwingungsbeeinflussung eines Flächenelementes
DE102005020527A1 (de) * 2005-05-03 2006-11-09 Festo Ag & Co. Piezoelektrisches Element
DE102005055870A1 (de) * 2005-11-23 2007-05-24 Epcos Ag Elektroakustisches Bauelement
JP2007167998A (ja) * 2005-12-20 2007-07-05 Toshiba Corp 梁構造を有する装置、および半導体装置
US20070188053A1 (en) * 2006-02-14 2007-08-16 Robert Bosch Gmbh Injection molded energy harvesting device
JP2007273589A (ja) * 2006-03-30 2007-10-18 Fujitsu Ltd 薄膜圧電デバイスおよびその作製方法
JP2007316045A (ja) * 2006-04-25 2007-12-06 Matsushita Electric Ind Co Ltd 圧力検出素子
US7414351B2 (en) * 2006-10-02 2008-08-19 Robert Bosch Gmbh Energy harvesting device manufactured by print forming processes
JP2008301453A (ja) * 2007-06-04 2008-12-11 Toshiba Corp 薄膜圧電共振器及びこれを用いたフィルタ回路
DE102008007774A1 (de) 2008-02-06 2009-08-13 Robert Bosch Gmbh Biegewandler zum Erzeugen von elektrischer Energie aus mechanischen Verformungen
WO2010008381A1 (en) * 2008-07-15 2010-01-21 Iptrade, Inc. Unimorph/bimorph piezoelectric package

Also Published As

Publication number Publication date
EP2545598B1 (de) 2014-02-26
JP2013522865A (ja) 2013-06-13
CN102782893A (zh) 2012-11-14
DE102010011047A1 (de) 2011-09-15
DK2545598T3 (da) 2014-05-05
WO2011110353A1 (de) 2011-09-15
CN102782893B (zh) 2015-10-07
EP2545598A1 (de) 2013-01-16
US20130002095A1 (en) 2013-01-03

Similar Documents

Publication Publication Date Title
JP5954792B2 (ja) 曲げ変換器
JP3524557B2 (ja) 圧電型たわみ変換器およびその製造方法
US8461745B2 (en) Piezoceramic surface actuator and method for the production thereof
JP4785434B2 (ja) 金属コアを有する圧電セラミックファイバ
JP2008122215A (ja) 圧電センサ及びその製造方法
JP5111071B2 (ja) 圧電センサ
US6316865B1 (en) Piezoelectric element
KR101578806B1 (ko) 배터리를 포함하는 플렉서블 압전 스피커
KR101467933B1 (ko) 피에조 파이버 컴포지트 구조체 및 이를 이용한 소자
US20120013223A1 (en) Micro electric generator, method of providing the same, and electric generating device
US6548939B2 (en) Piezoelectric bending transducer
KR20230010710A (ko) 압전 소자
KR101612456B1 (ko) 압전 파이버 컴포지트 구조체 및 이를 이용한 압전 스피커
KR102381748B1 (ko) 다층 가변 소자 및 이를 포함하는 표시 장치
US7105988B2 (en) Piezoelectric device and method to manufacture a piezoelectric device
KR101594432B1 (ko) 폴리이미드 유기 유전층을 포함한 정전기력 기반 작동기
US20040012308A1 (en) Piezo-electric bending transducer
US6313401B1 (en) Thermally stable actuator/sensor structure
KR20220076506A (ko) 압전 소자
JP6882096B2 (ja) 圧電型発電装置
KR101467934B1 (ko) 피에조 파이버 컴포지트 구조체 및 이를 이용한 소자
CN104538545A (zh) 一种基于铁弹畴变的大致动应变压电致动器
KR101577961B1 (ko) 압전 파이버 컴포지트 구조체
JP2010240628A (ja) 振動式搬送装置
JP5687278B2 (ja) 多層圧電アクチュエータ

Legal Events

Date Code Title Description
RD03 Notification of appointment of power of attorney

Free format text: JAPANESE INTERMEDIATE CODE: A7423

Effective date: 20140203

RD04 Notification of resignation of power of attorney

Free format text: JAPANESE INTERMEDIATE CODE: A7424

Effective date: 20140205

A621 Written request for application examination

Free format text: JAPANESE INTERMEDIATE CODE: A621

Effective date: 20140207

A131 Notification of reasons for refusal

Free format text: JAPANESE INTERMEDIATE CODE: A131

Effective date: 20150113

A977 Report on retrieval

Free format text: JAPANESE INTERMEDIATE CODE: A971007

Effective date: 20150115

A601 Written request for extension of time

Free format text: JAPANESE INTERMEDIATE CODE: A601

Effective date: 20150410

A601 Written request for extension of time

Free format text: JAPANESE INTERMEDIATE CODE: A601

Effective date: 20150612

A521 Request for written amendment filed

Free format text: JAPANESE INTERMEDIATE CODE: A523

Effective date: 20150713

A131 Notification of reasons for refusal

Free format text: JAPANESE INTERMEDIATE CODE: A131

Effective date: 20151020

A521 Request for written amendment filed

Free format text: JAPANESE INTERMEDIATE CODE: A523

Effective date: 20160105

TRDD Decision of grant or rejection written
A01 Written decision to grant a patent or to grant a registration (utility model)

Free format text: JAPANESE INTERMEDIATE CODE: A01

Effective date: 20160510

A61 First payment of annual fees (during grant procedure)

Free format text: JAPANESE INTERMEDIATE CODE: A61

Effective date: 20160608

R150 Certificate of patent or registration of utility model

Ref document number: 5954792

Country of ref document: JP

Free format text: JAPANESE INTERMEDIATE CODE: R150

LAPS Cancellation because of no payment of annual fees