JP4970447B2 - 付着された連結手段の動き程度を測定する装置 - Google Patents

付着された連結手段の動き程度を測定する装置 Download PDF

Info

Publication number
JP4970447B2
JP4970447B2 JP2008523801A JP2008523801A JP4970447B2 JP 4970447 B2 JP4970447 B2 JP 4970447B2 JP 2008523801 A JP2008523801 A JP 2008523801A JP 2008523801 A JP2008523801 A JP 2008523801A JP 4970447 B2 JP4970447 B2 JP 4970447B2
Authority
JP
Japan
Prior art keywords
connecting means
unit
measuring
tension
degree
Prior art date
Legal status (The legal status is an assumption and is not a legal conclusion. Google has not performed a legal analysis and makes no representation as to the accuracy of the status listed.)
Expired - Fee Related
Application number
JP2008523801A
Other languages
English (en)
Other versions
JP2009503494A (ja
Inventor
ナク−ジュ ド
ウォン−ピル ユ
ユ−チョル リ
ヒョ−サン アン
サン−イ ナ
Current Assignee (The listed assignees may be inaccurate. Google has not performed a legal analysis and makes no representation or warranty as to the accuracy of the list.)
Electronics and Telecommunications Research Institute ETRI
Original Assignee
Electronics and Telecommunications Research Institute ETRI
Priority date (The priority date is an assumption and is not a legal conclusion. Google has not performed a legal analysis and makes no representation as to the accuracy of the date listed.)
Filing date
Publication date
Application filed by Electronics and Telecommunications Research Institute ETRI filed Critical Electronics and Telecommunications Research Institute ETRI
Priority claimed from PCT/KR2006/002969 external-priority patent/WO2007013773A1/en
Publication of JP2009503494A publication Critical patent/JP2009503494A/ja
Application granted granted Critical
Publication of JP4970447B2 publication Critical patent/JP4970447B2/ja
Expired - Fee Related legal-status Critical Current
Anticipated expiration legal-status Critical

Links

Images

Classifications

    • GPHYSICS
    • G01MEASURING; TESTING
    • G01LMEASURING FORCE, STRESS, TORQUE, WORK, MECHANICAL POWER, MECHANICAL EFFICIENCY, OR FLUID PRESSURE
    • G01L5/00Apparatus for, or methods of, measuring force, work, mechanical power, or torque, specially adapted for specific purposes
    • G01L5/04Apparatus for, or methods of, measuring force, work, mechanical power, or torque, specially adapted for specific purposes for measuring tension in flexible members, e.g. ropes, cables, wires, threads, belts or bands
    • AHUMAN NECESSITIES
    • A63SPORTS; GAMES; AMUSEMENTS
    • A63HTOYS, e.g. TOPS, DOLLS, HOOPS OR BUILDING BLOCKS
    • A63H11/00Self-movable toy figures
    • GPHYSICS
    • G01MEASURING; TESTING
    • G01BMEASURING LENGTH, THICKNESS OR SIMILAR LINEAR DIMENSIONS; MEASURING ANGLES; MEASURING AREAS; MEASURING IRREGULARITIES OF SURFACES OR CONTOURS
    • G01B21/00Measuring arrangements or details thereof, where the measuring technique is not covered by the other groups of this subclass, unspecified or not relevant
    • G01B21/32Measuring arrangements or details thereof, where the measuring technique is not covered by the other groups of this subclass, unspecified or not relevant for measuring the deformation in a solid
    • GPHYSICS
    • G01MEASURING; TESTING
    • G01BMEASURING LENGTH, THICKNESS OR SIMILAR LINEAR DIMENSIONS; MEASURING ANGLES; MEASURING AREAS; MEASURING IRREGULARITIES OF SURFACES OR CONTOURS
    • G01B7/00Measuring arrangements characterised by the use of electric or magnetic techniques
    • G01B7/02Measuring arrangements characterised by the use of electric or magnetic techniques for measuring length, width or thickness
    • G01B7/04Measuring arrangements characterised by the use of electric or magnetic techniques for measuring length, width or thickness specially adapted for measuring length or width of objects while moving
    • AHUMAN NECESSITIES
    • A63SPORTS; GAMES; AMUSEMENTS
    • A63HTOYS, e.g. TOPS, DOLLS, HOOPS OR BUILDING BLOCKS
    • A63H17/00Toy vehicles, e.g. with self-drive; ; Cranes, winches or the like; Accessories therefor
    • A63H17/26Details; Accessories
    • A63H17/36Steering-mechanisms for toy vehicles
    • AHUMAN NECESSITIES
    • A63SPORTS; GAMES; AMUSEMENTS
    • A63HTOYS, e.g. TOPS, DOLLS, HOOPS OR BUILDING BLOCKS
    • A63H2200/00Computerized interactive toys, e.g. dolls

Landscapes

  • Physics & Mathematics (AREA)
  • General Physics & Mathematics (AREA)
  • A Measuring Device Byusing Mechanical Method (AREA)
  • Force Measurement Appropriate To Specific Purposes (AREA)
  • Manipulator (AREA)
  • Length Measuring Devices With Unspecified Measuring Means (AREA)

Description

本発明は、自動制御に係り、付着された連結手段の引っ張られた程度(張力;tension)、方向及び長さを測定できる装置に関する。
自動機器、例えば愛玩用子犬ロボットのような装置は、だんだんと多く、さらに多様に紹介されている。ところで、愛玩用子犬ロボットは、それ自身の周辺の状況に合うように動くけれども、かなり限定された動作だけを提供する。例えば、生きている子犬と散歩するような動作のためには、ユーザが移動しようとする方向、速度などをロボットが知らなければならない。ところで、そのようなことは、まだ容易に知りうるところではない。したがって、ユーザが子犬のつなぎひものような手段を使用して、ロボット子犬と共に散歩をするようなことは、現在はまだ不可能である。
本発明が解決しょうとする技術的な課題は、前記の問題点を解決するために、装置に付着されたロープ、あるいはケーブルなどの連結手段の引っ張られた程度、動きの方向及び長さを測定できる装置を提供することにある。
前記技術的課題を達成するための本発明による、付着された連結手段の動き程度を測定する装置の一実施形態は、一端が装置の内部に連結されており、他端が前記装置の一側面を介して外部に位置する連結手段と、前記連結手段の前記装置外部への引出し長さを測定する長さ検出部とを備える。
前記技術的課題を達成するための本発明による、付着された連結手段の動き程度を測定する装置の他の実施形態は、一端が装置の内部に連結されており、他端が前記装置の一側面を介して外部に位置する連結手段と、前記連結手段に加えられる外部張力により、前記張力方向に実質的に直交する平面空間で、前記連結手段が上下あるいは左右に移動する程度を感知し、前記連結手段が引っ張られる方向を測定する方向検出部とをさらに備える。
前記技術的課題を達成するための本発明による、付着された連結手段の動き程度を測定する装置の他の実施形態は、一端が装置の内部に連結されており、他端が前記装置の一側面を介して外部に位置する連結手段と、前記連結手段の他端が前記装置からより引き離されるときに発生する微小変化を感知し、前記連結手段に加えられた張力を検出する張力検出部とをさらに備える。
前記技術的課題を解決するための本発明による、付着された連結手段の動き程度を測定する装置の他の実施形態は、一端が装置の内部に連結されており、他端が前記装置の一側面を介して外部に位置する連結手段と、前記連結手段の他端が前記装置から引き離されるときに発生する微小変化を感知し、前記連結手段に加えられた張力を検出する張力検出部と、前記張力により連結手段が前記張力方向に実質的に直交する平面空間で、前記連結手段が上下あるいは左右に移動する程度を感知し、前記連結手段が引っ張られる方向を測定する方向検出部と、前記引っ張られた連結手段の、前記装置からの引出し長さを測定する長さ検出部とを備えることを特徴とする。
本発明によれば、一端は装置の内部に連結されており、他端が前記装置一側面を介して外部に位置する連結手段、連結手段の他端が装置から引き離されるときに発生する微小変化を感知して連結手段に加えられた張力を検出する張力検出部、張力により連結手段が、張力方向に実質的に直交する平面空間で、連結手段が上下あるいは左右に移動する程度を感知して連結手段が引っ張られる方向を測定する方向検出部、及び引っ張られた連結手段の装置から引出し長さを測定する長さ検出部を備え、ケーブルなどの連結手段を引っ張ると、そのケーブルに連結された装置が、引っ張られた状態についての情報を提供する。その結果、本発明が付着されたロボット子犬のような装置を、ケーブルを手に取って散歩を行った場合に、この装置は、そのケーブルを引っ張る状態についての情報を提供してユーザの意向をロボット子犬に知らせ、犬ロボットがユーザの意向に従ってユーザについて行くことができるようになる。したがって、検出装置がユーザの意向についての情報を提供するので、犬ロボットなどの自動的に動くことが可能な装置は、検出器を使用することによって、便利に、使用することができる。
以下、添付された図面を参照しつつ、本発明の望ましい一実施形態について詳細に説明する。
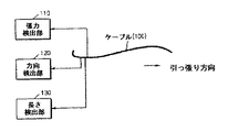
図1は、本発明による付着された連結手段の引っ張られた程度、動き方向及び長さを測定できる装置の構成を概念的に示した図面である。以下において、連結手段として、柔軟な構造のケーブルの例を挙げて説明を進める。しかしながら、このケーブルの例は、連結手段の一例であって連結手段を限定するものではない。
この装置は、一端が装置の内部に連結されており、前記装置一側面の、例えば貫通された部分を通って外部に、その他端が位置するケーブル100、ケーブル100の他端が装置から引き離されるときに発生する微小変化を感知し、ケーブル100に加えられた張力を検出する張力検出部110、ケーブル100に加えられた前記張力方向に実質的に直交する平面空間で、ケーブル100が上下あるいは左右に移動する程度を感知し、ケーブル100が引っ張られる方向を測定する方向検出部120、及び引っ張られたケーブル100の、装置からの引出し長さを測定する長さ検出部130を備える。
図1は、概念的な構成であり、装置全体に係る実際の組立図面については後述する。
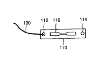
図2は、本発明の実施形態による検出装置の連結手段の例としてのケーブル100を示した図面である。このケーブル100は、柔軟な素材で構成することができる。
上述したように、ケーブル100の一端は、本発明による装置の内部に連結され、これについて、図2に示される実施形態では、本発明による張力検出部110に接続される。ケーブル100の他端は、ユーザが容易にケーブル100を引くことができるようにグリップ102として提供され、その結果、グリップ102を使って、検出装置を動かすことができる。
後述するが、張力検出部110が付着されたケーブル100の端部は、自動的にケーブル100が巻き取られる、リールあるいはローラに付着される。
ユーザが全くケーブル100を引っ張らない状態、すなわちケーブルが最大限巻き取られている場合、実質的にケーブル100には張力が無く、ケーブルは正常長ということができる。ケーブル100がユーザの引っ張りによって正常長より短く巻き取られている場合、巻き取り機能により、ユーザは、一定レベルの張力を感じるようになる。本発明による装置は、このように引っ張ったケーブルに加えられる張力、張力が加えられたケーブルの移動方向及び引っ張られたケーブルを自動的に検出する。
ユーザがこのケーブル100を放すとば、巻き取り機能によりケーブル100は、正常長に回復される。
図3は、本発明による張力検出部110がケーブル100に連結された様子を示した図面である。この張力検出部は、ケーブル100と連結されるケーブル連結部(112)、ねじのような結合手段を使用し、装置内部の巻き取り手段であるリールと連結され、ケーブル100を装置内部に連結する結着部114、及びケーブル100が引っ張られるときに、前記の巻き取り手段により、ケーブルに印加される張力によって張力検出部に発生する長さの変化量により、前記張力を測定する張力測定部を備える。
張力測定部116は、ストレイン・ゲージ(strain gauge)を備えることが望ましい。
ストレイン・ゲージは、伸び計(extensometer)とも呼ばれ、固体が変形されとき、固体内の二点間に生じる距離の変化量あるいは変形率を測定する計器である。
ストレイン・ゲージは、機械式、光学式、抵抗式、音響的方式などを使用して多様に具現でき、これについては、本発明の属する技術分野の当業者ならば、容易に習得できることであるから、別途の説明を省略する。
ユーザがケーブルを引っ張ると、それによって発生する張力がストレイン・ゲージを介して測定される。
方向検出部120は、ケーブルの移動方向を測定するものであり、受動型方向検出部または能動型方向検出部に大別される。以下、図4Aないし図4Dを参照しつつ、方向検出部について説明する。
図4A及び図4は、本発明による受動型方向検出部の様子を上から、そして横からそれぞれ見た様子を示した図面である。
図4Aを参照すると、受動型方向検出部120は、貫通されたケーブル100を張力によって移動させる空間を提供する移動部122、そして移動部122と連結され、移動部122でのケーブルの移動程度によって抵抗値が変化する可変抵抗部124、及び可変抵抗部124の抵抗値を利用してケーブル100が引っ張られた方向を測定する判定部(図示せず)を備える。
図4を参照すれば、図4の矢印方向に回転可能な形態を有する方向検出部部品120は、ケーブルが通過する移動部122、ケーブルの移動による回転程度を検出するための可変抵抗部124、そして回転される方向検出部部品120の回転軸を提供し、本体に固定するためのねじ溝126から構成される。判定部は、図面に別途に表示されていない状態である。
図4Cは、本発明による能動型方向検出部の一部品を図示した図面である。
図4を参照すれば、能動型方向検出部は、図4A及び図4に図示された受動型方向検出部120の可変抵抗部124を、モータ127及び該モータ127の回転角を測定できるエンコーダ129に代替して構成される。モータ127は、図4に図示された回転方向と反対方向に回転することによって、ケーブルに張力を加える。そして、エンコーダ129は、モータ127の回転角を測定することによって、現在のケーブルの動き方向を検出できる。
モータ127によりケーブルに加えられた張力は、ケーブルの一端を保持するユーザに伝えられる。もしロボットが行けない方向にユーザが操作命令を与えれば、ロボットは、能動型方向検出部を介してケーブルに張力を加えることによって、ユーザに行くことができないという意思表示を行うことができる。かような意思表示を介してユーザは、ロボットからロボットの状況が分かるので、心理的安定感及び操作便宜度が向上する。
図4Dは、方向検出部を構成する部品の完成された例を写真で示しているものである。
図5は、方向検出部2個を結合し、X軸及びY軸の移動方向を把握できる方向検出部を図示した図面である。
図5を参照すれば、図4Aないし図4Cに図示された方向検出部2個を互いに直角をなすようにし、移動部122の中心が一致するように重ねておけば、X軸、Y軸の移動方向をいずれも把握できる方向検出部が構成される。このとき、2つの溝の中心を原点O(128)とすることができる。ケーブルは、移動部の交差部を通る。
図4A及び図4に図示された受動型方向検出部を利用し、図5の方向検出部を構成する場合、いずれか1つの方向検出部に連結された可変抵抗は、X軸に該当する可変抵抗になって、他の方向検出部に連結された可変抵抗は、Y軸に該当する可変抵抗になる。同様に、図4に図示された能動型方向検出部を利用し、図5の方向検出部を構成する場合には、各能動型方向検出部は、X軸及びY軸に該当する。

図6は、ケーブルが原点Oに対して、y軸方向に下に移動した場合の方向検出部の変更された様子を示した図面である。
このとき、可変抵抗部は、移動部の移動方向のX軸成分によって抵抗値が変化する水平可変抵抗部、及び移動部の移動方向のY軸成分によって抵抗値が変化する垂直可変抵抗部を備え、判定部は、水平可変抵抗部及び垂直可変抵抗部の抵抗値を利用し、ケーブルが引っ張られた方向を測定することが望ましい。
すなわち、ケーブルの移動によって方向検出部の重なった移動部が動き、動いた方向のX軸成分及びY軸成分は、それぞれ対応する可変抵抗により測定され、判定部は、このようにケーブル移動の水平及び垂直の成分による抵抗値を測定し、ケーブルの引っ張られた方向を測定する。
図7Aは、本発明による受動型長さ検出部構成の例を示した図面である。
ケーブル100の一端が、取付穴133に装着された張力検出部110に連結され、ケーブルが回転リール131に巻き取られる。長さ検出部は、回転リール131、及びケーブル100が引っ張られるときにリール131の回転程度を測定し、前記ケーブルが引き出されてきた長さを測定する回転測定部を備える。回転測定部は、次のような要素の結合により構成される。
回転測定部は、回転リール131の穴132に付着された回転軸134に連結され、回転リール131の回転に対応して回転する1次ギア135及び2次ギア136、2次ギアに軸137を介して連結され、ギア137の回転によってその抵抗値が変わる可変抵抗部138、及び可変抵抗部138の抵抗値を利用して求めたギアの回転程度によってケーブル100が引き出されてきた長さを測定する引き出し長さ測定部を備える。引き出し長さ測定部は、図面に別途に表示されていない。
ケーブル100が引っ張られると、回転リール131は矢印方向に回転する。この回転は、軸を介して1次ギア135に伝えられる。1次ギアの回転によって2次ギアに伝えられた回転によって、可変抵抗138の抵抗値は変わり、引き出し長さ測定部は、この可変抵抗の平常時の抵抗値をあらかじめ知っておき、この平常時抵抗値と変更された抵抗値との差によって、ケーブルの引っ張り力により引き出された長さを決定できる。
ギア135,136は、回転リール132の回転可能角度と可変抵抗138の可変領域とを調和させるために使われ、ギア間のギア比は、回転リール132と可変抵抗138との特性によって決定されうる。
回転が小さな場合には、ギアを一つだけ使用し、そのギアに可変抵抗を連結することができ、図7Aに図示されたように回転が多い場合には、可変抵抗138に伝えられる回転数を調節するために、2個のギアを使用して具現できる。
図7Bは、本発明による能動型長さ検出部構成の一部品の例を図示した図面である。
能動型長さ検出部は、図7Aに図示された受動型長さ検出部の可変抵抗138を、モータ139−1、及びモータ139−1の回転角を測定できるエンコーダ139−2に代替して構成される。モータ139−1は、回転することによってケーブルを巻き取ったり、レリースしたりすることができる。エンコーダ139−2を使用して、モータ139−1の回転角を測定することによって、現在ケーブルが引き出されてきた長さを測定できる。
モータ139−1の回転により、1次ギア及び2次ギアを介して回転リールに力が加えられ、回転リールに加えられ力はケーブルに伝達される。このように、ケーブルに加えられた張力は、ケーブルの一端を保持しているユーザに伝えられる。ロボットが行けない方向にユーザが操作命令を与えると、ロボットは、能動型長さ検出部を介してケーブルに張力を加えることによって、ユーザに行くことができないという意思表示を行うことができる。かような意思表示を介してユーザは、ロボットの状況が分かるので、心理的安定感及び操作便宜度が向上する。
図8Aと図8Bは、それぞれ回転リール131の外観を上から、そして横から見た様子を詳細に示した図面である。
図9は、本発明による付着されたケーブルの引っ張られた程度、動き方向及び長さを測定できる装置が組み立てられる外郭筒の断面の例を示した図面である。
この外郭筒は、本体141、コイルスプリング143を備えて回転リール131が装着される回転部142、及びケーブル100が貫通する、方向検出部120が位置する開口部144を備える。その内部は、前述の本発明によるあらゆる部品が装着されうる空間を提供する。
回転リール131は、コイルスプリング143と連結され、これにより、ケーブルが引っ張られた後に、その引張力が消える場合に自動的にケーブルが巻き取られる手段を提供し、ケーブル巻き取り軸の機能を提供する。
図10は、本発明による付着されたケーブルの引っ張られた程度、動き方向及び長さを測定できる装置が組み立てられている様子の例を示した図面である。
図10の参照番号は、ケーブル100、張力検出部110、方向検出部120、長さ検出部130及び外郭筒の本体141のみを明示し、各構成部の細部要素に対する参照番号は、記載していない。しかし、図2ないし図9の参照番号が図10にもそのまま適用されうることは、いうまでもない。
方向検出部120は、例えば半球のような形状で、半球の最も深い部分にケーブルが貫通する形状を有し、ケーブルが張力を受けて移動すると、それによって半球も動き、その動きによって、ケーブルが引っ張られた方向を測定するようにすることも可能である。もちろん、このとき、方向検出部120の半球の直径は、図9の開口部144の直径よりは大きくなければならない。
特に図面には正確に明示されていないが、方向検出部120は、図5のような形状に構成され、図10には、その形状を横から見た様子だけを示した図面である。そして、方向検出部が外郭筒の本体141に固定される部分は、垂直に装着された方向検出部120だけ表示されており、水平に装着された部分は、表示されていない。
ケーブルが引っ張られると、それによって回転リールが回転しつつ、ケーブルは、その長さが延びる。このとき、ケーブルに加えられる張力は、張力検出部110により検出される。引っ張られるケーブルが張力に垂直方向の平面空間で、上下、左右に移動するのは、方向検出部120により感知されてケーブルが引っ張られる方向が検出される。及び、ケーブルが引っ張られることによって回転される回転リールの回転程度を感知する長さ検出部130により、ケーブルが引っ張られた、すなわち延びた長さが検出される。
本発明による装置は、車輪(wheels)あるいは足のような移動手段を使用して動くことができる移動型装置に付着することができる。ユーザが本発明による装置が装着されたロボットのような装置に連結された本発明によるケーブルのグリップ102(図2)を引っ張れば、本発明による動作により、ケーブルの張力、引っ張られた方向及び引いた長さが自動的に測定される。この結果はロボットに伝えられ、ユーザがそのロボットを引いていこうとする方向と速度とを把握し、ロボットがそれによって自ら走行して移動できる。例えば、ユーザが速度を速くすると、それによって張力と延びたケーブルの長さとがさらに大きくなるので、ロボットは、人の移動速度による速度を把握できるのである。
他の例として、本発明による装置を子犬ロボットに付着する場合、愛玩用子犬と散歩をするように、ロボット子犬に対して首に装着されたケーブルを引っ張りつつ散歩を行えるのである。
さらに他の例として、移動可能な機能を備えている道具箱に、本発明による装置を付着し、道具箱に付着されたケーブルを引っ張れば、その引っ張りによって重い道具の入っている道具箱がユーザの引っ張る程度に合わせて移動することができる手段も提供できる。すなわち、ユーザが自身の力で道具筒を引っ張らなくとも、軽く引っ張る程度で重い運搬手段を制御できるようにする。
本発明が属する技術分野で当業者は、本発明が本発明の本質的な特性から外れない範囲で変形された形態で具現できるということを理解することができるであろう。したがって、開示された本実施形態は、限定的な観点でなくして説明的な観点で考慮されねばならない。前記の説明に含まれた例は、本発明に対する理解のために導入されたものであり、その例は、本発明の思想と範囲とを限定するものではない。前記の例は、それら以外にも本発明による多様な実施形態が可能であるということは、本発明の属する技術分野の当業者には自明なことである。本発明の範囲は、前述の説明ではなくして特許請求の範囲に示されており、それと同等な範囲内にあるあらゆる差異点は、本発明に含まれると解釈されるものである。
本発明による付着された連結手段の引っ張られた程度、方向及び長さを測定できる装置の構成を概念的に示した図面である。 本発明による連結手段の例としてケーブルを示した図面である。 本発明による張力検出部がケーブルに連結された様子を示した図面である。 本発明による方向検出部の部品段階での様子を上から見た様子を示した図面である。 本発明による方向検出部の部品段階での様子を横から見た様子を示した図面である。 能動型検出部の部品を示す図である。 方向検出部を構成する部品の完成された例を写真で示したイメージである。 方向検出部部品2個が方向検出部として組み立てられた様子を示した図面である。 ケーブルが原点Oに対して、y軸方向に下に移動した場合の方向検出部の変更された様子を示した図面である。 本発明による受動型長さ検出部構成の例を示した図面である 本発明による能動型長さ検出部構成の一部品の例を図示した図面である。 回転リールの外観を上から見た様子を詳細に示した図面である。 回転リールの外観を横から見た様子を詳細に示した図面である。 本発明による付着されたケーブルの引っ張られた程度、動き方向及び長さを測定できる装置が組み立てられる外郭筒の断面の例を示した図面である。 本発明による付着されたケーブルの引っ張られた程度、動き方向及び長さを測定できる装置が組み立てられている様子の例を示した図面である。

Claims (12)

  1. 一端は装置の内部に連結されており、他端は前記装置の一側面を介して外部に位置する連結手段と、
    前記連結手段の前記装置外部への引出し長さを測定する長さ検出部と
    を備え
    前記長さ検出部は、
    前記連結手段の一端が連結され、前記連結手段を巻き取る回転リールと、
    前記連結手段が引っ張られるときに、前記リールが回転する程度を測定し、前記連結手段が引き出されてきた長さを測定する回転測定部と
    を備え、
    前記回転測定部は、
    前記回転リールに連結され、前記回転リールの回転に対応して回転するギアと、
    前記ギアに連結され、前記ギアの回転によってその抵抗値が変わる可変抵抗部と、
    前記可変抵抗部の抵抗値を利用して求めたギアの回転程度により、前記連結手段が引き出されてきた長さを測定する引き出し長さ測定部と
    を備えることを特徴とする付着された連結手段の動き程度を測定する装置。
  2. 前記回転測定部は、
    前記回転リールに連結され、前記回転リールの回転に対応して回転するギアと、
    前記ギアに連結され、前記ギアを回転させるモータと、
    前記モータの回転角を測定することにより、前記連結手段が引き出されてきた長さを測定するエンコーダと
    を備えることを特徴とする請求項に記載の付着された連結手段の動き程度を測定する装置。
  3. 前記連結手段に加えられる外部張力により、張力方向に実質的に直交する平面空間で、前記連結手段が上下あるいは左右に移動する程度を感知し、前記連結手段が引っ張られる方向を測定する方向検出部とをさらに備えることを特徴とする請求項1に記載の付着された連結手段の動き程度を測定する装置。
  4. 前記連結手段の他端が前記装置外部に引っ張り出されるときに発生する微小変化を感知し、前記連結手段に加えられた張力を検出する張力検出部をさらに備えることを特徴とする請求項1に記載の付着された連結手段の動き程度を測定する装置。
  5. 一端は装置の内部に連結されており、他端は前記装置の一側面を介して外部に位置する連結手段と、
    前記連結手段に加えられる外部張力により、張力方向に実質的に直交する平面空間で、前記連結手段が上下あるいは左右に移動する程度を感知し、前記連結手段が引っ張られる方向を測定する方向検出部と
    を備えることを特徴とする付着された連結手段の動き程度を測定する装置。
  6. 前記方向検出部は、
    前記連結手段を装置の内部から外部に貫通させ、貫通された前記連結手段を前記張力によって移動させる空間を提供する移動部と、
    前記移動部と連結され、前記移動部での前記連結手段の移動程度によって抵抗値が変化する可変抵抗部と、
    前記可変抵抗部の抵抗値を利用し、前記連結手段が引っ張られた方向を測定する判定部と
    を備えることを特徴とする請求項に記載の付着された連結手段の動き程度を測定する装置。
  7. 前記可変抵抗部は、
    前記移動部の移動方向のX軸成分によって抵抗値が変化する水平可変抵抗部と、
    前記移動部の移動方向のY軸成分によって抵抗値が変化する垂直可変抵抗部とを備え、
    前記判定部は、前記水平可変抵抗部及び垂直可変抵抗部の抵抗値を利用して連結手段が引っ張られた方向を測定することを特徴とする付着された請求項に記載の連結手段の動き程度を測定する装置。
  8. 前記連結手段を装置の内部から外部に貫通させ、貫通された前記連結手段を前記張力によって移動させる空間を提供する移動部と、
    前記移動部で移動する前記連結手段に力を加えるモータと、
    前記モータの回転角を測定し、前記連結手段が引っ張られた方向を測定するエンコーダと
    を備えることを特徴とする請求項に記載の付着された連結手段の動き程度を測定する装置。
  9. 前記連結手段の他端が前記装置外部に引っ張り出されるときに発生する微小変化を感知し、前記連結手段に加えられた張力を検出する張力検出部をさらに備えることを特徴とする請求項に記載の付着された連結手段の動き程度を測定する装置。
  10. 一端は装置の内部に連結されており、他端は前記装置の一側面を介して外部に位置する連結手段と、
    前記連結手段の他端が前記装置外部に引っ張り出されるときに発生する微小変化を感知し、前記連結手段に加えられた張力を検出する張力検出部と
    を備え
    前記連結手段が所定の巻き取り手段を介して装置内部に連結されるときに、前記張力検出部は、
    前記連結手段と連結される連結手段連結部と、
    前記巻き取り手段と連結される結着部と、
    前記連結手段が引っ張られるときに、前記巻き取り手段により前記連結手段に加えられた張力によって前記張力検出部に発生する長さの変化量により、前記張力を測定する張力測定部と
    を備えることを特徴とする付着された連結手段の動き程度を測定する装置。
  11. 前記張力測定部は、ストレイン・ゲージを備えることを特徴とする請求項10に記載の付着された連結手段の動き程度を測定する装置。
  12. 一端は装置の内部に連結されており、他端は前記装置の一側面を介して外部に位置する連結手段と、
    前記連結手段の他端が前記装置外部に引っ張り出されるときに発生する微小変化を感知し、前記連結手段に加えられた張力を検出する張力検出部と、
    前記張力により前記連結手段が前記張力方向に実質的に直交する平面空間で、前記連結手段が上下あるいは左右に移動する程度を感知し、前記連結手段が引っ張られる方向を測定する方向検出部と、
    前記引っ張られた連結手段の前記装置外部への引出し長さを測定する長さ検出部と
    を備えることを特徴とする付着された連結手段の動き程度を測定する装置。
JP2008523801A 2005-07-29 2006-07-28 付着された連結手段の動き程度を測定する装置 Expired - Fee Related JP4970447B2 (ja)

Applications Claiming Priority (3)

Application Number Priority Date Filing Date Title
KR10-2005-0069804 2005-07-29
KR20050069804 2005-07-29
PCT/KR2006/002969 WO2007013773A1 (en) 2005-07-29 2006-07-28 Apparatus for detecting the movement of its embedded attaching means

Publications (2)

Publication Number Publication Date
JP2009503494A JP2009503494A (ja) 2009-01-29
JP4970447B2 true JP4970447B2 (ja) 2012-07-04

Family

ID=37683622

Family Applications (1)

Application Number Title Priority Date Filing Date
JP2008523801A Expired - Fee Related JP4970447B2 (ja) 2005-07-29 2006-07-28 付着された連結手段の動き程度を測定する装置

Country Status (4)

Country Link
US (1) US7681464B2 (ja)
EP (2) EP2713149A1 (ja)
JP (1) JP4970447B2 (ja)
KR (1) KR100799573B1 (ja)

Families Citing this family (9)

* Cited by examiner, † Cited by third party
Publication number Priority date Publication date Assignee Title
JP2009012148A (ja) * 2007-07-09 2009-01-22 Noriko Mitsuhayashi ペット型ロボット
US8631696B2 (en) * 2008-08-12 2014-01-21 Enraf, B.V. Apparatus and method for monitoring tanks in an inventory management system
US9336074B2 (en) 2013-07-26 2016-05-10 Honeywell International Inc. Apparatus and method for detecting a fault with a clock source
KR101582732B1 (ko) 2014-02-05 2016-01-06 한국교통대학교산학협력단 반려동물 건강케어 기기
KR101673146B1 (ko) * 2015-03-30 2016-11-07 한국기계연구원 운동기구 장력 측정기
US11045174B2 (en) 2015-09-25 2021-06-29 Covidien Lp Patient movement sensor
CN107831679B (zh) * 2017-11-09 2021-01-01 深圳市终极进化科技有限公司 一种四足仿生机器人的人性化控制系统及其控制方法
US11454974B2 (en) * 2020-06-29 2022-09-27 Baidu Usa Llc Method, apparatus, device, and storage medium for controlling guide robot
CN116678276B (zh) * 2023-08-04 2023-10-10 滨州高新高端装备制造产业园有限公司 一种园区建设施工测量装置

Family Cites Families (13)

* Cited by examiner, † Cited by third party
Publication number Priority date Publication date Assignee Title
US3381527A (en) * 1965-11-18 1968-05-07 Nasa Usa Tension measurement device
US3780440A (en) * 1971-07-21 1973-12-25 Ideal Aerosmith Inc Measuring instrument
US3812589A (en) * 1972-05-25 1974-05-28 Dillon W & Co Inc Boom length indicator
JPS5225114B2 (ja) * 1972-08-14 1977-07-05
US4058010A (en) * 1976-04-06 1977-11-15 Approach Fish Airport wind shear monitoring method and apparatus
US4139197A (en) * 1978-01-06 1979-02-13 Windall Owen D Practice device for hitting a ball
JPS61245213A (ja) 1985-04-23 1986-10-31 Kajima Corp 自走式ロボツト
JPH01281262A (ja) * 1988-05-02 1989-11-13 Kumagai Gumi Co Ltd ケーブルの巻取及び巻戻し制御方法並びにその装置
JPH0659733A (ja) * 1991-09-04 1994-03-04 Nec Home Electron Ltd 自律走行ロボット及びその電源コード搬送方法
JPH07248723A (ja) * 1994-03-08 1995-09-26 Kochi Pref Gov 魚釣りシミュレーター
US5551545A (en) * 1994-03-18 1996-09-03 Gelfman; Stanley Automatic deployment and retrieval tethering system
SE504846C2 (sv) 1994-09-28 1997-05-12 Jan G Faeger Styrutrustning med ett rörligt styrorgan
JP4032793B2 (ja) 2002-03-27 2008-01-16 ソニー株式会社 充電システム及び充電制御方法、ロボット装置、及び充電制御プログラム及び記録媒体

Also Published As

Publication number Publication date
KR20070015033A (ko) 2007-02-01
US7681464B2 (en) 2010-03-23
US20090031823A1 (en) 2009-02-05
KR100799573B1 (ko) 2008-01-31
EP2713149A1 (en) 2014-04-02
JP2009503494A (ja) 2009-01-29
EP2713150A1 (en) 2014-04-02

Similar Documents

Publication Publication Date Title
JP4970447B2 (ja) 付着された連結手段の動き程度を測定する装置
JP6496369B2 (ja) 長さ測定装置
JP6310392B2 (ja) 建築物開口被覆アセンブリを制御する方法および装置
JP5275465B2 (ja) 電源コードの繰り出し及び格納
JP7112306B2 (ja) 魚釣用リール
US20140131502A1 (en) Single Pull Rope Driving Device with a Positioning Effect for a Window Curtain
CN116439208A (zh) 钓鱼用系统
US20140350437A1 (en) Position sensor, sensor arrangement and rehabilitation device
JP6714754B2 (ja) 長さ測定装置およびその制御方法
IT9048139A1 (it) Metodo e dispositivo di avvolgimento di rocche.
JP7497496B2 (ja) 魚釣用リール
KR101934081B1 (ko) 길이 측정 장치
GB2373039A (en) A transducer for detecting the position of a mobile unit
KR102080071B1 (ko) 길이 측정 장치 및 그 제어 방법
JP7463255B2 (ja) 魚釣用リール及び制動装置
JP2015000523A (ja) 環状同芯撚りコードの製造装置およびそれに用いるカセット
KR102453790B1 (ko) 낚싯대 및 스크린 낚시 시스템
KR102099098B1 (ko) 길이 측정 장치 및 그 제어 방법
KR20200136226A (ko) 드럼 작동유닛, 훈련용 속도측정장치 및 이를 이용한 훈련정보 제공방법
JPH05296757A (ja) 座標検出装置
JPH026255Y2 (ja)
JP7261439B2 (ja) 配管測定システム、配管測定装置、情報処理装置およびプログラム
KR102136709B1 (ko) 모터 토크 측정 시스템
JPS62148176A (ja) 遠隔操作撮像装置
JPS641530Y2 (ja)

Legal Events

Date Code Title Description
A131 Notification of reasons for refusal

Free format text: JAPANESE INTERMEDIATE CODE: A131

Effective date: 20110218

A601 Written request for extension of time

Free format text: JAPANESE INTERMEDIATE CODE: A601

Effective date: 20110518

A602 Written permission of extension of time

Free format text: JAPANESE INTERMEDIATE CODE: A602

Effective date: 20110525

A521 Request for written amendment filed

Free format text: JAPANESE INTERMEDIATE CODE: A523

Effective date: 20110620

TRDD Decision of grant or rejection written
A01 Written decision to grant a patent or to grant a registration (utility model)

Free format text: JAPANESE INTERMEDIATE CODE: A01

Effective date: 20120327

A01 Written decision to grant a patent or to grant a registration (utility model)

Free format text: JAPANESE INTERMEDIATE CODE: A01

A61 First payment of annual fees (during grant procedure)

Free format text: JAPANESE INTERMEDIATE CODE: A61

Effective date: 20120404

FPAY Renewal fee payment (event date is renewal date of database)

Free format text: PAYMENT UNTIL: 20150413

Year of fee payment: 3

R150 Certificate of patent or registration of utility model

Free format text: JAPANESE INTERMEDIATE CODE: R150

Ref document number: 4970447

Country of ref document: JP

Free format text: JAPANESE INTERMEDIATE CODE: R150

R250 Receipt of annual fees

Free format text: JAPANESE INTERMEDIATE CODE: R250

R250 Receipt of annual fees

Free format text: JAPANESE INTERMEDIATE CODE: R250

R250 Receipt of annual fees

Free format text: JAPANESE INTERMEDIATE CODE: R250

R250 Receipt of annual fees

Free format text: JAPANESE INTERMEDIATE CODE: R250

LAPS Cancellation because of no payment of annual fees