JP4557166B2 - 粘着テープの製造方法及び製造装置 - Google Patents

粘着テープの製造方法及び製造装置 Download PDF

Info

Publication number
JP4557166B2
JP4557166B2 JP2005223489A JP2005223489A JP4557166B2 JP 4557166 B2 JP4557166 B2 JP 4557166B2 JP 2005223489 A JP2005223489 A JP 2005223489A JP 2005223489 A JP2005223489 A JP 2005223489A JP 4557166 B2 JP4557166 B2 JP 4557166B2
Authority
JP
Japan
Prior art keywords
pressure
sensitive adhesive
adhesive composition
release film
adhesive tape
Prior art date
Legal status (The legal status is an assumption and is not a legal conclusion. Google has not performed a legal analysis and makes no representation as to the accuracy of the status listed.)
Expired - Lifetime
Application number
JP2005223489A
Other languages
English (en)
Other versions
JP2005320553A (ja
Inventor
和紀 東
登 荒木
Current Assignee (The listed assignees may be inaccurate. Google has not performed a legal analysis and makes no representation or warranty as to the accuracy of the list.)
Dexerials Corp
Original Assignee
Sony Chemical and Information Device Corp
Priority date (The priority date is an assumption and is not a legal conclusion. Google has not performed a legal analysis and makes no representation as to the accuracy of the date listed.)
Filing date
Publication date
Application filed by Sony Chemical and Information Device Corp filed Critical Sony Chemical and Information Device Corp
Priority to JP2005223489A priority Critical patent/JP4557166B2/ja
Publication of JP2005320553A publication Critical patent/JP2005320553A/ja
Application granted granted Critical
Publication of JP4557166B2 publication Critical patent/JP4557166B2/ja
Anticipated expiration legal-status Critical
Expired - Lifetime legal-status Critical Current

Links

Images

Landscapes

  • Adhesive Tapes (AREA)
  • Adhesives Or Adhesive Processes (AREA)

Description

本発明は、粘着剤層の厚みのばらつきのない粘着テープを製造する方法に関する。
従来より、図1に示すような、剥離処理された基材フィルム3及び5(以下、単に剥離フィルム)の間に粘着剤層4を挟持した構造の両面粘着テープ1aが広く知られている。このような粘着剤層4は、アクリルモノマーを主成分とする粘着剤組成物を剥離フィルム3上に層状に塗布し、その塗布膜に紫外線、電子線等のエネルギー線を照射して重合反応させることにより形成されている。
図1の両面粘着テープ1aは、図2のような基材フィルム6の両面に粘着剤層4が形成された両面粘着テープ1bと区別する観点から、“ノンサポート型粘着テープ”と呼ばれることがある。
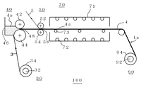
上記の粘着テープ1aは、図8のような製造装置100により製造することができる。ここで、塗布装置100は、粘着剤組成物を塗布する塗布部40とエネルギー線として紫外線を照射する照射部70とを有し、更に、剥離フィルム3を供給する巻出し部30、剥離フィルム5を積層する積層部50及び粘着剤層4が形成された粘着テープ1aを巻き取る巻取り部90とを有している。
塗布装置100を使って、図1の粘着テープ1aの製造工程を説明する。
まず、巻出し部30の巻出し軸32に装着された剥離フィルム3のウエブ34から剥離フィルム3が、塗布部40まで引き出される。
塗布部40は、上面ロール42と下面ロール44とが一対に配置され、下面ロール44には粘着剤組成物4aを供給するためのダム46が付設されている。
上面ロール42と下面ロール44の間には所定の間隙48が形成され、剥離フィルム3が前記間隙48を通過する際に、粘着剤組成物4aが剥離フィルム3上に塗布されるしくみとなっている。
次に、剥離フィルム5が、剥離フィルムウエブ(図示せず)から引き出され、粘着剤組成物4a上に載置され、積層部50の一対に配置された上面ロール52と下面ロール54との隙間58を通過する際に、粘着剤組成物4a上に剥離フィルム5が積層される。
粘着剤組成物4aと剥離フィルム5が積層された剥離フィルム3は、紫外線を照射する照射部70に搬送される。ここで、照射部70には、金属製の照射室71中に剥離フィルムの移動を支持する支持ローラ73と、エネルギー線として紫外線を照射する光源ランプ72とが配備されている。照射室71内に搬送された剥離フィルム3上の粘着剤組成物4aは、上記光源ランプ72から紫外線が照射され、それにより重合反応を開始し、重合反応終了後に粘着剤層4となる。
なお、光源ランプ72の紫外線の強度は、粘着剤組成物4aが照射室71を通過する間に重合反応がほぼ完了するように設定されている。
次に、粘着剤層4が形成された剥離フィルム3は照射部70から搬出され、巻取り部90の巻取り軸92により巻き取られ粘着テープウエブ94となる。つぎに、このウエブ94を所定の大きさに裁断することにより、目的の粘着テープ1aを得ることができる。
なお、図9の製造装置101を利用して、粘着剤層4が形成されたのち剥離フィルム3及び5を剥離ロール96、96′により剥離して、印刷等が施された印刷フィルム3'及び5'を積層ロール98、98′により新たに積層することにより、図3に示すような商品価値を高めた粘着テープ1cを製造することもしばしば行われる。
また、図8の製造装置を使って、剥離フィルム3を基材フィルム6に置き換えると、図4のような片面粘着テープ1dを得ることができる。
このような紫外線等のエネルギー線により重合反応させた粘着剤層を有する粘着テープは、その製造工程において有機溶剤を使用しないので有機溶剤による作業環境の悪化を招くことがなく、また、強力な粘着力を示すので、今後の一層の需要が見込まれている。
しかし、図8や図9で示した製造装置を用いて粘着テープを製造する従来の製造方法においては、粘着剤層4の厚みにムラが生じ、剥がれ易くなるという問題があった。
本発明は、粘着剤組成物にエネルギー線を照射して重合反応させ、厚みムラのない粘着剤層を有する粘着テープの製造方法を提供することを目的とする。
本発明者らは、照射部において粘着剤組成物に“膨れ”が発生し、その膨れにより粘着剤層の厚みにばらつきが発生すること、そのばらつきを無くすためには、粘着剤組成物が重合反応を開始してから完了するまでの間に層状の粘着剤組成物の厚みを照射部において“膨れ”を押圧すること等により強制的に調整すればよいことを見出し、本発明を完成させるに至った。
即ち、本発明は、テープ状基材上に粘着剤組成物を塗布し、その粘着剤組成物上に更に剥離フィルムを積層し、該テープ状基材と剥離フィルムとの間に挟持された粘着剤組成物にエネルギー線を照射して重合反応させることにより形成された粘着剤層を有する粘着テープの製造方法において、
該テープ状基材と剥離フィルムとの間に挟持された粘着剤組成物に対しエネルギー線の照射を開始した後、粘着剤組成物の重合反応がほぼ完了するまでの間に、粘着剤組成物に発生した膨れに基づく当該粘着剤組成物の厚みのばらつきを厚み制御手段により調整する際に、厚み制御手段として所定の間隙を有する一対のロールを使用し、該粘着剤組成物をその一対のロール間を通過させることにより厚み調整を行うことを特徴とする製造方法を提供する。
本発明における厚み制御手段としては、粘着剤組成物の重合の進行の程度、流動性、粘着力、凝集力等に応じて、種々の装置を使用することができる。例えば、ドクターブレード、隣接するガイドロール間にテンションをかけるテンションロール、所定の間隙を有する一対の平滑ロールやエンボスロール、グラビア版等を使用することができる。ここで、厚み制御手段による厚み調整としては、粘着剤組成物の表面を平坦化して均一な厚みになるように調整する場合や、意図的に微小凹凸を表面に形成する場合等を挙げることができる。中でも、粘着剤組成物の層厚をより容易に均一にできる点から、所定の間隙を有する一対の平滑ロールを使用することが好ましい。
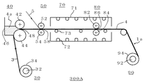
以下、本発明の粘着テープの製造方法を、図5の製造装置を用いて説明する。
図5の製造装置300Aは、所定の隙間86を有する一対の上面ロール82及び下面ロール84からなる厚み制御ロール部80が厚み制御手段として配設されている以外、従来の粘着テープの製造装置100(図8参照)と基本構成は同様である。即ち、塗布装置300Aは、粘着剤組成物を塗布する塗布部40とエネルギー線として紫外線を照射する照射部70とを有し、更に、剥離フィルム3を供給する巻出し部30、剥離フィルム5を積層する積層部50及び粘着剤層4が形成された粘着テープ1aを巻き取る巻取り部90とを有している。塗布部40は、上面ロール42と下面ロール44とが一対に配置され、下面ロール44には粘着剤組成物4aを供給するためのダム46が付設されている。
上面ロール42と下面ロール44の間には所定の間隙48が形成され、剥離フィルム3が前記間隙48を通過する際に、粘着剤組成物4aが剥離フィルム3上に塗布されるしくみとなっている。
塗布装置300Aを使って、図1の粘着テープ1aの製造工程を説明する。
まず、巻出し部30の巻出し軸32に装着された剥離フィルム3のウエブ34から剥離フィルム3が、塗布部40まで引き出される。
塗布部40は、上面ロール42と下面ロール44とが一対に配置され、下面ロール44には粘着剤組成物4aを供給するためのダム46が付設されている。
上面ロール42と下面ロール44の間には所定の間隙48が形成され、剥離フィルム3が前記間隙48を通過する際に、粘着剤組成物4aが剥離フィルム3上に塗布されるしくみとなっている。
次に、剥離フィルム5が、剥離フィルムウエブ(図示せず)から引き出され、粘着剤組成物4a上に載置され、積層部50の一対に配置された上面ロール52と下面ロール54との間隙58を通過する際に、粘着剤組成物4a上に剥離フィルム5が積層される。
粘着剤組成物4aと剥離フィルム5が積層された剥離フィルム3は、エネルギー線として紫外線を照射する照射部70に搬送される。ここで、照射部70には、金属製の照射室71中に剥離フィルムの移動を支持する支持ローラ73と、エネルギー線として紫外線を照射する光源ランプ72とが配備されている。照射室71内に搬送された剥離フィルム3上の粘着剤組成物4aには、上記光源ランプ72から紫外線が照射され、それにより重合反応を開始し、重合反応終了後に粘着剤層4となる。光源ランプ72の紫外線の強度は、粘着剤組成物4aが照射室71を通過する間に重合反応がほぼ完了するように設定されている。
本発明においては、粘着剤組成物4aの重合反応開始から重合反応がほぼ完了するまでの間に、粘着剤組成物4aを厚み制御ロール部80の一対の上面ロール82及び下面ロール84との間を通過させる。これにより、粘着組成物4aの膨れを押圧して解消させてその厚みを平坦化することができる。ここで、重合反応がほぼ完了するという意味は、重合率が90%以上であることを意味する。
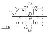
厚み制御ロール部80は、通常、図5のように紫外線照射部70の内部の一箇所に配設されるが、重合反応が終了する前であれば、複数配置することも可能である(図示せず)。また、厚み制御ロール部80のロール径を大きく設計する必要がある場合は、図6の製造装置300Bのように、照射部70を前半70a及び後半70bに分割し、その間に厚み制御ロール部80を設置してもよい。
また、厚み制御ロール部80は、特に、粘着剤組成物4aの重合率が80%を超えない位置に配置することが好ましい。重合率が80%を超えた位置で厚み制御ロール部80を通過させても、粘着剤組成物4aの種類によっては厚みの調整が十分でない場合がある。
ここで、粘着剤組成物4aの重合率を制御するため、例えば、図7の製造装置300Cのように照射部70に設ける光源ランプを前半の光源ランプ72aと後半の光源ランプ72bに分割し、72aの光源ランプの照度を72bの光源ランプの照度より小さくすると粘着剤組成物4aの重合率が80%以下の範囲を安定的に得ることができる。この場合、厚み制御ロール部80は、図7のように光源ランプ72aの後方に配置することが好ましい。
一方、厚み制御ロール部80を通過させる際の粘着剤組成物4a重合率の下限は限定的ではないが、20%未満であると通過後に膨れが出現する可能性があるので、少なくとも20%とすることが好ましい。
ここで、本発明の粘着剤組成物4aは、後述するように、液粘度を調整する観点から予備重合反応させておく場合があるが、この予備重合の重合率は通常10%以下であり、この重合率の段階で厚み制御ロール80を通過させても本発明の効果を得られない。
次に、厚み制御ロール部80により厚さ調整された粘着剤層4が形成された剥離フィルム3は、照射部70から搬出され、巻取り部90の巻取り軸92により巻き取られ粘着テープウエブ94となる。つぎに、このウエブ94を所定の大きさに裁断することにより、目的の粘着テープ1aを得ることができる。
本発明の製造方法並びに製造装置は、図1のようないわゆるノンサポート粘着テープ1aの製造に好適に適用することができ、更に、図3の粘着テープ1c及び図4の片面粘着テープ1dにも適用することができる。
なお、図1の粘着テープ1aの剥離フィルム3及び5のいずれかを剥離し、基材フィルム6を介して貼り合わせると、図2に示す粘着テープ1bを得ることもできる。
以下、本発明の製造方法に適用できる粘着テープの構成素材について簡単に説明する。
剥離フィルム3及び5は、粘着剤層4の粘着面を保護する目的で使用される。更に、剥離フィルム3は、製造工程において粘着剤組成物4aを支持する機能があり、剥離フィルム5はエネルギー線として紫外線照射の際にモノマーが揮発するのを防止する機能がある。
剥離フィルム3及び5の基材は、一般に、ポリエステル、ポリエチレン、ポリプロピレン、ポリカーボネート等の透明プラスチックフィルム、及び紫外線を透過する紙類が用いられ、これら基材上にシリコーン化合物やフッ素化合物の薄層を形成することにより、剥離性が付与される。
剥離フィルム3及び5の厚みは、目的によって異なるが、通常100〜500μmである。
粘着剤層4は、アクリルモノマー(A)を主成分とし、光重合開始剤(B)及び添加剤(C)が添加される。
アクリルモノマーは、炭素数が4〜14のアルキルアルコールのアクリル酸エステル(A1)及び前記アクリル酸エステルと共重合可能なアクリル酸及びアクリル酸エステル(A2)を使用することができる。
アクリル酸エステル(A1)の具体例を挙げると、ブチルアクリレート、イソアミルアクリレート、2−エチルヘキシルアクリレート、ノニルアクリレート、イソノニルアクリレート、イソオクチルアクリレート、ラウリルアクリレート、デシルアクリレート等がある。
アクリル酸及びアクリル酸エステル(A2)の具体例を挙げると、アクリル酸、メタクリル酸、エチルアクリレート、2−ヒドロキシエチルアクリレート、2−ヒドロキシプロピルアクリレート、テトラフルフリールアクリレート、イソボニルアクリレート、エトキシエチルアクリレート、ブトキシエチルアクリレート、フェノキシエチルアクリレート、フェニルアクリレート、シクロヘキシルアクリレート等を使用することができる。
光重合開始剤(B)は、アセトフェノン系又はベンゾフェノン系開始剤を好ましく使用することができ、具体的には、4−フェノキシジシクロアセトフェノン、4−t−ブチル−ジクロロアセトフェノン、ジフェノキシアセトフェノン、2−ヒドロキシ−2−メチル−1−フェニルプロパン−1−オン、1−ヒドロキシシクロヘキシルフェニルケトン、ベンゾイン、ベンゾインメチルエーテル、ベンゾインイソブチルエーテル、ベンジルメチルケタール及びこれらの混合物がある。
添加剤(C)は、例えば、難燃性を高める目的で添加されるメラミンシアヌレート等のノンハロゲン難燃剤、粘着剤層の凝集力を高める目的で添加される不織布又は粘着剤組成物の粘性を調整する目的で添加されるシリカ、ガラスビーズ、マイクロバルーン等がある。
ところで、上記の(A)、(B)及び(C)を混合した粘着剤組成物は、その液粘度が2〜20cpsと低い場合がある。そこで、この粘着剤組成物を塗布装置に供給する前に、予め紫外線を照射し予備重合反応を行って液粘度を1000〜3000cpsに調整しておくことが好ましい。
また、予備重合反応によらず、粘着剤組成物に相溶性の良好なポリマー、例えば、アクリルゴム、スチレンブタジエン等のゴムを添加することによっても液粘度を上記の範囲に調整することができる。
このような粘着剤層4の厚みは、特に限定はないが、通常50〜800μmである。
以下、本発明を実施例を用いて具体的に説明する。
実施例1
(粘着剤組成物の作成)
2−エチルヘキシルアクリレート90g、アクリル酸10gからなる混合モノマー溶液100gにアクリルゴム3g(トアクロンPS220、東亜ペイント(株)製)を攪拌機のついた容器で48時間攪拌混合し、目的の粘着剤組成物(1)を得た。この組成物の粘度は、750cpsであった。
(粘着テープの作成)
上記の粘着剤組成物を図5の製造装置300Aのダム46に投入するとともに、剥離フィルム3(厚さ50μmの両面シリコーン処理した透明ポリエステルフィルム)を塗布部40まで引出し、剥離フィルム3上にこの粘着剤組成物(1)を700μmとなるように塗布した。
次に、剥離フィルム5(厚さ50μmの片面シリコーン処理した透明ポリエステルフィルム)を積層部50まで引出して粘着剤組成物(1)上に載置し、隙間58を通過させ、粘着剤組成物(1)と剥離フィルム5を積層させた。
次に、エネルギー線として紫外線を照射する照射部70において、粘着剤組成物(1)に紫外線を照射し重合反応を開始させた。このとき、紫外線を照射する光源ランプ72の照度は、波長352nm、0.44mW/cm2である。
次に、粘着剤組成物(1)の重合率が60%となる位置に厚み制御ロール部80を配設し、その隙間86を通過させて厚みの調整を行った。
次に、エネルギー線として紫外線を照射する照射部70を通過した粘着剤組成物(1)の重合率が90%以上となり粘着剤層4となったことを確認したのち、巻取り部90の巻取り軸92に巻き付けて、粘着テープのウエブ94を得た。そして、このウエブ94を幅1インチに裁断して、目的の粘着テープ1aを得た。
(評価結果)
上記の粘着テープ1aの粘着剤層4の厚みを測定し、更に粘着剤層4の膨れの有無を目視により観察した。その結果、粘着剤層4の厚みは、約710μmであり、また紫外線照射による膨れも観察されなかった。
実施例2
(粘着剤組成物の作成)
2−エチルヘキシルアクリレート90g、アクリル酸10gからなる混合モノマー溶液100gに、光重合開始剤として2−ヒドロキシ−2−メチル−1−フェニルプロパン−1−オン(ダロキユア1173、メルク社)を攪拌機のついた容器で攪拌しながら、窒素雰囲気下で紫外線照射装置により紫外線を照射して目的の粘着剤組成物(2)を得た。この組成物の粘度は、700cpsであり、重合率は約5%であった。
(粘着テープの作成)
この粘着剤組成物(2)を図7の製造装置300Cを使って、実施例1と同様に粘着テープ1aを作成した。ここで、厚み制御ロール部80は光源ランプ72aと光源ランプ72bとの間に配設した。
照射部70の前半の光源ランプ72aは、波長352nm、0.44mW/cm2であり、後半の光源ランプ72bは、波長365nm、照度強度35.5mW/cm2であり、前半の紫外線光源ランプの照度を後半に比べ低い設定とした。
また、前半の光源ランプ72aを通過した際に粘着剤組成物4aの重合率は75%であった。
(評価結果)
上記の粘着テープ1aを実施例1と同様の方法で評価した。その結果、上記の粘着テープ1aの粘着剤層4の厚みは、約710μmであり、また紫外線照射による膨れも観察されなかった。
比較例1
実施例2の粘着剤組成物(2)を用い、図8の従来の製造装置100を使用した以外は、実施例1と同様の方法により粘着テープ1aを製造した。
(評価結果)
上記の方法で製造された粘着テープ1aは、粘着剤層4に紫外線照射の際に発生する膨れが観察され、また、粘着剤層4の厚み(目標厚=700μm)には、750μmを超える箇所が測定された。
本発明によれば、膨れがなく、厚みが均一である粘着剤層を有する粘着テープを得ることができる。
本発明の製造方法により得られる粘着テープの断面図である。 本発明の製造方法により得られる粘着テープの断面図である。 本発明の製造方法により得られる粘着テープの断面図である。 本発明の製造方法により得られる粘着テープの断面図である。 本発明の製造装置の概略図である。 本発明の製造装置の部分概略図である。 本発明の製造装置の部分概略図である。 従来の粘着テープ製造装置の概略図である。 従来の粘着テープ製造装置の部分概略図である。
符号の説明
30…巻出し部、40…塗布部、50…積層部、70…照射部、80…厚み制御ロール部、90…巻取り部

Claims (1)

  1. テープ状基材上に、(A1)炭素数が4〜14のアルキルアルコールのアクリル酸エステル及び(A2)該アクリル酸エステルと共重合可能なアクリル酸又はアクリル酸エステルを主成分とする粘着剤組成物を塗布し、その粘着剤組成物上に更に剥離フィルムを積層し、該テープ状基材と剥離フィルムとの間に挟持された粘着剤組成物にエネルギー線を照射して重合反応させることにより形成された粘着剤層を有する粘着テープの製造方法において、
    該テープ状基材と剥離フィルムとの間に挟持された粘着剤組成物に対しエネルギー線の照射を開始した後、粘着剤組成物の重合反応がほぼ完了するまでの間に、粘着剤組成物に発生した膨れに基づく当該粘着剤組成物の厚みのばらつきを厚み制御手段により調整する際に、厚み制御手段として所定の間隙を有する一対のロールを使用し、該粘着剤組成物を、その重合率が60〜75%である間に、該一対のロール間を通過させることにより厚み調整を行うことを特徴とする製造方法。
JP2005223489A 2005-08-01 2005-08-01 粘着テープの製造方法及び製造装置 Expired - Lifetime JP4557166B2 (ja)

Priority Applications (1)

Application Number Priority Date Filing Date Title
JP2005223489A JP4557166B2 (ja) 2005-08-01 2005-08-01 粘着テープの製造方法及び製造装置

Applications Claiming Priority (1)

Application Number Priority Date Filing Date Title
JP2005223489A JP4557166B2 (ja) 2005-08-01 2005-08-01 粘着テープの製造方法及び製造装置

Related Parent Applications (1)

Application Number Title Priority Date Filing Date
JP26953499A Division JP3834709B2 (ja) 1999-09-22 1999-09-22 粘着テープの製造方法及び製造装置

Publications (2)

Publication Number Publication Date
JP2005320553A JP2005320553A (ja) 2005-11-17
JP4557166B2 true JP4557166B2 (ja) 2010-10-06

Family

ID=35468031

Family Applications (1)

Application Number Title Priority Date Filing Date
JP2005223489A Expired - Lifetime JP4557166B2 (ja) 2005-08-01 2005-08-01 粘着テープの製造方法及び製造装置

Country Status (1)

Country Link
JP (1) JP4557166B2 (ja)

Families Citing this family (2)

* Cited by examiner, † Cited by third party
Publication number Priority date Publication date Assignee Title
JP6649167B2 (ja) * 2016-04-22 2020-02-19 住友化学株式会社 セパレートフィルム付光学部材の製造方法
JP6488343B2 (ja) * 2017-09-14 2019-03-20 リンテック株式会社 粘着シート

Family Cites Families (11)

* Cited by examiner, † Cited by third party
Publication number Priority date Publication date Assignee Title
JPS5664344A (en) * 1979-10-30 1981-06-01 Asahi Chem Ind Co Ltd Preparation of belt-shaped photosensitive resin printing master
JPH01263182A (ja) * 1988-04-13 1989-10-19 Nitto Denko Corp 感圧性接着テープの製法
JP2988546B2 (ja) * 1991-12-13 1999-12-13 ソニーケミカル株式会社 両面粘着テープ及びその製造方法
JP2988549B2 (ja) * 1991-12-26 1999-12-13 ソニーケミカル株式会社 両面粘着テープの製造方法
JP2798331B2 (ja) * 1992-05-14 1998-09-17 積水化学工業株式会社 両面粘着テープの製造方法
JP3493731B2 (ja) * 1994-05-31 2004-02-03 ソニーケミカル株式会社 両面粘着テープ及びその製造方法
JP3653127B2 (ja) * 1995-08-22 2005-05-25 藤森工業株式会社 粘着剤層を有する光学用シートの製造法
JP3226845B2 (ja) * 1997-09-03 2001-11-05 松下電器産業株式会社 高分子分散型液晶表示素子の製造方法
JPH10310747A (ja) * 1997-05-09 1998-11-24 Sekisui Chem Co Ltd 感圧性接着テープの製造方法
JP3419436B2 (ja) * 1997-12-26 2003-06-23 ソニーケミカル株式会社 異方性導電接着フィルム
JP3658969B2 (ja) * 1998-01-30 2005-06-15 セイコーエプソン株式会社 プラスチックレンズの製造方法

Also Published As

Publication number Publication date
JP2005320553A (ja) 2005-11-17

Similar Documents

Publication Publication Date Title
TWI571500B (zh) 壓敏性無基材雙面膠帶及壓敏性膠帶之製造方法
EP1504071B1 (en) Acrylic release agent precursor, release agent article, and process for producing release agent article
TW201021953A (en) Pressure-sensitive adhesive sheet for laser processing and method for laser processing
JP2011507046A (ja) 液晶表示システム用の両面感圧性接着テープ
JP2010525089A (ja) 両面感圧接着テープ
EP1542865A1 (de) HAFTKLEBEBAND F R LCDs
JP3493731B2 (ja) 両面粘着テープ及びその製造方法
JP2007518855A (ja) 配向したアクリレ−トpsa、その製造法及び使用法
EP1828336A1 (de) Doppelseitige haftklebebänder zur herstellung von lc-displays mit lichtreflektierenden und absorbierenden eigenschaften
JP2016537443A (ja) 可逆性感圧接着剤
JP4557166B2 (ja) 粘着テープの製造方法及び製造装置
JP3834709B2 (ja) 粘着テープの製造方法及び製造装置
CN115491148B (zh) 显示器用粘结片及包括其的显示器
JP5884608B2 (ja) 両面粘着テープの製造方法
EP1828337A1 (de) Doppelseitige haftklebebänder zur herstellung von lc-displays mit lichtreflektierenden und absorbierenden eigenschaften
KR20140069118A (ko) 점착성의 조절 방법
JP2008521990A (ja) Lcディスプレーを製造または一緒に粘着させるための光吸収特性を有する両面感圧接着テープ
JP3503992B2 (ja) 粘着テープ及びその製造方法
WO2022162550A1 (en) Acrylic polymer release agent, release sheet, tape and double-sided tape
JP2011148856A (ja) 両面粘着テープ、両面粘着テープの製造方法及び製造装置
JP2006137036A (ja) 光重合生成物シートの製造方法及び製造装置
JP2004009422A (ja) 光反応生成物シートの製造方法およびその装置
EP1828338A1 (de) Doppelseitige haftklebebänder zur herstellung von lc-displays mit lichtreflektierenden und absorbierenden eigenschaften
JPH0656932A (ja) 光重合性組成物の増粘方法及び粘着テープの製造方法
JP2002322435A (ja) 粘着シートおよびその製造方法

Legal Events

Date Code Title Description
A621 Written request for application examination

Free format text: JAPANESE INTERMEDIATE CODE: A621

Effective date: 20050810

A131 Notification of reasons for refusal

Free format text: JAPANESE INTERMEDIATE CODE: A131

Effective date: 20090106

A521 Request for written amendment filed

Free format text: JAPANESE INTERMEDIATE CODE: A523

Effective date: 20090305

A02 Decision of refusal

Free format text: JAPANESE INTERMEDIATE CODE: A02

Effective date: 20100126

A521 Request for written amendment filed

Free format text: JAPANESE INTERMEDIATE CODE: A523

Effective date: 20100421

A911 Transfer to examiner for re-examination before appeal (zenchi)

Free format text: JAPANESE INTERMEDIATE CODE: A911

Effective date: 20100506

TRDD Decision of grant or rejection written
A01 Written decision to grant a patent or to grant a registration (utility model)

Free format text: JAPANESE INTERMEDIATE CODE: A01

Effective date: 20100630

A01 Written decision to grant a patent or to grant a registration (utility model)

Free format text: JAPANESE INTERMEDIATE CODE: A01

R150 Certificate of patent or registration of utility model

Ref document number: 4557166

Country of ref document: JP

Free format text: JAPANESE INTERMEDIATE CODE: R150

Free format text: JAPANESE INTERMEDIATE CODE: R150

A61 First payment of annual fees (during grant procedure)

Free format text: JAPANESE INTERMEDIATE CODE: A61

Effective date: 20100713

FPAY Renewal fee payment (event date is renewal date of database)

Free format text: PAYMENT UNTIL: 20130730

Year of fee payment: 3

R250 Receipt of annual fees

Free format text: JAPANESE INTERMEDIATE CODE: R250

R250 Receipt of annual fees

Free format text: JAPANESE INTERMEDIATE CODE: R250

R250 Receipt of annual fees

Free format text: JAPANESE INTERMEDIATE CODE: R250

R250 Receipt of annual fees

Free format text: JAPANESE INTERMEDIATE CODE: R250

R250 Receipt of annual fees

Free format text: JAPANESE INTERMEDIATE CODE: R250

R250 Receipt of annual fees

Free format text: JAPANESE INTERMEDIATE CODE: R250

R250 Receipt of annual fees

Free format text: JAPANESE INTERMEDIATE CODE: R250

EXPY Cancellation because of completion of term