JP4457528B2 - ハイブリッド車用駆動装置 - Google Patents

ハイブリッド車用駆動装置 Download PDF

Info

Publication number
JP4457528B2
JP4457528B2 JP2001182984A JP2001182984A JP4457528B2 JP 4457528 B2 JP4457528 B2 JP 4457528B2 JP 2001182984 A JP2001182984 A JP 2001182984A JP 2001182984 A JP2001182984 A JP 2001182984A JP 4457528 B2 JP4457528 B2 JP 4457528B2
Authority
JP
Japan
Prior art keywords
output
engine
motor
drive system
transmitted
Prior art date
Legal status (The legal status is an assumption and is not a legal conclusion. Google has not performed a legal analysis and makes no representation as to the accuracy of the status listed.)
Expired - Fee Related
Application number
JP2001182984A
Other languages
English (en)
Other versions
JP2002370556A (ja
Inventor
厚志 鳥居
裕基 戸嶋
Current Assignee (The listed assignees may be inaccurate. Google has not performed a legal analysis and makes no representation or warranty as to the accuracy of the list.)
Aisin Corp
Original Assignee
Aisin Seiki Co Ltd
Aisin Corp
Priority date (The priority date is an assumption and is not a legal conclusion. Google has not performed a legal analysis and makes no representation as to the accuracy of the date listed.)
Filing date
Publication date
Application filed by Aisin Seiki Co Ltd, Aisin Corp filed Critical Aisin Seiki Co Ltd
Priority to JP2001182984A priority Critical patent/JP4457528B2/ja
Publication of JP2002370556A publication Critical patent/JP2002370556A/ja
Application granted granted Critical
Publication of JP4457528B2 publication Critical patent/JP4457528B2/ja
Anticipated expiration legal-status Critical
Expired - Fee Related legal-status Critical Current

Links

Images

Classifications

    • YGENERAL TAGGING OF NEW TECHNOLOGICAL DEVELOPMENTS; GENERAL TAGGING OF CROSS-SECTIONAL TECHNOLOGIES SPANNING OVER SEVERAL SECTIONS OF THE IPC; TECHNICAL SUBJECTS COVERED BY FORMER USPC CROSS-REFERENCE ART COLLECTIONS [XRACs] AND DIGESTS
    • Y02TECHNOLOGIES OR APPLICATIONS FOR MITIGATION OR ADAPTATION AGAINST CLIMATE CHANGE
    • Y02TCLIMATE CHANGE MITIGATION TECHNOLOGIES RELATED TO TRANSPORTATION
    • Y02T10/00Road transport of goods or passengers
    • Y02T10/60Other road transportation technologies with climate change mitigation effect
    • Y02T10/62Hybrid vehicles

Landscapes

  • Arrangement Of Transmissions (AREA)
  • Hybrid Electric Vehicles (AREA)
  • Transmission Devices (AREA)

Description

【0001】
【発明の属する技術分野】
本発明は、ハイブリッド車用駆動装置に関するものである。
【0002】
【従来の技術】
ハイブリッド車は、動力源としてエンジンと電動機(モータ)とを備え、燃料消費や排ガスを抑制するために、その時々の運転状態に応じて動力源を切り替えて走行する。また、ハイブリッド車において、モータは車載バッテリからの電気エネルギーによって駆動され、そのバッテリの充電はエンジン出力をモータにて電気エネルギーに変換すること(モータの発電)により行われている。それ故、ハイブリッド車は、走行用のモータ出力を駆動輪側に伝達したり、発電用のエンジン出力をモータに伝達したりする駆動装置を備えている。
【0003】
この種の装置として、従来のエンジン式の車両に電動機(モータ)を搭載してハイブリッド化したものが、例えば特開2000−185567号公報に開示されている。同公報において、トランスミッションの出力軸にモータの出力軸が常時連結されており、モータ出力がトランスミッションの出力軸に伝達され、ハイブリッド車はモータのみによる走行、又はモータ及びエンジンによる走行が可能になる。また、エンジン出力がトランスミッションの出力軸を介してモータに伝達され、同モータにて発電するようになっている。
【0004】
【発明が解決しようとする課題】
ところが、上記公報の装置では、トランスミッションの出力軸とモータとが常に連結されているため、バッテリを充電するためにモータを発電機として使用するのは車両の走行中に限定されてしまう。つまり、車両停止時において、モータを発電機として使用して車載バッテリを充電することができない。
【0005】
そこで、本発明の目的は、車両停止中においても電動機を発電機として使用できるハイブリッド車用駆動装置を提供することにある。
【0006】
【課題を解決するための手段】
上記問題点を解決するために、請求項1に記載の発明は、エンジンと走行駆動系の部材との間に設けられるハイブリッド車用駆動装置であって、前記走行駆動系の部材を駆動する電動機と、前記走行駆動系の部材と前記電動機の間に設けられ、前記走行駆動系の部材にその出力を直接伝達する減速機構と、前記減速機構の入力側に設けられ、前記エンジン出力を前記減速機構に伝達/遮断する出力伝達手段と、前記エンジンと前記減速機構との間に配設されるトランスミッションとを備え、前記減速機構は、前記出力伝達手段により前記エンジンの出力が伝達されているときにおける車両の走行時には前記エンジンの出力又は前記エンジンと電動機の両方の出力を走行駆動系の部材に伝達し、前記出力伝達手段により前記エンジンの出力が遮断されているときにおける車両の走行時には前記電動機の出力のみを前記走行駆動系の部材に伝達し、前記出力伝達手段により前記エンジンの出力が伝達されているときにおける車両の停止時には前記エンジンの出力を前記電動機に伝達し、前記出力伝達手段により前記エンジンの出力が遮断されているときにおける車両の走行時には前記電動機の出力のみを前記走行駆動系の部材に伝達する場合に、複数の異なる減速比のなかの1つを選択して電動機の出力を走行駆動系の部材に伝達する走行モードを有することを要旨とする。
【0007】
請求項2に記載の発明では、エンジンと走行駆動系の部材との間に設けられるハイブリッド車用駆動装置であって、前記走行駆動系の部材を駆動する電動機と、前記走行駆動系の部材と前記電動機の間に設けられ、前記走行駆動系の部材にその出力を直接伝達する減速機構と、前記減速機構の入力側に設けられ、前記エンジン出力を前記減速機構に伝達/遮断する出力伝達手段と、前記エンジンと前記減速機構との間に配設されるトランスミッションとを備え、前記減速機構は、前記出力伝達手段により前記エンジンの出力が伝達されているときにおける車両の走行時には前記エンジンの出力又は前記エンジンと電動機の両方の出力を走行駆動系の部材に伝達し、前記出力伝達手段により前記エンジンの出力が遮断されているときにおける車両の走行時には前記電動機の出力のみを前記走行駆動系の部材に伝達し、前記出力伝達手段により前記エンジンの出力が伝達されているときにおける車両の停止時には前記エンジンの出力を前記電動機に伝達することを要旨とする。
【0008】
請求項3に記載の発明では、エンジンと走行駆動系の部材との間に設けられるハイブリッド車用駆動装置であって、前記走行駆動系の部材を駆動する電動機と、前記走行駆動系の部材と前記電動機の間に設けられる減速機構と、前記減速機構の入力側に設けられ、前記エンジン出力を前記減速機構に伝達/遮断する出力伝達手段と、前記エンジンと前記減速機構との間に配設されるトランスミッションとを備え、前記減速機構は、前記出力伝達手段により前記エンジンの出力が伝達されているときにおける車両の走行時には前記エンジンの出力又は前記エンジンと電動機の両方の出力を走行駆動系の部材に伝達し、前記出力伝達手段により前記エンジンの出力が遮断されているときにおける車両の走行時には前記電動機の出力のみを前記走行駆動系の部材に伝達し、前記出力伝達手段により前記エンジンの出力が伝達されているときにおける車両の停止時には前記エンジンの出力を前記電動機に伝達し、前記出力伝達手段により前記エンジンの出力が遮断されているときにおける車両の走行時には前記電動機の出力のみを前記走行駆動系の部材に伝達する場合に、前記減速機構おいて複数の異なる減速比のなかの1つを選択して電動機の出力を走行駆動系の部材に伝達する走行モードを有することを要旨とする。
請求項4に記載の発明では、請求項1に記載のハイブリッド車用駆動装置において、車両停止時に、前記減速機構を介してエンジン出力を電動機に伝達することにより、該電動機を発電機として使用する発電モードを有することを要旨とする。
請求項5に記載の発明では、請求項2又は3に記載のハイブリッド車用駆動装置において、車両停止時に、前記減速機構を介してエンジン出力を電動機に伝達することにより、該電動機を発電機として使用する発電モードと、車両走行時に、複数の異なる減速比のなかの1つを選択して電動機の出力を走行駆動系の部材に伝達する走行モードと、を有することを要旨とする。
請求項6に記載の発明では、請求項1〜5のいずれか一項に記載のハイブリッド車用駆動装置において、前記減速機構は、動力伝達部材を介して前記電動機の出力と連結するサンギヤと、前記トランスミッションの出力軸と接続するリングギヤと、前記走行駆動系の部材と接続するキャリアと、前記キャリアと前記リングギヤとを連結するクラッチと、前記リングギヤを固定するブレーキとを備えるプラネタリギヤ装置であることを要旨とする。
【0009】
(作用)
請求項1〜3に記載の発明によれば、減速機構は、車両の走行時には前記エンジンの出力或いは/及び電動機の出力を走行駆動系の部材に伝達し、出力伝達手段によりエンジンの出力が伝達されているときにおける車両の停止時にはエンジンの出力を電動機に伝達する。これにより、車両停止時においても、エンジン出力により電動機を回転させ、それに伴う発電が可能となる。
【0010】
具体的には、請求項4,5のように、ハイブリッド車用駆動装置の動作モードとして車両停止時の発電モードと走行モードとを有する。発電モードでは、エンジン出力が減速機構を介して電動機に伝達されて、該電動機が発電機として使用される。一方、走行モードでは、複数の異なる減速比のなかから選択された1つの減速比で電動機の出力が走行駆動系の部材に伝達される。ここで、その時々の走行状態(走行負荷等)に応じて減速機構の減速比を異ならせることにより、電動機の駆動による車両走行が広範囲の走行領域で実現される。
【0011】
請求項に記載の発明によれば、減速機構としてのプラネタリギヤ装置のキャリアに走行駆動系の部材が接続されているので、車両停止時には、車両のブレーキ力により走行駆動系の部材が固定され、それに接続するキャリアが固定軸となる。また、プラネタリギヤ装置において、サンギヤに動力伝達部材を介して電動機が連結され、リングギヤにトランスミッションの出力軸が接続されている。従って、アイドル状態のエンジン出力がトランスミッションの出力軸に伝達される場合、リングギヤが駆動軸、サンギヤが従動軸となり、エンジン出力が電動機に伝達される。これにより、電動機での発電が可能となる。また、リングギヤとキャリアとの間にクラッチが配設されるとともに、リングギヤを固定するブレーキが配設されている。従って、電動機により車両を走行させる場合、ブレーキを係合状態、クラッチを非係合状態とすることで、リングギヤの歯数とサンギヤの歯数に応じた減速比(ギヤ比)で電動機の回転が走行駆動系の部材に伝達される。また、ブレーキを非係合状態、クラッチを係合状態とすることで、プラネタリギヤ装置全体が一体に回転され、電動機の回転が走行駆動系の部材に伝達される。このように、2種類の減速比で電動機の出力を走行駆動系の部材に伝達することができるので、走行状態に応じて減速比を切り替えることにより、電動機の駆動による走行が広範囲の走行領域で実現される。
【0012】
【発明の実施の形態】
以下、本発明を具体化した実施形態を図面に従って説明する。
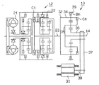
図1は、ハイブリッド車におけるシステム構成を示す概略図である。図1において、エンジン11とトランスミッション12とにより周知の動力装置が構成されており、本実施の形態では、そのトランスミッション12における出力側に、駆動装置13が配設されている。また、駆動装置13の出力は、走行駆動系の部材としてのプロペラシャフト14に伝達されるとともに、図示しないディファレンシャルギヤ等を介して駆動輪に伝達されるようになっている。
【0013】
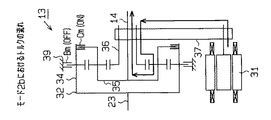
図2は、本実施の形態におけるトランスミッション12及び駆動装置13の構成を示すスケルトン図である。
トランスミッション12は、自動変速機を採用しており、エンジン出力を伝達するためのトルクコンバータ21と、このトルクコンバータ21によって駆動される変速機構22とを備えている。トランスミッション12の変速機構22には、図示しない変速用のソレノイドバルブ及び油圧調整用のリニアソレノイドバルブ等が設けられており、これらソレノイドバルブの駆動によって油圧回路及び各種クラッチ・ブレーキが制御されて、トランスミッション12における変速が行われる。本実施の形態において、変速機構22にはクラッチC1が配設されており、このクラッチC1によってエンジン出力に対する変速機構22の接続、切り離しが行われる。つまり、駆動装置13の入力側に設けられているクラッチC1が、エンジン出力を伝達/遮断するための出力伝達手段に相当する。なお、本実施の形態におけるハイブリッド車用駆動装置は、このクラッチC1と駆動装置13とからなる。
【0014】
次に、駆動装置13の構成について図2及び図3を用いて詳述する。なお、図3は、駆動装置13の断面図である。
図2及び図3に示すように、駆動装置13は、モータ(電動機)31と、減速機構としてのプラネタリギヤ(遊星ギヤ)装置32と、油圧式クラッチCmと、油圧式ブレーキBmとを備えている。プラネタリギヤ装置32は、トランスミッション12とモータ31とプロペラシャフト14との間に配設され、エンジン出力及びモータ出力の一方又は両方をプロペラシャフト14に伝達するように構成されている。
【0015】
詳述すると、プラネタリギヤ装置32は、その回転要素としてリングギヤ34、キャリア35、サンギヤ36を備えている。リングギヤ34はトランスミッション12の出力軸23に接続され、キャリア35はプロペラシャフト14に接続され、サンギヤ36はチェーン37を介してモータ31の回転軸38に接続されている。
【0016】
さらに、リングギヤ34とキャリア35との間に油圧式クラッチCmが配設され、リングギヤ34とハウジング39との間に油圧式ブレーキBmが配設されている。油圧式クラッチCm及び油圧式ブレーキBmは、外部の電動オイルポンプ(図示せず)によって作動される。そして、油圧式クラッチCmの係合時には、リングギヤ34とキャリア35とサンギヤ36とが一体に回転する。また、油圧ブレーキBmの係合時には、駆動装置13のハウジング39にリングギヤ34が固定されてリングギヤ34が固定軸となる。
【0017】
モータ31とサンギヤ36とは動力伝達部材としてのチェーン37を介して接続されている。尚、この両部材31,36間の減速比は任意に設定可能であるが、本実施の形態では、その減速比を「1」としている。また、動力伝達部材としては、チェーン37以外に、ベルトや歯車機構を採用してもよい。
【0018】
本実施の形態において、前記クラッチC1の制御を含むトランスミッション12の変速制御や油圧式クラッチCm及び油圧式ブレーキBmを作動させるための電動オイルポンプの駆動制御は、図1に示す電子制御ユニット15により実行される。電子制御ユニット15は、周知のマイクロコンピュータを中心に構成されている。そして、電子制御ユニット15は、各種センサ信号(具体的には、エンジン回転数、アクセル開度、車速、シフトポジション等の信号)を取り込み、それにより車両状態を判断して、トランスミッション12におけるクラッチC1や、駆動装置13における油圧式クラッチCm及び油圧式ブレーキBm等を制御する。
【0019】
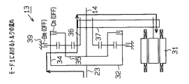
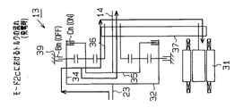
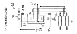
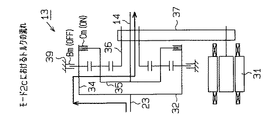
次に、本実施の形態におけるハイブリッド車用駆動装置の動作モードについて図4〜図12を用いて説明する。なお、図4には、各動作モードにおけるクラッチC1、クラッチCm、ブレーキBmの作動状態と、トランスミッション(T/M)12の出力軸23、モータ(電動機)31、プロペラシャフト14の回転数及びトルクの関係を示している。図5〜図12には、各モードにおける駆動装置13内でのトルクの流れを示している。但し、図4において、「○」は係合状態を、「×」は非係合状態を表す。また、Ntはトランスミッション12の出力軸23の回転数、Nmはモータ31の回転数、Npはプロペラシャフト14の回転数を示す。Ttはトランスミッション12の出力軸23のトルク、Tmはモータ31のトルク、Tpはプロペラシャフト14のトルクを示す。さらに、Zrはリングギヤ34の歯数、Zsはサンギヤ36の歯数を示す。
【0020】
図4に示すように、本実施の形態における動作モードとしては、大別して車両停止時のモード1と車両走行時のモード2とがあり、走行時のモード2については、さらに、(a)のモータ駆動1(Loモード)、(b)のモータ駆動2、(c)のエンジン駆動、(d)のエンジン+モータ駆動の各モードがある。
【0021】
以下、各モードについて詳述する。
モード1は、車両停止状態において、エンジン出力によりモータ31を回転させそれに伴うモータ31の発電によりバッテリ充電を行う発電モードである。具体的には、電子制御ユニット15によって、車両速度が0km/h、かつバッテリ電圧が所定のしきい値電圧よりも低下している旨が判定されたときにモード1が選択される。このモード1では、車両停止時においてエンジン11がアイドル状態で維持され、その状態でクラッチC1が係合状態、クラッチCmとブレーキBmとが非係合状態(開放状態)とされる。
【0022】
この場合、車両に加わるブレーキ力によりプロペラシャフト14の回転が停止されているため、それに接続するプラネタリギヤ装置32のキャリア35は固定となる。また、クラッチC1が係合状態であるため、エンジン出力(トルク)がトランスミッション12の出力軸23に伝達される。そして、プラネタリギヤ装置32において、キャリア35が固定軸、リングギヤ34が駆動軸、サンギヤ36が従動軸となり、エンジン出力(トルク)は、図5に示すように、リングギヤ34→キャリア35→サンギヤ36→チェーン37を介してモータ31に伝達される。このとき、モータ31の回転に伴い電力が発生し、そのモータ31の発電により車載バッテリが充電される。この発電時においては、図4に示すように、トランスミッション(T/M)12の出力軸23の回転数Ntに対して、モータ31の回転数は−Zr/Zs・Ntとなる。また、出力軸23のトルクTtに対して、モータ31に伝わるトルクはZs/Zr・Ttとなり、プロペラシャフト14に伝わるトルクは(1+Zs/Zr)・Ttとなる。なお、このモード1において、モータ31の発電により車載バッテリが十分に充電されたときには、モータ31の発電を停止すべく、クラッチC1が非係合とされるとともにエンジン11が停止される。
【0023】
モード2aは、モータ駆動のみで走行するモードであって、車両発進時や登坂走行等の走行負荷が高いときに選択される。このモード2aでは、エンジン停止に伴いクラッチC1が非係合状態に制御され、かつ、クラッチCmが非係合状態、ブレーキBmが係合状態に制御される。
【0024】
この場合、ブレーキBmによりリングギヤ34がハウジング39に固定される。また、モータ出力(トルク)がチェーン37を介してプラネタリギヤ装置32のサンギヤ36に伝達される。よって、リングギヤ34が固定軸、サンギヤ36が駆動軸、キャリア35が従動軸となり、モータ出力(トルク)は、図6に示すように、チェーン37→サンギヤ36→キャリア35を介してプロペラシャフト14に伝達されて、車両走行が行われる。このとき、図4に示すように、モータ31の回転数Nmに対して、プロペラシャフト14の回転数はZs/(Zs+Zr)・Nmとなり、また、モータ31のトルクTmに対してプロペラシャフト14のトルクは(Zs+Zr)/Zs・Tmとなる。つまり、プロペラシャフト14の回転速度はモータ31の回転速度に対して減速され、プロペラシャフト14に伝達される回転トルクが高められるようになっている。
【0025】
モード2bも、モード2aと同様にモータ駆動のみで走行するモードであって、そのモード2aと比較して走行負荷が低い場合に選択される。このモード2bでは、エンジン停止に伴いクラッチC1が非係合状態に制御され、かつ、クラッチCmが係合状態、ブレーキBmが非係合状態に制御される。
【0026】
この場合、クラッチCmの係合によりプラネタリギヤ装置32全体(リングギヤ34、キャリア35、サンギヤ36)が一体となって回転する。このとき、モータ出力(トルク)は、図7に示すように、チェーン37→サンギヤ36→キャリア35を介してプロペラシャフト14に伝達されて、車両走行が行われる。ここで、プラネタリギヤ装置32が一体に回転するため、図4に示すように、プロペラシャフト14の回転数は、モータ31の回転数Nmと同じになり、プロペラシャフト14のトルクもモータ31のトルクTmと同じになる。つまり、このモード2bでは、モード2aと比較してプロペラシャフト14の回転数を高めることができるため、より高速側の速度領域までモータ駆動による車両走行を行うことが可能となる。
【0027】
モード2cは、エンジン駆動のみで走行するモードであって、エンジン11の燃費効率がよい運転領域となる場合やバッテリ電圧が低下した場合に選択される。このモード2cでは、エンジン11が駆動され、クラッチCmが係合状態、ブレーキBmが非係合状態に制御された後、クラッチC1が係合状態に制御される。この場合、エンジン出力(トルク)は、クラッチC1を介してトランスミッション12の出力軸23に伝達される。そして、クラッチCmの係合により、プラネタリギヤ装置32全体が一体となって回転する。このとき、エンジン出力(トルク)は、図8に示すように、トランスミッション12の出力軸23からリングギヤ34→キャリア35を介してプロペラシャフト14に伝達されて、車両走行が行われる。ここで、プラネタリギヤ装置32が一体に回転するため、図4に示すように、プロペラシャフト14の回転数は、トランスミッション12の出力軸23の回転数Ntと同じになり、プロペラシャフト14のトルクもモータトルクTmと同じになる。
【0028】
また、このモード2cでは、図9に示すように、エンジン出力(トルク)の一部をモータ31の発電に使用する場合がある。つまり、エンジン出力(トルク)は、トランスミッション12の出力軸23からリングギヤ34→キャリア35を介してプロペラシャフト14に伝達されるとともに、キャリア35に伝達されたトルクの一部がサンギヤ36→チェーン37を介してモータ31に伝達される。この場合、図4に示すように、プロペラシャフト14に伝達されるトルクは、トランスミッション12の出力軸23のトルクTtからモータ31の発電トルクTmを減算した値(Tt−Tm)となる。
【0029】
モード2dは、エンジン11とモータ31を駆動し、両出力により走行するモードであって、例えば、高速道路等での走行時にてドライバのアクセル操作に応じた走行要求を満たす場合に選択される。このモード2dでは、モード2cと同様に、クラッチCmが係合状態、ブレーキBmが非係合状態に制御された後、クラッチC1が係合状態に制御される。この場合、エンジン出力(トルク)は、クラッチC1を介してトランスミッション12の出力軸23に伝達される。また、プラネタリギヤ装置32全体が一体となって回転する。このとき、エンジン出力(トルク)は、図10に示すように、トランスミッション12の出力軸23からリングギヤ34→キャリア35を介してプロペラシャフト14に伝達されるとともに、モータ出力(トルク)は、チェーン37→サンギヤ36→キャリア35を介してプロペラシャフト14に伝達される。ここで、プラネタリギヤ装置32が一体に回転するため、図4に示すように、プロペラシャフト14及びモータ31の回転数は、トランスミッション12の出力軸23の回転数Ntと同じになる。また、プロペラシャフト14のトルクは、トランスミッション12の出力軸23のトルクTtとモータ31のトルクTmとを加算した値(Tt+Tm)となる。
【0030】
さらに、車両走行中(モード2a〜2d)において減速する場合、その際に不必要となる走行エネルギーをモータ31により電気エネルギーに変換する、いわゆるエネルギー回生を行うようにしている。具体的に、モード2aにおける回生時には、図11に示すように、プロペラシャフト14の回転トルクがキャリア35→サンギヤ36→チェーン37を介してモータ31に伝達され、それに伴うモータ31の発電によりバッテリが充電される。なおこのとき、クラッチCmが非係合状態(OFF)、ブレーキBmが係合状態(ON)となっており、リングギヤ34が固定軸、キャリア35が駆動軸、サンギヤ36が従動軸となる。そのため、図4に示すように、プロペラシャフト14の回転数Npに対し、モータ31の回転数は(Zs+Zr)/Zs・Npとなり、プロペラシャフト14のトルクTpに対し、モータ31に伝わるトルクはZs/(Zs+Zr)・Tpとなる。
【0031】
一方、モード2b〜2dにおける回生時にも、図12に示すように、プロペラシャフト14の回転トルクがキャリア35→サンギヤ36→チェーン37を介してモータ31に伝達され、それに伴うモータ31の発電によりバッテリが充電される。なおこのとき、クラッチCmが係合状態(ON)、ブレーキBmが非係合状態(OFF)となっており、プラネタリギヤ装置32は一体に回転する。そのため、図4に示すように、モータ31の回転数はプロペラシャフト14の回転数Npと同じになり、モータ31に伝わるトルクもプロペラシャフト14のトルクTpと同じになる。
【0032】
次に、本実施の形態における車両制御システムの動作例について説明する。
先ず、エンジン11及びモータ31が駆動していない車両停止時においては、クラッチC1、ブレーキBm、クラッチCmの全てが非係合状態(OFF)に制御される。ここで、エアコンやオーディオ等の車載電気機器が使用され、バッテリ電圧が低下した場合には、エンジン11が始動されるとともに、クラッチC1が係合状態(ON)される(図4のモード1)。このとき、アイドル状態のエンジン出力によりモータ31が回転され、それに伴うモータ31の発電によりバッテリが充電される。そして、バッテリが十分に充電されたとき、クラッチC1が非係合状態(OFF)されるとともに、エンジン11も停止される。
【0033】
その後の車両発進時には、電動オイルポンプが作動され、ブレーキBmが係合状態(ON)に制御された後、モータ31が駆動される(モード2a)。このとき、モータ31の回転に対しプロペラシャフト14の回転が減速され、プロペラシャフト14に伝達されるトルクが高められる。これにより、車両の発進が円滑に行われる。そして、車両速度が所定速度以上に達すると、ブレーキBmが非係合状態(OFF)に制御されるとともに、クラッチCmが係合状態(ON)に制御される(モード2b)。これにより、プロペラシャフト14はモータ31と同じ回転速度で回転される。つまり、モード2aの場合よりも高速でプロペラシャフト14が回転されるため、より高速側の速度領域までモード2bによるモータ駆動が行われる。
【0034】
また、上記モータ駆動(モード2a、モード2b)による走行に伴いバッテリ電圧が低下した場合、モータ駆動からエンジン駆動に切り替えるべくモータ駆動が停止されるとともにエンジン11が始動される。そして、ブレーキBmが非係合状態(OFF)、クラッチCmが係合状態(ON)とされた後、クラッチC1が係合状態(ON)に制御される(モード2c)。これにより、エンジン出力がプロペラシャフト14に伝達され、車両走行が継続される。またこのとき、エンジン出力の一部がモータ31の発電に利用され、バッテリが充電される。
【0035】
さらに、上記モータ駆動(モード2b)での走行中において、加速したり坂道を走行したりして走行負荷が加わると、モータ31及びエンジン11の両者の出力で走行すべく、モータ31に加えてエンジン11が始動され、クラッチC1が係合状態(ON)に制御される(モード2d)。これにより、モータ出力とエンジン出力がプロペラシャフト14に伝達されることとなり、加速や坂道の走行が円滑に行われる。また。モード2bのモータ駆動において、モード2aのモータ駆動に切り替えることにより、プロペラシャフト14に伝わるトルクを増大させて、加速や坂道の走行を円滑に行うようにしてもよい。
【0036】
このように本実施の形態は、以下の特徴を有する。
(1)上記モード1において、クラッチC1を係合状態、クラッチCmとブレーキBmとを非係合状態(開放状態)とすることにより、車両停止時におけるエンジン出力をトランスミッション12及びプラネタリギヤ装置32を介してモータ31に伝達する。このように、駆動装置13を用いることにより、車両停止時においてもモータ31を発電機として使用でき、車載バッテリを充電することができる。
【0037】
また、ブレーキBm及びクラッチCmの係合・非係合の組み合わせにより、モータ31の出力を2種類の減速比でプロペラシャフト14に伝達することができ、低速〜高速、低負荷〜高負荷といった広い範囲でモータ31による走行を実現できる。
【0038】
(2)モータ駆動による走行を広範囲の走行領域で実現できることから、ハイブリッド車における燃料消費や排ガスの抑制を図ることができる。
(3)プラネタリギヤ装置32における2種類の減速比(ギヤ比)の一方(モード2aでの減速比)を、モータ31の回転数Nmがプロペラシャフト14の回転数Zs/(Zs+Zr)・Nmよりも高くなるように設定した。この場合、モータ31の出力トルクTmに対し、プロペラシャフト14に伝わる回転トルク(Zs+Zr)/Zs・Tmを高めることができ、車両発進や登坂走行等の走行負荷が高くなる場合にも円滑に走行することができる。
【0039】
(4)本実施の形態の車両制御システムでは、駆動装置13に配設される油圧式クラッチCm及びブレーキBmと、トランスミッション12内のクラッチC1とを電子制御ユニット15により制御して各動作モード1,2a〜2dを切り替えるようにした。このようにすると、クラッチCm、ブレーキBm、クラッチC1の作動タイミングのズレを防止でき、各モードの切り替えを適切に実施することができる。
【0040】
なお、上記以外に次の形態にて具体化できる。
・上記実施の形態では、プラネタリギヤ装置32を用いて具体化するものであったが、他の減速機構を用いて具体化してもよい。
【0041】
・上記実施の形態では、油圧式クラッチCm及び油圧式ブレーキBmを用いて具体化していたが、これに限定するものではなく、例えば、電磁クラッチ等を用いて具体化してもよい。
【0042】
・上記実施の形態では、トランスミッション12として自動変速機を搭載した車両に具体化したが、これに限定するものではなく、手動変速機や無段変速機を搭載した車両に具体化してもよい。また、手動変速機を搭載した車両に適用する場合、エンジン出力を伝達/遮断するための出力伝達手段(クラッチ)を、例えば、手動変速機と駆動装置13との間に配置する。つまり、駆動装置13におけるプラネタリギヤ装置32の入力側に、エンジン出力を伝達/遮断するための出力伝達手段を設けるものであればよい。
【0043】
・上記実施の形態では、電子制御ユニット15によって、トランスミッション12及び駆動装置13の油圧式クラッチCm及び油圧式ブレーキBmを制御するものであったが、これに限定するものではない。例えば、トランスミッション12を制御する電子制御ユニットとは別の制御ユニットにより、駆動装置13の油圧式クラッチCm及び油圧式ブレーキBmを制御するように構成してもよい。なお、この場合には、油圧式クラッチCm及び油圧式ブレーキBmを制御する電子制御ユニット側に、トランスミッション12におけるクラッチC1の作動状態を検出できる機能を付加するようにする。
【0044】
上記実施の形態から把握できる技術思想について、以下にその効果とともに記載する。
(イ)前記減速機構における複数の減速比のうちの1つを、電動機の回転数が走行駆動系の部材としてのプロペラシャフトの回転数よりも高くなるように設定したことを特徴とする請求項に記載のハイブリッド車用駆動装置。このようにすれば、電動機(モータ)の出力トルクに対し、プロペラシャフトに伝わる回転トルクを高めることができ、車両発進や坂道走行等の走行負荷が高くなる場合にも円滑に走行することができる。
【0045】
(ロ)前記出力伝達手段は、自動変速機内に設けられるクラッチであることを特徴とする請求項1〜のいずれか1項に記載のハイブリッド車用駆動装置。このように、エンジン出力を伝達/遮断する出力伝達手段として自動変速機内にある既存のクラッチを使用すれば、新規の出力伝達手段を必要とせず実用上好ましいものとなる。
【0046】
(ハ)請求項に記載のハイブリッド車用駆動装置とエンジンとの間に、前記出力伝達手段としてのクラッチを有する自動変速機が配設され、該自動変速機のクラッチを制御する制御ユニットによって、前記減速機構における回転要素のクラッチ及びブレーキを制御して、前記発電モード及び走行モードを切り替えるようにした車両制御システム。このように、自動変速機のクラッチを制御する制御ユニットによって、減速機構における回転要素のクラッチ及びブレーキを制御すると、モードの切り替えを適切に実施することができる。
【0047】
【発明の効果】
以上詳述したように、本発明によれば、車両停止中においても電動機を発電機として使用できるハイブリッド車用駆動装置を提供することができる。
【図面の簡単な説明】
【図1】本実施形態におけるハイブリッド車のシステム構成を示す概略図。
【図2】トランスミッション及び駆動装置を説明するためのスケルトン図。
【図3】駆動装置を説明するための断面図。
【図4】各動作モードを説明するための図。
【図5】モード1におけるトルクの流れを説明するための図。
【図6】モード2aにおけるトルクの流れを説明するための図。
【図7】モード2bおけるトルクの流れを説明するための図。
【図8】モード2cにおけるトルクの流れを説明するための図。
【図9】モード2cにおける発電時でのトルクの流れを説明するための図。
【図10】モード2dにおけるトルクの流れを説明するための図。
【図11】モード2aにおける回生時のトルクの流れを説明するための図。
【図12】モード2b〜2dにおける回生時のトルクの流れを説明するための図。
【符号の説明】
11…エンジン、12…トランスミッション、13…駆動装置、14…走行駆動系の部材としてのプロペラシャフト、31…電動機(モータ)、32…減速機構としてのプラネタリギヤ装置、34…リングギヤ、35…キャリア、36…サンギヤ、37…動力伝達部材としてのチェーン、39…ハウジング、Bm…油圧式ブレーキ、C1…出力伝達手段としてのクラッチ、Cm…油圧式クラッチ。

Claims (6)

  1. エンジンと走行駆動系の部材との間に設けられるハイブリッド車用駆動装置であって、
    前記走行駆動系の部材を駆動する電動機と、
    前記走行駆動系の部材と前記電動機の間に設けられ、前記走行駆動系の部材にその出力を直接伝達する減速機構と、
    前記減速機構の入力側に設けられ、前記エンジン出力を前記減速機構に伝達/遮断する出力伝達手段と
    前記エンジンと前記減速機構との間に配設されるトランスミッションとを備え、
    前記減速機構は、前記出力伝達手段により前記エンジンの出力が伝達されているときにおける車両の走行時には前記エンジンの出力又は前記エンジンと電動機の両方の出力を走行駆動系の部材に伝達し、前記出力伝達手段により前記エンジンの出力が遮断されているときにおける車両の走行時には前記電動機の出力のみを前記走行駆動系の部材に伝達し、前記出力伝達手段により前記エンジンの出力が伝達されているときにおける車両の停止時には前記エンジンの出力を前記電動機に伝達し、
    前記出力伝達手段により前記エンジンの出力が遮断されているときにおける車両の走行時には前記電動機の出力のみを前記走行駆動系の部材に伝達する場合に、複数の異なる減速比のなかの1つを選択して電動機の出力を走行駆動系の部材に伝達する走行モードを有することを特徴とするハイブリッド車用駆動装置。
  2. エンジンと走行駆動系の部材との間に設けられるハイブリッド車用駆動装置であって、
    前記走行駆動系の部材を駆動する電動機と、
    前記走行駆動系の部材と前記電動機の間に設けられ、前記走行駆動系の部材にその出力を直接伝達する減速機構と、
    前記減速機構の入力側に設けられ、前記エンジン出力を前記減速機構に伝達/遮断する出力伝達手段と
    前記エンジンと前記減速機構との間に配設されるトランスミッションとを備え、
    前記減速機構は、前記出力伝達手段により前記エンジンの出力が伝達されているときにおける車両の走行時には前記エンジンの出力又は前記エンジンと電動機の両方の出力を走行駆動系の部材に伝達し、前記出力伝達手段により前記エンジンの出力が遮断されているときにおける車両の走行時には前記電動機の出力のみを前記走行駆動系の部材に伝達し、前記出力伝達手段により前記エンジンの出力が伝達されているときにおける車両の停止時には前記エンジンの出力を前記電動機に伝達することを特徴とするハイブリッド車用駆動装置。
  3. エンジンと走行駆動系の部材との間に設けられるハイブリッド車用駆動装置であって、
    前記走行駆動系の部材を駆動する電動機と、
    前記走行駆動系の部材と前記電動機の間に設けられる減速機構と、
    前記減速機構の入力側に設けられ、前記エンジン出力を前記減速機構に伝達/遮断する出力伝達手段と
    前記エンジンと前記減速機構との間に配設されるトランスミッションとを備え、
    前記減速機構は、前記出力伝達手段により前記エンジンの出力が伝達されているときにおける車両の走行時には前記エンジンの出力又は前記エンジンと電動機の両方の出力を走行駆動系の部材に伝達し、前記出力伝達手段により前記エンジンの出力が遮断されているときにおける車両の走行時には前記電動機の出力のみを前記走行駆動系の部材に伝達し、前記出力伝達手段により前記エンジンの出力が伝達されているときにおける車両の停止時には前記エンジンの出力を前記電動機に伝達し、
    前記出力伝達手段により前記エンジンの出力が遮断されているときにおける車両の走行時には前記電動機の出力のみを前記走行駆動系の部材に伝達する場合に、前記減速機構おいて複数の異なる減速比のなかの1つを選択して電動機の出力を走行駆動系の部材に伝達する走行モードを有することを特徴とするハイブリッド車用駆動装置。
  4. 車両停止時に、前記減速機構を介してエンジン出力を電動機に伝達することにより、該電動機を発電機として使用する発電モードを有することを特徴とする請求項1に記載のハイブリッド車用駆動装置。
  5. 車両停止時に、前記減速機構を介してエンジン出力を電動機に伝達することにより、該電動機を発電機として使用する発電モードと、
    車両走行時に、複数の異なる減速比のなかの1つを選択して電動機の出力を走行駆動系の部材に伝達する走行モードと、
    を有することを特徴とする請求項2又は3に記載のハイブリッド車用駆動装置。
  6. 前記減速機構は、動力伝達部材を介して前記電動機の出力と連結するサンギヤと、前記トランスミッションの出力軸と接続するリングギヤと、前記走行駆動系の部材と接続するキャリアと、前記キャリアと前記リングギヤとを連結するクラッチと、前記リングギヤを固定するブレーキとを備えるプラネタリギヤ装置であることを特徴とする請求項1〜5のいずれか一項に記載のハイブリッド車用駆動装置。
JP2001182984A 2001-06-18 2001-06-18 ハイブリッド車用駆動装置 Expired - Fee Related JP4457528B2 (ja)

Priority Applications (1)

Application Number Priority Date Filing Date Title
JP2001182984A JP4457528B2 (ja) 2001-06-18 2001-06-18 ハイブリッド車用駆動装置

Applications Claiming Priority (1)

Application Number Priority Date Filing Date Title
JP2001182984A JP4457528B2 (ja) 2001-06-18 2001-06-18 ハイブリッド車用駆動装置

Publications (2)

Publication Number Publication Date
JP2002370556A JP2002370556A (ja) 2002-12-24
JP4457528B2 true JP4457528B2 (ja) 2010-04-28

Family

ID=19022994

Family Applications (1)

Application Number Title Priority Date Filing Date
JP2001182984A Expired - Fee Related JP4457528B2 (ja) 2001-06-18 2001-06-18 ハイブリッド車用駆動装置

Country Status (1)

Country Link
JP (1) JP4457528B2 (ja)

Families Citing this family (11)

* Cited by examiner, † Cited by third party
Publication number Priority date Publication date Assignee Title
KR100755877B1 (ko) 2006-03-14 2007-09-06 세일공업 주식회사 일체화된 제동장치를 갖는 변속기
WO2007118082A2 (en) 2006-04-03 2007-10-18 Bluwav Systems, Llc Vehicle power unit designed as retrofittable axle comprising motor, battery and suspension
KR100774658B1 (ko) * 2006-10-13 2007-11-08 현대자동차주식회사 하이브리드 차량의 파워트레인 구조
KR100836362B1 (ko) * 2006-10-13 2008-06-09 현대자동차주식회사 병렬형 하이브리드 동력전달구조
KR100774659B1 (ko) * 2006-10-13 2007-11-08 현대자동차주식회사 하이브리드 차량의 파워트레인
KR100774657B1 (ko) * 2006-10-13 2007-11-08 현대자동차주식회사 하이브리드 차량의 파워트레인
EP2271511A4 (en) * 2008-03-19 2011-11-02 Clean Emissions Technologies Inc SYSTEM AND METHOD FOR ELECTRICAL DRIVING
JP5359411B2 (ja) * 2009-03-12 2013-12-04 トヨタ自動車株式会社 車両の駆動装置
JP6220159B2 (ja) * 2013-05-31 2017-10-25 株式会社Subaru 車両用制御装置
JP2015071332A (ja) * 2013-10-02 2015-04-16 日野自動車株式会社 ハイブリッド自動車の制御装置およびハイブリッド自動車
JP2017030596A (ja) * 2015-08-03 2017-02-09 いすゞ自動車株式会社 ハイブリッド車両及びその制御方法

Also Published As

Publication number Publication date
JP2002370556A (ja) 2002-12-24

Similar Documents

Publication Publication Date Title
JP3173450B2 (ja) ハイブリッド車の駆動制御装置
EP1304249B1 (en) Hybrid-vehicle drive system with torque increasing device and driving method thereof
EP1321326B1 (en) Power transmitting system for a hybrid motor vehicle
US6569055B2 (en) Four-wheel drive hybrid vehicle
JP3646966B2 (ja) ハイブリッド車
JP3777165B2 (ja) ハイブリッド自動車
JPH11280512A (ja) ハイブリッド車両
JP3646962B2 (ja) ハイブリッド車
JP4457528B2 (ja) ハイブリッド車用駆動装置
JP5907155B2 (ja) ハイブリッド駆動装置の制御装置
JP2005125876A (ja) ハイブリッド車の駆動装置
JPH04297330A (ja) シリーズ、パラレル複合ハイブリッドカーシステム
JP2007331632A (ja) 車輌駆動装置及び車輌駆動システム
JP2010241390A (ja) ハイブリッド車両の駆動装置
JP2004056899A (ja) 車両制御装置
JP2000170903A (ja) パワートレーンの制御装置
JP4013863B2 (ja) ハイブリッド車両の駆動装置
JP2004210028A (ja) ハイブリッド車両
JP3861486B2 (ja) ハイブリッド車の制御装置
CN110114237B (zh) 电动驱动装置以及车辆控制装置
JP7472895B2 (ja) 車両の駆動力制御装置
JP5171500B2 (ja) 車両用発進装置
JP3855510B2 (ja) ハイブリッド車の制御装置
JP3763223B2 (ja) ハイブリッド車の制御装置
JP3709083B2 (ja) ハイブリッド車の制御装置

Legal Events

Date Code Title Description
A621 Written request for application examination

Free format text: JAPANESE INTERMEDIATE CODE: A621

Effective date: 20080526

A131 Notification of reasons for refusal

Free format text: JAPANESE INTERMEDIATE CODE: A131

Effective date: 20080805

A521 Written amendment

Free format text: JAPANESE INTERMEDIATE CODE: A523

Effective date: 20081006

A131 Notification of reasons for refusal

Free format text: JAPANESE INTERMEDIATE CODE: A131

Effective date: 20090728

A521 Written amendment

Free format text: JAPANESE INTERMEDIATE CODE: A523

Effective date: 20090925

TRDD Decision of grant or rejection written
A01 Written decision to grant a patent or to grant a registration (utility model)

Free format text: JAPANESE INTERMEDIATE CODE: A01

Effective date: 20100119

A01 Written decision to grant a patent or to grant a registration (utility model)

Free format text: JAPANESE INTERMEDIATE CODE: A01

A61 First payment of annual fees (during grant procedure)

Free format text: JAPANESE INTERMEDIATE CODE: A61

Effective date: 20100201

R151 Written notification of patent or utility model registration

Ref document number: 4457528

Country of ref document: JP

Free format text: JAPANESE INTERMEDIATE CODE: R151

FPAY Renewal fee payment (event date is renewal date of database)

Free format text: PAYMENT UNTIL: 20130219

Year of fee payment: 3

FPAY Renewal fee payment (event date is renewal date of database)

Free format text: PAYMENT UNTIL: 20140219

Year of fee payment: 4

LAPS Cancellation because of no payment of annual fees