JP4329162B2 - 画像形成装置 - Google Patents

画像形成装置 Download PDF

Info

Publication number
JP4329162B2
JP4329162B2 JP15169499A JP15169499A JP4329162B2 JP 4329162 B2 JP4329162 B2 JP 4329162B2 JP 15169499 A JP15169499 A JP 15169499A JP 15169499 A JP15169499 A JP 15169499A JP 4329162 B2 JP4329162 B2 JP 4329162B2
Authority
JP
Japan
Prior art keywords
color
intermediate transfer
toner
density
image
Prior art date
Legal status (The legal status is an assumption and is not a legal conclusion. Google has not performed a legal analysis and makes no representation as to the accuracy of the status listed.)
Expired - Fee Related
Application number
JP15169499A
Other languages
English (en)
Other versions
JP2000338742A (ja
Inventor
義紀 江島
Current Assignee (The listed assignees may be inaccurate. Google has not performed a legal analysis and makes no representation or warranty as to the accuracy of the list.)
Panasonic Corp
Panasonic Holdings Corp
Original Assignee
Panasonic Corp
Matsushita Electric Industrial Co Ltd
Priority date (The priority date is an assumption and is not a legal conclusion. Google has not performed a legal analysis and makes no representation as to the accuracy of the date listed.)
Filing date
Publication date
Application filed by Panasonic Corp, Matsushita Electric Industrial Co Ltd filed Critical Panasonic Corp
Priority to JP15169499A priority Critical patent/JP4329162B2/ja
Publication of JP2000338742A publication Critical patent/JP2000338742A/ja
Application granted granted Critical
Publication of JP4329162B2 publication Critical patent/JP4329162B2/ja
Anticipated expiration legal-status Critical
Expired - Fee Related legal-status Critical Current

Links

Images

Landscapes

  • Control Or Security For Electrophotography (AREA)
  • Color Electrophotography (AREA)
  • Electrostatic Charge, Transfer And Separation In Electrography (AREA)

Description

【0001】
【発明の属する技術分野】
本発明は、高画質の記録画像を出力する画像形成装置に関するものである。
【0002】
【従来の技術】
近年、カラーレーザビームプリンタやカラーコピー機など、記録媒体である用紙にカラー画像を印刷する画像形成装置が急速に普及している。特に電子写真プロセスとレーザ走査技術を用いたカラーレーザビームプリンタは、記録速度と印字品質の点で優位性が高く、プリンタの主流となっている。そして市場では、フルカラーのカラーレーザビームプリンタが成長期に入っているが、フルカラーでは、例えば画像データが8ビットであれば、各色単位に256階調、シアン・マゼンタ・イエローの組合せで約1,670万色の出力が要求されている。
【0003】
このため、カラーレーザビームプリンタにおいて、階調再現性は特に重要な要素となっている。
【0004】
一般に、画像形成装置では、画像を形成あるいは保持する像担持体上に規定の画像データを用いてテストパターンを形成し、これを反射型センサ等を応用した濃度センサで検出し、入出力の非線形性を補正(γ補正)したり、読み取り値が予め定められた値となるよう電子写真プロセスのパラメータを変更する。
【0005】
ここで、従来の画像形成装置の構成について、以下に図18を参照しながら説明する。
【0006】
図18は従来の画像形成装置の全体構成を示す概略図である。
【0007】
図18に示す画像形成装置は、感光体1上にレーザビーム等で形成された潜像を各色の現像器10K,10Y,10M,10Cで現像し、顕画化された単色画像を一旦中間転写体(像形成媒体)18上に転写して合成し、中間転写体18上の合成像を一括して用紙28に転写する、いわゆる中間転写体方式のカラーレーザビームプリンタである。
【0008】
図18に示す画像形成装置において、シアン、マゼンタ、イエロー(CMYK)の各色ドットデータが、画像形成装置へデータ展開を行った装置より主走査ラインごとに送られる。
【0009】
最初に、ブラックの画像データが、発光信号として半導体レーザ素子とモータによって回転するポリゴンミラーを内蔵した露光光学系(以下、「LSU(Laser Scanning Unit)」という。)9に入力される。これによりLSU9は発光信号に応じてドットごとにレーザの発光と消灯を切り替え、帯電器8によって一様に負に帯電された感光体1に対してレーザを発射していき、感光体1上にレーザが照射されることによって生じた電位差による潜像を形成する。
【0010】
次に、ブラック現像器10Kの離接カム17Kが回転してブラック現像器10Kが感光体1へ当接する。すると、このブラック現像器10Kに印加される所定の電圧値である現像バイアスで発生するクーロン力でトナーが感光体1上に形成された潜像に付着する。これにより、トナーによる現像が感光体1上で行われ、ブラックトナー画像が形成される。
【0011】
現像が終了してブラック現像器10Kが離接カム17Kの回転により感光体1から離間して元の位置に戻った後、ブラックトナー画像は中間転写前除電器11において光除電されて中間転写体18に転写される。
【0012】
中間転写体18のブラックトナー画像は、次の色重ねされる画像が中間転写体18に転写されるまでの間、中間転写体18上で保持される。また、中間転写体18上に転写されずに感光体1上に残った残トナーは、感光体クリーニング装置13によって擦り取られて感光体1上からクリーニングされる。
【0013】
なお、感光体1上から残トナーがクリーニングされても、感光体1上には残留電位がまだ帯電しているので、この残留電位を除去するために除電器14によって電位調整される。
【0014】
次に、シアンの画像データが送られて同様の工程で感光体1上に潜像が形成される。そして、シアン現像器10Cが離接カム17Cによって感光体1へ当接され、形成された潜像がシアン現像器10Cによって現像されてシアントナー画像となる。その後、シアントナー画像もブラックトナー画像と同様な工程を進んでいき、中間転写体18へブラックトナー画像に色重ねされて転写される。
【0015】
さらにマゼンタとイエローの画像データも、同様の工程で感光体1上に潜像が形成され、マゼンダ現像器10Mの離接カム17Mおよびイエロー現像器10Yの離接カム17Yによってマゼンダ現像器10Mおよびイエロー現像器10Yが順次感光体1へ当接され、マゼンダトナー画像およびイエロートナー画像が形成される。そして、中間転写体1上に色重ねされて保持される。
【0016】
4色が色重ねされたトナー画像は、トナー画像の先端と用紙カセット30から給紙ローラ31によってピックアップされた用紙28の先端とが一致するように用紙28の供給タイミングを合せるため、用紙28はレジストセンサ(図示せず)の位置までスリップローラ33によって搬送される。そして、用紙28の先端がレジストセンサによって検知された後、トナー画像の先端と用紙28の先端のタイミングを合せてレジストローラ34aとその従動ローラ34bが回転を開始する。これにより、中間転写体18上に保持されていたトナー画像は、用紙転写ローラ26において用紙28上に転写される。
【0017】
なお、この用紙28への転写において用紙28上に転写されずに中間転写体18上に残った残留トナーは、中間転写体クリーニング装置27において擦りとられてクリーニングされる。
【0018】
用紙28上に転写された4色のトナー画像は、定着装置35において熱と圧力によってトナーが溶解されることにより用紙28に定着される。定着後、用紙28は排紙搬送ローラ(図示せず)によって搬送され、カラー画像が出力される。
【0019】
以上の工程を経て、画像形成装置はカラー画像を印刷出力する。
【0020】
ここで、一般に、画像形成装置は、環境変動等に対して敏感であり、例えば機内温度の上昇に伴って、階調特性は経時的に変化する。フルカラー出力を行う画像形成装置にとって、階調性の確保、さらに印刷の三原色であるシアン、マゼンタ、イエローを合成したときのグレーバランスの確保は重要な技術課題の一つであり、これまでにも様々なアプローチがなされてきている。そして、図18に示す画像形成装置においては、例えば電源投入時の初期化の段階で階調補正を実行する。
【0021】
まず、初期化動作について、図18を参照しながら詳細に説明する。
【0022】
画像形成装置は、電源が投入されると、メモリ等のハードウェアおよび画像形成に必要な、例えば各現像器10K,10Y,10M,10C、定着装置35や感光体1が装着されているかのチェック、さらに初期ジャム等の検出を行う。そして、異常がなければ定着装置35のヒートローラ36のヒータをオンにして、ヒートローラ36の表面温度が所定の温度に達するまで待機する。この所定の温度は、トナーの軟化が始まる温度であり、約100℃程度である。そして、ヒートローラ36の表面温度が所定温度に達すると初期化動作に入る。
【0023】
初期化動作では、まず、感光体1と中間転写体18の駆動用モータ(メインモータ)、スリーブローラ16の駆動用モータ、露光光学系9内のポリゴンミラーを回転させるスキャナモータ、用紙搬送モータの駆動を開始し、サーボ系が正常に機能することを確認する。そして、少なくともメインモータは駆動したまま、帯電器8および除電器14を起動し、感光体1の表面電位の初期化を開始する。
【0024】
次に、各構成要素のポジションを確認する。すなわち、各現像器10K,10Y,10M,10Cの位置を確認し、例えば現像器10Kが現像位置に出ていれば、離接カム17Kを待機位置に復帰させる。そして、用紙転写ローラ26の位置を確認し、用紙転写ローラ26が用紙転写位置にあれば待機位置に復帰させる。さらに、中間転写体クリーニング装置27の位置を確認し、中間転写体クリーニング装置27が中間転写体18に対して離間していればこれを当接させる。中間転写体クリーニング装置27は、通常は中間転写体18に当接してクリーニング状態を保っており、単色画像を合成する場合にのみ中間転写体18から離間する。もちろんこれらの過程において、上記構成要素を待機位置に復帰させるべく指令を出したにもかかわらず復帰がなされない場合は、画像形成装置は初期化を中止し、表示パネル等にエラーメッセージを出力する。
【0025】
次に、現像器10Cの初期化を行う。すなわち、離接カム17Cを180゜回転させ、現像器10Cを方向d3に移動させる。現像器10Cが現像位置に固定されたことを確認したら、スリーブローラ16Cを回転させる。このとき、現像バイアスは印加しないため、また仮に印加しても潜像は形成されておらず、トナーは感光体1に付着しない。
【0026】
そして、現像位置において発光素子と受光素子を用いて現像器10Cのトナーの残量検出を行う。すなわち、現像器10Cが現像位置にあるときに、発光素子からの光が現像器10Cの両側部に取付けられた透明なレンズを通って受光素子に入るように、発光素子と受光素子は一本の光軸上に配置されている。
【0027】
そして、発光素子からの光が、レンズを通して受光素子で検出されたら、現像器10C内部のトナーが不足していると判断する。現像器10C内部ではトナー撹拌手段に取り付けたワイパにより、レンズを一定周期でクリーニングしており、トナーによる汚れの影響を防止している。このワイパは、スリーブローラ16Cの回転用動力に連結されているため、トナー残量検出にはスリーブローラ16Cを回転させる必要がある。また、本トナー残量検出手法では、現像器10Cが待機位置、すなわち離接カム17Cが待機位置にあるときは現像器10Cの有無を検出できる。
【0028】
このようにして、一定時間スリーブローラ16Cを回転させた後にトナー残量検出結果に異常がなければ、離接カム17Cを再度180゜回転させ、現像器10Cを待機位置に復帰する。以上で現像器10Cに対する初期化を終了する。
【0029】
以降、現像器10M、10Y、10Kの順に初期化を実行していく。この現像器10M、10Y、10Kの初期化順序には根拠がある。すなわち、初期化中は感光体1は方向d1に駆動されているため、駆動方向と逆の方向に現像器を初期化しないと、例えば高圧電源が誤動作した場合等に各現像器間でトナーが混色するおそれがあるからである。
【0030】
全ての現像器10C、10M、10Y、10Kの初期化が終了すると、ヒートローラ36の駆動源である用紙搬送用のモータ以外の駆動源の回転を停止し、帯電器8や除電器14を停止し、定着装置内部のヒートローラ36が規定の温度に達して定着可能になるまでウォームアップを行う。階調補正はこのウォームアップ期間に実行される。
【0031】
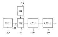
次に、階調補正動作について、図18および図19を参照しながら詳細に説明する。ここで、図19は従来の画像形成装置における濃度センサ周辺を示すブロック図である。
【0032】
図19において、濃度センサ25は、中間転写体18と対向して配置された反射型センサである。CPU40は、D/A変換器41への数値設定により、濃度センサ25の発光側電流を変化させて光量制御が可能な構成となっている。D/A変換器41に設定可能な値は6ビットであり、0〜63の値を設定することができる。濃度センサ25の出力は、オペアンプ56aとオペアンプ56bに各々入力される。オペアンプ56aとオペアンプ56bのゲインの比は、1/2:1に設定されている。各オペアンプ56a、56bの出力は、CPU40の異なるA/D変換ポートに入力される。このように、CPU40は、元は同じ出力を2つのゲインで検出できる。なお、CPU40、D/A変換器41、RAM42、オペアンプ56a,56bは不図示の制御部内に配置されている。
【0033】
画像形成装置は、ウォームアップ期間に入ると、メインモータ(図示せず)を起動し、感光体1と中間転写体18を駆動する。ただし、このときは、帯電器8等の高圧電源は印加しない。メインモータ起動により感光体1と中間転写体18が定速に達したのち、中間転写体18を少なくとも一周させ、中間転写体18をクリーニングする。
【0034】
まず、階調補正の第一段階として、彩色成分(シアン・マゼンタ・イエロー)と無彩色成分(ブラック)毎に濃度センサ25の発光側の光量を決定する。
【0035】
以下に、濃度センサ25の発光光量調整について、図20を用いて詳細に説明する。ここで、図20は従来の濃度センサにおける発光光量の調整を示す説明図であり、図20の横軸は中間転写体18の回転サイクル数であり、縦軸は濃度センサ出力をA/D変換したもの、すなわちCPU40が認識する濃度データを示す。
【0036】
中間転写体18が完全にクリーニングされた状態で、まず彩色成分の地肌濃度の調整目標値PVを、例えばアナログレベルで1.25V、すなわちA/D変換後のデータとしては「64」(=1.25V/5.00V×255)とする。CPU40は、D/A変換器41に6ビット量の中央値(=「32」)をセットし(図20における彩色成分第一サイクル)、濃度センサ25の発光光量を設定する。中間転写体18を一周回転させ、規定のサンプリング周期(例えば20ms周期)で中間転写体18の地肌濃度を検出しながら、その検出値を累計する。中間転写体18の一周回転が終了すると、累計されている値をサンプリング回数で除算し、地肌濃度の平均値AVを算出する。この平均値AVと地肌濃度の調整目標値PV(=「64」)を比較する。
【0037】
図20では、D/A変換器41に「32」を設定した彩色成分第一サイクルの場合、中間転写体18が一周する間の地肌濃度の平均値AVは、調整目標値PVを越えているため、光量の再設定が必要と判断される。
【0038】
次の彩色成分第二サイクルでは、「16」(=32−16)をD/A変換器41に設定する。このときの変更幅は「16」となる。彩色成分第二サイクルでは、地肌濃度の平均値は調整目標値PVを下回るため、やはり光量の再設定が必要となる。前回の変更幅「16」を1/2し、今回の変更幅は「8」とする。また地肌濃度の平均値<調整目標値PVであるから、濃度センサの発光光量は増加せねばならないと判定する。
【0039】
彩色成分第三サイクルでは、「24」(=16+8)をD/A変換器41に設定し、上述してきた動作を繰り返す。実際は、地肌濃度の平均値と調整目標値PVとの差が規定値以下であれば、現在のD/A変換器41の設定値をメモリに保持し、彩色成分計測時の濃度センサ発光光量設定を終了する。ところが、変更幅はサイクル単位に1/2されており、変更幅が0となった時点で発光量調整動作を打ち切るため、上述の動作が無限ループとなることはない。計測サイクルが進むにつれて、D/A変換器41の設定に対する変更幅は小さくなり、設定値は収束する。
【0040】
次に、無彩色成分に対する濃度センサの発光光量を決定する。この過程は、彩色成分における場合とほぼ同様だが、地肌濃度の調整目標値PV0は、例えばアナログレベルでは3.0V、すなわちA/D変換後のデータとしては「153」(=3.00V/5.00V×255)であり、彩色成分の目標値より高い値が設定される。CPU40は、D/A変換器41に6ビット量の中央値(=「32」)をセットし(図20における無彩色成分第一サイクル)、濃度センサ25の発光光量を設定する。中間転写体18を一周回転させ、規定のサンプリング周期(例えば20ms周期)で中間転写体18の地肌濃度を検出しながら、その検出値を累計する。
【0041】
中間転写体18の一周回転が終了すると、累計されている値をサンプリング回数で除算し、地肌濃度の平均値AV0を算出し、地肌濃度の平均値と地肌濃度の調整目標値PV(=「153」)を比較する。図20では、D/A変換器41に「32」を設定した無彩色成分第一サイクルの場合、中間転写体18が一周する間の地肌濃度の平均値AV0は、調整目標値PV0を下回るため、光量の再設定が必要と判断される。
【0042】
次の無彩色成分第二サイクルでは、「48」(=32+16)をD/A変換器41に設定する。このときの変更幅は「16」となる。無彩色成分第二サイクルでは、地肌濃度の平均値は調整目標値PV0を下回るため、やはり光量の再設定が必要となる。前回の変更幅「16」を1/2し、今回の変更幅は「8」とする。今回も地肌濃度の平均値<調整目標値PV0であるから、濃度センサの発光光量は増加せねばならないと判定する。
【0043】
無彩色成分第三サイクルでは、「56」(=48+8)をD/A変換器41に設定し、上述してきた動作を繰り返す。実際は地肌濃度の平均値と調整目標値PV0との差が規定値以下であれば、現在のD/A変換器41の設定値をメモリに保持し、無彩色成分計測時の濃度センサ発光光量設定を終了する。ところが、変更幅はサイクル単位に1/2されており、変更幅が0となった時点で発光量調整動作を打ち切るため、上述の動作が無限ループとなることはない。計測サイクルが進むにつれて、D/A変換器41の設定に対する変更幅は小さくなり、設定値は収束する。上述した動作により、彩色成分と無彩色成分に対する濃度センサ25の発光光量が決定される。
【0044】
以上のようにして、彩色成分と無彩色成分で異なる発光量が決定されると、階調補正の第二段階に入る。第二段階では、各色トナーの飽和濃度を検出する。飽和濃度とは、それ以上トナーを重畳しても濃度が上昇しなくなる限界濃度のことを指す。
【0045】
一般に、用紙上に単色トナーの層を次々と重ねると、トナー濃度の上昇カーブは徐々に緩やかになり、最後はそれ以上トナー層を重ねても、トナー濃度が上昇しなくなり飽和状態となる。これと同様に、中間転写体18上に同一の単色トナーを重畳したときの濃度センサ25の出力も飽和状態となる。
【0046】
ここで、飽和濃度検出用のテストパターンについて、図21を参照して説明する。図21は従来における飽和濃度検出用のテストパターンを示す説明図である。
【0047】
飽和濃度を検出するため、画像データは最大値(FFH)とする。テストパターンは合計2つであり、飽和濃度検出用パターン61の位置でブラックとマゼンタの飽和濃度を検出し、飽和濃度検出用パターン62の位置でイエローとシアンの飽和濃度を検出する。そして、以下のようにして、中間転写体18上に同一色の単色トナーを複数回合成して飽和濃度を得る。
【0048】
まず、露光光学系9内のポリゴンミラーの回転を開始する。そして、感光体1を駆動方向d1に駆動し、中間転写体18を駆動方向d2に駆動する。さらに、各現像器10K〜10C内部のスリーブローラ16K〜16Cの駆動源の回転を開始する。また中間転写体クリーニング装置27は、この時点で中間転写体18から離間し、中間転写体18上に複数回数トナー像を重畳できるようにする。
【0049】
各駆動源の起動直後に高圧電源に接続された帯電器8内の帯電線に−4000Vから−5000V程度の高電圧を印加しコロナ放電を行わせ、さらに帯電器8内のグリッドに−600Vを印加して、感光体1の表面を一様に−500V程度に帯電させる。さらに除電器14を動作させ、中間転写ローラ12に+1000V程度の高電圧を印加する。
【0050】
中間転写体18と感光体1の搬送速度が定速に達すると、感光体位置検出センサ6は、感光体位置検出マーク5の検出を開始し、さらに中間転写体位置検出センサ23は中間転写体位置検出マーク22の検出を開始する。感光体位置検出マーク5と中間転写体位置検出マーク22の検出時間差に基づいて、感光体1の継目7を回避し、かつ最も最短時間で画像形成が可能な中間転写体位置検出マーク22が選択される。
【0051】
そして、選択された中間転写体位置検出マーク22が検出されてから実際に画像形成プロセスを起動するまでの遅延時間が計算される。以降の画像形成においては、全色の画像形成開始基準としてこの時点で選択された中間転写体位置検出マーク22が用いられる。
【0052】
上述の手順で選択された中間転写体位置検出マーク22が、中間転写体位置検出センサ23によって検出されると、所定時間経過後に画像形成装置に内蔵された飽和濃度検出用パターンデータに基づき、感光体1上に図21に示したテストパターンの静電潜像が形成される。所定時間経過後にブラック現像器10Kが感光体1に当接し、図21における飽和濃度検出用パターン61の位置の潜像を顕画化する。
【0053】
飽和濃度検出用パターン61の位置の現像が終了すると、現像器10Kは待機位置に復帰し、次にマゼンタ現像器10Mが感光体1に当接し、図21における飽和濃度検出用パターン62の位置の潜像を顕画化する。このように感光体1が一周する間に異なる色の現像器を当接・離間することで、2色のテストパターンを同時に形成することができる。
【0054】
顕画化されたテストパターンは、中間転写体18に転写され、濃度センサ25の位置に搬送される。飽和濃度検出用パターン61が濃度センサ25の位置に到達する直前に、CPU40は、D/A変換器41に無彩色成分を読み取る際の発光光量設定を行い、ブラックトナー像に対する濃度センサ25の出力の読み取りを開始する。ブラックトナー濃度を読み取る場合、CPU40は、図19におけるオペアンプ56b(ゲイン=1の方)のA/D変換ポートを選択する。ここで、図22は従来における最大濃度補正用のテストパターンを示す説明図である。濃度センサ25の出力は、予め定められたサンプリング周期でCPU40に読み込まれRAM42に格納される。
【0055】
所定回数読み取ると、CPU40はD/A変換器41に彩色成分を読み取る際の発光光量設定を行い、マゼンタトナー像に対する濃度センサ25の出力の読み取りを開始する。マゼンタトナー像を読み取る場合は、CPU40は、図19におけるオペアンプ56a(ゲイン=1/2の方)のA/D変換ポートを選択する。濃度センサ25の出力は、予め定められたサンプリング周期でCPU40に読み込まれRAM42に格納される。
【0056】
こうして、ブラックとマゼンタの飽和濃度検出パターンが形成された中間転写体18の読み取り結果が、時間順にRAM42に格納される。ブラックとマゼンタでCPU40のA/D変換ポートを変えるのは、彩色成分濃度が飽和状態に近付くと、通常ゲイン(=1)ではCPU40のA/D変換ポートのリファレンス電位(5V)を越えるためである。つまりゲイン=1/2でCPU40に取り込み、ソフトウェアにより2倍して使用する。この手法では読み取り精度が低下するが、飽和濃度のような高濃度域は視覚特性上の精度も低いため、この程度の誤差は問題にならない。
【0057】
一層目の読み取りが終了すると、CPU40は、飽和濃度検出用パターン61および飽和濃度検出用パターン62の位置に対応したRAM42のアドレスから読み取り結果を集計し、各色毎に一層目の濃度データを求めRAM42に格納する。二層目以降も同様にして画像を形成する。二層目以降の飽和濃度検出用パターンは中間転写体18上で一層目と全く同じ位置に合成され、濃度センサ25により濃度を計測し、RAM42に格納する。
【0058】
そして、二層目の濃度計測が終了した時点で、一層目の濃度データと二層目の濃度データを比較する。
【0059】
これらの濃度データの比が予め定められた範囲を満たさない場合は、CPU40は、感光体1から中間転写体18への転写が異常であると判定する。層が増えるに従って濃度データの絶対値は収束するが、転写不良が発生した場合は、特に一層目から二層目の濃度上昇率が非常に小さくなる。予め現像器内部のトナー量は、残量検出手段によって判定されているから、転写不良を正しく検出できる。転写不良が発生した場合は、階調補正はもとより、通常の印字も不良となるため、CPU40は、直ちに電子写真装置を停止し、ディスプレイ装置にエラーメッセージを表示する。ここでは、一層目と二層目の濃度上昇率に基づいて転写不良を検出しているが、地肌濃度はある程度チューニングされるので、一層目の濃度データそのものでもある程度の判定は可能である。また、各層の濃度データと濃度上昇率を組み合わせても転写不良は判定可能である。
【0060】
以上のようにして単層画像を合成して行くと、四層程度の合成で中間転写体18上のトナー濃度は飽和する。このときの濃度センサ25の出力をブラック、マゼンタ毎に求めてダーク基準としてRAM42に格納する。飽和濃度が検出されると中間転写体クリーニング装置27は当接位置に移動し、中間転写体18はクリーニングされる。
【0061】
以上のようにブラックとマゼンタのダーク基準を検出すると、次はイエローとシアンのダーク基準を検出する。
【0062】
選択された中間転写体位置検出マーク22が中間転写体位置検出センサ23によって検出されると、所定時間経過後に画像形成装置に内蔵された飽和濃度検出用パターンデータに基づき、感光体1上に図21に示したテストパターンの静電潜像が形成される。所定時間経過後にイエロー現像器10Yが感光体1に当接し、図21における飽和濃度検出用パターン61の位置の潜像を顕画化する。飽和濃度検出用パターン61の位置の現像が終了すると、現像器10Yは待機位置に復帰し、次にシアン現像器10Cが感光体1に当接し、図21における飽和濃度検出用パターン62の位置の潜像を顕画化する。
【0063】
顕画化されたテストパターンは、中間転写体18に転写され、濃度センサ25の位置に搬送される。飽和濃度検出用パターン61が濃度センサ25の位置に到達する直前に、CPU40は、D/A変換器41に彩色成分を読み取る際の発光光量設定を行い、イエローおよびシアントナー像に対する濃度センサ25の出力の読み取りを開始する。このときCPU40は、図19におけるオペアンプ56a(ゲイン=1/2の方)のA/D変換ポートを選択する。濃度センサ25の出力は、予め定められたサンプリング周期でCPU40に読み込まれRAM42に格納される。
【0064】
こうしてイエローとシアンの飽和濃度検出パターンが形成された中間転写体18の読み取り結果が時間順にRAM42に格納される。
【0065】
一層目の読み取りが終了すると、CPU40は、飽和濃度検出用パターン61および飽和濃度検出用パターン62の位置に対応したRAM42のアドレスから読み取り結果を集計し、各色毎に一層目の濃度データを求めRAM42に格納する。二層目以降も同様にして画像を形成し、中間転写体18上で合成し、濃度センサ25により濃度を計測し、RAM42に格納する。
【0066】
以降の動作は、ブラックとマゼンタトナーの飽和濃度を検出した場合と同じであり、こうしてイエローとシアンのダーク基準が検出される。
【0067】
以上のようにして各色のダーク基準が検出されると、階調補正は第三段階にはいる。第三段階以降では、中間転写体クリーニング装置27は当接し、中間転写体18は、常にクリーニングされている。
【0068】
第三段階では、濃度センサ25の光量を彩色成分計測時、無彩色成分計測時の2つの設定に切り換えて、中間転写体18の地肌濃度、すなわちハイライト基準を計測する。既に画像形成が可能な状態であるので、選択された中間転写体位置検出マーク22を中間転写体位置検出センサ23が検出するのを待って、画像形成装置は階調補正の第三段階に移行する。選択された中間転写体位置検出マーク22が、中間転写体位置検出センサ23によって検出されると、所定時間経過後にCPU40は、D/A変換器41に彩色成分を読み取る際の発光量設定を行い、濃度センサ25の出力の読み取りを開始する。
【0069】
濃度センサ25の出力は、予め定められたサンプリング周期でCPU40に読み込まれる。CPU40は、読み込み結果を直ちにRAM42に格納する。例えば中間転写体18の画像領域を370mm、搬送速度を100mm/s、サンプリング周期を10msとすると、中間転写体18が一周する間に370個のデータがRAM42に格納される。
【0070】
彩色成分用の発光量設定のもとで、中間転写体18の地肌濃度計測が終了すると、CPU40は、D/A変換器41にデータをセットして、濃度センサ25の発光量を無彩色成分計測時の設定にし、選択された中間転写体位置検出マーク22の検出を待つ。再度中間転写体位置検出マーク22が中間転写体位置検出センサ23によって検出されると、彩色成分のときと全く同様に、無彩色成分用の発光量設定のもとで中間転写体18の地肌濃度を計測し、結果をRAM42に格納する。無彩色成分の発光量設定のもとで中間転写体18の地肌濃度計測が終了すると階調補正の第三段階は終了する。
【0071】
次に、第四段階の最大濃度補正について述べる。
【0072】
前述したように、画像形成装置の用紙上濃度は、環境変動、経時的に変化し、画像データの最大値(FFH)に対応する濃度値は一定でない。そのため、現像バイアスを制御して目標最大濃度を確保するもので、補正パターンとして、図22に示すものが各色毎に用意される(各パターンの描画データは一定でFFH)。そして、感光体1上に、補正パターンを形成しながら、各パターン位置で現像バイアスを最低(−125V)から最大(−350V)まで変化させる。これにより、10段階の濃度パターンが顕画化され、第一転写後に濃度センサ25により検出され、後述する濃度検出アルゴリズムに従って、濃度値がCPU40により認識され、RAM42に格納される。そして、各パターンの濃度チェックを行い、目標最大濃度(例えば反射濃度1.5)に対応する現像バイアス値を選択する。
【0073】
第四段階が終了すると第五段階に入る。
【0074】
第五段階では、中間転写体18上に形成された階調を有するテストパターンの濃度を各色毎に検出し、第三段階までで求められたダーク基準とハイライト基準を用いて、画像形成装置のγ特性を補正するテーブルを作成する。
【0075】
図23は第五段階で使用される従来における階調補正用のテストパターンを示す説明図である。この階調補正用のテストパターンは、電源投入時や、適当な条件が整った場合に形成される。このため、多数回の同一パターン形成によりパターン領域が物理的に劣化しても、画質劣化が視覚的に目立ちにくいように、画像領域の端部に形成される。階調補正用テストパターンは、合計10個であり、各々異なる濃度パターンを形成するように、予め画像データが設定されている。例えば先頭のパターンは、16進表現で10H、次のパターンは20Hのように、画像の先頭から順に濃度が高くなる設定となっている。
【0076】
また中間転写体18において、テストパターンの形成位置は各色共通であり、画像データも共通であるが、各色画像は色によって異なるスクリーン角を用いて形成され、例えばホストコンピュータ等から転送された画像データを印字する際のスクリーン角と階調補正実行時のスクリーン角は色毎に共通である。
【0077】
次に、中間転写体18に形成された彩色成分並びに無彩色成分のトナーを濃度センサ25で検出したときの一般的な特性について、図24を用いて説明する。ここで、図24は従来における彩色成分および無彩色成分の階調補正用のテストパターンに対する濃度センサの出力を示す説明図である。簡単のため、トナーがない状態の中間転写体18を濃度センサ25で検出したときの出力は、グラフの中央を示すものとする。また、彩色成分と無彩色成分のパターンは、先頭から順に濃度が上昇するよう予め定められているとする。
【0078】
彩色成分の場合、階調補正用テストパターンの濃度上昇とともに、濃度センサ25の出力も上昇する。厳密には各色で特性は異なるが、パターン濃度の上昇に応じて濃度センサ25の出力が単調増加するという点では差はない。
【0079】
一方、同条件で無彩色成分のパターンを検出したときは、パターン濃度の上昇に応じて濃度センサ25の出力は単調減少する。パターン濃度上昇と共に彩色成分と無彩色成分でグラフの中央、すなわち中間転写体18の地肌レベルを挟んで異なる方向に値が変化するのが大きな特徴である。
【0080】
誘電体である中間転写体18は、カーボンが分散されているため黒色であるが、表面は滑らかであり、ある程度の反射率を有する。彩色成分を検出する場合は、トナーの反射率と光の散乱が共に増加し、濃度センサ出力は単調増加する。一方、無彩色成分に対する特性は、パターン濃度に応じて濃度センサからの照射光はトナー表面で吸収されるため、濃度センサの出力は単調減少する。
【0081】
階調補正の第二段階終了後に、選択された中間転写体位置検出マーク22が検出されると、所定時間経過後に画像形成装置に内蔵された濃度データに基づき、感光体1上にテストパターンの静電潜像が形成される。既に各高電圧等の画像形成に必要な構成要素は起動され、この時点では画像形成の準備は整っている。
【0082】
画像形成プロセスは、選択された中間転写体位置検出マーク22を基準にして進行されるため、以降の動作は選択された1つの中間転写体位置検出マーク22の検出に基づくものである。所定時間経過後に、現像器10Kが、感光体1に当接し、階調補正用テストパターンを顕画化する。顕画化されたブラックのテストパターンは、中間転写体18に転写され、濃度センサ25まで搬送される。
【0083】
さらに所定時間経過後に、CPU40は、D/A変換器41に無彩色成分を読み取る際の発光量設定を行い、濃度センサ25の出力の読み取りを開始する。濃度センサ25の出力は、予め定められたサンプリング周期でCPU40に読み込まれる。読み込みは、全画像領域に対して行い、CPU40は読込み結果を直ちにRAM42に格納する。
【0084】
以上のようにして、無彩色成分のテストパターンの濃度測定が終了すると、CPU40は、D/A変換器41に彩色成分を読み取る際の発光量設定を行い、選択された中間転写体位置検出マーク22が再度検出されるのを待つ。以降は、ブラックと同じ画像データを用いて、シアン、マゼンタ、イエローのテストパターンを中間転写体位置検出マーク22が検出される毎に形成し、ブラックの場合と同ようにRAM42に格納する。
【0085】
前述したように、この時点で中間転写体クリーニング装置27は、当接状態であり、中間転写体18は常にクリーニングされているので、濃度センサ25は色毎に階調補正パターンを読み取ることができる。
【0086】
こうして、無彩色成分の光量設定における中間転写体18の地肌濃度、無彩色成分のテストパターンの濃度検出結果、並びに彩色成分の光量設定における中間転写体18の地肌濃度、シアン・マゼンタ・イエローの各テストパターンの濃度検出結果が、それぞれRAM42に格納される。このデータは、濃度センサ25の出力を単に時間順に取得したものに過ぎないため、テストパターン形成・読み取り動作が終了すると、画像形成装置は、各モータや帯電器8等の動作をすべて停止し、データ処理を行う。
【0087】
RAM42内のデータは、すべて同じ中間転写体位置検出マーク22の検出に基づき得られたものなので、地肌濃度とテストパターン読み取り開始点は中間転写体18の同一地点のものである。また、中間転写体位置検出マーク22を検出してから、CPU40が濃度センサ25の出力の取り込みを開始するまでの時間は定まっているので、1つ1つのテストパターン位置に対応した読み取り結果は容易に得られる。まず、1つのテストパターン対して、8個のポイントの値を合計し、この平均値を1つのパターンの濃度値とする。こうして無彩色成分の光量設定における各パターン位置の地肌濃度とトナー濃度および彩色成分の光量設定における各パターン位置の地肌濃度とシアン、マゼンタ、イエローのトナー濃度を求めることができる。
【0088】
各色の階調補正用テストパターンの濃度計測が終了すると、第二段階で求めたダーク基準と第三段階で求めたハイライト基準を用いて階調補正テーブルを作成する。以降簡単のために、ブラック(無彩色成分)とシアン(彩色成分)のデータ処理について説明する。マゼンタとイエローに対するデータ処理はシアンの場合と同様である(ただし、ダーク基準は独立した値を使用する)。また、各パターン位置をn(n=0〜9)とし、nの位置の中間転写体18の地肌濃度(ハイライト基準)を、ブラックの場合はHL_K[n]、シアンの場合はHL_CMY[n]とし、階調パターンのトナー濃度をシアンの場合はD_C[n]、ブラックの場合はD_K[n]とする(Dはdensityを意味する)。さらにブラックのダーク基準をDK_K、シアンのダーク基準をDK_Cとする(DKはdarkを意味する。なお、配列要素がないのは、ダーク基準がパターン位置に無関係であるためである)。
【0089】
まず、ブラックに対するデータ処理を図25を用いて説明する。図25は従来におけるブラックの各パターンの濃度計測結果、ハイライト基準とダーク基準の関係およびデータ処理を示す説明図である。ブラックのデータ処理は、ダーク基準DK_Kと、各パターン毎の濃度データD_K[n]と、ハイライト基準HL_K[n]を用いて行う。
【0090】
最初に、全てのnに対して、DIF[n]=HL_K[n]−D_K[n]を計算し、DIF[n]を真の濃度レベルと規定する。次に、全てのnに対して、DL[n]=HL_K[n]−DK_Kを計算し、DL[n]を各パターン毎のダイナミックレンジと規定する。次に、DIF[n]を、DL[n]に対して8ビットで正規化する。すなわち各パターン毎に正規化値NM[n]を、NM[n]=DIF[n]×255/DL[n]に基づき計算する。さらに、正規化されたデータを用紙上の濃度に変換する。濃度変換は予め実験的に取得した濃度変換テーブルを用いる。
【0091】
ブラックの濃度変換テーブルについて、図26を用いて説明する。図26は従来におけるブラックの濃度変換テーブルを示すグラフである。
【0092】
図26において、横軸は各パターン毎の濃度センサ25の出力を上述した手法に基づいて正規化した値であり、縦軸は同じパターンを用紙に形成したときの濃度(マクベス濃度)である。これらのテーブルは、中間転写体18に形成された階調補正用パターンや飽和濃度検出用パターンを、濃度センサ25で検出し、正規化したデータと、同一パターンを用紙上に転写・定着したサンプルがあれば容易に得ることができる。
【0093】
ブラックの濃度変換テーブルは、中濃度域〜高濃度域で正規化値に対する用紙上濃度が急激に変化するため、テストパターンの濃度が上昇するほど検出の精度が低くなる。この特性は、一般に言われる反射率vs濃度変換特性そのものと考えてよい。フルカラー画像では、ブラックは補助的な使われ方がされ、また人間の視覚特性が高濃度域ほど濃度差に鈍感になるため、高濃度域における精度の劣化はさほど問題にならない。
【0094】
次に、シアンに対するデータ処理を図27を用いて説明する。図27は従来におけるシアンの各パターンの濃度計測結果、ハイライト基準とダーク基準の関係およびデータ処理を示す説明図である。シアンのデータ処理は、各パターン毎の濃度データD_C[n]と、ハイライト基準HL_CMY[n]と、ダーク基準DK_Cを用いる。
【0095】
最初に、全てのnに対して、DIF[n]=D_C[n]−HL_CMY[n]を計算し、DIF[n]を真の濃度レベルと規定する。次に、全てのnに対して、DL[n]=DK_C−HL_C[n]を計算し、DL[n]を各パターン毎のダイナミックレンジと規定する。次に、DIF[n]を、DL[n]に対して8ビットで正規化する。すなわち各パターン毎に正規化値NM[n]を、NM[n]=DIF[n]×255/DL[n]に基づき計算する。さらに、正規化されたデータを用紙上の濃度に変換する。濃度変換には、予め実験的に取得した濃度変換テーブルを用いる。
【0096】
濃度変換テーブルについて図28を用いて説明する。図28は従来におけるシアンの濃度変換テーブルを示すグラフである。図28において、横軸は各パターン毎の濃度センサ25の出力を上述した手法に基づいて正規化した値であり、縦軸は同じパターンを用紙に形成したときの濃度(マクベス濃度)である。これらのテーブルは、中間転写体18に形成された階調補正用パターンや飽和濃度検出用パターンを、濃度センサ25で検出し、正規化したデータと、同一パターンを用紙上に転写・定着したサンプルがあれば容易に得ることができる。またハイライト基準とダーク基準が測定系で一意に定まれば、これらのグラフの形はほとんど変わらないため、正規化後のデータから用紙上の濃度が正しく予測できる。
【0097】
以上の説明で濃度センサ25の出力から画像濃度を検出する手法を示した。一方、階調補正用テストパターンのデータ、すなわち入力は、予め定められた値であり既知である。この入力データと、用紙上濃度との関係は電子写真装置のγ特性に他ならない。したがって、用紙上の濃度に対する入力データの関係を求めれば、γ特性の逆関数(階調補正テーブル)を求めることができる。
【0098】
次に、図29を用いて画像データと階調補正テーブルの関係を説明する。図29は従来における画像データの処理手順を示すブロック図である。
【0099】
CPU40は、作成された階調補正テーブルをSRAM51に転送している。コントローラ52から出力された画像データ53が、SRAM51のアドレスをアクセスすると、階調を補正された画像データが、SRAM51からレーザドライバ54に出力される。レーザドライバ54は、画像データに応じたパルス幅変調を行い、レーザダイオード55を発光させる。階調補正テーブルをアクセスすることで、例えばコントローラ52から均等ステップの画像データ53が出力されると、電子写真装置のγ特性は逆関数である階調補正テーブルによって打ち消され、用紙上の画像濃度も均等ステップとなる。以上の動作により単色画像の階調性が確保される。
【0100】
【発明が解決しようとする課題】
しかしながら、従来の画像形成装置には、次のような解決すべき課題がある。
【0101】
すなわち、上述したカラーレーザビームプリンタの使用環境は、ホストコンピュータによりカラー画像データの加工、蓄積、転送が行われ、通常はモニタ用のCRTを見ながら、オペレータが作業を行っている。この場合、CRTの画面上の色とカラーレーザビームプリンタのハードコピーの色は、当然同じである必要があるが、両者の物理特性の違いから、そのγ特性、色再現範囲は通常異なっている。そのため、カラーレーザビームプリンタ内でCRT画面上の色と整合させるために一般的にマスキング補正が行われるのは周知の通りである。
【0102】
このマスキング補正は、カラーレーザビームプリンタの単色のγ特性が一定であり、なおかつ、これら各色のトナー像を中間転写体上で重ね合わせた場合の各色トナーの重なる量、比率(カラーバランス)が常に一定という前提条件の基に機械固有の係数が設定される。これに関し、前述したように、単色のγ特性については、従来の技術で解決できるが、中間転写特性は、機械間バラツキ、環境特性、経時特性により多色転写効率が変動し、カラーバランスが一定となり得ない。すなわち、各色トナーの重なる量、比率が変動し、一義的なマスキング係数が決定できないという問題がある。
【0103】
ここで、機械間バラツキは、中間転写体の抵抗値、感光体とのニップ幅、接触圧等の変動パラメータが機構精度によりバラツクことを意味する。環境特性も、中間転写体の抵抗値、トナー物性、エアギャップの放電特性等が温度、湿度に依存して変化するため、結果的に中間転写特性が変動することになる。経時特性についても、機械的摩耗、金属疲労、ばね圧の変化等でニップ幅、接触圧等のパラメータが変化する。
【0104】
そこで、本発明は、機械間バラツキ、環境変化等による中間転写特性の変化に対しても常に良好なカラーバランスが得られる画像形成装置を提供することを目的とする。
【0105】
【課題を解決するための手段】
この課題を解決するために、本発明の画像形成装置は、レーザ光により感光体上に複数個のテストパターンの潜像を形成する露光光学系と、形成されたテストパターンの潜像を顕画化する複数色の現像器と、顕画化された前記テストパターンのトナー像を保持する中間転写体と、各色トナー像を形成するため現像器に加える現像バイアス値を変化させる現像バイアス印加手段とを備え、各色で順にテストパターンの潜像を感光体上に形成して顕画化し、中間転写体上でテストパターンの各色トナー像を順に重ね合わせる画像形成装置であって、中間転写体において保持されたテストパターンの単色、2色重ね合わせた二次色、3色重ね合わせた三次色の各色トナー像のトナー量をそれぞれ検出する濃度センサを備え、この濃度センサで検出した単色、二次色、三次色のトナー量に対応する該濃度センサの出力レベルを基に、現像バイアス印加手段が各現像バイアス値を変化させて各色トナー量のカラーバランスを維持する構成としたものである。
【0106】
これにより、各色トナー量が同一となる画像形成条件の値を決定し実印字で使用する操作を、機械間、環境の変化、所定時間経過毎に起動することができるので、常に良好なカラーバランスを維持することができる。
【0107】
【発明の実施の形態】
本発明の請求項1に記載の発明は、レーザ光により感光体上に複数個のテストパターンの潜像を形成する露光光学系と、形成されたテストパターンの潜像を顕画化する複数色の現像器と、顕画化されたテストパターンのトナー像を保持する中間転写体と、各色トナー像を形成するため現像器に加える現像バイアス値を変化させる現像バイアス印加手段とを備え、各色で順にテストパターンの潜像を感光体上に形成して顕画化し、中間転写体上でテストパターンの各色トナー像を順に重ね合わせる画像形成装置であって、中間転写体において保持されたテストパターンの単色、2色重ね合わせた二次色、3色重ね合わせた三次色の各色トナー像のトナー量をそれぞれ検出する濃度センサを備え、この濃度センサで検出した単色、二次色、三次色のトナー量に対応する該濃度センサの出力レベルを基に、現像バイアス印加手段が各現像バイアス値を変化させて各色トナー量のカラーバランスを維持する画像形成装置であり、各色トナー量が同一となる画像形成条件の値を決定し実印字で使用する操作を、機械間、環境の変化、所定時間経過毎に起動することができるので、常に良好なカラーバランスを維持することができ、現像バイアス値を変化させることで各色トナー像の形成状態を容易に制御することができるという作用を有する。
【0108】
本発明の請求項2に記載の発明は、請求項1記載の発明において、レーザ光のパワーを変化させてテストパターンの潜像を形成する画像形成装置であり、潜像の形成状態を容易に制御することができるという作用を有する。
【0112】
本発明の請求項に記載の発明は、加法色の原画データを減法色の画像データに変換するためのマスキング係数を記憶する第1の変換テーブルと、減法色の画像データをγ特性に応じて多色転写補正するための補正データを記憶する第2の変換テーブルと、減法色の画像データに基づいて、レーザ光をパルス幅変調部によって単位画素周期毎にパルス幅変調し、もしくは単位マトリックス内を画素毎にスライスレベルを切り替えて階調表現し、感光体上に複数個のテストパターンの潜像を形成する露光光学系と、形成されたテストパターンの潜像を顕画化する複数色の現像器と、顕画化されたテストパターンのトナー像を保持する中間転写体と、保持されたテストパターンの各色トナー像の単色、2色重ね合わせた二次色、3色重ね合わせた三次色のトナー量を検出する濃度センサとを有し、パルス幅変調部によるレーザ光のパルス幅変調によりテストパターンの潜像を形成し、濃度センサにより検出した各色の単色、二次色、三次色のトナーレベルに応じて、多色転写補正するため第2の変換テーブルを更新してこの第2の変換テーブルに基づいて各色トナー量のカラーバランスを維持する画像形成装置であり、機械間バラツキ、環境変化および経時変化に対するカラーバランスの変動を抑制することができるという作用を有する。
【0113】
以下、本発明の実施の形態について、図面を参照しながら説明する。
【0114】
図1は本発明の一実施の形態による画像形成装置の全体構成を示す概略図である。
【0115】
図1に示す画像形成装置は、感光体1上にレーザビーム等で形成された潜像を各色の現像器10K,10Y,10M,10Cで現像し、顕画化された単色画像を一旦中間転写体(像形成媒体)18上に転写して合成し、中間転写体18上の合成像を一括して用紙28に転写する、いわゆる中間転写体方式のカラーレーザビームプリンタである。なお、この画像形成装置における初期化から定着までの一連の説明および中間転写体18上のトナー濃度の認識アルゴリズムの説明は、従来の技術と同様のため省略する。
【0116】
まず、感光体1とその周辺の構成について説明する。
【0117】
感光体1は、PET基材、アルミ蒸着層、電荷発生層(CGL)、電荷輸送層(CTL)で構成されている。感光体1は、端部に感光体位置検出用マーク5が1つ配置され、継目7によりループベルト状に形成されており、3本の感光体搬送ローラ2、3、4によって支持されている。感光体1は、駆動モータ(図示せず)によって方向d1に周回動する。
【0118】
感光体1の周囲には、駆動方向d1に沿って帯電器8、露光光学系9、感光体位置検出センサ6、ブラック(K)、イエロー(Y)、マゼンタ(M)、シアン(C)の各色の現像器10K、10Y、10M、10C、中間転写前除電器11、中間転写ローラ12、感光体クリーニング装置13および除電器14が設けられている。
【0119】
感光体位置検出センサ6は、感光体位置検出マーク5を検出する。感光体位置検出センサ6の検出信号は、画像を形成する際の継目7の回避のために参照される。
【0120】
帯電器8は、タングステンワイヤ等からなる帯電線と金属板からなるシールド板、グリッド板等(図示せず)によって構成されている。帯電器8は、帯電線へ負の高電圧を印加してコロナ放電を起こし、グリッド板に例えば−600Vの電圧を印加し、感光体1の表面を一様に−500V程度の負の電位に帯電させる。
【0121】
露光光学系9は、レーザ駆動装置、ポリゴンミラー、レンズ系、ポリゴンミラー回転用のモータ(スキャナモータ)等(図示せず)で構成されている。露光光学系9は、帯電された感光体1上に静電潜像を形成する。露光光学系9から照射される露光光線15は、階調データをパルス幅変調部(図示せず)により変調し、もしくは前記階調データを単位マトリックス内で画素毎にスライスレベルを切り替えて(公知のデイザ法)レーザ変調信号となし、レーザ駆動装置(図示せず)でレーザを点滅させることで得られ、感光体1上に特定色の画像データに対応する静電潜像を形成する。
【0122】
各現像器10K、10Y、10M、10Cは、それぞれブラック、イエロー、マゼンタ、シアンのトナーを収納しており、導電性ゴム等を用いたスリーブローラ16K、16Y、16M、16Cを有している。
【0123】
各現像器10K〜10Cは、摩擦により負に帯電している薄層化されたトナーを感光体1の駆動方向d1に対して順方向に回転している各スリーブローラ16K〜16Cの表面に供給する。現像は、非磁性一成分トナーを用いた接触現像が採用されている。すなわち、スリーブローラ16K〜16Cに負の電圧(現像バイアス)を印加し、スリーブローラ16K〜16Cを回転させながら、各離接カム17K、17Y、17M、17Cに対応した専用モータ(図示せず)を駆動し、選択された現像器、例えばブラック現像器10Kをd3方向に移動させ、スリーブローラ16Kを感光体1に接触させる。潜像が形成された部分の感光体1の表面電位(明電位)は、−50〜−100V近くに上昇しており、スリーブローラ16Kに−300V程度の負の電位を与えることで、感光体1からスリーブローラ16Kの方向に電界が発生する。この結果、スリーブローラ16K上の負に帯電したトナーには、電界の逆、すなわち感光体1の方向にクーロン力が作用し、トナーは感光体1に形成された潜像部分に付着する。一方、潜像が形成されていない部分の感光体1の表面電位(暗電位)は、−500Vであるから、現像バイアスを印加しても、電界はスリーブローラ16Kから感光体1の方向に生じるため、トナーは感光体1に付着しない。以上のような現像プロセスは、光が照射された部分にトナーを付着させるため、一般にネガポジプロセスあるいは反転現像と呼称されている。
【0124】
中間転写前除電器11は、線上に配置した複数個の赤色LEDを有している。中間転写前除電器11は、感光体1に形成されたトナー像を各色画像の合成媒体である中間転写体18に転写する直前に、感光体1の表面を除電する。中間転写前除電器11は、原則的に第一色目の転写時には動作せず、第二色目以降の転写の際に動作する。転写前除電は、中間転写体18にトナー像が転写され、かつ感光体1上にトナーが存在しない場合に、中間転写体18のトナー像が感光体1に逆転写するのを防止する効果がある。
【0125】
ここで、逆転写発生のメカニズムを以下に説明する。中間転写体18にトナー像が存在し、かつ感光体1上にトナーが存在しない場合には、中間転写体18上のトナーは、後述する中間転写ローラ12による転写バイアスと感光体1の表面電位による過剰な電界中にさらされる。このため、トナーの真の電荷が剥奪される、いわゆる電荷注入が発生し、トナーと感光体1との間でファンデルワールス力が支配的になり、トナーが感光体1に逆転写したり、逆帯電トナー(正に帯電したトナー)が発生して、クーロン力により感光体1に逆転写すると考えられている。
【0126】
一方、転写前除電を行った場合は、感光体1のトナーが存在しない部分が明電位となるため、トナーに過剰な電界が作用しなくなり、効率よく逆転写を防止することができる。しかしながら、除電作用が大きすぎると、ドット周辺のトナーがない部分の電位のバリアが消失し、トナーを感光体1の面方向に束縛する力が減少するため、転写の際にドットが飛散してしまう。したがって、転写前除電器の発光光量は十分管理する必要がある。
【0127】
中間転写ローラ12は、感光体支持ローラ3の近傍にあって、中間転写体18の内側に接触する金属ローラであり、中間転写体18を挟んで感光体1と対向して配置されている。感光体1のアルミ蒸着層は、接地されているため、中間転写ローラ12に正電圧を印加すると、中間転写ローラ12から感光体1の方向に電界が発生する。このため、感光体1上の負電荷トナーには、中間転写体18の方向にクーロン力が作用し、トナーは中間転写体18に転写される。
【0128】
感光体クリーニング装置13は、感光体1を挟んで感光体支持ローラ4と対向して配置されている。感光体クリーニング装置13は、感光体1から中間転写体18の転写後に感光体1に残っている残留トナーを除去する。感光体1の継目7は露光光線15の走査方向に対して3゜〜5゜程度傾斜して設けられており、継目7が感光体クリーニング装置13を通過する際の衝撃により、画像が乱れないよう配慮されている。したがって、感光体クリーニング装置13は、感光体1に対して離接する機構を有していない。
【0129】
除電器14は、線上に配置した複数個の赤色LEDを有している。除電器14は、感光体1上の残留電位を除去する。
【0130】
次に、中間転写体18とその周辺の構成について説明する。
【0131】
中間転写体18は、導電性の樹脂等からなる継ぎ目のないループ状のベルトであり、単色画像を合成してフルカラー画像を形成するための媒体である。中間転写体18は、端部に中間転写体位置検出用マーク22が8つ配置され、3本の搬送ローラ19、20、21によって支持されている。中間転写体18は、感光体1と同一の駆動モータ(図示せず)により方向d2に周回動する。
【0132】
中間転写体18の周面には、駆動方向d2に沿って、濃度センサ25、用紙転写手段としての用紙転写ローラ26、中間転写体位置検出センサ23、中間転写体クリーニング装置27、プリチャージトランスファー24が配置されている。
【0133】
中間転写体位置検出センサ23は、中間転写体位置検出マーク22を検出する。画像を形成する際に、複数個の中間転写体位置検出用マーク22から選択した1つの中間転写体位置検出用マーク22に対する中間転写体位置検出センサ23の検出信号は、画像形成位置の基準として用いられる。
【0134】
ここで、画像形成基準の決定方法について説明する。
【0135】
図1の構成の画像形成装置では、感光体1と中間転写体18の周長は等しくなるよう設計されているが、完全に同一ではないため各々の回転周期が異なる。もし、感光体位置検出マーク5を画像形成基準にした場合は、感光体1上では常に同じ位置にトナー像が形成されるが、中間転写体18上で画像を重ねると各色のトナー像が位置ずれを起こす。一方、中間転写体18から画像形成基準を得た場合は、周長差に応じて感光体1上の画像形成位置は徐々に変わって行くが、中間転写体18上では同じ位置に合成像が形成される。したがって、画像形成基準は中間転写体18から得ねばならない。ところで、感光体1には継目7があり、継目7上にトナー像は形成できないため、中間転写体18の適当な位置で画像形成位置を見つけても、画像形成動作に移行できない場合がある。
【0136】
そこで、中間転写体18の端部に、中間転写体位置検出マーク22を複数個配置しておき、感光体位置検出マーク5を検出する直前の中間転写体位置検出マーク22を、画像形成基準として選択する。さらに、感光体位置検出マーク5を検出する直前の中間転写体位置検出マーク22を検出してから、感光体位置検出マーク5を検出するまでの時間を位相差時間として計測し、選択された中間転写体位置検出マーク22を検出後、全ての作像プロセスを位相差時間だけ遅延させる処理を行っている。
【0137】
原理上は、中間転写体位置検出マーク22は一つであっても構わないが、感光体1と中間転写体18の位置関係によっては、ファースト印字が遅くなったり、中間転写体位置検出マーク22を検出してから画像形成開始までに時間がかかり、中間転写体18上の画像位置合わせ精度の劣化が考えられるため、中間転写体18には複数の中間転写体位置検出マーク22を配置し、マーク検出後速やかに画像形成が開始されるよう配慮されている。
【0138】
濃度センサ25は、反射型センサを応用したものであり、発光側の出力は、D/A変換器(図示せず)にデータを設定して電流を制御することで発光光量を変化させ、受光側の出力は、オペアンプ(図示せず)等で増幅され、CPU40のA/D変換ポート(図示せず)に入力される構成となっている。濃度センサ25は、中間転写体18上のトナー濃度を検出する。
【0139】
中間転写体クリーニング装置27は、用紙転写後の中間転写体18上の残留トナーを除去する装置である。中間転写体クリーニング装置27は、中間転写体18上にトナー像が合成されている間は中間転写体18から離間しており、クリーニングに供するときのみ当接する。
【0140】
次に、給紙系30等並びに定着装置35の構成について説明する。
【0141】
給紙系は、用紙カセット30、給紙ローラ31、用紙搬送路32、スリップローラ33、レジストローラ34aと、その従動ローラ34bから構成されている。
【0142】
用紙カセット30は、用紙28を収納するためのカセットであり、最大100枚の用紙を装着することができる。用紙カセット30の周辺には、用紙カセット有無センサ、用紙サイズ判別センサ、用紙有無センサ、用紙残量センサ(全て図示せず)等が配置されている。
【0143】
給紙ローラ31は、半月形のローラであり、用紙カセット30から用紙28を1枚づつ用紙搬送路32へ送り出す。用紙搬送路32の途中には、スリップローラ33が配置され、給紙ローラ31によってピックアップされた用紙28は、スリップローラ33によりレジストローラ34aまで搬送される。用紙28の先端がレジストローラ34aに到達した時点では、レジストローラ34aは回転しておらず、用紙28は先に進むことができずにスリップローラ33位置でスリップしている。レジストローラ34aと従動ローラ34bは、用紙28と中間転写体18上の合成像の位置を一致させるため一時的に用紙28を停止待機させる。動作時は、共に回動して用紙28を用紙転写ローラ26の方向へ搬送する。
【0144】
定着装置35は、ヒートローラ36、加圧ローラ37、温度センサ38等で構成されている。ヒートローラ36は、ヒータと、アルミ製の芯金、厚み0.5mm程度のシリコンゴムによって構成されており、用紙28上に転写されたトナー像の表面を加熱しトナーを軟化、溶融させる。加圧ローラ37は、鉄製の軸と厚み3mm程度のシリコンゴムとからなり、ヒートローラ36との間に用紙28を挟持して圧力を加える。ヒートローラ36と加圧ローラ37の挟持回転に伴い熱と圧力で用紙28上のトナー像は用紙28に定着しカラー画像を形成する。温度センサ38は、サーミスタ等のセンサであり、ヒートローラ36の表面温度を検出する。温度センサ38からの出力は、適当なサンプリング周期で検出され、検出結果に基づいて、単位時間当りのヒータの点灯時間が制御され、常に規定の温度を保持している。
【0145】
図2は図1の画像形成装置におけるファンクションブロックを示す説明図である。
【0146】
図2において、RGB原画データ発生手段100は、ホストコンピュータ等で構成されている。変換テーブル101は、RAM等で構成されており、RGB−CMY変換を行うためのマスキング係数を記憶している。γテーブル102は、画像形成装置の階調特性に応じ、画像データを補正するためのデータを記憶している。パルス幅変調部もしくはデイザ処理部103は、画像データの一画素単位の濃度レベルをレーザ光の照射時間に変調し、もしくは単位マトリックス内で画素毎にスライスレベルを切り替える。露光光学系9は、レーザにより感光体1上に静電潜像を形成する。現像手段105は、潜像形成手段104で形成された潜像をトナー像にする。中間転写手段106は、該トナー像を各色保持し重ね合わせる。用紙転写手段107は、該中間転写されたトナー像を用紙28に一括転写する。定着手段108は、該用紙28上トナー像を定着する。濃度検出手段109は、中間転写体18上のトナー付着量を検出する。CPU110は、画像形成装置の画像形成動作の制御を行う。ROM111は、画像形成動作に関するプログラムを記憶している。I/Oポート112は、アクチュエータ、センサ等の入出力を制御する。高圧電源113は、各プロセス要素に高圧を印加する。
【0147】
次に、このような構成を有する画像形成装置の動作について詳述する。
【0148】
電源投入、初期化終了後、まず、露光光学系9よりシアンの濃度データレベルFFHのテストパターンデータを感光体1上に潜像形成する。その後、所定の現像タイミング動作により、テストパターンを現像器C10で現像する。ここで、上記パターンの各々のパッチに対し、現像バイアスの異なる値が設定されるので、それらの値をVb0からVb7まで変化させる。そして、従来の技術と同様に、中間転写を行い、中間転写体18上に前記パッチのトナー像を保持する(図3参照)。そして、濃度センサ25によりテストパターンを検出し、CPU109によりシアンの各々のパッチのトナー付着量を認識する。この単色における現像バイアスの変化に対する中間転写体18上トナー付着量の変化特性は、CPU109内部の記憶手段に格納される。
【0149】
次に、マジェンタのテストパターンデータを前述と同様のシーケンスで中間転写体18上にトナー像として保持する。このとき、マジェンタのトナー像は、前に保持されているシアンのトナー像と重なり合う(図4参照)。そして、濃度センサ25によりこれらの重なり合った2色(二次色)のトナー付着量を検出する。以下同様に、イエローのトナー像を中間転写体18上に保持し、同様にシアン、マジェンタ、イエローが重なり合った3色(三次色)(図5参照)のトナー付着量を検出する。中間転写体18上のトナー付着量とセンサレベルの関係は予め実験により数値化されており、トナー付着量の変化に対するセンサレベルの変化特性は、予め記憶手段により記憶されているため、中間転写体18上のトナー付着量の検出が可能となる。
【0150】
なお、トナー付着量とセンサレベルの関係は、該濃度センサの発光源のスペクトルが赤外領域のため、色には依存せず、単色、二次色、三次色とも同様の特性となり、しかも略線形となる(図7参照)。また、認識のアルゴリズムは従来の技術と同様である。
【0151】
ここで、上記単色、二次色、三次色のトナー付着量から、シアン、マジェンタ、イエローの各色トナー付着量を導出する操作を図6および図7を基に説明する。
【0152】
図6において所定現像バイアス値(例えばVb1)での中間転写体18上での単色、二次色、三次色のトナー付着量に対するセンサレベルをレベル1、2、3とすれば各色トナー付着量は、
Cトナー付着量=レベル1
Mトナー付着量=レベル2−レベル1
Yトナー付着量=レベル3−レベル2
となる。
【0153】
一方、図7においてトナー量検出動作時に取得された現像バイアスとトナー付着量の関係は、既に記憶手段に格納されており、所定現像バイアス値での各色トナー付着量は図6を基に説明したアルゴリズムで算出できる。
【0154】
ここで、マスキング係数は、規定の中間転写体18上の各色トナー付着量もしくは最終出力画像濃度に対して、色データとのマッチングをとるために決定された定数である。そのため、マスキング係数が固定であるということは、中間転写体18上のトナー付着量が常に一定である必要がある。そこで、予め、ある固有のマスキング係数に対し、中間転写体18上のトナー付着量の目標値が一義的に決定される。そして、目標トナー付着量に対応した現像バイアス値は、容易に決定できる。
【0155】
仮に、各色目標トナー付着量を各色一律にNmg/cm2とする。なお、これは必ずしも各色一律である必要はない。これは、図7においてDc、Dm、Dyに相当する量であるため、各色のトナー付着量が目標値となる現像バイアス値は、それぞれ、Vc、Vm、Vyである。該トナーパッチは画像データ、すなわち最大濃度レベルFFHで潜像形成されており、前述した値の現像バイアスを印加すればこのデータ値に対応するトナー付着量は目標値となり得る。つまり、FFHデータに対する単色、二次色、三次色のカラーバランス、付着量は一定となる。
【0156】
そして、中間調データ(00H〜FEH)に対しては、従来の技術と同様に階調補正用テストパターンを検出し、階調補正テーブルを更新することで、単色における中間調の線形性は確保される。
【0157】
これら各色補正された階調パターンを中間転写体18上で重ね合せれば、図8に示す従来の技術の多色転写後のトナー付着状態に比べ、図9に示す本発明の多色転写後のトナー付着状態からも明らかなように、良好なカラーバランスが可能となる。すなわち、前述したこれら階調補正動作時に取得された最適の各色現像バイアス値が、CPU内部の高圧設定手段のレジスタにセットされ、通常印字において各色現像時に当該バイアスが印加される。
【0158】
以上、説明した内容は多色転写時の中間転写体上トナー付着量の変動に対し、現像バイアスを可変させることで安定化を図った。なお、この様な制御方式を多色転写補正と称する。
【0159】
次に、本発明の他の実施の形態を図10および図11を参照して説明する。
【0160】
本発明の他の実施の形態としては、例えばレーザパワーを制御することでも所期の目的を達成できるというものである。レーザパワーで有利な点は、前述した様なテストパターンを形成する際にパッチのサイズが小径で済むという点である。レーザパワーを可変するための電子回路を現在のバイポーラ、CMOS半導体で構成すれば、レーザ駆動電流、すなわちレーザパワーの立上り、立ち下がり時間は数nsecのオーダとなる。
【0161】
一方、現像バイアスはDC/DCコンバータ方式の高圧電源より出力されるが、この出力の立ち上がり、立ち下がり時間は、レベルが確定するまでに20〜50msecかかる。これは、プロセススピード150mm/secの画像形成装置では3mm〜7.5mmに相当する距離であり、規定の現像開始位置に対し3mm〜7.5mmの誤差を発生する。また、現像バイアスの起動制御はCPUによる時間管理で行われるが、感光体上のパッチ形成位置と起動タイミングには必ず誤差を生じる。これは、感光体を駆動する駆動源(DCモータ等)、ギア、カム、ローラ等構成されるサーボ系の伝達特性が一般に一次遅れ、またはより高次の系となり、定速制御を行う場合、必ず速度ムラを生じる。すなわち、感光体の位置制御に誤差を生ずることとなり、現像バイアスの起動タイミングとパッチの位置の関係は誤差が発生する。これらの誤差要因を考慮すると、図12に示す規定のトナーパッチサイズa、すなわち副走査方向のパッチ長を確保するためには、潜像パッチの形成時点で潜像パッチサイズに余裕をもたせる必要がある。その結果、現像後の1つのパッチに対する全トナー付着量は規定サイズに比べ多くなる確率が高い。
【0162】
この点、レーザパワー可変の場合は現像バイアスは一定値を印加すれば良く、前述の立ち上がり、立ち下がり時間およびタイミングに関する誤差要因は原理的に発生せず規定サイズの潜像パッチを形成すれば良く、レーザパワーの立上り時間はサイズに対して問題とならないことは明らかである。つまり、レーザパワーを可変すれば、現像バイアス可変に比べ、トナー消費量が少なくて済むという利点がある。画像形成装置でのトナー消費量の増加はランニングコストのアップにつながるとともに、これらのトナーパッチは用紙に転写されずに、クリーニング機構を経て廃トナー回収ボックス(図示せず)に回収されるため、廃トナーボックスの交換頻度が高くなるという問題がある。故にレーザパワー可変、すなわち現像バイアス一定とすることは、さらに有効な手段となる。
【0163】
ここで、当該レーザパワー可変の方法は、手順としては前述の現像バイアス可変と同様である。まず、現像可変時と同様のシアンデータのテストパターンを潜像形成する。このとき、予め定めた7段階均等レベルのレーザパワーにより、各々のテストパッチを感光体上にレーザ走査する。このときの画像データレベルはFFHとする。そして、一定の現像バイアスを印加し、シアンについての現像プロセスを実行する。上記7つのテストパッチはレーザパワーの高い順番に並んでいるが、レーザパワーが高い程、感光体の露光後電位は大きくなるため、現像時のトナー付着量も当然多くなる。このシアントナーパッチを中間転写し、図3と同様に中間転写体上にテストパターンを形成する。以下、現像バイアス可変時と同様に各色テストパターンを形成し、濃度センサによりトナー付着量を検出する。そして、CPU内のRAM上に図7と同様に中間転写体上トナー付着量とレーザパワーの相関関係を格納する。すなわち、図7の現像バイアスの軸がレーザパワーと置き換わる。これらの操作により各色の最適レーザパワーが決定され、画像形成装置の画像出力に備えられる。
【0164】
ところで、本発明の画像形成装置に使用されている感光体は、周知の通り光半導体のため、温度に対して露光後電位(レーザ光が照射された領域)が変化する。すなわち、図13に示すように、感光体周囲の温度が低くなるほど感度が低下し、電位は小となる(電位は−のため、絶対値は大となる)。図13において、表面電位(V0)、露光後電位(VL)、現像電位(Vb)の関係から、低温になるほど、現像量、つまり、トナー付着量は減少していく傾向がある。結果的に濃度が低下し、色が変化してしまう。この様な問題に対しても本発明の実施の形態である現像バイアス、もしくはレーザパワーの最適値を更新していくことで濃度低下、色変動を解決することができる。
【0165】
この露光後電位の上昇に対し、現像バイアス可変で対処した場合、低下したトナー付着量を目標値に合せるためには、現像バイアスを高く設定する必要がある。この場合、表面電位と現像電位のギャップ(ΔV0)が小となるため一般的な画像形成装置の周知の現象としてカブリ(非露光領域にトナーが薄く付着する現象)が発生する可能性が高くなる。このカブリが発生すると、コントラストが低下し、きわめて大きな印字品質の低化を招く。この様な問題に対しては、レーザパワー可変による対処が非常に有効となる。すなわち、レーザパワーの設定値を大きくすることで露光後電位の低下は抑制されて現像量は増加する。
【0166】
本発明のさらに他の実施の形態としては、感光体の近傍に温度センサを設けることで所期の目的を達成できるというものである。中間転写体上のトナー付着量が変動する要因は、感光体の特性変化以外に現像特性の変化も考えられる。その場合は現像バイアス可変による多色転写補正で対処することになるからである。
【0167】
すなわち、CPUにより温度センサで逐次雰囲気温度を監視する。そして、前述した多色転写補正の動作時に、雰囲気温度が低温環境かそれ以外かを判断し、レーザパワーを可変させるか、現像バイアスを可変させるかを判断する。これにより、トナー付着量の変動原因に直接作用して、多色転写補正を行うことができる。
【0168】
本発明のさらに他の実施の形態としては、レーザ光の照射時間を可変することで所期の目的を達成できるというものである。前述したレーザパワーを可変する方式は、低いパワーから高いパワーまでを変化させるため、多色転写補正の結果において、低いパワーが最適値となった場合、ビームデイテクト信号(以下、「BD信号」という。)が発生できない可能性がある。BD信号は、フォトダイオードをレーザビームが通過したときに主走査開始のタイミング信号として発生するものであるが、センサ自体は光半導体であるため、レーザパワーが低下すると、BD信号のS/Nは当然悪くなる。これを回避するには、高感度のフォトセンサの使用、または光学系の効率をアップする等の改善策が考えられるが、いずれもコスト高を招く。
【0169】
そこで、レーザパワー、現像バイアスを一定として、レーザ光の単位画素周期の最大照射時間を可変させることで多色転写補正を行う。前述したように、階調性を表現する手法は、階調データをパルス幅変調部(図示せず)により変調し、レーザ変調信号となし、レーザ駆動装置(図示せず)でレーザを点滅させることで得られる。すなわち、単位画素周期内でレーザ光の発光時間を変化させ、単位ドットの濃度を変化させることで画像濃淡を表現するものである。該単位画素周期内の発光時間を変化させることは、前述のレーザパワーを変化させることと実質同様に露光後電位を変化させることであり、トナー付着量も変化する。この発光時間を可変させることで前述の実施の形態と同様のテストパターンを潜像形成し、現像、中間転写の過程を踏んで濃度センサによりトナー付着量を検出する。このときのテストパターンの画像データ濃度レベルは階調補正テーブル内の例えばA0HからFFHを7段階に均等分割して得られ、各色の目標最大トナー付着量に対応するデータレベル、すなわち、単位画素内の最大発光時間が決定できる。
【0170】
階調補正テーブル内のデータ、最大発光時間と目標最大トナー付着量の関係は以下の様である。
【0171】
まず、図14および図15を基に階調補正テーブル102内のデータ、レーザ光の1画素周期内の照射時間および中転上トナー付着量の関係について述べる。階調補正テーブル102内の8bitのデータは、D/A変換器103−1、比較器103−2、画素クロック発生器103−3で構成される周知のパルス幅変調回路でパルス幅変調され、この関係は図16に示すようになる。
【0172】
ここで、図15および図16においてVCKは主走査を行うための画素クロック、aは階調補正テーブル内の00H〜FFHまでの8bitデータ、bは当該8bitデータのD/A変換後のアナログデータ、cはVCKに同期した基準波、PWMはパルス幅変調出力である。そして、パルス幅変調出力PWMがレーザ光の1画素内の発光時間となる。すなわち、8bitデータのD/A変換後のアナログデータbを大きくすれば、レーザ光の発光時間は長くなり、8bitデータのD/A変換後のアナログデータbを小さくすれば、レーザ光の発光時間は短くなる。結果的に中間転写体上のトナー付着量も増減し、これらの関係は図14に示すようになる。例えば、目標最大トナー付着量がYであれば、最適のデータ値はXと決定できる。
【0173】
以上の関係を基に前述と同様に、多色転写補正を実行することになるが、前述との違いはテストパターン形成時にレーザパワーや現像バイアスを可変する代りに、階調補正テーブル内のデータを可変させることと、目標トナー付着量決定のアルゴリズムが図7の現像バイアスの軸でなく、階調補正テーブルのデータ値に置き換わることである。そして、階調補正テーブルのデータ値可変で多色転写補正が実行され、例えば、単色Cの最適値がA0Hと決定されると、A0Hを最大値として、従来の技術と同様の階調補正が実行され、図17に示すようなテーブルが決定される。そして、このテーブルに基づいて、Cの中間調画像が表現されることになる。
【0174】
【発明の効果】
以上のように、本発明によれば、各色トナー量が同一となる画像形成条件の値を決定し実印字で使用する操作を、機械間、環境の変化、所定時間経過毎に起動することができるので、常に良好なカラーバランスを維持することができるという有効な効果が得られる。
【図面の簡単な説明】
【図1】本発明の一実施の形態における画像形成装置の全体構成を示す概略図
【図2】図1の画像形成装置におけるファンクションブロックを示す説明図
【図3】図1の画像形成装置における単色のテストパターンを示す説明図
【図4】図1の画像形成装置における単色の二次色のテストパターンを示す説明図
【図5】図1の画像形成装置における単色の三次色のテストパターンを示す説明図
【図6】図1の画像形成装置におけるトナー付着量を示す説明図
【図7】図1の画像形成装置における現像バイアス、中転上トナー付着量、センサレベルの関係を示す説明図
【図8】従来における濃度データレベルと検出した中転上トナー付着量との関係を示す説明図
【図9】図1の画像形成装置における濃度データレベルと検出した中転上トナー付着量との関係を示す説明図
【図10】本発明の他の実施の形態における濃度データレベルと補正後の中転上トナー付着量との関係を示す説明図
【図11】本発明の他の実施の形態における現像バイアス可変、レーザパワー可変での各々のパッチサイズの比較を示す説明図
【図12】本発明の他の実施の形態におけるパッチサイズを示す説明図
【図13】本発明の他の実施の形態における表面電位と雰囲気温度との関係を示すグラフ
【図14】本発明のさらに他の実施の形態におけるテーブル内データ、レーザパルス幅、中転上トナー付着量の関係を示す説明図
【図15】本発明のさらに他の実施の形態におけるパルス幅変調のための構成を示すブロック図
【図16】本発明のさらに他の実施の形態におけるパルス幅変調動作を示す説明図
【図17】本発明のさらに他の実施の形態における階調補正テーブルを示す説明図
【図18】従来の画像形成装置の全体構成を示す概略図
【図19】従来の画像形成装置における濃度センサ周辺を示すブロック図
【図20】従来の濃度センサにおける発光光量の調整を示す説明図
【図21】従来における飽和濃度検出用のテストパターンを示す説明図
【図22】従来における最大濃度補正用のテストパターンを示す説明図
【図23】従来における階調補正用のテストパターンを示す説明図
【図24】従来における彩色成分および無彩色成分の階調補正用のテストパターンに対する濃度センサの出力を示す説明図
【図25】従来におけるブラックの各パターンの濃度計測結果、ハイライト基準とダーク基準の関係およびデータ処理を示す説明図
【図26】従来におけるブラックの濃度変換テーブルを示すグラフ
【図27】従来におけるシアンの各パターンの濃度計測結果、ハイライト基準とダーク基準の関係およびデータ処理を示す説明図
【図28】従来におけるシアンの濃度変換テーブルを示すグラフ
【図29】従来における画像データの処理手順を示すブロック図
【符号の説明】
1 感光体
9 露光光学系
10K、10Y、10M、10C 現像器
12 中間転写ローラ
18 中間転写体
25 濃度センサ

Claims (3)

  1. レーザ光により感光体上に複数個のテストパターンの潜像を形成する露光光学系と、形成された前記テストパターンの潜像を顕画化する複数色の現像器と、顕画化された前記テストパターンのトナー像を保持する中間転写体と、各色トナー像を形成するため前記現像器に加える現像バイアス値を変化させる現像バイアス印加手段とを備え、各色で順に前記テストパターンの潜像を前記感光体上に形成して顕画化し、前記中間転写体上で前記テストパターンの各色トナー像を順に重ね合わせる画像形成装置であって、
    前記中間転写体において保持されたテストパターンの単色、2色重ね合わせた二次色、3色重ね合わせた三次色の各色トナー像のトナー量をそれぞれ検出する濃度センサを備え、
    この濃度センサで検出した単色、二次色、三次色のトナー量に対応する該濃度センサの出力レベルを基に、前記現像バイアス印加手段が各現像バイアス値を変化させて各色トナー量のカラーバランスを維持することを特徴とする画像形成装置。
  2. 前記テストパターンの潜像は、前記レーザ光のパワーを変化させて形成されることを特徴とする請求項1記載の画像形成装置。
  3. 加法色の原画データを減法色の画像データに変換するためのマスキング係数を記憶する第1の変換テーブルと、前記減法色の画像データをγ特性に応じて多色転写補正するための補正データを記憶する第2の変換テーブルと、前記減法色の画像データに基づいて、レーザ光をパルス幅変調部によって単位画素周期毎にパルス幅変調し、もしくは単位マトリックス内を画素毎にスライスレベルを切り替えて階調表現し、前記感光体上に複数個のテストパターンの潜像を形成する露光光学系と、形成された前記テストパターンの潜像を顕画化する複数色の現像器と、顕画化された前記テストパターンのトナー像を保持する中間転写体と、保持された前記テストパターンの各色トナー像の単色、2色重ね合わせた二次色、3色重ね合わせた三次色のトナー量を検出する濃度センサとを有し、前記パルス幅変調部によるレーザ光のパルス幅変調により前記テストパターンの潜像を形成し、前記濃度センサにより検出した各色の単色、二次色、三次色のトナーレベルに応じて、多色転写補正するため前記第2の変換テーブルを更新して各色トナー量のカラーバランスを維持することを特徴とする画像形成装置。
JP15169499A 1999-05-31 1999-05-31 画像形成装置 Expired - Fee Related JP4329162B2 (ja)

Priority Applications (1)

Application Number Priority Date Filing Date Title
JP15169499A JP4329162B2 (ja) 1999-05-31 1999-05-31 画像形成装置

Applications Claiming Priority (1)

Application Number Priority Date Filing Date Title
JP15169499A JP4329162B2 (ja) 1999-05-31 1999-05-31 画像形成装置

Publications (2)

Publication Number Publication Date
JP2000338742A JP2000338742A (ja) 2000-12-08
JP4329162B2 true JP4329162B2 (ja) 2009-09-09

Family

ID=15524231

Family Applications (1)

Application Number Title Priority Date Filing Date
JP15169499A Expired - Fee Related JP4329162B2 (ja) 1999-05-31 1999-05-31 画像形成装置

Country Status (1)

Country Link
JP (1) JP4329162B2 (ja)

Families Citing this family (9)

* Cited by examiner, † Cited by third party
Publication number Priority date Publication date Assignee Title
US7633646B2 (en) 2003-10-30 2009-12-15 Konica Minolta Business Technologies, Inc. Image forming method and apparatus
JP4556529B2 (ja) * 2004-07-26 2010-10-06 富士ゼロックス株式会社 トナー量調整装置及び方法、トナー量調整プログラム
JP4661376B2 (ja) * 2005-06-10 2011-03-30 富士ゼロックス株式会社 画像形成装置
JP4997150B2 (ja) * 2008-03-12 2012-08-08 シャープ株式会社 カラー画像形成装置
JP5164905B2 (ja) * 2009-03-31 2013-03-21 キヤノン株式会社 画像形成装置
JP5652022B2 (ja) * 2009-08-07 2015-01-14 株式会社リコー 色材量決定テーブル作成方法および色材量計測装置
JP5304584B2 (ja) * 2009-10-14 2013-10-02 株式会社リコー 画像形成装置、画像形成方法、およびプログラム
JP6593103B2 (ja) * 2015-10-29 2019-10-23 コニカミノルタ株式会社 画像形成装置及び画像形成方法
JP7604887B2 (ja) 2020-12-25 2024-12-24 ブラザー工業株式会社 画像形成装置およびその制御方法

Also Published As

Publication number Publication date
JP2000338742A (ja) 2000-12-08

Similar Documents

Publication Publication Date Title
JPH06175452A (ja) 電子写真装置
JP5488991B2 (ja) 画像形成装置
JP3422240B2 (ja) 画像形成装置
US9599923B2 (en) Image forming apparatus with control of developing bias and charging bias
US9835970B2 (en) Image forming apparatus with pre-exposure member
JP4329162B2 (ja) 画像形成装置
JP2013200350A (ja) 画像形成装置
US7356273B2 (en) Image forming apparatus with switched-potential responsive to attenuation of a remaining voltage
US20050185203A1 (en) Image forming apparatus
JP5034232B2 (ja) 画像形成装置
JP4248228B2 (ja) 画像形成方法及び画像形成装置
JPH10293432A (ja) 電子写真装置
US9829836B2 (en) Image forming apparatus with pre-exposure member
JP3694980B2 (ja) 画像形成装置
JP2000284554A (ja) 電子写真装置
JP3479446B2 (ja) 画像形成装置の画質補償装置
JPH06148992A (ja) 電子写真装置
JPH09284556A (ja) 画像形成装置
JP4470406B2 (ja) 画像形成装置および画像形成方法
JPH07253694A (ja) 画像形成装置における電位制御方法及びトナー補給制御方法
JP2002162795A (ja) 画像形成装置
JP2003215864A (ja) 画像形成装置および画像形成方法
JP2006251508A (ja) 画像形成装置
JPH10333377A (ja) 画像形成装置
JP2007256523A (ja) トナー濃度検出装置及びそれを備える画像形成装置

Legal Events

Date Code Title Description
A621 Written request for application examination

Free format text: JAPANESE INTERMEDIATE CODE: A621

Effective date: 20060515

RD01 Notification of change of attorney

Free format text: JAPANESE INTERMEDIATE CODE: A7421

Effective date: 20060613

A977 Report on retrieval

Free format text: JAPANESE INTERMEDIATE CODE: A971007

Effective date: 20081017

A131 Notification of reasons for refusal

Free format text: JAPANESE INTERMEDIATE CODE: A131

Effective date: 20081028

A521 Written amendment

Free format text: JAPANESE INTERMEDIATE CODE: A523

Effective date: 20081218

TRDD Decision of grant or rejection written
A01 Written decision to grant a patent or to grant a registration (utility model)

Free format text: JAPANESE INTERMEDIATE CODE: A01

Effective date: 20090526

A01 Written decision to grant a patent or to grant a registration (utility model)

Free format text: JAPANESE INTERMEDIATE CODE: A01

A61 First payment of annual fees (during grant procedure)

Free format text: JAPANESE INTERMEDIATE CODE: A61

Effective date: 20090608

FPAY Renewal fee payment (event date is renewal date of database)

Free format text: PAYMENT UNTIL: 20120626

Year of fee payment: 3

LAPS Cancellation because of no payment of annual fees