JP2017013722A - バンパリインフォースメント - Google Patents
バンパリインフォースメント Download PDFInfo
- Publication number
- JP2017013722A JP2017013722A JP2015134868A JP2015134868A JP2017013722A JP 2017013722 A JP2017013722 A JP 2017013722A JP 2015134868 A JP2015134868 A JP 2015134868A JP 2015134868 A JP2015134868 A JP 2015134868A JP 2017013722 A JP2017013722 A JP 2017013722A
- Authority
- JP
- Japan
- Prior art keywords
- bumper reinforcement
- partition
- partition member
- sectional shape
- width direction
- Prior art date
- Legal status (The legal status is an assumption and is not a legal conclusion. Google has not performed a legal analysis and makes no representation as to the accuracy of the status listed.)
- Pending
Links
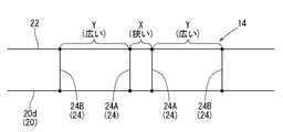
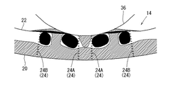
- 230000002787 reinforcement Effects 0.000 title claims abstract description 69
- 238000005192 partition Methods 0.000 claims abstract description 92
- 238000000638 solvent extraction Methods 0.000 claims abstract 2
- 238000003466 welding Methods 0.000 claims description 20
- 238000010586 diagram Methods 0.000 description 5
- 238000011156 evaluation Methods 0.000 description 4
- 230000009466 transformation Effects 0.000 description 4
- 238000010521 absorption reaction Methods 0.000 description 3
- 238000005452 bending Methods 0.000 description 3
- 230000003111 delayed effect Effects 0.000 description 3
- 238000006073 displacement reaction Methods 0.000 description 3
- 238000013001 point bending Methods 0.000 description 3
- 229910000831 Steel Inorganic materials 0.000 description 2
- 239000011162 core material Substances 0.000 description 2
- 239000010959 steel Substances 0.000 description 2
- 238000005516 engineering process Methods 0.000 description 1
- 238000009434 installation Methods 0.000 description 1
- 238000000465 moulding Methods 0.000 description 1
- 239000011347 resin Substances 0.000 description 1
- 229920005989 resin Polymers 0.000 description 1
Images
Landscapes
- Body Structure For Vehicles (AREA)
Priority Applications (1)
| Application Number | Priority Date | Filing Date | Title |
|---|---|---|---|
| JP2015134868A JP2017013722A (ja) | 2015-07-06 | 2015-07-06 | バンパリインフォースメント |
Applications Claiming Priority (1)
| Application Number | Priority Date | Filing Date | Title |
|---|---|---|---|
| JP2015134868A JP2017013722A (ja) | 2015-07-06 | 2015-07-06 | バンパリインフォースメント |
Publications (2)
| Publication Number | Publication Date |
|---|---|
| JP2017013722A true JP2017013722A (ja) | 2017-01-19 |
| JP2017013722A5 JP2017013722A5 (enExample) | 2017-09-28 |
Family
ID=57827749
Family Applications (1)
| Application Number | Title | Priority Date | Filing Date |
|---|---|---|---|
| JP2015134868A Pending JP2017013722A (ja) | 2015-07-06 | 2015-07-06 | バンパリインフォースメント |
Country Status (1)
| Country | Link |
|---|---|
| JP (1) | JP2017013722A (enExample) |
Cited By (2)
| Publication number | Priority date | Publication date | Assignee | Title |
|---|---|---|---|---|
| US10501036B2 (en) | 2017-09-15 | 2019-12-10 | Toyota Jidosha Kabushiki Kaisha | Bumper reinforcement |
| JP2021115952A (ja) * | 2020-01-24 | 2021-08-10 | トヨタ自動車株式会社 | 車両用リンフォースメント |
Citations (4)
| Publication number | Priority date | Publication date | Assignee | Title |
|---|---|---|---|---|
| JPS529934U (enExample) * | 1975-07-10 | 1977-01-24 | ||
| US20080203740A1 (en) * | 2004-07-01 | 2008-08-28 | Magna International Inc. | Bumper Beam for a Motor Vehicle |
| JP2010047077A (ja) * | 2008-08-20 | 2010-03-04 | Mazda Motor Corp | 車両のバンパー構造 |
| JP2014058221A (ja) * | 2012-09-18 | 2014-04-03 | Fuji Heavy Ind Ltd | 車両用バンパビーム |
-
2015
- 2015-07-06 JP JP2015134868A patent/JP2017013722A/ja active Pending
Patent Citations (4)
| Publication number | Priority date | Publication date | Assignee | Title |
|---|---|---|---|---|
| JPS529934U (enExample) * | 1975-07-10 | 1977-01-24 | ||
| US20080203740A1 (en) * | 2004-07-01 | 2008-08-28 | Magna International Inc. | Bumper Beam for a Motor Vehicle |
| JP2010047077A (ja) * | 2008-08-20 | 2010-03-04 | Mazda Motor Corp | 車両のバンパー構造 |
| JP2014058221A (ja) * | 2012-09-18 | 2014-04-03 | Fuji Heavy Ind Ltd | 車両用バンパビーム |
Cited By (3)
| Publication number | Priority date | Publication date | Assignee | Title |
|---|---|---|---|---|
| US10501036B2 (en) | 2017-09-15 | 2019-12-10 | Toyota Jidosha Kabushiki Kaisha | Bumper reinforcement |
| JP2021115952A (ja) * | 2020-01-24 | 2021-08-10 | トヨタ自動車株式会社 | 車両用リンフォースメント |
| JP7264072B2 (ja) | 2020-01-24 | 2023-04-25 | トヨタ自動車株式会社 | 車両用リンフォースメント |
Similar Documents
| Publication | Publication Date | Title |
|---|---|---|
| CN111194281B (zh) | 保险杠横梁 | |
| US8789877B2 (en) | Vehicle body front structure | |
| JP6706260B2 (ja) | 側面衝突に対する強化された車のドア | |
| US9688226B2 (en) | Bumper reinforcement | |
| US8870274B2 (en) | Side member for a rear frame of a vehicle body | |
| US10293862B1 (en) | Side sill assembly reinforced with a tube and box-shaped brackets | |
| JP6600873B2 (ja) | 車体構造 | |
| JP2017088058A (ja) | バンパリインフォースメント | |
| KR20200117277A (ko) | 차량용 프론트필러구조 | |
| JP2022511705A (ja) | 自動車用エネルギー吸収装置、エネルギー吸収要素およびそれに対する強化要素 | |
| JP5686586B2 (ja) | 自動車用車体骨格における補強構造 | |
| JP6439401B2 (ja) | サイドシル補強構造 | |
| JP5246300B2 (ja) | 車体側部構造 | |
| JP2017013722A (ja) | バンパリインフォースメント | |
| US9580029B2 (en) | Bumper assemblies including a bumper cover reinforcement and vehicles incorporating the same | |
| CN105015452B (zh) | 一种汽车蓄电池安装结构 | |
| CN102649410B (zh) | 车辆保险杠 | |
| JP4729015B2 (ja) | 車体のフレーム用連結部材 | |
| JP5692187B2 (ja) | 車体前部構造 | |
| JP4186125B2 (ja) | 車両の前部構造 | |
| JP4415684B2 (ja) | サイドメンバのキックアップ部構造 | |
| US10427723B2 (en) | Motor vehicle | |
| JP7213292B2 (ja) | 車体後部構造 | |
| JP5161631B2 (ja) | 車両用バンパビーム | |
| JP2018034741A (ja) | バンパリインフォースメント |
Legal Events
| Date | Code | Title | Description |
|---|---|---|---|
| A521 | Request for written amendment filed |
Free format text: JAPANESE INTERMEDIATE CODE: A523 Effective date: 20170818 |
|
| A621 | Written request for application examination |
Free format text: JAPANESE INTERMEDIATE CODE: A621 Effective date: 20170818 |
|
| A977 | Report on retrieval |
Free format text: JAPANESE INTERMEDIATE CODE: A971007 Effective date: 20180522 |
|
| A131 | Notification of reasons for refusal |
Free format text: JAPANESE INTERMEDIATE CODE: A131 Effective date: 20180529 |
|
| A02 | Decision of refusal |
Free format text: JAPANESE INTERMEDIATE CODE: A02 Effective date: 20181211 |