JP2016015804A - 配管内部点検装置 - Google Patents

配管内部点検装置 Download PDF

Info

Publication number
JP2016015804A
JP2016015804A JP2014135825A JP2014135825A JP2016015804A JP 2016015804 A JP2016015804 A JP 2016015804A JP 2014135825 A JP2014135825 A JP 2014135825A JP 2014135825 A JP2014135825 A JP 2014135825A JP 2016015804 A JP2016015804 A JP 2016015804A
Authority
JP
Japan
Prior art keywords
pipe
wheel
internal inspection
travel
traveling
Prior art date
Legal status (The legal status is an assumption and is not a legal conclusion. Google has not performed a legal analysis and makes no representation as to the accuracy of the status listed.)
Granted
Application number
JP2014135825A
Other languages
English (en)
Other versions
JP6329445B2 (ja
Inventor
佳成 小村
Yoshinari Komura
佳成 小村
泰 手島
Yasushi Tejima
泰 手島
Current Assignee (The listed assignees may be inaccurate. Google has not performed a legal analysis and makes no representation or warranty as to the accuracy of the list.)
Kanden Plant Corp
Original Assignee
Kanden Plant Corp
Priority date (The priority date is an assumption and is not a legal conclusion. Google has not performed a legal analysis and makes no representation as to the accuracy of the date listed.)
Filing date
Publication date
Application filed by Kanden Plant Corp filed Critical Kanden Plant Corp
Priority to JP2014135825A priority Critical patent/JP6329445B2/ja
Publication of JP2016015804A publication Critical patent/JP2016015804A/ja
Application granted granted Critical
Publication of JP6329445B2 publication Critical patent/JP6329445B2/ja
Expired - Fee Related legal-status Critical Current
Anticipated expiration legal-status Critical

Links

Images

Landscapes

  • Studio Devices (AREA)
  • Electric Cable Installation (AREA)
  • Installation Of Bus-Bars (AREA)
  • Instruments For Viewing The Inside Of Hollow Bodies (AREA)
  • Accessories Of Cameras (AREA)

Abstract

【課題】内部中央に構造体が配置された配管において、その内部を自走して点検することが可能な配管内部点検装置を提供する。
【解決手段】本発明は、内部中央に構造体2が配置された配管3内を点検する配管内部点検装置であって、配管3内を自走する走行装置7を備え、走行装置7は、配管3内を撮像する撮像装置10と、配管3の内周面3aに接触して回転する車輪8と、車輪8を回転駆動させる駆動装置9とを有し、車輪8を回転駆動させることにより、配管3の周方向へ走行し、その周方向の任意の位置で、配管3の内周面3aとの間に生じるグリップ力により姿勢を維持しつつ、配管3の長手方向に走行可能に構成された。
【選択図】図2

Description

本発明は、内部中央に構造体が配置された配管内を点検する配管内部点検装置に関するもの。
図13は、発電所設備の一例を示す図である。
図13中、符号6Aで示すのは、発電機により生じた電力を外部の送電線へ送るために設置された主変圧器であり、符号6Bで示すのは、前記生じた電力の一部を発電所内の各種電気設備に送るために設置された所内変圧器である。発電所においては、屋内に設置された発電機(図示省略)と屋外に設置された各変圧器6A,6Bとが複数の相分離母線1A,1Bによって接続されており、発電機により生じた電力はこれらの相分離母線を介して各変圧器に送られる。
図14において、(a)は、発電機と主変圧器との間を接続する相分離母線の断面図、(b)は、前記相分離母線から分岐して所内変圧器に接続された相分離母線の断面図である。
図14(a)(b)に示すように、各相分離母線1A,1Bは、導体2と、この導体2の周囲を覆うダクト(配管)3と、導体2をダクト3内の中央に支持する支持部材としての支持碍子4などで構成されている。支持碍子4は、導体2の長手方向(図14の紙面と直交する方向)に所定間隔に配置されており、H形鋼などの支持架台5に取り付けられている。
上記のような相分離母線が設置された発電所においては、相分離母線を構成する導体、支持碍子及びダクト等の損傷や、これらの取付状態の健全性、ダクト内への雨水侵入に伴う変色、さらには、送電により発熱する導体を冷却するための送風に伴うダクト内の塵埃の付着状況などを確認するため、定期的に点検作業を行っている。一般的に、点検作業は、作業員がハッチを開けてダクト内、すなわち、ダクトと導体との間の空間に入り、内部を照明で照らしつつ移動しながら点検個所を目視で確認することで行っている。
しかしながら、作業員が進入するダクト内の空間は、その幅W1,W2(図14参照)が例えば250mm程度の非常に狭い空間であるため、作業員がダクト内で移動しながら点検作業を行うのは容易ではない。さらに、ダクト内周面と導体の表面は黒く塗装されているため、目視によって不具合箇所を発見するには、熟練した技術レベルが要求される。また、不具合の見落としがないように点検しようとすると、導体や支持碍子によって隠れた個所を手鏡などを用いて反射像で確認する必要がある。
このように、ダクト内部の点検作業には、多大な労力を要する上、熟練した技術レベルが要求される。また、このような点検作業が行える作業員、すなわち、ダクト内の狭隘な空間内で移動しながら点検作業を行える身体的能力と、点検個所の健全性を正確に評価できる熟練した技術レベルを備える作業員を、長期間に亘って確保するのは困難であった。
ところで、作業員に代わって管路内での点検作業を行う点検装置として、管路内を自走する自走式の配管内点検装置が開発されている。
例えば、下記特許文献1には、ビデオカメラや照明灯を搭載した自走式の配管内点検装置が提案されている。ここで提案されている方法では、台車を配管内壁の底面上に配置し、台車を走行させながらビデオカメラで配管内を撮像すると共に録画し、その後、録画した映像を再生することで、配管内に障害箇所があるか否かを確認する。
特開平11−234832号公報
上記のような自走式の配管内点検装置を用いれば、作業員が配管内に進入することなく点検作業を行うことが可能である。
しかしながら、上記特許文献1に提案されているような点検装置は、台車が配管内周面の下部を走行するように構成されているため、相分離母線の点検作業に用いると、導体によって撮像装置の上方の視野が遮られ、ダクトや導体の上部、その上部に設置されている支持碍子等の状態を十分に確認することができない。また、ダクト内周面の下部に支持碍子がある場合は、台車が支持碍子にぶつかってしまうため、台車を走行させることができないといった問題もある。このように、特許文献1に提案されているような点検装置は、内部に導体や支持碍子が配置されているダクト内の点検には不向きであった。
そこで、本発明は前述の問題点に鑑みて提案されたもので、その目的とするところは、内部中央に構造体が配置された配管において、その内部を自走して点検することが可能な配管内部点検装置を提供することにある。
請求項1の発明は、内部中央に構造体が配置された配管内を点検する配管内部点検装置であって、前記配管内を自走する走行装置を備え、前記走行装置は、前記配管内を撮像する撮像装置と、前記配管の内周面に接触して回転する車輪と、前記車輪を回転駆動させる駆動装置とを有し、前記車輪を回転駆動させることにより、前記配管の周方向へ走行し、その周方向の任意の位置で、前記配管の内周面との間に生じるグリップ力により姿勢を維持しつつ、前記配管の長手方向に走行可能に構成されたものである。
上記のように、走行装置が、周方向の任意の位置で姿勢を維持することができるので、周方向の広い範囲に渡って配管の内部点検を行うことができる。従って、従来の自走式管路内点検装置では配管内の構造体によって視野が遮られ点検することができなかった箇所も、本発明に係る点検装置によれば、走行装置の位置を周方向の任意の位置に変更して撮像(点検)することができる。
請求項2の発明は、請求項1に記載の配管内部点検装置において、前記走行装置は、前記車輪、前記駆動装置及び前記撮像装置を保持する本体フレームを有し、前記本体フレームは、前記配管の周方向に伸びるように設けられ、前記本体フレームの長手方向の両端部に少なくとも前記車輪を配置したものである。
上記のように、本体フレームの長手方向の両端部に配置された車輪によって、走行装置を安定姿勢で維持することができる。
請求項3の発明は、請求項2に記載の配管内部点検装置において、前記配管内に配置されたときに生じる前記本体フレームの弾性反発力により、前記車輪を前記配管の内周面に押し付けるように構成したものである。
これにより、車輪と配管の内周面との間で生じるグリップ力が向上するため、走行装置の姿勢をより一層安定して維持できるようになる。
請求項4の発明は、請求項2又は3に記載の配管内部点検装置において、前記本体フレームに設けられた付勢部材によって前記車輪を前記配管の内周面に押し付けるように構成したものである。
これにより、車輪と配管の内周面との間で生じるグリップ力が向上するため、走行装置の姿勢をより一層安定して維持できるようになる。
請求項5の発明は、請求項1から4のいずれか1項に記載の配管内部点検装置において、前記車輪を、メカナムホイールとしたものである。
車輪をメカナムホイールとすることで、走行装置を配管の長手方向及び周方向に走行させることができる。
請求項6の発明は、請求項1から5のいずれか1項に記載の配管内部点検装置において、前記走行装置に、前記配管外に設置された電源から前記撮像装置及び前記駆動装置へ電力を供給する電源ケーブルを接続したものである。
このように、電源ケーブルを走行装置に接続することで、万が一、走行装置が故障などにより配管内で走行できなくなったとしても、外部から電源ケーブルを引っ張ることで、走行装置を容易に回収することができる。
請求項7の発明は、請求項6に記載の配管内部点検装置において、前記走行装置の走行に伴って前記配管内に進入する前記電源ケーブルの長さに基づいて、前記走行装置の走行距離を測定する走行距離測定装置を備えるものである。
これにより、走行装置の走行距離を確認することができる。
請求項8の発明は、請求項6又は7に記載の配管内部点検装置において、前記撮像装置及び前記駆動装置を遠隔操作する制御装置を備え、前記電源ケーブルを介して前記制御装置と前記撮像装置又は前記駆動装置との間で電気信号を送受信可能に構成したものである。
このように、電源ケーブルを、制御装置と撮像装置又は駆動装置との間で電気信号を送受信可能な通信ケーブルとして用いることで、別途通信ケーブルを接続する必要がない。このため、走行装置の走行によって電源ケーブルと通信ケーブルとが絡み合うことによるトラブルを回避することができる。また、別途通信ケーブルを接続する必要がないので、装置の軽量化も図れる。
本発明によれば、内部中央に構造体が配置された配管において、自走式の走行装置を用いて内部を点検することができる。これにより、作業員が配管内に入って点検作業を行う必要がないので、点検作業の労力を大幅に低減することができると共に、点検精度も向上する。また、配管内に入って点検作業ができる熟練した作業員を確保しておく必要もなくなるので、長期的に安定した設備管理が行えるようになる。
本発明の一実施形態に係る配管内部点検装置の全体構成の概略図である。 走行装置の正面図である。 走行装置の平面図である。 一般的なメカナムホイールの構成を示す図である。 一般的なオムニホイール(登録商標)の構成を示す図である。 (a)〜(d)は、メカナムホイールによる走行方向を示す図である。 メカナムホイールが設けられている本体フレーム端部の詳細構成を示す図である。 パソコンのモニタの表示レイアウトの一例を示す図である。 点検方法のフローチャートを示す図である。 支持碍子が上部に配置されているダクト内を点検する際の走行装置の姿勢を示す図であって、(a)は、前進時の姿勢を示す図、(b)は後退時の姿勢を示す図である。 支持碍子が下部に配置されているダクト内を点検する際の走行装置の姿勢を示す図であって、(a)は、前進時の姿勢を示す図、(b)は後退時の姿勢を示す図である。 支持碍子が上下中間部に配置されているダクト内を点検する際の走行装置の姿勢を示す図であって、(a)は、前進時の姿勢を示す図、(b)は後退時の姿勢を示す図である。 発電所設備の一例を示す図である。 (a)は、発電機と主変圧器との間を接続する相分離母線の断面図、(b)は、前記相分離母線から分岐して所内変圧器に接続された相分離母線の断面図である。
以下、発電所に設置された相分離母線のダクト内を点検する配管内部点検装置を例に、本発明について説明する。
図1は、本発明の一実施形態に係る配管内部点検装置の全体構成の概略図である。
図1に示すように、本実施形態に係る配管内部点検装置は、ダクト3内を自走する走行装置7を備える。なお、図1に示すダクト3や、このダクト3内に配置される導体2及び支持碍子4の構成は、上記図13及び図14を用いて説明した構成と基本的に同様であるので、ここでは重複説明を省略する。
走行装置7には、複数の車輪8が設けられていると共に、車輪8を互いに独立して回転駆動させる駆動装置としてのサーボモータ9と、ダクト3内を撮像する撮像装置としての照明付きのカメラ10等が搭載されている。
また、走行装置7には、ダクト3外に設置されたAC電源に接続される電源ケーブル11が接続されている。このように、電源ケーブル11を介して走行装置7とダクト3外のAC電源とを接続することで、万が一、走行装置7が故障などによりダクト3内で走行できなくなったとしても、外部から電源ケーブル11を引っ張ることで、走行装置7を容易に回収することが可能である。
また、本実施形態に係る配管内部点検装置は、サーボモータ9やカメラ10を遠隔操作する制御装置としてパソコン12を備える。パソコン12は、集線装置としてのハブ13を介して電源ケーブル11に接続されており、電源ケーブル11を介してサーボモータ9又はカメラ10との間で電気信号を送受信可能となっている。すなわち、本実施形態では、電源ケーブル11を通信ケーブルとして用いる電力線通信技術、いわゆるPLC(Power Line Communication)通信を採用している。
このように、電源ケーブル11を通信ケーブルとして用いることで、別途通信ケーブルを接続する必要がない。このため、走行装置7の走行によって電源ケーブルと通信ケーブルとが絡み合うことによるトラブルを回避することができる。また、別途通信ケーブルを接続する必要がないので、装置の軽量化も図れる。
また、電源ケーブル11は、巻取装置14によって繰り出し及び巻き取り可能となっている。電源ケーブル11は、走行装置7の前進に伴って巻取装置14から繰り出され、走行装置7が後退した場合は、巻取装置14によって巻き取られることでコンパクトに収容される。
また、本実施形態に係る配管内部点検装置は、走行装置7の走行距離を測定する走行距離測定装置15を備えている。この走行距離測定装置15は、巻取装置14から繰り出される電源ケーブル11の長さに基づいて、走行装置7の走行距離を測定するものである。具体的に、走行距離測定装置15は、電源ケーブル11が繰り出されるのに伴って回転するロータリーエンコーダと、このロータリーエンコーダの所定の回転角度ごとに出力されるパルス信号をカウントするカウンタとを有する。走行装置7の走行に伴って電源ケーブル11が繰り出されると、これに伴ってロータリーエンコーダが回転し、所定の回転角度ごとにパルス信号が出力される。このパルス信号をカウンタでカウントしたデータは、走行装置7の走行に伴ってダクト3内に進入する電源ケーブル11の長さに相当するデータであり、これに基づき図示しない演算部によって走行装置7の走行距離が算出される。なお、本実施形態の走行距離測定装置に代えて、走行装置7からの反射光を受光して距離を測定する光学式測定装置を用いてもよい。また、車輪8の外周の移動距離に基づき、走行装置7の走行距離を算出することも可能である。
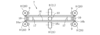
図2は、上記走行装置の正面図、図3は、当該走行装置の(図2の上方から見た)平面図である。
図2及び図3に示すように、本実施形態に係る走行装置7は、上記車輪8、サーボモータ9及びカメラ10を保持する本体フレーム16を有する。本体フレーム16は、ダクト3の周方向に伸びるように形成されている。本実施形態では、本体フレーム16を、ステンレス製の2本のパイプをダクト3の内周面3aに沿うように屈曲させて構成しているが、パイプに代えて板状の部材を同様に屈曲させて構成してもよい。
車輪8及びカメラ10は、本体フレーム16の長手方向の両端部16a,16bと、長手方向の中間部16cとに、それぞれ配置されている。また、本体フレーム16の長手方向の両端部16a,16bと中間部16cとの間には、サーボモータ9やカメラ10へ供給されるAC電力をDC電力に変換するAC−DCコンバータや、サーボモータ9やカメラ10に送られる電気信号を制御信号に変換する信号変換装置などを有する電源通信制御部17が設けられている。
上記本体フレーム16によって保持される、電源通信制御部17、車輪8、サーボモータ9及びカメラ10は、それぞれ、本体フレーム16の長手方向の中間部16cを基準として対称に配置されている。このように、本体フレーム16に保持される各部材及び各装置を中間部16cを基準として対称に配置することで、走行装置7は左右のバランスがとれて安定姿勢で走行することができる。本実施形態では、特に、本体フレーム16の長手方向の両端部16a,16bに位置する車輪8が、ダクト3の周方向180°反対位置に配置されていることで、走行装置7が大きく傾斜した姿勢でもその姿勢を安定して維持することが可能である。
図2において、符号θで示すのは、各カメラ10の視野角である。本実施形態では、全てのカメラ10の視野を合わせた範囲が、導体2の周方向180°以上の範囲を撮像できるように設定されている。また、本体フレーム16の長手方向の両端部16a,16bに配置されているカメラ10は、図示しない雲台によって互いに交差する二軸回りに首振り操作可能に支持され、視野の向きを調整できるように構成されている。
車輪8は、本体フレーム16の長手方向の両端部16a,16b及び中間部16cにそれぞれ2つずつ、合計6つ設けられている。このうち、本体フレーム16の長手方向の両端部16a,16bに配置されている車輪8は、サーボモータ9によって互いに独立して回転駆動することができ、これらが回転駆動することで走行装置7をダクト3の長手方向と周方向に走行させることができるように構成されている。本実施形態では、両端部16a,16bに配置されている車輪8として、メカナムホイールと称される全方向移動車輪を用いている。
図4に、一般的なメカナムホイールの構成を示す。
一般的に、メカナムホイール20は、ホイール本体18と、ホイール本体18の外周に回転可能に取り付けられた複数のローラ19とで構成されており、各ローラ19の回転軸19aは、ホイール本体18の回転軸18aに対して45°傾斜している。また、各ローラ19は、走行装置7の前後に設けられたメカナムホイール20同士、及び左右に設けられたメカナムホイール20同士で、互いに異なる向きに傾斜するように配置されている{図6(a)参照}。
一方、本体フレーム16の長手方向の中間部16cに配置されている車輪8は、サーボモータ9によって駆動力が与えられるようにはなっておらず、ダクト3の長手方向及び周方向の走行に追従して回転するように構成されている。本実施形態では、中間部16cに配置されている車輪8として、オムニホイール(登録商標)と称される全方向移動車輪を用いている。
図5に、一般的なオムニホイール(登録商標)の構成を示す。
一般的に、オムニホイール(登録商標)21は、ホイール本体22と、ホイール本体22の外周に回転可能に取り付けられた複数のローラ23とで構成されており、各ローラ23の回転軸23aは、ホイール本体22の回転軸22aに対して直交するように配置されている。なお、オムニホイール(登録商標)に代えて、一般的なキャスタを用いてもよい。
図6(a)〜(d)は、上記メカナムホイールによる走行方向を示す図である。
図6(a)に示すように、各メカナムホイール20(ホイール本体18)を前進する方向に回転させると、走行装置7は前進し、反対に、図6(b)に示すように、各メカナムホイール20を後退する方向に回転させると、走行装置7は後退する。また、図6(c)に示すように、左前と右後の各メカナムホイール20を前進する方向に回転させ、右前と左後の各メカナムホイール20を後退する方向に回転させると、走行装置7は右方向へ移動することができる。また、これとは反対に、図6(d)に示すように、左前と右後の各メカナムホイール20を後退する方向に回転させ、右前と左後の各メカナムホイール20を前進する方向に回転させると、走行装置7は左方向へ移動することができる。このように、メカナムホイール20を個別に回転駆動させることで、走行装置7をダクト3の長手方向及び周方向の全方向へ走行させる推進力を発生させることができる。
図7は、メカナムホイール20が設けられている本体フレーム端部の詳細構成を示す図である。なお、図7では、本体フレーム16の片側の端部の構成のみを示しているが、もう一方の端部の構成も同様となっているので、両端部の構成につき併せて説明する。
図7に示すように、メカナムホイール20及びこれを回転駆動させるサーボモータ9は、複数の部材から成る取付構造体25を介して本体フレーム16に取り付けられている。具体的に、取付構造体25は、本体フレーム16の端部に取り付けられた取付部材26と、この取付部材26に対し回転軸28を中心に回転可能に取り付けられた複数の可動保持部材27とで構成されている。メカナムホイール20及びサーボモータ9は、可動保持部材27によって保持されており、可動保持部材27が回転軸28を中心に回転することで、メカナムホイール20及びサーボモータ9も同様に回転軸28を中心に回転するようになっている。
また、取付部材26及び可動保持部材27には、それぞれ、凸部26a,27aが設けられており、各凸部26a,27aに付勢部材としてのコイルバネ29の両端部が取り付けられている。コイルバネ29は、各凸部26a,27aの間で伸ばされた状態で保持されている。このため、各可動保持部材27は、コイルバネ29に生じる引張力(付勢力)によって常時引っ張られており、これにより、メカナムホイール20は、配管3の内周面3aに対して押し付けられる方向に付勢されている。
図8は、上記パソコンのモニタの表示レイアウトの一例を示す図である。
図8に示す例では、パソコン12のモニタ24の表示画面を、3つの画像表示エリアA1〜A3と、走行情報表示エリアA4と、操作パネルエリアA5の、複数の区画に分割している。
3つの画像表示エリアA1〜A3は、各カメラ10によって撮像された画像を個別に表示するエリアである。走行情報表示エリアA4は、走行装置7に関する情報を表示するエリアである。走行装置7に関する情報としては、例えば、走行装置7の走行距離、走行姿勢、走行速度等である。走行距離、走行姿勢、走行速度は、上記走行距離測定装置や図示しない速度計及び傾斜センサによって測定され、それぞれのデータがパソコン12で処理されてモニタ24に表示される。また、操作パネルエリアA5は、走行装置7の走行開始及び停止、走行速度、カメラ10の視野角等を操作するための操作パネルが表示されるエリアである。
図8に示す例のように、1つの画面中に、画像表示エリアA1〜A3と、走行情報表示エリアA4と、操作パネルエリアA5とを同時に表示できるようにすることで、作業者は撮像画像や走行状態を確認しながら走行速度や走行姿勢、カメラの視野角等を操作することができ、操作性に優れる。
続いて、図9に示すフローチャートを参照しつつ、本実施形態に係る配管内部点検装置を用いた点検方法について説明する。
まず、作業者は、走行装置7をダクト3に設けられた出入口3b(図1参照)から内部へ挿入し、電源ケーブル11をAC電源に接続する。また、電源ケーブル11、パソコン12、走行距離測定装置15を、ハブ13に接続し、図1に示すような通信回線を構築する。
ここで、本実施形態に係る点検方法では、まず、走行装置7を前進させながらダクト3内部の約半周分を撮像した後、次に、走行装置7を後退させながら別の半周分を撮像する。そのため、図10(a)(b)に示すように、前進走行時と後退走行時とで走行装置7の姿勢が異なる。まずは、走行装置7をダクト3に挿入する際、図10(a)に示す前進走行時の姿勢で走行装置7を配置する(図9のS1)。
図10(a)に示すように、走行装置7が前進走行時の姿勢で配置された状態では、その姿勢が水平姿勢(図2に示す姿勢)に対して大きく傾斜しているが、両端部16a,16bに配置されているメカナムホイール20とダクト3の内周面3aとの間に生じるグリップ力によって姿勢が維持される。さらに、本実施形態では、メカナムホイール20が上記コイルバネ29の付勢力によってダクト3の内周面3aに押し付けられていることで、グリップ力を向上させている。また、グリップ力を向上させるために、走行装置7がダクト3内に配置されたときに生じる本体フレーム16の弾性反発力により、メカナムホイール20をダクト3の内周面3aに押し付けるようにしてもよい。
そして、走行装置7が上記前進走行時の姿勢で配置されているか否かを確認し(図9のS2)、正しい姿勢で配置されている場合は、サーボモータ9の電源をONにする(図9のS3)。これにより、メカナムホイール20の駆動をパソコン12で遠隔操作することが可能な状態となる。そして、パソコン12を操作して、車輪8(メカナムホイール20)を駆動させ、走行装置7が安定した姿勢となるように位置を調整する(図9のS4)。
次いで、カメラ10の電源をONにする(図9のS5)。これにより、カメラ10によってダクト3の内部画像を撮像することが可能な状態となる。
上記のように、サーボモータ9とカメラ10の電源をONにし、走行装置7を走行させつつ撮像可能な状態にしたところで、テスト走行を開始する(図9のS6)。テスト走行では、走行装置7を少し前進させ、カメラ10によってダクト3の内部画像を撮像する。カメラ10によって撮像された画像はパソコン12のモニタ24(図1参照)に表示される。
そして、作業者は、テスト走行によって得られたダクト3の内部画像をモニタ24で確認し(図9のS7)、カメラ10の視野を調整する(図9のS8)。具体的には、パソコン12でカメラ10の向きや走行装置7の位置を調整する。
そして、作業者は、所望の視野が確保されているか否か確認し(図9のS9)、所望の視野が確保されている場合は、本走行を開始する(図9のS10)。本走行では、上記テスト走行と同様に、走行装置7を前進させつつ、カメラ10によってダクト3の内部画像を撮像する。この撮像された画像はパソコン12のモニタ24に表示され、その画像データはパソコン12内のメモリに保存される(図9のS11)。
作業者は、モニタ24に表示された画像を確認し(図9のS12)、点検対象(ダクト3の内周面3a、導体2、支持碍子4、及びこれらの取付箇所など)に不具合がないか確認する(図9のS13)。不具合箇所がなければ、前進方向の内部点検が終了するまで(図9のS15)、走行装置7の走行とカメラ10による撮像を継続する(図9のS16)。万が一、不具合箇所があった場合は、カメラ10によってその箇所の精密な画像を入手し、精密な点検を行うと共に、このとき撮像した画像をパソコン12に保存する(図9のS15)。その後、前進方向の内部点検が終了した時点で、走行装置7の走行を一旦停止する。
次に、後退方向の内部点検を行うにあたって、パソコン12を操作して車輪8(メカナムホイール20)を駆動させ、走行装置7が図10(b)に示す後退走行時の姿勢となるように走行装置7を周方向に移動させる(図9のS17)。その後、基本的に、上記前進方向の内部点検と同様に点検を行う。
すなわち、作業者は、カメラ10によって撮像されたダクト3の内部画像を確認し(図9のS18)、カメラ10の視野を調整して(図9のS19)、所望の視野が確保されているか否か確認する(図9のS20)。
そして、所望の視野が確保されている場合は、走行装置7の走行を開始し(図9のS21)、走行装置7を後退させつつ、カメラ10によってダクト3の内部画像を撮像する。撮像された画像はパソコン12のモニタ24に表示され、そのデータはパソコン12に保存される(図9のS22)。
作業者は、モニタ24に表示される画像を確認し(図9のS23)、点検対象に不具合がないか確認する(図9のS24)。不具合箇所がなければ、後退方向の内部点検が終了するまで(図9のS26)、走行装置7の走行とカメラ10による撮像を継続する(図9のS27)。一方、不具合箇所があった場合は、カメラ10によってその箇所の精密な画像を入手し、精密な点検を行うと共に、このとき撮像した画像をパソコン12に保存する(図9のS25)。そして、後退方向の内部点検が終了した時点で、一連の点検作業を終了する。
上述の説明では、図10に示すように、支持碍子4が上部に配置されているダクト3内を点検する場合を例にしているが、図11に示すように、支持碍子4が下部に配置されているダクト3や、図12に示すように、支持碍子4が上下中間部に配置されているダクト3においても、各図(a)(b)のように前進点検時と後退点検時とで走行装置7の姿勢を変更することで、同様にダクト3の全周に渡って内部点検を行うことが可能である。
以上のように、本発明に係る点検装置によれば、カメラ10を搭載した走行装置7が、ダクト3の長手方向と周方向とに走行可能で、かつ、周方向の任意の位置で姿勢を維持することができるので、ダクト3内の全周に渡ってカメラ10による撮像画像を得ることができる。従って、従来の自走式の配管内点検装置では導体2によって視野が遮られ点検することができなかった箇所も、本発明に係る点検装置によれば、走行装置7の位置を周方向の任意の位置に変更して撮像(点検)することができる。このように、本発明に係る点検装置によれば、走行装置7を用いて、従来よりも広い範囲に渡って内部点検を行うことができる。また、本発明に係る走行装置7は、周方向の任意の位置で姿勢を維持しつつ長手方向に走行することができるので、支持碍子4が設置されたダクト3内でも走行が可能である。また、上述の実施形態のように、全カメラ10の視野範囲を、導体2の周方向180°以上の範囲に設定することで、走行装置7を行きと戻りで姿勢を変えて一往復させるだけで、全周に渡って内部点検を行うことができる。
このように、本発明に係る点検装置によれば、内部に導体2や支持碍子4が配置されたダクト3において、自走式の走行装置7を用いて内部を点検することができる。これにより、作業員がダクト3内に入って点検作業を行う必要がないので、点検作業の労力を大幅に低減することができると共に、点検精度も向上する。また、狭隘なダクト3内に入って点検作業ができる熟練した作業員を確保しておく必要もなくなるので、長期的に安定した設備管理が行えるようになる。
なお、本発明は、上述の実施形態に限らない。本発明に係る点検装置は、発電所に設置されたダクト(相分離母線)に限らず、内部中央に構造体が配置された他の配管の点検にも用いることが可能である。
1 相分離母線
2 導体(構造体)
3 ダクト(配管)
4 支持碍子
7 走行装置
8 車輪
9 サーボモータ(駆動装置)
10 カメラ(撮像装置)
11 電源ケーブル
12 パソコン(制御装置)
13 ハブ
14 巻取装置
15 走行距離測定装置
16 本体フレーム
16a 端部
16b 端部
16c 中間部
20 メカナムホイール
24 モニタ
25 取付構造体
26 取付部材
27 可動保持部材
29 コイルバネ(付勢部材)

Claims (8)

  1. 内部中央に構造体が配置された配管内を点検する配管内部点検装置であって、
    前記配管内を自走する走行装置を備え、
    前記走行装置は、
    前記配管内を撮像する撮像装置と、
    前記配管の内周面に接触して回転する車輪と、
    前記車輪を回転駆動させる駆動装置とを有し、
    前記車輪を回転駆動させることにより、前記配管の周方向へ走行し、その周方向の任意の位置で、前記配管の内周面との間に生じるグリップ力により姿勢を維持しつつ、前記配管の長手方向に走行可能に構成されたことを特徴とする配管内部点検装置。
  2. 前記走行装置は、前記車輪、前記駆動装置及び前記撮像装置を保持する本体フレームを有し、
    前記本体フレームは、前記配管の周方向に伸びるように形成され、前記本体フレームの長手方向の両端部に少なくとも前記車輪を配置した請求項1に記載の配管内部点検装置。
  3. 前記配管内に配置されたときに生じる前記本体フレームの弾性反発力により、前記車輪を前記配管の内周面に押し付けるように構成した請求項2に記載の配管内部点検装置。
  4. 前記本体フレームに設けられた付勢部材によって前記車輪を前記配管の内周面に押し付けるように構成した請求項2又は3に記載の配管内部点検装置。
  5. 前記車輪を、メカナムホイールとした請求項1から4のいずれか1項に記載の配管内部点検装置。
  6. 前記走行装置に、前記配管外に設置された電源から前記撮像装置及び前記駆動装置へ電力を供給する電源ケーブルを接続した請求項1から5のいずれか1項に記載の配管内部点検装置。
  7. 前記走行装置の走行に伴って前記配管内に進入する前記電源ケーブルの長さに基づいて、前記走行装置の走行距離を測定する走行距離測定装置を備える請求項6に記載の配管内部点検装置。
  8. 前記撮像装置及び前記駆動装置を遠隔操作する制御装置を備え、
    前記電源ケーブルを介して前記制御装置と前記撮像装置又は前記駆動装置との間で電気信号を送受信可能に構成した請求項6又は7に記載の配管内部点検装置。
JP2014135825A 2014-07-01 2014-07-01 配管内部点検装置 Expired - Fee Related JP6329445B2 (ja)

Priority Applications (1)

Application Number Priority Date Filing Date Title
JP2014135825A JP6329445B2 (ja) 2014-07-01 2014-07-01 配管内部点検装置

Applications Claiming Priority (1)

Application Number Priority Date Filing Date Title
JP2014135825A JP6329445B2 (ja) 2014-07-01 2014-07-01 配管内部点検装置

Publications (2)

Publication Number Publication Date
JP2016015804A true JP2016015804A (ja) 2016-01-28
JP6329445B2 JP6329445B2 (ja) 2018-05-23

Family

ID=55231611

Family Applications (1)

Application Number Title Priority Date Filing Date
JP2014135825A Expired - Fee Related JP6329445B2 (ja) 2014-07-01 2014-07-01 配管内部点検装置

Country Status (1)

Country Link
JP (1) JP6329445B2 (ja)

Cited By (4)

* Cited by examiner, † Cited by third party
Publication number Priority date Publication date Assignee Title
JP2019507553A (ja) * 2016-06-17 2019-03-14 武漢中儀物聯技術股▲ふん▼有限公司 配管ロボット、配管動画信号取得伝送装置、配管検査システム、および検査方法
CN109578746A (zh) * 2019-01-28 2019-04-05 西南大学 一种单体拼接式弹性管道机器人
JP2020001921A (ja) * 2018-07-02 2020-01-09 裕一 中里 軸状部材の送り移動装置及びその方法
JP2021153354A (ja) * 2020-03-24 2021-09-30 株式会社日立産機システム バスダクト

Citations (4)

* Cited by examiner, † Cited by third party
Publication number Priority date Publication date Assignee Title
JPS60181121U (ja) * 1984-05-09 1985-12-02 昭和電線電纜株式会社 管路移動車
JPS6185258A (ja) * 1984-10-04 1986-04-30 工業技術院長 管内自走装置
JPS6327750A (ja) * 1986-07-21 1988-02-05 Electric Power Dev Co Ltd 管内走行装置
JP3168451U (ja) * 2010-11-10 2011-06-16 有限会社サット・システムズ 全方向移動台車

Patent Citations (4)

* Cited by examiner, † Cited by third party
Publication number Priority date Publication date Assignee Title
JPS60181121U (ja) * 1984-05-09 1985-12-02 昭和電線電纜株式会社 管路移動車
JPS6185258A (ja) * 1984-10-04 1986-04-30 工業技術院長 管内自走装置
JPS6327750A (ja) * 1986-07-21 1988-02-05 Electric Power Dev Co Ltd 管内走行装置
JP3168451U (ja) * 2010-11-10 2011-06-16 有限会社サット・システムズ 全方向移動台車

Cited By (7)

* Cited by examiner, † Cited by third party
Publication number Priority date Publication date Assignee Title
JP2019507553A (ja) * 2016-06-17 2019-03-14 武漢中儀物聯技術股▲ふん▼有限公司 配管ロボット、配管動画信号取得伝送装置、配管検査システム、および検査方法
JP2020001921A (ja) * 2018-07-02 2020-01-09 裕一 中里 軸状部材の送り移動装置及びその方法
JP7121980B2 (ja) 2018-07-02 2022-08-19 裕一 中里 軸状部材の送り移動装置及びその方法
CN109578746A (zh) * 2019-01-28 2019-04-05 西南大学 一种单体拼接式弹性管道机器人
CN109578746B (zh) * 2019-01-28 2024-11-22 西南大学 一种单体拼接式弹性管道机器人
JP2021153354A (ja) * 2020-03-24 2021-09-30 株式会社日立産機システム バスダクト
WO2021192353A1 (ja) * 2020-03-24 2021-09-30 株式会社日立産機システム バスダクト

Also Published As

Publication number Publication date
JP6329445B2 (ja) 2018-05-23

Similar Documents

Publication Publication Date Title
EP3663747B1 (en) Systems and methods for inspecting pipelines using a pipeline inspection robot
US11887291B2 (en) Systems and methods for inspecting pipelines using a robotic imaging system
US10890505B2 (en) Systems and methods for inspecting pipelines using a robotic imaging system
JP6329445B2 (ja) 配管内部点検装置
JP5717246B2 (ja) 点検装置
KR101298227B1 (ko) 관로 검사 장치
US7460980B2 (en) Method for the control of a pipe inspection system and for the evaluation of the inspection data
US20160339584A1 (en) Robot for inspection of confined spaces
KR102359154B1 (ko) 전력설비 자율진단 로봇
CN111412342A (zh) 管道检测机器人及管道检测方法
CN115954800B (zh) 电缆检测安装系统及利用其实现电缆敷设安装的方法
US8706340B2 (en) Underground utility vault inspection system and method
CN113826312B (zh) 检查车辆
EP3798622B1 (en) Systems and methods for inspecting pipelines using a robotic imaging system
JPH0868622A (ja) 煙突筒身検査システム
BR102015026049A2 (pt) equipamento robótico de inspeção
JP2017099036A (ja) 送電線異常箇所撮影装置
JP3164700U (ja) 管路検査装置
CN113984891A (zh) 一种水利pccp管声光纤声纹监测机器人及其控制方法
JP3163271U (ja) 管内検査装置
JPH039009Y2 (ja)
JPH03212610A (ja) 走行検査装置
TR2021020855A2 (tr) Boru i̇çi̇ panorami̇k muayene si̇stemi̇
JP5503948B2 (ja) 作業ナビゲーションシステム
JP2003014652A (ja) 管路内観察用ロボット

Legal Events

Date Code Title Description
A621 Written request for application examination

Free format text: JAPANESE INTERMEDIATE CODE: A621

Effective date: 20170530

A977 Report on retrieval

Free format text: JAPANESE INTERMEDIATE CODE: A971007

Effective date: 20180307

TRDD Decision of grant or rejection written
A01 Written decision to grant a patent or to grant a registration (utility model)

Free format text: JAPANESE INTERMEDIATE CODE: A01

Effective date: 20180328

A61 First payment of annual fees (during grant procedure)

Free format text: JAPANESE INTERMEDIATE CODE: A61

Effective date: 20180420

R150 Certificate of patent or registration of utility model

Ref document number: 6329445

Country of ref document: JP

Free format text: JAPANESE INTERMEDIATE CODE: R150

R250 Receipt of annual fees

Free format text: JAPANESE INTERMEDIATE CODE: R250

R250 Receipt of annual fees

Free format text: JAPANESE INTERMEDIATE CODE: R250

LAPS Cancellation because of no payment of annual fees