JP2010147538A - 画像処理装置および方法、並びにプログラム - Google Patents

画像処理装置および方法、並びにプログラム Download PDF

Info

Publication number
JP2010147538A
JP2010147538A JP2008319465A JP2008319465A JP2010147538A JP 2010147538 A JP2010147538 A JP 2010147538A JP 2008319465 A JP2008319465 A JP 2008319465A JP 2008319465 A JP2008319465 A JP 2008319465A JP 2010147538 A JP2010147538 A JP 2010147538A
Authority
JP
Japan
Prior art keywords
coordinate
input image
pixel
image
boundary
Prior art date
Legal status (The legal status is an assumption and is not a legal conclusion. Google has not performed a legal analysis and makes no representation as to the accuracy of the status listed.)
Withdrawn
Application number
JP2008319465A
Other languages
English (en)
Inventor
Shintaro Okada
紳太郎 岡田
Kazuhiko Nishibori
一彦 西堀
Current Assignee (The listed assignees may be inaccurate. Google has not performed a legal analysis and makes no representation or warranty as to the accuracy of the list.)
Sony Corp
Original Assignee
Sony Corp
Priority date (The priority date is an assumption and is not a legal conclusion. Google has not performed a legal analysis and makes no representation as to the accuracy of the date listed.)
Filing date
Publication date
Application filed by Sony Corp filed Critical Sony Corp
Priority to JP2008319465A priority Critical patent/JP2010147538A/ja
Priority to US12/634,866 priority patent/US8411974B2/en
Priority to CN200910258063A priority patent/CN101753798A/zh
Publication of JP2010147538A publication Critical patent/JP2010147538A/ja
Withdrawn legal-status Critical Current

Links

Images

Classifications

    • HELECTRICITY
    • H04ELECTRIC COMMUNICATION TECHNIQUE
    • H04NPICTORIAL COMMUNICATION, e.g. TELEVISION
    • H04N19/00Methods or arrangements for coding, decoding, compressing or decompressing digital video signals
    • H04N19/85Methods or arrangements for coding, decoding, compressing or decompressing digital video signals using pre-processing or post-processing specially adapted for video compression
    • HELECTRICITY
    • H04ELECTRIC COMMUNICATION TECHNIQUE
    • H04NPICTORIAL COMMUNICATION, e.g. TELEVISION
    • H04N19/00Methods or arrangements for coding, decoding, compressing or decompressing digital video signals
    • H04N19/10Methods or arrangements for coding, decoding, compressing or decompressing digital video signals using adaptive coding
    • H04N19/102Methods or arrangements for coding, decoding, compressing or decompressing digital video signals using adaptive coding characterised by the element, parameter or selection affected or controlled by the adaptive coding
    • H04N19/132Sampling, masking or truncation of coding units, e.g. adaptive resampling, frame skipping, frame interpolation or high-frequency transform coefficient masking
    • HELECTRICITY
    • H04ELECTRIC COMMUNICATION TECHNIQUE
    • H04NPICTORIAL COMMUNICATION, e.g. TELEVISION
    • H04N19/00Methods or arrangements for coding, decoding, compressing or decompressing digital video signals
    • H04N19/10Methods or arrangements for coding, decoding, compressing or decompressing digital video signals using adaptive coding
    • H04N19/169Methods or arrangements for coding, decoding, compressing or decompressing digital video signals using adaptive coding characterised by the coding unit, i.e. the structural portion or semantic portion of the video signal being the object or the subject of the adaptive coding
    • H04N19/17Methods or arrangements for coding, decoding, compressing or decompressing digital video signals using adaptive coding characterised by the coding unit, i.e. the structural portion or semantic portion of the video signal being the object or the subject of the adaptive coding the unit being an image region, e.g. an object
    • HELECTRICITY
    • H04ELECTRIC COMMUNICATION TECHNIQUE
    • H04NPICTORIAL COMMUNICATION, e.g. TELEVISION
    • H04N19/00Methods or arrangements for coding, decoding, compressing or decompressing digital video signals
    • H04N19/50Methods or arrangements for coding, decoding, compressing or decompressing digital video signals using predictive coding
    • H04N19/503Methods or arrangements for coding, decoding, compressing or decompressing digital video signals using predictive coding involving temporal prediction
    • HELECTRICITY
    • H04ELECTRIC COMMUNICATION TECHNIQUE
    • H04NPICTORIAL COMMUNICATION, e.g. TELEVISION
    • H04N19/00Methods or arrangements for coding, decoding, compressing or decompressing digital video signals
    • H04N19/50Methods or arrangements for coding, decoding, compressing or decompressing digital video signals using predictive coding
    • H04N19/503Methods or arrangements for coding, decoding, compressing or decompressing digital video signals using predictive coding involving temporal prediction
    • H04N19/51Motion estimation or motion compensation
    • H04N19/55Motion estimation with spatial constraints, e.g. at image or region borders
    • HELECTRICITY
    • H04ELECTRIC COMMUNICATION TECHNIQUE
    • H04NPICTORIAL COMMUNICATION, e.g. TELEVISION
    • H04N19/00Methods or arrangements for coding, decoding, compressing or decompressing digital video signals
    • H04N19/50Methods or arrangements for coding, decoding, compressing or decompressing digital video signals using predictive coding
    • H04N19/587Methods or arrangements for coding, decoding, compressing or decompressing digital video signals using predictive coding involving temporal sub-sampling or interpolation, e.g. decimation or subsequent interpolation of pictures in a video sequence
    • HELECTRICITY
    • H04ELECTRIC COMMUNICATION TECHNIQUE
    • H04NPICTORIAL COMMUNICATION, e.g. TELEVISION
    • H04N19/00Methods or arrangements for coding, decoding, compressing or decompressing digital video signals
    • H04N19/80Details of filtering operations specially adapted for video compression, e.g. for pixel interpolation

Landscapes

  • Engineering & Computer Science (AREA)
  • Multimedia (AREA)
  • Signal Processing (AREA)
  • Television Systems (AREA)

Abstract

【課題】より確実に静止帯領域を検出できるようにする。
【解決手段】画像処理装置11には、コンテンツが表示される有効領域と、その有効領域を囲む、継続してコンテンツとは異なる所定の画像が表示される静止帯領域とからなる入力画像が供給される。静止帯座標検出部31は、現フレームの入力画像と、現フレームよりも時間的に前の過去フレームの入力画像との各画素の差分絶対値を求め、その差分絶対値と閾値とを用いた閾値処理により、画素の動きの有無を示す動きフラグを生成する。そして、静止帯座標検出部31は、入力画像におけるx方向に隣接する2つの画素の動きフラグを比較して、入力画像における静止帯領域と有効領域とのx方向の境界の位置を検出する。本発明は、画像処理装置に適用することができる。
【選択図】図2

Description

本発明は画像処理装置および方法、並びにプログラムに関し、特に、フレームレート変換を行う場合に用いて好適な画像処理装置および方法、並びにプログラムに関する。
従来、画像信号の連続するフレームの間の補間フレームを生成することで、画像信号のフレームレートを変換するフレームレート変換処理が知られている。フレームレート変換処理では、表示時刻の異なる2つのフレームから動きベクトルが検出され、その動きベクトルを用いた動き補償により補間フレームが生成される。
ところで、コンテンツ等の動画像信号では、画像上に、コンテンツ自体が表示される領域と、その領域を囲む帯状の領域(以下、静止帯領域と称する)とが設けられていることがある。このような画像の端に設けられた帯状の静止帯領域には、継続して同じ画像、例えば黒い画像や所定のパターンの絵柄の画像が表示され、この静止帯領域は、一般的に黒帯、サイドパネル、レーターボックスなどと呼ばれている。
このような静止帯領域を含む画像の動画像信号に対してフレームレート変換を行う場合に、静止帯領域を考慮せずに補間フレームを生成すると、静止帯領域の画素が用いられて動きベクトルの検出や動き補償が行われ、補間フレームの画像の画質が劣化してしまう。そのため、フレームレート変換処理では、画像上の静止帯領域を確実に検出し、画像上の適切な領域、つまり静止帯領域を除く領域を対象として、動きベクトルの検出や動き補償を行う必要がある。
例えば、静止帯領域を検出する方法として、画像上の輝度値の低い領域を静止帯領域として検出する方法(例えば、特許文献1および特許文献2参照)や、輝度値の相関および周波数を利用して静止帯領域を検出する方法(例えば、特許文献3および特許文献4参照)が提案されている。
また、画像の中央付近の画素と、画像の端付近の画素の輝度値を比較することで静止帯領域を検出する方法(例えば、特許文献5参照)や、画像信号のデコード時に付加的な画像の有無を判別することで静止帯領域を検出する方法(例えば、特許文献6参照)も知られている。
特開2005−203933号公報 特開2006−229781号公報 特開平7−29820号公報 特開平11−8799号公報 特開2007−150379号公報 特開2006−339737号公報
しかしながら、上述した技術では、画像から静止帯領域を確実に検出することは困難であった。
例えば、画像上の輝度値の低い領域を静止帯領域とする方法では、静止帯領域が黒い領域、つまり輝度値の低い領域である場合には、静止帯領域を正しく検出することはできるが、静止帯領域の輝度値が高い場合には、検出できなくなってしまう。また、輝度値の相関および周波数を利用する方法では、画像上における所定方向への輝度値の変化が不規則である場合には、静止帯領域を検出することができなくなってしまう。
さらに、画像中央付近の画素と、端付近の画素の輝度値を比較する方法では、サンプルとして選択された画素が静止帯領域の画素でなくても、それらの画素の輝度値の差分が小さい場合には、誤検出が生じてしまう。また、付加的な画像の有無を判別する方法では、デコード後のベースバンド信号については、静止帯領域を検出することができなかった。
本発明は、このような状況に鑑みてなされたものであり、より確実に画像から静止帯領域を検出することができるようにするものである。
本発明の一側面の画像処理装置は、入力画像から、前記入力画像の端に設けられた、継続して同じ画像が表示される静止帯領域を検出する画像処理装置であって、前記入力画像の各画素について、互いに異なるフレームの同じ位置にある前記入力画像の画素の画素値の差分を算出する差分算出手段と、前記差分に基づいて、前記入力画像の前記画素の画素値の変化の有無を示す画素動き情報を生成する画素動き情報生成手段と、前記入力画像における、第1の方向に並ぶ複数の前記画素の前記画素動き情報を比較して、前記静止帯領域と、前記入力画像における前記静止帯領域を除く領域である有効領域との前記第1の方向の境界の位置を検出する第1の検出手段とを備える。
画像処理装置には、前記画素動き情報に基づいて、前記入力画像における前記第1の方向に並ぶ画素からなるラインを構成する画素の画素値の変化の有無を示すライン動き情報を生成するライン動き情報生成手段と、前記入力画像における、前記第1の方向と垂直な第2の方向に並ぶ複数の前記ラインの前記ライン動き情報を比較して、前記入力画像における前記静止帯領域と前記有効領域との前記第2の方向の境界の位置を検出する第2の検出手段とをさらに設けることができる。
前記第1の検出手段には、前記第1の方向に隣接する2つの画素の前記画素動き情報のそれぞれにより示される前記画素値の変化の有無が互いに異なる場合、前記2つの画素の位置を前記第1の方向の境界の位置として検出させることができる。
画像処理装置には、前記第1の検出手段により検出された複数の位置に基づいて、前記複数の位置のうち、前記入力画像における前記第1の方向の端に最も近い位置を、前記第1の方向の境界の位置として出力する第1の出力手段をさらに設けることができる。
前記第2の検出手段には、前記第2の方向に隣接する2つのラインの前記ライン動き情報のそれぞれにより示される前記画素値の変化の有無が互いに異なる場合、前記2つのラインの位置を前記第2の方向の境界の位置として検出させることができる。
画像処理装置には、前記第2の検出手段により検出された複数の位置に基づいて、前記複数の位置のうち、前記入力画像における前記第2の方向の端に最も近い位置を、前記第2の方向の境界の位置として出力する第2の出力手段をさらに設けることができる。
画像処理装置には、前記第1の方向の境界の位置および前記第2の方向の境界の位置に基づいて、前記入力画像の前記有効領域を対象として動きベクトルを検出する動きベクトル検出手段と、前記第1の方向の境界の位置および前記第2の方向の境界の位置と、前記動きベクトルとに基づいて、前記入力画像の前記有効領域を対象として動き補償を行い、前記入力画像のフレームレートを変換する動き補償手段とをさらに設けることができる。
画像処理装置には、各フレームの前記入力画像について求めた複数の前記第1の方向の境界の位置および前記第2の方向の境界の位置にフィルタ処理を施して、前記第1の方向の境界の位置および前記第2の方向の境界の位置の時間的な変動を抑制するフィルタ処理手段をさらに設けることができる。
本発明の一側面の画像処理方法またはプログラムは、入力画像から、前記入力画像の端に設けられた、継続して同じ画像が表示される静止帯領域を検出する画像処理方法またはプログラムであって、前記入力画像の各画素について、互いに異なるフレームの同じ位置にある前記入力画像の画素の画素値の差分を算出し、前記差分に基づいて、前記入力画像の前記画素の画素値の変化の有無を示す画素動き情報を生成し、前記入力画像における、所定の方向に並ぶ複数の前記画素の前記画素動き情報を比較して、前記静止帯領域と、前記入力画像における前記静止帯領域を除く領域である有効領域との前記所定の方向の境界の位置を検出するステップを含む。
本発明の一側面においては、入力画像から、前記入力画像の端に設けられた、継続して同じ画像が表示される静止帯領域を検出する画像処理において、前記入力画像の各画素について、互いに異なるフレームの同じ位置にある前記入力画像の画素の画素値の差分が算出され、前記差分に基づいて、前記入力画像の前記画素の画素値の変化の有無を示す画素動き情報が生成され、前記入力画像における、第1の方向に並ぶ複数の前記画素の前記画素動き情報が比較されて、前記静止帯領域と、前記入力画像における前記静止帯領域を除く領域である有効領域との前記第1の方向の境界の位置が検出される。
本発明の一側面によれば、より確実に画像から静止帯領域を検出することができる。
[画像処理装置の構成]
以下、図面を参照して、本発明を適用した実施の形態について説明する。
本発明を適用した画像処理装置では、入力された入力画像の画像信号から、静止帯領域が検出されるとともに、その検出結果が用いられて画像信号のフレームレート変換が行われる。
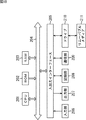
入力画像上の静止帯領域は、例えば、図1に示すように、画像信号により再生されるコンテンツの画像が表示される領域R11を囲む帯状の領域R12とされる。すなわち、領域R12は入力画像の端の部分の領域であり、領域R12には、動画像等のコンテンツ自体の画像は表示されず、例えば輝度値の低い黒い画像や、所定のパターンの絵柄の画像が継続して表示される。換言すれば、各フレームにおける入力画像の領域R12に表示される画像は、同じ画像とされる。
画像処理装置は、時間的に異なるフレームの入力画像から、入力画像上の静止帯領域である領域R12を検出するとともに、入力画像上の静止帯領域を除く領域R11を対象として動きベクトルの検出および動き補償を行い、補間フレームを生成する。なお、以下、入力画像上における、コンテンツ自体の画像の表示される領域R11を、有効領域とも称する。
静止帯領域の検出は、例えば図中、右方向をx方向とし、下方向をy方向として、入力画像の左上の端を基準とするxy座標系における、領域R11と領域R12との境界の位置のx座標およびy座標を求めることにより行われる。
具体的には、矢印P11により示される位置、つまり領域R11と領域R12の図中、左端の境界部分のx座標が左座標として求められ、矢印P12により示される位置、つまり領域R11と領域R12の図中、右端の境界部分のx座標が右座標として求められる。換言すれば、左座標および右座標は、入力画像における静止帯領域と有効領域とのx方向の境界の位置を特定する情報である。
また、矢印P13により示される位置、つまり領域R11と領域R12の図中、上端の境界部分のy座標が上座標として求められ、矢印P14により示される位置、つまり領域R11と領域R12の図中、下端の境界部分のy座標が下座標として求められる。換言すれば、上座標および下座標は、入力画像における静止帯領域と有効領域とのy方向の境界の位置を特定する情報である。
そして、これらの左座標、右座標、上座標、および下座標が、静止帯領域を特定するための静止帯座標とされる。
なお、xy座標系におけるx座標は、入力画像の図中、左端の位置が「0」とされ、図中、右側の位置ほどx座標の値が大きくなるものとする。同様に、xy座標系におけるy座標は、入力画像の図中、上端の位置が「0」とされ、図中、下側の位置ほどy座標の値が大きくなるものとする。
次に、図2は、本発明を適用した画像処理装置の一実施の形態の構成例を示す図である。
画像処理装置11は、フレームメモリ21、静止帯領域検出部22、動きベクトル検出部23、および動き補償部24から構成される。
画像処理装置11のフレームメモリ21乃至動き補償部24には、入力画像の画像信号が1フレーム分ずつ供給され、画像信号は、例えば輝度成分(Y成分)と、色差成分(Cr成分およびCb成分)とからなるベースバンドの動画像信号とされる。
フレームメモリ21は、供給された1フレーム分の入力画像、より詳細には入力画像の画像信号を、予め定められた所定の時間だけ遅延させて静止帯領域検出部22、動きベクトル検出部23、および動き補償部24に供給する。例えば、入力画像が遅延される時間は、1フレーム分の時間とされる。この場合、フレームメモリ21からは、画像処理装置11に入力された処理対象のフレームの時間的に1フレーム前の入力画像が出力されることになる。
なお、以下、画像処理装置11に供給された、処理対象のフレームを現フレームとも称し、フレームメモリ21から出力された、現フレームよりも時間的に前のフレームを過去フレームとも称する。また、過去フレームは、現フレームより時間的に前のフレームであれば、現フレームの直前のフレームでなくてもよい。
静止帯領域検出部22は、供給された現フレームの入力画像と、フレームメモリ21から供給された過去フレームの入力画像とから入力画像上の静止帯領域を検出し、その検出結果として静止帯座標を動きベクトル検出部23および動き補償部24に供給する。
静止帯領域検出部22は、静止帯座標検出部31、遅延部32、およびフィルタ処理部33から構成される。
静止帯座標検出部31は、供給された現フレームの入力画像と、フレームメモリ21から供給された過去フレームの入力画像とを用いて、現フレームの入力画像上の静止帯領域の静止帯座標を検出し、遅延部32に供給する。すなわち、静止帯座標として、静止帯領域の左座標、右座標、上座標、および下座標が検出される。
遅延部32は、静止帯座標検出部31から供給された静止帯座標を予め定められた時間だけ保持するとともに、供給された現フレームの静止帯座標と、保持している過去4フレーム分の静止帯座標とをフィルタ処理部33に供給する。
フィルタ処理部33は、遅延部32から供給された5フレーム分の静止帯座標に対して、5タップのメディアンフィルタを用いたフィルタ処理を施し、その結果得られた静止帯座標を、現フレームの最終的な静止帯座標として動きベクトル検出部23および動き補償部24に供給する。
なお、遅延部32からフィルタ処理部33に供給される静止帯座標は、必ずしも連続するフレームの静止帯座標である必要はなく、1フレーム間隔とされてもよい。また、静止帯座標は、複数フレーム分であればよく、遅延部32に保持される静止帯座標の数は、フィルタ処理部33によるフィルタ処理で用いられるメディアンフィルタのタップ数に応じて定められる。さらに、フィルタ処理に用いるフィルタは、静止帯座標の時間的な変動を抑制するためのフィルタであれば、メディアンフィルタに限らず、平均値を求めるフィルタなどであってもよい。
動きベクトル検出部23は、フィルタ処理部33から供給された静止帯座標を用いて、供給された現フレームの入力画像およびフレームメモリ21からの過去フレームの入力画像における、有効領域を対象として動きベクトルを検出する。動きベクトル検出部23は、検出された動きベクトルを動き補償部24に供給する。
動き補償部24は、フィルタ処理部33からの静止帯座標と、動きベクトル検出部23からの動きベクトルとを用いて、供給された現フレームの入力画像およびフレームメモリ21からの過去フレームの入力画像における、有効領域を対象として動き補償を行う。そして、動き補償部24は、動き補償により得られた補間フレームと、供給されたフレームとからなる入力画像の画像信号を、フレームレート変換により得られた出力画像の画像信号として出力する。
また、図2の静止帯座標検出部31は、より詳細には、図3に示すように構成される。
すなわち、静止帯座標検出部31は、左右座標検出部61、上下座標検出部62、および検査部63から構成される。
左右座標検出部61は、入力画像の画素単位で動作し、供給された現フレームの入力画像と、フレームメモリ21からの過去フレームの入力画像とから、現フレームの入力画像の左座標および右座標を検出し、検査部63に供給する。すなわち、左右座標検出部61では、入力画像の画素が順次、処理対象の画素とされて左座標および右座標が求められ、左座標および右座標は、新たな画素が処理対象とされるごとに更新されて、左右座標検出部61から検査部63に供給される。
また、左右座標検出部61は、供給された現フレームの入力画像および過去フレームの入力画像から、現フレームの入力画像のラインごとの動きを検出し、その検出結果としてライン単位の動きフラグV-curを上下座標検出部62に供給する。
ここで、入力画像のラインとは、図1におけるx方向に並ぶ入力画像上の画素からなるラインをいい、ラインごとの動きとは、入力画像上のラインの画素の画素値の変化をいう。
すなわち、現フレームの入力画像上の注目するラインである注目ラインを構成する各画素の画素値と、注目ラインと同じ位置の過去フレームの入力画像のラインを構成する各画素の画素値とが異なる場合、注目ラインに動きがあったとされる。また、注目ラインを構成する各画素の画素値と、注目ラインと同じ位置の過去フレームの入力画像のラインを構成する各画素の画素値とが同じである場合、注目ラインには動きがなかったとされる。さらに、ライン単位の動きフラグV-curの値は、そのラインが動きのあるラインである場合には「1」とされ、ラインが動きのない静止したラインである場合には「0」とされる。
上下座標検出部62は、入力画像の画素からなるライン単位で動作し、左右座標検出部61から供給された動きフラグV-curに基づいて、入力画像の上座標および下座標を検出し、検査部63に供給する。上座標および下座標は、ライン単位で更新されて、上下座標検出部62から検査部63に供給される。
検査部63は、フレームを単位として動作し、左右座標検出部61から供給される左座標および右座標を保持するとともに、それらの左座標および右座標が供給されるたびに、保持している左座標および右座標を更新する。また、検査部63は、上下座標検出部62から供給される上座標および下座標を保持するとともに、それらの上座標および下座標が供給されるたびに、保持している上座標および下座標を更新する。
検査部63は、入力画像のフレームごとに、保持している静止帯座標、つまり左座標、右座標、上座標、および下座標を検査する。すなわち、検査部63は、静止帯座標の誤検出を検出し、その検出結果に応じて、適宜静止帯座標を訂正して、図2の遅延部32に出力する。
また、図3の左右座標検出部61および上下座標検出部62は、より詳細には図4および図5に示すように構成される。
図4は、左右座標検出部61のより詳細な構成例を示す図である。
すなわち、左右座標検出部61は、差分算出部91、閾値処理部92、遅延部93、判定部94、左右座標更新部95、およびフラグ生成部96から構成される。
差分算出部91は、供給された色差パラメータを用いて、入力画像の画素ごとに、供給された現フレームの入力画像と、フレームメモリ21からの過去フレームの入力画像との画素の画素値の差分絶対値を求め、その差分絶対値を閾値処理部92に供給する。
例えば、色差パラメータは、差分絶対値の算出時に、入力画像の画素の輝度成分および色差成分の差分絶対値を求めるか、または輝度成分のみの差分絶対値を求めるかを示しており、「1」または「0」の何れかの値とされる。色差パラメータが「1」である場合には、輝度成分および色差成分の差分絶対値が求められ、色差パラメータが「0」である場合には、輝度成分のみの差分絶対値が求められる。
閾値処理部92は、差分算出部91から供給された画素ごとの差分絶対値と、供給された閾値とを用いて、閾値処理を行い、画素単位の動きフラグH-curを生成する。
この動きフラグ動きフラグH-curは、現フレームの入力画像上の画素に動きがあったか否かを示す情報である。ここで、現フレームの入力画像上の注目する画素である注目画素の動きの有無は、注目画素と、その注目画素と同じ位置にある過去フレームの入力画像の画素との画素値、つまり輝度成分または色差成分の変化の有無とされる。
例えば、注目画素が動きのある画素である場合、つまり注目画素の差分絶対値が閾値以上である場合、動きフラグH-curの値は「1」とされる。また、注目画素が動きのない、静止した画素である場合、つまり注目画素の差分絶対値が閾値未満である場合、動きフラグH-curの値は「0」とされる。
閾値処理部92は、生成した画素単位の動きフラグH-curを遅延部93、判定部94、およびフラグ生成部96に供給する。
遅延部93は、閾値処理部92からの動きフラグH-curを、1画素分の処理時間だけ遅延させて判定部94に供給する。なお、以下、1画素分の処理時間だけ遅延された画素単位の動きフラグを、動きフラグH-preと称する。すなわち、この動きフラグH-preは、現在処理対象となっている画素の時間的に直前に処理された画素の動きフラグH-curである。
判定部94は、閾値処理部92からの動きフラグH-curと、遅延部93からの動きフラグH-preとを比較して、現フレームの左座標および右座標を求めて左右座標更新部95に供給する。左右座標更新部95は、判定部94からの左座標および右座標を保持するとともに、供給された左座標および右座標に基づいて、保持している左座標および右座標を更新して検査部63に供給する。
フラグ生成部96は、閾値処理部92から供給された動きフラグH-curに基づいて、ライン単位の動きフラグV-curを生成し、上下座標検出部62に供給する。
また、図5は、図3の上下座標検出部62のより詳細な構成例を示す図である。
上下座標検出部62は、遅延部121、判定部122、および上下座標更新部123から構成され、図4のフラグ生成部96からの動きフラグV-curは、遅延部121および判定部122に供給される。
遅延部121は、フラグ生成部96からの動きフラグV-curを、1ライン分の処理時間だけ遅延させて判定部122に供給する。なお、以下、1ライン分の処理時間だけ遅延されたライン単位の動きフラグを、動きフラグV-preと称する。すなわち、この動きフラグV-preは、現在処理対象となっている入力画像のラインの時間的に直前に処理されたラインの動きフラグV-curである。
判定部122は、フラグ生成部96からの動きフラグV-curと、遅延部121からの動きフラグV-preとを比較して、現フレームの上座標および下座標を求めて上下座標更新部123に供給する。上下座標更新部123は、判定部122からの上座標および下座標を保持するとともに、供給された上座標および下座標に基づいて、保持している上座標および下座標を更新して検査部63に供給する。
[画像処理装置の動作]
ところで、画像処理装置11に入力画像の画像信号が供給されると、画像処理装置11は、入力画像から静止帯領域を検出し、その検出結果を用いて補間フレームを生成して画像信号のフレームレートを変換する処理であるフレームレート変換処理を開始する。
以下、図6のフローチャートを参照して、画像処理装置11によるフレームレート変換処理について説明する。
ステップS11において、静止帯領域検出部22は、供給された現フレームの入力画像と、フレームメモリ21から供給された過去フレームの入力画像とを用いて静止帯領域検出処理を行って、現フレームの入力画像の静止帯座標を検出する。そして、静止帯領域検出部22は、検出した静止帯座標を動きベクトル検出部23および動き補償部24に供給する。なお、静止帯領域検出処理の詳細は後述する。
ステップS12において、動きベクトル検出部23は、静止帯領域検出部22のフィルタ処理部33から供給された静止帯座標を用いて、供給された入力画像およびフレームメモリ21からの入力画像における有効領域を対象として、動きベクトルを検出する。
例えば、動きベクトル検出部23は、ブロックマッチングや勾配法などにより、過去フレームの入力画像の有効領域内の各画素の動きベクトルを検出し、その検出結果を動き補償部24に供給する。つまり、現フレームおよび過去フレームの入力画像の有効領域内の画素のみが用いられて、動きベクトルが検出される。
ステップS13において、動き補償部24は、フィルタ処理部33からの静止帯座標と、動きベクトル検出部23からの動きベクトルとを用いて、供給された入力画像およびフレームメモリ21からの入力画像における有効領域を対象として動き補償を行う。
すなわち、動き補償部24は、現フレームおよび過去フレームの入力画像の有効領域内の画素のみを用いた動き補償を行うことで、現フレームと過去フレームとの間の時刻の補間フレームの出力画像を生成する。例えば、補間フレームの出力画像における有効領域の画像は、動き補償により得られた画像とされ、補間フレームの出力画像における静止帯領域の画像は、現フレームの入力画像における静止帯領域の部分の画像とされる。
これにより、例えば、図7に示すように、フレームレートが60Hzである入力画像が、フレームレートが120Hzである出力画像に変換される。なお、図7において、縦軸は入力画像または出力画像上の位置を示しており、横軸は時間、すなわち各フレームの表示時刻を示している。また、図中、横軸における数値は時刻を示している。
さらに、斜線の施されていない円は、入力画像上の移動物体を表しており、斜線の施されている円は、出力画像上の移動物体を表している。
図7の例では、連続する2つのフレームの入力画像が用いられて、それらのフレームの間の補間フレームが生成されている。例えば、時刻2/120が現フレームの表示時刻であるとすると、現フレームの入力画像と、時刻0/120の過去フレームの入力画像とが用いられて、時刻1/120の補間フレームが生成されている。つまり、時刻1/120における移動物体が、時刻0/120における移動物体と、時刻2/120における移動物体とを結ぶ直線上に位置するような補間フレームの出力画像が生成される。
図6のフローチャートの説明に戻り、動き補償部24は、補間フレームを生成すると、生成した補間フレームの出力画像を後段に出力するとともに、補間フレームに続いて、現フレームの入力画像を、現フレームの出力画像として後段に出力する。このようにして出力された補間フレームおよび現フレームの出力画像は、例えば、動き補償部24に接続された表示装置に表示される。これにより表示装置には、出力画像が表示されることになる。
ステップS14において、画像処理装置11は、入力画像の画像信号のフレームレート変換を終了するか否かを判定する。例えば、入力画像の供給が停止され、フレームレート変換処理の終了が指示された場合、終了すると判定される。
ステップS14において、終了しないと判定された場合、処理はステップS11に戻り、上述した処理が繰り返される。すなわち、次の入力画像が現フレームの入力画像とされて、現フレームと過去フレームとの間の補間フレームが生成される。
これに対して、ステップS14において、処理を終了すると判定された場合、画像処理装置11の各部は行っている処理を終了し、フレームレート変換処理は終了する。
このようにして、画像処理装置11は、入力画像の静止帯領域を検出し、その検出結果を用いて、入力画像の有効領域のみを処理対象として、動きベクトルの検出および動き補償を行う。
このように、静止帯領域の検出結果を用いて、有効領域のみを処理対象とした動きベクトルの検出および動き補償を行うことにより、フレームレート変換により得られる出力画像の画質の劣化を抑制することができる。
すなわち、入力画像のフレームレート変換時に静止帯領域を考慮せず、入力画像の全体を処理対象とした場合には、動きベクトルの誤検出により静止帯領域の画素が用いられて有効領域の画素の画素値が算出され、出力画像の画質が劣化してしまうことがある。
これに対して、画像処理装置11では、静止帯領域を検出し、入力画像の有効領域のみを対象として、つまり有効領域の画素のみを用いて動きベクトルの検出および動き補償を行うため、出力画像の画質が劣化することはない。
次に、図8のフローチャートを参照して、図6のステップS11の処理に対応する静止帯領域検出処理について説明する。
ステップS41において、差分算出部91は、供給された現フレームの入力画像、およびフレームメモリ21からの過去フレームの入力画像と、供給された色差パラメータとを用いて、それらの入力画像上の同じ位置にある画素の画素値の差分絶対値を求める。
例えば、差分算出部91は、図1の入力画像の図中、上端のラインから下端のラインまで下方向に順番に、各ラインを処理対象とする。また、差分算出部91は、処理対象のラインを構成する画素を、図中、左端の画素から右端の画素まで右方向に順番に、処理対象の画素として、各画素の差分絶対値を求める。
すなわち、現フレームの入力画像において、まだ処理対象とされていない画素を含むラインのうち、最もy座標が小さいラインが選択され、そのラインを構成する、処理対象とされてない画素のうちの最もx座標の小さい画素が、今回処理対象とされる画素として選択される。
差分算出部91は、処理対象とした現フレームの入力画像の画素と、その画素と同じ位置にある過去フレームの入力画像上の画素との差分の絶対値を求める。例えば、供給された色差パラメータが「1」である場合、差分算出部91は、それらの画素の輝度成分の値(画素値)の差分絶対値と、それらの画素の色差成分の値(画素値)の差分絶対値とを求める。
また、供給された色差パラメータが「0」である場合、差分算出部91は、それらの画素の輝度成分の値(画素値)の差分絶対値のみを求め、色差成分の差分絶対値を「0」とする。この場合、閾値処理部92では、実質的に画素の輝度成分のみが用いられて、各画素の動きの有無が判定されることになる。なお、より詳細には、色差成分の差分絶対値として、Cr成分の差分絶対値と、Cb成分の差分絶対値とが求められる。
差分算出部91は、輝度成分の差分絶対値と、色差成分の差分絶対値とを求めると、それらの差分絶対値を閾値処理部92に供給する。
ステップS42において、閾値処理部92は、差分算出部91から供給された差分絶対値と、供給された閾値とを用いた閾値処理を行って、画素単位の動きフラグH-curを出力する。
具体的には、閾値処理部92には、輝度の閾値と、色差、つまりCr成分の閾値およびCb成分の閾値とが供給される。閾値処理部92は、輝度成分および色差成分の差分絶対値と閾値とを比較し、それらの比較結果の論理和を求めることで、処理対象の画素の動きの有無を判定する。
すなわち、輝度成分、Cr成分、およびCb成分のうち、1つでも差分絶対値が閾値以上である成分があった場合には、その処理対象の画素に動きがあった、つまり画素値に変化があったとされる。この場合、閾値処理部92は、処理対象の画素が動きのある画素であることを示す、値が「1」である動きフラグH-curを生成する。
また、全ての成分の差分絶対値が閾値以下である場合、処理対象の画素には動きがなかった、つまり画素値に変化がなかったとされる。この場合、閾値処理部92は、処理対象の画素が静止した画素であることを示す、値が「0」である動きフラグH-curを生成する。
このように、閾値処理部92では、画素の輝度成分、または輝度成分および色差成分の変化の有無、つまり画素の画素値の変化の有無が閾値判定により求められ、その変化の有無を示す画素単位の動きフラグH-curが生成される。
閾値処理部92は、動きフラグH-curを生成すると、生成した動きフラグH-curを遅延部93、判定部94、およびフラグ生成部96に供給する。また、遅延部93は、新たに閾値処理部92から供給された動きフラグH-curを保持するとともに、これまで保持していた動きフラグH-curを、動きフラグH-preとして判定部94に供給する。
ステップS43において、判定部94は、閾値処理部92からの動きフラグH-curと、遅延部93からの動きフラグH-preとを比較して、現フレームの入力画像の左座標および右座標を左右座標更新部95に出力する。
例えば、判定部94は、図9に示すように、動きフラグH-curおよび動きフラグH-preの状態、つまり処理対象の画素の動きの変化に応じて、左座標および右座標を出力する。なお、図9では、「H-pre」および「H-cur」の欄には、動きフラグH-curの値、および動きフラグH-preの値が示されており、それらの欄の右側には、各動きフラグの状態により定まる左座標または右座標が示されている。
具体的には、判定部94は、前回出力した左座標および右座標を保持している。なお、まだ左座標および右座標を出力していない場合には、例えば、左座標の初期値として入力画像におけるx座標の最大値が設定され、右座標の初期値として入力画像におけるx座標の最小値が設定される。つまり、左座標および右座標の初期値は、入力画像における図1中、右端および左端のx座標とされる。
判定部94は、供給された動きフラグH-curおよび動きフラグH-preの値が「0」である場合、保持している左座標および右座標を更新せずに、保持しているそれらの座標の値を、そのまま左座標および右座標として出力する。
また、判定部94は、動きフラグH-preの値が「0」であり、動きフラグH-curの値が「1」である場合、処理対象の画素のx座標を左座標として保持するとともに出力し、保持している右座標の値をそのまま右座標として出力する。この場合、判定部94に保持されている左座標および右座標のうち、左座標だけが更新されることになる。
さらに、判定部94は、動きフラグH-preの値が「1」であり、動きフラグH-curの値が「0」である場合、保持している左座標の値をそのまま左座標として出力し、処理対象の画素のx座標から1を減算して得られる値を右座標として保持するとともに出力する。この場合、判定部94に保持されている左座標および右座標のうち、右座標だけが更新されることになる。
さらに、また、判定部94は、動きフラグH-curおよび動きフラグH-preの値が「1」である場合、左座標および右座標を更新せずに、保持しているそれらの座標の値を、そのまま左座標および右座標として出力する。
したがって、例えば、図10に示すように、入力画像のx方向に並ぶラインごとに、ラインにおける静止帯領域と有効領域とのx方向の境界のx座標が左座標および右座標として出力されることになる。なお、図10において右方向はx方向を示しており、1つの四角形はラインを構成する1つの画素を表している。また、各画素内の数値は、画素のx座標を示しており、画素の下側の数値は、画素の動きフラグH-curの値、つまり動きの有無を示している。
図10において、x座標が「0」から「2」の領域と、x座標が「13」から「15」の領域とが静止帯領域であり、x座標が「3」から「12」の領域が有効領域であるとする。
静止帯領域には継続して、つまり連続するフレームで同じ画像が表示されるため、静止帯領域の画素は静止した画素であり、その画素の動きフラグH-curは「0」となるはずである。これに対して、有効領域には、コンテンツ自体の画像が表示されるため、基本的には有効領域の画素は動きのある画素であり、その画素の動きフラグH-curは「1」となるはずである。
したがって、動きフラグH-curが「0」である画素と、その画素の図中、右側に隣接する、動きフラグH-curが「1」である画素との間の位置が、図中、左側にある静止帯領域と有効領域との境界の位置となる。図10の例では、x座標が「2」である画素とx座標が「3」である画素との間が、静止帯領域と有効領域との境界の位置となる。
同様に、動きフラグH-curが「1」である画素と、その画素の図中、右側に隣接する、動きフラグH-curが「0」である画素との間の位置が、図中、右側にある静止帯領域と有効領域との境界の位置となる。図10の例では、x座標が「12」である画素とx座標が「13」である画素との間が、静止帯領域と有効領域との境界の位置となる。
また、入力画像では、ライン上のx座標が小さい画素から順番に処理対象の画素とされるので、図中、左端から右端の画素まで右方向に順番に、処理対象の画素の動きフラグH-curと、その画素の左に隣接する画素の動きフラグH-preとが判定部94に供給される。
そこで、判定部94は、動きフラグH-preの値が「0」であり、動きフラグH-curの値が「1」である場合、処理対象の画素の位置が境界の位置であるとして、その処理対象の画素のx座標を左座標として出力する。つまり、動きフラグが「0」から「1」に変化したときに、図中、左側の静止帯領域の境界が検出されたとされる。図10の例では、x=3が左座標として出力されることになる。
また、判定部94は、動きフラグH-preの値が「1」であり、動きフラグH-curの値が「0」である場合、処理対象の画素の位置が境界の位置であるとして、その処理対象の画素のx座標から1を減算した値を右座標として出力する。つまり、動きフラグが「1」から「0」に変化したときに、図中、右側の静止帯領域の境界が検出されたとされる。
図10の例では、x座標が「13」である画素が処理対象である場合に、静止帯領域の図中、右側の境界が検出されるので、処理対象の画素のx座標から1を減算した値、つまり処理対象の画素の左側に隣接する画素のx座標「12」が右座標として出力される。
このように、判定部94では、x方向に隣接する2つの画素の動きフラグが比較されて、それらの動きフラグにより示される動きの有無が互いに異なる場合、2つの画素の位置が、入力画像のラインにおける静止帯領域と有効領域とのx方向の境界の位置とされる。そして、その境界の位置を示す左座標および右座標が、入力画像全体における、左座標および右座標の候補として左右座標更新部95に出力される。
なお、有効領域内に動きのない画素がある場合もあるので、そのような画素の位置も左座標または右座標の候補として出力されることになる。つまり、1つのラインから、左座標および右座標の複数の候補が検出されることもある。
また、より詳細には、判定部94は、処理対象の画素のx座標が「0」である場合、つまり新たなラインの画素を処理対象とする場合には、動きフラグの比較を行わずに、保持している左座標および右座標を、そのまま左右座標更新部95に出力する。さらに、判定部94が保持する左座標および右座標は1フレームごとにリセットされ、初期値とされる。
図8のフローチャートの説明に戻り、ステップS44において、左右座標更新部95は、判定部94から供給された左座標および右座標に基づいて、保持している左座標および右座標を更新し、更新後の左座標および右座標を検査部63に供給する。
例えば、左右座標更新部95は、前回までの左座標および右座標を保持しており、保持している左座標および右座標と、今回、新たに判定部94から供給された左座標および右座標とを比較して、保持している左座標および右座標を更新する。
具体的には、左右座標更新部95は、図11に示すように、保持している左座標と、供給された左座標との大小関係に応じて左座標を更新する。なお、図11において、「left-cur」は、新たに供給された左座標を示しており、「left-pre」は左右座標更新部95が保持している左座標を示している。また、図11では、「left-cur」および「left-pre」の関係に対して出力される左座標が示されている。
すなわち、左右座標更新部95は、新たに供給された左座標「left-cur」が、保持している左座標「left-pre」よりも大きい場合、保持している左座標「left-pre」を検査部63に出力するとともに、その左座標「left-pre」を継続して保持する。
また、左右座標更新部95は、新たに供給された左座標「left-cur」が、保持している左座標「left-pre」以下である場合、新たに供給された左座標「left-cur」を検査部63に出力するとともに、左座標を「left-cur」に更新して、その左座標「left-cur」を保持する。つまり、左座標「left-cur」が次回の左座標「left-pre」として保持される。
したがって、例えば図12に示すように、左右座標更新部95は、保持している左座標よりも、より小さい座標が新たな左座標として供給された場合に、左座標を更新する。なお、図12において右方向はx方向を示しており、図中の長方形は入力画像を表している。
例えば、左右座標更新部95が、矢印Q11に示される位置のx座標を左座標として保持していたとする。この場合、左右座標更新部95は、矢印Q12に示す位置のx座標が左座標として供給されると、そのx座標は、左座標として保持しているx座標よりも小さいので、左座標を更新する。
静止帯領域の画素はどのフレームにおいても動きのない画素であるので、静止帯領域内の互いに隣接する画素の一方が、動きのある画素となるようなことはない。したがって、左座標の候補として左右座標更新部95に供給されたx座標のうち、入力画像の図中、最も左側の端に近いx座標が、静止帯領域の境界の位置を示す左座標である可能性が高い。そこで、図中、最も小さいx座標を示す左座標の候補を左座標として出力することで、より正確に左座標を検出することができる。つまり、より確実に静止帯領域の左座標を検出することができる。
さらに、左座標と同様に、左右座標更新部95は、図13に示すように、保持している右座標と、供給された右座標との大小関係に応じて右座標を更新する。なお、図13において、「right-cur」は、新たに供給された右座標を示しており、「right-pre」は左右座標更新部95が保持している右座標を示している。また、図13では、「right-cur」および「right-pre」の関係に対して出力される右座標が示されている。
すなわち、左右座標更新部95は、新たに供給された右座標「right-cur」が、保持している右座標「right-pre」よりも大きい場合、新たに供給された右座標「right-cur」を検査部63に出力する。そして左右座標更新部95は、右座標を「right-cur」に更新し、その右座標「right-cur」を保持する。つまり、右座標「right-cur」が次回の右座標「right-pre」として保持される。
また、左右座標更新部95は、新たに供給された右座標「right-cur」が、保持している右座標「right-pre」以下である場合、保持している右座標「right-pre」を検査部63に出力するとともに、その右座標「right-pre」を継続して保持する。
このように、左右座標更新部95は、左座標の場合と同様に、右座標の候補として左右座標更新部95に供給されたx座標のうち、入力画像の最もx方向側の端に近いx座標を右座標として出力する。これにより、より正確に右座標を検出することができる。つまり、より確実に静止帯領域の右座標を検出することができる。
なお、左右座標更新部95において保持される左座標「left-pre」および右座標「right-pre」は、1フレームごとにリセットされる。すなわち、1フレームの入力画像の全ての画素が処理されると、左右座標更新部95は、保持している左座標「left-pre」および右座標「right-pre」を破棄する。そして、左右座標更新部95は、新たに供給された次のフレームの入力画像の画素の左座標「left-cur」および右座標「right-cur」を出力するとともに、左座標「left-cur」および右座標「right-cur」を左座標「left-pre」および右座標「right-pre」として保持する。
したがって、1フレームの入力画像の全ての画素が処理対象とされて、最終的に(最後に)左右座標更新部95から出力される左座標および右座標は、そのフレームの入力画像上で最もx方向の端に近い位置にある、静止帯領域の境界の候補とされた座標である。
また、検査部63は、左右座標更新部95から左座標および右座標が供給されると、新たに供給された左座標および右座標を保持し、左座標および右座標を更新する。
図8のフローチャートに戻り、ステップS45において、左右座標検出部61は、現フレームの入力画像の1ライン分の処理が終了したか否かを判定する。例えば、入力画像の処理対象となっているラインを構成する全ての画素が処理対象の画素とされ、左座標および右座標が出力された場合、1ライン分の処理が終了したと判定される。
ステップS45において、1ライン分の処理が終了していないと判定された場合、処理はステップS41に戻り、上述した処理が繰り返される。
これに対して、ステップS45において、1ライン分の処理が終了したと判定された場合、ステップS46において、フラグ生成部96は、閾値処理部92から供給された動きフラグH-curに基づいて、ライン単位の動きフラグV-curを生成する。
例えば、フラグ生成部96は、処理対象となっている1つのラインを構成する全ての画素の動きフラグH-curが「0」である場合、そのラインが動きのないラインであることを示す、値が「0」である動きフラグV-curを生成する。また、フラグ生成部96は、処理対象のラインを構成する画素に、1つでも動きのある画素がある場合、つまり1つでも値が「1」である動きフラグH-curの画素がある場合、動きのあるラインであることを示す、値が「1」である動きフラグV-curを生成する。
このように、フラグ生成部96では、ラインを構成する全ての画素の画素値の変化の有無、つまりライン全体の輝度成分や色差成分の変化の有無が、各画素の動きフラグH-curにより求められ、その変化の有無を示すライン単位の動きフラグV-curが生成される。
フラグ生成部96は、動きフラグV-curを生成すると、生成した動きフラグV-curを上下座標検出部62の遅延部121および判定部122に供給する。また、遅延部121は、フラグ生成部96から動きフラグV-curが供給されると、新たに供給された動きフラグV-curを保持するとともに、これまで保持していた動きフラグV-curを、動きフラグV-preとして判定部122に供給する。
ステップS47において、判定部122は、フラグ生成部96からの動きフラグV-curと、遅延部121からの動きフラグV-preとを比較して、現フレームの入力画像の上座標および下座標を上下座標更新部123に出力する。
例えば、判定部122は、図14に示すように、動きフラグV-curおよび動きフラグV-preの状態、つまり処理対象のラインの動きの変化に応じて、上座標および下座標を出力する。なお、図14では、「V-pre」および「V-cur」の欄には、動きフラグV-preの値、および動きフラグV-curの値が示されており、それらの欄の右側には、各動きフラグの状態により定まる上座標または下座標が示されている。
具体的には、判定部122は、前回出力した上座標および下座標を保持している。なお、まだ上座標および下座標を出力していない場合には、例えば、上座標の初期値として入力画像におけるy座標の最大値が設定され、下座標の初期値として入力画像におけるy座標の最小値が設定される。つまり、上座標および下座標の初期値は、入力画像における図1中、下端および上端のy座標とされる。
判定部122は、供給された動きフラグV-curおよび動きフラグV-preの値が「0」である場合、上座標および下座標を更新せずに、保持している上座標および下座標の値を、そのまま上座標および下座標として出力する。
また、判定部122は、動きフラグV-preの値が「0」であり、動きフラグV-curの値が「1」である場合、処理対象のラインのy座標を上座標として保持するとともに出力し、保持している下座標の値をそのまま下座標として出力する。この場合、判定部122に保持されている上座標および下座標のうち、上座標だけが更新されることになる。
さらに、判定部122は動きフラグV-preの値が「1」であり、動きフラグV-curの値が「0」である場合、保持している上座標の値をそのまま上座標として出力し、処理対象のラインのy座標から1を減算して得られる値を下座標として保持するとともに出力する。この場合、判定部122に保持されている上座標および下座標のうち、下座標だけが更新されることになる。
さらに、また、判定部122は、動きフラグV-curおよび動きフラグV-preの値が「1」である場合、上座標および下座標を更新せずに、保持しているそれらの座標の値を、そのまま上座標および下座標として出力する。
したがって、例えば、図15に示すように、入力画像のフレームごとに、入力画像における静止帯領域と有効領域との境界のy座標が上座標および下座標として出力されることになる。なお、図15において下方向はy方向を示しており、1つの長方形は1つのラインを表している。また、各ライン内の数値は、ラインのy座標を示しており、ラインの右側の数値は、ラインの動きフラグV-curの値、つまりラインの動きの有無を示している。
図15において、y座標が「0」および「1」のラインと、y座標が「8」および「9」のラインとが静止帯領域のみからなるラインであり、y座標が「2」から「7」のラインが有効領域を含むラインであるとする。
静止帯領域には継続して、つまり連続するフレームで同じ画像が表示されるため、静止帯領域のみからなるラインは静止したラインであり、そのラインの動きフラグV-curは「0」となるはずである。これに対して、有効領域には、コンテンツ自体の画像が表示されるため、基本的には有効領域を含むラインは動きのあるラインであり、そのラインの動きフラグV-curは「1」となるはずである。
したがって、動きフラグV-curが「0」であるラインと、そのラインの図中、下側に隣接する、動きフラグV-curが「1」であるラインとの間の位置が、図中、上側にある静止帯領域と有効領域とのy方向の境界の位置となる。図15の例では、y座標が「1」であるラインとy座標が「2」であるラインとの間が、静止帯領域と有効領域との境界の位置となる。
同様に動きフラグV-curが「1」であるラインと、そのラインの図中、下側に隣接する、動きフラグV-curが「0」であるラインとの間の位置が、図中、下側にある静止帯領域と有効領域とのy方向の境界の位置となる。図15の例では、y座標が「7」であるラインとy座標が「8」であるラインとの間が、静止帯領域と有効領域との境界の位置となる。
また、入力画像では、y座標が小さいラインから順番に処理対象のラインとされるので、図中、上端から下端のラインまで下方向に順番に、処理対象のラインの動きフラグV-curと、そのラインの上に隣接するラインの動きフラグV-preとが判定部122に供給される。
そこで、判定部122は、動きフラグV-preの値が「0」であり、動きフラグV-curの値が「1」である場合、処理対象のラインの位置がy方向の境界の位置であるとして、その処理対象のラインのy座標を上座標として出力する。つまり、動きフラグが「0」から「1」に変化したときに、図中、上側の静止帯領域の境界が検出されたとされる。図15の例では、y=2が上座標として出力されることになる。
また、判定部122は、動きフラグV-preの値が「1」であり、動きフラグV-curの値が「0」である場合、処理対象のラインの位置がy方向の境界の位置であるとして、その処理対象のラインのy座標から1を減算した値を下座標として出力する。つまり、動きフラグが「1」から「0」に変化したときに、図中、下側の静止帯領域の境界が検出されたとされる。
図15の例では、y座標が「8」であるラインが処理対象である場合に、静止帯領域の図中、下側の境界が検出されるので、処理対象のラインのy座標から1を減算した値、つまり処理対象のラインの上側に隣接するラインのy座標「7」が下座標として出力される。
このように、判定部122では、y方向に隣接する2つのラインの動きフラグが比較されて、それらの動きフラグにより示される動きの有無が互いに異なる場合、2つのラインの位置が、入力画像における静止帯領域と有効領域とのy方向の境界の位置とされる。そして、その境界の位置を示す上座標および下座標が、入力画像全体における、上座標および下座標の候補として上下座標更新部123に出力される。
なお、有効領域内には、動きのない画素がある場合もあるので、そのような動きのない画素からなるラインの位置も上座標または下座標の候補として出力されることになる。つまり、1つのフレームの入力画像から、上座標および下座標の複数の候補が検出されることもある。
また、より詳細には、判定部122は、処理対象のラインのy座標が「0」である場合、つまり新たなフレームのラインを処理対象とする場合には、動きフラグの比較を行わずに、保持している上座標および下座標を、そのまま上下座標更新部123に出力する。また、判定部122が保持する上座標および下座標は1フレームごとにリセットされ、初期値とされる。
図8のフローチャートの説明に戻り、ステップS48において、上下座標更新部123は、判定部122から供給された上座標および下座標に基づいて、保持している上座標および下座標を更新し、更新後の上座標および下座標を検査部63に供給する。
例えば、上下座標更新部123は、前回までの上座標および下座標を保持しており、保持している上座標および下座標と、今回、新たに判定部122から供給された上座標および下座標とを比較して、それらの座標を更新する。
具体的には、上下座標更新部123は、図16に示すように、保持している上座標と、供給された上座標との大小関係に応じて上座標を更新する。なお、図16において、「up-cur」は、新たに供給された上座標を示しており、「up-pre」は上下座標更新部123が保持している上座標を示している。また、図16では、「up-cur」および「up-pre」の関係に対して出力される上座標が示されている。
すなわち、上下座標更新部123は、新たに供給された上座標「up-cur」が、保持している上座標「up-pre」よりも大きい場合、保持している上座標「up-pre」を検査部63に出力するとともに、その上座標「up-pre」を継続して保持する。
また、上下座標更新部123は、新たに供給された上座標「up-cur」が、保持している上座標「up-pre」以下である場合、新たに供給された上座標「up-cur」を検査部63に出力するとともに、上座標を「up-cur」に更新して、その上座標「up-cur」を保持する。
したがって、例えば、上下座標更新部123は、保持している上座標よりも、より小さい座標が新たな上座標として供給された場合に、上座標を更新する。
静止帯領域のみからなるラインはどのフレームにおいても動きのないラインであるので、静止帯領域のみからなる互いに隣接するラインの一方が、動きのあるラインとなるようなことはない。したがって、上座標の候補として上下座標更新部123に供給されたy座標のうち、入力画像のy座標が「0」である側の端に最も近いy座標が、静止帯領域の境界の位置を示す上座標である可能性が高い。そこで、上座標の候補として上下座標更新部123に供給されたy座標のうち、y座標が最小であるy座標を上座標として出力することで、より正確に上座標を検出することができる。つまり、より確実に静止帯領域の上座標を検出することができる。
さらに、上座標と同様に、上下座標更新部123は、図17に示すように、保持している下座標と、供給された下座標との大小関係に応じて下座標を更新する。なお、図17において、「down-cur」は、新たに供給された下座標を示しており、「down-pre」は上下座標更新部123が保持している下座標を示している。また、図17では、「down-cur」および「down-pre」の関係に対して出力される下座標が示されている。
すなわち、上下座標更新部123は、新たに供給された下座標「down-cur」が、保持している下座標「down-pre」よりも大きい場合、新たに供給された下座標「down-cur」を検査部63に出力する。そして上下座標更新部123は、下座標を「down-cur」に更新し、その下座標「down-cur」を保持する。
また、上下座標更新部123は、新たに供給された下座標「down-cur」が、保持している下座標「down-pre」以下である場合、保持している下座標「down-pre」を検査部63に出力するとともに、その下座標「down-pre」を継続して保持する。
このように、上下座標更新部123は、上座標の場合と同様に、下座標の候補として上下座標更新部123に供給されたy座標のうち、入力画像の最もy方向側の端に近いy座標を下座標として出力する。これにより、より正確に下座標を検出することができる。つまり、より確実に静止帯領域の下座標を検出することができる。
また、上座標および下座標の検出時には、既に入力画像の全ての画素の動きの有無が求められているため、上下座標検出部62は、入力画像のラインを単位として上座標および下座標を検出する。これにより、画素ごとに静止帯領域および有効領域の境界の位置を検出する場合よりも、より少ない処理量で、かつより迅速に境界の位置を検出することができる。
なお、上下座標更新部123において保持される上座標「up-pre」および下座標「down-pre」は、1フレームごとにリセットされる。すなわち、1フレームの入力画像の全てのラインが処理されると、上下座標更新部123は、保持している上座標「up-pre」および下座標「down-pre」を破棄する。そして、上下座標更新部123は、新たに供給された次のフレームの入力画像のラインの上座標「up-cur」および下座標「down-cur」を出力するとともに、上座標「up-cur」および下座標「down-cur」を上座標「up-pre」および下座標「down-pre」として保持する。
したがって、1フレームの入力画像の全てのラインが処理対象とされて、最終的に(最後に)上下座標更新部123から出力される上座標および下座標は、そのフレームの入力画像上で最もy方向の端に近い位置にある、静止帯領域の境界の候補とされた座標である。
また、検査部63は、上下座標更新部123から上座標および下座標が供給されると、新たに供給された上座標および下座標を保持し、上座標および下座標を更新する。
図8のフローチャートに戻り、ステップS49において、上下座標検出部62は、入力画像の1フレーム分の処理が終了したか否かを判定する。例えば、入力画像を構成する全てのラインが処理対象のラインとされ、上座標および下座標が出力された場合、1フレーム分の処理が終了したと判定される。
ステップS49において、1フレーム分の処理が終了していないと判定された場合、処理はステップS41に戻り、上述した処理が繰り返される。
これに対して、ステップS49において、1フレーム分の処理が終了したと判定された場合、ステップS50において、検査部63は、左右座標更新部95および上下座標更新部123から供給され、保持している静止帯座標を検査する。
すなわち、検査部63は、保持している静止帯座標としての左座標、右座標、上座標、および下座標が、初期値のままである場合、静止帯座標を正しく検出することができなかったとして、予め定められた座標を静止帯座標とする。左座標、右座標、上座標、および下座標の初期値は、上述したように、例えばx座標の最大値、x座標の最小値、y座標の最大値、およびy座標の最小値とされる。
検査の結果、正しく静止帯座標を検出できなかったとされた場合、例えば、入力画像の画素のx座標の最小値および最大値が、入力画像の左座標および右座標とされる。具体的には、図1における入力画像の左側の端および右側の端のx座標が、左座標および右座標とされる。また、例えば、入力画像の画素のy座標の最小値および最大値が、入力画像の上座標および下座標とされる。具体的には、図1における入力画像の上側の端および下側の端のy座標が、上座標および下座標とされる。そして、このようにして得られた静止帯座標が現フレームの静止帯座標とされて、遅延部32に出力される。
また、検査部63は、保持している静止帯座標としての左座標、右座標、上座標、および下座標が、初期値のままでない場合、静止帯座標が正しく検出されたとして、保持している静止帯座標を、現フレームの静止帯座標として遅延部32に出力する。
遅延部32は、検査部63から供給された静止帯座標を予め定められた時間だけ保持するとともに、供給された現フレームの静止帯座標と、保持している過去4フレーム分の静止帯座標とをフィルタ処理部33に供給する。
ステップS51において、フィルタ処理部33は、遅延部32から供給された5フレーム分の静止帯座標に基づいて、最終的な現フレームの静止帯座標を出力する。すなわち、フィルタ処理部33は、供給された静止帯座標にメディアンフィルタを用いたフィルタ処理を施して、5つの左座標、右座標、上座標、および下座標のそれぞれの中央値を、最終的な左座標、右座標、上座標、および下座標とする。これにより、出力される静止帯座標の時間的な変動を抑制することができる。つまり、フレームごとに静止帯領域が大きく変動したりするようなことはない。
フィルタ処理部33は、静止帯座標にフィルタ処理を施すと、その結果得られた静止帯座標を、現フレームの最終的な静止帯座標として動きベクトル検出部23および動き補償部24に供給し、静止帯領域検出処理は終了する。そして、その後、処理は図6のステップS12に進む。
このようにして、静止帯領域検出部22は、各画素の動きの変化に基づいて、左座標および右座標を検出するとともに、各ラインの動きの変化に基づいて、上座標および下座標を検出することで、入力画像から静止帯領域を検出する。
このように、静止帯領域に継続して同じ画像が表示されるという特徴を利用し、画素やラインの動きの変化に基づいて静止帯領域を検出することで、静止帯領域にどのような画像が表示されるかによらず、より確実に入力画像から静止帯領域を検出することができる。
すなわち、静止帯領域に黒い画像や特定の絵柄の画像など、どのような絵柄の画像が表示されていても、静止帯領域の画素やラインに動きはない。したがって、このような特徴を利用して、互いに隣接する画素やラインの動きの有無を比較すれば、より確実に静止帯領域を特定することができる。
しかも、静止帯領域検出部22では、供給された入力画像を遅延させて、現フレームと過去フレームとの各画素の差分絶対値を用いた簡単な処理で、より迅速に静止帯領域を検出することができる。つまり、静止帯領域を検出するのに、処理量の多いステートマシンなどを必要とせず、入力画像の画素を順番に処理対象として各処理を実行していくことで、より簡単かつ迅速に静止帯領域を検出することができる。
なお、以上においては入力画像から静止帯領域を検出し、有効領域のみを対象としてフレームレート変換を行う例について説明したが、以上において説明した静止帯領域を検出する技術は、入力画像から有効領域のみを抽出して表示させる場合などにも適用できる。
また静止帯領域を検出する技術は、その他、有効領域のみをスケーリングする場合、録画装置において有効領域のみを録画する場合、携帯機器において有効領域のみ画質補正する場合、圧縮系で静止帯領域の縁を圧縮ブロックに合わせる場合などにも適用可能である。特に、携帯機器において有効領域のみ画質補正する場合には、携帯機器における消費電力を大幅に抑えることが可能となる。
上述した一連の処理は、ハードウェアにより実行することもできるし、ソフトウェアにより実行することもできる。一連の処理をソフトウェアにより実行する場合には、そのソフトウェアを構成するプログラムが、専用のハードウェアに組み込まれているコンピュータ、または、各種のプログラムをインストールすることで、各種の機能を実行することが可能な、例えば汎用のパーソナルコンピュータなどに、プログラム記録媒体からインストールされる。
図18は、上述した一連の処理をプログラムにより実行するコンピュータのハードウェアの構成例を示すブロック図である。
コンピュータにおいて、CPU(Central Processing Unit)201,ROM(Read Only Memory)202,RAM(Random Access Memory)203は、バス204により相互に接続されている。
バス204には、さらに、入出力インターフェース205が接続されている。入出力インターフェース205には、キーボード、マウス、マイクロホンなどよりなる入力部206、ディスプレイ、スピーカなどよりなる出力部207、ハードディスクや不揮発性のメモリなどよりなる記録部208、ネットワークインターフェースなどよりなる通信部209、磁気ディスク、光ディスク、光磁気ディスク、或いは半導体メモリなどのリムーバブルメディア211を駆動するドライブ210が接続されている。
以上のように構成されるコンピュータでは、CPU201が、例えば、記録部208に記録されているプログラムを、入出力インターフェース205及びバス204を介して、RAM203にロードして実行することにより、上述した一連の処理が行われる。
コンピュータ(CPU201)が実行するプログラムは、例えば、磁気ディスク(フレキシブルディスクを含む)、光ディスク(CD-ROM(Compact Disc-Read Only Memory),DVD(Digital Versatile Disc)等)、光磁気ディスク、もしくは半導体メモリなどよりなるパッケージメディアであるリムーバブルメディア211に記録して、あるいは、ローカルエリアネットワーク、インターネット、デジタル衛星放送といった、有線または無線の伝送媒体を介して提供される。
そして、プログラムは、リムーバブルメディア211をドライブ210に装着することにより、入出力インターフェース205を介して、記録部208にインストールすることができる。また、プログラムは、有線または無線の伝送媒体を介して、通信部209で受信し、記録部208にインストールすることができる。その他、プログラムは、ROM202や記録部208に、あらかじめインストールしておくことができる。
なお、コンピュータが実行するプログラムは、本明細書で説明する順序に沿って時系列に処理が行われるプログラムであっても良いし、並列に、あるいは呼び出しが行われたとき等の必要なタイミングで処理が行われるプログラムであっても良い。
なお、本発明の実施の形態は、上述した実施の形態に限定されるものではなく、本発明の要旨を逸脱しない範囲において種々の変更が可能である。
入力画像における有効領域と静止帯領域について説明する図である。 本発明を適用した画像処理装置の一実施の形態の構成例を示す図である。 静止帯座標検出部のより詳細な構成例を示す図である。 左右座標検出部のより詳細な構成例を示す図である。 上下座標検出部のより詳細な構成例を示す図である。 フレームレート変換処理を説明するフローチャートである。 フレームレート変換の例を説明する図である。 静止帯領域検出処理を説明するフローチャートである。 左右座標の検出について説明するための図である。 左右座標の検出について説明するための図である。 左座標の更新について説明する図である。 左座標の更新について説明する図である。 右座標の更新について説明する図である。 上下座標の検出について説明する図である。 上下座標の検出について説明する図である。 上座標の更新について説明する図である。 下座標の更新について説明する図である。 コンピュータの構成例を示す図である。
符号の説明
11 画像処理装置, 22 静止帯領域検出部, 23 動きベクトル検出部, 24 動き補償部, 31 静止帯座標検出部, 33 フィルタ処理部, 61 左右座標検出部, 62 上下座標検出部, 63 検査部, 91 差分算出部, 92 閾値処理部, 94 判定部, 95 左右座標更新部, 96 フラグ生成部, 122 判定部, 123 上下座標更新部

Claims (10)

  1. 入力画像から、前記入力画像の端に設けられた、継続して同じ画像が表示される静止帯領域を検出する画像処理装置であって、
    前記入力画像の各画素について、互いに異なるフレームの同じ位置にある前記入力画像の画素の画素値の差分を算出する差分算出手段と、
    前記差分に基づいて、前記入力画像の前記画素の画素値の変化の有無を示す画素動き情報を生成する画素動き情報生成手段と、
    前記入力画像における、第1の方向に並ぶ複数の前記画素の前記画素動き情報を比較して、前記静止帯領域と、前記入力画像における前記静止帯領域を除く領域である有効領域との前記第1の方向の境界の位置を検出する第1の検出手段と
    を備える画像処理装置。
  2. 前記画素動き情報に基づいて、前記入力画像における前記第1の方向に並ぶ画素からなるラインを構成する画素の画素値の変化の有無を示すライン動き情報を生成するライン動き情報生成手段と、
    前記入力画像における、前記第1の方向と垂直な第2の方向に並ぶ複数の前記ラインの前記ライン動き情報を比較して、前記入力画像における前記静止帯領域と前記有効領域との前記第2の方向の境界の位置を検出する第2の検出手段と
    をさらに備える請求項1に記載の画像処理装置。
  3. 前記第1の検出手段は、前記第1の方向に隣接する2つの画素の前記画素動き情報のそれぞれにより示される前記画素値の変化の有無が互いに異なる場合、前記2つの画素の位置を前記第1の方向の境界の位置として検出する
    請求項2に記載の画像処理装置。
  4. 前記第1の検出手段により検出された複数の位置に基づいて、前記複数の位置のうち、前記入力画像における前記第1の方向の端に最も近い位置を、前記第1の方向の境界の位置として出力する第1の出力手段をさらに備える
    請求項3に記載の画像処理装置。
  5. 前記第2の検出手段は、前記第2の方向に隣接する2つのラインの前記ライン動き情報のそれぞれにより示される前記画素値の変化の有無が互いに異なる場合、前記2つのラインの位置を前記第2の方向の境界の位置として検出する
    請求項4に記載の画像処理装置。
  6. 前記第2の検出手段により検出された複数の位置に基づいて、前記複数の位置のうち、前記入力画像における前記第2の方向の端に最も近い位置を、前記第2の方向の境界の位置として出力する第2の出力手段をさらに備える
    請求項5に記載の画像処理装置。
  7. 前記第1の方向の境界の位置および前記第2の方向の境界の位置に基づいて、前記入力画像の前記有効領域を対象として動きベクトルを検出する動きベクトル検出手段と、
    前記第1の方向の境界の位置および前記第2の方向の境界の位置と、前記動きベクトルとに基づいて、前記入力画像の前記有効領域を対象として動き補償を行い、前記入力画像のフレームレートを変換する動き補償手段と
    をさらに備える請求項2に記載の画像処理装置。
  8. 各フレームの前記入力画像について求めた複数の前記第1の方向の境界の位置および前記第2の方向の境界の位置にフィルタ処理を施して、前記第1の方向の境界の位置および前記第2の方向の境界の位置の時間的な変動を抑制するフィルタ処理手段をさらに備える
    請求項2に記載の画像処理装置。
  9. 入力画像から、前記入力画像の端に設けられた、継続して同じ画像が表示される静止帯領域を検出する画像処理装置であり、
    前記入力画像の各画素について、互いに異なるフレームの同じ位置にある前記入力画像の画素の画素値の差分を算出する差分算出手段と、
    前記差分に基づいて、前記入力画像の前記画素の画素値の変化の有無を示す画素動き情報を生成する画素動き情報生成手段と、
    前記入力画像における、所定の方向に並ぶ複数の前記画素の前記画素動き情報を比較して、前記静止帯領域と、前記入力画像における前記静止帯領域を除く領域である有効領域との前記所定の方向の境界の位置を検出する検出手段と
    を備える画像処理装置の画像処理方法であって、
    前記差分算出手段が、前記入力画像の前記画素の画素値の差分を算出し、
    前記画素動き情報生成手段が、前記差分に基づいて前記画素動き情報を生成し、
    前記検出手段が、前記複数の前記画素の前記画素動き情報を比較して、前記所定の方向の境界の位置を検出する
    ステップを含む画像処理方法。
  10. 入力画像から、前記入力画像の端に設けられた、継続して同じ画像が表示される静止帯領域を検出する画像処理用のプログラムであって、
    前記入力画像の各画素について、互いに異なるフレームの同じ位置にある前記入力画像の画素の画素値の差分を算出し、
    前記差分に基づいて、前記入力画像の前記画素の画素値の変化の有無を示す画素動き情報を生成し、
    前記入力画像における、所定の方向に並ぶ複数の前記画素の前記画素動き情報を比較して、前記静止帯領域と、前記入力画像における前記静止帯領域を除く領域である有効領域との前記所定の方向の境界の位置を検出する
    ステップを含む処理をコンピュータに実行させるプログラム。
JP2008319465A 2008-12-16 2008-12-16 画像処理装置および方法、並びにプログラム Withdrawn JP2010147538A (ja)

Priority Applications (3)

Application Number Priority Date Filing Date Title
JP2008319465A JP2010147538A (ja) 2008-12-16 2008-12-16 画像処理装置および方法、並びにプログラム
US12/634,866 US8411974B2 (en) 2008-12-16 2009-12-10 Image processing apparatus, method, and program for detecting still-zone area
CN200910258063A CN101753798A (zh) 2008-12-16 2009-12-16 图像处理设备、方法和程序

Applications Claiming Priority (1)

Application Number Priority Date Filing Date Title
JP2008319465A JP2010147538A (ja) 2008-12-16 2008-12-16 画像処理装置および方法、並びにプログラム

Publications (1)

Publication Number Publication Date
JP2010147538A true JP2010147538A (ja) 2010-07-01

Family

ID=42240613

Family Applications (1)

Application Number Title Priority Date Filing Date
JP2008319465A Withdrawn JP2010147538A (ja) 2008-12-16 2008-12-16 画像処理装置および方法、並びにプログラム

Country Status (3)

Country Link
US (1) US8411974B2 (ja)
JP (1) JP2010147538A (ja)
CN (1) CN101753798A (ja)

Families Citing this family (8)

* Cited by examiner, † Cited by third party
Publication number Priority date Publication date Assignee Title
JP2010147538A (ja) * 2008-12-16 2010-07-01 Sony Corp 画像処理装置および方法、並びにプログラム
US10116932B2 (en) * 2010-12-14 2018-10-30 Sharp Kabushiki Kaisha Image filter device, decoding device, encoding device, and data structure
US9531992B2 (en) * 2013-03-26 2016-12-27 Sharp Kabushiki Kaisha Display apparatus, portable terminal, television receiver, display method, program, and recording medium
CN105258681B (zh) * 2015-10-08 2017-11-03 凌云光技术集团有限责任公司 一种用于曲线边缘特征定位的控件及其定位方法
US10957068B2 (en) * 2017-01-06 2021-03-23 Canon Kabushiki Kaisha Information processing apparatus and method of controlling the same
CN108287879A (zh) * 2018-01-04 2018-07-17 武汉斗鱼网络科技有限公司 直播内容画面的获取方法、存储介质、电子设备及系统
CN108764117A (zh) * 2018-05-24 2018-11-06 长安大学 一种确定沥青路面芯样断面图像有效区域的方法
CN114341946B (zh) * 2019-11-05 2025-08-29 深圳市欢太科技有限公司 识别方法、装置、电子设备及存储介质

Family Cites Families (30)

* Cited by examiner, † Cited by third party
Publication number Priority date Publication date Assignee Title
JP2512894B2 (ja) * 1985-11-05 1996-07-03 ソニー株式会社 高能率符号化/復号装置
DE3663875D1 (en) * 1986-03-08 1989-07-13 Ant Nachrichtentech Motion compensating field interpolation method using a hierarchically structured displacement estimator
US5040060A (en) * 1987-12-01 1991-08-13 Canon Kabushiki Kaisha Image information transmission system with compression based on still-image redundancy
US5166788A (en) * 1990-06-29 1992-11-24 Samsung Electronics Co., Ltd. Motion signal processor
JPH0729820A (ja) 1993-06-25 1995-01-31 Yokogawa Electric Corp 半導体保護ダイオード
WO1995030303A1 (en) * 1994-04-28 1995-11-09 Kabushiki Kaisha Toshiba Device for detecting image of letter box
US6208385B1 (en) * 1996-10-17 2001-03-27 Kabushiki Kaisha Toshiba Letterbox image detection apparatus
US5949916A (en) * 1997-06-23 1999-09-07 Samsung Electronics Co., Ltd. Modified automatic regressive filter and filtering method therefor
US6370192B1 (en) * 1997-11-20 2002-04-09 Hitachi America, Ltd. Methods and apparatus for decoding different portions of a video image at different resolutions
JP3576383B2 (ja) 1998-06-09 2004-10-13 トムソン コンシユーマ エレクトロニクス インコーポレイテツド ビデオ表示制御装置
FR2793375A1 (fr) * 1999-05-06 2000-11-10 Thomson Multimedia Sa Procede de detection de bandes noires dans une image video
JP4552296B2 (ja) * 2000-09-08 2010-09-29 ソニー株式会社 情報処理装置および情報処理方法、並びに記録媒体
US7023492B2 (en) * 2000-10-19 2006-04-04 Microsoft Corporation Method and apparatus for encoding video content
US7425981B2 (en) * 2002-06-12 2008-09-16 British Telecommunications Plc Video pre-processing
US7239719B2 (en) * 2003-08-22 2007-07-03 Bbn Technologies Corp. Automatic target detection and motion analysis from image data
JP4492100B2 (ja) * 2003-11-14 2010-06-30 ソニー株式会社 画像信号の処理装置および処理方法
JP2005203933A (ja) 2004-01-14 2005-07-28 Matsushita Electric Ind Co Ltd 映像再生装置および映像再生方法
WO2005079062A1 (ja) * 2004-02-13 2005-08-25 Sony Corporation 画像処理装置と画像処理方法およびプログラム
EP1585326A1 (en) * 2004-03-30 2005-10-12 Matsushita Electric Industrial Co., Ltd. Motion vector estimation at image borders for frame rate conversion
JP2006229781A (ja) 2005-02-18 2006-08-31 Sharp Corp 映像変換装置及び映像表示装置
JP4747681B2 (ja) 2005-05-31 2011-08-17 パナソニック株式会社 デジタル放送受信機
JP5061439B2 (ja) * 2005-09-07 2012-10-31 パナソニック株式会社 映像信号処理装置および映像信号処理方法
JP4626497B2 (ja) 2005-11-24 2011-02-09 株式会社日立製作所 映像処理装置および携帯端末装置
WO2007119198A1 (en) * 2006-04-14 2007-10-25 Nxp B.V. Motion estimation at image borders
TW200834459A (en) * 2007-02-05 2008-08-16 Huper Lab Co Ltd Video object segmentation method applied for rainy situations
US8633987B2 (en) * 2008-01-31 2014-01-21 Hbc Solutions, Inc. Video processing system providing image pattern detection based upon image transition boundaries and related methods
JP2009223722A (ja) * 2008-03-18 2009-10-01 Sony Corp 画像信号処理装置、画像信号処理方法、およびプログラム
US20100103313A1 (en) * 2008-10-23 2010-04-29 Kabushiki Kaisha Toshiba Signal processor and signal processing method
JP4519933B2 (ja) * 2008-11-28 2010-08-04 株式会社東芝 動画像符号化装置および動画像符号化方法
JP2010147538A (ja) * 2008-12-16 2010-07-01 Sony Corp 画像処理装置および方法、並びにプログラム

Also Published As

Publication number Publication date
CN101753798A (zh) 2010-06-23
US20100150462A1 (en) 2010-06-17
US8411974B2 (en) 2013-04-02

Similar Documents

Publication Publication Date Title
JP4997281B2 (ja) イメージ中の推定動きベクトルの決定方法、コンピュータプログラムおよびディスプレイ装置
JP2010147538A (ja) 画像処理装置および方法、並びにプログラム
KR101756842B1 (ko) 영상 프레임의 보간 방법 및 장치
JP2000278649A (ja) 走査線補間装置、及び走査線補間方法
JP4869045B2 (ja) 補間フレーム作成方法および補間フレーム作成装置
US8385430B2 (en) Video signal processing apparatus and video signal processing method
US8817869B2 (en) Image processing device and method, and image display device and method
JP4659793B2 (ja) 画像処理装置及び画像処理方法
US20090310679A1 (en) Video processing apparatus and methods
JP5377649B2 (ja) 画像処理装置および映像再生装置
JP2012095048A (ja) 画像処理装置、画像処理方法、画像表示装置、及び画像表示方法
JP5059855B2 (ja) 大域的動き推定方法
JP2008245135A (ja) 補間フレーム作成方法および補間フレーム作成装置
JP2007195062A (ja) 画像静止領域判定装置、およびインタレース−プログレッシブ画像変換装置
JP2010252068A (ja) 動き検出方法および装置
JP5018198B2 (ja) 補間信号生成回路、補間信号生成方法、プログラムおよびビデオ信号処理装置
JP5824937B2 (ja) 動きベクトル導出装置および方法
JP5067061B2 (ja) 画像処理装置および方法、並びにプログラム
JP2011045148A (ja) 画像表示方法及び画像表示装置
JP2010250092A (ja) 動き検出方法および装置
JP2009182935A (ja) 画像処理装置および方法、プログラム、並びに記録媒体
JP2008109628A (ja) 画像表示装置及び方法、画像処理装置及び方法
JP2013030838A (ja) 動きベクトル導出装置および方法
JP2014007658A (ja) 動きベクトル導出装置、方法およびプログラム
JP4708811B2 (ja) インターレス画像データをプログレッシブ画像データに変換する方法、その装置及びそのプログラム

Legal Events

Date Code Title Description
A300 Application deemed to be withdrawn because no request for examination was validly filed

Free format text: JAPANESE INTERMEDIATE CODE: A300

Effective date: 20120306