JP2010091327A - 爆発物、不正薬物検査装置、アンテナコイルおよび爆発物、不正薬物検査方法 - Google Patents

爆発物、不正薬物検査装置、アンテナコイルおよび爆発物、不正薬物検査方法 Download PDF

Info

Publication number
JP2010091327A
JP2010091327A JP2008259785A JP2008259785A JP2010091327A JP 2010091327 A JP2010091327 A JP 2010091327A JP 2008259785 A JP2008259785 A JP 2008259785A JP 2008259785 A JP2008259785 A JP 2008259785A JP 2010091327 A JP2010091327 A JP 2010091327A
Authority
JP
Japan
Prior art keywords
antenna coil
inspection
explosives
inspection object
illegal
Prior art date
Legal status (The legal status is an assumption and is not a legal conclusion. Google has not performed a legal analysis and makes no representation as to the accuracy of the status listed.)
Granted
Application number
JP2008259785A
Other languages
English (en)
Other versions
JP5288462B2 (ja
Inventor
Hideo Itozaki
秀夫 糸▲崎▼
Current Assignee (The listed assignees may be inaccurate. Google has not performed a legal analysis and makes no representation or warranty as to the accuracy of the list.)
University of Osaka NUC
Original Assignee
Osaka University NUC
Priority date (The priority date is an assumption and is not a legal conclusion. Google has not performed a legal analysis and makes no representation as to the accuracy of the date listed.)
Filing date
Publication date
Application filed by Osaka University NUC filed Critical Osaka University NUC
Priority to JP2008259785A priority Critical patent/JP5288462B2/ja
Priority to EP09819142A priority patent/EP2336754A4/en
Priority to CN200980138965.4A priority patent/CN102171555B/zh
Priority to PCT/JP2009/067262 priority patent/WO2010041607A1/ja
Priority to AU2009301745A priority patent/AU2009301745A1/en
Priority to US13/122,466 priority patent/US8525515B2/en
Publication of JP2010091327A publication Critical patent/JP2010091327A/ja
Application granted granted Critical
Publication of JP5288462B2 publication Critical patent/JP5288462B2/ja
Active legal-status Critical Current
Anticipated expiration legal-status Critical

Links

Images

Classifications

    • GPHYSICS
    • G01MEASURING; TESTING
    • G01RMEASURING ELECTRIC VARIABLES; MEASURING MAGNETIC VARIABLES
    • G01R33/00Arrangements or instruments for measuring magnetic variables
    • G01R33/20Arrangements or instruments for measuring magnetic variables involving magnetic resonance
    • G01R33/44Arrangements or instruments for measuring magnetic variables involving magnetic resonance using nuclear magnetic resonance [NMR]
    • G01R33/441Nuclear Quadrupole Resonance [NQR] Spectroscopy and Imaging
    • GPHYSICS
    • G01MEASURING; TESTING
    • G01NINVESTIGATING OR ANALYSING MATERIALS BY DETERMINING THEIR CHEMICAL OR PHYSICAL PROPERTIES
    • G01N24/00Investigating or analyzing materials by the use of nuclear magnetic resonance, electron paramagnetic resonance or other spin effects
    • G01N24/08Investigating or analyzing materials by the use of nuclear magnetic resonance, electron paramagnetic resonance or other spin effects by using nuclear magnetic resonance
    • G01N24/084Detection of potentially hazardous samples, e.g. toxic samples, explosives, drugs, firearms, weapons
    • GPHYSICS
    • G01MEASURING; TESTING
    • G01RMEASURING ELECTRIC VARIABLES; MEASURING MAGNETIC VARIABLES
    • G01R33/00Arrangements or instruments for measuring magnetic variables
    • G01R33/20Arrangements or instruments for measuring magnetic variables involving magnetic resonance
    • G01R33/28Details of apparatus provided for in groups G01R33/44 - G01R33/64
    • G01R33/32Excitation or detection systems, e.g. using radio frequency signals
    • G01R33/34Constructional details, e.g. resonators, specially adapted to MR
    • G01R33/34007Manufacture of RF coils, e.g. using printed circuit board technology; additional hardware for providing mechanical support to the RF coil assembly or to part thereof, e.g. a support for moving the coil assembly relative to the remainder of the MR system
    • GPHYSICS
    • G01MEASURING; TESTING
    • G01RMEASURING ELECTRIC VARIABLES; MEASURING MAGNETIC VARIABLES
    • G01R33/00Arrangements or instruments for measuring magnetic variables
    • G01R33/20Arrangements or instruments for measuring magnetic variables involving magnetic resonance
    • G01R33/28Details of apparatus provided for in groups G01R33/44 - G01R33/64
    • G01R33/32Excitation or detection systems, e.g. using radio frequency signals
    • G01R33/34Constructional details, e.g. resonators, specially adapted to MR
    • G01R33/341Constructional details, e.g. resonators, specially adapted to MR comprising surface coils
    • GPHYSICS
    • G01MEASURING; TESTING
    • G01RMEASURING ELECTRIC VARIABLES; MEASURING MAGNETIC VARIABLES
    • G01R33/00Arrangements or instruments for measuring magnetic variables
    • G01R33/20Arrangements or instruments for measuring magnetic variables involving magnetic resonance
    • G01R33/28Details of apparatus provided for in groups G01R33/44 - G01R33/64
    • G01R33/32Excitation or detection systems, e.g. using radio frequency signals
    • G01R33/36Electrical details, e.g. matching or coupling of the coil to the receiver
    • G01R33/3642Mutual coupling or decoupling of multiple coils, e.g. decoupling of a receive coil from a transmission coil, or intentional coupling of RF coils, e.g. for RF magnetic field amplification
    • G01R33/3657Decoupling of multiple RF coils wherein the multiple RF coils do not have the same function in MR, e.g. decoupling of a transmission coil from a receive coil

Landscapes

  • Physics & Mathematics (AREA)
  • General Physics & Mathematics (AREA)
  • Condensed Matter Physics & Semiconductors (AREA)
  • High Energy & Nuclear Physics (AREA)
  • Health & Medical Sciences (AREA)
  • Engineering & Computer Science (AREA)
  • Molecular Biology (AREA)
  • Toxicology (AREA)
  • Bioinformatics & Cheminformatics (AREA)
  • Life Sciences & Earth Sciences (AREA)
  • Chemical & Material Sciences (AREA)
  • Analytical Chemistry (AREA)
  • Biochemistry (AREA)
  • General Health & Medical Sciences (AREA)
  • Immunology (AREA)
  • Pathology (AREA)
  • Spectroscopy & Molecular Physics (AREA)
  • Geophysics And Detection Of Objects (AREA)

Abstract

【課題】コンパクトで、各種の爆発物や不正薬物を確実に検査することが可能な検査装置およびこのような検査装置を用いた検査方法を提供する。
【解決手段】高周波パルス発生手段と、発生した高周波パルスを検査対象物に対してラジオ波として照射すると共に、検査対象物が前記ラジオ波により励起されて発する核四極子信号を受信するアンテナコイルと、受信した前記核四極子信号に基づき、前記検査対象物における爆発物および/または不正薬物を検知する検知手段とを備えており、前記アンテナコイルが、相互に逆巻きされた2つのソレノイド型コイル部が設けられるように8の字形状に高周波用同軸ケーブルを用いて形成され、検査対象物に対向させて用いられるように構成されている爆発物、不正薬物検査装置およびこのような検査装置を用いた検査方法。
【選択図】図1

Description

本発明は、爆発物、不正薬物検査装置、アンテナコイルおよび爆発物、不正薬物検査方法に関し、特に、航空機積込み荷物等の中に隠された爆発物や不正薬物を確実に検知するために好適な爆発物、不正薬物検査装置、その装置に用いられるアンテナコイル、およびその装置を用いた爆発物、不正薬物検査方法に関する。
近年多発している爆破テロ事件や不正薬物の密輸事件等に対処するために、空港等の交通ターミナルや公共施設等では、金属探知装置やX線検査装置等を用いて不審物の検査を行っているが、プラスチック容器に入れられた爆発物や不正薬物等に対しては検知することが困難で、麻薬犬等に頼っているのが現状であり、充分なセキュリティー対策が取られているとは言い難い。
このような状況下、近年、核四極共鳴(NQR:Nuclear Quadrupole Resonance)を用いた検査装置(以下、「NQR検査装置」ともいう)が提案されている(例えば、特許文献1)。
NQR検査装置は、検査対象物に固有な周波数、即ち、共鳴周波数を含む高周波パルスをラジオ波として送信コイルより照射して検査対象物の核四極子を励起し、ラジオ波照射後に誘導される核四極子信号(以下、「NQR信号」ともいう)を受信コイルによって受信、増幅して解析することにより、物質の同定や検知を行うものである。このため、プラスチック容器に入れられた爆発物や不正薬物等を検知することができる。
しかし、従来のNQR検査装置は、検査対象物を、装置のソレノイド型の送受信コイルの中に位置させた状態のもとで測定を行うものであった。
そして、照射ラジオ波の周波数は500kHz〜4MHz程度であるが、このラジオ波帯では外部雑音(ノイズ)が大きく、このノイズが検査信号に悪影響を与えることがあった。このため、検査時にはノイズ対策を行う必要があり、従来のNQR検査装置では、環境のノイズを完全に遮蔽するためには、電磁シールドを送受信コイルの外側に設ける必要があった。
ここで、従来のNQR検査装置の一例としての手荷物検査装置を、図9に示す。図9において、21はアンテナコイルである。そして、22、23はトンネル構造の電磁シールドであり、アンテナコイル21を完全に覆っている。また、電磁シールド23の底部にはベルトコンベア(図示せず)が設けられている。24はパーソナルコンピュータ(PC)である。なお、これらは電子回路が収納された設置台上に配置されている。
検査対象物26が入ったバッグ25がトンネル構造の電磁シールド23の内部を搬送されて、電磁シールド22、23により外部ノイズが遮蔽されたアンテナコイル21の内部を通過する。その際、アンテナコイル21が、所定の波長のラジオ波を検査対象物26が入ったバッグ25に照射し、その後NQR信号を受信する。受信したNQR信号は、PC24により処理される。処理の結果、爆発物や不正薬物を検知すると、PC24の画面上に表示される。また、必要に応じて、図示しない警告ランプが点灯される場合もある。
特開平5−223758号公報
しかし、従来のNQR検査装置は、前記の通り、検査対象物を装置のソレノイド型の送受信コイルの中に位置させて測定を行うため、アンテナコイルや電磁シールドが大きく、検査装置として大型の装置となっていた。さらに、近年、検査対象物のサイズがより大きくなっており、より大型の検査装置が必要とされていた。また、ボディチェックや靴検査に対する要求が高くなっている。このため、コンパクトで、各種の爆発物や不正薬物を確実に検査することが可能なNQR検査装置の開発が望まれていた。
本発明者は、上記の課題につき鋭意検討の結果、以下に示す手段により、上記の課題を解決できることを見出し、本発明を完成するに至った。
請求項1に記載の発明は、
高周波パルス発生手段と、
発生した高周波パルスを検査対象物に対してラジオ波として照射すると共に、前記検査対象物が前記ラジオ波により励起されて発する核四極子信号を受信するアンテナコイルと、
受信した前記核四極子信号に基づき、前記検査対象物における爆発物および/または不正薬物を検知する検知手段とを備えており、
前記アンテナコイルが、相互に逆巻きされた2つのソレノイド型コイル部が設けられるように8の字形状に高周波用同軸ケーブルを用いて形成され、検査対象物に対向させて用いられるように構成されている
ことを特徴とする爆発物、不正薬物検査装置である。
本発明者は、検査対象物を装置の送受信コイルの中に位置させずに測定でき、さらにアンテナコイルが受けるノイズを簡便な手法によって大幅に低減することにより、装置をコンパクト化することが可能と考え、具体的な方法を鋭意検討した。
その結果、アンテナコイルを、検査対象物に対向させて用いると共に、相互に逆巻きされた2つのソレノイド型コイル部が設けられるように8の字形状に高周波用同軸ケーブルを用いて形成することにより、従来のようにアンテナコイルを覆う電磁シールドを設けることなく、ノイズを大幅に低減できることを見出した。即ち、高周波用同軸ケーブルは導線の外側を電磁シールド材で被覆したケーブルであるため、高周波用同軸ケーブルの使用により近傍の電場ノイズが低減でき、相互に逆巻きされた2つのソレノイド型コイル部を8の字形状に形成することにより遠方からの磁場ノイズを低減することができる。
このように、アンテナコイルが受けるノイズを大幅に低減することができるため、アンテナコイルのサイズを小さくしても、充分な検査感度を確保することができ、これに伴い電子回路等アンテナコイル以外の検査装置を構成する各部材もコンパクトにできるため、検査装置全体をコンパクト化することが可能となる。
そして、アンテナコイルを小さくすることにより、手荷物検査装置等従来の限られた利用方法から、多様な利用方法が可能となる。例えば、装置本体からアンテナコイルを切り離しケーブルで繋いだハンディータイプのボディチェッカーとした場合には、小型で軽量のアンテナコイルを衣服や体に近づけるだけで、衣服や体に隠した爆発物や不正薬物を検知することができる。
上記のハンディータイプの検査装置は、空港や税関等における荷物検査装置として利用することもでき、輸入品等の検査において、小型で軽量のアンテナコイルを検査対象物に近づけるだけで、電波を通さない金属以外であれば、木材、陶器、プラスチック等に隠匿した爆発物や不正薬物を検知することができる。
また、現在米国等では、爆発物検査において、靴を脱いだ状態でのX線検査が義務づけられているが、爆発物等の探知は靴を脱いだ状態で行うX線検査でも難しいのが実状であった。しかし、本発明の検査装置を利用した場合には、靴を履いたまま装置に乗るだけで、爆発物等を確実に検知することができ、非常に簡便に検査することができる。
本発明に用いるアンテナコイルのソレノイド型コイル部の形状および径は、各検査装置の用途に応じて適宜決定される。例えばボディチェック用の検査装置、地雷探査用の検査装置の場合はどちらも円形で、径はそれぞれ約15cmと約26cmである。また、靴検査装置の場合は靴底の形状に合わせ楕円形のものが用いられる。また、ソレノイド型コイル部のコイルの巻き数は、多すぎるとインダクタンスおよびケーブルの容量が大きくなり過ぎ、送受信するNQR信号の周波数に同調できなくなる。このため2回程度の巻き数のソレノイド型コイル部が好ましく用いられる。
請求項2に記載の発明は、
前記高周波用同軸ケーブルのシールド部の一部に切り欠き部が設けられていることを特徴とする請求項1に記載の爆発物、不正薬物検査装置である。
高周波用同軸ケーブルのシールド部に切り欠き部を設けることにより、磁束が通りやすくなり、より検査の感度を上昇させることができる。
切り欠き部はアンテナコイルの中心部1箇所に設けることが好ましい。なお、高周波用同軸ケーブルについては、細過ぎるとシールド特性や耐圧性が低下し、太過ぎると可撓性が低下する。一般的には直径10mm程度の高周波用同軸ケーブルが好ましい。
請求項3に記載の発明は、
ボディチェック用、靴検査用または地雷探査用であることを特徴とする請求項1または請求項2に記載の爆発物、不正薬物検査装置である。
本発明に係る検査装置はコンパクト化されているため、容易に可搬型の検査装置とすることができ、ボディチェック用、靴検査用や地雷探査用の検査装置として好適である。これらに用いる場合、電磁シールドが不要でノイズを大幅に低減させた小型で軽量のアンテナコイルを、ボディチェック用、靴検査用の場合は検査対象物に対向させるだけで、地雷探査用の場合は地面に対向させつつ適宜移動させるだけで、確実に爆発物、不正薬物の存在を確認することができる。
請求項4に記載の発明は、
請求項1ないし請求項3のいずれか1項に記載の爆発物、不正薬物検査装置に用いられるアンテナコイルであって、
相互に逆巻きされた2つのソレノイド型コイル部が設けられるように8の字形状に高周波用同軸ケーブルを用いて形成され、検査対象物に対向させて用いられるように構成されていることを特徴とする爆発物、不正薬物検査装置用のアンテナコイルである。
本請求項の発明は、本発明に係る爆発物、不正薬物検査装置をアンテナコイルの面より特定したものであり、その効果は既に述べたとおりである。
請求項5に記載の発明は、
請求項4に記載のアンテナコイルを検査対象物に対向させる対向工程と、
前記アンテナコイルより、前記検査対象物に対して、高周波パルス発生手段を用いて発生させた高周波パルスをラジオ波として照射する照射工程と、
前記アンテナコイルにより、前記ラジオ波の照射により励起された前記検査対象物が発する核四極子信号を受信する受信工程と、
前記アンテナコイルが受信した前記核四極子信号に基づき、前記検査対象物における爆発物および/または不正薬物を検知する検知工程と
を備えていることを特徴とする爆発物、不正薬物検査方法である。
本請求項の発明は、請求項1に記載の発明を、方法の面より捉えたものであり、相互に逆巻きされた2つのソレノイド型コイル部が設けられるように8の字形状に形成された小型軽量のアンテナコイルを用いることにより、簡便に、かつ確実に爆発物や不正薬物を検査することができる。
本発明により、コンパクトで、各種の爆発物や不正薬物を確実に検査することが可能な検査装置およびこのような検査装置を用いた検査方法を提供することができる。
以下、本発明の実施の形態につき説明する。なお、本発明は、以下の実施の形態に限定されるものではない。本発明と同一および均等の範囲内において、以下の実施の形態に対して種々の変更を加えることが可能である。
1.本発明の実施の形態に係る爆発物、不正薬物検査装置の構成
最初に、本発明の実施の形態に係る爆発物、不正薬物検査装置の基本的な構成につき説明する。
(1)アンテナ部の基本的な構成
まず、爆発物、不正薬物検査装置のアンテナ部の基本的な構成につき、図1に基づいて説明する。図1は本発明の一実施の形態に係る爆発物、不正薬物検査装置のアンテナ部の基本的な構成を模式的に示す図であり、図1(a)、図1(b)にはそれぞれアンテナコイルの形状、アンテナコイルの中心部を拡大した図が示されている。図1(a)において、1は1本の高周波用同軸ケーブルからなるアンテナコイルであり、左右2つのソレノイド型コイルが設けられ、その両端は接続部3によりマッチングボックス(MB)2に接続されている。
図1(b)において1aは銅等の電気伝導性に優れた導線、1bはPET等からなる絶縁体、1cは電気伝導性の電磁シールド材、1dはシース保護被覆である。図1(b)に示すようにアンテナコイル1の中心部には1箇所電磁シールド材1cおよびシース保護被覆1dがなく、内側の絶縁体1bが剥き出しの切り欠き部1eが設けられている。これにより、アンテナコイル1の内側を磁束が通過し易くなる。
このように構成されたアンテナコイル1は、高周波用同軸ケーブルで構成されているため、電場ノイズを低減させることができ、また、左右2つのソレノイド型コイルが相互に逆巻きにされているため、遠方からの磁場ノイズを打ち消すことができる。このため、従来のようにアンテナコイルとは別に電磁シールドを設ける必要がない。
このようにしてアンテナコイル1を小型化すると共にノイズを低減させたことにより、アンテナコイル1を直接検査対象物に対向させて使用することができ、従来のように検査対象物をアンテナコイル1の中に位置させる必要がないため、簡便に検査を行うことができる。
(2)アンテナ部における送受信の基本的な原理
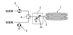
次に、アンテナ部における送受信の基本的な原理につき、図2に基づいて説明する。図2はアンテナ部の基本的な原理を示すブロック図である。図2において、1、2、3は、図1と同様であり、4はパワーディバイダ、5、5’はクロスダイオードである。
そして、送信側より、高周波パルス発生手段(図示せず)から発生させた高周波パルスが、クロスダイオード5、パワーディバイダ4およびマッチングボックス2を介して、アンテナコイル1に送られ、アンテナコイル1から検査対象物に対してラジオ波として照射される。ラジオ波の照射によって励起された爆発物、不正薬物が発するNQR信号は、アンテナコイル1で受信され、送信時とは逆に、マッチングボックス2、パワーディバイダ4およびクロスダイオード5’を介して受信側に送られる。なお、マッチングボックス2には可変コンデンサー2aが設けられており、NQR周波数においてインピーダンスマッチングを合わせている。
2.本発明の実施の形態に係る爆発物、不正薬物検査装置による検査
次に、本発明の実施の形態に係る爆発物、不正薬物検査装置を用いて行った具体的な検査の結果を図3に示し説明する。
図1に示したアンテナコイルを設けた検査装置を用いて爆発物の一種であるRDX(Cyclotrimethylenetrinitramine)およびTNT(Trinitrotoluene)の探知を行った。なお、アンテナコイルとしては、直径(内径)が22cm、巻回数が3、接続部3の長さが10cmのアンテナコイルを用いた。
そして、RDX、TNT各々300gを検査対象物とし、Accumulation Timeを10分として、検査対象物からの距離とNQR信号のレベルとの関係を測定した。測定結果を図3に示す。なお、●はRDX、■はTNTのNQR信号のレベルを示している。
図3に示すように、通常の環境下におけるノイズ(雑音)のレベルは25a.u.であり、RDXおよびTNTのNQR信号のレベルを超えているため、そのままでは直近においてもNQR信号を検知することは難しい。しかし、本実施の形態に係る検査装置では、ノイズを1.3a.u.まで低減させることができているため、RDXの場合は200mm以上、TNTの場合は約100mm離れたところにおいてもNQR信号を検知することができる。
3.本発明の実施の形態に係る爆発物、不正薬物検査装置の具体的な使用例
次いで、本発明の実施の形態に係る爆発物、不正薬物検査装置の具体的な使用例を挙げて、より具体的に説明する。
(1)手荷物検査装置
本例は、図1に示したアンテナコイルを手荷物や貨物等に隠匿された爆発物、不正薬物を検査する検査装置に使用した例である。
図4は本検査装置のアンテナ部10の外観を示す図である。図4において、アンテナ部10の全体はカバーで覆われており、カバーの内部には図1に示したアンテナコイルおよびマッチングボックスが収納されている。なお、アンテナ部10はケーブル7によって検査装置の本体(図示せず)に接続されている。
本実施の形態によれば、手荷物や貨物等を検査装置内を通過させることなく、アンテナ部10を手荷物や貨物等に接触させるだけで、金属以外の物の内部であればスピーディに検査することができる。また、アンテナ部10が小型軽量でハンディーであるため、取り扱いが容易で手軽に持ち運ぶこともでき、所望の任意の場所で検査することができる。
(2)ボディチェッカー
本例は、人の着衣や体内に隠匿された爆発物、不正薬物を検査するボディチェッカーに使用した例である。
図5はボディチェッカーを用いて人の検査を行っている様子を模式的に示す図である。アンテナ部10が小型軽量でハンディーであるため、アンテナ部10を容易に着衣の上から押し当てるだけでスピーディに検査することができる。なお、本例においても図4に示したカバー付きのアンテナ部を用いているが、図5においては、本発明のポイントであるアンテナコイルの形状をイメージし易くするため、アンテナ部10を覆うカバーを省略している。なお、6はボディチェッカー本体、7はアンテナ部10とボディチェッカー本体6を接続するケーブルである。
(3)靴検査装置
本例は、靴の中に隠匿された爆発物、不正薬物を検査する靴検査装置に使用した例である。
図6は本例の靴検査装置のアンテナ部8および検査台8aを示す図であり、検査台8aの内部にはアンテナコイルが検査台8aの上面に対向するように収納されている。
本実施の形態によれば、靴を履いたまま検査台に乗るだけで簡便に検査を行うことができる。
(4)地雷探知装置
本例は、地中に埋設された地雷を探知する地雷探知装置に使用した例である。
図7は、本例における地雷探知の様子を模式的に示す図である。また、図8は本例の地雷探知装置のアンテナコイルおよびマッチング回路とプリアンプの収容ボックス外観を示す図である。図7に示すように、本例によれば、地中に埋設された地雷を地表から探知することができる。即ち、アンテナコイル1より地面に向けてラジオ波を照射しながら地表を移動させる。アンテナコイル1が地中に埋設された地雷の上方に達したときに、ラジオ波によって励起された地雷13の内部の爆発物が発するNQR信号をアンテナコイル1で受信することにより地雷を探知することができる。
本実施の形態によれば、図8に示したアンテナコイル(カバー付)11とマッチング回路とプリアンプの収容ボックス12を合わせた地雷探知装置の重量は約5kgと小型軽量化できるため、地雷探知装置をロボットアームに搭載することが容易であり、人が検査区域に近づくことなく遠隔操作で探知することができるため安全に検査することができる。
本発明の一実施の形態に係る爆発物、不正薬物検査装置のアンテナ部の基本的な構成を模式的に示す図である。 本発明の一実施の形態に係る爆発物、不正薬物検査装置のアンテナ部の基本的な原理を示すブロック図である。 RDXおよびTNTのNQR信号のレベルと距離の関係を示すグラフである。 本発明の一実施の形態に係る手荷物検査装置のアンテナ部の外観を示す図である。 本発明の一実施の形態に係るボディチェッカーによる検査の様子を模式的に示す図である。 本発明の一実施の形態に係る靴検査装置のアンテナ部と検査台の外観を示す図である。 本発明の一実施の形態に係る地雷探知装置による地雷探知の様子を模式的に示す図である。 本発明の一実施の形態に係る地雷探知装置の外観を示す図である。 従来の核四極共鳴による手荷物検査装置の構造を模式的に示す図である。
符号の説明
1、11、21 アンテナコイル
1a 導線
1b 絶縁体
1c 電磁シールド材
1d シース保護被覆
1e 切り欠き部
2 マッチングボックス
2a 可変コンデンサー
3 接続部
4 パワーディバイダ
5、5’ クロスダイオード
6 ボディチェッカー本体
7 ケーブル
8、10 アンテナ部
8a 検査台
12 マッチング回路とプリアンプの収容ボックス
13 地雷
22、23 電磁シールド
24 パーソナルコンピュータ
25 バッグ
26 検査対象物

Claims (5)

  1. 高周波パルス発生手段と、
    発生した高周波パルスを検査対象物に対してラジオ波として照射すると共に、前記検査対象物が前記ラジオ波により励起されて発する核四極子信号を受信するアンテナコイルと、
    受信した前記核四極子信号に基づき、前記検査対象物における爆発物および/または不正薬物を検知する検知手段とを備えており、
    前記アンテナコイルが、相互に逆巻きされた2つのソレノイド型コイル部が設けられるように8の字形状に高周波用同軸ケーブルを用いて形成され、検査対象物に対向させて用いられるように構成されている
    ことを特徴とする爆発物、不正薬物検査装置。
  2. 前記高周波用同軸ケーブルのシールド部の一部に切り欠き部が設けられていることを特徴とする請求項1に記載の爆発物、不正薬物検査装置。
  3. ボディチェック用、靴検査用または地雷探査用であることを特徴とする請求項1または請求項2に記載の爆発物、不正薬物検査装置。
  4. 請求項1ないし請求項3のいずれか1項に記載の爆発物、不正薬物検査装置に用いられるアンテナコイルであって、
    相互に逆巻きされた2つのソレノイド型コイル部が設けられるように8の字形状に高周波用同軸ケーブルを用いて形成され、検査対象物に対向させて用いられるように構成されていることを特徴とする爆発物、不正薬物検査装置用のアンテナコイル。
  5. 請求項4に記載のアンテナコイルを検査対象物に対向させる対向工程と、
    前記アンテナコイルより、前記検査対象物に対して、高周波パルス発生手段を用いて発生させた高周波パルスをラジオ波として照射する照射工程と、
    前記アンテナコイルにより、前記ラジオ波の照射により励起された前記検査対象物が発する核四極子信号を受信する受信工程と、
    前記アンテナコイルが受信した前記核四極子信号に基づき、前記検査対象物における爆発物および/または不正薬物を検知する検知工程と
    を備えていることを特徴とする爆発物、不正薬物検査方法。
JP2008259785A 2008-10-06 2008-10-06 爆発物、不正薬物検査装置、アンテナコイルおよび爆発物、不正薬物検査方法 Active JP5288462B2 (ja)

Priority Applications (6)

Application Number Priority Date Filing Date Title
JP2008259785A JP5288462B2 (ja) 2008-10-06 2008-10-06 爆発物、不正薬物検査装置、アンテナコイルおよび爆発物、不正薬物検査方法
EP09819142A EP2336754A4 (en) 2008-10-06 2009-10-02 DEVICE FOR INSPECTING COMPRESSORS AND / OR ILLEGAL DRUGS, ANTENNA COIL AND METHOD FOR INSPECTION OF SPHERES AND / OR ILLEGAL DRUGS
CN200980138965.4A CN102171555B (zh) 2008-10-06 2009-10-02 爆炸物和不正当药物检查装置、天线线圈以及爆炸物和不正当药物检查方法
PCT/JP2009/067262 WO2010041607A1 (ja) 2008-10-06 2009-10-02 爆発物、不正薬物検査装置、アンテナコイルおよび爆発物、不正薬物検査方法
AU2009301745A AU2009301745A1 (en) 2008-10-06 2009-10-02 Equipment for Inspecting Explosives and/or Illicit Drugs, Antenna Coil and Method for Inspecting Explosives and/or IIlicit Drugs
US13/122,466 US8525515B2 (en) 2008-10-06 2009-10-02 Equipment for inspecting explosives and/or illicit drugs, antenna coil and method for inspecting explosives and/or illicit drugs

Applications Claiming Priority (1)

Application Number Priority Date Filing Date Title
JP2008259785A JP5288462B2 (ja) 2008-10-06 2008-10-06 爆発物、不正薬物検査装置、アンテナコイルおよび爆発物、不正薬物検査方法

Publications (2)

Publication Number Publication Date
JP2010091327A true JP2010091327A (ja) 2010-04-22
JP5288462B2 JP5288462B2 (ja) 2013-09-11

Family

ID=42100558

Family Applications (1)

Application Number Title Priority Date Filing Date
JP2008259785A Active JP5288462B2 (ja) 2008-10-06 2008-10-06 爆発物、不正薬物検査装置、アンテナコイルおよび爆発物、不正薬物検査方法

Country Status (6)

Country Link
US (1) US8525515B2 (ja)
EP (1) EP2336754A4 (ja)
JP (1) JP5288462B2 (ja)
CN (1) CN102171555B (ja)
AU (1) AU2009301745A1 (ja)
WO (1) WO2010041607A1 (ja)

Cited By (4)

* Cited by examiner, † Cited by third party
Publication number Priority date Publication date Assignee Title
CN102403119A (zh) * 2010-09-14 2012-04-04 保定天威集团(江苏)五洲变压器有限公司 一种8字线圈绕制装置
WO2012113041A1 (en) * 2011-02-25 2012-08-30 Technical University Of Gabrovo Method of detecting and identifying substances or mixtures and determining their characteristics
JP2014528070A (ja) * 2011-09-19 2014-10-23 プラド パブロ ジェイPRADO, Pablo, J. 核磁気共鳴に基づく測定を利用した容器内の有害物質の検出
JP2016080403A (ja) * 2014-10-10 2016-05-16 国立大学法人大阪大学 液体検査装置および液体検査方法

Families Citing this family (11)

* Cited by examiner, † Cited by third party
Publication number Priority date Publication date Assignee Title
SE534842C2 (sv) * 2010-05-26 2012-01-17 Imego Ab Spole innefattande lindning bestående av en multi-axialkabel
CN102608663A (zh) * 2012-03-23 2012-07-25 西安电子科技大学 一种适用于核四极矩共振信号检测的干扰对消器
US9715012B2 (en) 2013-04-25 2017-07-25 Battelle Memorial Institute Footwear scanning systems and methods
CN104991207A (zh) * 2015-07-30 2015-10-21 安徽瑞迪太检测技术有限公司 一种用于核电四极矩共振检测的射频线圈系统
WO2018225028A2 (en) * 2017-06-09 2018-12-13 Sedect Sa Shoe scanning system for full-body scanner and method for retrofitting a full-body scanner
US11520069B2 (en) 2020-04-20 2022-12-06 Battelle Memorial Institute Footwear scanning systems and methods
US12038489B2 (en) 2020-04-22 2024-07-16 The Trustees Of Princeton University System for radio frequency illumination based temperature modulated-nuclear quadrupole resonance (TM-NQR) and signature detection of potential threat materials
WO2021242364A1 (en) * 2020-05-26 2021-12-02 Raytheon Company Material detection method, apparatus and system
CN112578375B (zh) * 2020-12-13 2023-12-15 中国电波传播研究所(中国电子科技集团公司第二十二研究所) 一种手持式复合探测器探头及其制备方法
US11984922B2 (en) 2021-11-30 2024-05-14 Raytheon Company Differential probe with single transceiver antenna
CN115840223B (zh) * 2023-02-15 2023-05-09 成都熵泱科技有限公司 一种可识别目标属性的无人机探测系统及方法

Citations (6)

* Cited by examiner, † Cited by third party
Publication number Priority date Publication date Assignee Title
JPH01160539A (ja) * 1987-11-13 1989-06-23 Picker Internatl Inc 磁気共鳴方法および磁気共鳴装置用局部コイル装置
JPH07502110A (ja) * 1991-05-23 1995-03-02 アメリカ合衆国 核4極共鳴による爆発物の検知
JP2003024294A (ja) * 2001-07-03 2003-01-28 Ge Medical Systems Global Technology Co Llc Rfコイル装置およびそれを用いた核磁気共鳴装置
JP2003512592A (ja) * 1998-04-01 2003-04-02 アメリカ合衆国 周囲ノイズの影響を受けない磁気共鳴検出コイル
JP3542598B2 (ja) * 1992-11-30 2004-07-14 アメリカ合衆国 Nqrによる爆薬の検出における音響リンギング信号の効果の除去および熱効果の減少
JP2005055218A (ja) * 2003-08-07 2005-03-03 National Institute For Materials Science パルス核四極子共鳴装置を用いた物質の同定・検知方法とこの方法を実施する装置

Family Cites Families (10)

* Cited by examiner, † Cited by third party
Publication number Priority date Publication date Assignee Title
US4373163A (en) * 1980-07-14 1983-02-08 I.D. Engineering, Inc. Loop antenna for security systems
FR2615040B1 (fr) * 1987-05-07 1990-02-16 Thomson Cgr Antenne de reception a decouplage passif notamment pour appareil d'imagerie par resonnance magnetique nucleaire
JPH05223758A (ja) 1992-02-12 1993-08-31 Hitachi Medical Corp パルス核四極子共鳴装置
DE69936510D1 (de) * 1998-03-06 2007-08-23 Btg Internat Ltd Company No 26 Gerät und verfahren für die untersuchung einer probe mittels kernquadrupolresonanz in gegenwart von störungen
JP2004177130A (ja) 2002-11-22 2004-06-24 National Institute For Materials Science Nqr−squidによる地雷探知装置
JP2004177131A (ja) * 2002-11-22 2004-06-24 National Institute For Materials Science 非接触型荷物検知装置
AR041716A1 (es) * 2003-10-24 2005-05-26 Spinlock S R L Un conjunto sensor y un metodo para la deteccion de sustancias, por resonancia cuadrupolar nuclear (rcn) y en presencia de interferencia ambiental
WO2007100760A2 (en) * 2006-02-27 2007-09-07 The Penn State Research Foundation Detecting quadrupole resonance signals using high temperature superconducting resonators
US7595638B2 (en) * 2006-11-14 2009-09-29 Ge Homeland Protection, Inc. Apparatus and method for detecting metallic objects in shoes
US7327137B1 (en) * 2006-11-14 2008-02-05 Ge Homeland Protection, Inc. Apparatus and method for non-symmetric magnetic field balancing in an inspection scanner

Patent Citations (6)

* Cited by examiner, † Cited by third party
Publication number Priority date Publication date Assignee Title
JPH01160539A (ja) * 1987-11-13 1989-06-23 Picker Internatl Inc 磁気共鳴方法および磁気共鳴装置用局部コイル装置
JPH07502110A (ja) * 1991-05-23 1995-03-02 アメリカ合衆国 核4極共鳴による爆発物の検知
JP3542598B2 (ja) * 1992-11-30 2004-07-14 アメリカ合衆国 Nqrによる爆薬の検出における音響リンギング信号の効果の除去および熱効果の減少
JP2003512592A (ja) * 1998-04-01 2003-04-02 アメリカ合衆国 周囲ノイズの影響を受けない磁気共鳴検出コイル
JP2003024294A (ja) * 2001-07-03 2003-01-28 Ge Medical Systems Global Technology Co Llc Rfコイル装置およびそれを用いた核磁気共鳴装置
JP2005055218A (ja) * 2003-08-07 2005-03-03 National Institute For Materials Science パルス核四極子共鳴装置を用いた物質の同定・検知方法とこの方法を実施する装置

Non-Patent Citations (2)

* Cited by examiner, † Cited by third party
Title
JPN6013008937; 糸崎秀夫 他: '研究課題「SQUID-NQR地雷化学物質探知技術開発」, 人道的対人地雷探知・除去研究開発推進事業 人' アクセス・制御技術の研究開発 終了報告書 , 20080821, pp.糸崎T-1〜糸崎T-33 *
JPN6013008938; 近内亜紀子 他: '核四重極共鳴(NQR)を用いた爆薬検知技術の開発' 平成20 年度(第8 回)海上技術安全研究所研究発表会 講演集 , 20080618, pp.279-280 *

Cited By (4)

* Cited by examiner, † Cited by third party
Publication number Priority date Publication date Assignee Title
CN102403119A (zh) * 2010-09-14 2012-04-04 保定天威集团(江苏)五洲变压器有限公司 一种8字线圈绕制装置
WO2012113041A1 (en) * 2011-02-25 2012-08-30 Technical University Of Gabrovo Method of detecting and identifying substances or mixtures and determining their characteristics
JP2014528070A (ja) * 2011-09-19 2014-10-23 プラド パブロ ジェイPRADO, Pablo, J. 核磁気共鳴に基づく測定を利用した容器内の有害物質の検出
JP2016080403A (ja) * 2014-10-10 2016-05-16 国立大学法人大阪大学 液体検査装置および液体検査方法

Also Published As

Publication number Publication date
WO2010041607A1 (ja) 2010-04-15
US20110181281A1 (en) 2011-07-28
US8525515B2 (en) 2013-09-03
AU2009301745A1 (en) 2010-04-15
CN102171555A (zh) 2011-08-31
EP2336754A1 (en) 2011-06-22
CN102171555B (zh) 2014-04-09
EP2336754A4 (en) 2012-09-05
JP5288462B2 (ja) 2013-09-11

Similar Documents

Publication Publication Date Title
JP5288462B2 (ja) 爆発物、不正薬物検査装置、アンテナコイルおよび爆発物、不正薬物検査方法
US7218105B2 (en) Nuclear quadrupole resonance measurements
US8674697B2 (en) Long distance explosive detection using nuclear quadrupole resonance and one or more monopoles
US20040222790A1 (en) Method and apparatus for threat screening of step-on and laid-on items
EP4158323B1 (en) Material detection method and system
US8742753B2 (en) Method and apparatus for sensing the presence of explosives, contraband and other molecules using nuclear quadrupole resonance
US8773127B2 (en) Transmission line array for explosive detection using nuclear quadrupole resonance
JP2003512592A (ja) 周囲ノイズの影響を受けない磁気共鳴検出コイル
US8463557B2 (en) Method and system for the detection and identification of explosives and/or contraband
US7394250B2 (en) Mine detector with NQR-SQUID
US7292033B2 (en) Sensor assembly and method for the detection of substances by nuclear quadrupolar resonance (NQR) and in presence of environmental interference
US8922211B2 (en) Method and apparatus for sensing the presence of explosives, contraband and other molecules using nuclear quadrupole resonance and a swept frequency continuous wave source
US8710837B2 (en) Shipping container explosives and contraband detection system using nuclear quadrupole resonance
US20150253452A1 (en) Matter detector, sensor and locator device and methods of operation
EP2467321A1 (en) Methods, systems and apparatus for detecting security threats
US20060122484A1 (en) Noncontact cargo detector
JP2009264972A (ja) Nqr検査用アンテナ及びこれを用いたnqr検査装置
EP0911650B1 (en) Apparatus and method for the detection of materials
MXPA04010367A (es) Conjunto sensor y metodo para deteccion de sustancias por resonancia cuadrupolar nuclear (rcn) y en presencia de interferencia ambiental.

Legal Events

Date Code Title Description
A621 Written request for application examination

Free format text: JAPANESE INTERMEDIATE CODE: A621

Effective date: 20110920

A131 Notification of reasons for refusal

Free format text: JAPANESE INTERMEDIATE CODE: A131

Effective date: 20130304

A521 Request for written amendment filed

Free format text: JAPANESE INTERMEDIATE CODE: A523

Effective date: 20130430

TRDD Decision of grant or rejection written
A01 Written decision to grant a patent or to grant a registration (utility model)

Free format text: JAPANESE INTERMEDIATE CODE: A01

Effective date: 20130527

A61 First payment of annual fees (during grant procedure)

Free format text: JAPANESE INTERMEDIATE CODE: A61

Effective date: 20130530

R150 Certificate of patent or registration of utility model

Ref document number: 5288462

Country of ref document: JP

Free format text: JAPANESE INTERMEDIATE CODE: R150

R250 Receipt of annual fees

Free format text: JAPANESE INTERMEDIATE CODE: R250

R250 Receipt of annual fees

Free format text: JAPANESE INTERMEDIATE CODE: R250

R250 Receipt of annual fees

Free format text: JAPANESE INTERMEDIATE CODE: R250

R250 Receipt of annual fees

Free format text: JAPANESE INTERMEDIATE CODE: R250

R250 Receipt of annual fees

Free format text: JAPANESE INTERMEDIATE CODE: R250

R250 Receipt of annual fees

Free format text: JAPANESE INTERMEDIATE CODE: R250