JP2010090839A - 内燃機関の制御装置 - Google Patents

内燃機関の制御装置 Download PDF

Info

Publication number
JP2010090839A
JP2010090839A JP2008262862A JP2008262862A JP2010090839A JP 2010090839 A JP2010090839 A JP 2010090839A JP 2008262862 A JP2008262862 A JP 2008262862A JP 2008262862 A JP2008262862 A JP 2008262862A JP 2010090839 A JP2010090839 A JP 2010090839A
Authority
JP
Japan
Prior art keywords
cylinder
exhaust
internal combustion
combustion engine
fuel
Prior art date
Legal status (The legal status is an assumption and is not a legal conclusion. Google has not performed a legal analysis and makes no representation as to the accuracy of the status listed.)
Granted
Application number
JP2008262862A
Other languages
English (en)
Other versions
JP5077179B2 (ja
Inventor
Toshiyuki Kondo
敏之 近藤
Current Assignee (The listed assignees may be inaccurate. Google has not performed a legal analysis and makes no representation or warranty as to the accuracy of the list.)
Toyota Motor Corp
Original Assignee
Toyota Motor Corp
Priority date (The priority date is an assumption and is not a legal conclusion. Google has not performed a legal analysis and makes no representation as to the accuracy of the date listed.)
Filing date
Publication date
Application filed by Toyota Motor Corp filed Critical Toyota Motor Corp
Priority to JP2008262862A priority Critical patent/JP5077179B2/ja
Publication of JP2010090839A publication Critical patent/JP2010090839A/ja
Application granted granted Critical
Publication of JP5077179B2 publication Critical patent/JP5077179B2/ja
Expired - Fee Related legal-status Critical Current
Anticipated expiration legal-status Critical

Links

Images

Classifications

    • YGENERAL TAGGING OF NEW TECHNOLOGICAL DEVELOPMENTS; GENERAL TAGGING OF CROSS-SECTIONAL TECHNOLOGIES SPANNING OVER SEVERAL SECTIONS OF THE IPC; TECHNICAL SUBJECTS COVERED BY FORMER USPC CROSS-REFERENCE ART COLLECTIONS [XRACs] AND DIGESTS
    • Y02TECHNOLOGIES OR APPLICATIONS FOR MITIGATION OR ADAPTATION AGAINST CLIMATE CHANGE
    • Y02ATECHNOLOGIES FOR ADAPTATION TO CLIMATE CHANGE
    • Y02A50/00TECHNOLOGIES FOR ADAPTATION TO CLIMATE CHANGE in human health protection, e.g. against extreme weather
    • Y02A50/20Air quality improvement or preservation, e.g. vehicle emission control or emission reduction by using catalytic converters
    • YGENERAL TAGGING OF NEW TECHNOLOGICAL DEVELOPMENTS; GENERAL TAGGING OF CROSS-SECTIONAL TECHNOLOGIES SPANNING OVER SEVERAL SECTIONS OF THE IPC; TECHNICAL SUBJECTS COVERED BY FORMER USPC CROSS-REFERENCE ART COLLECTIONS [XRACs] AND DIGESTS
    • Y02TECHNOLOGIES OR APPLICATIONS FOR MITIGATION OR ADAPTATION AGAINST CLIMATE CHANGE
    • Y02TCLIMATE CHANGE MITIGATION TECHNOLOGIES RELATED TO TRANSPORTATION
    • Y02T10/00Road transport of goods or passengers
    • Y02T10/60Other road transportation technologies with climate change mitigation effect
    • Y02T10/62Hybrid vehicles

Landscapes

  • Exhaust Silencers (AREA)
  • Exhaust Gas After Treatment (AREA)
  • Output Control And Ontrol Of Special Type Engine (AREA)
  • Electrical Control Of Air Or Fuel Supplied To Internal-Combustion Engine (AREA)
  • Combined Controls Of Internal Combustion Engines (AREA)
  • Hybrid Electric Vehicles (AREA)

Abstract

【課題】排気浄化触媒を速やかに暖機でき、かつ暖機に使用される燃料量を低減することが可能な内燃機関の制御装置を提供する。
【解決手段】排気通路4に設けられた排気浄化触媒5を備え、ハイブリッド車両100に第2MG102とともに動力源として搭載される内燃機関1に適用され、内燃機関1から動力を出力させるべき出力要求時に各気筒2に供給すべき通常時燃料量を算出し、算出した通常時燃料量の燃料が各気筒2にそれぞれ供給されるように燃料供給装置12が制御される制御装置において、排気浄化触媒5を暖機すべき所定の触媒暖機条件が成立した場合、休止気筒に設定された一部の気筒2に対する燃料の供給が停止され、かつ残りの稼動気筒に対しては通常時燃料量より少ない暖機時燃料量の燃料が供給されるように燃料供給装置12が制御されるとともに、休止気筒の吸気弁9及び排気弁10が閉弁状態に保持されるように動弁機構11が制御される。
【選択図】図1

Description

本発明は、複数の気筒と、排気通路に設けられた排気浄化触媒とを備え、ハイブリッド車両に電動機とともに動力源として搭載される内燃機関に適用される制御装置に関する。
内燃機関に設けられる排気浄化用の触媒は、所定の温度範囲内において浄化性能を適正に発揮することが知られている。そのため、触媒の温度がその所定の温度範囲の下限値より低い場合は触媒を所定の温度範囲内に速やかに昇温する必要がある。例えば、一方のバンクの気筒の排気を浄化する第1の触媒と、他方のバンクの気筒の排気を浄化する第2の触媒とを備え、運転状況に応じて一部の気筒を休止させる減筒運転を行う内燃機関と、モータジェネレータとを備えたハイブリッドシステムの制御装置において、内燃機関が減筒運転から全気筒運転に移行した後、一部の気筒の点火時期を遅角させて第1の触媒を暖機する制御装置が知られている(特許文献1参照)。また、始動直後の冷機時などに点火時期を遅角制御する点火遅角制御と一部の気筒への燃料噴射を停止する減筒運転とを同時に実施し、これにより排ガス浄化用触媒の上流側の排気管内で後燃えを発生させ、その燃焼熱で触媒を早期に暖機する排ガス浄化用触媒の早期暖機制御装置が知られている(特許文献2参照)。その他、本発明に関連する先行技術文献として特許文献3、4が存在する。
特開2005−351134号公報 特開2001−182601号公報 特開2004−137969号公報 実開平4−37826号公報
特許文献1の装置では、減筒運転中は一方のバンクの気筒が全て休止されるので、その期間中は第1の触媒が冷却される。そのため、全気筒運転への移行後、第1の触媒の暖機に時間がかかるおそれがある。特許文献2の装置では、排気浄化触媒上流側の排気管内で後燃えを発生させる必要があるため、空燃比が理論空燃比よりリッチな排気が気筒から排出されるように気筒内に燃料を供給する必要がある。そのため、排気浄化触媒を暖機するために多くの燃料が消費されて燃費が悪化するおそれがある。
そこで、本発明は、排気浄化触媒を速やかに暖機でき、かつ暖機に使用される燃料量を低減することが可能な内燃機関の制御装置を提供することを目的とする。
本発明の内燃機関の制御装置は、複数の気筒と、各気筒に供給される燃料の量を気筒毎に変更可能な燃料供給手段と、前記複数の気筒の吸気弁及び排気弁をそれぞれ開閉駆動するとともに前記複数の気筒のうち休止気筒に設定される一部の気筒の吸気弁及び排気弁の少なくともいずれか一方の弁を閉弁状態に保持可能な動弁機構と、前記複数の気筒と接続された排気通路に設けられた排気浄化触媒と、を備え、ハイブリッド車両に電動機とともに動力源として搭載される内燃機関に適用され、前記内燃機関から動力を出力させるべき出力要求時に前記内燃機関の運転状態に基づいて各気筒に供給すべき通常時燃料量を算出し、算出した前記通常時燃料量の燃料が各気筒にそれぞれ供給されるように前記燃料供給手段を制御する制御手段を備えた制御装置において、前記制御手段は、前記排気浄化触媒を暖機すべき所定の触媒暖機条件が成立した場合、前記休止気筒に対する燃料の供給が停止され、かつ前記休止気筒以外の稼動気筒に対しては前記通常時燃料量より少ない所定の暖機時燃料量の燃料が供給されるように前記燃料供給手段を制御するとともに、前記休止気筒の吸気弁及び排気弁の少なくともいずれか一方の弁が閉弁状態に保持されるように前記動弁機構を制御する(請求項1)。
本発明の制御装置によれば、排気浄化触媒の暖機時には通常時燃料量より少ない暖機時燃料量の燃料が稼動気筒に供給されるので、排気浄化触媒の暖機に使用される燃料量を低減することができる。また、休止気筒においては吸気弁及び排気弁の少なくともいずれか一方の弁が閉弁状態に保持されるので、休止気筒を介して排気通路に空気が流入することを防止できる。これにより稼動気筒から排出された排気が冷却されることを抑制できるので、排気浄化触媒を速やかに暖機できる。
本発明の制御装置の一形態においては、前記所定の暖機時燃料量として、前記燃料供給手段が変更可能な燃料量の範囲の下限値が設定されていてもよい(請求項2)。この場合、排気浄化触媒の暖機に使用される燃料量をさらに低減できる。
本発明の制御装置の一形態において、前記制御手段は、前記電動機から出力された動力のみにて前記車両を走行させるべきモータ走行条件が成立した場合に前記所定の触媒暖機条件が成立したと判断してもよい(請求項3)。電動機の動力のみで車両を走行させる場合は内燃機関の動力が不要となるが、内燃機関を停止させると排気浄化触媒の温度が低下する。そこで、モータ走行条件が成立した場合には、一部の休止気筒を休止させ、稼動気筒には暖機時燃料量の燃料を供給する。これにより、内燃機関で発生するトルクを抑えつつ排気浄化触媒の温度低下を抑制することができる。
本発明の制御装置の一形態において、前記排気浄化触媒は、各気筒に対して各気筒から排出された排気が前記排気浄化触媒に到達するまでに流通する排気流通距離が互いに異なるように設けられ、前記稼動気筒は、前記排気流通距離が最も短い気筒であってもよい(請求項4)。気筒から排気通路に排出された排気は、放熱によって徐々に冷却される。そのため、このような気筒を稼動気筒に設定することにより、稼動気筒から排出された排気が放熱により冷却されることを抑制できる。従って、排気浄化触媒を速やかに暖機できる。
本発明の制御装置の一形態においては、アクセル開度に基づいてドライバから要求されている要求トルクを算出する要求トルク算出手段をさらに備え、前記制御手段は、前記所定の触媒暖機条件が成立し、かつ前記要求トルクが前記電動機の出力可能なトルク範囲の上限値に基づいて設定された所定の判定トルク以上の場合、前記稼動気筒に対して前記通常時燃料量の燃料が供給されるように前記燃料供給手段を制御してもよい(請求項5)。このように燃料量を変更することにより、電動機及び内燃機関から出力されるトルクの合計が要求トルクに対して不足することを防止できる。
この形態において、前記排気浄化触媒は、各気筒に対して各気筒から排出された排気が前記排気浄化触媒に到達するまでに流通する排気流通距離が互いに異なるように設けられ、前記稼動気筒は、前記複数の気筒のうち前記排気流通距離が最も短い気筒であってもよい(請求項6)。この場合、稼動気筒から排出された気筒が放熱によって冷却されることを抑制できる。
本発明の制御装置の一形態において、前記制御手段は、前記所定の触媒暖機条件が成立し、かつ前記要求トルクが前記所定の判定トルク以上の場合、前記要求トルクの増加に応答して前記稼動気筒の数が漸次増加するように前記休止気筒を前記稼動気筒に切り替えてもよい(請求項7)。このように稼動気筒の数を漸次増加させることにより、電動機及び内燃機関から無駄にトルクが出力されることを防止しつつ電動機及び内燃機関から出力されるトルクの合計が要求トルクに対して不足することを防止できる
この形態において、前記制御手段は、前記要求トルクの増加に応答して前記休止気筒を前記稼動気筒に切り替える場合、前記排気流通距離が長い気筒ほどその切り替え時期が後になるように前記排気流通距離が2番目に短い気筒から順に前記休止気筒を前記稼動気筒に切り替えてもよい(請求項8)。このように排気流通距離の短い気筒から順に稼動気筒に切り替えることにより、排気浄化触媒に温度の低い排気が流入することを抑制できる。そのため、排気浄化触媒を速やかに暖機できる。
以上に説明したように、本発明の制御装置によれば、通常時燃料量より少ない暖機時燃料量の燃料が稼動気筒に供給され、また休止気筒においては吸気弁及び排気弁の少なくともいずれか一方の弁が閉弁状態に保持される。そのため、排気浄化触媒を速やかに暖機でき、かつその暖機に使用される燃料量を低減できる。
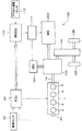
図1は、本発明の一形態に係る制御装置が組み込まれた内燃機関の要部の概略を示している。また、図2は、その内燃機関が搭載された車両の要部の概略を示している。図1に示したように内燃機関(以下、エンジンと称することがある。)1は、車両100に走行用動力源として搭載されるものであり、4つの気筒2が一列に並べられた火花点火式の4サイクル内燃機関である。なお、各気筒2にはそれらの並び方向一端から他端に向かって#1〜#4の気筒番号を付して互いに区別する。各気筒2にはそれぞれ吸気通路3及び排気通路4が接続されている。排気通路4には排気を浄化する排気浄化触媒5が設けられている。排気浄化触媒5としては、例えば三元触媒などが用いられる。排気浄化触媒5は、気筒2から排出された排気が排気浄化触媒5に到達するまでに流通する距離(以下、排気流通距離と称することがある。)が各気筒2に対して互いに異なる位置に設けられている。図1から明らかなように排気流通距離は、#4の気筒2が最も短く、#3、#2、#1の順に長くなる。
図3は、#1の気筒2の断面を示している。なお、図示は省略したが#2〜#4の気筒2も同様に構成されている。図3に示したように気筒2にはピストン6が往復動自在に挿入され、そのピストン6はコネクティングロッド7を介してクランク軸1a(図2参照)と連結されている。また、気筒2には、気筒2内の燃料混合気に点火するための点火プラグ8と、吸気通路3と気筒2との間を開閉する吸気弁9と、排気通路4と気筒2との間を開閉する排気弁10とが設けられている。各気筒2の吸気弁9及び排気弁10は動弁機構11にて開閉駆動される。動弁機構11は、吸気、圧縮、膨張、排気の各行程を生じさせるべく吸気弁9及び排気弁10のそれぞれの開閉が所定のクランク角で行われるように吸気弁9及び排気弁10を開閉駆動する制御(以下、通常制御と称することがある。)と、吸気弁9及び排気弁10がそれぞれ閉弁状態に維持される制御(以下、閉弁制御と称することがある。)と、を気筒2毎に切り替えて実行することができる。このような動弁機構11としては例えば電磁コイルで弁を開閉駆動する電磁駆動機構が設けられる。また、図1に示したようにエンジン1には燃料供給手段としての燃料供給装置12が設けられている。燃料供給装置12は、各気筒2の吸気ポート3aにそれぞれ設けられたインジェクタ13と、各インジェクタ13に供給される高圧の燃料が貯留されるデリバリパイプ14とを備えている。
点火プラグ8、動弁機構11、及びインジェクタ13の動作は、制御手段としてのエンジンコントロールユニット(ECU)20にてそれぞれ制御される。ECU20は、マイクロプロセッサ及びその動作に必要なRAM、ROM等の周辺機器を含んだ周知のコンピュータユニットとして構成され、エンジン1に設けられた各種のセンサの出力信号に基づいてエンジン1の運転状態を制御する周知のものである。ECU20は、例えばエンジン1の運転状態に基づいて各気筒2に供給すべき燃料量(以下、通常時燃料量と称することがある。)を算出し、その算出した通常時燃料量の燃料が各気筒2にそれぞれ供給されるように各インジェクタ13の動作を制御する。また、ECU20は、気筒2内の燃料混合気が適切な時期に燃焼するように各点火プラグ8の動作を制御する。この他、ECU20は、エンジン1の運転状態に応じて各気筒2の吸気弁9及び排気弁10に対してそれぞれ通常制御又は閉弁制御のいずれの制御を適用すべきか判断し、判断結果に基づいて動弁機構11を制御する。ECU20には、エンジン1の運転状態及び車両の走行状態を検出するためのセンサとしてエンジン1の機関回転速度に対応する信号を出力するクランク角センサ21、及び車両100の速度に対応する信号を出力する車速センサ22(図2参照)等が接続されている。この他にもECU20に各種センサが接続されているが、それらの図示は省略した。
次に車両100について説明する。図2に示したようにエンジン1が搭載された車両100には、それぞれ電動機及び発電機として機能する第1モータジェネレータ(MG)101及び第2モータジェネレータ(MG)102が搭載されている。第1MG101は主に発電機として機能する。第2MG102は主に電動機として機能し、走行用動力源となる。すなわち、車両100は、エンジン1及び第2MG102が走行用動力源として搭載されたハイブリッド車両として構成されている。このように走行用動力源になることにより、第2MG102が本発明の電動機に相当する。エンジン1のクランク軸1a、第1MG101の出力軸、及び第2MG102の出力軸は、動力分割機構103に接続されている。動力分割機構103は、エンジン1、第1MG101、及び第2MG102の接続状態を切り替えてエンジン1、第1MG101、及び第2MG102から出力された動力の伝達先を切り替える周知のものである。動力分割機構103は、例えば遊星歯車機構で構成される。動力分割機構103から出力された動力は、減速機104を介して車両100の駆動輪105に伝達される。
第1MG101、第2MG102、及び動力分割機構103の動作はモータジェネレータコントロールユニット(MGCU)110にてそれぞれ制御される。MGCU110は、マイクロプロセッサ及びその動作に必要なRAM、ROM等の周辺機器を含んだコンピュータとして構成され、例えば要求される駆動力及び第1MG101、第2MG102に接続されたバッテリ(不図示)の充電状態などに基づいて第1MG101及び第2MG102が電動機又は発電機として機能するようにその動作を切り替える。この際、MGCU110は、インバータ111を介して各MG101、102の動作を制御する。図2に示したようにMGCU110は、ECU20と互いの情報を共有可能なように接続されている。MGCU110は、例えば車両の加速時にエンジン1の出力及び第2MG102の出力の両方が駆動輪105に伝達されるように動力分割機構103の動作を制御するとともに第2MG102を電動機として機能させる。また、MGCU110は、車両100の車速が予め設定された判定速度以下の場合、第2MG102の出力のみで車両100が走行するように動力分割機構103及び第2MG102の動作を制御するとともにECU20に対してエンジン1の停止を要求する。以下、この制御をモータ走行制御と称することがある。この他、MGCU110は車両の走行状態などに応じて各MG101、102の動作を制御するが、これら制御方法は周知の制御方法と同様でよいため、詳細な説明は省略する。MGCU110には、アクセルペダルの開度に対応する信号を出力するアクセル開度センサ112が接続されている。
周知のように排気浄化触媒5は、所定の温度範囲内において高い排気浄化性能を発揮する。そこで、ECU20は、排気浄化触媒5の温度が温度範囲の下限温度未満の場合及び排気浄化触媒5の温度が下限温度未満に低下すると予測される場合、排気浄化触媒5の暖機を行うべくエンジン1の運転状態を制御する。この際、ECU20は、#1〜#3の気筒2が休止し、#4の気筒2のみが運転されるように点火プラグ8、動弁機構11、及びインジェクタ13の動作を制御する。具体的に説明すると#1〜#3の各気筒2に対しては閉弁制御が適用され、かつ点火プラグ8及びインジェクタ13の動作がそれぞれ禁止される。一方、#4の気筒2に対しては通常制御が適用され、かつ点火プラグ8の動作が許可される。また、#4の気筒2のインジェクタ13は、エンジン1の運転状態や車両100の走行状態に拘わらず所定の暖機時燃料量の燃料を噴射するように制御される。排気浄化触媒5の暖機のみが目的の場合は、燃料を燃焼させて高温の排気を発生させることができればよくエンジン1の出力トルクを考慮しなくてもよい。そこで、暖機時燃料量には、通常時燃料量として算出される燃料量の下限値より少ない値が設定される。具体的には、例えばインジェクタ13が調整可能な燃料量の範囲の下限値が設定される。以下、このように#4の気筒2のみが暖機燃料量の燃料で運転する制御を触媒暖機制御と称することがある。
図4は、排気浄化触媒5の暖機を行うべくエンジン1の運転状態に拘わりなくECU20が動作中に所定の周期で繰り返し実行する触媒暖機制御ルーチンを示している。図4の触媒暖機制御ルーチンにおいてECU20は、まずステップS11でエンジン1の運転状態及び車両100の走行状態を取得する。エンジン1の運転状態としては、例えばエンジン1の回転数、及びアクセル開度などが取得される。車両100の走行状態としては、例えば車速、及びドライバから車両に要求されている要求トルクなどが取得される。要求トルクは、例えばアクセル開度に基づいて算出される。このように要求トルクを算出することにより、ECU20が本発明の要求トルク算出手段として機能する。
次のステップS12においてECU20は、所定の触媒暖機条件が成立したか否か判断する。例えば、エンジン1が長時間停止していた場合は排気浄化触媒5の温度が下限温度未満に低下するため、このような状態からエンジン1が始動された場合いわゆる冷間始動時には排気浄化触媒5の暖機が必要となる。また、モータ走行制御が実行されている場合は、MGCU110からエンジン1の停止が要求される。エンジン1を停止させると排気浄化触媒5への排気の流入が止まるため、排気浄化触媒5の温度が下限温度未満に低下すると予測される。そこで、ECU20は、冷間始動時やモータ走行制御の実行時などに所定の触媒暖機条件が成立したと判断する。触媒暖機条件が不成立と判断した場合は、今回の制御ルーチンを終了する。
一方、触媒暖機条件が成立したと判断した場合はステップS13に進み、ECU20は要求トルクが予め設定された暖機制御判定トルク以上か否か判断する。暖機制御判定トルクは、第2MG102が出力可能なトルク範囲の上限値に基づいて設定され、例えばそのトルク範囲の上限値が設定される。また、そのトルク範囲の上限値よりも若干小さいトルクが設定されてもよい。要求トルクが暖機制御判定トルク未満であると判断した場合はステップS14に進み、ECU20は触媒暖機制御を実行する。その後、今回の制御ルーチンを終了する。
一方、要求トルクが暖機制御判定トルク以上と判断した場合はステップS15に進み、ECU20は要求トルクが予め設定された第1判定トルクより大きいか否か判断する。第1判定トルクには、例えば#1〜#3の気筒2が休止されるとともに#4の気筒2に通常時燃料量の燃料が供給されて運転された状態のエンジン1が出力可能なトルクの上限と第2MG102が出力可能なトルク範囲の上限値とを合計した値が設定される。要求トルクが第1判定トルク以下と判断した場合はステップS16に進み、ECU20は#1〜#3の気筒2が休止されるとともに#4の気筒2に通常時燃料量の燃料が供給されて運転されるように点火プラグ8、動弁機構11、及びインジェクタ13の動作を制御する1気筒運転制御を実行する。その後、今回の制御ルーチンを終了する。
一方、要求トルクが第1判定トルクより大きいと判断した場合はステップS17に進み、ECU20は要求トルクが予め設定された第2判定トルクより大きいか否か判断する。第2判定トルクには、例えば#1及び#2の気筒2が休止されるとともに#3及び#4の気筒2に通常時燃料量の燃料が供給されて運転された状態のエンジン1が出力可能なトルクの上限と第2MG102が出力可能なトルク範囲の上限値とを合計した値が設定される。要求トルクが第2判定トルク以下と判断した場合はステップS18に進み、ECU20は#1及び#2の気筒2が休止されるとともに#3及び#4の気筒2に通常時燃料量の燃料が供給されて運転されるように点火プラグ8、動弁機構11、及びインジェクタ13の動作を制御する2気筒運転制御を実行する。その後、今回の制御ルーチンを終了する。
一方、要求トルクが第2判定トルクより大きいと判断した場合はステップS19に進み、ECU20は要求トルクが予め設定された第3判定トルクより大きいか否か判断する。第3判定トルクには、例えば#1の気筒2のみが休止されるとともに#2〜#4の各気筒2に通常時燃料量の燃料が供給されて運転された状態のエンジン1が出力可能なトルクの上限と第2MG102が出力可能なトルク範囲の上限値とを合計した値が設定される。要求トルクが第3判定トルク以下と判断した場合はステップS20に進み、ECU20は#1の気筒2のみが休止されるとともに#2〜#4の各気筒2に通常時燃料量の燃料が供給されて運転されるように点火プラグ8、動弁機構11、及びインジェクタ13の動作を制御する3気筒運転制御を実行する。その後、今回の制御ルーチンを終了する。
一方、要求トルクが第3判定トルクより大きいと判断した場合はステップS21に進み、ECU20は#1〜#4の各気筒2に通常時燃料量の燃料が供給されてこれらの気筒2が運転されるように点火プラグ8、動弁機構11、及びインジェクタ13の動作を制御する全気筒運転制御を実行する。その後、今回の制御ルーチンを終了する。
本発明の制御装置によれば、触媒暖機条件が成立した場合は触媒暖機制御が実行される。触媒暖機制御では、排気流通距離が最も短い#4の気筒2のみが運転され、他の#1〜#3の気筒2は吸気弁9及び排気弁10が閉弁状態に維持されて休止される。そのため、#4の気筒2から排出された排気が他の#1〜#3の気筒2から排出された空気で冷却されたり排気通路4を流れる間に放熱で冷却されることを抑制できる。そのため、#4の気筒2で発生した排気を高温のまま排気浄化触媒5に流入させることができる。また、#4の気筒2には暖機時燃料量の燃料が供給されるので、#4の気筒2の運転に消費される燃料量を低減できる。そのため、排気浄化触媒5の暖機に使用される燃料量を低減しつつ排気浄化触媒5を速やかに暖機することができる。
また、本発明の制御装置では、まず要求トルクが暖機制御判定トルク以上になると運転している#4の気筒2の燃料量を暖機時燃料量から通常時燃料量に切り替え、その後要求トルクの増加に応答して漸次運転している気筒(稼動気筒)が増加するように休止している気筒(休止気筒)を稼動気筒に切り替える。このように#4の気筒2に供給する燃料量を変更したり、稼動気筒の数を増加させたりすることにより、第2MG102及びエンジン1から出力されるトルクの合計が要求トルクに対して不足することを防止できる。休止気筒を稼動気筒に切り替える場合は、排気流通距離が短い気筒2から稼動気筒に切り替えられるので、稼動気筒から排出された排気が排気通路4で放熱により冷却されることを抑制できる。これにより排気浄化触媒5に温度の低い排気が流入することを抑制できるので、排気浄化触媒5を速やかに暖機できる。
本発明は、上述した形態に限定されることなく、種々の形態にて実施することができる。例えば、本発明が適用される内燃機関は吸気ポートに燃料を噴射するポート噴射の内燃機関に限定されず、気筒内に直接燃料を噴射するいわゆる直噴式の内燃機関に適用してもよい。また、本発明が適用される内燃機関の動弁機構は、電磁駆動式のものに限定されない。また、吸気弁及び排気弁の少なくともいずれか一方を閉弁状態に保持することにより排気通路への空気の流入を防止できるので、吸気弁及び排気弁の両方を閉弁状態に保持できなくてもよい。そのため、吸気弁及び排気弁の少なくともいずれか一方に対して通常制御及び閉弁制御の切り替えを行え、かつその切り替えを気筒毎に変更可能な種々の動弁機構を備えた内燃機関に本発明を適用してよい。
触媒暖機制御時は、燃料混合気への点火時期を遅角させてもよい。この場合、運転している気筒から排気通路により高温の排気を供給できるので、さらに速やかに排気浄化触媒を暖機することができる。
本発明の一形態に係る制御装置が組み込まれた内燃機関の要部の概略を示す図。 図1の内燃機関が搭載された車両の概略を示す図。 図1の内燃機関の気筒の断面を示す図。 ECUが実行する触媒暖機制御ルーチンを示すフローチャート。
符号の説明
1 内燃機関
2 気筒
4 排気通路
5 排気浄化触媒
9 吸気弁
10 排気弁
11 動弁機構
12 燃料供給装置(燃料供給手段)
20 エンジンコントロールユニット(制御手段、要求トルク算出手段)
100 車両
102 第2モータジェネレータ(電動機)

Claims (8)

  1. 複数の気筒と、各気筒に供給される燃料の量を気筒毎に変更可能な燃料供給手段と、前記複数の気筒の吸気弁及び排気弁をそれぞれ開閉駆動するとともに前記複数の気筒のうち休止気筒に設定される一部の気筒の吸気弁及び排気弁の少なくともいずれか一方の弁を閉弁状態に保持可能な動弁機構と、前記複数の気筒と接続された排気通路に設けられた排気浄化触媒と、を備え、ハイブリッド車両に電動機とともに動力源として搭載される内燃機関に適用され、
    前記内燃機関から動力を出力させるべき出力要求時に前記内燃機関の運転状態に基づいて各気筒に供給すべき通常時燃料量を算出し、算出した前記通常時燃料量の燃料が各気筒にそれぞれ供給されるように前記燃料供給手段を制御する制御手段を備えた制御装置において、
    前記制御手段は、前記排気浄化触媒を暖機すべき所定の触媒暖機条件が成立した場合、前記休止気筒に対する燃料の供給が停止され、かつ前記休止気筒以外の稼動気筒に対しては前記通常時燃料量より少ない所定の暖機時燃料量の燃料が供給されるように前記燃料供給手段を制御するとともに、前記休止気筒の吸気弁及び排気弁の少なくともいずれか一方の弁が閉弁状態に保持されるように前記動弁機構を制御することを特徴とする内燃機関の制御装置。
  2. 前記所定の暖機時燃料量として、前記燃料供給手段が変更可能な燃料量の範囲の下限値が設定されている請求項1に記載の内燃機関の制御装置。
  3. 前記制御手段は、前記電動機から出力された動力のみにて前記車両を走行させるべきモータ走行条件が成立した場合に前記所定の触媒暖機条件が成立したと判断する請求項1又は2に記載の内燃機関の制御装置。
  4. 前記排気浄化触媒は、各気筒に対して各気筒から排出された排気が前記排気浄化触媒に到達するまでに流通する排気流通距離が互いに異なるように設けられ、
    前記稼動気筒は、前記排気流通距離が最も短い気筒である請求項1〜3のいずれか一項に記載の内燃機関の制御装置。
  5. アクセル開度に基づいてドライバから要求されている要求トルクを算出する要求トルク算出手段をさらに備え、
    前記制御手段は、前記所定の触媒暖機条件が成立し、かつ前記要求トルクが前記電動機の出力可能なトルク範囲の上限値に基づいて設定された所定の判定トルク以上の場合、前記稼動気筒に対して前記通常時燃料量の燃料が供給されるように前記燃料供給手段を制御する請求項1〜3のいずれか一項に記載の内燃機関の制御装置。
  6. 前記排気浄化触媒は、各気筒に対して各気筒から排出された排気が前記排気浄化触媒に到達するまでに流通する排気流通距離が互いに異なるように設けられ、
    前記稼動気筒は、前記複数の気筒のうち前記排気流通距離が最も短い気筒である請求項5に記載の内燃機関の制御装置。
  7. 前記制御手段は、前記所定の触媒暖機条件が成立し、かつ前記要求トルクが前記所定の判定トルク以上の場合、前記要求トルクの増加に応答して前記稼動気筒の数が漸次増加するように前記休止気筒を前記稼動気筒に切り替える請求項5又は6に記載の内燃機関の制御装置。
  8. 前記制御手段は、前記要求トルクの増加に応答して前記休止気筒を前記稼動気筒に切り替える場合、前記排気流通距離が長い気筒ほどその切り替え時期が後になるように前記排気流通距離が2番目に短い気筒から順に前記休止気筒を前記稼動気筒に切り替える請求項7に記載の内燃機関の制御装置。
JP2008262862A 2008-10-09 2008-10-09 内燃機関の制御装置 Expired - Fee Related JP5077179B2 (ja)

Priority Applications (1)

Application Number Priority Date Filing Date Title
JP2008262862A JP5077179B2 (ja) 2008-10-09 2008-10-09 内燃機関の制御装置

Applications Claiming Priority (1)

Application Number Priority Date Filing Date Title
JP2008262862A JP5077179B2 (ja) 2008-10-09 2008-10-09 内燃機関の制御装置

Publications (2)

Publication Number Publication Date
JP2010090839A true JP2010090839A (ja) 2010-04-22
JP5077179B2 JP5077179B2 (ja) 2012-11-21

Family

ID=42253798

Family Applications (1)

Application Number Title Priority Date Filing Date
JP2008262862A Expired - Fee Related JP5077179B2 (ja) 2008-10-09 2008-10-09 内燃機関の制御装置

Country Status (1)

Country Link
JP (1) JP5077179B2 (ja)

Cited By (2)

* Cited by examiner, † Cited by third party
Publication number Priority date Publication date Assignee Title
JP2021059292A (ja) * 2019-10-09 2021-04-15 トヨタ自動車株式会社 ハイブリッド車両およびその制御方法
JP2021154968A (ja) * 2020-03-30 2021-10-07 日立Astemo株式会社 車両制御装置、および、車両制御方法

Citations (3)

* Cited by examiner, † Cited by third party
Publication number Priority date Publication date Assignee Title
JP2003247417A (ja) * 2002-02-21 2003-09-05 Toyota Motor Corp 車両制御装置
JP2005291206A (ja) * 2005-03-29 2005-10-20 Honda Motor Co Ltd ハイブリッド車両の制御装置
JP2007269227A (ja) * 2006-03-31 2007-10-18 Toyota Motor Corp ハイブリッド車両

Patent Citations (3)

* Cited by examiner, † Cited by third party
Publication number Priority date Publication date Assignee Title
JP2003247417A (ja) * 2002-02-21 2003-09-05 Toyota Motor Corp 車両制御装置
JP2005291206A (ja) * 2005-03-29 2005-10-20 Honda Motor Co Ltd ハイブリッド車両の制御装置
JP2007269227A (ja) * 2006-03-31 2007-10-18 Toyota Motor Corp ハイブリッド車両

Cited By (7)

* Cited by examiner, † Cited by third party
Publication number Priority date Publication date Assignee Title
JP2021059292A (ja) * 2019-10-09 2021-04-15 トヨタ自動車株式会社 ハイブリッド車両およびその制御方法
JP7156233B2 (ja) 2019-10-09 2022-10-19 トヨタ自動車株式会社 ハイブリッド車両およびその制御方法
US11628819B2 (en) 2019-10-09 2023-04-18 Toyota Jidosha Kabushiki Kaisha Hybrid vehicle and control method thereof
JP2021154968A (ja) * 2020-03-30 2021-10-07 日立Astemo株式会社 車両制御装置、および、車両制御方法
WO2021199580A1 (ja) * 2020-03-30 2021-10-07 日立Astemo株式会社 車両制御装置、および、車両制御方法
JP7256141B2 (ja) 2020-03-30 2023-04-11 日立Astemo株式会社 車両制御装置、および、車両制御方法
US12384355B2 (en) 2020-03-30 2025-08-12 Hitachi Astemo, Ltd. Vehicle control device and vehicle control method

Also Published As

Publication number Publication date
JP5077179B2 (ja) 2012-11-21

Similar Documents

Publication Publication Date Title
JP3578044B2 (ja) ハイブリット車の内燃機関制御装置
JP4315229B2 (ja) ハイブリッド車両
US20090205889A1 (en) Hybrid vehicle system having engine with variable valve operation
JPH11173175A (ja) ハイブリット車の内燃機関制御装置
JP5476748B2 (ja) ハイブリッド車両
JP2002038992A (ja) 内燃機関
JP2017171192A (ja) ハイブリッド車両の制御装置
US7331316B2 (en) Control apparatus and control method for internal combustion engine
JP6617750B2 (ja) 車両駆動装置の制御装置
JP2016070071A (ja) 内燃機関の制御システム
JP2009191649A (ja) 内燃機関の制御装置
JP5077179B2 (ja) 内燃機関の制御装置
AU2005220833B2 (en) System for controlling timing of an engine with cylinder deactivation
JP2018200028A (ja) 内燃機関の制御装置
JP4626557B2 (ja) エンジンの停止制御装置
JP6197825B2 (ja) エンジンの制御装置
JP2008267295A (ja) 内燃機関の制御システム
WO2022163410A1 (ja) 駆動制御装置及び駆動制御方法
JP2010174742A (ja) 内燃機関の制御装置
JP2007270767A (ja) エンジンの始動装置
JP2003293820A (ja) パワートレインの制御装置
JP2020185965A (ja) ハイブリッド車両の制御装置
JP4186499B2 (ja) エンジンの制御装置
JP2003293921A (ja) パワートレインの制御装置
JP7632077B2 (ja) エンジンの制御装置

Legal Events

Date Code Title Description
A621 Written request for application examination

Free format text: JAPANESE INTERMEDIATE CODE: A621

Effective date: 20110112

A977 Report on retrieval

Free format text: JAPANESE INTERMEDIATE CODE: A971007

Effective date: 20120330

A131 Notification of reasons for refusal

Free format text: JAPANESE INTERMEDIATE CODE: A131

Effective date: 20120424

A521 Written amendment

Free format text: JAPANESE INTERMEDIATE CODE: A523

Effective date: 20120621

TRDD Decision of grant or rejection written
A01 Written decision to grant a patent or to grant a registration (utility model)

Free format text: JAPANESE INTERMEDIATE CODE: A01

Effective date: 20120731

A01 Written decision to grant a patent or to grant a registration (utility model)

Free format text: JAPANESE INTERMEDIATE CODE: A01

A61 First payment of annual fees (during grant procedure)

Free format text: JAPANESE INTERMEDIATE CODE: A61

Effective date: 20120813

FPAY Renewal fee payment (event date is renewal date of database)

Free format text: PAYMENT UNTIL: 20150907

Year of fee payment: 3

R151 Written notification of patent or utility model registration

Ref document number: 5077179

Country of ref document: JP

Free format text: JAPANESE INTERMEDIATE CODE: R151

FPAY Renewal fee payment (event date is renewal date of database)

Free format text: PAYMENT UNTIL: 20150907

Year of fee payment: 3

LAPS Cancellation because of no payment of annual fees