JP2010045570A - 通信装置 - Google Patents

通信装置 Download PDF

Info

Publication number
JP2010045570A
JP2010045570A JP2008207872A JP2008207872A JP2010045570A JP 2010045570 A JP2010045570 A JP 2010045570A JP 2008207872 A JP2008207872 A JP 2008207872A JP 2008207872 A JP2008207872 A JP 2008207872A JP 2010045570 A JP2010045570 A JP 2010045570A
Authority
JP
Japan
Prior art keywords
cable
circuit
receiving
reception
unit
Prior art date
Legal status (The legal status is an assumption and is not a legal conclusion. Google has not performed a legal analysis and makes no representation as to the accuracy of the status listed.)
Granted
Application number
JP2008207872A
Other languages
English (en)
Other versions
JP5026367B2 (ja
Inventor
Hiroyuki Hebiguchi
広行 蛇口
Masahito Nakamura
雅仁 中村
Daichi Inoue
大地 井上
Current Assignee (The listed assignees may be inaccurate. Google has not performed a legal analysis and makes no representation or warranty as to the accuracy of the list.)
Alps Alpine Co Ltd
Original Assignee
Alps Electric Co Ltd
Priority date (The priority date is an assumption and is not a legal conclusion. Google has not performed a legal analysis and makes no representation as to the accuracy of the date listed.)
Filing date
Publication date
Application filed by Alps Electric Co Ltd filed Critical Alps Electric Co Ltd
Priority to JP2008207872A priority Critical patent/JP5026367B2/ja
Publication of JP2010045570A publication Critical patent/JP2010045570A/ja
Application granted granted Critical
Publication of JP5026367B2 publication Critical patent/JP5026367B2/ja
Expired - Fee Related legal-status Critical Current
Anticipated expiration legal-status Critical

Links

Images

Landscapes

  • Near-Field Transmission Systems (AREA)

Abstract

【課題】受信回路部における共振周波数を安定させることができると共に、配線を長く引き回しても情報信号の減衰を抑えることができ、通信品質を向上させることができる通信装置を提供すること。
【解決手段】人体2を介して通信を行う通信装置3において、人体2の一部と接続または容量結合される受信電極5と、一端が受信電極5に接続されたケーブル部6と、ケーブル部6の他端に接続され、通信信号帯域で共振して必要な周波数成分を取り出す受信回路部8と、ケーブル部6と受信回路部8との間に設けられた結合用コンデンサ7と、ケーブル部6と受信回路の基準電位との間に形成される寄生容量Cに対して並列に接続され、寄生容量Cと共に共振してケーブル部共振回路15を構成するケーブル部用インダクタ9とを備えた。
【選択図】図1

Description

本発明は、人体のような伝送媒体を介して通信を行う通信装置に関する。
近年の技術発達に伴い、全く新しい通信方法として人体などに誘導される電界を用いる通信方法が提案されている。このような通信方法においては、情報信号を変調して得られた変調信号に対応した電界を送信器から伝送媒体である人体に付与して、人体を伝送した電界を受信器において検出し、その電界に対応する情報信号を復調している。
従来、上記の通信方法を用いた通信装置として、人体を介して受信した情報信号から通信用の周波数成分を取り出すものが知られている(例えば、特許文献1参照)。この特許文献1に記載の通信装置は、人体と接続または容量結合する受信電極と、受信電極の後段に設けられた共振回路とを備えており、人体を介して受信電極から受信した情報信号から通信用の周波数成分を取り出すように共振回路の共振周波数が設定されている。
特開2005−94466号公報
しかしながら、特許文献1に記載された通信装置は、人体と受信電極との距離に応じて人体と受信電極との間の静電容量が変動することにより共振回路の共振周波数が不安定になり、通信品質が安定しないという問題があった。
さらに、応用分野が広がり、通信装置を搭載する機器の大型化に伴い受信電極と共振回路との間が離れ、配線が長く引き回されている場合には、配線と機器の金属筺体(グランド)との間の寄生容量が大きくなって情報信号が減衰すると共に、外来ノイズが混入しやすくなり、通信エラーの確立が著しく増大するという問題があった。この場合、同軸ケーブルを配線として用いることで外来ノイズの混入を減少させることができるが、芯線とシールドとの間で寄生容量がさらに大きくなって情報信号が大きく減衰するという問題があった。
本発明は、かかる点に鑑みてなされたものであり、共振回路における共振周波数を安定させることができると共に、配線を長く引き回しても情報信号の減衰を抑えることができ、通信品質を向上させることができる通信装置を提供することを目的とする。
本発明の通信装置は、伝送媒体を介して通信を行う通信装置において、前記伝送媒体の一部と接続または容量結合される受信電極と、一端が前記受信電極に接続されたケーブル部と、前記ケーブル部の他端に接続され、通信信号帯域で共振して必要な周波数成分を取り出す受信回路部と、前記ケーブル部と前記受信回路部との間に設けられた第1の結合容量と、前記ケーブル部と受信回路の基準電位との間に形成される寄生容量に対して並列に接続され、前記寄生容量と共に共振してケーブル部共振回路を構成するケーブル部用インダクタとを備えたことを特徴とする。
この構成によれば、ケーブル部と受信回路部との間に第1の結合容量を備え、ケーブル部共振回路と受信回路部とでそれぞれ共振をとるため、受信回路部における人体等の伝送媒体と受信電極との間の静電容量の変動の影響が減少し、受信回路部における共振動作が安定する。
また、ケーブル部共振回路を設け、ケーブル部とグランドとの間に形成される寄生容量と共にケーブル部用インダクタを共振させるようにしたため、寄生容量による信号の減衰が抑制される。特に、ケーブル部として同軸ケーブルを用いた場合には、寄生容量による信号の減衰を抑制すると共に、外来ノイズの混入を防止することができる。
したがって、人体等の伝送媒体を介して通信する通信装置において通信品質を向上させることができる。
また本発明は、上記通信装置において、前記受信電極と前記ケーブル部共振回路との間に第2の結合容量を備えたことを特徴とする。
この構成によれば、受信電極とケーブル部共振回路との間にさらに第2の結合容量を備えたため、ケーブル部共振回路における人体等の伝送媒体と受信電極との間の静電容量の変動の影響が減少し、ケーブル部共振回路の共振動作が安定し、さらに通信品質を向上させることができる。
また本発明は、上記通信装置において、前記受信電極は複数であり、前記ケーブル部は前記複数の受信電極と前記受信回路部とを接続し、前記ケーブル部共振回路は前記複数の受信電極に対応して複数設けられており、前記複数の受信電極のうち、前記受信回路部に対して適切な受信電極を接続する受信電極切替部が設けられたことを特徴とする。
この構成によれば、複数の受信電極を切り替えて使用することができる。また、各受信電極から受信回路部までのケーブル部の長さが異なって寄生容量の大きさが異なる場合であっても、各受信電極に対応して設けられたケーブル部共振回路を各寄生容量の大きさを考慮して設計することにより、受信回路部に対する入力電極が複数の受信電極のうちいずれの受信電極に切り替えられても、寄生容量による信号の減衰を抑制することができる。
また本発明は、上記通信装置において、前記受信電極切替部が、前記複数の受信電極のうち前記伝送媒体の一部と最も強く接続または容量結合した受信電極に切り替えることを特徴とする。
この構成によれば、複数の受信電極を有する場合であっても、複数の受信電極のうち伝送媒体の一部と最も強く接続または容量結合した受信電極に切り替えて信号が受信されるため、人体等の伝送媒体がいずれの受信電極に容量結合しても通信することができる。
また本発明は、上記通信装置において、前記ケーブル部は、同軸ケーブルであることを特徴とする。
この構成によれば、寄生容量による信号の減衰を抑制すると共に、外来ノイズの混入を防止することができる。
本発明によれば、受信回路部における共振周波数を安定させることができると共に、配線を長く引き回しても情報信号の減衰を抑えることができ、通信品質を向上させることができる。
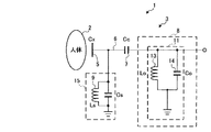
以下、本発明の第1の実施の形態について添付図面を参照して詳細に説明する。図1は、本発明に係る通信装置の第1の実施の形態を示す図であり、通信システムの概略構成図である。
図1に示す通信システム1は、人体2等の伝送媒体を介して情報信号を送受信するものであり、人体2に対して情報信号を変調した電界を付与する図示しない送信側の通信装置と、電界を介して情報信号を伝送する人体2を介して電界を検出し、その電界を情報信号に復調する通信装置3とから構成されている。
この通信システム1においては、送信側の通信装置と人体2との間、および通信装置3と人体2との間は、電気的に容量結合(通信装置3と人体2との間は静電容量C)しており、情報信号を変調した電界により情報信号を伝送するようになっている。この場合、人体2には、変位電流は流れるが定常電流は流れないので、電気的に導通している必要がない。したがって、例えば、送信側の通信装置をポケットにいれたままでも、薄い布を介して送信側の通信装置と人体2との間が容量結合するので、情報信号の伝送が可能である。
送信側の通信装置は、搬送波を情報信号で変調する変調回路と、この変調信号を増幅し、電圧変化に変換する変換回路とを有し、人体2に対して情報信号を変調してなる電界を付与する。
通信装置3は、図1に示すように、受信電極5と、受信電極5に接続されたケーブル部6と、結合用コンデンサ7を介してケーブル部6に接続された受信回路部8と、ケーブル部6とグランドとの間の寄生容量Cと共に共振するように設けられたケーブル部用インダクタ9とから構成されている。なお、結合用コンデンサ7は静電容量Cであり、ケーブル部用インダクタ9はインダクタンスLである。
受信電極5は、平板電極により形成されており、人体2からの電界を受けて人体2の一部と接続または容量結合されるようになっている。また、受信電極5は、対向する人体2との距離に応じて、静電容量が変動するようになっている。
ケーブル部6は、同軸ケーブルで構成されており、芯線の周囲を、絶縁体を介してシールドで覆い、さらにその周囲を絶縁膜で覆って構成されている。シールドは、芯線を外部環境から電気的に離隔しており、芯線に対する外来ノイズの混入を防止している。なお、本実施の形態においては、ケーブル部6を同軸ケーブルで構成したが、この構成に限定されるわけではなく、シールドを有さない銅線ケーブルで構成してもよい。
受信回路部8は、フィルタとしての共振回路11を有して構成されており、共振回路11の後段には図示しないアンプおよび制御回路が接続されている。共振回路11は、結合用コンデンサ7とグランドとの間に並列に接続された共振用インダクタ13と共振用コンデンサ14とから構成されており、通信用の周波数成分に応じた共振周波数が設定されている。受信回路部8は、受信電極5により受信された情報信号から共振回路11の共振周波数に応じた周波数成分を取り出し、アンプで増幅してから受信信号処理が行われる。なお、共振用インダクタ13はインダクタンスLであり、共振用コンデンサ14は静電容量Cである。
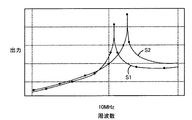
結合用コンデンサ7は、ケーブル部6と受信回路部8とを容量結合しており、受信電極5と受信電極5に対向する人体2との間の静電容量の変動による共振回路11の共振周波数のシフトを抑制している。ここで、簡単に共振周波数のシフト抑制について説明する。なお、ここでは説明の便宜上、図1の概略構成図からケーブル部用インダクタ9を除いた回路構成とし、共振回路11における共振周波数は10MHzに設定されているものとする。
図2は、共振周波数のシフト量の説明図であり、人体2と受信電極5との間の静電容量Cが低下した場合(標準状態よりもギャップが大きい場合)を示している。ここで、波形S1は結合用コンデンサを設けた上記した便宜上の回路構成における波形、波形S2は上記した便宜上の回路構成から結合用コンデンサを除いた比較構成における波形をそれぞれ示している。図2から分かるように、波形S1と波形S2とを比較すると、共振回路11に設定された共振周波数10MHzを基準として、波形S1に示される共振周波数のシフト量が波形S2に示される共振周波数のシフト量に比べて小さく抑えられている。よって、ケーブル部6と受信回路部8との間に結合用コンデンサ7を設けることにより、共振周波数のシフト量を抑制することが判明した。なお、説明は省略するが、静電容量Cが増加した場合(標準状態よりもギャップが小さい場合)にも同様に共振周波数のシフトを抑制することが判明した。
図1に戻り、ケーブル部用インダクタ9は、ケーブル部6とグランドとの間で発生した寄生容量Cに対して並列に接続されており、寄生容量Cと共にケーブル部共振回路15を構成している。また、ケーブル部用インダクタ9は、受信回路部8の共振回路11における共振周波数と同値または近接値となるように設計されており、通信用の周波数成分の減衰を抑制している。すなわち、ケーブル部用インダクタ9と寄生容量Cとの共振時には、ケーブル部共振回路15の抵抗が無限大となり、ケーブル部6が寄生容量Cを介してグランドに導通しないため、通信用の周波数成分の減衰が抑制される。
上記構成を有する通信システム1で通信を行う場合には、送信側の通信装置において人体2の導電性を示す周波数(数百kHz〜数十MHz)に情報信号が変調され、変調信号が生成される。この変調信号は、増幅され、電圧変化に変換される。この電圧変化が送信側の通信装置の電極に印加されることにより、この電極の周囲に変調信号に対応する電界信号が発生する。そして、この電界信号が人体2に付与され、通信装置3の受信電極5で受けられる。
受信電極5に電界が加わると、受信回路部8の後段の図示しない検出回路で変調信号が検出される。そして、検出回路の後段に位置する復調回路において、送信側の通信装置で使用した搬送波を用いて復調して情報信号を取得する。このようにして、人体2を通信媒体として情報信号の送受信を行っている。
次に、本発明に係る通信装置における情報信号の減衰抑制効果について説明する。本実施の形態では、図3に示す3つの回路モデルでシミュレーションを行った。図3(a)は図1の通信システムにおいて結合用コンデンサおよびケーブル部用インダクタを除いた回路モデル(第1の比較例)であり、図3(b)は図1の通信システムにおいてケーブル部用インダクタを除いた回路モデル(第2の比較例)であり、図3(c)は図1の通信システムの回路モデル(本発明)である。
なお、第1の比較例の回路モデルにおいては、共振回路11の共振周波数が10MHzとなるように共振用インダクタ13のインダクタンスLを22.0μH、共振用コンデンサ14の静電容量Cを10.0pFとして共振回路11を構成した。また、人体2とグランドとの静電容量Cを100.0pF、人体2と受信電極5との静電容量Cを1.0pFとし、ケーブル部6とグランドとの間に10.0pFの寄生容量Cが形成された場合を想定した。そして、交流電源16の周波数を10MHz、振幅を1.0Vppに設定し、共振回路11の後段に電圧計17を設けて出力電圧を計測することによりシミュレーションを行った。
また、第2の比較例の回路モデルにおいては、第1の比較例の回路モデルのケーブル部6と共振回路11との間に1.0pFの静電容量Cを有する結合用コンデンサ7を設けてシミュレーションを行った。本発明の回路モデルにおいては、第2の比較例の回路モデルの寄生容量Cに共振するように寄生容量Cに対して並列に22.0μHのインダクタンスLを有するケーブル部用インダクタ9を設けてシミュレーションを行った。
図4は、図3(a)、(b)、(c)に示される回路モデルによるシミュレーション結果を示している。図3のシミュレーション結果において、縦軸は出力、横軸は経過時間、破線W1は第1の比較例のシミュレーション結果、一点鎖線W2は第2の比較例のシミュレーション結果、実線W3は本発明のシミュレーション結果をそれぞれ示している。
第1の比較例と第2の比較例とを比較すると、破線W1は約0.5μVの振幅であるのに対し、一点鎖線W2は約10.0μVの振幅である。よって、ケーブル部6と受信回路部8との間に結合用コンデンサ7を設けることにより、受信特性を向上させることが判明した。さらに、第2の比較例と本発明とを比較すると、一点鎖線W2は約10.0μVの振幅であるのに対し、本発明の実線W3は約58.0μVの振幅である。よって、ケーブル部6と受信回路部8との間に結合用コンデンサ7を設けると共に、ケーブル部6とグランドとの間に発生する寄生容量Cと共に共振するように寄生容量Cに対して並列にケーブル部用インダクタ9を設けることにより、受信特性をさらに向上させることが判明した。
以上のように、本実施の形態に係る通信装置3によれば、ケーブル部6と受信回路部8との間に結合用コンデンサ7を備え、ケーブル部共振回路15と受信回路部8の共振回路11とでそれぞれ共振をとるため、受信回路部8における人体と受信電極5との間の静電容量の変動の影響が減少し、受信回路部8の共振回路11における共振動作が安定する。また、ケーブル部共振回路15を設け、ケーブル部6とグランドとの間に形成された寄生容量Cと共にケーブル部用インダクタ9を共振させるようにしたため、寄生容量による情報信号の減衰が抑制される。したがって、人体2を介して通信する通信装置3において通信品質を向上させることができる。
なお、図5に示すように、通信システム21のケーブル部6と受信回路部8との間に静電容量Cc1の結合用コンデンサ23を設ける他、受信電極5とケーブル部共振回路15との間に静電容量Cc2の結合用コンデンサ24を設けるようにしてもよい。この構成により、結合用コンデンサ24は、受信電極5と受信電極5に対向する人体2との間の静電容量Cの変動よるケーブル部共振回路15の共振周波数のシフトが抑制される。よって、ケーブル部共振回路15の共振動作が安定化し、通信装置22の通信品質を向上させることができる。
次に、本発明の第2の実施の形態について説明する。本発明の第2の実施の形態に係る通信装置は、上述した第1の実施の形態に係る通信装置と複数の受信電極により選択的に通信可能な点において相違している。したがって、特に相違点についてのみ説明する。
図6は、本発明に係る通信装置の第2の実施の形態を示す図であり、通信システムの概略構成図である。図6に示すように、この通信システム31における通信装置32は、複数の受信電極5と、一端が複数に分岐して複数の受信電極5に接続され、他端が結合用コンデンサ7に接続されたケーブル部33と、結合用コンデンサ7を介してケーブル部33に接続された受信回路部8とを備えている。また、ケーブル部33から分岐した各枝ケーブル34には、各枝ケーブル34とグランドとの間の寄生容量Cと共に共振するケーブル部用インダクタ9と、各受信電極5と受信回路部8とを電気的に離接するスイッチ部35とが設けられている。
各スイッチ部35は、図示しない制御部により制御されており、この制御部は、複数の受信電極5をスキャンして最も強く電界を受けている受信電極5を調査して、この最も強く電界を受けている受信電極5と受信回路部8とを接続するようにスイッチ部35を切り換えている。この構成により、複数の受信電極5のうち人体2の一部と接続または容量結合した受信電極5に切り替えて情報信号が受信されるため、人体2がいずれの受信電極5に容量結合しても通信することが可能となる。なお、請求項に記載の受信電極切替部は、本実施の形態における複数のスイッチ部35と、制御部とにより構成されている。
以上のように、本実施の形態に係る通信装置3によれば、各受信電極5から受信回路部8までの枝ケーブル34の長さが異なって寄生容量Cの大きさが異なる場合であっても、各受信電極5に対応して設けられたケーブル部共振回路15を各寄生容量Cの大きさを考慮して設計することにより、受信回路部8に対する入力電極が複数の受信電極5のうちいずれの受信電極5に切り替えられても、寄生容量Cによる情報信号の減衰を抑制することができる。
また、今回開示された実施の形態は、全ての点で例示であってこの実施の形態に制限されるものではない。本発明の範囲は、上記した実施の形態のみの説明ではなくて特許請求の範囲によって示され、特許請求の範囲と均等の意味および範囲内での全ての変更が含まれることが意図される。
以上説明したように、本発明は、受信回路部における共振周波数を安定させることができると共に、配線を長く引き回しても情報信号の減衰を抑えることができ、通信品質を向上させることができるという効果を有し、特に人体のような伝送媒体を介して通信を行う通信装置に有用である。
本発明に係る第1の実施の形態を示す図であり、通信システムの概略構成図である。 本発明に係る第1の実施の形態を示す図であり、共振周波数のシフト量の説明図である。 本発明に係る第1の実施の形態を示す図であり、(a)は図1の通信システムにおいて結合用コンデンサおよびケーブル部用インダクタを除いた回路モデル、(b)は図1の通信システムにおいてケーブル部用インダクタを除いた回路モデル、(c)は図1の通信システムの回路モデルである。 本発明に係る第1の実施の形態を示す図であり、図3(a)、(b)、(c)に示される回路モデルによるシミュレーション結果である。 本発明に係る第1の実施の形態の変形例を示す図である。 本発明に係る第2の実施の形態を示す図であり、通信システムの概略構成図である。
符号の説明
1、21、31 通信システム
2 人体(伝送媒体)
3、22、32 通信装置
5 受信電極
6、33 ケーブル部
7、23 結合用コンデンサ(第1の結合容量)
8 受信回路部
9 ケーブル部用インダクタ
11 共振回路
13 共振用インダクタ
14 共振用コンデンサ
16 交流電源
17 電圧計
24 結合用コンデンサ(第2の結合容量)
34 枝ケーブル
35 スイッチ部

Claims (5)

  1. 伝送媒体を介して通信を行う通信装置において、
    前記伝送媒体の一部と接続または容量結合される受信電極と、
    一端が前記受信電極に接続されたケーブル部と、
    前記ケーブル部の他端に接続され、通信信号帯域で共振して必要な周波数成分を取り出す受信回路部と、
    前記ケーブル部と前記受信回路部との間に設けられた第1の結合容量と、
    前記ケーブル部と受信回路の基準電位との間に形成される寄生容量に対して並列に接続され、前記寄生容量と共に共振してケーブル部共振回路を構成するケーブル部用インダクタとを備えたことを特徴とする通信装置。
  2. 前記受信電極と前記ケーブル部共振回路との間に第2の結合容量を備えたことを特徴とする請求項1に記載の通信装置。
  3. 前記受信電極は複数であり、前記ケーブル部は前記複数の受信電極と前記受信回路部とを接続し、前記ケーブル部共振回路は前記複数の受信電極に対応して複数設けられており、
    前記複数の受信電極のうち、前記受信回路部に対して適切な受信電極を接続する受信電極切替部が設けられたことを特徴とする請求項1または請求項2に記載の通信装置。
  4. 前記受信電極切替部が、前記複数の受信電極のうち前記伝送媒体の一部と最も強く接続または容量結合した受信電極に切り替えることを特徴とする請求項3に記載の通信装置。
  5. 前記ケーブル部は、同軸ケーブルであることを特徴とする請求項1ないし請求項4のいずれかに記載の通信装置。
JP2008207872A 2008-08-12 2008-08-12 人体通信装置 Expired - Fee Related JP5026367B2 (ja)

Priority Applications (1)

Application Number Priority Date Filing Date Title
JP2008207872A JP5026367B2 (ja) 2008-08-12 2008-08-12 人体通信装置

Applications Claiming Priority (1)

Application Number Priority Date Filing Date Title
JP2008207872A JP5026367B2 (ja) 2008-08-12 2008-08-12 人体通信装置

Publications (2)

Publication Number Publication Date
JP2010045570A true JP2010045570A (ja) 2010-02-25
JP5026367B2 JP5026367B2 (ja) 2012-09-12

Family

ID=42016587

Family Applications (1)

Application Number Title Priority Date Filing Date
JP2008207872A Expired - Fee Related JP5026367B2 (ja) 2008-08-12 2008-08-12 人体通信装置

Country Status (1)

Country Link
JP (1) JP5026367B2 (ja)

Cited By (3)

* Cited by examiner, † Cited by third party
Publication number Priority date Publication date Assignee Title
US9490916B2 (en) 2014-07-23 2016-11-08 Kabushiki Kaisha Toshiba Communication apparatus
CN110755741A (zh) * 2019-10-18 2020-02-07 上海力声特医学科技有限公司 人工耳蜗
KR20250066090A (ko) * 2023-11-06 2025-05-13 한국과학기술원 연속적인 최대 공진 전력 추적 기능을 제공하는 인체 전력 전송 방법 및 시스템

Citations (4)

* Cited by examiner, † Cited by third party
Publication number Priority date Publication date Assignee Title
JPH11177329A (ja) * 1997-12-09 1999-07-02 Asahi Glass Co Ltd 自動車用ガラスアンテナ装置
JPH11346112A (ja) * 1997-07-28 1999-12-14 Asahi Glass Co Ltd 自動車用ガラスアンテナ装置
JP2007189309A (ja) * 2006-01-11 2007-07-26 Nippon Telegr & Teleph Corp <Ntt> 電界通信システム
WO2007148877A1 (en) * 2006-06-20 2007-12-27 Electronics And Telecommunications Research Institute Communication device and method using human body

Patent Citations (4)

* Cited by examiner, † Cited by third party
Publication number Priority date Publication date Assignee Title
JPH11346112A (ja) * 1997-07-28 1999-12-14 Asahi Glass Co Ltd 自動車用ガラスアンテナ装置
JPH11177329A (ja) * 1997-12-09 1999-07-02 Asahi Glass Co Ltd 自動車用ガラスアンテナ装置
JP2007189309A (ja) * 2006-01-11 2007-07-26 Nippon Telegr & Teleph Corp <Ntt> 電界通信システム
WO2007148877A1 (en) * 2006-06-20 2007-12-27 Electronics And Telecommunications Research Institute Communication device and method using human body

Cited By (4)

* Cited by examiner, † Cited by third party
Publication number Priority date Publication date Assignee Title
US9490916B2 (en) 2014-07-23 2016-11-08 Kabushiki Kaisha Toshiba Communication apparatus
CN110755741A (zh) * 2019-10-18 2020-02-07 上海力声特医学科技有限公司 人工耳蜗
KR20250066090A (ko) * 2023-11-06 2025-05-13 한국과학기술원 연속적인 최대 공진 전력 추적 기능을 제공하는 인체 전력 전송 방법 및 시스템
KR102829263B1 (ko) 2023-11-06 2025-07-03 한국과학기술원 연속적인 최대 공진 전력 추적 기능을 제공하는 인체 전력 전송 방법 및 시스템

Also Published As

Publication number Publication date
JP5026367B2 (ja) 2012-09-12

Similar Documents

Publication Publication Date Title
CN101627565B (zh) 通信系统
KR101043526B1 (ko) 무선 통신 시스템 및 다이버시티 신호 획득 방법
US11046195B2 (en) Apparatus for transmitting energy and information by means of a charging cable for an electric vehicle
JP5347608B2 (ja) 受信装置
KR840002525Y1 (ko) 스테레오 수신기
CN112736459B (zh) 双天线系统、射频架构和电子设备
JP2015032927A (ja) 生体検出センサ、生体検出センサを備えた装置、金属検出センサ
US8175527B2 (en) Portable apparatus
CN104040832B (zh) 电力传输系统
CN101409695A (zh) 共模干扰信号下无接触传输差动信号的方法及电路装置
KR20170086943A (ko) 채널 적응형 인체 통신 시스템
JP5026367B2 (ja) 人体通信装置
CN106657715B (zh) 一种车载模拟视频信号抗干扰系统
WO2017199458A1 (ja) 伝送装置および伝送システム
KR20110019841A (ko) 휴대용 단말기에서 오디오 채널 간 크로스 톡 개선 장치 및 방법
JP2016040864A (ja) 信号伝送装置
JP2010074606A (ja) 伝送路構造
KR101507296B1 (ko) 어댑터 장치, 전자서명도구, 검측 장치 및 인터페이스 검측 시스템
JP4460546B2 (ja) 通信システムおよび送信器、受信器
JP4170337B2 (ja) 電界通信システム
JP2015119398A (ja) 受信装置
WO2014108990A1 (ja) ワイヤレスマイク
JP2008053917A (ja) 電界検出装置、受信装置及びフィルタアンプ
JP4460568B2 (ja) 受信器およびトランシーバ、制御方法
JP5867601B2 (ja) 電力伝送システム及び送電装置

Legal Events

Date Code Title Description
A621 Written request for application examination

Free format text: JAPANESE INTERMEDIATE CODE: A621

Effective date: 20101119

A977 Report on retrieval

Free format text: JAPANESE INTERMEDIATE CODE: A971007

Effective date: 20120329

A131 Notification of reasons for refusal

Free format text: JAPANESE INTERMEDIATE CODE: A131

Effective date: 20120403

A521 Request for written amendment filed

Free format text: JAPANESE INTERMEDIATE CODE: A523

Effective date: 20120521

RD03 Notification of appointment of power of attorney

Free format text: JAPANESE INTERMEDIATE CODE: A7423

Effective date: 20120521

TRDD Decision of grant or rejection written
A01 Written decision to grant a patent or to grant a registration (utility model)

Free format text: JAPANESE INTERMEDIATE CODE: A01

Effective date: 20120612

A01 Written decision to grant a patent or to grant a registration (utility model)

Free format text: JAPANESE INTERMEDIATE CODE: A01

A61 First payment of annual fees (during grant procedure)

Free format text: JAPANESE INTERMEDIATE CODE: A61

Effective date: 20120620

FPAY Renewal fee payment (event date is renewal date of database)

Free format text: PAYMENT UNTIL: 20150629

Year of fee payment: 3

R150 Certificate of patent or registration of utility model

Ref document number: 5026367

Country of ref document: JP

Free format text: JAPANESE INTERMEDIATE CODE: R150

Free format text: JAPANESE INTERMEDIATE CODE: R150

S533 Written request for registration of change of name

Free format text: JAPANESE INTERMEDIATE CODE: R313533

R350 Written notification of registration of transfer

Free format text: JAPANESE INTERMEDIATE CODE: R350

LAPS Cancellation because of no payment of annual fees