JP2010040659A - Led素子駆動用電源装置 - Google Patents

Led素子駆動用電源装置 Download PDF

Info

Publication number
JP2010040659A
JP2010040659A JP2008199852A JP2008199852A JP2010040659A JP 2010040659 A JP2010040659 A JP 2010040659A JP 2008199852 A JP2008199852 A JP 2008199852A JP 2008199852 A JP2008199852 A JP 2008199852A JP 2010040659 A JP2010040659 A JP 2010040659A
Authority
JP
Japan
Prior art keywords
current
circuit
led element
signal
power supply
Prior art date
Legal status (The legal status is an assumption and is not a legal conclusion. Google has not performed a legal analysis and makes no representation as to the accuracy of the status listed.)
Granted
Application number
JP2008199852A
Other languages
English (en)
Other versions
JP4937973B2 (ja
Inventor
Toyoji Fujimoto
豊次 藤本
Current Assignee (The listed assignees may be inaccurate. Google has not performed a legal analysis and makes no representation or warranty as to the accuracy of the list.)
HAYTERZLAB KK
HEIWA KK
Heiwa Corp
Original Assignee
HAYTERZLAB KK
HEIWA KK
Heiwa Corp
Priority date (The priority date is an assumption and is not a legal conclusion. Google has not performed a legal analysis and makes no representation as to the accuracy of the date listed.)
Filing date
Publication date
Application filed by HAYTERZLAB KK, HEIWA KK, Heiwa Corp filed Critical HAYTERZLAB KK
Priority to JP2008199852A priority Critical patent/JP4937973B2/ja
Publication of JP2010040659A publication Critical patent/JP2010040659A/ja
Application granted granted Critical
Publication of JP4937973B2 publication Critical patent/JP4937973B2/ja
Expired - Fee Related legal-status Critical Current
Anticipated expiration legal-status Critical

Links

Images

Landscapes

  • Led Devices (AREA)

Abstract

【課題】LED素子の破損を招くことなく光度の増大を見込むことができるLED素子駆動用電源装置を提供する。
【解決手段】一定周波数のパルス電流を発生するパルス電流発生手段、パルス電流発生手段によって発生したパルス電流を信号電流とするスイッチングを作動制御するために、パルス電流の周期を単位とする信号電流のスイッチングのための信号電流振り分け手段、LED素子が破損しない定格順電流をそのLED素子に常時供給する第1回路14、上記信号電流が有る時間だけオンになり、振り分け個数に応じたデューティー比に対応の許容順電流を流す上記スイッチング手段を有する第2回路16を具備し、常時通電する定格順電流に加えてデューティー比対応の許容順電流を周期的に許容時間流すことで、定格順電流量とデューティー比対応の許容順電流量の和の電流量によってLED素子を駆動する。
【選択図】 図2

Description

本発明は、LED素子の光度増大のためのLED素子駆動用電源装置に関するものである。
LED素子は定格電流において光度、効率、寿命等が最適となる素子であり、定格電流を下回る小電流を通電した場合にはより長寿、高効率となるがそれに伴って光度も低下する。逆に、定格電流よりも大電流を通電した場合、光度も増大するが効率が低下して発熱し、熱に弱いため短寿命となるという特性を持っている。光度を向上したいとの考えによって電流量を増大してもLED素子は破損してしまうので、定格以上の大電流を流すことは禁物である。
従って、LED素子駆動用電源装置として従来はLED素子の特性から主として定電流回路が用いられているが、LED光源の光度を増す場合にはLED素子の配置密度を高めることしか方法がない。なお、隣接技術に関して検索すると、特開2006−58909号があり、電気光学装置において表示品質の改善を図る発明を開示している。しかしこれは駆動電流に応じた光度で発光する電気光学素子を用いた電気光学装置を対象とするものであり、LED素子は駆動電流に応じた光度で発光するとはいえないものであるから、これを適用して光度増大を図ることは困難である。
特開2006−58909号
このような状況において、本発明者はLED素子の光度増大を目指して、そのための手段、装置を開発して来たところ、その過程において、LED光源の光度を増す方法とはいえないが、それと同等の効果を挙げる手段としては、例えばパルス駆動方式において駆動間隔を変えることによって光度を変えることが可能であるということに着目し、鋭意研究の結果、本発明に到達した。従って本発明の課題は、LED素子の破損を招くことなく光度の増大を見込むことができるLED素子駆動用電源装置を提供することである。また、本発明の他の課題は、大電流の通電によって効率低下を来たすLED素子を使用しても、安全、確実に光度増大が可能なLED素子駆動用電源装置を提供することである。
上記課題を解決するため、本発明は、一定周波数のパルス電流を発生するパルス電流発生手段と、パルス電流発生手段によって発生したパルス電流を信号電流とするスイッチングを作動制御するために、パルス電流の周期を単位とする信号電流のスイッチングのための信号電流振り分け手段と、LED素子が破損しない定格順電流をそのLED素子に常時供給する第1回路と、信号電流振り分け手段によって振り分けられた信号電流が有る時間だけオンになり、振り分け個数に応じたデューティー比に対応の許容順電流を流す上記スイッチングのための手段を有する第2回路を具備しており、常時通電する定格順電流に加えてデューティー比対応の許容順電流を周期的に許容時間流すことにより、定格順電流量とデューティー比対応の許容順電流量の和の電流量によってLED素子を駆動するという手段を講じたものである。
上記の構成におけるパルス電流発生手段は、一定周波数のパルス電流を発生するための手段であり、本発明においては、後述する各種の手段、構成を適用することができる。信号電流振り分け手段は、上記パルス電流発生手段によって発生したパルス電流を信号電流とするスイッチングを作動制御するために、パルス電流の周期を単位とする信号電流のスイッチング手段として設けられている。
さらに本発明に係る電源装置では、LED素子に定格以上の順電流を周期的に供給目的で、LED素子が破損しない定格順電流をそのLED素子に常時供給する第1回路と、信号電流振り分け手段によって振り分けられた信号電流が有る時間だけオンになり、振り分け個数に応じたデューティー比に対応の許容順電流を流す上記スイッチングのための手段を有する第2回路を具備している。
従って本発明に係る電源装置は、常時通電する定格順電流に加えてデューティー比対応の許容順電流を周期的に許容時間流すことにより、定格順電流量とデューティー比対応の許容順電流量の和の電流量によってLED素子を駆動する。このためLED素子に掛かる負担増は無視できる程度とすることができ、全く同じLED素子を使用しても効率低下をほとんど来たすことなく光度増大を図ることができる。
上記パルス電流発生手段は、クロック信号を発生するクロック発生回路と、クロック発生回路で発生させたクロック信号をパルス電流の1周期ずつ順次出力させるクロック信号振り分け回路によって構成することができる。この構成によれば、現在入手し得るLED素子を使用して、任意かつ好適な条件での光度増大が可能となる。
また、パルス電流発生手段は、クロック信号を発生するクロック発生回路と、クロック発生回路で発生させたクロック信号をパルス電流の1周期を2分割するとともに、2分の1周期ずらせて出力させるNOT回路によって構成することができる。この構成によれば上記構成におけるクロック信号振り分け回路に対して、より簡素な構成によって目的を達成することができる。
また、パルス電流発生手段は、クロック信号を発生するクロック発生回路と、クロック発生回路で発生させたクロック信号のパルスの山の部分によってオンになる電子スイッチによって構成することができる。この構成は本発明に係る電源装置として最も簡素な形態で目的を達するものである。
また、パルス電流発生手段は、交流電源と、交流電源の電流を半波整流し上記半波整流された信号電流の電圧によって電子スイッチを制御する信号作成手段によって構成することも可能である。この場合、交流電流を半波整流して得られた信号電流からダイレクトにスイッチングを行うもので、スイッチング素子であるトランジスタを信号電流振り分け手段としても利用する例であるといえる。
本発明は以上のように構成されかつ作用するものであるから、LED素子の破損を招くことなく光度の増大を見込むことができるLED素子駆動用電源装置を提供することができる。また、本発明によれば、光度が電流に比例して増大しないLED素子についても、安全、確実に光度増大が可能なLED素子駆動用電源装置を提供することができるという効果を奏する。
以下図示の実施形態を参照し、本発明に係るLED素子駆動用電源装置について、より詳細に説明する。図1は、本発明に係る電源装置の例1を概念的に示すもので、信号電流であるパルスを発生するパルス電流発生手段としてクロック発生回路11を具備し、クロック発生回路11でクロック信号(CLK)を発生させ、そのクロック信号(CLK)を信号電流振り分け手段としてのクロック信号振り分け回路12によりn個(例1ではn=10)に振り分け、パルス電流の1周期ずつをQ1・Q2…Qn(n=10)の信号の1個ずつに順次出力させるという構成を有している。クロック信号(CLK)は、発生時には電圧の山と谷で1周期であるが(図3のIC1CLK参照)、例1においてクロック信号振り分け回路12より出力される信号Qについては、その1周期にかかる時間を全て電圧の山とする(図3のIC2 Q1参照)。
図1の基本概念を実際の回路にしたものが図2であり、集積回路IC1(555)を中心とする回路がクロック発生回路11、集積回路IC2(74HC4017)を中心とする回路がクロック信号振り分け回路12である。上記集積回路IC2のQ1・Q2…Qn(n=10)の信号に対応した信号を送信するポートをそれぞれQ1〜Q10と記述すると、各ポートQ1〜Q10には集積回路IC2の1番ピンから11番ピンが割り当てられている(8番ピンは接地)。各信号口Q1〜Q10には、LED素子13が破損しない定格順電流をそれぞれのLED素子13に常時供給する第1回路14と、それと並列接続され、振り分け個数に応じてデューティー比に対応した許容順電流を流す電子スイッチ15を有する第2回路16とを具備した電源回路が接続されている。上記第1回路14及び第2回路16には電流を制限する電流制限抵抗17、18がそれぞれ直列に配置されている。また、図2に示された抵抗(R5:1KΩ)19は、IC2から出力された信号電圧が高過ぎる場合に、電子スイッチ13が制御できる程度の、過不足ない電圧電流にするために配置されている。
上記のLED素子13と電子スイッチ15や電流制限抵抗17、18から成るブロックは、簡略図示となっているが、ポートQ1からQn(例1ではn=10)に対応した分だけ存在している。なお、LED素子13の複数個直列(ないし並列)に接続すること(図1B、図1C)、耐電圧、耐電流のための電子スイッチ15として、トランジスタ(Tr:2SC1815)の代わりとなるFET等のスイッチング素子を使用すること(図1C)、P型半導体素子を用いて、スイッチング素子の後に負荷(LED素子13)を接続すること(図1D)、或いは電流制限抵抗17、18の代わりとして、定電流ダイオードCRD等を用いること等々は、何れも上記ブロックの変形回路の範囲内のことであり、本発明を実際に適用する段階において任意に選択することができる事項である。なお、P型半導体素子を用いる図1Dの例では逆相になることに対処するためにトランジスタ(Tr)から成るNOT回路を付属している。
このように構成された例1のLED素子駆動用電源装置において、クロック周期は、クロック発生回路11であるIC1(555)に接続された抵抗R1(10KΩ)と抵抗R2(700KΩ)、キャパシタC1(0.001μF)の組合せによって決まり、この場合は約996Hzの信号が、3番ピンより出力される。上記クロック信号は、クロック信号振り分け回路12であるIC2の14番ピンに入る。IC2は1周期目に入ると、直ちに信号をポートQ1から、Q1に対応したブロックに出力され、その信号は、2周期目にQ2から信号が出力される直前まで電圧の山が維持される。Q1のブロックの電子スイッチ15は、Q1からの信号が有る時間だけオンになり、電源V+(図1、図2では+5Vと表示)より供給された電流は、LED素子13のアノードからカソード、電流制限抵抗18を通り、電子スイッチ15のコレクタからエミッタに流れる。同時に電流制限抵抗17にも流れるため、この時間のLED素子13に流れる電流は、第1回路14と第2回路16に流れる電流量の和となる。信号が無い時間帯には電子スイッチ15はオフとなり、LED素子13には、第1回路14を通る定格順電流のみが流れる。
このようにポートQ1からQ10まで信号を順次出力し、またポートQ1に戻ることを繰り返すが、電子スイッチ15はその間、順次切れ目無くオンとオフを繰り返す。何れかのポートQより受け取った信号の電圧が山の間電子スイッチ15がオンとなって、電源より供給される電流は、LED素子13のアノードからカソード、抵抗18(10Ω)を通り、約75mA流れ、同時に抵抗17(100Ω)を通り、約18mA流れるので、両方の和約93mAが1個のLED素子13に流れることになる。ポートQから信号が無い時間は、電子スイッチ15は閉ざされ、抵抗18(10Ω)を通る経路も閉ざされるので、電源回路を流れる電流は抵抗17(100Ω)を通る経路のみとなる。即ち、電子スイッチ15に電流が流れていない時には、定格順電流約18mAがLED素子13に流れるのみである。
例1では、1個のLED素子13に付き、1単位時間内の1/10単位時間のみ約93mAが流れ、残りの9/10単位時間は定格順電流約18mAのみが流れるようになっている。それが1/10単位時間ずつずれて、10個の各LED素子13に順次実施されるもので、そのタイミングイメージを示したものが図3のチャートである。概ねLED素子13の光度は、定格電流時を1とした場合、最大電流時は約3倍程度となるので、この回路の場合、10個のLED素子13を1個の光源とすれば、約20%の光度向上となる。図4は、順電流に対する相対光度(Cd)の関係を示すものであり、図5は単位時間に対する比率(デューティー比)における許容順電流値の例である。また、例1ではポートQの数でもある信号電流の振り分け個数を10個に設定したが、その理由はLED素子13の破損を招かない最大電流を流せる最長単位時間が、多くのLED素子の場合1単位時間を1秒として、1/10単位時間であるからである。それ以上短い時間で設計しても、最大電流はほぼ同じであり、LED素子や付随する部品点数が増えるだけであるから、選択肢とする必要性は低い。使用するLED素子の特性を考慮してQの個数を決定することは、勿論可能である。
例1におけるクロック周期は996Hzに限定されるものではない。しかし、概ね既存のLED素子でのパルス電流特性では、上記したように、1単位時間を1秒として、その1/10単位時間を、最大電流を流せる時間としているので、Qが10個の場合は、最低でも10Hzより高い周期でなければならない。そして、IC2(74HC4017又はこれと同等品)をクロック信号振り分け回路12として使用する場合は、最初の1周期のみ、Q1に2周期分の時間の長さで信号を出力してしまう特性であるものが多いので、その場合のLED素子の破損を避けるためにも、20Hzより高い周期が望まれる。更に高い周期を選択する場合は、使用するLED素子の発熱と放熱との兼ね合いで決定するのが望ましい。クロック周期が高くなれば、その分、大きな電流が流れている時間と発熱している時間も短くなるが、放熱し切らないうちに次の周期が来てしまい、熱によってLED素子を破損する可能性が出てくるからである。クロック発生回路11には、例1では集積回路IC1を用いたが、それに代えてトランジスタ2石程度のフリップフロップ回路等を用いても良い。但し、電子スイッチ15を明確に動作させるためには、パルスクロックを発生できる回路を用いることが望ましい。
次に、図6を参照して本発明に係る電源装置の例2を示す。例2の電源装置は信号電流の振り分け個数Qを最小限数に近い2個にして、LED素子28−1とLED素子28−2を交互に強く光らせるようにした構成を有している。クロック信号を発生するクロック発生回路21は集積回路IC(555)を中心とする回路であり、振り分け個数に応じたデューティー比に対応した許容順電流を流す電子スイッチ22−1、22−2はTr1、Tr3(2SC1815)である。定格順電流用の電流制限抵抗(100Ω)23−1、23−2は第1回路24−1、24−2に配置され、また、電子スイッチ22−1、22−2がオンのときの電流制限抵抗(100Ω)25−1、25−2は第2回路26−1、26−2に配置されている。クロック発生回路21から出力された信号電圧、またはベース電圧が高すぎる場合に、電子スイッチが制御できる程度の過不足ない電圧電流にするために、抵抗R7、R8、R9(各4.7KΩ)が設けられている。
クロック周期は、IC(555)に接続された抵抗R1(4.7KΩ)と抵抗R2(470KΩ)、キャパシタC1(0.0022μF)の組合せによって決まり、この例2の場合、約680Hzの信号が3番ピンより出力される。信号電流は2つに振り分けられ、同じパルスがそれぞれ電子スイッチ22−1、22−2に流れる。上記電子スイッチ22−1、22−2はパルスがハイ(高)の間中オンになり、コレクタからエミッタを開放する。電子スイッチ22−1がオンになると、電源より供給された電流は、LED素子28−1のアノードからカソード、抵抗25−1(100Ω)を通り、約17mA流れる。同時に抵抗23−1(100Ω)も通り、約18mA流れ、両方の和として約35mAがLED28−1に流れる。パルスがロー(低)のときは、電子スイッチ22−1のコレクタ・エミッタ間は閉ざされ、抵抗25−1(100Ω)を通る経路が閉ざされるので、抵抗23−1(100Ω)を通る経路のみとなり、定格順電流約18mAがLED素子28−1に流れることとなる。
電子スイッチ22−2は、ベースがハイ(高)であるときはロー(低)を、ロー(低)であるときはハイ(高)を出力する、いわゆるNOT回路として機能する。電子スイッチ27がオンになると電源より供給された電流は、抵抗R8(4.7KΩ)、電子スイッチ27のコレクタからエミッタに抜けてグランドに流れてしまうので、電子スイッチ22−2はオンにならない。逆に、電子スイッチ27がオフになると、電流は電子スイッチ22−2のベースに流れて、電子スイッチ22−2をオンにする。電子スイッチ22−2がオンになると、電源(+5V)より供給された電流は、LED素子28−2のアノードからカソード、抵抗25−2(100Ω)を通り、約17mA流れる、と同時に抵抗23−2(100Ω)も通り、約18mAが流れるので、両方の和として約35mAがLED素子28−2に流れるものである。パルスがハイ(高)のときには、電子スイッチ22−2のコレクタ・エミッタ間は閉ざされ、抵抗25−2(100Ω)を通る経路は閉ざされるので、抵抗23−2(100Ω)を通る経路のみとなるので、定格電流約18mAがLED素子28−2に流れることとなる。
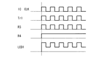
上記例2では、1個のLED素子につき、1単位時間内の1/2単位時間のみ約35mAが流れ、残りの1/2単位時間は定格電流約18mAが流れるようになっている。この動作を2個のLED素子28−1、28−2で、1/2単位時間ずつずれて実施する。図7は、例2におけるタイミングイメージのチャートである。多くのLED素子の光度は、定格電流時を1とした場合、定格電流の2倍時は約1.5倍程度となるので、例2の回路の場合には、2個のLED素子28−1、28−2を1個の光源とすれば、約25%の光度向上となる。
図8は、本発明に係る電源装置の例3を示している。例3に示す電源装置は、1個のLED素子37を有する1系統のみのLED回路を用いて本発明を実施するもので、例2と同様にパルス電流発生手段である、クロック信号を発生するクロック発生回路31は集積回路IC(555)を中心とする回路であり、これと、クロック発生回路31で発生させたクロック信号のパルスの山の部分によってオンになる、電子スイッチ32によって装置が構成されている。許容順電流を流す電子スイッチ32はTr1(2SC1815)である。定格順電流用の電流制限抵抗(100Ω)33は第1回路34に配置され、また電子スイッチ32がオンのときの電流制限抵抗(100Ω)35は第2回路36に配置されている。クロック発生回路31から出力された信号電圧、またはベース電圧が高すぎる場合に、電子スイッチが制御できる程度の過不足ない電圧電流にするために、抵抗R9(4.7KΩ)が設けられている。
例3におけるクロック発生回路31は例2と同じ集積回路IC(555)を中心とする回路であるので、クロック周期は、IC(555)に接続された抵抗R1(4.7KΩ)と抵抗R2(470KΩ)、キャパシタC1(0.0022μF)の組合せによって決まり、従って例3の場合も約680Hzの信号が3番ピンより出力される。信号電流は2つに振り分けることなく、そのパルスがハイ(高)のときのみ電子スイッチ32のスイッチングのトリガーとして機能するもので、1個のLED素子につき、1単位時間内の1/2単位時間のみ約35mAが流れ、残りの1/2単位時間は定格電流約18mAが流れるようになるものであるが(図9参照)、上記約680Hzの周波数ではちらつきも目立つというほどではない。よって、例3の装置は本発明を最も簡素に実現するものであるので、光度の揺らぎを許容できる用途について有効である。
図10は、交流電源を電子スイッチのトリガーに利用するように構成された本発明に係る電源装置の例4を示すものである。例4の装置においては、交流の電圧の山と谷を、それぞれLED49−1とLED49−2に、光度増大のための電流の流れる経路を開放させるための信号を担わせ、1/2単位時間ごとに、交互に、強く光らせることと、定格順電流時の強さで光らせることとを繰り返させるものである。例4の装置は大きく2つの回路から成り、1つ目の回路は各LED素子に電流を供給するために、交流電源41よりブリッジダイオード42を通し全波整流して、電解キャパシタ(100μF)43により平滑する。
2つ目の回路は、電子スイッチ44−1、44−2を制御する信号作成手段としての部分であり、交流電源の山のみを得るために、交流電源より整流ダイオードD1、D2を通して半波整流し、電子スイッチ44−1、44−2が制御できる程度の、過不足ない電圧電流にするために抵抗R5、R6(各3.6KΩ)を配置している。回路には、信号の寿命を伸ばすためにキャパシタC1(200PF)配置している。即ち、半波整流された電圧の波形は山形となり、その始まりと終わりは電子スイッチをオンにするには足りないものとなるので、電子スイッチ44−1、44−2がオンになっている時間が1/2単位時間より短くなってしまい、ちらつきが発生してしまうのを防ぐためである。定格順電流用の電流制限抵抗(100Ω)45−1、45−2は第1回路46−1、46−2に配置され、また電子スイッチ44−1、44−2がオンのときの電流制限抵抗(100Ω)47−1、47−2は第2回路48−1、48−2に配置されている。
例4の電源装置の動作イメージとしては、交流電源の電圧が山の時間帯では、整流ダイオードD1で半波整流された信号が電子スイッチをオンにし、LED駆動電源より供給された電流が、LED素子49−1のアノードからカソード、電子スイッチ44−1のコレクタに接続された抵抗47−1(320Ω)を通り約17mA流れ、エミッタに抜けていく。同時にもう片方の抵抗45−1(320Ω)にも電流が約18mA流れ、両方の和約35mAがLED素子49−1に流れることになる。LED49−2の動作はLED49−1と同様であるが、LED49−1が交流電流の電圧が山の時に、電子スイッチ44−1がオンになるのに対し、LED49−2は交流電流の電圧が谷の時に、電子スイッチ44−2がオンになるように動作する。従って、前3例と同様にLED素子に過度の負荷を掛けることなく光度を増大することができることが分かる。
LED素子を用いた照明で、光度を増加させるためには、LED素子数を増やすのがこれまでの常套手段であった。そのため従来は、小型化に伴うスペースの関係等で、素子数を増やせないという問題に立ち至らざるを得なかった訳である。しかしながら、本発明によれば上記の如く、同じLED素子を用い、かつ同じスペースで光度を増加させることが可能であるから、実用上非常に有効である。
本発明に係るLED素子駆動用電源装置の例1に関する基本概念のブロック図であって、Aは基本形を、B、C及びDは変形例を示すものである。 同じく例1におけるクロック発生回路と、クロック10分割のLED駆動回路の具体例を示す回路図である。 同じく例1におけるLED点灯動作タイミングイメージのチャートである。 単位時間に対する比率(デューティー比)における許容順電流値の例を示すグラフである。 順電流に対する相対光度の関係例を示すグラフである。 本発明に係る電源装置の例2におけるクロック発生回路と、クロック2分割のLED駆動回路を示す回路図である。 例2の動作タイミングイメージのチャートである。 本発明に係る電源装置の例3におけるクロック発生回路と、LED駆動回路を示す回路図である。 例3の動作タイミングイメージのチャートである。 交流電源をクロックに利用する例4に関するLED駆動回路図である。
符号の説明
11 クロック発生回路
12 クロック信号振り分け回路
13 LED素子
14 第1回路
15 電子スイッチ
16 第2回路
17、18 電流制限抵抗
19 抵抗
21 クロック発生回路
22−1、22−2 電子スイッチ
23−1、23−2 電流制限抵抗
24−1、24−2 第1回路
25−1、25−2 電流制限抵抗
26−1、26−2 第2回路
27 電子スイッチ
28−1、28−2 LED素子
31 クロック発生回路
32 電子スイッチ
33 電流制限抵抗
34 第1回路
35 電流制限抵抗
36 第2回路
37 LED素子
41 交流電源
42 ブリッジダイオード
43 電解キャパシタ
44−1、44−2 電子スイッチ
45−1、45−2 電流制限抵抗
46−1、46−2 第1回路
47−1、47−2 電流制限抵抗
48−1、48−2 第2回路
49−1、49−2 LED素子

Claims (5)

  1. 一定周波数のパルス電流を発生するパルス電流発生手段と、
    パルス電流発生手段によって発生したパルス電流を信号電流とするスイッチングを作動制御するために、パルス電流の周期を単位とする信号電流のスイッチングのための信号電流振り分け手段と、
    LED素子が破損しない定格順電流をそのLED素子に常時供給する第1回路と、
    信号電流振り分け手段によって振り分けられた信号電流が有る時間だけオンになり、振り分け個数に応じたデューティー比に対応の許容順電流を流す上記スイッチングのための手段を有する第2回路を具備しており、
    常時通電する定格順電流に加えてデューティー比対応の許容順電流を周期的に許容時間流すことにより、定格順電流量とデューティー比対応の許容順電流量の和の電流量によってLED素子を駆動する
    LED素子駆動用電源装置。
  2. パルス電流発生手段は、クロック信号を発生するクロック発生回路と、クロック発生回路で発生させたクロック信号をパルス電流の1周期ずつ順次出力させるクロック信号振り分け回路によって構成されている請求項1記載のLED素子駆動用電源装置。
  3. パルス電流発生手段は、クロック信号を発生するクロック発生回路と、クロック発生回路で発生させたクロック信号をパルス電流の1周期を2分割するとともに、2分の1周期ずらせて出力させるNOT回路によって構成されている請求項1記載のLED素子駆動用電源装置。
  4. パルス電流発生手段は、クロック信号を発生するクロック発生回路と、クロック発生回路で発生させたクロック信号のパルスの山の部分によってオンになる電子スイッチによって構成されている請求項1記載のLED素子駆動用電源装置。
  5. パルス電流発生手段は、交流電源と、交流電源の電流を半波整流し、上記半波整流された信号電流の電圧によって電子スイッチを制御する信号作成手段とによって構成されている請求項1記載のLED素子駆動用電源装置。
JP2008199852A 2008-08-01 2008-08-01 Led素子駆動用電源装置 Expired - Fee Related JP4937973B2 (ja)

Priority Applications (1)

Application Number Priority Date Filing Date Title
JP2008199852A JP4937973B2 (ja) 2008-08-01 2008-08-01 Led素子駆動用電源装置

Applications Claiming Priority (1)

Application Number Priority Date Filing Date Title
JP2008199852A JP4937973B2 (ja) 2008-08-01 2008-08-01 Led素子駆動用電源装置

Publications (2)

Publication Number Publication Date
JP2010040659A true JP2010040659A (ja) 2010-02-18
JP4937973B2 JP4937973B2 (ja) 2012-05-23

Family

ID=42012916

Family Applications (1)

Application Number Title Priority Date Filing Date
JP2008199852A Expired - Fee Related JP4937973B2 (ja) 2008-08-01 2008-08-01 Led素子駆動用電源装置

Country Status (1)

Country Link
JP (1) JP4937973B2 (ja)

Cited By (1)

* Cited by examiner, † Cited by third party
Publication number Priority date Publication date Assignee Title
US8692472B2 (en) 2012-03-30 2014-04-08 HayterzLab LED driving method and driving power source device

Citations (7)

* Cited by examiner, † Cited by third party
Publication number Priority date Publication date Assignee Title
JPS6377172A (ja) * 1986-09-19 1988-04-07 Fujitsu Ltd 発光素子駆動回路
JPH0362396A (ja) * 1989-07-31 1991-03-18 Hitachi Ltd 半導体記憶装置
JPH0822579A (ja) * 1994-07-06 1996-01-23 Tokyo Metropolis 交流用ledランプ
JP2006041142A (ja) * 2004-07-27 2006-02-09 Funai Electric Co Ltd 発光ダイオード点灯装置
JP2006303002A (ja) * 2005-04-18 2006-11-02 Toshiba Corp 情報処理装置および輝度調整方法
JP2006303247A (ja) * 2005-04-21 2006-11-02 Mitsumi Electric Co Ltd データ設定回路
JP2007180388A (ja) * 2005-12-28 2007-07-12 Seiko Epson Corp Led駆動装置

Patent Citations (7)

* Cited by examiner, † Cited by third party
Publication number Priority date Publication date Assignee Title
JPS6377172A (ja) * 1986-09-19 1988-04-07 Fujitsu Ltd 発光素子駆動回路
JPH0362396A (ja) * 1989-07-31 1991-03-18 Hitachi Ltd 半導体記憶装置
JPH0822579A (ja) * 1994-07-06 1996-01-23 Tokyo Metropolis 交流用ledランプ
JP2006041142A (ja) * 2004-07-27 2006-02-09 Funai Electric Co Ltd 発光ダイオード点灯装置
JP2006303002A (ja) * 2005-04-18 2006-11-02 Toshiba Corp 情報処理装置および輝度調整方法
JP2006303247A (ja) * 2005-04-21 2006-11-02 Mitsumi Electric Co Ltd データ設定回路
JP2007180388A (ja) * 2005-12-28 2007-07-12 Seiko Epson Corp Led駆動装置

Cited By (1)

* Cited by examiner, † Cited by third party
Publication number Priority date Publication date Assignee Title
US8692472B2 (en) 2012-03-30 2014-04-08 HayterzLab LED driving method and driving power source device

Also Published As

Publication number Publication date
JP4937973B2 (ja) 2012-05-23

Similar Documents

Publication Publication Date Title
JP3653078B2 (ja) スイッチング定電流電源装置
TWI666970B (zh) 用於發光二極體驅動器之類比及數位調光控制
US9265103B2 (en) Multiple stage sequential current regulator
CN104137651B (zh) 具有均匀led亮度的照明系统
US7646989B2 (en) Light emitting element driving device
CN101720150B (zh) Led驱动电路、led照明器件、led照明设备和led照明系统
JP4975856B2 (ja) 照明装置用集積回路および照明装置
US8947016B2 (en) Transformer-isolated LED lighting circuit with secondary-side dimming control
KR20130135878A (ko) 위상 제어 메커니즘을 가지는 발광 다이오드
US7496297B2 (en) LED system for illumination and data transmission
JP2006196697A (ja) Led駆動用半導体装置及びled駆動装置
KR20120130969A (ko) Led 회로
JP2008206087A (ja) 可視光通信システム
JP2007123252A (ja) Led照明装置
KR101083782B1 (ko) 발광다이오드 조명장치의 구동회로
KR101991973B1 (ko) Led 어레이 보조 파워 서플라이
JP5602781B2 (ja) Led素子の駆動方法及び駆動用電源装置
JP4937973B2 (ja) Led素子駆動用電源装置
JP2012146646A (ja) Led発光デバイス、端子数変換器、及び照明装置
JP6077204B2 (ja) Led駆動回路
JP2011198561A (ja) Led駆動回路
JP2012084580A (ja) Led駆動回路
JP5683239B2 (ja) Led駆動装置
JP2008218150A (ja) 照明装置および制御回路
KR101267957B1 (ko) Led조명 제어장치

Legal Events

Date Code Title Description
TRDD Decision of grant or rejection written
A977 Report on retrieval

Free format text: JAPANESE INTERMEDIATE CODE: A971007

Effective date: 20120125

A01 Written decision to grant a patent or to grant a registration (utility model)

Free format text: JAPANESE INTERMEDIATE CODE: A01

Effective date: 20120131

A01 Written decision to grant a patent or to grant a registration (utility model)

Free format text: JAPANESE INTERMEDIATE CODE: A01

A61 First payment of annual fees (during grant procedure)

Free format text: JAPANESE INTERMEDIATE CODE: A61

Effective date: 20120222

FPAY Renewal fee payment (event date is renewal date of database)

Free format text: PAYMENT UNTIL: 20150302

Year of fee payment: 3

R150 Certificate of patent or registration of utility model

Free format text: JAPANESE INTERMEDIATE CODE: R150

S201 Request for registration of exclusive licence

Free format text: JAPANESE INTERMEDIATE CODE: R314201

S531 Written request for registration of change of domicile

Free format text: JAPANESE INTERMEDIATE CODE: R313532

R350 Written notification of registration of transfer

Free format text: JAPANESE INTERMEDIATE CODE: R350

R350 Written notification of registration of transfer

Free format text: JAPANESE INTERMEDIATE CODE: R350

LAPS Cancellation because of no payment of annual fees