JP2010010763A - 通信装置、通信方法、通信システム及びコンピュータプログラム - Google Patents

通信装置、通信方法、通信システム及びコンピュータプログラム Download PDF

Info

Publication number
JP2010010763A
JP2010010763A JP2008164508A JP2008164508A JP2010010763A JP 2010010763 A JP2010010763 A JP 2010010763A JP 2008164508 A JP2008164508 A JP 2008164508A JP 2008164508 A JP2008164508 A JP 2008164508A JP 2010010763 A JP2010010763 A JP 2010010763A
Authority
JP
Japan
Prior art keywords
communication
communication device
polarity
magnet
magnetic
Prior art date
Legal status (The legal status is an assumption and is not a legal conclusion. Google has not performed a legal analysis and makes no representation as to the accuracy of the status listed.)
Granted
Application number
JP2008164508A
Other languages
English (en)
Other versions
JP4650524B2 (ja
Inventor
Yutaka Takagi
裕 高木
Current Assignee (The listed assignees may be inaccurate. Google has not performed a legal analysis and makes no representation or warranty as to the accuracy of the list.)
Sony Corp
Original Assignee
Sony Corp
Priority date (The priority date is an assumption and is not a legal conclusion. Google has not performed a legal analysis and makes no representation as to the accuracy of the date listed.)
Filing date
Publication date
Application filed by Sony Corp filed Critical Sony Corp
Priority to JP2008164508A priority Critical patent/JP4650524B2/ja
Priority to US12/489,732 priority patent/US20090318080A1/en
Publication of JP2010010763A publication Critical patent/JP2010010763A/ja
Application granted granted Critical
Publication of JP4650524B2 publication Critical patent/JP4650524B2/ja
Expired - Fee Related legal-status Critical Current
Anticipated expiration legal-status Critical

Links

Images

Classifications

    • HELECTRICITY
    • H04ELECTRIC COMMUNICATION TECHNIQUE
    • H04BTRANSMISSION
    • H04B5/00Near-field transmission systems, e.g. inductive or capacitive transmission systems
    • H04B5/40Near-field transmission systems, e.g. inductive or capacitive transmission systems characterised by components specially adapted for near-field transmission
    • H04B5/48Transceivers
    • HELECTRICITY
    • H04ELECTRIC COMMUNICATION TECHNIQUE
    • H04BTRANSMISSION
    • H04B5/00Near-field transmission systems, e.g. inductive or capacitive transmission systems
    • H04B5/20Near-field transmission systems, e.g. inductive or capacitive transmission systems characterised by the transmission technique; characterised by the transmission medium
    • H04B5/24Inductive coupling

Landscapes

  • Engineering & Computer Science (AREA)
  • Computer Networks & Wireless Communication (AREA)
  • Signal Processing (AREA)
  • Near-Field Transmission Systems (AREA)
  • Telephone Function (AREA)

Abstract

【課題】磁石の極性を利用して、電界結合や磁界結合による通信の状況の変化を磁気的挙動で把握することが可能な通信装置を提供すること。
【解決手段】電界結合または磁界結合により他の通信装置との間の通信を行う通信部と、通信部の近傍に配される少なくとも1つの磁石と、通信部の通信状況の変化に応じて磁石の極性及び磁力を制御する磁気制御部と、を含む、通信装置が提供される。その結果、通信状況の変化に応じて磁石の極性及び磁力を制御することで、磁気的挙動によって通信の状況の変化を把握することが可能となる。
【選択図】図3

Description

本発明は、通信装置、通信方法、通信システム及びコンピュータプログラムに関する。
近日、IEEE(Institute of Electrical and Electronic Engineers)802.11に規定される電波通信方式が広く普及している。かかる電波通信方式においては、アンテナを利用して無線電波が送受信されるが、当該無線電波が周囲で送受信される無線電波と干渉し、通信に悪影響を及ぼす場合があった。
また、電波通信方式以外にも、電界結合や磁界結合を利用して通信を行う通信方式が提案されている。かかる通信方式においては、例えば、磁界結合を行なう複数の結合器が近接されると、複数の結合器が磁界結合し、磁界結合により複数の結合器間での通信が実現される。このように、電界結合や磁界結合を利用する通信方式によれば、通信相手が近接しない場合には信号が送信されないため、干渉の問題が生じ難い点で電波通信方式より有利である。なお、磁界結合により通信を行う技術については、例えば、特許文献1や特許文献2に記載されている。
また、電界結合や磁界結合を利用する通信方式においては、1の通信装置に受信機能および送信機能などの複数の機能を実装することも可能である。この場合、通信装置は、コンテンツデータの送信側とも受信側ともなり得る。
特開2006−60283号公報 特開2008−99236号公報
電界結合や磁界結合を利用する通信方式を利用する場合には、一方の通信装置は据え置いた状態で、他方の通信装置を手に持ち、据え置いた状態の通信装置に手持ちの通信装置をかざすことにより、通信装置間で通信を行うことがある。このような形態は、駅の自動改札、自動販売機での商品の購入、レジ等における代金の支払い等でよく見られるものである。
しかし、従来においては、音を鳴らすことによって通信の完了を使用者に通知する場合がほとんどであり、手持ちの通信装置の挙動が変化することによって通信の完了を利用者に通知する手法は、今まで取られていなかった。
そこで、本発明は、上記問題に鑑みてなされたものであり、本発明の目的とするところは、磁石の極性を利用して、電界結合や磁界結合による通信の状況の変化を磁気的挙動で把握することが可能な、新規かつ改良された通信装置、通信方法、通信システム及びコンピュータプログラムを提供することにある。
上記課題を解決するために、本発明のある観点によれば、電界結合または磁界結合により他の通信装置との間の通信を行う通信部と、通信部の近傍に配される少なくとも1つの磁石と、通信部と他の通信装置と間の通信状況に応じて磁石の極性及び磁力を制御する磁気制御部と、を含む、通信装置が提供される。
かかる構成によれば、通信部は電界結合または磁界結合により他の通信装置との間の通信を行い、磁石は通信部の近傍に少なくとも配される。そして、磁気制御部は、通信部と他の通信装置と間の通信状況に応じて磁石の極性及び磁力を制御する。その結果、電界結合や磁界結合による通信の状況の変化を磁気的挙動で把握することができる。
磁気制御部は、他の通信装置との通信が完了し、自らが他の通信装置との間の接続の確立を解放する側である場合に、他の通信装置に内蔵された磁石の極性と一致するように磁石の極性を反転させてもよい。
磁気制御部は、他の通信装置へのデータの送信が完了したと判断した場合に、他の通信装置に内蔵された磁石の極性と一致するように磁石の極性を反転させてもよい。
磁気制御部は、他の通信装置からのデータの受信が完了したと判断した場合に、他の通信装置に内蔵された磁石の極性と一致するように磁石の極性を反転させてもよい。
磁気制御部は、他の通信装置との接続が確立された時点で、他の通信装置に内蔵された磁石の極性と逆の極性を有するように磁石から磁界が発生するよう制御してもよい。
磁気制御部は、他の通信装置との間でデータの送受信が行われている間に、他の通信装置に内蔵された磁石の極性と逆の極性を有するように磁石から磁界が発生するよう制御してもよい。
磁気制御部は、他の通信装置との接続が確立されてから一定時間経過後に、他の通信装置に内蔵された磁石の極性と逆の極性を有するように磁石から磁界が発生するよう制御してもよい。
磁気制御部は、他の通信装置と通信中に、他の通信装置との間の通信レートの変化に応じて磁石の磁力を制御してもよい。この場合に、磁気制御部は、他の通信装置との間の通信レートの変化に反比例するように磁石の磁力を制御してもよい。
磁気制御部は、通信部が他の通信装置との接続を確立する際に他の通信装置から受信した極性決定情報に基づいて磁石の極性を制御してもよい。
また、上記課題を解決するために、本発明の別の観点によれば、電界結合または磁界結合により通信を行う通信部を有する第1の通信装置と、電界結合または磁界結合により通信を行う通信部を有する第2の通信装置と、を備え、第1の通信装置または第2の通信装置の少なくともいずれか一方に、通信部の近傍に配される少なくとも1つの磁石と、通信部の通信状況に応じて磁石の極性及び磁力を制御する磁気制御部と、を含む、通信システムが提供される。
また、上記課題を解決するために、本発明の別の観点によれば、電界結合または磁界結合により他の通信装置との間の通信を通信部に行わせる通信ステップと、通信部の近傍に配される少なくとも1つの磁石の極性及び磁力を、通信部と他の通信装置との通信状況に応じて制御する磁気制御ステップと、を含む、通信方法が提供される。
また、上記課題を解決するために、本発明の別の観点によれば、コンピュータに、電界結合または磁界結合により他の通信装置との間の通信を通信部に行わせる通信ステップと、通信部の近傍に配される少なくとも1つの磁石の極性及び磁力を、通信部と他の通信装置との通信状況に応じて制御する磁気制御ステップと、を実行させる、コンピュータプログラムが提供される。
以上説明したように本発明によれば、磁石の極性を利用して、電界結合や磁界結合による通信の状況の変化を磁気的挙動で把握することが可能な通信装置、通信方法、通信システム及びコンピュータプログラムを提供することができる。
以下に添付図面を参照しながら、本発明の好適な実施の形態について詳細に説明する。なお、本明細書及び図面において、実質的に同一の機能構成を有する構成要素については、同一の符号を付することにより重複説明を省略する。
図1は、本発明の一実施形態にかかる通信システムを示した説明図である。図1に示したように、本実施形態にかかる通信システムは、通信機器10および携帯機器20からなる一対の機器(通信装置)と、情報処理装置12とを備える。また、通信機器10および携帯機器20は、相互に電界結合することが可能な電界カプラと呼ばれる電極板を備える。通信機器10および携帯機器20の双方の電界カプラが例えば3cm以内に近接されると、一方の電界カプラにより発生される誘導電界の変化を他方の電界カプラが感知することにより、通信機器10および携帯機器20の間での電界通信が実現される。
より具体的には、上記電界通信を行う一対の機器は、一方がイニシエータ(Initiator)として機能し、他方がレスポンダ(Responder)として機能する。イニシエータは接続確立要求を行なう側であり、レスポンダはイニシエータからの接続確立要求を待ち受ける側である。
例えば、図1に示した携帯機器20がイニシエータとして機能し、通信機器10がレスポンダとして機能する場合、携帯機器20および通信機器10が近接されると、携帯機器20から送信される接続確立要求を通信機器10が受信する。そして、通信機器10により接続確立要求が受信されると、通信機器10および携帯機器20が認証処理を行い、認証処理が正常に終了すると通信機器10および携帯機器20がデータ通信可能な状態に接続される。認証処理としては、例えば、ソフトウェアのバージョンや、有するプロトコルを示すエミュレーション方式が通信機器10および携帯機器20で一致するか否かの確認などがあげられる。
その後、通信機器10と携帯機器20が1対1でデータ通信を行う。より詳細には、携帯機器20が任意のデータを電界カプラにより通信機器10へ送信し、通信機器10が携帯機器20から受信したデータを情報処理装置12へ出力する。または、情報処理装置12から通信機器10へ任意のデータが入力され、通信機器10が情報処理装置12から入力されたデータを電界カプラにより携帯機器20へ送信する。任意のデータとしては、音楽、講演およびラジオ番組などの音楽データや、映画、テレビジョン番組、ビデオプログラム、写真、文書、絵画および図表などの映像データや、ゲームおよびソフトフェアなどがあげられる。
アンテナから放射される電波が距離の2乗に反比例して減衰するのに対し、このような電界カプラから発生される誘導電界の強度は距離の4乗に反比例するため、電界通信が可能な一対の機器間の距離を制限できる点で有利である。すなわち、当該電界通信によれば、周囲に存在する障害物による信号の劣化が少ない、ハッキングや秘匿性を確保するための技術を簡素化できるなどの効果が得られる。
また、アンテナから放射される電波は、電波の進行方向と直交方向に振動する横波成分を有し、偏波がある。これに対し、電界カプラは、進行方向に振動する縦波成分を有し、偏波がなり誘導電界を発生するため、一対の電界カプラの面が対向していれば受信側で信号を受信できる点でも利便性が高い。
例えばUWB通信のように高周波、広帯域を使用する通信方式によれば、近距離において数百Mbps程度の超高速データ伝送を実現することができる。また、電波通信ではなく電界結合によりUWB通信を行う場合、その電界強度は距離の4乗に反比例することから、無線設備から3メートルの距離での電界強度(電波の強さ)を所定レベル以下に抑制することで無線局の免許が不要となる微弱電波とすることが可能であり、安価に通信システムを構成することができる。また、電界結合方式により超近距離でデータ通信を行う場合、周辺に存在する反射物により信号の質が低下することがなく、伝送路上でのハッキングを確実に防止することができ、秘匿性を確保することが可能である。また、電界強度を所定レベル以下に抑制して、例えば3cm以内の距離のみで通信を可能とすることで、1つの機器に対して2つの機器が同時に通信できない構成とすることができ、近距離での一対一通信を実現することができる。
なお、本明細書においては、一対の通信装置が電界カプラを利用して近距離無線通信(非接触通信)を行う例に重きをおいて説明するが、本発明はかかる例に限定されない。例えば、一対の通信装置は、磁界結合により通信可能な通信部を介して近距離無線通信を行うことも可能である。
また、図1においては通信装置の一例として通信機器10および携帯機器20を示しているに過ぎず、本発明はかかる例に限定されない。例えば、通信装置は、PC(Personal Computer)、家庭用映像処理装置(DVDレコーダ、ビデオデッキなど)、携帯電話、PHS(Personal Handyphone System)、携帯用音楽再生装置、携帯用映像処理装置、PDA(Personal Digital Assistants)、家庭用ゲーム機器、携帯用ゲーム機器、家電機器などの情報処理装置であってもよい。さらに、通信装置は、図2に示すように、コンテンツデータを提供するコンテンツサーバ30であってもよい。
ここで、本実施形態に関連する通信装置100および通信装置200の構成を図2に示す。図2に示したように、本実施形態に関連する通信装置100は、電界カプラ102、セレクタ104、および通信モジュール106を備え、通信装置200は、電界カプラ202および通信モジュール206を備える。
本実施形態に関連する通信装置100は、通信モジュール106に含まれる送信用回路と電界カプラ102がセレクタ104により接続されている場合にはデータ送信が可能である。一方、本実施形態に関連する通信装置100は、受信用回路と電界カプラ102がセレクタ104により接続されている場合にはデータ受信が可能である。
このように通信装置100および通信装置200が構成されている場合に、電界カプラ102と電界カプラ202とを近接させると、電界結合による近距離無線通信(非接触無線通信)が可能となる。電界結合による近距離無線通信については、特許文献1、特許文献2にも開示されており、詳細な説明は割愛する。
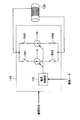
以上、本実施形態に関連する通信装置100および通信装置200の構成について説明した。続いて、本発明の一実施形態にかかる通信装置に組み込まれる磁性制御部の構成について説明する。図3は、本発明の一実施形態にかかる磁気制御部110の構成について説明する説明図である。
磁気制御部110は、通信装置100(または通信装置200)の内部に組み込まれているものであり、例えば図2で示した通信モジュール106の内部に組み込まれていてもよく、通信モジュール106とは別に、通信装置100の内部に組み込まれていてもよい。磁気制御部110は、通信装置100と他の通信装置との間の通信状況に応じて、電磁石120の極性や磁力を制御するものである。磁気制御部110は、電流制御部112と、電流源114、116と、スイッチSW1、SW2、SW3、SW4と、を含んで構成される。
電流制御部112は、通信装置100と他の通信装置との間の通信状況に応じて、電流源114、116から流れる電流の大きさを制御するものである。本実施形態においては、通信装置100と他の通信装置との間の通信レート(通信速度)に応じて電流源114、116から流れる電流の大きさを制御する。通信装置100と他の通信装置との間の通信レートが大きくなれば(通信速度が速くなれば)、通信装置100と他の通信装置との間は密接に近接していると判断し、電流源114、116から流れる電流を小さくする。一方、通信装置100と他の通信装置との間の通信レートが小さくなれば(通信速度が遅くなれば)、通信装置100と他の通信装置との間は間隔が開いていると判断し、通信装置100と他の通信装置とを密接に近接させるように、電流源114、116から流れる電流を大きくする。
電流源114、116は、電磁石120にそれぞれ直流の電流を流して、電磁石120から磁界を発生させるものである。電流源114、116からの電流が電磁石120に流れることによって、電流の向き及び電流量に応じた磁界が電磁石120から発生する。電磁石120から発生する磁界の向きおよび強度は、電流制御部112やスイッチSW1〜SW4で制御することで変化させることができる。
スイッチSW1〜SW4は、電磁石120に供給する電流の向きを制御するものである。図3に示したように、スイッチSW1、SW2を接続すると、電流源114から発生した電流が電磁石120に供給され、スイッチSW3、SW4を接続すると、電流源116から発生した電流が電磁石120に供給される。
本実施形態では、スイッチSW1、SW2を接続して、電流源114から発生した電流が電磁石120に供給されることで、電界カプラ102の表面側がN極となるような磁界が電磁石120から発生するものとする。また、スイッチSW3、SW4を接続して、電流源116から発生した電流が電磁石120に供給されることで、電界カプラ102の表面側がS極となるような磁界が電磁石120から発生するものとする。
電磁石120は、本発明の磁石の一例であり、鉄芯に巻きつけられた電流を流すことによって、鉄芯から磁界を発生させるものである。図4Aおよび図4Bは、電磁石と電流の向きとの関係を概略的に示す説明図である。図4Aでは右ネジの法則により、図示したようにN極とS極が現れる。そして、電流の向きを図4Aの場合と逆向きにした図4Bの場合では、図示したようにN極とS極が現れる。
電磁石は、2つの通信装置のそれぞれに設けられる。このように、電流が流れる方向を切り換えることによって、電界カプラの表面側(他の通信装置を近接させる面)におけるN極とS極の位置を変えることで、お互いの電磁石が引き合ったり、反発し合ったりするようになる。そして、通信状況の変化に応じて電磁石の極性を変化させることで、通信レートの低下や通信の終了を磁気的挙動によって把握することが可能となる。なお、以下の説明では、単に「N極」「S極」と言う場合には、電界カプラの表面側における極性を指すものとする。
例えば、図1に示した通信機器10及び携帯機器20の両方に、また図2に示した通信装置100及び通信装置200の両方に、電磁石が設けられる。なお、1つの通信装置に設けられる電磁石の数は、1つであってもよく、複数であってもよい。また、電磁石が発生する磁力は電界結合による近距離無線通信に影響を及ぼさない程度の大きさ以下であることが望ましい。
図5及び図6は、電磁石の配置位置の一例を示す説明図である。図5では、通信装置100に設けられた電界カプラ102の近傍に電磁石を配した場合の一例を示したものである。また、図6は、通信装置100に電界カプラ102が複数設けられている場合に、それぞれの電界カプラ102の近傍に電磁石を配した場合の一例を示したものである。
なお、図5及び図6では、電界カプラ102の近傍に電磁石を配した場合について図示したが、通信装置100に近接させて近距離無線通信を行う通信装置(例えば、図2に示した通信装置200。以後の説明では、通信装置100に通信装置200を近接させて、電界結合による近距離無線通信を行うものとして説明する)に内蔵された電界カプラの近傍にも、図5及び図6と同様に電磁石が配される。
まず、図5に示した電磁石の配置位置の一例について説明する。図5では、正方形の形状を有する電界カプラ102の各辺の近傍(図中のAの位置)に、それぞれ電磁石を配した場合について示したものである。そして、通信装置100の電磁石と通信装置200の電磁石とが近接するように、通信装置100の電界カプラ102に通信装置200の電界カプラを近づける。すると、それぞれの電磁石の極性に応じて、通信装置100の電磁石と通信装置200の電磁石とが、反発し合ったり、引き合ったりするようになる。
例えば、通信装置100と通信装置200とが近距離無線通信を行っている間は、電界カプラ102と電界カプラ202とをより近接させるために、通信装置100の電磁石と通信装置200の電磁石とが異なる極性になるように磁気制御部110を制御する。また、電界カプラ102と電界カプラ202とをより近接させるために、通信装置100の電磁石の磁力を変化させる。
そして、通信装置100と通信装置200との間の近距離無線通信が完了すると、電界カプラ102と電界カプラ202とを遠ざけるために、通信装置100の電磁石と通信装置200の電磁石とが同じ極性になるように磁気制御部110を制御する。
次に、図6に示した電磁石の配置位置の一例について説明する。図6では、正方形の形状を有する複数の電界カプラ102の各辺の近傍(図中のAの位置)及び周縁部(図中のBの位置)に、それぞれ電磁石を配した場合について示したものである。そして、通信装置100の電磁石と通信装置200の電磁石とが近接するように、通信装置100の電界カプラ102のいずれかに通信装置200の電界カプラを近づける。すると、それぞれの電磁石の極性に応じて、通信装置100の電磁石と通信装置200の電磁石とが、反発し合ったり、引き合ったりするようになる。
例えば、通信装置100と通信装置200とが近距離無線通信を行っている間は、いずれかの電界カプラ102と電界カプラ202とをより近接させるために、図中のAの位置に配された通信装置100の電磁石と、通信装置200の電磁石とが異なる極性になるように磁気制御部110を制御する。また、電界カプラ102と電界カプラ202とをより近接させるために、通信装置100の電磁石の磁力を変化させる。
そして、通信装置100と通信装置200との間の近距離無線通信が完了すると、電界カプラ102と電界カプラ202とを遠ざけるために、図中のAの位置に配された通信装置100の電磁石と、通信装置100の電磁石と通信装置200の電磁石とが同じ極性になるように、また、図中のBの位置に配された通信装置100の電磁石と、通信装置200の電磁石とが異なる極性になるように磁気制御部110を制御する。
このように、通信状況に応じて磁気制御部110で電磁石の極性や磁力を変えることで、磁気的挙動によって通信状況の変化を把握することが可能となる。
なお、通信装置100と通信装置200とで電磁石の位置を合わせるために、例えば通信装置100及び通信装置200の通信面に位置合わせのための印を付けておくようにしてもよい。
なお、本発明においては、電界カプラの形状、電磁石の数、電磁石の配置位置については、かかる例に限定されないことは言うまでも無い。また、上記説明では、通信装置100に通信装置200を近接させた場合に、通信装置100の磁気制御部110を制御することで電磁石の極性や磁力を変化させていたが、通信装置200にも同様に磁気制御部を設けて、通信装置200側から電磁石の極性や磁力を変化させてもよい。
以上、本発明の一実施形態にかかる磁気制御部110の構成について説明した。次に、本発明の一実施形態にかかる磁気制御部110の動作について説明する。
上述したように、本発明の一実施形態にかかる磁気制御部110は、2つの通信装置間(例えば、図2に示した通信装置100及び通信装置200)で行われる近距離無線通信の通信状況に応じて、電磁石120の極性や磁力を制御するものである。従って、通信装置100と通信装置200との間で行われる近距離無線通信の際に、2つの通信装置間でやり取りされる情報に基づいて、本発明の一実施形態にかかる磁気制御部110の動作が制御されることになる。
図7は、本発明の一実施形態にかかる磁気制御部110の動作について説明する流れ図である。以下、図7を用いて本発明の一実施形態にかかる磁気制御部110の動作について説明する。また、以下の説明では、通信装置200をイニシエータ、通信装置100をレスポンダとした場合にについて説明する。
通信装置100が近距離無線通信を行っていない時点においては、図3に示したスイッチSW1〜SW4は、全てオフの状態にしておく(ステップS102)。従って、ステップS102の時点では、電磁石120には電流源114、116から電流が供給されないので、電磁石120からは磁界が発生していないことになる。この状態において、磁気制御部110は、通信装置200の近接による近距離無線通信の開始を外部から(例えば通信モジュール106から)通知されたかどうかを判定する(ステップS104)。
近距離無線通信の開始は、例えば、通信装置200が通信装置100に接続確立要求を送信してきたか否かによって判断してもよく、通信装置100が通信装置200に対して接続確立要求に対する応答信号を送信したか否かによって判断してもよい。
通信装置200が送信してきた接続確立要求を電界カプラ102で受信すると、通信モジュール106で応答信号を生成して、通信装置100から通信装置200に向けて、生成された応答信号を送信する。この応答信号の送信によって、通信装置100と通信装置200との間の接続が確立され、データの送受信が可能となる。
この場合に、通信装置200が送信してきた接続確立要求を通信モジュール106で受信したことを条件として近距離無線通信が開始されたと判断してもよい。また、通信装置100から通信装置200に向けて応答信号の送信が行われたことを条件として近距離無線通信が開始されたと判断してもよい。また、通信装置100から通信装置200に向けて送信された応答信号に対する通信装置200からの応答を、通信装置100で受信したことを条件として近距離無線通信が開始されたものと判断してもよい。
上記ステップS104における判定の結果、近距離無線通信が開始されていないと判定した場合には、上記ステップS102に戻って、スイッチSW1〜SW4をオフしたままの状態を維持する。一方、上記ステップS104における判定の結果、近距離無線通信が開始されたと判定した場合にはスイッチをオンして電磁石120に電流を流す(ステップS106)。
スイッチSW1〜SW4の内、どのスイッチをオンするかは設計や設定によって異なる。本実施形態では、上述したように、スイッチSW1、SW2を接続すると電界カプラ102の表面側がN極となるように、また、スイッチSW3、SW4を接続すると電界カプラ102の表面側がS極となるように、電磁石120を構成している。一例を挙げて説明すると、近距離無線通信が行われている間は、イニシエータ側をN極、レスポンダ側をS極にとするという取り決めを定めた場合には、スイッチSW3、SW4を接続して電流源116からの電流を電磁石に供給することで、レスポンダ側が(すなわち通信装置100が)S極となることができる。
上記ステップS106でスイッチがオンされて、電磁石120に電流が流れると、通信装置100と通信装置200との間の近距離無線通信の状況に応じて、電磁石120の磁力を磁気制御部110で制御する(ステップS108)。
磁気制御部110における電磁石120の磁力の制御について一例を挙げて説明する。図8は、本発明の一実施形態にかかる磁気制御部110における電磁石120の磁力の制御について説明する説明図である。
図8は、通信レートと磁力の関係の一例を時系列で表したものである。図8では、通信レートをA〜Eの5段階に分け、AからEの順に通信レートが低くなる(通信速度が遅くなる)ことを示している。例えば、通信モジュール106(または通信モジュール206)において通信速度を計測し、計測した結果得られた通信レートを磁気制御部110が受け取ることで、電流源114、116から流れる電流量を調節して、電磁石120の磁力を制御することができる。
通信レートと通信速度との関係は任意に定めることができる。例えば、通信速度が300Mbpsの場合の通信レートをAとして、その半分まで通信速度が低下した場合の通信レートをB、またその半分まで通信速度が低下した場合の通信レートをC、・・・という風に通信レートを定めてもよい。また例えば、通信速度が300Mbpsの場合の通信レートをAとして、200Mbpsまで通信速度が低下した場合の通信レートをB、100Mbpsまで通信速度が低下した場合の通信レートをC、50Mbpsまで通信速度が低下した場合の通信レートをD、・・・というように通信レートを定めてもよい。もちろん、通信速度と通信レートとの関係はかかる例に限られるものではなく、任意に設定することができることは言うまでも無い。
通信レートの情報は、通信装置100と通信装置200との間の接続が確立している間に、データの送信と併せて常に通信装置100と通信装置200との間でやり取りしていてもよく、データ送信後の応答信号が到達するまでの空き時間を利用して通信装置100と通信装置200との間でやり取りしてもよい。
そして、図8には、イニシエータおよびレスポンダにおける、電磁石の極性および強度も併せて示している。通信装置100と通信装置200とが接続状態にある場合には、イニシエータとレスポンダで反対の極となるように電磁石の極性を制御する。そして、本実施形態においては、通信装置100と通信装置200とが接続状態にある場合に、電磁石に常に電流を流し続けるのではなく、データの送受信に電磁石からの磁界が影響を与えないように、データの送受信を行っていないときにだけ電流を流している。
そして、図8では、通信レートの変化に応じて電磁石の磁力の強さを変化させている様子も併せて示している。通信レートが高い場合、すなわち通信速度が速い場合には、通信装置100と通信装置200とが密接している状態にあると考えられる。そこで、電磁石の磁力が弱くなるように磁気制御部110で制御している。
ここで、通信装置100と通信装置200との間の通信速度が速い場合に、電磁石の磁力が弱くなるように磁気制御部110で制御する理由を以下に例示する。例えば、通信装置100と通信装置200とは非接触通信を行うことができるので、通信装置100と通信装置200とを近接して密着させなくても、通信装置100と通信装置200との間の通信が可能である。従って、通信装置100と通信装置200とが非接触通信を行っている際に、通信装置100と通信装置200とが必要以上に密着することを避けるためである。かかる場合には、通信装置100と通信装置200とが必要以上に密着しなくなるように磁界を弱めることが望ましい。
また例えば、通信装置100と通信装置200とが非接触通信を行っている際に、通信装置100と通信装置200とが密着して装置同士が擦れてしまうことで、装置の表面に微細な傷が出来てしまうのを避けるためである。かかる場合には、通信装置100と通信装置200とが密着して装置同士が擦れてしまうことを防ぐために、磁界を弱めて、なるべく装置間の距離を取るようにすることが望ましい。
また、通信装置100と通信装置200との間の静磁界が非接触通信に影響を与えてしまっては意味が無い。従って、上記の理由以外に、通信装置100と通信装置200との間の静磁界が非接触通信に影響を及ぼす可能性を考慮して、高速で非接触通信を行う際には磁界を弱めておくという観点から、磁気制御部110において電磁石120の磁力を制御できるようにすることが望ましい。
そして、通信レートが低くなると、すなわち通信速度が遅くなると、通信装置100と通信装置200とが密接しなくなっていると考えられるので、通信装置100と通信装置200とをより密接させるために。電磁石の磁力が強くなるように磁気制御部110で制御している。
上記ステップS108で、通信装置100と通信装置200との間の近距離無線通信の状況に応じて、電磁石120の磁力を磁気制御部110で制御しているときに、通信装置100と通信装置200との間の近距離無線通信の終了の通知を磁気制御部110が受けたかどうか判定する(ステップS110)。
上記ステップS110において、通信装置100と通信装置200との間の近距離無線通信の終了の通知を磁気制御部110が受けていないと判定した場合には、上記ステップS108に戻って電磁石120の磁力の制御を継続する。一方、通信装置100と通信装置200との間の近距離無線通信の終了の通知を磁気制御部110が受けたと判定した場合には、スイッチを切り換えて、電磁石120の極性を反転させる(ステップS112)。
本実施形態においては、通信装置100と通信装置200とが接続状態にある場合には、イニシエータである通信装置200の、電界カプラ202の表面側がN極となるように、また、レスポンダである通信装置100の、電界カプラ102の表面側がS極となるように電磁石の極性を制御している。そして、通信装置100と通信装置200との間の近距離無線通信の終了が完了すると、レスポンダである通信装置100が電磁石の極性を反転させて、通信装置100、200ともに電磁石の極性がN極となる。
本実施形態では、通信装置100の電磁石120の極性を反転させるために、スイッチSW3、SW4の接続を遮断し、スイッチSW1、SW2を接続する。スイッチSW3、SW4の接続を遮断し、スイッチSW1、SW2を接続することで、電磁石120に流れる電流の向きが逆になり、通信装置100の電磁石120の極性をN極に切り換えることができる。
すると、同じ極同士の電磁石が反発し合うので、この磁気的挙動によって通信の完了を把握することができる。通信装置100が据え置き型の装置であり、通信装置200を手持ちして通信装置100にかざすことによって、通信装置100と通信装置200との間で近距離無線通信を行う場合には、通信が完了すると、同じ極同士の電磁石が反発し合う磁気的挙動を手で感じることができる。
なお、本発明では、通信装置200へのデータの送信が完了したと判断した時点で、通信装置200に内蔵された電磁石と同じ極性を有するように電磁石120の極性を反転させてもよく、通信装置200からのデータの受信が完了したと判断した時点で、通信装置200に内蔵された電磁石と同じ極性を有するように電磁石120の極性を反転させてもよい。
上記ステップS112において電磁石120の極性を反転させると、続いて、極性を反転させてから一定時間が経過したかどうかを磁気制御部110で判定する(ステップS114)。ステップS114での判定の結果、極性を反転させてからまだ一定時間が経過していないと判定した場合には、極性を反転させた状態を維持する。一方、極性を反転させてから一定時間が経過したと判定した場合には、スイッチをオフして電磁石120への電流の供給を止める(ステップS116)。
図8には、上記ステップS112における電磁石120の極性の反転と、上記ステップS116における一定時間経過後の電磁石120への電流の供給の停止について示している。通信が終了した時点で、レスポンダである通信装置100が電磁石120の極性を反転させて、一定時間が経過した後に、電磁石120への電流の供給を停止することで磁力が無くなった様子を、図8では示している。
以上、図7を用いて本発明の一実施形態にかかる磁気制御部110の動作について説明した。なお、上述の説明においては、磁力の強弱の設定を、通信装置間の距離に応じて単純に増減していたが、本発明は係る例に限定されない。例えば、通信レートがCである場合に磁力を最も弱くして、通信レートがBまたはDである場合に、通信レートがCである場合と比較して磁力を多少強くし、通信レートがAまたはEである場合に磁力を最も強くするように設定してもよい。また例えば、通信レートがBまたはDである場合に磁力を最も弱くして、通信レートがA、CまたはEである場合に磁力を最も強くするように設定してもよい。もちろん、本発明においては上記以外のその他のパターンについても設定可能である。
以上説明したように、本発明の一実施形態によれば、2つの通信装置間で電界結合によって近距離無線通信を行う場合に、各通信装置に電磁石を設けておき、通信状況に応じて他方の、または両方の電磁石の磁力や極性を変化させることで、磁気的挙動によって通信状況を把握することが可能となる。
なお、本実施形態においては、2つの通信装置間で電界結合によって近距離無線通信を行う場合を例に挙げて説明したが、本発明は係る例に限定されず、2つの通信装置間で磁界結合によって通信する場合においても本発明を適用可能である。
また、上述した磁気制御部110の動作は、通信装置100の内部に(例えばROM、EEPROM等に)コンピュータプログラムを格納し、当該コンピュータプログラムを、例えばコントローラ136が順次読み出して実行することによって行われるようにしてもよい。
以上、添付図面を参照しながら本発明の好適な実施形態について説明したが、本発明は係る例に限定されないことは言うまでもない。当業者であれば、特許請求の範囲に記載された範疇内において、各種の変更例または修正例に想到し得ることは明らかであり、それらについても当然に本発明の技術的範囲に属するものと了解される。
例えば、上記実施形態では、通信装置100と通信装置200との間の近距離無線通信が開始された時点でスイッチをオンし、電磁石120に電流を流して、電磁石120から磁界を発生させたが、本発明はかかる例に限定されない。例えば、通信装置100と通信装置200との間の近距離無線通信が開始されてから所定の時間が経過した時点で、電磁石120に電流を流すためにスイッチをオンしてもよい。また例えば、通信装置100と通信装置200との間の近距離無線通信が開始され、通信装置100と通信装置200との間でデータの送受信が行われている最中に、電磁石120に電流を流すためにスイッチをオンしてもよい。
また、例えば、上記実施形態では、イニシエータ側をN極、レスポンダ側をS極にとするという取り決めを定めた場合について説明したが、本発明は係る例に限定されない。例えば、他の通信装置との通信開始時に電界カプラで受信した極性決定情報に基づいて電磁石の極性を決定してもよい。
例えば、上記実施形態でレスポンダとしての通信装置100とイニシエータとしての通信装置200とが近距離無線通信を行う場合を考える。通信装置200が通信装置100に接続開始要求を送信する際に、併せて通信装置100に組み込まれた電磁石120の極性を明示的に指定するために極性決定情報を送信してもよい。極性決定情報を受信した通信装置100は、磁気制御部110によって電磁石120の極性を決定することができる。
本発明は、通信装置、通信システム、通信方法及びコンピュータプログラムに適用可能であり、特に電界結合または磁界結合により通信を行う通信装置、通信システム、通信方法及びコンピュータプログラムに適用可能である。
本発明の一実施形態にかかる通信システムを示した説明図である。 本実施形態に関連する通信装置100および通信装置200の構成を示す説明図である。 本発明の一実施形態にかかる磁気制御部110の構成について説明する説明図である。 電磁石と電流の向きとの関係を概略的に示す説明図である。 電磁石と電流の向きとの関係を概略的に示す説明図である。 電磁石の配置位置の一例を示す説明図である。 電磁石の配置位置の一例を示す説明図である。 本発明の一実施形態にかかる磁気制御部110の動作について説明する流れ図である。 本発明の一実施形態にかかる磁気制御部110における電磁石120の磁力の制御について説明する説明図である。
符号の説明
100 通信装置
102 電界カプラ
104 セレクタ
106 通信モジュール
110 磁気制御部
112 電流制御部
114、116 電流源
120 電磁石
SW1、SW2、SW3、SW4 スイッチ

Claims (13)

  1. 電界結合または磁界結合により他の通信装置との間の通信を行う通信部と、
    前記通信部の近傍に配される少なくとも1つの磁石と、
    前記通信部と前記他の通信装置と間の通信状況に応じて前記磁石の極性及び磁力を制御する磁気制御部と、
    を含む、通信装置。
  2. 前記磁気制御部は、前記他の通信装置との通信が完了し、自らが他の通信装置との間の接続の確立を解放する側である場合に、他の通信装置に内蔵された磁石の極性と一致するように前記磁石の極性を反転させる、請求項1に記載の通信装置。
  3. 前記磁気制御部は、前記他の通信装置へのデータの送信が完了したと判断した場合に、他の通信装置に内蔵された磁石の極性と一致するように前記磁石の極性を反転させる、請求項1に記載の通信装置。
  4. 前記磁気制御部は、前記他の通信装置からのデータの受信が完了したと判断した場合に、他の通信装置に内蔵された磁石の極性と一致するように前記磁石の極性を反転させる、請求項1に記載の通信装置。
  5. 前記磁気制御部は、前記他の通信装置との接続が確立された時点で、他の通信装置に内蔵された磁石の極性と逆の極性を有するように前記磁石から磁界が発生するよう制御する、請求項1に記載の通信装置。
  6. 前記磁気制御部は、前記他の通信装置との間でデータの送受信が行われている間に、他の通信装置に内蔵された磁石の極性と逆の極性を有するように前記磁石から磁界が発生するよう制御する、請求項1に記載の通信装置。
  7. 前記磁気制御部は、前記他の通信装置との接続が確立されてから一定時間経過後に、他の通信装置に内蔵された磁石の極性と逆の極性を有するように前記磁石から磁界が発生するよう制御する、請求項1に記載の通信装置。
  8. 前記磁気制御部は、前記他の通信装置と通信中に、他の通信装置との間の通信レートの変化に応じて前記磁石の磁力を制御する、請求項1に記載の通信装置。
  9. 前記磁気制御部は、前記他の通信装置との間の通信レートの変化に反比例するように前記磁石の磁力を制御する、請求項8に記載の通信装置。
  10. 前記磁気制御部は、前記通信部が前記他の通信装置との接続を確立する際に前記他の通信装置から受信した極性決定情報に基づいて前記磁石の極性を制御する、請求項1に記載の通信装置。
  11. 電界結合または磁界結合により通信を行う通信部を有する第1の通信装置と、
    電界結合または磁界結合により通信を行う通信部を有する第2の通信装置と、
    を備え、
    前記第1の通信装置または前記第2の通信装置の少なくともいずれか一方に、
    前記通信部の近傍に配される少なくとも1つの磁石と、
    前記通信部の通信状況に応じて前記磁石の極性及び磁力を制御する磁気制御部と、
    を含む、通信システム。
  12. 電界結合または磁界結合により他の通信装置との間の通信を通信部に行わせる通信ステップと、
    前記通信部の近傍に配される少なくとも1つの磁石の極性及び磁力を、前記通信部と前記他の通信装置との通信状況に応じて制御する磁気制御ステップと、
    を含む、通信方法。
  13. コンピュータに、
    電界結合または磁界結合により他の通信装置との間の通信を通信部に行わせる通信ステップと、
    前記通信部の近傍に配される少なくとも1つの磁石の極性及び磁力を、前記通信部と前記他の通信装置との通信状況に応じて制御する磁気制御ステップと、
    を実行させる、コンピュータプログラム。
JP2008164508A 2008-06-24 2008-06-24 通信装置、通信方法、通信システム及びコンピュータプログラム Expired - Fee Related JP4650524B2 (ja)

Priority Applications (2)

Application Number Priority Date Filing Date Title
JP2008164508A JP4650524B2 (ja) 2008-06-24 2008-06-24 通信装置、通信方法、通信システム及びコンピュータプログラム
US12/489,732 US20090318080A1 (en) 2008-06-24 2009-06-23 Communication Apparatus, Communication Method, Communication System, and Computer Program

Applications Claiming Priority (1)

Application Number Priority Date Filing Date Title
JP2008164508A JP4650524B2 (ja) 2008-06-24 2008-06-24 通信装置、通信方法、通信システム及びコンピュータプログラム

Publications (2)

Publication Number Publication Date
JP2010010763A true JP2010010763A (ja) 2010-01-14
JP4650524B2 JP4650524B2 (ja) 2011-03-16

Family

ID=41431738

Family Applications (1)

Application Number Title Priority Date Filing Date
JP2008164508A Expired - Fee Related JP4650524B2 (ja) 2008-06-24 2008-06-24 通信装置、通信方法、通信システム及びコンピュータプログラム

Country Status (2)

Country Link
US (1) US20090318080A1 (ja)
JP (1) JP4650524B2 (ja)

Cited By (1)

* Cited by examiner, † Cited by third party
Publication number Priority date Publication date Assignee Title
WO2015025619A1 (ja) * 2013-08-20 2015-02-26 ソニー株式会社 端末装置、プログラム及び情報処理装置

Families Citing this family (1)

* Cited by examiner, † Cited by third party
Publication number Priority date Publication date Assignee Title
KR20170019995A (ko) * 2015-08-13 2017-02-22 삼성전자주식회사 전자 장치와 탈부착 가능한 전자 장치를 동작시키는 방법 및 장치

Citations (4)

* Cited by examiner, † Cited by third party
Publication number Priority date Publication date Assignee Title
JPH07192102A (ja) * 1993-10-01 1995-07-28 Hitachi Maxell Ltd 可搬情報記録媒体及びそれを用いたデータ伝送装置
JPH07295939A (ja) * 1994-04-21 1995-11-10 Casio Comput Co Ltd 電子機器の位置決め装置
JP2002123804A (ja) * 2000-10-16 2002-04-26 Hitachi Ltd 無線を介して質問・応答を行う近接交信システム、情報保持装置および質問装置
WO2005094046A1 (ja) * 2004-03-29 2005-10-06 Pioneer Corporation 無線通信システム、固定情報装置、携帯端末装置

Family Cites Families (15)

* Cited by examiner, † Cited by third party
Publication number Priority date Publication date Assignee Title
EP0762410A4 (en) * 1994-05-10 1998-01-07 Hitachi Maxell MAGNETO-OPTICAL RECORDING MEDIUM, RECORDING AND REPRODUCING METHOD AND APPARATUS
US6711385B1 (en) * 2000-07-06 2004-03-23 Satius, Inc. Coupler for wireless communications
US6646555B1 (en) * 2000-07-18 2003-11-11 Marconi Communications Inc. Wireless communication device attachment and detachment device and method
CN1682495B (zh) * 2002-07-18 2010-04-28 株式会社Ntt都科摩 通信单元,通信设施,管理设施,通信系统和电场通信装置
US7748636B2 (en) * 2004-11-16 2010-07-06 Dpd Patent Trust Ltd. Portable identity card reader system for physical and logical access
US7581678B2 (en) * 2005-02-22 2009-09-01 Tyfone, Inc. Electronic transaction card
US20090011706A1 (en) * 2006-05-23 2009-01-08 Innovision Research & Technology Plc Near field RF communicators and near field communications-enabled devices
JP4893483B2 (ja) * 2006-09-11 2012-03-07 ソニー株式会社 通信システム
JP4345851B2 (ja) * 2006-09-11 2009-10-14 ソニー株式会社 通信システム並びに通信装置
US8041227B2 (en) * 2006-11-16 2011-10-18 Silicon Laboratories Inc. Apparatus and method for near-field communication
JP4666003B2 (ja) * 2008-05-23 2011-04-06 ソニー株式会社 通信装置、通信システム、通信方法及びプログラム
JP4877283B2 (ja) * 2008-06-17 2012-02-15 ソニー株式会社 通信装置、通信システム、通信方法、プログラム
JP4405570B1 (ja) * 2008-08-06 2010-01-27 株式会社東芝 電子機器、固定制御方法
US9769300B2 (en) * 2009-09-24 2017-09-19 Blackberry Limited System and associated NFC tag using plurality of NFC tags associated with location or devices to communicate with communications device
KR20120129488A (ko) * 2011-05-20 2012-11-28 (주)에스피에스 마그네틱 커넥팅 장치

Patent Citations (4)

* Cited by examiner, † Cited by third party
Publication number Priority date Publication date Assignee Title
JPH07192102A (ja) * 1993-10-01 1995-07-28 Hitachi Maxell Ltd 可搬情報記録媒体及びそれを用いたデータ伝送装置
JPH07295939A (ja) * 1994-04-21 1995-11-10 Casio Comput Co Ltd 電子機器の位置決め装置
JP2002123804A (ja) * 2000-10-16 2002-04-26 Hitachi Ltd 無線を介して質問・応答を行う近接交信システム、情報保持装置および質問装置
WO2005094046A1 (ja) * 2004-03-29 2005-10-06 Pioneer Corporation 無線通信システム、固定情報装置、携帯端末装置

Cited By (3)

* Cited by examiner, † Cited by third party
Publication number Priority date Publication date Assignee Title
WO2015025619A1 (ja) * 2013-08-20 2015-02-26 ソニー株式会社 端末装置、プログラム及び情報処理装置
JPWO2015025619A1 (ja) * 2013-08-20 2017-03-02 ソニー株式会社 端末装置、プログラム及び情報処理装置
US10348598B2 (en) 2013-08-20 2019-07-09 Sony Corporation Information processing to control polling for short range wireless communication

Also Published As

Publication number Publication date
US20090318080A1 (en) 2009-12-24
JP4650524B2 (ja) 2011-03-16

Similar Documents

Publication Publication Date Title
JP5304513B2 (ja) 通信装置、通信方式の判別方法、及びプログラム
JP4092692B2 (ja) 通信システム、通信装置および通信方法、並びにプログラム
CN1578185B (zh) 通信装置
US9148190B1 (en) Multipurpose coils
CN116015364B (zh) 磁通信方法、装置和存储介质
JP2009272874A (ja) 通信装置、通信方法、プログラム、および通信システム
CN109121446A (zh) 电力传送装置、电力接收装置、控制方法和程序
CN104737459A (zh) 近场通信中使用负载调制的设备检测
JP2008160856A (ja) 通信システム、通信装置および通信方法、並びにプログラム
CN103875157B (zh) 移动终端、电力传输系统和计算机可读存储介质
CN108712181A (zh) 电子设备
KR20120087835A (ko) 수전 장치, 급전 시스템 및 급전 방법
CN1937455A (zh) 通信系统、通信设备、通知方法、记录介质和程序
JP4849129B2 (ja) 通信装置、通信方法、プログラムおよび通信システム
KR20100024366A (ko) 통신 장치, 통신 시스템, 통신 방법 및 프로그램
JP4591535B2 (ja) 通信装置、通信方法、プログラム、および通信システム
JP2014006867A (ja) 無線通信装置及び無線通信システム
JP4650524B2 (ja) 通信装置、通信方法、通信システム及びコンピュータプログラム
JP2009284029A (ja) 通信装置、通信システム、通信方法及びプログラム
CN206807787U (zh) 一种面向智能手机的接近关系检测装置
JP4666003B2 (ja) 通信装置、通信システム、通信方法及びプログラム
US7825772B2 (en) Portable electronic apparatus and communication control method
JP6272992B2 (ja) アンテナ装置および端末
JP4586886B2 (ja) 通信装置、通信システム、通信方法及びプログラム
JP4877283B2 (ja) 通信装置、通信システム、通信方法、プログラム

Legal Events

Date Code Title Description
A977 Report on retrieval

Free format text: JAPANESE INTERMEDIATE CODE: A971007

Effective date: 20100414

A131 Notification of reasons for refusal

Free format text: JAPANESE INTERMEDIATE CODE: A131

Effective date: 20100420

A521 Request for written amendment filed

Free format text: JAPANESE INTERMEDIATE CODE: A523

Effective date: 20100621

A02 Decision of refusal

Free format text: JAPANESE INTERMEDIATE CODE: A02

Effective date: 20100817

A521 Request for written amendment filed

Free format text: JAPANESE INTERMEDIATE CODE: A523

Effective date: 20101012

A911 Transfer to examiner for re-examination before appeal (zenchi)

Free format text: JAPANESE INTERMEDIATE CODE: A911

Effective date: 20101027

TRDD Decision of grant or rejection written
A01 Written decision to grant a patent or to grant a registration (utility model)

Free format text: JAPANESE INTERMEDIATE CODE: A01

Effective date: 20101116

A01 Written decision to grant a patent or to grant a registration (utility model)

Free format text: JAPANESE INTERMEDIATE CODE: A01

A61 First payment of annual fees (during grant procedure)

Free format text: JAPANESE INTERMEDIATE CODE: A61

Effective date: 20101129

R151 Written notification of patent or utility model registration

Ref document number: 4650524

Country of ref document: JP

Free format text: JAPANESE INTERMEDIATE CODE: R151

FPAY Renewal fee payment (event date is renewal date of database)

Free format text: PAYMENT UNTIL: 20131224

Year of fee payment: 3

R250 Receipt of annual fees

Free format text: JAPANESE INTERMEDIATE CODE: R250

R250 Receipt of annual fees

Free format text: JAPANESE INTERMEDIATE CODE: R250

R250 Receipt of annual fees

Free format text: JAPANESE INTERMEDIATE CODE: R250

R250 Receipt of annual fees

Free format text: JAPANESE INTERMEDIATE CODE: R250

R250 Receipt of annual fees

Free format text: JAPANESE INTERMEDIATE CODE: R250

R250 Receipt of annual fees

Free format text: JAPANESE INTERMEDIATE CODE: R250

LAPS Cancellation because of no payment of annual fees