JP2007069055A - 吸着材を組み合わせた有機塩素化合物の分離方法 - Google Patents
吸着材を組み合わせた有機塩素化合物の分離方法 Download PDFInfo
- Publication number
- JP2007069055A JP2007069055A JP2005255477A JP2005255477A JP2007069055A JP 2007069055 A JP2007069055 A JP 2007069055A JP 2005255477 A JP2005255477 A JP 2005255477A JP 2005255477 A JP2005255477 A JP 2005255477A JP 2007069055 A JP2007069055 A JP 2007069055A
- Authority
- JP
- Japan
- Prior art keywords
- activated carbon
- exchange resin
- ion exchange
- organic chlorine
- pcb
- Prior art date
- Legal status (The legal status is an assumption and is not a legal conclusion. Google has not performed a legal analysis and makes no representation as to the accuracy of the status listed.)
- Pending
Links
Images
Landscapes
- Solid-Sorbent Or Filter-Aiding Compositions (AREA)
- Other Investigation Or Analysis Of Materials By Electrical Means (AREA)
- Treatment Of Liquids With Adsorbents In General (AREA)
- Treatment Of Water By Ion Exchange (AREA)
- Water Treatment By Sorption (AREA)
Abstract
【課題】 多種異性体が混在するPCB等の有機塩素化合物を、検体中から迅速に分離することが可能となる、有機塩素化合物の分離方法を提供すること。
【解決手段】 多種異性体が混在するPCB等の有機塩素化合物を、低塩素化PCBの吸着能に優れる活性炭もしくはアルカリ改質活性炭に接触させる工程と、高塩素化PCBの吸着能に優れるイオン交換樹脂に接触させる工程とを設け、吸着特性の異なる2種の吸着材を使用して有機塩素化合物を分離する。
【選択図】 なし
【解決手段】 多種異性体が混在するPCB等の有機塩素化合物を、低塩素化PCBの吸着能に優れる活性炭もしくはアルカリ改質活性炭に接触させる工程と、高塩素化PCBの吸着能に優れるイオン交換樹脂に接触させる工程とを設け、吸着特性の異なる2種の吸着材を使用して有機塩素化合物を分離する。
【選択図】 なし
Description
本発明は、吸着材を組み合わせることにより、ポリ塩化ビフェニールなどの有機塩素化合物を検体中から迅速に分離することが可能となる有機塩素化合物の分離方法に関する。
各種有機塩素化合物のなかでも、ポリ塩化ビフェニル(PCB)は人体を含む生体に極めて有害であることから、1973年に特定化学物質に指定され、その製造、輸入、使用が禁止されている。PCBはビフェニル骨格に塩素が1〜10個置換したものであり、置換塩素の数や位置によって理論的に209種類の異性体が存在し、市販品において100を越える異性体が確認されている。PCBは、残留性有機汚染物質の一つであって、環境中で分解されにくく、油溶性で生物濃縮率が高く、さらに半揮発性で大気経由の移動が可能であるという性質を持つ。
そのため、特許文献1には、ガス中の有機ハロゲン化合物の吸着手段として、活性炭、シリカゲル、ゼオライト、イオン交換樹脂等を用いることが開示されている。
また、特許文献2には、油中の有機塩素化合物を、活性炭をアミン化合物で処理してなるアルカリ改質活性炭により吸着処理する方法が開示されている。
しかしながら、活性炭やアルカリ改質活性炭は低塩素化PCBは吸着されるが、高塩素化PCBが吸着されにくいという問題があった。
本発明は、上記の問題点を解決するためになされたものであり、PCBなどの有機塩素化合物を検体中から迅速に分離することが可能となる、有機塩素化合物の分離方法を提供することを課題とする。
本発明は、廃イオン交換樹脂の新規かつ有用な用途について鋭意検討を行う中で、イオン交換樹脂がポリスチレンの架橋構造であることに着目し、迅速分離が困難と言われているPCBの吸着試験に供した。その結果、代表的な吸着材である活性炭は、塩素置換度の低いPCB(低塩素化PCB)の吸着能に優れているのに対し、驚くべきことにイオン交換樹脂は、低塩素化PCBに対する吸着能と同様に、塩素置換度の高いPCB(高塩素化PCB)の吸着能にも優れていることを見出し、本発明に到達した。
すなわち、本発明は、以下の通りである。
1)有機塩素化合物を、活性炭もしくはアルカリ改質活性炭に接触させる工程と、イオン交換樹脂に接触させる工程と、を有することを特徴とする有機塩素化合物の分離方法、
2)有機塩素化合物を含有する溶液を、活性炭もしくはアルカリ改質活性炭を充填したカラム内に流通させた後、イオン交換樹脂を充填したカラム内に流通させるか、又は、イオン交換樹脂を充填したカラム内に流通させた後、活性炭もしくはアルカリ改質活性炭を充填したカラム内に流通させることを特徴とする前記1)に記載の有機塩素化合物の分離方法、
3)前記アルカリ改質活性炭が、活性炭をアミン化合物で処理したものである前記1)又は2)に記載の有機塩素化合物の分離方法、
4)前記イオン交換樹脂が、発電所等の用水処理後の廃イオン交換樹脂である前記1)又は2)に記載の有機塩素化合物の分離方法、
5)前記イオン交換樹脂は、架橋ポリスチレン構造を有するイオン交換樹脂である前記1)〜4)のいずれかに記載の有機塩素化合物の分離方法、及び、
6)前記有機塩素化合物を含有する溶液を構成する溶媒が、炭化水素油、水、及び有機溶媒から選択される一種以上である前記2)〜5)のいずれかに記載の有機塩素化合物の分離方法。
1)有機塩素化合物を、活性炭もしくはアルカリ改質活性炭に接触させる工程と、イオン交換樹脂に接触させる工程と、を有することを特徴とする有機塩素化合物の分離方法、
2)有機塩素化合物を含有する溶液を、活性炭もしくはアルカリ改質活性炭を充填したカラム内に流通させた後、イオン交換樹脂を充填したカラム内に流通させるか、又は、イオン交換樹脂を充填したカラム内に流通させた後、活性炭もしくはアルカリ改質活性炭を充填したカラム内に流通させることを特徴とする前記1)に記載の有機塩素化合物の分離方法、
3)前記アルカリ改質活性炭が、活性炭をアミン化合物で処理したものである前記1)又は2)に記載の有機塩素化合物の分離方法、
4)前記イオン交換樹脂が、発電所等の用水処理後の廃イオン交換樹脂である前記1)又は2)に記載の有機塩素化合物の分離方法、
5)前記イオン交換樹脂は、架橋ポリスチレン構造を有するイオン交換樹脂である前記1)〜4)のいずれかに記載の有機塩素化合物の分離方法、及び、
6)前記有機塩素化合物を含有する溶液を構成する溶媒が、炭化水素油、水、及び有機溶媒から選択される一種以上である前記2)〜5)のいずれかに記載の有機塩素化合物の分離方法。
本発明によれば、低塩素化PCBの吸着能に優れる活性炭もしくはアルカリ改質活性炭と、低塩素化及び高塩素化両方のPCBの吸着能に優れるイオン交換樹脂とを、組み合わせて使用することにより、複数異性体の混合物であるPCBなどの有機塩素化合物を、検体中から低コストで迅速に分離することができる。
本発明による有機塩素化合物の分離方法においては、有機塩素化合物を活性炭もしくはアルカリ改質活性炭に接触させる工程と、有機塩素化合物をイオン交換樹脂に接触させる工程とを有していれば良く、接触順序は限定されない。しかし、低塩素化PCBが多いときには、活性炭で充分に吸着させたのち、イオン交換樹脂に接触させるのが効率的である。また、活性炭とイオン交換樹脂を混合して同時に接触させることもできるが、吸着後の処理などを考慮すれば、別工程である方が望ましい。
上記のアルカリ改質活性炭は、活性炭をアルカリ化合物で処理したものであり、例えば、特開2005−111387号公報に開示されている、活性炭をアミン化合物で処理してなる改質活性炭などが挙げられる。
また、上記のイオン交換樹脂は、公知の陰イオン交換樹脂及び陽イオン交換樹脂を使用できるが、吸着処理後の再生処理コスト等を考慮するとワンスルー利用が経済的に有利であり、かかる観点より、再利用(リユース)可能な廃イオン交換樹脂を用いることが好ましい。かかる廃イオン交換樹脂としては、火力発電所、原子力発電所等の用水処理(ボイラ復水処理、純水製造処理等)に用いられた廃イオン交換樹脂が好ましく、該廃イオン交換樹脂は一定の品質管理下で廃棄処分されているため、イオン交換能において若干の低下は見られるものの、安定した吸着能を有している。
また、イオン交換樹脂としては、陰イオン交換樹脂及び/又は陽イオン交換樹脂を用いることができるが、それらの中でも、スチレン−ジビニルベンゼンとの共重合体に官能基を導入した架橋ポリスチレン構造を有するイオン交換樹脂由来のものが、ポリ塩化ビフェニル類に対して高い吸着能を有する点より、好ましく用いられる。例えば、架橋ポリスチレンの硫酸処理等によってスルホン酸基を導入した陽イオン交換樹脂や、架橋ポリスチレンを塩化アルミニウム存在下でクロロメチルエーテルで処理しクロロメチル基を導入し、次いでアミンを反応させる等の方法で製造した陰イオン交換樹脂等を挙げることができる。
劣化していない陰イオン交換樹脂は、官能基が −N+(CH3)3 の状態で存在するのに対し、劣化した陰イオン交換樹脂は、−N+(CH3)2Cl− の状態で存在する官能基の割合が多くなる。一方、劣化していない陽イオン交換樹脂は、官能基が酸(−SO3H)の状態で存在するのに対し、劣化した陽イオン交換樹脂は、−SO3X(X:Ca等の金属)の状態で存在する官能基の割合が多くなる。従って、劣化した廃イオン交換樹脂を用いる場合は、陰イオン交換樹脂よりも廃陽イオン交換樹脂の方がハロゲンを吸着し易いと考えられる。
吸着除去する有機塩素化合物としては、例えば、ポリ塩化ビフェニル(PCB)類、ダイオキシン類、クロルベンゼン類、トリクロロエタンからなる群より選ばれる少なくとも一種の化合物が挙げられる。なかでも、PCB類の吸着分離に対して、本発明の方法は効果を奏する。
本発明の方法において、有機塩素化合物を含有する溶液を構成する溶媒は、水、油、及び有機溶媒から選択される少なくとも一種である。例えば、水中に微量存在する有機塩素化合物や、炭化水素油、特に高沸点で熱安定性の良好な炭化水素油(電気絶縁油、熱媒体用の油、潤滑油)などに含まれる有機塩素化合物や、固体中に含まれる有機ハロゲン化合物を抽出した鉱油や、有機溶媒に溶解させた高濃度(100%)有機塩素化合物の吸着除去にも、本発明の方法を適用することができる。前記有機溶媒としては、イソプロピルアルコール等の低級アルコールや、トルエン、キシレン、クメン等の芳香族炭化水素系溶媒が挙げられるが、ポリ塩化ビフェニル類の溶解性が高く、溶液粘度が低く取扱性に優れている点より、トルエン、キシレン、クメン等の芳香族炭化水素系溶媒が好ましい。
有機塩素化合物の分離処理を行う場合、吸着材と有機塩素化合物を含有する溶液との接触方法、接触時間、接触温度は特に限定されないが、接触温度は0℃〜120℃が好ましい。接触時間は、通常、1〜300時間である。
分離方法としては、吸着材を充填したカラムに有機塩素化合物含有溶液を流通させる方法、吸着材を装填した容器内で有機塩素化合物含有溶液を攪拌する方法などが挙げられ、その方法は特に限定されないが、吸着材の回収が容易である点より、前者が好ましい。攪拌下および/または加熱下で接触させてもよく、かかる条件下で接触させることにより吸着速度を高めることができる。接触時間は、有機塩素化合物の溶液中濃度や溶媒の種類、接触温度、吸着材の種類などに応じて、適宜決定すればよい。
本発明の方法によって活性炭もしくはアルカリ改質活性炭、及び廃イオン交換樹脂に吸着された有機塩素化合物は、該吸着材をアセトン、低級アルコール、トルエン、テトラヒドロフラン、ヘキサン、四塩化炭素等の脱離溶媒で洗浄することにより、容易に吸着材から脱着回収することができる。脱着後の吸着材は、再度吸着処理に供しても良いし、廃棄処分しても良い。
又は、有機塩素化合物を吸着した吸着材を有機塩素化合物とともに回収した後、PCB処理設備に移送し、水熱処理、酸化分解、還元分解、紫外線照射やマイクロ波による光分解処理等によって無害化することもできる。
(作用)
本発明において、廃イオン交換樹脂が高塩素化PCBの吸着材として有用である理由は明らかではないが、以下のように推察される。イオン交換樹脂は、ポリスチレンをジビニルベンゼンで架橋した架橋ポリスチレン粒子に、スルホン酸基などの官能基を導入したものであり、三次元網目構造を有している。このポリスチレン由来の芳香環と有機塩素化合物のビフェニル基との相互作用によって、有機塩素化合物がイオン交換樹脂に吸着するものと考えられる。そのため、細孔を利用して吸着する活性炭では低塩素化PCBが吸着されやすくなるのに対し、イオン交換樹脂では高塩素化PCBが吸着されやすくなるので、両者を組み合わせることによってPCBを迅速に分離することが可能になる。
本発明において、廃イオン交換樹脂が高塩素化PCBの吸着材として有用である理由は明らかではないが、以下のように推察される。イオン交換樹脂は、ポリスチレンをジビニルベンゼンで架橋した架橋ポリスチレン粒子に、スルホン酸基などの官能基を導入したものであり、三次元網目構造を有している。このポリスチレン由来の芳香環と有機塩素化合物のビフェニル基との相互作用によって、有機塩素化合物がイオン交換樹脂に吸着するものと考えられる。そのため、細孔を利用して吸着する活性炭では低塩素化PCBが吸着されやすくなるのに対し、イオン交換樹脂では高塩素化PCBが吸着されやすくなるので、両者を組み合わせることによってPCBを迅速に分離することが可能になる。
以下、実施例により本発明を更に具体的に説明するが、本発明は以下の実施例のみに限定されるものではない。
(試験例1)
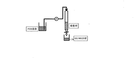
図1に示す試験装置を用いて有機塩素化合物(PCB)の吸着試験を行った。吸着材として、活性炭(三菱化学カルゴン製ダイアホープ008)5gを充填したクロマト管に、20ppmのPCB(KC−400、主成分:4塩化ビフェニル)クメン溶液20mlを流し、流出した溶液のPCB濃度をGC−MSで分析した。
図1に示す試験装置を用いて有機塩素化合物(PCB)の吸着試験を行った。吸着材として、活性炭(三菱化学カルゴン製ダイアホープ008)5gを充填したクロマト管に、20ppmのPCB(KC−400、主成分:4塩化ビフェニル)クメン溶液20mlを流し、流出した溶液のPCB濃度をGC−MSで分析した。
(試験例2)
図1に示す試験装置を用いて有機塩素化合物(PCB)の吸着試験を行った。吸着材として、陰イオン交換樹脂(オルガノ(株)製アンバーリストA21、基材:ポリスチレン、官能基:−N(CH3)2)10mlを充填したクロマト管に、20ppmのPCB(KC−400、主成分:4塩化ビフェニル)クメン溶液20mlを流し、流出した溶液のPCB濃度をGC−MSで分析した。
図1に示す試験装置を用いて有機塩素化合物(PCB)の吸着試験を行った。吸着材として、陰イオン交換樹脂(オルガノ(株)製アンバーリストA21、基材:ポリスチレン、官能基:−N(CH3)2)10mlを充填したクロマト管に、20ppmのPCB(KC−400、主成分:4塩化ビフェニル)クメン溶液20mlを流し、流出した溶液のPCB濃度をGC−MSで分析した。
吸着材通過前後のPCB濃度を表1に示す。
表1から明らかなように、吸着材接触前のPCB濃度は20ppmであるが、接触後のPCB濃度は活性炭で6.7ppm、陰イオン交換樹脂で10.2ppmとなった。また、塩素毎のPCB除去率は、活性炭は、塩素数が少ないPCBほど除去率が大きくなった。一方、陰イオン交換樹脂は、いずれの塩素数においてもほぼ同等に除去できた。活性炭の吸着特性はPCB塩素数の影響受け、陰イオン交換樹脂の吸着特性はPCB塩素数に影響を受けなかった。従って、吸着特性の異なる活性炭と陰イオン交換樹脂を組み合わせることにより、それぞれ単体を用いた場合よりも吸着除去性能を向上させることができることがわかる。
Claims (6)
- 有機塩素化合物を、活性炭もしくはアルカリ改質活性炭に接触させる工程と、イオン交換樹脂に接触させる工程と、を有することを特徴とする有機塩素化合物の分離方法。
- 有機塩素化合物を含有する溶液を、活性炭もしくはアルカリ改質活性炭を充填したカラム内に流通させた後、イオン交換樹脂を充填したカラム内に流通させるか、又は、イオン交換樹脂を充填したカラム内に流通させた後、活性炭もしくはアルカリ改質活性炭を充填したカラム内に流通させることを特徴とする請求項1に記載の有機塩素化合物の分離方法。
- 前記アルカリ改質活性炭が、活性炭をアミン化合物で処理したものである請求項1又は2に記載の有機塩素化合物の分離方法。
- 前記イオン交換樹脂が、発電所等の用水処理後の廃イオン交換樹脂である請求項1又は2に記載の有機塩素化合物の分離方法。
- 前記イオン交換樹脂は、架橋ポリスチレン構造を有するイオン交換樹脂である請求項1〜4のいずれかに記載の有機塩素化合物の分離方法。
- 前記有機塩素化合物を含有する溶液を構成する溶媒が、炭化水素油、水、及び有機溶媒から選択される一種以上である請求項2〜5のいずれかに記載の有機塩素化合物の分離方法。
Priority Applications (1)
| Application Number | Priority Date | Filing Date | Title |
|---|---|---|---|
| JP2005255477A JP2007069055A (ja) | 2005-09-02 | 2005-09-02 | 吸着材を組み合わせた有機塩素化合物の分離方法 |
Applications Claiming Priority (1)
| Application Number | Priority Date | Filing Date | Title |
|---|---|---|---|
| JP2005255477A JP2007069055A (ja) | 2005-09-02 | 2005-09-02 | 吸着材を組み合わせた有機塩素化合物の分離方法 |
Publications (1)
| Publication Number | Publication Date |
|---|---|
| JP2007069055A true JP2007069055A (ja) | 2007-03-22 |
Family
ID=37930977
Family Applications (1)
| Application Number | Title | Priority Date | Filing Date |
|---|---|---|---|
| JP2005255477A Pending JP2007069055A (ja) | 2005-09-02 | 2005-09-02 | 吸着材を組み合わせた有機塩素化合物の分離方法 |
Country Status (1)
| Country | Link |
|---|---|
| JP (1) | JP2007069055A (ja) |
Cited By (1)
| Publication number | Priority date | Publication date | Assignee | Title |
|---|---|---|---|---|
| JP2011088038A (ja) * | 2009-10-20 | 2011-05-06 | Tokyo Electric Power Co Inc:The | 有機ハロゲン化合物処理に用いられる触媒 |
Citations (3)
| Publication number | Priority date | Publication date | Assignee | Title |
|---|---|---|---|---|
| JP2001079539A (ja) * | 1999-09-13 | 2001-03-27 | Sumitomo Precision Prod Co Ltd | 汚水処理方法 |
| JP2005111387A (ja) * | 2003-10-08 | 2005-04-28 | Tokyo Electric Power Co Inc:The | 有機塩素化合物吸着剤及びそれを用いた有機塩素化合物の分離方法 |
| JP2005111470A (ja) * | 2003-09-18 | 2005-04-28 | Tokyo Electric Power Co Inc:The | 有機塩素化合物の除去方法 |
-
2005
- 2005-09-02 JP JP2005255477A patent/JP2007069055A/ja active Pending
Patent Citations (3)
| Publication number | Priority date | Publication date | Assignee | Title |
|---|---|---|---|---|
| JP2001079539A (ja) * | 1999-09-13 | 2001-03-27 | Sumitomo Precision Prod Co Ltd | 汚水処理方法 |
| JP2005111470A (ja) * | 2003-09-18 | 2005-04-28 | Tokyo Electric Power Co Inc:The | 有機塩素化合物の除去方法 |
| JP2005111387A (ja) * | 2003-10-08 | 2005-04-28 | Tokyo Electric Power Co Inc:The | 有機塩素化合物吸着剤及びそれを用いた有機塩素化合物の分離方法 |
Cited By (1)
| Publication number | Priority date | Publication date | Assignee | Title |
|---|---|---|---|---|
| JP2011088038A (ja) * | 2009-10-20 | 2011-05-06 | Tokyo Electric Power Co Inc:The | 有機ハロゲン化合物処理に用いられる触媒 |
Similar Documents
| Publication | Publication Date | Title |
|---|---|---|
| AU2003200424B2 (en) | Method of treating fats and oils | |
| WO2010073818A1 (ja) | ポリ塩化ビフェニル類含有油性液体の精製剤 | |
| JPS6127932A (ja) | 有機性液体からのポリハロゲン化ビフエニルの除去 | |
| WO2007056717A2 (en) | Methods and devices for the removal of organic contaminants from water | |
| Antonetti et al. | Application of microwave irradiation for the removal of polychlorinated biphenyls from siloxane transformer and hydrocarbon engine oils | |
| Liang et al. | Evaluation of activated carbon for remediating benzene contamination: Adsorption and oxidative regeneration | |
| US6939527B2 (en) | Method for the purification of hydrogen peroxide solutions | |
| Sun et al. | Decomposition of 2, 2′, 4, 4′, 5, 5′-hexachlorobiphenyl with iron supported on an activated carbon from an ion-exchange resin | |
| JP4064116B2 (ja) | 油脂類の処理方法 | |
| JP2007069055A (ja) | 吸着材を組み合わせた有機塩素化合物の分離方法 | |
| JPH0421641A (ja) | 高濃度アルコールの精製法及び精製用吸着剤 | |
| Zhang et al. | Sorption enhancement of 1-naphthol onto a hydrophilic hyper-cross-linked polymer resin | |
| JP4023816B1 (ja) | 分解能が低下した触媒の処理方法 | |
| JP5691120B2 (ja) | 高濃度硫酸含有シリカゲルの製造法 | |
| JP4003083B2 (ja) | 絶縁油の精製方法 | |
| JP2004174294A (ja) | 多塩素化芳香族化合物汚染物から多塩素化芳香族化合物を除去する方法 | |
| JP2004313876A (ja) | 吸着剤及びそれを用いた有機塩素化合物の分離方法 | |
| JP3970277B2 (ja) | 汚染油の処理方法 | |
| JP3895415B2 (ja) | 塩素化炭化水素の製造方法 | |
| JP2007069054A (ja) | 有機ハロゲン化物の吸着処理方法 | |
| CN104147745A (zh) | 一种化学转化去除环境中挥发性卤代烃的方法 | |
| JP2978251B2 (ja) | 液状炭化水素中の水銀の除去方法 | |
| JP4064117B2 (ja) | 汚染油の処理方法 | |
| JP4009607B2 (ja) | 触媒の再生処理方法、及び該再生触媒を用いた有機ハロゲン化合物の分解方法 | |
| JP2017205742A (ja) | ポリ塩化ビフェニル汚染機器用洗浄液の浄化方法及び汚染機器の洗浄方法 |
Legal Events
| Date | Code | Title | Description |
|---|---|---|---|
| A621 | Written request for application examination |
Free format text: JAPANESE INTERMEDIATE CODE: A621 Effective date: 20080709 |
|
| A131 | Notification of reasons for refusal |
Free format text: JAPANESE INTERMEDIATE CODE: A131 Effective date: 20110920 |
|
| A02 | Decision of refusal |
Free format text: JAPANESE INTERMEDIATE CODE: A02 Effective date: 20120417 |
