EP0808084A2 - Safety shutdown in case of asymmetrical power consumption - Google Patents
Safety shutdown in case of asymmetrical power consumption Download PDFInfo
- Publication number
- EP0808084A2 EP0808084A2 EP97107206A EP97107206A EP0808084A2 EP 0808084 A2 EP0808084 A2 EP 0808084A2 EP 97107206 A EP97107206 A EP 97107206A EP 97107206 A EP97107206 A EP 97107206A EP 0808084 A2 EP0808084 A2 EP 0808084A2
- Authority
- EP
- European Patent Office
- Prior art keywords
- circuit
- voltage
- lamp
- connection point
- coupling capacitor
- Prior art date
- Legal status (The legal status is an assumption and is not a legal conclusion. Google has not performed a legal analysis and makes no representation as to the accuracy of the status listed.)
- Granted
Links
- 239000003990 capacitor Substances 0.000 claims abstract description 26
- 230000008878 coupling Effects 0.000 claims abstract description 22
- 238000010168 coupling process Methods 0.000 claims abstract description 22
- 238000005859 coupling reaction Methods 0.000 claims abstract description 22
- 238000000926 separation method Methods 0.000 claims abstract description 3
- 230000001960 triggered effect Effects 0.000 claims description 8
- 230000004913 activation Effects 0.000 claims description 2
- 230000006378 damage Effects 0.000 description 2
- 238000009499 grossing Methods 0.000 description 1
- 238000012544 monitoring process Methods 0.000 description 1
- 230000010355 oscillation Effects 0.000 description 1
- 230000003068 static effect Effects 0.000 description 1
Images
Classifications
-
- H—ELECTRICITY
- H05—ELECTRIC TECHNIQUES NOT OTHERWISE PROVIDED FOR
- H05B—ELECTRIC HEATING; ELECTRIC LIGHT SOURCES NOT OTHERWISE PROVIDED FOR; CIRCUIT ARRANGEMENTS FOR ELECTRIC LIGHT SOURCES, IN GENERAL
- H05B41/00—Circuit arrangements or apparatus for igniting or operating discharge lamps
- H05B41/14—Circuit arrangements
- H05B41/26—Circuit arrangements in which the lamp is fed by power derived from DC by means of a converter, e.g. by high-voltage DC
- H05B41/28—Circuit arrangements in which the lamp is fed by power derived from DC by means of a converter, e.g. by high-voltage DC using static converters
- H05B41/295—Circuit arrangements in which the lamp is fed by power derived from DC by means of a converter, e.g. by high-voltage DC using static converters with semiconductor devices and specially adapted for lamps with preheating electrodes, e.g. for fluorescent lamps
- H05B41/298—Arrangements for protecting lamps or circuits against abnormal operating conditions
- H05B41/2981—Arrangements for protecting lamps or circuits against abnormal operating conditions for protecting the circuit against abnormal operating conditions
- H05B41/2985—Arrangements for protecting lamps or circuits against abnormal operating conditions for protecting the circuit against abnormal operating conditions against abnormal lamp operating conditions
Definitions
- the present invention relates to an operating circuit for discharge lamps, in particular low-pressure discharge lamps.
- this also means operating circuits for a plurality of lamps, that is to say operating circuits for at least one lamp.
- Discharge lamps are operated with AC power, usually with high frequency power.
- a coupling capacitor connected in series with the lamp is used for DC decoupling.
- Circuits with safety shutdown devices which respond to the lamp voltage, that is to say the voltage drop across the discharge path of the lamp, are known.
- the invention accordingly proceeds from a circuit for AC operation of a discharge lamp via a coupling capacitor connected in series with the lamp for DC separation with a safety shutdown device, as is known in OSRAM QTEC ballasts.
- the invention is based on the technical problem of further improving the safety and operating properties of the lamp with its operating circuit.
- the problem is solved by a circuit of the type mentioned, which is characterized in that the safety shutdown device responds to a DC voltage at the coupling capacitor by means of a DC component flowing through the lamp.
- the invention thus benefits both the safety and economy, and the electromagnetic compatibility of the lamp with its operating circuit.
- a certain DC voltage at the coupling capacitor turns the safety shutdown device into a threshold value circuit triggered.
- the same threshold circuit preferably also responds to an excessive intermediate circuit voltage of the operating circuit.
- this is realized in that a fraction of the intermediate circuit voltage obtained via a voltage divider circuit is applied to the aforementioned threshold value circuit, the coupling capacitor being connected in parallel to a part of the voltage divider circuit.
- the DC voltage at the coupling capacitor can thus influence the voltages at the voltage divider circuit and thus, like the intermediate circuit voltage, also trigger the threshold value circuit.
- the lamp voltage is also monitored via the same threshold circuit, i.e. the threshold circuit is also triggered by an excessive lamp voltage.
- the threshold circuit is also triggered by an excessive lamp voltage. This can be done by applying a fraction of the lamp voltage to a portion of the voltage divider circuit through a circuit designed so that the lamp voltage fraction is superimposed on the applied fraction of the intermediate circuit voltage.
- a connection point of the voltage divider circuit can be connected via a trigger diode to a suitable point of the threshold circuit, and in such a way that the threshold circuit to both polarities of the DC voltage appeals.
- An embodiment of the circuit according to the invention provides before connecting the connection point of the trigger diode or a potential adjacent connection point via a lamp filament to the voltage divider circuit and switching a resistor between this connection point of the trigger diode or a potential adjacent connection point and one of the poles of the intermediate circuit voltage as the base potential of the safety shutdown device or another suitable base potential.
- This resistance is dimensioned such that when the lamp is removed from its socket or when the lamp filament breaks, it pulls the potential of the named connection point to the potential or as far towards the potential of the pole, so that the threshold value circuit is triggered via the trigger diode.
- the threshold circuit is a bistable multivibrator, such as a thyristor equivalent circuit with two transistors.
- a discharge lamp is often operated via a push-pull frequency generator with two transistors.
- the safety shutdown device can be constructed in such a way that after it responds via a shutdown transistor, it suppresses the activation of one of the two transistors, for example connects the base of a bipolar transistor to ground with low resistance.
- RE1 shows an upper part RE1, RE2 of a voltage divider circuit RE1, RE2, R1 in the double-lined frame, the resistor RE1 being connected in parallel with a coupling capacitor C3 with a DC voltage UC3 dropping there in the event of a fault.
- the value of RE1 is significantly larger than the AC resistance of C3 at the operating frequency of the lamp.
- RE1 and RE2 there is also a filament of a low-pressure discharge lamp in the voltage divider circuit.
- the lamp filament is placed in the potential center of the voltage divider circuit, because the other lamp filament is generally also in the potential center of the intermediate circuit voltage in terms of DC voltage.
- the voltage Umeß falling across the resistor R1 is supplied to a connection point of a bistable multivibrator in the form of a thyristor equivalent circuit comprising two bipolar transistors when a threshold voltage UZ of a Zener diode DZ1 is exceeded.
- This flip-flop has a stable state in which both transistors are conducting and a further stable state in which both transistors are not conducting.
- the base of an npn switch-off transistor is driven via the drawn-in output signal line in such a way that it becomes conductive and the base of a transistor, also not shown, of a push-pull frequency generator operating the lamp is short-circuited to ground with low resistance.
- the flip-flop on the emitter side of the upper transistor is supplied with voltage in a suitable manner, so that a separate voltage supply is unnecessary.
- the energy for the base current of the switch-off transistor is formed there by a start capacitor for starting the frequency generator.
- the collector-emitter path of the switch-off transistor lies directly between the base of one of the transistors of the frequency generator and ground.
- the DC link voltage E of a large smoothing capacitor is applied to the voltage divider circuit C3, RE1, RE2, R1 described - as indicated on the left in FIG. 1 - in front of the push-pull frequency generator.
- the lamp voltage UL shown on the left is applied to a further voltage divider circuit (not described in any more detail), which is reduced evenly in both half-waves and is added to the capacitor C1 by the diodes D1 and D2 and the capacitor C2. Asymmetry of the lamp voltage cannot be detected here.
- This voltage is coupled into the measuring resistor R1 in a manner known to the person skilled in the art, it being superimposed on the fraction of the intermediate circuit voltage E resulting from the voltage divider circuit C3, RE1, RE2, R1. To put it clearly, in R1 there is an addition of the currents resulting from the voltages E and UL with a corresponding superposition of the voltages dropping at R1.
- circuit shown in FIG. 1 can monitor three different operating variables of the operating circuit with a single threshold circuit and can thus comprehensively detect fault states and convert them into switching off the lamp operation.
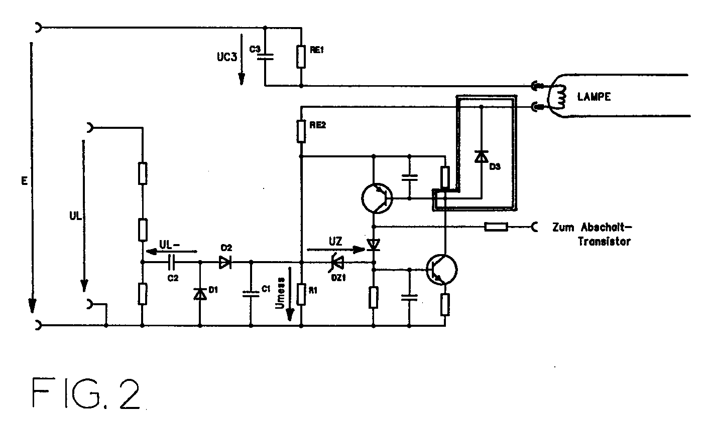
- the circuit shown in Fig. 2 corresponds to the just described except for the double-framed additional trigger diode D3 between the base of the upper transistor of the trigger circuit and a connection point between the resistor RE2 and the coupling capacitor C3 or here the lamp filament.
- the trigger diode is based on the fact that the voltage divider circuit converts only a charge or voltage UC3 at the coupling capacitor C3 opposite the intermediate circuit voltage E into a trigger signal by the Zener diode DZ1, because only then the measuring voltage Umeß is increased. If the coupling capacitor C3 is charged in the opposite direction, the potential at the upper connection point of the trigger diode D3 drops, so that this can then pull down the potential at the base of the upper trigger circuit transistor and thus trigger the trigger circuit into the conductive state.
- FIG. 3 shows the same circuit as FIG. 2, but additionally with a resistor R3 connected between the upper connection point of the trigger diode D3 and the lower pole of the intermediate circuit voltage E, here a "pulldown resistor".
- R3 connected between the upper connection point of the trigger diode D3 and the lower pole of the intermediate circuit voltage E, here a "pulldown resistor”.
- R3 connected between the upper connection point of the trigger diode D3 and the lower pole of the intermediate circuit voltage E, here a "pulldown resistor”.
- the last-described function of the circuit from FIG. 3 is particularly practical when a lamp, for example in a larger lighting system with many lamps, is to be removed. Then there is no need to switch off the entire lighting system, so that work can be carried out faster and with normal lighting.
- the applicant hereby claims protection for the invention which is independent of the rest of the disclosure, in the case of a safety shutdown device by means of a resistance between a connection point which is influenced by the lamp filament and a suitable base potential, the potential of the connection point at not to move existing power line through the coil so that the safety shutdown device responds.
Landscapes
- Circuit Arrangements For Discharge Lamps (AREA)
- Circuit Arrangement For Electric Light Sources In General (AREA)
Abstract
Vorgeschlagen wird eine Schaltung zum Wechselspannungsbetrieb einer Entladungslampe über einen mit der Lampe zur Gleichstromtrennung in Reihe geschalteten Kopplungskondensator (C3) mit einer Sicherheitsabschalteinrichtung, die dadurch gekennzeichnet ist, daß die Sicherheitsabschalteinrichtung auf eine Gleichspannung (UC3) an dem Kopplungskondensator (C3) durch eine Gleichstromkomponente durch die Lampe anspricht. A circuit is proposed for the AC operation of a discharge lamp via a coupling capacitor (C3) connected in series with the lamp for direct current separation with a safety shutdown device, which is characterized in that the safety shutdown device switches to a direct voltage (UC3) on the coupling capacitor (C3) by a direct current component the lamp responds.
Description
Die vorliegende Erfindung bezieht sich auf eine Betriebsschaltung für Entladungslampen, insbesondere Niederdruckentladungslampen. Hier und im folgenden sowie in den Ansprüchen sind dabei auch Betriebsschaltungen für mehrere Lampen gemeint, also Betriebsschaltungen für mindestens eine Lampe. Entladungslampen werden mit Wechselspannungsleistung betrieben, gewöhnlich mit einer Hochfrequenzleistung. Dabei wird zur Gleichstromentkopplung ein mit der Lampe in Reihe geschalteter Kopplungskondensator verwendet. Hinsichtlich des grundsätzlichen Aufbaus solcher Betriebsschaltungen wird verwiesen auf C. H. Sturm und E. Klein "Betriebsgeräte und Schaltungen für elektrische Lampen", 6. Auflage 1992, Siemens AG.The present invention relates to an operating circuit for discharge lamps, in particular low-pressure discharge lamps. Here and in the following and in the claims, this also means operating circuits for a plurality of lamps, that is to say operating circuits for at least one lamp. Discharge lamps are operated with AC power, usually with high frequency power. A coupling capacitor connected in series with the lamp is used for DC decoupling. With regard to the basic structure of such operating circuits, reference is made to C. H. Sturm and E. Klein "Operating Devices and Circuits for Electric Lamps", 6th edition 1992, Siemens AG.
Bei der Zündung und beim Betrieb einer Entladungslampe können verschiedene Störungszustände auftreten, die zur Zerstörung der Betriebsschaltung und zu Sicherheitsrisiken für die Umgebung führen können. Es wird dementsprechend ein Schaltungsaufbau angestrebt, der solche Störungszustände selbstständig erfaßt und zu einer Abschaltung der Lampe führt.Various ignition conditions can occur during the ignition and operation of a discharge lamp, which can lead to the destruction of the operating circuit and to safety risks for the environment. Accordingly, a circuit structure is sought which independently detects such fault conditions and leads to the lamp being switched off.
Bekannt sind Schaltungen mit Sicherheitsabschalteinrichtungen, die auf die Lampenspannung ansprechen, also die an der Entladungsstrecke der Lampe abfallende Spannung. Die Erfindung geht dementsprechend aus von einer Schaltung zum Wechselspannungsbetrieb einer Entladungslampe über einen mit der Lampe zur Gleichstromtrennung in Reihe geschalteten Kopplungskondensator mit einer Sicherheitsabschalteinrichtung, wie sie bei Vorschaltgeräten OSRAM QTEC bekannt sind.Circuits with safety shutdown devices which respond to the lamp voltage, that is to say the voltage drop across the discharge path of the lamp, are known. The invention accordingly proceeds from a circuit for AC operation of a discharge lamp via a coupling capacitor connected in series with the lamp for DC separation with a safety shutdown device, as is known in OSRAM QTEC ballasts.
Der Erfindung liegt das technische Problem zugrunde, die Sicherheits- und Betriebseigenschaften der Lampe mit ihrer Betriebsschaltung weiter zu verbessern.The invention is based on the technical problem of further improving the safety and operating properties of the lamp with its operating circuit.
Das Problem wird gelöst durch eine Schaltung der genannten Art, die dadurch gekennzeichnet ist, daß die Sicherheitsabschalteinrichtung auf eine Gleichspannung an dem Kopplungskondensator durch eine durch die Lampe fließende Gleichstromkomponente anspricht.The problem is solved by a circuit of the type mentioned, which is characterized in that the safety shutdown device responds to a DC voltage at the coupling capacitor by means of a DC component flowing through the lamp.
Eine solche Gleichstromkomponente tritt bei asymmetrischer Lampenleistung, im Extremfall bei Ausfall eines Lampenemitters, auf und führt infolge der Reihenschaltung von Lampe und Kopplungskondensator zu einer statischen Aufladung des Kopplungskondensators. Es hat sich gezeigt, daß die beschriebene Lampenasymmetrie ein ernstzunehmendes Problem darstellt. So führt sie - ausgehend von einem zwar nicht obligatorischen, aber heute üblichen überresonanten Betrieb der Schaltung - zu einer Verzerrung der Strom-über-Zeit-Schwingung zu einem Stromvorzeichen hin und damit zu einem quasi unterresonanten Verhalten mit Spitzen im Strom bzw. Sprüngen in seiner ersten Zeitableitung. Die Folge sind Hochfrequenzstörungen der Umgebung und Einschaltverluste im Frequenzgenerator sowie möglicherweise eine Zerstörung der Schaltung und Gefährdung der Umgebung.Such a direct current component occurs in the case of asymmetrical lamp power, in the extreme case when a lamp emitter fails, and, due to the series connection of lamp and coupling capacitor, leads to a static charge on the coupling capacitor. It has been shown that the lamp asymmetry described is a serious problem. Thus, starting from an over-resonant operation of the circuit, which is not obligatory, but is common today, it leads to a distortion of the current-over-time oscillation towards a current sign and thus to a quasi-under-resonant behavior with peaks in the current or jumps in its current first time derivative. The result is high-frequency interference in the environment and switch-on losses in the frequency generator as well as possible destruction of the circuit and endangering the environment.
Wird nun die Spannung an dem Kopplungskondensator in der erfindungsgemäßen Weise überwacht, können die beschriebenen Schwierigkeiten überwunden werden. Die Erfindung kommt also sowohl der Sicherheit, als auch Wirtschaftlichkeit, als auch elektromagnetischen Verträglichkeit der Lampe mit ihrer Betriebsschaltung zugute.If the voltage on the coupling capacitor is now monitored in the manner according to the invention, the difficulties described can be overcome. The invention thus benefits both the safety and economy, and the electromagnetic compatibility of the lamp with its operating circuit.
Nach einer bevorzugten Ausführungsform der Erfindung wird durch eine bestimmte Gleichspannung an dem Kopplungskondensator eine Schwellenwertschaltung der Sicherheitsabschalteinrichtung getriggert. Vorzugsweise spricht dieselbe Schwellenwertschaltung auch auf eine überhöhte Zwischenkreisspannung der Betriebsschaltung an.According to a preferred embodiment of the invention, a certain DC voltage at the coupling capacitor turns the safety shutdown device into a threshold value circuit triggered. The same threshold circuit preferably also responds to an excessive intermediate circuit voltage of the operating circuit.
Nach einer weiteren Fortbildung wird dies realisiert, indem ein über eine Spannungsteilerschaltung erhaltener Bruchteil der Zwischenkreisspannung an der erwähnten Schwellenwertschaltung anliegt, wobei der Kopplungskondensator einem Teil der Spannungsteilerschaltung parallelgeschaltet ist. So kann die Gleichspannung am Kopplungskondensator die Spannungen an der Spannungsteilerschaltung beeinflussen und somit wie die Zwischenkreisspannung auch die Schwellenwertschaltung triggern.According to a further development, this is realized in that a fraction of the intermediate circuit voltage obtained via a voltage divider circuit is applied to the aforementioned threshold value circuit, the coupling capacitor being connected in parallel to a part of the voltage divider circuit. The DC voltage at the coupling capacitor can thus influence the voltages at the voltage divider circuit and thus, like the intermediate circuit voltage, also trigger the threshold value circuit.
Nach einer besonderen Ausbildung wird über dieselbe genannte Schwellenwertschaltung auch die Lampenspannung überwacht, d.h. die Schwellenwertschaltung wird auch durch eine überhöhte Lampenspannung getriggert. Dies kann geschehen, indem ein Bruchteil der Lampenspannung an einen Teil der Spannungsteilerschaltung durch eine Schaltung angelegt wird, die so ausgelegt ist, daß sich der Lampenspannungsbruchteil dem angelegten Bruchteil der Zwischenkreisspannung überlagert. Ein Beispiel wird in der Beschreibung der Ausführungsbeispiele gegeben.According to a special training, the lamp voltage is also monitored via the same threshold circuit, i.e. the threshold circuit is also triggered by an excessive lamp voltage. This can be done by applying a fraction of the lamp voltage to a portion of the voltage divider circuit through a circuit designed so that the lamp voltage fraction is superimposed on the applied fraction of the intermediate circuit voltage. An example is given in the description of the exemplary embodiments.
Für den Fall, daß der Schaltungsaufbau zur Überwachung der Gleichspannung am Kopplungskondensator nur in einer Polarität zur Abschaltung führt, kann ein Anschlußpunkt der Spannungsteilerschaltung über eine Triggerdiode mit einem geeigneten Punkt der Schwellenwertschaltung verbunden werden, und zwar so, daß die Schwellenwertschaltung auf beide Polaritäten der Gleichspannung anspricht. Ein Beispiel hierfür wird wiederum in der Beschreibung der Ausführungsbeispiele gegeben.In the event that the circuit configuration for monitoring the DC voltage at the coupling capacitor leads to disconnection in only one polarity, a connection point of the voltage divider circuit can be connected via a trigger diode to a suitable point of the threshold circuit, and in such a way that the threshold circuit to both polarities of the DC voltage appeals. An example of this is again given in the description of the exemplary embodiments.
Eine Ausgestaltung der erfindungsgemäßen Schaltung sieht vor, den Anschlußpunkt der Triggerdiode oder einen potentialmäßig benachbarten Anschlußpunkt über eine Lampenwendel mit der Spannungsteilerschaltung zu verbinden und zwischen diesen Anschlußpunkt der Triggerdiode oder einen potentialmäßig benachbarten Anschlußpunkt und einen der Pole der Zwischenkreisspannung als Basispotential der Sicherheitsabschalteinrichtung oder ein anderes geeignetes Basispotential einen Widerstand zu schalten. Dieser Widerstand ist so bemessen, daß er bei Entnahme der Lampe aus ihrer Fassung oder bei Bruch der Lampenwendel das Potential des genannten Anschlußpunktes auf das Potential oder soweit in Richtung auf das Potential des Pols zieht, so daß die Schwellenwertschaltung über die Triggerdiode getriggert wird.An embodiment of the circuit according to the invention provides before connecting the connection point of the trigger diode or a potential adjacent connection point via a lamp filament to the voltage divider circuit and switching a resistor between this connection point of the trigger diode or a potential adjacent connection point and one of the poles of the intermediate circuit voltage as the base potential of the safety shutdown device or another suitable base potential. This resistance is dimensioned such that when the lamp is removed from its socket or when the lamp filament breaks, it pulls the potential of the named connection point to the potential or as far towards the potential of the pole, so that the threshold value circuit is triggered via the trigger diode.
Nach einer einfachen und vorteilhaften Lösungsmöglichkeit ist die Schwellenwertschaltung eine bistabile Kippschaltung, etwa eine Thyristorersatzschaltung mit zwei Transistoren.According to a simple and advantageous solution, the threshold circuit is a bistable multivibrator, such as a thyristor equivalent circuit with two transistors.
Häufig wird eine Entladungslampe über einen Gegentaktfrequenzgenerator mit zwei Transistoren betrieben. Dann kann die Sicherheitsabschalteinrichtung so aufgebaut sein, daß sie nach ihrem Ansprechen über einen Abschalttransistor die Ansteuerung eines der beiden Transistoren unterdrückt, etwa die Basis eines Bipolartransistors niederohmig mit Masse verbindet.A discharge lamp is often operated via a push-pull frequency generator with two transistors. Then the safety shutdown device can be constructed in such a way that after it responds via a shutdown transistor, it suppresses the activation of one of the two transistors, for example connects the base of a bipolar transistor to ground with low resistance.
Im folgenden wird die Erfindung anhand dreier konkreter Ausführungsbeispiele unter Bezugnahme auf die Figuren beschrieben. Dabei zeigt
- Fig. 1
- das erste Ausführungsbeispiel,
- Fig. 2
- das zweite Ausführungsbeispiel und
- Fig. 3
- das dritte Ausführungsbeispiel der Erfindung.
- Fig. 1
- the first embodiment,
- Fig. 2
- the second embodiment and
- Fig. 3
- the third embodiment of the invention.
In Fig. 1 ist in dem doppelt linierten Rahmen ein oberer Teil RE1, RE2 einer Spannungsteilerschaltung RE1, RE2, R1 gezeigt, wobei dem Widerstand RE1 ein Kopplungskondensator C3 mit im Störungsfall daran abfallender Gleichspannung UC3 parallelgeschaltet ist. Dabei ist der Wert von RE1 deutlich größer als der Wechselstromwiderstand von C3 bei der Betriebsfrequenz der Lampe.1 shows an upper part RE1, RE2 of a voltage divider circuit RE1, RE2, R1 in the double-lined frame, the resistor RE1 being connected in parallel with a coupling capacitor C3 with a DC voltage UC3 dropping there in the event of a fault. The value of RE1 is significantly larger than the AC resistance of C3 at the operating frequency of the lamp.
Zwischen RE1 und RE2 liegt ferner eine Wendel einer Niederdruckentladungslampe in der Spannungsteilerschaltung. Um Gleichströme durch die Lampe zu vermeiden, wird die Lampenwendel in die Potentialmitte der Spannungsteilerschaltung gelegt, weil die andere Lampenwendel gleichspannungsmäßig im allgemeinen auch in der Potentialmitte der Zwischenkreisspannung liegt.Between RE1 and RE2 there is also a filament of a low-pressure discharge lamp in the voltage divider circuit. In order to avoid direct currents through the lamp, the lamp filament is placed in the potential center of the voltage divider circuit, because the other lamp filament is generally also in the potential center of the intermediate circuit voltage in terms of DC voltage.
Die über dem Widerstand R1 abfallende Spannung Umeß wird bei Überschreiten einer Schwellenwertspannung UZ einer Zenerdiode DZ1 einem Anschlußpunkt einer bistabilen Kippschaltung in Form einer Thyristorersatzschaltung aus zwei Bipolartransistoren zugeführt. Diese Kippschaltung hat einen stabilen Zustand, in dem beide Transistoren leiten, und einen weiteren stabilen Zustand, in dem beide Transistoren nicht leiten.The voltage Umeß falling across the resistor R1 is supplied to a connection point of a bistable multivibrator in the form of a thyristor equivalent circuit comprising two bipolar transistors when a threshold voltage UZ of a Zener diode DZ1 is exceeded. This flip-flop has a stable state in which both transistors are conducting and a further stable state in which both transistors are not conducting.
Im leitenden Zustand wird über die eingezeichnete Ausgangssignalleitung die Basis eines nicht gezeigten npn-Abschalttransistors so angesteuert, daß dieser leitend wird und die Basis eines ebenfalls nicht gezeigten Transistors eines die Lampe betreibenden Gegentaktfrequenzgenerators niederohmig gegen Masse kurzschließt. Aus diesem Gegentaktfrequenzgenerator wird die Kippschaltung an der Emitterseite des oberen Transistors in geeigneter Weise mit Spannung versorgt, so daß sich eine eigene Spannungsversorgung erübrigt.In the conductive state, the base of an npn switch-off transistor, not shown, is driven via the drawn-in output signal line in such a way that it becomes conductive and the base of a transistor, also not shown, of a push-pull frequency generator operating the lamp is short-circuited to ground with low resistance. From this push-pull frequency generator, the flip-flop on the emitter side of the upper transistor is supplied with voltage in a suitable manner, so that a separate voltage supply is unnecessary.
Hinsichtlich der genannten und anderer Einzelheiten der inneren und äußeren Verschaltung der Kippschaltung (mit der restlichen Betriebsschaltung der Lampe) wird ausdrücklich Bezug genommen auf die Offenbarung der Anmeldung DE 195 05 459.8 der Anmelderin. Insbesondere wird dort die Energie für den Basisstrom des Abschalttransistors durch einen Startkondensator zum Starten des Frequenzgenerators gebildet. Ferner liegt die Kollektor-Emitter-Strecke des Abschalttransistors direkt zwischen der Basis eines der Transistoren des Frequenzgenerators und Masse.Regarding the above and other details of the inner and outer circuit of the flip-flop (with the rest of the operating circuit of the lamp) is expressly made to the disclosure of the application DE 195 05 459.8 by the applicant. In particular, the energy for the base current of the switch-off transistor is formed there by a start capacitor for starting the frequency generator. Furthermore, the collector-emitter path of the switch-off transistor lies directly between the base of one of the transistors of the frequency generator and ground.
An die beschriebene Spannungsteilerschaltung C3, RE1, RE2, R1 ist - wie in Fig. 1 links angedeutet - die Zwischenkreisspannung E eines nicht gezeigten großen Glättungskondensators vor dem Gegentaktfrequenzgenerator angelegt.The DC link voltage E of a large smoothing capacitor, not shown, is applied to the voltage divider circuit C3, RE1, RE2, R1 described - as indicated on the left in FIG. 1 - in front of the push-pull frequency generator.
An eine weitere, nicht näher bezeichnete Spannungsteilerschaltung ist die links eingezeichnete Lampenspannung UL angelegt, die in beiden Halbwellen gleichmäßig herabgesetzt und durch die Dioden D1 und D2 und den Kondensator C2 am Kondensator C1 addiert wird. Eine Asymmetrie der Lampenspannung kann hier also nicht erfaßt werden.The lamp voltage UL shown on the left is applied to a further voltage divider circuit (not described in any more detail), which is reduced evenly in both half-waves and is added to the capacitor C1 by the diodes D1 and D2 and the capacitor C2. Asymmetry of the lamp voltage cannot be detected here.
Diese Spannung wird in einer dem Fachmann bekannten Weise in den Meßwiderstand R1 eingekoppelt, wobei sie sich dem aus der Spannungsteilerschaltung C3, RE1, RE2, R1 resultierenden Bruchteil der Zwischenkreisspannung E überlagert. Anschaulich gesagt findet in R1 eine Addition der auf die Spannungen E und UL zurückgehenden Ströme mit entsprechender Überlagerung der an R1 abfallenden Spannungen statt.This voltage is coupled into the measuring resistor R1 in a manner known to the person skilled in the art, it being superimposed on the fraction of the intermediate circuit voltage E resulting from the voltage divider circuit C3, RE1, RE2, R1. To put it clearly, in R1 there is an addition of the currents resulting from the voltages E and UL with a corresponding superposition of the voltages dropping at R1.
Es wird deutlich, daß die in Fig. 1 gezeigte Schaltung mit einer einzigen Schwellenwertschaltung drei verschiedene Betriebsgrößen der Betriebsschaltung überwachen und damit in umfassender Weise Störungszustände erfassen und in eine Abschaltung des Lampenbetriebs umsetzen kann.It is clear that the circuit shown in FIG. 1 can monitor three different operating variables of the operating circuit with a single threshold circuit and can thus comprehensively detect fault states and convert them into switching off the lamp operation.
Die in Fig. 2 gezeigte Schaltung entspricht der soeben beschriebenen bis auf die doppelt eingerahmte zusätzliche Triggerdiode D3 zwischen der Basis des oberen Transistors der Kippschaltung und einem Anschlußpunkt zwischen dem Widerstand RE2 und dem Kopplungskondensator C3 bzw. hier der Lampenwendel.The circuit shown in Fig. 2 corresponds to the just described except for the double-framed additional trigger diode D3 between the base of the upper transistor of the trigger circuit and a connection point between the resistor RE2 and the coupling capacitor C3 or here the lamp filament.
Die Triggerdiode hat ihren Grund darin, daß die Spannungteilerschaltung nur eine der Zwischenkreisspannung E entgegengesetzte Aufladung bzw. Spannung UC3 am Kopplungskondensator C3 in ein Triggersignal durch die Zenerdiode DZ1 umsetzt, weil nur dann die Meßspannung Umeß vergrößert wird. Bei dazu entgegengesetzter Aufladung des Kopplungskondensators C3 sinkt das Potential am oberen Anschlußpunkt der Triggerdiode D3, so daß diese dann das Potential an der Basis des oberen Kippschaltungstransistors herunterziehen und damit die Kippschaltung in den leitenden Zustand triggern kann.The trigger diode is based on the fact that the voltage divider circuit converts only a charge or voltage UC3 at the coupling capacitor C3 opposite the intermediate circuit voltage E into a trigger signal by the Zener diode DZ1, because only then the measuring voltage Umeß is increased. If the coupling capacitor C3 is charged in the opposite direction, the potential at the upper connection point of the trigger diode D3 drops, so that this can then pull down the potential at the base of the upper trigger circuit transistor and thus trigger the trigger circuit into the conductive state.
Schließlich zeigt Fig. 3 die gleiche Schaltung wie Fig. 2, jedoch zusätzlich mit einem zwischen den oberen Anschlußpunkt der Triggerdiode D3 und den unteren Pol der Zwischenkreisspannung E geschalteten Widerstand R3, hier ein "Pulldown-Widerstand". Dieser ist so bemessen, daß er bei nicht vorhandener Lampe, Wendelbruch oder ähnlichem das Potential seines oberen Anschlußpunktes in Richtung auf das Potential des unteren Pols der Zwischenkreisspannung E zieht, d.h. er ist deutlich niederohmiger als RE2. Dadurch wird die Kippschaltung über die Triggerdiode D3 auch bei Wendelbruch oder Lampenentnahme getriggert. Da die Lampenwendel im Potentialmittelpunkt der Spannungsteilerschaltung C3, RE1, RE2, R1 bzw. der Zwischenkreisspannung E liegen muß, ist wegen R3 eine Anpassung der anderen Widerstände der Spannungsteilerschaltung notwendig, und zwar ungefähr gemäß
Die zuletzt beschriebene Funktion der Schaltung aus Fig. 3 ist insbesondere praktisch, wenn eine Lampe, etwa in einer größeren Beleuchtungsanlage mit vielen Lampen, herausgenommen werden soll. Dann erübrigt sich das Ausschalten der ganzen Beleuchtungsanlage, so daß schneller und bei Normalbeleuchtung gearbeitet werden kann.The last-described function of the circuit from FIG. 3 is particularly practical when a lamp, for example in a larger lighting system with many lamps, is to be removed. Then there is no need to switch off the entire lighting system, so that work can be carried out faster and with normal lighting.
Im folgenden werden ergänzend einige typische Werte für einige der beschriebenen Bauteile der Ausführungsbeispiele angegeben: Die Widerstände im UL-Spannungsteiler liegen im Bereich einiger 100 Kiloohm und hängen von der Lampendimensionierung ab. C2 beträgt einige Pikofarad bei ausreichender Spannungsfestigkeit (E/2). Die Spannungfestigkeit der Dioden D1 und D2 entspricht der höchsten in der Sicherheitsabschaltung vorkommenden Spannung, nämlich UZ plus 10% Sicherheitsabstand. C1 liegt im Mikrofaradbereich; es sind große Zeitkonstanten erforderlich zur Abdämpfung des Zündimpulses. Die Zenerspannung UZ liegt zwischen 16 und 30 Volt. Der Wert des Kopplungskondensators C3 liegt im Bereich von 22 bis 47 Nanofarad und hängt von der Lampendimensionierung ab. Also z.B.:
- RE1 = 330 Kiloohm
- RE2 = 1,2 Megaohm
- R1 = 180 Kiloohm
- R3 = 470 Kiloohm
- D3 sperrt mindestens E/2
- C1 = 2,2 Mikrofarad
- C2 = 680 Pikofarad
- RE1 = 330 kilohms
- RE2 = 1.2 megohms
- R1 = 180 kilohms
- R3 = 470 kilohms
- D3 blocks at least E / 2
- C1 = 2.2 microfarads
- C2 = 680 picofarads
Vorsorglich beansprucht die Anmelderin hiermit von der übrigen Offenbarung unabhängigen Schutz für die Erfindung, bei einer Sicherheitsabschalteinrichtung durch einen Widerstand zwischen einem Anschlußpunkt, der durch die Lampenwendel potentialmäßig beeinflußt wird, und einem geeigneten Basispotential das Potential des Anschlußpunktes bei nicht vorhandener Stromleitung durch die Wendel derart zu verschieben, daß die Sicherheitsabschalteinrichtung anspricht.As a precaution, the applicant hereby claims protection for the invention which is independent of the rest of the disclosure, in the case of a safety shutdown device by means of a resistance between a connection point which is influenced by the lamp filament and a suitable base potential, the potential of the connection point at not to move existing power line through the coil so that the safety shutdown device responds.
Claims (11)
Applications Claiming Priority (2)
| Application Number | Priority Date | Filing Date | Title |
|---|---|---|---|
| DE19619580A DE19619580A1 (en) | 1996-05-15 | 1996-05-15 | Safety shutdown with asymmetrical lamp power |
| DE19619580 | 1996-05-15 |
Publications (3)
| Publication Number | Publication Date |
|---|---|
| EP0808084A2 true EP0808084A2 (en) | 1997-11-19 |
| EP0808084A3 EP0808084A3 (en) | 1998-04-22 |
| EP0808084B1 EP0808084B1 (en) | 2001-06-27 |
Family
ID=7794387
Family Applications (1)
| Application Number | Title | Priority Date | Filing Date |
|---|---|---|---|
| EP97107206A Expired - Lifetime EP0808084B1 (en) | 1996-05-15 | 1997-04-30 | Safety shutdown in case of asymmetrical power consumption |
Country Status (4)
| Country | Link |
|---|---|
| US (1) | US5939832A (en) |
| EP (1) | EP0808084B1 (en) |
| CA (1) | CA2205323C (en) |
| DE (2) | DE19619580A1 (en) |
Cited By (2)
| Publication number | Priority date | Publication date | Assignee | Title |
|---|---|---|---|---|
| EP1189487A3 (en) * | 2000-09-18 | 2005-01-05 | Patent-Treuhand-Gesellschaft für elektrische Glühlampen mbH | Electronic circuit for detecting filament wear of gas discharge lamps |
| EP1765042A3 (en) * | 2005-06-20 | 2008-02-13 | Patent-Treuhand-Gesellschaft für elektrische Glühlampen mbH | Shutdown circuit for the inverter of an electronic ballast |
Families Citing this family (7)
| Publication number | Priority date | Publication date | Assignee | Title |
|---|---|---|---|---|
| DE19941437A1 (en) | 1999-08-30 | 2001-03-01 | Patent Treuhand Ges Fuer Elektrische Gluehlampen Mbh | Circuit arrangement for operating at least one discharge lamp |
| EP1444871A1 (en) * | 2001-11-07 | 2004-08-11 | Koninklijke Philips Electronics N.V. | Ballast circuit arrangement for operating a discharge lamp with end of lamp life detection |
| DE10163033A1 (en) * | 2001-12-20 | 2003-07-03 | Tridonicatco Gmbh & Co Kg | Electronic ballast with monitoring circuit for detecting the rectification effect occurring in a gas discharge lamp |
| CN101060737A (en) * | 2006-04-19 | 2007-10-24 | 皇家飞利浦电子股份有限公司 | A circuit of displaying the functional status of detecting lamp and ballast |
| US8482213B1 (en) | 2009-06-29 | 2013-07-09 | Panasonic Corporation | Electronic ballast with pulse detection circuit for lamp end of life and output short protection |
| US8947020B1 (en) | 2011-11-17 | 2015-02-03 | Universal Lighting Technologies, Inc. | End of life control for parallel lamp ballast |
| CN202455166U (en) * | 2011-12-31 | 2012-09-26 | 东莞市洁德电子科技有限公司 | Inductor, inductive charger and inductive emergency lamp |
Family Cites Families (8)
| Publication number | Priority date | Publication date | Assignee | Title |
|---|---|---|---|---|
| JPS57110084A (en) * | 1980-12-26 | 1982-07-08 | Toshiba Electric Equip Corp | Transistor inverter |
| US5023516A (en) * | 1988-05-10 | 1991-06-11 | Matsushita Electric Industrial Co., Ltd. | Discharge lamp operation apparatus |
| DE3925899A1 (en) * | 1989-08-04 | 1991-02-07 | Zumtobel Ag | ELECTRONIC CONTROLLER FOR GAS DISCHARGE LAMPS |
| DE4100349C2 (en) * | 1990-01-31 | 1994-04-28 | Siemens Ag | Electronic ballast |
| US5387846A (en) * | 1991-11-27 | 1995-02-07 | Selwyn Yuen | Combination ballast for driving a fluorescent lamp or tube and ballast protection circuit |
| US5475284A (en) * | 1994-05-03 | 1995-12-12 | Osram Sylvania Inc. | Ballast containing circuit for measuring increase in DC voltage component |
| US5528147A (en) * | 1994-06-30 | 1996-06-18 | Motorola Lighting, Inc. | Apparatus for detecting gas discharge lamp faults |
| US5574335A (en) * | 1994-08-02 | 1996-11-12 | Osram Sylvania Inc. | Ballast containing protection circuit for detecting rectification of arc discharge lamp |
-
1996
- 1996-05-15 DE DE19619580A patent/DE19619580A1/en not_active Withdrawn
-
1997
- 1997-04-30 EP EP97107206A patent/EP0808084B1/en not_active Expired - Lifetime
- 1997-04-30 DE DE59703889T patent/DE59703889D1/en not_active Expired - Lifetime
- 1997-05-09 US US08/853,996 patent/US5939832A/en not_active Expired - Lifetime
- 1997-05-14 CA CA002205323A patent/CA2205323C/en not_active Expired - Fee Related
Cited By (2)
| Publication number | Priority date | Publication date | Assignee | Title |
|---|---|---|---|---|
| EP1189487A3 (en) * | 2000-09-18 | 2005-01-05 | Patent-Treuhand-Gesellschaft für elektrische Glühlampen mbH | Electronic circuit for detecting filament wear of gas discharge lamps |
| EP1765042A3 (en) * | 2005-06-20 | 2008-02-13 | Patent-Treuhand-Gesellschaft für elektrische Glühlampen mbH | Shutdown circuit for the inverter of an electronic ballast |
Also Published As
| Publication number | Publication date |
|---|---|
| CA2205323C (en) | 2005-03-22 |
| DE19619580A1 (en) | 1997-11-20 |
| CA2205323A1 (en) | 1997-11-15 |
| DE59703889D1 (en) | 2001-08-02 |
| US5939832A (en) | 1999-08-17 |
| EP0808084A3 (en) | 1998-04-22 |
| EP0808084B1 (en) | 2001-06-27 |
Similar Documents
| Publication | Publication Date | Title |
|---|---|---|
| DE4002334C2 (en) | Circuit for operating an electric discharge lamp in a motor vehicle | |
| DE2817142A1 (en) | MONITORING SYSTEM | |
| EP1233657B1 (en) | Protective circuit for a fluorescent lamp | |
| EP2564671B1 (en) | High electric strength interface circuit | |
| DE102021122687A1 (en) | Arrangement and method for discharging an intermediate circuit capacitor | |
| DE60017709T2 (en) | Arrangement for remote monitoring of Led lights | |
| EP0808084B1 (en) | Safety shutdown in case of asymmetrical power consumption | |
| DE4425859A1 (en) | Circuit arrangement for operating one or more low-pressure discharge lamps | |
| DE69410510T2 (en) | Protection circuit for a power supply of a lighting tube | |
| DE3711814C2 (en) | Electronic ballast for operating fluorescent lamps | |
| EP0572585B1 (en) | Device for operating a gas-discharge lamp | |
| DE102018107500B4 (en) | Lamp driver for a LED lamp and LED lamp for insertion into a fluorescent lamp | |
| DE69803395T2 (en) | CIRCUIT FOR SYNCHRONIZING THE IGNITION OF DISCHARGE LAMPS WITH ELECTRONIC BALLAST | |
| CH664048A5 (en) | PROTECTIVE CIRCUIT FOR A INVERTER CIRCUIT. | |
| EP0682464A1 (en) | Circuit for operating electric lamps | |
| EP0648068B1 (en) | Circuit for operating electrical lamps | |
| EP0871347A1 (en) | Ballast with automatic restart | |
| EP0881864B1 (en) | Circuit for operating incandescent lamps | |
| EP0809923B1 (en) | Circuit for operating a discharge lamp | |
| EP0276460A1 (en) | Circuit arrangement for operating a low-pressure discharge lamp | |
| WO2011135097A1 (en) | Interface circuit and method for influencing the edge steepness of a control pulse | |
| EP1086477B1 (en) | Input circuit for relatively high current ac signals to be monitored | |
| EP1583403A1 (en) | Ballast for at least one lamp | |
| EP2140735B1 (en) | Circuit configuration for starting and operating at least one discharge lamp | |
| DE102018114641A1 (en) | Safety concept for DC link capacitors |
Legal Events
| Date | Code | Title | Description |
|---|---|---|---|
| PUAI | Public reference made under article 153(3) epc to a published international application that has entered the european phase |
Free format text: ORIGINAL CODE: 0009012 |
|
| AK | Designated contracting states |
Kind code of ref document: A2 Designated state(s): BE DE FR GB IT NL |
|
| PUAL | Search report despatched |
Free format text: ORIGINAL CODE: 0009013 |
|
| AK | Designated contracting states |
Kind code of ref document: A3 Designated state(s): BE DE FR GB IT NL |
|
| 17P | Request for examination filed |
Effective date: 19980519 |
|
| 17Q | First examination report despatched |
Effective date: 19980611 |
|
| RIC1 | Information provided on ipc code assigned before grant |
Free format text: 7H 05B 41/295 A |
|
| GRAG | Despatch of communication of intention to grant |
Free format text: ORIGINAL CODE: EPIDOS AGRA |
|
| GRAG | Despatch of communication of intention to grant |
Free format text: ORIGINAL CODE: EPIDOS AGRA |
|
| GRAH | Despatch of communication of intention to grant a patent |
Free format text: ORIGINAL CODE: EPIDOS IGRA |
|
| GRAH | Despatch of communication of intention to grant a patent |
Free format text: ORIGINAL CODE: EPIDOS IGRA |
|
| GRAA | (expected) grant |
Free format text: ORIGINAL CODE: 0009210 |
|
| AK | Designated contracting states |
Kind code of ref document: B1 Designated state(s): BE DE FR GB IT NL |
|
| REF | Corresponds to: |
Ref document number: 59703889 Country of ref document: DE Date of ref document: 20010802 |
|
| ITF | It: translation for a ep patent filed | ||
| GBT | Gb: translation of ep patent filed (gb section 77(6)(a)/1977) |
Effective date: 20010910 |
|
| ET | Fr: translation filed | ||
| REG | Reference to a national code |
Ref country code: GB Ref legal event code: IF02 |
|
| PLBE | No opposition filed within time limit |
Free format text: ORIGINAL CODE: 0009261 |
|
| STAA | Information on the status of an ep patent application or granted ep patent |
Free format text: STATUS: NO OPPOSITION FILED WITHIN TIME LIMIT |
|
| 26N | No opposition filed | ||
| PGFP | Annual fee paid to national office [announced via postgrant information from national office to epo] |
Ref country code: NL Payment date: 20060404 Year of fee payment: 10 |
|
| PGFP | Annual fee paid to national office [announced via postgrant information from national office to epo] |
Ref country code: GB Payment date: 20060411 Year of fee payment: 10 |
|
| PGFP | Annual fee paid to national office [announced via postgrant information from national office to epo] |
Ref country code: BE Payment date: 20060419 Year of fee payment: 10 |
|
| PGFP | Annual fee paid to national office [announced via postgrant information from national office to epo] |
Ref country code: FR Payment date: 20060425 Year of fee payment: 10 |
|
| PGFP | Annual fee paid to national office [announced via postgrant information from national office to epo] |
Ref country code: IT Payment date: 20060430 Year of fee payment: 10 |
|
| GBPC | Gb: european patent ceased through non-payment of renewal fee |
Effective date: 20070430 |
|
| BERE | Be: lapsed |
Owner name: *PATENT-TREUHAND-G.- FUR ELEKTRISCHE GLUHLAMPEN M. Effective date: 20070430 |
|
| NLV4 | Nl: lapsed or anulled due to non-payment of the annual fee |
Effective date: 20071101 |
|
| PG25 | Lapsed in a contracting state [announced via postgrant information from national office to epo] |
Ref country code: NL Free format text: LAPSE BECAUSE OF NON-PAYMENT OF DUE FEES Effective date: 20071101 |
|
| PG25 | Lapsed in a contracting state [announced via postgrant information from national office to epo] |
Ref country code: BE Free format text: LAPSE BECAUSE OF NON-PAYMENT OF DUE FEES Effective date: 20070430 |
|
| PG25 | Lapsed in a contracting state [announced via postgrant information from national office to epo] |
Ref country code: GB Free format text: LAPSE BECAUSE OF NON-PAYMENT OF DUE FEES Effective date: 20070430 |
|
| PG25 | Lapsed in a contracting state [announced via postgrant information from national office to epo] |
Ref country code: FR Free format text: LAPSE BECAUSE OF NON-PAYMENT OF DUE FEES Effective date: 20070430 |
|
| PG25 | Lapsed in a contracting state [announced via postgrant information from national office to epo] |
Ref country code: IT Free format text: LAPSE BECAUSE OF NON-PAYMENT OF DUE FEES Effective date: 20070430 |
|
| PGFP | Annual fee paid to national office [announced via postgrant information from national office to epo] |
Ref country code: DE Payment date: 20110620 Year of fee payment: 15 |
|
| REG | Reference to a national code |
Ref country code: DE Ref legal event code: R119 Ref document number: 59703889 Country of ref document: DE Effective date: 20121101 |
|
| PG25 | Lapsed in a contracting state [announced via postgrant information from national office to epo] |
Ref country code: DE Free format text: LAPSE BECAUSE OF NON-PAYMENT OF DUE FEES Effective date: 20121101 |
